HUBSAN INTELLIGENT FPV1TX FPV Transmitter User Manual
SHENZHEN HUBSAN INTELLIGENT COMPANY LIMITED FPV Transmitter Users Manual
Contents
- 1. User manual part 1
- 2. User manual part 2
User manual part 2

FPV TRANSMITTER
17 ©2015 Hubsan
ֻӰ೨ሙNjྠిਫ਼ద
(MODE 1)
4.1.2 TRANSMITTER
7 Power SW
(OHYDWRU7ULP
(OHYDWRU5XGGHU6WLFN
5 Rudder Trim
UP Function
EXT Function Key
/&'
5.8GHz Antenna
9 Antenna
1HFN6WUDS(\HOHW
6 Throttle Trim
7KURWWOH$LOHURQVWLFN
3 Aileron Trim
ENT Function Key
Down Function
(MODE 2)
7 Power SW
6 Throttle Trim
7KURWWOH5XGGHU6WLFN
5 Rudder Trim
UP Function
EXT Function Key
/&'
SA
GPS
5.8GHz Antenna
9 Antenna
1HFN6WUDS(\HOHW
(OHYDWRU7ULP
(OHYDWRU$LOHURQVWLFN
3 Aileron Trim
ENT Function Key
Down Function
T1 T2
Home
SB
SA
GPS
T1 T2
Home
SB
No function
9LGHRJODVVHVVRFNHW '6&
(DUSKRQHVRFNHW

18 ©2015 Hubsan
ֻӰ೨ሙNjྠిਫ਼ద
FPV TRANSMITTER
(1) 7KURWWOH$LOHURQVWLFN
)RUZDUGDQGEDFNZDUGPRYHPHQWRIWKHVWLFNZLOOPDNHWKH;3UR
LQFUHDVHRUGHFUHDVHVSHHGUHVSHFWLYHO\/HIWDQGULJKWPRYHPHQW
RIWKHVWLFNPDNHVWKH;3URUROOOHIWULJKWWRLQLWLDWHDWXUQ
(2) (OHYDWRU5XGGHU6WLFN
)RUZDUGDQGEDFNZDUGPRYHPHQWRIWKHVWLFNPDNHVWKH;3UR
QRVHSRLQWXSGRZQUHVSHFWLYHO\/HIWDQGULJKWPRYHPHQWRIWKH
VWLFNPDNHVWKH;3UR\DZOHIWULJKWUHVSHFWLYHO\
3 Aileron Trim $LOHURQWULPDGMXVWVOHIWDQGULJKWUROO
4(OHYDWRU7ULP (OHYDWRUWULPDGMXVWVXSDQGGRZQPRYHPHQW
5 Rudder Trim 5XGGHUWULPDGMXVWVOHIWDQGULJKW\DZ
6 Throttle Trim 7KURWWOHWULPDGMXVWVVSHHGRIPRWRU
7 Power SW Pushing the switch up powers on the transmitter, pulling it down
switches it off.
81HFN6WUDS(\HOHW )RUWKHDWWDFKPHQWRIDQHFNVWUDSZKLFKHDVHVWKHWHQVLRQRI\RXU
hands from holding the transmitter.
9
10
13
Antenna
SA
Transmits the 2.4Ghz wireless signal.
Push: Headless Function
Pull down: Normal Function
11
76% No function for now.
12 GPS Push: Altitude mode and Position Mode
3XOOGRZQ([LWWKH$OWLWXGH0RGHDQG3RVLWLRQ0RGH
Home Push: Enter the RTH function.
3XOOGRZQ([LWWKH57+IXQFWLRQ
14 '6&2SWLRQDO &RQQHFWVWRWKHGDWDFDEOHRIFRPSXWHUVLPXODWRU
4.2 INPUT KEY FUNCTION
S/N IDENTIFICATION FUNCTION
1
7KURWWOH5XGGHU6WLFN
2
(OHYDWRU$LOHURQ6WLFN
)RUZDUGDQGEDFNZDUGPRYHPHQWRIWKHVWLFNPDNHVWKH;3URQRVH
SRLQWXSGRZQUHVSHFWLYHO\/HIWDQGULJKWPRYHPHQWRIWKHVWLFN
PDNHVWKH;3URUROOOHIWULJKWWRLQLWLDWHDWXUQ
)RUZDUGDQGEDFNZDUGPRYHPHQWRIWKHVWLFNZLOOPDNHWKH;3UR
LQFUHDVHRUGHFUHDVHVSHHGUHVSHFWLYHO\/HIWDQGULJKWPRYHPHQWRIWKH
VWLFNPDNHVWKH;3UR\DZOHIWULJKWUHVSHFWLYHO\

)VCTBO
ֻӰ೨ሙNjྠిਫ਼ద
FPV TRANSMITTER
Ɣ'RQRWPL[ROGDQGQHZEDWWHULHVƔ'RQRWPL[GLIIHUHQWW\SHVRIEDWWHULHV
Ɣ'RQRWFKDUJHQRQUHFKDUJHDEOHEDWWHU\
A A A A
A A A A
A A A A
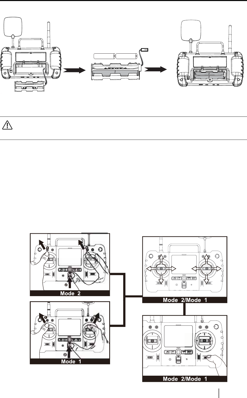
MODE 1 transmitter
3XVKWKHOHIWMR\VWLFNWRWKHWRSRQWKHOHIWDQGWKHULJKWMR\VWLFNWRWKHWRSRQWKHULJKWNHHS
WKHPLQWKLVSRVLWLRQDQGWKHQWXUQRQWKHWUDQVPLWWHUWKH/&'VFUHHQZLOOVKRZ³&$/,%(5
$7(67,&.´0RYHWKHMR\VWLFNVLQDFLUFOLQJPRWLRQDERXWWLPHVDQGWKHQUHOHDVHWKH
MR\VWLFNDQGSUHVVany trimWRVDYHDQGH[LVW
MODE 2 transmitter
3XVKWKHWZRMR\VWLFNVWRWKHWRSRQWKHOHIWDQGNHHSWKHPLQWKLVSRVLWLRQDQGWKHQWXUQRQ
WKHWUDQVPLWWHUWKH/&'VFUHHQZLOOVKRZ³&$/,%(5$7(67,&.´PRYHWKHMR\VWLFNVLQD
FLUFOLQJPRWLRQDERXWWLPHVDQGWKHQUHOHDVHWKHMR\VWLFNDQGSUHVVDQ\WULPWRVDYHDQG
H[LVW
2SHQWKHFRYHUWDNHRXW
the holder
According to the correct
SRODULWLHVLQVWDOO[$$EDWWHU\
Insert the plug into the power
MDFNIDVWHQWKHFRYHUZLWKD
screw
4.3 BATTERY MOUNTING
4.4 TRANSMITTER STICK CALIBRATION
A A A A

FPV TRANSMITTER
20 ©2015 Hubsan
ֻӰ೨ሙNjྠిਫ਼ద
4.5 ANTENNA SIGNAL INSTRUCTION
7KHOLYHYLGHRGLVWDQFHLVDURXQGPHWHUV,QRUGHUWRJDLQWKHIXUWKHVWFRPPXQLFDWLRQ
GLVWDQFHPDNHVXUHWKHWUDQVPLWWHUVDQWHQQDLVSRLQWHGYHUWLFDOO\ZLWKQRREVWDFOHVEHWZHHQLW
DQGWKH;3URZKHQLQIOLJKW.HHSWKHDQWHQQDYHUWLFDODQGDOZD\VSRLQWWKHVLJQDO
VXUIDFHWKHORJRVLGHWRZDUGVWKH;3URYLGHRVLJQDODQWHQQD
7KHWUDQVPLWWHUZLOODXWRPDWLFDOO\ILQGWKHEHVWIUHTXHQF\WRHQVXUHWKHTXDOLW\OLYHYLGHR
transmission. in case there is any interference in your location, you can change the setting
from the range 5725MHz~0+]WRJHWORQJHUUDQJHDQGEHWWHUYLGHRWUDQVPLVVLRQ
4.6 FREQUENCY SELECTABLE 5.8GHZ
HUBSAN 11.5V
6HWUHYHUVH
6HWVHQVLWLYH
Plane type Aircraft
([SHUW mode Yes
6WLFNPRGH
5.8G frequence
+ROGGRZQWKH(17(5NH\IRUVHFRQGWRHQWHUVHWWLQJVWDWXVPRYHWKHDUURZWR*
)5(48(1&(ZLWKXSGRZQNH\SUHVVWKH(17(5NH\DJDLQDQGVHOHFWWKHIUHTXHQF\\RX
QHHGZLWKXSGRZQNH\KROGGRZQWKH(;,7NH\IRUVHFRQGVWRFRQILUPDQGH[LW
7
GPS HUBSAN 11.5V
6HWUHYHUVH
6HWVHQVLWLYH
Plane type Aircraft
([SHUW mode Yes
6WLFNPRGH
5.8G frequence
5725 MHz
7
GPS
%HQGWKHWUDQVPLWWHUDQWHQQDYHUWLFDOO\DQGNHHSWKHVLJQDOVXUIDFHSRLQWHGWRZDUGV
WKH;3URYLGHRVLJQDODQWHQQD(QVXUHWKHUHDUHQRREVWDFOHVEHWZHHQWKHWZRRU
the X4 Pro will lose the control signal.

21 ©2015 Hubsan
ֻӰ೨ሙNjྠిਫ਼ద
5.BIND THE TRANSMITTER AND THE X4 PRO
START TO FLY
START TO FLY
HUBSAN 11.5V
7.6V
5
N22.7911066 E114.0477988
M2 0:04:47
R
X
GPS
+
5
3
S0. 0
0m
P
m
s
Dist
A
L
T
3RZHURQWKHWUDQVPLWWHUWKHQWKH;3URWKHWUDQVPLWWHUZLOOVKRZWKHOLSREDWWHU\YROWDJHDQG
RWKHUYDOXHVDVEHORZVKRZV,IQRYDOXHVKRZVQHHGWRELQGWKHWUDQVPLWWHUWRWKH;3UR
3RZHURQWKHWUDQVPLWWHUWKHQSUHVVWKH(17(5EXWWRQXQWLOWKH/&'GLVSOD\V³6\VWHP
LQLWLDOL]H´SRZHURQWKH;3URZKHQWKH/&'VFUHHQGLVSOD\V³%LQGWRDLUFUDIW´WKHELQGLQJZLOO
be finished in 3 seconds.
Bind to aircraft
THE FLIGHT ENVIRONMENT FOR X4 PRO
&+(&.%()25()/<,1*
:KHQWKHLQVWDOODWLRQLVILQLVKHGSOHDVHGRVRPHSUDFWLFHDQGWUDLQLQJ)RUH[DPSOHXVHD
FRPSXWHUVLPXODWRUWRGRVRPHIO\WUDLQLQJRUDVNIRUVRPHSURIHVVLRQDOJXLGDQFH3OHDVH
choose a suitable and authorized place to play the X4 Pro.
)O\WKH;3URLQDODUJHRSHQDUHD7KH*36VLJQDOPD\EHFRPHZHDNHUDQGWKHSRVLWLRQ
hold and RTH function may not be reliable when the X4 Pro is flown around trees and buildings.
'RQRWIO\WKH;3URLQEDGZHDWKHUVXFKDVVWURQJZLQGKHDY\VQRZUDLQDQGIRJJ\
conditions.
:KHQIO\LQJWKH;3URSOHDVHNHHSDZD\IURPWKHSULYDWHSURSHUW\RIRWKHUVSHRSOH
KLJKOLQHFDEOHVWUHHVVWUHHWVDQGKLJKZD\V
(4) Do not fly the X4 Pro near places such as airports.
(5) The compass and GPS is not reliable for flights in the south and north pole.
'RQRWIO\WKH;3URLQDQ\IRUELGGHQDUHDVEDVHGRQ\RXUFRXQWU\VODZVDQGUHJXODWLRQV
0DNHVXUHWKHEDWWHULHVDUHIXOO\FKDUJHGLQWKH7UDQVPLWWHU;3URSDUDFKXWHDQGFDPHUD
0DNHVXUHWKHSURSHOOHUVDUHWLJKWQRWGDPDJHGDQGLQVWDOOHGFRUUHFWO\
0DNHVXUHWKHJLPEDOYLEUDWLRQEUDFNHWVDUHWLJKWDQGWKHLQVWDOODWLRQLVFRUUHFW
0DNHVXUHWKHSRZHUSOXJRIWKHSDUDFKXWHLVFRQQHFWHGLIUHTXLUHGDQGPDNHVXUH
the battery is fully charged.
0DNHVXUHWRLQVHUWWKHFDPHUDV0LFUR6'FDUGZKHQUHFRUGLQJ
0DNHVXUHWKHFDPHUDDQGJLPEDOZRUNQRUPDOO\ZKHQSRZHUHGRQ
0DNHVXUHWKHPRWRUVDUHZRUNLQJQRUPDOO\ZLWKQRXQXVXDOYLEUDWLRQVRUQRLVHV

22 ©2015 Hubsan
ֻӰ೨ሙNjྠిਫ਼ద
6.COMPASS CALIBRATION
START TO FLY
6.2 CHECK GPS CONDITION
+ROGGRZQWKHWKURWWOHVWLFN 3XVKWKH*36VZLWFKXSWKH/&'
VFUHHQGLVSOD\V³&$/FRPSDVV´
5RWDWHWKH;3UROHYHOO\
XQWLOWKH/&'VFUHHQGLVSOD\V
³&$/FRPSDVV´
5RWDWHWKH;3URYHUWLFDOO\XQWLO
WKHµ&$/FRPSDVV´GLVDSSHDU
START
&DOLEUDWLRQGRQH
6.1 CALIBRATION
0HWKRGRIFDOLEUDWLRQ+ROGWKH7KURWWOH6WLFNIXOOGRZQTXLFNO\PRYHWKH*366ZLWFKXQWLOWKH
WUDQVPLWWHUGLVSOD\&$/FRPSDVVOHYHOO\VSLQWKH;3URXQWLOWKH2/('VKRZV&$/
FRPSDVVWKHQYHUWLFDOO\VSLQWKH;3URXQWLOWKH&$/FRPSDVVGLVDSSHDULQGLFDWLQJD
successful calibration.
)O\WKH;3URDIWHUWKH*36VDWHOOLWHVDUHRUDERYH:LWKRUPRUH*36VDWHOOLWHVWKH
SRVLWLRQKROGIXQFWLRQZLOOZRUNSURSHUO\DQGWKH;3URFDQUHFRUGWKHWDNHRIISRVLWLRQ
ZKLFKLVUHTXLUHGIRUWKH57+IXQFWLRQWRZRUNSURSHUO\
'RQRWGRWKHFDOLEUDWLRQLQDPDJQHWLFILHOGVXFKDVLQSDUNLQJORWPDJQHWLWHSODFHV
with underground iron reinforced concrete, high tension wires, etc.
'RQRWEULQJNH\VPDJQHWVPRELOHSKRQHVRUGHYLFHVZKHQ\RXGRFDOLEUDWLRQ
'RQRWGRWKHFDOLEUDWLRQQHDUDQ\PHWDOLHYHKLFOHVFRPSXWHUVILOLQJFDELQHWVHWF
$IWHUWKH;3URSRZHULVRQWKHEOXH/('RIWKH;3URZLOOEOLQNLQDURWDWLQJSDWWHUQ3XWWKH
;3URRQDOHYHOVXUIDFHDQGGRQRWPRYHLW7KHWUDQVPLWWHUGLVSOD\ZLOOVKRZ&KHFN&RPSDVV
LQGLFDWLQJWKDWWKH;3URLVFKHFNLQJWKHFRPSDVV.HHSWKH;3URLQDOHYHOVXUIDFHDQGVORZO\
URWDWHLWXQWLOWKH&KHFN&RPSDVVGLVDSSHDUV
If the X4 Pro senses abnormal compass error, it will enter into the state of compass calibration.
7KHWUDQVPLWWHUGLVSOD\ZLOOVKRZ&$/FRPSDVVVORZO\WXUQWKH;3URKRUL]RQWDODQGOHYHO
XQWLOWKHWUDQVPLWWHUGLVSOD\VKRZV&$/FRPSDVVWKHQYHUWLFDOO\WXUQWKH;3URXQWLOWKH&$/
compass 2" disappears, indicating successful calibration.
If the compass data is wrong, you can also pull the Switch S2 to calibrate the compass. Below
is the method:

23 ©2015 Hubsan
ֻӰ೨ሙNjྠిਫ਼ద
7. START/ STOP THE MOTORS
START TO FLY
Start the motors
0HWKRG3XOOWKHWZRVWLFNVDVWKHSLFWXUHVKRZV5HOHDVH
them after the motors start.
Method 2: Press the START button for one second. The
OLED display will indicate the status of the X4 Pro.
Stop the motors
0HWKRG3XOOWKHWZRVWLFNVDJDLQDVLQWKHSLFWXUH5HOHDVH
them after the motors stop.
Method 2: Press the START button for one second. The
motors will stop.
Do not stop the motors during the flight or it will crash.
0RYHWKHVWLFNVDVQHDWO\DV\RXFDQ5HOHDVHWKHVWLFNVDIWHUWKHPRWRUVVWDUWRUVWRS
3XOOWKHWKURWWOHWRWKHORZHVWSRVLWLRQJHQWO\WKHWKURWWOHVWLFNZLOOEHORFNHG7KH;3UR
ZLOOGHVFHQGVORZO\0RYHWKHWKURWWOHVWLFNXSZDUGWRXQORFNWKHWKURWWOH
1
61
%08/
TURN RIGHT
TURN LEFT
<GSPOU>
8 BASIC FLIGHT
Transmitter (Model 2) X4 Pro &RQWURO:D\V
1
7KHVWLFNUHWXUQWRWKHFHQWHU7KHWUDQVPLWWHU¶VVWLFNLVLQWKHFHQWHU
6WLFN¶VUXGGHURIIVHW7KHRIIVHWRIWKHWUDQVPLWWHUVWLFNVIURPWKHFHQWHU
The operation mode for the transmitter is Mode 1 or Mode 2, the manual will use Mode 2 as
H[DPSOHWRLOOXVWUDWHWKHWUDQVPLWWHU¶VRSHUDWLRQ
7KHWKURWWOHVWLFNFRQWUROVWKH;3URWRDVFHQG
or descend.
7KH;3URZLOODVFHQGZKHQPRYHWKHWKURWWOH
VWLFNXSDQGWKH;3URZLOOGHVFHQGZKHQ
PRYLQJWKHVWLFNWRWKHGRZQ,WZLOOPDLQWDLQWKH
DOWLWXGHZKHQWKHVWLFNLVFHQWHUHGDOWLWXGH
hold).
0RYHWKHWKURWWOHVWLFNXSZDUGRYHUWKHFHQWHU
DQGWKH;3URZLOOWDNHRII3OHDVHPRYHWKH
VWLFNJHQWO\WRSUHYHQWWKH;3URIURP
ascending too fast!)
5XGGHUVWLFNLVIRUFRQWUROOLQJWKHOHIWULJKW
lateral direction of the X4 Pro.
7KH;3URZLOOURWDWHFRXQWHUFORFNZLVHZKHQ
\RXPRYHWKHVWLFNWRWKHOHIW7KH;3URZLOO
URWDWHFORFNZLVHZKHQ\RXPRYHWKHVWLFNWRWKH
ULJKW7KH;3URGRHVQ¶WURWDWHZKHQWKHVWLFN
LVFHQWHUHG7KHDPRXQWRIWKHVWLFNPRYHPHQW
FRUUHVSRQGVWRWKHDQJXODUYHORFLW\RIURWDWLRQ
7KHDQJXODUYHORFLW\RIURWDWLRQZLOOEHJUHDWHULI
WKHWKHVWLFNPRYHPHQWLVODUJH

24 ©2015 Hubsan
ֻӰ೨ሙNjྠిਫ਼ద
[Home]
[SB]
[GPS]
[SA]
START TO FLY
position 1 (upward)position 2 (downward)
Switch GPS
When it is on the position 1 (upward), the
GPS function start.
When it is on the position 2 (downward), the
GPS function close.
Switch SA is headless function switch
When it is on the position 1 (upward), the
headless mode start.
When it is on the position 2 (downward), the
headless mode close. Switch SA is airline
RSHUDWLRQNH\
Switch SB has no function now
Switch Home is RTH function switch
When it is on the position 1 (upward), the
RTH function start.
When it is on the position 2 (downward), the
RTH function close.
forward EDFNZDUG
right left
7KHHOHYDWRUVWLFNSLWFKHVWKH;3URIRUIO\LQJ
IRUZDUGRUEDFNZDUG
0RYHWKHVWLFNIRUZDUGWKH;3URZLOOWLOW
forward in pitch and fly forward.
0RYHWKHVWLFNEDFNZDUGWKH;3URZLOOWLOW
EDFNZDUGLQSLWFKDQGIO\EDFNZDUG
,WZLOOEHOHYHOZKHQ\RXUHOHDVHWKHVWLFNWRWKH
FHQWHU,I\RXPRYHWKHVWLFNWRPD[LPXPWUDYHO
the tilt angle will be greatest with faster flight.
$LOHURQVWLFNPRYHVWKH;3URIO\LQJOHIWRUULJKW
0RYHWKHVWLFNOHIWWKH;3URZLOOWLOWDQGIO\OHIW
0RYHWKHVWLFNULJKWWKH;3URZLOOWLOWDQGIO\
right.
IWZLOOEHOHYHOZKHQ\RXUHOHDVHWKHVWLFNWRWKH
FHQWHU,I\RXPRYHWKHVWLFNWRPD[LPXPWKHWLOW
angle will be greatest with faster flight.
T2 Rotary Switch control the pitch rotation of the
JLPEDORQO\HIIHFWLYHZKHQWKHJLPEDOLQIROORZHG
PRGHDQGORFNHGPRGH
6OLSWKH75RWDU\6ZLWFKDQWLFORFNZLVHWKH
gimbal will rotate upward;
6OLSWKH75RWDU\6ZLWFKFORFNZLVHWKHJLPEDOZLOO
rotate downward;
Slip the T2 Rotary Switch into middle, the gimbal
ZLOOEHLQWKHOHYHOSRVLWLRQDQGWKHWUDQVPLWWHUZLOO
VKDNHDQGVRXQGDEHHSWRLQGLFDWH

)VCTBO
ֻӰ೨ሙNjྠిਫ਼ద
START TO FLY
9 LOSE CONTROL PROTECTION FUNCTION
3XOOGRZQWKH57+IXQFWLRQVZLWFKWKH;3URZLOOH[LWWKH57+0RGH
9.2 EXIT THE RTH MODE
DEPARTURE POINT: When the X4 Pro enters into safe flight state with 5 or more GPS
satellites, the X4 Pro will record the position as departure point.
When the X4 Pro loses the signal of the transmitter (lost control), the flight control system will
control the X4 Pro to land or return to the departure home position(RTH) and land automatically.
,WFDQSUHYHQWWKH;3URIURPJHWWLQJORVWRUFUDVKLQJ
9.1 THE CONDITIONS WHICH TRIGGER THE LOST CONTROL
PROTECTION MODE
(1) The transmitter is powered off.
7KHIOLJKWGLVWDQFHLVEH\RQGWKHHIIHFWLYHGLVWDQFHRIWKHWUDQVPLWWHU¶VVLJQDO¶VWUDQVPLVVLRQ
(3) There are obstacles between the X4 Pro and the transmitter.
7KHWUDQVPLWWHU¶VVLJQDOZDVGLVWXUEHGE\VRPHRWKHUVWURQJHOHFWURQLFLQWHUIHUHQFH
To ensure that the X4 Pro can return to the departure point successfully after loss of
control signal, only begin flying after it enters into the safe flight state with 5 or more
GPS satellites.
During the process of lost control signal and returning to home, if the quantity of GPS
satellites is less than 6 and lasts for 20 seconds, the X4 Pro will automatically land.
7KH;3URFDQ¶WDYRLGREVWDFOHVZKHQLWLVLQ57+PRGH<RXVKRXOGDOZD\VVHWWKH
KHLJKWYDOXHWRDYRLGDQ\NQRZQREVWDFOHV

26 ©2015 Hubsan
ֻӰ೨ሙNjྠిਫ਼ద
START TO FLY
BAT
TX
RF
GPS
65%
35%
88%
0
TIME
DIST
ALT
DIR
00:19
0m
P
NE
ALT Hold Headless
Low Battery TX
10 INTELLIGENT BATTERY ALARM FUNCTION
:KHQWKHYROWDJHRIWKH;3UR¶EDWWHU\LVORZHUWKDQ9WKH;3URZLOOGHVFHQGVORZO\
although the X4 Pro will ascend when increasing the throttle , you should get the
;3UREDFNDQGODQGDVVRRQDVSRVVLEOH
91SP#BUUFSZ
5SBOTNJUUFS-PXCBUUFSZ"MBSN

27 ©2015 Hubsan
ֻӰ೨ሙNjྠిਫ਼ద
)$ 4
1.The motor doesnt work.
Recalibrate the transmitter.
2. The X4 Pro drifts during flight.
:KHQ\RXSRZHURQSOHDVHNHHSWKH;3URVWHDGLO\IRUVHFRQGV7KHSXUSRVHRIWKLVLVWR
initialize the sensor.
3. The GPS position hold is not good.
3OHDVHFKHFNWKHVXUURXQGLQJIOLJKWDUHDFDUHIXOO\WRVHHZKHWKHUWKHUHDUHRWKHUWKLQJVLQWHUIHULQJ
with the GPS signal, then calibrate the compass sensor again.
4. The Transmitter sounds Beep, Beep
3OHDVHFKHFNWKHSRZHURIWKHEDWWHU\6WRSIO\LQJDQGFKDUJHWKHEDWWHU\
5. The X4 Pro will sound Beep, Beep when the power is on.
Update the fight control program again.
6. The transmitter lose control and the X4 Pro cannot be found.
Push Home Switch upward, and the RTH function starts. When the transmitter located the X4 Pro
DQGUHFHLYHGWKHVLJQDOLIXVHUVZDQWWRPDQXDORSHUDWHWKH;3URWKH+RPH6ZLWFKDQGWKH)OLJKW
course Switch(SB) need to pull downward.

28 ©2015 Hubsan
ֻӰ೨ሙNjྠిਫ਼ద
3. The GPS position hold is not good.
3OHDVHFKHFNWKHVXUURXQGLQJIOLJKWDUHDFDUHIXOO\WRVHHZKHWKHUWKHUHDUHRWKHUWKLQJVLQWHUIHULQJ
with the GPS signal, then calibrate the compass sensor again.
4. The Transmitter sounds Beep, Beep
3OHDVHFKHFNWKHSRZHURIWKHEDWWHU\6WRSIO\LQJDQGFKDUJHWKHEDWWHU\
5. The X4 Pro will sound Beep, Beep when the power is on.
Update the fight control program again.
6. The transmitter lose control and the X4 Pro cannot be found.
Push Home Switch upward, and the RTH function starts. When the transmitter located the X4 Pro
DQGUHFHLYHGWKHVLJQDOLIXVHUVZDQWWRPDQXDORSHUDWHWKH;3URWKH+RPH6ZLWFKDQGWKH)OLJKW
course Switch(SB) need to pull downward.
7. No videos on the tablet.
&KHFNWKHFDPHUDWKHFDPHUDFRQQHFWZLUHVORRVHRUWKHOLSREDWWHU\LQVLGHWKHFDPHUDKDVORZ
SRZHUZLOOUHVXOWQRYLGHRV
8. Gimbal does not work after slip the rotary switches.
3OHDVHFKHFNWKHJLPEDOFRQQHFWZLUHDIWHUFDUVKWKLVZLUHPD\ORRVH

29 ©2015 Hubsan
ֻӰ೨ሙNjྠిਫ਼ద
) & & ,1 ) 2 5 0 $ 7 ,2 1
7KLV HTXLSPHQW KDV EHHQ WHVWHG DQG IRXQG WR FRPSO\ ZLWK WKH OLPLWV IRU D &ODVV % GLJLWDO GHYLFH
SXUVXDQWWR3DUWRIWKH)&&5XOHV7KHVHOLPLWVDUHGHVLJQHGWRSURYLGHUHDVRQDEOHSURWHFWLRQ
against harmful interference in a residential installation. This equipment generates, uses, and can
radiate radio frequency energy and, if not installed and used in accordance with the instructions, may
FDXVHKDUPIXOLQWHUIHUHQFHWRUDGLRFRPPXQLFDWLRQV+RZHYHUWKHUHLVQRJXDUDQWHHWKDWLQWHUIHUHQFH
will not occur in a particular installation. If this equipment does cause harmful interference to radio or
WHOHYLVLRQUHFHSWLRQZKLFKFDQEHGHWHUPLQHGE\WXUQLQJWKHHTXLSPHQWRIIDQGRQWKHXVHULVHQFRXU
aged to try to correct the interference by one or more of the following measures:
5HRULHQWRUUHORFDWHWKHUHFHLYLQJDQWHQQD
,QFUHDVHWKHVHSDUDWLRQEHWZHHQWKHHTXLSPHQWDQGUHFHLYHU
&RQQHFWWKHHTXLSPHQWLQWRDQRXWOHWRQDFLUFXLWGLIIHUHQWIURPWKDWWRZKLFKWKHUHFHLYHULVFRQQHFW
ed.
&RQVXOWWKHORFDOGHDOHURUDQH[SHULHQFHGUDGLR79WHFKQLFLDQIRUKHOS
&KDQJHVRUPRGLILFDWLRQVQRWH[SUHVVO\DSSURYHGE\WKHSDUW\UHVSRQVLEOHIRUFRPSOLDQFHFRXOGYRLG
WKHXVHU¶VDXWKRULW\WRRSHUDWHWKHHTXLSPHQW
7KLV GHYLFH FRPSOLHV ZLWK 3DUW RI WKH )&& 5XOHV 2SHUDWLRQ LV VXEMHFW WR WKH IROORZLQJ WZR
FRQGLWLRQVWKLVGHYLFHPD\QRWFDXVHKDUPIXOLQWHUIHUHQFHDQGWKLVGHYLFHPXVWDFFHSWDQ\
LQWHUIHUHQFHUHFHLYHGLQFOXGLQJLQWHUIHUHQFHWKDWPD\FDXVHXQGHVLUHGRSHUDWLRQ

30 ©2015 Hubsan
ֻӰ೨ሙNjྠిਫ਼ద

6TFSNBOVBMJTTVCKFDUUPDIBOHFXJUIPVUQSJPSOPUJDF
%PXOMPBEUIFMBUFTUVTFSNBOVBMGSPN
888)6#4"/$0.