HUIZHOU FORYOU GENERAL ELECTRONICS DV7B01 CAR DVD PLAYER User Manual

HUIZHOU FORYOU GENERAL ELECTRONICS CO.,LTD. CAR DVD PLAYER

User Manual

DVD/CD/VCD/MP3/WMA/USB PLAYER BLUETOOTH WITH FM/AM TUNER DV7B01Operation Instructions
1. Only connect this unit to a 12V DC power     supply with negative grounding.2. Never install this unit where the operation     for safety driving is restrained.3. Never use the video display function in the     front when driving to prevent the violation     of laws & regulations and also to reduce     the risk of trafc accident except using the     rear view video camera.4. Never expose this unit, amplier, speakers    to moisture or water to prevent electronic     sparks or res.Warnings5. Please don't change the fuse in the power     cord without professional guidance,     improper fuse may cause damage to this     using unit or even cause re.6. Please power off this unit at once and send     it back to the after-sales service center or      the dealer / distributor you purchased from     if one of the following symptoms is found:       (a) No audio output;     (b) No image output;     (c) Water or other obstacle enters the unit;     (d) Smoking;    (e) Peculiar smell.7. To ensure safe driving, please adjust the       volume to a safe and comfort level in case      of emergency situations.123456
Precautions1. Never disassemble or adjust the unit without  any professional guide. For details, please consult any professional car shop / dealer for inquiry.2.  If the front panel or TFT monitor is squalid, please use a clean silicone cloth and neutral detergent to wipe off the spot. Using a rough cloth and non-neutral detergent such as alcohol for cleaning may result  in  scratching or decoloration  to  the applicant.3. If any abnormal behavior of the unit is found, please refer to trouble shooting guide of this manual. If no relevant information is found,please press the [RESET] key on the front panel to resume factory default.4. If you have parked the car in hot or cold weather for a long time, please wait until the temperature in the car becomes normal before operating the unit.5. Using in-car heater in low temperature environment may result in beads coagulate inside the unit, Do not use the unit in this situation, eject the disc and wipe off the bead on the disc. If the unit still doesn't work after a few hours, please contact with after-sales service center.6.  No erce impact to the LCD monitor when it is in open position for preventing the damage to any mechanisms inside.7. To prevent the damage to the screen, avoid touching it with sharp objects.8. The monitor employs auto motorizing mechanism, please don't push, pull, or swivel the monitor manually to prevent damage to the core mechanism.9.  To provide a clear demonstration and an alternative for easy  understanding  to the operation of this unit, graphic illustrations areused.However, these illustrations are some different from the actual  images     displayed on the screen.10.During operating the unit, “       ” will   display if the current operation is not available or illegal.11.Operate the unit correctly according to this manual to prevent unnecessary problem. The guarantee won't be valid if the problem is caused by inappropriate operation.DeclarationThis product incorporates copyright protection technology that is protected by U.S patents and other intellectual property rights. Use of this copyright protection technology must be authorized by Macrovision, and is intended for home and other limited viewing uses only unless otherwise authorized by Macrovision. Reverse engineering or disassembly is prohibited.Cautions of disc using1.  DO NOT use irregular shaped disc2.  Disc Cleaning  Use a dry, soft cloth to wipe the disc from center to edge, only neutral detergent can be used.3.  When playing a new disc  New disc may have some rough spots around the inner and outer edges. If such a disc is used, remove these rough spots with a pencil or ball-point pen, etc.
ContentsBefore  usingFront panel ............................................. 1Remote Control ...................................... 2Basic operationsPower on / off ......................................... 4Audible beep conrmation ...................... 4Mute ....................................................... 4Open SOURCE MENU .......................... 4Playing source selection ........................ 4Volume adjustment ................................. 4Using the TFT Monitor ........................... 4System reset .......................................... 4Change aspect ratio ............................... 4Image settings ........................................ 4Radio modeSelect radio as playing source ............... 5Select one radio band ............................ 5Tune ....................................................... 5Manual tuning ......................................... 5Preset station ......................................... 5Search Stations Automatically ................ 5EQ Selection .......................................... 5PlaybackInsert a disc ............................................ 6Eject the disc .......................................... 6Touch screen controls ............................ 6Controlling Playback .............................. 6Connect an USB Device ........................ 6Play ........................................................ 6Pause ..................................................... 6Stop ........................................................ 6Previous/Next ......................................... 6Search for a Folder ................................ 6Repeat playback .................................... 7Repeat A-B ............................................. 7Shufe (Random) Play ........................... 7PBC function .......................................... 7Select Audio Mode ................................. 7Select Subtitle Language ....................... 7Change Viewing Angle ........................... 7Playback Information .............................. 8For DVD ................................................. 8For VCD ................................................. 8Elapsed Time ......................................... 8Direct Track Entry ................................... 8Rotate Pictures ....................................... 8Zoom ...................................................... 8Other modesListen to Other Devices .......................... 9Camera .................................................. 9Steering Wheel Control Programming ... 9SetupDisplay System .................................... 10Adjust General Settings ....................... 10Adjust Video Settings ........................... 10Adjust Time Settings .............................11Adjust Audio settings .............................11Adjust Language Settings .....................11Adjust DVD Rating ............................... 12Adjust Volume Settings ........................ 12EQSelect Preset Equalizer ........................ 13Adjust EQ Parameters ......................... 13Adjust  FAD BAL .................................. 13Troubleshooting ....................................... 13Device connectionsNotes of connection   ........................... 16Control Cables ..................................... 16Region Code  ....................................... 16Parking Brake Cable Connections   ..... 17Reverse Driving Cable Connections .... 17Installation and uninstallNotes of installation .............................. 18Installation procedures ......................... 18Remove the unit  .................................. 18Trim ring installation ............................. 18Trim ring uninstall  ................................ 18Specications ........................................... 19AppendixFCC Statement .................................... 20FCC Radiation Exposure Statement .... 20Wiring Diagram ......................................... 21
EN - 1Before  usingFront panel1.  Disc slot   2.  Reset the unit 3.  [VOL /   /   ] Knob: Unit power / Adjust volume / Mute audio outputs4.  [SRC] Key: Switch to the current source and the main menu 5.  [   ] Key: Auto search / Next / Move cursor to the right6.  [TILT+] Knob: Increase the display angle7.  [OPEN/CLOSE] Key: Open / Close the TFT monitor   8.  [TILT-] Knob: Decrease the display angle      9.  [   ] Key: Auto search / Previous / Move cursor to the left 10.USB Slot 11. AV IN jack12.Eject disc཰ཱཱིི ུ ཱུ ྲྀ ཷ ླྀ ཹ ེཻ
EN - 2Note:Your remote control may differ slightly  from the one pictured here. The above diagram is for illustrative purpose only.Before  usingRemote Control1.  [SRC]Key:select playing source 2.  [EJECT]Key: Eject disc3.  [AUDIO] Key: Select audio channel         4.  [VOL+/-] Key: Adjust volume                  5.  [ZOOM] Key: Image zoom in/out      6.  [   /BAND] Key: Select radio band / Fast playback / Slow playback                7.  [WIDE] Key: Change display mode                        8.  [PRESET   /   ] Key: Select preset radio    station9.  [EQ] Key: Enter/Exit the EQ setting               10.[GOTO] Key: GOTO search11.[OPEN/CLOSE] Key: Open / Close the         TFT monitor            12.[TILT   /   ] Key: Adjusting display tilting angle                  13.[RPT A-B] Key: A-B repeat14.[RPT] Key: Repeat playback       15.[MUTE] Key: Mute audio outputs   16.[POWER] Key: Unit power17.[SUBTITLE] Key: Select DVD subtitle language 18.[ANGLE] Key: Select view angle 19.[MENU] Key: DVD MENU / PBC     20.[TITLE] Key: DVD TITLE21.[SETUP] Key: Setup menu22.[   ] Key: Fast Forward / Move cursor up23.[   ] Key: Auto search / Next / Move cursor to the right     24.[   ] Key: Play / Pause / Enter 25.[   ] Key:Auto search / Previous / Move      cursor to the left26.[PIC] Key: Image setting27.[   ] Key: Fast Reverse/ Move cursor down 28.[   ] Key: Stop Playback29.[DISP/CLEAR] Key: Display information /Clear information30.[0~9] Key: Numeric keys      31.[RDM] Key: Random playback32.[INT] Key: Intro playback
EN - 3Before  usingNotes of remote control using1) Aim the remote control at the remote sensor on the unit.2) Remove  the  battery  from  the  remote control or insert a battery insulator if the battery has not been used for a month or longer.3) DO  NOT  store  the  remote  control  under direct sunlight or in high temperature enviro n ment,  or  i t   may  not  functi o n properly.4)  The battery  can work  for  6 months  under normal condition. If the remote control can't work, please change the battery.5) Use “button shaped” lithium battery “CR2025” (3V) only.6) DO NOT recharge, disassemble, heat or expose the battery in re.7) Insert the battery in proper direction according to the (+) and (-) poles.8) Store the battery in a place where  children cannot reach to avoid the risk of accident.Uninstall BatterySlide out the battery compartment tray at the bottom on the back of the remote control.Install BatteryUse button-shaped lithium battery “CR2025 (3V)” only. Insert the battery to the battery tray with proper direction according to the (+) and (-) poles.
EN - 4Basic operationsPower on / offPress the [   ] key to turn the unit on. The buttons on the front of the unit light up and the current mode status appears on the LCD. Press the [   ] key to power off the unit.Audible beep conrmationAn audible beep tone conrms each function selection. The Beep tone can be disabled through the Setup menu. MutePress the volume knob on the front panel or press the [MUTE] key on the remote control to mute the volume from the unit.Open SOURCE MENUPress the [SRC] key on the front panel or remote control or touch the top left corner of the screen to open the SOURCE MENU. Do the above operation again to return to the original source.Playing source selectionOpen the SOURCE MENU, and then touch the source you desired or select one source by moving the cursor and then conrm.Volume adjustmentVolume Increase/DecreaseTo increase or decrease the volume level, turn the rotary encoder on the front panel. When the volume level reaches "0" or "50", a beep sounds, indicating that the adjustment limit has been reached. The TFT screen displays the volume level for 3 seconds.Programmable turn-on volume This feature allows the user to select a turn-on volume setting regardless of the volume setting prior to turning the unit off. To program a specic turn-on volume level, turn the rotary encoder to adjust the volume to the desired turn-on volume. Push and hold the rotary encoder while the blue speaker icon and level indication is displayed on the screen. The unit will beep to conrm your turn-on volume setting. Using the TFT MonitorOpen / Close monitor Press the [OPEN/CLOSE] key on the front panel or remote control topush the display panel out or in.Change the monitor tilt angleDue to the inherent character of LCD, you will get different vision impressions when you watch it from different angles.The display angle of this unit can be changed; hence you can select  the best angle where you can get the best vision impression.Press the [TILT] key on the display panel or the remote control to adjust the tilt angle one step at a time.Press and hold the  [TILT] key on the display panel or the remote control to adjust the tilt angle continuously.System resetTo correct a system halt or other illegal operation, use the tip of a pen to press the [RESET] key located on the panel. After a system reset,  the  unit  restores  all  factory default settings.Note: If the unit is reset while a DVD is playing, the DVD resumes play once the reset is complete.Change aspect ratioPress the [WIDE] key on the remote control to adjust the aspect ratio.Image settings1.  Enter image setting modePress the [PIC] key on the remote control.2.  Select one item to adjust  Touch the [   ]/[   ] icon on the user interface to adjust the value.3.  Exit image setting modeTo exit image setting mode, repeat the rst step or stop operation for some seconds.
EN - 5Radio modeSelect radio as playing sourceOpen the SOURCE MENU and then touch [Radio].Select one radio bandPress the [BAND] key on the remote control or touch the [   ] icon on the user interface to  select  one radio  band  among FM1, FM2, FM3,  AM1 and AM2.TuneAuto tuningPress the [   ] / [   ] key on the remote control or touch the [   ] / [   ] icon on the user interface to seek a higher / lower station.To stop searching, repeat the operation above or press other keys having radio functions.Note:When a station is received, searching stops and the station is played.Manual tuningMethod 1:During manual tuning, the frequency will be changed in steps.Touch the [   ] / [   ] icon on the user interface to tune in a higher / lower station.Method 2:1. Touch the numeric keypad icon [   ]. Numeric keyboard is displayed, touch numbers to input frequency.2.  Touch [   ] to delete the input numbers step by step.3.  Touch [ OK ] to enter.Preset stationThe unit has 5 bands, such as FM1, FM2, FM3, AM1, AM2, and each band can store 6 stations; hence the unit can store 30 stations in total.Manual store1. Tune to a station.2. Touch and hold one of the channels 1 to 6 to save  the selected band.Search Stations AutomaticallyTouch [   ] to search station and store the 6 strongest stations in the current band automatically.Recalling a station1. Select a band (if needed).2. Touch an on-screen preset button to select the corresponding stored station.Local radio station seeking (LOC)When the Local function is on, only radio stations with a strong local radio signal are played. To activate the Local function in the AM/FM tuner mode, touch [   ]  on  the  screen. The Options tab is revealed. Touch [   ] icon and choose the Radio Local or Distance. When the Local function is active, the LOC indicator at the top of the screen is illuminated. When the Distant function is active, the DX indicator at the top of the screen is illuminated.EQ SelectionTouch the [   ] icon and enter the EQ setup.
EN - 6PlaybackInsert a discUpon inserting a disc, the unit will switch to [DISP] mode automatically. Notes:1. Please confirm whether there is a disc in the unit before you insert another one.2.  Some recorded discs, such as CD-R, CD-RW, DVD-R, DVD+R, DVD-RW, DVD+RW cannot be played back because of different recording status. Otherwise, the discs without being closed could not be played back.3. About the  cautions  of  disc  using, please refer to the appendix.4.  Don’t pledge to be compatible with all disc.Eject the discPress the [   ] key on the front panel or remote control to eject the disc.Touch screen controlsThe touch key areas for DVD playback are outlined below:A: Return to the main menuB: Disc typeC: Time displayD: Play  the video and display playback informationE: Display onscreen control menuControlling PlaybackTo access the on-screen controls, touch the screen anywhere except for the upper left corner and touch again to cancel display. Connect an USB Device1.  Open the USB door.2. Connect an USB  device  into  the  USB connector. Play starts automatically.Notes:1.  If  there  are  audio  files  supported  in  the USB stick, the system  will enter the audio les menu automatically.If there are no audio files, but there are video files supported in the USB stick, the system will enter the video les menu automatically.If there are no audio or video files, but there are picture les supported in the USB stick, the system will enter the picture les menu automatically.If there no above audio/video/picture les supported in the USB stick, the screen will display: There are no audio/video/picture les supported.2. Not all kinds of USB devices are compatible with the unit.PlayOnce a disc, or a USB device is inserted, play starts automatically.PauseWhen play the audio/vedio file, press the         [   ] key on the remote control or open the on-screen control icons menu and then touch the [   ] icon, press the [   ] again  and continue to play.StopFor audio les or video les, press the [■] key on the remote control or open the on-screen control icons menu and then touch the [■] icon to stop. Press the [   ] to resume from the pausing point.Touch the [■] icon again to stop entirely, and press the [■] key on the remote control. Press the [  ] to playback from the top le.Previous/NextTouch [   ] / [   ] key on the screen to skip to previous / next track / chapter.Search for a FolderFor Folder Control1.  Touch [   ] to display all available folders.2.  Touch a folder, then touch the desired le. 3.  Touch the le again to start play.DE
EN - 7PlaybackFor Audio Files1.  Touch  [   ] to display all available audio folders.2.  Touch a folder, then touch the desired le. 3.  Touch the le again to start play.For Video Files1.  Touch  [   ] to display all available video folders.2.  Touch a folder, then touch the desired le. 3.  Touch the le again to start play.For Picture Files1.  Touch [   ] to display all available picture folders2.  Touch a folder, then touch the desired le. 3.  Touch the le again to start play.Repeat playbackPress the [RPT] key on the remote control or open the on-screen control icons menu and then touch the [   ] icon to switch the repeat modes as below:Note:When play the VCD disc,open the [PBC] function and the [repeat] function is abated.Repeat A-BWhen a DVD, VCD is played back, you can play back the contents between the time points from A to B repeatedly:Shufe (Random) PlayYou can play audio tracks/files in random order.During play CD,press the [RDM] key on the remote control repeatedly to turn shufe play on or off.Note:when the [shuffle] turn off,the unit resume natural play from the current sequence.PBC functionThis function is available for the VCD discs with PBC function (Ver 2.0 or higher).Press the [MENU] key on the remote control or open the on-screen control icons menu and then touch the [   ] icon repeatedly to activate this function.Press again to cancel.Notes:1.  When PBC is on, playback goes back to the track list and starts from the rst track.2. When PBC is on, fast motion playback, slow motion playback or skip search is available but repeat playback and searching for a particular chapter or track is prohibited.3.  If you do the operation of random playback, scan playback or searching playback when PBC is on, PBC will be off automatically.Select Audio ModeWhen you play VCDs, you can select an audio mode (R/L/Stereo).1. During play, touch bottom half of the screen to display menu on the screen, if necessary.2.  Touch [   ] to display the 2nd menu.  Touch [   ] repeatedly until the audio mode is selected.Select Subtitle LanguageFor DVD discs that contain two or more subtitle languages.1. During play, touch the screen to display menu on the screen, if necessary.2.  Touch [   ] to display the 2nd menu.3.  Touch  [   ] repeatedly to select a language.  The selected language is displayed.Change Viewing AngleSome DVDs contain alternate scenes, such as scenes recorded from different camera angles. For such DVDs, you can select from the Repeat chapter ė Repeat title ėDVDVCD(PBC off) Repeat one ė Repeat all ėRepeat offMP3/WMADisctype RepeatmodePictureCDMPEGRepeat one ėRepeat all ėRepeat offRepeat allėRepeat offRepeat one ė Repeat folder ėRepeat allėRepeat offRepeat one ė Repeat folder ėRepeat allėRepeat offRepeat one ė Repeat folder ėRepeat allėRepeat offRepeat A- ėRepeat A-B RepeatA-B Offė
EN - 8Playbackavailable alternate scenes. 1.  During play, touch the screen to display menu on the screen, if necessary.2. Press [   ] repeatedly on the remote control.  The viewing angle is changed.Playback InformationTouch the screen when playing back DVD and VCD discs and the playback information will be displayed on the top area of the TFT.For DVD1.  Disc type.2.  Return to the main menu.3.  DVD Title information. “1/6” indicates that this DVD has 6 titles and the title playing back now is the first title.4.  DVD Chapter information. “2/9” indicates that current title has 9 chapters and the chapter playing back now is the fifth chapter.5.  Time display.For VCD1.  Disc type.2.  Return to the main menu.3.  VCD Track information. “1/16” indicates that this VCD has 16 tracks and the track playing back now is the first title.4.  Time display.Elapsed Time1.  Elapsed time of the current track.2.  Total time of the current track.Title: 1/6Chapter: 2/9DVD 02:35Title: 1/16VCD 02:35   Direct Track EntryTo select a track directly, touch the [   ] icon on screen control to display the direct entry menu. Enter the desired track using the on-screen number pad. Press [ OK ] to the selected track.Rotate Pictures1.   When you view pictures, touch the screen to display menu on the screen, if necessary. 2.  Touch [    ] repeatedly to rotate the picture.ZoomYou can zoom in pictures for a close view.1.   When you view pictures, touch the screen to display menu on the screen, if necessary.2.  Touch [   ] repeatedly to zoom in the picture.
EN - 9Listen to Other DevicesYou can connect an external audio/video device to the unit.1.  Connect the external device with the supplied AV cable.2.  Touch the upper left corner to display the main menu.3.  Touch [Aux 1] / [Aux 2] to access external device.CameraThis player is "camera ready". Before accessing any camera features, you must purchase and install a rear video camera. Once the rear camera is connected and operating properly, the CAMERA source mode will become active. While the camera is not installed, the CAMERA option appears gray, indicating the function is not available.The playing source will change to "CAMERA" mode automatically when you reverse your car.Steering Wheel Control Programming1.  Touch the upper left corner to display home menu.2.  Touch [ SWC ], the SWC menu will display.3.  Adjust each key with an individual function.4.  Touch [ Program ] to program.5.  Press each individual steering wheel control button for each corresponding function.6. Oncethenalsteering wheelcontrolbuttonisprogrammed,thefunctionsaresavedandtheprogramming will end. 7.  Touch and hold [ Reset ] to reset the programming.Other modes
EN - 10SetupDisplay System1.  Touch the upper left corner to display the main menu. 2.  Touch [   ].  The settings menu is displayed.Adjust General Settings1.  Touch [ General ], if necessary.2.  Touch to highlight a setting.3.  Touch to display/select an option.4.  Touch blank area of the screen to exit. General settings Options DescriptionRadio region USA/China/Japan/Europe/Europe (LW)/OIRT Select one that matches your location.Radio range Local Select Local to receive only stations with extremely strong signal.DistanceBeep On Turn on the beep sound. Each time you press a button, the unit beeps.Off Turn off the beep sound.Calibration Start Calibrate the touch screen.CalibrationWhen the touch operation is not sensitive or valid, you should calibrate the touch screen using the calibration setting function.Adjust the response positions of the touch panel as followings:1.  Press the [ Calibration ] option on the setup menu to enter.2.  Touch [ Yes ] to enter.3.  Press and hold the center of [ + ] for 5 seconds, the [ + ] will move automatically.4.  Aim at center of [ +],followthepathasshowninthegure.Oncesteps1-4arecompletethesystem will automatically exit calibrating mode.Adjust Video Settings1.  Touch [Video].2.  Touch an option repeatedly to select.Video settings Options DescriptionAspect Ratio Full Adjust aspect ratio.NormalRear Camera Mirror Reverse the camera image as if looking through a rear-view mirror.NormalParking On Disable video when driving.Off  Enable video when driving.When in Park “On” mode, the screen will display WARNING information if you play the video. The arning screen will prevent the driver from watching videos for safety.
EN - 11Adjust Time Settings1.  Touch [ Time ].2.  Touch an option repeatedly to select:3.  Touch blank area of the screen to exit.Sound settings Options DescriptionDate Year / Mon / Day Touch [   ] or [   ] to set year, month and day.Clock mode 12Hr/24Hr Touch [12Hr] or [24Hr] to switch clock mode.Time Hour / Min / AM / PM Touch [   ] or [   ] to set hour and minutes.Touch [   ] or [   ] to set AM/PM (only for 12Hr).Adjust Audio settings1.  Touch [ Audio ].2.  Touch an option repeatedly to select.3.  Touch blank area of the screen to exit. Audio settings Options DescriptionSub woofer On Turn on the subwoofer.Off Turn off the subwooferSub woofer lter80Hz Select a crossover frequency to set a cut-off frequency for the subwoofer’s LPF (low-pass lter).120Hz160HzLoudness SwitchOffSelect low frequency boost only or high and low frequency boost.Lo BoostHiGLoLoudness Center400HzSelect loudness center frequency.800Hz2.4KHzAdjust Language Settings1.  Touch [ Language ].2.  Touch an option repeatedly to select.3.  Touch blank area of the screen to exit. Language settings DescriptionOSD Select on-screen display language.DVD audio Select DVD audio language. Options available depending on DVD disc.DVD subtitle Select DVD subtitle language. Options available depending on DVD disc.Disc menu Select DVD menu language. Options available depending on DVD disc.Setup
EN - 12Adjust DVD Rating1.  Touch [ DVD ].2.  Touch an option repeatedly to select.3.  Touch blank area of the screen to exit. DVD rating Options DescriptionSet password Set password to restrict the play of discs. The default password is 1234.Rating levelKid safe Acceptable for children.GAcceptable for general viewers.PG Parental guidance suggested.PG-13 Unsuitable for children under age 13.PG-R Recommend parents to restrict viewing for children under 17.R Restricted re-parental guidance is advised for children under the age of 17.NC-17 Unsuitable for children under age 17.Adult Acceptable for adults only.Load factory Restore to default settings.Version Info The Version Sub-menu is used to identify the model and resident operation system as well as the hardware and software versions.Adjust Volume SettingsYou can set different volumes for different modes. 1.  Touch [Volume].  The volume setting sub-menu is displayed.2.  Touch to select a source.3.  Touch [   ] or [   ] to assign value: 0 to 12.  When switching to the source, the volume increases automatically.4.  Touch blank area to close the sub-menu and touch top left of the screen to exit setting menu.Setup
EN - 13Select Preset Equalizer1.  Enter the EQ setup mode  Touch the [   ] icon in the user interface and the EQ setup interface will display on the screen. 2. Select EQ mode  Touch the desired EQ selection: [ POP ] / [ TECHNO ] / [ ROCK ] / [ CLASSIC ] / [ JAZZ ] /               [ OPTIMAL ] / [ USER ], and the EQ mode will change.Adjust EQ ParametersTouch [   ] / [   ] to adjust the level of Bass / Mid / Treb.     Adjust  FAD BALYou can adjust front/back/left/right balance of the speaker and the subwoofer volume to get balanced listening effect according to the surroundings and your interest. 1. Enter the EQ setup mode    Touch the [   ] icon in the EQ interface.2. Adjust subwoofer volume    Touch [   ] / [  ]“SUBVOL”toadjustsubwoofervolumefrom-12to+12.3. Adjust fader / balance value    Touch [   ] / [   ] / [   ] / [  ]toadjustfader/balancevaluefrom-12to+12.    [   ]: Front speaker    [   ]: Rear speaker    [   ]: Left speaker    [   ]: Right speakerNotes:1. The EQ mode will change to ‘User’ automatically when you adjust the frequency value in all modes besides ‘User’.2. The value of Sub is independent of EQ mode and can be adjusted separately.EQ
EN - 14What appears to be trouble is not always serious. Please check the following points before calling a service center.TroubleshootingProblem Cause Corrective actionGeneralUnit can not power onUnit fuse blown. Install new fuse with correct rating.Car battery fuse blown. Install new fuse with correct rating.Illegal operation Reset the unit.Remote control does not workBattery depleted. Change the battery.Battery installed incorrectly. Install the battery correctly.No/low audio outputImproper audio output connection. Check wiring and correct.Volume set too low. Increase volume level.Speakers damaged. Replace speakers.Heavily biased volume balance. Adjust the channel balance to center position.Speaker wiring is in contact with metal part of car.Insulate all speaker wiring connections.Poor sound quality or distortionPiratic disc is in use. Use original disc.Speaker power rating does not match unit. Replace speakers.Wrong connections. Check wiring and correct.Speaker is shorted. Check wiring and correct.Tel-Mute malfunction MUTE wire is grounded. Check the ‘MUTE’ wiring and correct.Unit resets itself when engine is offIncorrect connection between ACC and BATT. Check wiring and correct.TFT monitorMonitor does not open automatically TFT Auto Open is turned off. Turn TFT Auto Open on.Warning information is shown at all timesParking break wiring is not correct. Check wiring and correct.Flashing image or interference appears on screenThe color system of DVD disc does not match the monitor.Adjust the color system of the DVD disc playing back or the monitor in use.Piratic disc is in use. Use original disc.Video cable damaged. Replace cables.Improper video signal connections. Check wiring and correct.
EN - 15TroubleshootingProblem Cause Corrective actionDisc playbackCannot insert disc A disc inside the unit already. Eject current disc and insert new one.Disc does not play backDisc is warped or scratched. Use disc in good condition.Disc is dirty or wet. Clean disc with soft cloth.Incompatible disc is used. Use compatible disc.Disc is inserted upside down. Insert disc with label side up.Disc region code is not compatible with unit. Use disc with proper region code.PBC cannot be used during VCD playbackPBC is not available on the disc. Use disc with PBC available.Repeat or search function is invalid during VCD playbackPBC is on. Turn PBC off.Error messagesNo discDisc is dirty. Clean disc with soft cloth.Disc is upside down. Insert disc with label side up.No disc inside. Insert disc.Bad disc Disc is dirty. Clean disc with soft cloth.Disc is upside down. Insert disc with label side up.Unknown disc Disc format is not compatible with this unit. Use disc with compatible format.Region Error DVD region code is not compatible with this unit. Use disc with compatible region code.(Continued)
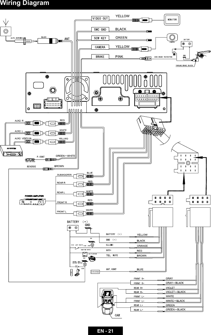
EN - 16Device connectionsNotes of connection  ● This unit is designed to be used in a vehicle with a 12-volt battery and negative grounding. Before installing this unit to a recreational vehicle, a bus, or a truck, make sure the battery voltage is appropriate for this unit to be used, otherwise, install a transformer by professional to convert the output voltage to 12V.● To avoid short circuit in the electrical system, ensure that the negative battery cable is disconnected before installation.● To prevent short circuit in the wiring and damaging to this unit, secure all wirings with cable clamp or adhesive tape. Route the wirings in a secured, out of heating place without touching any moving parts such as gear shift, handbrake, and seat rails to prevent the wiring insulation being melted / wore off.● Never pass the yellow power cord through the installation hole into the engine compartment and connect to the car battery. Otherwise, a high possibility of serious short circuit to the electrical system may be occurred.● Replacing a new fuse with 15A rating when the old one is broken, using no fuse or fuse with improper rating may cause damage to this unit or even res. If a proper fuse is installed and electrical problems still occur, please contact with any professional car shops for inquiry.● Do not connect other equipments with the car battery to avoid battery overheating.● Please make sure all the wiring connections & the cables of the speakers are well-insulated. Otherwise, this unit may be damaged by short circuit.● If there is no ACC available, Please connect ACC lead to the power supply with a switch.● If an external power amplier is connected, please don’t connect P.CONT lead to the power lead of the external power amplier, otherwise, electric spark or other damage may be resulted.● Never ground the speaker output to prevent the damage to the built-in power amplier.● The minimum rating of the speakers connected to this unit is 50W with 4 to 8Ω impedance.Control CablesAuto Brightness ControlTo avoid the display being too bright at night time, if the headlight cable is connected to ILLUMI, turning on the headlight will dim the backlight of the TFT LCD and vice versa.Telephone MuteIf the MUTE cable is connected to a car phone, other audio outputs mute when one call is received by the car phone.Reverse DrivingIf  a  rear  view  camera  is  connected  with  the  unit,  the  playing  source  switches  to  CAMERA automatically when you start reverse driving. As the reverse driving is done, the playing source switches to the previous.Parking Brake1.  If "PRK SW" cable is connected to hand brake switch, video display on the TFT monitor will be controlled by this function. Parking cable function ceases when the playing source is CAMERA. 2.  The  monitor  displays  the  blue  screen  with  warning  information  to  prevent  the  driver  watching video contents  during driving, but  the passengers  at the rear seat can watch video contents normally.Region Code According to DVD sale region, the whole world is divided into six regions. A DVD disc can be played back only when its region code is compatible with that of the player in use.Region 1: USA, Canada, East Pacic Ocean Islands;Region 2: Japan, West Europe, North Europe, Egypt, South Africa, Middle East;Region 3: Taiwan of China, Hong Kong of China, South Korea, Thailand, Indonesia, South East Asia;Region 4: Australia, New Zealand, Mid & south America, South Pacic Ocean Islands/Oceania;Region 5: Russia, Mongolia, India, Middle Asia, East Europe, North Korea, North Africa, North West Asia;     Region 6: Chinese Mainland.
EN - 17Device connectionsParking Brake Cable Connections  Reverse Driving Cable Connections
EN - 18Installation and uninstallNotes of installation1.  Before installation, please make sure proper connections are conducted and the unit operates normally. Improper connection may result in damage to the unit.2.  Use only accessories designed and manufactured for this unit and other unauthorized accessories may result in damage to the unit.3.  Before installation, please fasten all power cables.4. Do not install the unit in the place where close to hot area to prevent damage to electrical components such as the laser head. 5.  Install the unit horizontally. Installing the unit more than 30 degree vertically may result in worse performance.6.  To prevent electric spark, connect the positive pole rst and then the negative pole.7. Do not block the cooling fan exit to ensure sufcient heating dissipation of this unit, or it may result in damage to this unit.Installation procedures1.  If relevant, remove any other audio system from the car.2.  Insert the mounting sleeve into the dashboard.  Fix  it  firmly  in  place  by  folding down the metal tabs. 3.  Perform the required electrical connections.4.  Then check that everything works before installing the main unit.5.  Remove  the  two  screws  on  the  top  of  the unit, otherwise, the unit will not work.6.  Install the car radio in the dashboard using the supplied screw (M4x10mm) and put a rubber sheath over the screw.7.  Attach the outer trim frame. If you are not sure how to install this unit correctly, contact a qualied technician.MountingThe rear of the unitTrim plateDash BoardRubber SheathRemove the unit 1.  Switch off the power of the unit.2.  Remove the trim plate.3.  Insert both L-Keys into the hole on the front of the set until they lock.4.  Pull out the unit.Trim ring installationAttach the trim ring around the front panel with two indentions on one side facing upwards.Trim ring uninstall Disassemble trim ring1.  Push the trim ring upward and pull out the upper part.2.  Push the trim ring downward and pull out the lower part.Dash BoardMountingTrim plate
EN - 19SpecicationsGeneralReference Supply Voltage: 12V DC Operating Voltage Range: 10.5~15.8V(DC)Max Operating Current: 10AGrounding System: Car Battery Negative PoleInstallation Dimension(WxHxD) output: 178x50x(165+25)mmInstallation Angle: 0 ~30Net Weight: 2.3kgFM Frequency Range: 87.5-107.9MHzResidual Noise Sensitivity (S/N=30dB): 12dB   VSignal Noise Ratio: 55dBStation Seeking Level: 20~30dB   VDistortion: 1.5 %Stereo Separation(1KHz): 25dBAntenna Impedance: 75 ΩAMFrequency Range: 530-1710KHzResidual Noise Sensitivity (S/N=20dB): 30dB   VSelectivity (±10KHz): 40dBDVD playerSignal / Noise Ratio: 90dBDynamic Range: 90dBDistortion(line out): 0.1%Frequency Response(±3dB): 20Hz~20KHzMax Output Power: 4×45WLoad Impedance: 4ΩAUX INDistortion: 0.5%Frequency Response(±3dB): 20Hz~20KHzAudio Input Level: 0.4VrmsAudioAudio Output Impedance: 200ΩAudio Output Level: 2Vrms(Max)Audio Input Level: 0.4Vrms(Under normal audio input level and maximum volume)VideoNormal Video Input Level (CVBS): 1.0±0.2VVideo Input Impedance: 75ΩVideo Output Impedance: 75ΩVideo Output Level: 1.0±0.2V(Under normal video input level)TFT monitorScreen Diagonal: 7 inchesUsable Display Area: 154.1(W) × 87.0 (H)Resolution: 1440 (W) × 234 (H)Brightness: 400cd/m2Video Output Level: 1.0±0.2V (Measure the center brightness after 30 minutes)Contrast: 300( TYP. )Response Time:Rise: 12msFall: 18msViewing Angle:From Top: 40°From bottom: 65°Horizontally: ±65°LCD Life Cycle: 10000 hours(at 25°C)EnvironmentOperating Temperature: -10°C~+60°CStoring Temperature: -20°C~+70°COperating Humidity: 45%~80%RHStoring Humidity: 30%~90%RHNote:Specications are subject to possible modifciations for improvement without further notice.
EN - 20AppendixFCC Statement1.  This device complies with Part 15 of the FCC Rules.  Operation is subject to the following two conditions:(1)   This device may not cause harmful interference.(2)   This device must accept any interference received, including interference that may cause undesired operation.2.  Changes or modifi cations not expressly approved by the party responsible for compliance could void the user’s authority to operate the equipment.NOTE: This equipment has been tested and found to comply with the limits for a Class B digital device, pursuant to Part 15 of the FCC Rules. These limits are designed to provide reasonable protection against harmful interference in a residential installation.This equipment generates uses and can radiate radio frequency energy and, if not installed and used in accordance with the instructions, may cause harmful interference to radio communications. However, there is no guarantee that interference will not occur in a particular installation. If this equipment does cause harmful interference to radio or television reception, which can be determinedby turning the equipment off and on, the useris encouraged to try to correct the interference by one or more of the following measures:•  Reorient or relocate the receiving antenna.•  Increase the separation between the equipment and receiver.•  Connect the equipment into an outlet on a circuit different from that to which the receiver is connected.•  Consult the dealer or an experienced radio/TV technician for help.F C C   R a d i a t i o n   E x p o s u r e StatementThis  equipment  complies with FCC radiation exposure limits set forth for an uncontrolled environment.  This  equipment  should  be installed and operated with minimum distance of 20 centimeters between the radiator and your body.This item incorporates copy protection technology that is protected by U.S. patents and other intellectual property rights of Rovi Corporation. Reverse engineering and disassembly are prohibited.The Bluetooth® word mark and logos are registered trademarks owned by Bluetooth SIG, Inc.                     Manufactured under license from Dolby Laboratories.“Dolby” and the double-D symbol are trademarks of Dolby Laboratories.DivX®, DivX Certied® and associated logos are trademarks of Rovi Corporation or its subsidiaries and are used under license.Covered by one or more of the following U.S. patents:7,295,673; 7,460,668; 7,515,710; 7,519,274ABOUT DIVX VIDEO: DivX® is a digital video format created by DivX, LLC, a subsidiary of Rovi Corporation. This is an official DivX Certied® device that plays DivX video.Visit divx.com for more information and software tools to convert your les into DivX video.ABOUT DIVX VIDEO-ON-DEMAND: This DivX Certified® device must be registered in order to play purchased DivX Video-on-Demand (VOD) movies. To obtain your registration code, locate the DivX VOD section in your device setup menu. Go to vod.divx.com for more  information on how  to complete your registration.DivX Certied® to play DivX® video, including premium content.
EN - 21Wiring Diagram
CLASS 1LASER PRODUCTP.N.: 127075005684

Navigation menu