HUIZHOU FORYOU GENERAL ELECTRONICS DV7B01 CAR DVD PLAYER User Manual
HUIZHOU FORYOU GENERAL ELECTRONICS CO.,LTD. CAR DVD PLAYER
User Manual

DVD/CD/VCD/MP3/WMA/USB PLAYER
BLUETOOTH WITH FM/AM TUNER
DV7B01
Operation Instructions

1. Only connect this unit to a 12V DC power
supply with negative grounding.
2. Never install this unit where the operation
for safety driving is restrained.
3. Never use the video display function in the
front when driving to prevent the violation
of laws & regulations and also to reduce
the risk of trafc accident except using the
rear view video camera.
4. Never expose this unit, amplier, speakers
to moisture or water to prevent electronic
sparks or res.
Warnings
5. Please don't change the fuse in the power
cord without professional guidance,
improper fuse may cause damage to this
using unit or even cause re.
6. Please power off this unit at once and send
it back to the after-sales service center or
the dealer / distributor you purchased from
if one of the following symptoms is found:
(a) No audio output;
(b) No image output;
(c) Water or other obstacle enters the unit;
(d) Smoking;
(e) Peculiar smell.
7. To ensure safe driving, please adjust the
volume to a safe and comfort level in case
of emergency situations.
1
2
3
4
5
6

Precautions
1. Never disassemble or adjust the unit
without any professional guide. For
details, please consult any professional car
shop / dealer for inquiry.
2. If the front panel or TFT monitor is squalid,
please use a clean silicone cloth and
neutral detergent to wipe off the spot.
Using a rough cloth and non-neutral
detergent such as alcohol for cleaning may
result in scratching or decoloration to the
applicant.
3. If any abnormal behavior of the unit is
found, please refer to trouble shooting
guide of this manual. If no relevant
information is found,please press the
[RESET] key on the front panel to resume
factory default.
4. If you have parked the car in hot or cold
weather for a long time, please wait until
the temperature in the car becomes normal
before operating the unit.
5. Using in-car heater in low temperature
environment may result in beads coagulate
inside the unit, Do not use the unit in this
situation, eject the disc and wipe off the
bead on the disc. If the unit still doesn't
work after a few hours, please contact with
after-sales service center.
6. No erce impact to the LCD monitor when
it is in open position for preventing the
damage to any mechanisms inside.
7. To prevent the damage to the screen,
avoid touching it with sharp objects.
8. The monitor employs auto motorizing
mechanism, please don't push, pull, or
swivel the monitor manually to prevent
damage to the core mechanism.
9. To provide a clear demonstration and an
alternative for easy understanding to the
operation of this unit, graphic illustrations
areused.However, these illustrations are
some different from the actual images
displayed on the screen.
10.During operating the unit, “ ” will
display if the current operation is not
available or illegal.
11.Operate the unit correctly according to this
manual to prevent unnecessary problem.
The guarantee won't be valid if the problem
is caused by inappropriate operation.
Declaration
This product incorporates copyright protection
technology that is protected by U.S patents
and other intellectual property rights. Use of
this copyright protection technology must be
authorized by Macrovision, and is intended
for home and other limited viewing uses only
unless otherwise authorized by Macrovision.
Reverse engineering or disassembly is
prohibited.
Cautions of disc using
1. DO NOT use irregular shaped disc
2. Disc Cleaning
Use a dry, soft cloth to wipe the disc from
center to edge, only neutral detergent can
be used.
3. When playing a new disc
New disc may have some rough spots
around the inner and outer edges. If such
a disc is used, remove these rough spots
with a pencil or ball-point pen, etc.

Contents
Before using
Front panel ............................................. 1
Remote Control ...................................... 2
Basic operations
Power on / off ......................................... 4
Audible beep conrmation ...................... 4
Mute ....................................................... 4
Open SOURCE MENU .......................... 4
Playing source selection ........................ 4
Volume adjustment ................................. 4
Using the TFT Monitor ........................... 4
System reset .......................................... 4
Change aspect ratio ............................... 4
Image settings ........................................ 4
Radio mode
Select radio as playing source ............... 5
Select one radio band ............................ 5
Tune ....................................................... 5
Manual tuning ......................................... 5
Preset station ......................................... 5
Search Stations Automatically ................ 5
EQ Selection .......................................... 5
Playback
Insert a disc ............................................ 6
Eject the disc .......................................... 6
Touch screen controls ............................ 6
Controlling Playback .............................. 6
Connect an USB Device ........................ 6
Play ........................................................ 6
Pause ..................................................... 6
Stop ........................................................ 6
Previous/Next ......................................... 6
Search for a Folder ................................ 6
Repeat playback .................................... 7
Repeat A-B ............................................. 7
Shufe (Random) Play ........................... 7
PBC function .......................................... 7
Select Audio Mode ................................. 7
Select Subtitle Language ....................... 7
Change Viewing Angle ........................... 7
Playback Information .............................. 8
For DVD ................................................. 8
For VCD ................................................. 8
Elapsed Time ......................................... 8
Direct Track Entry ................................... 8
Rotate Pictures ....................................... 8
Zoom ...................................................... 8
Other modes
Listen to Other Devices .......................... 9
Camera .................................................. 9
Steering Wheel Control Programming ... 9
Setup
Display System .................................... 10
Adjust General Settings ....................... 10
Adjust Video Settings ........................... 10
Adjust Time Settings .............................11
Adjust Audio settings .............................11
Adjust Language Settings .....................11
Adjust DVD Rating ............................... 12
Adjust Volume Settings ........................ 12
EQ
Select Preset Equalizer ........................ 13
Adjust EQ Parameters ......................... 13
Adjust FAD BAL .................................. 13
Troubleshooting ....................................... 13
Device connections
Notes of connection ........................... 16
Control Cables ..................................... 16
Region Code ....................................... 16
Parking Brake Cable Connections ..... 17
Reverse Driving Cable Connections .... 17
Installation and uninstall
Notes of installation .............................. 18
Installation procedures ......................... 18
Remove the unit .................................. 18
Trim ring installation ............................. 18
Trim ring uninstall ................................ 18
Specications ........................................... 19
Appendix
FCC Statement .................................... 20
FCC Radiation Exposure Statement .... 20
Wiring Diagram ......................................... 21

EN - 1
Before using
Front panel
1. Disc slot
2. Reset the unit
3. [VOL / / ] Knob: Unit power / Adjust volume / Mute audio outputs
4. [SRC] Key: Switch to the current source and the main menu
5. [ ] Key: Auto search / Next / Move cursor to the right
6. [TILT+] Knob: Increase the display angle
7. [OPEN/CLOSE] Key: Open / Close the TFT monitor
8. [TILT-] Knob: Decrease the display angle
9. [ ] Key: Auto search / Previous / Move cursor to the left
10.USB Slot
11. AV IN jack
12.Eject disc
ཱ
ི
ཱི ུ ཱུ ྲྀ ཷ ླྀ ཹ ེ
ཻ

EN - 2
Note:
Your remote control may differ
slightly from the one pictured here.
The above diagram is for illustrative
purpose only.
Before using
Remote Control
1. [SRC]Key:select playing source
2. [EJECT]Key: Eject disc
3. [AUDIO] Key: Select audio channel
4. [VOL+/-] Key: Adjust volume
5. [ZOOM] Key: Image zoom in/out
6. [ /BAND] Key: Select radio band / Fast
playback / Slow playback
7. [WIDE] Key: Change display mode
8. [PRESET / ] Key: Select preset radio
station
9. [EQ] Key: Enter/Exit the EQ setting
10.[GOTO] Key: GOTO search
11.[OPEN/CLOSE] Key: Open / Close the
TFT monitor
12.
[TILT / ] Key: Adjusting display tilting angle
13.[RPT A-B] Key: A-B repeat
14.[RPT] Key: Repeat playback
15.[MUTE] Key: Mute audio outputs
16.[POWER] Key: Unit power
17.[SUBTITLE] Key: Select DVD subtitle
language
18.[ANGLE] Key: Select view angle
19.[MENU] Key: DVD MENU / PBC
20.[TITLE] Key: DVD TITLE
21.[SETUP] Key: Setup menu
22.[ ] Key: Fast Forward / Move cursor up
23.[ ] Key: Auto search / Next / Move
cursor to the right
24.[ ] Key: Play / Pause / Enter
25.[ ] Key:Auto search / Previous / Move
cursor to the left
26.[PIC] Key: Image setting
27.
[ ] Key: Fast Reverse/ Move cursor down
28.[ ] Key: Stop Playback
29.[DISP/CLEAR] Key: Display information /
Clear information
30.[0~9] Key: Numeric keys
31.[RDM] Key: Random playback
32.[INT] Key: Intro playback

EN - 3
Before using
Notes of remote control using
1) Aim the remote control at the remote
sensor on the unit.
2) Remove the battery from the remote
control or insert a battery insulator if the
battery has not been used for a month or
longer.
3) DO NOT store the remote control under
direct sunlight or in high temperature
enviro n ment, or i t may not functi o n
properly.
4) The battery can work for 6 months under
normal condition. If the remote control can't
work, please change the battery.
5) Use “button shaped” lithium battery
“CR2025” (3V) only.
6) DO NOT recharge, disassemble, heat or
expose the battery in re.
7) Insert the battery in proper direction
according to the (+) and (-) poles.
8) Store the battery in a place where children
cannot reach to avoid the risk of accident.
Uninstall Battery
Slide out the battery compartment
tray at the bottom on the back of the
remote control.
Install Battery
Use button-shaped lithium battery
“CR2025 (3V)” only. Insert the
battery to the battery tray with proper
direction according to the (+) and (-)
poles.

EN - 4
Basic operations
Power on / off
Press the [ ] key to turn the unit on. The
buttons on the front of the unit light up and
the current mode status appears on the LCD.
Press the [ ] key to power off the unit.
Audible beep conrmation
An audible beep tone conrms each function
selection. The Beep tone can be disabled
through the Setup menu.
Mute
Press the volume knob on the front panel or
press the [MUTE] key on the remote control
to mute the volume from the unit.
Open SOURCE MENU
Press the [SRC] key on the front panel or
remote control or touch the top left corner of
the screen to open the SOURCE MENU.
Do the above operation again to return to the
original source.
Playing source selection
Open the SOURCE MENU, and then touch
the source you desired or select one source
by moving the cursor and then conrm.
Volume adjustment
Volume Increase/Decrease
To increase or decrease the volume level,
turn the rotary encoder on the front panel.
When the volume level reaches "0" or "50", a
beep sounds, indicating that the adjustment
limit has been reached. The TFT screen
displays the volume level for 3 seconds.
Programmable turn-on volume
This feature allows the user to select a turn-
on volume setting regardless of the volume
setting prior to turning the unit off. To program
a specic turn-on volume level, turn the rotary
encoder to adjust the volume to the desired
turn-on volume. Push and hold the rotary
encoder while the blue speaker icon and level
indication is displayed on the screen. The
unit will beep to conrm your turn-on volume
setting.
Using the TFT Monitor
Open / Close monitor
Press the [OPEN/CLOSE] key on the front
panel or remote control topush the display
panel out or in.
Change the monitor tilt angle
Due to the inherent character of LCD, you
will get different vision impressions when you
watch it from different angles.
The display angle of this unit can be changed;
hence you can select the best angle where
you can get the best vision impression.
Press the [TILT] key on the display panel or
the remote control to adjust the tilt angle one
step at a time.
Press and hold the [TILT] key on the display
panel or the remote control to adjust the tilt
angle continuously.
System reset
To correct a system halt or other illegal
operation, use the tip of a pen to press the
[RESET] key located on the panel. After a
system reset, the unit restores all factory
default settings.
Note:
If the unit is reset while a DVD is playing,
the DVD resumes play once the reset is
complete.
Change aspect ratio
Press the [WIDE] key on the remote control
to adjust the aspect ratio.
Image settings
1. Enter image setting mode
Press the [PIC] key on the remote control.
2. Select one item to adjust
Touch the [ ]/[ ] icon on the user
interface to adjust the value.
3. Exit image setting mode
To exit image setting mode, repeat the rst
step or stop operation for some seconds.

EN - 5
Radio mode
Select radio as playing source
Open the SOURCE MENU and then touch
[Radio].
Select one radio band
Press the [BAND] key on the remote control
or touch the [ ] icon on the user interface
to select one radio band among FM1, FM2,
FM3, AM1 and AM2.
Tune
Auto tuning
Press the [ ] / [ ] key on the remote
control or touch the [ ] / [ ] icon on the
user interface to seek a higher / lower station.
To stop searching, repeat the operation above
or press other keys having radio functions.
Note:
When a station is received, searching stops
and the station is played.
Manual tuning
Method 1:
During manual tuning, the frequency will be
changed in steps.
Touch the [ ] / [ ] icon on the user
interface to tune in a higher / lower station.
Method 2:
1. Touch the numeric keypad icon [ ].
Numeric keyboard is displayed, touch
numbers to input frequency.
2. Touch [ ] to delete the input numbers
step by step.
3. Touch [ OK ] to enter.
Preset station
The unit has 5 bands, such as FM1, FM2,
FM3, AM1, AM2, and each band can store 6
stations; hence the unit can store 30 stations
in total.
Manual store
1. Tune to a station.
2. Touch and hold one of the channels 1 to 6
to save the selected band.
Search Stations Automatically
Touch [ ] to search station and store
the 6 strongest stations in the current band
automatically.
Recalling a station
1. Select a band (if needed).
2. Touch an on-screen preset button to select
the corresponding stored station.
Local radio station seeking (LOC)
When the Local function is on, only radio
stations with a strong local radio signal are
played. To activate the Local function in
the AM/FM tuner mode, touch [ ] on the
screen. The Options tab is revealed. Touch
[ ] icon and choose the Radio Local or
Distance. When the Local function is active,
the LOC indicator at the top of the screen
is illuminated. When the Distant function
is active, the DX indicator at the top of the
screen is illuminated.
EQ Selection
Touch the [ ] icon and enter the EQ setup.

EN - 6
Playback
Insert a disc
Upon inserting a disc, the unit will switch to
[DISP] mode automatically.
Notes:
1. Please confirm whether there is a disc in
the unit before you insert another one.
2. Some recorded discs, such as CD-R, CD-
RW, DVD-R, DVD+R, DVD-RW, DVD+RW
cannot be played back because of different
recording status. Otherwise, the discs
without being closed could not be played
back.
3. About the cautions of disc using, please
refer to the appendix.
4. Don’t pledge to be compatible with all disc.
Eject the disc
Press the [ ] key on the front panel or
remote control to eject the disc.
Touch screen controls
The touch key areas for DVD playback are
outlined below:
A: Return to the main menu
B: Disc type
C: Time display
D: Play the video and display playback
information
E: Display onscreen control menu
Controlling Playback
To access the on-screen controls, touch the
screen anywhere except for the upper left
corner and touch again to cancel display.
Connect an USB Device
1. Open the USB door.
2. Connect an USB device into the USB
connector. Play starts automatically.
Notes:
1. If there are audio files supported in the
USB stick, the system will enter the audio
les menu automatically.
If there are no audio files, but there are
video files supported in the USB stick,
the system will enter the video les menu
automatically.
If there are no audio or video files, but
there are picture les supported in the USB
stick, the system will enter the picture les
menu automatically.
If there no above audio/video/picture les
supported in the USB stick, the screen will
display: There are no audio/video/picture
les supported.
2. Not all kinds of USB devices are
compatible with the unit.
Play
Once a disc, or a USB device is inserted, play
starts automatically.
Pause
When play the audio/vedio file, press the
[ ] key on the remote control or open the
on-screen control icons menu and then touch
the [ ] icon, press the [ ] again and
continue to play.
Stop
For audio les or video les, press the [■] key
on the remote control or open the on-screen
control icons menu and then touch the [■]
icon to stop. Press the [ ] to resume from
the pausing point.
Touch the [■] icon again to stop entirely, and
press the [■] key on the remote control. Press
the [ ] to playback from the top le.
Previous/Next
Touch [ ] / [ ] key on the screen to skip
to previous / next track / chapter.
Search for a Folder
For Folder Control
1. Touch [ ] to display all available folders.
2. Touch a folder, then touch the desired le.
3. Touch the le again to start play.
D
E

EN - 7
Playback
For Audio Files
1. Touch [ ] to display all available audio
folders.
2. Touch a folder, then touch the desired le.
3. Touch the le again to start play.
For Video Files
1. Touch [ ] to display all available video
folders.
2. Touch a folder, then touch the desired le.
3. Touch the le again to start play.
For Picture Files
1. Touch [ ] to display all available picture
folders
2. Touch a folder, then touch the desired le.
3. Touch the le again to start play.
Repeat playback
Press the [RPT] key on the remote control or
open the on-screen control icons menu and
then touch the [ ] icon to switch the repeat
modes as below:
Note:
When play the VCD disc,open the [PBC]
function and the [repeat] function is abated.
Repeat A-B
When a DVD, VCD is played back, you can
play back the contents between the time
points from A to B repeatedly:
Shufe (Random) Play
You can play audio tracks/files in random
order.
During play CD,press the [RDM] key on the
remote control repeatedly to turn shufe play
on or off.
Note:
when the [shuffle] turn off,the unit resume
natural play from the current sequence.
PBC function
This function is available for the VCD discs
with PBC function (Ver 2.0 or higher).
Press the [MENU] key on the remote control
or open the on-screen control icons menu
and then touch the [ ] icon repeatedly to
activate this function.
Press again to cancel.
Notes:
1. When PBC is on, playback goes back to
the track list and starts from the rst track.
2. When PBC is on, fast motion playback,
slow motion playback or skip search
is available but repeat playback and
searching for a particular chapter or track
is prohibited.
3. If you do the operation of random playback,
scan playback or searching playback when
PBC is on, PBC will be off automatically.
Select Audio Mode
When you play VCDs, you can select an
audio mode (R/L/Stereo).
1. During play, touch bottom half of the
screen to display menu on the screen, if
necessary.
2. Touch [ ] to display the 2nd menu.
Touch [ ] repeatedly until the audio
mode is selected.
Select Subtitle Language
For DVD discs that contain two or more
subtitle languages.
1. During play, touch the screen to display
menu on the screen, if necessary.
2. Touch [ ] to display the 2nd menu.
3. Touch [ ] repeatedly to select a
language.
The selected language is displayed.
Change Viewing Angle
Some DVDs contain alternate scenes, such
as scenes recorded from different camera
angles.
For such DVDs, you can select from the
Repeat chapter ė Repeat title ė
DVD
VCD(PBC off) Repeat one ė Repeat all ėRepeat off
MP3/WMA
Disctype Repeatmode
Picture
CD
MPEG
Repeat one ėRepeat all ėRepeat off
Repeat allėRepeat off
Repeat one ė Repeat folder ėRepeat allėRepeat off
Repeat one ė Repeat folder ėRepeat allėRepeat off
Repeat one ė Repeat folder ėRepeat allėRepeat off
Repeat A- ėRepeat A-B RepeatA-B Off
ė

EN - 8
Playback
available alternate scenes.
1. During play, touch the screen to display
menu on the screen, if necessary.
2. Press [ ] repeatedly on the remote
control.
The viewing angle is changed.
Playback Information
Touch the screen when playing back DVD
and VCD discs and the
playback information will be displayed on the
top area of the TFT.
For DVD
1. Disc type.
2. Return to the main menu.
3. DVD Title information. “1/6” indicates that
this DVD has 6 titles and the title playing
back now is the first title.
4. DVD Chapter information. “2/9” indicates
that current title has 9 chapters and the
chapter playing back now is the fifth
chapter.
5. Time display.
For VCD
1. Disc type.
2. Return to the main menu.
3. VCD Track information. “1/16” indicates
that this VCD has 16 tracks and the track
playing back now is the first title.
4. Time display.
Elapsed Time
1. Elapsed time of the current track.
2. Total time of the current track.
Title: 1/6
Chapter: 2/9
DVD 02:35
Title: 1/16
VCD 02:35
Direct Track Entry
To select a track directly, touch the [ ] icon
on screen control to display the direct entry
menu. Enter the desired track using the on-
screen number pad. Press [ OK ] to the
selected track.
Rotate Pictures
1. When you view pictures, touch the
screen to display menu on the screen, if
necessary.
2. Touch [ ] repeatedly to rotate the
picture.
Zoom
You can zoom in pictures for a close view.
1. When you view pictures, touch the
screen to display menu on the screen, if
necessary.
2. Touch [ ] repeatedly to zoom in the
picture.

EN - 9
Listen to Other Devices
You can connect an external audio/video device to the unit.
1. Connect the external device with the supplied AV cable.
2. Touch the upper left corner to display the main menu.
3. Touch [Aux 1] / [Aux 2] to access external device.
Camera
This player is "camera ready". Before accessing any camera features, you must purchase and
install a rear video camera. Once the rear camera is connected and operating properly, the
CAMERA source mode will become active. While the camera is not installed, the CAMERA option
appears gray, indicating the function is not available.
The playing source will change to "CAMERA" mode automatically when you reverse your car.
Steering Wheel Control Programming
1. Touch the upper left corner to display home menu.
2. Touch [ SWC ], the SWC menu will display.
3. Adjust each key with an individual function.
4. Touch [ Program ] to program.
5. Press each individual steering wheel control button for each corresponding function.
6. Oncethenalsteering wheelcontrolbuttonisprogrammed,thefunctionsaresavedandthe
programming will end.
7. Touch and hold [ Reset ] to reset the programming.
Other modes

EN - 10
Setup
Display System
1. Touch the upper left corner to display the main menu.
2. Touch [ ].
The settings menu is displayed.
Adjust General Settings
1. Touch [ General ], if necessary.
2. Touch to highlight a setting.
3. Touch to display/select an option.
4. Touch blank area of the screen to exit.
General settings Options Description
Radio region USA/China/Japan/Europe/Europe
(LW)/OIRT Select one that matches your location.
Radio range Local Select Local to receive only stations with extremely
strong signal.
Distance
Beep On Turn on the beep sound. Each time you press a button,
the unit beeps.
Off Turn off the beep sound.
Calibration Start Calibrate the touch screen.
Calibration
When the touch operation is not sensitive or valid, you should calibrate the touch screen using the
calibration setting function.
Adjust the response positions of the touch panel as followings:
1. Press the [ Calibration ] option on the setup menu to enter.
2. Touch [ Yes ] to enter.
3. Press and hold the center of [ + ] for 5 seconds, the [ + ] will move automatically.
4. Aim at center of [ +],followthepathasshowninthegure.Oncesteps1-4arecompletethe
system will automatically exit calibrating mode.
Adjust Video Settings
1. Touch [Video].
2. Touch an option repeatedly to select.
Video settings Options Description
Aspect Ratio Full Adjust aspect ratio.
Normal
Rear Camera Mirror Reverse the camera image as if looking through a rear-view mirror.
Normal
Parking On Disable video when driving.
Off Enable video when driving.
When in Park “On” mode, the screen will display WARNING information if you play the video. The
arning screen will prevent the driver from watching videos for safety.

EN - 11
Adjust Time Settings
1. Touch [ Time ].
2. Touch an option repeatedly to select:
3. Touch blank area of the screen to exit.
Sound settings Options Description
Date Year / Mon / Day Touch [ ] or [ ] to set year, month and day.
Clock mode 12Hr/24Hr Touch [12Hr] or [24Hr] to switch clock mode.
Time Hour / Min / AM / PM Touch [ ] or [ ] to set hour and minutes.
Touch [ ] or [ ] to set AM/PM (only for 12Hr).
Adjust Audio settings
1. Touch [ Audio ].
2. Touch an option repeatedly to select.
3. Touch blank area of the screen to exit.
Audio settings Options Description
Sub woofer On Turn on the subwoofer.
Off Turn off the subwoofer
Sub woofer lter
80Hz Select a crossover frequency to set a cut-off frequency for the subwoofer’s LPF
(low-pass lter).
120Hz
160Hz
Loudness Switch
Off
Select low frequency boost only or high and low frequency boost.Lo Boost
HiGLo
Loudness Center
400Hz
Select loudness center frequency.800Hz
2.4KHz
Adjust Language Settings
1. Touch [ Language ].
2. Touch an option repeatedly to select.
3. Touch blank area of the screen to exit.
Language settings Description
OSD Select on-screen display language.
DVD audio Select DVD audio language. Options available depending on DVD disc.
DVD subtitle Select DVD subtitle language. Options available depending on DVD disc.
Disc menu Select DVD menu language. Options available depending on DVD disc.
Setup

EN - 12
Adjust DVD Rating
1. Touch [ DVD ].
2. Touch an option repeatedly to select.
3. Touch blank area of the screen to exit.
DVD rating Options Description
Set password Set password to restrict the play of discs. The default password is 1234.
Rating level
Kid safe Acceptable for children.
GAcceptable for general viewers.
PG Parental guidance suggested.
PG-13 Unsuitable for children under age 13.
PG-R Recommend parents to restrict viewing for children under 17.
R Restricted re-parental guidance is advised for children under the age of 17.
NC-17 Unsuitable for children under age 17.
Adult Acceptable for adults only.
Load factory Restore to default settings.
Version Info The Version Sub-menu is used to identify the model and resident operation system as well
as the hardware and software versions.
Adjust Volume Settings
You can set different volumes for different modes.
1. Touch [Volume].
The volume setting sub-menu is displayed.
2. Touch to select a source.
3. Touch [ ] or [ ] to assign value: 0 to 12.
When switching to the source, the volume increases automatically.
4. Touch blank area to close the sub-menu and touch top left of the screen to exit setting menu.
Setup

EN - 13
Select Preset Equalizer
1. Enter the EQ setup mode
Touch the [ ] icon in the user interface and the EQ setup interface will display on the screen.
2. Select EQ mode
Touch the desired EQ selection: [ POP ] / [ TECHNO ] / [ ROCK ] / [ CLASSIC ] / [ JAZZ ] /
[ OPTIMAL ] / [ USER ], and the EQ mode will change.
Adjust EQ Parameters
Touch [ ] / [ ] to adjust the level of Bass / Mid / Treb.
Adjust FAD BAL
You can adjust front/back/left/right balance of the speaker and the subwoofer volume to get
balanced listening effect according to the surroundings and your interest.
1. Enter the EQ setup mode
Touch the [ ] icon in the EQ interface.
2. Adjust subwoofer volume
Touch [ ] / [ ]“SUBVOL”toadjustsubwoofervolumefrom-12to+12.
3. Adjust fader / balance value
Touch [ ] / [ ] / [ ] / [ ]toadjustfader/balancevaluefrom-12to+12.
[ ]: Front speaker
[ ]: Rear speaker
[ ]: Left speaker
[ ]: Right speaker
Notes:
1. The EQ mode will change to ‘User’ automatically when you adjust the frequency value in all
modes besides ‘User’.
2. The value of Sub is independent of EQ mode and can be adjusted separately.
EQ

EN - 14
What appears to be trouble is not always serious. Please check the following points before calling
a service center.
Troubleshooting
Problem Cause Corrective action
General
Unit can not power on
Unit fuse blown. Install new fuse with correct rating.
Car battery fuse blown. Install new fuse with correct rating.
Illegal operation Reset the unit.
Remote control does not
work
Battery depleted. Change the battery.
Battery installed incorrectly. Install the battery correctly.
No/low audio output
Improper audio output
connection. Check wiring and correct.
Volume set too low. Increase volume level.
Speakers damaged. Replace speakers.
Heavily biased volume balance. Adjust the channel balance to center
position.
Speaker wiring is in contact
with metal part of car.
Insulate all speaker wiring
connections.
Poor sound quality or
distortion
Piratic disc is in use. Use original disc.
Speaker power rating does not
match unit. Replace speakers.
Wrong connections. Check wiring and correct.
Speaker is shorted. Check wiring and correct.
Tel-Mute malfunction MUTE wire is grounded. Check the ‘MUTE’ wiring and correct.
Unit resets itself when
engine is off
Incorrect connection
between ACC and BATT. Check wiring and correct.
TFT monitor
Monitor does not open
automatically TFT Auto Open is turned off. Turn TFT Auto Open on.
Warning information is
shown at all times
Parking break wiring is not
correct. Check wiring and correct.
Flashing image or
interference appears on
screen
The color system of DVD disc
does not match the monitor.
Adjust the color system of the DVD
disc playing back or the monitor in
use.
Piratic disc is in use. Use original disc.
Video cable damaged. Replace cables.
Improper video signal
connections. Check wiring and correct.

EN - 15
Troubleshooting
Problem Cause Corrective action
Disc playback
Cannot insert disc A disc inside the unit already. Eject current disc and insert new one.
Disc does not play back
Disc is warped or scratched. Use disc in good condition.
Disc is dirty or wet. Clean disc with soft cloth.
Incompatible disc is used. Use compatible disc.
Disc is inserted upside down. Insert disc with label side up.
Disc region code is not
compatible with unit. Use disc with proper region code.
PBC cannot be used
during VCD playback
PBC is not available on
the disc. Use disc with PBC available.
Repeat or search
function is invalid
during VCD playback
PBC is on. Turn PBC off.
Error messages
No disc
Disc is dirty. Clean disc with soft cloth.
Disc is upside down. Insert disc with label side up.
No disc inside. Insert disc.
Bad disc Disc is dirty. Clean disc with soft cloth.
Disc is upside down. Insert disc with label side up.
Unknown disc Disc format is not compatible
with this unit. Use disc with compatible format.
Region Error DVD region code is not
compatible with this unit. Use disc with compatible region code.
(Continued)

EN - 16
Device connections
Notes of connection
● This unit is designed to be used in a vehicle with a 12-volt battery and negative grounding.
Before installing this unit to a recreational vehicle, a bus, or a truck, make sure the battery
voltage is appropriate for this unit to be used, otherwise, install a transformer by professional to
convert the output voltage to 12V.
● To avoid short circuit in the electrical system, ensure that the negative battery cable is
disconnected before installation.
● To prevent short circuit in the wiring and damaging to this unit, secure all wirings with cable
clamp or adhesive tape. Route the wirings in a secured, out of heating place without touching
any moving parts such as gear shift, handbrake, and seat rails to prevent the wiring insulation
being melted / wore off.
● Never pass the yellow power cord through the installation hole into the engine compartment and
connect to the car battery. Otherwise, a high possibility of serious short circuit to the electrical
system may be occurred.
● Replacing a new fuse with 15A rating when the old one is broken, using no fuse or fuse with
improper rating may cause damage to this unit or even res. If a proper fuse is installed and
electrical problems still occur, please contact with any professional car shops for inquiry.
● Do not connect other equipments with the car battery to avoid battery overheating.
● Please make sure all the wiring connections & the cables of the speakers are well-insulated.
Otherwise, this unit may be damaged by short circuit.
● If there is no ACC available, Please connect ACC lead to the power supply with a switch.
● If an external power amplier is connected, please don’t connect P.CONT lead to the power lead
of the external power amplier, otherwise, electric spark or other damage may be resulted.
● Never ground the speaker output to prevent the damage to the built-in power amplier.
● The minimum rating of the speakers connected to this unit is 50W with 4 to 8Ω impedance.
Control Cables
Auto Brightness Control
To avoid the display being too bright at night time, if the headlight cable is connected to ILLUMI,
turning on the headlight will dim the backlight of the TFT LCD and vice versa.
Telephone Mute
If the MUTE cable is connected to a car phone, other audio outputs mute when one call is
received by the car phone.
Reverse Driving
If a rear view camera is connected with the unit, the playing source switches to CAMERA
automatically when you start reverse driving.
As the reverse driving is done, the playing source switches to the previous.
Parking Brake
1. If "PRK SW" cable is connected to hand brake switch, video display on the TFT monitor will be
controlled by this function.
Parking cable function ceases when the playing source is CAMERA.
2. The monitor displays the blue screen with warning information to prevent the driver watching
video contents during driving, but the passengers at the rear seat can watch video contents
normally.
Region Code
According to DVD sale region, the whole world is divided into six regions. A DVD disc can be
played back only when its region code is compatible with that of the player in use.
Region 1:
USA, Canada, East Pacic Ocean Islands;
Region 2: Japan, West Europe, North Europe, Egypt, South Africa, Middle East;
Region 3:
Taiwan of China, Hong Kong of China, South Korea, Thailand, Indonesia, South East Asia;
Region 4: Australia, New Zealand, Mid & south America, South Pacic Ocean Islands/Oceania;
Region 5:
Russia, Mongolia, India, Middle Asia, East Europe, North Korea, North Africa, North West Asia;
Region 6: Chinese Mainland.

EN - 17
Device connections
Parking Brake Cable Connections
Reverse Driving Cable Connections

EN - 18
Installation and uninstall
Notes of installation
1.
Before installation, please make sure proper
connections are conducted and the unit
operates normally. Improper connection may
result in damage to the unit.
2.
Use only accessories designed and
manufactured for this unit and other
unauthorized accessories may result in
damage to the unit.
3.
Before installation, please fasten all power
cables.
4.
Do not install the unit in the place where close
to hot area to prevent damage to electrical
components such as the laser head.
5.
Install the unit horizontally. Installing the unit
more than 30 degree vertically may result in
worse performance.
6.
To prevent electric spark, connect the
positive pole rst and then the negative pole.
7.
Do not block the cooling fan exit to ensure
sufcient heating dissipation of this unit, or it
may result in damage to this unit.
Installation procedures
1. If relevant, remove any other audio system
from the car.
2. Insert the mounting sleeve into the
dashboard. Fix it firmly in place by folding
down the metal tabs.
3. Perform the required electrical connections.
4. Then check that everything works before
installing the main unit.
5. Remove the two screws on the top of the
unit, otherwise, the unit will not work.
6. Install the car radio in the dashboard using
the supplied screw (M4x10mm) and put a
rubber sheath over the screw.
7. Attach the outer trim frame. If you are not
sure how to install this unit correctly, contact
a qualied technician.
Mounting
The rear of the unit
Trim plate
Dash Board
Rubber Sheath
Remove the unit
1. Switch off the power of the unit.
2. Remove the trim plate.
3. Insert both L-Keys into the hole on the front
of the set until they lock.
4. Pull out the unit.
Trim ring installation
Attach the trim ring around the front panel
with two indentions on one side facing
upwards.
Trim ring uninstall
Disassemble trim ring
1. Push the trim ring upward and pull out the
upper part.
2. Push the trim ring downward and pull out
the lower part.
Dash Board
Mounting
Trim plate

EN - 19
Specications
General
Reference Supply Voltage:
12V DC
Operating Voltage Range: 10.5~15.8V(DC)
Max Operating Current: 10A
Grounding System:
Car Battery Negative Pole
Installation Dimension(WxHxD) output:
178x50x(165+25)mm
Installation Angle: 0 ~30
Net Weight: 2.3kg
FM
Frequency Range: 87.5-107.9MHz
Residual Noise Sensitivity (S/N=30dB): 12dB V
Signal Noise Ratio: 55dB
Station Seeking Level: 20~30dB V
Distortion: 1.5 %
Stereo Separation(1KHz): 25dB
Antenna Impedance: 75 Ω
AM
Frequency Range: 530-1710KHz
Residual Noise Sensitivity (S/N=20dB): 30dB V
Selectivity (±10KHz): 40dB
DVD player
Signal / Noise Ratio: 90dB
Dynamic Range: 90dB
Distortion(line out): 0.1%
Frequency Response(±3dB):
20Hz~20KHz
Max Output Power: 4×45W
Load Impedance: 4Ω
AUX IN
Distortion: 0.5%
Frequency Response(±3dB):
20Hz~20KHz
Audio Input Level: 0.4Vrms
Audio
Audio Output Impedance: 200Ω
Audio Output Level:
2Vrms(Max)
Audio Input Level: 0.4Vrms
(Under normal audio input level and
maximum volume)
Video
Normal Video Input Level (CVBS): 1.0±0.2V
Video Input Impedance: 75Ω
Video Output Impedance: 75Ω
Video Output Level:
1.0±0.2V
(Under normal video input level)
TFT monitor
Screen Diagonal: 7 inches
Usable Display Area:
154.1(W) × 87.0 (H)
Resolution: 1440 (W) × 234 (H)
Brightness: 400cd/m2
Video Output Level:
1.0±0.2V
(Measure the center brightness after 30 minutes)
Contrast: 300( TYP. )
Response Time:
Rise: 12ms
Fall: 18ms
Viewing Angle:
From Top: 40°
From bottom: 65°
Horizontally: ±65°
LCD Life Cycle:
10000 hours(at 25
°C
)
Environment
Operating Temperature: -10°C~+60°C
Storing Temperature: -20°C~+70°C
Operating Humidity: 45%~80%RH
Storing Humidity: 30%~90%RH
Note:
Specications are subject to possible modifciations for improvement without further notice.

EN - 20
Appendix
FCC Statement
1. This device complies with Part 15 of the FCC
Rules.
Operation is subject to the following two
conditions:
(1) This device may not cause harmful
interference.
(2) This device must accept any
interference received, including
interference that may cause undesired
operation.
2. Changes or modifi cations not expressly
approved by the party responsible for
compliance could void the user’s authority to
operate the equipment.
NOTE:
This equipment has been tested and found
to comply with the limits for a Class B digital
device, pursuant to Part 15 of the FCC
Rules. These limits are designed to provide
reasonable protection against harmful
interference in a residential installation.
This equipment generates uses and can
radiate radio frequency energy and, if not
installed and used in accordance with the
instructions, may cause harmful interference
to radio communications. However, there is
no guarantee that interference will not occur
in a particular installation. If this equipment
does cause harmful interference to radio or
television reception, which can be determined
by turning the equipment off and on, the user
is encouraged to try to correct the interference
by one or more of the following measures:
• Reorient or relocate the receiving antenna.
• Increase the separation between the
equipment and receiver.
• Connect the equipment into an outlet on
a circuit different from that to which the
receiver is connected.
• Consult the dealer or an experienced radio/
TV technician for help.
F C C R a d i a t i o n E x p o s u r e
Statement
This equipment complies with FCC radiation
exposure limits set forth for an uncontrolled
environment. This equipment should be
installed and operated with minimum distance
of 20 centimeters between the radiator and
your body.
This item incorporates copy protection
technology that is protected by U.S. patents
and other intellectual property rights of
Rovi Corporation. Reverse engineering and
disassembly are prohibited.
The Bluetooth® word mark and logos are
registered trademarks owned by Bluetooth
SIG, Inc.
Manufactured under license from
Dolby Laboratories.
“Dolby” and the double-D symbol are
trademarks of Dolby Laboratories.
DivX®, DivX Certied® and associated logos
are trademarks of Rovi Corporation or its
subsidiaries and are used under license.
Covered by one or more of the following U.S.
patents:
7,295,673; 7,460,668; 7,515,710; 7,519,274
ABOUT DIVX VIDEO: DivX® is a digital video
format created by DivX, LLC, a subsidiary
of Rovi Corporation. This is an official DivX
Certied® device that plays DivX video.
Visit divx.com for more information and
software tools to convert your les into DivX
video.
ABOUT DIVX VIDEO-ON-DEMAND: This
DivX Certified® device must be registered
in order to play purchased DivX Video-on-
Demand (VOD) movies. To obtain your
registration code, locate the DivX VOD
section in your device setup menu. Go to
vod.divx.com for more information on how to
complete your registration.
DivX Certied® to play DivX® video, including
premium content.

EN - 21
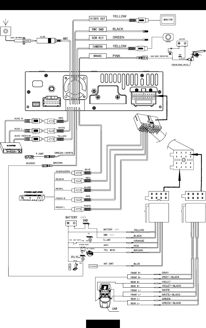
Wiring Diagram

CLASS 1
LASER PRODUCT
P.N.: 127075005684