HUSQVARNA Lawn, Tractor Manual L0811870
User Manual: HUSQVARNA HUSQVARNA Lawn, Tractor Manual HUSQVARNA Lawn, Tractor Owner's Manual, HUSQVARNA Lawn, Tractor installation guides
Open the PDF directly: View PDF
.
Page Count: 52

®
03131
m
(YTH
Owner's Manual

SAFETY RULES
Safe Operation Practices for Ride=On Mowers
DANDER: THiS CUTTING MACHINE iS CAPABLE OF AMPUTATING HANDS AND FEETAND THROWING OBJECTS. FAILURE
TO OBSERVE THE FOLLOWING SAFETY INSTRUCTIONS COULD RESULTIN SERIOUS iNJURY OR DEATH.
WARNING: in order to prevent ac-
cidental starting when setting up,
transporting, adjusting or making
repairs, always disconnect spark plug
wire and place wire where it cannot
contact spark plug.
WARNING: Do not coast down a hill
in neutral, you may lose control of
the tractor.
WARNING: Tow only the attachments
that are recommended by and comply
with specifications of the manufacturer
of your tractor. Use common sense
when towing. Operate only at the low-
est possible speed when on a slope.
Too heavy of a load, while on a slope,
is dangerous. Tires can lose traction
with the ground and cause you to lose
control of your tractor.
WARNING
Engine exhaust, some of its constituents, and cer-
tain vehicle components contain or emit chemicals
known to the State of California to cause cancer and
birth defects or other reproductive harm.
WARNING
Battery posts, terminals and related accessories
contain lead and lead compounds, chemicals known
to the State of California to cause cancer and birth
defects or other reproductive harm. Wash hands
after handling.
I. GENERAL OPERATION
Read, understand, and follow all instructions on the
machine and in the manual before starting.
• Do not put hands or feet near rotating parts or under
the machine. Keep clear of the discharge opening at
all times.
• Only allow responsible adults, who are familiar with
the instructions, to operate the machine.
• Clear the area of objects such as rocks, toys, wire, etc.,
which could be picked up and thrown by the blades.
• Be sure the area is clear of bystanders before operat-
ing. Stop machine if anyone enters the area.
• Never carry passengers.
• Do not mow in reverse unless absolutely necessary.
Always look down and behind before and while back-
ing.
• Never direct discharged material toward anyone. Avoid
discharging material against a wall or obstruction.
Material may ricochet back toward the operator. Stop
the blades when crossing gravel surfaces. 2
• Do not operate machine without the entire grass catcher,
discharge guard, or other safety devices in place and
working.
• Slow down before turning.
• Never leave a running machine unattended. Always
turn off blades, set parking brake, stop engine, and
remove keys before dismounting.
• Disengage blades when not mowing. Shut off engine
and wait for all parts to come to a complete stop before
cleaning the machine, removing the grass catcher, or
unclogging the discharge guard.
• Operate machine only in daylight or good artificial
light.
• Do not operate the machine while under the influence
of alcohol or drugs.
• Watch for traffic when operating near or crossing
roadways.
• Use extra care when loading or unloading the machine
into a trailer or truck.
• Always wear eye protection when operating ma-
chine.
• Data indicatesthat operators, age 60 years and above,
are involved in a large percentage of riding mower-re-
lated injuries. These operators should evaluate their
ability to operate the riding mower safely enough to
protect themselves and others from serious injury.
• Follow the manufacturer's recommendation for wheel
weights or counterweights.
• Keep machine free of grass , leaves or other debris
build-up which can touch hot exhaust /engine parts
and burn. Do not allow the mower deck to plow leaves
or other debris which can cause build-up to occur.
Clean any oil or fuel spillage before operating or
storing the machine. Allow machine to cool before
storage.
II. SLOPE OPERATION
Slopes are a major factor related to loss of control and
tip-over accidents, which can result in severe injury or
death. Operation on all slopes requires extra caution. If
you cannot back up the slope or if you feel uneasy on it,
do not mow it.
• Mow up and down slopes, not across.
•Watch for holes, ruts, bumps, rocks, or other hidden
objects. Uneven terrain could overturn the machine.
Tall grass can hide obstacles.
• Choose a low ground speed so that you will not have
to stop or shift while on the slope.
• Do not mow on wet grass. Tires may lose traction.
Always keep the machine in gear when going down
slopes. Do not shift to neutral and coast downhill.
• Avoid starting, stopping, or turning on a slope. If the
tires lose traction, disengage the blades and proceed
slowly straight down the slope.
• Keep all movement on the slopes slow and gradual.
Do not make sudden changes in speed or direction,
which could cause the machine to roll over.
• Use extra care while operating machine with grass
catchers or other attachments; they can affect the
stability of the machine. Do no use on steep slopes.
• Do not try to stabilize the machine by putting your foot
on the ground.
• Do not mow near drop-offs, ditches, or embankments.
The machine could suddenly roll over if a wheel is over
the edge or if the edge caves in.

&SAFETY RULES
Safe Operation Practices for Ride=On Mowers
ill. CHILDREN
Tragic accidents can occur if the operator is not alert to
the presence of children. Children are often attracted to
the machine and the mowing activity. Never assume that
children will remain where you last saw them.
Keep children out of the mowing area and inthe watchful
care of a responsible adult other than the operator.
Be alert and turn machine off if a child enters the
area.
• Before and while backing, look behind and down for
small children.
• Never carry children, even with the blades shut off. They
may fall off and be seriously injured or interfere with
safe machine operation. Children who have been given
rides in the past may suddenly appear in the mowing
area for another ride and be run over or backed over
by the machine.
• Never allow children to operate the machine.
• Use extra care when approaching blind corners, shrubs,
trees, or other objects that may block your view of a
child.
IV. TOWING
• Tow only with a machine that has a hitch designed for
towing. Do not attach towed equipment except at the
hitch point.
• Follow the manufacturer's recommendation for weight
limits for towed equipment and towing on slopes.
• Never allow children or others in or on towed equip-
ment.
• On slopes, the weight of the towed equipment may
cause loss of traction and loss of control.
• Travel slowly and allow extra distance to stop.
V. SERVICE
SAFE HANDLING OF GASOLINE
To avoid personal injury or property damage, use extreme
care in handling gasoline. Gasoline is extremely flammable
and the vapors are explosive.
• Extinguish all cigarettes, cigars, pipes, and other
sources of ignition.
• Use only approved gasoline container.
• Never remove gas cap or add fuel with the engine
running. Allow engine to cool before refueling.
• Never fuel the machine indoors.
• Never store the machine or fuel container where there
is an open flame, spark, or pilot light such as on a water
heater or other appliances.
• Never fill containers inside a vehicle or on a truck or
trailer bed with plastic liner. Always place containers
on the ground away from your vehicle when filling.
• Remove gas-powered equipment from the truck or
trailer and refuel it on the ground. If this is not possible,
then refuel such equipment with a portable container,
rather than from a gasoline dispenser nozzle.
• Keep the nozzle in contact with the rim of the fuel tank or
container opening at all times until fueling is complete.
Do not use a nozzle lock-open device.
• If fuel is spilled on clothing, change clothing immedi-
ately.
• Never overfill fuel tank. Replace gas cap and tighten
securely.
GENERAL SERVICE
Never operate machine in a closed area.
• Keep all nuts and bolts tight to be sure the equipment
is in safe working condition.
• Never tamper with safety devices. Check their proper
operation regularly.
• Keep machine free of grass, leaves, or other debris
build-up. Clean oil or fuel spillage and remove any
fuel-soaked debris. Allow machine to cool before
storing.
• If you strike a foreign object, stop and inspect the
machine. Repair, if necessary, before restarting.
• Never make any adjustments or repairs with the engine
running.
• Check grass catcher components and the discharge
guard frequently and replace with manufacturer's rec-
ommended parts, when necessary.
• Mower blades are sharp. Wrap the blade or wear
gloves, and use extra caution when servicing them.
• Check brake operation frequently. Adjust and service
as required.
• Maintain or replace safety and instruction labels, as
e
e
e
e
e
e
e
e
e
Be sure the area is clear of bystanders before operat-
ing. Stop machine if anyone enters the area.
Never carry passengers.
Do not mow in reverse unless absolutely necessary.
Always look down and behind before and while back-
ing.
Never carry children, even with the blades shut off. They
may fall off and be seriously injured or interfere with
safe machine operation. Children who have been given
rides in the past may suddenly appear in the mowing
area for another ride and be run over or backed over
by the machine.
Keep children out ofthe mowing area and in the watchful
care of a responsible adult other than the operator.
Be alert and turn machine off if a child enters the
area.
Before and while backing, look behind and down for
small children.
Mow up and down slopes (15° Max), not across.
Choose a low ground speed so that you will not have
to stop or shift while on the slope.
Avoid starting, stopping, or turning on a slope. If the
tires lose traction, disengage the blades and proceed
slowly straight down the slope.
If machine stops while going uphill, disengage blades,
shift into reverse and back down slowly.
Do not turn on slopes unless necessary, and then, turn
slowly and gradually downhill, if possible.
3

PRODUCT SPECiFiCATiONS
Gasoline Capacity 2.50 Gallons
and type: Unleaded Regular
Oil Type (API-SG-SL): SAE 30 (above 32°F)
SAE 5W-30 (below 32°F)
Oil Capacity: W/Filter: 56 oz
W/O Filter: 48 oz
Spark Plug: Champion RC12YC
(Gap: .040")
Ground Speed (MPH): Forward: 0 - 5.5
Reverse: 0 - 2.4
Charging System: 5 AMPS Battery
3 AMPS Headlights
Battery: AMP/HR: 28
MIN. CCA: 280
Case Size: U1R
Blade Bolt Torque: 45-55 FT. LBS.
CONGRATULATIONS on your purchase of a new tractor.
It has been designed, engineered and manufactured to give
you the best possible dependability and performance.
Should you experience any problem you cannot easily rem-
edy, please contact your nearest authorized servicecenter/
department We have competent, well-trained technicians
and the proper tools to service or repair this tractor.
Please read and retain this manual. The instructions will
enable you to assemble and maintain your tractor properly.
Always observe the "SAFETY RULES".
CUSTOMER RESPONSIBILITIES
Read and observe the safety rules.
•Follow a regular schedule in maintaining, caring for
and using your tractor.
• Follow the instructions under "Maintenance" and "Stor-
age" sections of this owner's manual.
WARNING: This tractor is equipped with an internal com-
bustion engine and should not be used on or near any un-
improved forest-covered, brush-covered or grass-covered
land unless the engine's exhaust system is equipped with
a spark arrester meeting applicable local or state laws (if
any). If a spark arrester is used, it should be maintained
in effective working order by the operator.
In the state of California the above is required by law
(Section 4442 of the California Public Resources Code).
Other states may have similar laws. Federal laws apply
on federal lands.
A spark arrester for the muffler is available through your
nearest authorized service center/department (See REPAIR
PARTS section of this manual).
TABLE OF CONTENTS
SAFETY RULES ......................................................... 2=3
PRODUCT SPECIFICATIONS ....................................... 4
CUSTOMER RESPONSIBILITIES ................................. 4
ASSEMBLY ................................................................. 5-6
OPERATION ............................................................. 7=13
MAINTENANCE SCHEDULE ...................................... 14
MAINTENANCE ..................................................... 14-17
SERVICE AND ADJUSTMENTS ............................ 18-24
STORAGE .................................................................... 24
TROUBLESHOOTING ............................................ 26-27
REPAIR PARTS ...................................................... 29-42
4

UNASSEMBLED PARTS
Key
(2) Keys
(1) Oil Drain Tube
Slope Sheet
ASSEMBLY
Your new tractor has been assembled at the factory with the exception of those parts left unassembled for shipping
puposes.
When right or left hand is mentioned in this manual, it means
when you are in the operating position (seated behind the
steering wheel).
TO REMOVE TRACTOR FROM
CARTON
UNPACK CARTON
• Remove all accessible loose parts and parts cartons
from carton.
Cut along dashed lines on all four panels of carton.
Remove end panels and lay side panels flat.
Check for any additional loose parts or cartons and
remove.
ADJUST SEAT (See Fig. 2)
• Sit in seat.
• Lift up adjustment lever (A) and slide seat until a com-
fortable position is reached which allows you to press
clutch/brake pedal all the way down.
• Release lever to lock seat in position.
CHECK BATTERY (See Fig. 1)
Lift seat pan to raised position.
• If this battery is put into service after month and year
indicated on label (label located between terminals)
charge battery for minimum of one hour at 6-10 amps.
(See "BATTERY" in the Maintenance section of this
manual for charging instructions).
SEAT PAN
LABEL
FIG. 1
FIG. 2
NOTE: You may now roll your tractor off the skid. Follow
the appropriate instruction below to remove the tractor
from the skid.
AWARNING: Before starting, read, understand and follow
all instructions in the Operation section of this manual. Be
sure tractor is in a well-ventilated area. Be sure the area in
front of tractor is clear of other people and objects.
TO ROLL TRACTOR OFF SKiD (See Op=
eration section for location and function of
controls)
• Raise attachment lift lever to its highest position.
• Release parking brake by depressing brake pedal.
• Place freewheel control in disengaged position to dis-
engage transmission (See "TO TRANSPORT" in the
Operation section of this manual).
• Roll tractor forward off skid.
5

ASSEMBLY
CHECK TIRE PRESSURE
The tires on your tractor were overinflated at the factory
for shipping purposes. Correct tire pressure is important
for best cutting performance.
• Reduce tire pressure to PSI shown on tires.
CHECK DECK LEVELNESS
For best cutting results, mower housing should be prop-
erly leveled. See "TO LEVEL MOWER HOUSING" in the
Service and Adjustments section of this manual.
CHECK FOR PROPER POSITION OF ALL
BELTS
See the figures that are shown for replacing motion and
mower blade drive belts in the Service and Adjustments
section of this manual. Verify that the belts are routed
correctly.
CHECK BRAKE SYSTEM
After you learn how to operate your tractor, check to see that
the brake is operating properly. See "TO CHECK BRAKE"
in the Service and Adjustments section of this manual.
,/CHECKLIST
BEFORE YOU OPERATE YOUR NEW TRACTOR, WE
WISH TO ASSURE THAT YOU RECEIVE THE BEST
PERFORMANCE AND SATISFACTION FROM THIS
QUALITY PRODUCT.
PLEASE REVIEW THE FOLLOWING CHECKLIST:
v" All assembly instructions have been completed.
v" No remaining loose parts in carton.
J Battery is properly prepared and charged.
v" Seat is adjusted comfortably and tightened securely.
v" All tires are properly inflated. (For shipping purposes,
the tires were overinflated at the factory).
v" Be sure mower deck is properly leveled side-to-side/
front-to-rear for best cutting results. (Tires must be
properly inflated for leveling).
v" Check mower and drive belts. Be sure they are routed
properly around pulleys and inside all belt keepers.
v" Check wiring. See that all connections are still secure
and wires are properly clamped.
v" Before driving tractor, be sure freewheel control is in
"transmission engaged" position (see "TO TRANS-
PORT" in the Operation section of this manual).
WHILE LEARNING HOWTO USE YOUR TRACTOR, PAY
EXTRA ATTENTION TO THE FOLLOWING IMPORTANT
ITEMS:
v" Engine oil is at proper level.
v" Fuel tank is filled with fresh, clean, regular unleaded
gasoline.
v" Become familiar with all controls, their location and
function. Operate them before you start the engine.
v" Be sure brake system is in safe operating condition.
v" Be sure Operator Presence System and Reverse Op-
eration System (ROS) are working properly (See the
Operation and Maintenance sections in this manual).
v" It is important to purge the transmission before op-
erating your tractor for the first time. Follow proper
starting and transmission purging instructions (See
"TO START ENGINE" and "PURGE TRANSMISSION"
in the Operation section of this manual).
6

OPERATION
These symbols may appear on your tractor or in literature supplied with the product. Learn and understand their mean-
ing.
LI\l .=
LOW CHOKE FAST SLOWREVERSE NEUTRAL HiGH
IGNITION SWITCH
ENGINE OFF REVERSE ENGINE ON ENGINE START PARKING BRAKE MOWER HEIGHT MOWER LiFT
OPERATION
SYSTEM (ROS)
FUEL BATTERY CLUTCH/BRAKE
PEDAL
LIGHTS ON REVERSE FORWARD CRUISE CONTROL
ATTACHM ENT
CLUTCH DISENGAGED ATTACHM ENT
CLUTCH ENGAGED DANGER, KEEP HANDS
AND FEET AWAY KEEP AREA CLEAR SLOPE HAZARDS
(SEE SAFETY RULES SECTION)
FREEWHEEL
(Automatic Models only)
Failure to follow instructions
could result in serious injury or
death. The safety alert symbol
is used to identify safety inform-
ation about hazards which can
result in death, serious injury
and/or property damage.
&
&
&
DANGER indicates a hazard which, if not avoided,
will result in death or serious injury.
WARNING indicates a hazard which, if not avoided,
could result in death or serious injury.
CAUTION indicates a hazard which, if not avoided,
might result in minor or moderate injury.
CAUTION when used without the alert symbol,
indicates a situation that could result in damage
to the tractor and/or engine.
HOT SURFACES indicates a hazard which,
if not avoided, could result in death, serious injury
and/or property damage.
FIRE indicates a hazard which, if not avoided,
could result in death, serious injury and/or
property damage.
7

OPERATION
KNOW YOUR TRACTOR
READ THiS OWNER'S MANUAL AND SAFETY RULES BEFORE OPERATING YOUR TRACTOR
Compare the illustrations with your tractor to familiarize yourself with the locations of various controls and adjustments.
Save this manual for future reference.
FiG. 3
03108
Our tractors conform to the applicable safety standards of the American National Standards Institute.
(A) ATTACHMENT LIFT LEVER - Used to raise and lower the
mower or other attachments mounted to your tractor.
(B) BRAKE PEDAL - Used for braking the tractor and starting
the engine.
(C) PARKING BRAKE - Locks clutch/brake pedal into the
brake position.
(D) THROTTLE CONTROL - Used to control engine speed.
(E) ATTACHMENT CLUTCH LEVER - Used to engage the
mower blades, or other attachments mounted to your tractor.
(F) IGNITION SWITCH - Used for starting and stopping the
engine.
(G) REVERSE OPERATION SYSTEM (ROS) "ON" POSITION
- Allows operation of mower or other powered attachment
while in reverse.
(H) LIGHT SWITCH - Turns the headlights on and off.
(J) CRUISE CONTROL LEVER - Used to set forward
movement of tractor at desired speed without holding the
forward drive pedal.
(K) FORWARD DRIVE PEDAL - Used for forward movement
of tractor.
(L) REVERSE DRIVE PEDAL- Used for reverse movement
of tractor.
(M) FREEWHEEL CONTROL - Disengages transmission for
pushing or slowly towing the tractor with the engine off.
(P) SERVICE REMINDER /HOUR METER - Indicates when
service is required for the engine and mower.
8

OPERATION
The operation of any tractor can result in foreign objects thrown into the eyes, which can result
in severe eye damage. Always wear safety glasses or eye shields while operating your tractor
or performing any adjustments or repairs. We recommend standard safety glasses or a wide
vision safety mask worn over spectacles.
HOW TO USE YOUR TRACTOR •Turn ignition key to "STOP" position and remove key.
Always remove key when leaving tractor to prevent
unauthorized use.
TO SET PARKING BRAKE(See Fig. 4)
Your tractor is equipped with an operator presence sens-
ing switch. When engine is running, any attempt by the
operator to leave the seat without first setting the parking
brake will shut off the engine.
Depress brake pedal (B) all the way down and hold.
Pull parking brake lever (C) up and hold, release pres-
sure from brake pedal (B), then release parking brake
lever. Pedal should remain in brake position. Make
sure parking brake will hold tractor secure.
Never use the choke to stop engine.
IMPORTANT: LEAVING THE IGNITION SWITCH IN ANY
POSITION OTHER THAN "STOP" WILL CAUSE THE BATTERY
TO BE DISCHARGED, (DEAD).
NOTE: Under certain conditions when tractor is standing
idle with the engine running, hot engine exhaust gases may
cause "browning" of grass. To eliminate this possibility, al-
ways stop engine when stopping tractor on grass areas.
CAUTION: Always stop tractor com-
pletely, as described above, before leav=
ing the operator's position; to empty
grass catcher, etc.
TO USE THROTTLE CONTROL = D (See Fig. 6)
Always operate engine at full speed (fast).
• Operating engine at less than full speed (fast) reduces
engines operating efficiency.
• Full speed (fast) offers the best bagging and mower
performance.
FIG. 4
STOPPING (See Fig. 5)
MOWER BLADES -
To stop mower blades,move attachment clutch lever
to "DISENGAGED" position.
FIG. 5
GROUND DRIVE -
• To stop ground drive, depress brake pedal into full
"BRAKE" position.
IMPORTANT: FORWARD AND REVERSE DRIVE
PEDALS RETURN TO NEUTRAL POSITION WHEN NOT
DEPRESSED.
ENGINE -
• Move throttle control between half and full speed (fast)
position.
NOTE: Failure to move throttle control between half and
full speed (fast) position, before stopping may cause engine
to "backfi re".
9
FIG. 6
TO MOVE FORWARD AND BACKWARD
(See Fig. 7)
The direction and speed of movement is controlled by the
forward and reverse drive pedals.
• Start tractor and release parking brake.
• Slowly depress forward (K) or reverse (L) drive pedal to
begin movement. Ground speed increases the further
down the pedal is depressed.
TO USE CRUISE CONTROL =J (See Fig. 7)
The cruise control feature can be used for forward travel
only.
SYSTEM CHARACTERISTICS
The cruise control should only be used while mowing or
transporting on relatively smooth, straight surfaces. Other
conditions such as trimming at slow speeds may cause the
cruise control to disengage. Do not use the cruise control
on slopes, rough terrian or while trimmimg or turning.

OPERATION
TO ADJUST GAUGE WHEELS (See Fig. 9)
Gauge wheels are properly adjusted when they are slightly
off the ground when mower is at the desired cutting height
in operating position. Gauge wheels then keep the deck
in proper position to help prevent scalping in most terrain
conditions.
FIG. 7
• With forward drive pedal depressed to desired speed,
pull cruise control lever (J) up and hold while lifting
your foot off the pedal, then release the lever.
To disengage the cruise control, depress the brake pedal
or tap on forward drive pedal.
TO ADJUST MOWER CUTTING HEIGHT
(See Fig. 8)
The position of the attachment lift lever (A) determines the
cutting height.
FIG. 8
• Put attachment lift lever in desired cutting height slot.
The cutting height range is approximately 1" to 4". The
heights are measured from the ground to the blade tip with
the engine not running. These heights are approximate
and may vary depending upon soil conditions, height of
grass and types of grass being mowed.
• The average lawn should be cut to approximately 2-1/2
inches during the cool season and to over 3 inches
during hot months. For healthier and better looking
lawns, mow often and after moderate growth.
• For best cutting performance, grass over 6 inches
in height should be mowed twice. Make the first cut
relatively high; the second to desired height.
©
3/4
FIG.9
NOTE: Adjust gauge wheels with tractor on a flat level
surface.
• Adjust mower to desired cutting height (See "TO AD-
JUST MOWER CUTTING HEIGHT" in this section of
manual).
• With mower in desired height of cut position, gauge
wheels should be assembled so they are slightly off
the ground. Install gauge wheel in appropriate hole.
Tighten securely.
• Repeat for all, installing gauge wheel in same adjust-
ment hole.
TO OPERATE MOWER
Your tractor is equipped with an operator presence sensing
switch. Any attempt by the operator to leave the seat with
the engine running and the attachment clutch engaged will
shut off the engine. You must remain fully and centrally
positioned in the seat to prevent the engine from hesitat-
ing or cutting off when operating your equipment on rough,
rolling terrain or hills.
1. Select desired height of cut with attachment lift lever.
2. Start mower blades by engaging attachment clutch
control.
TO STOP MOWER BLADES -
disengage attachment clutch control.
CAUTION: Do not operate the mower
without either the entire grass catcher,
on mowers so equipped, or the deflec=
tot shield (S) in place.
10 FIG. 10

OPERATION
REVERSE OPERATION SYSTEM (ROS)
Your tractor is equipped with a Reverse Operation System
(ROS). Any attempt by the operator to travel in the reverse
direction with the attachment clutch engaged will shut off
the engine unless ignition key is placed in the ROS "ON"
position.
,AWARNING: Backing up with the attachment clutch en-
gaged while mowing is strongly discouraged. Turning the
ROS "ON", to allow reverse operation with the attachment
clutch engaged, should only be done when the operator
decides it is necessary to reposition the machine with the
attachment engaged. Do not mow in reverse unless
absolutely necessary.
USING THE REVERSE OPERATION SYSTEM -
Only use if you are certain no children or other bystanders
will enter the mowing area.
• Depress brake pedal all the way down.
• With engine running, turn ignition key counterclockwise
to ROS "ON" position.
• Look down and behind before and while backing.
• Slowly depress reverse drive pedal to start move-
ment.
• When use of the ROS is no longer needed, turn the
ignition key clockwise to engine "ON" position.
ROS "ON" POSITION ENGINE "ON" POSITION
(NORMAL OPERATING)
TO OPERATE ON HILLS
CAUTION: Do not drive up or down
hills with slopes greater than 15° and
do not drive across any slope.
Choose the slowest speed before starting up or down
hills.
• Avoid stopping or changing speed on hills.
• If stopping is absolutely necessary, push brake pedal
quickly to brake position and engage parking brake.
• To restart movement, slowly release parking brake and
brake pedal.
• Slowly depress appropriate drive pedal to slowest set-
ting.
• Make all turns slowly.
TO TRANSPORT (See Figs. 3 and 11)
When pushing or towing your tractor, be sure to disengage
transmission by placing freewheel control in freewheeling
position. Free wheel control is located at the rear drawbar
of tractor.
• Raise attachment lift to highest position with attachment
lift control.
• Pull freewheel control out and down into the slot and
release so it is held in the disengaged position.
• Do not push or tow tractor at more than two (2)
MPH.
• To reengage transmission, reverse above procedure.
NOTE: To protect hood from damage when transporting
your tractor on a truck or a trailer, be sure hood is closed
and secured to tractor. Use an appropriate means of tying
hood to tractor (rope, cord, etc.).
Transmission Engaged
11
Transmission Disengaged
FIG. 11
SERVICE REMINDER/HOUR METER
Service reminder shows the total number of hours the engine
has run and flashes to indicate that the engine or mower
needs servicing. When service is required, the service
reminder will flash for two hours. To service engine and
mower, see the Maintenance section of this manual.
NOTE: Service reminde_ runs when the ignition key is in
any position but STOP . For accurate reading, be sure
key remains in the STOP position when engine is not
running.
TOWING CARTS AND OTHER ATTACHMENTS
Tow only the attachments that are recommended by and
comply with specifications of the manufacturer of your trac-
tor. Use common sense when towing. Too heavy of a load,
while on a slope, is dangerous. Tires can lose traction with
the ground and cause you to lose control of your tractor.
BEFORE STARTING THE ENGINE
CHECK ENGINE OIL LEVEL
The engine in your tractor has been shipped, from the
factory, already filled with summer weight oil.
• Check engine oil with tractor on level ground.
• Remove oil fill cap/dipstick and wipe clean, reinsert the
dipstick and screw cap tight, wait for a few seconds,
remove and read oil level. If necessary, add oil until
"FULL' mark on dipstick is reached. Do not overfill.
• For cold weather operation you should change oil for
easier starting (See "OIL VISCOSITY CHART" in the
Maintenance section of this manual).
• To change engine oil, see the Maintenance section in
this manual.

OPERATION
ADD GASOLINE
• Fill fuel tank to bottom of filler neck. Do not overfill. Use
fresh, clean, regular unleaded gasoline with a minimum of
87 octane. (Use of leaded gasoline will increase carbon
and lead oxide deposits and reduce valve life). Do not
mix oil with gasoline. Purchase fuel inquantities that can
be used within 30 days to assure fuel freshness.
CAUTION: Wipe off any spilled oil or
fuel. Do not store, spill or use gasoline
near an open flame.
iMPORTANT: WHEN OPERATING IN TEMPERATURES
BELOW32°F(0°C), USE FRESH, CLEAN WINTER GRADE
GASOLINE TO HELP ENSURE GOOD COLD WEATHER
STARTI NG.
CAUTION: Alcohol blended fuels (called gasohol
or using ethanol or methanol) can attract moisture
which leads to separation and formation of acids
during storage. Acidic gas can damage the fuel
system of an engine while in storage. To avoid
engine problems, the fuel system should be emptied
before storage of 30 days or longer. Drain the gas
tank, start the engine and let it run until the fuel
lines and carburetor are empty. Use fresh fuel next
season. See Storage instructions for additional
information. Never use engine or carburetor
cleaner products in the fuel tank or permanent
damage may occur.
TO START ENGINE (See Fig. 3)
When starting the engine for the first time or if the engine
has run out of fuel, it will take extra cranking time to move
fuel from the tank to the engine.
• Be sure freewheel control is in the transmission en-
gaged position.
• Sit on seat in operating position, depress brake pedal
and set parking brake.
• Move attachment clutch to "DISENGAGED" position.
• Move throttle control to choke position.
NOTE: Before starting, read the warm and cold starting
procedures below.
• Insert key intoignition and turn key clockwise to "START"
position and release key as soon as engine starts.
Do not run starter continuously for more than fifteen
seconds per minute. If the engine does not start after
several attempts, move throttle control to fast position,
wait a few minutes and try again. If engine still does
not start, move the throttle control back to the choke
position and retry.
WARM WEATHER STARTING (50° F and above)
• When engine starts, move the throttle control to the
fast position.
• The attachments and ground drive can now be used. If
the engine does not accept the load, restart the engine
and allow it to warm up for one minute using the choke
as described above.
COLD WEATHER STARTING ( 50° F and below)
•When engine starts, allow engine to run with the
throttle control in the choke position until the engine
runs roughly, then move throttle control to fast posi-
tion. This may require an engine warm-up period from
several seconds to several minutes, depending on the
temperature.
AUTOMATIC TRANSMISSION WARM UP
•Before driving the unit in cold weather, the transmission
should be warmed up as follows:
•Be sure the tractor is on level ground.
•Release the parking brake and let the brake slowly
return to operating position.
•Allow one minute for transmission to warm up. This
can be done during the engine warm up period.
•The attachments can also be used during the engine
warm-up period after the transmission has been warmed
up.
NOTE: If at a high altitude (above 3000 feet) or in cold
temperatures (below 32 F) the carburetor fuel mixture may
need to be adjusted for best engine performance. See "TO
ADJUST CARBURETOR" in the Service and Adjustments
section of this manual.
PURGE TRANSMISSION
_b AUTION: Never engage or disen=
gage freewheel lever while the engine
is running.
To ensure proper operation and performance, it is recom-
mended that the transmission be purged before operating
tractor for the first time. This procedure will remove any
trapped air inside the transmission which may have de-
veloped during shipping of your tractor.
iMPORTANT: SHOULD YOUR TRANSMISSION REQUIRE
REMOVAL FOR SERVICE OR REPLACEMENT, IT SHOULD
BE PURGEDAFTER REINSTALLATIONBEFORE OPERATING
THE TRACTOR.
•Place tractor safely on level surface with engine off and
parking brake set.
•Disengage transmission by placing freewheel control
in freewheeling position (See "TO TRANSPORT" in
this section of manual).
•Sitting in the tractor seat, start engine. After the engine
is running, move throttle control to slow position. Dis-
engage parking brake
•Depress forward drive pedal to full forward position,
hold for five (5) seconds and release pedal. Depress
reverse drive pedal to full reverse position, hold for five
(5) seconds and release pedal. Repeat this procedure
three (3) times.
NOTE: During this procedure there will be no movement
of drive wheels. The air is being removed from hydraulic
drive system.
12

OPERATION
•Shut- off engine and set parking brake.
•Engage transmission by placing freewheel control in
engaged position (See "TO TRANSPORT" in this sec-
tion of manual).
•Sitting in the tractor seat, start engine. After the engine
is running, move throttle control to half (1/2) speed.
Disengage parking brake.
•Drive tractor forward for approximately five feet then
backwards for five feet. Repeat this driving procedure
three times.
Your transmission is now purged and now ready for normal
operation.
MOWING TIPS
•Mower should be properly leveled for best mowing
performance. See "TO LEVEL MOWER HOUSING" in
the Service and Adjustments section of this manual.
•The left hand side of mower should be used for trim-
ming.
•Drive so that clippings are discharged onto the area
that has been cut. Have the cut area to the right of the
machine. This will result in a more even distribution of
clippings and more uniform cutting.
•When mowing large areas, start by turning to the right
so that clippings will discharge away from shrubs,
fences, driveways, etc. After one or two rounds, mow
in the opposite direction making left hand turns until
finished (See Fig. 12).
(
FIG. 12
.,)
•If grass is extremely tall, it should be mowed twice to
reduce load and possible fire hazard from dried clip-
pings. Make first cut relatively high; the second to the
desired height.
•Do not mow grass when it is wet. Wet grass will plug
mower and leave undesirable clumps. Allow grass to
dry before mowing.
•Always operate engine at full throttle when mow-
ing to assure better mowing performance and proper
discharge of material. Regulate ground speed by
selecting a low enough gear to give the mower cutting
performance as well as the quality of cut desired.
•When operating attachments, select a ground speed
that will suit the terrain and give best performance of
the attachment being used.
13

MAINTENANCE
MAINTENANCE
SCHEDULE
Check Brake Operation
Check Tire Pressure
T
R Check Operator Presence & ROS Systems
A Check for Loose Fasteners
C Check!Replace Mower Blades
T Lubrication Chart
0 Check Battery Level
R Clean Battery and Terminals
Check Transaxle Cooling
Check Mower Levelness
Check V-Belts
Check Enqine Oil Level
Change Engine Oil (with oil filter)
Change Engine Oil (without oil filter)
_ Clean Air Filter
GClean Air Screen
Inspect Muffler/Spark Arrester
N Replace Oil Filter (If equipped)
E Clean Engine Cooling Fins
Replace Spark Plug
Replace Air Filter Paper Cartridge
B R___place Fuel Filter
BEFORE
EACH
USE
v"
v"
v'
v"
v'
EVERY
8
HOURS
EVERY
25
HOURS
v"
v'
v"
_1,2
EVERY
50
HOURS
v'
v"
EVERY
100
HOURS
v'
v"
_#_,2
V"2
V"
EVERY
SEASON
v"
v'
BEFORE
STORAGE
w'
V'
- Change more often when operating under a heavy load or
in high ambient temperatures.
2 - Service more often when operating in dirty or dusty conditions.
3 - Replace blades more often when mowing in sandy soil.
4 - Not required if equipped with maintenance-free battery.
co
GENERAL RECOMMENDATIONS
The warranty on this tractor does not cover items that have
been subjected to operator abuse or negligence. To receive
full value from the warranty, operator must maintain tractor
as instructed in this manual.
Some adjustments will need to be made periodically to
properly maintain your tractor.
At least once a season, check to see if you should make
any of the adjustments described in the Service and
Adjustments section of this manual.
• At least once a year you should replace the spark
plug, clean or replace air filter, and check blades and
belts for wear. A new spark plug and clean air filter
assure proper air-fuel mixture and help your engine
run better and last longer.
BEFORE EACH USE
•Check engine oil level.
• Check brake operation.
• Check tire pressure.
• Check operator presence and
ROS systems for proper operation.
• Check for loose fasteners.
(_ STEERING
SECTOR GEAR
TEETH
(_MANDREL
ZERKS
(_ General Purpose Grease
@ Refer to Maintenance "ENGINE" Section
IMPORTANT: DO NOT OIL OR GREASE THE PIVOT POINTS
WHICH HAVE SPECIAL NYLON BEARINGS. VISCOUS
LUBRICANTS WILL ATTRACT DUST AND DIRT THAT WILL
SHORTEN THE LIFE OFTHE SELF-LUBRICATING BEARINGS.
IFYOU FEELTHEY MUST BE LUBRICATED, USE ONLYA DRY,
POWDERED GRAPHITE TYPE LUBRICANT SPARINGLY.
14

MAINTENANCE
TRACTOR
Always observe safety rules when performing any main-
tenance.
BRAKE OPERATION
If tractor requires more than five (5) feet to stop at highest
speed in highest gear on a level, dry concrete or paved
surface, then brake must be serviced. (See "TO CHECK
BRAKE" in the Service and Adjustments section of this
manual).
TIRES
• Maintain proper air pressure in all tires (See PSI on
tires).
• Keep tires free of gasoline, oil, or insect control chemi-
cals which can harm rubber.
• Avoid stumps, stones, deep ruts, sharp objects and
other hazards that may cause tire damage.
NOTE: To seal tire punctures and prevent flat tires due
to slow leaks, tire sealant may be purchased from your
local parts dealer. Tire sealant also prevents tire dry rot
and corrosion.
OPERATOR PRESENCE SYSTEM AND REVERSE OP-
ERATION SYSTEM (ROS)
Be sure operator presence and reverse operation systems
are working properly. If your tractor does not function as
described, repair the problem immediately.
• The engine should not start unless the brake pedal is
fully depressed, and the attachment clutch control is
in the disengaged position.
CHECK OPERATOR PRESENCE SYSTEM
•When the engine is running, any attempt bythe operator
to leave the seat without first setting the parking brake
should shut off the engine.
• When the engine is running and the attachment clutch
is engaged, any attempt by the operator to leave the
seat should shut off the engine.
• The attachment clutch should never operate unless
the operator is in the seat.
ROS "ON" Position Engine "ON" Position
(Normal Operating)
CHECK REVERSE OPERATION (ROS) SYSTEM
•When the engine is running with the ignition switch in
the engine "ON" position and the attachment clutch
engaged, any attempt by the operator to shift into
reverse should shut off the engine.
• When the engine is running with the ignition switch in
the ROS "ON" position and the attachment clutch en-
gaged, any attempt by the operator to shift into reverse
should NOT shut off the engine.
BLADE CARE
For best results mower blades must be sharp. Replace
worn, bent or damaged blades.
CAUTION: Use only a replacement
blade approved bythe manufacturer of
your tractor. Using a blade not approved
by the manufacturer of your tractor is
hazardous, could damage your tractor
and void your warranty.
BLADE REMOVAL (See Fig. 13)
• Raise mower to highest position to allow access to
blades.
NOTE: Protect your hands with gloves and/or wrap blade
with heavy cloth.
•Remove blade bolt by turning counterclockwise.
•Install new blade with stamped "GRASS SIDE" facing
the ground.
IMPORTANT." To ensure proper assembly, center hole in
blade must align with star on mandrel assembly.
•Install and tighten blade bolt securely (45-55 Ft. Lbs.
torque).
IMPORTANT: Special blade bolt is heat treated.
BLADE
STAR
CENTER X
HOLE
BLADE BO_
(SPECIAL) __
MANDREL
ASSEMB_
FIG. 13
BATTERY
Your tractor has a battery charging system which issufficient
for normal use. However, periodic charging of the battery
with an automotive charger will extend its life.
•Keep battery and terminals clean.
Keep battery bolts tight.
Keep small vent holes open.
Recharge at 6-10 amperes for 1 hour.
NOTE: The original equipment battery on your tractor is
maintenance free. Do not attempt to open or remove caps
or covers. Adding or checking level of electrolyte is not
necessary.
TO CLEAN BATTERY AND TERMINALS
Corrosion and dirt on the battery and terminals can cause
the battery to "leak" power.
15

MAINTENANCE
•Remove terminal guard.
•Disconnect BLACK battery cable first then RED bat-
tery cable and remove battery from tractor.
• Rinse the battery with plain water and dry.
• Clean terminals and battery cable ends with wire brush
until bright.
• Coat terminals with grease or petroleum jelly.
• Reinstall battery (See "REPLACING BATTERY" in
the SERVICE AND ADJUSTMENTS section of this
manual).
V=BELTS
Check V-belts for deterioration and wear after 100 hours
of operation and replace if necessary. The belts are not
adjustable. Replace belts if they begin to slip from wear.
TRANSAXLE COOLING
The transmission fan and cooling fins should be kept clean
to assure proper cooling.
Do not attempt to clean fan or transmission while engine
is running or while the transmission is hot. To prevent pos-
sible damage to seals, do not use high pressure water or
steam to clean transaxle.
• Inspect cooling fan to be sure fan blades are intact and
clean.
Inspect cooling fins for dirt, grass clippings and other
materials. To prevent damage to seals, do not use
compressed air or high pressure sprayer to clean
cooling fins.
TRANSAXLE PUMP FLUID
The transaxle was sealed at the factory and fluid mainte-
nance is not required for the life of the transaxle. Should
the transaxle ever leak or require servicing, contact your
nearest authorized service center/department.
ENGINE
LUBRICATION
Only use high quality detergent oil rated with API service
classification SG-SL. Select the oil's SAE viscosity grade
according to your expected operating temperature.
SAE VISCOSITY GRADES
llllmlm llilmll
F -20 0 30 32 40 60 80 100
c -_0 -2; -10 ; ;0 _o _0 4o
TEMPERATURE RANGE ANTICIPATED BEFORE NEXT OIL CHANGE
oil visc chart1 e
FIG. 14
NOTE: Although multi-viscosity oils (5W30, 10W30 etc.)
improve starting incold weather, they will result in increased
oil consumption when used above 32°R Checkyour engine
oil level more frequently to avoid possible engine damage
from running low on oil.
Change the oil after every 50 hours of operation or at least
once a year if the tractor is not used for 50 hours in one
year.
Check the crankcase oil level before starting the engine
and after each eight (8) hours of operation. Tighten oil fill
cap/dipstick securely each time you check the oil level.
TO CHANGE ENGINE OIL (See Figs. 14 and 15)
Determine temperature range expected before oil change.
All oil must meet API service classification SG-SL.
• Be sure tractor is on level surface.
• Oil will drain more freely when warm.
• Catch oil in a suitable container.
• Remove oil fill cap/dipstick. Be careful not to allow dirt
to enter the engine when changing oil.
• Remove yellow cap from end of drain valve and install
the drain tube onto the fitting.
• Unlock drain valve by pushing inward and turning
counterclockwise.
OIL DRAIN VALVE
CLOSED AND
FIG. 15
DRAIN
TUBE
• To open, pull out on the drain valve.
• After oil has drained completely, close and lock the
drain valve by pushing inward and turning clockwise
until the pin is in the locked position as shown.
• Remove the drain tube and replace the cap onto to the
bottom fitting of the drain valve.
• Refill engine with oil through oil fill dipstick tube. Pour
slowly. Do not overfill. For approximate capacity see
"PRODUCT SPECIFICATIONS" section of this manual.
Use gauge on oil fill cap/dipstick for checking level.
Insert dipstick into the tube and rest the oil fill cap on
the tube. Do not thread the cap onto the tube when
taking reading. Keep oil at "FULE' line on dipstick.
Tighten cap onto the tube securely when finished.
CLEAN AIR SCREEN
Air screen must be kept free of dirt and chaff to prevent
engine damage from overheating. Clean with a wire brush
or compressed air to remove dirt and stubborn dried gum
fibers.
16

MAINTENANCE
AiR FILTER
Your engine will not run properly using a dirty air filter.
Service air cleaner more often under dusty conditions.
See Engine Manual.
ENGINE OIL FILTER
Replace the engine oil filter every season or every other
oil change if the tractor is used more than 100 hours in
one year.
MUFFLER
Inspect and replace corroded muffler and spark arrester
(if equipped) as it could create a fire hazard and/or dam-
age.
SPARK PLUGS
Replace spark plugs at the beginning of each mowing
season or after every 100 hours of operation, whichever
occurs first. Spark plug type and gap setting are shown in
"PRODUCT SPECIFICATIONS" section of this manual.
IN=LINE FUEL FILTER (See Fig. 16)
The fuel filter should be replaced once each season. Iffuel
filter becomes clogged, obstructing fuel flow to carburetor,
replacement is required.
• With engine cool, remove filter and plug fuel line sec-
tions.
• Place new fuel filter in position in fuel line with arrow
pointing towards carburetor.
FUEL FI LTER_'__ CLAMP
FIG. 16
• Be sure there are no fuel line leaks and clamps are
properly positioned.
• Immediately wipe up any spilled gasoline.
CLEANING
• Clean engine, battery, seat, finish, etc. of all foreign
matter.
• Keep finished surfaces and wheels free of all gasoline,
oil, etc.
• Protect painted surfaces with automotive type wax.
We do not recommend using a garden hose or pressure
washer to clean your tractor unless the engine and trans-
mission are covered to keep water out. Water in engine or
transmission will shorten the useful life of your tractor. Use
compressed air or a leaf blower to remove grass, leaves
and trash from tractor and mower.
17

SERVICE AND ADJUSTMENTS
_ ARNING: TO AVOID SERIOUS INJURY, BEFORE PERFORMING ANY SERVICE OR ADJUST=
MENTS:
= Depress brake pedal fully and set parking brake.
=Place attachment clutch in "DISENGAGED" position.
=Turn ignition key to "STOP" and remove key.
=Make sure the blades and all moving parts have completely stopped.
= Disconnectsparkplugwirefromsparkplugandplacewirewhereitcannotcomeincontact
with plug.
TO REMOVE MOWER (See Fig. 17)
•Place attachment clutch in "DISENGAGED" position.
• Lower attachment lift lever to its lowest position.
• Roll belt off engine pulley (M) and belt keepers (G).
• Remove retainer spring (K), slide collar (L) off and push
housing guide (P) out of bracket.
• Remove clutch cable spring (Q) from idler arm (R).
• Disconnect front link (E) from mower - remove retainer
spring and washer.
• Go to either side of mower and disconnect mower
suspension arm (A) from chassis pin (B) and rear lift
link (C) from rear mower bracket (D) - remove retainer
springs and washers.
&CAUTION: AFTER REAR LIFT LINKS
ARE DISCONNECTED, THE ATTACH=
MENT LIFT LEVER WILL BE SPRING
LOADED. HAVE ATIGHT GRIP ON LIFT
LEVER WHEN CHANGING POSITION
OF THE LEVER.
TO iNSTALL MOWER (See Fig. 17=20)
Be sure tractor is on level surface and engage parking
brake.
• Lower attachment lift lever to it's lowest position.
&CAUTION: LIFT LEVER IS SPRING
LOADED. HAVE A TIGHT GRIP ON
LIFT LEVER, LOWER IT SLOWLY AND
ENGAGE IN LOWEST POSITION.
NOTE: Be sure mower side suspension arms (A) are point-
ing forward before sliding mower under tractor.
•Slide mower under tractor until it is centered under
tractor.
•ATTACH MOWER SIDE SUSPENSION ARMS (A) TO
CHASSIS - Position hole in arm over pin (B) on outside
of tractor chassis and secure with retainer spring.
•Repeat on opposite side of tractor.
•Slide mower out from under right side of tractor.
IMPORTANT: IF AN ATTACHMENT OTHER THAN THE
MOWER IS TO BE MOUNTED ON THE TRACTOR,
REMOVE THE FRONT LINK (E) AND REAR LIFT LIKS
(C) FROM TRACTOR AND HOOKTHE CLUTCH SPRING
(Q) INTO THE CABLE GUIDE ON FRONT EDGE OF
LOWER DASH. %
FIG. 17 03042tex
18

SERVICE AND ADJUSTMENTS
• ATTACH FRONT LINK (E) - Work from left side of trac-
tor. Insert rod end of link assembly through front hole
in tractor front suspension bracket (F).
• Insert end of link (E) into hole in front mower bracket
and secure with washer and retainer spring (J).
FIG. 18
ATTACH REAR LIFT LINKS (C) - Lift rear corner of
mower and position slot in link assembly over pin (D)
on rear mower bracket and secure with washer and
retainer spring.
33004
FIG. 20
• Hook end of clutch cable spring (Q) into hole in idler
arm (R).
• Push clutch cable housing guide (P) into bracket, slide
collar (L) onto guide and secure with retainer spring (K).
• Install belt on engine pulley (M), in belt keepers (G).
IMPORTANT: CHECK BELT FOR PROPER ROUTING
IN ALL MOWER PULLEY GROOVES.
• Raise attachment lift lever to highest position.
• If necessary, adjust gauge wheels before operating
mower as shown in the Operation section of this
manual.
03042tex
19

SERVICE AND ADJUSTMENTS
TO LEVEL MOWER
Make sure tires are properly inflated to the PSI shown on
tires. If tires are over or under inflated, it may affect the
appearance of your lawn and lead you to think the mower
is not adjusted properly.
VISUAL SIDE-TO-SIDE ADJUSTMENT (See Fig. 21)
• With all tires properly inflated and if your lawn appears
unevenly cut, determine which side of mower iscutting
lower.
•With a 3/4" or adjustable wrench, turn lift link adjust-
ment nut (A) to the left to lower LH side of mower, or,
to the right to raise LH side of mower.
Turn nut rig Turn nut left
to raise mower to lower mower
FIG, 21
NOTE: Each full turn of adjustment nut will change mower
height about 3/16".
•Test your adjustment by mowing some uncut grass
and visually checking the appearance. Readjust, if
necessary, until you are satisfied with the results.
PRECISION SIDE-TO-SIDE ADJUSTMENT
(See Fig. 22)
• With all tires properly inflated, park tractor on level
ground or driveway.
&CAUTION: Blades are sharp. Protect
your hands with gloves and/or wrap
blade with heavy cloth.
e
e
Raise mower to its highest position.
At both sides of mower, position blade at side and
measure the distance (A) from bottom edge of blade
to the ground. The distance should be the same on
both sides.
FIG, 22
• If adjustment is necessary, see step in Visual Adjust-
ment instructions above.
• Recheck measurements, adjust if necessary until both
sides are equal.
FRONT-TO-BACK ADJUSTMENT (See Figs. 23 and 24)
IMPORTANT: Deck must be level side-to-side.
To obtain the best cutting results, the mower blades should
be adjusted so the front tip is 1/8" to 1/2" lower than the
rear tip when the mower is in its highest position.
i & OAUTlON:Bladesaresharp. Protectyour
hands with gloves and/or wrap blade with
heavy cloth.
• Raise mower to highest position.
• Position any blade so the tip is pointing straight forward.
Measure distance (B) to the ground at front and rear tip
of the blade.
• Iffront tip of blade is not 1/8" to 1/2" lower than the rear
tip, go to the front of tractor.
e
e
FIG, 23
With an 11/16" or adjustable wrench, loosen jam nut A
several turns to clear adjustment nut B..
With a 3/4" or adjustable wrench, turn front link adjust-
ment nut (B) clockwise (Itighten) to raise the front of
mower, or, counterclockwise (loosen) to lower the front
mower.
Tighten adjust nut Loosen adjust
B to raise mower nut B to lower
........ mower
Loosen jam nut A first
FIG. 24
NOTE: Each full turn of the adjustment nut will change
mower height about 1/8".
Recheck measurements, adjust if necessary until front
tip of blade is 1/8" to 1/2" lower than the rear tip.
•Hold adjustment nut in position with wrench and tighten
jam nut securely against adjustment nut.
20

SERVICE AND ADJUSTMENTS
TO REPLACE MOTION DRIVE BELT
Park the tractor on level surface. Engage parking brake.
For assistance, there is a belt installation guide decal on
bottom side of left footrest.
BELT REMOVAL -
•Remove mower (See "TO REMOVE MOWER" in this
section of manual).
NOTE: Observe entire motion drive belt and position of all
belt guides and keepers.
•Make sure belt is in all pulley grooves and inside all
belt guides and keepers.
•Install mower (See "TO INSTALL MOWER" in this
section of manual).
TO REPLACE MOWER BLADE DRIVE BELT
(See Fig. 26)
1. Park tractor on a level surface. Engage parking
brake.
.
4. Lower attachment lift lever to its lowest position.
Remove any dirt or grass clippings which may have
accumulated around mandrels and entire upper deck
surface.
5. Remove belt from clutch pulley (M), both mandrel pul-
leys (R) and all idler pulleys (S).
MOWER DRIVE BELT iNSTALLATiON
1. Install belt around both mandrel pulleys (R) and around
idler pulleys (S) as shown.
2. Install belt onto clutch pulley (M).
IMPORTANT: Check belt for proper routing inall mower
pulley grooves.
3. Raise attachment lift lever to highest position.
%
FIG. 25
•Remove belt from stationary idler (A) and clutching
idler (B).
•Remove belt from centerspan idler (C).
•Pull belt slack toward rear of tractor. Carefully remove
belt upwards from transmission input pulley and over
cooling fan blades (D).
•Remove belt downward from engine pulley (E).
•Slide belt toward rear of tractor, off the steering plate
(F) and remove from tractor.
BELT INSTALLATION -
•Install new belt from tractor rear to front, over the steer-
ing plate (F) and above clutch brake pedal shaft (G).
•Pull belt toward front of tractor and roll belt onto engine
pulley (E).
•Pull belt toward rear oftractor. Carefully work belt down
around transmission cooling fan and onto the input
pulley (D). Be sure belt is inside the belt keeper.
•Install belt on centerspan idler (C).
•Install belt through stationary idler (A) and clutching
idler (B).
21
FIG. 26
TO CHECK BRAKE
If tractor requires more than five (5) feet to stop at highest
speed in highest gear on a level, dry concrete or paved
surface, then brake must be serviced.
You may also check brake by:
•Park tractor on a level, dry concrete or paved surface,
depress brake pedal all the way down and engage
parking brake.
•Disengage transmission by placing freewheel control
in "transmission disengaged" position. Pull freewheel
control out and into the slot and release so it is held in
the disengaged position.
The rear wheels must lock and skid when you try to manu-
ally push the tractor forward. If the rear wheels rotate,
then the brake needs to be serviced. Contact a qualified
service center.

SERVICE AND ADJUSTMENTS
FRONT WHEEL TOE-IN/CAMBER
Your new tractor front wheel toe-in and camber is set at the
factory and is normal. The front wheel toe-in and camber
are not adjustable. If damage has occurred to affect the
factory set front wheel toe-in or camber, contact a qualified
service center.
TO REMOVE WHEEL FOR REPAIRS
(See Fig. 27)
• Block up axle securely.
• Remove axle cover, retaining ring and washers to allow
wheel removal (rear wheel contains a square key - Do
not lose).
• Repair tire and reassemble.
• On rear wheels only: align grooves in rear wheel hub
and axle. Insert square key.
• Replace washers and snap retaining ring securely in
axle groove.
• Replace axle cover.
NOTE: To seal tire punctures and prevent flat tires due
to slow leaks, tire sealant may be purchased from your
local parts dealer. Tire sealant also prevents tire dry rot
and corrosion.
WASHERS
RETAINING
AXLE COVER
SQUARE KEY (RE_ j
WHEEL ONLY)
FIG. 27
TO START ENGINE WITH AWEAK BATTERY
(See Fig. 28)
WARNING: Lead=acid batteries gen=
erate explosive gases. Keep sparks,
flame and smoking materials away from
batteries. Always wear eye protection
when around batteries.
If your battery is too weak to start the engine, it should be
recharged. (See "BATTERY" in the MAINTENANCE sec-
tion of this manual).
If "jumper cables" are used for emergency starting, follow
this procedure:
IMPORTANT: YOUR TRACTOR IS EQUIPPED WITH A 12
VOLT SYSTEM. THE OTHER VEHICLE MUST ALSO BE A 12
VOLT SYSTEM. DO NOT USE YOUR TRACTOR BATTERYTO
START OTHER VEHICLES.
TO ATTACH JUMPER CABLES -
• Connect one end of the RED cable to the POSITIVE
(+) terminal of each battery(A-B), taking care not to
short against tractor chassis.
• Connect one end ofthe BLACKcable to the NEGATIVE
(-) terminal (C) of fully charged battery.
• Connect the other end of the BLACK cable (D) to good
chassis ground, away from fuel tank and battery.
TO REMOVE CABLES, REVERSE ORDER -
•BLACK cable first from chassis and then from the fully
charged battery.
• RED cable last from both batteries.
DD
WEAK OR DEAD FULLY CHARGED
BATTERY BATTERY
FIG. 28
REPLACING BATTERY (See Fig. 29 and 30)
WARNING: Do not short battery ter=
minals by allowing a wrench or any
other object to contact both termi=
rials at the same time. Before con=
necting battery, remove metal brace=
lets, wristwatch bands, rings, etc.
Positive terminal must be connected
first to prevent sparking from acci=
dental grounding.
• Lift seat pan to raised position and open battery box
door.
• Disconnect BLACKbatterycablefirstthen RED battery
cable and carefully remove battery from tractor.
• Install new battery with terminals in same position as
old battery.
• First connect RED battery cable to positive (+) ter-
minal with hex bolt and keps nut as shown. Tighten
securely.
• Connect BLACK grounding cable to negative (-) ter-
minal with remaining hex bolt and keps nut. Tighten
securely.
• Close battery box door.
SEAT PAN
BATTERY
BOX DOOR
FIG. 29
22

SERVICE AND ADJUSTMENTS
KEPS
HEX
BOLT
POSITIVE(RED) NEGATIVE
CABLE (BLAC_ CABLE
FIG. 30
TO REPLACE HEADLIGHT BULB
Raise hood.
• Pull bulb holder out of the hole in the backside of the
grill.
• Replace bulb in holder and push bulb holder securely
back into the hole in the backside of the grill.
• Close hood.
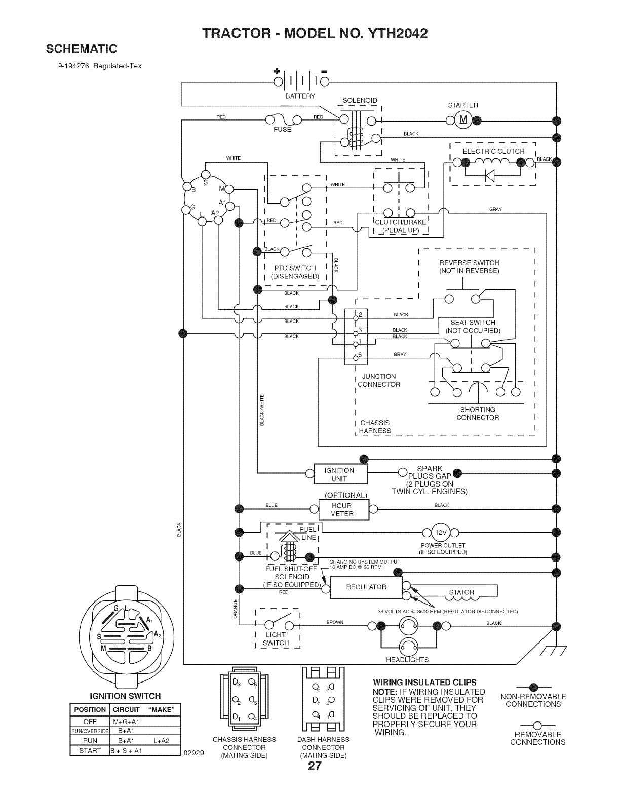
iNTERLOCKS AND RELAYS
Loose or damaged wiring may cause your tractor to run
poorly, stop running, or prevent it from starting.
Check wiring. See electrical wiring diagram in the
Repair Parts section.
TO REPLACE FUSE
Replace with 20 amp automotive-type plug-in fuse. The
fuse holder is located behind the dash.
TO REMOVE HOOD AND GRILL ASSEMBLY
(See Fig. 31)
•Raise hood.
•Unsnap headlight wire connector.
•Stand infront of tractor. Grasp hood at sides, tilt toward
engine and lift off of tractor.
•To replace, reverse above procedure.
ENGINE
TO ADJUST THROTTLE CONTROL CABLE
The throttle control has been preset at the factory and
adjustment should not be necessary. If adjustment is
necessary, see engine manual.
TO ADJUST CHOKE CONTROL
The choke control has been preset at the factory and ad-
justment should not be necessary. If adjustment is neces-
sary, see engne manual.
TO ADJUST CARBURETOR
Your carburetor is not adjustable. If your engine does not
operate properly due to suspected carburetor problems,
take your tractor to an authorized service center for repair
and/or adjustment.
HEADLIGHT
WIRE
CONNECTOR
FIG. 31
23

STORAGE
Immediately prepare your tractor for storage at the end
of the season or if the tractor will not be used for 30 days
or more.
WARNIN G: Never store the tractor with
gasoline in the tank inside a building
where fumes may reach an open flame
or spark. AIIowthe engine to cool before
storing in any enclosure.
TRACTOR
Remove mower from tractor for winter storage. When
mower is to be stored for a period of time, clean it thor-
oughly, remove all dirt, grease, leaves, etc. Store in a
clean, dry area.
• Clean entire tractor (See "CLEANING" in the Mainte-
nance section of this manual).
• Inspect and replace belts, if necessary (See belt re-
placement instructions inthe Service and Adjustments
section of this manual).
• Lubricate as shown in the Maintenance section of this
manual.
• Be sure that all nuts, bolts and screws are securely
fastened. Inspect moving parts for damage, breakage
and wear. Replace if necessary.
• Touch up all rusted or chipped paint surfaces; sand
lightly before painting.
BATTERY
• Fully charge the battery for storage.
• After a period of time in storage, battery may require
recharging.
• To help prevent corrosion and power leakage during
long periods of storage, battery cables should be dis-
connected and battery cleaned thoroughly (see "TO
CLEAN BATTERY AND TERMINALS" in the Mainte-
nance section of this manual).
• After cleaning, leave cables disconnected and place
cables where they cannot come in contact with battery
terminals.
• If battery is removed from tractor for storage, do not
store battery directly on concrete or damp surfaces.
ENGINE
FUEL SYSTEM
IMPORTANT: IT IS IMPORTANTTO PREVENT GUM DEPOSITS
FROM FORMING IN ESSENTIAL FUELSYSTEM PARTS SUCH
AS CARBURETOR, FUEL FILTER, FUEL HOSE, OR TANK
DURING STORAGE. ALSO, EXPERIENCE INDICATES THAT
ALCOHOL BLENDED FUELS (CALLED GASOHOL OR USING
ETHANOLOR METHANOL) CAN ATTRACT MOISTURE WHICH
LEADS TO SEPARATION AND FORMATION OFACIDS DURING
STORAGE. ACIDIC GAS CAN DAMAGE THE FUEL SYSTEM
OF AN ENGINE WHILE IN STORAGE.
• Empty the fuel tank by starting the engine and let it run
until the fuel lines and carburetor are empty.
• Never use engine or carburetor cleaner products in
the fuel tank or permanent damage may occur.
• Use fresh fuel next season.
NOTE: Fuel stabilizer is an acceptable alternative in mini-
mizing the formation of fuel gum deposits during storage.
Add stabilizer to gasoline in fuel tank or storage container.
Always follow the mix ratio found on stabilizer container.
Run engine at least 10 minutes after adding stabilizer to
allow the stabilizer to reach the carburetor. Do not empty
the gas tank and carburetor if using fuel stabilizer.
ENGINE OiL
Drain oil (with engine warm) and replace with clean engine
oil. (See "ENGINE" in the Maintenance section of this
manual).
CYLINDER(S)
• Remove spark plug(s).
• Pour one ounce of oil through spark plug hole(s) into
cylinder(s).
• Turn ignition key to "START" position for a few seconds
to distribute oil.
• Replace with new spark plug(s).
OTHER
•Do not store gasoline from one season to another.
•Replace your gasoline can if your can starts to rust.
Rust and/or dirt in your gasoline will cause problems.
•If possible, store your tractor indoors and cover it to
give protection from dust and dirt.
•Cover your tractor with a suitable protective cover that
does not retain moisture. Do not use plastic. Plastic
cannot breathe which allows condensation to form and
will cause your tractor to rust.
IMPORTANT: NEVER COVER TRACTOR WHILE ENGINE
AND EXHAUST AREAS ARE STILL WARM.
24

TROU OOTI G POI
PROBLEM CAUSE CORRECTION
Will not start
Hard to start
Engine will not turn over
Engine clicks but will not
start
Loss of power
Excessive vibration
1. Out of fuel.
2. Engine not "CHOKED" properly.
3. Engine flooded.
4. Bad spark plug.
5. Weak or dead battery.
6. Dirty air filter.
7. Dirty fuel filter.
8. Water in fuel.
9. Loose or damaged wiring.
10. Carburetor out of adjustment.
11. Engine valves out of adjustment.
1. Dirty air filter.
2. Bad spark plug.
3. Weak or dead battery.
4. Dirty fuel filter.
5. Stale or dirty fuel.
6. Loose or damaged wiring.
7. Carburetor out of adjustment.
8. Engine valves out of adjustment.
1. Brake pedal not depressed.
2. Attachment clutch is engaged.
3. Weak or dead battery.
4. Blown fuse.
5. Corroded battery terminals.
6. Loose or damaged wiring.
7. Faulty ignition switch.
8. Faulty solenoid or starter.
9. Faulty operator presence switch(es).
1. Weak or dead battery.
2. Corroded battery terminals.
3. Loose or damaged wiring.
4. Faulty solenoid or starter.
1. Cutting too much grass/too fast.
2. Throttle in "CHOKE" position.
3. Build-up of grass, leaves and trash under mower.
4. Dirty air filter.
5. Low oil level/dirty oil.
6. Faulty spark plug.
7. Dirty fuel filter.
8. Stale or dirty fuel.
9. Water in fuel.
10. Spark plug wire loose.
11. Dirty engine air screen/fins.
12. Dirty/clogged muffler.
13. Loose or damaged wiring.
14. Carburetor out of adjustment.
15. Engine valves out of adjustment.
1. Worn, bent or loose blade.
2. Bent blade mandrel.
3. Loose/damaged part(s).
1. Fill fuel tank.
2. See "TO START ENGINE" in Operation section.
3. Wait several minutes before attempting to start.
4. Replace spark plug.
5. Recharge or replace battery.
6. Clean/replace air filter.
7. Replace fuel filter.
8. Empty fuel tank and carburetor, refill tank with fresh
gasoline and replace fuel filter.
9. Check all wiring.
10. See "To Adjust Carburetor" in Service Adjustments
section.
11. Contact an authorized service center/department.
1. Clean/replace air filter.
2. Replace spark plug.
3. Recharge or replace battery.
4. Replace fuel filter.
5. Empty fuel tank and refill tank with fresh, clean gasoline.
6. Check all wiring.
7. See "To Adjust Carburetor" in Service Adjustments
section.
8. Contact an authorized service center/department.
1. Depress brake pedal.
2. Disengage attachment clutch.
3. Recharge or replace battery.
4. Replace fuse.
5. Clean battery terminals.
6. Check all wiring.
7. Check/replace ignition switch.
8. Check/replace solenoid or starter.
9. Contact an authorized service center/department.
1. Recharge or replace battery.
2. Clean battery terminals.
3. Check all wiring.
4. Check/replace solenoid or starter.
1. Raise cutting height/reduce speed.
2. Adjust throttle control.
3. Clean underside of mower housing.
4. Clean/replace air filter.
5. Check oil level/change oil.
6. Clean and regap or change spark plug.
7. Replace fuel filter.
8. Empty fuel tank and refill tank with fresh, clean gasoline.
9. Empty fuel tank and carburetor, refill tank with fresh
gasoline and replace fuel filter.
10. Connect and tighten spark plug wire.
11. Clean engine air screen/fins.
12. Clean/replace muffler.
13. Check all wiring.
14. See "To Adjust Carburetor" in Service Adjustments
section.
15. Contact an authorized service center/department.
1. Replace blade. Tighten blade bolt.
2. Replace blade mandrel.
3. Tighten loose part(s). Replace damaged parts.
25

TBLESHOOTING POINTS
PROBLEM
Engine dies when
tractor is shifted
into reverse
Engine continues to run
when operator leaves seat
with attachment clutch
engaged
Poor cut=uneven
Mower blades will not
rotate
Poor grass discharge
Headlight(s) not working
(if so equipped)
Battery will not charge
Loss of drive
Engine "backfires" when
turning engine "OFF"
CAUSE
1. Reverse operation system
(ROS) is not "ON" while
mower or other attachment
is engaged.
1. Faulty operator-safety presence control system.
1. Worn, bent or loose blade.
2. Mower deck not level.
3. Buildup of grass, leaves, and trash under mower.
4. Bent blade mandrel.
5. Clogged mower deck vent holes from buildup of
grass, leaves, and trash around mandrels.
1. Obstruction in clutch mechanism.
2. Worn/damaged mower drive belt.
3. Frozen idler pulley.
4. Frozen blade mandrel.
1. Engine speed too slow.
2. Travel speed too fast.
3. Wet grass.
4. Mower deck not level.
5. Low/uneven tire air pressure.
6. Worn, bent or loose blade.
7. Buildup of grass, leaves and trash under mower.
8. Mower drive belt worn.
9. Blades improperly installed.
10. Improper blades used.
11. Clogged mower deck vent holes from buildup of
grass, leaves, and trash around mandrels.
1. Light switch is "OFF".
2. Bulb(s) or lamp(s) burned out.
3. Faulty light switch.
4. Loose or damaged wiring.
5. Blown fuse.
1. Bad battery cell(s).
2. Poor cable connections.
3. Faulty regulator (if so equipped).
4. Faulty alternator.
1. Freewheel control in "disengaged" position.
2. Motion drive belt worn, damaged, or broken.
3. Air trapped in transmission during shipment
or servicing.
1. Engine throttle control not set between half and
full speed (fast) position before stopping engine.
CORRECTION
1. Turn ignition key to
ROS "ON" position.
See Operation section.
1. Check wiring, switches and connections. If not
corrected, contact an authorized service center/
department.
1. Replace blade. Tighten blade bolt.
2. Level mower deck.
3. Clean underside of mower housing.
4. Replace blade mandrel.
5. Clean around mandrels to open vent holes.
1. Remove obstruction.
2. Replace mower drive belt.
3. Replace idler pulley.
4. Replace blade mandrel.
1. Place throttle control in "FAST" position.
2. Shift to slower speed.
3. Allow grass to dry before mowing.
4. Level mower deck.
5. Check tires for proper air pressure.
6. Replace blade. Tighten blade bolt.
7. Clean underside of mower housing.
8. Replace mower drive belt.
9. Reinstall blades sharp edge down.
10. Replace with blades listed in this manual.
11. Clean around mandrels to open vent holes.
1. Turn light switch "ON".
2. Replace bulb(s) or lamp(s).
3. Check/replace light switch.
4. Check wiring and connections.
5. Replace fuse.
1. Replace battery.
2. Check/clean all connections.
3. Replace regulator.
4. Replace alternator.
1. Place freewheel control in "engaged" position.
2. Replace motion drive belt.
3. Purge transmission.
1. Move throttle control between half and full speed
(fast) position before stopping engine.
26

SCHEMATIC
_-194276 Regulated-Tex
IGNITION SWITCH
POSITION CIRCUIT "MAKE"
OFF M+G+A1
RUN/OVERRIDE B+A1
RUN B+A1 L+A2
START B + S + A1
TRACTOR - MODEL NO. YTH2042
WHITE
q
q
.Z--K
02929
_)1 I I_)
BATTERY
FUSE
SOLENOID I
O4
I
o
I
IWHITE
I
I RED
J
m
PTO SWITCH I oS
(DISENGAGED) I
BLACK P r
BLACK
<o
BLACK
BLACK
I
I
I
I
I
STARTER ,
4
"3
ELECTRIC CLUTCH I
REVERSE SWITCH
(NOT IN REVERSE)
B BK
BLACK
BLACK
GRAY
I
JUNCTION
I CONNECTOR
I
I
ISHORTING
CONNECTOR
I CHASSIS
LHARNESS
q IGNITION __ SPARK A
UNIT "--"PLUGS GAP _l_
(2 PLUGS ON
TWIN CYL. ENGINES)
BLUE H HOUR _ BLACK
"'] METER
----j r A FUELII
BLUE _ _ (I_%_A0_%% IUp]pLEE; )
_] CHARGING SYSTEMOUTPUT
FUEL SHUT OFF --16 AMP DC @36 RPM --
SOLENOID _" _
_,FSOEOUIPPED_REGULATORb,.
REO "1 ___---STATOR ]
I_-- 2_VOLTSAC_3600RPM/REGULATORO,SCONNECTEO/
o4,'
I LIGHT I BROWN _ BLACK
m_SWLTC_H ._, !
HEADLIGHTS /
DASH HARNESS
CONNECTOR
(MATING SIDE)
27
WIRING INSULATED CLIPS
NOTE: IF WIRING INSULATED
CLIPS WERE REMOVED FOR
SERVICING OF UNIT, THEY
SHOULD BE REPLACED TO
PROPERLY SECURE YOUR
WIRING.
CHASSIS HARNESS
CONNECTOR
(MATING SIDE)
q
t
t
q
,q
D
D
D
D
P
P
D
0
NON-REMOVABLE
CONNECTIONS
-0
REMOVABLE
CONNECTIONS

ELECTRICAL
TRACTOR - MODEL NO. YTH2042
41\
42
22
f
/
!
I
\
102
\/
26
3attery 31 b
2't-
29
\
34
71
40\
\
\
1,6
33
i
':/
30
\
\
\
\
/
/
/
3-
400449 n
I
I
I
\
/
!
28

ELECTRICAL
TRACTOR -MODEL NO. YTH2042
KEY PART
NO. NO. DESCRIPTION
1 532 18 34-85 Battery
2 8747804-12 Bolt Hex Hd 1/4-20 unc x 3/4
8 532 19 32-28 Battery Box
18 532 17 81-38 Switch interlock
21 532 18 37-59 Harness Socket Light
22 532 00 41-52 Bulb, Light # 1158
25 532 19 88-93 Cable Starter
28 532 17 51-58 Fuse
27 873 51 04-00 Nut Keps Hex 1/4-20 unc
28 532 19 88-85 Cable Ground
29 532 40 15-45 Switch Seat
30 532 19 33-50 Switch Ign
33 532 14 04-01 Key Ign Molded Generic
34 532 11 07-12 Switch Light/Reset
40 532 40 10 98 Harness Ign. Dash
41 817 72 04-08 Screw Thd Cut 1/4-20 x 1/2
42 532 13 15-83 Cover Terminal Red
43 532 19 25-07 Solenoid
48 532 40 17-83 Gauge Hourmeter
50 532 17 48-51 Switch PTO
55 817 08 05-12 Screw Thdrol 5/18-18 x 3/4
71 532 40 04-49 Harness Chassis
90 532 40 07-25 Cover Terminal Battery
102 532 40 44-54 Harness Pigtail
NOTE: All component dimensions given in U.S. inches
1inch = 25.4 mm
29

CHASSIS
TRACTOR - MODEL NO. YTH2042
2O4
210
208
18
203
234
5
%
234
207
209
25
150
222
196
\
228
130
189
228
chassis-tex 50-gt-husq
213
\
218
68
52
3O

CHASSIS TRACTOR - MODEL NO. YTH2042
KEY PART
NO. NO.
3 532 40 50-12
5 532 40 87-03
14 53241 10-48
15 532 19 89-07
18 532 40 86-07
25 532 19 89-06
34 532 19 61-25
38 817 08 05-12
37 532 40 47-94
52 873 88 05-00
68 817 49 05-08
99 532 40 59-03
130 532 19 18-11
138 532 40 29-54
150 532 19 85-14
152 532 19 95-35
162 532 14 24-32
175 532 19 83-04
178 532 40 07-78
177 532 19 52-27
178 532 19 97-82
180 532 19 54-57
181 532 40 30-25
182 532 19 47-87
183 874 78 05-20
189 817 00 05-12
194 873 90 05-00
195 532 40 41-37
DESCRIPTION
Logo
Dash
Hood
Lens LH
Grille Asm.
Lens RH
Plate Engine
Screw 5/16-18 x 3/4
Fender
Nut Lock 5/16-18
Screw 5/16-18 x 1/2
Rod Asm Bypass
Screw 10 x 3/4 Single Lead-Hex
Cupholder
Air Duct
Shield Browning
Screw
Crossmember
Screw 10-24 x 5/8
Bushing Steering
Cargo Net Asm.
Chassis
Bushing Mtg. Fender Crgo
Dash Lower
Bolt Fin Hex 5/16-18 uncx 1-1/4
Screw 5/16-18 x 3/4
Nut Lock Hex Flange 5/16-18
Plug Hole Dash Lower
KEY PART
NO. NO.
198 532 40
202 532 40
203 532 40
204 532 19
205 532 40
208 532 40
207 532 19
208 532 19
209 532 19
210 532 19
211 532 19
212 532 19
213 874 78
214 532 19
217 532 15
218 532 19
222 532 13
228 532 19
230 532 17
234 532 40
235 532 40
238 873 93
238 532 40
239 532 11
DESCRIPTION
28-43 Console Asm. Deck Lift
30-48 Vent Side Hood RH
30-76 Vent Side Hood LH
89-04 Vent Top Hood
17-09 Skirt Hood Side RH
17-11 Skirt Hood Side LH
71-98 Bezel RH
71-99 Bezel LH
91-30 Insert Hex Top RH
91-31 Insert Hex Top Lh
91-32 Insert Hex Bottom RH
91-33 Insert Hex Bottom LH
05-12 Bolt 5/16-18 UNC x 3/4
91-45 Clip Retainer Tinner
65-24 Rod Pivot
63-95 X-Piece Hood Stop
77-29 Screw Thdrol 1/4-20 x 5/8
51-61 Stud Fastner
01-65 Bolt Shoulder 5/16 - 18
47-42 Bumper Hood
61-29 Spacer Fender
05-00 Nut Lock 5/16-18 UNC
86-06 Trim
04-52 Nut Push
NOTE: All component dimensions given in U.S. inches
1 inch = 25.4 mm
31

DRIVE TRACTOR -MODEL NO. YTH2042
56
221
213
125
206
26
©
221
_184
42
160
/52
51
15
29
159
©
160
188
©
153 208
211
,125
226
215
125
/
214
210
222
/
33
2O5
183
230
116
125
225
drive-tex 48-Husq TuffTorq
2230
183
205
33
32

DRIVE TRACTOR - MODEL NO. YTH2042
KEY
NO.
2
15
17
26
29
33
35
42
49
50
51
52
56
64
80
92
116
125
143
153
159
160
161
163
166
167
170
PART
NO.
532 40
532 12
819 13
532 41
532 19
532 40
812 00
532 19
532 12
872 11
532 19
873 90
532 19
532 13
532 19
532 41
874 76
873 90
817 00
817 49
532 12
876 02
532 16
532 19
532 40
532 19
532 40
532 19
53-84
35-83
13-16
36-78
96-79
38-06
00-01
95-91
48-72
06-14
43-27
06-00
43-26
09-69
78-65
00-24
05-20
05-00
05-12
05-08
47-88
04-12
94-84
54-03
10-34
72-90
52-57
43-22
DESCRIPTION
Transaxle, TUFFTORQ K46BT
(See Transaxle breakdown)
Key
Washer 13/32 x 13/16 x 16 Ga.
Spring, Brake
Spring Return Cruise
Rod, Brake
Ring E
Rod, Brake, Park
Cover, Foot Pedal
Bolt
Pulley Idler Flat
Lock Nut 3/8-16
Idler V-Groove 910" Offset
V-Belt, Drive
Shaft Asm. Pedal Brake Control
Strap Torque
Bolt Fin Hex 5/16-18 unc x 1.25
Nut Lock Hex Flange 5/16-18
Screw 5/16-18 x 3/4
Screw 5/16-18 x 1/2
Retainer Spring
Pin Cotter 1/8 x 3/4
Retainer Clip
Spring, Return, Clutch
Rod Pedal Control
Nut Push
Latch Brake Parking
Keeper Belt Centerspan
KEY PART
NO. NO.
171 872 11
183 532 13
184 532 40
185 872 11
186 532 19
187 819 13
188 532 19
189 532 19
190 532 19
205 532 12
206 532 19
207 532 19
208 532 19
209 532 19
210 532 40
211 532 12
213 532 40
214 532 40
215 532 40
216 532 19
221 532 40
222 879 21
225 532 40
226 532 40
230 532 18
231 532 40
DESCRIPTION
06-16 Bolt RDHD SQNK 3/8-16UNC x 2
70-57 Spacer Split
31-18 Handle Parking Brake
06-20 Bolt Rdhd Sqnk 3/8-16 x 2-1/2
43-21 Spacer Retainer
32-10 Washer
43-23 Link Clutch Ground Drive
43-17 Bellcrank Ground Drive
43-18 Keeper Bellcrank Ground Drive
17-48 Washer
78-67 Bracket Mount Latch Cruise
78-68 Latch Control Cruise
78-69 Gear Sector Control Cruise
95-92 Rod Control Cruise
09-80 Rocker Asm. Pedal Control
01-83 Bearing Nylon
31-19 Knob Control Cruise
17-22 Pedal Forward
17-23 Pedal Reverse
61-31 Bracket Pulley Idler
31-87 Retainer Spring Clip Handle
20-10 Washer 21/32 x 1-1/4 x 10 Ga.
33-19 Keeper Belt Trans.
15-64 Bracket Mount Touque
89-67 Washer Hardened
72-87 Idler V-Groove 1.688" OFFSET
NOTE: All component dimensions given in U.S. inches
1 inch = 25.4 mm
33

ENGINE TRACTOR - MODEL NO. YTH2042
21
18
_--37
28
29
84_
1
5
81
42
85
79
2
OPTIONAL EQUIPMENT
Spark Attester
KEY PART
NO. NO. DESCRiPTiON
1
2 532 13 73-52
9 532 19 43-20
12 532 40 54-71
15 532 40 74-89
18 532 19 77-25
20 532 40 15-08
21 532 19 18-11
28 532 40 11-37
29 532 13 71-80
37 532 12 34-87
42 810 04 07-00
45 873 51 04-00
Engine Briggs Model No. 31 P977
Muffler
Keeper Belt Engine
Pulley Engine
Tank Fuel
Cap Asm
Control Throttle/Choke
Screw 10 x 3/4 Single Lead Hex
Fuel Line
Spark Arrester Kit
Clamp Hose
Washer Lock 7/16
Nut Keps Hex 1/4-20 unc
Engine Power Rating information
engine-bs- lcyl-tex_4
KEY PART
NO. NO. DESCRiPTiON
69
79
81
82
84
85
90
532 16 52-91 Gasket
532 19 23-34 Screw Socket Hd. 5/16 - 18 x .75
532 14 84-56 Tube Drain Oil Easy
532 18 16-54 Plug Drain Oil
817 06 06-20 Screw 3/8-16 x 1-1/4
5321739-37 Bolt 5/16-20x4xGr. 5-1.5
817 00 06-16 Screw 3/8-16 x 1
NOTE: All component dimensions given in U.S. inches
1 inch = 25.4 mm
For engine service and replacement parts, call the toll free
number for your engine manufacturer listed below:
Briggs & Stratton 1-800-233-3723
The gross power rating for individual gas engine models is labeled in accordance with SAE (Society of Automotive Engi-
neers) code J11940 (Small Engine Power & Torque Rating Procedure), and rating performance has been obtained and
corrected in accordance with SAE J1995 (Revision 2002-5). Actual gross engine power will be lower and is affected by,
among other things, ambient operating conditions and engine-to-engine variability. Given both the wide array of prod-
ucts on which engines are placed and the variety of environmental issues applicable to operating the equipment, the gas
engine will not develop the rated gross power when used in a given piece of power equipment (actual "on-site" or net
horsepower). This difference is due to a variety of factors including, but not limited to, accessories (air cleaner, exhaust,
charging, cooling, carburetor, fuel pump, etc.), application limitations, ambient operating conditions (temperature, humid-
ity, altitude), and engine-to-engine variability. Due to manufacturing and capacity limitations, Briggs & Stratton may sub-
stitute an engine of higher rated power for this Series engine.
34

SEAT ASSEMBLY
TRACTOR -MODEL NO. YTH2042
\
seat-tex_7-vgt
KEY PART
NO. NO. DESCRIPTION
1
2
3
6
7
8
10
21
532 19 75-18 Seat
532 18 01-66 Bracket Pivot Fender
532 14 06-75 Strap, Asm Fender
873 80 06-00 Nut, Lock W/Ins. 3/8-16 unc
532 12 41-81 Spring, Seat Cprsn
532 17 18-77 Bolt 5/16-18 uncx 3/4 w/Sems
532 19 69-77 Pan, Seat
532 17 18-52 Bolt, Shoulder 5/16-18
KEY PART
NO. NO. DESCRIPTION
37
40
41
43
44
873 80 05-00 Nut, Lock 5/16-18 unc
532 19 76-61 Handle Slide Seat
532 19 82-00 Spring Latch Seat
874 76 06-12 Bolt 3/8-16 x 3/4
819 13 38-12 Washer 13/32 x 2-3/8 x 12 Ga.
NOTE: All component dimensions given in U.S. inches
1 inch = 25.4 mm
35

STEERING ASSEMBLY
TRACTOR -MODEL NO. YTH2042
26
13
57
62
\
\
53
36

STEERING ASSEMBLY TRACTOR -MODEL NO. YTH2042
KEY PART
NO. NO.
1 532 19 39-43
2 532 19 59-68
4 532 40 30-87
5 532 40 30-88
8 532 12 49-31
7 532 12 17-48
8 812 00 00-29
9 532 12 12-32
13 532 12 17-49
14 810 04 06-00
15 873 54 06-00
16 532 40 82-19
19 532 19 47-29
21 532 18 67-37
22 532 19 48-45
28 532 19 38-52
28 817 00 08-12
35 532 19 47-32
45 819 18 38-12
51 873 94 08-00
53 532 18 89-67
57 532 40 74-65
58 532 19 47-47
59 532 19 47-48
60 873 97 10-00
81 532 19 47-40
82 532 19 47-41
63 817 00 05-12
84 532 19 98-49
66 871 02 07-48
87 532 19 47-37
68 873 90 07-00
89 532 19 91-82
70 532 19 61-97
DESCRiPTiON
Wheel, Steering
Axle Asm., Front
Spindle Asm., LH
Spindle Asm., RH
Bearing, Race Thrust Harden
Washer 25/32 x 1-5/8 x 16 Ga.
Ring, Klip #T5304-75
Cap, Spindle
Washer 25/32 x 1-1/4 x 16 Ga.
Washer, Lock Hvy Hlcl Spr 3/8
Nut, Crown Lock 3/8-24 unf
Shaft Steering
Plate Steering
Adapter, Wheel Steering
Bushing, Strg. BIk
Insert, Wheel Steering
Screw 3/8-16 x 3/4
Gear, Sector Plate
Washer 9/16 x 2-3/8 x 12 Ga.
Nut Hex Jam Toplock 1/2-20 unf
Washer Hardened .793 x 1.637 x .060
Bracket Upstop
Bolt Shoulder Sector Pivot CFM
Washer Thrust Sector Steering
Nut Flange Lock 5/8-11
Draglink LH
Draglink, RH
Screw 5/16-18 x 3/4
Retainer Clip Spring Steering
Bolt Hex Fghd 7/16-14 x 3 Serr
Bushing PM Front Axle
Nut Lock Flange 7/16-14 Gr. 5
Washer 1.5 x .505 x .118
Bracket Deck Susp. Front
NOTE: All component dimensions given in U.S. inches
1 inch = 25.4 mm
37

MOWER DECK TRACTOR . MODEL NO. YTH2042
188
189 /
19
\\
15.
118
117
21
//
29
2O
69
24
27
11
42_D_man-Te_ LT 5 w.b.
38

MOWER DECK
TRACTOR -MODEL NO. YTH2042
KEY PART
NO. NO.
1 532 40 29-99
5 532 12 46-70
6 532 19 51-88
7 532 19 18-11
8 532 19 30-03
11 532 13 89-71
532 13 41-49
532 13 97-75
13 532 19 28-72
14 532 18 72-81
15 532 11 04-85
16 532 17 44-93
19 532 19 65-39
20 532 15 97-70
21 873 68 05-00
23 532 19 25-57
24 532 10 53-04
25 532 19 70-26
28 532 11 04-52
27 532 40 30-04
29 532 13 14-91
30 532 17 39-84
31 532 18 78-90
32 532 19 59-45
33 532 40 02-34
34 872 11 08-12
38 532 19 81-08
37 819 13 13-18
38 532 19 91-89
40 873 90 06-00
42 532 19 84-10
43 532 19 72-56
46 532 13 77-29
47 532 19 72-50
55 532 19 72-49
58 532 19 90-92
57 817 00 08-18
DESCRIPTION
Deck Weldment Mower
Retainer Spring
Arm Suspension
Screw 10 x 3/4 Single Lead Hex
BoltAJVasher asm 7/16-20 unf
Blade, 42" Hi-Lift
(For bagging or discharge)
Blade, 42" Mulching Std
( For mulching mowers only)
Blade, 42" Mulching Premium
(For better wear when mulching)
Shaft Assembly, Mandrel
Housing, Mandrel
Bearing, Ball, Mandrel
Stripper, Mower Deck
Bolt, Shoulder
Baffle, Vortex
Nut, Crownlock 5/16-18 unc
Bracket, Deflector
Cap, Sleeve
Spring, Torsion, Deflector
Nut, Push
Shield, Deflector
Rod, Hinge
Screw Thdrol Rolling Wsh Hd
Washer, Spacer
Pulley, Mandrel
Nut, Toplock, Flanged
Bolt Carr Sh. 3/8-16 x 1-1/2 Gr.- 5
Pulley, Idler, Flat
Washer
Keeper Belt LH Mandrel
Nut, Lock Fig. 3/8-16 unc
Spring Brake
Spring Brake Retainer
Screw Thd Roll 1/4-20 x 5/8
Bracket Clutch Cable
Arm, Idler
Spacer, Retainer
Screw 3/8-16 x 1
KEY PART
NO. NO.
59 532 14
60 532 19
62 872 11
63 532 19
64 532 19
67 532 40
68 532 19
69 872 14
70 532 40
86 532 19
87 532 19
113 817 00
115 872 11
116 532 19
117 532 17
118 873 93
119 819 13
122 532 19
123 532 19
144 532 19
145 532 17
147 532 40
151 532 40
152 532 40
186 532 19
187 532 40
188 532 19
189 873 90
192 532 19
193 532 19
194 532 19
195 817 00
-- 532 19
DESCRiPTiON
10-43 Guard, Tuv Idler
74-02 Arm Brake Mower
06-16 Bolt Rd Hd Sq Nk 3/8-16 unc x- 2
94-78 Arm Brake Mower
99-18 Link Brake Asm
30-12 Handle Clutch Cable
72-53 V-Belt
05-05 Bolt
65-63 Clutch Asm Manual
77-98 Pin Attachment Cable
78-02 Switch Interlock Clutch Cable
05-10 Bolt 5/16-18
05-05 Bolt Carr. 5/16-18 x 5/8
34-06 Bolt, Shoulder
48-73 Wheel, Gauge
06-00 Nut, Crownlock 3/8-1
20-12 Washer 13/32 x 1-1/4 x 12 Ga.
72-58 Keeper Belt Engine LH
72-59 Keeper Belt Engine RH
92-04 Keeper Belt
79-68 Pulley Idler
19-71 Spring Return
65-60 Bracket Clutch
83-19 Manual Clutch Cable
77-99 Arm Actuator
65-62 Lever Control
51-61 Stud Fastener
05-00 Nut Lock Hex Flange
72-60 Bracket Brake Stand LH
78-01 Spring Plunger Activator
77-97 Bearing Control Lever Clutch
06-12 Screw Hex Wsh THDR 3/8-16 x 3/4
28-70 Mandrel Assembly (Includes
housing, shaft and shaft hardware
only-pulley not included)
532 40 20-22 Replacement Mower, Complete
NOTE: All component dimensions given in U.S. inches
1 inch = 25.4 mm
39

MOWER LIFT
3
TRACTOR - MODEL NO. YTH2042
87
88
2
91
KEY PART
NO. NO. DESCRIPTION
2
3
7
10
87
88
89
9O
532 19 52-23 Shaft Asm., Lift
532 19 52-31 Lever Asm., Lift
532 41 15-55 Grip, Lever
532 19 63-14 Spring Torsion
532 19 42-09 Pin Cotter 7/16 Bow Tie Lock
532 19 53-03 Spring Lift Assist
819 19 19-12 Washer Clear Zinc
532 19 42-08 Pin Cotter 5/16 Bow Tie Lock
89 87
KEY PART
NO. NO. DESCRIPTION
91 532 19 51-81 Link Lift Susp Mower Rear
97 817 06 06-12 Screw 3/8-16 x .75 Smgml Tap/R.Z
98 532 19 52-70 Link Lift Susp. Front Mower
100 873 93 06-00 Nut Lock 3/8- 16
NOTE: All component dimensions given in U.S. inches
1 inch = 25.4 mm
40

DECALS
13 \
TRACTOR - MODEL NO. YTH2042
16 2 17
\
16
5
KEY
NO.
1
2
4
5
6
8
9
13
PART
NO. DESCRIPTION
532 40 21-04 Decal, Operator's
532 40 21-28 Decal, Hood Insert
532 18 09-41 Decal Hood Cust Resp.
532 16 03-96 Decal, Mower Sch.
532 40 88-35 Decal, Eng. HP
532 17 05-63 Decal, Warning
532 14 50-05 Decal, Battery Dnge/Poi
532 40 44-84 Decal, Steering Whl
KEY PART
NO. NO.
14 532 41 06-42
16 532 40 28-32
17 532 41 02-40
- - 532 16 69-60
- - 532 41 08-05
- - 532 41 08-06
- - 532 41 06-58
- - 532 41 06-59
DESCRIPTION
Decal, Panel Side
Decal, Hood Logo
Decal, Replacement
Decal, Bypass
Pad, Footrest, LH
Pad, Footrest, RH
Manual, Owner's (Eng)
Manual, Owner's (Fr)
WHEELS AND TIRES
1
21 3
7
wheel art 1-vgt
10
59
KEY PART
NO. NO.
1 532 05 91-92
2 532 06 51-39
3 532 13 83-36
4 532 05 99-04
5 532 10 62-22
6 532 12 49-57
7 532 12 49-59
8 532 17 50-39
9 532 10 62-68
- - 532 42 05-31
10 532 12 49-26
11 532 13 83-37
- - 532 14 43-34
DESCRIPTION
Cap, Valve, Tire
Stem, Valve
Rim Assembly, Front
Tube, Front (Service Item Only)
Tire, Front
Fitting, Grease (Front Wheel Only)
Bearing, Flange (Front Wheel Only)
Cap, Axle (Front Wheel Only)
Tire, Rear 18 x 9.5-8 Turf Saver
Tire, Rear 18 x 9.5-8 Turf Saver LT
Tube, Rear (Service Item Only)
Rim Assembly, Rear
Sealant, Tire (10 oz. Tube)
NOTE: All component dimensions given in U.S. inches
1 inch = 25.4 mm
41

TRACTOR - MODEL NO. YTH2042
TUFFTORQ TRANSAXLE MODEL NUMBER K46BT
MODEL K46BT
7A646084180
ACTUAL PARTS
MAY NOT APPEAR
AS SHOWN
116
I
55
59
_--87
@m83
_m34
m85
72
I
@
42

TRACTOR -MODEL NO. YTH2042
TUFFTORQ TRANSAXLE MODEL NUMBER K46BT
KEY PART
NO. NO. DESCRIPTION
7 414395 Vent Valve 15
8 414396 Magnet
9 414397 Magnet Holder
10 415923 Pump Shaft/bearing Kit
13 414398 Bypass Lever
15 414399 Sealing Cap 30
16 414400 Snap Ring C 35
19 414401 O-ring la Pl0a
20 414402 Seal Tc 153507
33 414403 Pump Shaft (Standard)
34 414404 E-ring 15
35 414405 Bearing 6202c3
53 414431 Control Lever F
55 415924 Washer 12
58 415925 Roll Pin 6*40
59 415926 O-ring la P14
60 415927 Nut 12
72 414407 Seal 19 * 32 * 8
76 414408 Brake Lever
78 414409 Brake Return Spring
80 414410 Spring Pin 5 * 32
81 414411 0-ring laP12
82 414412 Spring Pin 4" 16
83 414413 Spine Collar
84 414414 Pulley L
85 414415 Fan, Black
86 414416 Wave Washer
87 414417 Snap Ring
90 414418 Spring Pin 3.0a * 20
91 414419 Oil Seal 16 * 22 *.03
95 414850 Spring Pin 3.0a'16
96 414420 Roll Pin 3.5*40
115 415928 Switch 6440-11 Delta
116 415929 Switch Bracket
117 415930 Tapping Screw 8 * 20
NOTE: All component dimensions given in U.S. inches.
1 inch = 25.4 mm
43

TRACTOR -MODEL NO. YTH2042
BRIGGS AND STRATTON ENGINE- MODEL 31 P977 NUMBER 0575-E1
3 fC_l
25_ 27 _-;>
3O
307
358 ENGINE GASKET SET
868 _,
12 943 ©
1 O22
1266,
552 _
691 _¢?
24
/Ji "'--.
584
9 _,9
1264_
758_ 1270
1058 OWNER'S MANUAL
[ 1036 EMiSSiONS LABEL
I 48 SHORT BLOCK
I 1330 REPAIR MANUAL
i 1329 REPLACEMENT ENGINE /
]
I
750 ,_
15e
22
12
200 415 @
44 1027 'L _

TRACTOR -MODEL NO. YTH2042
BRIGGS AND STRATTON ENGINE - MODEL 31 P977 NUMBER 0575-E1
238 ©
1022
1022
35
1095 VALVE GASKET SET
5
1022
868 ¢',
13 _,<"_ _' _z
1026_- __
383
842/"-It _
5240
914
102_
616
404 45 _2_ _#
614_ /
'I_505
216_ f 202.f "fZZ _ 222_'-'_'_ *_1¢
/267 %
334
1119_
45

TRACTOR -MODEL NO. YTH2042
BRIGGS AND STRATTON ENGINE- MODEL 31 P977 NUMBER 0575-E1
51
lO_
104
276
1127
%
6OlQ
1266
1266A
51
121 CARBURETOR OVERHAUL KiT
95
1O4
105
987
127(_
1266
46

TRACTOR -MODEL NO. YTH2042
BRIGGS AND STRATTON ENGINE - MODEL 31 P977 NUMBER 0575-E1
968
305A
643
1267
1040
3o5_
51s_@J
579¢
462
8Ol 'JS* '
544
803
70_ 311
802 _4..__J
729
697 _'
./;/_ }
74
73
1070
363
1005
47

TRACTOR -MODEL NO. YTH2042
BRIGGS AND STRATTON ENGINE- MODEL 31 P977 NUMBER 0575-E1
KEY PART KEY PART
NO. NO. DESCRIPTION NO. NO. DESCRIPTION
1 697174 Cylinder Assembly 130 792747 Valve-Throttle
2 399265 Kit-Bushing!Seal (Magneto Side) 131 792765 Kit-Throttle Shaft
3 391086s • Seal-Oil (Magneto Side) 133 694914 Float-Carburetor
4 697188 Sump-Engine 135 698780 Tube-Fuel Transfer
5 792770 Head-Cylinder 137 698781 G Gasket-Float Bowl
7 699168 ,+ Gasket-Cylinder Head 141 792777 Kit-Choke Shaft
9 697109 • Gasket-Breather 146 691639 Key-Timing
11 697113 Tube-Breather 187 791805 Line-Fuel
12 697110 • Gasket-Crankcase 188 691693 Screw (Control Bracket)
13 690360 Screw (Cylinder Head) 192 691986 Adjuster-Rocker Arm
15 690946 Plug-Oil Drain 202 691841 Link-Mechanical Governor
16 697127 Crankshaft 209 692208 Spring-Governor
20 690947 • Seal-Oil (PTO Side) 216 691840 Link-Choke
22 692125 Screw (Crankcase Cover/Sump) 222 694042 Bracket-Control
23 693557 Flywheel 227 691374 Lever-Governor Control
24 222698s Key-Flywheel 232 691842 Spring-Governor
25 791937 Piston Assembly (Standard) 238 691843 Cap-Valve
26 791936 Ring Set (Standard) 240 394358s Filter-Fuel
27 698469 Lock-Piston Pin 265 691024 Clamp-Casing
28 697099 Pin-Piston 267 695134 Screw (Casing Clamp)
29 791631 Rod-Connecting 276 695410 O Washer-Sealing
32 791118 Screw (Connecting Rod) 304 698599 Housing-Blower
33 791934 Valve-Exhaust 305 697102 Screw (Blower Housing)
34 791935 Valve-Intake 305A 697103 Screw (Blower Housing)
35 691279 Spring-Valve (Intake) 306 697107 Shield-Cylinder
36 691279 Spring-Valve (Exhaust) 307 691003 Screw (Cylinder Shield)
37 697352 Guard-Flywheel 309 693551 Motor-Starter
42 499586 Retainer-Valve 310 690323 Bolt (Starter Motor)
43 691968 Slinger-Governor/Oil 311 497608 Brush Set
45 690564 Tappet-Valve 333 492341 Armature-Magneto
46 791942 Camshaft 334 691061 Screw (Magneto Armature)
48 N/A Short Block 337 491055s Plug-Spark
50 690193 Manifold-Intake 358 697191 Gasket Set-Engine
51 692137 ,G+ Gasket-Intake 363 19203 Flywheel Puller
53 690227 Stud (Carburetor) 383 89838s Wrench-Spark Plug
54 691148 Screw (Intake Manifold) 404 691691 Washer (Governor Crank)
73 697133 Screen-Rotating 415 690283 Plug
74 697897 Screw (Rotating Screen) 431 697122 Elbow-Intake
78 691003 Screw (Flywheel Guard) 445 698083 Filter-Air Cleaner Cartridge
94 695425 Kit-Idle Mixture 462 691261 Washer (Starter Cable)
95 690718 G Screw (Throttle Valve) 474 696459 Alternator
98 695408 Kit-Idle Speed 503 691532 Strap-Starter
104 694918 O Pin-Float Hinge 505 691251 Nut (Governor Control Lever)
105 696136 G Valve-Float Needle 510 693699 Drive-Starter
108 695419 Valve-Choke 513 692024 Clutch-Drive
117 792296 Jet-Main (Standard) 523 699908 Dipstick
121 792369 Kit-Carburetor Overhaul 524 691032 • Seal-Dipstick Tube
125 792768 Carburetor 525 697184 Tube-Dipstick
127 690727 G Plug-Welch 544 692034 Starter-Armature
48

TRACTOR -MODEL NO. YTH2042
BRIGGS AND STRATTON ENGINE - MODEL 31 P977 NUMBER 0575-E1
KEY PART KEY PART
NO. NO. DESCRIPTION NO. NO. DESCRIPTION
552 897144
562 891119
579 891029
584 897112
801 791850
814 891820
818 892012
817 892138
834 898779
835 891909
843 898401
854 890958
884 897157
891 892407
897 890372
718 890959
729 891224
741 897128
750 790832
757 897807
758 897134
759 897392
783 893713
789 898329
797 893187
801 891283
802 891288
803
G
O
830 891095
842 891031
847 790442
851 892424
888 890988 "+
877 393458
914 891108
943 890589
947 899915
985 499813
987 897015
988 898403
975 899502
987 898777 G
1005 899043
1017 890770
1022 272475s "+
1023 791079
Bushing-Governor Crank 1024
Bolt (Governor Control Lever) 1026
Nut (Starter Cable)
Cover-Breather Passage 1027
Clamp-Hose 1029
Pin-Cotter 1034
Crank-Governor 1035
SeaI-O Ring (Intake Manifold) 1036
Spring/Seal Assembly (Choke A 1040
Matic) 1044
Boot-Spark Plug 1051
Retainer-Air Filter 1058
Nut (Carburetor) 1059
Screw (Breather Passage Cover) 1070
Seal-Governor Shaft 1090
Screw (Drive Cap) 1091
Pin-Locating 1095
Clip-Wire 1119
Gear-Timing 1127
Screw (Oil Pump Cover) 1263
Link-Counterweight 1264
Counterweight 1266
Pin-Counterweight 1266A
Gear-Pinion 1267
Harness-Wiring 1270
Nut (Brush Retainer) 1329
Cap-Drive
Cap-End
Housing-Starter (For service order
complete starter motor reference
309) 1330
Stud (Rocker Arm)
SeaI-O Ring (Dipstick Tube)
Dipstick/Tube Assembly
Terminal-Spark Plug
Seal-Valve
Wire/Connector-Alternator
Screw (Rocker Cover)
SeaI-O Ring (Oil Pump Cover)
Solenoid-Fuel
Cover-Oil Pump
Filter-Pre Cleaner
Cover-Air Cleaner
Bowl-Float
Seal-Throttle Shaft
Fan-Flywheel
Screen-Oil Pump
Gasket-Rocker Cover
Cover-Rocker Arm
499054
692003
692011
492932s
691751
690822
693784
791932
699852
698139
691265
275935
698516
690372
691293
691333
690190
691183
695407
697124
697104
691917 "G
697123 G
697419
697156
31P977-0036
272147
Pump-Oil
Rod-Push (Intake)
Rod-Push (Exhaust)
Filter-Oil
Arm-Rocker
Guide-Push Rod
Shaft-Pump
Label-Emissions
Plate-Trim
Screw (Flywheel)
Ring-Retaining
Owner's Manual
Kit-Screw/Washer
Screw (Flywheel Fan)
Retainer-Brush
Cap-Limiter
Gasket Set-Valve
Screw (Alternator)
Screw (Float Bowl)
Reed-Breather
Screw (Breather Reed)
SeaI-O Ring (Intake Elbow)
SeaI-O Ring (Intake Elbow)
Latch-Blower Housing
Plug-AVS Counterweight
Replacement Engine (Transfer Muf-
fler and/or SparkArrester Assembly
from the original engine if suitable
for additional service or add new
parts as required)
Repair Manual
•Included in Engine Gasket Set, Key. No. 358
G Included in Carburetor Overhaul Kit, Key. No. 121
+ Included in Valve Gasket Set, Key. No. 1095
NOTE: All component dimensions given in U.S. inches
1 inch = 25.4 mm
49

SERVICE OTES
50

SUGGESTED GUIDE FOR SIGHTING SLOPES FOR SAFE OPERATION
8LO_ _
ONLY RIDE UP AND DOWN HILL,
NOT ACROSS HILL
15 DEGREES MAX.
i_ WARNING: To avoid serious injury, operate your tractor up and
down the face of slopes, never across the face. Do not mow
slopes greater than 15 degrees. Make turns gradually to prevent
tipping or loss of control. Exercise extreme caution when
changing direction on slopes.
1. Fold this page along dotted line indicated above.
2. Hold page before you so that its left edge is vertically parallel to a tree
trunk or other upright structure.
3. Sight across the fold in the direction of hill slope you want to measure.
4. Compare the angle of the fold with the slope of the hill.

532 41 06-58 Rev. 6 10.29.08 SBW HUSC vama _Printed in the U.S.A.