Halsey Taylor Ovl Ii Er Q Users Manual 97793C
OVL-II SR-Q to the manual 952d709d-24b5-49a2-af67-dcc3190066fe
2015-02-09
: Halsey-Taylor Halsey-Taylor-Ovl-Ii-Er-Q-Users-Manual-563370 halsey-taylor-ovl-ii-er-q-users-manual-563370 halsey-taylor pdf
Open the PDF directly: View PDF
.
Page Count: 12

1
OVLERQ*C OVLSRQ*C OVLESRQ*F OVLSERQ*F
97793C - 10/01
HALSEY TAYLOR OWNERS MANUAL
OVLTM Series Barrier-Free Water Coolers
Refrigerated Fountains with Back Panel
Figure 1 OVL-II ER-Q Figure 2 OVL-II SR-Q Figure 3 OVLII SER-Q Figure 4 OVL-II ESR-Q
Figure
1
2
3
4
Model
OVL-II ER-Q
OVL-II SR-Q
OVL-II SER-Q
OVL-II ESR-Q
Description
OVL-II Series - Extended Reach
OVL-II Series - Standard Reach
OVL-II Series - Dual Installation
OVL-II Series - Dual Installation
!
CAUTION:
Review these instructions before beginning installation. Be sure that installation
conforms to all plumbing, electrical and other applicable codes.
!WARNING:
When installation is complete, ensure these instructions are left in the plastic bag
provided inside the installed unit for future reference.
!
WARNING:
Service to be performed by authorized service personnel only.
INSTALLER
NOTE: It is common practice to ground electrical hardware such as telephones, computers and other devices to
available water lines. This can, however, cause electrical feedback in the plumbing circuit, which results in an
electrolysis effect occurring in the fountain. This may result in water which has a metallic taste to it or has a
noticeable increase in the metallic content of the water.
When inspecting plumbing circuit, remember the line may be grounded some distance from the installation,
and may occur outside the building or area in which the unit is being installed.
This condition can be avoided (in most cases) by using recommended materials during installation. Any drain
fittings provided by the installer should be made of plastic which will electronically isolate the fountain from the
remainder of the buildings plumbing circuits.

2
OVLERQ*C OVLSRQ*C OVLESRQ*F OVLSERQ*F
97793C - 10/01
NOTE: WATER FLOW
DIRECTION SERVICE STOP
(NOT FURNISHED)
BUILDING WATER INLET
3/8" O.D. UNPLATED
COPPER TUBE CONNECT
COLD WATER SUPPLY
1/4" O.D. TUBE
WATER INLET
TO COOLER
Parts List
OVL-II OVL-II OVL-II OVL-II See
Item Part No. Description ER-Q SR-Q SER-Q ESR-Q Fig.
126990C Bottom Cover Standard Reach - 1 1 1 23
26988C Bottom Cover Extended Reach 1 - 1 1 23
255836C Push Arm Actuator 1 1 2 2 20
55991C Push Arm Actuator A.G. 1 1 2 2 20
51546C Bubbler S.S. 1 1 2 2 23
3 45396C Bubbler A.G. 1 1 2 2 23
Bubbler EasyFlex (option) 1 1 2 2 -
4 100322740560 Bubbler Gasket 1 1 2 2 23
5160270508640 Strainer Plate S.S. 1 1 2 2 23
45400C Strainer Plate A.G. 1 1 2 2 23
6 101570540560 Drain Gasket 1 1 2 2 23
7 51575C Packing Ring 1 1 2 2 23
8 110346220550 Drain Nut 1 1 2 2 23
9 101637451550 Friction Ring 1 1 2 2 23
10 161637308640 Drain Plug S.S. 1 1 2 2 23
45398C Drain Plug A.G. 1 1 2 2 23
11 45683C Drain Tube 1 - 1 1 23
45682C Drain Tube - 1 1 1 23
12 100023340560 Waste Tube Gasket 1 1 2 2 23
13 161570808550 Slip Nut 1 1 2 2 23
14 61314C Regulator 1 1 2 2 22
15 50986C Regulator Holder 1 1 2 2 22
27006C Basin S.S. 1 1 2 2 23
27342C Basin A.G. 1 1 2 2 23
16 Basin Galaxy Gray Marblyte (option) 1 1 2 2 -
Basin Golden Sand Marblyte (option) 1 1 2 2 -
Basin Black Onyx Marblyte (option) 1 1 2 2 -
27000C Basin Liner S.S. 1 1 2 2 23
27344C Basin Liner A.G. 1 1 2 2 23
17 Basin Liner Galaxy Gray Marblyte (option) 1 1 2 2 -
Basin Liner Golden Sand Marblyte (option) 1 1 2 2 -
Basin Liner Black Onyx Marblyte (option) 1 1 2 2 -
Figure 5 Water Supply Connections
Installation Package
The components for installation are packed in three
separate boxes, regardless of the type of unit being
installed. The boxes contain the following:
Box No. 1: Wall Frame(s)
Box No. 2: Remote Chiller, SJ8-Q
Box No. 3: Fountain(s), Arm(s) and Panels
Additional materials, as noted in the Parts List, are also
shipped in these boxes.
Number Required

3
OVLERQ*C OVLSRQ*C OVLESRQ*F OVLSERQ*F
97793C - 10/01
OVL-II OVL-II OVL-II OVL-II See
Item Part No. Description ER-Q SR-Q SER-Q ESR-Q Fig.
18 70861C Screw #10-24 x 2 112223
19 55840C Top Plate Actuator 112220
20 55839C Bottom Plate Actuator 112220
27002C Extended Reach Arm S.S. 1 - 1 1 23
21 27338C Extended Reach Arm A.G. 1 - 1 1 23
27004C Standard Reach Arm S.S. - 1 1 1 23
27340C Standard Reach Arm A.G. - 1 1 1 23
22 26992C Regulator Mounting Bracket 112221
23 15005C Nut Retaining 112222
24 40045C Hex Nut Unplated 112222
25 27008C Reaction Bracket 112221
26 70856C Screw #10-24 x 0.38 PHMS 112221
27 70854C Rod Pivot 112221
28 50198C Bushing Snap 112221
29 51468C Bumper Regulator Valve Assy 112221
30 22646C Regulator Arm Assembly 112221
31 22635C Arm Regulator Adjustment 112221
22797C Upper Panel (OVL-II ER) S.S. 1 - - - 13, 23
27885C Upper Panel (OVL-II ER) A.G. 1 - - - 13, 23
22799C Upper Panel (OVL-II SR) S.S. - 1 - - 13, 23
32 27887C Upper Panel (OVL-II SR) A.G. - 1 - - 13, 23
26958C Upper Panel (OVL-II SER) S.S. - - 1 - 13, 23
27889C Upper Panel (OVL-II SER) A.G. - - 1 - 13, 23
22795C Upper Panel (OVL-II ESR) S.S. - - - 1 12, 23
27891C Upper Panel (OVL-II ESR) A.G. - - - 1 12, 23
26833C Lower Panel (OVL-II ER-Q/SR-Q) S.S. 1 1 - - 15, 23
33 27893C Lower Panel (OVL-II ER-Q/SR-Q) A.G. 1 1 - - 15, 23
27026C Lower Panel (OVL-II SER-Q/ESR-Q) S.S. - - 1 1 15, 23
27895C Lower Panel (OVL-II SER-Q/ESR-Q) A.G. - - 1 1 15, 23
34 55996C Strainer 112217, 18
35 70870C Union 3/8 1 1 - - 17
36 70745C Union 3/8 x 1/4 111117, 18
37 70852C Tee 3/8 - - 1 1 18
N-S 27089C Upper Panel Hanger Bracket 1 1 - - -
N-S 27090C Upper Panel Hanger Bracket - - 1 1 -
N-S 15008C Bubbler Nipple Assembly 1122-
N-S 56092C Tubing Poly (Cut To Length) 1111-
NOTE: S.S. means Stainless Steel
A.G. means Aztec Gold
N-S means not shown.
Parts List Continued

4
OVLERQ*C OVLSRQ*C OVLESRQ*F OVLSERQ*F
97793C - 10/01
Figure 6 OVL-II SER-Q Rough-In
Figure 7 Rough-In Assembly
Dual-Station Mounting Frames
Models
OVL-II SER-Q OVL-II ESR-Q
1. Cut a rectangular wall opening 37-1/2 (953 mm) W x
37-3/4 H (959 mm) and 4-1/2 (114 mm) above the
floor line (see Figure 7). The dimensions are required
to obtain proper rim and bubbler heights for
compliance with ANSI standard A117.1.
2. Reinforce the wall opening on all sides to adequately
support the water fountain. This reinforcement must
support up to 150 lbs. static load and provide a
means for securing the frame assembly in place.
NOTE: Building construction must allow for
adequate air flow on both sides and top of
remote chiller unit a minimum of 4 (102
mm) is required.
3. Install plumbing and electrical rough-ins. A junction
box for a (3) wire, 10 amp branch circuit is provided on
the inside of the chiller. (Standard 120 Volts, 60 Hz,
and single phase.)
4. Remove frames and related hardware from
packaging. Release the two shelf rods by cutting
cable ties. Attach the two frames together through the
upright supports with (4) 5/16 x 3/4 (19 mm) long
bolts and nuts (not provided). Tighten securely.
REVERSED CONFIGURATION:
HIGHER UNIT ON THE RIGHT
MAKE SURE FRAME CONFIGURATION MATCHES
THE COOLER TO BE INSTALLED
STANDARD CONFIGURATION:
HIGHER UNIT ON THE LEFT

5
OVLERQ*C OVLSRQ*C OVLESRQ*F OVLSERQ*F
97793C - 10/01
Legend
Item Description
A 3/8 O.D. Tube - Water Outlet Connection
B 3/8 O.D. Tube - Water Inlet Connection
C 1-1/4 O.D. Tube - Waste Tube - Not provided
D Electrical Inlet on Chiller
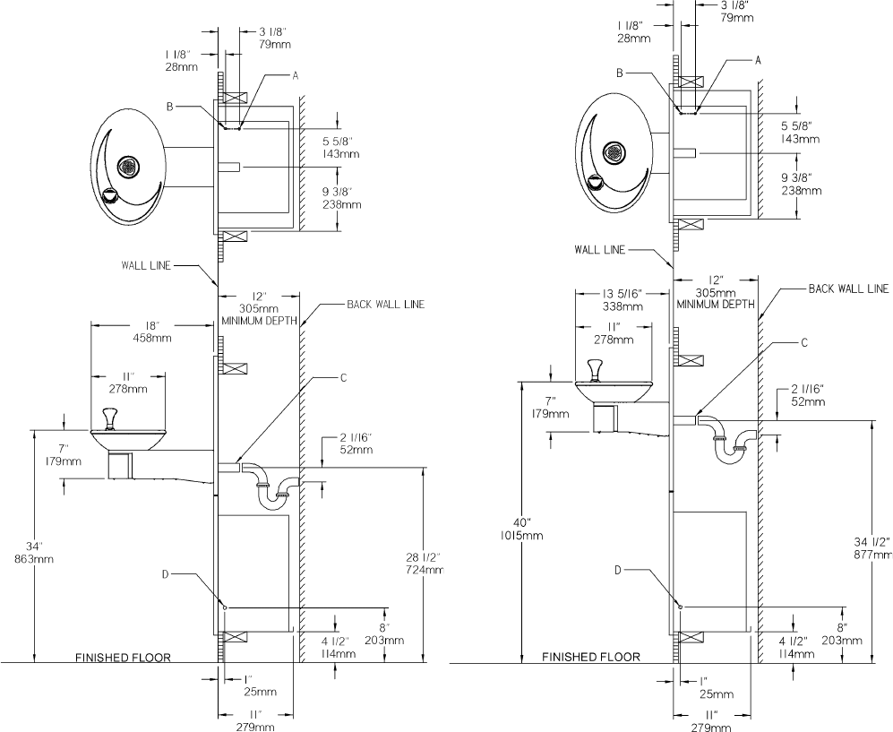
Figure 8 OVL-II SER-Q/OVL-II ESR-Q Rough-In Dimensions
5. Install the frame assembly squarely in wall opening
with frame upright support edges flush with the
finished wall face. Secure the frame to the wall
through holes with (12) 5/16 bolts or screws (not
provided). Tighten securely.
NOTE: Be sure that frame is squared in location. Do
not use less than required screw quantity
and size.
6. Attach the chiller shelf support rods to the right side
of the frame uprights at the second set of holes
counting from the bottom and to the shelf at the (2)
side holes. Line up the other shelf holes with the
frame bottom holes and fasten the assembly to the
wall opening using appropriately sized screws or
bolts and nuts (not provided).

6
OVLERQ*C OVLSRQ*C OVLESRQ*F OVLSERQ*F
97793C - 10/01
Figure 9 OVL-II ER-Q/OVL-II SR-Q Rough-In
Figure 10 Rough-In Assembly
Single-Station Mounting Frames
Models
OVL-II ER-Q OVL-II SR-Q
1. Cut a rectangular wall opening 18-3/4
(475 mm) W x 37-3/4 H (959 mm) and 4-1/2 (114 mm)
above the floor line (see Figure 10). The dimensions
are required to obtain proper rim and bubbler heights
for compliance with ANSI standard A117.1.
2. Reinforce the wall opening on all sides to adequately
support the water fountain. This reinforcement must
support up to 150 lbs. static load and provide a
means for securing the frame assembly in place.
NOTE: Building construction must allow for adequate
air flow on both sides and top of remote
chiller unit. Minimum of 4 (102 mm) is
required.
3. Install plumbing and electrical rough-ins. A junction
box for a (3) wire, 10 amp branch circuit is provided on
the inside of the chiller. (Standard 120 Volts, 60 Hz,
and single phase.)
4. Remove frame and related hardware from
packaging. Release the two shelf rods by cutting
cable ties.

7
OVLERQ*C OVLSRQ*C OVLESRQ*F OVLSERQ*F
97793C - 10/01
5. Install the frame squarely in wall opening with frame
upright edges flush with the finished wall surface.
Place shelf inside frame and line up the (2) holes on
each. Insert loose ends of rods into holes on sides of
shelf panel. Using appropriately sized screws or bolts
Legend
Item Description
A 3/8 O.D. Tube - Water Outlet Connection
B 3/8 O.D. Tube - Water Inlet Connection
C 1-1/4 O.D. Tube - Waste Tube - Not provided
D Electrical Inlet on Chiller
Figure 11 OVL-II ER-Q/SR-Q Rough-In Dimensions
(not provided), fasten the shelf and frame to the
bottom of wall opening. Secure the frame sides and
top to the wall opening using (10) 5/16 bolts or
screws (not provided).
NOTE: Be sure that frame is squared in location. Do
not use less than the required screw quantity
and size.
MODEL OVL-ER MODEL OVL-SR

8
OVLERQ*C OVLSRQ*C OVLESRQ*F OVLSERQ*F
97793C - 10/01
5. Install fountain: Remove access cover plate on
underside of fountains and SAVE the screws. Mount
the fountains to the upper panel and frame with
(4) 5/16 x 3/4 (19mm) long bolts and nuts provided.
Tighten securely.
6. Remove elbow from end of p-trap and attach it to
drain tube. Re-attach elbow to p-trap and cut waste
tube to required length using plumbing hardware and
trap as a guide.
7. Make connection between remote chiller outlet tube
and fountain strainer. Insert the water inlet line into
inlet side of strainer by pushing it in until it reaches a
positive stop, approximately 3/4 (19mm). Turn on
water supply and check for leaks.
REQUIRED TOOLS AND MATERIALS
These tables show special tools and/or additional
materials (not provided) which are necessary to complete
installation of these units:
Special Tools
Item Description Quantity
NONE
Additional Materials
Item Description Quantity
1 Unplated copper inlet pipe
2 Service Stop
OVL-II ER-Q/SR-Q/SER-Q/ESR-Q INSTALLATION
1. Assemble and place frame in wall as shown on
preceding pages.
2. Install chiller: Remove front panel of chiller. Remove
and discard cardboard inner pack from between
compressor and side panel. Slide chiller onto the
shelf and position it to the left within the guides on the
shelf.
NOTE: Building construction must allow for
adequate air flow on both sides, top and
back of chiller. A minimum of 4 (102mm) on
both sides and top is required. See chiller
installation for additional instructions.
3. Make water supply connections: Attach an unplated
copper water inlet line and a service stop (not
provided) to the chiller. Inlet port is marked on the
chiller (3/8 O.D. copper tube). Bend the copper tube
(provided) at an appropriate length from the chiller to
opening in frame. Install a 3/8 O.D. tube tee fitting
(provided) on the marked chiller outlet port. Turn on
the water supply and flush the line thoroughly.
4. Hang the upper panel on the mounting frame
hanger: Align holes in the panel with the holes in the
mounting frame. Be sure that panel is engaged with
hanger at top of frame before releasing it.
Note: With OVL-II SER-Q or OVL-II ESR-Q models, the
standard reach fountain must be mounted at the
upper position on panel.
Figure 12 Chiller Installation
Figure 14 Fountain Installation
Figure 13 Upper Panel Installation

9
OVLERQ*C OVLSRQ*C OVLESRQ*F OVLSERQ*F
97793C - 10/01
!
CAUTION:
DO NOT SOLDER tubes into the
strainer as damage to o-rings may
result.
8. These products are designed to operate on 20-105
PSIG supply line pressure. If inlet pressure is above
105 PSIG, a pressure regulator must be installed in
the supply line.
!
CAUTION:
Any damage caused by connecting
these products to a supply line with
pressure lower than 20 PSIG or
higher than 105 PSIG IS NOT
covered under warranty.
9. Make electrical connections to the chiller. See
chiller instructions.
10. Check stream height from bubbler. Stream height is
factory set at 45-50 PSI. If supply pressure varies
greatly from this, remove items 2, 19, and 20 (push
arm and the bottom and the top actuator plates
Figure 20) by removing the screws holding assembly
together and adjust the screw on the regulator (Item
26 Figure 21). Clockwise adjustment will raise
stream height and counterclockwise movement will
lower stream height. For best adjustment, stream
height should be approximately 1-1/2 (38mm) above
the bubbler guard. (See Figure 16).
11. Mount lower panel. Loosen the two (2) #10-24 x 5/8
(16mm) screws at frame bottom lip. Slide upper
tongue of lower panel under lower edge of already
installed upper panel. Tighten previously loosened
screws securely.
12. Replace bottom access panel to fountain basin
using screws provided. Tighten securely.
CHILLER
OUTLET
TO BUBBLER
CHILLER
INLET
37
TO BUBBLER
34
36
CHILLER
OUTLET
TO BUBBLER
CHILLER
INLET
35
34
36
Figure 15 Lower Panel Installation
Figure 17 OVL-II ER-Q/SR-Q Tube Routing
Figure 16 Stream Height
Figure 18 OVL-II SER-Q/ESR-Q Tube Routing

10
OVLERQ*C OVLSRQ*C OVLESRQ*F OVLSERQ*F
97793C - 10/01
TROUBLESHOOTING & MAINTENANCE
Orifice Assembly: Mineral deposits on orifice can cause
water flow to spurt or not regulate. Mineral deposits may
be removed from the orifice by poking with a small round
file not over 1/8 diameter, or using a small diameter wire.
!
CAUTION:
DO NOT file or cut orifice
material.
Stream Regulator: If orifice is clean, regulate flow as in
Step 10 of the installation instructions. If replacement is
necessary, see parts list for correct regulator part number.
Actuation of Quick Connect Water Fittings: Cooler is
provided with lead-free connectors which utilize an o-ring
water seal. To remove tubing from the fitting, relieve water
pressure, push in on the gray collar while pulling on the
tubing. (See Figure 19) To insert tubing, push tube
straight into fitting until it reaches a positive stop (approxi-
mately 3/4).
PUSHING TUBE IN BEFORE
PULLING IT OUT HELPS TO
RELEASE TUBE
PUSH IN COLLET
TO RELEASE TUBE
SIMPLY PUSH IN
TUBE TO ATTACH TUBE IS
SECURED
IN POSITION
!
CAUTION:
Cleaning of Aztec Gold Models
requires special care. Outer
surfaces must be cleaned with
mild detergent or a mixture of
vinegar and water only, rinsed and
wiped dry. Abrasive and acidic
cleaners may eventually damage
the Aztec Gold finish.
Figure 19 Quick Connect Fittings
Figure 21 Regulator Mounting Mechanism
Figure 20 Push Arm Mechanism
28

11
OVLERQ*C OVLSRQ*C OVLESRQ*F OVLSERQ*F
97793C - 10/01
Figure 22 Regulator Assembly
Figure 23 Fountain Assembly - Side View
23
14
24
REGULATOR MOUNTING BRACKET
15
7
18
10
6
5
See Fig. 20
3, 4
16
21
See Fig. 22
32
8
17
12
13
9
1
See Fig. 21
8
11

12
OVLERQ*C OVLSRQ*C OVLESRQ*F OVLSERQ*F
97793C - 10/01
2222 CAMDEN COURT
OAK BROOK, IL 60523
630.574.3500
PRINTED IN U.S.A. FOR PARTS, CONTACT YOUR LOCAL DISTRIBUTOR OR CALL 1.800.323.0620