Hearth and Home Technologies RF-5A FIREPLACE REMOTE CONTROLS User Manual 100 906
Hearth & Home Technologies FIREPLACE REMOTE CONTROLS 100 906
USERS MANUAL

1
FOR
REVIEW
O
NLY
FCC REQUIREMENTS
WARNING: CHANGES OR MODIFICATIONS TO
THIS UNIT NOT EXPRESSLY APPROVED BY
THE PARTY RESPONSIBLE FOR COMPLIANCE
COULD VOID THE USER'S AUTHORITY TO
OPERATE THE EQUIPMENT.
NOTE: This equipment has been tested and found to
comply with the limits for a Class B digital device, pur-
suant to Part 15 of the FCC Rules. These limits are
designed to provide reasonable protection against harm-
ful interference in a residential installation. This equip-
ment generates, uses, and can radiate radio frequency
energy and, if not installed and used in accordance
with the instructions, may cause harmful interference
to radio communications. However, there is no guaran-
tee that interference will not occur in a particular instal-
lation.
Canadian Equipment Requirements
This digital apparatus does not exceed the (Class A/
Class B)* limits for radio noise emissions from digital
apparatus set out in the Radio Interference Regulations
of the Canadian Department of Communications. Le
present appareil numerique n'emet pas de bruits
radioelectriques depassant les limites applicables aux
appareils numeriques (de la class A/de la class B)*
prescrites dans le Reglement sur le brouillage
radioelectrique edicte par le ministere des Communi-
cations du Canada.
This device complies with RSS-210 of Industry and Sci-
ence Canada. Operation is subject to the following two
conditions: (1) this device may not cause interference,
and (2) this device must accept any interference, in-
cluding interference that may cause undesired opera-
tion of the device.
Hearth & Home Technologies Inc.
20802 Kensington Boulevard, Lakeville, MN 55044
100-906E 4/06
SMART-STAT-II Remote Control Kits
- Installation and Operating Instructions -
INTRODUCTION
The remote control system can be operated thermo-
statically or manually from the transmitter. The system
operates on radio frequencies (RF) within a 20 foot range.
Can be used with DSI, IPI or Standing Pilot systems.
This remote control kit has a hand held transmitter that
can be used as a remote on/off or as a thermostat. The
transmitter display shows the current room tempera-
ture, target temperature, timer setting, on/off status,
low battery indicator, current time and burner/valve op-
eration. Electrical ratings for the receiver are: 110 VAC,
60 Hz.
If pertinent, see additional fireplace wiring diagrams on
pages 8 to 10.
INSTALLATION PRECAUTIONS
This remote control kit is tested and safe when installed
in accordance with this installation manual. Installa-
tion of this kit MUST be done by a qualified service
technician. It is the responsibility of the installer to read
all instructions before starting installation and to follow
these instructions carefully during installation. Modifi-
cation of the remote control system or any of its com-
ponents will void the warranty and may cause a fire
hazard.
NOTE: The factory installed junction box in the
gas fireplace must be wired with 110 VAC before
installing this kit. See Installation Instructions sec-
tion.
CAUTION: All wiring should be done by a qualified
electrician and shall be in compliance with local codes
and with the National Electric Code ANSI/NFPA No.
70-current (in the United States), or with the current
CSA C22.1 Canadian Electric Code (in Canada).
WARNING: DO NOT CONNECT 110-120 VAC
WIRING TO THE GAS CONTROL VALVE OF
THIS APPLIANCE.
This device complies with Part 15 of the FCC Rules.
Operation is subject to the following two conditions:
1)•This device may not cause harmful interference.
2)•This device must accept any interference received
including interference that may cause undesired operation
FCC NOTE:
THE MANUFACTURER IS NOT RESPONSIBLE FOR ANY RADIO OR TV
INTERFERENCE CAUSED BY UNAUTHORIZED MODIFICATIONS TO THIS
EQUIPMENT. SUCH MODIFICATIONS COULD VOID THE USER'S
AUTHORITY TO OPERATE THE EQUIPMENT.

2
FOR
REVIEW
O
NLY
Figure 1
REMOTE RECEIVER
Important: The remote receiver should be posi-
tioned close to front in right or left corner.
The remote receiver is powered by 110-120VAC. It plugs
into a standard polarized duplex receptacle.
Locating Receiver and Operating Functions
This remote receiver can be positioned under the fire-
box in the control compartment of the fireplace if ambi-
ent temperatures do not exceed 1700 F. This system is
designed to remotely operate the gas valve.
INSTALLATION INSTRUCTIONS
Installing Electrical Service to the Junction Box
WARNING: TURN ELECTRICAL POWER OFF
AT THE CIRCUIT BREAKER BEFORE BEGIN-
NING THIS INSTALLATION.
NOTE: Some appliances do not have a cover plate.
Instead, there is a hole through which the Romex clamp
is attached to the outer wrap.
1. Remove the electrical cover plate from the lower
side of the fireplace. Remove the knock-out from
the plate and attach the Romex clamp (screws to
the outside) (see Figure 1).
2. Feed the electrical service wires
through the Romex clamp and secure
the wires to the clamp.
3. Using the wire nuts provided, connect
the service wires to the junction box.
The black wires to the black service
wire, the white wires to the white ser-
vice wire, and the service ground wire
to the ground stud of the junction box.
4. Re-attach the cover plate to the out-
side of the fireplace.
WARNING: LEAVE ELECTRICAL
POWER OFF AT THIS TIME. DO
NOT RESTORE POWER UNTIL
THE REMOTE CONTROL SYSTEM
IS COMPLETELY INSTALLED.
ACCESS HOLE
COVER
PLATE
110 VAC
SERVICE
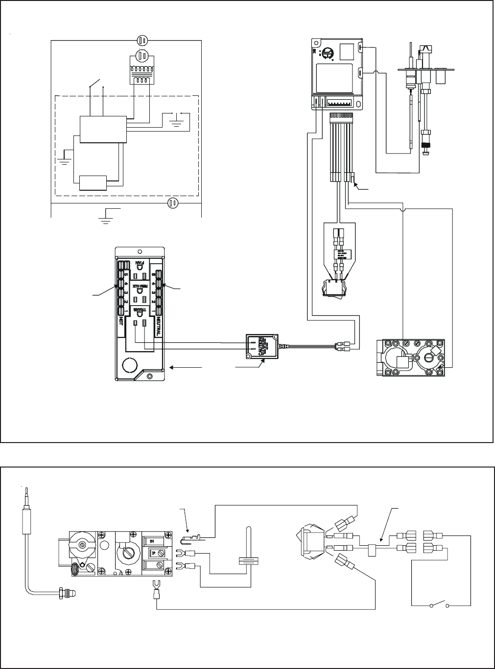
RECEIVER WIRING INSTRUCTIONS
Incorrect wiring connections WILL cause damage to the
gas valve or electronic module operating the gas appli-
ance and may also damage the remote receiver.
Wiring Millivolt Valves
Connect the remote receiver by connecting each of the
two wires leading from the remote receiver to either of
the two wire TH terminals on the gas valve (see Fig-
ure 2). Normally it does not matter which wires go to
which terminal.
Figure 2. Wiring Millivolt Valves
Alternative Wiring for units with a wall switch
Disconnect the wall switch wire from the TH terminal on the valve and
connect this wire to male connector supplied on the receiver. Con-
nect remaining female connector from receiver to the TH terminal on
the valve.
REMOTE
RECEIVER
THERMOPILE/
PILOT LIGHT
TERMINAL BLOCK
ON MILLIVOLT GAS VALVES
TH
TP
WALL
SWITCH
TP TH

3
FOR
REVIEW
O
NLY
Wiring Electronic Spark Ignitions
The remote control receiver can be wired, in series, to a
24VAC transformer, which controls an electronic igni-
tion module (see Figure 3).
1. Connect the neutral wire from the 24VAC transformer
to the TR (transformer) terminal on the Electronic
Module.
2. Connect the hot wire from the 24VAC transformer to
either of the wires from the remote receiver.
3. Connect the other wire from the receiver to the TH
(thermostat) terminal on the Electronic Module.
Figure 3. Wiring Electronic Spark Ignitions
The remote receiver has a 3-position slide switch: OFF/
REMOTE/ON (see Figure 4).
Figure 4. Remote Receiver
NOTE: The remote receiver will only respond to
the transmitter when the 3-position slide button on
the remote receiver is in the Remote position. If
the system does not respond to the transmitter on
initial use, see section Matching Security Codes.
1. With the slide switch in the ON position, the system
is on.
2. With the slide switch in the REMOTE position, the
system only operates if the remote receiver receives
commands from the transmitter.
3. With the slide switch in the OFF position, the system
is off.
NOTE: The slide switch should be placed in the OFF
position if you will be away from your home for an ex-
tended period of time. Placing the switch in the OFF
position also functions as a safety “lock out” by turning
the system off and rendering the remote receiver inop-
erative.
TRANSMITTER
Important: Before operating remote control, trans-
mitter and receiver must have matching security
codes. See section ‘Matching Security Codes’.
Important: Review ‘Communication-Safety Features’
under ‘Transmitter Safety Features’ section. The com-
munication safety features shut down the fireplace sys-
tem when a potentially unsafe condition exists.
Important: Review ‘Auto Shutdown’ section. This
safety feature shuts down the fireplace after 9 hours of
continuous operation, in ON mode only.
Important: New or fully charged batteries are essen-
tial for proper operation of the multi-function transmit-
ter. The transmitter operates on 2 AAA-size 1.5V bat-
teries. Use Alkaline batteries for longer battery life and
maximum operational performance.
Insert 2 AAA-size 1.5V batteries into the battery com-
partment on the back of the transmitter. When the bat-
teries are correctly inserted, the screen will display
numbers (see Figure 5 for LCD Display Screen).
NOTE: If the transmitter is activated from a very cold
condition it may be necessary to allow the transmitter
to stabilize to room temperature (could take up to 15
minutes) before accurate room temperatures are dis-
played on the screen.
NOTE: LCD screen is equipped with a “backlite” for
easier viewing of LCD screen. Backlite illuminates when
a function button is depressed. After 5 seconds elapses,
LCD screen will return to its normal state.
WIRE
TERMINALS
ON/OFF
REMOTE SLIDE SWITCH
ELECTRONIC MODULE
TR TH
NEUTRAL
WIRE
110/24VAC
TRANSFORMER
24VAC
HOT WIRE
120VAC
REMOTE
RECEIVER

4
FOR
REVIEW
O
NLY
MATCHING SECURITY CODES
It may be necessary to program the remote receiver to
the security code of the transmitter upon initial use, if
batteries are replaced, or if a replacement transmitter
is purchased from your dealer. To program the remote
receiver:
1. Set the slide button on the receiver to the REMOTE
position.
2. Push the LEARN button (one beep will be heard) on
the top of the remote receiver.
3. Then press the MODE button on the transmitter.
Several beeps indicate the transmitter’s code has
been programmed into the receiver. When an exist-
ing receiver is matched to a new transmitter, the
new security code will overwrite the old one. NOTE:
When the LEARN button is depressed, “beeping”
sounds should be heard. If no “beeping” is heard
check to see that the receiver has 110-120VAC
power to it.
If you are unsuccessful in matching the security code
on the first attempt, wait 1-2 minutes before trying again.
Figure 5. Transmitter LCD Display Screen
1. LOW - Battery power low. Replace batteries within two weeks.
2. TIMER - Indicates time remaining before system shuts off, when timer-programmed,
9 - hour maximum setting.
3. MODE - Indicates operation MODE of system. ON indicates the system is on, either
manually or thermostatically. THERMO indicates the system will automatically cycle
ON/OFF, depending on programmed SET tem-
perature. OFF indicates the entire system is
turned off.
4. SET - Indicates desired SET room temperature
for THERMO operation.
5. FLAME - Indicates burner/valve operational.
6. CLOCK - Indicates the current time in AM/PM.
7. ROOM - Indicates CURRENT room temperature.
8. OF - Indicates degrees Fahrenheit (0C indicates
degrees Celsius).
Transmitter Settings
Flip open the plastic cover on the front of the transmit-
ter to expose the “SET” buttons.
NOTE: Flashing numbers on the display indicate the
system is waiting for input, such as using the UP and
DOWN buttons to program a new setting. If no change
is made to flashing digits within 15 seconds, the sys-
tem will complete the procedure last programmed and
reset the display to its normal state.
Setting the Clock
1. Press and hold the TIMER/TIME button on the trans-
mitter for more than two seconds. The hour digit(s)
will begin flashing (see Figure 5, Location #6).
2. Press the UP or DOWN button until the desired hour
is displayed in AM or PM.
3. After setting the desired hour, press and release the
TIMER/TIME button again to set the minutes; the
minute digits will begin flashing.
4. Press the UP or DOWN button until the desired min-
utes are displayed.
5. Press and hold the TIMER/TIME button again for
more than two seconds. The time digits will cease
flashing, indicating the clock has been successfully
set. You may also press the SET button on the trans-
mitter to stop the time digits from flashing and set
the time.
OPERATING INSTRUCTIONS
To operate the system, press the MODE button (Fig-
ure 5) on the transmitter to select the operational MODE
desired.
• ON indicates the system is on, either manually, timed
or thermostatically.
• THERMO indicates the system will automatically
cycle ON/OFF, depending on programmed set tem-
perature.
• OFF indicates the entire system is turned off.
1
4
8
2
5
6
7
3
ON
OFF
FLAME
TIMER
AM
ROOM SET
F
F
THERMO
LCD DISPLAY SCREEN

5
FOR
REVIEW
O
NLY
Figure 6. Setting Button/Child Proof Lockout
Setting 0F/0C Scale
The factory setting for temperature is degrees Fahrenheit
(0F). To change this setting to degrees Centigrade (0C):
1. Remove the battery cover on the back of the trans-
mitter and locate the “setting button” at the top cen-
ter of battery compartment (see Figure 6).
2. Push setting button and 0F will begin flashing on the
LCD screen (see Figure 5, Location #4).
3. Push the DOWN button on the transmitter to change
0F to 0C.
4. Push “setting button” on transmitter and Centigrade
(0C) degree readings will display on LCD screen.
5. Repeat this process to change back to Fahrenheit
(0F) reading, this time pushing the UP button.
NOTE: LCD screen will return to normal state if set-
ting button is not pushed within 15 seconds.
Setting Desired Room Temperature -
Thermo Operations
This remote control system can be thermostatically
controlled when the transmitter is in the THERMO mode.
(THERMO must be displayed on the screen). The trans-
mitter will “sense” the room temperature every two min-
utes automatically turning the fireplace ON or OFF ther-
mostatically. To set the desired room temperature:
1. Press the MODE button to place the transmitter
into THERMO mode. THERMO ON or OFF will dis-
play.
2. Press the UP or DOWN button to select the desired
room temperature. The highest SET temperature is
990 F (370 C). The lowest SET temperature is 450 F
(70 C).
NOTE: To prevent repeated thermo-cycling of the gas
appliance, the sensing unit in the transmitter will only
activate the remote receiver when the temperature
change exceeds 10 F (-170 C) above or below the SET
(desired) temperature.
When the transmitter is in the THERMO mode, it should
be kept away from direct sources of heat such as fire-
places, incandescent lighting and direct sunlight. Leav-
ing the transmitter in direct sunlight, for example, will
cause it to read the room temperature higher than it
actually is.
Setting the Countdown Timer
This remote control system can operate with a built-in
countdown timer when the transmitter is in the ON or
THERMO modes (THERMO or ON must be displayed
on the LCD screen).
1. Press and release the TIMER/TIME button on the
transmitter. The word TIMER and 0:15 flash on the
screen (see Figure 5, Location #2).
2. Press the UP and DOWN button to begin advancing
through each of the countdown time options. Avail-
able countdown times are 15 min, 30 min, 45 min, 1
hour, 1 hr 30 min, and each additional half hour up
to nine hours.
3. To set the TIMER, press the SET button on the trans-
mitter. If the system is ON, it will remain on until the
“time” has expired. If the system is in the THERMO
mode, it will cycle on and off as the room tempera-
ture requires until the “time” has expired.
NOTE: When the timer is used in the THERMO mode,
the THERMO operation will discontinue when the “time”
has expired.
Low/Battery Indicator
An “X” outlined by a battery on the right side of the LCD
screen will appear when battery power has dropped
significantly. At this time, approximately two weeks of
battery power remains.

6
FOR
REVIEW
O
NLY
TRANSMITTER SAFETY FEATURES
It is recommended that the TRANSMITTERS always be
located within a 20 foot operating range of the fireplace,
preferably in the same room in which the fireplace sys-
tem is located. The TRANSMITTER features several
safety features that alert the user when the TRANSMIT-
TER is placed outside the 20 foot normal operating range.
Communication-Safety Features
This remote control has a COMMUNICATION-SAFETY
function built into its software. It provides an extra mar-
gin of safety when the TRANSMITTER is out of the nor-
mal 20 foot operating range of the receiver. It is also
activated when the batteries become weak or are re-
moved from the transmitter.
In the THERMO-UPDATING feature (only in the
THERMO or TIMER modes) the transmitter normally
reads the ROOM temperature every 2 minutes. In addi-
tion to checking the temperature, the transmitter sends
a signal to the receiver indicating that the transmitter
and its batteries are still active.
In the COMMUNICATION-SAFETY feature, at all times
and in all OPERATING MODES the transmitter sends a
signal every fifteen (15) minutes to the receiver, indicat-
ing that the transmitter is within the normal operating
range of 20 feet.
Should the receiver NOT receive a transmitter signal every
15 minutes (COMMUNICATION-SAFETY feature), the RE-
CEIVER will begin a 2 HOUR (120 minute) countdown
timing function. If during this 2 hour period, the receiver
does not receive a signal from the transmitter, the RE-
CEIVER will shut down the fireplace being controlled by
the receiver. The RECEIVER will then emit a series of
rapid “beeps”. Then, after 10 rapid “beeps”, the RECEIVER
will continue to emit a single “beep” every 4 seconds until
a transmitter signal is again received. The intermittent 4
seconds beeping will go on indefinitely until reset.
To “reset” the RECEIVER and operate the fireplace system:
1. Press the MODE button on the transmitter. The
word ON must display on the LCD screen. The COM-
MUNICATION -SAFETY operation is overridden and
the system will return to normal operation depend-
ing on the MODE selected at the transmitter.
We recommend the user check the batteries in the
TRANSMITTER to make sure the voltage is no less than
2.7 volts.
Auto Shutdown
This remote control has an Auto Shutdown feature in-
corporated into its system. When the transmitter MODE
is in the ON position the fireplace will continuously op-
erate for 9 hours. After 9 hours, the fireplace will shut
down. To relight the fireplace:
1. Press the MODE button.
The Auto Shutdown signal comes from the transmitter.
The transmitter must be positioned within a 20 foot op-
erating range for the Auto Shutdown feature to operate.
SYSTEM CHECK
Millivolt Valves
Light the appliance following the lighting instructions
that came with the fireplace. Confirm that the pilot flame
is on. It must be in operation for the main gas valve to
operate.
1. Slide the 3-position button on the remote receiver to
the ON position. The main gas flame (i.e., the fire)
should ignite.
2. Slide the button to OFF. The flame should extinguish
(the pilot flame will remain on).
3. Slide the button to REMOTE (the center position),
then press the MODE button on the transmitter to
change the system to ON. The main gas flame should
ignite.
4. Press the MODE button on the transmitter to change
the system to OFF. The flame should extinguish (the
pilot flame will remain on).
5. Press the MODE button on the transmitter to change
the system to THERMO.
6. Advance the SET temperature on the transmitter
to a temperature of at least 10 F (-170 C) above the
ROOM temperature displayed on the LCD screen
and the system flame will ignite.
7. Set the SET temperature to at least 10 F (-170 C)
below the room temperature and the system flame
will extinguish. Thereafter, it should continue to cycle
on and off thermostatically approximately every two
minutes as the ROOM temperature changes, but
only when the temperature differential between ROOM
and SET temperatures differs at least 10 F (-170 C).
The 10 F (-170 C) F differential is the factory setting.
Child Proof Lockout (CP)
The transmitter contains a “Child Proof” lockout feature
that prevents unauthorized use of the remote control.
To access the “Child Proof” activation button, remove
cover on BACK of transmitter. To activate LOCKOUT:
1. Press and hold in the “setting button” for 5 sec-
onds. The letters CP will display on the LCD screen
(see Figure 6). This prevents the activation of fire-
place. When any function button is pressed ON/
OFF etc. the letter CP will display on the LCD
screen.
To deactivate LOCKOUT:
1. Press and hold in the “setting button” for 5 sec-
onds. The LCD will display CP until 5 seconds have
elapsed, and then the LCD screen will return to its
normal state.

7
FOR
REVIEW
O
NLY
Electronic Ignition System
1. Slide the 3-position button on the remote receiver to
the ON position. The spark electrode should begin
sparking to ignite the pilot (the pilot may ignite after
only one spark). After the pilot flame is lit, the main
gas valve should open and the main gas flame should
ignite.
2. Slide the button to OFF. The main gas flame and
pilot flame should BOTH extinguish.
3. Slide the button to REMOTE (the center position).
4. Then press the MODE button on the transmitter to
change the system to ON. The spark electrode
should begin sparking to ignite the pilot. After the
pilot is lit, the main gas valve should open and the
main gas flame should ignite.
5. Press the MODE button on the transmitter to OFF.
The main gas flame and pilot flame should BOTH
extinguish.
6. Press the MODE button on the transmitter to change
the system to THERMO.
7. Advance the SET temperature on the transmitter to
temperature of at least 10 F (-170 C) above the room
temperature displayed on the LCD screen and the
system flame will ignite.
8. Set the SET temperature to at least 10 F (-170 C)
below the room temperature and the system will ex-
tinguish. Thereafter, it should continue to cycle on
and off thermostatically approximately every two min-
utes as the ROOM temperature changes, but only
when the temperature differential between ROOM and
SET temperatures differ at least 10 F (-170 C). The 10
F (-170 C) differential is the factory setting.
Timer Operation
The countdown timer will operate in either the manual
ON or THERMO mode. Once the fireplace system is in
an operating mode, set the countdown timer to turn off
in 15 minutes. The timer function will allow operation to
continue until the “countdown time” on the LCD screen
expires. After 15 minutes elapses, the system should
turn off.
Limited Warranty
This REMOTE CONTROL SYSTEM is warranted
for 12 months from the date of purchase or instal-
lation to the original purchaser to be free from de-
fects in materials and workmanship. Damage to
the SYSTEM caused by accident, misuse, abuse,
or installation error whether performed by a con-
tractor, service company, or owner, is not covered
by this warranty. Seller will not be responsible for
labor charges and/or damage incurred in installa-
tion, repair, replacement or for incidental or con-
sequential damages. Batteries and any damage
caused by them are not covered by this warranty.
Some states, provinces, and nations do not allow
exclusion or limitations of incidental or consequen-
tial damages, so the above limitations or exclu-
sions may not apply. This warranty gives you spe-
cific legal rights. You may have other rights that
vary by state, province or nation.
GENERAL INFORMATION
Transmitter Wall Bracket
The transmitter can be hung on a wall using the bracket
provided. Locate the bracket on an inside wall sufficiently
far away from direct sources of heat such as a fire-
place, incandescent lighting, or sunlight so it detects
ambient room temperatures, not a single heat source. If
the bracket is installed on a solid wood wall, drill 1/8
inch pilot holes and install with the screws provided. If it
is installed on a plaster/wallboard wall, first drill two 1/4
inch holes into the wall, then use a hammer to tap in
the two plastic wall anchors flush with the wall, then
install the screws provided.
Battery Life
Life expectancy of the alkaline batteries in the transmit-
ter should be at least one season. Check batteries an-
nually. When the transmitter no longer operates the re-
mote receiver from a distance it did previously (i.e., the
transmitter’s range has decreased) the batteries should
be checked.
Specifications
Batteries: Transmitter - 3V 2 ea.; AAA 1.5V, Alkaline
Receiver - 110-120 VAC; 60Hz
Operating Frequency:
FCC ID No.’s: Transmitter -
Receiver -
Canadian ISC ID No.’s:
Transmitter -
Receiver -
DESCRIPTION SERVICE PART NO.
TRANSMITTER WALL HOLDER HTI-16-004
RECEIVER HTI-13-004
TRANSMITTER (Smart-Stat-HNG) HTI-12-004-HNG
TRANSMITTER (Smart-Stat-HTL) HTI-12-004-HTL
HARDWARE PACKAGE HTI-11-004
Service Parts List

8
FOR
REVIEW
O
NLY
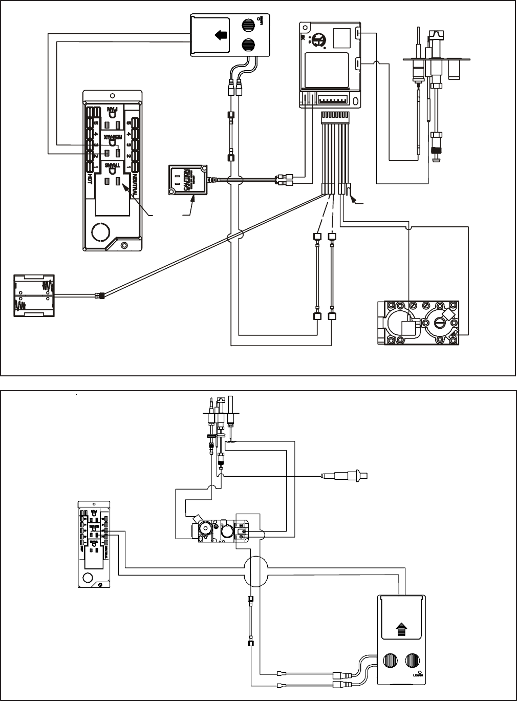
Figure 7. Intermittent Pilot Ignition (IPI) Wiring Diagram
TRANSFORMER
3 VAC
PLUG IN
RED
BATTERY PACK
THERMOSTAT
WIRE ASSEMBLY
JUMPER WIRE
(TO BROWN)
ORANGE
GREEN
VALVE
GROUND TO
FIREPLACE
CHASSIS
WHITE
ORANGE
IGNITION MODULE 3 VAC INTERMITTENT PILOT IGNITOR
HOT
NEUTRAL
I
S
Figure 8. Standing Pilot Ignition Wiring Diagram
THERMOSTAT
WIRE ASSEMBLY
PIEZO
WHITE
RED
VALVE
PILOT
THERMOCOUPLE

9
FOR
REVIEW
O
NLY
Figure 10. Standing Pilot Ignition Wiring Diagram
BLACK S2
ON
OFF
ON/OFF
SWITCH
WHITE T2
RED T1
THERMOPILE
GAS VALUE
BLACK S1
3/16” PIGGYBACK CONNECTOR
THERMOCOUPLE
REMOTE SWITCH
PIGTAIL
OPTIONAL WALL SWITCH,
THERMOSTAT OR REMOTE
Figure 9. Intermittent Pilot Ignition (IPI) Wiring Diagram
IGNITION MODULE
3 VAC
TRANSFORMER
3 VAC
GRN
ORG
INTERMITTENT
PILOT
IGNITOR
IGNITION
MODULE
(3V)
ON/OFF
WALL
SWITCH
LOW VOLTAGE
PLUG-IN
3V TRANSFORMER
NEUTRAL HOT
GROUND
FLAME SPARKER/
SENSOR
REMOTE
CONTROL
SEE NOTE 1
ORG
WHT
V
ALVE
PIGGYBACK
ON/OFF SWITCH
WHITE WIRE
CAN BE
PLUGGED
INTO ANY
OF #1-#5
LOCATIONS
ON THE
NEUTRAL SIDE
BLACK WIRE CAN BE
PLUGGED INTO ANY OF
#1 - #5 LOCATIONS
ON THE HOT SIDE
BRN
BRN
VALVE
PLUG IN
GROUND TO
FIREPLACE
CHASSIS
S
I

10
FOR
REVIEW
O
NLY
Figure 12. Remote Control Standing
Pilot Ignition Wiring Diagram
Figure 11. Remote Control Intermittent Pilot Ignition (IPI) Wiring Diagram
Remote Control Wiring Diagrams
V
ALVE
GREEN
ORANGE
JUMPER WIRE
(TO BROWN)
PLUG IN
TRANSFORMER
3 VAC
BLACK
RED
GROUND TO
FIREPLACE
CHASSIS
WHITE
ORANGE
INTERMITTENT
PILOT IGNITOR
IGNITION MODULE 3 VAC
REMOTE RECEIVER
BATTERY PACK
I
S
110V
PIEZO
WHITE
RED
PILOT
THERMOCOUPLE
VALVE
REMOTE
RECEIVER
110V