Hoist Fitness Leg Press Toe Raise Hd1610 Users Manual
HOIST-HD1610
HD1610 to the manual 1a6a378e-1edd-46f3-a9bd-7dbf44d45f3a
2015-02-05
: Hoist-Fitness Hoist-Fitness-Leg-Press-Toe-Raise-Hd1610-Users-Manual-407562 hoist-fitness-leg-press-toe-raise-hd1610-users-manual-407562 hoist-fitness pdf
Open the PDF directly: View PDF
.
Page Count: 38

(858) 578-7676
(858) 578-9558
(800) 548-5438
Note: Both Serial Number and Model Number are Required when Ordering Parts
RECORD SERIAL NUMBER HERE
CATALOG NUMBER
OWNER'S MANUAL
Fax
Customer Service
1106 - 003
HD1610
LEG PRESS / TOE RAISE

OWNER'S MANUAL
PAGE 01 HD1610 ASSEMBLY
INSTRUCTIONS .....................................................................
FRAME ASSEMBLY ..............................................................
PRE-ASSEMBLY....................................................................
DECAL PLACEMENT.............................................................
DECAL REFERENCE.............................................................
PART LIST...............................................................................
ABBREVIATIONS...................................................................
BOLT SIZING CHART............................................................
WASHER SIZING CHART......................................................
MAINTENANCE SCHEDULE.................................................
GENERAL MAINTENANCE INFORMATION........................
WEIGHT TRAINING TIPS.......................................................
WEIGHT RATIOS....................................................................
EXERCISE LOG......................................................................
LIMITED WARRANTY............................................................
CONTENTS
02
04
17
18
20
23
26
27
29
31
32
34
35
36
37

OWNER'S MANUAL
PAGE 02
HD1610 ASSEMBLY
Ratchet Wrench
1/2", 9/16" and 3/4" Sockets
Adjustable Wrench
Rubber Mallet
Tape Measure
Level
Hex Key Wrench Set
TOOLS REQUIRED
Before beginning assembly please take the time to read instructions
thoroughly. Please use the various lists in this manual to make sure that
all parts have been included in your shipment. When ordering, use part
number and description from the lists. Use only HOIST replacement parts
when servicing. Failure to do so will void your warranty and could result
in personal injury.
HOIST equipment is designed to provide the smoothest, most effective
exercise motion possible. After assembly, you should check all functions to
ensure correct operation. If you experience problems, first recheck the
assembly instructions to locate any possible errors made during assembly.
If you are unable to correct the problem, call your authorized HOIST dealer.
Be sure to have your serial number and this manual when calling. When all
parts have been accounted for, continue on.
INSTRUCTIONS
OWNER'S MANUAL
PAGE 03 HD1610 ASSEMBLY
***THIS PAGE WAS INTENTIONALLY LEFT BLANK***

OWNER'S MANUAL
PAGE 04
HD1610 ASSEMBLY
FRAME ASSEMBLY

94
94
3
106
1
31
31
94
38
93
93
94
107
108
205 3/16"
5212.37
OWNER'S MANUAL
PAGE 05 HD1610 ASSEMBLY
TIGHTEN HARDWARE.- HAND
NOTE:
FRAME ASSEMBLY

2
1
93
94
93
94
31
9
94
98
106 94
10
94
93
98
12
USE ONLY WHEN ASSEMBLY
TO MULTI-STATION HMG-4000
(REPLACE ITEM #10)
OWNER'S MANUAL
HD1610 ASSEMBLY PAGE 06
FRAME ASSEMBLY
NOTE:
- HAND TIGHTEN HARDWARE.


25
97
94
94
82
93
64
26
60
63
55
56
57
62
61
59
58
110
FRAME ASSEMBLY
NOTE:
- WRENCH TIGHTEN HARDWARE.
- SOME PARTS MAY HAVE BEEN
REMOVED FOR CLARITY.
HD1610 ASSEMBLY
OWNER'S MANUAL
PAGE 08

94
34
98
15
50
14
13
11
93 79
8
47
- WRENCH TIGHTEN ALL OTHER HARDWARE.
REMOVED FOR CLARITY.
NOTE:
- WRENCH TIGHTEN HARDWARE (98) THEN
LOOSEN NUT JUST ENOUGH FOR (11)
TO PIVOT FREELY.
- SOME PARTS MAY HAVE BEEN
FRAME ASSEMBLY
PAGE 09 HD1610 ASSEMBLY
OWNER'S MANUAL
84
9
5
87
84
101
87
36
8
87 81




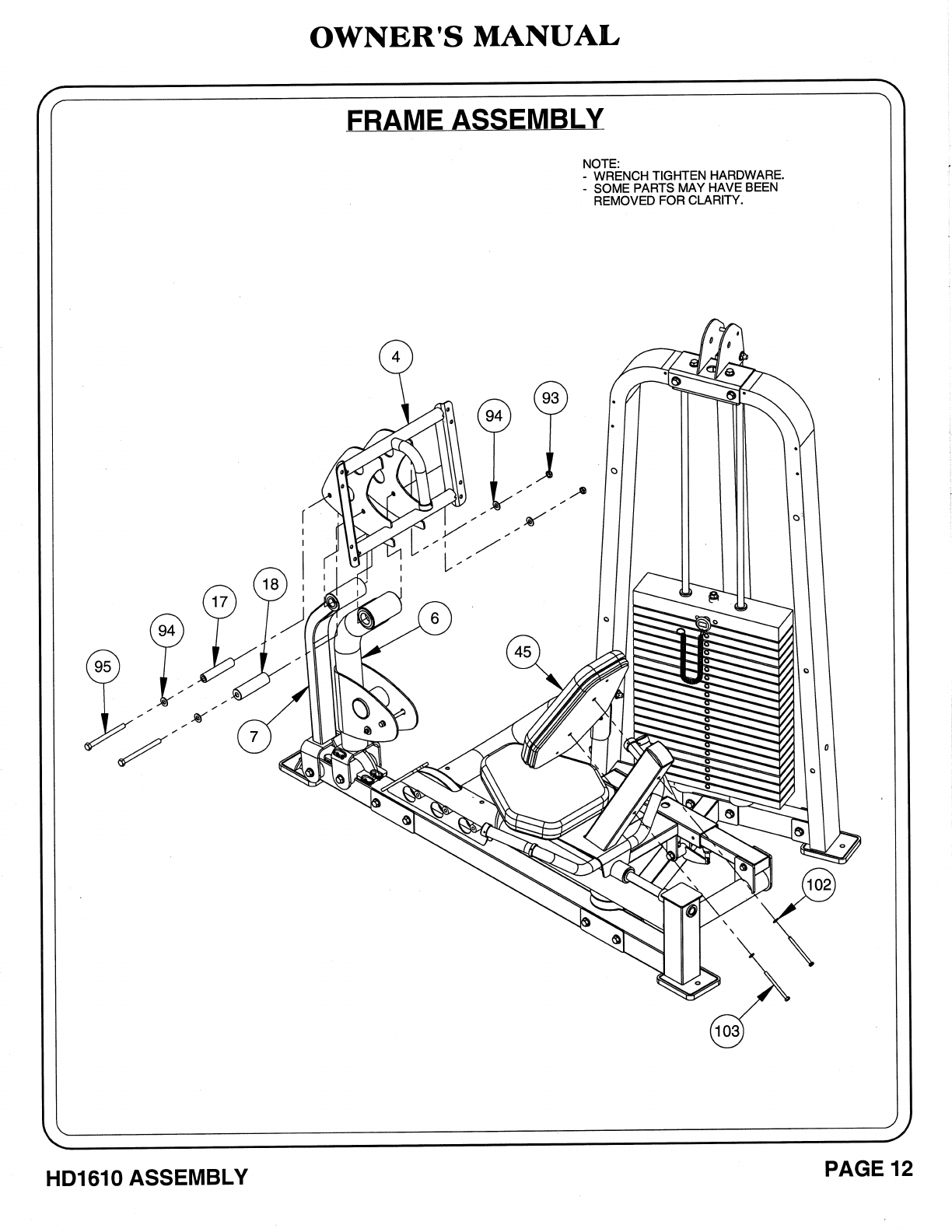
PAGE 13
OWNER'S MANUAL
HD1610 ASSEMBLY
- SOME PARTS MAY HAVE BEEN
REMOVED FOR CLARITY.
NOTE:
- WRENCH TIGHTEN HARDWARE.
FRAME ASSEMBLY
28
4
87
84
86
84
87
89
27

OWNER'S MANUAL
HD1610 ASSEMBLY PAGE 14
FRAME ASSEMBLY
NOTE:
- WRENCH TIGHTEN HARDWARE.
- SOME PARTS MAY HAVE BEEN
REMOVED FOR CLARITY.
- INSTALL CABLES AND PULLEY AS
SAME TIME.
JAM NUT
NOTE:
16
84
22
44
43
43
43
43
43
43
99
42
42 84
88
22
101
101
87
100
87 87
84
5
6
84
85
16
THROUGH TUBE
BE SURE CABLE RUNS
RE-TIGHTEN JAM NUT.
BETWEEN THE PULLEYS
SECURELY TO ENSURE PROPER CONNECTION.
IN/OUT TO GIVE THE CABLE PROPER TENSION.
AND THE GUARD PIN.
MAJOR ADJUSTMENT:
LOOSEN JAM NUT AND THREAD THE STOP
WARNING - CABLE BOLT MUST BE THREADED
A MINIMUM OF 3/8" WITH JAM NUT TIGHTENED
CABLE INSTALLATION


FRAME ASSEMBLY
NOTE:
- WRENCH TIGHTEN HARDWARE.
- SOME PARTS MAY HAVE BEEN
REMOVED FOR CLARITY.
HD1610 ASSEMBLY
OWNER'S MANUAL
PAGE 16
94
39
1
107
94
93
1

PRE-ASSEMBLY
PAGE 17
OWNER'S MANUAL
HD1610 ASSEMBLY
24
4
41 80
51
30
51
5
6
52
52
111
12
TO MULTI-STATION HGM-4000
USE ONLY WHEN ASSEMBLY
111
53
53
19
109
10
111 51
51
7
112
112
80
35
41
23
66
34
29
29
66
41
23
80
24 80
8
33
23
54
48
49
49
48
YELLOW
END CAP


72
75
77
PAGE 19
OWNER'S MANUAL
HD1610 ASSEMBLY
DECAL PLACEMENT

021-0003543
021-0003551
021-0003113
021-0003130
021-0003221
021-0003334
SERIAL # DECAL
021-0003254
021-0003131
OWNER'S MANUAL
HD1610 ASSEMBLY PAGE 20
DECAL REFERENCE

021-0013313 021-0013314
DECAL REFERENCE
PAGE 21
OWNER'S MANUAL
HD1610 ASSEMBLY
***THIS PAGE WAS INTENTIONALLY LEFT BLANK***
OWNER'S MANUAL
HD1610 ASSEMBLY PAGE 22

PAGE 23
OWNER'S MANUAL
HD1610 ASSEMBLY
PART LIST
NOTE: SOME OF THESE PARTS MAY COME PRE-INSTALLED
ITEM NUMBER PART NUMBER DESCRIPTION QTY.
1 026-01X2109 WEIGHT FRAME UPRIGHT 2
2 026-01X0865 REAR FRAME SUPPORT 1
3 026-01X0866 UPPER FRAME BRACKET 1
4 026-01X2859 FOOTPLATE MOUNT 1
5 026-01X2994 BASE ASSEMBLY 1
6 026-01X2917 RESISTANCE ARM 1
7 026-01X2919 CONTROL LINK 1
8 026-01X2995 SEAT FRAME 1
9 026-01X2992 CROSSMEMBER 1
10 026-01X3115 FRONT CROSSMEMBER 1
11 026-01X3013 ADJUSTER HANDLE 1
12 026-01X2993 CROSSMEMBER 1
13 026-01M0128-1 PULL PIN CAP 1
14 026-01M0209 PULL-PIN TO CHAIN LINK 1
15 026-01M0128-3 PULL-PIN PLUNGER 1
16 026-01M0760 HEAVY FLANGED SPACER .391" I.D. X .50" LG. 2
17 026-01M0660 SHAFT 1.00" X 4.69" LG. 3
18 026-01M0920 SHAFT 1.38" X 4.69" LG. 1
19 026-01M1103 THREADED CABLE ANCHOR 1
20 026-01M2172 1.188" HEAVY FLANGED SPACER 2
21 026-01M2266 .375" X 3.75" LG. CABLE ANCHOR SHAFT 1
22 026-01M2246 HEAVY FLANGED SPACER .391" I.D. X .94" LG. 2
23 026-01M0392 RING 1.25" ALUM. 3
24 026-01M0391 END CAP 1.25" ALUM. 4
25 026-01P0819 GUIDE ROD TOP PLATE 1
26 026-01G0159 GUIDE ROD 2
27 026-01PL2177 FOOTPLATE 1
28 026-01P3019 FOOTPLATE 1
29 026-01PL0125 E-Z GLIDE PLASTIC SLEEVE 2
30 026-01PL2005 PLUG BUMPER (2 STEM) 4
31 026-01PL0195 RUBBER FOOT PAD 5
32 026-01PL0290 WHITE SPACER 6
33 026-01PL0235-23 1.188" DIA X 8.75" OPEN END GRIP 1
34 026-01T3419 ADJUSTER TUBE 1
35 026-STD-06-0193 2.00" X 3.00" BULLNOSE END CAP (BLACK) 1
36 026-01G0215 SHAFT, .984" X 29.94" LG. 1
37 026-01PL2179 PLASTIC SCUFF GUARD 1
38 026-01T0545 WEIGHT STACK MOUNT 1

ITEM NUMBER PART NUMBER DESCRIPTION QTY.
39 026-1100089 FRAME SHIELD 1
40 026-01F0294 .125" x 3.00" FLANGE 2
41 026-01PL0235-10 1.188" X 10.00" OPEN END GRIP 3
42 026-01M0532 .391" I.D. X .688" LG. HEAVY FLANGED SPACER 2
43 018-0001003 4.50" CABLE PULLEY 6
44 018-0002012 4.50" WIDE GROOVE PULLEY 1
45 022-01PD0040-A BACK PAD 1
46 022-01PD0050-A UPHOLSTERY PAD W-BACKING 1
47 020-0014018 MASTER LINK 1
48 014-0007007 25mm LINEAR BEARING 2
49 014-0015005 40mm SNAP RING 2
50 020-0011009 SPRING 1
51 014-0009007 1.00" I.D. FLANGED BALL BEARING 6
52 014-0012010 1.386" FLANGED BEARING 2
53 014-0101020 .38" I.D. x .50" OILITE BUSHING 2
54 014-0101002 FLANGED OILITE .75" O.D X .50" I.D X .38" LG. 2
55 019-0001005 WEIGHT STACK BUMPER 2
56 010-0008001 LANYARD COIL 1
57 026-01X2856 WEIGHT SELECTOR PIN 1
58 026-01m0727 LANYARD PIN (2x4 TOP WEIGHT) 1
59 026-01W0110 21 HOLE WEIGHT STEM 1
60 026-01W0322 40 LB TOP WEIGHT PLATE 1
61 030-0303006 7/16" X 3.00" LG. ROLL PIN 1
62 026-01PL0134 GUIDE ROD BUSHING 2
63 026-01W0104 20 LB INTERMEDIATE WEIGHT PLATE 20
64 026-01W0122 WEIGHT PLATE BUSHING 40
65 014-0015015 INTERNAL SNAP RING-1.00" HSG 1
66 016-0001003 END CAP 1.50" X 2.50" (BLACK) 2
67 021-0018022 HOISTFITNESS.COM LOGO 1
68 021-0003254 DECAL HOIST .092" X 3.38" 1
69 021-0003334 DECAL HOIST 3.90" X 14.25" 2
70 021-0013313 HD1610 PLACARD (LEFT) 1
71 021-0013314 HD1610 PLACARD (RIGHT) 1
72 021-0003551 DECAL ADJUST 1-11 DECAL VERTICAL TXT. 1
73 021-0003130 WARNING DECAL 3.00" X 8.50" 1
74 021-0003131 COMMERCIAL MAINTENCE DECAL 1
75 021-0003113 DECAL PINCH POINT 1.63" X 3.25" (VERTICAL) 1
76 021-0003543 DECAL MOVING PARTS (VERTICAL) 1
OWNER'S MANUAL
PAGE 24
HD1610 ASSEMBLY
PART LIST CONTINUED
NOTE: SOME OF THESE PARTS MAY COME PRE-INSTALLED

ITEM NUMBER PART NUMBER DESCRIPTION QTY.
77 SERIAL # DECAL DECAL SERIAL # 1.63" X 2.63" 1
78 021-0003221 DECAL HOIST 2.50" X 9.13" 2
79 011-0311013 3/8-16UNC X .75" SQUARE HEAD (WZ) 1
80 011-0311005 10-32 X 1/8" SET SCREW 14
81 011-0311003 SET SCREW: 5/16-18 X 1/4" LG. 2
82 011-0311012 SET SCREW: CUP POINT 5/16-18 X 5/16" LG. 2
83 012-0102006 5/16"-18UNC THICK NYLOCK NUT (WZ) 2
84 012-0104008 3/8"-16 UNC THIN NYLOCK NUT (WZ) 17
85 011-0107032 3/8"-16UNC X 2.50" HHB (WZ) 1
86 011-0002032 3/8"-16UNC X .75" FHCS (WZ 4
87 013-0402007 3/8" X 22mm FLAT WASHER (WZ) 20
88 011-0407025 3/8"-16UNC X 4.00" HHB (WZ) 1
89 011-0102023 3/8"-16UNC X 1.00" FHCS (WZ) 4
90 011-0101074 1/4-20 UNC X 5.00" BHCS (WZ) 6
91 013-0002003 1/4" X 16mm SAE FLAT WASHER (WZ) 6
92 012-0104009 1/4"-20 UNC THIN NYLOCK NUT (WZ) 6
93 012-0304011 1/2"-13 UNC THIN NYLOCK NUT (WZ) 23
94 013-0102003 1/2" X 27mm SAE FLAT WASHER (WZ) 46
95 011-0107036 1/2"-13UNC X 5.75" HHB (WZ) 4
96 011-0407055 1/2"-13UNC X 4.75" HHB (WZ) 3
97 011-0407000 1/2"-13UNC X 3.50" HHB (WZ) 2
98 011-0107034 1/2"-13UNC X 3.25" HHB (WZ) 4
99 011-0407059 3/8"-16UNC X 3.25" HHB (WZ) 1
100 011-0407058 3/8"-16UNC X 2.00" HHB (WZ) 1
101 011-0107018 3/8"-16UNC X 3.75" HHB (WZ) 5
102 013-0302008 5/16" SAE FLAT WASHER (WZ) 4
103 011-0107028 5/16"-18UNC X 4.00" HHB (WZ) 2
104 011-0107011 5/16"-18UNC X 1.25" HHB (WZ) 2
105 011-0107038 1/2"-13UNC X 4.25" HHB (WZ) 4
106 011-0107030 1/2"-13UNC X 3.00" HHB (WZ) 3
107 011-0407024 1/2"-13UNC X 5.00" HHB (WZ) 3
108 010-01C0371 CABLE ASSEMBLY HD1610 - 205 3/16"LG. 1
109 026-STD-06-0329-BLK .4800" PLASTIC BUSHING 6
110 014-0015009 .375" E-CLIP 1
111 026-01PL2196 PLASTIC SCUFF GUARD 9.05" LG. 3
112 026-01PL2200 PINETREE PLUG 2
PART LIST CONTINUED
NOTE: SOME OF THESE PARTS MAY COME PRE-INSTALLED
PAGE 25
OWNER'S MANUAL
HD1610 ASSEMBLY








OWNER'S MANUAL
HD1610 ASSEMBLY
PAGE 33
GENERAL MAINTENANCE INFORMATION
(CONTINUED)
Belt and Cable Tension:
* Referring to the Owners Manual, when belts or cables are used check all
bolts attachments to be sure they are properly attached.
* Check slack in cables and re-adjust cable tension if needed.
Seat Sleeves, Guide Rods:
* Wipe down adjusting tubes with a dust free rag before applying lubricant.
* Lubricate seat sleeves and Guide Rods with a Silicon or Teflon based
lubricant spray.
Linear Bearings:
* Referring to the Owners Manual carefully disassemble the bearing from
its housing and place a finger full of light grease (lithium, super lube, etc.)
into the inside of the bearing. Using your finger, press the grease into the
ball-bearings and their tracks. repeat until the ball-bearing tracks are full
of grease. Insert the shaft back into the bearing and wipe off excess
grease.
PLEASE KEEP THIS FOR YOUR RECORDS

OWNER'S MANUAL
HD1610 ASSEMBLY PAGE 34
Use this manual to guide you through the basic exercises you can perform on
your HD1610 HOIST® Fitness System. To gain maximum results and avoid
possible injury, consult a fitness professional to develop your complete exercise
program.
Always consult your physician before starting any exercise program.
To be successful in your exercise program, it is important to develop an
understanding of the basic principles of strength training. Now that you have
your HD1610 HOIST® Fitness System, it is only natural that you want to get
started immediately. First, determine a set of realistic goals and objectives for
yourself. By deciding on an exercise plan that is right for you prior to starting,
you will contribute significantly to your success.
Warm up properly before engaging in weight resistance training. Stretching,
yoga, jogging, calisthenics or other cardiovascular exercise can help prepare
your body for the heavier workload of lifting weights.
Learn how to perform the exercise correctly before using heavy weight.
Correct form is important to avoid injury and to ensure that you work the proper
muscle groups.
Know your limitations. If you are new to weight training or are embarking on
an exercise regimen after a long layoff, start slowly and build foundational
strength over a longer period of time.
Pay attention to your breathing. Exhale when you exert is a general rule of
thumb. Never hold your breath.
WEIGHT TRAINING TIPS
Enjoy your HD1610 HOIST® Fitness System!

OWNER'S MANUAL
HD1610 ASSEMBLY
PAGE 35
WEIGHT RATIOS
The above chart shows the standard weight stack for this unit. The weights
listed are approximate. HOIST reserves the right to modify the machine without
prior notice.

HD1610 ASSEMBLY
OWNER'S MANUAL
PAGE 36
Exercise
Totals
S = Sets R = Repetition per set W = Weight used
Date
RRWSRWWSRWSSRRWWSSRWWSWSRRWSRSRWWSR
WEIGHT TRAINING EXERCISE LOG
S

OWNER'S MANUAL
HD1610 ASSEMBLY
PAGE 37
HOIST FITNESS SYSTEMS
LIMITED LIFETIME WARRANTY
Hoist Fitness Systems warrants this product to the original purchaser to be free from defects in workmanship and/or
materials under normal use or service. If at any time a component part is defective, Hoist Fitness Systems shall repair or
replace it (at Hoist Fitness Systems option) within a reasonable period of time. This warranty does not cover costs of removal.
transportation or reinstallation. This warranty shall not apply if the defect was caused by misuse, neglect or normal wear and
tear.
WARRANTY CLAIMS. All claims require: Model number, Serial
number, Date of installation, and any information supporting the
existence of the alleged defect.
To complete Warranty Registration visit:
www.HOISTFITNESS.com
and click on the Warranty Registration link
Starting from the original date of purchase, normal wear and tear shall be considered as the following:
COMMERCIAL USE: All malfunctions of upholstery, grips, paint, and chrome that occur after one year; all malfunctions of
electronic components, belts, or cables after one year; all malfunctions of pulleys, bearings, or bushings that occur after five
years. The frame and all welded components are warranted for the life of the product.
HOME USE: All malfunctions of grips, paint, and chrome that occur after ten years; all malfunctions of electronic
components, belts, cables, or upholstery that occur after ten years; all malfunctions of pulleys, bearings, or bushings that
occur after ten years. The frame and all welded components are warranted for the life of the product.
PLEASE NOTE THAT NOT ALL HOIST PRODUCTS ARE MADE FOR COMMERCIAL USE.
Refer to the instructions page of your owners manual or consult with you fitness product dealer to establish if a product i
s
made for commercial use or not. Using a non-commercial product in a commercial setting can result in serious injury o
r
death!
Hoist Fitness Systems sole responsibility shall be to repair or replace the component within the terms stated above. Hoist
Fitness Systems shall not be liable for any loss or damage of any kind including any incidental or consequential damages
resulting, directly or indirectly from any warranty expressed or implied or any other failure of this product.
WHAT IS NOT COVERED BY THIS WARRANTY
Hoist's sole obligation under this warranty is limited to either repair or replacement of parts, subject to the additions below.
This warranty neither assumes nor authorizes any person to assume obligations other than expressly covered by this
warranty.
NO CONSEQUENTIAL DAMAGES. Hoist is not responsible for economic loss; profit loss; or special, indirect, or
consequential damages.
WARRANTY IS NOT TRANSFERABLE. This warranty is not assignable and applies only in favor of the original
purchaser/user to whom delivered. Any such assignment or transfer shall void the warranties herein made and shall void all
warranties, expressed, implied or statutory, except the one (1) and five (5) year warranties described above. These
warranties are exclusive and in lieu of all other warranties, including implied warranty and merchantability or fitness for a
particular purpose. There are no warranties which extend beyond the description on the face hereof.
TRANSPORTATION COSTS. Hoist will accept parts covered under this warranty freight collect, provided that shipment
has received prior approval. Hoist is not responsible for any other transportation costs, but will ship freight collect parts either
repaired or replaced under these warranties.
Hoist Fitness Systems
9990 Empire St. #130
San Diego, CA. 92126
(800)548-5438
PLEASE KEEP THIS FOR YOUR RECORDS