Honda Ems4000 Owners Manual
EMS4500 31ZA1611
2014-11-13
: Honda Honda-Ems4000-Owners-Manual-108405 honda-ems4000-owners-manual-108405 honda pdf
Open the PDF directly: View PDF
.
Page Count: 49

Owner’s Manual
EMS4000, l EMS4500
H
Q HONDA MOTOR CO., LTD. 1983
I I I ! J 11 _ _ _
I I
- 31ZA1611 @
Printed on
00X31-ZAl-6110 Recycled Paper
I I I I i 1 I I PRI rR
AH D
I I 1 I I


Thank you for purchasing a Honda generator.
This manual covers operation and maintenance of EMS4000 and EMS4500
generators. All information in this publication is based on the latest product
information available at the time of approval for printing.
Honda Motor Co., Ltd. reserves the right to make changes at any time without
notice and without incurring any obligation.
No part of this put :ation may be reproduced without written permission.
This manual should be considered a permanent part of the generator and
remain with the generator if it is sold.
Pay special attention to statements preceded by the following words:
w Indicates a strong possibility of severe personal injury or loss of
life if instructions are not followed.
CAUTION: Indicates a possibility of personal injury or equipment damage if
instructions are not followed.
NOTE: Gives helpful information.
If a problem should arise, or if you have any questions about the generator,
consult an authorized Honda dealer.
w Honda generators are designed to give safe and dependable service
if operated according to instructions. Read and understand the Owner’s Manual
before operating the generator. Failure to do so could result in personal injury
or equipment damage.
1

CONTENTS
CONTENTS
1. GENERATOR SAFETY ................................... 3
2. COMPONENT IDENTIFICATION ............................ 4
3. PRE-OPERATION CHECK ................................. 6
4. STARTING THE ENGINE .................................. g
5. GENERATOR USE ....................................... 16
6. STOPPING THE ENGINE .... ;. ............................ 19
7,MAlNTENANCE ......................................... 21
8. TRANSPORTING/STORAGE ............................... 30
9. TROUBLESHOOTING .................................... 32
10. SPECIFICATIONS ......................................... 35
11. WIRING DIAGRAM ...................................... 36
12. INSTALLATION OF OPTIONAL PARTS ..................... 38
13. WARRANTY SERVICE .................................... 43
2

1. GENERATOR SAFETY
To ensure safe operation -
l
Place the generator at least 1 m (3 ft) away from buildings or other
equipment while operating.
l
Operate the generator on a level surface.
If the generator is tilted, fuel spillage may result.
l
Exhaust gas contains poisonous carbon monoxide.
Never run the generator in an enclosed area.
Be sure to provide adequate ventilation.
l
Know how to stop the generator quickly and understand operation of all
the controls. Never permit anyone to operate the generator without proper
instructions.
l
Keep children and pets away from the generator when it is in operation.
l
Keep away from rotating parts while the generator is running.
l
The generator is a potential source of electrical shocks when misused; do not
operate with wet hands.
Do not operate the generator in rain or snow and do not let it get wet.
3

2. COMPONENT IDENTIFICATION
VOLT METER
VOLTAGE
SELECTOR
AUTO-THROTTLE SWITCH
SWITCH \
ENGINE SWITCU w
OIL ALERT
SWITCH
FIIFI VAIVF- \I
RECOIL
STARTER
GRIP
DC Cl RCUIT
PROTECTOR
AC RECEPTACLE
DC TERMINALS
ENGINE OIL
DRAIN PLUG
(EMS45001
4


3. PRE-OPERATION CHECK
CAUTION: Be sure to check the generatot- on a level surface with the engine
stopped.
1. Check the engine oil level.
CAUTION: Engine oil is a major factor affecting engine performance and
service life, Non-detergent and S-stroke engine oils are not recommended.
Use Honda 4-stroke oil, or an equivalent high detergent, premium quality
motor oil certified to meet or exceed U.S. automobile manufacturer’s
requirements for Service Classification SE or SF. (Motor oils classified SE
or SF will show this designation on the container.)
SAE low-40 is recommended for general, all-temperature use.
Remove the oil filler cap, and wipe the dipstick with a clean rag. Check the
oil level by inserting the dipstick in the filler hole without screwing it in.
If the oil level is below the end of the dipstick, add oil to the top of the oil
filler neck.
-20 0 20 40 60 60 lO(rF
-30 -20 -10 0 10 20 30 4O'C
FILLER HOLE OIL FILLER CAP

NOTE: The Oil Alert System will automatically stop the engine before the
oil level falls below the safe limit. However, to avoid the inconv.enience of an
unexpected shutdown, it is still advisable to visually Inspect the oil level
regularly.
If the Oil Alert Switch is tripped, add oil to the top of the oil filler neck, re-
set the Oil Alert Switch, and restart the engine according to instructions
(P.9).
OIL ALERT SWITCH
7

2. Check the fuel level.
Use any brand of regular grade automotive gasoline (unleaded gasoline is
preferred) with an antiknock index of 86 or higher as calculated using the
Cost of Living Council formula (equal to 91 Research Octane Number or
higher.)
Never use an oil/gasoline mixture or dirty gasoline. Avoid getting dirt, dust
or water in the fuel tank.
CAUTION: Gasoline substitutes are not recommended; they may be
harmful to fuel system components.
l
Gasoline is extremely flammable and explosive under certain conditions.
Refuel in a well ventilated area with the engine stopped.
l
Do not smoke or allow flames or sparks in the area where the generator
is refueled or where gasoline is stored.
e Do not overfill the tank and make sure the filler cap is securely closed
after refueling.
l
Be careful not to spill fuel when refueling. Fuel vapor or spilled fuel may
ignite. If any fuel is spilled,
engine.
make sure the area is dry before starting the
L VELGAUGE
i
d/ I
I ~-
r
1 r-----.1 I
If a battery is used -
3. Check that the battery electrolyte level’ is between the marks on the case.
Be sure that the cable connections are secure. (See pages 38 and 39.)
8

4. STARTING THE ENGINE
NOTE: Make sure that the AC circuit breaker is OFF and that nothing
connected to the DC terminals.
The generator may be hard to start if a load is connected.
AC CIRCUIT BREAKER
DC TERMINALS
9

[ MANUAL STARTING ]
1, Turn the fuel valve on.
2. Pull the choke rod out to CLOSE.
FUEL VALVE
CHOKE ROD
3. Make sure the Oil Alert switch is on.
OIL ALERT @‘ITCH
10

4. Make sure the auto-throttle switch is off, or more time will be required fc
warm up.
AUTO-THROTTLE SWITCH
5. Turn the engine switch on.
ENGINE SWITCH
6. Pull the starter grip until compression is felt, then pull briskly.
NOTE: Do not allow the starter grip to snap back. Return it slowly by
hand.
STARTER GRIP
11

7. Push the choke rod to OPEN as the engine warms up.
CHOKE ROD
8. If auto-throttle will be used, turn the switch to “AUTO” after the engine
has warmed up.
AUTO-THROTTLE SWITCH
12

[ ELECTRIC STARTING ]
1. Turn the fuel valve on.
FUEL VALVE
2. Make sure the oil alert switch is on.
3. Make sure the auto-throttle switch is off, or more time will be required for
warm up.
AUTO-THROTTLE SWITCH
13

4. Turn the engine switch to START and hold it there until the engine starts.
NOTE:
l
If a relay box is attached for remote control operation, make sure the
switch on the relay box is turned off, or the engine will not start.
0 When the speed of the starter motor drops after a period of time, it is an
indication that the battery should be recharged.
5. After the engine starts, let the engine switch return to ON.
14

6. Turn the auto-throttle switch to AUTo after the engine has warmed up.
I
AUTO-THROTTLE SWITCH
NOTE: The choke is operated automatically whenever a battery is connect-
ed to the generator’s starting circuit.
15

5. GENERATOR USE
N To prevent electrical shock from faulty appliances, the generator
should be grounded. Connect a length of heavy wire between the ground
terminal and the ground source.
CAUTION:
l
Limit operation requiring maximum power (EMS4000 : 4.0 kW, EMS4500 :
4.5 kW) to 30 minutes.
For continuous operation, do not exceed the rated power (EMS4000 : 3.8
kW, EMS4500 : 4.0 kW).
In either case, the total wattage of all appliances connected must be
considered.
l
Do not exceed the current limit specified for any one receptacle.
l
Connections for standby power to household circuits must be made by
a qualified electrician and must comply with all applicable laws and electri-
cal codes. Improper installation may result in personal injury or damage to
equipment or property.
Auto-throttle system
With the switch in the AUTO position, engine speed is automatically reduced
to an idle when all loads are turned off or disconnected. When appliances are
turned on or reconnected, the engine resumes the rated speed. At OFF, the
auto-throttle system does not operate.
NOTE:
l
AUTO is recommended to minimize fuel consumption.
l
The auto-throttle system will not respond to electrical loads of less than 1
ampere.
l
The system is not effective for use with appliances that require only mo-
mentary power. To avoid extended warm-up periods, keep the switch OFF
until the engine reaches operating temperature.
16

AC applications
1. Start the engine and make sure the pilot lamp comes on. If not, the
filament may be burnt out.
2. Turn the voltage selector switch to either position as required. When the
switch is turned to “12OV ONLY” position, you can use only 120V AC.
At “12OV/24OV” position, you can use both 120V and 240V receptacles.
3. Switch on the AC Circuit Breaker.
4. Plug in the appl’iance.
CAUTION: Be sure that appliances do not exceed the rated load for more
than 30 minutes, and never exceed the maximum load. Substantial over-
loading will switch off the circuit breaker. Marginal overloading may not
switch off the circuit breaker, but it will shorten the service life of the gen-
erator.
Be sure that all appliances are in good working order before connecting them
to the generator. If an appliance begins to operate abnormally, becomes
sluggish, or stops suddenly, turn off the circuit breaker and the generator
engine switch immediately. Then disconnect the appliance and examine it
for signs of malfunction.
NOTE: This generator is equipped with an AVR (Automatic Voltage
Regulator) for stable voltage supply.
PI LOT
LAMP
/
AC CIRCUIT
/BREAKER
VOLTAGE
SELECTOR
SWITCH
17

DC application
The DC terminals may be used for charging 12 volt automotive-type batteries
only.
m Batteries produce explosive gases. Keep sparks, flames, and
cigarettes away. To prevent the possibility of creating a spark near the
battery, connect charging cables first to the battery, then to the generator,
and disconnect cables first at the generator.
CAUTION:
l
Do not attempt to start an automobile engine while the generator is still con-
nected to the battery. The generator may be damaged.
l
Connect the positive battery terminal to the positive generator terminal. Do
not reverse the charging cables, or serious damage to the generator and/or
battery may occur.
NOTE:
l
The DC terminals may be used while the AC power is in use.
l
An overloaded DC circuit will trip the DC circuit protector (push button
comes out). If this happens, wait a few minutes before pushing the circuit
protector to resume operation.
NEGATIVE’ POSITIVE
TERMINAL TERMINAL,
(BLACK) (RED)
18

6. STOPPING THE ENGINE
NOTE: To stop the engine in an emergency, turn the engine switch OFF.
In normal use:
1. Turn the AC circuit breaker off and/or disconnect the charging leads at the
DC terminals.
AC CIRCUIT BREAKER
2. Turn the engine switch OFF.
ENGINE SWITCH
19

3. Turn the fuel valve OFF.
FUEL VALVE
20

7. MAINTENANCE
The purpose of the maintenance schedule is to keep the generator in the best
possible operating condition.
Inspect or service as scheduled in the table’on the next page.
m Shut
off the engine before performing any maintenance. If the
engine must be run, make sure the area is well ventilated. The ezhaust
contains poisonous carbon monoxide gas.
CAUTION: Use only genuine HONDA parts or their equivalent. The use of
replacement parts which are not of equivalent quality may damage the
generator.
21

Maintenance Schedule
REGULAR SERVICE
Perform at every indi-
cated month or oper-
ating hour interval,
whichever occurs
Engine oil
Inspection
Change
Fuel filter cleaning
Spark plug maintenance
Valve clearance adjustment
Combustion chamber and
valve cleaning
Fuel line inspection
(Replace if necessary)
Spark arrester Clean every 100 operating hours.
Daily
0
l
First
month
or
20 Hrs.
0
Every
3 months
60’Lrs.
. (1)
Every
6 months
or
100 Hrs.
0
0
l
Every
year
3000trlrs.
l (21
. (2)
0
NOTE (1) : Service more frequently when used in dusty areas.
(2) : These items should be serviced by an authorized Honda dealer, unless the
’ owner has the proper tools and is mechanically proficient. See the Honda
Shop Manual.
22

Tool kit
The tools supplied are necessary for performing some periodic maintenance,
simple adjustments and repairs.
Always keep the kit with the generator.
Changing oil
.
Drain the oil while the engine is still warm to assure rapid and complete
draining.
1. Remove the drain plug and filler cap, and drain the oil. Retighten the plug
securely.
2. Refill with the recommended oil (see page 6) and check the level.
-OIL FILLER CAP
DRAIN PLUG /
.23

Air cleaner service
A dirty air cleaner will restrict air flow to the carburetor. To prevent
carburetor malfunction, service the air cleaner regularly (page 22). Service
more frequently when operating the generator in extremely dusty areas,
w Never use gasoline or low flash point solvents for cleaning the air
cleaner element. A fire or explosion could result.
CAUTION: Never run the generator without the air cleaner. Rapid engine
wear will result.
1. Unsnap the clips, remove the air cleaner cover and remove the element.
AIR CLEANER CLIP
COVER ‘
\ /
AIR CLEANER
ELEMENT
\
‘CLIP
24

2. Wash the element in a non-flammable or high flash point solvent and dry it
thoroughly.
3. Soak the element in clean engine oil and squeeze out the excess oil.
4. Reinstall the air cleaner element and the cover.
ELEMENT
25

Sediment cup service
The sediment cup prevents dirt or water which may be in the fuel tank from
entering the carburetor. If the engine has not been run for a long time, the cup
should be cleaned.
1. Turn the fuel valve OFF. Remove the sediment cup.
2. Clean the cup thoroughly.
3. Reassemble. Do not damage the rubber gasket.
m After installing the sediment cup, check for fuel leaks and make
sure the area is dry before starting the engine,
FUEL VALVE
26

Spark plug service
Recommended spark plug: BPR4HS-10 (NGK)
W14FPR-ULlO (ND)
To ensure proper engine operation, the spark plug ,must be properly gapped
and free of deposits.
1. Remove the spark plug cover.
2. Clean any dirt from around the spark plug base.
3. Remove the spark plug cap.
PLUG CAP
27

4. Use the wrench supplied in the tool kit to remove the spark plug.
5. Visually inspect the spark plug. Discard it if the insulator is cracked or
chipped.
6. Measure the plug gap with a feeler gauge.
The gap should be 0.9-l .O mm (0.035-0.039 in). Correct as necessary by
bending the side electrode.
7. Attach the plug washer. Thread the plug in by hand to prevent
cross-threading.
8. Tighten a new spark plug l/2 turn with the wrench to compress the washer.
If you are reusing a plug, it should only take l/B-1/4 turn after the plug
seats.
CAUTION:
l
The spark plug must be securely tightened. An improperly tightened plug
can become very hot and possibly damage the engine.
l
Never use a spark plug with an improper
heat range.
PLUG
GAP
0.9-I .O mm
lO.O35-0.039 in)
28

Spark arrester maintenance
m If the generator has been running, the muffler will be very hot.
Allow it to cool before proceeding.
CAUTION: The spark arrester must be serviced every 100 hours to maintain
its efficiency.
1. Loosen the bolts and nuts and remove the muffler.
2. Loosen two Bmm bolts to remove the exhaust pipe.
3. Check the muffler exhaust port for carbon deposits; clean if necessary.
4. Remove the spark arrester from the muffler.
Clean the screen with a stainless steel wire brush and inspect the mesh for
damage.
Replace the spark arrester if there are any holes or breaks in the screen.
5. Install the spark arrester in the muffler.
6. Install the muffler and gasket and tighten the bolts and nuts securely.
8mm NUTS EXHAUST PIPE
I
,“FFLE/ ”
6mm BOLTS
PROTECTOR
SPARK
ARRESTER
8mm GOLTS
29

8. TRANSPORTING/STORAGE
w When transporting the generator, turn the engine switch OFF and
keep the generator level to prevent fuel spillage. Fuel vapor or spilled fuel may
ignite.
Before storing the unit for an extended period:
1. Be sure the storage area is free of excessive humidity and dust.
2. Drain the fuel -
i:
C.
With the fuel valve OFF, remove and empty the sediment cup.
Turn the fuel valve ON and drain the gasoline in the fuel tank
suitable container.
Replace the sediment cup and tighten securely.
FUEL VALVE
SEDIMENT CUP
into a

d. Drain the carburetor by loosening the drain screw. Drain the gasoline
into a suitable container.
.
DRAIN
\ SCREW
e. Slowly pull the starter grip until resistance is felt. At this point, the piston
is coming up on its compression stroke and both the intake and exhaust
valves are closed. Storing the engine in this position will help to protect it
from internal corrosion.
STARTER
GRIP
31

9. TROUBLESHOOTING
A. When the engine will not start:
1. Is there enough fuel?
2. Is the fuel valve on?
3. Is gasoline reaching the carburetor?
To check, loosen the drain screw with the fuel valve on.
m If any fuel is spilled, make sure the area is dry before testing
the spark plug or starting the engine. Fuel vapor or spilled fuel may
ignite.
DRAIN SCRE
4. Is there enough oil in the crankcase? Is the oil alert switch on?
5. Is the AC circuit breaker off and nothing connected to the DC
terminals?
6. Is the engine switch on?
7. Is there a spark at the spark plug (page 27)?
32

a. Remove the spark plug cover and cap. Clean any dirt from around
the spark plug base, then remove the spark plug.
b. Install the spark plug in the plug cap.
c. Turn the engine switch on.
d. Be sure the oil alert switch is on.
e. Grounding the side electrode to the stay, pull the recoil starter to see
if sparks jump across the gap.
OIL ALERT
ENGINE
SWITCH
GROUNDING I I SV?T CH
STAY
STARTER \ 1 -’ -C
f. If there are no sparks, replace the plug and check again.
If OK, try to start the engine according to the instructions.
8. If there is still no spark or if the engine still does not start, take the gen-
erator to an authorized Honda dealer.
33

B. When the engine starts but stops immediately:
Is there enough oil in the crankcase?
If not, the oil alert switch will turn off after starting.
C. No electricity at the AC receptacles:
1. Are the AC circuit breakers on?
2. Check the electrical appliance or equipment for any defects.
D. No electricity at the DC terminals:
1. Is the DC circuit protector on?
2. Check the condition of the battery cables and the battery itself.
34

10. SPECIFICATIONS
Dimensions
Length x Width x Height
Dry weight
65Ox425x575mm
(25.6 x 16.7 x 22.6 in)
85.0kg( 187.4lb)
L 1
Engine
Model
Engine Type
Displacement
(Bore x Stroke)
Compression Ratio
Engine Speed
Cooling System
Ignition System
Oil Capacity
Fuel Tank Capacity
Spark Plug
Generator
MODEL
AC output
DC output
Rated voltage
Rated frequency
Rated ampere
Rated output
Maximum output
Honda G E400
4Stroke, side valve, 1 cylinder
406 cc (24.8 cu in)
[B6 x 70 mm (3.4 x 2.8 in)]
6.8: 1
3,600 rpm
Forced air cooling
CDI (Capacitor Discharge Ignition)
1.2 Q (5.1 us qt)
16.5 L (4.4 US gal)
BPR4HS10 (NGK)
W14FPRULlO (ND)
EMS4000 EMS4500
12OW/24OV
60Hz
32.OA/I 6.OA 33.5A/l6.5A
3.8kW(3.8kVA) 4.0kW(4.0kVA)
4.0kW(4.0kVA) 4.5kW(4.5kVA)
Only for charging 12 V automotive
batteries.
Maximum charging output=8.3A
35

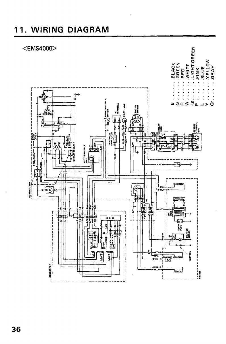
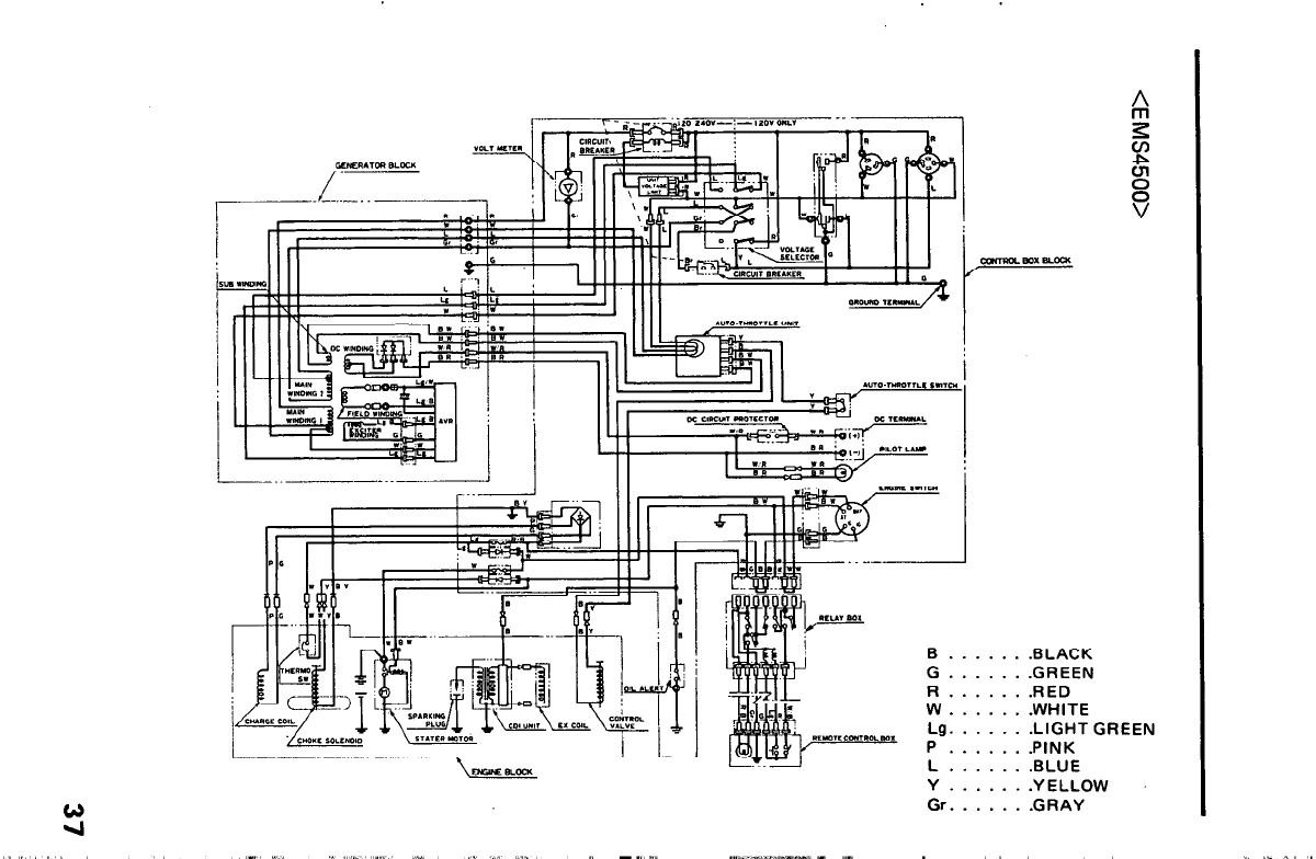
11. WIRING DIAGRAM
<EMS4000>
r . .
. . .
. . .
J>G
......
......
________________ ------------ ----------- ~ ......
I ......
I ... ...
I
I .I
I
I
gl!
-------------,
I
L---------- __--___ 7
36

LL. ____. --.-.__._ -~.. 1 L...
-BLOCll
B . . . . .
G . . . . .
R . . . . .
W . . .
Lg: : . . .
P
L:::::
Y.....
Gr. . . . .
.BLACK
.GREEN
RED
.WHITE
.LIGHT GREEN
.PINK
.BLUE
.YELLOW
.GRAY

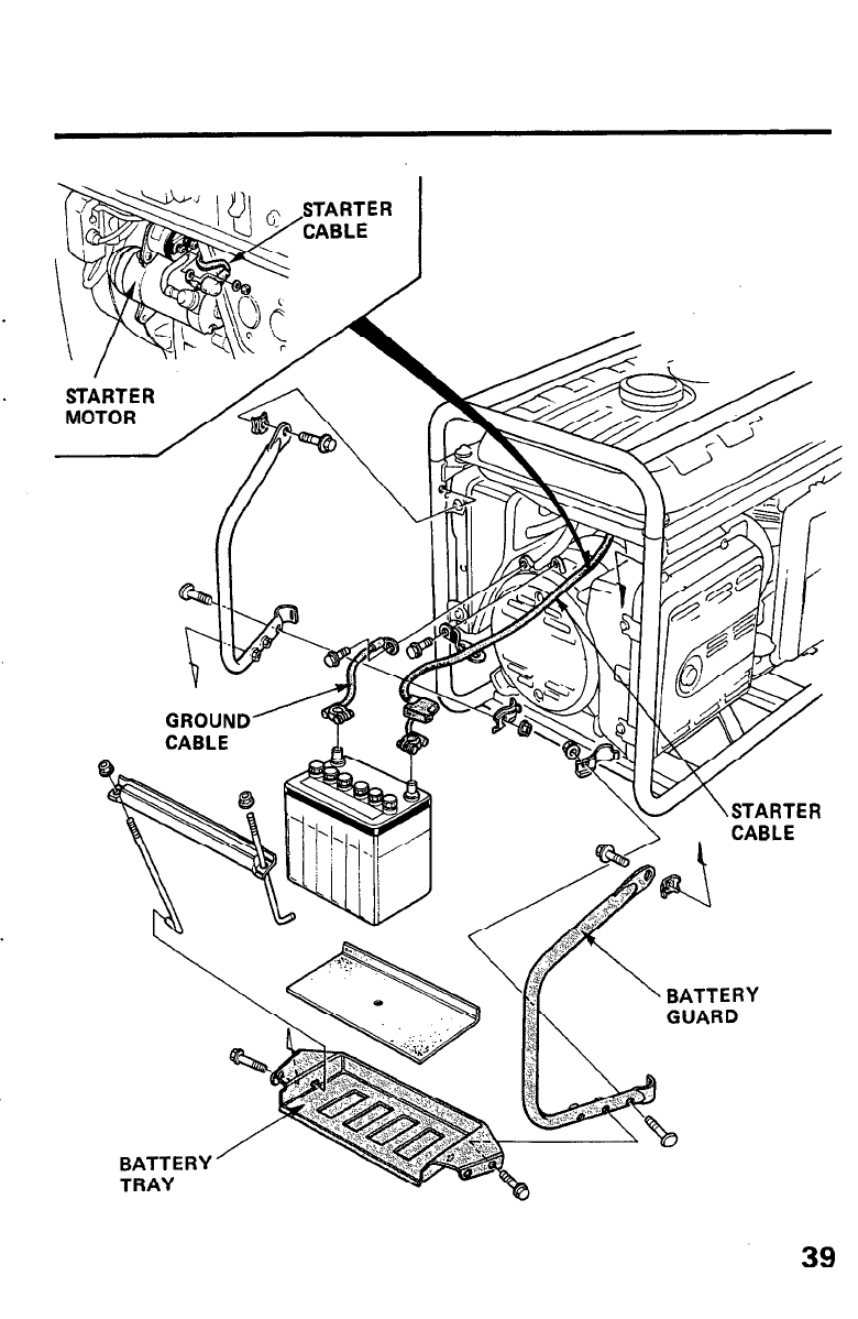
12. INSTALLATION OF Ol?TIONAL PARTS
Battery mount kit
1. Remove and retain the two bolts attaching the upper frame to the lower
frame on the generator side. Position the battery guards on the lower frame
and install using the bolts retained. (See page 39)
2. Position the battery tray on the battery guards and install with the attach-
ing hardware shown.
3. Pass the starter cable between the control box and generator and connect to
the outer terminal of the starter magnetic relay.
4. Attach the ground cable to the frame at the upper left of the generator as
shown. Tighten securely.
5. Install the battery in the battery tray and connect the battery cables to the
battery.
NOTE: Use a battery rated at 12V-32AH or more.
CAUTION: Do not reverse polarity. Serious damage to the generator and/or
battery may occur.
Battery
NOTE: Check. the electrolyte level to be sure that it is between the marks on
the case. If the level is below the lower mark, remove the caps and add distilled
water to bring the electrolyte level to the upper mark. The cells should be
equally full.
38

STARTER
GROUND’ ’
CABLE
BATTERY’
TRAY
39

Remote control kit
The generator may be adapted for remote control operation with an optional
kit.
1. Position the relay box on the tabs of the pipe frame on the right (generator)
side and attach it with the two 6 mm screws.
2. Disconnect the 8-pin coupler from the back of the control box and connect
the relay box coupler in its place.
3. Connect the remote control cable to the remote control box and the relay
box.
RELAY
BOX I!
REMOTE
CONTROL
BOX
\
\
REMOTE
CONTROL
CABLE
40

Remote control operation
(STARTING)
1. Turn the fuel valve on.
2. Turn the oil alert switch on.
3. Turn the auto-throttle switch off.
4. Turn the ignition switch key off or remove it from the generator.
5. Turn the relay switch on.
RELAY SWITCH
6. Flip the remote control engine switch knob up to
ON.
Pull
- ON 1 START
41

7. Depress the starter button until the engine starts.
Be sure that pilot lamp comes on when the engine starts.
NOTE: Do not hold the starter button on for more than 15 seconds at a
time.
If the engine has not started by then, check through the starting procedure
above to be sure that all switches, valves, etc are in the correct position.
42

Warranty Service
Owner Satisfaction
Your satisfaction and goodwill are important to your dealer and to us.
All Honda warranty details are explained in the Distributor’s Limited
Warranty. Normally, any problems concerning the product will be handled
by your dealer’s service department. If you have a warranty problem that
has not been handled to your satisfaction, we suggest you take the follow-
ing action:
l
Discuss your problem with a member of dealership management.
Of-
ten complaints can be quickly resolved at that level. If the problem
has already been reviewed with the Service Manager, contact the
owner of the dealership or the General Manager.
l
If your problem still has not been resolved to your satisfaction, contact
the Customer Relations Department at the zone service office of Ameri-
can Honda Motor Co., Inc. in your area. Zone service office locations
are shown on the following page. We will need the following information
in order to assist you:
-Your name, address, and telephone number
-Engine model and serial
number
-Date of purchase
-Dealer name and address
-Nature of the problem
After reviewing all the facts involved, you will be advised of what action
can be taken. Please bear in mind that your problem will likely be re-
solved at the dealership, using the dealer’s facilities, equipment, and
personnel, so it is very important that your initial contact be with the
dealer.
Your purchase of a Honda engine is greatly appreciated by both the
dealer and American Honda Motor Co., Inc. We want to assist you in ev-
ery way possible to assure your complete satisfaction with your
purchase.
43
Current customer service contact information:
United States, Puerto Rico, and U.S. Virgin Islands:
Honda Power Equipment dealership personnel are trained professionals. They should
be able to answer any question you may have. If you encounter a problem that your
dealer does not solve to your satisfaction, please discuss it with the dealership's
management. The Service Manager or General Manager can help. Almost all problems
are solved in this way.
If you are dissatisfied with the decision made by the dealership's management, contact
the Honda Power Equipment Customer Relations Office. You can write:
American Honda Motor Co., Inc.
Power Equipment Division
Customer Relations Office
4900 Marconi Drive
Alpharetta, GA 30005-8847
Or telephone: (770) 497-6400 M-F, 8:30 am - 7:00 pm EST
When you write or call, please provide the following information:
• Model and serial numbers
• Name of the dealer who sold the Honda power equipment to you
• Name and address of the dealer who services your equipment
• Date of purchase
• Your name, address, and telephone number
• A detailed description of the problem

Zone Service Office Locations
I -.
‘\ i !
. .__. it--P,--.-.l I t,
WESTERN ZONE SERVICE OFFICE **\
(includes Alaska end Hawaii)
American Honda Motor Co..
Inc.
Customer Relations Depanment
P.O. Box 420
Gardena. CA 90247-0642
(213) 604.2400
L/.<..Jy y
EASTERN ZONE SERVICE OFFICE
(includes Puetto
Rim)
American Honda Motor Co., Inc.
Customer Relations Depxtmern
1500 Morrison Parkway
Alpharetta. GA 30201
(404) 442.zoo0

