Honeywell Analytics 301R8W1 Wireless 8 Relay User Manual Bilingual Cover Page
Honeywell Analytics Wireless 8 Relay Bilingual Cover Page
user manual

Module de relais
Relay Module
Manuel de l’utilisateur
301RW
User Manual
ERP 511397
05/07

Relay Module
301R
User Manual
ERP 511397
5/07

511397 301R User Manual iii
5/07 Honeywell
Notices and Trademarks
Copyright by Honeywell International Inc.
Release 511397 May 2007
While this information is presented in good faith and believed to be accurate,
Honeywell disclaims the implied warranties of merchantability for a particular
purpose and makes no express warranties except as may be stated in its
written agreement with and for its customers.
In no event is Honeywell liable to anyone for any indirect, special or
consequential damages. The information and specifications in this document
are subject to change without notice.
Honeywell Analytics
4005 Matte Blvd, Unit G
Brossard, Quebec, J4Y 2P4

511397 301R User Manual v
5/07 Honeywell
Contacts
World Wide Web
The following Honeywell Websites may be of interest to our customers:
Telephone
Contact us by telephone at the numbers listed below:
Sales Informations
Contact us at sales@vulcaininc.com
Honeywell Organization WWW Address (URL)
Honeywell Analytics http://www.honeywellanalytics.com
Corporate http://www.honeywell.com
International http://content.honeywell.com/global/
Organization Phone Number
United States
and Canada Honeywell Analytics
1-800-563-2967
1-450-619-2450
Fax: 1-888-967-9938
Asia Pacific Honeywell Asia Pacific Inc.
Hong Kong (852) 23 31 9133
Europe Honeywell Pace
Brussels, Belgium [32-2]728-2711
Latin America Honeywell International Inc.
Sunrise, Florida, U.S.A. (954) 845-2600

511397 301R User Manual vii
5/07 Honeywell
Symbol Definitions
The following table lists the symbols used in this document to denote
certain conditions:
Symbol Definition
ATTENTION: Identifies information that requires
special consideration
TIP: Identifies advice or hints for the user, often
in terms of performing a task
REFERENCE _ INTERNAL: Identifies an
additional source of information within the
bookset.
CAUTION
Indicates a situation which, if not avoided, may
result in equipment or work (data) on the system
being damaged or lost, or may result in the
inability to properly operate the process.
CAUTION: Indicates a potentially hazardous
situation which, if not avoided, may result in minor
or moderate injury. It may also be used to alert
against unsafe practices.
CAUTION: Symbol on the equipment refers the
user to the product manual for additional
information. The symbol appears next to required
information in the manual.
WARNING: Indicates a potentially hazardous
situation which, if not avoided, could result in
serious injury or death.
WARNING symbol on the equipment refers the
user to the product manual for additional
information. The symbol appears next to required
information in the manual.

511397 301R User Manual ix
5/07 Honeywell
CONTENTS
INTRODUCTION ............................................................11
Description ............................................................................................ 11
Installation Guidelines ........................................................................... 11
WIRING DETAILS ..........................................................12
301R Wiring ....................................................................................... 12
301RW Wiring ................................................................................... 13
System Configuration ........................................................................14
DIP Switches ......................................................................................... 14
LED Definitions ...................................................................................... 15
Care and Maintenance ...................................................................... 15
Replacement parts ................................................................................ 15
SPECIFICATIONS ..........................................................16
Technical Specifications .................................................................... 16
LIMITED WARRANTY ....................................................17
Limited Warranty ................................................................................... 17
Re-Stocking Policy ................................................................................ 17
Exclusions ............................................................................................. 18
Warranty Limitation and Exclusion ........................................................ 18
Disclaimer of Unstated Warranties ........................................................ 19
Limitation of Liability .............................................................................. 19

511397 301R User Manual 11
5/07 Honeywell
Introduction
Introduction
Description
The 301R and 301RW act as an output for the 201C or the 301C. The
301R and the 301RW provides a standard 8 relays (DPDT 5A, 30 Vdc
or 250 Vac resistive load) for the indirect activation of accessories.
Since the relay module is an output for the controller, it can be located
anywhere within the gas detection network.
The 301R is fully compatible with both the 201C and the 301C (the
301RW is compatible with only the 301CW) and offer LED indicators for
each relay (visible only when housing is open).
Installation Guidelines
The following guidelines ensure that the equipment will work properly.
Failure to strictly respect these guidelines will free Honeywell from any
responsibility or liability in case of improper functioning:
• Make sure to locate the unit and sensing assembly(ies), if
applicable, in an area easily accessible to a technician.
• Avoid any location where the unit could be subject to vibrations.
• Avoid any location close to noisy equipment.
• Avoid any location where temperature changes occur rapidly.
• Verify all the requirements and existing regulations which may
affect the choice of location.

12 301R User Manual 511397
Honeywell 5/07
Wiring Details
301R Wiring
Wiring Details
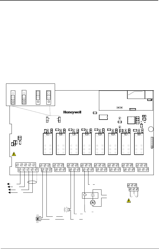
301R Wiring
The wiring details diagram (below) represent the 8 DPDT relay circuit
board. Wiring connexions are identical, regardless of the number of
relays.
[ V+ ]
[ V- ]
[ A ]
[ B ]
EOL-R
EOL-RC
B
AN.O. N.O. N.O. N.O. N.O. N.O. N.O. N.O. N.C.N.C.N.C.N.C.N.C.N.C.N.C.N.C.
PCB301RR5
MADE IN CANADA
SHIELD
TX
1
508862
VV
IN24V
+-
500 (mil)
SW1
R7
R14
R13
R12
R10
J9
J20
J10
D3
C8
C7
C5
C10
D10
D11
D12
D13
D14
D15
D16
D17
D18
D19
D20
D21
D22
D7
D8
D9
J11
J12
J13
J14
J15
J16
J17
J18
J7
R26
R27
R28
R29R30
R31
R32
R33
REL1
REL2
REL3
REL4
REL5
REL6
REL7
REL8
U2
Ventilation
Voltage
Supply
Neutral
Line
Line
Neutral
Neutral
Line
Typical Accessories
RELAY OUTPUTS
3+5
4+6
1+3
2+4
Normally
open
Normally
closed
531
642
RISK OF ELECTRIC SHOCK
RISK OF ELECTRIC SHOCK
Always respect minimum voltage
requirements at device
J6 J5 J4 J3 J2 J1J8

511397 301R User Manual 13
5/07 Honeywell
Wiring Details
301RW Wiring
301RW Wiring
The relay module is available with optional wireless communication
(301RW). Though it functions in exactly the same way and the wiring is
the same as the standard relay module, there are some minor
differences in the circuit board.
The DIP switch settings are identical for both circuit boards, only the
position of the switch on the board is different.
Two jumpers on the 301RW circuit board allow users to define whether
the unit will be used in standard Modbus communication or in Wireless
communication mode.
Mod/Vul
Wireless
POWER
1
EOL-R
EOL-RC
BA N.O. N.O. N.O. N.O. N.O. N.O. N.O. N.O. N.C.N.C.N.C.N.C.N.C.N.C.N.C.N.C.
PCB301RWRB
MADE IN CANADA
SHIELD
TX
510024
V
V
+-
R20
U5
SW1
R7
R5
R21
R19
R18
R17
R16
R14
R12
R10
LED1
J9
J20
D6
D4
LED2
C9
C5
D10
D11
D12
D13
D14
D15
D16
D17
D18
D19
D20
D21
D22
D7
D8
D9
J11
J12
J13
J14
J15
J16
J17
J18
R26
R27
R28
R29
R30
R31
R32
R33
REL1
REL2
REL3
REL4
REL5
REL6
REL7
REL8
J21
R35
J19
J22
J23
Wireless
Communication Module
Non-essenti al components have been removed from this drawing
[ V+ ]
[ V- ]
[ A ]
[ B ] Ventilation
Voltage
Supply
Neutral
Line
Line
Neutral
Neutral
Line
Always respect minimum
voltage requirements at device
Wiring of communication lines depends on the
communication jumper positions: If the jumper is in
Mod/Vul position, the communication terminal
connections will be “ live”. If the jumper is in Wireless
position, the communication terminal connections will
be “dead”
RELAY OUTPUTS
3+5
4+6
1+3
2+4
Normally
open
Normally
closed
531
642
RISK OF ELECTRIC SHOCK
RISK OF ELECTRIC SHOCK
Wireless Modbus
Communication jumper settings
J10
J7 J6 J5 J4 J3 J2 J1J8
J23
J23
J19
J19

14 301R User Manual 511397
Honeywell 5/07
Wiring Details
System Configuration
System Configuration
DIP Switches
The DIP switches are used to change relay module addresses. If the
relay module is connected to a 301C controller, the addresses range
available begins at 81. If it is connected to a 201C, the range of
addresses begins at 1 or 17.
The wireless module (Coordinator PCB) uses Modbus communication
to transmit network information to the 301RW (PCB). A 301R, equipped
with a wireless module, uses addresses 81 and 82 (81 is the default
address) for communication between the wireless and relay modules.
PRODUCT ADDRESSES DIP SWITCH POSITIONS
VA201C VA301C Dip1 Dip2 Dip3 Dip4
1 or 17 81 Off Off Off Off
2 or 18 82 On Off Off Off
3 or 19 83 Off On Off Off
4 or 20 84 On On Off Off
5 or 21 85 Off Off On Off
6 or 22 86 On Off On Off
7 or 23 87 Off On On Off
8 or 24 88 On On On Off
9 or 25 89 Off Off Off On
10 or 26 90 On Off Off On
11 or 27 91 Off On Off On
12 or 28 92 On On Off On
13 or 29 93 Off Off On On
14 or 30 94 On Off On On
15 or 31 95 Off On On On
16 or 32 96 On On On On
SW1
2341
O
F
F
ROCKER DOWN

511397 301R User Manual 15
5/07 Honeywell
Wiring Details
System Configuration
Resetting Network Parameters Using the Dip Switch
Since the 301RW has no programming interface, the DIP switches can
be used to change network parameters: a change of address done
using the DIP switch when the unit is powered up resets network
parameters to zero. This function, which should only be used by
authorized and qualified technicians, resets network parameters to
zero, allowing the 301RW to search for a controller in association mode.
Note: Parameters will not be reset if the address is change when the
unit is off.
LED Definitions
The unit has two externally visible LEDs:
The green LED indicates power status. When the unit is powered up
and function the LED is lit, when the LED is off, the unit is off
The amber LED indicates communication status. This LED blinks to
indicate communication between the relay module and the controller.
ATTENTION
This function resets network parameters; when parameters
are reset, identifiers may change, which renders Events and
Groups programmed in the controller invalid and useless.

16 301R User Manual 511397
Honeywell 5/07
Specifications
Technical Specifications
Specifications
Technical Specifications
Power Requirements: 17 - 27 Vac, 50/60 Hz, 9.5 VA
24 - 38 Vdc, 250 mA @ 24Vdc (8.4 VA)
Operating Temperature
Range: 32°F to 100°F (0 to 40°C)
Operating Humidity Range: 0 to 95% RH (non-condensing)
Outputs: 2, 4 or 8 DPDT relays
5A, 30 Vdc or 250 Vac (resistive load)
Communication (length of lines) 2,000 feet (600 m) maximum between
the Controller and transmitter:
Communication: Modbus ASCII or ISM wireless
Enclosure: NEMA 4X ABS polycarbonate
Dimensions: 8 in (H) x 9.5 in (W) x 2.5 in (D)
(20.3 cm x 24.4 cm x 5.7 cm )

511397 301R User Manual 17
5/07 Honeywell
Specifications
FCC Specifications
FCC Specifications
Note: This equipment has been tested and found to comply with the
limits for a Class A digital device, pursuant to part 15 of the FCC
Rules. These limits are designed to provide reasonable protection
against harmful interference when the equipment is operated in a
commercial environment. This equipment generates, uses, and
can radiate radio frequency energy and, if not installed and used
in accordance with the instruction manual, may cause harmful
interference to radio communications. Operation of this
equipment in a residential area is likely to cause harmful
interference in which case the user will be required to correct the
interference at his own expense.
This device complies with Part 15 of the FCC Rules.
Operation is subject to the following two conditions: (1)
this device may not cause harmful interference, and (2)
this device must accept any interference received,
including interference that may cause undesired
operation.
The internal / external antennas used for this mobile
transmitter must provide a separation distance of at least
20 cm from all persons and must not be co-located or
operating in conjunction with any other antenna or
transmitter."
Modifications not expressly approved by this company
could void the user's authority to
operate the equipment.
Qualified personnel must install radio communication
devices. Improper installation or selection of a
transmitter’s location may cause intermittent or unreliable
performance

18 301R User Manual 511397
Honeywell 5/07
Specifications
Care and Maintenance
Care and Maintenance
The 301RW is a maintenance free relay module. If cleaning is
necessary, clean the exterior with a soft, damp cloth. Do not use
solvents, soaps or polishers.
Replacement parts
Due to continuous evolution of our products, please contact our service
department to order parts if needed or to ask for more details.

511397 301R User Manual 17
5/07 Honeywell
Limited Warranty
Limited Warranty
Limited Warranty
Honeywell Analytics, Inc. warrants to the original purchaser and/or
ultimate customer ("Purchaser") of Vulcain products ("Product") that if
any part thereof proves to be defective in material or workmanship
within twelve (12) months, such defective part will be repaired or
replaced, free of charge, at Honeywell Analytics' discretion if shipped
prepaid to Honeywell Analytics at 4005 Matte Blvd., Unit G, Brossard,
Quebec, J4Y 2P4, in a package equal to or in the original container.
The Product will be returned freight prepaid and repaired or replaced if
it is determined by Honeywell Analytics that the part failed due to
defective materials or workmanship. The repair or replacement of any
such defective part shall be Honeywell Analytics' sole and exclusive
responsibility and liability under this limited warranty.
Re-Stocking Policy
The following re-stocking fees will apply when customers return
products for credit:
• 15% re-stocking fee will be applied if the product is returned within
1 month following the shipping date
• 30% re-stockingfee will be applied if the product is returned within 3
months following the shipping date
A full credit (less re-stocking fee) will only be issued if the product is in
perfect working condition. (If repairs are required on the returned
product, the cost of these repairs will be deducted from the credit to be
issued.)
No credits will be issued beyond the three month period.

511397 301R User Manual 18
5/07 Honeywell
Limited Warranty
Exclusions
a.If Gas sensors are part of the Product, the gas sensor is covered
by a twelve (12) month limited warranty of the manufacturer.
b.If gas sensors are covered by this limited warranty, the gas sensor
is subject to inspection by Honeywell Analytics for extended
exposure to excessive gas concentrations if a claim by the
Purchaser is made under this limited warranty. Should such
inspection indicate that the gas sensor has been expended rather
than failed prematurely, this limited warranty shall not apply to the
Product.
c.This limited warranty does not cover consumable items, such as
batteries, or items subject to wear or periodic replacement,
including lamps, fuses, valves, vanes, sensor elements, cartridges,
or filter elements.
Warranty Limitation and Exclusion
Honeywell Analytics will have no further obligation under this limited
warranty. All warranty obligations of Honeywell Analytics are
extinguishable if the Product has been subject to abuse, misuse,
negligence, or accident or if the Purchaser fails to perform any of the
duties set forth in this limited warranty or if the Product has not been
operated in accordance with instructions, or if the Product
serial number has been removed or altered.

511397 301R User Manual 19
5/07 Honeywell
Limited Warranty
Disclaimer of Unstated Warranties
The warranty printed above is the only warranty applicable to this
purchase. All other warranties, express or implied, including, but not
limited to, the implied warranties of merchantability or fitness for a
particular purpose are hereby disclaimed.
Limitation of Liability
It is understood and agreed that Honeywell Analytics’ liability, whether
in contract, in tort, under any warranty, in negligence or otherwise shall
not exceed the amount of the purchase price paid by the purchaser for
the product and under no circumstances shall Honeywell Analytics be
liable for special, indirect, or consequential damages. The price stated
for the product is a consideration limiting honeywell analytics' liability.
No action, regardless of form, arising out of the transactions under this
warranty may be brought by the purchaser more than one year after the
cause of actions has occurred.

Module de relais
301R
Manuel d’utilisateur
ERP 511397
5/07

511397 Manuel d’utilisateur 301R iii
5/07 Honeywell
Avis et marques de commerce
Tous droits réservés par Honeywell International Inc.
Parution 511397 May 2007
Quoique cette information est présentée en bonne foi et est présumée exacte,
Honeywell décline la garantie tacite de la qualité marchande pour un emploi
particulier et offre aucune garantie exprès, à l’exception des conventions écrites
avec et pour ses clients.
Honeywell ne sera, sous aucune circonstance, responsable à qui que ce soit
pour des dommages spéciaux ou indirectes. Les informations et les
spécifications dans ce document sont susceptibles d’être modifiées sans
préavis.
Honeywell Analytics
4005 Matte Blvd, Local G
Brossard, Québec, J4Y 2P4

511397 Manuel d’utilisateur 301R v
5/07 Honeywell
Nous joindre
Web
Les sites Web suivant d’Honeywell peuvent être utilies pour nos clients :
Téléphone
Utiliser les numéros de téléphone ci-dessous pour nous contacter :
Informations des ventes
Nous contacter à sales@vulcaininc.com
Organisation Honeywell Adresses WWW (URL)
Honeywell Analytics http://www.honeywellanalytics.com
Corporate http://www.honeywell.com
International http://content.honeywell.com/global/
Organisation Numéro de téléphone
États Unis
et Canada Honeywell Analytics
1-800-563-2967
1-450-619-2450
Fax: 1-888-967-9938
Asie Pacifique Honeywell Asia Pacific Inc.
Hong Kong (852) 23 31 9133
Europe Honeywell Pace
Bruxelles, Belgique [32-2]728-2711
Amérique latine Honeywell International Inc.
Sunrise, Floride, É.U. (954) 845-2600

511397 Manuel d’utilisateur 301R vii
5/07 Honeywell
Définitions des symboles
Le tableau suivant contient la liste des symboles utilisés dans ce
document pour indiquer certaine conditions :
Symbole Définition
ATTENTION: Identifie une information demandant
une attention spéciale
Truc: Identifie un conseil ou un truc pour
l’utilisateur, souvent concernant une tâche
RÉFÉRENCE- INTERNE Indique une source
d’information supplémentaire à l’intérieur du
document.
ATTENTION
Indique une situation à éviter pouvant entraîner des
dommages au système ou la perte de travail
(documents) ou pouvant prévenir l’opération
normale du système.
ATTENTION : Indique une situation potentiellement
dangereuse qui peut entraîner des blessures
mineures ou modérées si pas évité. Peut
également signaler des actions dangereuses
ATTENTION: Un symbole sur l’équipement qui
réfère l’utilisateur à la documentation pour de plus
amples informations. Ce symbole apparaît à côté
des informations nécessaires dans le manuel.
AVERTISSEMENT : Indique une situation
potentiellement dangereuse qui peut entraîner des
blessures majeures ou la mort si pas évité.
AVERTISSEMENT Un symbole sur l’équipement
qui réfère l’utilisateur à la documentation pour de
plus amples informations. Ce symbole apparaît à
côté des informations nécessaires dans le manuel.

511397 Manuel d’utilisateur 301R ix
5/07 Honeywell
Table des Matières
INTRODUCTION ............................................................11
Description et utilisation visée .............................................................. 11
Directives d’installation ......................................................................... 11
DÉTAILS DE CONNEXION ............................................12
Connexion 301R ................................................................................ 12
Connexion 301RW ............................................................................ 13
Configuration du système .................................................................. 14
Commutateurs DIP ................................................................................ 14
Réinitialisation des paramètres réseau depuis le commutateur ............ 15
Définition des DEL ................................................................................. 15
SPÉCIFICATIONS ..........................................................16
Spécifications techniques .................................................................. 16
Entretien ................................................................................................ 16
Pièces de remplacement ....................................................................... 16
GARANTIE LIMITÉE ......................................................17
Garantie limitée ..................................................................................... 17
Politique de Retour ................................................................................ 17
Exclusions ............................................................................................. 18
Limitation et exclusion de la garantie .................................................... 18
Dénégation de responsabilité d’autres garanties .................................. 19
Limitation de responsabilité ................................................................... 19

x Manuel d’utilisateur 301R 511397
Honeywell 5/07

511397 Manuel d’utilisateur 301R 11
5/07 Honeywell
Introduction
Introduction
Description et utilisation visée
Le 301R et le 301RW servent de sortie pour soit le 201C ou le 301C.
Le 301R offre 8 relais et le 301RW offre 8 relais pour l’activation
indirecte d'accessoires Puisque le module est compatible avec tout le
réseau, il peut être installé à n’importe quel endroit à l’intérieur du
réseau de détection.
Le 301R et le 301RW sont complètement compatibles avec les
centrales 201C ou301C, et offrent des DEL de statut pour chacun des
relais (visible seulement lorsque le boîtier est ouvert).
Directives d’installation
Ces directives doivent être strictement suivies pour assurer le bon
fonctionnement de l’équipement. En défaut de suivre ces directives,
Honeywell ne reconnaîtra aucune responsabilité pour tout dommages
causés par une installation inadéquate :
• Installer les unités dans des endroits faciles d’accès pour le
service.
• Éviter d’installer les unités près d’une source de vibration.
• Éviter d’installer les unités près d’une source de perturbation
électromagnétique.
• Éviter de placer les unités dans des endroits où il y a des
fluctuations de température rapides.
• Vérifier les spécifications et règlements locaux pouvant avoir un
impact sur le choix d’emplacement.

12 Manuel d’utilisateur 301R 511397
Honeywell 5/07
Détails de connexion
Connexion 301R
Détails de connexion
Connexion 301R
Le dessin de connexion ci-dessous représente la carte de circuit
comportant 8 relais (DPDT). Les connexions sont identique, peu
importe le nombre de relais.
[ V+ ]
[ V- ]
[ A ]
[ B ]
EOL-R
EOL-RC
B
AN.O. N.O. N.O. N.O. N.O. N.O. N.O. N.O. N.C.N.C.N.C.N.C.N.C.N.C.N.C.N.C.
PCB301RR5
MADE IN CANADA
SHIELD
TX
1
508862
VV
IN24V
+-
500 (mil)
500 (mil)
SW1
R7
R14
R13
R12
R10
J9
J20
D3
C8
C7
C5
C10
D10
D11
D12
D13
D14
D15
D16
D17
D18
D19
D20
D21
D22
D7
D8
D9
J11
J12
J13
J14
J15
J16
J17
J18
R26
R27
R28
R29R30
R31
R32
R33
REL1
REL2
REL3
REL4
REL5
REL6
REL7
REL8
U2
Alimentation
de
ventilation
Neutre
Ligne
Ligne
Neutre
Neutre
Ligne
Accessoires typiques
SORTIES RELAIS
3+5
4+6
1+3
2+4
Normalement
ouvert
Normalement
fermé
Commutateur
DIP
Cavalier de fin de
ligne
COMMUNICATION
Calibre de câble de Communication:
2-24 AWG (Belden 9841)
câble torsadé et blindé
600 m (2000 pi) par canal
T-tap: 20 m (65 pi) / T-tap
40 m (130 pi) total
N.O. COMM N.C.
RISQUE DE CHOC ÉLECTRIQUE
J10
J7 J6 J5 J4 J3 J2 J1J8

511397 Manuel d’utilisateur 301R 13
5/07 Honeywell
Détails de connexion
Connexion 301RW
Connexion 301RW
Le module de relais est disponible avec une option de communication
sans fils (301RW). Quoique l’unité fonctionne de la même façon que le
module de relais standard, la carte de circuit imprimée comporte des
légères différences. La configuration des commutateurs est identique
pour les deux cartes; seule l’emplacement du bornier du commutateur
sur la carte est différent.
Deux cavaliers sur la carte du 301RW permettent aux utilisateurs de
définir si l’unité utilisera la communication Modbus ou la communication
sans fils.
Mod/Vul
Wireless
POWER
1
EOL-R
EOL-RC
BA N.O. N.O. N.O. N.O. N.O. N.O. N.O. N.O. N.C.N.C.N.C.N.C.N.C.N.C.N.C.N.C.
PCB301RWRB
MADE IN CANADA
SHIELD
TX
510024
V
V
+-
R20
U5
SW1
R7
R5
R21
R19
R18
R17
R16
R14
R12
R10
LED1
J9
J20
D6
D4
LED2
C9
C5
D10
D11
D12
D13
D14
D15
D16
D17
D18
D19
D20
D21
D22
D7
D8
D9
J11
J12
J13
J14
J15
J16
J17
J18
R26
R27
R28
R29
R30
R31
R32
R33
REL1
REL2
REL3
REL4
REL5
REL6
REL7
REL8
J21
R35
J19
J22
J23
Module communication
sans fils
Non-essentia l components have been removed fr om this drawing
[ V+ ]
[ V- ]
[ A ]
[ B ] Ventilation
Voltage
Supply
Neutre
Ligne
Ligne
Neutre
Neutre
Line
La connexion du câblage de communication dépend
des positions des cavaliers de communication : Si les
deux cavalier sont en position Mod/Vul, les connexions
du bornier sont activées. Si les deux cavaliers sont en
position Wireless, les connexions du bornier sont
désactivées.
Calibre de câble de Communication:
2-24 AWG (Belden 9841)
câble torsadé et blindé
600 m (2000 pi) par canal
T-tap: 20 m (65 pi) / T-tap
40 m (130 pi) total
COMMUNICATION
SORTIES RELAIS
3+5
4+6
1+3
2+4
Normalement
ouvert
Normalement
fermé
N.O. COMM
RISQUE DE CHOC ÉLECTRIQUE
Toujours respecter les
exigences minimales
d’alimentation à l’appareil
Wireless Modbus
Configuration de cavaliers de communication
J10
J7 J6 J5 J4 J3 J2 J1J8
J23
J23
J19
J19

14 Manuel d’utilisateur 301R 511397
Honeywell 5/07
Détails de connexion
Configuration du système
Configuration du système
Commutateurs DIP
Les commutateurs DIP permettent de changer les adresses du module
de relais. Si le module de relais est connecté à une centrale VA301C,
la plage d’adresses disponibles débute à 81. Si le module est connecté
au VA201C, la plage d’adresses disponible débute soit à 1 ou à 17.
Le module (carte imprimé) sans-fils utilise la communication Modbus
pour transmettre les informations du réseau au (PCB) 301RW. Un
301RW, muni du module sans fil, utilise les adresses 81 ou 82 (dont 81
est l’adresse par défaut) pour les communications entre le module et le
relayeur.
Adresse du produit Position des commutateurs dip
201C 301C Dip1 Dip2 Dip3 Dip4
1 ou 17 81 Off Off Off Off
2 ou 18 82 On Off Off Off
3 ou 19 83 Off On Off Off
4 ou 20 84 On On Off Off
5 ou 21 85 Off Off On Off
6 ou 22 86 On Off On Off
7 ou 23 87 Off On On Off
8 ou 24 88 On On On Off
9 ou 25 89 Off Off Off On
10 ou 26 90 On Off Off On
11 ou 27 91 Off On Off On
12 ou 28 92 On On Off On
13 ou 29 93 Off Off On On
14 ou 30 94 On Off On On
15 ou 31 95 Off On On On
16 ou 32 96 On On On On
SW1
2341
O
F
F
ROCKER DOWN

511397 Manuel d’utilisateur 301R 15
5/07 Honeywell
Détails de connexion
Configuration du système
Réinitialisation des paramètres réseau depuis le
commutateur
Puisque le 301RW ne comporte aucune interface de programmation,
les commutateurs peuvent servir pour modifier les paramètres de
réseau : un changement d’adresse effectué sur le commutateur lorsque
l’unité est sous tension remet les paramètres du réseau sans-fil à zero.
Cette fonction, qui devrait seulement être utilisé par des
techniciens autorisés et qualifiés, réinitialise les paramètres de
réseau à zéro, permettant au 301RW de rechercher une centrale en
mode Association.
Note: Si l’adresse est modifiée lorsque l’unité est hors tension, il n’y
aura pas de réinitialisation
Définition des DEL
L’unité comporte deux DELs visibles de l’extérieur du boîtier.
Le DEL vert indique le statut de l’unité. Lorsque l’unité est sous tension
et en marche” L’unité n’est pas sous tension lorsque le DEL est éteint.
Le DEL jaune indique le statut de communication. Le DEL clignote
lorsqu’il y a transfert de données entre le module de relais et la
centrale.
ATTENTION
Cette fonction réinitialise les paramètres de réseau; lorsque
réinitialisés, les identificateurs peuvent changer, ce qui rend
les Événements et les Groupes de la centrale inopérants et
invalides.

16 Manuel d’utilisateur 301R 511397
Honeywell 5/07
Spécifications
Spécifications techniques
Spécifications
Spécifications techniques
Alimentation : 17 - 27 Vca, 50/60 Hz, 9.5 VA
24 - 38 Vdcc, 250 mA @ 24Vcc (8.4 VA)
Plage de température
de fonctionnement : 0° à 40°C (32°F à 100°F)
Plage d’humidité de
fonctionnement : 0 à 95% RH (non condensant)
Sorties : 8 relais DPDT (bipolaire, bidirectionnel)
5A, 30 Vdc ou 250 Vac (charge résistive)
Communication
(longueur de lignes) :
2,000 pieds (600 m) distance maximum entre la
centrale et le transmetteur
Communication : Modbus ASCII ou sans fils ISM
Boîtier : NEMA 4X ABS polycarbonate
Dimensions : 20.3 cm (H) x 24.4 cm (L) x 5.7 cm (P)
(8 po x 9.5 po x 2.5 po)

511397 Manuel d’utilisateur 301R 17
5/07 Honeywell
Spécifications
Spécifications FCC
Spécifications FCC
Note: À la suite des évaluations réussies, cet équipement respecte les
limites d’un appareil numérique de Classe A, conformément à la
partie 15 des règlements FCC. Ces limites sont conçues pour
offrir une protection raisonnable contre l’interférence nuisible
lorsque l’équipement est utilisé dans un environnement
commercial. Cet équipement génère, utilise et émet de l’énergie
de radiofréquence. L’utilisation de cet équipement dans un
environnement résidentiel peut vraisemblablement causer une
interférence nuisible. Le cas échéant, l’utilisateur est responsable
de régler cette interférence à ses propres frais.
Cet appareil conforme à la partie 15 des règlements FCC.
Son utilisation est assujettie aux deux conditions suivantes :
(1) cet appareil ne doit pas causer de l’interférence nuisible,
et (2) cet appareil doit accepter toute interférence, incluant de
l’interférence pouvant résulter en une opération non désirée.
Les antennes internes/externes utilisées pour ce
transmetteur mobile doivent être éloignées de toutes
personnes par au moins 20 cm et ne doivent pas être
installées ou utilisées conjointement avec d’autres antennes
ou transmetteurs.
Les modifications non approuvées par la compagnie peuvent
annuler les droits de l’utilisateur d’opérer cet équipement
Le personnel qualifié doit installer tous dispositifs de
radiocommunication. La mauvaise installation ou sélection
d’emplacements du transmetteur peut entraîner un
fonctionnement discontinu ou peu fiable.

18 Manuel d’utilisateur 301R 511397
Honeywell 5/07
Spécifications
Entretien
Entretien
Le module de relais VA301R ne requiert aucun entretien. Cependant,
s’il s’avère nécessaire de nettoyer l’unité, utiliser un linge doux.
N’utiliser aucun savons, détersifs ou polis.
Pièces de remplacement
En raison de l’évolution continue de nos produits, veuillez communiquer
avec notre département de service pour commander les pièces
nécessaires ou pour obtenir de plus amples informations.

511397 Manuel d’utilisateur 301R 17
5/07 Honeywell
Garantie limitée
Garantie limitée
Garantie limitée
Honeywell Analytics, Inc. garantie à l’Acheteur d’origine et/ou au client
final (« Acheteur ») de produits Vulcain (« Produit ») que si une pièce
quelconque du produit s’avère défectueuse , soit en matériel ou en
main d’oeuvre, dans les douze (12) mois, cette pièce sera réparée ou
remplacer, sans frais, à la discrétion d’Honeywell Analytics si expédié,
port payé, à Honeywell Analytics at 4005 Matte Blvd., Unit G, Brossard,
Quebec, J4Y 2P4, dans l’emballage d’origine ou l’équivalent. Le Produit
sera retourné au client port payé si Honeywell Analytics détermine que
la pièce est défectueuse en raison de défaut matériel ou de main
d’oeuvre. La réparation ou le remplacement d’une telle pièce
défectueuse représente la seule et exclusive responsabilité
d’Honeywell Analytics sous cette garantie limitée.
Politique de Retour
Les frais suivants seront applicables lors de retour de produit pour
crédit :
• Des frais de retour de 15% seront appliqués lorsque le produit est
retourné dans le 1er mois suivant la date d’expédition
• Des frais de retour de 30% seront appliqués lorsque le produit est
retourné dans les 3 mois suivant la date d’expédition
Un crédit total (moins les frais de retour) sera uniquement appliqué si le
produit est en parfait état de fonctionnement. Si des réparations sont
nécessaires sur le produit retourné, les frais de cette réparation seront
déduit du crédit.
Auncuns crédits ne seront appliqués pour les retours après les 3 mois
suivant la date d’expédition.

511397 Manuel d’utilisateur 301R 18
5/07 Honeywell
Garantie limitée
Exclusions
A. Si des capteurs de gaz font partie du Produit, le capteur est
couvert par une garantie limitée de douze (12) mois du fabricant.
B. Si les capteurs de gaz sont couverts par cette garantie limitée,
le capteur sera assujeti à l’inspection par Honeywell Analytics pour
l’exposition prolongée à des concentrations de gaz élevées si
l’Acheteur fait une réclamation sous cette garantie limitée. SI
l’inspection indique que la cause de la défectuosité est l’épuisement du
capteur plutôt qu’un défaut, cette garantie ne s’appliquera pas au
Produit.
C. Cette garantie limitée ne s’applique pas au produits
consommables, tels les piles, ou les articles sujets à l’usure ou au
remplacement régulier, incluant les lampes, les fusibles, les valves, les
aubes, les élements de sonde, les cartouches ou les éléments de
filtres.
Limitation et exclusion de la garantie
Honeywell Analytics n’aura aucun autre responsabilité sous cette
garantie limitée. Toutes responsabilités de garantie d’Honeywell
Analytics sont annulées si le Produit a subi des abus, de la
négligeance, un accident ou si l’Acheteur est en défaut de ses
obligations tels que décrit dans cette garantie ou si le Produit n’a pas
été utilisé selon les instructions ou si le numéro de série du Produit été
enlevé ou modifié.

511397 Manuel d’utilisateur 301R 19
5/07 Honeywell
Garantie limitée
Dénégation de responsabilité d’autres garanties
La garantie ci-haut est la seule garantie applicable à cet achat. Toutes
autres garanties, soit implicites ou exprès, incluant mais pas limité à,
les garanties tacites de qualité marchande ou de l’aptitude à un emploi
particulier sont dénéguées par le présent document.
Limitation de responsabilité
Il est entendu que la responsabilité d’Honeywell Analytics, soit en
contrat, en délit civil, sous n’importe quelle garantie de responsabilité,
en négligence ou autrement n’excédera pas le prix d’achat payé par
l’Acheteur pour le produit. Honeywell Analytics ne sera pas
responsable, sous aucune circonstance, pour des dommages spéciaux
ou indirectes. Le prix déclaré pour le produit est une considération
limitant la responsabilité d’Honeywell Analytics. Aucune action, en
quelle forme que soit, survenant des transactions sous cette garantie
peuvent être entreprises par l’Acheteur plus d’un an après l’occurence
de la cause de ces actions.