Honeywell Enraf 970SR Tank level measuring gauge User Manual K 970 IN GUIDE 4416717 717REV00 717 REV0 WPD
Honeywell Enraf Tank level measuring gauge K 970 IN GUIDE 4416717 717REV00 717 REV0 WPD
User Manual

Installation guide 970 SmartRadar ATi Page 1
Installation guide
970 SmartRadar ATi
March 2004
Part no. 4416.717_Rev.1
Enraf B.V.
P.O. Box 812
2600 AV Delft
Netherlands
Tel. : +31 15 2701100
Fax : +31 15 2701111
E-mail : info@enraf.nl
Website : http://www.enraf.com

Page 2
Preface
The 970 SmartRadar ATi is a radar-based level gauge for liquid storage tanks.
This installation guide is intended for technicians involved in the mechanical and electrical
installation of the Enraf series 970 SmartRadar ATi.
EC declaration of conformity
Refer to the EC declaration of conformity, shipped with the instrument.
Note:
All connections to the instrument must be made with shielded cables with exception of the
mains, alarm output and Enraf field bus cable. The shielding must be grounded in the cable
gland on both ends of the cable.
Note:
This device should only be used in a closed metal tank.
Legal aspects
The mechanical and electrical installation shall only be carried out by trained personnel with
knowledge of the requirements for installation of explosion-proof equipment in hazardous areas.
The information in this installation guide is the copyright property of Enraf B.V., Netherlands.
Enraf B.V. disclaims any responsibility for personal injury or damage to equipment caused by:
• Deviation from any of the prescribed procedures;
• Execution of activities that are not prescribed;
• Neglect of the general safety precautions for handling tools and use of electricity.
The contents, descriptions and specifications in this installation guide are subject to change without
notice. Enraf B.V. accepts no responsibility for any errors that may appear in this installation guide.
Additional information
Please do not hesitate to contact Enraf or its representative if you require additional information.

Installation guide 970 SmartRadar ATi Page 3
Warning
This device complies with Part 15 of the FCC Rules and with RSS-210 of Industry Canada.
Operation is subject to the following two conditions:
(1) this device my not cause harmful interference, and
(2) this device must accept any interference received, including interference that
may cause undesired operation.
Warning
Changes or modifications made to this equipment not expressly approved by Enraf B.V. may
void the FCC authorization to operate this equipment.
Warning
This equipment has been tested and found to comply with the limits for a Class B digital device,
pursuant to Part 15 of the FCC Rules. These limits are designed to provide reasonable protec-
tion against harmful interference in a residential installation. This equipment generates, uses
and can radiate radio frequency energy and, if not installed and used in accordance with the
instructions, may cause harmful interference to radio communications. However, there is no
guarantee that interference will not occur in a particular installation. If this equipment does
cause harmful interference to radio or television reception, which can be determined by turning
the equipment off and on, the user is encouraged to try to correct the interference by one or
more of the following measures:
· Reorient or relocate the receiving antenna.
· Increase the separation between the equipment and receiver.
· Connect the equipment into an outlet on a circuit different from that to which the
receiver is connected.
· Consult the dealer or an experienced radio/TV technician for help.
Warning
The radiated output power of SmartRadar 970 LTi is far below the FCC radio frequency
exposure limits. Nevertheless, the SmartRadar 970 LTi shall be used in such a manner that
the potential for human contact during normal operation is minimized.
For FCC compliant versions only

Safety
Page 4
Warning
Do not use the instrument for anything else than its intended purpose.
Warning
Improper installation of cable glands, conduits or stopping plugs will invalidate the
Ex approval of the 970 SmartRadar ATi.
Safety
Safety aspects of 970 SmartRadar ATi
The housing of the 970 SmartRadar ATi is explosion proof:
• II 1/2 G EEx de [ia/ib] II B T4; KEMA 03ATEX2468 X; certified by KEMA, Netherlands
• Class I, Division 1, Groups B, C, D T4, according to ANSI / NFPA 70 (Factory Mutual)
Environmental conditions for the SmartRadar ATi are:
ambient temperature : -40 to 60 °C (-40 to 140 °F)
operating pressure : max. 6 bar
relative humidity : 0 - 100 %
ingress protection : IP67
The emitted microwave energy is far below acceptable limits for exposure to the human body.
Depending on the type of antenna, a maximum radiation of 0.1 mW/cm is generated.
2

Safety
Installation guide 970 SmartRadar ATi Page 5
Warning
In hazardous areas it is compulsory to use personal protection and safety gear such as:
hard hat, fire-resistive overall, safety shoes, safety glasses and working gloves.
Avoid possible generation of static electricity.
Use non-sparking tools and explosion-proof testers.
Make sure no dangerous quantities of combustible gas mixtures
are present in the working area.
Never start working before the work permit has been signed by all parties.
Pay attention to the kind of product in the tank. If any danger for health,
wear a gas mask and take all necessary precautions.
Personal safety
The technician must have basic technical skills to be able to safely install the equipment.
When the 970 SmartRadar ATi is installed in a hazardous area, the technician must work in
accordance with the (local) requirements for electrical equipment in hazardous areas.
Safety conventions
“Warnings”, “Cautions” and “Notes” are used throughout this installation guide to bring special
matters to the immediate attention of the reader.
•A Warning concerns danger to the safety of the technician or user;
•A Caution draws the attention to an action which may damage the equipment;
•A Note points out a statement deserving more emphasis than the general text, but not
requiring a “Warning” or a “Caution”.

Mechanical installation
Page 6
Mechanical installation
Antenna and tank separator should already be installed (refer to installation guide SmartRadar
antennas).
Install SmartRadar ATi housing on tank separator as follows:
1) Place housing on tank separator; mind locking pin!
2) Turn coupling nut manually securing the housing.

Blocking
rear cover Blocking
front cover
Electrical installation
Installation guide 970 SmartRadar ATi Page 7
Warning
Make sure that all power to the instrument is switched off before opening the covers of the
970 SmartRadar ATi. Failure to do so may cause danger to persons or damage the equipment.
All covers of the 970 SmartRadar ATi must be closed before switching on the power.
Figure 1 Blocking / sealing facilities
Caution
Before opening the covers of the
SmartRadar ATi, make sure that the
blocking devices are removed (figure 1).
Use Allen key 3 mm.
Caution
Do not damage the thread of covers and 970 housing and keep the thread free of dirt.
After opening, grease it lightly with anti seize grease.
When closing, never tighten the covers before the threads are properly engaged.
The covers should be turned counter-clockwise until the thread “clicks” in place,
then turn clockwise until the covers are fully closed.
After closing the covers, do not forget to place the blocking devices.
Electrical installation
The entire electrical installation shall be in accordance with the International Standard IEC 79-14
for electrical equipment to be installed in hazardous areas.

Fuses
Electrical installation
Page 8
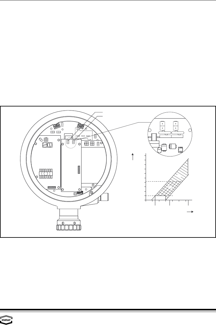
Figure 2 Fuses in 970 SmartRadar ATi
Caution
Safety depends on proper grounding. Check the resistance of the ground connection
directly after installation. The measured ground resistance shall be below the maximum
prescribed by local grounding requirements.
Warning
When measuring the ground resistance, use a suitable explosion-proof tester.
Preparing SmartRadar ATi for electrical installation
Mains supply, fuses and external mains switch
Mains supply for 970 SmartRadar ATi can be:
• 110 - 240 Vac 45/65 Hz, or
• 24 - 64 Vdc
Power rating : max. 25 VA (18 W).
Supply variations of +10% and -20% are allowed.
The 970 SmartRadar ATi is internally fused on the
primary side. Refer to figure 2.
Fuse values, in accordance with IEC 127-2-3, are:
• 1.6 A slow; I t value ≥ 10 A s for AC
22
supply
• 2 A slow; I t value ≥ 25 A s for DC supply
22
Install an explosion-proof mains switch in the
mains supply cable to each 970 SmartRadar ATi.
Specify which switch you need to operate the
SmartRadar.
Grounding
The SmartRadar ATi housing should be properly grounded to the ground reference
(generally the tank). This is a safety grounding requirement.
For this purpose, the SmartRadar ATi has an external ground terminal.
Note:
Grounding shall be performed in accordance with local regulations.

Electrical installation
Installation guide 970 SmartRadar ATi Page 9
Warning
Improper installation of cable glands, conduit or stopping plugs
will invalidate the Ex approval of your 970 SmartRadar ATi.
Cable glands / conduit
Cable glands:
Explosion proof (Ex-d) or increased safe (Ex-e) cable glands must be used, depending on local
requirements. Refer to the Ex-marking on the identification label of the 970 SmartRadar ATi to
determine which type of cable glands is required.
Note:
Mount the glands according to the supplier’s instructions.
Conduit:
If the 970 SmartRadar ATi is installed in a hazardous area, threaded rigid metal conduit or
threaded steel intermediate metal conduit shall be used.
Note:
If the 970 SmartRadar ATi is installed in a hazardous area, stopper boxes must be applied
within 18 inches (0.45 m) from the 970 SmartRadar ATi to seal the cabling in the conduit.
Depending on the wiring configuration, one to three ¾” NPT threaded cable glands
(or rigid conduits) may be required with the 970 SmartRadar ATi.
Note:
Seal the unused cable inlets with an approved ¾” NPT threaded stopping plug.

I.S. part
(blue terminals)
non I.S. part
(grey terminals)
Electrical installation
Page 10
Figure 3 Terminal compartment
Warning
Only open the terminal compartment
cover (rear cover) when the power
is switched off.
Lay-out terminal compartment
The terminal compartment at the rear of the
970 SmartRadar ATi is divided into a
non-intrinsically safe and an intrinsically safe
part. Cable entries are ¾” NPT.
Intrinsically safe cabling may only enter at
the left-hand side cable entry, marked Ex-i
(figure 3).
Non intrinsically safe connections
Mains
Mains cabling : Must be suitable for the 970 SmartRadar ATi power rating and, moreover,
approved for use in hazardous areas.
Communication
Enraf field bus : One twisted pair cable is recommended. R = 200 Ω / line; C = 1 µF.
max max
Maximum length: 10 km.
Enraf field bus lines may be interchanged. If local regulations allow, mains
and Enraf field bus may share one cable. Mind the isolation voltage of the
cores in the cable; refer to the International Standard IEC 61010-1.
Note:
If a quad cable is used and all four cores are twisted together, use two
opposite cores for Enraf field bus lines and the two others for mains.
RS-232C (option): Cable: maximum length 15 m (50 ft); twisted pairs and shielded.
RS-485 (option): Cable: maximum length 1200 m (3900 ft); twisted pairs and shielded.
HART / : Cable: twisted pair; shielded. Maximum cable length: 1500 m (5000 ft);
®
analog 4-20 mA C = 40 nF; min. AWG 24 (0.2 mm ).
max 2
(option) Loop supply can be: external (passive) or internal (active).

CN2
CN1
10 20 30 40 50 60
Vmax
0
14 36
0
500
1000
1500
2000
2500
Loop supply (Vdc)
x
xx
xxx
Loop resistance ( )W
x
xx
xxx
No external resistance, No HART
External resistance for HART
communication and 4-20 mA
External resistance for 4-20 mA
®
®
PassiveActive
CN1
CN2
-
+
HART
4-20 mA
Electrical installation
Installation guide 970 SmartRadar ATi Page 11
Figure 4 Changing passive/active loop supply and selecting external loop resistor
Selecting external or internal loop supply is done by placing the connector with the brown wires for:
• external supply in: CN1 of ICU_HPO board (passive loop)
• internal supply in: CN2 of ICU_HPO board (active loop)
With active loop, the supply voltage in the loop is: 20 Vdc (±5%).
With passive loop, the minimum supply voltage is 8 Vdc; the maximum supply voltage is 64 Vdc.
Supply voltages over 30 Vdc, require external series resistor (figure 4).
HART communication requires a minimum series resistor of 250 Ω. Refer to figure 4, loop
®
resistance graph. When HART loop is external powered, minimum supply voltage is 14 Vdc and
®
maximum supply voltage is 36 Vdc with 250 Ω resistor. With higher external supply voltage, series
resistor must be increased. The maximum resistance for HART communication is 1100 Ω, which
®
corresponds to a maximum of 57 Vdc loop supply voltage.
The power rating of external resistor depends on resistance value; we recommend 1 W / kΩ.
Hard alarm output contact
Relay output (option): Potential free relay contact; contact rating: U = 50 Vac or 75 Vdc;
max
I = 3 A. Mind the isolation voltage of the cores in the cable; refer to the
max
International Standard IEC 61010-1.

Electrical installation
Page 12
Figure 5 Non-intrinsically safe connections
Note:
Use either AC or DC supply (refer to instrument label).
When using RS-232C or RS-485 communication, Enraf field bus signal is not available.
When using HART communication and/or analog level output, Enraf field bus signal is
®
available.

Electrical installation
Installation guide 970 SmartRadar ATi Page 13
Figure 6 Detailed communication wiring

Electrical installation
Page 14
Figure 7 Grounding cable shield with RS-485 and HART / analog output signal
®
Figure 8 Selecting terminal resistor in RS-485 cabling
The shielding of the RS-485 and HART / analog output signals must be connected to ground at
®
both sides of the cable. There can be a potential difference between tank ground and ground in the
control room. Therefore, capacitors should be applied in the shield grounding between tank and
control room, preferably in (one of) the junction box(es). Capacitance value: 10 to 100 nF. The
capacitor can be located in a terminal. Such devices are available from for instance Phoenix.
At the end of a RS-485 transmission
line a 120 Ω resistor must be placed
(figure 6).
On the ICU_RS-232C/485
communication board the terminal
resistance can be connected by
means of jumper 1 (figure 8).

Electrical installation
Installation guide 970 SmartRadar ATi Page 15
Caution
The intrinsically safe options described in this section have been certified as explosion-proof.
Make sure that the certificate of approval is available on site and act in accordance
with the instructions as given in the approval certificate.
Caution
Intrinsically safe wiring shall be separated from all other wiring.
Cable lay-out shall be in accordance with local regulations.
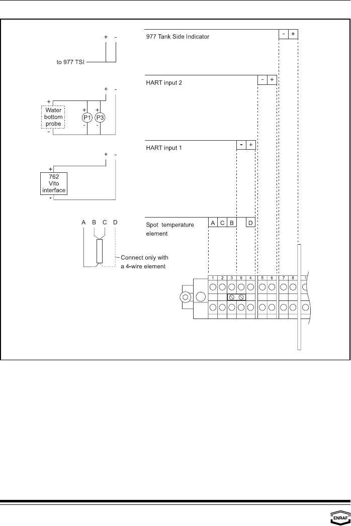
Intrinsically safe connections
The cable for the intrinsically safe option(s) should be fed through the cable entry at the side of the
intrinsically safe (blue) terminals. Blue marked cables are recommended for the I.S. options.
If more than one connection is to be made, an external junction box is required.
Note:
The shield of the intrinsically safe cable shall not be connected inside the SmartRadar ATi
housing. Connect the shield of the cable externally in the cable gland at both ends of the cable.
Device Cable requirement
Spot temperature element : Shielded; R = 12 Ω / line.
max
Average temp. element : Twisted pair and shielded; R = 25 Ω / line.
max
(combined water probe)
Pressure transmitters : Twisted pair and shielded; R = 25 Ω / line (only pressure
max
transmitters with HART protocol).
®
Pressure transmitter P1 is the bottom transmitter (measures liquid
head) and P3 is the top transmitter (measures vapour pressure).
Water bottom probe : Twisted pair and shielded; R = 25 Ω / line
max
(separate from temp. elem.) (only with HART protocol).
®
Tank Side Indicator : Twisted pair and shielded; R = 5 Ω / line, maximum cable length
max
50 m (160 ft).

Electrical installation
Page 16
Figure 9 Intrinsically safe connections
Note:
If pressure transmitters are connected to HART input 2, it must be verified that the maximum
values for current and power of the ICU_HPI option board HART input 2 circuit are not
exceeding the maximum values of the connected pressure transmitters. Refer to Appendix B.
If the values of the HART input 2 circuit are too high, then connect the pressure transmitters to
HART input 1 and the 762 VITO Interface to HART input 2.

ENRAF
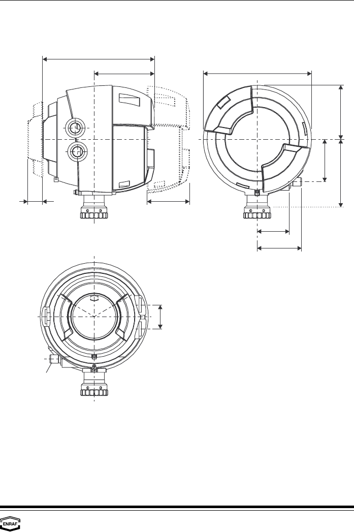
264 (10 )
143 (5 )
3/8"
5/8"
35
(1 )
(space needed to
remove cover)
100
(3 )
15/16"
(space needed to
remove cover)
3/8"
56
(2 )
3/16"
Optional
IR connector
ø260 (10 )
1/4"
100 (3 )
15/16"
159 (6 ) 128 (5 )
1/16"
1/4"
1/8"
76 (3")
105 (4 )
**
**
*
**
**
*
**
Cable entry 3/4" NPT, Ex-i (1x)
Cable entry 3/4" NPT (2x)
Appendix
Installation guide 970 SmartRadar ATi Page 17
Appendix A Dimensional drawing

Appendix
Page 18
Appendix B ATEX Approval
The terminal compartment of the 970 SmartRadar ATi has been ATEX approved as explosion-
proof and as being increased safe. The type of cable glands that must be used:
For protection type increased safe EEx e approved glands are to be used.
For protection type explosion-proof EEx d approved glands or conduits are to be used.
Connection requirements of optional boards
The identification label on the 970 SmartRadar ATi indicates whether your instrument is equipped
with an optional board with intrinsically safe measuring circuits.
I.S. option for Tank Side Indicator, [EEx ib] IIB:
Output circuit for 977 TSI:
Max. values : U = 21 V, I = 325 mA, P = 1.5 W
Max. permissible ext. inductance : 1.4 mH
Max. permissible ext. capacitance : 1.27 µF
ICU_HPI option board SPOT, [EEx ia] IIB:
Spot temperature input circuit:
Max. values : U = 23.1 V, I = 221 mA, P = 0.19 W
Max. permissible ext. inductance : 3.5 mH
Max. permissible ext. capacitance : 980 nF
ICU_HPI option board HART1, [EEx ia] IIB:
HART input 1 circuit (for 762 VITO interface):
Max. values : U = 23.1 V, I = 90 mA, P = 0.52 W
Max. permissible ext. inductance : 15 mH
Max. permissible ext. capacitance : 1.02 µF
ICU_HPI option board HART2, [EEx ia] IIB:
HART input 2 circuit (for HART pressure transmitters and/or external water probe):
®
Max. values : U = 23.1 V, I = 148 mA, P = 0.68 W
Max. permissible ext. inductance : 7 mH
Max. permissible ext. capacitance : 1.02 µF

Notes
Installation guide 970 SmartRadar ATi Page 19
Appendix C Related publications
Model 970 SmartRadar ATi Safety instructions for installation, commissioning, operation and
maintenance
Installation guide SmartRadar Antennas
Instruction manual 970 SmartRadar ATi
Installation guide VITO sensors
Installation instructions for MERCAP Side mounted water probe
Installation guide 977 TSI Tank Side Indicator
Installation info 003 (Installation HIMS system)

: +31 15 2701 100
: info@enraf.nl
: http://www.enraf.com
We at Enraf are committed to excellence.
Enraf is a registered trademark.
Enraf B.V. Netherlands.
Your Enraf distributor
Information in this publication is subject to change without notice.
Delftechpark 39
2628 XJ, Delft
Tel.
E-mail
Website
P.O. Box 812
2600 AV, Delft
Netherlands
Delft
Instruments
Page 20