Honeywell R8182D Users Manual 68 0105 R8182D,E,F,H,J Combination Protectorelay And Hydronic Heating Controls
R8182D 68-0105
R8182H to the manual f27815b7-a7ac-4bb7-a330-336eaa678fc1
2015-01-23
: Honeywell Honeywell-R8182D-Users-Manual-261189 honeywell-r8182d-users-manual-261189 honeywell pdf
Open the PDF directly: View PDF
.
Page Count: 20
- General
- Features
- Specifications
- Installation
- Wiring
- Operation
- Startup and Checkout
- Material Safety Data Sheet (MSDS)
- Section 1. Product and Company Identification.
- Section 2. Composition, Information on Ingredients (Table 3).
- Section 3. Hazard Identification
- Section 4. First Aid Measures
- Section 5. Fire Fighting Measures
- Section 6. Accidental Release Measures
- Section 7. Handling and Storage
- Section 8. Exposure Controls and Personal Protection
- Section 9. Physical and Chemical Properties
- Section 10. Stability and Reactivity
- Section 11. Toxicology Information
- Section 12. Ecological Information
- Section 13. Disposal Consideration
- Section 14. Transportation Information
- Section 15. Regulatory Information
- Section 16. Other Information

PRODUCT DATA
68- 0105- 2
® U.S. Registered Trademark
Copyright © 2002 Honeywell • All Rights Reserved
R8182D,E,F,H,J Combination
Protectorelay™ and Hydronic
Heating Controls
GENERAL
The R8182 is a combination Protectorelay™ intermittent
ignition oil burner primary and immersion type Aquastat®
controller for oil-fired, hydronic heating systems.
FEATURES
• Depending on model, these single unit devices provide
combinations of high limit, low limit, and circulator
control.
• All models use a 24V thermostat and C554A Cadmium
Sulfide Flame Detector.
• R8182D,E,H and J have auxiliary terminals ZC and ZR
for circulator zone control. Additional zones require a
separate 24V thermostat and R845 Relay.
• All models have capability for zone control with zone
valves. Each additional zone requires a separate 24V
thermostat and a V8043 or V8044 Zone Valve.
• Ideal for packaged boiler systems requiring compact,
multipurpose controls.
• R8182D,E,F mode
• R8182H,J models mount on a 4 x 4 inch junction box,
and have a 5 ft (1.5m) armored capillary for remote
sensor location.
• Aquastat® Controller section is field replaceable.
• Oil burner circuit includes an improved safety shutoff
in the event the burner fails to start.
• Flame failure during the running cycle results in a
45 second attempt to restart. If unsuccessful, safety
shutoff occurs, requiring manual reset before burner
can be restarted.
Contents
General ............................................................................. 1
Features ........................................................................... 1
Specifications ................................................................... 2
Ordering Information ........................................................ 2
Installation ........................................................................ 5
Wiring ............................................................................... 7
Operation .......................................................................... 12
Startup and Checkout ....................................................... 14

R8182D,E,F,H,J COMBINATION PROTECTORELAY™ AND HYDRONIC HEATING CONTROLS
68-0105—2 2
ORDERING INFORMATION
When purchasing replacement and modernization products from your TRADELINE® wholesaler or distributor, refer to the
TRADELINE® Catalog or price sheets for complete ordering number.
If you have additional questions, need further information, or would like to comment on our products or services, please write or
phone:
1. Your local Home and Building Control Sales Office (check white pages of your phone directory).
2. Home and Building Control Customer Relations
Honeywell, 1885 Douglas Drive North
Minneapolis, Minnesota 55422-4386
In Canada—Honeywell Limited/Honeywell Limitée, 35 Dynamic Drive, Scarborough, Ontario M1V 4Z9.
International Sales and Service Offices in all principal cities of the world. Manufacturing in Australia, Canada, Finland, France,
Germany, Japan, Mexico, Netherlands, Spain, Taiwan, United Kingdom, U.S.A.
SPECIFICATIONS
IMPORTANT
The specifications given in this publication do not
include normal manufacturing tolerances. Therefore,
this unit may not exactly match the listed
specifications. Also, this product is tested and
calibrated under closely controlled conditions, and
some minor differences in performance can be
expected if those conditions are changed.
TRADELINE® Models: TRADELINE® models are selected
and packaged for ease of handling, ease of stocking, and
maximum replacement value. TRADELINE® model
specifications are the same as those of standard models
except as noted below.
TRADELINE® Models Available:
R8182D Combination Protectorelay™ Primary Control and
Aquastat® Controller.
R8182H Combination Protectorelay™ Primary Control and
Aquastat® Controller.
Additional Features:
• Well not included. To order wells or well adapters, refer to
form 68-0040, Wells and Fittings for Temperature
Controllers, for part numbers and descriptions.
• Heat-conductive compound supplied for better bulb
response in oversized well.
• Field addable stops for Aquastat® Controller.
• Conversion to R8182E or F.
• TRADELINE® pack with special instructions.
•Wire nut.
Mounting Means:
R8182D,E,F: Case clamps to horizontal immersion well
installed through boiler wall.
R8182H,J: Mounts on standard 4 x 4 inch junction box.
Dimensions: Refer to Fig. 1 and 2.
Table 1. Standard Models:
aAuxiliary ZC and ZR terminals can be used to provide circulator zone control through an R845A Switching Relay.
Electrical Ratings:
Power Supply: 120 Vac, 60 Hz.
Ignition: 360 VA in addition to motor load rating.
Maximum Power Consumption:
R8182D,E,H and J: 9W.
R89182F: 5.5W.
Burner Circulator Contact Rating: 4.4A full load; 26.4A locked
rotor at 120 Vac.
Safety Switch Timing: Approximately 45 seconds.
Flame Detector Required: C554A Cadmium Sulfide Flame
Detector (ordered separately).
Thermostat Required: 24V, 2-wire thermostat such as the
T87F.
Model Switching
Adjustable Control Range Differential
°F °C °F °C
R8182DaHigh Limit, Spst 130 to 240 54 to 116 10 Fixed 6 Fixed
High Limit/Circulator, Spdt 110 to 220 43 to 104 10 to 25 Adj 6 to 14 Adj
R8182EaHigh Limit, Spst 180 to 240 82 to 116 15 Fixed 8 Fixed
R8182F High Limit, Spst 130 to 240 54 to 116 10 Fixed 6 Fixed
Circulator, Spst 110 to 220 43 to 104 10 Fixed 6 Fixed
R8182Ha Remote Bulb High Limit, Spst 130 to 240 54 to 116 10 Fixed 6 Fixed
Low Limit/Circulator, Spdt 110 to 220 43 to 104 10 to 25 Adj 6 to 14 Adj
R8182Ja Remote Bulb High Limit, Spst 180 to 240 82 to 116 15 Fixed 8 Fixed

R8182D,E,F,H,J COMBINATION PROTECTORELAY™ AND HYDRONIC HEATING CONTROLS
3 68-0105—2
Fig. 1. R8182D,E,F installation dimensions in in. (mm).
Thermostat Anticipator Setting: 0.2A for R8182, 0.4A for
each R845A Switching Relay used.
Maximum Ambient Temperature (at Element): 250°F
(121°C).
Maximum Pressure Rating:
200 psi (1379 kPa) on immersion well.
100 psi (689.5 kPa) direct immersion.
Internal Views: Refer to Fig. 4 through 8.
Well Insertion Length: 3-3/8 in. (86 mm).
Immersion Well Dimensions (Order Well Separately):
Refer to Fig. 3.
Aquastat® Assembly Repair Parts: 125026AAE Aquastat®
Assembly: Replaces R8182D,F Sensing Bulb.
Replacement Well Assemblies: Refer to form 68-0040,
Wells and Fittings for Temperature Controllers, for part
numbers and descriptions.
Fig. 2. R8182H,J installation dimensions in in. (mm).
Fig. 3. Approximate immersion well dimensions.
M4517
1 VERTICAL MOUNT SHOWN.
1
5-1/4 (133) 3-1/4 (83)
7
-1/8
(
181)
3-9/16
(91)
3/16
(5)
1-5/16
(33)
2-7/16
(62)
KNOCKOUTS
FOR 1/2 IN.
(13 MM)
CONDUIT (5)
VERTICAL
MOUNT
ONLY
HORIZONTIAL
MOUNT ONLY
M4518
1 SIDE MOUNTED HINGE SHOWN.
1
5-1/4 (133) 3-7/16 (87)
7-1/8
(181)
3-7/16
(87)
1/2 (13) 3-3/8 (86)
7/8
(22)
KNOCKOUTS
FOR 1/2 IN. (13 MM
)
CONDUIT (5)
FITS BOILER TAPPED HOL
E
1/2 OR 3/4 NPT
FITS BOILER TAPPED HOLE
1/2 OR 3/4 NPT
SETSCREW
CONTROL MOUNT
INSERTION LENGTH
3-3/8 IN. (86 MM)
INSULATION LENGTH
1-1/2 IN. (38 MM)
M4530
INSERTION LENGTH
3-3/8 IN. (86 MM)
INSULATION LENGTH
1-1/2 OR 3 IN.
(38 OR 76 MM)
R8182D,E,F
R8182H,J
Device Description Part Number
R8182D 1-1/2 in. (38 mm) insulation, horizontal or vertical; 3 in. (76 mm) insulation horizontal. 125026AAD
3 in. (76 mm) insulation, vertical. 1250266AAE
R8182E 1-1/2 in. (38 mm) insulation, horizontal or vertical; 3 in. (76 mm) insulation horizontal. 123726AV
3 in. (76 mm) insulation, vertical. 123726AW

R8182D,E,F,H,J COMBINATION PROTECTORELAY™ AND HYDRONIC HEATING CONTROLS
68-0105—2 4
Dial Stop: For restricting range, part no. 4074BRR for
R8182D,F,H.
Optional Specifications:
R8182D,E,F: Case with long dimension horizontal.
R8182H,J: End mounted hinge.
Fig. 4. Internal view of R8182D.
Fig. 5. Internal view of R8182E.
Fig. 6. Internal view of R8182F.
R8182F 1-1/2 in. (38 mm) insulation, horizontal or vertical; 3 in. (76 mm) insulation horizontal. 125017AAB
3 in. (76 mm) insulation, vertical. 125017AAC
R8182H 1-1/2 in. (38 mm) insulation. 125026AAJ
R8182J 123726AT
Device Description Part Number
M4525
SAFETY SWITCH
RESET BUTTON
DIFFERENTIAL
SETTING
CIRCULATOR
RELAY (1K)
LOW LIMIT
SETTING
HIGH LIMIT
SETTING
VOLTAGE BARRIE
R
BURNER MOTOR
AND IGNITION
RELAY (2K)
GROUNDING SCREW
TRANSFORMER
FOR THERMOSTA
T
CIRCUIT
TRANSFORMER FOR
CAD CELL CIRCUIT
M4532
SAFETY SWITCH
RESET BUTTON
AQUASTAT SWITC
H
CIRCULATOR
RELAY (1K)
HIGH LIMIT
SETTING
VOLTAGE BARRIER
BURNER MOTOR
AND IGNITION
RELAY (2K)
GROUNDING SCREW
TRANSFORMER
FOR THERMOSTAT
CIRCUIT
TRANSFORMER FOR
CAD CELL CIRCUIT
M4515
SAFETY SWITCH
RESET BUTTON
LOW LIMIT
SETTING
HIGH LIMIT
SETTING
VOLTAGE BARRIE
R
BURNER MOTOR
AND IGNITION
RELAY (2K)
TRANSFORMER FOR
CAD CELL CIRCUIT
GROUNDING SCREW

R8182D,E,F,H,J COMBINATION PROTECTORELAY™ AND HYDRONIC HEATING CONTROLS
5 68-0105—2
Fig. 7. Internal view of R8182H.
Fig. 8. Internal view of R8182J.
INSTALLATION
WARNING
Explosion Hazard.
Can cause severe injury, death or property
damage.
This product is intended for use only in systems with a
pressure relief valve.
When Installing this Product…
1. Read these instructions carefully. Failure to follow them
could damage the product or cause a hazardous
condition.
2. Check the ratings given in these instructions and on the
product to be sure the product is suitable for your
application.
3. The installer must be a trained, experienced service
technician.
4. After completing installation, use these instructions to
check product operation.
WARNING
Explosion or Electrical Shock Hazard.
Can cause severe injury, death or property
damage.
1. Disconnect the power supply before beginning
installation to prevent electrical shock or equipment
damage.
2. Be sure that combustion chamber is clear of oil or
oil vapor before starting burner.
3. Be sure that the ambient temperature at the
element will not exceed 250°F (121°C).
IMPORTANT
Be sure that the sensing bulb fits snugly inside the
immersion well and that the sensing bulb rests
against the bottom of the immersion well. Refer to
Fig. 9.
Mounting the R8182
1. Disconnect the power supply.
2. Drain all water from the boiler.
3. Generally, boilers are equipped with a tapping that
allows horizontal mounting of the immersion well where
average temperature boiler water circulates freely. If no
tapping is provided, prepare one.
4. Install the immersion well or compression fitting
(ordered separately) by threading the immersion well
into the tapped hole.
5. For R8182D,E,F models:
a. Loosen the immersion well clamp screw on the side
of the R8182 case.
b. Insert the bulb into the immersion well until it
bottoms.
c. If necessary, bend the capillary tube to hold the bulb
against the bottom of the immersion well.
M4524
SAFETY SWITCH
RESET BUTTON
DIFFERENTIAL
SETTING
CIRCULATOR
RELAY (1K)
LOW LIMIT
SETTING
HIGH LIMIT
SETTING
VOLTAGE BARRIER
BURNER MOTOR
AND IGNITION
RELAY (2K)
TRANSFORMER
FOR THERMOSTA
T
CIRCUIT
TRANSFORMER FOR
CAD CELL CIRCUIT
CAD CELL
LEADS (YELLOW)
M4531
SAFETY SWITCH
RESET BUTTON
AQUASTAT SWITC
H
1K RELAY
HIGH LIMIT
SETTING
VOLTAGE BARRIE
R
TRANSFORMER
FOR THERMOSTA
T
CIRCUIT
TRANSFORMER
FOR CAD CELL
CIRCUIT
CAD CELL LEADS (YELLOW)
2K RELAY

R8182D,E,F,H,J COMBINATION PROTECTORELAY™ AND HYDRONIC HEATING CONTROLS
68-0105—2 6
NOTE: Do not make sharp bends in the tubing. A sharp
bend can break the tubing and cause a loss of fill. In
models with an adjustable tubing length, pull the
extra tubing out of the controller case.
d. Fit the controller case onto the immersion well so
that the immersion well clamp slides over the flange
of the immersion well.
e. Securely tighten the immersion well clamp screw.
6. For R8182H,J models:
a. Loosen the screw holding the hinged backplate to
the controller case and swing the backplate away
from the controller case.
b. Screw the backplate to a 4 by 4 inch junction box.
c. Insert the bulb into the immersion well until it
bottoms.
d. If necessary, bend the capillary tube to hold the bulb
against the bottom of the immersion well.
NOTE: Do not make sharp bends in the tubing. A sharp
bend can break the tubing and cause a loss of fill. In
models with an adjustable tubing length, pull the
extra tubing out of the controller case.
e. Tighten the immersion well screw over the brass
collar.
f. After wiring, swing control against the backplate and
refasten with the screw.
7. Refill the boiler and check for water leakage.
Mounting the R8182D TRADELINE®
If the existing immersion well does not fit the R8182D
immersion well clamp, use a 1249094 immersion well adapter
(order separately; see form 68-0040, Wells and Fittings for
Temperature Controllers).
1. Disconnect the power supply.
2. Drain all water from the boiler.
3. Fasten the R8182D immersion well clamp to the flange
on the immersion well adapter. Refer to Fig. 9.
4. Place the adapter on the capillary tube.
5. Put the adapter end into the hole in the controller case
and tighten the clamp screw.
6. Insert the sensing bulb into the immersion well and
bend the capillary tubing, if necessary, to hold the
sensing bulb against the bottom of the immersion well.
NOTE: Do not make sharp turns while bending the capillary
tubing. In models with an adjustable tubing length,
pull the extra tubing out of the controller case.
7. Apply the heat-conductive compound into the
immersion well (if necessary).
a. Fold the plastic bag of heat-conductive compound
lengthwise and twist it gently.
b. Cut off the end of the plastic bag and work the open
end of the bag all the way into the immersion well.
c. Slowly pull the bag out of the immersion well while
squeezing it firmly to evenly distribute the
heat-conductive compound.
8. Wipe off any excess grease and tighten the set screw
against the adapter.
If the existing immersion well is not usable, remove the
existing immersion well and order a new one using form
68-0040, Wells and Fittings for Temperature Controllers.
1. Disconnect the power supply.
2. Drain all water from the boiler.
3. Install the new immersion well by threading it into the
threaded hole.
4. Loosen the immersion well clamp screw. See Fig. 9.
5. Insert the sensing bulb into the immersion well and
bend the capillary tubing, if necessary, to hold the
sensing bulb against the bottom of the immersion well.
NOTE: Do not make sharp turns while bending the capillary
tubing. In models with an adjustable tubing length,
pull the extra tubing out of the controller case.
6. Apply heat-conductive compound into the immersion
well (if necessary).
a. Fold the plastic bag of heat-conductive compound
lengthwise and twist it gently.
b. Cut off the end of the plastic bag and work the open
end of the bag all the way into the immersion well.
c. Slowly pull the bag out of the immersion well while
squeezing it firmly to evenly distribute the
heat-conductive compound.
7. Be sure the immersion well fits the hole in the controller
case.
8. Position the immersion well clamp snugly over the
immersion well flange. Securely tighten the clamp
screw.
9. Refill the boiler and check for water leakage.

R8182D,E,F,H,J COMBINATION PROTECTORELAY™ AND HYDRONIC HEATING CONTROLS
7 68-0105—2
Fig. 9. Positioning the sensing bulb in the immersion well.
WIRING
IMPORTANT
Use Underwriters Laboratories Inc. listed connectors
when making external circuit connections to the
orange and white line voltage burner and ignition
leadwires of the R8182H,J.
WARNING
Electrical Shock Hazard.
Can cause severe injury, death or property
damage.
Disconnect power supply before wiring to prevent
electrical shock or equipment damage.
All wiring must comply with local codes, regulations, and
ordinances.
IMPORTANT
Terminals on the R8182 are approved for copper
wire only.
Follow the wiring instructions furnished by the appliance
manufacturer, if available, or refer to Fig. 11 through 17. For
wiring multiple zoning systems, refer to Fig. 16 and 17.
The R8182 is equipped with special wiring terminals. Wires
can be wrapped around the terminal screw or inserted from
the side.
Method 1
1. Strip 7/16 in. of insulation from the wire end.
2. Wrap the wire 3/4 of the distance around the screw as
shown in method 1.
3. Using a standard, flat-headed screwdriver, tighten the
screw until the wipe is snugly in contact with the screw
and contact plate.
4. Tighten the screw pin an additional one-half turn.
Method 2
1. Strip 5/16 in. of insulation from the wire end.
2. Insert wire beneath the screw as shown in method 2.
3. Using a standard, flat-heat screwdriver, tighten the
screw until the wire is snugly in contact with the screw
and contact plate.
4. Tighten the screw an additional one-half turn.
NOTE: Do not use a push-type ratchet screwdriver.
The TRADELINE® R8182D,H can be converted to replace an
R8182B,C,E,F or a White Rodgers 6C92-2 or 6C92-3. When
replacing a White Rodgers model, the immersion well must
also be replaced. Refer to Fig. 10 for Aquastat® limit
connections necessary for each R8182D conversion.
To release the wires from the R8182, insert a screwdriver into
the rectangular hole adjacent to the wire, push inward to
release the locking-grip on the wire, and pull the wire out of
the terminal hole.
To reinsert the wire into a new terminal hole, simply push the
wire into the new slot.
CONTROLLER
CASE
IMMERSION
WELL CLAMP
ADAPTER
IMMERSION
WELL SPUD
BOILER
OLD IMMERSION
WELL ASSEMBLY
BACK OF
CONTROLLER
CASE
IMMERSION
WELL CLAMP
SCREW
ADAPTER
SENSING
BULB
HEAT-CONDUCTIVE COMPOUND
SETSCREW
CAPILLARY
TUBE
(
C)
IMMERSION
WELL CLAMP
IMMERSION
WELL CLAMP SCREW
SHORT TUBE
FITS IN CENTRAL
RECESS OF ADAPTER
BEND THE CAPILLARY TUBE TO HOLD THE SENSING BULB IN GOOD
THERMAL CONTACT WITH THE IMMERSION WELL AT POINTS (A) AND (B).
ASSURE THAT CAPILLARY TUBE FITS FREELY IN THE ADAPTER SO THE
TENSION OF THE CAPILLARY TUBE AT POINT (C) HOLDS THE SENSING
BULB IN GOOD THERMAL CONTACT WITH THE IMMERSION WELL AT POINT (D
).
M883
0
1
1
2
2(D)
(B)
(A)

R8182D,E,F,H,J COMBINATION PROTECTORELAY™ AND HYDRONIC HEATING CONTROLS
68-0105—2 8
Fig. 10. Converting TRADELINE® R8182D,H to replace other controls.
M4526
USING THE TRADELINE® R8182D
TO REPLACE R8182F:
1. REMOVE BLUE WIRE FROM
THIS TERMINAL AND INSULATE
END TO PREVENT CONTACT.
2. REMOVE OTHER BLUE WIRE
FROM THIS TERMINAL AND
CONNECT AS SHOWN BELOW.
3. CONNECT CIRCULATOR TO
ZC AND C2.
USING THE TRADELINE® R8182D
TO REPLACE R8182B,E OR
WHITE RODGERS 6C92:
1. REMOVE WHITE ABD BLACK
LEADS FROM THEIR TERMINAL
AND CONNECT WITH A
SODDERLESS CONNECTOR.
TO USE TRADELINE® R8182H
TO REPLACE R8182J:
1. REMOVE RED AND WHITE
LEADS FROM THEIR TERMINALS
AND CONNECT WITH A
SOLDERLESS CONNECTOR.
COMPLETED WIRING
TO REPLACE
R8182B,E AND
WHITE RODGERS 6C9
2
C
OMPLETED
W
IRING TO
R
EPLACE
R
8182C,F L
O
H
I
BLUE WHITE
BLACK
YELLOW
L
O
H
I
BLUEBLUE
BLACK
OR RED
YELLOW

R8182D,E,F,H,J COMBINATION PROTECTORELAY™ AND HYDRONIC HEATING CONTROLS
9 68-0105—2
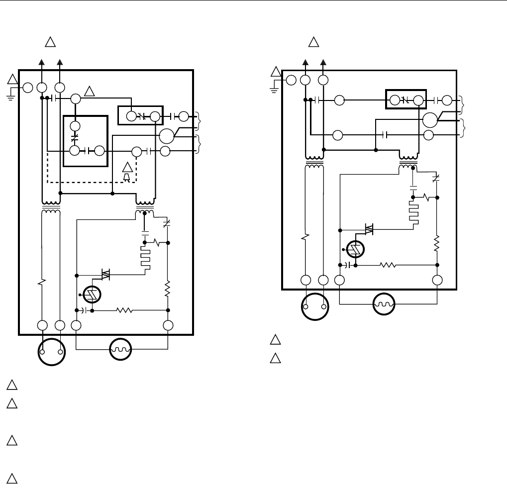
Fig. 11. R8182D internal schematic and wiring diagram.
Fig. 12. R8182E internal schematic and wiring diagram.
M4519
L1
(HOT) L2
1
3
4
2
1
2
3
4
120 VAC POWER SUPPLY. PROVIDE DISCONNECT MEANS AND
OVERLOAD PROTECTION AS REQUIRED.
WHEN THE BLACK AND WHITE WIRES ON THE TRADELINE® R8182D
AQUASTAT® CONTROLLER ASSEMBLY ARE DISCONNECTED FROM
THE CIRCULATOR SWITCH AND ARE INTERCONNECTED, LOW LIMIT
AND CIRCULATOR CONTROL ARE BYPASSED. CIRCULATOR
OPERATES WITHY THEROMSTAT ONLY.
TO REPLACE R8182C,F, REMOVE BLUE WIRE AND INSULATE END.
DISCONNECT THE THE OTHER BLUE WIRE AT 4 AND WIRE TO B
AT 3. WHEN CIRCULATOR IS CONNECTED BETWEEN ZC AND C2,
LOW LIMIT FUNCTION IS REMOVED AND CIRCULATOR OPERATES
WITH CIRCULATOR CONTROL (R TO W) ONLY.
CONTROL CASE MUST BE CONNECTED TO EARTH GROUND.
USE GROUNDING SCREW PROVIDED.
24 VOLT
THERMOSTAT
B2
C2
C1
ZR
ZC
B1R
B
HIGH LIMIT
1K1
2K2
2K1
B
RW
LOW
LIMIT
1K
2
1
G
T T F F
R8182D
2K
BILATERAL
SWITCH
CIRCULATOR
C554A
R2
C1
S.SW
CONTACTS
SAFETY
SWITCH
HEATER
TRIAC
R1
TO WATER
CIRCULATO
R
TO OIL
BURNER
AND
IGNITION
BLUE
BLUE
WHITE
3
4
BLACK
1K2
M4527
L1
(HOT) L2
1
2
1
2
120 VAC POWER SUPPLY. PROVIDE DISCONNECT MEANS AND
OVERLOAD PROTECTION AS REQUIRED.
CONTROL CASE MUST BE CONNECTED TO EARTH GROUND.
USE GROUNDING SCREW PROVIDED.
24 VOLT
THERMOSTAT
B2
C2
C1
ZR
ZC
B1R
B
HIGH LIMIT
1K1
2K1
2K2
1K2
1K
2
1
G
T T F F
R8182E
2K
BILATERAL
SWITCH
C554A
R2
C1
S.SW
CONTACTS
SAFETY
SWITCH
HEATER
TRIAC
R1
TO WATER
CIRCULATO
R
TO OIL
BURNER
AND
IGNITION

R8182D,E,F,H,J COMBINATION PROTECTORELAY™ AND HYDRONIC HEATING CONTROLS
68-0105—2 10
Fig. 13. R8182F internal schematic and wiring diagram.
Fig. 14. R8182H internal schematic and wiring diagram.
M4528
L1
(HOT) L2
1
2
1
2
120 VAC POWER SUPPLY. PROVIDE DISCONNECT MEANS AND
OVERLOAD PROTECTION AS REQUIRED.
CONTROL CASE MUST BE CONNECTED TO EARTH GROUND.
USE GROUNDING SCREW PROVIDED.
2
4 VOLT
T
HERMOSTAT
C2
B2
C1
B1
2K2
B
RRW
HIGH
LIMIT
2K
2
1
G
T
T
F F
R8182F
BILATERAL
SWITCH
CIRCULATOR
CONTROL
C554A
R2 C1
SAFETY
SWITCH
HEATER TRIAC
R1
TO WATER
CIRCULATO
R
TO
BURNER
AND
IGNITION
SAFETY
SWITCH
CONTACTS
2K1
JUMPER
M4520
L1
(HOT) L2
1
1120 VAC POWER SUPPLY. PROVIDE DISCONNECT MEANS AND
OVERLOAD PROTECTION AS REQUIRED.
24 VOLT
THERMOSTAT
C1
C2
ZR
ZC
R
B
HIGH LIMIT
1K1
2K2
2K1
1K2
B
RW
LOW
LIMIT
1K
2
1
T T
R8182H
2K
BILATERAL
SWITCH
CIRCULATOR
C554A
R2
C1
S.SW
CONTACTS
SAFETY
SWITCH
HEATER
TRIAC
R1
TO WATER
CIRCULATO
R
TO OIL
BURNER
AND
IGNITION
WHITE
ORANGE
YELLOW
YELLOW

R8182D,E,F,H,J COMBINATION PROTECTORELAY™ AND HYDRONIC HEATING CONTROLS
11 68-0105—2
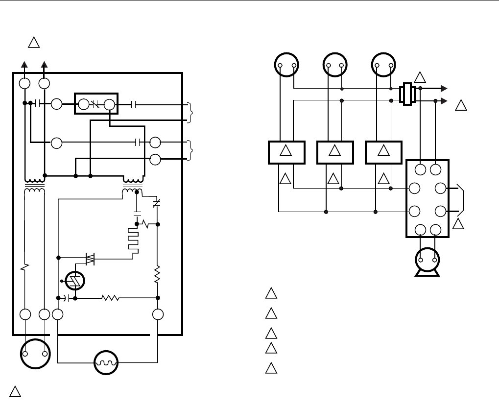
Fig. 15. R8182J internal schematic and wiring diagram.
Fig. 16. R8182D,E,F,H and J in a typical zoning
application using zone valves.
M4529
L1
(HOT) L2
1
1120 VAC POWER SUPPLY. PROVIDE DISCONNECT MEANS
AND OVERLOAD PROTECTION AS REQUIRED.
24 VOLT
THERMOSTAT
C2
C1
ZR
ZC
R
B
HIGH LIMIT
1K1
1K2
2K1
2K2
1K
2
1
T T F F
R8182J
2K
BILATERAL
SWITCH
C554A
R2
C1
S.SW
CONTACTS
SAFETY
SWITCH
HEATER
TRIAC
R1
TO WATER
CIRCULATO
R
TO OIL
BURNER
AND
IGNITION
WHITE
ORANGE
YELLOW
YELLOW
L1
(HOT)
L2 1
1
2
3
4
5
5 5 5
333
4
2
POWER SUPPLY. PROVIDE DISCONNECT MEANS AND OVERLOAD
PROTECTION AS REQUIRED.
R8182H AND J HAVE WHITE AND ORANGE LEADWIRES FOR OIL
BURNER AND IGNITION CONNECTIONS.
RED LEADWIRES PROVIDED ONLY ON MODLES WITH END SWITCH.
CHOOSE AT72, AT87, OR AT88 TRANSFORMER TO MATCH
MAXIMUM SYSTEM LOAD.
USE V8043 OR V8044 ZONE VALVES WITH AUXILIARY END
SWITCH ONLY.
L1 L2
T
T
B1
B2
C1 C2
CIRCULATOR
RED
RED
RED
RED
RED
RED
YELLOW
YELLOW
YELLOW
YELLOW
YELLOW
YELLOW
24 VOLT
THERMOSTAT 24 VOLT
THERMOSTAT 24 VOLT
THERMOSTAT
TO OIL
BURNER
AND
IGNITIO
N
M4522

R8182D,E,F,H,J COMBINATION PROTECTORELAY™ AND HYDRONIC HEATING CONTROLS
68-0105—2 12
Fig. 17. R8182D and R845A in a typical multiple circulator zoning application.
OPERATION
R8182D
A call for heat by the thermostat pulls in relay 1K, which
energizes the safety switch circuit and relay 2K to turn on the
burner. Safety switch starts to heat. If burner ignites within
safety switch timing, the cadmium sulfide flame detector sees
flame and the safety switch heater circuit is bypassed. The
burner operates until the call for heat is satisfied. The
circulator operates when relay 1K pulls in only if R to W is
made in the Aquastat¨ limit.
When R to B (low limit) is made by a drop in water
temperature, it acts as a call for heat, pulling in relay 2K to
turn on the burner. The circulator cannot operate. See Fig. 11,
16, 17 and 19.
R8182E
The burner and circulator operate whenever the thermostat
calls for heat. Relay 2K pulls in. When the cadmium sulfide
flame detector sees flame, the safety switch heater circuit is
bypassed, and 2K is held in through 2K1. If temperature rises
to a high limit setpoint, R to B breaks, shutting off the burner.
The circulator continues operation under the thermostat
direction. See Fig. 12, 16, 17 and 20.
R8182F
The thermostat call for heat pulls in relay 2K to turn on the
burner. When the cadmium sulfide the flame detector sees
flame, safety switch the heater circuit is bypassed. The
circulator is independent of the thermostat circuit, being
controlled only by the Aquastat¨ limit switch. See Fig. 13, 17
and 20.
R8182H
A call for heat by the thermostat pulls in relay 1K, which
energizes the safety switch circuit and relay 2K to turn on the
burner. The safety switch starts to heat. If the burner ignites
within the safety switch timing, the cadmium sulfide flame
detector sees the flame and the safety switch heater circuit is
bypassed. The burner shuts Off when a call for heat is
satisfied. The circulator operates when relay 1K pulls in only if
R to W in the Aquastat¨ limit is made.
When R to B (low limit) is made by a drop in water
temperature, it acts as a call for heat, pulling in relay 2K to
turn on the burner. The circulator cannot operate. See Fig. 14,
16, 17 and 18.
M4521
L1
(HOT) L2
1
5
4
6
3
2
1
2
4
3
6
5
120 VAC POWER SUPPLY. PROVIDE DISCONNECT
MEANS AND OVERLOAD PROTECTION AS REQUIRED.
THERMOSTAT HEAT ANTICIPATOR SETTING, 0.2 AMP FOR R8182D.
THERMOSTAT HEAT ANTICIPATOR SETTING, 0.4 AMP FOR R845A.
CONTROL CASE MUST BE CONNECTED TO EARTH
GROUND. USE GROUNDING SCREW PROVIDED.
R8182E,H,J CONNECTIONS FROM ZC AND ZR ARE IDENTICAL
FOR MULTIPLE CIRULATOR ZONING APPLICAITON.
EACH ADDITIONAL ZONE REQUIRES A SEPARATE,
FIELD-ADDED 24V THERMOSTAT AND R845 RELAY. 24 VOLT
THERMOSTAT
B2
C2
C1
ZR
ZC
B1R
B
HIGH LIMIT
1K1
1K2
2K1
1K
1K1 1K2 B
RW
LOW
LIMIT
1K
2
1
G
T T F F
R8182D
2K
2K2
BILATERAL
SWITCH
CIRCULATOR
C554A
R2
C1
S.SW
CONTACTS
SAFETY
SWITCH
HEATER
TRIAC
R1
TO WATER
CIRCULATO
R
TO OIL
BURNER
AND
IGNITION
BLUE
2
1
T
T5 3
6 4
ZONE 2
THERMOSTAT R845A
SWITCHING
RELAY ZONE 2
ZONE 2
CIRCULATOR
TO ADDITIONAL
ZONES 3, 4, ETC.

R8182D,E,F,H,J COMBINATION PROTECTORELAY™ AND HYDRONIC HEATING CONTROLS
13 68-0105—2
R8182J
The burner and circulator operate whenever the thermostat
calls for heat. Relay 2K pulls in. When the cadmium sulfide
flame detector sees flame, the safety switch heater circuit is
bypassed, and 2K is held in through 2K1. If temperature rises
to a high limit setpoint, R to B breaks, shutting off the burner.
The circulator continues operation under direction of the
thermostat. See Fig. 15, 16, 17 and 19.
Multizone Control
In all multizone applications, a call for heat in any zone
energizes the safety switch circuit and relay 2K pulls in. If the
burner ignites within the safety switch timing, the cadmium
sulfide flame detector sees flame and the safety switch heater
is bypassed.
In all multizone applications with R8182D and H, the low limit
control in the Aquastat® limit acts independently to turn on the
main burner on a drop in water temperature. When R to B (low
limit) is made, relay 2K pulls in to turn on the main burner, the
same as for single-zone application.
Zone Circulator Control with R8182D,H
The relay for each zone is connected to the Aquastat® limit
through terminals ZC and ZR. The R845 Relay and
thermostat for each zone can energize the zone circulator
through ZC only if R to W in the Aquastat® limit is made. If
R to B (high limit) is made, the zone thermostat energizes the
burner through ZR.
Zone Circulator Control with R8182E,J
The relay for each zone is connected to the Aquastat® limit
through terminals ZC and ZR. The R845A Relay and
thermostat in each zone can energize the zone circulator
through ZC on a call for heat. If R to B (high limit) is made, the
zone thermostat energizes the burner through ZR.
Zone Valve Control with R8182
The valve for each zone is connected to the Aquastat® limit
by wiring end switches on the zone valve to T-T on the R8182.
On a call for heat from any zone, the R8182 operates the
same as for single zone applications.
Fig. 18. R8182D,H Aquastat® limit switching.
Fig. 19. R8182E,J Aquastat® limit switching.
LOW LIMIT
AND
CIRCULATOR
SETTING
H
IGH LIMIT
S
ETTING
SWITCH BREAKS ON
TEMPERATURE RISE.
BURNER TURNS OFF.
CIRCULATOR OPERATES
ON A CALL FOR HEAT.
SWITCH MAKES ON
TEMPERATURE FALL.
BURNER OPERATES ON
A
CALL FOR HEAT.
SWITCH MAKES R-W
AND BREAKS R-B ON
TEMPERATURE RISE.
SWITCH MAKES R-B AND
BREAKS R-W ON
TEMPERATURE FALL.
BURNER IS ON TO
MAINTAIN MINIMUM
WATER TEMPERATURE.
CIRCULATOR IS OFF.
M1523
SWITCH MAKES R-W
AND BREAKS R-B ON
TEMPERATURE RISE.
WHEN WATER REACHES PROPER TEMPERATURE, THE BURNER
SHUTS OFF OR THE CIRCULATOR PUMP STARTS (WHEN CALLING
FOR HEAT).
1
1
R-B MAKES ON
TEMPERATURE FALL.
BURNER AND
CIRCULATOR OPERATE
ON A CALL FOR HEAT.
180°F (82°C)
240°F (116°C)
M1510
R-B BREAKS ON
TEMPERATURE RISE.
BURNER TURNS OFF.
CIRCULATOR OPERATE
S
ON A CALL FOR HEAT.
H
IGH LIMIT
S
ETTING
15°F (8°C)
DIFFERENTIAL

R8182D,E,F,H,J COMBINATION PROTECTORELAY™ AND HYDRONIC HEATING CONTROLS
68-0105—2 14
Fig. 20. R8182F Aquastat® limit switching.
STARTUP AND CHECKOUT
WARNING
Explosion Hazard.
Can cause severe injury, death or property
damage.
This product is intended for use only in systems with a
pressure relief valve.
Because heating systems differ, the correct temperature
setting for one system may not be correct for another. Follow
the boiler manufacturers recommendations for proper
selection of settings.
High Limit Setting—All Models
The high limit opens and turns off the burner when the water
temperature reaches the setpoint. The high limit automatically
resets after the water temperature drops past the setpoint and
through the 10°F (6°C) [15°F (8°C) with R8182E,J] differential.
Set the indicator at the desired shutoff temperature.
Low Limit/Circulator Setting—D And H
Models
On a temperature rise, with the adjustable differential at the
minimum setting of 10°F (6°C), the burner circuit (R-B) breaks
and the circulator circuit (R-W) makes at the low limit setpoint.
See Fig. 19. On a temperature drop of 10°F (6°C) below the
setpoint, the R-B circuit makes and the R-W circuit breaks.
At any differential setting greater than 10°F (6°C), the R-B
make temperature and R-W break temperature remains the
same— setting minus 10°F (6°C). The R-B break and R-W
make temperature are the setpoint temperature plus the
difference between the differential setting and 10°F (6°C).
EXAMPLE: Setpoint of 140°F (60°C); differential set at 25°F
(14°C). On a temperature rise, R-B breaks and R-W makes at
155°F (68°C). On a temperature fall, R-B makes and R-W
breaks at 130°F (54°C).
Set the low limit indicator at the minimum temperature
recommended for domestic hot water supply. This setting
must be at least 20°F (11°C) below the high limit setting to
prevent one switch from locking out the other.
Set the differential the desired number of degrees.
Circulator Setting—F Models
Set the circulator indicator at the minimum water temperature
recommended for hydronic heating comfort.
Setting Stops (R8182D,H TRADELINE®)
Part no. 126580 Setting Stops can be installed on the low and
high limit adjusting knobs to prevent turning the knobs beyond
a predetermined point. To install the setting stops, proceed as
follows:
IMPORTANT
Once the setting stops are in place, they cannot be
replaced. If they must be removed, cut off with
cutters—do not twist off.
1. On low limit knob, turn the knob to the setting that is to
be established as the limit.
2. Place the setting stop over the knob so that the arm of
the setting stop (after the stop is pressed into place)
strikes projection A and prevents turning the knob
beyond the chosen limit setting. See Fig. 21.
3. Press the setting stop tightly onto the knob so its inner
teeth securely engage the knob.
4. Turn knob back and forth several times to make sure
stop functions properly.
5. Repeat steps 1 to 4 for the high limit knob.
After settings are made, replace the cover.
C
IRCULATOR
S
ETTING
H
IGH LIMIT
S
ETTING R-B BREAKS ON
TEMPERATURE RISE.
BURNER TURNS OFF.
R-B MAKES ON
TEMPERATURE FALL.
BURNER OPERATES
ON CALL FOR HEAT.
R-B BREAKS ON
TEMPERATURE FALL.
CIRCULATOR TURNS OFF
.
R-W MAKES ON
TEMPERATURE RISE.
CIRCULATOR TURNS ON
.
110°F (43°C)
240°F (116°C)
M1509
10°F (6°C)
DIFFERENTIAL
10°F (6°C)
DIFFERENTIAL

R8182D,E,F,H,J COMBINATION PROTECTORELAY™ AND HYDRONIC HEATING CONTROLS
15 68-0105—2
Fig. 21. Setting stop in position to restrict low limit setting
to 180°F (82°C) or lower.
Startup
WARNING
Explosion Hazard.
Can cause severe injury, death or property
damage.
Be sure combustion chamber is free of oil or vapor.
1. Push red reset button and release.
2. Open hand valve on oil supply line.
3. Set thermostat to call for heat.
4. Close line switch; burner will start.
5. Under normal conditions, burner operates until
thermostat is satisfied or line switch is opened.
Make certain the system operates as described in the
OPERATION section. Use the following procedure to verify
that the Protectorelay™ burner sequencing relay is controlling
properly.
Flame Failure Check
Shut off the oil supply hand valve while the burner is on. After
45 seconds, the safety switch locks out, the motor stops, and
the oil valve closes. Allow five minutes for the burner to cool,
then manually reset the safety switch.
Ignition Failure Check
Test by closing the oil supply while the burner is off. Run
through the starting procedure but do not open the oil supply
line hand valve. The safety switch locks out as in flame failure.
Then turn the oil back on, and reset the safety switch.
Power Failure Check
Turn off the power supply while the burner is on. When the
burner goes out, restore power and the burner will restart.
NOTE: If operation is not as described, see cover insert for
additional information and check wiring.
Aquastat® Controller Replacement
The Aquastat® limit section of the Protectorelay™ control is
field replaceable. When ordering a replacement assembly,
specify the complete model number of the R8182.
Replace the Aquastat® Limit
1. Disconnect power supply.
2. On all models—Note the position of the connecting
wires.
3. Remove fastening screws and wires.
4. Remove Aquastat® limit and install the new assembly.
MATERIAL SAFETY DATA SHEET (MSDS)
SECTION 1. PRODUCT AND COMPANY
IDENTIFICATION.
Product Name: Heat conductive compound.
MSDS ID: DS9021.
Synonyms: MS1699.
Product Use: Heat conductive material used to enhance
contact and heat transfer in temperature sensor applications.
Manufacturer: Honeywell Inc., 1985 Douglas Drive North,
Minneapolis, MN 55422.
Date Released: October 8, 1999.
Emergency Telephone Information: 1-888-809-3787.
NFPA Ratings:
Health 0; Flammability 1; Reactivity 0; Personal Protection
B.
200
160
140
180
SETTING STOP
STOP ARM
SETTING
PROJECTION "A
"
KNOB SET AT 140°F (60°C)
M4523
1
1
SCALE MARKINGS IN FAHRENHEIT ONLY.
120

R8182D,E,F,H,J COMBINATION PROTECTORELAY™ AND HYDRONIC HEATING CONTROLS
68-0105—2 16
Section 2. Composition, Information on
Ingredients (Table 3).
Table 2. Ingredients of Heat Conductive Compounda.
a Additional Information: Part No. 120650 (0.5 oz. tube); Part No. 107408 (4 oz. can); Part number 197007 (5 gallon container).
May also contain minute amounts of lithium and molybdenum lubricant compounds.
Section 3. Hazard Identification
Acute Health Effects:
Skin—Excessive contact can cause skin irritation and
dermatitis.
Eye—Direct contact with eye will cause irritation.
Inhalation—No adverse effects are expected.
Ingestion—Ingestion of product may cause nausea, vomiting
and diarrhea.
Chronic Health Effects:
Existing skin rash or dermatitis may be aggravated by
repeated contact.
OSHA Hazard Classifications:
None.
Carcinogenicity:
Not considered to be a carcinogen by either OSHA, NTP,
IARC, or ACGIH.
Target Organs:
None known.
Section 4. First Aid Measures
Eye Contact:
Flush eyes with water for 15 minutes. Remove any contact
lenses and continue to flush. Obtain medical attention if
irritation develops and persists.
Skin Contact:
Remove excess with cloth or paper. Wash thoroughly with
mild soap and water. Obtain medical attention if irritation
develops and persists.
Ingestion:
Contact physician or local poison control center immediately.
Inhalation:
Remove patient to fresh air and obtain medical attention if
symptoms develop.
Section 5. Fire Fighting Measures
Flash Point:
>383°F (195°C). Will burn if exposed to flame.
Extinguishing Media:
Carbon dioxide, dry chemical or foam.
Special Fire Fighting Procedures:
None.
Explosion Hazards:
None. Aluminum powder can react with water to release
flammable hydrogen gas. In the form of this product, this
reaction is not expected.
Section 6. Accidental Release Measures
Scrape up and dispose as solid waste in accordance with
state and federal regulations.
Section 7. Handling and Storage
Store in dry place. Keep container closed when not in use.
Ingredients CAS Number Percent PEL TLV
No. 2 Lithium Complex Grease (70%):
Mineral Oil 64742-65-0 35-50 5 mg/m35 mg/m3
Mineral Oil 64742-62-7 20-25 5 mg/m35 mg/m3
Lithium Hydrostearate/Sebacate Complex 68815-49-6 4-9 — —
Zinc Alkyldithiophosphate 68649-42-3 0-2 — —
Aluminum Paste (30%):
Aluminum, as Al 7429-90-5 20-25 15 mg/m310 mg/m3
Aliphatic Petroleum Distillates 8052-41-3 10-15 2900 mg/m3525 mg/m3
Stearic Acid 57-11-4 1-2 — —
Aromatic Petroleum Distillates 64742-95-6 1-2 5 mg/m35 mg/m3

R8182D,E,F,H,J COMBINATION PROTECTORELAY™ AND HYDRONIC HEATING CONTROLS
17 68-0105—2
Section 8. Exposure Controls and Personal
Protection
Ventilation:
No special ventilation is required when working with this
product.
Respiratory Protection:
None required.
Eye Protection:
Not normally required. However, use chemical safety goggles
or faceshield if potential for eye contact exists, especially if
material is heated.
Hand/Clothing Protection:
Not normally required. Protective gloves and clothing are
recommended, as material is difficult to remove from skin and
clothing.
Other Protective Equipment:
None required.
Section 9. Physical and Chemical Properties
Appearance/Odor:
Aluminum color, semi-solid material, pleasant odor.
Solubility in Water:
Negligible.
Specific Gravity:
0.86.
Section 10. Stability and Reactivity
Stability:
Stable.
Reactivity:
Hazardous polymerization will not occur.
Incompatibilities:
Strong oxidizing agents and halogens.
Hazardous Decomposition Products:
Carbon dioxide, carbon monoxide.
Section 11. Toxicology Information
No data available.
Section 12. Ecological Information
Chemical Fate Information:
Hydrocarbon components will biodegrade in soil; relatively
persistent in water.
Section 13. Disposal Consideration
Dispose of as solid waste in accordance with Local, State and
Federal regulations.
Section 14. Transportation Information
DOT Classification:
Not classified as hazardous.
Section 15. Regulatory Information
SARA Title III Supplier Notification:
Include in Section 311/312 inventory reports if amounts
exceed 10,000 pounds. Aluminum compounds are subject to
the reporting requirements under Section 313 of Emergency
Planning and Community Right-to-Know Act of 1986 (40 CFR
372). Ingredients listed in TSCA Inventory.
Section 16. Other Information
This information is furnished without warranty, expressed or
implied, except that it is accurate to the best of our knowledge.
Prepared By:
PROSAR, 1295 Bandana Boulevard, Suite 335, St. Paul, MN
55108 (651-917-6100).
68-0105—2 18
19 68-0105—2

68-0105—2 G.R. Rev. 1-02 www.honeywell.com/building/components
Automation and Control Solutions
Honeywell Honeywell Limited-Honeywell Limitée
1985 Douglas Drive North 35 Dynamic Drive
Golden Valley, MN 55422 Scarborough, Ontario
M1V 4Z9
Printed in U.S.A. on recycled
paper containing at least 10%
post-consumer paper fibers.