Honeywell THM5421R01 Equipment Interface Module User Manual 69 2445EFS 01 System Installation Guide
Honeywell International Inc Equipment Interface Module 69 2445EFS 01 System Installation Guide
Manual

PrestigeTM 2-wire IAQ and RF EIM
With wireless accessories
® U.S. Registered Trademark.
Copyright © 2010 Honeywell International Inc.
All rights reserved.
System
Installation
Guide
69-2445EFS-01
Control for up to 4 Heat/2 Cool heat pump systems or up to
3 Heat/2 Cool conventional systems.
Installation guide for:
• THX9000 Prestige IAQ
• Wireless remote control
• Equipment Interface Module
• Wireless Outdoor Air Sensor
DISCONNECT POWER BEFORE BEGINNING INSTALLATION. Can cause electrical shock or
equipment damage.
MERCURY NOTICE: If this product is replacing a control that contains mercury in a sealed tube,
do not place the old control in the trash. Contact your local waste management authority for
instructions regarding recycling and proper disposal.
Must be installed by a trained, experienced technician. Read these instructions carefully.
Failure to follow these instructions can damage the product or cause a hazardous condition.

Prestige
TM Installation Guide
2
69-2445EFS—01
System installation at a glance
Installation procedure
Mount and wire thermostat ...................................................... Pages 3-7
Mount and wire EIM .................................................................. Pages 3-7
Connect thermostat to EIM ...................................................... Pages 3-7
Customize thermostat (installer setup) ........................................Pages 8
Install batteries in wireless accessories ........................................Page 8
Link accessories to thermostat .............................................. Pages 9-10
Mount outdoor sensor ..................................................................Page 11
To replace system components if needed, see page 14
If you have more than one thermostat: Optional accessories must be linked to each
thermostat separately.
DISCONNECT POWER BEFORE BEGINNING INSTALLATION. Can cause electrical
shock or equipment damage.
MCR32049
HVAC equipment
Remote
control
Thermostat
1
2
3
4
6
5
7

369-2445EFS—01
Mount and wire thermostat
Install as shown below. Connect wires to the R and C terminals on the
thermostat.
The other ends of these wires should be connected to the Equipment
Interface Module R and C terminals or to a separate 24 volt transformer
(not provided).
Mount and wire Equipment Interface Module
1
2
MCR29241
MCR32050
Drywall: 3/16" hole
Plaster: 7/32" hole
Wall anchor
Mounting screw
Mount Equipment Interface Module
on wall near HVAC equipment, or
on the equipment itself.
Do not install inside HVAC equip-
ment. Use screws & anchors as
appropriate for mounting surface.
M32051

Prestige
TM Installation Guide
4
69-2445EFS—01
M32053
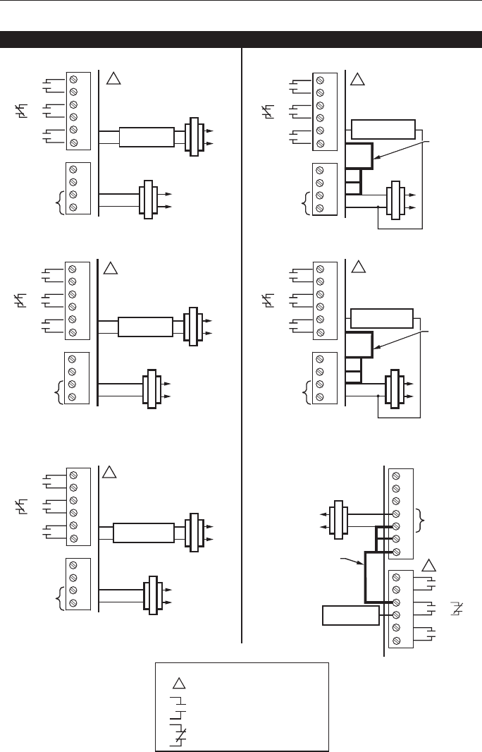
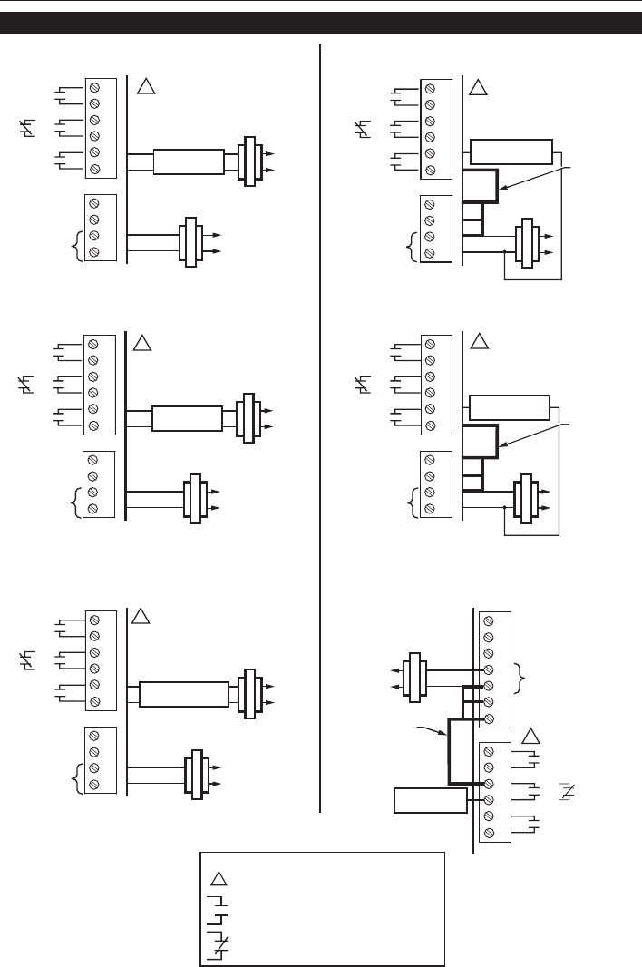
Equipment Interface Module wiring
Strip 1/4” insulation, then insert wires as shown.
Wiring must comply with local
electrical codes.
Wiring guide
Typical hookup of conventional system with up to three-stage heat and two-stage cool with one
transformer (3H/2C, 2H/2C, 2H/1C, 1H/2C, 1H/1C, 1H, 2H, 3H, 1C, 2C conventional).
HEAT 1 RELAY
HEAT 2 RELAY
HEAT 3 RELAY
COOL 1 RELAY
COOL 2 RELAY
FAN RELAY
SENSORS
24V
POWER
IAQ
CONTROL
(24 VAC)
TO
THERMOSTAT
IAQ DEVICE
EQUIPMENT
SENSOR TYPE
THM5421R
CONV
M32054
M32052

569-2445EFS—01
Typical hookup of heat pump system with up to four-stage heat and two-stage cool with one
transformer (4H/2C, 3H/2C, 2H/2C, 2H/1C, 1H/1C heat pump systems).
SENSORS
IAQ
CONTROL
(24 VAC)
TO
THERMOSTAT
IAQ DEVICE
EQUIPMENT
SENSOR TYPE
THM5421R
M32055
CHANGEOVER
AUX 1 (HEAT 3)
AUX 2 (HEAT 4)
COMP 1
COMP 2
FAN RELAY
24V
POWER

Prestige
TM Installation Guide
6
69-2445EFS—01
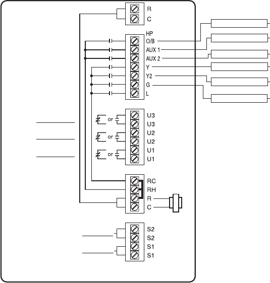
POWERED
HUMIDIFIER
RC
RH
R
C
24 VAC
U3
U3
U2
U2
U1
U1
OR
M32056
1
Wiring guide—equipment
Any combination of Universal relays (U1, U2, U3) can be used.
With power supply Without power supply
FIELD-
INSTALLED
JUMPER
BETWEEN
R AND U1
RC
RH
R
C
24 VAC
U3
U3
U2
U2
U1
U1
OR
NON-POWERED
HUMIDIFIER
M32057
1
Typical hookup of non-powered humidifier.Typical hookup of powered humidifier.
FIELD-
INSTALLED
JUMPER
BETWEEN
R AND U1
RC
RH
R
C
24 VAC
U3
U3
U2
U2
U1
U1
OR
NON-POWERED
VENTILATOR
M32059
1
Typical hookup of non-powered ventilation.
M32061
FIELD INSTALLED
JUMPER BETWEEN
R AND DHM 1
1
2
3
C
R
RC
RH
24 VAC
U1
U1
U2
U2
U3
U3
OR
LOW SPEED
FAN
1
Typical hookup of variable speed blower for
dehumidification in low speed.
POWERED
VENTILATOR
RC
RH
R
C
24 VAC
U3
U3
U2
U2
U1
U1
OR
M32058
1
Typical hookup of powered ventilation.
POWERED
DEHUMIDIFIER
RC
RH
R
C
24 VAC
U3
U3
U2
U2
U1
U1
OR
M32060
1
Typical hookup of powered dehumidifier
(whole house dehumidifier).
M28920
KEY
= NORMALLY OPEN, DRY CONTACTS
ANY COMBINATION OF UNIVERSAL
RELAYS (U1, U2, U3) CAN BE USED.
= NORMALLY CLOSED, DRY CONTACTS
1

769-2445EFS—01
Enroll the thermostat
3
Navigate through the installer
setup to the Wireless Setup
screen:
Press the connect button on
the Equipment Interface Module:
Press Next at thermostat. Display
will show "Device Connected' when
the thermostat and Equipment
Interface Module are connected.
MCR32063
Next
MCR32065
Done
M32064
CONNECT
BUTTON

Prestige
TM Installation Guide
8
69-2445EFS—01
MENU
HELP
HELP
M28799
M29863
M28800
Customize thermostat (installer options)
Install batteries in wireless accessories
Press MENU.
Press t to scroll down, then press
INSTALLER OPTIONS. Enter security code
when prompted.
Security code is the thermostat date
code (printed on back of thermostat).
Or press MENU > EQUIPMENT STATUS to
find code.
Press CREATE SETUP to set all system
settings one by one.
Press VIEW/EDIT to select a specific
function and make quick changes. (See
complete list of system settings on pages
12-13.)
Press INSTALLER TEST to run system
tests. You should always test the sys-
tem after making changes to settings.
Note: Press HELP for
more information on
these and other options.
Remote control (optional) Outdoor air sensor (optional)
4
5
M29794
MENU
M29862
MENU
Install 3 fresh AA
batteries
Install 2 fresh AA
lithium batteries

969-2445EFS—01
View Connected Devices
M28804
Add Device
M28803
M28802
Wireless Device
Manager
Link wireless accessories to thermostat (optional)
Press MENU.
Press t to scroll down, then press
INSTALLER OPTIONS. Enter security code
when prompted.
Security code is the thermostat date
code (printed on back of thermostat).
Or press MENU > EQUIPMENT STATUS to
find code.
Press t to scroll down, then press
WRELESS DEVICE MANAGER.
Press ADD DEVICE to start timer, then
press the Connect button on wireless
accessories to link them to the ther-
mostat (see next page).
Timer will re-set to 15 minutes after each
accessory is linked. Thermostat will exit
link mode after 15 minutes if there is no
activity.
Press VIEW CONNECTED DEVICES to verify
that all wireless accessories have been
linked to the thermostat.
Press DONE when finished.
Note: If you are installing more than one thermostat, repeat steps above and on page 10 for
each thermostat.
If you are installing multiple thermostats, you must press DONE to exit “Add Device”
mode at each thermostat before linking wireless accessories to the next thermostat.
6
MENU
M28801
M29862
MENU

Prestige
TM Installation Guide
10
69-2445EFS—01
CONNECT
WIRELESS SETUP
M28481
Link remote control to thermostat (optional)
Link outdoor sensor to thermostat (optional)
1 Make sure the thermostat displays
the “Add Device” timer screen (see
page 9).
2 Press CONNECT at the remote.
There will be a short delay as the
remote seeks a signal from the
thermostat.
3 When the screen displays
"Connected," press DONE.
4 Press NO at the next screen to save
and exit. (Or press YES and repeat
steps 1-4 to link another thermostat.)
1 Make sure the thermostat displays
the “Add Device” timer screen
(see page 9).
2 Press the CONNECT button on
the back of the sensor.
3 Check thermostat to verify that
the outdoor sensor is working.
After about 15 seconds, the
thermostat should display outdoor
temperature and humidity.
Press to link to
another thermostat
Press to save
and exit
Press and release
The linking procedure at the remote may
time out if there is no keypress within 30
minutes. To begin again, press and hold the
blank space (or arrow, if present) in the lower
right corner of the screen until the display
changes (about 3 seconds).
NOYES
CONNECT MORE?
M28482
M28846
M28847A

11 69-2445EFS—01
Install outdoor sensor (optional)
Mount the sensor on a vertical exterior
wall, at least 6 inches below any over-
hang. Choose a location protected from
direct sunlight.
Place sensor securely in bracket, facing
away from wall.
7
M28491
M28849A

Prestige
TM Installation Guide
12
69-2445EFS—01
Installer setup tables
Setup functions (factory default setting listed, other options available)
100 Language English
110 Zone Number Not Zoned
112 Device name Thermostat
130 Date year 2011
140 Date month June
150 Date day 15
160 Schedule options Programmable
165 Restore Energy Saver Schedule No
172 System selection Conventional
173 Heat Pump Type Air To Air
174 Compressor stages 1
175 Series 20 Control No
176 Heat stages 1
180 Fan operation System (gas/oil/heat)
190 Reversing valve O/B on Cool
200 Backup heat Electric
210 External fossil fuel Yes
220 Compressor stage 1 cycle rate 3
230 Compressor stage 2 cycle rate 3
240 Heat stage 1 cycle rate (Aux) 5
250 Heat stage 2 cycle rate (Aux 2) 5
260 Heat stage 3 cycle rate 5
281 Display inactive backlight level 5 (color models only)
300 Changeover Manual
310 Deadband 2° F
320 Temperature display Fahrenheit
330 Daylight savings time Auto change: On
342 Outdoor temperature sensor? No
346 Dual-fuel upstage timer 60 minutes
347 Droop Temperature 2
349 Backup Heat Control Comfort
350 Compressor lockout (balance point) Off
360 Auxiliary lockout Off
365 Discharge Air Temperature Sensor No
371 Humidification equipment None
372 Indoor humidity control Off
374 Humidifier fan action Humidify only with fan
379 Dehumidification equipment None
383 Overcooling limit 3° F (1.5° C)
384 Dehumidification fan control Forces fan on
386 Whole house Dehumidification Lockout Off
390 Dehumidification away mode Off

13 69-2445EFS—01
Installer setup tables
391 Away mode fan operation Automatic
392 Away mode low temp. setting 76° F (24.5° C)
393 Away mode high temp. setting 85° F (29.5° C)
394 Away mode dehumidification 65% relative humidity
400 Ventilation Control Off
401 Number of Bedrooms 2
402 Total Sq. Ft. of Home 1000
403 Ventilation CFM 160
404 Max Ventilation Percentage Limit 50%
405 Ventilation Fan Action Ventilation Forces Fan On
406 Ventilation in High Humidity On
431 Ventilation Lockout High Temperature None
432 Ventilation Lockout Low Temperature None
433 Ventilation Lockout High Outdoor Humidity Off
434 Ventilation Lockout High 75° dewpoint
Outdoor Humidity Setting
450 A-Coil Low Temperature Cutoff None
500 Reminder: Furnace filter Off
502 Furnace filter runtime counter Count heat and cool
510 Reminder: Humidifier pad Off
520 Reminder: UV bulb Off
525 Installer Custom Reminders Add Customer Reminder
530 Adaptive Intelligent Recovery On
540 Number of schedule periods 4
580 Minimum compressor off time 5 minutes
600 Maximum heat range 90° F (32° C)
610 Minimum cool range 60° F (15.5° C)
640 Clock format 12-hour
650 Extended fan on time (heat) Off
660 Extended fan on time (cool) Off
670 Keypad lock Unlocked
680 Temp. control (heat) Standard
690 Temp. control (cool) Standard
695 Finish on High Heat Stage No
696 Finish on High Cool Stage No
700 Temperature display offset No offset
701 Humidity display offset No offset
710 RESTORE FACTORY DEFAULTS No: Advanced Options
Setup functions (factory default setting listed, other options available)

Prestige
TM Installation Guide
14
69-2445EFS—01
Installer setup tables
Note: All installer options, including Dealer name, contact information and message can
be set up as a file and downloaded via the USB port on the thermostat.
Replacing system components
Thermostat
After installing a new thermostat, you must re-link all accessories to the new
thermostat, as described below.
1 Install and wire new thermostat (see pages 3-7).
2 Customize new thermostat (see page 8).
3 Link wireless accessories (see pages 9-10).
At the remote control:
• Press and hold the blank space (or arrow if present) in the lower
right corner of the screen until the display changes (see page 10).
• Press REMOVE, then yES to disconnect from old thermostat.
• Follow the procedure on page 10 to link to new thermostat.
At the outdoor air sensor:
• Press the CONNECT button to link to the new thermostat (see page
10).
4 Press DONE at the thermostat.
Remote control & outdoor sensor
To replace a remote control or outdoor air sensor, install batteries and follow the
procedures on pages 9-10 to link it to the thermostat.
Customer contact information (optional, but recommended)
1100 Dealer name Your company name
1150 Dealer phone number Your telephone contact
1200 Dealer email address Your email address
1250 Dealer website Your web site
1300 Dealer Message Edit
1350 Configurable S1 Sensor Input None
1355 Configurable S2 Sensor Input None
1400 Configurable U1 Relay None
1405 Configurable U2 Relay None
1410 Configurable U3 Relay None
1500 Low Speed Fan Position Normally Closed

15 69-2445EFS—01
Specifications & replacement parts
Operating Ambient Temperature
Thermostat: 32 to 120° F (0 to 48.9° C)
Remote control: 32 to 120° F (0 to 48.9° C)
Outdoor air sensor: -40 to 140° F (-40 to 60° C)
EIM: -40 to 165° F (-40 to 73.9° C)
Return air sensor: 0 to 200° F (-17.8 to 93.3° C)
Discharge air sensor: 0 to 200° F (-17.8 to 93.3° C)
Operating Relative Humidity
Thermostat: 5% to 90% (non-condensing)
Remote control: 5% to 90% (non-condensing)
Outdoor air sensor: 0% to 100% (condensing)
EIM: 5% to 95% (non-condensing)
Physical Dimensions (height, width, depth)
Thermostat: 3-9/16 x 5-13/16 x 1-1/2 inches (91 x 147 x 38 mm)
Outdoor air sensor: 5 x 3-1/2 x 1-11/16 inches (127 x 89 x 43 mm)
EIM: 9-5/16 x 4-13/16 x 1-19/32 inches (91 x 147 x 38 mm)
Electrical Ratings
Terminal Voltage (50/60 Hz) Max. Current Rating
W - O/B 18 to 30 VAC 1.00A
Y (cooling) 18 to 30 VAC 1.00A
G (fan) 18 to 30 VAC 0.60A
W2 - Aux 1 (heating) 18 to 30 VAC 0.60A
Y2 (cooling) 18 to 30 VAC 0.60A
W3 - Aux 2 18 to 30 VAC 1.00A
L (Output) 18 to 30 VAC 0.60A
U1 30 VAC max. 0.50A
U1 30 VAC max. 0.50A
U2 30 VAC max. 0.50A
U2 30 VAC max. 0.50A
U3 30 VAC max. 0.50A
U3 30 VAC max. 0.50A
Accessories & Replacement Parts
Item Part Number
Wireless adapter THM4000R1000
Remote control REM5000R1001
Outdoor air sensor C7089R1013
Cover plate (covers marks left by old thermostats) 50028399-001

Prestige
TM Installation Guide
16
69-2445EFS—01
Regulatory information
FCC Compliance Statement (Part 15.19) (USA only)
This device complies with Part 15 of the FCC Rules. Operation is subject to the following two
conditions:
1 This device may not cause harmful interference, and
2 This device must accept any interference received, including interference that may cause
undesired operation.
FCC Warning (Part 15.21) (USA only)
Changes or modifications not expressly approved by the party responsible for compliance could
void the user’s authority to operate the equipment.
FCC Interference Statement (Part 15.105 (b)) (USA only)
This equipment has been tested and found to comply with the limits for a Class B digital device,
pursuant to Part 15 of the FCC Rules. These limits are designed to provide reasonable protection
against harmful interference in a residential installation. This equipment generates uses and can
radiate radio frequency energy and, if not installed and used in accordance with the instructions,
may cause harmful interference to radio communications. However, there is no guarantee that
interference will not occur in a particular installation. If this equipment does cause harmful
interference to radio or television reception, which can be determined by turning the equipment off
and on, the user is encouraged to try to correct the interference by one of the following measures:
• Reorient or relocate the receiving antenna.
• Increase the separation between the equipment and receiver.
• Connect the equipment into an outlet on a circuit different from that to which the receiver is
connected.
• Consult the dealer or an experienced radio/TV technician for help.
Thermostats and outdoor sensor
To comply with FCC and Industry Canada RF exposure limits for general population/ uncontrolled
exposure, the antenna(s) used for these transmitters must be installed to provide a separation
distance of at least 20 cm from all persons and must not be co-located or operating in conjunction
with any other antenna or transmitter.
Remote control
This portable transmitter with its antenna complies with FCC and Industry Canada RF exposure
limits for general population/uncontrolled exposure.
Section 7.1.5 of RSS-GEN
Operation is subject to the following two conditions:
1 this device may not cause interference, and
2 this device must accept any interference, including interference that may cause undesired
operation of the device.

Module d’interface d’équipement RF et
IAQ Prestige™ à deux fils
Avec accessoires sans l
® Marque de commence enregistrée aux États-Unis.
Copyright © 2010 Honeywell International Inc.
Tous droits réservés.
Guide
d’installation
du système
Régulation de thermopompes offrant jusqu’à 4 étages de chauffage et 2 étag-
es de refroidissement ou de systèmes classiques offrant jusqu’à 3 étages de
chauffage et 2 étages de refroidissement.
Guide d’installation pour :
• IAQ Prestige THX9000
• Télécommande sans fil
• Module d’interface d’équipement
• Capteur d’air extérieur sans fil
COUPER L’ALIMENTATION ÉLECTRIQUE AVANT D’EFFECTUER LE RACCORDEMENT. Peut provoquer des
chocs électriques ou endommager le matériel.
AVIS SUR LE MERCURE : Si le nouveau thermostat remplace un ancien régulateur contenant un
contact à mercure, ne pas mettre l’ancien régulateur aux poubelles. Communiquer avec le
service local de cueillette des déchets pour obtenir de l’information sur le recyclage ou sur la
bonne façon de disposer d’un ancien régulateur contenant un contact à mercure.
Doit être installé par un technicien d'expérience ayant reçu la formation pertinente. Lire attentivement
les instructions. Le fait de ne pas les suivre risque d'endommager le produit ou de constituer un
danger.

Guide d’installation Prestige™
69-2445EFS—01 2
Installation du système en un coup d’oeil
Procédure d’installation
Installation et raccordement du thermostat ............................ Pages 3-7
Montage et câblage du module d’interface d’équipement .... Pages 3-7
Branchement du thermostat au module
d’interface d’équipement .......................................................... Pages 3-7
Personnalisation du thermostat
(mode de configuration par l’installateur).. ..................................Pages 8
Insertion des piles dans les accessoires sans fil ..........................Page 8
Connexion des accessoires au thermostat ........................... Pages 9-10
Installation du capteur extérieur ..................................................Page 11
Pour remplacer les composants du système au besoin, voir la page 14
S’il y a plus d’un thermostat : Les accessoires en option doivent être liés à chaque
thermostat séparément.
COUPER L’ALIMENTATION ÉLECTRIQUE AVANT D’EFFECTUER LE RACCORDEMENT. Peut provoquer
des chocs électriques ou endommager le matériel.
Matériel de CVCA
MCR32049
Thermostat
Télécommande
1
2
3
4
6
5
7

3 69-2445EFS—01
Installation et raccordement du thermostat
Installer comme illustré ci-dessous. Brancher les fils aux bornes R et C
du thermostat.
Les autres extrémités de ces fils doivent être branchées sur les bornes R
et C du module d’interface d'équipement ou sur un transformateur séparé
de 24 V (non fourni).
1
MCR29241
MCR32050
Placoplâtre : Ouverture
de 3/16 po (0.19 mm)
Plâtre : Ouverture de
7/32 po (0.22 mm)
Cheville d’ancrage
Vis de fixation
Installation et raccordement du Module d’interface d’équipement
2
Installer le Module d’interface
d’équipement sur le mur à proximité
du système de CVCA ou sur le
système même. Ne pas l’installer à
l’intérieur du système. Utiliser les vis
et les chevilles d’ancrage fournies
pour une installation en surface.
M32051

Guide d’installation Prestige™
69-2445EFS—01 4
M32053
Raccordement électrique du Module d’interface d’équipement
Dénuder l’isolant sur 1/4 po puis insérer les fils
comme le montre l’illustration.
Le câblage doit être conforme aux
codes locaux de l’électricité.
Guide de raccordement
Raccordement type d’un système classique offrant jusqu’à 3 étages de chauffage et 2 étages de
refroidissement avec un transformateur (3C/2R, 2C/2R, 2C/1R, 1C/2R, 1C/1R, 1C, 2C, 3C, 1R, 2R
classique).
RELAIS CHAUFFAGE 1
RELAIS CHAUFFAGE 2
RELAIS CHAUFFAGE 3
RELAIS REFROIDISSEMENT 1
RELAIS REFROIDISSEMENT 2
RELAIS VENTILATEUR
CAPTEURS
ALIMENTATION
24 V
RÉGULATEUR
IAQ
(24 V C.A.)
VERS
THERMOSTAT
DISPOSITIF IAQ
ÉQUIPEMENT
TYPE DE CAPTEUR
THM5421R
CONV
MF32054
M32052

5 69-2445EFS—01
Raccordement type d’un système avec thermopompe à un transformateur offrant jusqu’à quatre
étages de chauffage et deux étages de refroidissement et (thermopompes 4C/2R, 3C/2R, 2C/2R,
2C/1R, 1C/1R).
THM5421R
MF32055
COMMUTTION
AUX 1 (CHAUFFAGE 3)
AUX 2 (CHAUFFAGE 4)
COMP 1
COMP 2
RELAIS VENTILATEUR
CAPTEURS
ALIMENTATION
24 V
RÉGULATEUR
IAQ
(24 V C.A.)
VERS
THERMOSTAT
DISPOSITIF IAQ
ÉQUIPEMENT
TYPE DE CAPTEUR

Guide d’installation Prestige™
69-2445EFS—01 6
HUMIDIFICATEUR
ALIMENTÉ
RC
RH
R
C
24 VCA
U3
U3
U2
U2
U1
U1
OU
MF32056
1
Guide de raccordement – matériel
Avec alimentation électrique Sans alimentation électrique
CAVALIER
INSTALLÉ
À L’USINE
ENTRE
R ET U1
RC
RH
R
C
24 VCA
U3
U3
U2
U2
U1
U1
OU
HUMIDIFICATEUR
NON ALIMENTÉ
MF32057
1
Raccordement type d’un humidificateur non
alimenté.
Raccordement type d’un humidificateur
alimenté.
RC
RH
R
C
24 VCA
U3
U3
U2
U2
U1
U1
OU
VENTILATEUR
NON ALIMENTÉ
MF32059
1
CAVALIER
INSTALLÉÀ
L’USINE
ENTRE
R ET U1
Raccordement type d’un ventilateur non
alimenté.
MF32061
CAVALIER
INSTALLÉ
À L’USINE
ENTRE
R ET DHM1
1
2
3
C
R
RC
RH
24 VCA
U1
U1
U2
U2
U3
U3
OU
VENTILATEUR
ÀFAIBLE VITESSE
1
Raccordement type d’un ventilateur à vitesse
variable servant à la déshumidification à faible
vitesse.
VENTILATEUR
ALIMENTÉ
RC
RH
R
C
24 VCA
U3
U3
U2
U2
U1
U1
OU
MF32058
1
Raccordement type d’un ventilateur alimenté.
DÉSHUMIDIFICATEUR
ALIMENTÉ
RC
RH
R
C
24 VCA
U3
U3
U2
U2
U1
U1
OU
MF32060
1
Raccordement type d’un déshumidificateur
alimenté (déshumidificateur pour toute la
maison).
CLÉ
MF28920
= CONTACTS SECS, NORMALEMENT OUVERTS
TOUTE COMBINAISON DES RELAIS
UNIVERSELS (U1, U2, U3) PEUT ÊTRE UTILISÉE.
= CONTACTS SECS, NORMALEMENT FERMÉS
1

7 69-2445EFS—01
Enregistrement du thermostat
3
Naviguer dans l’écran Wireless
Setup (Configuration sans fil) de
configuration de l’installateur :
Appuyer sur le bouton de con-
nexion du module d’interface
d’équipement :
Appuyer sur Next (Suivant) pour
le thermostat. L’affichage indique
« Device Connected » (Dispositif
connecté) lorsque le thermostat et
le module d’interface d’équipement
sont connectés.
MCR32063
Next
MCR32065
Done
MF32064
LE BOUTON
CONNECT
(CONNECTER)

Guide d’installation Prestige™
69-2445EFS—01 8
MENU
HELP
AIDE
MF28799
Personnalisation du thermostat (options de l’installateur)
Insertion des piles dans les accessoires sans fil
Appuyer sur MENU.
Appuyer sur t pour faire défiler le
menu vers le bas, puis appuyer sur
REGLAGE PAR L'INSTALLATEUR. À l’invite du
thermostat, inscrire le code de sécurité.
Le code de sécurité correspond au
code de date du thermostat (imprimé à
l’arrière de la thermostat). Ou appuyer
sur MENU > éTAT DU MATERIéL pour
trouver le code.
Appuyer sur CRéER INSTALLATION pour
configurer un à un tous les paramètres
du système.
Appuyer sur VOIR/éDITER pour choisir
une fonction précise et apporter
rapidement des modifications. (Voir la
liste des paramètres de système aux
pages 12-13.)
Appuyer sur TEST PAR L'INSTALLATEUR
pour vérifier le fonctionnement du
système. Il est conseillé de toujours
vérifier le système après avoir modifié
les paramètres.
Remarque : Appuyer sur AIDE pour
obtenir plus d’information sur ces
options et sur les autres options.
Télécommande (optionnelle) Capteur d’air extérieur (optionnel)
4
5
Insérer 3 piles
AA neuves
Insérer 2 piles au
lithium AA neuves
MF29794
MENU
MF29862
MENU
M29863
M28800

9 69-2445EFS—01
Connexion des accessoires sans fil au thermostat (optionnel)
Appuyer sur MENU.
Appuyer sur t pour faire défiler le
menu vers le bas, puis appuyer sur
REGLAGE PAR L'INSTALLATEUR. À l’invite du
thermostat, inscrire le code de sécurité.
Le code de sécurité correspond au
code de date du thermostat (imprimé à
l’arrière de la thermostat). Ou appuyer
sur MENU > éTAT DU MATERIéL > pour
trouver le code.
Appuyer sur t pour faire défiler le
menu vers le bas, puis appuyer sur
GESTIONNAIRE D'APPAREILS SANS fIL
Appuyer sur AjOUTER APPAREIL pour
lancer la minuterie, puis appuyer sur
le bouton Connect (Connecter) des
accessoires sans fil pour établir la
connexion avec le thermostat (voir à la
page suivante).
La minuterie revient à zéro après la
connexion de chaque appareil. Le
thermostat quittera le mode de connexion
après 15 minutes sans activité.
Appuyer sur VOIR APPAREILS CONNECTéS pour
vérifier si tous les appareils sans fil ont
bien été connectés au thermostat.
Appuyer sur TERMINé une fois l’opération
terminée.
Remarque : S’il y a plus d’un thermostat à installer, répéter les étapes ci-dessus et celles de
la page 10 pour chacun des thermostats.
Lors de l’installation de plusieurs thermostats, il faut appuyer sur la touche TERMINé pour
quitter le mode «Ajouter Appareil» à chaque thermostat avant de connecter des accessoires
sans fil au thermostat suivant.
6
MENU
MF28801
MF29862
MENU
Gestionnaire d’appareils
sans fil
MF28802
Ajouter appareil
MF28803
Voir appareils connectés
MF28804

Guide d’installation Prestige™
69-2445EFS—01 10
NOYES
CONNECT MORE?
M28482
Relier la télécommande au thermostat (optionnel)
Connexion du capteur extérieur au thermostat (optionnel)
1 S’assurer que le thermostat affiche
l'écran de minuterie « Ajouter
dispositif » (voir la page 9).
2 Appuyer sur CONNECT de la
télécommande. Il y a aura un court
délai pendant que la télécommande
recherche le signal du thermostat.
3 Lorsque l’écran affiche «Connected»,
appuyer sur TERMINé.
4 Appuyer sur non à l’écran suivant
pour sauvegarder la configuration
et quitter. (Ou appuyer sur oui
et répéter les étapes 1 à 4 pour
connecter un autre thermostat.)
1 S’assurer que le thermostat affiche
l'écran de minuterie « Ajouter
dispositif » (voir la page 9).
2 Appuyer sur CONNECT à l’arrière
du capteur.
3 Observer le thermostat pour
vérifier que le capteur d’air
extérieur fonctionne. Après environ
15 secondes, le thermostat
devrait afficher la température et
l’humidité extérieures.
Appuyez pour le
lien vers un autre
thermostat
Appuyez pour
sauvegarder et
quitter
Appuyer sur le bouton et le relâcher
M28846
La connexion à la télécommande peut
prendre fin automatiquement après 30
minutes d’inactivité sur les touches. Pour
recommencer, appuyer sur l’espace vierge
(ou sur la flèche, selon le cas) dans le coin
inférieur droit de l’écran et le maintenir
enfoncé jusqu’à ce que l’écran change (au
bout d’environ 3 secondes).
CONNECT
WIRELESS SETUP
M28481
M28847A

11 69-2445EFS—01
Installation du capteur extérieur (optionnel)
Installer le capteur sur un mur
extérieur à la verticale, à au moins
6 pouces (15 cm) de tout surplomb.
Choisir un emplacement où le capteur
sera à l’abri des
rayons du soleil.
Fixer fermement le capteur sur le support,
en mettant le dos de l’appareil contre le
mur.
7
M28491
M28849A

Guide d’installation Prestige™
69-2445EFS—01 12
Tableaux de configuration par l’installateur
Fonctions de configuration (réglage de l’usine indiqué, autres options possibles)
100 Langue Anglais
110 Numéro de zone Pas de zone
112 Nom de l’appareil Thermostat
130 Année 2011
140 Mois Juin
150 Jour 15
160 Options de programmation Programmable
165 Restaurer le calendrier de l’économiseur d’énergie Non
172 Sélection du système Classique
173 Type de thermopompe Air-air
174 Étages de compresseur 1
175 Régulateur série 20 Non
176 Étages de chauffage 1
180 Fonctionnement du ventilateur Système (gaz/mazout/chauffage)
190 Vanne d’inversion O/B en Refroidissement
200 Chauffage d’appoint Électricité
210 Combustible fossile externe Oui
220 Cycles de fonc. de l’étage 1 du compresseur 3
230 Cycles de fonc. de l’étage 2 du compresseur 3
240 Cycles de fonc. de l’étage 1 de chauffage (Aux) 5
250 Cycles de fonc. de l’étage 2 de chauffage (Aux) 2
260 Cycles de fonc. de l’étage 3 de chauffage) 5
281 Niveau de rétroéclairage inactif 5 (modèles couleur seulement)
300 Commutation chaud-froid Manuelle
310 Zone morte 2 °F
320 Affichage de la température 0 Fahrenheit
330 Heure d’été Changement automatique : Marche
342 Capteur de température extérieure Non
346 Minuterie de passage à l’étage supérieur 60 minutes
dans un système bi-énergie
347 Température de chute 2
349 Régulateur de chauffage de secours Confort
350 Mise sous sécurité du compresseur Arrêt
(point d’équilibre)
360 Mise sous sécurité du chauffage auxiliaire Arrêt
365 Capteur de température d'air de soufflage Non
371 Matériel d’humidification Aucun
372 Régulation de l’humidité ambiante Arrêt
374 Fonc. du ventilateur pour l’humidification Humidité avec ventilateur seule-
ment
379 Matériel de déshumidification Aucun
383 Seuil de sur-refroidissement 3° F (1,5° C)
384 Commande du ventilateur en déshumidification Oblige la mise en marche du
ventilateur
386 Verrouillage de la déshumidification pour Arrêt
toute la maison
390 Déshumidification en mode d’absence Arrêt
391 Fonc. du ventilateur en mode d’absence Automatique

13 69-2445EFS—01
Tableaux de configuration par l’installateur
392 Réglage du seuil de température 76 °F (24,5° C)Fonctions de
bas en mode d’absence configuration (réglage de l’usine
indiqué, autres options possibles)
393 Réglage du seuil de température haut
en mode d’absence 85 °F (29,5 °C)
394 Déshumidification en mode d’absence 65 % d’humidité relative
400 Commande de ventilation Arrêt
401 Nombre de chambres à coucher 2
402 Superficie totale de la maison 1000
403 Superficie de ventilation (pi3/min) 160
404 Limite de pourcentage max. de la ventilation 50 %
405 Action du ventilateur Enclenchement forcé du ventilateur
406 Ventilation par forte humidité Marche
431 Verrouillage de la ventilation haute température Aucun
432 Verrouillage de la ventilation basse température Aucun
433 Verrouillage de la ventilation Arrêt
Humidité extérieure élevée
434 Réglage Verrouillage de la ventilation Point de rosée 75°
Humidité extérieure élevée
450 Coupure basse température serpentin A Aucun
500 Rappel : filtre pour appareil de chauffage Arrêt
502 Totalisateur de temps de fonctionnement du
filtre de l’appareil de chauffage Décompte en chauff. et en ref.
510 Rappel : Tampon d’humidificateur Arrêt
520 Rappel : Lampe UV Arrêt
525 Rappels personnalisés de l’installateur Ajouter rappel du client
530 Fonction de reprise auto-adaptative Marche
540 Nombre de périodes à l’horaire 4
580 Temps d’arrêt minimal du compresseur 5 minutes
600 Seuil maximal de chauffage 90 °F (32 °C)
610 Seuil minimal de refroidissement 60 °F (15,5 °C)
640 Affichage de l’heure 12 heures
650 Prolongement du temps de marche
du ventilateur (chauffage) Arrêt
660 Prolongement du temps de marche
du ventilateur (refroidissement) Arrêt
670 Verrouillage du clavier Déverrouillé
680 Régulation de la température (chauffage) Standard
690 Régulation de la température (refroidissement) Standard
695 Fin sur étage chauffage élevé Non
696 Fin sur étage refroidissement élevé Non
700 Écart d’affichage de la température Pas d’écart
701 Écart d’affichage de l’humidité Pas d’écart
710 RÉTABLIR LES RÉGLAGES DE L’USINE Non : Options avancées
Fonctions de configuration (réglage de l’usine indiqué, autres options possibles)

Guide d’installation Prestige™
69-2445EFS—01 14
Remplacement des composants du système
Thermostat
Après l’installation d’un nouveau thermostat, il faut réarmer tous les accessoires
au nouveau thermostat, selon les directives ci-dessous.
1 Installation et raccordement d’un nouveau thermostat (voir les pages
3-7)
2 Personnalisation du nouveau thermostat (voir la page 8)
3 Connexion des accessoires sans fil (voir les pages 9-10)
À la télécommande :
• Appuyer sur l’espace vierge (ou la flèche, selon le cas) dans le coin inférieur
droit de l’écran et le maintenir enfoncé jusqu’à ce que l’affichage change
(voir page 10).
• Appuyer sur REMOVE, puis sur pour déconnecter la télécommande de
l’ancien hermostat.
• Suivre les étapes à la page 10 pour connecter la télécommande au nouveau
thermostat.
Au capteur d’air extérieur :
• Appuyer sur CONNECT pour lier le capteur au nouveau thermostat (voir
la page 10).
4 Appuyer sur TERMINé au thermostat.
Télécommande et capteur extérieur
Pour remplacer une télécommande ou un capteur d’air extérieur, insérer
des piles euves et suivre les étapes décrites aux pages 9-10 pour le
relier au thermostat.
Remarque : Toutes les options de l’installateur, y compris le nom du distributeur, les
coordonnées et le message peuvent être configurées sous forme de fichier et téléchar-
gées via le port USB du thermostat.
Coordonnées de l’entrepreneur (optionnel, mais recommandé)
1100 Raison sociale Votre nom d’entreprise
1150 Numéro de téléphone de l’entrepreneur Votre numéro de téléphone
1200 Courriel de l’entrepreneur Votre courriel
1250 Site Web de l’entrepreneur Votre site Web
1300 Message du distributeur Modifier
1350 Entrée capteur S1 configurable Aucun
1355 Entrée capteur S2 configurable Aucun
1400 Relais U1 configurable Aucun
1405 Relais U2 configurable Aucun
1410 Relais U3 configurable Aucun
1500 Position basse vitesse du ventilateur Normalement fermé
Tableaux de configuration par l’installateur

15 69-2445EFS—01
Caractéristiques techniques et pièces de rechange
Gamme de température ambiante de service
Thermostat : 0 à 48,9 °C (32 à 120 °F)
Télécommande : 0 à 48,9 °C (32 à 120 °F)
Capteur d’air extérieur : -40 à 60 °C (-40 à 140 °F)
Module d’interface d’équipement : -40 à 73.9° C (-40 à 165° F)
Capteur d’air de retour : -17.8 à 93.3° C (0 à 200° F)
Capteur d’air de soufflage : -17.8 à 93.3° C (0 à 200° F)
Humidité relative de service
Thermostat : 5 % à 90 % (sans condensation)
Télécommande : 5 % à 90 % (sans condensation)
Capteur d’air extérieur : 0 % à 100 % (avec condensation)
Module d’interface d’équipement : 5 % à 90 % (sans condensation)
Encombrement (hauteur, largeur, profondeur)
Thermostat : 91 x 147 x 38 mm (3-9/16 x 5-13/16 x 1-1/2 po)
Capteur d’air extérieur : 127 x 89 x 43 mm (5 x 3-1/2 x 1-11/16 po)
Module d’interface d’équipement : 91 x 147 x 38 mm (9-5/16 x 4-13/16 x 1-19/32 po)
Caractéristiques électriques nominales
Borne Tension (50/60 Hz) Intensité max.
W - O/B 18 à 30 V c.a. 1,00 A
Y (refroidissement) 18 à 30 V c.a. 1,00 A
G (ventilateur) 18 à 30 V c.a. 0,60 A
W2 - Aux 1 (chauffage) 18 à 30 V c.a. 0,60 A
Y2 (refroidissement) 18 à 30 V c.a. 0,60 A
W3 - Aux 2 18 à 30 V c.a. 1,00 A
L (Sortie) 18 à 30 V c.a. 0,60 A
U1 30 VAC max. 0,50 A
U1 30 VAC max. 0,50 A
U2 30 VAC max. 0,50 A
U2 30 VAC max. 0,50 A
U3 30 VAC max. 0,50 A
U3 30 VAC max. 0,50 A
Accessoires/Pièces de rechange
Article Numéro de pièce
Adaptateur sans fil THM4000R1000
Télécommande REM5000R1001
Capteur d’air extérieur C7089R1013
Plaque de recouvrement (sert à masquer les 50028399-001
marques laissées par les anciens thermostats)

Guide d’installation Prestige™
69-2445EFS—01 16
Information sur la réglementation
Déclaration de conformité à la FCC (partie 15,19) (États-Unis seulement)
Cet appareil est conforme à la Partie 15 des règles de la FCC. Le fonctionnement de ce système
est assorti aux deux conditions suivantes :
(1) L’appareil ne peut causer d’interférences nuisibles, et
(2) L’appareil doit accepter les interférences reçues, y compris celles qui pourraient nuire à son
fonctionnement.
Avis de la FCC (partie 15,21) (États-Unis seulement)
Toute modification qui n’est pas autorisée expressément par la partie responsable de la conformité
de l’appareil aux règles en vigueur pourrait rendre l’utilisateur inapte à faire fonctionner le matériel.
Déclaration sur l’interférence selon la FCC (partie 15,105 (b)) (États-Unis seulement)
Ce dispositif a été testé et déclaré conforme aux normes spécifiées dans la partie
15 desrèglements de la FCC (Federal Communications Commission) concernant les
dispositifsnumériques de classe B. Ces limites sont conçues pour offrir une protection
raisonnable contre les interférences nocives pouvant survenir lorsque le produit est utilisé dans
unenvironnement résidentiel. Ce dispositif produit, utilise et émet de l’énergie radioélectrique
qui peut perturber les communications radio s’il n’est pas installé et utilisé conformément aux
instructions du fabricant. Toutefois, rien ne garantit qu’il n’y aura pas d’interférences dans une
installation donnée. Si l’appareil produit des interférences qui nuisent à la réception radio ou télé,
ce qu’on peut déterminer en mettant l’appareil en service et hors service, l’utilisateur est invité à
corriger la situation de l’une ou l’autre des façons suivantes :
• Réorienter ou déplacer l’antenne de réception.
• Augmenter l’espace qui sépare l’appareil du récepteur.
• Brancher l’appareil à une prise faisant partie d’un circuit différent de celui du récepteur.
• Consulter un détaillant ou technicien radio-télé d’expérience pour obtenir de l’aide.
Thermostats et capteur extérieur
Pour être conformes aux limites d’exposition aux radiofréquences établies par la FCC et Industrie
Canada pour le grand public/l’exposition non contrôlée, la ou les antennes employées par le
transmetteur doivent être installées à au moins 20 cm de distance de toute personne et ne peuvent
être situées au même endroit qu’une autre antenne ou un autre transmetteur ou fonctionner
conjointement avec une autre antenne ou un autre transmetteur.
Télécommande
Le transmetteur portatif et son antenne sont conformes aux limites d’exposition aux
radiofréquences établies par la FCC et Industrie Canada pour le grand public/l’exposition non
contrôlée.
Article 7.1.5 de CNR-GEN
Le fonctionnement de ce système est assorti aux deux conditions suivantes :
(1) L’appareil ne peut causer d’interférences nuisibles, et
(2) L’appareil doit accepter les interférences reçues, y compris celles qui pourraient nuire à son
fonctionnement.

IAQ y RM EIM Prestige™ de 2 cables
Con accesorios inalámbricos
® Marca registrada de los EE. UU. Patentes en trámite.
Copyright © 2010 Honeywell International Inc.
Todos los derechos reservados.
Guía de
instalación
del sistema
Control para los sistemas de bombas de calor de hasta 4 etapas de calor/2
etapas de frío o para sistemas convencionales de hasta 3 etapas de calor/2
etapas de frío.
Guía de instalación para:
• IAQ Prestige THX9000
• Control remoto inalámbrico
• Módulo interfaz del equipo
• Sensor de aire exterior inalámbrico
DESCONECTE LA ENERGÍA ANTES DE COMENZAR LA INSTALACIÓN. Puede ausar una
descarga eléctrica o daños al equipo.
AVISO SOBRE MERCURIO: Si este producto esta reemplazando a un control que contiene
mercurio en un tubo sellado, no tire a la basura el control anterior. Contacte a la oficina
de manejo de desechos de su localidad en relación a la forma de reciclar y desechar
adecuadamente el control.
Debe ser instalado por un técnico capacitado y experimentado. Lea detenidamente
estas instrucciones. Si no sigue estas instrucciones, corre el riesgo de dañar el producto o de
provocar una situación peligrosa.

Guía de instalación Prestige™
69-2445EFS—01 2
Instalación del sistema a simple vista
Procedimiento de instalación
Instale y conecte el termostato ................................................. Págs. 3-7
Instale y conecte el EIM ............................................................ Págs. 3-7
Conecte el termostato al EIM .................................................... Págs. 3-7
Personalice el termostato (configuración del instalador) ..............Pág. 8
Instale las baterías en los accesorios inalámbricos ......................Pág. 8
Conecte los accesorios al termostato .................................... Págs. 9-10
Instale el sensor exterior ...............................................................Pág. 11
Si necesita reemplazar los componentes del sistema, vea la pág.14
Si tiene más de un termostato: Los accesorios opcionales se deben conectar a cada
termostato por separado.
DESCONECTE LA ENERGÍA ANTES DE COMENZAR LA INSTALACIÓN. Puede
causar na descarga eléctrica o daños al equipo.
Equipo de HVAC
MCR32049
Control
remoto
Termostato
1
2
3
4
6
5
7

3 69-2445EFS—01
Instale y conecte el termostato
Instale como se ilustra a continuación. Conecte los cables a los
terminales R y C del termostato.
Los otros extremos de estos cables deben estar conectados al Módulo
Interfaz del equipo R y a los terminales C o a un transformador separado
de 24 voltios (no se suministra).
1
MCR29241
MCR32050
Tarugo de pared
Tornillo
Panel de yeso: orificio
de 3/16” (4,7 mm) Yeso:
orificio de 7/32” (5,5
mm)
Instalación y conexión del Módulo interfaz del equipo
2
Instale el Módulo interfaz del
equipo en una pared cerca del
equipo de HVAC o sobre el mismo
equipo. No lo instale dentro del
equipo de HVAC. Utilice tornillos
y tarugos de acuerdo con la
superficie de montaje.
M32051

Guía de instalación Prestige™
69-2445EFS—01 4
M32053
Cableado del Módulo interfaz del equipo
Corte 1/4 de pulgada (6,4 mm) del material aislante y
luego inserte los cables tal como se muestra.
El cableado debe cumplir con los
códigos de electricidad locales.
Guía de cableado
Conexión típica del sistema convencional con calor de hasta tres etapas y frío de hasta dos etapas
con un transformador (convencional de 3C/2R, 2C/2R, 2C/1R, 1C/2R, 1C/1R, 1C, 2C, 3C, 1R, 2R).
RELÉ DE CALOR 1
RELÉ DE CALOR 2
RELÉ DE CALOR 3
RELÉ DE REFRIGERACIÓN 1
RELÉ DE REFRIGERACIÓN 2
RELÉ DEL VENTILADOR
SENSORES
ELECTRICIDAD
DE 24 V
CONTROL
IAQ
(24 VAC) AL
TERMOSTATO
DISPOSITIVO IAQ
EQUIPO
TIPO DE SENSOR
THM5421R
CONV
MS32054
M32052

5 69-2445EFS—01
Conexión típica del sistema de bomba de calor con un transformador, con calor de hasta cuatro
etapas y frío de hasta dos etapas (sistemas de bombas de calor 4C/2R, 3C/2R, 2C/2R, 2C/1R,
1C/1R).
THM5421R
MS32055
AUX 1 (CALOR 3)
CAMBIO
AUX 2 (CALOR 4)
COMP 1
COMP 2
RELÉ DEL VENTILADOR
SENSORES
ELECTRICIDAD
DE 24 V
CONTROL
IAQ
(24 VAC) AL
TERMOSTATO
DISPOSITIVO IAQ
EQUIPO
TIPO DE SENSOR

Guía de instalación Prestige™
69-2445EFS—01 6
HUMIDIFICADOR
CON ENERGÍA
RC
RH
R
C
24 VCA
U3
U3
U2
U2
U1
U1
O
MS32056
1
Guía de cableado—equipo
Con suministro de energía Sin suministro de energía
PUENTE
INSTALADO
EN CAMPO
ENTRE
R Y U1
RC
RH
R
C
24 VCA
U3
U3
U2
U2
U1
U1
O
HUMIDIFICADOR
SIN ENERGÍA
MS32057
1
Conexión típica de humidificador sin energía.Conexión típica de humidificador con energía.
PUENTE
INSTALADO
EN CAMPO
ENTRE
R Y U1
RC
RH
R
C
24 VCA
U3
U3
U2
U2
U1
U1
O
VENTILADOR
SIN ENERGÍA
MS32059
1
Conexión típica de ventilación sin energía.
MS32061
PUENTE
INSTALADO
EN CAMPO
ENTRE
R Y DHM 1
1
2
3
C
R
RC
RH
24 VCA
U1
U1
U2
U2
U3
U3
O
VENTILADOR DE
BAJA VELOCIDAD
1
Conexión típica del ventilador de velocidad
variable para deshumidificación a baja
velocidad.
VENTILADOR
CON ENERGÍA
RC
RH
R
C
24 VCA
U3
U3
U2
U2
U1
U1
O
MS32058
1
Conexión típica de ventilación con energía.
DESHUMIDIFICADOR
CON ENERGÍA
RC
RH
R
C
24 VCA
U3
U3
U2
U2
U1
U1
O
MS32060
1
Conexión típica de deshumidificador con
energía (deshumidificador de hogares).
TECLA
MS28920
= CONTACTOS SECOS, NORMALMENTE ABIERTOS
PUEDE UTILIZAR CUALQUIER COMBINACIÓN
DE RELÉS UNIVERSALES (U1, U2, U3).
= CONTACTOS SECOS, NORMALMENTE ABIERTOS
1

7 69-2445EFS—01
Registre el termostato
3
Navegue a través de la
configuración del instalador hasta
la pantalla de configuración
inalámbrica:
Presione el botón para conectar el
módulo interfaz del equipo:
Presione "Next" (siguiente) en el
termostato. La pantalla mostrará
"Device Connected" (dispositivo
conectado) cuando el termostato y
el módulo interfaz del equipo estén
conectados.
MCR32063
Next
MCR32065
Done
MS32064
EL BOTÓN
CONNECT
(CONECTAR)

Guía de instalación Prestige™
69-2445EFS—01 8
Personalice el termostato (opciones del instalador)
Presione MENÚ.
Presione t para desplazar hacia abajo,
después presione CONfIGURACIóN DEL
INSTALADOR. Ingrese el código de
seguridad cuando se lo pida.
El código de seguridad es el código
de fecha del termostato (impreso en
la parte posterior de la termostato). O
presione MENÚ > ESTATUS DEL EQUIPO para
encontrar el código.
Presione CREAR CONfIGURACIóN para
ajustar todas las configuraciones del
sistema una por una.
Presione VER/EDITAR para seleccionar
una función específica y para realizar
cambios rápidos. (Vea la lista completa
de las configuraciones del sistema en las
pág. 12-13.)
Presione PRUEbA DEL INSTALADOR para
probar el sistema. Siempre se debe
probar el sistema después de realizar
cambios en las configuraciones.
4
Instalar las baterías en los accesorios inalámbricos
Control remoto (opcional) Sensor de aire exterior (opcional)
5
Instale 3 baterías
AA nuevas
Instale 2 baterías
AA de litio nuevas
M29863
M28800
MENÚ
MS29794
MENU
MS29862
Configuración del instalador
MENU
HELP
AIDE
MENU
HELP
AYUDA
MS28799
Nota: presione AYUDA para
obtener más información
sobre esta y otras opciones.

9 69-2445EFS—01
Accesorios inalámbricos para el termostato (opcional)
Presione MENÚ.
Presione t para desplazar hacia abajo,
después presione CONfIGURACIóN DEL
INSTALADOR. Ingrese el código de
seguridad cuando se lo pida.
El código de seguridad es el código
de fecha del termostato (impreso en
la parte posterior de la termostato). O
presione MENÚ > ESTATUS DEL EQUIPO para
encontrar el código.
Presione t para desplazar hacia abajo,
después presione DISPOSITIVO INALáM-
bRICO ADMINISTRADOR.
Presione AñADIR DISPOSITIVO para
accionar el temporizador, después
presione el botón Connect (conectar)
en los accesorios inalámbricos para
conectarlos al termostato (vea la pág.
siguiente).
El temporizador se restablecerá 15
minutos después de que se conecte cada
accesorio. El termostato saldrá del modo
de conexión después de 15 minutos si no
hay actividad.
Presione VER DISPOSITIVOS CONECTADOS
para comprobar que todos los acceso-
rios inalámbricos se hayan conectado
al termostato.
Presione hEChO cuando finalice.
Nota: si instala más de un termostato, repita los pasos mencionados anteriormente y en la
pág. 10 para cada termostato.
Si instala varios termostatos, debe presionar HECHO para salir del modo “Add
Device” “Añadir Dispositivo” en cada termostato antes de conectarle los accesorios
inalámbricos al próximo termostato.
6
MENU
MS29862
Configuración del instalador
MENÚ
MS28801
Dispositivo inalambrico
Administrador
MS28802
Añadir dispositivo
MS28803
Ver Dispositivos
conectados
MS28804

Guía de instalación Prestige™
69-2445EFS—01 10
NOYES
CONNECT MORE?
M28482
Conecte el control remoto al termostato (opcional)
Conecte el sensor de aire exterior al termostato (opcional)
1 Cerciórese que el termostato
muestra la pantalla del
temporizador "añadir dispositivo"
(vea la pág. 9).
2 Presione CONNECT en el control
remoto. Habrá una breve demora
mientras el control remoto
busca una señal procedente del
termostato.
3 Cuando la pantalla muestre
“Connnected,” presione DONE.
4 En la pantalla siguiente presione
NO para guardar y salir. (O
presione YES y repita los pasos
del 1 al 4 para conectar otro
termostato).
1 Cerciórese que el termostato
muestra la pantalla del
temporizador "añadir dispositivo"
(vea la pág. 9).
2 Presione el botón CONECTAR en
la parte posterior del sensor.
3 Controle el termostato para
comprobar que el sensor exterior
esté funcionando. Después de 15
segundos, aprox., el termostato
debe mostrar la temperatura y la
humedad exteriores.
Presione para
conectar a otro
termostato
Presione para
guardar y salir
Presione y suelte
Es posible que el procedimiento de conexión
en el control remoto se interrumpa si no
presiona ninguna tecla en 30 minutos.
Para volver a comenzar, presione y mantenga
presionado el espacio en blanco (o la flecha,
si la hubiera) en la esquina inferior derecha
de la pantalla hasta que esta se modifique
(30 segundos, aprox.).
M28846
CONNECT
WIRELESS SETUP
M28481
M28847A

11 69-2445EFS—01
Instale el sensor exterior (opcional)
Instale el sensor en una pared exterior
vertical, a 6 pulg. (15,24 cm) como míni-
mo, debajo de cualquier alero.
Elija una ubicación donde no haya luz
solar directa.
Coloque bien el sensor en el soporte,
orientado en dirección opuesta a la
pared.
5
M28491
M28849A

Guía de instalación Prestige™
69-2445EFS—01 12
Tablas de configuración del instalador
Funciones de configuración (listado de las configuraciones de fábrica)
100 Idioma Inglés
110 Número de zona No zonificado
112 Nombre del dispositivo Termostato
130 Año 2011
140 Mes Junio
150 Día 15
160 Opciones de la configuración Programable
165 Recuperar programación para ahorro de energía No
172 Selección del sistema Convencional
173 Tipo de bomba de calor Aire a aire
174 Etapas del compresor 1
175 Control Serie 20 No
176 Etapas de calor 1
180 Funcionamiento del ventilador Sistema (gas/aceite/calor)
190 Válvula de inversión O/B en Cool (frío)
200 Calefacción de reserva Eléctrica
210 Combustible fósil externo Sí
220 Frecuencia del ciclo 1 de la etapa del compresor 3
230 Frecuencia del ciclo 2 de la etapa del compresor 3
240 Frecuencia del ciclo 1 de la etapa de calor (Aux) 5
250 Frecuencia del ciclo 2 de la etapa de calor (Aux 2) 5
260 Frecuencia del ciclo 3 de la etapa de calor 5
281 Nivel inactivo de la luz de fondo de la pantalla 5 (solo modelos a color)
285 Contraste de la pantalla 5 (solo modelos en
escalas de grises)
300 Cambio Manual
310 Banda muerta 2ºF (-16,6ºC)
320 Pantalla de la temperatura Fahrenheit
330 Horario de verano Cambio automático: On (encendido)
342 ¿Sensor de temperatura exterior? No
345 Control de la bomba de calor combustible dual Punto de equilibrio + caída
347 Temperatura de descenso 2
346 Temporizador de combustible dual 60 minutos
349 Control de calor de respaldo Confort
350 Bloqueo del compresor (punto de equilibrio) Off (desactivado)
360 Bloqueo auxiliar Off (desactivado)
365 ¿Sensor de temperatura de descarga? No
366 Límite superior de descarga por zona 160ºF (71ºC)
367 Límite inferior de descarga por zona 40ºF (4,5ºC)
368 Límite superior de descarga por etapa 110ºF (43,5ºC)
369 Límite inferior de descarga por etapa 55ºF (13ºC)
371 Equipo de deshumidificación Ninguno
372 Control de la humedad interior Off (desactivado)
374 Acción del ventilador del humidificador Humidificar solo con
ventilador
379 Equipo de deshumidificación Ninguno
380 Control de deshumidificación interior Ninguno
383 Límite de enfriamiento máximo 3ºF (1,5ºC).
384 Control del ventilador de deshumidificación Activa el ventilador

13 69-2445EFS—01
Tablas de configuración del instalador
386 Bloqueo de la deshumidificación para toda la casa Off (apagado)
390 Modo de deshumidificación de casa vacante Off (desactivado)
391 Ventilador en modo de deshumidificación de Automático
casa vacante
392 Temp. baja en modo de deshumidificación de 76ºF (24,5ºC
casa vacante )
393 Temp. alta en modo deshumidificación de 85ºF (29,5ºC)
casa vacante
394 Deshumidificación en modo de casa vacante 65% de humedad relativa
400 Control de ventilación Off (apagado)
401 Número de dormitorios 2
402 Total de pies cuadrados de la casa 1000
403 CFM de ventilación 160
404 Límite máx. del porcentaje de ventilación 50%
405 Acción de ventilación del ventilador La ventilación hace que
se encien da el ventilador
406 Ventilación en humedad alta On (encendido)
431 Temperatura máxima de bloqueo de la ventilación Ninguno
432 Temperatura mínima de bloqueo de la ventilación Ninguno
433 Bloqueo de ventilación por humedad exterior alta Off (apagado)
434 Bloqueo de ventilación por configuración 75° punto de rocío
de humedad exterior alta
450 Corte en la bobina A por temperatura baja Ninguno
500 Recordatorio: filtro de la estufa Off (desactivado)
502 Contador del tiempo de ejecución del filtro Cuenta calefacción y
de la estufa refrigeración
510 Recordatorio: almohadilla del humidificador Off (desactivada)
520 Recordatorio: lámpara UV Off (desactivada
525 Recordatorios personalizados para el instalador Añadir recordatorio al cliente
530 Adaptive Intelligent Recovery On (activada)
540 Cantidad de períodos del programa 4
580 Tiempo mínimo de apagado del compresor 5 minutos
600 Rango de temperatura máxima 90ºF (32ºC)
610 Rango de temperatura mínima 60ºF (15,5ºC)
630 Tiempo mínimo de apagado del compresor Off (desactivado)
640 Formato de reloj 12 horas
650 Tiempo extendido de encendido del Off (desactivado)
ventilador (calefacción)
660 Tiempo extendido de encendido del Off (desactivado)
ventilador (refrigeración)
670 Bloqueo del teclado Desbloqueado
680 Control de la temperatura (calefacción) Estándar
690 Control de la temperatura (refrigeración) Estándar
695 Termine en etapa de calor alto No
696 Termine en etapa de refrigeración alta No
700 Desplazamiento de pantalla de la temperatura Sin desplazamiento
701 Desplazamiento de pantalla de la humedad Sin desplazamiento
710 RECUPERAR CONFIGURACIONES DE FÁBRICA No: Opciones avanzadas
Funciones de configuración (listado de las configuraciones de fábrica)

Guía de instalación Prestige™
69-2445EFS—01 14
Reemplazo de los componentes del sistema
Termostato
Después de instalar un termostato nuevo, se deben volver a conectar todos los
accesorios al termostato nuevo, como se indica a continuación.
1 Instale y conecte el termostato nuevo (vea las pág. 3 a la 7)
2 Personalice el termostato nuevo (vea la pág. 8)
3 Conecte los accesorios inalámbricos( vea las pág. 9 a la 10)
En el control remoto:
• Presione y mantenga presionado el espacio en blanco (o la flecha,
si la hubiera) en la esquina inferior derecha de la pantalla hasta que
cambie (vea la pág. 10).
• Presione QUITAR y luego SÍ para desconectarlo del termostato anterior.
• Siga los procedimientos que figuran en la pág. 10 para conectar el
termostato nuevo.
En el sensor de aire exterior:
• Presione CONECTAR para conectar el termostato nuevo (vea la pág.
10).
4 Presione hEChO en el termostato.
Control remoto y sensor exterior
Para remplazar un control remoto o sensor de aire exterior, instale las baterías y
siga los procedimientos de las pág. 9-10 para conectarlo al termostato.
Nota: Todas las opciones del instalador, incluyendo el nombre del distribuidor, la infor-
mación de contacto y el mensaje pueden configurarse como un archivo y descargarse
a través del puerto USB del termostato.
Información de contacto del cliente (opcional, pero recomendada)
1100 Nombre del distribuidor Nombre de su compañía
1150 Núm. de teléfono del distribuidor Su contacto telefónico
1200 Dirección de correo electrónico del distribuidor Su dirección de correo electrónico
1250 Sitio de Internet del distribuidor Su sitio de Internet
1300 Mensaje del distribuidor Editar
1350 Entrada de sensor S1 configurable Ninguno
1355 Entrada de sensor S2 configurable Ninguno
1400 Relé U1 configurable Ninguno
1405 Relé U2 configurable Ninguno
1410 Relé U3 configurable Ninguno
1500 Posición de ventilador de baja velocidad Normalmente cerrado
Tablas de configuración del instalador

15 69-2445EFS—01
Especificaciones y piezas de repuesto
Temperatura ambiente de funcionamiento
Termostato: 32 a 120° F (0 a 48,9°C)
Control remoto: 32 a 120° F (0 a 48,9°C)
Sensor de aire exterior: -40 a 140° F (-40 a 60°C)
EIM: -40 a 165° F (-40 a 73,9° C)
Sensor de aire de retorno: 0 a 200° F (-17,8 a 93,3° C)
Sensor de aire de descarga: 0 v 200° F (-17,8 a 93,3° C)
Humedad relativa de funcionamiento
Termostato: del 5% al 90% (sin condensación)
Control remoto: del 5% al 90% (sin condensación)
Sensor de aire exterior: del 0% al 100% (condensación)
EIM: del 5% al 95% (sin condensación)
Dimensiones físicas (altura, ancho, profundidad)
Termostato: 3-9/16 x 5-13/16 x 1-1/2 pulgadas (91 x 147 x 38 mm)
Sensor de aire exterior: 5 x 3-1/2 x 1-11/16 pulgadas (127 x 89 x 43 mm)
EIM: 9-5/16 x 4-13/16 x 1-19/32 pulgadas (91 x 147 x 38 mm)
Clasificación eléctrica
Terminal Voltaje (50/60 Hz) Clasificación actual máx.
W - O/B de 18 a 30 V CA 1,00 A
Y (calefacción) de 18 a 30 V CA 1,00 A
G (ventilación) de 18 a 30 V CA 0,60 A
W2 - Aux 1 (calefacción) de 18 a 30 V CA 0,60 A
Y2 (calefacción) de 18 a 30 V CA 0,60 A
W3 - Aux 2 de 18 a 30 V CA 1,00 A
L (salida) de 18 a 30 V CA 0,60 A
U1 30 V CA máx. 0,50 A
U1 30 V CA máx. 0,50 A
U2 30 V CA máx. 0,50 A
U2 30 V CA máx. 0,50 A
U3 30 V CA máx. 0,50 A
U3 30 V CA máx. 0,50 A
Accesorios y piezas de repuesto
Pieza Núm. de la pieza
Adaptador inalámbrico THM4000R1000
Control remoto REM5000R1001
Sensor de aire exterior C7089R1013
Placa protectora (cubre las marcas que dejó el 50028399-001
termostato anterior)

Guía de instalación Prestige™
69-2445EFS—01 16
Información reguladora
Declaración de conformidad con las regulaciones FCC (Sección 15.19) (solo en
los EE. UU.)
Este dispositivo cumple con la Sección 15 de las regulaciones FCC. El funcionamiento está sujeto
a las dos condiciones siguientes:
1 Este dispositivo no debe causar interferencia perjudicial.
2 Este dispositivo deberá aceptar cualquier interferencia que se reciba, incluso la
interferencia que pudiese causar el funcionamiento no deseado.
Advertencia de la FCC (Sección 15.21) (solo en los EE. UU.)
Los cambios o las modificaciones que no hayan sido expresamente aprobados por la parte
responsable del cumplimiento de las regulaciones podrían anular la autoridad del usuario para
hacer funcionar el equipo.
Declaración de la FCC sobre interferencias (Sección 15.105(b)) (solo en los EE. UU.)
Este equipo fue probado y cumple con los límites de los dispositivos digitales clase B, conforme a
la Sección 15 de las regulaciones FCC. Estos límites están diseñados para ofrecer una protección
razonable contra la interferencia perjudicial en una instalación residencial. Este equipo genera
usos y puede irradiar energía de frecuencia de radio y, si no se instala y se utiliza según las
instrucciones, puede producir una interferencia perjudicial en la comunicación radial. Sin embargo,
no se garantiza que no habrá interferencia en una instalación particular. Si este equipo produce
una interferencia perjudicial en la recepción televisiva o radial, lo cual puede determinarse al
apagar y encender el equipo, se recomienda que el usuario intente corregir la interferencia con una
o más de las siguientes medidas:
• Vuelva a orientar y ubicar la antena receptora.
• Aumente la distancia entre el equipo y el receptor.
• Conecte el equipo a un tomacorriente en un circuito diferente a aquel en el que está
conectado el receptor.
• Consulte con su distribuidor o con un técnico experto en radio/televisión para recibir ayuda.
Termostatos y sensores exteriores
Para cumplir con los límites de exposición RF que establece la FCC y el Industry Canada para la
población en general/exposición no controlada, la o las antenas usadas para estos transmisores
deben instalarse a una distancia de, al menos, 20 cm de todas las personas, y no deben ubicarse
ni utilizarse junto con otra antena o transmisor.
Control remoto
Este transmisor portátil y su antena cumplen con los límites de exposición RF que establece la
FCC y el Industry Canada para la población en general/exposición no controlada.
Sección 7.1.5 de RSS-GEN
El funcionamiento está sujeto a las dos condiciones siguientes:
1 es posible que este dispositivo no cause interferencia y
2 este dispositivo debe aceptar cualquier interferencia recibida, incluso la que puede producir un
funcionamiento no deseado del dispositivo.

Need Help?
For assistance with this product please visit http://customer.honeywell.com
or call Honeywell Customer Care toll-free at 1-800-468-1502
¿Necesita ayuda?
Consulte sobre este producto en http://customer.honeywell.com
o llamando sin cargo a atención al cliente de Honeywell 1-800-468-1502
Vous faut-il de l’aide ?
Pour obtenir de l’assistance concernant ce produit, visitez http://customer.honeywell.com
ou appelez gratuitement l’assistance client d’Honeywell au 1-800-468-1502
Automation and Control Solutions
Honeywell International Inc.
1985 Douglas Drive North
Golden Valley, MN 55422
Honeywell Limited–Honeywell Limitée
35 Dynamic Drive
Toronto, Ontario M1V 4Z9
http://yourhome.honeywell.com
U.S. Patent Numbers 7,181,317 • 7,274,972 • 7,114,554 •
6,621,507 • 7,225,054 • 7,222,494 • 5,651,498 • 7,360,717 •
7,306,165 (and other patents pending)
® U.S. Registered Trademark.
© 2010 Honeywell International Inc.
69-2445EFS—01 M.S. 06-10
Printed in U.S.A.