Hoshizaki Modular Flaker F 1000Maf C Users Manual
F-1000MAF-C to the manual 7ade4dbc-1f1b-47bd-ae8d-0a8517928267
2015-02-02
: Hoshizaki Hoshizaki-Modular-Flaker-F-1000Maf-C-Users-Manual-430890 hoshizaki-modular-flaker-f-1000maf-c-users-manual-430890 hoshizaki pdf
Open the PDF directly: View PDF
.
Page Count: 74

SERVICE MANUAL
ISSUED: JAN. 20, 1999
MODEL
HOSHIZAKI
MODULAR FLAKER
F-1000MAF/-C
F-1000MWF/-C
F-1000MRF/-C
F-1000MLF/-C
NO: 73075
REVISED: DEC. 17, 2003

2
HOSHIZAKI AMERICA, INC.
618 Highway 74 South
Peachtree City, GA 30269
Attn: HOSHIZAKI Technical Support Department
Phone: 1-800-233-1940 Technical Service
(770) 487-2331
Fax: (770) 487-3360
NOTE: To expedite assistance, all correspondence/communication MUST include the following
information:
• Model Number
• Serial Number
• Complete and detailed explanation of the problem
IMPORTANT
Only qualified service technicians should attempt to service or maintain this icemaker.
No service or maintenance should be undertaken until the technician has
thoroughly read this Service Manual.
HOSHIZAKI provides this manual primarily to assist qualified service technicians in the
service and maintenance of the icemaker.
Should the reader have any questions or concerns which have not been satisfactorily
addressed, please call or write to the HOSHIZAKI Technical Support Department for
assistance.
3
CONTENTS PAGE
I. SPECIFICATIONS .................................................................................................... 5
1. ICEMAKER ............................................................................................................. 5
F-1000MAF ............................................................................................................ 5
F-1000MWF ........................................................................................................... 6
F-1000MRF ............................................................................................................ 7
F-1000MLF ............................................................................................................. 8
F-1000MAF-C......................................................................................................... 9
F-1000MWF-C...................................................................................................... 10
F-1000MRF-C ...................................................................................................... 11
F-1000MLF-C ....................................................................................................... 12
2. CONDENSER UNIT ............................................................................................. 13
URC-6F ................................................................................................................ 13
II. GENERAL INFORMATION .................................................................................... 15
1. CONSTRUCTION................................................................................................. 15
F-1000MAF/-C...................................................................................................... 15
F-1000MWF/-C..................................................................................................... 16
F-1000MRF/-C ..................................................................................................... 17
F-1000MLF/-C ...................................................................................................... 18
2. CONTROL BOX LAYOUT .................................................................................... 19
F-1000MAF/-C...................................................................................................... 19
F-1000MWF/-C, F-1000MRF/-C ........................................................................... 20
F-1000MLF/-C ...................................................................................................... 21
III. TECHNICAL INFORMATION ................................................................................ 22
1. WATER CIRCUIT AND REFRIGERANT CIRCUIT .............................................. 22
F-1000MAF/-C...................................................................................................... 22
F-1000MWF/-C..................................................................................................... 23
F-1000MRF/-C ..................................................................................................... 24
F-1000MLF/-C ...................................................................................................... 25
2. WIRING DIAGRAM .............................................................................................. 26
F-1000MAF/-C, F-1000MWF/-C, F-1000MRF/-C ................................................. 26
F-1000MLF/-C ...................................................................................................... 27
3. SEQUENCE OF ELECTRICAL CIRCUIT............................................................. 28
4. TIMING CHART.................................................................................................... 38
5. PERFORMANCE DATA ....................................................................................... 41
F-1000MAF .......................................................................................................... 41
Please review this manual. It should be read carefully before the icemaker is serviced or
maintenance operations are performed. Only qualified service technicians should service
and maintain the icemaker. This manual should be made available to the technician prior
to service or maintenance.
4
F-1000MWF ......................................................................................................... 42
F-1000MRF .......................................................................................................... 43
F-1000MLF ........................................................................................................... 44
F-1000MAF-C....................................................................................................... 45
F-1000MWF-C...................................................................................................... 46
F-1000MRF-C ...................................................................................................... 47
F-1000MLF-C ....................................................................................................... 48
IV. ADJUSTMENT OF COMPONENTS ..................................................................... 49
1. ADJUSTMENT OF WATER REGULATING VALVE
- WATER-COOLED MODEL ONLY ..................................................................... 49
V. SERVICE DIAGNOSIS .......................................................................................... 50
1. NO ICE PRODUCTION ........................................................................................ 50
2. LOW ICE PRODUCTION ..................................................................................... 52
3. OTHERS............................................................................................................... 53
VI. REMOVAL AND REPLACEMENT OF COMPONENTS ....................................... 54
1. SERVICE FOR REFRIGERANT LINES ............................................................... 54
[a] REFRIGERANT RECOVERY [EXCEPT F-1000MLF/-C] ................................ 54
[b] REFRIGERANT RECOVERY [F-1000MLF ONLY] ......................................... 54
[c] EVACUATION AND RECHARGE ................................................................... 54
2. BRAZING.............................................................................................................. 55
3. REMOVAL AND REPLACEMENT OF COMPRESSOR....................................... 56
4. REMOVAL AND REPLACEMENT OF DRIER ..................................................... 57
5. REMOVAL AND REPLACEMENT OF EXPANSION VALVE ............................... 58
6. REMOVAL AND REPLACEMENT OF WATER REGULATING VALVE
- WATER-COOLED MODEL ONLY ..................................................................... 59
7. REMOVAL AND REPLACEMENT OF CONDENSING PRESSURE
REGULATOR (C.P.R.) - REMOTE AIR-COOLED MODEL ONLY....................... 60
8. REMOVAL AND REPLACEMENT OF EVAPORATOR ASSEMBLY ................... 61
9. REMOVAL AND REPLACEMENT OF FAN MOTOR ........................................... 65
10. REMOVAL AND REPLACEMENT OF CONTROL WATER VALVE .................... 65
11. REMOVAL AND REPLACEMENT OF FLUSH WATER VALVE .......................... 66
VII. MAINTENANCE AND CLEANING INSTRUCTIONS ........................................... 67
1. PREPARING THE ICEMAKER FOR LONG STORAGE ...................................... 67
2. CLEANING INSTRUCTIONS ............................................................................... 69
3. MAINTENANCE ................................................................................................... 73

5
I. SPECIFICATION
1. ICEMAKER
F-1000MAF
AC SUPPLY VOLTAGE 208-230/60/1 (3 wire with neutral for 115V)
COMPRESSOR 240 V 4.2 RLA 34 LRA
GEAR MOTOR 120 V 1.6 FLA 1/6 HP
FAN MOTOR 115 V 0.85FLA 1/15 HP
OTHER 120 V 0.03A
MAXIMUM FUSE SIZE 15 A
MAX. HACR BREAKER (USA ONLY) 15 A
MAX. CIRC. BREAKER (CANADA ONLY) 15 A
MINIMUM CIRCUIT AMPACITY 15 A
APPROXIMATE ICE PRODUCTION Ambient WATER TEMP. (°F)
PER 24 HR. Temp.(°F) 50 70 90
lbs./day ( kg/day ) 70 *970 (440) 930 (422) 890 (404)
Reference without *marks 80 855 (388) 820 (372) 785 (357)
90 755 (342) *740 (336) 695 (314)
100 665 (301) 635 (289) 595 (270)
SHAPE OF ICE Flake
ICE QUALITY Approx. 70%, Ice (90/70°F, Conductivity 200 µs/cm)
APPROXIMATE STORAGE CAPACITY N/A
ELECTRIC & WATER CONSUMPTION 90/70°F 70/50°F
ELECTRIC W (kWH/100 lbs.) 1200 (3.9) 1160 (2.9)
POTABLE WATER 89 (12) 116 (12)
gal./24HR (gal./100 lbs.)
EXTERIOR DIMENSIONS (WxDxH) 22" x 27-3/8" x 25-1/4" (560 x 695 x 642mm)
EXTERIOR FINISH Stainless Steel, Galvanized Steel (Rear)
WEIGHT Net 172 lbs. ( 78 kg ), Shipping 198 lbs. ( 90 kg )
CONNECTIONS - ELECTRIC Permanent - Connection
- WATER SUPPLY Inlet 1/2" FPT
- DRAIN Outlet 3/4" FPT
ICE MAKING SYSTEM Auger type
HARVESTING SYSTEM Direct Driven Auger ( 1/6 HP Gear Motor )
ICE MAKING WATER CONTROL Float Switch
COOLING WATER CONTROL N/A
BIN CONTROL SYSTEM Mechanical Bin Control ( Proximity Sw. )
COMPRESSOR Hermetic, Model RS70-C1E-PFV
CONDENSER Air-cooled, Fin and tube type
EVAPORATOR Copper Tube on Cylinder
REFRIGERANT CONTROL Thermostatic Expansion Valve
REFRIGERANT CHARGE R-404A, 1 lb.12oz. (800g)
DESIGN PRESSURE High 427 PSIG, Low 230 PSIG
P.C. BOARD CIRCUIT PROTECTION High Voltage Cut-off Relay
COMPRESSOR PROTECTION Internal Protector
GEAR MOTOR PROTECTION Manual reset Circuit Breaker or Fuse
REFRIGERANT CIRCUIT PROTECTION Auto-reset High Pressure Control Switch
LOW WATER PROTECTION Float Switch and Timer
ACCESSORIES -SUPPLIED Spare Fuse
-REQUIRED Ice Storage Bin
OPERATING CONDITIONS VOLTAGE RANGE 187-253 V
AMBIENT TEMP. 45-100° F
WATER SUPPLY TEMP. 45-90° F
WATER SUPPLY PRESSURE 10-113 PSIG
DRAWING NO.
(
DIMENSION
)
3A0981
We reserve the right to make changes in specifications and design without prior notice.

6
F-1000MWF
AC SUPPLY VOLTAGE 208-230/60/1 (3 wire with neutral for 115V)
COMPRESSOR 240 V 4.2 RLA 34 LRA
GEAR MOTOR 120 V 1.6 FLA 1/6 HP
OTHER 120 V 0.03A
MAXIMUM FUSE SIZE 15 A
MAX. HACR BREAKER (USA ONLY) 15 A
MAX. CIRC. BREAKER (CANADA ONLY) 15 A
MINIMUM CIRCUIT AMPACITY 15 A
APPROXIMATE ICE PRODUCTION Ambient WATER TEMP. (°F)
PER 24 HR. Temp.(°F) 50 70 90
lbs./day ( kg/day ) 70 *890 (404) 855 (389) 840 (380)
Reference without *marks 80 820 (372) 805 (364) 785 (356)
90 770 (349) *755 (342) 735 (334)
100 720 (327) 705 (320) 655 (297)
SHAPE OF ICE Flake
ICE QUALITY Approx. 70%, Ice (90/70°F, Conductivity 200 µs/cm)
APPROXIMATE STORAGE CAPACITY N/A
ELECTRIC & WATER CONSUMPTION 90/70°F 70/50°F
ELECTRIC W (kWH/100 lbs.) 1160 (3.7) 1155 (3.1)
POTABLE WATER 91 (12) 107 (12)
WATER-COOLED CONDENSER 480 (63) 303 (34)
gal./24HR (gal./100 lbs.)
EXTERIOR DIMENSIONS (WxDxH) 22" x 27-3/8" x 25-1/4" (560 x 695 x 642mm)
EXTERIOR FINISH Stainless Steel, Galvanized Steel (Rear)
WEIGHT Net 172 lbs. ( 78 kg ), Shipping 198 lbs. ( 90 kg )
CONNECTIONS - ELECTRIC Permanent - Connection
- WATER SUPPLY Inlet 1/2" FPT Cond. Inlet 1/2" FPT
- DRAIN Outlet 3/4" FPT Cond. Outlet 3/8"-18NPT
ICE MAKING SYSTEM Auger type
HARVESTING SYSTEM Direct Driven Auger ( 1/6 HP Gear Motor )
ICE MAKING WATER CONTROL Float Switch
COOLING WATER CONTROL Automatic Water Regulator
BIN CONTROL SYSTEM Mechanical Bin Control ( Proximity Sw. )
COMPRESSOR Hermetic, Model RS70-C1E-PFV
CONDENSER Water-cooled, Tube in tube type
EVAPORATOR Copper Tube on Cylinder
REFRIGERANT CONTROL Thermostatic Expansion Valve
REFRIGERANT CHARGE R-404A, 15oz. (425g)
DESIGN PRESSURE High 427 PSIG, Low 230 PSIG
P.C. BOARD CIRCUIT PROTECTION High Voltage Cut-off Relay
COMPRESSOR PROTECTION Internal Protector
GEAR MOTOR PROTECTION Manual reset Circuit Breaker or Fuse
REFRIGERANT CIRCUIT PROTECTION Auto-reset High Pressure Control Switch
LOW WATER PROTECTION Float Switch and Timer
ACCESSORIES -SUPPLIED Spare Fuse
-REQUIRED Ice Storage Bin
OPERATING CONDITIONS VOLTAGE RANGE 187-253 V
AMBIENT TEMP. 45-100° F
WATER SUPPLY TEMP. 45-90° F
WATER SUPPLY PRESSURE 10-113 PSIG
DRAWING NO. (DIMENSION) 3A0982
We reserve the right to make changes in specifications and design without prior notice.

7
F-1000MRF
AC SUPPLY VOLTAGE 208-230/60/1 (3 wire with neutral for 115V)
COMPRESSOR 240 V 4.2 RLA 34 LRA
GEAR MOTOR 120 V 1.6 FLA 1/6 HP
FAN MOTOR REMOTE 120 V 3 A MAX
OTHER 120 V 0.03A
MAXIMUM FUSE SIZE 15 A
MAX. HACR BREAKER (USA ONLY) 15 A
MAX. CIRC. BREAKER (CANADA ONLY) 15 A
MINIMUM CIRCUIT AMPACITY 15 A
APPROXIMATE ICE PRODUCTION Ambient WATER TEMP. (°F)
PER 24 HR. Temp.(°F) 50 70 90
lbs./day ( kg/day ) 70 *930 (422) 895 (407) 865 (393)
Reference without *marks 80 835 (379) 805 (366) 780 (353)
90 750 (341) *745 (338) 700 (317)
100 675 (306) 650 (296) 605 (274)
SHAPE OF ICE Flake
ICE QUALITY Approx. 70%, Ice (90/70°F, Conductivity 200 µs/cm)
APPROXIMATE STORAGE CAPACITY N/A
ELECTRIC & WATER CONSUMPTION 90/70°F 70/50°F
ELECTRIC W (kWH/100 lbs.) 1295 (4.2) 1285 (4.5)
POTABLE WATER 89 (12) 111(12)
gal./24HR (gal./100 lbs.)
EXTERIOR DIMENSIONS (WxDxH) 22" x 27-3/8" x 25-1/4" (560 x 695 x 642mm)
EXTERIOR FINISH Stainless Steel, Galvanized Steel (Rear)
WEIGHT Net 172 lbs. ( 78 kg ), Shipping 198 lbs. ( 90 kg )
CONNECTIONS - ELECTRIC Permanent - Connection
- WATER SUPPLY Inlet 1/2" FPT
- DRAIN Outlet 3/4" FPT
- REFRIGERATION Discharge line 1-1/16-12 UNF Fitting (#10 AEROQUIP)
CIRCUIT Liquid line 5/8-18 UNF Fitting (#6 AEROQUIP)
ICE MAKING SYSTEM Auger type
HARVESTING SYSTEM Direct Driven Auger ( 1/6 HP Gear Motor )
ICE MAKING WATER CONTROL Float Switch
COOLING WATER CONTROL N/A
BIN CONTROL SYSTEM Mechanical Bin Control ( Proximity Sw. )
COMPRESSOR Hermetic, Model RS70-C1E-PFV
CONDENSER Air-cooled Remote Condenser unit URC-6F Recommended
EVAPORATOR Copper Tube on Cylinder
REFRIGERANT CONTROL Thermostatic Expansion Valve
Condensing Pressure Regulator on URC-6F
REFRIGERANT CHARGE R-404A, 4 lb.1oz. (1850g)
(Ice Maker: 2 lb. 3 oz., Cond. Unit: 1 lb. 14 oz. )
DESIGN PRESSURE High 427 PSIG, Low 230 PSIG
P.C. BOARD CIRCUIT PROTECTION High Voltage Cut-off Relay
COMPRESSOR PROTECTION Internal Protector
GEAR MOTOR PROTECTION Manual reset Circuit Breaker or Fuse
REFRIGERANT CIRCUIT PROTECTION Auto-reset High Pressure Control Switch
LOW WATER PROTECTION Float Switch and Timer
ACCESSORIES -SUPPLIED Spare Fuse
-REQUIRED Ice Storage Bin
OPERATING CONDITIONS VOLTAGE RANGE 187-253 V
AMBIENT TEMP. 45-100° F
WATER SUPPLY TEMP. 45-90° F
WATER SUPPLY PRESSURE 10-113 PSIG
DRAWING NO. (DIMENSION) 3A0983
We reserve the right to make changes in specifications and design without prior notice.

8
F-1000MLF
AC SUPPLY VOLTAGE 115/60/1
GEAR MOTOR 120 V 1.6 FLA 1/6 HP
OTHER 120 V 0.03A
MAXIMUM FUSE SIZE 15 A
MAX. HACR BREAKER (USA ONLY) 15 A
MAX. CIRC. BREAKER (CANADA ONLY) 15 A
MINIMUM CIRCUIT AMPACITY 15 A
APPROXIMATE ICE PRODUCTION Ambient WATER TEMP. (F)
PER 24 HR. Temp. (F) 50 70 90
lbs./day ( kg/day ) 70 1150 (522) 1035 (469) 1005 (456)
This data is for reference only, 80 980 (444) 950 (431) 925 (420)
different condensing unit will vary data. 90 900 (408) 885 (401) 850 (386)
100 830 (376) 805 (366) 690 (313)
SHAPE OF ICE Flake
ICE QUALITY Approx. 70%, Ice (90/70°F, Conductivity 200 µs/cm)
APPROXIMATE STORAGE CAPACITY N/A
ELECTRIC & WATER CONSUMPTION 90/70°F 70/50°F
ELECTRIC W (kWH/100 lbs.) 130 (0.35) 130 (0.27)
POTABLE WATER 106 (12) 138 (12)
gal./24HR (gal./100 lbs.)
EXTERIOR DIMENSIONS (WxDxH) 22" x 27-3/8" x 25-1/4" (560 x 695 x 642mm)
EXTERIOR FINISH Stainless Steel, Galvanized Steel (Rear)
WEIGHT Net 110 lbs. ( 50 kg ), Shipping 137 lbs. ( 62 kg )
CONNECTIONS - ELECTRIC Permanent - Connection
- WATER SUPPLY Inlet 1/2" FPT
- DRAIN Outlet 3/4" FPT
- REFRIGERATION Outlet (Vapor) line 1-1/16-12 UNF Fitting (#10 AEROQUIP)
CIRCUIT Inlet (Liquid) line 5/8-18 UNF Fitting (#6 AEROQUIP)
ICE MAKING SYSTEM Auger type
HARVESTING SYSTEM Direct Driven Auger ( 1/6 HP Gear Motor )
ICE MAKING WATER CONTROL Float Switch
COOLING WATER CONTROL N/A
BIN CONTROL SYSTEM Mechanical Bin Control ( Proximity Sw. )
CONDENSING UNIT Required refrigeration capacity for ice maker is 5700 BTU/h
at discharge pressure 213 PSIG and suction pressure
31.2 PSIG with R-404A refrigerant.
Suction pressure needs to be 31.2 PSIG.
EVAPORATOR Copper Tube on Cylinder
REFRIGERANT CONTROL Thermostatic Expansion Valve
Evaporator Pressure Regulator
REFRIGERANT CHARGE R-404A, 3.6 oz. (100g Holding Charge)
DESIGN PRESSURE High 427 PSIG, Low 230 PSIG
P.C. BOARD CIRCUIT PROTECTION High Voltage Cut-off Relay
COMPRESSOR PROTECTION Internal Protector
GEAR MOTOR PROTECTION Manual reset Circuit Breaker or Fuse
REFRIGERANT CIRCUIT PROTECTION Auto-reset High Pressure Control Switch
LOW WATER PROTECTION Float Switch and Timer
ACCESSORIES -SUPPLIED Spare Fuse
-REQUIRED Ice Storage Bin
OPERATING CONDITIONS VOLTAGE RANGE 104-127 V
AMBIENT TEMP. 45-100° F
WATER SUPPLY TEMP. 45-90° F
WATER SUPPLY PRESSURE 10-113 PSIG
DRAWING NO. (DIMENSION) 3A0984
We reserve the right to make changes in specifications and design without prior notice.

9
F-1000MAF-C
AC SUPPLY VOLTAGE 208-230/60/1 (3 wire with neutral for 115V)
COMPRESSOR 240 V 4.2 RLA 34 LRA
GEAR MOTOR 120 V 1.6 FLA 1/6 HP
FAN MOTOR 115 V 0.85FLA 1/15 HP
OTHER 120 V 0.03A
MAXIMUM FUSE SIZE 15 A
MAX. HACR BREAKER (USA ONLY) 15 A
MAX. CIRC. BREAKER (CANADA ONLY) 15 A
MINIMUM CIRCUIT AMPACITY 15 A
APPROXIMATE ICE PRODUCTION Ambient WATER TEMP. (°F)
PER 24 HR. Temp.(°F) 50 70 90
lbs./day ( kg/day ) 70 *860 (390) 820 (373) 790 (359)
Reference without *marks 80 765 (346) 735 (333) 710 (321)
90 680 (309) 665 (302) 635 (287)
100 610 (277) 585 (266) 550 (249)
SHAPE OF ICE Cubelet
ICE QUALITY Approx. 80%, Ice (90/70°F, Conductivity 200 µs/cm)
APPROXIMATE STORAGE CAPACITY N/A
ELECTRIC & WATER CONSUMPTION 90/70°F 70/50°F
ELECTRIC W (kWH/100 lbs.) 1230 (4.4) 1210 (3.4)
POTABLE WATER 80 (12) 103 (12)
gal./24HR (gal./100 lbs.)
EXTERIOR DIMENSIONS (WxDxH) 22" x 27-3/8" x 25-1/4" (560 x 695 x 642mm)
EXTERIOR FINISH Stainless Steel, Galvanized Steel (Rear)
WEIGHT Net 172 lbs. ( 78 kg ), Shipping 198 lbs. ( 90 kg )
CONNECTIONS - ELECTRIC Permanent - Connection
- WATER SUPPLY Inlet 1/2" FPT
- DRAIN Outlet 3/4" FPT
ICE MAKING SYSTEM Auger type
HARVESTING SYSTEM Direct Driven Auger ( 1/6 HP Gear Motor )
ICE MAKING WATER CONTROL Float Switch
COOLING WATER CONTROL N/A
BIN CONTROL SYSTEM Mechanical Bin Control ( Proximity Sw. )
COMPRESSOR Hermetic, Model RS70-C1E-PFV
CONDENSER Air-cooled, Fin and tube type
EVAPORATOR Copper Tube on Cylinder
REFRIGERANT CONTROL Thermostatic Expansion Valve
REFRIGERANT CHARGE R-404A, 1 lb.12oz. (800g)
DESIGN PRESSURE High 427 PSIG, Low 230 PSIG
P.C. BOARD CIRCUIT PROTECTION High Voltage Cut-off Relay
COMPRESSOR PROTECTION Internal Protector
GEAR MOTOR PROTECTION Manual reset Circuit Breaker or Fuse
REFRIGERANT CIRCUIT PROTECTION Auto-reset High Pressure Control Switch
LOW WATER PROTECTION Float Switch and Timer
ACCESSORIES -SUPPLIED Spare Fuse
-REQUIRED Ice Storage Bin
OPERATING CONDITIONS VOLTAGE RANGE 187-253 V
AMBIENT TEMP. 45-100° F
WATER SUPPLY TEMP. 45-90° F
WATER SUPPLY PRESSURE 10-113 PSIG
DRAWING NO. (DIMENSION) 3A0981
We reserve the right to make changes in specifications and design without prior notice.

10
F-1000MWF-C
AC SUPPLY VOLTAGE 208-230/60/1 (3 wire with neutral for 115V)
COMPRESSOR 240 V 4.2 RLA 34 LRA
GEAR MOTOR 120 V 1.6 FLA 1/6 HP
OTHER 120 V 0.03A
MAXIMUM FUSE SIZE 15 A
MAX. HACR BREAKER (USA ONLY) 15 A
MAX. CIRC. BREAKER (CANADA ONLY) 15 A
MINIMUM CIRCUIT AMPACITY 15 A
APPROXIMATE ICE PRODUCTION Ambient WATER TEMP. (°F)
PER 24 HR. Temp.(°F) 50 70 90
lbs./day ( kg/day ) 70 *790 (358) 760 (346) 750 (340)
Reference without *marks 80 735 (333) 720 (327) 710 (322)
90 695 (316) *685 (311) 670 (304)
100 660 (299) 645 (294) *600
SHAPE OF ICE Cubelet
ICE QUALITY Approx. 80%, Ice (90/70°F, Conductivity 200 µs/cm)
APPROXIMATE STORAGE CAPACITY N/A
ELECTRIC & WATER CONSUMPTION 90/70°F 70/50°F
ELECTRIC W (kWH/100 lbs.) 1170 (4.1) 1160 (3.5)
POTABLE WATER 82 (12) 95 (12)
WATER-COOLED CONDENSER 492 (72) 303 (34)
gal./24HR (gal./100 lbs.)
EXTERIOR DIMENSIONS (WxDxH) 22" x 27-3/8" x 25-1/4" (560 x 695 x 642mm)
EXTERIOR FINISH Stainless Steel, Galvanized Steel (Rear)
WEIGHT Net 172 lbs. ( 78 kg ), Shipping 198 lbs. ( 90 kg )
CONNECTIONS - ELECTRIC Permanent - Connection
- WATER SUPPLY Inlet 1/2" FPT Cond. Inlet 1/2" FPT
- DRAIN Outlet 3/4" FPT Cond. Outlet 3/8"-18 NPT
ICE MAKING SYSTEM Auger type
HARVESTING SYSTEM Direct Driven Auger ( 1/6 HP Gear Motor )
ICE MAKING WATER CONTROL Float Switch
COOLING WATER CONTROL Automatic Water Regulator
BIN CONTROL SYSTEM Mechanical Bin Control ( Proximity Sw. )
COMPRESSOR Hermetic, Model RS70-C1E-PFV
CONDENSER Water-cooled, Tube in tube type
EVAPORATOR Copper Tube on Cylinder
REFRIGERANT CONTROL Thermostatic Expansion Valve
REFRIGERANT CHARGE R-404A, 15oz. (425g)
DESIGN PRESSURE High 427 PSIG, Low 230 PSIG
P.C. BOARD CIRCUIT PROTECTION High Voltage Cut-off Relay
COMPRESSOR PROTECTION Internal Protector
GEAR MOTOR PROTECTION Manual reset Circuit Breaker or Fuse
REFRIGERANT CIRCUIT PROTECTION Auto-reset High Pressure Control Switch
LOW WATER PROTECTION Float Switch and Timer
ACCESSORIES -SUPPLIED Spare Fuse
-REQUIRED Ice Storage Bin
OPERATING CONDITIONS VOLTAGE RANGE 187 - 253 V
AMBIENT TEMP. 45 - 100° F
WATER SUPPLY TEMP. 45 - 90° F
WATER SUPPLY PRESSURE 10 - 113 PSIG
DRAWING NO. (DIMENSION) 3A0982
We reserve the right to make changes in specifications and design without prior notice.

11
F-1000MRF-C
AC SUPPLY VOLTAGE 208-230/60/1 (3 wire with neutral for 115V)
COMPRESSOR 240 V 4.2 RLA 34 LRA
GEAR MOTOR 120 V 1.6 FLA 1/6 HP
FAN MOTOR REMOTE 120 V 3A MAX
OTHER 120 V 0.03A
MAXIMUM FUSE SIZE 15 A
MAX. HACR BREAKER (USA ONLY) 15 A
MAX. CIRC. BREAKER (CANADA ONLY) 15 A
MINIMUM CIRCUIT AMPACITY 15 A
APPROXIMATE ICE PRODUCTION Ambient WATER TEMP. (°F)
PER 24 HR. Temp.(°F)507090
lbs./day ( kg/day ) 70 *840 (381) 810 (368) 790 (358)
Reference without *marks 80 765 (347) 745 (337) 720 (327)
90 700 (317) *695 (315) 660 (299)
100 640 (290) 620 (282) 575 (261)
SHAPE OF ICE Cubelet
ICE QUALITY Approx. 80%, Ice (90/70°F, Conductivity 200 µs/cm)
APPROXIMATE STORAGE CAPACITY N/A
ELECTRIC & WATER CONSUMPTION 90/70°F 70/50°F
ELECTRIC W (kWH/100 lbs.) 1310 (4.5) 1300 (3.7)
POTABLE WATER 83 (12) 101(12)
gal./24HR (gal./100 lbs.)
EXTERIOR DIMENSIONS (WxDxH) 22" x 27-3/8" x 25-1/4" (560 x 695 x 642mm)
EXTERIOR FINISH Stainless Steel, Galvanized Steel
(
Rear
)
WEIGHT Net 172 lbs. ( 78 kg ), Shipping 198 lbs. ( 90 kg )
CONNECTIONS - ELECTRIC Permanent - Connection
- WATER SUPPLY Inlet 1/2" FPT
- DRAIN Outlet 3/4" FPT
- REFRIGERATION Discharge line 1-1/16-12 UNF Fitting (#10 AEROQUIP)
CIRCUIT Liquid line 5/8-18 UNF Fitting (#6 AEROQUIP)
ICE MAKING SYSTEM Auger type
HARVESTING SYSTEM Direct Driven Auger ( 1/6 HP Gear Motor )
ICE MAKING WATER CONTROL Float Switch
COOLING WATER CONTROL N/A
BIN CONTROL SYSTEM Mechanical Bin Control ( Proximity Sw. )
COMPRESSOR Hermetic, Model RS70-C1E-PFV
CONDENSER Air-cooled Remote Condenser unit URC-6F Recommended
EVAPORATOR Copper Tube on Cylinder
REFRIGERANT CONTROL Thermostatic Expansion Valve
Condensing Pressure Regulator on URC-6F
REFRIGERANT CHARGE R-404A, 4 lb.1oz. (1850g)
(Ice Maker: 2 lb. 3 oz., Cond. Unit: 1 lb. 14 oz. )
DESIGN PRESSURE High 427 PSIG, Low 230 PSIG
P.C. BOARD CIRCUIT PROTECTION High Voltage Cut-off Relay
COMPRESSOR PROTECTION Internal Protector
GEAR MOTOR PROTECTION Manual reset Circuit Breaker or Fuse
REFRIGERANT CIRCUIT PROTECTION Auto-reset High Pressure Control Switch
LOW WATER PROTECTION Float Switch and Timer
ACCESSORIES -SUPPLIED Spare Fuse
-REQUIRED Ice Storage Bin
OPERATING CONDITIONS VOLTAGE RANGE 187-253 V
AMBIENT TEMP. 45-100° F
WATER SUPPLY TEMP. 45-90° F
WATER SUPPLY PRESSURE 10-113 PSIG
DRAWING NO. (DIMENSION) 3A0983
We reserve the right to make changes in specifications and design without prior notice.

12
F-1000MLF-C
AC SUPPLY VOLTAGE 115/60/1
GEAR MOTOR 120 V 1.6 FLA 1/6 HP
OTHER 120 V 0.03A
MAXIMUM FUSE SIZE 15 A
MAX. HACR BREAKER (USA ONLY) 15 A
MAX. CIRC. BREAKER (CANADA ONLY) 15 A
MINIMUM CIRCUIT AMPACITY 15 A
APPROXIMATE ICE PRODUCTION Ambient WATER TEMP. (F)
PER 24 HR. Temp. (F) 50 70 90
lbs./day ( kg/day ) 70 1020 (463) 945 (428) 915 (415)
This data is for reference only, 80 885 (402) 860 (390) 835 (378)
different condensing unit will vary data. 90 805 (366) 795 (361) 760 (344)
100 735 (333) 710 (323) 640 (290)
SHAPE OF ICE Cubelet
ICE QUALITY Approx. 80%, Ice (90/70°F, Conductivity 200 µs/cm)
APPROXIMATE STORAGE CAPACITY N/A
ELECTRIC & WATER CONSUMPTION 90/70°F 70/50°F
ELECTRIC W (kWH/100 lbs.) 135 (0.40) 135 (0.32)
POTABLE WATER 95 (12) 122 (12)
gal./24HR (gal./100 lbs.)
EXTERIOR DIMENSIONS (WxDxH) 22" x 27-3/8" x 25-1/4" (560 x 695 x 642mm)
EXTERIOR FINISH Stainless Steel, Galvanized Steel (Rear)
WEIGHT Net 110 lbs. ( 50 kg ), Shipping 137 lbs. ( 62 kg )
CONNECTIONS - ELECTRIC Permanent - Connection
- WATER SUPPLY Inlet 1/2" FPT
- DRAIN Outlet 3/4" FPT
- REFRIGERATION Outlet (Vapor) line 1-1/16-12 UNF Fitting (#10 AEROQUIP)
CIRCUIT Inlet (Liquid) line 5/8-18 UNF Fitting (#6 AEROQUIP)
ICE MAKING SYSTEM Auger type
HARVESTING SYSTEM Direct Driven Auger ( 1/6 HP Gear Motor )
ICE MAKING WATER CONTROL Float Switch
COOLING WATER CONTROL N/A
BIN CONTROL SYSTEM Mechanical Bin Control ( Proximity Sw. )
CONDENSING UNIT Required refrigeration capacity for ice maker is 5700 BTU/h
at discharge pressure 213 PSIG and suction pressure
31.2 PSIG with R-404A refrigerant.
Suction pressure needs to be 31.2 PSIG.
EVAPORATOR Copper Tube on Cylinder
REFRIGERANT CONTROL Thermostatic Expansion Valve
Evaporator Pressure Regulator
REFRIGERANT CHARGE R-404A, 3.6 oz. (100g Holding Charge)
DESIGN PRESSURE High 427 PSIG, Low 230 PSIG
P.C. BOARD CIRCUIT PROTECTION High Voltage Cut-off Relay
COMPRESSOR PROTECTION Internal Protector
GEAR MOTOR PROTECTION Manual reset Circuit Breaker or Fuse
REFRIGERANT CIRCUIT PROTECTION Auto-reset High Pressure Control Switch
LOW WATER PROTECTION Float Switch and Timer
ACCESSORIES -SUPPLIED Spare Fuse
-REQUIRED Ice Storage Bin
OPERATING CONDITIONS VOLTAGE RANGE 104-127 V
AMBIENT TEMP. 45-100° F
WATER SUPPLY TEMP. 45-90° F
WATER SUPPLY PRESSURE 10-113 PSIG
DRAWING NO.
(
DIMENSION
)
3A0984
We reserve the right to make changes in specifications and design without prior notice.

13
2. CONDENSER UNIT
URC-6F

14
SPECIFICATIONS
MODEL: URC-6F
EXTERIOR Galvanized Steel
DIMENSIONS (W x D x H) 21-15/16" x 15-11/16" x 17-7/8"
(557 x 398 x 454 mm)
REFRIGERANT CHARGE R404A 1 lb. 14 oz. (850 g)
WEIGHT Net 61 lbs. (28 kg)
Shipping 68 lbs. (31 kg)
CONNECTIONS
REFRIGERANT One Shot Couplings (Aeroquip)
ELECTRICAL Permanent Connection
CONDENSER Air-cooled
HEAD PRESSURE CONTROL Condensing Pressure Regulator
AMBIENT CONDITION Min. -20°F - Max. +122°F
(-29°C to +50°C)
Outdoor use

15
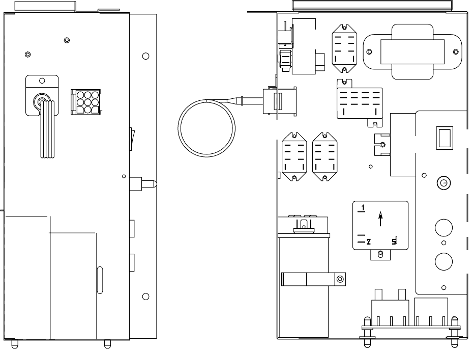
II. GENERAL INFORMATION
1. CONSTRUCTION
F-1000MAF/-C
Water Supply
Inlet
Junction Box
Condenser
Fan Motor
Compressor
Drier
Control Water Valve
Bin Control
Ice Chute
Evaporator
Expansion
Valve
Flush Water
Valve
Control Box
Gear Motor

16
F-1000MWF/-C
Water Supply
Inlet
Junction Box
Water
Regulator
Compressor
Drier
Control Water Valve
Bin Control
Ice Chute
Evaporator
Expansion
Valve
Flush Water
Valve
Control Box
Gear Motor

17
F-1000MRF/-C
Water Supply
Inlet
Junction Box
Compressor
Receiver
Tank
Drier
Control Water Valve
Bin Control
Ice Chute
Evaporator
Expansion
Valve
Flush Water
Valve
Control Box
Gear Motor

18
Water Supply
Inlet
Junction Box
Hot Gas
Valve
Solenoid Valve
Heat
Exchanger
Control Water Valve
Bin Control
Ice Chute
Evaporator
Expansion
Valve
Flush Water
Valve
Control Box
Gear Motor
F-1000MLF/-C

19
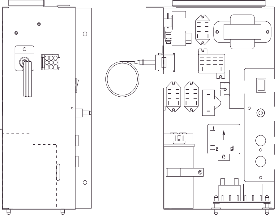
2. CONTROL BOX LAYOUT
F-1000MAF/-C
Note: The above component names are identical with the Wiring Label, but not with
the Parts List.
PRESSURE
SWITCH
CONNECTOR
START
CAPACITOR RUN
CAPACITOR
WATER CONTROL
RELAY
FLUSH
TIMER TRANSFORMER
GEAR
MOTOR
RELAY
GEAR
MOTOR
CAP.
FLUSH
ICE
FAN
MOTOR
CAP
GEAR MOTOR
PROTECT RELAY STARTER
CONTROL
TIMER
FUSE
(GEAR MOTOR)
FUSE
POWER
SWITCH
FLUSH
SWITCH
CIRCUIT PROTECT
RELAY

20
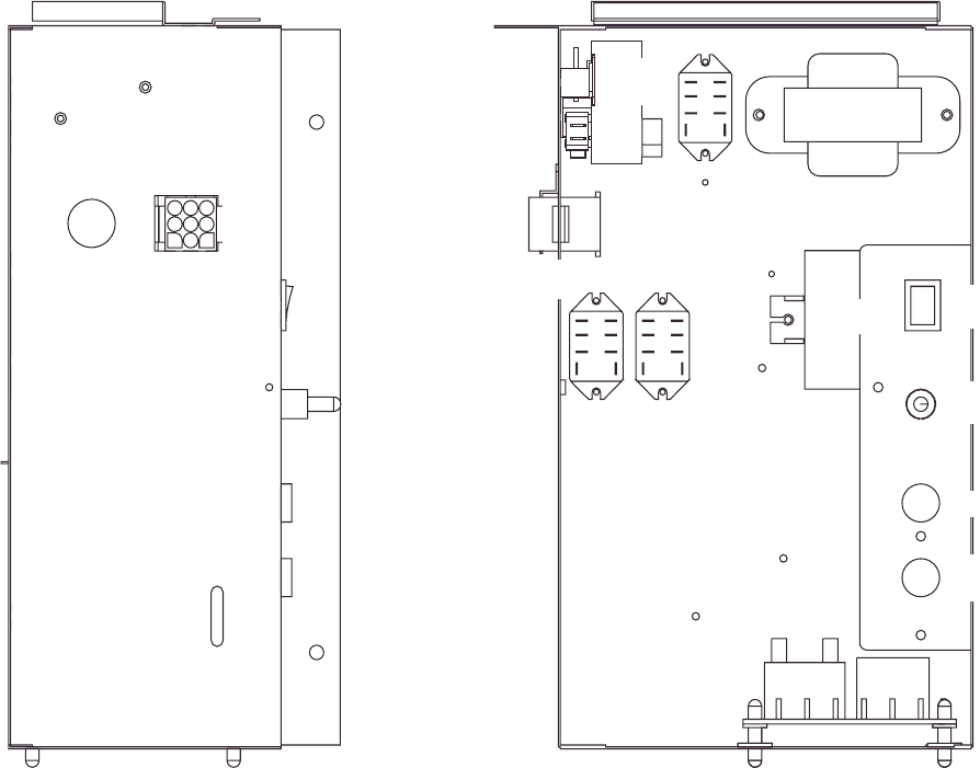
F-1000MWF, F-1000MRF/-C
PRESSURE
SWITCH
CONNECTOR
START
CAPACITOR RUN
CAPACITOR
WATER CONTROL
RELAY
TRANSFORMER
GEAR
MOTOR
RELAY
FLUSH
ICE
GEAR MOTOR
PROTECT RELAY
STARTER
CONTROL
TIMER
FLUSH
SWITCH
POWER
SWITCH
FUSE
FUSE
(GEAR MOTOR)
FLUSH
TIMER
CIRCUIT PROTECT
RELAY GEAR
MOTOR
CAP.

21
F-1000MLF/-C
CONNECTOR
WATER CONTROL
RELAY
TRANSFORMER
FLUSH
ICE
GEAR MOTOR
PROTECT RELAY
CONTROL
TIMER
CIRCUIT PROTECT
RELAY GEAR
MOTOR
CAP.
FLUSH
TIMER
FLUSH
SWITCH
POWER
SWITCH
FUSE
FUSE
(GEAR MOTOR)

22
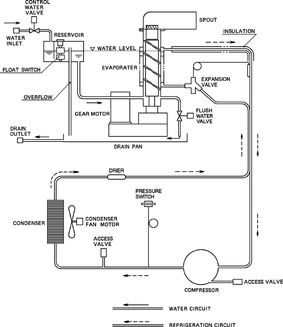
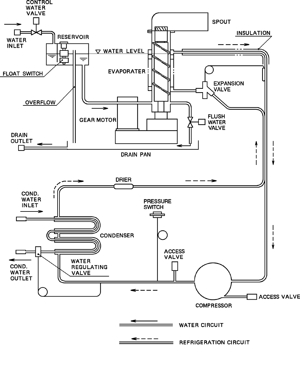
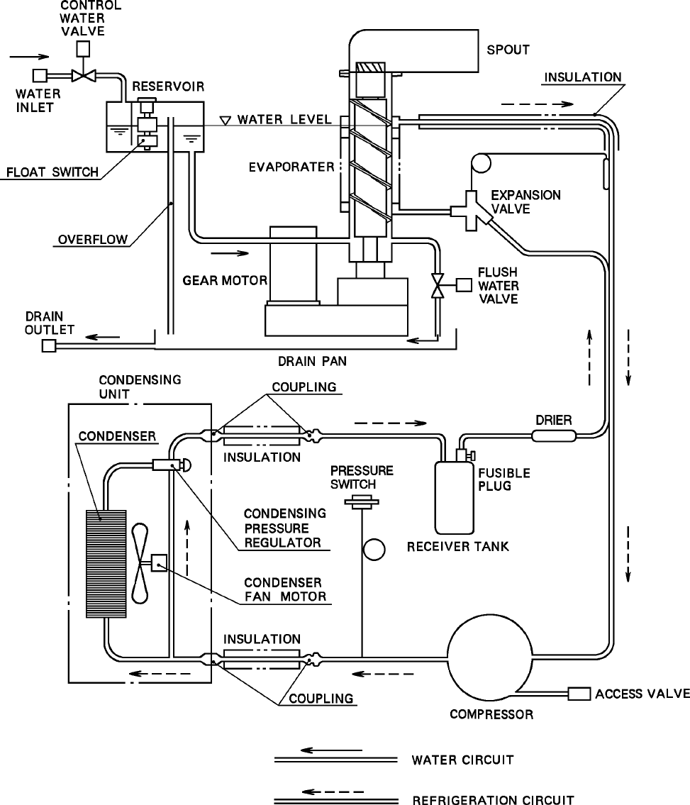
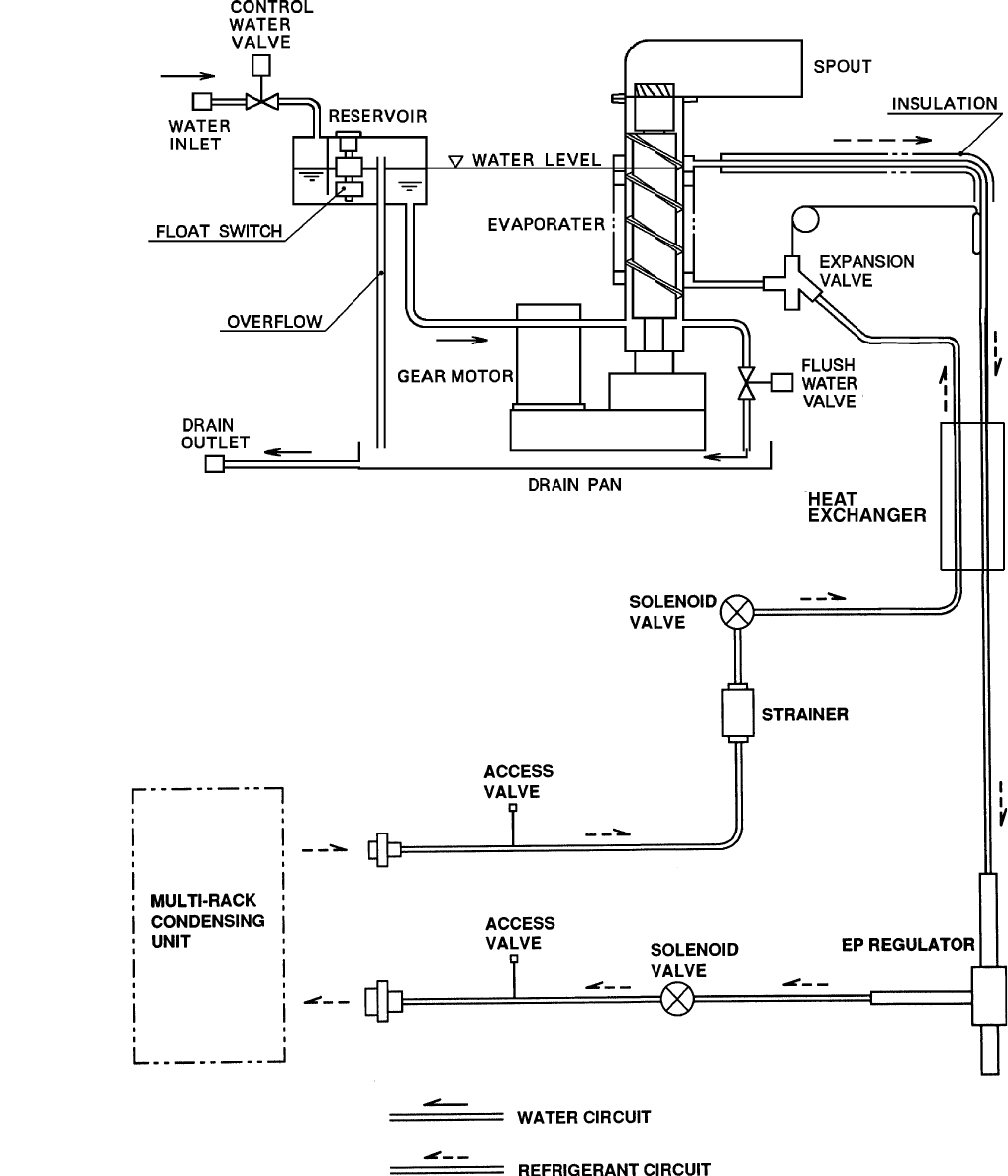
III. TECHNICAL INFORMATION
1. WATER CIRCUIT AND REFRIGERATION CIRCUIT
F-1000MAF/-C

23
F-1000MWF/-C

24
F-1000MRF/-C

25
F-1000MLF/-C

26
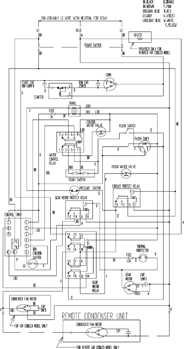
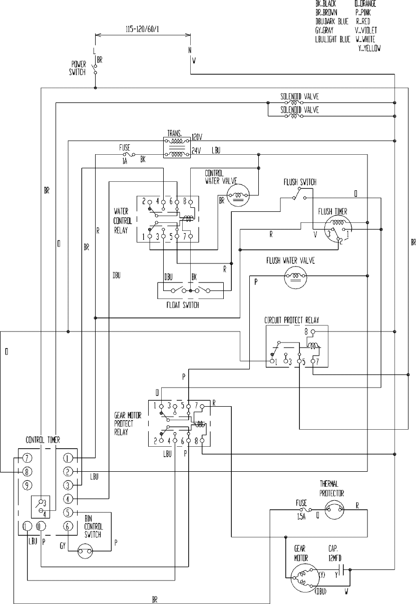
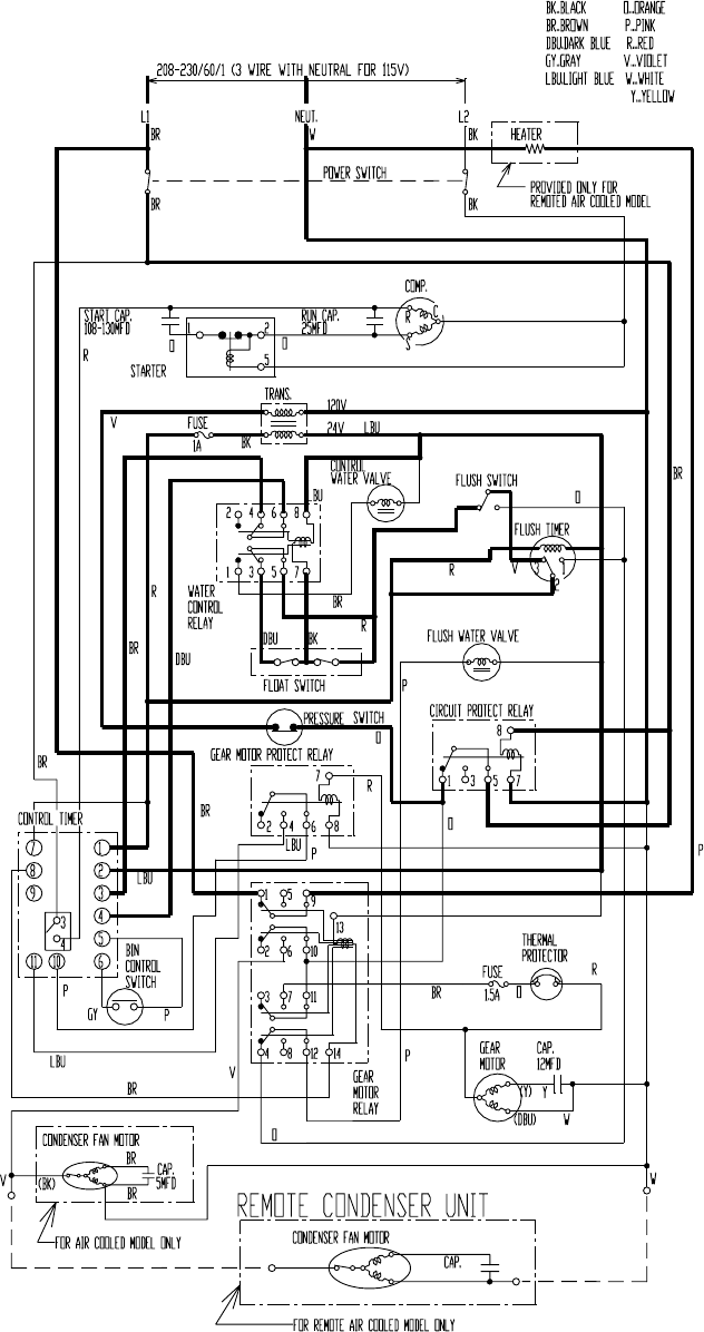
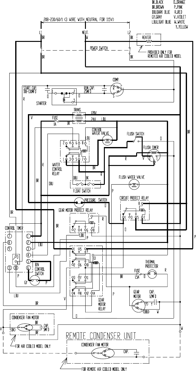
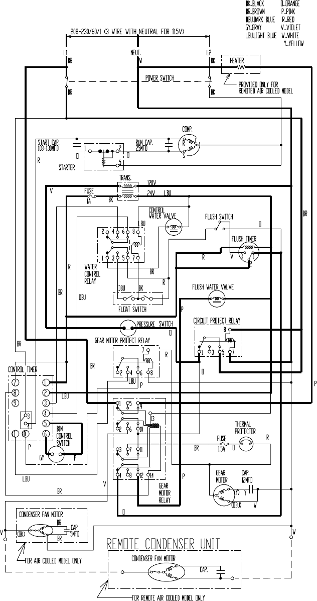
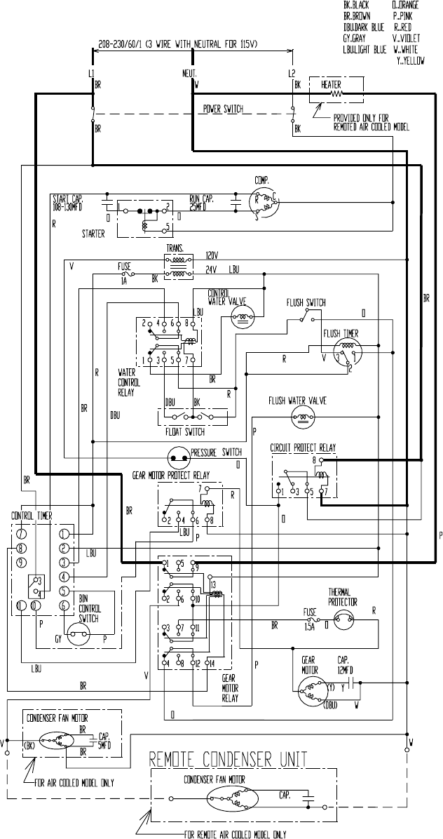
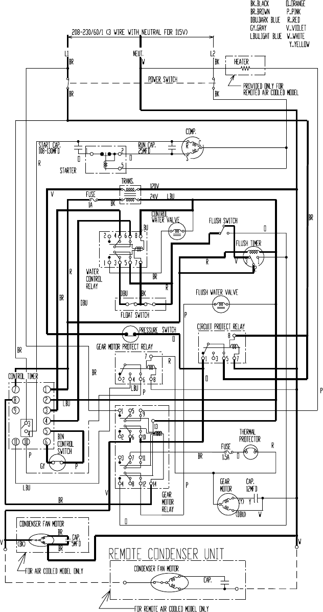
2. WIRING DIAGRAMS
F-1000MAF/-C, F-1000MWF/-C, F-1000MRF/-C

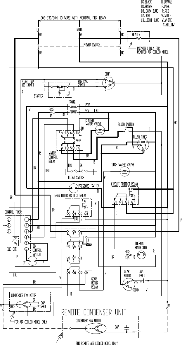
27
F-1000MLF/-C

28
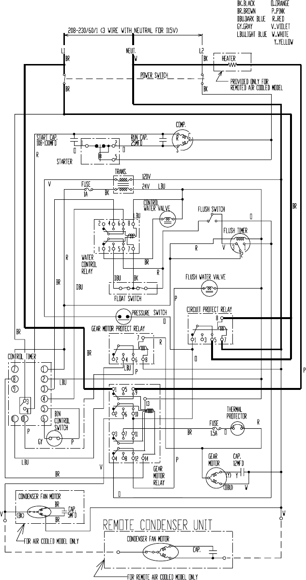
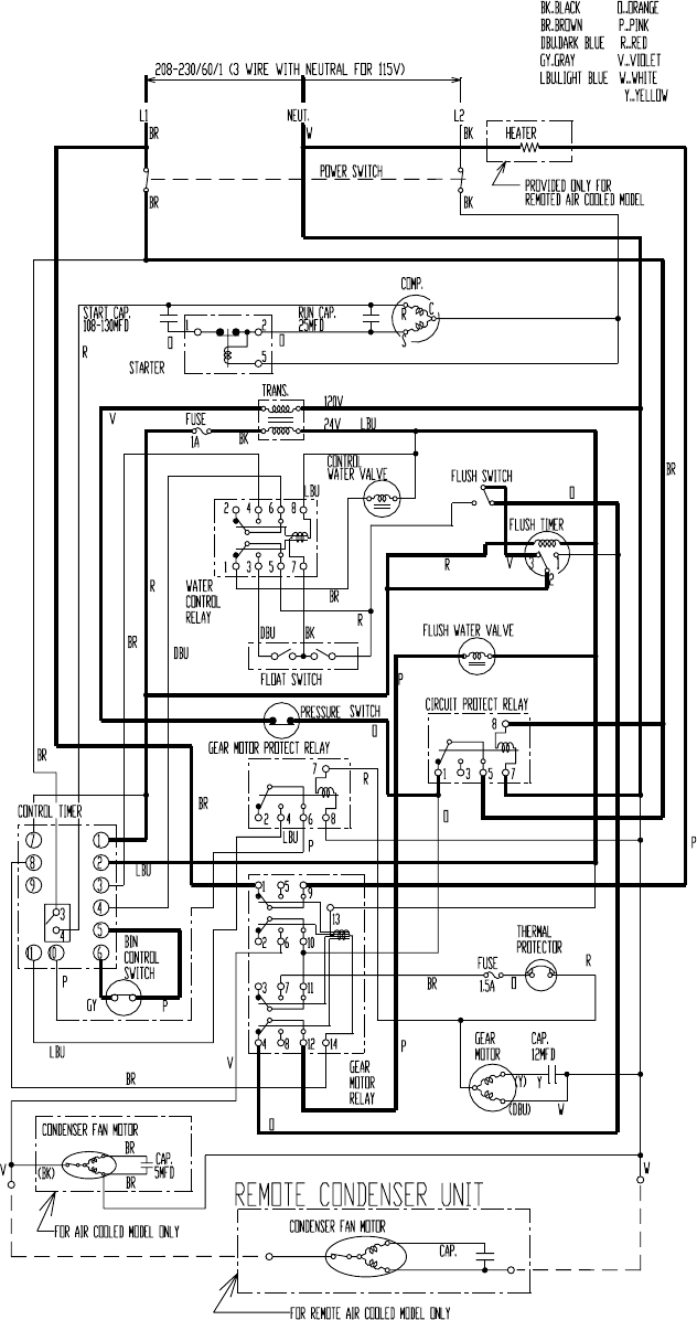
3. SEQUENCE OF ELECTRICAL CIRCUIT
[a] When Power Switch is moved to “ON” position and Flush Switch to “ICE” position,
water starts to be supplied to Reservoir.

29
[b] When Reservoir has been filled, Gear Motor starts immediately.

30
[c] Compressor starts about 60 sec. after Gear Motor starts.

31
[d] Bin Control operates, and about 6 sec. later, Compressor and Gear Motor stop
simultaneously.

32
[e] Low Water (Except Water-cooled Model).

33
[f] Low Water (Water-cooled Model), or Dirty Air Filter (Air-cooled Model), Pressure
Switch to “OPEN”, Compressor and Gear Motor operates intermittently.

34
[g] When Flush Switch is moved to “FLUSH” position, Flush Water Valve opens and
flushes Reservoir and Evaporator.

35
[h] When Flush Timer operates (for 15 min. every 12 hours).

36
[i] When 208-230V are supplied to Circuit Protect Relay, it protects the circuit from
miswiring. If the power supply is properly connected, the contact of Circuit Protect
Relay does not move even when the coil is energized.

37
[j] When input voltage is too low, (Less than 70%), Gear Motor Fuse (1.5A) is blown
causing the Compressor and Gear Motor to turn off immediately.

38
Miswiring. Circuit Protect Relay operates.)
Proper wiring. The unit starts.
BIN CONTROL
OFF ON
1. CIRCUIT PROTECT
RELAY
2. WATER LEVEL
3. FLOAT
SWITCH
UPPER
LOWER
4. WATER CONTROL
RELAY
5. CONTROL WATER
VALVE
6. FLUSH TIMER
7. FLUSH SWITCH
8. FLUSH WATER
VALVE
9. BIN CONTROL
10. GEAR MOTOR
RELAY
11. GEAR MOTOR
12. FAN MOTOR
13. COMPRESSOR
14. PRESSURE
SWITCH
15. HEATER
ON
OFF
ON
OFF
ON
OFF
ON
OFF
ON
OFF
1 - 2
2 - 3
FLUSH
ICE
ON
OFF
ON
OFF
ON
OFF
ON
OFF
ON
OFF
ON
OFF
ON
OFF
ON
OFF
1 sec
60 sec
6 sec 1 sec
60 sec
UPPER
LOWER
BOTTOM
4. TIMING CHART

39
1. CIRCUIT PROTECT
RELAY
2. WATER LEVEL
3. FLOAT
SWITCH
UPPER
LOWER
4. WATER CONTROL
RELAY
5. CONTROL WATER
VALVE
6. FLUSH TIMER
7. FLUSH SWITCH
8. FLUSH WATER
VALVE
9. BIN CONTROL
10. GEAR MOTOR
RELAY
11. GEAR MOTOR
12. FAN MOTOR
14. PRESSURE
SWITCH
15. HEATER
ON
OFF
ON
OFF
ON
OFF
ON
OFF
ON
OFF
1 - 2
2 - 3
FLUSH
ICE
ON
OFF
ON
OFF
ON
OFF
ON
OFF
ON
OFF
ON
OFF
ON
OFF
ON
OFF
UPPER
LOWER
BOTTOM
LOW WATER FLUSH TIMER
21 min every 12 hr
150 sec 1 sec 150 sec
90 sec 60 sec 90 sec 60 sec
1 sec
13. COMPRESSOR

40
1. CIRCUIT PROTECT
RELAY
2. WATER LEVEL
3. FLOAT
SWITCH
UPPER
LOWER
4. WATER CONTROL
RELAY
5. CONTROL WATER
VALVE
6. FLUSH TIMER
7. FLUSH SWITCH
8. FLUSH WATER
VALVE
9. BIN CONTROL
10. GEAR MOTOR
RELAY
11. GEAR MOTOR
12. FAN MOTOR
14. PRESSURE
SWITCH
15. HEATER
ON
OFF
ON
OFF
ON
OFF
ON
OFF
ON
OFF
1 - 2
2 - 3
FLUSH
ICE
ON
OFF
ON
OFF
ON
OFF
ON
OFF
ON
OFF
ON
OFF
ON
OFF
ON
OFF
UPPER
LOWER
BOTTOM
FLUSH SWITCH PRESSURE SWITCH
FLUSH ICE OFF ON
150 sec 1 sec
90 sec 60 sec
13. COMPRESSOR
1 sec
1 sec
60 sec

41
5. PERFORMANCE DATA
F-1000MAF
APPROXIMATE Ambient Water Temp. (F)
ICE PRODUCTION Temp. (F)
PER 24 HR. 70 970 (440) 930 (422) 890 (404)
80 855 (388) 820 (372) 785 (357)
90 755 (342) 740 (336) 695 (314)
lbs./day (kg/day) 100 665 (301) 635 (289) 595 (270)
APPROXIMATE ELECTRIC 70 1160 -- 1165 -- 1170 --
CONSUMPTION 80 1175 -- 1185 -- 1190 --
90 1195 -- 1200 -- 1205 --
watts 100 1210 -- 1215 -- 1220 --
APPROXIMATE WATER 70 116 (440) 112 (422) 107 (404)
CONSUMPTION PER 24 HR. 80 103 (388) 98 (372) 94 (357)
90 90 (342) 89 (336) 83 (314)
gal./day (l/day) 100 80 (301) 76 (289) 71 (270)
EVAPORATOR OUTLET TEMP. 70 19 (-7) 19 (-7) 19 (-7)
80 19 (-7) 23 (-5) 23 (-5)
90 23 (-5) 23 (-5) 25 (-4)
°F (°C) 100 25 (-4) 25 (-4) 25 (-4)
HEAD PRESSURE 70 213 (15.0) 213 (15.0) 213 (15.0)
80 244 (17.1) 244 (17.1) 244 (17.1)
90 274 (19.3) 274 (19.3) 274 (19.3)
PSIG (kg/cm²G) 100 315 (22.1) 315 (22.1) 315 (22.1)
SUCTION PRESSURE 70 32 (2.3) 32 (2.3) 32 (2.3)
80 35 (2.5) 35 (2.5) 35 (2.5)
90 38 (2.6) 38 (2.6) 38 (2.6)
PSIG ( kg/cm²G ) 100 41 (2.9) 41 (2.9) 41 (2.9)
TOTAL HEAT OF REJECTION 5090 BTU/h (AT 90°F /WT 70°F)
Note: The data without *marks should be used for reference.
50 70 90
We reserve the right to make changes in specifications and design without prior notice.

42
F-1000MWF
APPROXIMATE Ambient Water Temp. (F)
ICE PRODUCTION Temp. (F)
PER 24 HR. 70 890 (404) 855 (389) 840 (380)
80 820 (372) 805 (364) 785 (356)
90 770 (349) 755 (342) 735 (334)
lbs./day (kg/day) 100 720 (327) 705 (320) 655 (297)
APPROXIMATE ELECTRIC 70 1155 -- 1160 -- 1185 --
CONSUMPTION 80 1155 -- 1160 -- 1185 --
90 1155 -- 1160 -- 1185 --
watts 100 1155 -- 1160 -- 1185 --
APPROXIMATE WATER 70 410 (1.86) 526 (2.39) 811 (3.69)
CONSUMPTION PER 24 HR. 80 427 (1.94) 548 (2.49) 853 (3.88)
(TOTAL) 90 443 (2.01) 571 (2.59) 898 (4.08)
gal./day (l/day) 100 461 (2.09) 599 (2.72) 989 (4.49)
EVAPORATOR OUTLET TEMP. 70 23 (-5) 23 (-5) 25 (-4)
80 23 (-5) 23 (-5) 25 (-4)
90 23 (-5) 23 (-5) 25 (-4)
°F (°C) 100 23 (-5) 23 (-5) 25 (-4)
HEAD PRESSURE 70 263 (18.5) 266 (18.7) 269 (18.9)
80 263 (18.5) 266 (18.7) 269 (18.9)
90 263 (18.5) 266 (18.7) 269 (18.9)
PSIG (kg/cm²G) 100 263 (18.5) 266 (18.7) 269 (18.9)
SUCTION PRESSURE 70 33 (2.3) 34 (2.4) 35 (2.5)
80 33 (2.3) 34 (2.4) 35 (2.5)
90 33 (2.3) 34 (2.4) 35 (2.5)
PSIG ( kg/cm²G ) 100 33 (2.3) 34 (2.4) 35 (2.5)
WATER FLOW FOR CONDENSER 38 gal/h (AT 90°F /WT 70°F)
PRESSURE DROP OF COOLING WATER LINE Less than 7 PSIG
HEAT OF REJECTION FROM CONDENSER 7110 BTU/h (AT 90°F /WT 70°F)
HEAT OF REJECTION FROM COMPRESSOR 1340 BTU/h (AT 90°F /WT 70°F)
Note: The data without *marks should be used for reference.
50 70 90
We reserve the right to make changes in specifications and design without prior notice.

43
F-1000MRF
APPROXIMATE Ambient Water Temp. (F)
ICE PRODUCTION Temp. (F)
PER 24 HR. 70 930 (422) 895 (407) 865 (393)
80 835 (379) 805 (366) 780 (353)
90 750 (341) 745 (338) 700 (317)
lbs./day (kg/day) 100 675 (306) 650 (296) 605 (274)
APPROXIMATE ELECTRIC 70 1285 -- 1285 -- 1290 --
CONSUMPTION 80 1290 -- 1290 -- 1290 --
90 1295 -- 1295 -- 1305 --
watts 100 1310 -- 1320 -- 1325 --
APPROXIMATE WATER 70 112 (422) 108 (407) 104 (393)
CONSUMPTION PER 24 HR. 80 100 (379) 97 (366) 93 (353)
90 90 (341) 89 (338) 84 (317)
gal./day (l/day) 100 81 (306) 78 (296) 73 (274)
EVAPORATOR OUTLET TEMP. 70 23 (-5) 24 (-4) 25 (-4)
80 25 (-4) 26 (-3) 26 (-3)
90 26 (-3) 27 (-3) 28 (-2)
°F (°C) 100 28 (-2) 28 (-2) 28 (-2)
HEAD PRESSURE 70 221 (15.5) 221 (15.5) 221 (15.5)
80 239 (16.8) 239 (16.8) 239 (16.8)
90 256 (18.0) 256 (18.0) 256 (18.0)
PSIG (kg/cm²G) 100 295 (20.7) 295 (20.7) 295 (20.7)
SUCTION PRESSURE 70 33 (2.3) 33 (2.3) 33 (2.3)
80 35 (2.4) 35 (2.4) 35 (2.4)
90 36 (2.5) 36 (2.5) 36 (2.5)
PSIG ( kg/cm²G ) 100 39 (2.7) 39 (2.7) 39 (2.7)
CONDENSER VOLUME 74.5 cu in
HEAT OF REJECTION FROM CONDENSER 7660 BTU/h (AT 90°F /WT 70°F)
HEAT OF REJECTION FROM COMPRESSOR 1380 BTU/h (AT 90°F /WT 70°F)
Note: The data without *marks should be used for reference.
50 70 90
We reserve the right to make changes in specifications and design without prior notice.

44
F-1000MLF
We reserve the right to make changes in specifications and design without prior notice.
APPROXIMATE Ambient Water Temp. (°F)
ICE PRODUCTION Temp. (°F)
PER 24 HR. 70 1150 (522) 1035 (469) 1005 (456)
80 980 (444) 950 (431) 925 (420)
90 900 (408) 885 (401) 850 (386)
lbs./day (kg/day) 100 830 (376) 805 (366) 690 (313)
APPROXIMATE ELECTRIC 70 135 -- 135 -- 135 --
CONSUMPTION 80 135 -- 130 -- 130 --
90 130 -- 130 -- 130 --
watts 100 130 -- 130 -- 130 --
APPROXIMATE WATER 70 138 (522) 124 (469) 121 (456)
CONSUMPTION PER 24 HR. 80 117 (444) 114 (431) 111 (420)
90 108 (408) 106 (401) 102 (386)
gal./day (l/day) 100 99 (376) 97 (366) 83 (313)
EVAPORATOR OUTLET TEMP. 70 21 (-6) 21 (-6) 21 (-6)
80 21 (-6) 21 (-6) 21 (-6)
90 21 (-6) 21 (-6) 23 (-5)
°F (°C) 100 23 (-5) 23 (-5) 23 (-5)
HEAD PRESSURE 70 106 (7.4) 106 (7.4) 106 (7.4)
80 125 (8.7) 125 (8.7) 125 (8.7)
90 143 (10.0) 143 (10.0) 143 (10.0)
PSIG (kg/cm²G) 100 166 (11.7) 166 (11.7) 166 (11.7)
SUCTION PRESSURE 70 26 (1.8) 26 (1.8) 26 (1.8)
80 30 (2.1) 30 (2.1) 30 (2.1)
90 33 (2.3) 33 (2.3) 33 (2.3)
PSIG ( kg/cm²G ) 100 35 (2.5) 35 (2.5) 35 (2.5)
Note: The data without *marks should be used for reference.
This data is for reference only, different condensing unit will vary data.
50 70 90

45
F-1000MAF-C
APPROXIMATE Ambient Water Temp. (F)
ICE PRODUCTION Temp. (F)
PER 24 HR. 70 860 (390) 820 (373) 790 (359)
80 765 (346) 735 (333) 710 (321)
90 680 (309) 665 (302) 635 (287)
lbs./day (kg/day) 100 610 (277) 585 (266) 550 (249)
APPROXIMATE ELECTRIC 70 1210 -- 1215 -- 1215 --
CONSUMPTION 80 1220 -- 1220 -- 1225 --
90 1225 -- 1230 -- 1235 --
watts 100 1245 -- 1250 -- 1255 --
APPROXIMATE WATER 70 103 (390) 99 (373) 95 (359)
CONSUMPTION PER 24 HR. 80 92 (346) 88 (333) 85 (321)
90 82 (309) 80 (302) 76 (287)
gal./day (l/day) 100 73 (277) 71 (266) 66 (249)
EVAPORATOR OUTLET TEMP. 70 18 (-8) 18 (-8) 18 (-8)
80 18 (-8) 23 (-5) 23 (-5)
90 23 (-5) 23 (-5) 27 (-3)
°F (°C) 100 27 (-3) 27 (-3) 27 (-3)
HEAD PRESSURE 70 209 (14.7) 209 (14.7) 209 (14.7)
80 243 (17.1) 243 (17.1) 243 (17.1)
90 277 (19.5) 277 (19.5) 277 (19.5)
PSIG (kg/cm²G) 100 217 (22.3) 317 (22.3) 217 (22.3)
SUCTION PRESSURE 70 32 (2.2) 32 (2.2) 32 (2.2)
80 35 (2.5) 35 (2.5) 35 (2.5)
90 38 (2.7) 38 (2.7) 38 (2.7)
PSIG ( kg/cm²G ) 100 41 (2.9) 41 (2.9) 41 (2.9)
TOTAL HEAT OF REJECTION 9050 BTU/h (AT 90°F /WT 70°F)
Note: The data without *marks should be used for reference.
50 70 90
We reserve the right to make changes in specifications and design without prior notice.

46
F-1000MWF-C
APPROXIMATE Ambient Water Temp. (F)
ICE PRODUCTION Temp. (F)
PER 24 HR. 70 790 (358) 760 (346) 750 (340)
80 735 (333) 720 (327) 710 (322)
90 695 (316) 685 (311) 670 (304)
lbs./day (kg/day) 100 660 (299) 645 (294) 600 (272)
APPROXIMATE ELECTRIC 70 1160 -- 1170 -- 1185 --
CONSUMPTION 80 1160 -- 1170 -- 1185 --
90 1160 -- 1170 -- 1185 --
watts 100 1160 -- 1170 -- 1185 --
APPROXIMATE WATER 70 398 (1.81) 534 (2.43) 859 (3.91)
CONSUMPTION PER 24 HR. 80 414 (1.88) 554 (2.52) 898 (4.08)
(TOTAL) 90 427 (1.94) 574 (2.61) 939 (4.27)
gal./day (l/day) 100 442 (2.01) 598 (2.72) 1032 (4.69)
EVAPORATOR OUTLET TEMP. 70 23 (-5) 23 (-5) 25 (-4)
80 23 (-5) 23 (-5) 25 (-4)
90 23 (-5) 23 (-5) 25 (-4)
°F (°C) 100 23 (-5) 23 (-5) 25 (-4)
HEAD PRESSURE 70 263 (18.5) 266 (18.7) 269 (18.9)
80 263 (18.5) 266 (18.7) 269 (18.9)
90 263 (18.5) 266 (18.7) 269 (18.9)
PSIG (kg/cm²G) 100 263 (18.5) 266 (18.7) 269 (18.9)
SUCTION PRESSURE 70 33 (2.3) 34 (2.4) 35 (2.5)
80 33 (2.3) 34 (2.4) 35 (2.5)
90 33 (2.3) 34 (2.4) 35 (2.5)
PSIG ( kg/cm²G ) 100 33 (2.3) 34 (2.4) 35 (2.5)
WATER FLOW FOR CONDENSER 40 gal/h (AT 90°F /WT 70°F)
PRESSURE DROP OF COOLING WATER LINE Less than 7 PSIG
HEAT OF REJECTION FROM CONDENSER 7110 BTU/h (AT 90°F /WT 70°F)
HEAT OF REJECTION FROM COMPRESSOR 1340 BTU/h (AT 90°F /WT 70°F)
Note: The data without *marks should be used for reference.
50 70 90
We reserve the right to make changes in specifications and design without prior notice.

47
F-1000MRF-C
APPROXIMATE Ambient Water Temp. (F)
ICE PRODUCTION Temp. (F)
PER 24 HR. 70 840 (381) 810 (368) 790 (358)
80 765 (347) 745 (337) 720 (327)
90 700 (317) 695 (315) 660 (299)
lbs./day (kg/day) 100 640 (290) 620 (282) 575 (261)
APPROXIMATE ELECTRIC 70 1300 -- 1300 -- 1305 --
CONSUMPTION 80 1305 -- 1505 -- 1305 --
90 1310 -- 1310 -- 1320 --
watts 100 1325 -- 1335 -- 1340 --
APPROXIMATE WATER 70 101 (381) 98 (368) 95 (358)
CONSUMPTION PER 24 HR. 80 92 (347) 89 (337) 87 (327)
90 84 (317) 83 (315) 79 (299)
gal./day (l/day) 100 77 (290) 75 (282) 69 (261)
EVAPORATOR OUTLET TEMP. 70 23 (-5) 24 (-4) 25 (-4)
80 25 (-4) 26 (-3) 26 (-3)
90 26 (-3) 25 (-4) 28 (-2)
°F (°C) 100 28 (-2) 28 (-2) 28 (-2)
HEAD PRESSURE 70 220 (15.5) 220 (15.5) 220 (15.5)
80 238 (16.7) 238 (16.7) 238 (16.7)
90 256 (18.0) 256 (18.0) 256 (18.0)
PSIG (kg/cm²G) 100 295 (20.7) 295 (20.7) 295 (20.7)
SUCTION PRESSURE 70 34 (2.4) 34 (2.4) 33 (2.4)
80 36 (2.5) 36 (2.5) 36 (2.5)
90 37 (2.6) 37 (2.6) 37 (2.6)
PSIG ( kg/cm²G ) 100 40 (2.8) 40 (2.8) 40 (2.8)
CONDENSER VOLUME 74.5 cu in
HEAT OF REJECTION FROM CONDENSER 7840 BTU/h (AT 90°F /WT 70°F)
HEAT OF REJECTION FROM COMPRESSOR 1400 BTU/h (AT 90°F /WT 70°F)
Note: The data without *marks should be used for reference.
50 70 90
We reserve the right to make changes in specifications and design without prior notice.

48
F-1000MLF-C
We reserve the right to make changes in specifications and design without prior notice.
APPROXIMATE Ambient Water Temp. (°F)
ICE PRODUCTION Temp. (°F)
PER 24 HR. 70 1020 (463) 945 (428) 915 (415)
80 885 (402) 860 (390) 835 (378)
90 805 (366) 795 (361) 760 (344)
lbs./day (kg/day) 100 735 (333) 710 (323) 640 (290)
APPROXIMATE ELECTRIC 70 140 -- 140 -- 140 --
CONSUMPTION 80 140 -- 135 -- 135 --
90 135 -- 135 -- 135 --
watts 100 135 -- 135 -- 135 --
APPROXIMATE WATER 70 122 (463) 113 (428) 110 (415)
CONSUMPTION PER 24 HR. 80 106 (402) 103 (390) 100 (378)
90 97 (366) 95 (361) 91 (344)
gal./day (l/day) 100 88 (333) 86 (323) 77 (290)
EVAPORATOR OUTLET TEMP. 70 21 (-6) 21 (-6) 21 (-6)
80 21 (-6) 21 (-6) 21 (-6)
90 21 (-6) 21 (-6) 23 (-5)
°F (°C) 100 23 (-5) 23 (-5) 23 (-5)
HEAD PRESSURE 70 106 (7.4) 106 (7.4) 106 (7.4)
80 125 (8.7) 125 (8.7) 125 (8.7)
90 143 (10.0) 143 (10.0) 143 (10.0)
PSIG (kg/cm²G) 100 166 (11.7) 166 (11.7) 166 (11.7)
SUCTION PRESSURE 70 26 (1.8) 26 (1.8) 26 (1.8)
80 30 (2.1) 30 (2.1) 30 (2.1)
90 33 (2.3) 33 (2.3) 33 (2.3)
PSIG ( kg/cm²G ) 100 35 (2.5) 35 (2.5) 35 (2.5)
Note: The data without *marks should be used for reference.
This data is for reference only, different condensing unit will vary data.
50 70 90

49
IV. ADJUSTMENT OF COMPONENTS
1. ADJUSTMENT OF WATER REGULATING VALVE - WATER-COOLED
MODEL ONLY
The Water Regulating Valve also called “WATER REGULATOR” is factory-adjusted. No
adjustment is required under normal use. Adjust the Water Regulator , if necessary, using
the following procedures.
1) Attach a pressure gauge to the high-side line of the system. Or prepare a thermometer
to check the condenser drain temperature.
2) Rotate the Adjustment Screw by using a flat blade screwdriver, so that the pressure
gauge shows 260 PSIG (R-404A models/-F type), or the thermometer reads 100 -104°F,
in 5 minutes after the icemaking process starts. When the pressure exceeds 260 PSIG,
or the condenser drain temperature exceeds 104°F, rotate the Adjustment Screw
counterclockwise.
3) Check that the pressure or the condenser drain temperature holds a stable setting.
Adjustment Screw
Adjustment Screw
Bottom View
CW - Higher
CCW - Lower
CW
CCW

50
V. SERVICE DIAGNOSIS
1. NO ICE PRODUCTION
PROBLEM POSSIBLE CAUSE REMEDY
[1] The icemaker will
not start. a) Power Supply 1. OFF position. 1. Move to ON position.
2. Loose connection. 2. Tighten.
3. Bad contacts. 3. Check for continuity
and replace.
4. Blown fuse. 4. Replace.
b) Power Switch
(Control Box) 1. Off position. 1. Move to ON position.
2. Bad contacts. 2. Check for continuity
and replace.
c) Fuse (Control Box) 1. Blown out. 1. Check for short circuit
and replace.
d) Circuit Protect Relay 1. Miswiring. 1. Check power supply
voltage and wire
properly.
e) Flush Timer 1. Flushing out. 1. Wait for 15 minutes.
2. Bad contacts. 2. Check for continuity
and replace.
f) Flush Switch 1. FLUSH position. 1. Move to ICE position.
2. Bad contacts. 2. Check for continuity
and replace.
g) Transformer 1. Coil winding opened. 1. Replace.
h) Control Water Valve 1. Coil winding opened. 1. Replace.
i) Shut-off Valve 1. Closed. 1. Open.
2. Water failure. 2. Wait till water is
supplied.
j) Plug and Receptacle
(Control Box) 1. Disconnected. 1. Connect.
2. Terminal out of Plug
or Receptacle. 2. Insert Terminal back in
position
[2] Water flow does not
stop, and the
icemaker will not
start
a) Water Control Relay 1. Contact fused. 1. Replace.
2. Coil winding opened. 2. Replace.
b) Float Switch 1. Bad contacts. 1. Check for continuity
and replace.
2. Float does not move
freely. 2. Clean or replace.
c) Flush Water Valve 1. Valve seat clogged
and water leaking. 1. Clean or replace
d) Hoses 1. Disconnected. 1. Connect.
[3] Water has been
supplied, but the
icemaker will not
start.
a) Water Control Relay 1. Bad contacts. 1. Check for continuity
and replace.
b) Bin Control 1. Bad contacts. 1. Check for continuity
and replace.
2. Activator does not
move freely. 2. Clean Axle and its
corresponding holes
or replace Bin Control.
c) Gear Motor Relay 1. Coil winding opened. 1. Replace.
2. bad contacts. 2. Check for continuity
and replace.
d) Control Timer
(Printed Circuit
Board)
1. Broken. 1. Replace.
e) Gear Motor Protect
Relay 1. Coil winding opened. 1. Replace.
2. Bad contacts. 2. Check for continuity
and replace.

51
PROBLEM POSSIBLE CAUSE REMEDY
[4] Water has been
supplied, Fan Motor
starts, but Gear
Motor and
Compressor will not
start.
a) Gear Motor Fuse
(BUSSMAN GMD
1.5A)
1. Blown Fuse. 1. See "3. [3]." Find out
the cause and replace
the Fuse.
b) Thermal Protector
(Gear Motor) 1. Bad contacts. 1. Check for continuity
and replace.
[5] Gear Motor and
Compressor start
but operate
intermittently.
a) Pressure Switch 1. Dirty Air Filter or
Condenser. 1. Clean.
2. Ambient or
condenser water
temperature too
warm.
2. Get cooler.
3. Condenser water
pressure too low or
off. (Water-cooled
model only)
3. Check and get
recommended
pressure.
4. Water Regulating
Valve set too high.
(Water-cooled model
only)
4. Adjust it lower.
5. Fan not rotating. 5. See "3. [1] a) Fan
Motor."
6. Refrigerant
overcharged. 6. Recharge.
7. Refrigerant line or
components
plugged.
7. Clean and replace
drier.
8. Bad contacts. 8. Check for continuity
and replace.
9. Loose connections. 9. Tighten.
[6] Gear Motor starts,
but Compressor will
not start or operates
intermittently.
a) X2 Relay on Control
Timer 1. Bad contacts. 1. Replace.Check for
continuity and replace.
2. Coil winding opened. 2. Replace Timer.
b) Starter 1. Bad contacts. 1. Check for continuity
and replace.
2. Coil winding opened. 2. Replace.
3. Loose Connections. 3. Tighten.
c) Start Capacitor or
Run Capacitor 1. Defective. 1. Replace.
d) Compressor 1. Loose connections. 1. Tighten.
2. Motor winding
opened or grounded. 2. Replace.
3. Motor Protector
tripped. 3. Find out the cause of
overheat or
overcurrent.
e) Power Supply 1. Circuit Ampacity too
low. 1. Install a larger-sized
conductor.
[7] Gear Motor and
Compressor start,
but no ice is
produced.
a) Refrigerant Line 1. Gas leaks. 1. Check for leaks with a
leak detector. Reweld
leak, replace drier and
charge with
refrigerant. The
amount of refrigerant
is marked on
Nameplate or Label.
2. Refrigerant line
clogged. 2. Replace the clogged
component.

52
2. LOW ICE PRODUCTION
PROBLEM POSSIBLE CAUSE REMEDY
[1] Low ice production a) Refrigerant Line 1. Gas leaks. 1. See "1. [5] a)
Refrigerant Line."
2. Refrigerant line
clogged. 2. Replace the clogged
component.
3. Overcharged. 3. Recharge.
b) High-side Pressure
Too High 1. Dirty Air Filter or
Condenser. 1. Clean.
2. Ambient or
condenser water
temperature too
warm.
2. Get cooler.
3. Condenser water
pressure too low or
off. [Water-cooled
model only]
3. Check and get
recommended
pressure.
4. Fan rotating too
slow. 4. See "3 [1] a) Fan
Motor."
5. Water Regulating
Valve clogged.
[Water-cooled model
only]
5. Clean.
6. Condensing unit out
of order. 6. Check condensing
unit.
c) Expansion Valve
(not adjustable) 1. Low-side pressure
too low. 1. Replace.
2. Low-side pressure
too high. 2. See if Expansion
Valve Bulb is mounted
properly, and replace
the valve if necessary.

53
3. OTHERS
PROBLEM POSSIBLE CAUSE REMEDY
[1] Abnormal noise a) Fan Motor 1. Bearing worn out. 1. Replace.
2. Fan blade deformed. 2. Replace fan blade.
3. Fan blade does not
move freely. 3. Replace.
b) Compressor 1. Bearings worn out,
or cylinder valve
broken.
1. Replace.
2. Mounting pad out of
position. 2. Reinstall.
c) Refrigerant Lines 1. Rub or touch lines or
other surfaces. 1. Replace.
d) Gear Motor (Ice
Making) 1. Bearing or Gear
worn out / damaged. 1. Replace.
e) Evaporator 1. Too much pressure
loss. 1. Replace.
2. Scale on inside wall
of Freezing Cylinder. 2. Remove Auger. Use
"SCALE AWAY" or
"LIME-A-WAY"
solution to clean
periodically. If the
water is found hard by
testing, install a
softener.
[2] Overflow from
Reservoir (Water
does not stop.)
a) Water Supply 1. Water pressure too
high. 1. Install a pressure
Reducing Valve
b) Control Water Valve 1. Diaphragm does not
close. 1. Clean or replace.
c) Float Switch 1. Bad contacts. 1. Check for continuity
and replace.
[3] Gear Motor Fuse
blown frequently. a) Power Supply
Voltage 1. Too high or too low. 1. Connect the unit to a
power supply of
proper voltage.
b) Ice Making Unit 1. Bearings or Auger
worn out. 1. Replace Bearing or
Auger.
c) Bin Control 1. Bad contacts. 1. Check for continuity
and replace.
2. Activator does not
move freely. 2. Clean Axle and its
corresponding holes
or replace Bin Control.

54
VI. REMOVAL AND REPLACEMENT OF COMPONENTS
1. SERVICE FOR REFRIGERANT LINES
[a] REFRIGERANT RECOVERY [EXCEPT F-1000MLF(-C)]
The icemaker unit is provided with two Refrigerant Access Valves - one on the low-side
and one on the high-side line. Using proper refrigerant practices recover the refrigerant
from the Access Valves and store it in an approved container. Do not discharge the refrig-
erant into the atmosphere.
[b] REFRIGERANT RECOVERY [F-1000MLF ONLY]
The refrigerant charge on the F-1000MLF is provided from the external Compressor Rack
Assembly. In the event that service is required on the F-1000MLF, close the Suction and
Liquid Line Shut-off Valves located at the rear of the unit. Attach the Service Manifold
Hoses to the High-side, Low-side and Evaporator Pressure Regulator (E.P.R.) access ports
to purge or evacuate the unit. To recharge the system, simply open the Suction and Liquid
Line Shut-off Valves after evacuating the F-1000MLF.
[c] EVACUATION AND RECHARGE [R-404A]
1) Attach Charging Hoses, a Service Manifold and a Vacuum Pump to the system. Be
sure to connect Charging Hoses to both High-side and Low-side Access Valves.
IMPORTANT
The vacuum level and vacuum pump may be the same as those for current
refrigerants. However, the rubber hose and gauge manifold to be used for
evacuation and refrigerant charge should be exclusively for POE oils.
IMPORTANT
Ensure all components, fasteners and thumbscrews are securely in place
after the equipment is serviced.
IMPORTANT
1. The Polyol Ester (POE) oils used in R-404A units can absorb moisture
quickly. Therefore it is important to prevent moisture from entering the
system when replacing or servicing parts.
2. Always install a new filter drier every time the sealed refrigeration sys-
tem is opened.
3. Do not leave the system open for longer than 15 minutes when replac-
ing or servicing parts.

55
2) Turn on the Vacuum Pump. Never allow the oil in the Vacuum Pump to flow backward.
3) Allow the Vacuum Pump to pull down to a 29.9" Hg vacuum. Evacuating period de-
pends on pump capacity.
4) Close the Low-side Valve and High-side Valve on the Service Manifold.
5) Disconnect the Vacuum Pump, and attach a Refrigerant Service Cylinder to the
High-side line. Remember to loosen the connection, and purge the air from the
Hose. See the Nameplate for the required refrigerant charge. Hoshizaki recom-
mends only virgin refrigerant or reclaimed refrigerant which meets ARI Standard
No. 700-88 be used.
6) A liquid charge is recommended for charging an R-404A system. Invert the Service
Cylinder. Open the High-side, service manifold Valve.
7) Allow the system to charge with liquid until the pressures balance.
8) If necessary, add any remaining charge to the system through the Low-side. Use a
throttling valve or liquid dispensing device to add the remaining liquid charge
through the Low-side access port with the unit running.
9) Close the two Refrigerant Access Valves, and disconnect the Hoses and Service
Manifold.
10) Cap the Access Valves to prevent a possible leak.
2. BRAZING DANGER
1. Refrigerant R-404A itself is not flammable at atmospheric pressure and
temperatures up to 176° F.
2. Refrigerant R-404A itself is not explosive or poisonous. However, when
exposed to high temperatures (open flames) R-404A can be decom-
posed to form hydrofluoric acid and carbonyl fluoride both of which are
hazardous.
3. Always recover the refrigerant and store it in an approved container. Do
not discharge the refrigerant into the atmosphere.
4. Do not use silver alloy or copper alloy containing Arsenic.
5. Do not use R-404A as a mixture with pressurized air for leak testing.
Refrigerant leaks can be detected by charging the unit with a little refrig-
erant, raising the pressure with nitrogen and using an electronic leak
detector.

56
3. REMOVAL AND REPLACEMENT OF COMPRESSOR
IMPORTANT
Always install a new Drier every time the sealed refrigeration system is
opened. Do not replace the Drier until after all other repairs or replacement
have been made.
1) Turn off the power supply, and remove the panels.
2) Remove the Terminal Cover on the Compressor, and disconnect the Compressor
Wiring.
3) Recover the refrigerant and store it in an approved container, if required by an applicable
law.
4) Remove the Discharge, Suction and Access Pipes from the Compressor using brazing
equipment.
WARNING
When repairing a refrigerant system, be careful not to let the burner flame
contact any electrical wires or insulation.
5) Remove the Bolts and Rubber Grommets.
6) Slide and remove the Compressor. Unpack the new Compressor package. Install the
new Compressor.
7) Attach the Rubber Grommets of the prior Compressor.
8) Sandpaper the Discharge, Suction and Access Pipes.
9) Place the Compressor in position, and secure it using the Bolts.
10) Remove plugs from the Discharge, Suction and Access Pipes.
11) Braze the Access, Suction and Discharge lines (Do not change this order), while purging
with nitrogen gas flowing at the pressure of 3-4 PSIG.
12) Install the new Drier.
13) Check for leaks using nitrogen gas (140 PSIG) and soap bubbles.

57
14) Evacuate the system, and charge it with refrigerant. For the air-cooled and water-cooled
models, see the Nameplate for the required refrigerant charge and type. For the remote
air-cooled models, see the label on the Control Box.
15) Connect the Terminals to the Compressor, and replace the Terminal Cover in its correct
position.
16) Replace the panels in their correct position, and turn on the power supply.
4. REMOVAL AND REPLACEMENT OF DRIER
IMPORTANT
Always install a new Drier every time the sealed refrigeration system is
opened. Do not replace the Drier until after all other repairs or replacement
have been made.
1) Turn off the power supply, and remove the panels.
2) Recover the refrigerant and store it in an approved container, if required by an applicable
law.
3) Remove the Drier using brazing equipment.
4) Install the new Drier with the arrow on the Drier in the direction of the refrigerant flow.
Use nitrogen gas at the pressure of 3-4 PSIG when brazing the tubings.
5) Check for leaks using nitrogen gas (140 PSIG) and soap bubbles.
6) Evacuate the system, and charge it with refrigerant. For the air-cooled and water-cooled
models, see the Nameplate for the required refrigerant charge and type. For the remote
air-cooled models, see the label on the Control Box.
7) Replace the panels in their correct position, and turn on the power supply.

58
5. REMOVAL AND REPLACEMENT OF EXPANSION VALVE
IMPORTANT
Sometimes moisture in the refrigerant circuit exceeds the Drier capacity and
freezes up at the Expansion Valve. Always install a new Drier every time the
sealed refrigeration system is opened. Do not replace the Drier until after all
other repairs or replacement have been made.
1) Turn off the power supply, and remove the panels.
2) Recover the refrigerant and store it in an approved container, if required by an applicable
law.
3) Remove the Expansion Valve Bulb at the Evaporator outlet.
4) Remove the Expansion Valve Cover, and remove the Expansion Valve using brazing
equipment.
5) Braze the new Expansion Valve with nitrogen gas flowing at the pressure of 3-4 PSIG.
WARNING
Always protect the valve body by using a damp cloth to prevent the valve from
overheating. Do not braze with the valve body exceeding 250°F.
6) Install the new Drier.
7) Check for leaks using nitrogen gas (140 PSIG) and soap bubbles.
8) Evacuate the system. Charge it with refrigerant. For the air-cooled and water-cooled
models, see the Nameplate for the required refrigerant charge and type. For the remote
air-cooled models, see the label on the Control Box.
9) Attach the Bulb to the suction line. Be sure to secure the Bulb using a band and to
insulate it.
10) Place the new set of Expansion Valve Covers in position.
11) Replace the panels in their correct position, and turn on the power supply.

59
6. REMOVAL AND REPLACEMENT OF WATER REGULATING VALVE -
WATER-COOLED MODEL ONLY
IMPORTANT
Always install a new Drier every time the sealed refrigeration system is
opened. Do not replace the Drier until after all other repairs or replacement
have been made.
1) Turn off the power supply, remove the panels and close the Water Supply Line Shut-
off Valve.
2) Recover the refrigerant and store it in an approved container.
3) Disconnect the Capillary Tube using brazing equipment.
4) Disconnect the Flare-connections of the valve.
5) Remove the screws and the valve from the Bracket.
6) Install the new valve, and braze the Capillary Tube.
7) Install the new Drier.
8) Check for leaks using nitrogen gas (140 PSIG) and soap bubbles.
9) Connect the Flare-connections.
10) Evacuate the system, and charge it with refrigerant. See the Nameplate for the required
refrigerant charge and type.
11) Open the Water Supply Line Shut-off Valve, and turn on the power supply.
12) Check for water leaks.
13) See “IV. 1. ADJUSTMENT OF WATER REGULATING VALVE.” If necessary, adjust
the valve.
14) Replace the panels in their correct position.

60
7. REMOVAL AND REPLACEMENT OF CONDENSING PRESSURE
REGULATOR (C.P.R.) - REMOTE AIR-COOLED MODEL ONLY
IMPORTANT
Always install a new Drier every time the sealed refrigeration system is
opened. Do not replace the Drier until after all other repairs or replacement
have been made.
1) Turn off the power supply.
2) Remove the panels from the remote condenser unit.
3) Recover the refrigerant and store it in an approved container.
4) Remove the C.P.R. using brazing equipment.
5) Braze the new C.P.R. with nitrogen gas flowing at the pressure of 3 - 4 PSIG.
WARNING
Always protect the C.P.R. body by using a damp cloth to prevent the C.P.R.
from overheating. Do not braze with the C.P.R. body exceeding 250°F.
6) Install the new Drier in the icemaker.
7) Check for leaks using nitrogen gas (140 PSIG) and soap bubbles.
8) Evacuate the system and
charge it with refrigerant.
See the label on the Control
Box in the icemaker.
9) Replace the panels in their
correct position.
10) Turn on the power supply.
61
8. REMOVAL AND REPLACEMENT OF EVAPORATOR ASSEMBLY
1) Turn off the power supply.
2) Remove the panels.
3) Move the Flush Switch to the "FLUSH" position.
4) Turn on the power supply and drain out all water from the water line.
5) Turn off the power supply.
6) Remove the Band connecting the Spout with the Chute Assembly.
7) Remove the three Thumbscrews and take off the Spout from the Evaporator.
CUTTER
8) Remove the Bolt and lift off the Cutter.
9) Remove the Rubber O-ring and the Nylon Ring at the top of the Evaporator.
EXTRUDING HEAD
10) Remove the four Socket Head Cap Screws and lift off the Extruding Head.
11) Replace the Bearing inside the Extruding Head, if it exceeds the wear tolerance of 0.02"
or is scratched.
Note: Replacing the Bearing requires a bearing press adaptor. If it is not available,
replace the whole Extruding Head.
AUGER
12) Lift off the Auger. If the area in contact with the Bearing is worn out or the Blade
scratched, replace the Auger.
EVAPORATOR
Note: Skip the following steps 13) through 15) when the Evaporator does not need
replacement.

62
13) Recover the refrigerant and store it in an approved container, if required by an applicable
law.
IMPORTANT
Always install a new Drier every time the sealed refrigeration system is
opened. Do not replace the Drier until after all other repairs or replacement
have been made.
14) Remove the Bulb of the Expansion Valve.
15) Disconnect the brazing-connections of the Expansion Valve and the Copper Tube - Low
Side from the Evaporator, using brazing equipment.
16) Remove the two Truss Head Machine Screws and the Strap securing the Evaporator.
17) Disconnect the three Hoses from the Evaporator.
18) Remove the four Socket Head Cap Screws securing the Evaporator with the Bearing-
Lower.
19) Lift off the Evaporator.
BEARING-LOWER AND MECHANICAL SEAL
20) The Mechanical Seal consists of two parts. One moves along with the Auger, and the
other is fixed on the Bearing-Lower. If the contact surfaces of these two parts are worn
or scratched, the Mechanical Seal may cause water leaks and should be replaced.
21) Remove the O-ring on the Bearing-Lower.
22) Remove the four Bolts and the Bearing-Lower from the Gear Motor. Replace the
Bearing inside the Bearing-Lower, if it exceeds the wear tolerance of 0.02" or is
scratched.
Note: Replacing the Bearing requires a bearing press adaptor. If it is not available,
replace the whole Bearing-Lower.
GEAR MOTOR
23) Remove the Coupling-Spline on the Gear Motor Shaft.
24) Remove the Barrier on the top of the Gear Motor.

63
25) Remove the three Socket Head Cap Screws securing the Gear Motor.
26) Assemble the removed parts in the reverse order of the above procedure.
WARNING
Be careful not to scratch the surface of the O-ring, or it may cause water leaks.
Handle the Mechanical Seal with care not to scratch nor to contaminate its
contact surface.
27) When replacing the Evaporator;
(a) Braze the new Evaporator with nitrogen gas flowing at the pressure of 3-4 PSIG.
(b) Replace the Drier.
(c) Check for leaks using nitrogen gas (140 PSIG) and soap bubbles.
(d) Evacuate the system. Charge it with refrigerant. For the air-cooled and water-
cooled models, see the Nameplate for required refrigerant charge and type. For
the remote air-cooled models, see the label on the Control Box.
28) Move the Flush Switch to the “ICE” position.
29) Replace the panels in their correct position.
30) Turn on the power supply.

64
Auger
Mechanical
Seal
O-ring
Bearing
- Lower
Bolt
Washer
Coupling
- Spline
Rubber O-ring
Nylon Ring
Bolt
Washer
Cutter
Extruding
Head
Washer
Socket Head
Cap Screw
Evaporator
Washer
Socket Head
Cap Screw
Barrier
Gear Motor
65
9. REMOVAL AND REPLACEMENT OF FAN MOTOR
1) Turn off the power supply and remove the panels.
2) Remove the wire connectors from the Fan Motor leads.
3) Remove the Fan Motor Bracket and Fan Motor.
4) Install the new Fan Motor.
5) Replace the Fan Motor Bracket and the wire connectors.
6) Replace the panels in their correct position, and turn on the power supply.
10. REMOVAL AND REPLACEMENT OF CONTROL WATER VALVE
1) Turn off the power supply, remove the panels and close the Water Supply Line Shut-
off Valve.
2) Disconnect the Terminals from the Control Water Valve.
3) Loosen the Fitting Nut on the Control Water Valve Inlets, and remove the Control Water
Valve. Do not lose the Packings inside the Fitting Nut.
4) Remove the Water Supply Hose from the Control Water Valve.
5) Install the new Control Water Valve.
6) Assemble the removed parts in the reverse order of the above procedure.
7) Open the Water Supply Line Shut-off Valve.
8) Check for water leaks.
9) Replace the panels in their correct position, and turn on the power supply.
66
11. REMOVAL AND REPLACEMENT OF FLUSH WATER VALVE
1) Turn off the power supply, remove the panels and close the Water Supply Line Shut-
off Valve.
2) Remove the Clamp and disconnect the Hose from the Flush Water Valve.
Note: Water may still remain inside the Evaporator. Be sure to drain the water into the
Drain Pan.
3) Disconnect the Terminals from the Flush Water Valve.
4) Remove the Flush Water Valve from the Bracket.
5) Remove the Drain Pipe from the Flush Water Valve.
6) Connect the Drain Pipe to the new Flush Water Valve, and place the valve in position.
7) Connect the Hose to the Flush Water Valve and secure it with the Clamp.
8) Pour water into the Reservoir, and check for water leaks on the Flush Water Valve.
9) Open the Water Supply Line Shut-off Valve, and turn on the power supply.
10) Move the Flush Switch to the “ICE” position.
11) Check for water leaks.
12) Move the Flush Switch to the “FLUSH” position, and make sure water is flushing.
13) Move the Flush Switch to the “ICE” position.
14) Replace the panels in their correct position.

67
VII. MAINTENANCE AND CLEANING INSTRUCTIONS
IMPORTANT
Ensure all components, fasteners and thumbscrews are securely in place after
any maintenance or cleaning is done to the equipment.
1. PREPARING THE ICEMAKER FOR LONG STORAGE
WARNING
When shutting off the icemaker for an extended time, drain out all water from the
water line and remove the ice from the Storage Bin. The Storage Bin should be
cleaned and dried. Drain the icemaker to prevent damage to the water supply
line at sub-freezing temperatures, using air or carbon dioxide. Shut off the
icemaker until the proper ambient temperature is resumed.
[Air-cooled and Remote Air-cooled Models]
1) Run the icemaker with the Water Supply Line Shut-off Valve closed.
2) Open the Drain Valve and blow out the water inlet line by using air pressure.
3) Turn off the power supply.
4) Remove the Front Panel.
5) Move the Flush Switch on the Control Box to the
“FLUSH” position.
6) Turn on the power supply, and then drain out all
water from the water line.
7) Turn off the power supply.
8) Turn off the Power Switch on the Control Box.
9) Replace the Front Panel in its correct position.
10) Close the Drain Valve.
11) Remove all ice from the Storage Bin, and clean the bin.
68
[Water-cooled Models]
1) Turn off the power supply and wait for 3 minutes.
2) Turn on the power supply and wait for 20 seconds.
3) Close the Water Supply Line Shut-off Valve.
4) Open the Drain Valve and quickly blow the water supply line from the Drain Valve to drain
water in the Condenser.
5) Follow the above steps 3) through 11) in [Air-cooled and Remote Air-cooled Models].

69
2. CLEANING INSTRUCTIONS
IMPORTANT
Ensure all components, fasteners and thumbscrews are securely in place after
any maintenance or cleaning is done to the equipment.
WARNING
1. HOSHIZAKI recommends cleaning this unit at least once a year. More
frequent cleaning, however, may be required in some existing water
conditions.
2. To prevent injury to individuals and damage to the icemaker, do not use
ammonia type cleaners.
3. Always wear liquid-proof gloves for safe handling of the cleaning and
sanitizing solution. This will prevent irritation in case the solution comes
into contact with skin.
<STEP 1>
Dilute the solutions with water as follows.
Cleaning solution: 4.8 fl. oz. of recommended cleaner Hoshizaki “Scale Away” or
“LIME-A-WAY” (Economics Laboratory, Inc.) with 0.8 gal. of water.
This is a minimum amount. Make more solution, if necessary.
Sanitizing solution: 2.5 fl. oz. of a 5.25% sodium hypochlorite solution (chlorine bleach)
with 5 gal. of water.
IMPORTANT
For safety and maximum effectiveness, use the solution immediately after
dilution.
<STEP 2>
Use the cleaning solution to remove lime deposits in the water system.
1) Turn off the power supply.
2) Close the Water Supply Line Shut-off Valve.
3) Remove all ice from the Storage Bin.
4) Remove the Front Panel and the Top Panel.
5) Move the Flush Switch to the “FLUSH” position.
70
6) Turn on the power supply and drain out all water from the water line.
7) Turn off the power supply.
8) Remove the Control Water Valve by releasing the Fitting Nut. Do not lose the Packing.
9) Remove the Cover of the Reservoir.
10) Fill the Reservoir with the cleaning solution.
11) Replace the Cover of the Reservoir and the Control Water Valve in their correct position.
Note: This unit is designed to start operating when the Reservoir is filled with water.
12) Move the Flush Switch to the “ICE” position.
13) Replace the Top Panel and the Front Panel in their correct position.
14) Allow the icemaker to set for about 10 minutes before the operation. Then, turn on the
power supply, and make ice using the solution until the icemaker stops icemaking.
15) Remove the Front Panel.
16) Move the Flush Switch to the “FLUSH” position to drain the cleaning solution.
17) Move the Flush Switch to the “ICE” position.
18) Replace the Front Panel in its correct position.
19) Open the Water Supply Line Shut-off Valve, and supply water to the Reservoir.
20) Turn off the power supply when the Gear Motor starts.
21) Drain out all water from the water line. See 4) through 7).
<STEP 3>
Use 3/4 gal. of the sanitizing solution to sanitize the icemaker.
1) Close the Water Supply Line Shut-off Valve.
2) Remove the Control Water Valve by releasing the Fitting Nut.
3) Remove the Cover of the Reservoir.
4) Fill the Reservoir with the sanitizing solution.

71
5) Replace the Cover of the Reservoir and the Control Water Valve in their correct position.
6) Move the Flush Switch to the “ICE” position.
7) Replace the Top Panel and the Front Panel in their correct position.
8) Allow the icemaker to set for about 10 minutes before the operation. Then, turn on the
power supply, and make ice using the solution until the icemaker stops icemaking.
9) Remove the Front Panel.
10) Move the Flush Switch to the “FLUSH” position to drain the sanitizing solution.
11) Move the Flush Switch to the “ICE” position.
12) Replace the Front Panel in its correct position.
13) Open the Water Supply Line Shut-off Valve, and supply water to the Reservoir.
14) Turn off the power supply when the Gear Motor starts.
15) Drain out all water from the water line. See 4) through 7) in STEP 2.
16) Move the Flush Switch to the “ICE” position.
<STEP 4>
Use the sanitizing solution to sanitize removed parts.
1) Remove the Thumbscrew securing the Bin Control Switch on the Chute Assembly.
2) Remove the Band connecting the Spout with the Chute Assembly, and take out the
Chute Assembly from the icemaker.
3) Remove the Gasket at the bottom of the Ice Chute and another at the Spout.
4) Remove the three Ties and the Insulation of the Chute.
5) Remove the six Wing Nuts and two Baffles.
IMPORTANT
When installing the Baffles, make sure that the bent surface (the one without
the studs) faces the Activator so that the bent surface can guide the ice to the
center of the Activator.

72
6) Remove the two Thumbscrews, Plate, and Gasket at the top of the Ice Chute, and then
remove the Bin Control Assembly by sliding it slightly toward the Spout and lifting it off.
7) Disassemble the Bin Control Assembly by removing the two Snap Pins, Shaft and
Activator.
8) Remove the three Thumbscrews and the Spout.
9) Remove the Rubber O-ring and Nylon Ring at the top of the Cylinder.
10) Soak or wipe the removed parts.
11) Rinse these parts thoroughly.
IMPORTANT
If the solution is left on these parts, they will rust.
12) Replace the removed parts and the panels.
13) Turn on the power supply and run the icemaker.
14) Turn off the power supply after 30 minutes.
15) Pour warm water into the Storage Bin to melt all ice, and then clean the Bin Liner with
the solution.
16) Flush out any solution from the Storage Bin.
17) Turn on the power supply and start the automatic icemaking process.
IMPORTANT
1. After cleaning, do not use ice made from the sanitizing solution. Be careful
not to leave any solution in the Storage Bin.
2. Follow carefully any instructions provided with the bottles of cleaning or
sanitizing solution.
3. Never run the icemaker when the Reservoir is empty.

73
3. MAINTENANCE
IMPORTANT
1. This icemaker must be maintained individually, referring to the instruction
manual and labels provided with the icemaker.
2. To have the optimum performance of this icemaker, the following consumable
parts need periodic inspection, maintenance and replacement:
Extruding Head
Housing
Gear Motor
Auger
Mechanical Seal
These parts should be inspected at least once a year or every 10,000 hours
of operation. Their service life, however, depends on water quality and
environment. More frequent inspection and maintenance are recommended.
Consult with your local distributor about inspection and maintenance
service. To obtain the name and phone number of your local distributor, call
Hoshizaki Technical Support at 1-800-233-1940.
1) Stainless Steel Exterior
To prevent corrosion, wipe the exterior occasionally with a clean and soft cloth. Use
a damp cloth containing a neutral cleaner to wipe off oil or dirt build up.
2) Storage Bin and Scoop
• Wash your hands before removing ice. Use the plastic scoop provided (Bin
accessory).
• The Storage Bin is for ice use only. Do not store anything else in the bin.
• Keep the scoop clean. Clean using a neutral cleaner and rinse thoroughly.
• Clean the bin liner using a neutral cleaner. Rinse thoroughly after cleaning. Wash
your hands before removing ice. Use the plastic scoop provided (Bin accessory).
74
3) Air Filter (Air-cooled model only)
A plastic mesh air filter removes dirt or dust from the air, and keeps the Condenser
from getting clogged. As the filter gets clogged, the icemaker’s performance will be
reduced. Check the filter at least twice a month. When clogged, use warm water and
a neutral cleaner to wash the filter.
4) Condenser (Except water-cooled model)
Check the Condenser once a year, and clean if required by using a brush or vacuum
cleaner. More frequent cleaning may be required depending on the location of the
icemaker.