Husqvarna 2754 Gls Users Manual OM, GLS, 96043004700, 2008 01, Ride Mower
2754 GLS HUSO2008_USen_O0802014_
2754 GLS to the manual 61789a60-3451-7854-f5d0-ffc0ba9d1eae
2015-01-24
: Husqvarna Husqvarna-2754-Gls-Users-Manual-317437 husqvarna-2754-gls-users-manual-317437 husqvarna pdf
Open the PDF directly: View PDF
.
Page Count: 48

2008-01
O0802014
2754 GLS
Operator's
Manual
Operator's Manual
Ride Mower
96043004700
03002

2
I. GENERAL OPERATION
• Read, understand, and follow all instructions on the
machine and in the manual before starting.
• Do not put hands or feet near rotating parts or under
the machine. Keep clear of the discharge opening at
all times.
• Only allow responsible adults, who are familiar with
the in structions, to operate the machine.
• Clear the area of objects such as rocks, toys, wire, etc.,
which could be picked up and thrown by the blades.
• Be sure the area is clear of bystanders before operat-
ing. Stop machine if anyone enters the area.
• Never carry passengers.
• Do not mow in reverse unless absolutely necessary.
Always look down and behind before and while back-
ing.
• Never direct discharged material toward anyone. Avoid
discharging material against a wall or obstruction.
Material may ricochet back toward the operator. Stop
the blades when crossing gravel surfaces.
SAFETY RULES
Safe Operation Practices for Ride-On Mowers
DANGER: THIS CUTTING MACHINE IS CAPABLE OF AMPUTATING HANDS AND FEET AND THROW ING OBJECTS. FAILURE
TO OBSERVE THE FOLLOWING SAFETY INSTRUCTIONS COULD RESULT IN SERIOUS INJURY OR DEATH.
WARNING: In order to prevent ac-
cidental starting when setting up,
transporting, ad justing or making
repairs, al ways dis connect spark plug
wire and place wire where it can not
contact spark plug.
WARNING: Do not coast down a hill
in neutral, you may lose control of
the tractor.
WARNING: Tow only the attachments
that are rec ommended by and comply
with spec ifications of the man ufacturer
of your tractor. Use common sense
when towing. Operate only at the low-
est possible speed when on a slope.
Too heavy of a load, while on a slope,
is dan gerous. Tires can lose trac tion
with the ground and cause you to lose
control of your tractor.
WARNING
Engine exhaust, some of its con stituents, and cer-
tain vehicle com ponents contain or emit chem icals
known to the State of Cal ifornia to cause can cer and
birth de fects or oth er re productive harm.
WARNING
Battery posts, terminals and related ac cessories
contain lead and lead compounds, chem icals known
to the State of Cal ifornia to cause can cer and birth
defects or oth er re productive harm. Wash hands
after handling.
• Do not operate machine without the entire grass catcher,
discharge guard, or other safety devices in place and
working.
• Slow down before turning.
• Never leave a running machine unattended. Always
turn off blades, set parking brake, stop engine, and
remove keys before dismounting.
• Disengage blades when not mowing. Shut off engine
and wait for all parts to come to a complete stop before
cleaning the machine, removing the grass catcher, or
unclogging the discharge guard.
• Operate machine only in daylight or good artificial
light.
• Do not operate the machine while under the influence
of alcohol or drugs.
• Watch for traffic when operating near or crossing
roadways.
• Use extra care when loading or unloading the machine
into a trailer or truck.
• Always wear eye protection when operating ma-
chine.
• Data indicates that operators, age 60 years and above,
are involved in a large percentage of riding mower-re-
lated injuries. These operators should evaluate their
ability to operate the riding mower safely enough to
protect them selves and others from serious injury.
• Follow the manufacturer's recommendation for wheel
weights or counterweights.
• Keep machine free of grass , leaves or other debris
build-up which can touch hot exhaust / engine parts
and burn. Do not allow the mower deck to plow leaves
or other debris which can cause build-up to occur.
Clean any oil or fuel spillage before operating or
storing the machine. Allow machine to cool before
storage.
II. SLOPE OPERATION
Slopes are a major factor related to loss of control and
tip-over accidents, which can result in severe injury or
death. Operation on all slopes requires extra caution. If
you cannot back up the slope or if you feel uneasy on it,
do not mow it.
• Mow up and down slopes, not across.
• Watch for holes, ruts, bumps, rocks, or other hidden
objects. Uneven terrain could overturn the machine.
Tall grass can hide obstacles.
• Choose a low ground speed so that you will not have
to stop or shift while on the slope.
• Do not mow on wet grass. Tires may lose traction.
Always keep the machine in gear when going down
slopes. Do not shift to neutral and coast downhill.
• Avoid starting, stopping, or turning on a slope. If the
tires lose traction, disengage the blades and proceed
slowly straight down the slope.
• Keep all movement on the slopes slow and gradual.
Do not make sudden changes in speed or direction,
which could cause the machine to roll over.
• Use extra care while operating machine with grass
catchers or other at tachments; they can affect the
stability of the machine. Do no use on steep slopes.
• Do not try to stabilize the machine by putting your foot
on the ground.
• Do not mow near drop-offs, ditches, or embankments.
The machine could suddenly roll over if a wheel is over
the edge or if the edge caves in.

3
• Be sure the area is clear of bystanders before operat-
ing. Stop machine if anyone enters the area.
• Never carry passengers.
• Do not mow in reverse unless absolutely necessary.
Always look down and behind before and while back-
ing.
• Never carry children, even with the blades shut off. They
may fall off and be seriously injured or interfere with
safe machine operation. Children who have been given
rides in the past may suddenly appear in the mowing
area for another ride and be run over or backed over
by the machine.
• Keep children out of the mowing area and in the watchful
care of a responsible adult other than the operator.
• Be alert and turn machine off if a child enters the
area.
• Before and while backing, look behind and down for
small children.
• Mow up and down slopes (15° Max), not across.
• Choose a low ground speed so that you will not have
to stop or shift while on the slope.
• Avoid starting, stopping, or turning on a slope. If the
tires lose traction, disengage the blades and proceed
slowly straight down the slope.
• If machine stops while going uphill, disengage blades,
shift into reverse and back down slowly.
• Do not turn on slopes unless necessary, and then, turn
slowly and gradually downhill, if possible.
SAFETY RULES
Safe Operation Practices for Ride-On Mowers
III. CHILDREN
Tragic accidents can occur if the operator is not alert to
the presence of children. Children are often attracted to
the ma chine and the mowing activity. Never assume that
children will remain where you last saw them.
• Keep children out of the mowing area and in the watchful
care of a responsible adult other than the operator.
• Be alert and turn machine off if a child enters the
area.
• Before and while backing, look behind and down for
small children.
• Never carry children, even with the blades shut off. They
may fall off and be seriously injured or interfere with
safe machine operation. Children who have been given
rides in the past may suddenly appear in the mowing
area for another ride and be run over or backed over
by the machine.
• Never allow children to operate the machine.
• Use extra care when approaching blind corners, shrubs,
trees, or other objects that may block your view of a
child.
IV. TOWING
• Tow only with a machine that has a hitch designed for
towing. Do not attach towed equipment except at the
hitch point.
• Follow the manufacturer's recommendation for weight
limits for towed equipment and towing on slopes.
• Never allow children or others in or on towed equip-
ment.
• On slopes, the weight of the towed equipment may
cause loss of traction and loss of control.
• Travel slowly and allow extra distance to stop.
V. SERVICE
SAFE HANDLING OF GASOLINE
To avoid personal injury or property damage, use extreme
care in handling gasoline. Gasoline is extremely flammable
and the vapors are explosive.
• Extinguish all cigarettes, cigars, pipes, and other
sources of ignition.
• Use only approved gasoline container.
• Never remove gas cap or add fuel with the engine
running. Allow engine to cool before refueling.
• Never fuel the machine indoors.
• Never store the machine or fuel container where there
is an open flame, spark, or pilot light such as on a water
heater or other appliances.
• Never fill containers inside a vehicle or on a truck or
trailer bed with plastic liner. Always place containers
on the ground away from your vehicle when filling.
• Remove gas-powered equipment from the truck or
trailer and refuel it on the ground. If this is not possible,
then refuel such equipment with a portable container,
rather than from a gasoline dispenser nozzle.
• Keep the nozzle in contact with the rim of the fuel tank or
container opening at all times until fueling is complete.
Do not use a nozzle lock-open device.
• If fuel is spilled on clothing, change clothing immedi-
ately.
• Never overfill fuel tank. Replace gas cap and tighten
securely.
GENERAL SERVICE
• Never operate machine in a closed area.
• Keep all nuts and bolts tight to be sure the equipment
is in safe working condition.
• Never tamper with safety devices. Check their proper
operation regularly.
• Keep machine free of grass, leaves, or other debris
build-up. Clean oil or fuel spillage and remove any
fuel-soaked debris. Allow machine to cool before
storing.
• If you strike a foreign object, stop and inspect the
machine. Repair, if necessary, before restarting.
• Never make any adjustments or repairs with the engine
running.
• Check grass catcher components and the discharge
guard frequently and replace with manufacturer's rec-
ommended parts, when necessary.
• Mower blades are sharp. Wrap the blade or wear
gloves, and use extra caution when servicing them.
• Check brake operation frequently. Adjust and service
as required.
• Maintain or replace safety and instruction labels, as
necessary.

4
TABLE OF CONTENTS
PRODUCT SPECIFICATIONS
Gasoline Capacity 4 Gallons
and type: Unleaded Regular
Oil Type (API-SG-SL): SAE 30 (above 32°F)
SAE 5W-30 (below 32°F)
Oil Capacity: W/ Filter: 64 oz.
W/O Filter: 60 oz.
Spark Plug: Champion QC12YC
(Gap: .040")
Ground Speed (MPH): Forward: 0 – 5.8
Reverse: 0 – 2.1
Charging System: 16 AMPS @ 3600 RPM
Battery: AMP/HR: 28
MIN. CCA: 230
Case Size: U1R
Blade Bolt Torque: 45-55 FT. LBS.
CONGRATULATIONS on your purchase of a new tractor.
It has been designed, engineered and manu factured to give
you the best possible dependability and performance.
Should you experience any problem you cannot easily rem-
edy, please contact your nearest authorized servicecenter/
department We have competent, well-trained tech nicians
and the proper tools to service or repair this tractor.
Please read and retain this manual. The instructions will
enable you to assemble and maintain your tractor prop erly.
Always observe the “SAFETY RULES”.
CUSTOMER RESPONSIBILITIES
• Read and observe the safety rules.
• Follow a regular schedule in maintaining, caring for
and using your tractor.
• Follow the instructions under “Maintenance” and “Stor-
age” sec tions of this own er’s manual.
WARNING: This tractor is equipped with an internal com-
bustion engine and should not be used on or near any un-
improved forest-covered, brush-covered or grass-cov ered
land unless the en gine’s exhaust system is equipped with
a spark arrester meeting ap plicable local or state laws (if
any). If a spark arrester is used, it should be maintained
in effective working order by the operator.
In the state of California the above is required by law
(Section 4442 of the California Public Resources Code).
Other states may have similar laws. Federal laws apply
on federal lands.
A spark arrester for the muffler is available through your
nearest authorized service center/department (See RE PAIR
PARTS section of this manual).
SAFETY RULES .........................................................2-3
PRODUCT SPECIFICATIONS ....................................... 4
CUSTOMER RESPONSIBILITIES ................................. 4
ASSEMBLY .................................................................6-9
OPERATION ...........................................................10-16
MAINTENANCE SCHEDULE ...................................... 17
MAINTENANCE ..................................................... 17-20
SERVICE AND AD JUSTMENTS ............................21-25
STORAGE .................................................................... 26
TROUBLESHOOTING ............................................ 27-28
REPAIR PARTS ......................................................29-44
WARRANTY .............................................BACK COVER

5
UNASSEMBLED PARTS
(2) Keys
Slope Sheet
Keys
Mower
(1) Wheel
(5) Large Retainer
Springs - 7/16
(2) Smaller Retainer
Springs - 5/16
(1) Locknut
3/8-16
(1) Oil Drain Tube
For Future Use
(1) Shoulder Bolt
Mower Front Wheel
(1) 3/4 O.D. Washers
(1) Anti-Sway Bar
(1) Front Link
Assembly
(1) 1-1/4 O.D. Washer
(5) 1-3/16 O.D. Washers
(2) Rear Lift Link
Assemblies

6
ASSEMBLY
FIG. 1
02931
CHECK BATTERY (See Fig. 1)
• Lift hood to raised position.
NOTE: If this battery is put into service after month and year
indicated on label (L) (label is located between terminals)
charge battery for minimum of one hour at 6-10 amps.
(See "BATTERY" in Maintenance section of this manual
for charging instructions).
L
FIG. 2
ADJUST SEAT (See Fig. 2)
• Sit in seat.
• Lift up adjustment lever (A) and slide seat until a com-
fortable position is reached which allows you to press
clutch/brake pedal all the way down.
• Release lever to lock seat in position.
NOTE: You may now roll or drive your tractor off the skid.
Follow the ap propriate instruction below to remove the
tractor from the skid.
WARNING: Before start ing, read, un derstand and fol low
all in structions in the Op eration section of this man ual. Be
sure tractor is in a well-ventilated area. Be sure the area in
front of tractor is clear of other peo ple and objects.
TO ROLL TRACTOR OFF SKID (See Op-
eration section for location and function of
controls)
• Raise attachment lift lever to its highest po sition.
• Release parking brake by de pressing brake ped al.
• Place freewheel control in dis engaged po sition to dis-
engage trans mission (See “TO TRANS PORT” in the
Operation section of this manual).
• Roll tractor forward off skid.
TO DRIVE TRAC TOR OFF SKID (See Op-
eration section for location and function of
controls)
• Be sure all the above assembly steps have been com-
pleted.
• Check engine oil level and fill fuel tank with gasoline.
• Place freewheel control in "trans mission en gaged"
position (see "TO TRANSPORT" in Op eration section
of this manual).
• Sit on seat in operating position, depress clutch/brake
pedal and set the parking brake.
• Place motion control lever in neutral (N) position.
• Press lift lever plunger and raise attachment lift lever
to its highest position.
• Remove key from bag and start the engine (see "TO
START ENGINE" in the Operation section of this
manual). After engine has started, move throttle control
to idle (slow) position.
• Release parking brake.
• Slowly move the mo tion control lever for ward and slowly
drive tractor off skid.
• Apply brake to stop trac tor, set park ing brake and place
motion con trol lever in neutral po sition.
• Turn ignition key to "STOP" position.
Continue with the in structions that follow.
A
Your new tractor has been assembled at the factory with exception of those parts left unassembled for shipping pur-
poses.
TOOLS REQUIRED FOR ASSEMBLY
A socket wrench set will make assembly easier. Stan dard
wrench sizes are listed.
(1) 3/4" wrench (1) Utility knife
(1) 9/16" wrench (1) Pliers
(1) Tire Pressure Gauge
When right or left hand is mentioned in this man ual, it means
from your point of view, when you are in the operating
position (seated be hind the steer ing wheel).
TO REMOVE TRACTOR FROM
CARTON
UNPACK CARTON
• Remove all accessible loose parts and parts cartons
from carton .
• Cut along dashed lines on all four panels of carton.
Remove end panels and lay side panels flat.
• Remove mower and packing materials.
• Check for any additional loose parts or cartons and
remove.

7
ASSEMBLY
INSTALL MOWER AND DRIVE BELT
(See Figs. 4-12)
See MOWER AND DRIVE BELT ASSEMBLY Supplement
Sheet for additional guidance on this assembly.
Be sure tractor is on level surface and engage park ing
brake.
• Lower attachment lift lever to it's lowest position.
CAUTION: Lift lever is spring loaded. Have
a tight grip on lift lever, lower it slowly and
engage in lowest position.
• Turn steering wheel to the left as far as it will go and
position mower on right side of tractor with deflector
shield to the right.
• Remove plastic tie securing belt, bring belt forward
and check belt for proper routing in all mower pulley
grooves.
- Pivot bar towards you and insert other end of bar
into hole in rear mower bracket (D). Move mower
as needed to insert bar.
- Secure with washer and retainer spring as shown
using small 5/16 retainer spring.
NOTE: Be sure mower side suspension arms (A) are point-
ing forward before sliding mower under tractor.
• Slide mower under tractor until it is centered under
tractor.
• FIRST INSTALL ANTI-SWAY BAR (S).
- From right side of mower, insert anti-sway bar into
hole in transmission bracket (T).
02965
02051
A
02996
D
ASSEMBLE FRONT WHEEL TO
MOWER (See Fig. 3)
• Using shoulder bolt, washer and locknut from parts
bag, as semble front wheel to mower as shown. Tighten
securely.
FIG. 3
FIG. 4
FIG. 5
FIG. 6
FIG. 7
02995
S
T
A

8
ASSEMBLY
• ATTACH REAR LIFT LINKS (C) - Insert rod end of lift
link assembly into hole in tractor lift shaft suspension
arm (L) and pivot link down to mower. Lift rear corner
of mower and position slot in link assembly over pin on
rear mower bracket (D) and secure with washer and
retainer spring.
• Repeat on opposite side of tractor.
• ATTACH MOWER SIDE SUSPENSION ARMS (A) TO
CHASSIS - Position hole in arm over pin (B) on outside
of tractor chassis and secure with washer and retainer
spring.
• Repeat on opposite side of tractor.
• Turn steering wheel to position wheels straight for-
ward.
• ATTACH FRONT LINK (E) - Work from left side of
tractor. Insert rod end of link assembly through front
hole in tractor front suspension bracket (F) and secure
with7/16 retainer spring (G) through hole in link located
behind the bracket.
• Insert other end of link (E) into hole in front mower
bracket (H) and secure with washer and 5/16 retainer
spring (J).
• Disengage belt tension rod (K) from locking bracket
(L).
• Install belt onto engine clutch pulley (M).
IMPORTANT: Check belt for proper routing in all mower
pulley grooves.
A
B
D
C
B
H
E
F
M
L
A
K
S
FIG. 8
FIG. 9
FIG. 10
FIG. 11
E
F
H
G
J
C
D
L

9
ASSEMBLY
CHECK TIRE PRESSURE
The tires on your tractor were overinflated at the factory
for shipping purposes. Correct tire pressure is important
for best cutting performance.
• Reduce tire pressure to PSI shown on tires.
CHECK DECK LEVELNESS
For best cutting results, mower housing should be prop-
erly leveled. See “TO LEVEL MOWER HOUSING” in the
Service and Adjustments section of this manual.
CHECK FOR PROPER POSITION OF ALL
BELTS
See the figures that are shown for replacing motion and
mower blade drive belts in the Service and Adjustments
section of this manual. Verify that the belts are routed
correctly.
CHECK BRAKE SYSTEM
After you learn how to operate your tractor, check to see that
the brake is operating properly. See “TO CHECK BRAKE”
in the Service and Adjustments section of this manual.
✓CHECKLIST
BEFORE YOU OPERATE YOUR NEW TRAC TOR, WE
WISH TO ASSURE THAT YOU RECEIVE THE BEST
PERFORMANCE AND SATISFACTION FROM THIS
QUALITY PRODUCT.
PLEASE REVIEW THE FOLLOWING CHECKLIST:
✓ All assembly instructions have been com pleted.
✓ No remaining loose parts in carton.
✓ Battery is properly prepared and charged.
✓ Seat is adjusted comfortably and tightened securely.
✓ All tires are properly inflated. (For shipping purposes,
the tires were overinflated at the factory).
✓ Be sure mower deck is properly leveled side-to-side/
front-to-rear for best cutting results. (Tires must be
properly inflated for leveling).
✓ Check mower and drive belts. Be sure they are routed
properly around pulleys and inside all belt keepers.
✓ Check wiring. See that all connections are still secure
and wires are properly clamped.
✓ Before driving tractor, be sure free wheel control is in
“transmission engaged” position (see “TO TRANS-
PORT” in the Operation section of this man ual).
WHILE LEARNING HOW TO USE YOUR TRACTOR, PAY
EXTRA ATTENTION TO THE FOLLOWING IMPORTANT
ITEMS:
✓ Engine oil is at proper level.
✓ Fuel tank is filled with fresh, clean, regular unleaded
gasoline.
✓ Become familiar with all controls, their location and
function. Operate them before you start the engine.
✓ Be sure brake system is in safe operating condition.
✓ Be sure Operator Presence System and Reverse Op-
eration System (ROS) are working properly (See the
Operation and Maintenance sections in this manual).
✓ It is important to purge the transmission before op-
erating your tractor for the first time. Follow proper
starting and transmission purging instructions (See
“TO START EN GINE” and “PURGE TRANSMISSION”
in the Op eration section of this manual).
M
• Engage belt tension rod (K) on locking bracket (L).
CAUTION: Belt tension rod is spring
loaded. Have a tight grip on rod and en-
gage slowly.
• Raise attachment lift lever to highest position.
• If necessary, adjust gauge wheels before op erating
mower as shown in the Operation section of this
manual.
FIG. 12

10
OPERATION
These symbols may appear on your tractor or in literature supplied with the product. Learn and understand their mean-
ing.
DANGER, KEEP HANDS
AND FEET AWAY
FREE WHEEL
(Automatic Models only)
KEEP AREA CLEAR SLOPE HAZARDS
15
15
(SEE SAFETY RULES SECTION)
BATTERY REVERSE FORWARD
FAST SLOW
ENGINE ON
ENGINE OFF
FUEL
CHOKE
MOWER HEIGHT
REVERSE NEUTRAL HIGH LOW
ATTACHMENT
CLUTCH ENGAGED
PARKING BRAKE
IGNITION SWITCH
ATTACHMENT
CLUTCH DISENGAGED
ENGINE START MOWER LIFT
Failure to follow instructions
could result in serious injury or
death. The safety alert symbol
is used to identify safety inform-
ation about hazards which can
result in death, serious injury
and/or property damage.
DANGER indicates a hazard which, if not avoided,
will result in death or serious injury.
WARNING indicates a hazard which, if not avoided,
could result in death or serious injury.
CAUTION indicates a hazard which, if not avoided,
might result in minor or moderate injury.
CAUTION when used without the alert symbol,
indicates a situation that could result in damage
to the tractor and/or engine.
FIRE indicates a hazard which, if not avoided,
could result in death, serious injury and/or
property damage.
HOT SURFACES indicates a hazard which,
if not avoided, could result in death, serious injury
and/or property damage.
REVERSE
OPERATION
SYSTEM (ROS)
LIGHTS ON CLUTCH/BRAKE
PEDAL
CRUISE CONTROL

11
OPERATION
KNOW YOUR TRACTOR
READ THIS OWNER'S MANUAL AND SAFETY RULES BEFORE OPERATING YOUR TRACTOR
Compare the illustrations with your tractor to familiarize yourself with the locations of various controls and ad justments.
Save this manual for future reference.
Our tractors conform to the applicable safety standards of the American National Standards Institute.
FIG. 13
(A) ATTACHMENT LIFT LEVER – Used to raise and lower
the mower or other attachments mounted to your trac tor.
(B) CLUTCH/BRAKE PEDAL – Used for declutching and
braking the tractor and starting the engine.
(C) PARKING BRAKE – Locks clutch/brake pedal into the
brake position.
(D) THROTTLE CONTROL – Used to control engine
speed.
(E) ATTACHMENT CLUTCH SWITCH – Used to engage
the mow er blades, or other at tachments mounted to your
tractor.
(F) IGNITION SWITCH – Used for starting and stopping
the engine.
(G) REVERSE OPERATION SYSTEM (ROS) "ON" PO-
SITION – Allows operation of mower or other powered
attachment while in reverse.
(H) LIGHT SWITCH – Turns the headlights on and off.
(J) MOTION CONTROL LEVER - Selects the speed and
direction of the tractor.
(M) FREEWHEEL CONTROL – Disengages transmission
for pushing or slowly tow ing the trac tor with the engine
off.
(N) CHOKE CONTROL – Used when starting a cold
engine.
(P) SERVICE REMINDER / HOUR METER – Indicates when
service is required for the engine and mower.
(Q) 12-VOLT POWER PORT – Used for 12-volt acces-
sories.
E
A
N
BF
C
H
G
P
D
M
J
Q

12
OPERATION
FIG. 14
TO USE CHOKE CONTROL - N (See Fig. 16)
Use choke control whenever you are starting a cold engine.
Do not use to start a warm engine.
• To engage choke control, pull knob out. Slowly push
knob in to disengage.
The operation of any tractor can result in foreign objects thrown into the eyes, which can result
in severe eye dam age. Always wear safety glass es or eye shields while operating your tractor
or per forming any ad justments or repairs. We rec ommend standard safety glasses or a wide
vision safety mask worn over spectacles.
FIG. 16
TO USE THROTTLE CONTROL - D (See Fig.
16)
Always operate engine at full speed (fast).
• Operating engine at less than full speed (fast) reduces
engines operating efficiency.
• Full speed (fast) of fers the best bagging and mower
performance.
HOW TO USE YOUR TRAC TOR
TO SET PARKING BRAKE(See Fig. 14)
Your tractor is equipped with an operator presence sens-
ing switch. When engine is running, any attempt by the
operator to leave the seat without first setting the parking
brake will shut off the engine.
• Depress brake pedal (B) all the way down and hold.
• Pull parking brake lever (C) up and hold, re lease pres-
sure from brake pedal (B), then release parking brake
lever. Pedal should re main in brake position. Make
sure parking brake will hold tractor secure.
B
C
STOPPING
MOWER BLADES -
• To stop mower blades, push at tachment clutch switch
in to dis engaged position (o).
GROUND DRIVE -
• To stop ground drive, depress clutch/brake pedal all
the way down.
• Move motion control lever (J) to neutral position.
ENGINE -
• Move throttle control (D) between half and full speed
(fast) position.
NOTE: Failure to move throttle control between half and
full speed (fast) position, before stopping, may cause en-
gine to “backfire”.
• Turn ignition key (F) to “STOP” position and remove
key. Always remove key when leaving tractor to prevent
unauthorized use.
• Never use choke (N) to stop engine.
IMPORTANT: Leaving the ignition switch in any position
other than "STOP" will cause the battery to discharge and
go dead.
NOTE: Under certain conditions when tractor is standing
idle with the engine running, hot engine exhaust gases may
cause “browning” of grass. To eliminate this possibility, al-
ways stop engine when stopping tractor on grass areas.
CAUTION: Always stop tractor com-
pletely, as described above, and set
parking brake before leav ing the
operator's position.
FIG. 15
TO MOVE FORWARD AND BACKWARD
(See Fig. 17)
The direction and speed of movement is controlled by the
motion control lever. (J)
D
N
F
(O) PUSH-IN TO
“DISENGAGED”
(I) ATTACHMENT
CLUTCH SWITCH
PULL OUT TO “ENGAGE”

13
OPERATION
TO ADJUST MOWER CUT TING HEIGHT
(See Fig. 18)
The po sition of the at tachment lift le ver (A) de termines the
cutting height.
• Put attachment lift lever in desired cutting height slot.
The cutting height range is ap proximately 1" to 4". The
heights are measured from the ground to the blade tip with
the engine not running. These heights are approximate
and may vary depending upon soil conditions, height of
grass and types of grass being mowed.
• The average lawn should be cut to approximately 2-1/2
inches during the cool season and to over 3 inches
during hot months. For healthier and better looking
lawns, mow often and after moderate growth.
• For best cutting performance, grass over 6 inches
in height should be mowed twice. Make the first cut
relatively high; the second to de sired height.
A
FIG. 17
TO ADJUST GAUGE WHEELS (See Fig. 19)
Gauge wheels are prop erly ad justed when they are slight ly
off the ground when mower is at the desired cutting height
in operating position. Gauge wheels then keep the deck
in proper position to help prevent scalping in most terrain
conditions.
FIG. 18
FIG. 19
TO OPERATE MOWER
Your tractor is equipped with an operator presence sensing
switch. Any attempt by the operator to leave the seat with
the engine running and the attachment clutch engaged will
shut off the engine. You must remain fully and centrally
positioned in the seat to prevent the engine from hesitat-
ing or cutting off when operating your equipment on rough,
rolling terrain or hills.
1. Select desired height of cut with attachment lift lever.
2. Start mower blades by engaging at tachment clutch
control.
TO STOP MOWER BLADES -
disengage at tachment clutch con trol.
CAUTION: Do not operate the mower
without either the en tire grass catcher,
on mowers so equipped, or the deflec-
tor shield (S) in place.
S
FIG. 20
NOTE: Adjust gauge wheels with tractor on a flat level
surface.
• Adjust mower to desired cutting height (See “TO AD-
JUST MOWER CUT TING HEIGHT” in this sec tion of
manual).
• With mower in desired height of cut po sition, gauge
wheels should be assembled so they are slightly off
the ground. In stall gauge wheel in ap propriate hole.
Tighten se curely.
• Repeat for all, installing gauge wheel in same adjust-
ment hole.
• Start tractor with motion control le ver in neutral (N)
position.
• Release parking brake.
• Slowly move motion control lever to desired position.
J
REVERSE OPERATION SYSTEM (ROS)
Your tractor is equipped with a Reverse Operation System
(ROS). Any attempt by the operator to travel in the reverse
direction with the attachment clutch engaged will shut off
the engine unless ignition key is placed in the ROS "ON"
position.

14
OPERATION
FIG. 21
TOWING CARTS AND OTHER AT TACH MENTS
Tow only the attachments that are recommended by and
comply with specifications of the manufacturer of your trac-
tor. Use common sense when towing. Too heavy of a load,
while on a slope, is dangerous. Tires can lose traction with
the ground and cause you to lose control of your tractor.
TO TRANSPORT (See Figs. 13 and 21)
When pushing or towing your tractor, be sure to disengage
transmission by placing freewheel control in free wheeling
position. Free wheel control is located at the rear drawbar
of tractor.
• Raise attachment lift to highest position with at tachment
lift control.
• Pull freewheel control out and down into the slot and
release so it is held in the disengaged position.
Transmission Engaged
Transmission Disengaged
SERVICE REMINDER/HOUR METER
Service reminder shows the total number of hours the engine
has run and flashes to indicate that the engine or mower
needs servicing. When service is required, the service
reminder will flash for two hours. To service engine and
mower, see the Maintenance section of this manual.
NOTE: Service reminder runs when the ignition key is in
any position but "STOP". For accurate reading, be sure
key remains in the "STOP" position when engine is not
running.
BEFORE STARTING THE ENGINE
CHECK ENGINE OIL LEVEL
The engine in your tractor has been shipped, from the
factory, already filled with sum mer weight oil.
• Check engine oil with tractor on level ground.
• Remove oil fill cap/dipstick and wipe clean, reinsert the
dipstick and screw cap tight, wait for a few seconds,
remove and read oil level. If necessary, add oil until
“FULL” mark on dipstick is reached. Do not overfill.
• For cold weather operation you should change oil for
easier starting (See “OIL VISCOSITY CHART” in the
Maintenance sec tion of this manual).
• To change engine oil, see the Maintenance section in
this manual.
ROS "ON" POSITION ENGINE "ON" POSITION
(NORMAL OPERATING)
0
2
8
2
8
WARNING: Backing up with the attachment clutch en-
gaged while mowing is strongly discouraged. Turning the
ROS "ON", to allow reverse operation with the attachment
clutch engaged, should only be done when the operator
decides it is necessary to reposition the machine with the
attachment engaged. Do not mow in reverse unless
absolutely necessary.
USING THE REVERSE OPERATION SYSTEM -
Only use if you are certain no children or other bystanders
will enter the mowing area.
• Move motion control lever to neutral (N) position.
• With engine running, turn ignition key counterclockwise
to ROS "ON" position.
• Look down and behind before and while backing.
• Slowly move motion control lever to reverse (R) po sition
to start movement.
• When use of the ROS is no longer needed, turn the
ignition key clockwise to engine "ON" position.
TO OPERATE ON HILLS
CAUTION: Do not drive up or down
hills with slopes greater than 15° and
do not drive across any slope.
• Choose the slowest speed before starting up or down
hills.
• Avoid stopping or changing speed on hills.
• If slowing is necessary, move throttle control lever to
slower position.
• If stopping is absolutely necessary, push clutch/brake
pedal quickly to brake position and engage parking
brake.
• Move motion control lever to neutral (N) position.
IMPORTANT: THE MOTION CONTROL LEVER DOES NOT
RETURN TO NEUTRAL (N) POSITION WHEN THE CLUTCH/
BRAKE PED AL IS DEPRESSED.
• To restart movement, slowly release parking brake and
clutch/brake pedal.
• Slowly move motion control lever to slowest setting.
• Make all turns slowly.
• Do not push or tow tractor at more than two (2)
MPH.
• To reengage transmission, reverse above procedure.
NOTE: To protect hood from damage when transporting
your tractor on a truck or a trailer, be sure hood is closed
and secured to tractor. Use an appropriate means of tying
hood to tractor (rope, cord, etc.).

15
CAUTION: Alcohol blended fuels (called gasohol
or using ethanol or methanol) can attract moisture
which leads to sep aration and for mation of acids
during storage. Acidic gas can damage the fuel
system of an engine while in storage. To avoid engine
problems, the fuel system should be emptied before
storage of 30 days or longer. Drain the gas tank,
start the engine and let it run until the fuel lines and
carburetor are empty. Use fresh fuel next season.
See Storage In structions for additional information.
Never use engine or carburetor cleaner products in
the fuel tank or permanent damage may occur.
OPERATION
ADD GASOLINE
• Fill fuel tank to bottom of filler neck. Do not overfill. Use
fresh, clean, regular un leaded gasoline with a minimum of
87 octane. (Use of leaded gasoline will increase carbon
and lead oxide deposits and reduce valve life). Do not
mix oil with gasoline. Purchase fuel in quan tities that can
be used within 30 days to assure fuel freshness.
CAUTION: Wipe off any spilled oil or
fuel. Do not store, spill or use gasoline
near an open flame.
IMPORTANT: WHEN OPERATING IN TEMPERATURES
BELOW32°F(0°C), USE FRESH, CLEAN WINTER GRADE
GASOLINE TO HELP INSURE GOOD COLD WEATHER
START ING.
TO START ENGINE (See Fig. 13)
When starting the engine for the first time or if the engine
has run out of fuel, it will take extra cranking time to move
fuel from the tank to the engine.
• Be sure freewheel control is in the transmission en-
gaged position.
• Sit on seat in operating position, depress clutch/brake
pedal and set parking brake.
• Place motion control lever in neutral (N) position.
• Move attachment clutch to “DISENGAGED” position.
• Move throttle control to fast position
• Pull choke control out for a cold engine start attempt.
For a warm engine start attempt the choke control may
not be needed.
NOTE: Before starting, read the warm and cold starting
procedures below.
• Insert key into ignition and turn key clockwise to
“START” position and release key as soon as engine
starts. Do not run starter continuously for more than
fifteen sec onds per minute. If the engine does not start
after several attempts, push choke control in, wait a
few minutes and try again. If engine still does not start,
pull the choke control out and retry.
WARM WEATHER STARTING (50° F and above)
• When engine starts, slowly push choke control in until
the engine begins to run smoothly. If the engine starts
to run roughly, pull the choke control out slightly for a
few seconds and then continue to push the control in
slowly.
• The attachments and ground drive can now be used. If
the engine does not accept the load, restart the engine
and allow it to warm up for one minute using the choke
as described above.
COLD WEATHER STARTING (50° F and below)
• When engine starts, slowly push choke control in until
the engine begins to run smoothly. Continue to push
the choke control in small steps allowing the engine to
accept small changes in speed and load, until the choke
control is fully in. If the engine starts to run roughly, pull
the choke control out slightly for a few seconds and
then continue to push the control in slowly. This may
require an engine warm-up period from several sec onds
to several minutes, depending on the temperature.
AUTOMATIC TRANSMISSION WARM UP
•Before driving the unit in cold weather, the trans mission
should be warmed up as follows:
• Be sure the tractor is on level ground.
• Place the motion control lever in neu tral.
Release the parking brake and let the clutch/brake
slowly return to operating po sition.
• Allow one minute for transmission to warm up. This
can be done during the engine warm up period.
• The attachments can be used during the engine warm-up
period after the transmission has been warmed up and
may require the choke con trol be pulled out slight ly.
NOTE: If at a high altitude (above 3000 feet) or in cold
temperatures (below 32 F) the carburetor fuel mixture may
need to be adjusted for best engine performance. See “TO
ADJUST CARBURETOR” in the Service and Ad justments
section of this manual.
PURGE TRANSMISSION
CAUTION: Never engage or disengage
freewheel lever while the engine is
running.
To ensure proper operation and performance, it is rec om-
mended that the transmission be purged before operating
tractor for the first time. This procedure will remove any
trapped air inside the transmission which may have de-
veloped during shipping of your tractor.
IMPORTANT: SHOULD YOUR TRANSMISSION RE QUIRE
REMOVAL FOR SERVICE OR REPLACEMENT, IT SHOULD
BE PURGED AFTER REINSTALLATION BEFORE OPERATING
THE TRACTOR.
• Place tractor safely on a level surface - that is clear
and open - with engine off and parking brake set.
• Disengage transmission by placing freewheel control
in freewheeling position (See “TO TRANSPORT” in
this section of manual).
• Sitting in the tractor seat, start engine. After the engine
is running, move throttle control to slow position. With
motion control lever in neutral (N) po sition, slowly dis-
engage clutch/brake pedal.

16
FIG. 22
MOWING TIPS
• Mower should be properly leveled for best mowing
performance. See “TO LEVEL MOWER HOUSING” in
the Service and Adjustments section of this manual.
• The left hand side of mower should be used for trim-
ming.
• Drive so that clippings are discharged onto the area
that has been cut. Have the cut area to the right of the
machine. This will result in a more even dis tribution of
clippings and more uniform cutting.
• When mowing large areas, start by turning to the right
so that clippings will discharge away from shrubs,
fences, driveways, etc. After one or two rounds, mow
in the opposite direction making left hand turns until
finished (See Fig. 22).
• If grass is extremely tall, it should be mowed twice to
reduce load and possible fire hazard from dried clip-
pings. Make first cut relatively high; the second to the
desired height.
• Do not mow grass when it is wet. Wet grass will plug
mower and leave undesirable clumps. Allow grass to
dry before mowing.
•Always operate engine at full throttle when mow-
ing to assure better mowing performance and proper
discharge of material. Regulate ground speed by
selecting a low enough gear to give the mower cut ting
performance as well as the quality of cut desired.
• When operating attachments, select a ground speed
that will suit the terrain and give best performance of
the at tachment being used.
OPERATION
CAUTION: At any time, during step 4,
there may be movement of the drive
wheels.
• Move motion control lever to full forward position and
hold for five (5) seconds. Move lever to full reverse
position and hold for five (5) seconds. Repeat this
procedure three (3) times.
• Move motion control lever to neutral (N) position. Shut-
off engine and set parking brake.
• Engage transmission by placing freewheel control in
engaged position (See “TO TRANSPORT” in this sec-
tion of manual).
• Sitting in the tractor seat, start engine. After the engine
is running, move throttle control to half (1/2) speed.
With motion control lever in neutral (N) position, slowly
disengage clutch/brake pedal.
• Slowly move motion control lever forward, after the
tractor moves approximately five (5) feet, slowly move
motion control lever to reverse position. After the trac-
tor moves approximately five (5) feet return the mo-
tion control lever to the neutral (N) position. Repeat
this procedure with the motion control lever three (3)
times.
Your transmission is now purged and now ready for normal
operation.

17
01965
MAINTENANCE
T
R
A
C
T
0
R
Inspect Muffler/Spark Arrester
Clean Air Filter
Change Engine Oil (with oil filter)
Replace Air Filter Paper Cartridge
Replace Spark Plug
Check Engine Oil Level
Clean Engine Cooling Fins
Clean Air Screen
1 - Change more often when operating under a heavy load or
in high ambient temperatures.
2 - Service more often when operating in dirty or dusty conditions.
E
N
G
I
N
E
Replace Oil Filter (If equipped)
Replace Fuel Filter
3
2
2
2
2
3 - Replace blades more often when mowing in sandy soil.
4 - Not required if equipped with maintenance-free battery.
1,
1,2
2
4
Change Engine Oil (without oil filter)
1,2
maint_sch-tractore.ROS.e
BEFORE
EACH
USE
EVERY
8
HOURS
EVERY
25
HOURS
EVERY
50
HOURS
EVERY
100
HOURS
EVERY
SEASON
BEFORE
STORAGE
Lubrication Chart
Check Brake Operation
Check Battery Level
Check Tire Pressure
Clean Battery and Terminals
MAINTENANCE
SCHEDULE
Check for Loose Fasteners
Check/Replace Mower Blades
Check Operator Presence & ROS Systems
Check Transaxle Cooling
Check V-Belts
Check Mower Levelness
GENERAL RECOMMENDATIONS
The warranty on this tractor does not cover items that have
been subjected to operator abuse or negligence. To receive
full value from the warranty, operator must main tain tractor
as instructed in this manual.
Some adjustments will need to be made periodically to
properly maintain your tractor.
At least once a season, check to see if you should make
any of the adjustments described in the Service and
Adjustments section of this manual.
• At least once a year you should replace the spark
plug, clean or replace air filter, and check blades and
belts for wear. A new spark plug and clean air filter
assure proper air-fuel mixture and help your engine
run better and last longer.
BEFORE EACH USE
• Check engine oil level.
• Check brake operation.
• Check tire pressure.
• Check operator presence and
ROS systems for proper operation.
• Check for loose fasteners.
LUBRICATION CHART
IMPORTANT: DO NOT OIL OR GREASE THE PIVOT POINTS
WHICH HAVE SPECIAL NYLON BEARINGS. VISCOUS
LU BRICANTS WILL ATTRACT DUST AND DIRT THAT WILL
SHORTEN THE LIFE OF THE SELF-LU BRICAT ING BEARINGS.
IF YOU FEEL THEY MUST BE LU BRICAT ED, USE ONLY A DRY,
POWDERED GRAPHITE TYPE LU BRICANT SPARINGLY.
➀ General Purpose Grease
➁ Refer to Maintenance “ENGINE” Section
➀ SPINDLE ZERK
➀ FRONT
WHEEL
BEARING
ZERK
➁ ENGINE
➀ MANDREL
ZERKS
➀ SPINDLE ZERK
➀ FRONT
WHEEL
BEARING
ZERK
➀ STEERING
SECTOR GEAR
TEETH

18
MAINTENANCE
FIG. 23
MANDREL
ASSEMBLY
BLADE
BLADE BOLT
(SPECIAL)
CENTER
HOLE
STAR
BATTERY
Your tractor has a battery charging system which is suf ficient
for normal use. However, periodic charging of the battery
with an automotive charger will extend its life.
• Keep battery and terminals clean.
• Keep battery bolts tight.
• Keep small vent holes open.
• Recharge at 6-10 amperes for 1 hour.
NOTE: The original equipment battery on your tractor is
maintenance free. Do not attempt to open or remove caps
or covers. Adding or checking level of electrolyte is not
necessary.
TO CLEAN BATTERY AND TERMINALS
Corrosion and dirt on the battery and terminals can cause
the battery to “leak” power.
• Remove terminal guard.
• Disconnect BLACK battery cable first then RED bat-
tery cable and remove battery from tractor.
• Rinse the battery with plain water and dry.
• Clean terminals and battery cable ends with wire brush
until bright.
TRACTOR
Always observe safety rules when per forming any main-
tenance.
BRAKE OPERATION
If tractor requires more than five (5) feet to stop at highest
speed in high est gear on a level, dry concrete or paved
surface, then brake must be serviced. (See “TO CHECK
BRAKE” in the Ser vice and Ad justments section of this
manual).
TIRES
• Maintain proper air pressure in all tires (See PSI on
tires).
• Keep tires free of gasoline, oil, or insect control chemi-
cals which can harm rubber.
• Avoid stumps, stones, deep ruts, sharp objects and
other hazards that may cause tire damage.
NOTE: To seal tire punctures and pre vent flat tires due
to slow leaks, tire sealant may be purchased from your
local parts dealer. Tire sealant also pre vents tire dry rot
and corrosion.
OPERATOR PRESENCE SYS TEM AND REVERSE OP-
ERATION SYSTEM (ROS)
Be sure operator presence and reverse operation sys tems
are work ing properly. If your tractor does not function as
described, repair the problem immediately.
• The engine should not start unless the brake pedal is
fully de pressed, and the attachment clutch con trol is
in the dis engaged position.
CHECK OPERATOR PRESENCE SYSTEM
• When the engine is running, any attempt by the op erator
to leave the seat without first setting the parking brake
should shut off the engine.
• When the engine is running and the at tachment clutch
is engaged, any attempt by the operator to leave the
seat should shut off the engine.
• The attachment clutch should never operate unless
the operator is in the seat.
CHECK REVERSE OPERATION (ROS) SYSTEM
• When the engine is running with the ignition switch in
the engine "ON" position and the at tachment clutch
engaged, any attempt by the operator to shift into
reverse should shut off the engine.
• When the engine is running with the ignition switch in
the ROS "ON" position and the at tachment clutch en-
gaged, any attempt by the operator to shift into reverse
should NOT shut off the engine.
BLADE CARE
For best results mower blades must be sharp. Re place
worn, bent or damaged blades.
CAUTION: Use only a replacement
blade approved by the manufacturer of
your tractor. Using a blade not approved
by the manufacturer of your tractor is
hazardous, could damage your tractor
and void your warranty.
0
2
8
2
8
ROS "ON" Position Engine "ON" Position
(Normal Operating)
BLADE REMOVAL (See Fig. 23)
• Raise mower to highest position to allow access to
blades.
NOTE: Protect your hands with gloves and/or wrap blade
with heavy cloth.
• Remove blade bolt by turning coun terclockwise.
• Install new blade with stamped "GRASS SIDE" facing
the ground.
IMPORTANT: To ensure proper as sembly, center hole in
blade must align with star on mandrel assembly.
• Install and tighten blade bolt securely (45-55 Ft. Lbs.
torque).
IMPORTANT: Special blade bolt is heat treated.

19
MAINTENANCE
V-BELTS
Check V-belts for deterioration and wear after 100 hours
of operation and replace if necessary. The belts are not
adjustable. Re place belts if they begin to slip from wear.
TRANSAXLE COOLING
The transmission fan and cooling fins should be kept clean
to assure proper cooling.
Do not attempt to clean fan or transmission while engine
is running or while the transmission is hot. To prevent pos-
sible damage to seals, do not use high pressure water or
steam to clean transaxle.
• Inspect cooling fan to be sure fan blades are intact and
clean.
• Inspect cooling fins for dirt, grass clippings and other
materials. To prevent damage to seals, do not use
compressed air or high pressure sprayer to clean
cooling fins.
TRANSAXLE PUMP FLUID
The transaxle was sealed at the factory and fluid main te-
nance is not required for the life of the transaxle. Should
the transaxle ever leak or require servicing, contact your
nearest au thorized ser vice center/department.
TO CHANGE ENGINE OIL (See Figs. 24 and 25)
Determine temperature range expected before oil change.
All oil must meet API service classification SG-SL.
• Be sure tractor is on level surface.
• Oil will drain more freely when warm.
• Catch oil in a suitable container.
• Remove oil fill cap/dipstick. Be careful not to allow dirt
to enter the engine when changing oil.
• Remove yellow cap from end of drain valve and install
the drain tube onto the fitting.
02463
CLOSED AND
LOCKED
POSITION
YELLOW
CAP DRAIN
TUBE
OIL DRAIN VALVE
FIG. 25
FIG. 24
ENGINE
LUBRICATION
Only use high quality detergent oil rated with API service
classification SG-SL. Select the oil’s SAE viscosity grade
according to your expected operating temperature.
NOTE: Although multi-viscosity oils (5W30, 10W30 etc.)
improve starting in cold weather, they will result in increased
oil consumption when used above 32°F. Check your engine
oil level more frequently to avoid possible engine damage
from running low on oil.
Change the oil after every 50 hours of operation or at least
once a year if the tractor is not used for 50 hours in one
year.
Check the crankcase oil level before starting the engine
and after each eight (8) hours of operation. Tighten oil fill
cap/dipstick securely each time you check the oil level.
TEMPERATURE RANGE ANTICIPATED BEFORE NEXT OIL CHANGE
SAE VISCOSITY GRADES
-20 0 30 40 80 100
-30 -20 0 20 30 40
F
C
32
-10 10
60
5W-30
SAE 30
oil_visc_chart1_e
• Unlock drain valve by pushing inward and turning
counterclockwise.
• To open, pull out on the drain valve.
• After oil has drained completely, close and lock the
drain valve by pushing inward and turning clockwise
until the pin is in the locked position as shown.
• Remove the drain tube and replace the cap onto to the
bottom fitting of the drain valve.
• Refill engine with oil through oil fill dipstick tube. Pour
slowly. Do not overfill. For approximate capacity see
“PRODUCT SPECIFICATIONS” section of this man-
ual.
• Use gauge on oil fill cap/dipstick for checking level.
Be sure dipstick cap is tightened securely for accurate
reading. Keep oil at “FULL” line on dipstick. Tighten
cap onto the tube securely when finished.
CLEAN AIR SCREEN
Air screen must be kept free of dirt and chaff to prevent
engine dam age from overheating. Clean with a wire brush
or compressed air to re move dirt and stubborn dried gum
fibers.
AIR FILTER
Your engine will not run properly using a dirty air filter.
Service air cleaner more often under dusty conditions.
See Engine Manual.
ENGINE OIL FILTER
Replace the engine oil filter every season or every other
oil change if the tractor is used more than 100 hours in
one year.
• Coat terminals with grease or petroleum jelly.
• Reinstall battery (See “REPLACING BATTERY" in
the SERVICE AND ADJUSTMENTS section of this
manual).

20
MAINTENANCE
MUFFLER
Inspect and replace corroded muffler and spark arrester
(if equipped) as it could create a fire hazard and/or dam-
age.
SPARK PLUGS
Replace spark plugs at the beginning of each mowing
season or after every 100 hours of operation, whichever
occurs first. Spark plug type and gap setting are shown in
“PRODUCT SPECIFICATIONS” section of this manual.
IN-LINE FUEL FILTER (See Fig. 26)
The fuel filter should be replaced once each season. If fuel
filter becomes clogged, ob structing fuel flow to car buretor,
replacement is re quired.
• With engine cool, remove filter and plug fuel line sec-
tions.
• Place new fuel filter in position in fuel line with arrow
pointing towards carburetor.
• Be sure there are no fuel line leaks and clamps are
properly positioned.
• Immediately wipe up any spilled gasoline.
CLAMP
FUEL FILTER
FIG. 26
CLEANING
• Clean engine, battery, seat, finish, etc. of all foreign
matter.
• Keep finished surfaces and wheels free of all gasoline,
oil, etc.
• Protect painted surfaces with automotive type wax.
We do not recommend using a garden hose or pressure
washer to clean your tractor unless the engine and trans-
mission are covered to keep water out. Water in engine or
transmission will shorten the useful life of your tractor. Use
compressed air or a leaf blower to remove grass, leaves
and trash from tractor and mower.
DECK WASHOUT PORT (See Fig. 27)
Your tractor’s deck is equipped with a washout port on
its surface as part of its deck wash system. It should be
utilized after each use.
1. Drive the tractor to a level, clear spot on your lawn,
near enough to a water spigot for your garden hose to
reach.
IMPORTANT: Make certain the tractor’s discharge chute is
directed AWAY from your house, garage, parked cars, etc.
Remove bagger chute or mulch cover if attached.
2. Make sure the PTO (Blade Engage) is not engaged,
set the parking brake, and stop the engine.
3. Thread the nozzle adapter (packaged with your tractor’s
Operator’s Manual) onto the end of your garden hose.
4. Pull back the lock collar of the nozzle adapter and push
the adapter onto the deck washout port at the left end
of the mower deck. Release the lock collar to lock the
adapter on the nozzle.
Washout Port
Nozzle Adapter
Hose
IMPORTANT: Tug hose ensuring connection is secure.
5. Turn the water on.
6. While sitting in the operator’s position on the tractor,
re-start the engine and place the throttle lever in the
Fast " " position.
IMPORTANT: Recheck the area making certain the area
is clear.
7. Move the tractor’s PTO (Blade Engage) to the ON
position. Remain in the operator’s position with the
cutting deck engaged until the deck is cleaned.
8. Move the tractor’s PTO (Blade Engage) to the OFF
position. Turn the ignition key to the STOP position to
turn the tractor’s engine off. Turn the water off.
9. Pull back the lock collar of the nozzle adapter to dis-
connect the adapter from the nozzle washout port.
10. Move the tractor to a dry area, preferably a concrete or
paved area. Engage the mower deck PTO to remove
excess water and to help dry before putting the tractor
away.
WARNING: A broken or missing washout
fitting could expose you or others to
thrown objects from contact with the blade.
•Replace broken or missing washout fit-
ting immediately, prior to using mower
again.
•Plug any holes in mower with bolts and
locknuts.
Fig. 27

21
TO LEVEL MOWER
Make sure tires are properly inflated to the PSI shown on
tires. If tires are over or under inflated, it may affect the
appearance of your lawn and lead you to think the mower
is not adjusted properly.
VISUAL SIDE-TO-SIDE ADJUSTMENT (See Fig. 29)
• With all tires properly inflated and if your lawn appears
unevenly cut, determine which side of mower is cutting
lower.
NOTE: As desired, you can raise the low side of mower
or lower the high side.
SERVICE AND ADJUSTMENTS
FIG. 28
WARNING: TO AVOID SERIOUS INJURY, BEFORE PERFORMING ANY SER VICE OR AD JUST -
MENTS:
• Depress brake pedal fully and set parking brake.
• Place attachment clutch in “DISENGAGED” position.
• Turn ignition key to “STOP” and remove key.
• Make sure the blades and all moving parts have completely stopped.
• Disconnect spark plug wire from spark plug and place wire where it cannot come in contact
with plug.
TRACTOR (See Fig. 28)
TO REMOVE MOWER
• Place attachment clutch in “DIS ENGAGED” position.
• Lower attachment lift lever to its lowest position.
• Disengage belt tension rod (K) from lock bracket (L).
CAUTION: Belt tension rod is spring
loaded. Have a tight grip on rod and re-
lease slowly.
• Remove mower belt from electric clutch pulley (M).
• Disconnect front link (E) from mower - remove retainer
spring and washer.
• Go to either side of mower and disconnect mower
suspension arm (A) from chassis and rear lift link (C)
from rear mower bracket (D) - remove retainer springs
and washers.
• Go to other side of mower and disconnect the suspen-
sion arm and rear lift link.
CAUTION: After rear lift links are discon-
nected, the attachment lift lever will be
spring loaded. Have a tight grip on lift lever
when changing position of the lever.
• From right side of mower, disconnect anti-sway bar (S)
from right rear mower bracket (D) - remove retainer
spring and washer and pull mower toward you until the
bar falls from the hole in bracket.
• Turn tractor steering wheel to the left as far as it will
go.
• Slide mower out from under right side of tractor.
TO IN STALL MOWER
Follow procedure described in “INSTALL MOWER AND
DRIVE BELT” in the As sembly section of this manual.
D
C
B
H
E
F
M
L
A
K
S

22
SERVICE AND ADJUSTMENTS
02966
A
A
02548
BB
• Go to side of mower you wish to adjust.
• With a 3/4" or adjustable wrench, turn lift link adjust-
ment nut (A) to the left to lower the mower, or, to the
right to raise the mower.
FRONT-TO-BACK ADJUSTMENT (See Figs. 31 and 32)
IMPORTANT: Deck must be level side-to-side.
To obtain the best cutting re sults, the mower blades should
be adjusted so the front tip is 1/8" to 1/2" lower than the
rear tip when the mower is in its highest position.
CAUTION: Blades are sharp. Protect your
hands with gloves and/or wrap blade with
heavy cloth.
• Raise mower to highest position.
• Position any blade so the tip is pointing straight forward.
Measure distance (B) to the ground at front and rear
tip of the blade.
• If front tip of blade is not 1/8" to 1/2" lower than the rear
tip, go to the front of tractor.
• With an 11/16" or adjustable wrench, loosen jam nut
A several turns to clear adjustment nut B.
• With a 3/4" or adjustable wrench, turn front link adjust-
ment nut (B) clockwise (tighten) to raise the front of
mower, or, counterclockwise (loosen) to lower the front
mower.
0
2
9
4
8
A
Turn nut left
to lower mower
Turn nut right
to raise mower
NOTE: Each full turn of the adjustment nut will change
mower height about 1/8".
• Recheck measurements, adjust if necessary until front
tip of blade is 1/8" to 1/2" lower than the rear tip.
• Hold adjustment nut in position with wrench and tighten
jam nut securely against adjustment nut.
NOTE: Each full turn of adjustment nut will change mower
height about 3/16".
• Test your adjustment by mowing some uncut grass
and visually checking the appearance. Readjust, if
necessary, until you are satisfied with the results.
PRECISION SIDE-TO-SIDE ADJUSTMENT
(See Fig. 30)
• With all tires properly inflated, park tractor on level
ground or driveway.
CAUTION: Blades are sharp. Protect your
hands with gloves and/or wrap blade with
heavy cloth.
• Raise mower to its highest position.
• At both sides of mower, position blade at side and
measure the distance (A) from bottom edge of blade
to the ground. The distance should be the same on
both sides.
• If adjustment is necessary, see steps 2 and 3 in Visual
Adjustment instructions above.
• Recheck measurements, adjust if necessary until both
sides are equal.
FIG. 29
FIG.30
FIG. 31
B
02950
Tighten adjust nut
B to raise mower Loosen adjust nut
B to lower mower
Loosen jam nut A first
A
FIG. 32

23
SERVICE AND ADJUSTMENTS
TO REPLACE MOWER BLADE DRIVE BELT
(See Fig. 33)
MOWER DRIVE BELT REMOVAL
• Park tractor on a level surface. En gage parking
brake.
• Lower attachment lift lever to its lowest position.
• Disengage belt tension rod (K) from lock bracket (L).
CAUTION: Belt tension rod is spring
loaded. Have a firm grip on rod and
release slowly.
• Remove screws (P) from mandrel covers (Q) and
remove covers.
• Remove any dirt or grass clippings which may have
accumulated around mandrels and entire upper deck
surface.
• Remove belt from electric clutch pulley (M), both man-
drel pulleys (R) and all idler pulleys (S).
MOWER DRIVE BELT INSTALLATION
• Install belt around all mandrel pulleys (R) and around
idler pulleys (S) as shown.
• Install belt onto electric clutch pulley (M).
IMPORTANT: Check belt for proper routing in all mower
pulley grooves.
• Reassemble mandrel covers (Q). Securely tighten all
screws.
• Engage belt tension rod (K) on locking bracket (L).
CAUTION: Belt tension rod is spring
loaded. Have a tight grip on rod and
engage slowly.
• Raise attachment lift lever to highest position.
FIG. 33
TO REPLACE MOTION DRIVE BELT
(See Fig. 34)
Park the tractor on level surface. En gage parking brake.
For as sistance, there is a belt installation guide decal on
bottom side of left footrest.
M
K
L
P
Q
Q
S
P
R
R
R
electric
02953
A
B
C
D
E
F
G
H
J
FIG. 34
BELT REMOVAL -
• Remove mower (See “TO RE MOVE MOWER” in this
section of manual).
NOTE: Observe entire motion drive belt and position of all
belt guides and keepers.
• Disconnect clutch wire harness (A).
• Remove anti-rotation link (B) on right side of tractor.
• Remove belt from stationary idler (C) and clutching
idler (D).
• Remove belt from centerspan idler (E).
• Pull belt slack toward rear of trac tor. Carefully remove
belt up wards from trans mission input pulley and over
cooling fan blades (F).
• Remove belt downward from engine pulley and around
electric clutch (G).
• Slide belt toward rear of tractor, off the steering plate
(H) and remove from tractor.
BELT INSTALLATION -
• Install new belt from tractor rear to front, over the steer-
ing plate (H) and above clutch brake pedal shaft (J).
• Pull belt toward front of tractor and roll belt around
electric clutch and onto engine pulley (G).
• Pull belt toward rear of tractor. Carefully work belt down
around transmission cooling fan and onto the input
pulley (F). Be sure belt is inside the belt keeper.
• Install belt on centerspan idler (E).
• Install belt through stationary idler (C) and clutch ing
idler (D).
• Reinstall anti-rotation link (B) on right side of tractor.
Tighten securely.
• Reconnect clutch harness (A).
• Make sure belt is in all pulley grooves and in side all
belt guides and keep ers.
• Install mower (See “TO IN STALL MOWER” in this
section of manual).

24
SERVICE AND ADJUSTMENTS
TO REMOVE WHEEL FOR REPAIRS
(See Fig. 35)
• Block up axle securely.
• Remove axle cover, retaining ring and washers to al-
low wheel removal (rear wheel contains a square key
- Do not lose).
• Repair tire and reassemble.
• On rear wheels only: align grooves in rear wheel hub
and axle. Insert square key.
• Replace washers and snap retaining ring securely in
axle groove.
• Replace axle cover.
NOTE: To seal tire punctures and prevent flat tires due
to slow leaks, tire sealant may be purchased from your
local parts dealer. Tire sealant also prevents tire dry rot
and corrosion.
FRONT WHEEL TOE-IN/CAM BER
Your new tractor front wheel toe-in and camber is set at the
factory and is normal. The front wheel toe-in and camber
are not adjustable. If damage has occurred to affect the
factory set front wheel toe-in or camber, contact a qualified
service center.
TO CHECK BRAKE
If tractor requires more than five (5) feet to stop at highest
speed in high est gear on a level, dry concrete or paved
surface, then brake must be serviced.
You may also check brake by:
• Park tractor on a level, dry concrete or paved surface,
depress brake pedal all the way down and engage
parking brake.
• Disengage transmission by placing freewheel control
in “transmission disengaged” position. Pull freewheel
control out and into the slot and release so it is held
in the disengaged position.
The rear wheels must lock and skid when you try to manu-
ally push the tractor forward. If the rear wheels rotate, then
the brake needs to be serviced. Contact a qualified service
center.
FIG. 35
RETAIN ING
RING
WASH ERS
SQUARE KEY (REAR
WHEEL ONLY)
AXLE COVER
TO START ENGINE WITH A WEAK BATTERY
(See Fig. 36)
WARNING: Lead-acid batteries gen-
erate ex plosive gases. Keep sparks,
flame and smoking ma terials away from
batteries. Always wear eye pro tection
when around batteries.
If your battery is too weak to start the engine, it should be
recharged. (See "BATTERY" in the MAINTENANCE sec-
tion of this man ual).
If “jumper ca bles” are used for emer gency starting, follow
this pro cedure:
IMPORTANT: YOUR TRACTOR IS EQUIPPED WITH A 12
VOLT SYSTEM. THE OTHER VEHICLE MUST ALSO BE A 12
VOLT SYSTEM. DO NOT USE YOUR TRACTOR BATTERY TO
START OTHER VEHICLES.
TO ATTACH JUMPER CABLES -
• Connect one end of the RED cable to the POSITIVE
(+) terminal of each battery(A-B), taking care not to
short against tractor chassis.
• Connect one end of the BLACK ca ble to the NEGA TIVE
(-) terminal (C) of fully charged battery.
• Connect the other end of the BLACK cable (D) to good
chassis ground, away from fuel tank and bat tery.
TO REMOVE CABLES, REVERSE ORDER -
• BLACK cable first from chassis and then from the fully
charged battery.
• RED cable last from both batteries.
FIG. 36
WEAK OR DEAD
BATTERY FULLY CHARGED
BATTERY
REPLACING BATTERY (See Fig. 37)
WARNING: Do not short battery ter minals by allowing
a wrench or any other object to contact both terminals at
the same time. Before connecting battery, remove metal
bracelets, wristwatch bands, rings, etc.
Positive terminal must be connected first to prevent spark-
ing from ac cidental grounding.
• Lift hood to raised position.
• Disconnect BLACK battery cable (A) then RED battery
cable and carefully remove battery from tractor.

25
SERVICE AND ADJUSTMENTS
Positive
(Red)
Cable
Negative
(Black)
Cable
02954
A
B
C
FIG. 37
TO REPLACE HEADLIGHT BULB
• Raise hood.
• Pull bulb holder out of the hole in the backside of the
grill.
• Replace bulb in holder and push bulb holder securely
back into the hole in the backside of the grill.
• Close hood.
INTERLOCKS AND RELAYS
Loose or damaged wiring may cause your tractor to run
poorly, stop running, or prevent it from starting.
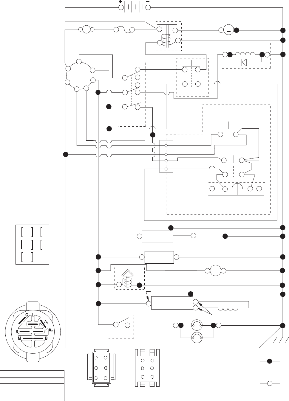
• Check wiring. See electrical wiring diagram in the
Repair Parts section.
TO REPLACE FUSE
Replace with 20 amp automotive-type plug-in fuse. The
fuse holder is located behind the dash.
TO REMOVE HOOD AND GRILL ASSEMBLY
(See Fig. 38)
• Raise hood.
• Unsnap headlight wire connector.
• Stand in front of tractor. Grasp hood at sides, tilt toward
engine and lift off of tractor.
• To replace, reverse above procedure.
02778
HEADLIGHT
WIRE
CONNECTOR
HOOD
ENGINE
TO AD JUST THROTTLE CON TROL CABLE
The throttle control has been preset at the factory and
adjustment should not be necessary. If adjustment is nec-
essary, see engine manual.
TO AD JUST CHOKE CON TROL
The choke control has been preset at the factory and ad-
justment should not be necessary. If adjustment is neces-
sary, see engne manual.
TO ADJUST CARBURETOR
Your carburetor is not adjustable. If your engine does not
operate properly due to suspected carburetor problems,
take your tractor to an authorized service center for repair
and/or adjustment.
FIG. 38
• Install new battery with terminals in same position as
old battery.
• First connect RED battery cable (B) to positive (+) battery
terminal with hex bolt and keps nut as shown. Tighten
securely. Slide terminal cover (C) over terminal.
• Connect BLACK grounding cable to negative (-) bat tery
terminal with re maining hex bolt and keps nut. Tight en
securely
• Close hood.

26
STORAGE
Immediately prepare your tractor for storage at the end
of the season or if the tractor will not be used for 30 days
or more.
WARNING: Never store the trac tor with
gasoline in the tank inside a building
where fumes may reach an open flame
or spark. Allow the engine to cool before
storing in any en closure.
TRACTOR
Remove mower from tractor for winter storage. When
mower is to be stored for a period of time, clean it thor-
oughly, remove all dirt, grease, leaves, etc. Store in a
clean, dry area.
• Clean entire tractor (See “CLEANING” in the Mainte-
nance section of this manual).
• Inspect and replace belts, if necessary (See belt re-
placement instructions in the Service and Adjustments
section of this manual).
• Lubricate as shown in the Maintenance sec tion of this
manual.
• Be sure that all nuts, bolts and screws are securely
fastened. Inspect moving parts for damage, breakage
and wear. Replace if necessary.
• Touch up all rusted or chipped paint surfaces; sand
lightly before painting.
BATTERY
• Fully charge the battery for storage.
• After a period of time in storage, battery may require
recharging.
• To help prevent corrosion and power leakage during
long periods of storage, battery cables should be dis-
connected and battery cleaned thoroughly (see “TO
CLEAN BATTERY AND TERMINALS” in the Mainte-
nance section of this manual).
• After cleaning, leave cables disconnected and place
cables where they cannot come in contact with battery
terminals.
• If battery is removed from tractor for storage, do not
store battery directly on concrete or damp surfaces.
ENGINE
FUEL SYSTEM
IMPORTANT: IT IS IMPORTANT TO PREVENT GUM DEPOSITS
FROM FORMING IN ES SENTIAL FUEL SYSTEM PARTS SUCH
AS CARBURETOR, FUEL FIL TER, FUEL HOSE, OR TANK
DURING STORAGE. ALSO, EXPERIENCE INDICATES THAT
ALCOHOL BLENDED FUELS (CALLED GASOHOL OR USING
ETHANOL OR METHANOL) CAN ATTRACT MOIS TURE WHICH
LEADS TO SEPARATION AND FOR MA TION OF ACIDS DURING
STORAGE. ACIDIC GAS CAN DAMAGE THE FUEL SYSTEM
OF AN ENGINE WHILE IN STORAGE.
• Empty the fuel tank by starting the engine and let it run
until the fuel lines and carburetor are empty.
• Never use engine or carburetor cleaner products in
the fuel tank or permanent damage may occur.
• Use fresh fuel next season.
NOTE: Fuel stabilizer is an acceptable alternative in mini-
mizing the formation of fuel gum deposits during stor age.
Add stabilizer to gasoline in fuel tank or storage container.
Always follow the mix ratio found on stabilizer container.
Run engine at least 10 minutes after adding stabilizer to
allow the stabilizer to reach the carburetor. Do not empty
the gas tank and carburetor if using fuel stabilizer.
ENGINE OIL
Drain oil (with engine warm) and replace with clean engine
oil. (See “ENGINE” in the Maintenance section of this
manual).
CYLINDER(S)
• Remove spark plug(s).
• Pour one ounce of oil through spark plug hole(s) into
cylinder(s).
• Turn ignition key to “START” position for a few seconds
to distribute oil.
• Replace with new spark plug(s).
OTHER
• Do not store gasoline from one season to another.
• Replace your gasoline can if your can starts to rust.
Rust and/or dirt in your gasoline will cause problems.
• If possible, store your tractor indoors and cover it to
give protection from dust and dirt.
• Cover your tractor with a suitable protective cover that
does not retain moisture. Do not use plastic. Plastic
cannot breathe which allows condensation to form and
will cause your tractor to rust.
IMPORTANT: NEVER COVER TRACTOR WHILE EN GINE
AND EXHAUST AREAS ARE STILL WARM.

27
TROUBLESHOOTING POINTS
Will not start 1. Out of fuel. 1. Fill fuel tank.
2. Engine not “CHOKED” properly. 2. See “TO START ENGINE” in Operation section.
3. Engine flooded. 3. Wait several minutes before attempting to start.
4. Bad spark plug. 4. Replace spark plug.
5. Weak or dead battery. 5. Recharge or replace battery.
6. Dirty air filter. 6. Clean/replace air filter.
7. Dirty fuel filter. 7. Replace fuel filter.
8. Water in fuel. 8. Empty fuel tank and carburetor, refill tank with fresh
gasoline and replace fuel filter.
9. Loose or damaged wiring. 9. Check all wiring.
10. Carburetor out of adjustment. 10. See “To Adjust Carburetor” in Service Adjustments
section.
11. Engine valves out of adjustment. 11. Contact an authorized service center/department.
Hard to start 1. Dirty air filter. 1. Clean/replace air filter.
2. Bad spark plug. 2. Replace spark plug.
3. Weak or dead battery. 3. Recharge or replace battery.
4. Dirty fuel filter. 4. Replace fuel filter.
5. Stale or dirty fuel. 5.
Empty fuel tank and refill tank with fresh, clean gasoline.
6. Loose or damaged wiring. 6. Check all wiring.
7. Carburetor out of adjustment. 7. See “To Adjust Carburetor” in Service Adjustments
section.
8. Engine valves out of adjustment. 8. Contact an authorized service center/department.
Engine will not turn over 1. Brake pedal not depressed. 1. Depress brake pedal.
2. Attachment clutch is engaged. 2. Disengage attachment clutch.
3. Weak or dead battery. 3. Recharge or replace battery.
4. Blown fuse. 4. Replace fuse.
5. Corroded battery terminals. 5. Clean battery terminals.
6. Loose or damaged wiring. 6. Check all wiring.
7. Faulty ignition switch. 7. Check/replace ignition switch.
8. Faulty solenoid or starter. 8. Check/replace solenoid or starter.
9. Faulty operator presence switch(es). 9. Contact an authorized service center/department.
Engine clicks but will not 1. Weak or dead battery. 1. Recharge or replace battery.
start 2. Corroded battery terminals. 2. Clean battery terminals.
3. Loose or damaged wiring. 3. Check all wiring.
4. Faulty solenoid or starter. 4. Check/replace solenoid or starter.
Loss of power 1. Cutting too much grass/too fast. 1. Raise cutting height/reduce speed.
2. Throttle in “CHOKE” position. 2. Adjust throttle control.
3. Build-up of grass, leaves and trash under mower. 3. Clean underside of mower housing.
4. Dirty air filter. 4. Clean/replace air filter.
5. Low oil level/dirty oil. 5. Check oil level/change oil.
6. Faulty spark plug. 6. Clean and regap or change spark plug.
7. Dirty fuel filter. 7. Replace fuel filter.
8. Stale or dirty fuel. 8.
Empty fuel tank and refill tank with fresh, clean gasoline.
9. Water in fuel. 9. Empty fuel tank and carburetor, refill tank with fresh
gasoline and replace fuel filter.
10. Spark plug wire loose. 10. Connect and tighten spark plug wire.
11. Dirty engine air screen/fins. 11. Clean engine air screen/fins.
12. Dirty/clogged muffler. 12. Clean/replace muffler.
13. Loose or damaged wiring. 13. Check all wiring.
14. Carburetor out of adjustment. 14. See “To Adjust Carburetor” in Service Adjustments
section.
15. Engine valves out of adjustment. 15. Contact an authorized service center/department.
Excessive vibration 1. Worn, bent or loose blade. 1. Replace blade. Tighten blade bolt.
2. Bent blade mandrel. 2. Replace blade mandrel.
3. Loose/damaged part(s). 3. Tighten loose part(s). Replace damaged parts.
PROBLEM CAUSE CORRECTION

28
TROUBLESHOOTING POINTS
Engine dies when 1. Reverse operation system 1. Turn ignition key to
tractor is shifted (ROS) is not "ON" while ROS "ON" position.
into reverse mower or other attachment See Operation section.
is engaged.
Engine continues to run 1. Faulty operator-safety presence control system. 1. Check wiring, switches and connections. If not
when operator leaves seat corrected, contact an authorized service center/
with attachment clutch department.
engaged
Poor cut - uneven 1. Worn, bent or loose blade. 1. Replace blade. Tighten blade bolt.
2. Mower deck not level. 2. Level mower deck.
3. Buildup of grass, leaves, and trash under mower. 3. Clean underside of mower housing.
4. Bent blade mandrel. 4. Replace blade mandrel.
5. Clogged mower deck vent holes from buildup of 5. Clean around mandrels to open vent holes.
grass, leaves, and trash around mandrels.
Mower blades will not 1. Obstruction in clutch mechanism. 1. Remove obstruction.
rotate 2. Worn/damaged mower drive belt. 2. Replace mower drive belt.
3. Frozen idler pulley. 3. Replace idler pulley.
4. Frozen blade mandrel. 4. Replace blade mandrel.
Poor grass discharge 1. Engine speed too slow. 1. Place throttle control in “FAST” position.
2. Travel speed too fast. 2. Shift to slower speed.
3. Wet grass. 3. Allow grass to dry before mowing.
4. Mower deck not level. 4. Level mower deck.
5. Low/uneven tire air pressure. 5. Check tires for proper air pressure.
6. Worn, bent or loose blade. 6. Replace blade. Tighten blade bolt.
7. Buildup of grass, leaves and trash under mower. 7. Clean underside of mower housing.
8. Mower drive belt worn. 8. Replace mower drive belt.
9. Blades improperly installed. 9. Reinstall blades sharp edge down.
10. Improper blades used. 10. Replace with blades listed in this manual.
11. Clogged mower deck vent holes from buildup of 11. Clean around mandrels to open vent holes.
grass, leaves, and trash around mandrels.
Headlight(s) not working 1. Light switch is “OFF”. 1. Turn light switch “ON”.
(if so equipped) 2. Bulb(s) or lamp(s) burned out. 2. Replace bulb(s) or lamp(s).
3. Faulty light switch. 3. Check/replace light switch.
4. Loose or damaged wiring. 4. Check wiring and connections.
5. Blown fuse. 5. Replace fuse.
Battery will not charge 1. Bad battery cell(s). 1. Replace battery.
2. Poor cable connections. 2. Check/clean all connections.
3. Faulty regulator (if so equipped). 3. Replace regulator.
4. Faulty alternator. 4. Replace alternator.
Loss of drive 1. Freewheel control in “disengaged” position. 1. Place freewheel control in “engaged” position.
2. Motion drive belt worn, damaged, or broken. 2. Replace motion drive belt.
3. Air trapped in transmission during shipment 3. Purge transmission.
or servicing.
Engine “backfires” when 1. Engine throttle control not set between half and 1. Move throttle control between half and full speed
turning engine “OFF” full speed (fast) position before stopping engine. (fast) position before stopping engine.
PROBLEM CAUSE CORRECTION

29
NOTES
M
FUSE
STARTER
SOLENOID
BATTERY
ELECTRIC CLUTCH
CLUTCH/BRAKE
(PEDAL UP)
REVERSE SWITCH
(NOT IN REVERSE)
SEAT SWITCH
(NOT OCCUPIED)
SHORTING
CONNECTOR
CHASSIS
HARNESS
IGNITION
UNIT
HOUR
METER
REGULATOR
CHASSIS HARNESS
CONNECTOR
(MATING SIDE)
DASH HARNESS
CONNECTOR
(MATING SIDE)
LIGHT
SWITCH
HEADLIGHTS
STATOR
FUEL
LINE
FUEL SHUT-OFF
SOLENOID
(IF EQUIPPED)
JUNCTION
CONNECTOR
PTO SWITCH
(DISENGAGED)
SM
B
GL
2
3
1
6
A2
A1
M
6
3
52
41
6
5
4
3
2
1
SPARK
PLUGS GAP
(2 PLUGS ON
TWIN CYL. ENGINES)
28 VOLTS AC @ 3600 RPM (REGULATOR DISCONNECTED)
CHARGING SYSTEM OUTPUT
9-16AMPDC@3600 RPM
(OPTIONAL)
NON-REMOVABLE
CONNECTIONS
REMOVABLE
CONNECTIONS
WIRING INSULATED CLIPS
NOTE: IF WIRING INSULATED
CLIPS WERE REMOVED FOR
SERVICING OF UNIT, THEY
SHOULD BE RE-INSTALLED TO
PROPERLY SECURE YOUR
WIRING.
SCH12
IGNITION SWITCH
CIRCUITPOSITION
OFF
B+A1
RUN/OVERRIDE
B+S+A1START
M+G+A1
B+A1RUN
“MAKE”
L+A2
POWER OUTLET
(OPTIONAL)
12V
A
AMMETER
(OPTIONAL)
BLACK
BLACK /WHITE
ORANGE
RED
BROWN
BLUE
BLUE
BLACK
BLACK
BLACKBLACK
BLACK
BLACK
BLACK
BLACK
BLACK
BLACK
BLACK
RED
RED
RED
RED
WHITE
WHITE
WHITE
GRAY
GRAY
BLACK
BLACK
B
A
G
H
D
FC
E
PTO SWITCH
B
A
H
D
C
E
BLUE BLACK
TRACTOR - MODEL NO. 2754GLS (96043004700), PRODUCT NO. 960 43 00-47
SCHEMATIC

30
TRACTOR - MODEL NO. 2754GLS (96043004700), PRODUCT NO. 960 43 00-47
ELECTRICAL
8
1
99
100
91
227
90
28
55
26
43
41
24
27
25
30
33
22
79 21
101
40
71
34
With Service Minder Option
4646
With 12V Outlet Option
59
103
16
42
T07S
94
92
29
93
31
TRACTOR - MODEL NO. 2754GLS (96043004700), PRODUCT NO. 960 43 00-47
ELECTRICAL
KEY PART
NO. NO. DESCRIPTION
1 532 16 34-65 Battery
2 874 76 04-12 Bolt Hex Head 1/4-20 x 3/4
8 532 18 64-91 Box Battery
16 532 17 61-38 Switch Interlock Push-In
21 532 18 37-59 Harness Socket Light w/4152J
22 532 41 52-J Bulb, Light
24 532 40 02-53 Cable Battery
25 532 41 28-95 Cable Start Red 17.5"
26 532 17 51-58 Fuse
27 873 51 04-00 Nut Keps Hex 1/4-20 unc
28 532 14 54-91 Cable, Ground
29 532 40 15-45 Switch, Seat
30 532 19 33-50 Switch Ignition
33 532 41 19-35 Key/Chain
34 532 11 07-12 Switch Light/Reset
40 532 40 11-04 Harness Ign Dash
41 817 72 04-08 Screw Thd Cut 1/4-20 x 1/2
42 532 13 15-63 Cover Terminal
43 532 19 25-07 Solenoid
46 532 40 17-63 Gauge Hourmeter
50 532 17 46-51 Switch, PTO
55 817 06 05-12 Screw Thdrol 5/16-18 x 3/4 TYTT
59 532 40 03-03 Outlet 12-Volt
71 532 19 42-76 Harness Ignition, Chassis
79 532 17 52-42 Bulbholder Asm. Incandescent
90 532 40 07-24 Cover Terminal Battery
91 532 19 02-70 Strap Battery Mount Front
92 532 19 66-15 Harness Pigtail
93 532 19 25-40 Screw
94 532 19 18-34 Module Reverse
99 817 67 04-12 Screw Hexwsh Thdrol 1/4-20 x 3/4
100 819 09 14-16 Washer 9/32 x 7/8 x 16 Ga.
101 532 19 83-17 Pigtail MATNLK
103 532 40 79-62 Harness Pigtail 12V Outlet
NOTE: All component dimensions given in U.S. inches
1 inch = 25.4 mm

32
TRACTOR - MODEL NO. 2754GLS (96043004700), PRODUCT NO. 960 43 00-47
CHASSIS
14
214
130
130
37 194
194
181
181
182
176
176
176
175
178
195
165
228
228
194
150
202
203
204 210
208
18
15
25
207
211
209
212
180
130
130
5
161
36
36
199
162
177
196
221
162
176
176 205
206
58
189
189
chassis-tex_tex gt husq_14
181
189
189
152
234
234
52
217
68
68
213
213
218
68
68
183
236 34
235
33
TRACTOR - MODEL NO. 2754GLS (96043004700), PRODUCT NO. 960 43 00-47
CHASSIS
KEY PART
NO. NO. DESCRIPTION
5 532 40 87-01 Dash
14 532 41 10-46 Hood
15 532 19 89-07 Lens LH
18 532 40 86-07 Grille
25 532 19 89-06 Lens RH
34 532 19 61-25 Plate Engine
36 817 06 05-12 Screw 5/16-18 x 3/4
37 532 40 18-25 Fender
52 873 68 05-00 Nut Crown Lock 5/16-18
58 532 19 43-14 Bracket Fender
68 817 49 05-08 Screw 5/16-18 x 1/2
130 532 41 63-58 Screw #10 x 0.750 BOS Thread
150 532 19 85-12 Duct Heat Hood
152 532 19 95-35 Shield Browning/Debris
161 532 40 18-26 Console Fuel Window
162 532 14 24-32 Screw Hex Wsh Hi-Lo 1/4 x 1/2
165 532 19 68-26 Bracket Support Tank
175 532 19 63-04 Crossmember
176 532 40 07-76 Screw 10-24 x 5/8 Wshd Qdrx
177 532 19 52-27 Bushing Steering
178 532 19 97-82 Cargo Asm. Net
180 532 19 54-77 Chassis
181 532 40 30-25 Bushing Mtg. Fender Crgo.
182 532 40 68-59 Dash Lower
183 874 78 05-20 Bolt Fin Hex 5/16-18 unc x 1-1/4
189 817 00 05-12 Screw 5/16-18 x 3/4
194 873 90 05-00 Nut Lock Hex Flange 5/16-18 NOTE: All component dimensions given in U.S. inches
1 inch = 25.4 mm
KEY PART
NO. NO. DESCRIPTION
195 532 40 35-71 Plug Cruise/Phone
196 532 41 77-78 Console Asm. Deck Lift
199 532 19 82-59 Plate Deck Lift
202 532 40 30-48 Vent Side Hood RH
203 532 40 30-76 Vent Side Hood LH
204 532 41 66-15 Vent Asm Hood Top
205 532 40 17-09 Skirt Hood Side RH
206 532 40 17-11 Skirt Hood Side LH
207 532 19 71-98 Bezel RH
208 532 19 71-99 Bezel LH
209 532 19 91-30 Insert Hex Top RH
210 532 19 91-31 Insert Hex Top LH
211 532 19 91-32 Insert Hex Bottom RH
212 532 19 91-33 Insert Hex Bottom LH
213 874 76 05-12 Bolt Hex Hd 5/16-18 unc x 3/4
214 532 19 91-45 Clip Retainer
217 532 40 91-67 Rod Pivot
218 532 19 63-95 X-Piece Hood Stop
221 532 19 89-09 Reflector LH
228 532 19 51-61 Stud Fastener
234 532 40 47-42 Bumper Hood
235 532 40 61-29 Spacer Fender
236 873 93 05-00 Nut Center Lock 5/16-18 unc

34
TRACTOR - MODEL NO. 2754GLS (96043004700), PRODUCT NO. 960 43 00-47
DRIVE
56
171
216
143
197 196
125
226
125
125
80 125
51
52
170
175
279 176
178
174
22
23
166
276
153
233
drive-tex_K66_fender_1
64
161
184
42
221
225
125
211
166
17
159
15
35
167
160
188
29
186
189
49
187
50
51
52
51
190
185
159
70
74
220
74
2
2
73
73
33
205
1
116
33
230
230
183
183
205
116
7
9
7
9
99
35
TRACTOR - MODEL NO. 2754GLS (96043004700), PRODUCT NO. 960 43 00-47
DRIVE
KEY PART
NO. NO. DESCRIPTION KEY PART
NO. NO. DESCRIPTION
1 532 41 41-45 Transaxle, TuffTorq K66
2 532 00 70-70 Key
7 532 19 98-37 Hub Asm. Wheel
9 532 14 00-80 Bolt Hub Wheel
15 819 13 13-16 Washer 13/32 x 13/16 x 16 Ga.
17 532 40 10-72 Spring, Brake
22 532 19 73-29 Rod Shift
23 532 14 08-45 Knob Deluxe 1/2-13 unc
29 532 40 72-45 Rod, Brake
33 812 00 00-53 Ring E
35 532 19 95-91 Rod, Brake, Park
42 532 12 48-72 Cover, Foot Pedal
49 872 11 06-14 Bolt
50 532 19 43-27 Pulley Idler Flat
51 873 90 06-00 Lock Nut 3/8-16
52 532 19 43-26 Idler V-Groove 910" Offset
56 532 12 59-07 V-Belt, Drive
64 532 19 62-00 Shaft Asm. Pedal Brake Control
69 532 12 38-00 Washer 11/32 x 1-5/8 x 16 Ga.
70 532 40 02-98 Control Asm.
73 874 49 05-44 Bolt Hex Flghd 5/16-18 Gr. 5
74 532 14 24-32 Screw Hx Wsh Hi-Lo 1/4 x 1/2 unc
80 532 40 71-82 Strap Torque
99 532 41 57-44 Rod Bypass
116 873 90 05-00 Nut Lock Hex Flange 5/16-18
125 817 00 05-12 Screw 5/16-18 x 3/4
143 817 49 05-08 Screw Thdrol 5/16-18 x 1/2
153 532 12 47-88 Retainer Spring
159 876 02 04-12 Pin Cotter 1/8 x 3/4
160 532 16 94-84 Retainer Clip
161 532 10 57-09 Spring, Return, Clutch
166 532 19 72-90 Nut Push .625
167 532 40 52-57 Latch Brake Parking
170 532 19 43-22 Keeper Belt Centerspan
171 872 11 06-16 Bolt
174 532 19 72-89 Nut Push
175 532 40 85-39 Shaft Asm Shift
176 532 19 62-14 Arm Clevis Rod Shift
178 532 19 74-56 Spring Shift
183 532 19 73-57 Spacer Axle
184 532 40 31-18 Handle Parking Brake
185 872 11 06-20 Bolt
186 532 19 43-21 Spacer Retainer
187 819 13 32-10 Washer
188 532 19 43-23 Link Clutch Ground Drive
189 532 19 43-17 Bellcrank Ground Drive
190 532 19 43-18 Keeper Bellcrank Ground Drive
195 532 40 51-13 Bracket Rod Brake
196 817 00 06-16 Screw 3/8-16 x 1
197 532 19 97-69 Bracket Clutch Anti-Rotation
205 532 12 38-00 Washer 1 1/32 x 1 5/8 x 16 Ga.
211 532 19 62-12 Bearing Nylon
216 532 19 61-31 Bracket Pulley Idler
220 532 19 89-08 Reflector RH
221 532 40 31-87 Retainer Spring Clip Handle
225 532 40 73-11 Keeper Belt Trans.
226 532 40 71-09 Bracket Mount Torque
230 532 00 75-63 Washer Hardened
233 532 40 52-96 Washer Serrated
276 874 78 07-16 Bolt Fin Hex 7/16 - 14 x 1 Gr. 5
279 532 41 37-78 Link Asm. Shift
NOTE: All component dimensions given in U.S. inches
1 inch = 25.4 mm

36
1
84
84
29
SPARK ARRESTER KIT
84
45
18
15
37
28
37
22 21
20
62
71
70
79
69
87
2
engine-tex_bs-2cyl_2
81
82
12
11
41
42
90
85
9
91
31
TRACTOR - MODEL NO. 2754GLS (96043004700), PRODUCT NO. 960 43 00-47
ENGINE
37
TRACTOR - MODEL NO. 2754GLS (96043004700), PRODUCT NO. 960 43 00-47
ENGINE
KEY PART
NO. NO. DESCRIPTION
NOTE: All component dimensions given in U.S. inches
1 inch = 25.4 mm
For engine service and replacement parts, call the toll free
number for your engine manufacturer listed below:
Briggs & Stratton 1-800-233-3723
1 - - - - - - Engine B&S Model No. 44Q777-
1039-B1
2 532 14 97-23 Muffler
9 532 19 43-20 Keeper Belt Engine
11 532 17 93-35 Clutch Electric
12 532 19 43-43 Pulley Engine
15 532 19 34-99 Tank Fuel 4.0
18 532 19 42-67 Cap Asm
20 532 17 83-85 Control Throttle
21 532 41 63-58 Screw #10 x 0.750 BOS Thread
22 532 19 15-96 Control Choke
28 532 40 11-35 Fuel Line
29 532 13 71-80 Spark Arrester Kit
31 532 14 50-06 Clip Push-In Hinged
37 532 12 34-87 Clamp Hose
41 532 12 61-97 Washer 1-1/2 OD x 15/32 ID x .250
42 810 04 07-00 Washer Lock 7/16
45 873 51 04-00 Nut Keps Hex 1/4-20 unc
KEY PART
NO. NO. DESCRIPTION
62 532 14 66-29 Shield Heat Muffler
69 532 16 53-91 Gasket
70 532 15 99-55 Tube Exhaust LH
71 532 16 05-89 Tube Exhaust RH
79 532 18 39-06 Screw Socket Head
81 532 14 84-56 Tube Drain Oil Easy
82 532 18 16-54 Plug Drain Oil
84 817 06 06-20 Screw 3/8-16 x 1-1/4
85 532 17 99-53 Bolt Hex 7/16-20 x 3.75 Gr. 5
86 532 18 43-62 Nut Hex M8-1.25
87 532 19 82-39 Bolt 5/16-18 unc x 1 w/Sems
90 817 00 06-16 Screw 3/8-16 x 1
91 532 18 74-95 Bushing 1.375 OD
Engine Power Rating Information
The gross power rating for individual gas engine models is labeled in accordance with SAE (Society of Automotive
Engineers) code J11940 (Small Engine Power & Torque Rating Procedure), and rating performance has been ob-
tained and corrected in accordance with SAE J1995 (Revision 2002-5). Actual gross engine power will be low-
er and is affected by, among other things, ambient operating conditions and engine-to-engine variability. Given both
the wide array of products on which engines are placed and the variety of environmental issues applicable to op-
erating the equipment, the gas engine will not develop the rated gross power when used in a given piece of power
equipment (actual “on-site” or net horsepower). This difference is due to a variety of factors including, but not lim-
ited to, accessories (air cleaner, exhaust, charging, cooling, carburetor, fuel pump, etc.), application limitations, am-
bient operating conditions (temperature, humidity, altitude), and engine-to-engine variability. Due to manufactur-
ing and capacity limitations, Briggs & Stratton may substitute an engine of higher rated power for this Series engine.

38
TRACTOR - MODEL NO. 2754GLS (96043004700), PRODUCT NO. 960 43 00-47
STEERING ASSEMBLY
6
5
13
13
53 8
9
9
8
8
7
7
62
4
35
16 19
63
63
57
60
59
58
28
13 22
64
70
68
69
67
67 66
15
15
14
14
21
51
26
1
45
61
2
6
steering-tex_Special_3
11
26
79
26
HUSQ SR
PREM 2
*
39
KEY PART
NO. NO. DESCRIPTION
1 532 41 46-56X418 Wheel, Steering
2 532 19 59-68 Axle Asm., Front
4 532 40 30-89 Spindle Asm. LH
5 532 40 30-90 Spindle Asm. RH
6 532 00 62-66H Bearing, Race Thrust Harden
7 532 12 17-48 Washer 25/32 x 1-5/8 x 16 Ga.
8 812 00 00-29 Ring, Clip #T5304-75
9 532 12 12-32 Cap, Spindle
13 532 12 17-49 Washer 25/32 x 1-1/4 x 16 Ga.
14 810 04 06-00 Washer, Lock Hvy Hlcl Spr 3/8
15 873 54 06-00 Nut, Crown Lock 3/8-24 unf
16 532 40 82-19 Shaft Steering
19 532 19 47-29 Plate Steering
21 532 18 67-37 Adapter, Wheel Steering
22 532 19 48-45 Bushing, Strg. Blk
26 532 41 59-87 Insert, Wheel Steering
28 817 00 06-12 Screw 3/8-16 x 3/4
35 532 19 47-32 Gear, Sector Plate
45 819 18 38-12 Washer 9/16 x 2-3/8 x 12 Ga.
51 873 94 08-00 Nut Hex Jam Toplock 1/2-20 unf
53 532 18 89-67 Washer Hardened .793 x 1.637 x .060
57 532 19 72-46 Bracket Upstop
58 532 19 47-47 Bolt Shoulder Sector Pivot CFM
59 532 19 47-48 Washer Thrust Sector Steering
60 873 97 10-00 Nut Flange Lock 5/8-11
61 532 19 47-40 Draglink LH
62 532 19 47-41 Draglink, RH
63 817 00 05-12 Screw 5/16-18 x 3/4
64 532 19 98-49 Retainer Clip Spring Steering
66 871 02 07-48 Bolt Hex Fghd 7/16-14 x 3 Serr
67 532 19 47-37 Bushing PM Front Axle
68 873 90 07-00 Nut Lock Flange 7/16-14 Gr. 5
69 532 19 91-62 Washer 1.5 x .505 x .118
70 532 19 61-97 Bracket Deck Susp. Front
NOTE: All component dimensions given in U.S. inches
1 inch = 25.4 mm
TRACTOR - MODEL NO. 2754GLS (96043004700), PRODUCT NO. 960 43 00-47
STEERING ASSEMBLY

40
TRACTOR - MODEL NO. 2754GLS (96043004700), PRODUCT NO. 960 43 00-47
SEAT ASSEMBLY
1 532 40 66-21 Seat
2 532 18 01-66 Bracket Pivot Fender
3 532 14 06-75 Strap, Asm Fender
5 532 14 50-06 Clip, Push In, Hinged
6 873 80 06-00 Nut, Lock w/Ins. 3/8-16 unc
7 532 12 41-81X Spring, Seat Cprsn
8 532 17 18-77 Bolt 5/16-18 uncx 3/4 w/Sems
10 532 19 69-77 Pan, Seat
21 532 17 18-52 Bolt, Shoulder 5/16-18
37 873 80 05-00 Nut, Lock 5/16-18 unc
40 532 19 76-61 Handle Slide Seat
41 532 19 82-00 Spring Latch Seat
43 874 76 06-12 Bolt Fin Hex 3/8-16 unc x 3/4
44 819 13 38-12 Washer 13/32 x 2-3/8 x 12 Ga.
KEY PART
NO. NO. DESCRIPTION
KEY PART
NO. NO. DESCRIPTION
NOTE: All component dimensions given in U.S. inches
1 inch = 25.4 mm
2
6
1
40
10
37
37
21
21
3
41
7
8
7
8
8
8
seat-tex_6.5SL_2
44
43
6

41
TRACTOR - MODEL NO. 2754GLS (96043004700), PRODUCT NO. 960 43 00-47
DECALS
NOTE: All component dimensions given in U.S. inches
1 inch = 25.4 mm
KEY PART
NO. NO. DESCRIPTION
6
2
1
3
11
410
59
8
7
wheel_art_1-vgt
WHEELS AND TIRES
KEY PART
NO. NO. DESCRIPTION KEY PART
NO. NO. DESCRIPTION
10
4
8
1 532 05 91-92 Cap, Valve, Tire
2 532 06 51-39 Stem, Valve
3 532 14 45-09 Rim Assembly, Front
4 532 00 81-34 Tube, Front (Ser vice Item Only)
5 532 10 62-30X Tire, Front
6 532 12 49-57 Fitting, Grease (Front Wheel Only)
7 532 12 49-59 Bearing, Flange (Front Wheel Only)
8 532 17 50-39 Cap, Axle (Front Wheel Only)
9 532 10 55-88X Tire, Rear
10 532 00 71-54 Tube, Rear (Service Item Only)
11 532 16 41-27 Rim Assembly, Rear
- - 532 14 43-34 Sealant, Tire (10 oz. Tube)
14
6
2
1 532 41 16-58 Decal, Operator's
2 532 41 57-80 Decal, Hood Emblem
4 532 41 82-73 Decal, replacement
6 532 41 84-97 Decal, Engine HP
8 532 19 87-85 Decal, Mower Sch.
9 532 14 50-05 Decal, Battery Dnge/Poi
10 532 18 09-41 Decal, Hood Cust. Resp.
12 532 17 05-63 Decal, Mower warning Keep Hand
Away
1
14 532 41 82-16 Decal, Panel SD
- - 532 16 69-60 Decal, Bypass
- - 532 40 17-71 Pad, Footrest, LH
- - 532 40 17-70 Pad, Footrest, RH
- - 532 41 82-77 Decal, Deck Air Induct
- - 532 41 82-76 Manual, Owner's (Eng)
- - 532 41 82-78 Manual, Owner's (Fr)
14
9
2
12
33

42
TRACTOR - MODEL NO. 2754GLS (96043004700), PRODUCT NO. 960 43 00-47
MOWER DECK
47
7
49
46
32
33
31
30
1
33
52
52
43
196
97
33
192
49
34
39
185
46
46
6
21
122
114
98
31
32
25 26
24
27
58
60
59
18
21
194
113
49
187
190
184
190
187
50
120
117
116
21
18
189
21
18
13
14
15
11
8
29
mower_deck 54-tex_10
12
16 19
241
242
43
TRACTOR - MODEL NO. 2754GLS (96043004700), PRODUCT NO. 960 43 00-47
MOWER DECK
KEY PART
NO. NO. DESCRIPTION
KEY PART
NO. NO. DESCRIPTION
NOTE: All component dimensions given in U.S. inches
1 inch = 25.4 mm
1 532 41 87-08 Deck Weldment Mower
6 532 19 60-66 Cover Mandrel LH
7 532 19 71-81 Cover Mandrel RH
8 532 17 43-65 Bolt 7/16 Asm. Blade
11 532 18 72-56 Blade Bagging
- - 532 18 72-55 Blade Mulching
12 532 40 03-37 Bar Anti-Sway
13 532 18 72-91 Shaft Asm. w/Lower Bearing
14 532 18 72-81 Housing, Mandrel
15 532 11 04-85X Bearing, Ball, Mandrel
16 819 13 13-12 Washer 13/32 x 13/16 x 12 Ga.
17 872 14 05-05 Bolt Carr. 5/16-18 x 5/8
19 532 19 42-08 Pin Cotter 5/16 Bow tie Lock
21 873 68 05-00 Nut, Crownlock 5/16-18 unc
24 532 10 53-04X Cap Sleeve
25 532 17 81-02 Spring, Torsion
26 532 11 04-52X Nut, Push
27 532 18 89-38 Deflector Shield
29 532 13 14-91 Rod, Hinge
30 532 17 39-84 Screw, Thdroll Washer Head
31 532 18 76-90 Washer, Spacer Mower Vented
32 532 15 35-35 Pulley, Mandrel
33 532 40 02-34 Nut, Flg. Top Lock
34 873 68 06-00 Nut Crownlock 3/8-16 unc
39 532 19 73-80 Pulley, Idler, Stationary
43 532 19 60-65 Arm, Idler
46 532 13 77-29 Screw, Thdroll. 1/4-20 x 5/8
47 532 19 61-03 V-Belt, Mower
49 873 90 06-00 Nut, Lock Flg. 3/8-16 unc
50 872 11 06-16 Bolt Rdhd Sqnk 3/8-16 unc x 2
52 532 19 73-79 Pulley Idler 4.50
58 532 18 73-42 Baffle Right
59 532 18 73-44 Baffle Left
60 532 18 76-07 Baffle Center
97 532 17 85-15 Washer Hardened
98 532 19 61-05 Spring Drive
113 872 11 05-08 Bolt Rdhd Sqnk 5/16-18 x 3/4
114 532 18 75-56 Rod Tension Relief
116 532 19 34-06 Bolt, Shoulder
117 532 17 48-73 Gauge Wheel
120 819 13 20-12 Washer 13/32 x 1-1/4 x 12 Ga.
122 532 18 75-57 Bushing Tension Relief
185 873 90 07-00 Nut Lock Flange 7/16-14 Gr. 5
187 532 19 51-61 Stud Fastener w/"D" Anti-Rotation
188 873 90 05-00 Nut Lock Hex Flange 5/16-18
189 532 19 51-85 Arm Susp. Mower Rear
190 532 19 65-39 Bolt Shoulder
192 532 19 84-68 Keeper Belt Idler
194 872 14 07-16 Bolt Carr Sqnk 3/8-16 x 2-1/4
195 872 14 06-20 Bolt Rdhd 3/8-16 unc x 2-3/4 Gr. 5
241 532 15 29-27 Screw
242 532 41 55-98 Washout Port
- - 532 18 72-92 Mandrel Assembly (Includes hous-
ing, shaft assembly, and bearing
only - pulley/nut/washer and blade
bolt/washers not included)
- - 532 41 82-29 Replacement Mower, Complete

44
TRACTOR - MODEL NO. 2754GLS (96043004700), PRODUCT NO. 960 43 00-47
MOWER LIFT
7
3
87
10 88
2
89
90
87
98
97
97
91
lift-tex_3
91
89
87
89
87
2 532 19 52-23 Shaft Asm., Lift
3 532 19 52-30 Lever Asm., Lift RH
7 532 41 15-55X42 Grip, Lever
10 532 19 63-14 Spring Torsion
87 532 19 42-09 Pin Cotter 7/16 Bow Tie Lock
88 532 19 53-04 Spring Lift Assist
89 819 19 19-12 Washer Clear Zinc
KEY PART
NO. NO. DESCRIPTION
NOTE: All component dimensions given in U.S. inches
1 inch = 25.4 mm
KEY PART
NO. NO. DESCRIPTION
90 532 19 42-08 Pin Cotter 5/16 Bow Tie Lock
91 532 40 34-07 Link Lift Susp Mower Rear
97 817 00 06-12 Screw 3/8-16 x .75
98 532 19 52-64 Link Lift Susp. Front Mower

45
15 DEGREES MAX.
FOLD ALONG DOTTED LINE
THIS IS A 15 DEGREE SLOPE
ONLY RIDE UP AND DOWN HILL,
NOT ACROSS HILL
SUGGESTED GUIDE FOR SIGHTING SLOPES FOR SAFE OPERATION
WARNING: To avoid serious injury, operate your tractor up and
down the face of slopes, never across the face. Do not mow
slopes greater than 15 degrees. Make turns gradually to prevent
tipping or loss of control. Exercise extreme caution when
changing direction on slopes.
1. Fold this page along dotted line indicated above.
2. Hold page before you so that its left edge is vertically parallel to a tree
trunk or other upright structure.
3. Sight across the fold in the direction of hill slope you want to measure.
4. Compare the angle of the fold with the slope of the hill.

46
SERVICE NOTES

47
SERVICE NOTES

SECTION 1: LIMITED WARRANTY
Husqvarna Forest & Garden Company (“Husqvarna”) warrants Husqvarna product to the original purchaser to be free from
defects in material and workmanship from the date of purchase for the “Warranty Period” of the product as set forth below:
Lifetime Warranty (Parts and Labor): All tiller tines and trimmer shafts against breakage. Proof of purchase required.
Lifetime Warranty (“PARTS ONLY” after initial warranty expiration): Ignition coils and modules on handheld product.
Proof of purchase required.
WARRANTY SCHEDULE FOR TURF CARE Equipment - Zero Turn Riders
(New warranty applies to units sold after August 1, 2005. Also applies to units factory-equipped with R.O.P.S.
EZ Zero Turn Riders: 3 year consumer warranty or 600 hours of use (when used solely at the owner’s residence.)
EZ Zero Turn Riders: 1 year commercial warranty or 600 hours of use.
iZ, LZ & BZ Zero Turn Riders:
5 year consumer warranty or 1,500 hours of use (when used solely at the owner’s residence.)
iZ, LZ & BZ Zero Turn Riders: 5 year commercial warranty or 1,500 hours of use.
3 Year or 1,500 Hour Commercial Use Warranty: spindles on zero turn riders, hydraulic pumps and wheel motors.
Warranty Schedule for Turf Care Walk Behind Units - W, WG & WH Zero Turn Riders - 3 year consumer and commercial
warranty. New warranty applies to units sold after August 1, 2005. Also applies to units factory-equipped with R.O.P.S.
2 Year COMMERCIAL and CONSUMER Warranty: all Husqvarna ground-engaging commercial equipment.
WARRANTY SCHEDULE FOR CONSUMER TURF CARE EQUIPMENT:
2 Year Consumer Warranty: Automatic mower, all Residential Zero Turn Riders, all lawn, yard and garden tractors, all
noncommercial walk behind mowers, tillers, chain saws, trimmers, brushcutters, clearing saws, snow blowers, handheld
blowers, backpack blowers, hedge trimmers, electrical products and power-assist collection systems for noncommercial,
nonprofessional, noninstitutional or nonincome producing use, except as herein stated. All consumer product use must have
been limited to the owner’s residence.
WARRANTY SCHEDULE FOR CONSUMER FOREST & GARDEN EQUIPMENT:
2 Year Consumer Warranty: all consumer chain saws, trimmers, brushcutters, clearing saws, handheld blowers, backpack
blowers, hedge trimmers, and electrical products for noncommercial, nonprofessional, noninstitutional or nonincome
producing use, except as herein stated. All consumer product use must have been limited to the owner’s residence.
2 Year or 2,000 Hour Powertrain & 1 Year or 1,000 Hour Body Warranty: Husqvarna Utility Vehicles.
1 Year Warranty: Power cutters, stump grinder, pole pruners and pole saws for non-commercial, non-professional,
noninstitutional, non-municipality or non-income producing use. All 300 series trimmers, brushcutters, clearing saws,
hovering trimmers, stick edgers, backpack blowers, hand held blowers, hedge trimmers, power-assist collection systems for
commercial, institutional, professional or income producing purposes or use.
1 Year Conditional Component Warranty: Chain saw crankshafts for commercial/professional use (parts and labor).Saw
must be operated with Husqvarna XP 2 cycle oil.
90 Day Commercial Warranty:
Automatic mower, chain saws, 100 series trimmers, power cutters, stump grinders, pole
saws, pole pruners, snow throwers, model series 580 & 600 walk-behind mowers, or any Husqvarna product used for
commercial, institutional, professional, municipality or income producing purposes or use except as otherwise provided herein.
Batteries: 1 year prorated limited warranty with 100% replacement during the first 6 months.
Rental Warranty: 90 days on all applicable professional equipment reference warranty time period charts
located in the back of the Retailer Warranty Policy & Procedure Manual.
Husqvarna Safety Apparel carries a 90-day warranty from the date of the customer’s original purchase for defects in
material and workmanship. Normal wear, tear or abuse is not covered under warranty. Product must be returned to Charlotte
with a warranty claim form. All care and maintenance instructions must be followed as stated by the manufacturer on the
care label. The fit of the protective apparel/boot is not covered under warranty.
30 Day Warranty: Replacement parts, accessories including bars and chains, tools and display items. Emission control
system components necessary to comply with CARB-TIER II and EPA regulations, except for those components which are
part of engine systems manufactured by third part engine manufacturers for which the purchaser has received a separate
warranty with product at time of purchase.
SECTION 2: HUSQVARNA’S OBLIGATIONS UNDER THE WARRANTY
Husqvarna will repair or replace defective components without charge for parts or labor if a component fails because of a
defect in material or workmanship during the warranty period.
SECTION 3: ITEMS NOT COVERED BY THIS WARRANTY
The following items are not covered by this warranty:
(1) Normal customer maintenance items which become worn through normal regular use, including, but not limited to, belts,
blades, blade adapters, bulbs, clutches, clutch drums, filters, guide bars, lubricants, rewind springs, saw chain, spark plugs,
starter ropes and tines;
(2) Natural discoloration of material due to ultraviolet light;
(3) Engine and drive systems not manufactured by Husqvarna; these items are covered by the respective manufacturer’s
warranty as provided in writing with the product information supplied at the time of purchase; all claims must be sent to the
appropriate manufacturer;
(4) Lawn and garden attachments are covered by a third party which gives a warranty, all claims for warranty should be sent
to the manufacturer,
(5) Commercial or consumer mowing decks with sand abrasion damage.
(6) Emission Control System components necessary to comply with CARB-TIER II and EPA regulations which are
manufactured by third party engine manufacturer.
SECTION 4: EXCEPTIONS AND LIMITATIONS
This warranty shall be inapplicable to defects resulting from the following:
(1) Accident, abuse, misuse, negligence and neglect, including stale fuel, dirt, abrasives, moisture, rust, corrosion, or any
adverse reaction due to incorrect storage or use habits;
(2) Failure to operate or maintain the unit in accordance with the Owner’s/Operator’s manual or instruction sheet furnished
by Husqvarna;
(3) Alterations or modifications that change the intended use of the product or affects the product’s performance, operation,
safety, or durability, or causes the product to fail to comply with any applicable laws; or:
(4) Additional damage to parts or components due to continued use occurring after any of the above.
REPAIR OR REPLACEMENT AS PROVIDED UNDER THIS WARRANTY IS THE EXCLUSIVE REMEDY OF THE
PURCHASER. HUSQVARNA SHALL NOT BE LIABLE FOR ANY INCIDENTAL OR CONSEQUENTIAL DAMAGES FOR
BREACH OF ANY EXPRESS OR IMPLIED WARRANTY ON THESE PRODUCTS EXCEPT TO THE EXTENT
PROHIBITED BY APPLICABLE LAW. ANY IMPLIED WARRANTY OF MERCHANTABILITY OR FITNESS FOR A
PARTICULAR PURPOSE ON THESE PRODUCTS IS LIMITED IN DURATION TO THE WARRANTY PERIOD AS
DEFINED IN THE LIMITED WARRANTY STATEMENT. HUSQVARNA RESERVES THE RIGHT TO CHANGE OR
IMPROVE THE DESIGN OF THE PRODUCT WITHOUT NOTICE, AND DOES NOT ASSUME OBLIGATION TO UPDATE
PREVIOUSLY MANUFACTURED PRODUCTS.
Some states do not allow the exclusion of incidental or consequential damages, or limitations on how long an implied
warranty lasts, so the above limitations or exclusions may not apply to you. This warranty gives you specific legal rights, and
you may also have other rights which vary from state to state.
SECTION 5: CUSTOMER RESPONSIBILITIES
The product must exhibit reasonable care, maintenance, operation, storage and general upkeep as written in the
maintenance section of the Owner’s/Operator’s manual. Should an operational problem or failure occur, the product should
not be used, but delivered as is to an authorized Husqvarna retailer for evaluation. Proof of purchase, as explained in
section 6, rests solely with the customer.
SECTION 6: PROCEDURE TO OBTAIN WARRANTY CONSIDERATION
It is the Owner’s and Retailer’s responsibility to make certain that the Warranty Registration Card is properly filled out and
mailed to Husqvarna Forest & Garden Company. This card should be mailed within ten (10) days from the date of purchase
in order to confirm the warranty and to facilitate post-sale service.
Proof of purchase must be presented to the authorized Husqvarna retailer in order to obtain warranty service. This proof
must include date purchased, model number, serial number, and complete name and address of the selling retailer.
To obtain the benefit of this warranty, the product believed to be defective must be delivered to an authorized Husqvarna
retailer in a timely manner, no later than thirty (30) days from date of the operational problem or failure. The product must be
delivered at the owner’s expense. Downtime, pick-up and delivery charges are not covered by this warranty. An authorized
Husqvarna retailer can be normally located through the “Yellow Pages” of the local telephone directory or by calling 1-800-
HUSKY62 for a retailer in your area.
HUSQVARNA
7349 Statesville Road
Charlotte, NC 28269
WARRANTY STATEMENT
532 41 82-76 12.06.07 SR Printed in U.S.A.