Husqvarna 5524Ste Users Manual OM, 5524 STE, 96193001400, 2006 08, Snow Thrower
5524STE to the manual a2a4f200-7036-4fb0-a4ec-477f30cdc796
2015-01-24
: Husqvarna Husqvarna-5524Ste-Users-Manual-317644 husqvarna-5524ste-users-manual-317644 husqvarna pdf
Open the PDF directly: View PDF
.
Page Count: 32

5524STE
Owner's Manual

2
IMPORTANT
Safe Operation Practices for Walk-Behind Snow Throwers
This snow thrower is capable of amputating hands and feet and throwing objects.
Failure to observe the following safety instructions could result in serious injury.
WARNING: This snow thrower is for
use on sidewalks, driveways and other
ground level surfaces. Caution should
be exercised while using on sloping sur-
faces. Do not use snow thrower on
surfaces above ground level such as
roofs of residences, garages, porch es
or other such structures or buildings.
WARNING: Snow throwers have ex-
posed rotating parts, which can cause
severe injury from contact, or from ma-
terial thrown from the discharge chute.
Keep the area of operation clear of all
persons, small children and pets at all
times including startup.
WARNING: Always disconnect spark
plug wire and place it where it can not
con tact plug in order to pre vent ac ci -
den tal start ing when setting up, trans-
port ing, ad just ing or making re pairs.
Look for this symbol to point out im-
por tant safety precautions. It means
CAUTION!!! BE COME ALERT!!! YOUR
SAFE TY IS IN VOLVED.
CAUTION: Muffl er and other engine
parts become extremely hot during
operation and remain hot after engine
has stopped. To avoid severe burns on
contact, stay away from these areas.
WARNING: Engine exhaust, some of
its con stit u ents, and certain vehicle
com po nents contain or emit chem i-
cals known to the State of Cal i for nia
to cause can cer and birth defects or
oth er re pro duc tive harm.
(f) Keep the nozzle in contact with the rim of the fuel
tank or container opening at all times, until refuel-
ing is complete. Do not use a nozzle lock-open
device.
(g) Replace gasoline cap securely and wipe up spilled
fuel.
(h) If fuel is spilled on clothing, change clothing im-
mediately.
5. Use extension cords and receptacles as specifi ed by
the manufacturer for all units with electric drive motors
or electric starting motors.
6. Adjust the collector housing height to clear gravel or
crushed rock surface.
7. Never attempt to make any adjustments while the
engine (motor) is running (except when specifi cally
recommended by manufacturer).
8. Always wear safety glasses or eye shields during op-
eration or while performing an adjustment or repair to
protect eyes from foreign objects that may be thrown
from the machine.
Operation
1. Do not put hands or feet near or under rotating parts.
Keep clear of the discharge opening at all times.
2. Exercise extreme caution when operating on or cross-
ing gravel drives, walks, or roads. Stay alert for hidden
hazards or traffi c.
3. After striking a foreign object, stop the engine (motor),
remove the wire from the spark plug, disconnect the
cord on electric motors, thoroughly inspect the snow
thrower for any damage, and repair the damage before
restarting and operating the snow thrower.
4. If the unit should start to vibrate abnormally, stop the
engine (motor) and check immediately for the cause.
Vibration is generally a warning of trouble.
5. Stop the engine (motor) whenever you leave the oper-
ating position, before unclogging the collector/impeller
housing or discharge chute, and when making any
repairs, adjustments or inspections.
Training
1. Read, understand and follow all instructions on the
machine and in the manual(s) before operating this
unit. Be thoroughly familiar with the controls and the
proper use of the equipment. Know how to stop the
unit and disengage the controls quickly.
2. Never allow children to operate the equipment. Never
allow adults to operate the equipment without proper
instruction.
3. Keep the area of operation clear of all persons, par-
ticularly small children.
4. Exercise caution to avoid slipping or falling, especially
when operating the snow thrower in reverse.
Preparation
1. Thoroughly inspect the area where the equipment is
to be used and remove all doormats, sleds, boards,
wires, and other foreign objects.
2. Disengage all clutches and shift into neutral before
starting the engine (motor).
3. Do not operate the equipment without wearing adequate
winter garments. Avoid loose fi tting clothing that can
get caught in moving parts. Wear footwear that will
improve footing on slippery surfaces.
4. Handle fuel with care; it is highly fl ammable
(a) Use an approved fuel container.
(b) Never add fuel to a running engine or hot en-
gine.
(c) Fill fuel tank outdoors with extreme care. Never fi ll
fuel tank indoors.
(d) Never fi ll containers inside a vehicle or on a truck or
trailer bed with a plastic liner. Always place contain-
ers on the ground, away from your vehicle, before
fi lling.
(e) When practical, remove gas-powered equipment
from the truck or trailer and refuel it on the ground.
If this is not possible, then refuel such equipment
on a trailer with a portable container, rather than
from a gasoline dispenser nozzle.

3
PRODUCT SPECIFICATIONS
Gasoline Capacity 2.0 Quarts
and Type: Unleaded Regular only
Oil Type SAE 30 (above 40°F)
(API SG–SL): SAE 5W-30 or 10W-30 (0° to +40°F)
SAE 0W-30 (below 0°F)
Oil Capacity: 21 Ounces
Spark Plug: Champion RJ19LM (Gap: .030")
CONGRATULATIONS on your purchase of a new snow
thrower. It has been designed, engineered and man u fac -
tured to give best possible dependability and per for mance.
Should you experience any problem you cannot easily
remedy, please contact your nearest authorized service
center. We have competent, well-trained tech ni cians and
the proper tools to service or repair this unit.
Please read and retain this manual. The instructions will
enable you to assemble and maintain your snow thrower
prop er ly. Always observe the “SAFETY RULES”.
SERIAL NUMBER: ___________________________
DATE OF PURCHASE: _______________________
THE MODEL AND SERIAL NUMBERS WILL BE FOUND
ON A DECAL ATTACHED TO THE REAR OF THE SNOW
THROWER HOUSING.
YOU SHOULD RECORD BOTH SERIAL NUMBER AND
DATE OF PURCHASE AND KEEP IN A SAFE PLACE
FOR FUTURE REFERENCE.
CUSTOMER RESPONSIBILITIES
• Read and observe the safety rules.
• Follow a regular schedule in maintaining, caring for
and using your snow thrower.
• Follow the instructions under “Maintenance” and “Stor-
age” sec tions of this own er’s manual.
6. When cleaning, repairing or inspecting the snow thrower,
stop the engine and make certain the collector/impeller
and all moving parts have stopped. Disconnect the
spark plug wire and keep the wire away from the plug
to prevent someone from accidentally starting the en-
gine.
7. Do not run the engine indoors, except when starting
the engine and for transporting the snow thrower in or
out of the building. Open the outside doors; exhaust
fumes are dangerous.
8. Exercise extreme caution when operating on slopes.
9. Never operate the snow thrower without proper guards,
and other safety protective devices in place and work-
ing.
10. Never direct the discharge toward people or areas
where property damage can occur. Keep children
and others away.
11. Do not overload the machine capacity by attempting
to clear snow at too fast a rate.
12. Never operate the machine at high transport speeds
on slippery surfaces. Look behind and use care when
operating in reverse.
13. Disengage power to the collector/impeller when snow
thrower is transported or not in use.
14. Use only attachments and accessories approved by
the manufacturer of the snow thrower (such as wheel
weights, counterweights, or cabs).
15. Never operate the snow thrower without good visibility
or light. Always be sure of your footing, and keep a fi rm
hold on the handles. Walk; never run.
16. Never touch a hot engine or muffl er.
Clearing a Clogged Discharge Chute
Hand contact with the rotating impeller inside the discharge
chute is the most common cause of injury associated with
snow throwers. Never use your hand to clean out the dis-
charge chute. To clear the chute:
1. SHUT THE ENGINE OFF!
2. Wait 10 seconds to be sure the impeller blades have
stopped rotating.
3. Always use a clean-out tool, not your hands.
Maintenance and Storage
1. Check shear bolts and other bolts at frequent intervals
for proper tightness to be sure the equipment is in safe
working condition.
2. Never store the machine with fuel in the fuel tank
inside a building where ignition sources are present
such as hot water heaters, space heaters, or clothes
dryers. Allow the engine to cool before storing in any
enclosure.
3. Always refer to operator’s manual for important details
if the snow thrower is to be stored for an extended
period.
4. Maintain or replace safety and instruction labels, as
necessary.
5. Run the machine a few minutes after throwing snow
to prevent freeze-up of the collector/impeller.
MAINTENANCE..................................................... 13-14
MAINTENANCE SCHEDULE ..................................... 13
SERVICE AND AD JUST MENTS ........................... 15-17
STORAGE................................................................... 17
TROU BLE SHOOT ING................................................ 18
REPAIR PARTS ..................................................... 20-31
SAFETY RULES ........................................................ 2-3
PRODUCT SPECIFICATIONS...................................... 3
CUSTOMER RESPONSIBILITIES................................ 3
WARRANTY................................................................ 32
ASSEMBLY / PRE-OPERATION ............................... 4-6
OPERATION ............................................................ 7-12
TABLE OF CONTENTS

4
PARTS PACKED SEPARATELY IN CARTON
Read these instructions and this manual in its entirety
before you attempt to assemble or operate your new
snow thrower. Reading the entire manual will familiar-
ize you with the unit, which will assist you in assembly,
operation and maintenance of the product.
Your new snow thrower has been as sem bled at the factory
with the ex cep tion of those parts left unassembled for ship-
ping purposes. All parts such as nuts, washers, bolts, etc.,
necessary to com plete the as sem bly have been placed in
the parts bag. To ensure safe and proper operation of your
snow thrower, all parts and hard ware you assemble must
be tightened se cure ly. Use the correct tools as nec es sary
to ensure proper tightness.
REMOVE SNOW THROWER FROM CAR TON
1. Remove all accessible loose parts and parts boxes
from carton.
ASSEMBLY / PRE-OPERATION
2. Cut down all four corners of carton and lay panels fl at.
3. Remove the two (2) screws securing the auger housing
to the pallet.
4. Remove all packing materials ex cept plastic tie holding
speed control rod to lower handle.
5. Remove the two (2) plastic ties securing the upper
handle to the pallet.
6. Remove snow thrower from carton and check carton
thor ough ly for ad di tion al loose parts.
HOW TO SET UP YOUR SNOW THROWER
TOOL BOX (See Fig. 8)
A toolbox is provided on your snow thrower. The toolbox is
located on top of the belt cover. Store the extra shear bolts,
nuts and multi-wrench provided in parts bag in the toolbox.

5
ASSEMBLY / PRE-OPERATION
NOTE: The multi-wrench may be used for assembly of the
chute rotator head to snow thrower and making ad just ments
to the skid plates.
UNFOLD UPPER HANDLE
1. Raise upper handle to the operating position and tight en
handle knobs securely.
INSTALL SPEED CONTROL ROD (See Figs. 1 and 2)
1. Remove plastic tie securing rod to lower handle.
2. Insert rod into speed control bracket and secure with
retainer spring.
SPEED
CONTROL
ROD
HANDLE
KNOB
LOWER
HANDLE
PLASTIC TIE
UPPER
HANDLE
FIG. 1
INSTALL TRACTION DRIVE CONTROL ROD
(See Figs. 3 and 4)
The traction drive control rod has the long loop on the end
of the spring as shown.
1. Slide rubber sleeve up rod and hook end of spring into
pivot bracket with loop opening down as shown.
2. With top end of rod positioned under left side of control
panel, push rod down and insert top end of rod into hole
in drive control bracket. Secure with retainer spring.
TRACTION DRIVE
CONTROL ROD
PIVOT
BRACKET
RUBBER
SLEEVE
LOOP
OPEN ING
DOWN
FIG. 3
SPEED CON TROL ROD
SPEED
CONTROL
BRACKET
RETAINER
SPRING
SPEED
CONTROL
LEVER
FIG. 2
TRACTION
DRIVE
CON TROL
ROD
DRIVE
CONTROL
BRACKET
RETAINER
SPRING
TRACTION DRIVE
CON TROL LEVER
FIG. 4

6
ASSEMBLY / PRE-OPERATION
INSTALL DISCHARGE CHUTE / CHUTE ROTATER
HEAD (See Fig. 7)
NOTE: The multi-wrench provided in your parts bag may
be used to install the chute rotater head.
1. Place discharge chute assembly on top of chute base
with discharge opening toward front of snow thrower.
2. Position chute rotater head over chute bracket. If nec es -
sary, rotate chute assembly to align square and pin on un-
der side of chute rotater head with holes in chute brack et.
3. With chute rotater head and chute bracket aligned,
po si tion chute rotater head on pin and threaded stud
of mounting bracket.
4. Install 3/8 washer and locknut on threaded stud and
tighten securely.
CHECK TIRE PRESSURE
The tires on your snow thrower were overinfl ated at the fac-
tory for shipping purposes. Correct and equal tire pres sure
is important for best snow throwing performance.
• Reduce tire pressure to 14-17 PSI (19-24.5 N-m).
AUGER
CONTROL
ROD
CONTROL
ARM
RUBBER
SLEEVE
LOOP
OPENING
UP
FIG. 5
INSTALL AUGER CONTROL ROD (See Figs. 5 and 6)
The auger control rod has the short loop on the end of the
spring as shown.
1. Slide rubber sleeve up rod and hook end of spring into
control arm with loop opening up as shown.
2. With top end of rod positioned under right side of
control panel, push down on rod and insert end of rod
into hole in auger control bracket. Secure with retainer
spring.
AUGER
CONTROL
LEVER
AUGER CONTROL ROD
AUGER
CONTROL
BRACKET
RETAINER
SPRING
FIG. 6
CHUTE
ROTATER
HEAD
3/8 WASHER
3/8 LOCKNUT
THREADED
STUD
PIN
ROTATER HEAD
MOUNT ING
BRACKET
CHUTE
BRACKET
FIG. 7
ALIGN BEFORE
TIGHTENING LOCKNUT

7
OPERATION
KNOW YOUR SNOW THROWER
READ THIS OWNER'S MANUAL AND ALL SAFETY RULES BEFORE OPERATING YOUR SNOW THROWER. Compare
the illustrations with your snow thrower to familiarize yourself with the location of various controls and adjustments. Save
this manual for future reference.
These symbols may appear on your snow thrower or in literature supplied with the product. Learn and understand
their meaning.
FORWARD
PRIMER
IGNITION KEY.
INSERT TO START
AND RUN,
PULL OUT TO STOP.
READ AND FOLLOW ALL SAFETY INFORMATION
AND INSTRUCTIONS BEFORE USE OF THIS PRODUCT.
KEEP THESE INSTRUCTIONS FOR FUTURE REFERENCE
.
DANGER
OR WARNING
REVERSE
SNOW
DISCHARGE
TRACTION
DRIVE CONTROL
DISENGAGED
ENGAGED

8
OPERATION
Choke control - used for starting a cold engine.
Drive speed control lever - used to select forward or
reverse motion and speed of snow thrower.
Traction drive control lever - used to engage power-pro-
pelled for ward or reverse motion of snow thrower.
Auger control lever - used to engage auger motion (throw
snow).
Discharge chute control lever - used to change the di-
rec tion the snow is thrown.
Skid plate - used to adjust height of scraper bar from the
ground.
Toolbox - used to store spare shear bolts, locknuts and
wrench.
Safety ignition key - must be inserted for the engine to
start and run. Remove when snow thrower is not in use.
Electric start button – used for starting the engine.
Recoil (auxiliary) starter handle – used for start ing the
en gine.
Primer - pumps additional fuel from the carburetor to the
cylinder for use when starting a cold engine.
Throttle/engine control - used to se lect either FAST or
SLOW engine speed and to STOP the engine.
MEETS A.N.S.I. SAFETY REQUIREMENTS
Our snow throwers conform to the standards of the American National Standards Institute.
TRACTION
DRIVE
CONTROL
LEVER
DISCHARGE CHUTE CONTROL LEVER
RECOIL
STARTER
HANDLE
THROTTLE
/ ENGINE
CONTROL
DRIVE SPEED
CON TROL LEVER
AUGER
CONTROL
LEVER
MUF FLER
TOOLBOX
HANDLE
KNOB
SKID PLATE
CHUTE
DE FLEC TOR
GAS O LINE
FILLER
CAP
ENGINE OIL CAP
WITH DIPSTICK
SPARK
PLUG
SAFETY
IGNITION
KEY
CHOKE
CON-
TROL
PRIM ER
NOTE: ITEMS ABOVE
ARE SHOWN IN
THEIR TYPICAL
LOCATION ON THE
ENGINE. ACTUAL
LOCATION MAY VARY
WITH THE ENGINE
ON YOUR UNIT.
FIG. 8
AU GERS
ELECTRIC
START
BUTTON
POWER
CORD
PLUG
DISCHARGE
CHUTE
FUEL
SHUT-OFF
VALVE
OIL DRAIN PLUG
CLEAN-OUT TOOL

9
The operation of any snow thrower can result
in foreign objects thrown into the eyes, which
can result in severe eye damage. Always wear
safety glasses or eye shields while operating
your snow thrower or performing any ad just -
ments or repairs. We recommend standard safe ty glasses
or a wide vision safety mask worn over spectacles.
HOW TO USE YOUR SNOW THROWER
Know how to operate all controls before adding fuel or
attempting to start the engine.
STOPPING
TRACTION DRIVE
• Release traction drive control lever to stop the forward
or reverse movement of the snow thrower.
AUGER
• Release the auger control lever to stop throwing snow.
ENGINE
1. Move throttle control to “STOP” position.
2. Remove (do not turn) safety ignition key to prevent
unauthorized use.
NOTE: Never use choke to stop engine.
TO USE FUEL SHUT-OFF VALVE (See Fig. 9)
The fuel shut-off valve is located beneath the fuel tank on
the engine. Always op er ate the snow thrower with the fuel
shut-off valve in the OPEN position.
OPERATION
TO CONTROL SNOW DISCHARGE (See Figs. 12 & 13)
WARNING: Snow throwers have ex-
posed rotating parts, which can cause
severe injury from contact, or from ma-
terial thrown from the discharge chute.
Keep the area of operation clear of all
persons, small children and pets at all
times including startup.
WARNING: If the discharge chute or au-
ger become clogged, shut-off en gine
and wait for all moving parts to stop. Use
the clean-out tool, NOT YOUR HANDS,
to un clog the chute and/or auger.
The DIRECTION in which snow is to be thrown is controlled
by the discharge chute control lever.
• To change the discharge chute position, press down-
ward on discharge chute control lever and move lever
left or right until chute is in desired position. Be sure
lever springs back and locks into desired position.
TO USE THROTTLE CONTROL (See Fig. 10)
The throttle control is located on the engine. Always op er ate
the snow thrower with the engine at full throttle. Full throttle
offers the best snow thrower performance.
TO USE CHOKE CON TROL (See Fig. 11)
The choke con trol is located on the en gine. Use the choke
control when ev er you are starting a cold en gine. Do not
use to start a warm en gine.
• To engage choke, turn knob clockwise. Slowly turn
knob counterclockwise to disengage.
DISCHARGE CHUTE
CONTROL LEVER
The DISTANCE that snow is thrown is controlled by the
position of the chute defl ector. Set the defl ector low to
throw snow a short distance; set the defl ector higher to
throw snow farther.
• To change the defl ector position, loosen knob, move de-
fl ector to desired position and tighten knob securely.
FIG. 10
FIG. 9
FIG. 12
FIG. 11
FULLOFF
SLOW
FAST
OPEN
OFF

10
TO MOVE FORWARD AND BACKWARD (See Fig. 16)
SELF-PROPELLING, forward and reverse movement of
the snow thrower, is controlled by the traction drive control
lever located on the left side handle.
• Squeeze traction drive control lever to handle to en gage
the drive system.
• Release traction drive control lever to stop the forward
or reverse movement of the snow thrower.
SPEED and DIRECTION are controlled by the drive speed
control lever.
• Press downward on the speed control lever and move
lever to de sired po si tion BE FORE engaging the trac-
tion drive control lever. Be sure lever springs back and
locks into desired position.
CAUTION: Do not move speed con trol le ver
when traction drive control lever is en gaged.
Damage to the snow thrower can result.
• Slower speeds are for heavier snow and faster speeds
are for light snow and transporting the snow thrower. It
is recommended that you use a slower speed until you
are familiar with the operation of the snow thrower.
OPERATION
CLEAN-OUT
TOOL
FIG. 15
MOUNTING CLIP
DISCHARGE CHUTE
TO THROW SNOW (See Fig. 14)
The auger rotation is controlled by the auger control lever
located on the right side handle.
• Squeeze auger control lever to handle to engage the
auger and throw snow.
• Release the auger control lever to stop throwing snow.
HIGH
POSITION
CHUTE
DEFLECTOR
LOW POSITION
KNOB
FIG. 13
USING THE CLEAN-OUT TOOL (See Fig. 15)
In certain snow conditions, the discharge chute may be-
come clogged with ice and snow. Use the clean-out tool to
dislodge this blockage.
When cleaning, repairing, or in spect ing, make
certain all controls are disengaged and the
auger/impeller and all moving parts have
stopped. Disconnect the spark plug wire and
keep the wire away from the spark plug to pre-
vent accidental starting.
• Release the auger control lever and shut off the engine.
• Remove the clean-out tool from it's mounting clip. Grasp
the tool fi rmly by the handle and push and twist the tool
into the discharge chute to dislodge the blockage.
After the packed snow has been dislodged, return the clean-
out tool to it's mounting clip by pushing it into the clip.
• Make sure the discharge chute is pointed in a safe direc-
tion (no vehicles, buildings, people, or other objects are
in the direction of discharge) before restarting engine.
DRIVE SPEED
CONTROL LEVER
TRACTION DRIVE
CONTROL LEVER
FIG. 16
AUGER
CONTROL
LEVER
FIG. 14
• Restart the engine, then squeeze the auger control
lever to the handle to clear snow from the auger hous-
ing and the discharge chute.

11
TO ADJUST SKID PLATES (See Fig. 17)
NOTE: The wrench provided in your parts bag may be used
to adjust the skid plates.
Skid plates are located on each side of the auger housing
and adjust the clearance between the scraper bar and the
ground surface. Adjust skid plates evenly to proper height
for current surface conditions. For removal of snow in
normal con di tions, such as a paved driveway or side walk,
place skid plates in the highest position (lowest scraper
clear ance) to give a 1/8" clearance between the scraper
bar and the ground. Use a middle position if the surface
to be cleared is uneven.
NOTE: It is not recommended to operate the snow thrower
over gravel or rocky surfaces. Objects such as gravel, rocks
or other debris, can easily be picked up and thrown by the
impeller, which can cause serious personal injury, property
dam age or damage to the snow thrower.
• If snow thrower must be operated over gravel surface,
use extra caution and be sure skid plates are adjusted
to lowest (highest scraper clear ance) position.
1. Shut off engine and wait for all moving parts to stop.
2. Adjust skid plates by loosening the rear 1/2" hex nut
only, then moving skid plate to desired position. Be sure
both plates are adjusted evenly. Tighten securely.
OPERATION
WARNING: Wipe off any spilled oil or
fuel. Do not store, spill or use gasoline
near an open fl ame.
CAUTION: Alcohol blended fuels (called gas-
o hol or using ethanol or methanol) can attract
moisture which leads to separation and for-
ma tion of acids dur ing storage. Acidic gas can
damage the fuel system of an engine while in
storage. To avoid engine problems, the fuel
system should be emptied be fore stor age of
30 days or longer. Empty the gas tank, start
the engine and let it run until the fuel lines and
carburetor are empty. Use fresh fuel next sea-
son. See Storage In struc tions for ad di tion al
information. Never use engine or car bu re tor
cleaner products in the fuel tank or per ma nent
damage may occur.
SKID PLATE
LOW POSITION (HIGH GROUND CLEAR ANCE)
1/2" HEX NUT
HIGH POSITION
(LOW GROUND
CLEARANCE)
AUGER
HOUSING
SCRAPER BAR
The scraper bar is not adjustable, but is reversible. After
con sid er able use it may become worn. When it has worn
almost to the edge of the housing, it can be reversed,
providing additional service before requiring replacement.
Replace a dam aged or worn scrap er bar.
BEFORE STARTING THE ENGINE
CHECK ENGINE OIL LEVEL (See Fig. 18)
The engine on your snow thrower has been shipped, from
the factory, already fi lled with oil.
1. Check engine oil with snow thrower on level ground.
2. Remove oil fi ll cap/dipstick and wipe clean, reinsert
the dipstick and screw tight, wait for a few seconds,
remove and read oil level. If necessary, add oil until
“FULL” mark on dipstick is reached. Do not overfi ll.
• To change engine oil, see “TO CHANGE ENGINE OIL”
in the Main te nance sec tion of this manual.
ADD GASOLINE (See Fig. 18)
• Fill fuel tank to bottom of tank fi ller neck. Do not over-
fi ll. Use fresh, clean, regular unleaded gasoline with
a minimum of 87 octane. Do not mix oil with gasoline.
Purchase fuel in quan ti ties that can be used within 30
days to assure fuel freshness.
FIG. 17
ENGINE OIL
FILL CAP /
DIPSTICK
FUEL SHUT-
OFF VALVE
PRIM ER
SAFETY
IG NI TION
KEY
THROT TLECHOKE CONTROL
STARTER BUTTON
RECOIL
STARTER
HANDLE
GAS O LINE
FILLER CAP
NOTE: ALL ITEMS ARE SHOWN IN THEIR TYPICAL LOCATION.
ACTUAL LOCATION MAY VARY WITH ENGINE ON YOUR UNIT.
POWER CORD PLUG
FIG. 18
TO START ENGINE
• Be sure fuel shut-off valve is in the OPEN position.
Your snow thrower engine is equipped with both a 120 Volt
A.C. electric starter and a recoil starter. The electric starter
is equipped with a three-wire power cord and plug and is
designed to operate on 120 Volt A.C. household current.
• Be sure your house is a 120 Volt A.C. three-wire
ground ed system. If you are uncertain, consult a
li censed electrician.
WARNING: Do not use the electric
start er if your house is not a 120 Volt
A.C. three-wire grounded system. Se-
ri ous per son al injury or damage to your
snow thrower could result.

12
COLD START - ELECTRIC STARTER
1. Insert safety ignition key into the ignition slot until it
clicks. DO NOT turn the key. Keep the extra safety
ignition key in a safe place.
2. Place throttle control in FAST position.
3. Rotate choke control to FULL position.
4. Connect the power cord to the engine.
5. Plug the other end of the power cord into a three-hole
grounded 120 Volt A.C. receptacle.
6. Push the primer three (3) times.
7. Push starter button until engine starts.
IMPORTANT: Do not crank engine more than fi ve con-
tin u ous seconds between each time you try to start. Wait
5 to 10 seconds between each attempt.
8. When the engine starts, release the starter button and
slowly move the choke control to the “OFF” position.
9. Disconnect the power cord from the receptacle fi rst,
then from the engine.
Allow the engine to warm up for a few minutes. Engine will
not develop full power until it has reached normal operat-
ing temperature.
WARM START - ELECTRIC STARTER
Follow the steps above, keeping the choke control in the
OFF position.
COLD START - RECOIL STARTER
1. Insert safety ignition key into the ignition slot until it
clicks. DO NOT turn the key. Keep the extra safety
ignition key in a safe place.
2. Place throttle control in FAST position.
3. Rotate choke control to FULL position.
4. Push the primer four (4) times if the temperature is
below 15°F/–10°C, or two (2) times if temperature is
between 15° and 50°F/–10°C and 10°C. If temperature
is above 50°F/10°C, priming is not nec es sary.
NOTE: Over priming may cause fl ooding, preventing the
engine from starting. If you do fl ood the engine, wait a few
minutes be fore at tempt ing to start and DO NOT push the
primer.
5. Pull recoil starter handle quickly. Do not allow starter
rope to snap back.
6. When the engine starts, release the recoil starter
han dle and slowly move the choke control to the OFF
position.
Allow the engine to warm up for a few minutes. Engine will
not develop full power until it has reached normal operating
temperature.
WARM START - RECOIL STARTER
Follow the steps above, keeping the choke in the OFF
position. DO NOT push the primer.
BEFORE STOPPING
Run the engine for a few minutes to help dry off any mois-
ture on the engine.
To avoid possible freeze-up of the starter, proceed as fol-
lows:
OPERATION
ELECTRIC STARTER
1. Connect the power cord to the engine.
2. Plug the other end of the power cord into a three-hole
grounded 120 Volt A.C. receptacle.
3. While the engine is running, push starter button and
spin the starter for several seconds.
NOTE: The unusual sound made while starter is spinning
will not harm the engine or starter.
4. Disconnect the power cord from the receptacle fi rst,
then from the engine.
RECOIL STARTER
1. While the engine is running, pull the recoil starter handle
with rapid, full arm strokes three or four times.
NOTE: The unusual sound made while pulling the recoil
starter handle will not harm the engine or starter.
IF RECOIL STARTER HAS FROZEN
If the recoil starter has frozen and will not turn the engine,
proceed as follows:
1. Grasp the recoil starter handle and slowly pull as much
rope out of the starter as possible.
2. Release the recoil starter handle and let it snap back
against the starter.
If the engine still fails to start, repeat the above steps or
use the electric starter.
SNOW THROWING TIPS
• Always operate the snow thrower with the engine at
full throttle. Full throttle offers the best performance.
• Go slower in deep, freezing or heavy wet snow. Use the
drive speed control, NOT the throttle, to adjust speed.
• It is easier and more effi cient to remove snow im me -
di ate ly after it falls.
• The best time to remove snow is the early morning. At
this time the snow is usually dry and has not been ex-
posed to the direct sun and warming tem per a tures.
• Slightly overlap each successive path to ensure all
snow will be removed.
• Throw snow downwind whenever possible.
• Ad just the skid plates to proper height for current snow
con di tions. See “TO ADJUST SKID PLATES” in this
section of this manual.
• For extremely heavy snow, re duce the width of snow
removal by over lap ping previous path and moving
slowly.
• Keep engine clean and clear of snow during use. This
will help air fl ow and extend engine life.
• After snow-throwing is completed, allow engine to run for
a few minutes to melt snow and ice off the engine.
• Clean the entire snow thrower thoroughly after each
use and wipe dry so it is ready for next use.
WARNING: Do not operate snow
thrower if weather conditions im pair vis-
ibility. Throwing snow dur ing a heavy,
windy snowstorm can blind you and be
hazardous to the safe operation of the
snow thrower.

13
MAINTENANCE
LUBRICATION CHARTGENERAL REC OM MEN DA TIONS
The warranty on this snow thrower does not cover items that
have been sub ject ed to operator abuse or negligence. To
receive full value from the warranty, operator must maintain
snow thrower as in struct ed in this manual. Some ad just -
ments will need to be made periodically to properly maintain
your snow thrower.
At least once a season, check to see if you should make
any of the adjustments described in the Service and Ad-
just ments section of this manual.
• At least once a year, you should replace the spark plug
and check belts for wear. A new spark plug will help
your engine run better and last longer.
• Follow the maintenance schedule in this manual.
NOTE: Use only Original Equipment Manufacturer (OEM)
parts to service this unit. Failure to do so can cause the unit
to malfunction and pose a risk of injury to the operator.
BEFORE EACH USE
1. Check engine oil level.
2. Check for loose fasteners.
3. Check controls to be sure they are functioning properly.
LUBRICATION
Keep your snow thrower well lubricated
(See “LU BRI CA TION CHART”).
SNOW THROWER
Always observe the safety rules when performing any
main te nance.
TIRES
• Maintain proper air pressure in both tires (14–17 P.S.I.
/ 19-24.5 N-m).
• Keep tires free of gasoline and oil, which can harm
rubber.
NOTE: To seal tire punctures and prevent fl at tires due to
slow leaks, tire sealant may be purchased from your local
parts dealer. Tire sealant also prevents tire dry rot and
cor ro sion.
➀ SAE 30 Motor Oil
➁ See “ENGINE” in
Maintenance section
➂ General
Purpose
Grease
➁
Engine
oil
➀ Pivot points
➂ Auger
grease fi ttings

14
MAINTENANCE
V-BELTS
Check V-belts for deterioration and wear after every 50
hours of operation and replace if necessary. The belts
are not ad just able. Replace belts if they begin to slip from
wear. (See “TO REMOVE BELT COVER” in the Service
and Adjustments section of this manual).
The V-belts on your snow thrower are of special con struc tion
and should be replaced by original equipment man u fac tur er
(OEM) belts avail able from your nearest dealer. Using other
than OEM belts can cause personal injury or damage to
the snow thrower.
AUGER GEAR CASE
• The gear case was fi lled with lubricant to the proper
level at the factory. The only time the lubricant needs
attention is if service has been performed on the gear
case.
• If lubricant is required, use only Ronex ED #1 grease.
TRACTION DRIVE SYSTEM
DO NOT lubricate the drive components inside the snow
thrower. The sprockets, hex shafts, drive disc and friction
wheel require no lubrication. The bearings and bushings
are lifetime lubricated and require no maintenance.
CAUTION: Any lubricating of the above com po -
nents can cause contamination of the friction
wheel and damage to the drive system of your
snow thrower.
ENGINE
See engine manual.
LUBRICATION
Use only high quality detergent oil rated with API service
classifi cation SG–SL. Select the oil's SAE viscosity grade
according to your expected operating temperature.
TO CHANGE ENGINE OIL
Determine temperature range anticipated before next oil
change. All oil must meet API service classifi cation SG–SL.
• Be sure snow thrower is on level surface.
• Oil will drain more freely when warm.
• Catch oil in a suitable container.
NOTE: The left side wheel may be removed from snow
thrower for easier access to the oil drain plug and place-
ment of a suitable container. The unit tilted, resting on the
frame with the left wheel removed, will help drain any oil
trapped inside the engine. (See “TO REMOVE WHEELS”
in the Service and Adjustments section of this manual).
1. Disconnect spark plug wire from spark plug and place
wire where it cannot come in contact with plug.
2. Clean area around drain plug.
3. Remove drain plug and drain oil in a suitable container.
4. Install drain plug and tighten securely.
5. Wipe off any spilled oil from snow thrower and engine.
6. Install left wheel (if removed for draining oil). Be sure to
install klick pin into proper hole in wheel axle (See “TO
REMOVE WHEELS” in the Service and Adjustments
section of this manual).
7. Remove oil fi ll cap/dipstick. Be careful not to allow dirt
to enter the engine.
8. Refi ll engine with oil through oil dipstick tube. Pour
slowly. Do not overfi ll. For approximate capacity see
“PRODUCT SPECIFICATIONS” section of this man u al.
9. Use gauge on oil fi ll cap/dipstick for checking level. Be
sure dipstick cap is tightened securely for accurate
reading. Keep oil at “FULL” line on dipstick.
10. Wipe off any spilled oil.
MUFFLER
Inspect and replace corroded muffl er as it could cre ate a
fi re haz ard and/or dam age.
SPARK PLUG
Replace spark plug at the beginning of each season or after
every 100 hours of operation, whichever occurs fi rst. Spark
plug type and gap setting are shown in the “PROD UCT
SPEC I FI CA TIONS” section of this manual.
CLEANING
IMPORTANT: For best performance, keep snow thrower
housing free of any dirt or trash. Clean the outside of your
snow thrower after each use.
WARNING: Disconnect spark plug wire
from spark plug and place wire where it
can not come in contact with plug.
• Keep fi nished surfaces/wheels free of gasoline, oil, etc.
• We do not recommend using a garden hose to clean
your snow thrower unless the electrical system, muffl er
and carburetor are covered to keep water out. Water
in engine can result in shortened engine life.
NOTE: Although multi-viscosity oils (5W30, 10W30 etc.)
improve starting in cold weather, these multi-viscosity oils
will result in increased oil consumption when used above
32°F. Check your engine oil level more frequently to avoid
possible engine damage from running low on oil.
Change the oil after every 25 hours of operation or at least
once a year if the snow thrower is not used for 25 hours
in one year.
Check the crankcase oil level before starting the engine and
after each fi ve (5) hours of continuous use. Tighten oil fi ll
cap / dipstick securely each time you check the oil level.

15
SERVICE AND ADJUSTMENTS
WARNING: To avoid serious injury,
before performing any service or ad-
just ments:
1. Be sure throttle is in STOP position.
2. Remove safety ignition key.
3. Make sure the augers and all mov ing
parts have completely stopped.
4. Disconnect spark plug wire from
spark plug and place wire where it
can not come in contact with plug.
SNOW THROWER
TO ADJUST SNOW THROWER HEIGHT
See “TO ADJUST SKID PLATES” and “SCRAPER BAR”
in the Operation section of this manual.
CHUTE DEFLECTOR
The chute defl ector, attached to the top of the discharge
chute, is provided to direct discharging snow away from
the operator. If the defl ector becomes damaged, it should
be re placed.
WARNING: To avoid serious injury,
nev er operate your snow thrower with
the defl ector removed or damaged.
• To change direction and/or distance snow is dis charged,
see “TO CONTROL SNOW DISCHARGE” in the Op-
er a tion section of this manual.
SHEAR BOLTS (See Fig. 19)
AUGER SHEAR BOLTS
Both right and left-hand augers are secured to the auger
shaft with a shoulder/shear bolt and hex nut. Should a for-
eign object or ice become lodged in the augers, the shear
bolts are designed to break, preventing damage to any
other com po nents. If one or both augers do not turn when
auger control lever is engaged, check to see if one or both
of the bolts have sheared. To replace the shear bolts:
1. Disengage all controls and move throttle control to
STOP position. Wait for all moving parts to stop.
2. Disconnect spark plug wire from spark plug and place
wire where it cannot come in contact with plug.
3. Align hole in auger hub with hole in auger shaft and install
a new 1/4-20 x 2" shoulder/shear bolt and spacer. Install
1/4-20 lock nut and tighten securely.
CAUTION: Do not sub sti tute. Use only original
equip ment shear bolts as sup plied with your
snow thrower.
4. Connect spark plug wire to spark plug.
IMPELLER SHEAR BOLTS
The impeller is secured to the impeller shaft with two (2)
capscrew/shear bolts and hex nuts. Should a foreign object
or ice become lodged in the impeller, the capscrews are
de signed to break, preventing damage to any other com-
po nents. If impeller does not turn when auger control lever
is engaged, check to see if the capscrews have sheared.
To replace the capscrew/shear bolts:
1. Disengage all controls and move throttle control to
STOP position. Wait for all moving parts to stop.
2. Disconnect spark plug wire from spark plug and place
wire where it cannot come in contact with plug.
3. Align holes in impeller hub with holes in impeller shaft
and install two (2) new 1/4-20 x 1-5/8" capscrew/shear
bolts. Install 1/4-20 locknuts and tighten securely.
CAUTION: Do not substitute. Use only original
equip ment capscrew/shear bolts as sup plied
with your snow thrower.
4. Connect spark plug wire to spark plug.
TO REMOVE BELT COVER (See Fig. 20)
1. Remove the two (2) screws securing belt cover to
frame.
2. Remove belt cover.
• Replace belt cover by installing cover and screws and
tighten securely.
FRAME
BELT
COVER
SCREWS
FIG. 20
AUGER SHAFT
1/4-20 x 2
SHOULDER /
SHEAR BOLT
1/4-20
LOCK NUT
IMPELLER
SHAFT
1/4-20 x 1-5/8
CAPSCREW /
SHEAR BOLT
1/4-20
LOCKNUT
IMPELLER HUB
AUGER
HUB
AUGER HUB
FIG. 19
SPACER

16
SERVICE AND ADJUSTMENTS
TO REPLACE BELTS (See Fig. 21)
The auger and traction drive belts are not adjustable. If the
belts are damaged or begin to slip from wear, they should
be replaced. It is recommended that the belt(s) be replaced
by a qualifi ed service center.
NOTE: It is recommended that both the auger and traction
drive belt be replaced at the same time.
The V-belts on your snow thrower are of special con struc tion
and should be replaced by original equipment man u fac tur er
(OEM) belts avail able from your nearest dealer. Using other
than OEM belts can cause personal injury or damage to
the snow thrower.
WARNING: Belt replacement requires
separation of the snow thrower. While
separating the auger housing from the
frame assembly, it is important that an
assistant stand in the operating po si tion
and hold the snow thrower han dles. Se-
rious personal injury and/or damage to
the unit could occur if the snow thrower
should fall during the belt chang ing
process.
HINT: Insert a 3/8" drive ratchet (in the “ON” position) into
the square hole in idler arm and rotate ratchet clockwise
to relieve tension.
8. With tension relieved on idler, install new traction drive
belt around pulleys and inside belt keepers.
9. Place auger belt around and inside the groove of auger
pulley only.
10. While your assistant slowly raises handles to rejoin
the auger hous ing and frame assembly, pull up on the
auger belt and squeeze sides together above pulley
so belt is fully seated in groove of pulley.
11. Bring snow thrower completely together and check
carefully for proper routing of belts. If auger belt has
become dislodged from the pulley (by catching the idler
arm bracket while bringing snow thrower together),
separate the snow thrower and re peat step 10. Belt
must be fully seated in pulley groove when bring ing
the snow thrower together.
12. Install the two (2) hex bolts and lock washers and
tighten securely.
13. INSTALL ENGINE PULLEY - Place belt in pulley groove
and slide pulley on crankshaft. Install fl at washer, lock-
washer and bolt and tighten securely (30-35 ft. lbs.
torque). Make sure belt is inside belt keeper.
14. INSTALL BELT COVER and two (2) screws. Tighten
securely.
15. INSTALL DISCHARGE CHUTE – See “INSTALL DIS-
CHARGE CHUTE / CHUTE ROTATER HEAD” in the
As sem bly / Pre-Operation section of this manual.
BELT KEEPER
IDLER ARM
SQUARE
HOLE
BOLT LOCK
WASHER
TRACTION DRIVE BELT
CLUTCHING
IDLER ARM
BRACKET
AUGER
BELT
FLAT WASHER
AUGER PULLEY
AUGER
HOUSING
FRAME
ENGINE
PULLEY
LOCKWASHER
BOLT
1. REMOVE GASOLINE FROM FUEL TANK - Drain gaso-
line from fuel tank into a suitable container, out doors,
away from fi re or fl ame. Wipe up any spilled gasoline.
2. REMOVE DISCHARGE CHUTE - Loosen locknut
se cur ing chute rotator head to mounting bracket only
enough to allow chute rotator head to be raised and
dis charge chute to be removed from snow thrower.
3. REMOVE BELT COVER - See “TO REMOVE BELT
COVER” in this section of this manual.
4. REMOVE ENGINE PULLEY - Remove bolt, lock wash er
and fl at washer securing pulley to engine crankshaft.
Remove outside (auger) pulley only from crank shaft.
5. SEPARATE SNOW THROWER - With your assistant
standing in the operating position holding the handles,
re move the two (2) bolts and lock washers holding
auger housing and frame together.
WARNING: As the last bolt is removed,
have your assistant carefully lower the
han dles down to the ground.
6. REMOVE AUGER BELT from around pulley.
7. RELIEVE TENSION ON TRACTION DRIVE BELT
IDLER and remove traction drive belt from around
pulleys.
FRAME
ASSEMBLY AUGER
HOUS ING
HANDLES
FIG. 21

17
STORAGE
Immediately prepare your snow thrower for storage at the
end of the season or if the unit will not be used for 30 days
or more.
WARNING: Never store the snow
thrower with gaso line in the tank in side
a build ing where fumes may reach an
open fl ame, spark or pilot light as on a
fur nace, water heater, clothes dryer or
gas ap pli ance. Allow the engine to cool
be fore storing in any enclosure.
SNOW THROWER
When snow thrower is to be stored for a period of time,
clean it thor oughly, re move all dirt, grease, leaves, etc.
Store in a clean, dry area.
1. Clean entire snow thrower (See “CLEANING” in the
Main te nance section of this manual).
2. Inspect and replace belts, if necessary (See “TO RE-
PLACE BELTS” in the Service and Adjustments sec tion
of this manual).
3. Lubricate as shown in the Main te nance sec tion of this
man u al.
4. Be sure that all nuts, bolts, screws, and pins are securely
fas tened. Inspect moving parts for damage, breakage
and wear. Replace if nec es sary.
5. Touch up all rusted or chipped paint surfaces; sand
lightly before painting.
ENGINE
See engine manual.
FUEL SYS TEM
IMPORTANT: It is important to prevent gum deposits from
forming in essential fuel system parts such as carburetor,
fuel hose, or tank during storage. Also, alcohol blended fuels
(called gasohol or using ethanol or methanol) can attract
moisture which leads to separation and formation of acids
during storage. Acidic gas can damage the fuel system of
an engine while in storage.
• Empty the fuel tank by starting the engine and letting
it run until the fuel lines and car bu re tor are empty.
• Never use engine or carburetor cleaner prod ucts in the
fuel tank or permanent damage may occur.
• Use fresh fuel next season.
NOTE: Fuel stabilizer is an acceptable alternative in min-
i miz ing the formation of fuel gum deposits during stor age.
Add stabilizer to gasoline in fuel tank or storage container.
Always follow the mix ratio found on stabilizer container.
Run engine at least 10 min utes after adding stabilizer to
allow the stabilizer to reach the carburetor. Do not empty
the gas tank and carburetor if using fuel stabilizer.
ENGINE OIL
Drain oil (with engine warm) and replace with clean en-
gine oil. (See “ENGINE” in the Maintenance section of
this man ual).
CYLINDER
1. Remove spark plug.
2. Pour one ounce (29 ml) of oil through spark plug hole
into cylinder.
3. Pull recoil starter handle slowly a few times to dis trib ute
oil.
4. Replace with new spark plug.
OTHER
• Do not store gasoline from one season to another.
• Replace your gasoline can if your can starts to rust.
Rust and/or dirt in your gasoline will cause problems.
• If possible, store your snow thrower indoors and cover
it to protect it from dust and dirt.
• Cover your snow thrower with a suitable pro tec tive cover
that does not retain moisture. Do not use plastic. Plastic
cannot breathe, which allows con den sa tion to form and
will cause your snow thrower to rust.
IMPORTANT: Never cover snow thrower while engine/
exhaust area is still warm.
NOTE: To seal punctures or prevent fl at tires due to slow
leaks, tire sealant may be purchased from your local parts
dealer. Tire sealant also prevents tire dry rot and cor ro sion.
ENGINE
See engine manual.
CARBURETOR
Your carburetor is not adjustable. Engine performance
should not be affected at altitudes up to 7,000 feet (2,134
meters). If your engine does not operate properly due to
suspected carburetor problems, take your snow thrower to
a qualifi ed service center.
ENGINE SPEED
Never tamper with the engine governor, which is factory set
for proper engine speed. Overspeeding the engine above
the factory high speed setting can be dangerous and will
void the warranty. If you think the engine-governed high
speed needs adjusting, contact a qualifi ed service center,
which has proper equipment and experience to make any
necessary ad just ments.
TO REMOVE WHEELS (See Fig. 22)
• Remove the klik pin and remove wheel from axle.
IMPORTANT: When installing wheel, be sure to use the in-
nermost hole in axle and the wheel hub hole. To dis en gage
drive system from the wheels (for pushing or trans port ing
the snow thrower), remove klik pin from wheel hub and
insert pin into the outermost hole in axle only.
INNER
HOLE
KLIK PIN OUTER HOLE
WHEEL HUBWHEEL
FIG. 22

18
Does not start 1. Fuel shut-off valve (if so 1. Turn fuel shut-off valve to OPEN position.
equipped) in OFF position.
2. Safety ignition key 2. Insert safety ignition key.
is not inserted.
3. Out of fuel. 3. Refi ll fuel tank with fresh, clean gasoline.
4. Throttle in STOP position. 4. Move throttle to FAST position.
5. Choke in OFF position. 5. Move to FULL position.
6. Primer not depressed. 6. Prime as instructed in the Operation section of this manual.
7. Engine is fl ooded. 7. Wait a few minutes before restarting, DO NOT prime.
8. Spark plug wire is 8. Connect wire to spark plug.
disconnected.
9. Bad spark plug. 9. Replace spark plug.
10. Stale fuel. 10. Empty fuel tank & carburetor, refi ll with fresh, clean gasoline.
11. Water in fuel. 11. Empty fuel tank & carburetor, refi ll with fresh, clean gasoline.
Loss of power 1. Spark plug wire loose. 1. Reconnect spark plug wire.
2. Throwing too much snow. 2. Reduce speed and width of swath.
3. Fuel tank cap is covered 3. Remove ice and snow on and around fuel tank cap.
with ice or snow.
4. Dirty or clogged muffl er. 4. Clean or replace muffl er.
Engine idles or 1. Choke is in FULL position. 1. Move choke to OFF position.
runs roughly 2. Blockage in fuel line. 2. Clean fuel line.
3. Stale fuel. 3. Empty fuel tank & carburetor, refi ll with fresh, clean gasoline.
4. Water in fuel. 4. Empty fuel tank & carburetor, refi ll with fresh, clean gasoline.
5. Carburetor is in need of 5. Contact a qualifi ed service centre.
adjustment or overhaul.
Excessive 1. Loose parts or damaged 1. Tighten all fasteners. Replace damaged parts.
vibration augers or impeller. If vibration remains, contact a qualifi ed service centre.
Recoil starter 1. Frozen recoil starter. 1. See “IF RECOIL STARTER HAS FROZEN”
is hard to pull in the Operation section of this manual.
Loss of traction 1. Drive belt is worn. 1. Check / replace drive belt.
drive / slowing 2. Drive belt is off of pulley. 2. Check / reinstall drive belt.
of drive speed 3. Friction drive wheel is worn. 3. Contact a qualifi ed service centre.
Loss of snow 1. Auger belt is off of pulley. 1. Check / reinstall auger belt.
discharge or 2. Auger belt is worn. 2. Check / replace auger belt.
slowing of 3. Clogged discharge chute. 3. Clean snow chute.
snow discharge 4. Augers / impeller jammed. 4. Remove debris or foreign object from augers / impeller.
TROUBLESHOOTING
PROBLEM CAUSE CORRECTION
See appropriate section in manual unless directed to a qualifi ed service centre.

19
SERVICE NOTES

20
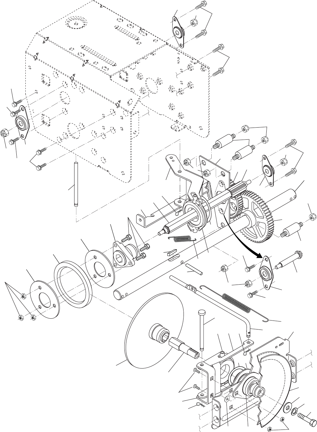
REPAIR PARTS AUGER HOUSING / IMPELLER ASSEMBLY
SNOW THROWER - MODEL NO. 5224STE (96193001400), PRODUCT NO. 961 93 00-14
6
6
5
9
9
12
7
7
8
6
11
57
10
10
13
4
14
16
15
36
37
50
47
42
42
44
27
27
43 43
46
38
45
41
40 39
34
32
49
19
48
51
33
35
56
30
31
19
19
55
22
18
26
25
20
25
26
22
20
18
10
17
17
28
55
28
21
REPAIR PARTS AUGER HOUSING / IMPELLER ASSEMBLY
SNOW THROWER - MODEL NO. 5224STE (96193001400), PRODUCT NO. 961 93 00-14
NOTE: All component dimensions given in U.S. inches. 1 inch = 25.4 mm
IMPORTANT: Use only Original Equipment Manufacturer (O.E.M.) replacement parts.
Failure to do so could be hazardous, damage your snow thrower and void your warranty.
KEY PART
NO. NO. DESCRIPTION
4 532 19 10-79 Pulley, Impeller
5 532 18 89-09 Bearing Assembly, Flange
6 532 19 85-41 Nut, Hex Flange 5/16-18
7 532 18 03-55 Bolt, Flat Head, Carriage
5/16-18 x 5/8
8 872 27 05-05 Bolt, Carriage 5/16-1 8 x 5/8
9 532 19 98-79 Bolt
10 532 40 78-65 Housing, Auger
11 532 40 78-25 Bar, Scraper
12 532 18 40-95 Bracket, Corner Discharge
13 532 17 53-22 Base, Discharge Chute
14 819 11 15-07 Washer, Flat
15 532 19 85-52 Washer, Lock 5/16
16 874 95 05-12 Screw, Hex Head 5/16-18 x 3/4
17 532 40 56-37 Grease Fitting
18 532 17 95-82 Screw, Hex Head 5/16 x 1
19 873 80 04-00 Nut, Hex Lock 1/4-20
20 532 19 85-41 Nut, Hex Lock 5/16-18
21 532 40 13-47 Washer, Flat 5/16
22 532 40 78-34 Skid Plate, Heavy Duty
25 872 27 05-06 Bolt, Shoulder 1/4-20
26 532 17 46-58 Bearing, Auger
27 532 17 46-97 Washer, Thrust, 1"
28 532 19 86-36 Bolt, Shear
30 532 40 78-50 Auger Assembly, RH
KEY PART
NO. NO. DESCRIPTION
31 532 40 78-66 Auger Assembly, LH
32 532 40 77-68 O-Ring
33 532 40 77-69 Bushing, Flange 3/4
34 532 17 46-81 Washer, Thrust 3/4
35 532 17 46-84 Bearing, Thrust 3/4
36 532 17 46-60 Shaft, Impeller
37 532 17 46-83 Washer, Thrust 5/8
38 532 40 77-58 Bushing, Flange 5/8
39 532 40 77-67 Screw, Hex Head 5/16-18 x 3/4
40 532 40 77-60 Plug, Case
41 532 40 77-61 Housing, Gearbox, RH
42 532 40 77-70 Seal, Oil
43 532 40 77-62 Bushing, Flange, 1"
44 532 18 92-82 Key, Square 1/4 x 1/4 x 7/8
45 532 40 77-63 Gear, Worm
46 532 40 77-64 Shaft, Auger
47 532 40 77-65 Housing, Gearbox, LH
48 532 18 41-05 Impeller Assembly
49 874 78 04-26 Screw, Hex Head 1/4-20 x 1-5/8
50 532 40 77-66 Gasket, Gearbox
51 532 18 42-05 Pin, Roll 3/16 x 1-1/8
55 532 19 86-38 Spacer
56 532 18 06-84 Multi-Wrench
57 532 19 67-10 Gearbox Assembly

22
REPAIR PARTS CONTROL PANEL / DISCHARGE CHUTE
SNOW THROWER - MODEL NO. 5224STE (96193001400), PRODUCT NO. 961 93 00-14
1
2
6
7
4
5
6
8
8
19
2
2
32 26
28
27
27
25
20
29
24
14
3
31
30
18
17
10
15
12
21
9
16 14
13
23
REPAIR PARTS CONTROL PANEL / DISCHARGE CHUTE
SNOW THROWER - MODEL NO. 5224STE (96193001400), PRODUCT NO. 961 93 00-14
NOTE: All component dimensions given in U.S. inches. 1 inch = 25.4 mm
IMPORTANT: Use only Original Equipment Manufacturer (O.E.M.) replacement parts.
Failure to do so could be hazardous, damage your snow thrower and void your warranty.
KEY PART
NO. NO. DESCRIPTION
1 532 18 33-34 Knob, Lever
2 817 50 10-10 Screw #10-24 x 5/8
3 532 18 41-14 Strap, Slotted
4 873 80 06-00 Nut, Lock 3/8-16
5 819 13 13-16 Washer, Flat 3/8
6 532 40 49-74 Control Assembly, Chute Rotater
7 532 40 76-43 Support, Pivot
8 532 15 00-78 Screw, Hex Head 5/16-18 x 3/4
9 532 19 19-38 Knob, Defl ector
10 532 18 56-00 Bolt, Shoulder
12 532 19 17-30 Nut, Lock 1/4-20
13 872 25 05-05 Bolt, Carriage 5/16-18
14 532 17 92-46 Washer, Nylon
15 532 40 76-50 Chute Assembly
16 532 18 41-13 Defl ector Assembly
17 532 17 91-45 Seal, Defl ector
18 532 12 84-15 Rivet, Blind
19 532 18 33-33 Knob, Speed Control Lever
20 532 19 86-48 Bolt, Carriage 5/16-18 x 3/4
21 532 15 54-15 Washer, Flat 5/16
24 874 78 05-28 Screw, Hex Head 5/16-18 x 1-3/4
25 532 19 85-41 Nut, Lock 5/16-18
26 532 19 84-74 Lever Assembly, Speed Control
27 532 16 96-75 Retainer, Hairpin
28 532 18 04-45 Rod, Upper, Speed Control
29 532 18 77-16 Rod, Lower, Speed Control
30 532 19 27-10 Clamp, Clean-Out Tool
31 532 19 21-99 Tool, Clean-Out
32 532 75 11-53 Nut, Lock 5/16-18

24
REPAIR PARTS HANDLES
SNOW THROWER - MODEL NO. 5224STE (96193001400), PRODUCT NO. 961 93 00-14
32
31
32
30
31
10
11
15
23
22
27
27
22
11
15
7
6
2
5
5
1
4
4
4
4
8
28
28
9
18
19
26
24
24
25
5
5
12
12
13
15
48
47
16
17
16
17
15
14
49
49
25
REPAIR PARTS HANDLES
SNOW THROWER - MODEL NO. 5224STE (96193001400), PRODUCT NO. 961 93 00-14
NOTE: All component dimensions given in U.S. inches. 1 inch = 25.4 mm
IMPORTANT: Use only Original Equipment Manufacturer (O.E.M.) replacement parts.
Failure to do so could be hazardous, damage your snow thrower and void your warranty.
KEY PART
NO. NO. DESCRIPTION
1 532 40 76-49 Lever, Auger Control, RH
2 532 40 76-48 Lever, Traction Drive Control, LH
4 532 17 88-88 Bushing, Flange
5 532 16 96-75 Retainer, Hairpin
6 817 06 04-08 Screw, Hex Head
7 532 17 86-52 Rod, Interlock
8 532 19 95-76 Arm, Impeller Rod
9 532 19 95-75 Arm, Traction Rod
10 532 19 95-31 Panel, Control
11 874 78 05-24 Screw, Hex Head 5/16-18 x 1-1/2
12 874 78 05-12 Screw, Hex Head 5/16-18 x 1-3/4
13 532 40 78-36 Handle Tube, LH
14 532 40 78-35 Handle Tube, RH
15 532 75 11-53 Nut, Lock 5/16-18
16 819 13 13-16 Washer, Flat 3/8
17 532 17 88-99 Knob, Handle
18 532 18 04-80 Rod, Auger Control
19 532 18 04-81 Rod, Traction Control
22 872 12 06-18 Bolt, Carriage 3/8-16 x 2-1/4
23 532 18 40-87 Handle Tube, Lower
24 532 18 04-47 Sleeve, Spring
25 532 18 09-26 Spring, Traction Drive
26 532 17 86-69 Spring, Auger Control
27 817 00 06-16 Screw, Hex Head 3/8-16 x 1
28 532 19 85-59 Bushing, Pivot Lever
30 532 18 33-52 Console, Panel
31 532 17 52-62 Screw, Hex Head, Tapping #10-24 x 1-1/4
32 532 18 44-71 Screw, Hex Head, Tapping #10-24 x 1/2
36 532 17 88-31 Spring, Torsion
47 532 19 69-43 Mounting Bracket, Handle, LH
48 532 19 69-44 Mounting Bracket, Handle, RH
49 532 19 95-13 Grip, Handle

26
REPAIR PARTS DRIVE
SNOW THROWER - MODEL NO. 5224STE (96193001400), PRODUCT NO. 961 93 00-14
4
4
4
1
2
5
5
1
2
1
20
21
17
19
18
18
7
7
2
2
2
24
23
12
32
27
44
22
16
15
2
4
4
13
1
2
5
5
8
910
6
41
14
43
11
35
33
15
41
22 34
29
22
31
26
25
28
30
40
39
38
36
37
33
27
REPAIR PARTS DRIVE
SNOW THROWER - MODEL NO. 5224STE (96193001400), PRODUCT NO. 961 93 00-14
NOTE: All component dimensions given in U.S. inches. 1 inch = 25.4 mm
IMPORTANT: Use only Original Equipment Manufacturer (O.E.M.) replacement parts.
Failure to do so could be hazardous, damage your snow thrower and void your warranty.
KEY PART
NO. NO. DESCRIPTION
1 532 14 63-15 Screw, Hex Head 5/16-18 x 3/4
2 532 75 11-53 Nut, Lock 5/16-18
4 532 19 85-84 Screw, Hex Head 5/16-18 x 1/2
5 532 18 00-17 Bearing, Flange
6 532 18 01-34 Shaft, Auxiliary
7 532 17 92-70 Spacer, Plate
8 532 19 29-07 Plate, Auxiliary
9 532 18 00-82 Gear, Intermediate (12/58)
10 532 18 00-65 Gear, Pinion
11 532 18 77-14 Rod, Clutch
12 532 18 00-66 Shaft, Long, Hex
13 532 17 88-07 Pin, Pivot
14 532 18 40-80 Lever, Shifter / Wheel
15 532 17 53-44 Trunnion Bearing Assembly
16 532 18 78-57 Bracket, Pivot, Shift
17 532 17 98-31 Ring, Rubber Wheel
18 532 19 95-09 Plate, Rubber Wheel
19 873 93 05-00 Nut, Lock 5/16-18
20 532 17 86-13 Hub, Rubber Wheel
21 874 76 05-14 Screw, Hex Head 5/16-18 x 7/8
22 532 08 51-79 Retainer, Hairpin
23 532 18 01-35 Spring, Bias
24 532 18 00-81 Gear, Axle (58 Teeth)
25 532 17 86-95 Pin, Pivot Lever
26 532 19 77-63 Plate Assembly, Drive
27 532 17 93-52 Shaft, Axle
28 532 19 77-64 Shaft, Short Hex
29 532 18 40-77 Lever, Shifter Plate
30 532 18 40-76 Bracket, Shifter Support
31 872 27 05-05 Bolt, Carriage 5/16-18 x 5/8
32 532 18 92-82 Key, Square 1/4 x 1/4 x 7/8
33 532 18 89-09 Bearing, Flange
34 532 18 40-75 Plate, Drive Mounting
35 532 18 25-04 Spacer, Bearing
36 532 19 10-80 Pulley, Traction Drive
37 532 19 85-41 Nut, Lock 5/16-18
38 819 11 15-07 Washer, Flat
39 532 19 85-52 Washer, Lock 5/16
40 874 95 05-12 Screw, Hex Head 5/16-18 x 3/4
41 812 00 00-12 Ring, Retaining
43 532 17 90-95 Spring, Return
44 532 18 42-06 Pin, Roll

28
REPAIR PARTS CHASSIS / ENGINE / PULLEYS
SNOW THROWER - MODEL NO. 5224STE (96193001400), PRODUCT NO. 961 93 00-14
6
19 17
10 21
22
23
2
1
3
4
67
8
9
12
13
15
27
26
25
24
18
7
20
14
47
47
48
46
44
49
50
51
52
35
55
34
33
32
38
36
41
6
37
39
42
43
11
11
44
45
41
30
29
31
31
58
16
10 21
28
57
6
11
29
REPAIR PARTS CHASSIS / ENGINE / PULLEYS
SNOW THROWER - MODEL NO. 5224STE (96193001400), PRODUCT NO. 961 93 00-14
NOTE: All component dimensions given in U.S. inches. 1 inch = 25.4 mm
IMPORTANT: Use only Original Equipment Manufacturer (O.E.M.) replacement parts.
Failure to do so could be hazardous, damage your snow thrower and void your warranty.
KEY PART
NO. NO. DESCRIPTION
1 532 18 10-44 Spring, Traction Idler
2 532 18 05-22 Pulley, Idler (2-1/4)
3 - - - Engine, Tecumseh, Model Number
LH195SP (For engine service and
replacement parts, call Tecumseh
Products at 1-800-558-5402)
4 874 78 05-20 Screw, Hex Head 5/16-18 x 1-1/4
6 532 05 92-89 Washer, Flat
7 532 16 67-85 Nut, Jam, Lock 5/16-18
8 532 17 53-30 Pin, Idler Pivot
9 532 17 90-92 V-Belt, Traction Drive
10 532 19 85-52 Washer, Lock 5/16
11 532 19 85-84 Screw, Hex Head 5/16-18 x 1/2
12 532 17 92-59 Impeller Arm / Pad Assembly
13 532 08 51-79 Retainer, Hairpin
14 532 17 88-28 Spring, Brake
15 532 40 80-10 V-Belt, Impeller Drive
16 532 15 04-06 Screw, Hex Head 3/8-16 x 1-1/4
17 532 18 48-04 Arm, Idler
18 874 78 05-24 Screw, Hex Head 5/16-18 x 1-1/2
19 532 19 85-59 Bushing, Idler Pivot
20 532 18 05-23 Pulley, Idler (2-3/4)
21 874 61 05-16 Screw, Hex Head 5/16-18 x 1
22 532 17 93-71 Spacer, Engine Pulley
23 532 18 04-78 Pulley, Engine, Traction Drive
24 532 17 91-57 Pulley, Engine, Impeller Drive
25 532 40 00-26 Washer, Flat 3/8
26 532 85 02-63 Washer, Lock, Helical 3/8
KEY PART
NO. NO. DESCRIPTION
27 532 85 10-84 Screw, Hex Head 3/8-24 x 1-3/8
28 532 15 54-52 Guide, Belt
29 532 19 22-13 Belt Cover Assembly
(Includes Toolbox Cover)
30 532 17 88-30 Cover, Toolbox
31 532 40 05-24 Screw, Hex Head 1/4-20 x 1/2
32 532 17 92-56 Bolt, Shoulder 5/16-18
33 532 18 78-53 Bellcrank Shifter
34 532 19 85-80 Clevis Pin
35 532 40 54-85 Arm, Auger Control
36 873 80 05-00 Nut, Lock 5/16-18
37 532 18 40-86 Bellcrank
38 532 18 71-01 Link, Speed Control
39 532 19 21-10 Trunnion, Pivot Bracket
41 532 70 02-79 Hairpin, Cotter 3/32 x 1/2
42 532 17 90-65 Pin, Bellcrank
43 532 18 40-85 Bracket, Bellcrank
44 817 00 06-16 Screw, Hex Head
45 532 18 40-74 Pivot Bracket, Impeller Idler Arm
46 532 18 40-84 Pan, Frame Bottom
47 871 02 05-12 Screw, Hex Head 5/16-18 x 3/4
48 532 18 11-56 Nut, Speed 5/16-18
49 532 40 76-42 Frame Assembly
50 532 18 80-02 Plate, Frame End
51 532 40 61-09 Shaft, Auger Control
52 532 05 70-79 Washer, Hardened
55 812 00 00-02 Ring, Crescent
57 811 05 05-00 Washer, Lock, External Tooth 5/16
58 532 19 85-63 Power Cord

30
REPAIR PARTS WHEELS / DECALS
SNOW THROWER - MODEL NO. 5224STE (96193001400), PRODUCT NO. 961 93 00-14
3
2
4
4
5
5
6
6
4
4
12
5
3
14
2
110
7
6
8
9
10
31
REPAIR PARTS WHEELS / DECALS
SNOW THROWER - MODEL NO. 5224STE (96193001400), PRODUCT NO. 961 93 00-14
NOTE: All component dimensions given in U.S. inches. 1 inch = 25.4 mm
IMPORTANT: Use only Original Equipment Manufacturer (O.E.M.) replacement parts.
Failure to do so could be hazardous, damage your snow thrower and void your warranty.
KEY PART
NO. NO. DESCRIPTION
1 532 18 78-31 Wheel Assembly, 13", LH
2 532 15 54-43 Pin, Klik 1/4
3 532 18 78-66 Wheel Assembly, 13", RH
4 532 14 63-15 Screw, Hex Head 5/16-18 x 5/8
5 532 17 98-30 Bearing, Axle
6 532 17 46-97 Washer, Thrust (1")
KEY PART
NO. NO. DESCRIPTION
1 532 18 10-38 Decal, Danger
2 532 19 13-77 Decal, Husqvarna
3 532 18 10-34 Decal, Danger, Defl ector
4 532 18 10-41 Decal, Danger
5 532 40 58-02 Decal, Husqvarna, 5524STE
6 532 18 10-32 Decal, Instruction
7 532 15 57-98 Decal, Traction Lever
8 532 15 58-00 Decal, Auger Lever
9 532 18 10-36 Decal, Speed Control
10 532 15 57-94 Decal, Husqvarna, Crown
- - 532 40 57-33 Owner’s Manual, English
- - 532 40 80-96 Owner's Manual, French

532 40 57-33 Rev. 1 08.22.06 BY Printed in U.S.A.
SECTION 1: LIMITED WARRANTY
Husqvarna Forest & Garden Company (“Husqvarna”) warrants Husqvarna product to the original pur-
chaser to be free from defects in material and workmanship from the date of purchase for the “Warranty
Period” of the product as set forth below:
Lifetime Warranty: All tiller tines against breakage, trimmer shafts, ignition coils and modules on hand
held prod uct.
3 Year Warranty: Spindles (on Zero Turn Riders and Commercial Walk-Behinds)
2 Year COMMERCIAL-Warranty: Husqvarna Commercial Turf Equipment—zero turn riders, wide area
walks, and ground engaging commercial equipment.
2 Year NON-COMMERCIAL Warranty: Automatic Mower, Riding lawn mowers, yard and garden tractors,
walk behind mowers, tillers, chain saws, trimmers, brushcutters, clearing saws, snow blowers, handheld
blowers, backpack blowers, hedge trimmers, electrical products and power-assist collection systems for
non com mer cial, nonprofessional, noninstitutional or nonincome producing use, except as herein stated.
Emission control system components necessary to comply with CARB-TIER-II and EPA regulations,
except for those components which are part of engine systems manufactured by third party engine manu-
facturers for which the purchaser has received a separate warranty with product information supplied at
time of purchase.
1 Year Warranty: Power cutters, stump grinder, pole pruners and pole saws for non-commercial, non-pro-
fessional, non-institutional or non-income producing use. All trimmers, brushcutters, clearing saws, hover-
ing trimmers, stick edgers, backpack blowers, hand held blowers, hedge trimmers, power-assist collection
systems used for commercial, institutional, professional or income producing purposes or use.
Batteries have a one-year prorated limited warranty with 100% replacement during the fi rst 6 months.
90 Day Warranty: Automatic Mower, Chain saws, power cutters, stump grinders, pole saws, pole prun-
ers, snow throwers, model series 580 & 600 walk-behind mowers and commercial turf equipment or any
Husqvarna product used for commercial, institutional, professional, or income producing purposes or use
except as otherwise provided herein.
Husqvarna Safety Apparel carries a 90-day warranty from the date of the customer’s original purchase
for defects in material and workmanship. Normal wear, tear or abuse is not covered under warranty. Prod-
uct must be returned to Charlotte with a warranty claim form. All care and maintenance instructions must
be followed as stated by the manufacturer on the care label. The fi t of the protective apparel/boot is not
covered under warranty.
30 Day Warranty: Replacement parts, accessories including bars and chains, tools and display items.
SECTION 2: HUSQVARNA’S OBLIGATIONS UNDER THE WARRANTY
Husqvarna will repair or replace defective components without charge for parts or labor if a component
fails because of a defect in material or workmanship during the warranty period.
SECTION 3: ITEMS NOT COVERED BY THIS WARRANTY
The following items are not covered by this warranty:
(1)Normal customer maintenance items which become worn through normal regular use, including, but
not limited to, belts, blades, blade adapters, bulbs, fi lters, guide bars, lubricants, rewind springs, saw
chain, spark plugs, starter ropes and tines;
(2)Natural discoloration of material due to ultraviolet light;
(3)Engine and drive systems not manufactured by Husqvarna; these items are covered by the respective
manufacturer’s warranty as provided in writing with the product information supplied at the time of pur-
chase; all claims must be sent to the appropriate manufacturer;
(4)Lawn and garden attachments are covered by a third party which gives a warranty, all claims for war-
ranty should be sent to the manufacturer; and
(5)Emission Control System components necessary to comply with CARB-TIER-II and EPA regulations
which are manufactured by third party engine manufacturer.
SECTION 4: EXCEPTIONS AND LIMITATIONS
This warranty shall be inapplicable to defects resulting from the following:
(1)Accident, abuse, misuse, negligence and neglect, including stale fuel, dirt, abrasives, moisture, rust,
corrosion, or any adverse reaction due to incorrect storage or use habits;
(2)Failure to operate or maintain the unit in accordance with the Owner’s/Operator’s manual or instruc-
tion sheet furnished by Husqvarna;
(3)Alterations or modifi cations that change the intended use of the product or affects the product’s per-
formance, operation, safety, or durability, or causes the product to fail to comply with any applicable
laws; or:
(4)Additional damage to parts or components due to continued use occurring after any of the above.
REPAIR OR REPLACEMENT AS PROVIDED UNDER THIS WARRANTY IS THE EXCLUSIVE REMEDY OF
THE PUR CHAS
ER. HUSQVARNA SHALL NOT BE LIABLE FOR ANY INCIDENTAL OR CONSEQUENTIAL
DAMAGES FOR BREACH OF ANY EXPRESS OR IMPLIED WARRANTY ON THESE PRODUCTS EXCEPT
TO THE EXTENT PROHIBITED BY APPLICABLE LAW. ANY IMPLIED WARRANTY OF MERCHANTABIL-
ITY OR FITNESS FOR A PARTICULAR PURPOSE ON THESE PRODUCTS IS LIMITED IN DURATION TO
THE WARRANTY PERIOD AS DEFINED IN THE LIMITED WARRANTY STATEMENT. HUSQVARNA RE-
SERVES THE RIGHT TO CHANGE OR IMPROVE THE DESIGN OF THE PRODUCT WITHOUT NO
TICE,
AND DOES NOT ASSUME OBLIGATION TO UPDATE PREVIOUSLY MANUFACTURED PROD UCTS.
Some states do not allow the exclusion of incidental or consequential damages, or limitations on how long
an implied warranty lasts, so the above limitations or exclusions may not apply to you. This warranty gives
you specifi c legal rights, and you may also have other rights which vary from state to state.
SECTION 5: CUSTOMER RESPONSIBILITIES
The product must exhibit reasonable care, maintenance, operation, storage and general upkeep as written
in the maintenance section of the Owner’s/Operator’s manual. Should an operational problem or failure occur,
the product should not be used, but delivered as is to an authorized Husqvarna dealer for evaluation. Proof
of purchase, as explained in section 6, rests solely with the customer.
SECTION 6: PROCEDURE TO OBTAIN WARRANTY CONSIDERATION
It is the Owner’s and Dealer’s responsibility to make certain that the Warranty Registration Card is properly
fi lled out and mailed to Husqvarna Forest & Garden Company. This card should be mailed within ten (10) days
from the date of purchase in order to confi rm the warranty and to facilitate post-sale service.
Proof of purchase must be presented to the authorized Husqvarna dealer in order to obtain warranty ser-
vice. This proof must include date purchased, model number, serial number, and complete name and address
of the selling dealer.
To obtain the benefi t of this warranty, the product believed to be defective must be delivered to an au-
thorized Husqvarna dealer in a timely manner, no later than thirty (30) days from date of the operational
problem or failure. The product must be delivered at the owner’s expense. Pick-up and delivery charges are
not covered by this warranty. An authorized Husqvarna dealer can be normally located through the “Yellow
Pages” of the local telephone directory or by calling 1-800-HUSKY62 for a dealer in your area.
HUSQVARNA
7349 Statesville Road
Charlotte, NC 28269
531 83 81-23 2002
WARRANTY STATEMENT