Husqvarna Drt 900 Users Manual OM, DRT900, 2009 04, CULTIVATORS/TILLERS, 96093000801
drt9002 e7ed8f37-32f3-4ec2-a2cf-9591dbf9c55e Husqvarna Tiller DRT 900 User Guide |
2015-01-24
: Husqvarna Husqvarna-Drt-900-Users-Manual-318227 husqvarna-drt-900-users-manual-318227 husqvarna pdf
Open the PDF directly: View PDF
.
Page Count: 29

DRT 900
Owner's Manual / 96093000801 / 2009-04

2
• Never operate the tiller without proper guards, plates,
or other safety protective devices in place.
• Keep children and pets away.
• Do not overload the machine capacity by attempting
to till too deep at too fast a rate.
• Never operate the machine at high speeds on slippery
surfaces. Look behind and use care when backing.
• Never allow bystanders near the unit.
• Use only attachments and accessories approved by
the manufacturer of the tiller.
• Never operate the tiller without good visibility or light.
• Be careful when tilling in hard ground. The tines may
catch in the ground and propel the tiller forward. If this
occurs, let go of the handlebars and do not restrain the
machine.
MAINTENANCE AND STORAGE
• Keep machine, attachments, and accessories in safe
work ing condition.
• Check shear pins, engine mounting bolts, and other
bolts at frequent intervals for proper tightness to be
sure the equip ment is in safe working condition.
• Never store the machine with fuel in the fuel tank inside
a building where ignition sources are present, such
as hot water and space heaters, clothes dryers, and
the like. Allow the engine to cool before storing in any
enclosure.
• Always refer to the operator’s guide instructions for
im por tant details if the tiller is to be stored for an ex-
tended period.
- IMPORTANT -
CAUTIONS, IMPORTANTS, AND NOTES ARE A MEANS OF
ATTRACTING ATTENTION TO IMPORTANT OR CRIT I CAL
IN FOR MA TION IN THIS MANUAL.
IMPORTANT: USED TO ALERT YOU THAT THERE IS A
POS SI BIL I TY OF DAM AG ING THIS EQUIP MENT.
NOTE: Gives essential information that will aid you to
better understand, incorporate, or execute a particular set
of instructions.
Look for this symbol to point out im-
por tant safety precautions. It means
CAUTION!!! BE COME ALERT!!! YOUR
SAFE TY IS INVOLVED.
CAUTION: Always disconnect spark
plug wire and place wire where it can-
not contact spark plug in order to pre-
vent ac ci den tal starting when setting
up, trans port ing, adjusting or making
re pairs.
SAFETY RULES
Safe Operation Practices for Walk-Behind Powered Ro ta ry Tillers
TRAINING
• Read the Manual care ful ly. Be thor ough ly fa mil iar with
the controls and the proper use of the equip ment.
Know how to stop the unit and disengage the controls
quickly.
• Never allow children to operate the equipment. Never
allow adults to op er ate the equipment without proper
instruction.
• Keep the area of operation clear of all persons, par-
tic u lar ly small children, and pets.
PREPARATION
• Thoroughly inspect the area where the equipment is
to be used and remove all foreign objects.
• Disengage all clutches and shift into neutral before
starting the engine (mo tor).
• Do not operate the equipment with out wearing ad e -
quate outer gar ments. Wear footwear that will im prove
footing on slippery surfaces.
• Handle fuel with care; it is highly flammable.
• Use an approved fuel container.
• Never add fuel to a running engine or hot engine.
• Fill fuel tank outdoors with extreme care. Never fill fuel
tank indoors.
• Replace gasoline cap securely and clean up spilled
fuel before restarting.
• Use extension cords and receptacles as specified by
the manufacturer for all units with electric drive motors
or electric starting motors.
• Never attempt to make any adjustments while the
engine (motor) is running (except where specifically
rec om mend ed by manufacturer).
OPERATION
• Do not put hands or feet near or under rotating parts.
• Exercise extreme caution when op er at ing on or cross-
ing gravel drives, walks, or roads. Stay alert for hidden
hazards or traffic. Do not carry pas sen gers.
• After striking a foreign object, stop the engine (motor),
remove the wire from the spark plug, thoroughly in spect
the tiller for any damage, and repair the damage before
restarting and op er at ing the tiller.
• Exercise caution to avoid slipping or falling.
• If the unit should start to vibrate ab nor mal ly, stop the
engine (motor) and check immediately for the cause.
Vi bra tion is generally a warning of trouble.
• Stop the engine (motor) when leaving the operating
position.
• Take all possible precautions when leav ing the ma chine
unattended. Disengage the tines, shift into neutral, and
stop the engine.
• Before cleaning, repairing, or inspecting, shut off the
engine and make certain all moving parts have stopped.
Disconnect the spark plug wire, and keep the wire away
from the plug to prevent accidental starting. Disconnect
the cord on electric motors.
• Do not run the engine indoors; exhaust fumes are
dangerous.
WARNING
The engine exhaust from this product con tains
chem i cals known to the State of Cal i for nia to
cause cancer, birth defects, or other reproduc-
tive harm.

3
CONGRATULATIONS on your purchase of a new tiller. It
has been designed, en gi neered and manu fac tured to give
you the best pos sible de penda bil ity and per form ance.
Should you experience any prob lems you can not easily
remedy, please contact your nearest authorized service
center. We have com pe tent, well-trained tech ni cians and
the proper tools to service or repair this unit.
Please read and retain this manual. The in struc tions will
enable you to assemble and main tain your tiller prop erly.
Always observe the “SAFETY RULES”.
CUSTOMER RESPONSIBILITIES
• Read and observe the safety rules.
• Follow a regular schedule in maintaining, caring for
and using your tiller.
• Follow instructions under “Maintenance” and “Stor age”
sections of this Owner’s Manual.
WARNING: This unit is equipped with an internal com-
bustion engine and should not be used on or near any
unimproved forest-covered, brush-covered or grass covered
land unless the engine's exhaust system is equipped with
a spark arrester meeting applicable local laws (if any). If a
spark arrester is used, it should be maintained in effective
work ing order by the operator.
In the state of California, a spark arrester is required by law
(Section 4442 of the California Public Resources Code).
Other states may have similar laws. Federal laws apply
on federal lands. See your authorized service center/
DEPARTMENT for spark arrester.
MAINTENANCE ...................................................12-14
SERVICE & ADJUSTMENTS ...............................15-17
STORAGE .................................................................. 18
TROUBLESHOOTING ...............................................19
REPAIR PARTS ....................................................20-26
WARRANTY ...........................................BACK COVER
TABLE OF CONTENTS
SAFETY RULES ..........................................................2
CUSTOMER RESPONSIBILITIES ...............................3
PRODUCT SPECIFICATIONS .....................................3
ASSEMBLY ...............................................................4-6
OPERATION ...........................................................7-11
MAINTENANCE SCHEDULE ....................................12
PRODUCT SPECIFICATIONS
Gasolina Capacity: 3 Quarts (2.8L)
Unleaded Reg u lar
Oil (API-SG-SL): SAE 30 (Above 32°F)
(Capacity: 20 oz./0.6L) SAE 5W-30 (Below 32°F)
Spark Plug : NGK-BPR6ES
(Gap: .030"/0.76mm) TORCH-F6RTC

4
TOOLS REQUIRED FOR ASSEMBLY
A socket wrench set will make assembly easier. Standard
wrench sizes are listed.
(1) Utility knife
(1) Tire pressure gauge
(1) Pair of pliers
(1) 9/16" wrench
OPERATOR’S POSITION (See Fig. 1)
When right or left hand is mentioned in this manual, it
means when you are in the operating position (standing
behind tiller handles).
Your new tiller has been assembled at the factory with exception of those parts left unassembled for shipping purposes.
To ensure safe and proper operation of your tiller all parts and hardware you assemble must be tightened securely. Use
the correct tools as necessary to insure proper tightness.
FRONT
OPERATOR’S
POSITION
LEFT RIGHT
Fig. 1
(1) Hairpin Clip
(1) Carriage Bolt
3/8-16 UNC x 1 Grade 5 (1) Center Locknut
3/8-16 UNC
(1) Handle Lock Lever
(1) Flat Washer 13/32 x 1 x 11 Gauge
CONTENTS OF HARDWARE PACK
(2) Handle Locks
(1) Pivot Bolt
3/8-16 UNC Grade 5 Extra Shear Pins & Clips
ASSEMBLY

5
ASSEMBLY
• Grasp handle assembly. Hold in “up” position. Be sure
handle lock remains in gearcase notch. Slide handle
assembly into position.
HANDLE ASSEMBLY
"UP" POSITION
Fig. 4
UNPACKING CARTON (See Fig. 2)
CAUTION: Be careful of exposed
sta ples when handling or disposing
of cartoning material.
IMPORTANT: WHEN UN PACK ING AND AS SEM BLING TILLER,
BE CAREFUL NOT TO STRETCH OR KINK CABLES.
• While holding handle assembly, cut cable ties se cur ing
handle assembly to top frame and depth stake. Let
handle assembly rest on tiller.
• Remove top frame of carton.
• Slowly ease handle assembly up and place on top of
carton.
• Cut down right hand front and right hand rear cor ners
of carton, lay side carton wall down.
• Remove packing material from handle assembly.
Fig. 2
carton_3
SHIFT ROD
INSTALL HANDLE (See Figs. 3, 4, and 5)
• Insert one handle lock (with teeth facing outward) in
gearcase notch. (Apply grease on smooth side of
handle lock to aid in keeping lock in place until handle
assembly is lowered into position.)
HANDLE
AS SEM BLY
Fig. 3
HANDLE ASSEMBLY
GEARCASE
NOTCH
HANDLE
LOCK
VIEWED FROM R.H. SIDE OF TILLER
LOOSEN HANDLE
LOCK LEVER TO MOVE
TIGHTEN HANDLE LOCK
LEVER TO HOLD
handles_34
CARRIAGE
BOLT
SLOT
GEARCASE
HANDLE
LOCK
FLAT
WASHER
HANDLE LOCK
LEVER
PIVOT BOLT
LOCKNUT
HANDLE
BASE
Fig. 5
• Rotate handle assembly down. Insert rear carriage bolt
first, with bolt head on L.H. side of tiller and loosely
assemble locknut (See Fig. 5).
• Insert pivot bolt in front part of plate and tighten.
• Cut down remaining corners of carton and lay panels
flat.
• Lower the handle assembly. Tighten nut on carriage
bolt so handle moves with some resistance. This will
allow for easier adjustment.
• Place flat washer on threaded end of handle lock lever.
• Insert handle lock lever through handle base and
gearcase. Screw in handle lock lever just enough to
hold lever in place.
• Insert second handle lock (with teeth in ward) in the
slot of the handle base (just inside of washer).
• With handle assembly in lowest position, securely
tight en handle lock lever by rotating clockwise. Leav-
ing handle assembly in lowest position will make it
easier to remove tiller from carton.

6
ASSEMBLY
SHIFT
ROD
HAIRPIN
CLIP
SHIFT
LEVER
INDICATOR
REMOVE TILLER FROM CRATE
• Make sure shift lever indicator is in “N” position (See
Fig. 7)
• Tilt tiller forward by lifting handle. Separate cardboard
cover from leveling shield.
• Rotate tiller handle to the right and pull tiller out of
carton.
CONNECT SHIFT ROD (See Fig. 7)
• Insert end of shift rod into hole of shift lever indicator.
• Insert hairpin clip through hole of shift rod to secure.
Fig. 7
Fig. 6
END OF CLUTCH
CABLE
CONTROL
BAR
CONTROL BAR
BRACKET
CONTROL BAR
BRACKET
CLUTCH
CABLE
ATTACH CLUTCH CABLE (See Fig. 6)
• Hook end of clutch cable through hole in control bar
bracket.
CHECK TIRE PRESSURE
The tires on your unit were overinflated at the factory for
shipping purposes. Correct and equal tire pressure is
important for best tilling performance.
• Reduce tire pressure to 20 PSI (1.4 kg/cm2).
HANDLE HEIGHT
• Handle height may be adjusted to better suit operator.
(See “TO ADJUST HANDLE HEIGHT” in the Service
and Adjustments section of this manual).

7
KNOW YOUR TILLER
READ THIS OWNER'S MANUAL AND SAFETY RULES BEFORE OPERATING YOUR TILLER.
Compare the illustrations with your tiller to familiarize yourself with the location of various controls and adjustments. Save
this manual for future reference.
These symbols may appear on your Tiller or in literature supplied with the product. Learn and understand their
meaning.
Fig. 8
MEETS ANSI SAFETY REQUIREMENTS
Our tillers conform to the safety standards of the American National Standards Institute.
CHOKE CONTROL - Used when starting a cold engine.
DEPTH STAKE - Controls depth at which tiller will dig.
DRAG STAKE - Controls forward speed in forward rotat-
ing till position.
DRIVE CONTROL BAR - Used to engage tines.
LEVELING SHIELD - Levels tilled soil.
ON / OFF SWITCH - used to STOP the engine.
FUEL VALVE - Used to turn fuel off and on.
RECOIL STARTER HANDLE - Used to start the engine.
SHIFT LEVER - Used to shift transmission gears.
SHIFT LEVER INDICATOR - Shows which gear the trans-
mis sion is in.
THROTTLE CONTROL - Controls engine speed.
OPERATION
CAUTION
OR WARNING
TILLING FORWARD NEUTRAL REVERSE
FAST SLOW
ENGINE
ON
ENGINE
OFF
OILFUELCHOKE
STOP
RUN
TILLING
DRIVE
CONTROL
BAR
DEPTH STAKE
SHIFT LEVER
LEVELING
SHIELD
FUEL
VALVE
ON/OFF
SWITCH
SHIFT LEVER IN DI CA TOR
THROTTLE CONTROL
CHOKE CONTROL
DRAG STAKE

8
OPERATION
00155
Fig. 9
depth_stake_2
TRANSPORT
POSITION
DEEPEST
TILLING
DEPTH
STAKE
SHALLOWEST
TILLING
(CULTIVATING)
Fig. 11
The operation of any tiller can result in foreign objects thrown into the eyes, which can result in
severe eye damage. Always wear safety glasses or eye shields before starting your tiller and while
tilling. We recommend a wide vision safety mask for over spectacles or standard safety glasses.
HOW TO USE YOUR TILLER
Know how to operate all controls before adding fuel and
oil or attempting to start engine.
STOPPING (See Fig. 9)
TINES
1. Release drive control to stop move ment.
2. Move shift lever to “N” (neutral) position.
ENGINE
2. Move throttle control to “SLOW” po si tion and allow the
engine to run slowly for cool down.
3. Turn the engine switch to the "OFF" Position.
4. Turn the fuel valve lever to the "OFF" Position.
NOTE: NEVER USE CHOKE TO STOP ENGINE.
IMPORTANT: TO STOP ENGINE IN AN EMERGENCY, TURN
THE ENGINE SWITCH TO THE OFF POSITION.
DRIVE CONTROL
BAR
“ENGAGED”
PO SI TION
SHIFT
LEVER
DRIVE CONTROL BAR
“DISENGAGED” PO SI TION
1
THROTTLE
CONTROL
ENGINE
SWITCH
FUEL
VALVE
THROTTLE
CONTROL
FUEL
VALVE
ENGINE
SWITCH
TINE OPERATION - WITH WHEEL DRIVE
Always release drive control bar before moving shift lever
into another position.
• Tine movement is achieved by moving shift lever to
either the counter rotating ( ) till position or the forward
rotating ( ) till position and engaging drive control
bar.
FORWARD - WHEELS ONLY/TINES
STOPPED
• Release drive control bar and move shift lever in di ca tor
to “F” (forward) position. Engage drive control bar and
tiller will move forward.
REVERSE - WHEELS ONLY/TINES
STOPPED
• DO NOT STAND DIRECTLY BEHIND TILLER.
• Release the drive control bar.
• Move throttle control to “SLOW” position.
• Move shift lever indicator to “R” (reverse) position.
• Hold drive control bar against the handle to start tiller
movement.
HARD TO SHIFT GEARS
• Briefly engage drive control bar and release or rock tiller
forward and backward until are able to shift gears.
DEPTH STAKE (See Fig. 11)
The depth stake can be raised or lowered to allow you more
versatile tilling and cul ti vat ing, or to more easily transport
your tiller.
DRAG STAKE (See Fig. 10)
The drag stake should be raised when tilling in the counter
rotating ( ) till position. The drag stake should be lowered
when tilling in the forward rotating ( )till position.
Fig. 10
depth_stake_10
LOWERED
(FOR WARD ROTATING
TILL)
RAISED
(COUNTER ROTATING
TILL)

9
OPERATION
TO TRANSPORT
CAUTION: Before lifting or trans port ing,
allow tiller engine and muffler to cool.
Disconnect spark plug wire. Drain
gasoline from fuel tank.
AROUND THE YARD
• Release the depth stake pin. Move the depth stake
down to the top hole for transporting the tiller. Place
depth stake pin in hole of depth stake to lock in posi-
tion. This prevents tines from scuffing the ground.
• Place shift lever indicator in “F” (forward) position for
transporting.
• Hold the drive control bar against the handle to start
tiller movement. Tines will not turn.
• Move throttle control to desired speed.
AROUND TOWN
• Disconnect spark plug wire.
• Drain fuel tank.
• Transport in upright position to prevent oil leakage.
TURNING
• Release the drive control bar.
• Move throttle control to “SLOW” position.
• Place shift lever indicator in “F” (forward) position.
Tines will not turn.
• Lift handle to raise tines out of ground.
• Swing the handle in the opposite direction you wish
to turn, being careful to keep feet and legs away from
tines.
• When you have completed your turn-around, release
the drive control bar and lower handle. Place shift le-
ver in (till) position and move throttle control to de sired
speed. To begin tilling, hold drive control bar against
the handle.
CULTIVATING
• Use the forward rotating tine drive when cultivating,
tilling soft ground or tilling pre-tilled soil.
• Release depth and drag stake pins. Lower drag stake.
Pull the depth stake up for increased tilling depth. Place
proper pin in hole of depth stake or drag stake to lock
in position.
• Place shift lever indicator in forward rotating ( )till
position.
• Hold the drive control bar against the handle to start
tilling movement. Tines and wheels will both turn.
• Move throttle control "FAST" position for deep tilling.
To cultivate, throttle control can be set at any desired
speed, depending on how fast or slow you wish to
cultivate.
• Always lower the drag stake when using the for ward
rotating tine drive.
OUTER SIDE SHIELDS (See Fig. 12)
The back edges of the outer side shields are slotted so
that the shields can be raised for deep tilling and low ered
for shal low tilling to protect small plants from being buried.
Loosen nut “A” in slot and nut “B”. Move shield to desired
position (both sides). Retighten nuts.
BEFORE STARTING ENGINE
IMPORTANT: BE VERY CAREFUL NOT TO ALLOW DIRT TO
ENTER THE ENGINE WHEN CHECKING OR ADDING OIL
OR FUEL. USE CLEAN OIL AND FUEL AND STORE IN AP-
PROVED, CLEAN, COVERED CON TAIN ERS. USE CLEAN
FILL FUNNELS.
FILL ENGINE WITH OIL (See Fig. 13)
1. Remove hangtag from engine.
2. With engine level, remove engine oil fill er plug.
3. Fill engine with oil to point of over flow ing. For ap proxi-
mate ca pac i ty see “PROD UCT SPEC I FI CA TIONS” on
page 3 of this manual. All oil must meet A.P.I. Service
Classification SG-SL.
4. Tilt tiller back on its wheels and then re-level.
5. With engine level, refill to point of over flow ing if nec-
es sary. Re place oil filler plug.
• For cold weather operation you should change oil for
easier starting (See “OIL VISCOSITY CHART” in the
Main te nance section of this man u al).
• To change engine oil, see the Main te nance section of
this manual.
TILLING (See Fig. 12)
• Release depth stake pin. Pull the depth stake up for
increased tilling depth. Place depth stake pin in hole
of depth stake to lock in position.
• Place shift lever indicator in counter rotating ( ) till
position.
• Hold the drive control bar against the handle to start
tilling movement. Tines and wheels will both turn.
• Move throttle control to “FAST” position for deep tilling.
To cultivate, throttle control can be set at any desired
speed, depending on how fast or slow you wish to
cultivate.
IMPORTANT: ALWAYS RELEASE DRIVE CONTROL
BAR BEFORE MOVING SHIFT LEVER INTO ANOTHER
POSITION.
depth_stake_11
NUT “B”
NUT “A”
OUTER
SIDE SHIELD
DEPTH STAKE PIN
“RELEASED” POSITION
“LOCKED”
POSITION
Fig. 12

10
OPERATION
ADD GASOLINE
• Fill fuel tank to bottom of filler neck. Do not overfill.
Use fresh, clean, regular un lead ed gasoline with a
minimum of 87 octane. (Use of leaded gasoline will
increase carbon and lead oxide deposits and reduce
valve life). Do not mix oil with gasoline. Purchase fuel
in quan ti ties that can be used within 30 days to assure
fuel freshness.
CAUTION: Fill to within 1/2 inch of top
of fuel tank to prevent spills and to allow
for fuel expansion. If gasoline is ac-
ci den tal ly spilled, move machine away
from area of spill. Avoid creating any
source of ignition until gasoline vapors
have disappeared.
Wipe off any spilled oil or fuel. Do not
store, spill or use gasoline near an
open flame.
IMPORTANT: WHEN OPERATING IN TEMPERATURES
BELOW32°F(0°C), USE FRESH, CLEAN WINTER GRADE
GAS O LINE TO HELP INSURE GOOD COLD WEATHER
START ING.
CAUTION: Alcohol blended fuels (called
gas o hol or using ethanol or methanol) can at-
tract moisture which leads to sep a ra tion and
for ma tion of acids during storage. Acidic gas
can damage the fuel system of an engine while
in storage. To avoid engine problems, the fuel
system should be emptied before stor age of
30 days or longer. Drain the gas tank, start
the engine and let it run until the fuel lines
and carburetor are empty. Use fresh fuel next
sea son. See Storage In struc tions for additional
information. Never use engine or carburetor
cleaner products in the fuel tank or permanent
damage may occur.
TO START ENGINE (See Fig. 14)
CAUTION: KEEP TINE CONTROL IN “OFF”
PO SI TION WHEN STARTING ENGINE.
When starting engine for the first time or if engine has run
out of fuel, it will take ex tra pulls of the recoil starter to
move fuel from the tank to the engine.
1. Make sure spark plug wire is prop er ly connected.
2. Place the fuel valve to the "ON" position.
3. To start a cold engine, move the choke lever to the
"ON" position.
4. Move the throttle lever away from the "SLOW" position,
about 1/3 of the way toward the "FAST" position.
5. Turn the engine switch to the "ON" position. Pull rope
out slowly until engine reaches start of com pres sion
cy cle (rope will pull slightly harder at this point).
6. Pull recoil starter handle quickly. Do not let starter
handle snap back against starter. Repeat if neces-
sary.
NOTE: IF ENGINE FIRES BUT DOES NOT START, MOVE
CHOKE CONTROL TO HALF CHOKE POSITION. PULL RECOIL
STARTER HANDLE UNTIL ENGINE STARTS.
7. If the choke lever has been moved to the "ON" position
to start the engine, gradually move it to the opposite
position as the engine warms up.
NOTE: A WARM ENGINE REQUIRES LESS CHOK ING TO
START.
8. Move throttle control to desired running position.
9. Allow engine to warm up for a few min utes before
engaging tines.
Throttle Control
Engine
Switch
Choke
Con trol
Fuel Valve
Recoil Starter
Spark Plug
NOTE: IF ENGINE DOES NOT START, SEE TROU BLE SHOOT ING
POINTS.
engine_art_4
Oil Level Oil Filler Plug
Max Upper Level
Min Lower Level
Fig. 13
Fig. 14

11
OPERATION
321
5
4
67
Fig. 15
Fig. 16
TILLING HINTS
CAUTION: Until you are accustomed to
handling your tiller, start actual field use
with throttle in slow position (mid-way
between “FAST” and “IDLE”).
• Tilling is digging into, turning over, and breaking up
packed soil before planting. Loose, unpacked soil helps
root growth. Best tilling depth is 4" to 6" (10-15 cm).
A tiller will also clear the soil of unwanted vege ta tion.
The de com po si tion of this vegetable mat ter enriches
the soil. Depending on the climate (rain fall and wind),
it may be advisable to till the soil at the end of the
growing season to further condition the soil.
• You will find tilling much easier if you leave a row
untilled between passes. Then go back between tilled
rows. (See Fig. 15) There are two reasons for doing
this. First, wide turns are much easier to negotiate than
about-faces. Sec ond, the tiller won’t be pulling itself,
and you, toward the row next to it.
• Soil conditions are important for proper tilling. Tines will
not readily penetrate dry, hard soil which may con trib ute
to excessive bounce and difficult handling of your tiller.
Hard soil should be mois tened before tilling; however,
extremely wet soil will “ball-up” or clump during tilling.
Wait until the soil is less wet in order to achieve the
best results. When tilling in the fall, re move vines and
long grass to prevent them from wrapping around the
tine shaft and slowing your tilling operation.
• Do not lean on handle. This takes weight off the wheels
and reduces traction. To get through a really tough
section of sod or hard ground, apply upward pressure
on handle or lower the depth stake.
TINE SHEAR PINS
The tine assemblies on your tiller are secured to the tine
shaft with shear pins (See “TINE REPLACEMENT” in the
Service and Ad just ments section of this manual).
If the tiller is unusually overloaded or jammed, the shear
pins are designed to break before internal damage occurs
to the trans mis sion.
• If shear pin(s) break, replace only with those shown in
the Repair Parts section of this manual.
CULTIVATING
Cultivating is destroying the weeds between rows to pre-
vent them from robbing nourishment and moisture from the
plants. At the same time, breaking up the upper layer of
soil crust will help retain moisture in the soil. Best digging
depth is 1" to 3" (2.5-7.5 cm). Lower the outer side shields
to protect small plants from being buried.
• Cultivate up and down the rows at a speed which will
allow tines to uproot weeds and leave the ground in
rough condition, promoting no further growth of weeds
and grass (See Fig. 16).
• Do not lean on handle, this takes weight off the wheels,
reduces traction, and may cause the tiller to skip over
the ground.
• Always lower the drag stake when using the for ward
rotating tine drive.

12
MAINTENANCE
GENERAL RECOMMENDATIONS
The warranty on this tiller does not cover items that have
been subjected to operator abuse or negligence. To receive
full value from the warranty, the operator must main tain tiller
as instructed in this manual.
Some adjustments will need to be made periodically to
properly maintain your tiller.
All adjustments in the Service and Adjustments section
of this manual should be checked at least once each
season.
• Once a year you should replace the spark plug, clean
or replace air filter, and check tines and belts for wear.
A new spark plug and clean air filter assure proper
air-fuel mixture and help your engine run better and
last longer.
BEFORE EACH USE
• Check engine oil level.
• Check tine operation.
• Check for loose fasteners.
LUBRICATION
Keep unit well lubricated (See “LUBRICATION CHART”).
LUBRICATION CHART
cSAE 30 OR 10W-30 MOTOR OIL
dREFER TO MAINTENANCE “ENGINE” SECTION
eEP #1 GREASE
d ENGINE
c IDLER
BRACKET c WHEEL
HUB
c LEVELING
SHIELD
HINGES
c DEPTH
STAKE PIN
eRH GEAR CASE
GREASE FIT TING
-!).4%.!.#%
3#(%$5,%
&),,ª).ª$!4%3
!3ª9/5ª#/-0,%4%
2%'5,!2ª3%26)#%
#HECKª%NGINEª/ILª,EVEL
#HANGEª%NGINEª/IL
/ILª0IVOTª0OINTS
)NSPECTª!IRª3CREEN
)NSPECTª3PARKª!RRESTERªª-UFFLER
#LEANªORª2EPLACEª!IRª#LEANERª#ARTRIDGE
#LEANª%NGINEª#YLINDERª&INS
2EPLACEª3PARKª0LUG
"%&/2%ª%!#(ª53%
%6%29ªª(/523
%6%29ªª(/523
%6%29ªª(/523
3%26)#%ª$!4%3
ªª#HANGEªMOREªOFTENªWHENªOPERATINGªUNDERªAªHEAVYªLOADªORªINªHIGHªAMBIENTªTEMPERATURES
ªª3ERVICEªMOREªOFTENªWHENªOPERATINGªINªDIRTYªORªDUSTYªCONDITIONSª

13
MAINTENANCE
OIL FILLER
PLUG
OIL LEVEL
OIL
DRAIN
PLUG
Fig. 17
Disconnect spark plug wire before performing any maintenance (except car bu re tor adjustment) to
prevent accidental start ing of engine.
Prevent fires! Keep the engine free of grass, leaves, spilled oil, or fuel. Re move fuel from tank
before tipping unit for maintenance. Clean muffler area of all grass, dirt, and debris.
Do not touch hot muffler or cylinder fins as contact may cause burns.
Fig. 18
TO CHANGE ENGINE OIL (See Figs. 17 and 18)
Determine temperature range expected before oil change.
All oil must meet API service classification SG-SL.
• Be sure tiller is on level surface.
• Oil will drain more freely when warm.
• Use a funnel to prevent oil spill on tiller, and catch oil
in a suitable con tain er.
• Remove drain plug. For easier removal of plug use
7/16 12 Pt. socket with extension.)
• Tip tiller forward to drain oil.
• After oil has drained completely, replace oil drain plug
and tighten securely.
• Remove oil filler plug. Be careful not to allow dirt to
enter the engine.
• Refill engine with oil. See “CHECK ENGINE OIL LEVEL”
in the Operation section of this manual.
ENGINE
LUBRICATION
Use only high quality detergent oil rated with API service
classification SG-SL. Select the oil’s SAE vis cos i ty grade
according to your expected temperature.
NOTE: Although multi-viscosity oils (5W-30, 10W-30, etc.)
improve starting in cold weather, these multi-viscosity oils
will result in increased oil consumption when used above
40°F (4°C). Check your engine oil level more frequently to
avoid possible engine damage from running low on oil.
Change the oil after every 25 hours of operation or at
least once a year if the tiller is not used for 25 hours in
one year.
Check the crankcase oil level before starting the engine
and after each five (5) hours of continuous use. Add SAE
30 motor oil or equivalent. Tighten oil filler plug securely
each time you check the oil level.
AIR CLEANER (See Fig. 19)
Service air cleaner cartridge every twen ty-five hours, more
often if engine is used in very dusty conditions.
1. Loosen air cleaner screw.
2. Remove air cleaner cover.
3. Carefully remove air cleaner cartridge. Be care ful. Do
not allow dirt or de bris to fall into carburetor.
4. Clean by tapping gently on a flat sur face.
NOTE: If very dirty or damaged, replace car tridge.
5. Clean and re place cover. Tighten screw securely.
CAUTION: Petroleum sol vents, such
as kerosene, are not to be used to
clean car tridge. They may cause de-
te ri o ra tion of the cartridge. Do not oil
car tridge. Do not use pres sur ized air
to clean or dry car tridge.
Fig. 19
4%-0%2!452%ª2!.'%ª!.4)#)0!4%$ª"%&/2%ª.%84ª/),ª#(!.'%
ªªªªªªªªªªªªªªªªªªªªªªªªªªªªªªªªªªªª3!%ª6)3#/3)49ª'2!$%3
Air Cleaner
Screws
Cover
Air Clean er
Car tridge
Pre-Cleaner

14
MAINTENANCE
Fig. 20
MUFFLER
Do not operate tiller without muffler. Do not tamper with
exhaust system. Damaged mufflers or spark arresters
could create a fire hazard. Inspect pe ri odi cally and re place
if nec es sary. If your engine is equipped with a spark arrester
screen assembly, re move every 50 hours for cleaning and
inspection. Re place if dam aged.
COOLING SYSTEM (See Fig. 20)
Your engine is air cooled. For proper en gine performance
and long life keep your engine clean.
• Clean air screen frequently using a stiff-bristled brush.
• Remove blower housing and clean as nec es sary.
• Keep cylinder fins free of dirt and chaff.
Cylinder Fins
Muffler
Air Screen Blower
Housing
SPARK PLUG
Replace spark plugs at the beginning of each tilling sea-
son or after every 25 hours of use, whichever comes first.
Spark plug type and gap setting are shown in “PROD UCT
SPEC I FI CA TIONS” on page 3 of this manual.
TRANSMISSION
Your transmission is sealed and will not re quire lubrication
unless serviced.
CLEANING
Do not clean your tiller when the engine and transmission
are hot. We do not rec om mend using pressurized water
(gar den hose, etc.) to clean your unit un less the gasket
area around the trans mis sion and the engine muf fler, air
fil ter and car bu re tor are cov ered to keep wa ter out. Wa ter
in en gine will short en the useful life of your tiller.
• Clean engine, wheels, finish, etc. of all foreign matter.
• Keep finished surfaces and wheels free of all gas o line,
oil, etc.
• Protect painted surfaces with au to mo tive type wax.

15
SERVICE AND ADJUSTMENTS
CAUTION: Disconnect spark plug wire from spark plug and place wire where it cannot come into
contact with plug.
TILLER
TO ADJUST HANDLE HEIGHT (See Fig. 21)
Select handle height best suited for your tilling conditions.
Handle height will be different when tiller digs into soil.
• First loosen handle lock lever.
• Handle can be positioned at different settings between
“HIGH” and “LOW” positions.
• Retighten handle lock lever securely after adjusting.
Fig. 22
Fig. 23
SCREW
AND
WASHER
HEX NUT
AND
WASHER
(LOCATED
BEHIND
TIRE)
BELT GUARD SCREW
AND WASHER
HAIRPIN CLIP AND
CLEVIS PIN
TO REMOVE BELT GUARD (See Fig. 23)
NOTE: For ease of removal, remove hairpin clip and
clevis pin from left wheel. Pull wheel out from tiller about
1 inch.
• Remove two (2) screws from side of belt guard.
• Remove hex nut and washer from bottom of belt guard
(located behind wheel).
• Pull belt guard out and away from unit.
• Replace belt guard by reversing above procedure.
ENGINE
Maintenance, repair, or replacement of the emission control
devices and systems, which are being done at the cus tom-
ers expense, may be performed by any non-road engine
repair establishment or individual. Warranty repairs must
be performed by an authorized engine manufacturer's
service outlet.
IMPORTANT: NEVER TAMPER WITH THE ENGINE
GOVERNOR, WHICH IS FACTORY SET FOR PROPER ENGINE
SPEED. OVERSPEEDING THE ENGINE ABOVE THE FACTORY
HIGH SPEED SETTING CAN BE DANGEROUS. IF YOU THINK
THE ENGINE-GOVERNED HIGH SPEED NEEDS ADJUSTING,
CONTACT YOUR NEAREST AUTHORIZED SERVICE CENTER/
DEPARTMENT, WHICH HAS THE PROPER EQUIPMENT AND
EXPERIENCE TO MAKE ANY NECESSARY ADJUSTMENTS.
TIRE CARE
CAUTION: When mounting tires, un-
less beads are seated, over in fla tion
can cause an explosion.
• Maintain 20 pounds of tire pressure. If tire pressures
are not equal, tiller will pull to one side.
• Keep tires free of gasoline or oil which can damage
rubber.
TO REMOVE WHEEL (See Fig. 22)
• Place blocks under trans mis sion to keep tiller from
tipping.
• Remove hairpin clip and clevis pin from wheel.
• Remove wheel and tire.
• Repair tire and reassemble.
CLEVIS PIN
HAIRPIN CLIP
Fig. 21
HANDLE
(LOW POSITION)
HANDLE LOCK
LEVER
HANDLE
(HIGH POSITION)

16
SERVICE AND ADJUSTMENTS
CABLE CLIP
SCREW
DRIVE
CONTROL
CABLE
EXTENSION
SPRING
ENGINE
PULLEY
IDLER
PULLEY TRANS MIS SION
PULLEY
LESS
TEN SION
5/8" MORE
TEN SION
Fig. 24
TO REPLACE GROUND DRIVE BELT
(See Figs. 23 and 24)
• Remove belt guard as described in “TO REMOVE BELT
GUARD”.
• Remove old belt by slipping off engine pulley first then
remove from transmission pulley.
• Place new belt in groove of transmission pulley and
into engine pulley. BELT MUST BE IN GROOVE ON
TOP OF IDLER PULLEY. NOTE POSITION OF BELT
TO GUIDES.
• Check belt adjustment as described below.
• Replace belt guard.
• Reposition wheel and replace clevis pin and hairpin
clip.
GROUND DRIVE BELT ADJUSTMENT
(See Fig. 24)
For proper belt tension, the extension spring should have
about 5/8 inch (16 mm) stretch when drive control bar is
in “EN GAGED” position. This tension can be attained as
fol lows:
• Loosen cable clip screw securing the drive control
cable.
• Slide cable forward for less tension and rearward for
more tension until about 5/8 inch (16 mm) stretch is
obtained while the drive control bar is engaged.
• Tighten cable clip screw securely.

17
SERVICE AND ADJUSTMENTS
• To maintain the superb tilling performance of this ma-
chine the tines should be checked for sharpness, wear,
and bending, particularly the tines which are next to
the transmission. If the gap between the tines ex ceeds
3-1/2 inches they should be replaced or straight ened
as necessary.
• For tines that are slightly worn, the bolt ed tine and
hub assemblies can be switched between sides to
continue till ing in the same tilling mode if tilling in a
different mode is desired then the bolt ed tine and hub
assemblies should be switched back to their original
side so that the tine edge with the least wear will be
used.
Fig. 25
TINE REPLACEMENT
(See Figs. 25, 26, and 27)
CAUTION: Tines are sharp. Wear
gloves or other protection when han-
dling tines.
A badly worn tine causes your tiller to work harder and dig
more shallow. Most important, worn tines cannot chop and
shred organic matter as effectively nor bury it as deeply as
good tines. A tine this worn needs to be replaced.
NEW TINE WORN TINE
Fig. 26
Fig. 27
tine_19
3-1/2" MAX
TINE
TINE
tine_20
HAIRPIN
CLIP
SHEAR PIN
SHARP EDGES SHARP EDGES
SHARP EDGES
HAIRPIN CLIP

18
STORAGE
ENGINE OIL
Drain oil (with engine warm) and replace with clean oil. (See
“ENGINE” in the Maintenance section of this man ual).
CYLINDER(S)
• Remove spark plug.
• Pour 1 ounce (29 ml) of oil through spark plug hole into
cylinder.
• Pull starter handle slowly several times to distribute
oil.
• Replace with new spark plug.
OTHER
• Do not store gasoline from one season to another.
• Replace your gasoline can if your can starts to rust.
Rust and/or dirt in your gasoline will cause problems.
• If possible, store your unit indoors and cover it to give
protection from dust and dirt.
• Cover your unit with a suitable pro tec tive cover that
does not retain moisture. Do not use plastic. Plastic
cannot breathe which allows con den sa tion to form and
will cause your unit to rust.
IMPORTANT: NEVER COVER TILLER WHILE ENGINE AND
EXHAUST AREAS ARE STILL WARM.
Immediately prepare your tiller for storage at the end of the
season or if the unit will not be used for 30 days or more.
CAUTION: Never store the tiller with
gasoline in the tank inside a build ing
where fumes may reach an open flame
or spark. Allow the engine to cool before
storing in any enclosure.
TILLER
• Clean entire tiller (See “CLEANING” in the Maintenance
section of this manual).
• Inspect and replace belts, if nec es sary (See belt re-
place ment in struc tions in the Service and Ad just ments
section of this manual).
• Lubricate as shown in the Maintenance section of this
manual.
• Be sure that all nuts, bolts and screws are securely
fastened. Inspect moving parts for damage, break age
and wear. Replace if necessary.
• Touch up all rusted or chipped paint surfaces; sand
lightly before painting.
ENGINE
FUEL SYSTEM
IMPORTANT: IT IS IMPORTANT TO PREVENT GUM DEPOSITS
FROM FORMING IN ESSENTIAL FUEL SYSTEM PARTS SUCH
AS THE CARBURETOR, FUEL FILTER, FUEL HOSE, OR TANK
DURING STORAGE. ALSO, EXPERIENCE INDICATES THAT
ALCOHOL BLENDED FUELS (CALLED GASOHOL OR USING
ETHANOL OR METHANOL) CAN ATTRACT MOISTURE WHICH
LEADS TO SEPARATION AND FORMATION OF ACIDS DURING
STORAGE. ACIDIC GAS CAN DAMAGE THE FUEL SYSTEM
OF AN ENGINE WHILE IN STORAGE.
• Empty the fuel tank by starting the engine and let it run
until the fuel lines and carburetor are empty.
• Never use engine or carburetor cleaner products in the
fuel tank or permanent.
• Use fresh fuel next season.
NOTE: Fuel stablizer is an acceptable alternative in
minimizing the formation of fuel gum deposits during
storage. Add stabilizer to gasoline in fuel tank or storage
container. Always follow the mix ratio found on stablizer
container. Run engine at least 10 minutes after adding
stablizer to allow the stabilizer to reach the carburetor.
Do not empty the gas tank and carburetor if using fuel
stabilizer.

19
TROUBLESHOOTING POINTS
Will not start 1 Out of fuel. 1 Fill fuel tank.
2 Fuel valve “OFF” 2 Turn fuel valve to the “ON” position.
3 Engine Switch “OFF” 3 Turn engine switch to the “ON” position.
4 Engine not “CHOKED” properly. 4 See “TO START ENGINE” in Operation section.
5 Engine flooded. 5 Wait several minutes before attempting to start.
6 Bad spark plug or improper gap. 6 Replace spark plug or adjust gap.
7 Dirty air filter. 7 Clean/replace air filter.
8 Water in fuel. 8 Empty fuel tank and carburetor, refill tank with fresh gasoline.
Hard to start 1 Throttle control not set properly. 1 See “To Start Engine” in Operations section.
2 Dirty air filter. 2 Clean/replace air filter.
3 Bad spark plug or improper gap. 3 Replace spark plug or adjust gap.
4 Stale or dirty fuel. 4 Empty fuel tank and refill tank with fresh, clean gasoline.
5 Loose spark plug wire. 5 Make sure spark plug wire is seated properly.
Loss of power 1 Engine is overloaded 1 Set depth stake and wheels for shallower tilling.
2 Dirty air cleaner 2 Clean/replace air filter.
3 Low oil level/dirty oil. 3 Check oil level/change oil.
4 Faulty spark plug. 4 Clean and regap or change spark plug.
5 Oil in fuel 5 Empty and clean fuel tank and refill, and clean carburetor.
6 Stale or dirty fuel. 6 Empty fuel tank and refill tank with fresh, clean gasoline.
7 Water in fuel. 7 Empty fuel tank and carburetor, refill tank with fresh gasoline.
8 Clogged fuel tank. 8 Remove fuel tank and clean.
9 Spark plug wire loose. 9 Connect and tighten spark plug wire.
10 Dirty engine air screen. 10 Clean engine air screen.
11 Dirty/clogged muffler. 11 Clean/replace muffler.
12 Poor Compression 12 Contact a qualified service center.
Engine overheats 1 Low oil level/dirty oil. 1 Check oil level/change oil.
2 Dirty engine air screen. 2 Clean engine air screen.
3 Dirty engine. 3 Clean cylinder fins, airscreen, muffler area
4 Partially plugged muffler 4 Remove and clean muffler.
Excessive bounce/
difficult handling
1 Ground too dry and hard. 1 Moisten ground or wait for more favorable soil conditions
2 Wheels and depth stake incorrectly adjusted. 2 Adjust wheels and depth stake.
Soil balls up or clumps 1 Ground too wet. 1 Wait for more favorable conditions.
Engine runs but tiller
won’t move
1 Tine control is not engaged. 1 Engage tine control
2 V-belt not correctly adjusted. 2 Inspect/adjust V-belt.
3 V-belt is off pulley (s). 3 Inspect V-belt.
Engine runs but labors
when tilling
1 Tilling too deep. 1 Set depth stake for shallower tilling
2 Throttle control not properly adjusted. 2 Check throttle control setting.

20
REPAIR PARTS
TILLER - - MODEL NUMBER DRT 900 (96093000801), PRODUCT NUMBER 960 93 00-08
HANDLE ASSEMBLY
KEY PART
NO. NO. DESCRIPTION
21 532 18 11-27 Handle
23 532 08 67-77 Screw, Hex Washer SLT #10-24 x .50
24 532 00 94-84 Clip
26 532 15 92-31 Cable, Clutch
27 873 90 04-00 Nut, Hex Flange 1/4-20 unc
29 873 73 10-00 Nut, Keps #10-24 unc
30 532 10 41-64 Tie, Cable
31 532 15 06-96 Bolt, Pivot
33 872 14 04-04 Bolt, Carriage 1/4-20 unc x 1/2
37 532 10 26-04 Grip, Bar, Control
41 532 10 27-44 Clamp, Bar, Control
KEY PART
NO. NO. DESCRIPTION
2 532 42 76-43 Grip, Handle
4 532 15 92-28 Bar Assembly, Control
6 532 18 06-85 Panel, Control
8 871 19 10-08 Screw, Truss Hd. #10-24 unc x 1/2
10 532 12 47-97 Grip, Handle
11 532 12 47-88 Clip, Hairpin
12 532 08 13-28 Bolt, Shoulder
13 532 18 74-97 Handle, Shift
14 532 10 93-13 Grommet, Rubber
15 532 10 93-37 Rod, Shift
16 872 11 06-08 Bolt, Carriage 3/8-16 x 1 Gr. 5
17 532 10 92-29 Lock, Handle
18 873 68 06-00 Nut, Crownlock 3/8-16 unc
19 819 13 16-11 Washer 13/32 x 1 x 11 Ga.
20 532 10 92-28 Lever, Lock, Handle
NOTE: All component dimensions given in U.S. inches.
1 inch = 25.4 mm
33
2
2
6
30
8
27
2426
23
15
11
10
12 13
21
1918
31
17
16
11
20
29
27
41
37
37
4
Handle_assy_99_23
14

21
KEY PART
NO. NO. DESCRIPTION
3 873 22 06-00 Nut, Hex 3/8-16
4 532 17 01-27 Shield, Inner Belt Guard RT
5 532 16 43-29 Pin Spirol Flared
6 532 16 27-56 Lever, Shift
7 872 11 04-04 Bolt, Carriage 1/4-20 x 1/2 Gr. 5
8 532 16 15-30 Plate, Shift Indicator
9 532 08 67-77 Screw, Hex, Washer Head, Slotted
#10-24 x 1/2
10 532 00 94-84 Clip
12 873 51 04-00 Nut, Keps Hex 1/4-20 unc
13 823 23 05-06 Screw, Set, Hex 5/16-18 x 3/8
14 532 11 06-52 Spacer, Split 0.327 x 0.42 x 2.09
15 819 11 11-16 Washer 11/32 x 11/16 x 16 Ga.
16 532 14 51-02 Sheave, Transmission
19 812 00 00-28 Retainer, Ring
21 532 15 61-17 Spacer, Split
22 874 77 05-08 Bolt, Fin Hex 5/16-24 unf x 1/2
23 532 10 21-90 Tire
532 15 07-40 Rim
532 12 47-18 Tire Valve
24 532 12 68-75 Rivet, Drilled
25 532 12 47-88 Clip, Hairpin
REPAIR PARTS
TILLER - - MODEL NUMBER DRT 900 (96093000801), PRODUCT NUMBER 960 93 00-08
MAINFRAME, LEFT SIDE
KEY PART
NO. NO. DESCRIPTION
26 532 16 67-92 Guard, Belt
27 532 13 28-01 Belt, V
28 532 10 46-79 Pulley, Idler
29 812 00 00-32 Ring, Klip
30 532 15 92-29 Bracket, Idler
31 532 10 23-84 Bolt, Hex 5/16-16 x 12
32 532 10 21-41 Shaft, Idler Arm
33 874 76 06-16 Bolt, Hex 3/8-16 x 1
34 532 10 23-83 Counterweight, L. H.
36 532 10 23-31 Bracket, Reinforcement, L. H.
37 532 13 08-12 Sheave, Engine
38 874 76 05-44 Bolt, Fin Hex 5/16-18 unc x 2-3/4
39 532 14 00-62 Cap, Plunger Blk
40 532 17 04-88 Screw Hex Wsh Slt #10-24 x 1/2
44 873 80 05-00 Nut Lock Hex w/Ins 5/16-18 unc PL
65 873 97 05-00 Nut Lock Hex Flange
66 819 13 13-12 Washer 13/32 x 13/16 x 12 Ga.
67 874 76 05-28 Bolt, Hex 5/16-18 x 1-3/4
68 873 51 06-00 Nut Keps Hex 3/8-16 unc
NOTE: All component dimensions given in U.S. inches.
1 inch = 25.4 mm
65
65
67 34
31
30
28 3
40 26 15
66
44
40
27
19
16
38
4
21
14
32
33
36
13
37
39
6
5
8
12
7
9
10
29
22
MAINFRAME?LEFT??R
24
23
25

22
KEY PART
NO. NO. DESCRIPTION
KEY PART
NO. NO. DESCRIPTION
REPAIR PARTS
TILLER - - MODEL NUMBER DRT 900 (96093000801), PRODUCT NUMBER 960 93 00-08
MAINFRAME, RIGHT SIDE
1 532 18 51-90 Bumper Asm.
2 873 97 05-00 Locknut, Hex, Flange 5/16-18
3 819 11 11-16 Washer 11/32 x 11/16 x 16 Ga.
4 874 76 05-12 Bolt 5/16-18 x 3/4
5 532 10 23-32 Bracket, Reinforcement R.H.
7 532 10 21-73 Counter Weight, R.H.
10 874 76 05-24 Bolt, Hex 5/16-18 x 1-1/2
11 532 12 47-88 Clip, Hairpin
12 532 12 68-75 Rivet, Drilled
13 532 10 21-90 Tire
532 15 07-40 Rim
532 12 47-18 Tire Valve
15 - - - - - - - - Engine, LCT Model No. PLMH-
K14600124P- (Order parts from
Engine Manufacturer)
22 874 76 05-28 Bolt 5/16-18 x 1-3/4
44 873 51 06-00 Nut Keps Hex 3/8-16 unc
NOTE: All component dimensions given in U.S. inches
1 inch = 25.4 mm
MAINFRAME?RIGHT?,#4?

49 State Service Kit Exploded
208cc
042809
31
32
37
10
525
27
1
17
11
12
6
20
3
7
2
19
24
26
16
15
23
14
36
34
18
829
9
30
28
4
13
21
1 532420578 CYLINDER HEAD SERVICE KIT
2 532420579 PUSH ROD SERVICE KIT
3 532420580 VALVE COVER SERVICE KIT
4 532420581 CYLINDER SERVICE KIT
5 532420582 PISTON SERVICE KIT
6 532420583 CONNECTING ROD SERVICE KIT
7 532420584 CAMSHAFT SERVICE KIT
8 532420585 FLYWHEEL SERVICE KIT
9 532420586 COOLING FAN SERVICE KIT
10 532420587 CRANKSHAFT SERVICE KIT
11 532420588 49 STATE AIR FILTER ASSEMBLY SERVICE KIT
12 532420589 PAPER FILTER SERVICE KIT
13 532420590 49 STATE MUFFLER ASSEMBLY SERVICE KIT
14 532420591 49 STATE FUEL TANK ASSEMBLY SERVICE KIT
15 532420592 FUEL TANK PETCOCK SERVICE KIT
16 532420593 FUEL CAP KIT
17 532420594 CARBURETOR SERVICE KIT
18 532420595 IGNITION COIL SERVICE KIT
19 532420596 IGNITION MODULE SERVICE KIT
20 532420597 SPARK PLUG SERVICE KIT
21 532420598 ENGINE ON/OFF SWITCH SERVICE KIT
23 532420638 FUEL HOSE SERVICE KIT
24 532420599 THROTTLE CONTROL SERVICE KIT
25 532420600 GOVERNOR GEAR SERVICE KIT
26 532420601 GOVERNOR ARM SERVICE KIT
27 532420602 GOVERNOR CRANK SERVICE KIT
28 532420603 RECOIL STARTER SERVICE KIT
29 532420604 STARTER CUP SERVICE KIT
30 532420605 BLOWER HOUSING SERVICE KIT
31 532420606 PTO COVER SERVICE KIT
32 532420607 SEAL SERVICE KIT
34 532420608 SPARK PLUG BOOT SERVICE KIT
36 - - - GASKET SERVICE KIT
37 532420961 OIL DIPSTICK SERVICE KIT
Service Kit Breakdown

23
REPAIR PARTS
TILLER - - MODEL NUMBER DRT 900 (96093000801), PRODUCT NUMBER 960 93 00-08
TRANSMISSION
12
13 15
16
14
579
9
8
518
23
22
21
19
18
55
56
55
54
3
2
29
31
7
6
5
4
11
10
30
28
18 32 33
34
18
48
60
24
44
18
4243
41
49
40
39
37
38
37
50
36
20
25
27
35
25 24
44
51 58
53
52
53
transmission_7
KEY PART
NO. NO. DESCRIPTION
NOTE: All component dimensions given in U.S. inches.
1 inch = 25.4 mm
KEY PART
NO. NO. DESCRIPTION
1 532 18 82-40 Trans mis sion Assembly (In cludes
Key Nos. 2-52)
2 532 18 82-20 Gearcase, L.H. w/Bearing
(In cludes Key No. 4)
3 532 16 19-63 Gasket, Gearcase
4 532 00 50-20 Bearing, Needle
5 532 00 13-70 Washer, Thrust 5/8 x 1.10 x 1/32
6 532 16 15-20 Pinion, Input
7 532 16 15-18 Shaft, In put
8 532 00 48-95 Bearing, Needle
9 532 15 44-67 Washer, Seal
10 532 00 73-92 Ball, Steel
11 532 10 03-71 Spring, Shift, Fork
12 532 10 61-60 O-Ring
13 532 14 21-45 Arm, Shift
14 532 00 83-53 Fork, Shift
15 812 00 00-39 Ring, Klip
16 532 16 15-16 Shaft, Shift
18 532 00 43-58 Washer
19 812 00 00-40 Ring, Klip
20 532 10 21-14 Gear, As sem bly, Reverse Idler
(Includes Key Nos. 21 and 22)
21 532 10 21-15 Gear, Re verse Idler
22 532 00 68-03 Bearing, Needle
23 532 16 15-27 Shaft, Re verse Idler
24 810 04 07-00 Washer, Lock 7/16
25 873 61 07-00 Nut, Hex 7/16-20
27 523 14 30-09 Bearing, Shaft, Ground Drive L.H.
28 532 10 63-90 Spacer 0.765 x 1.125 x 1.23
29 532 10 21-34 Chain #35-50 Pitch
30 532 15 07-37 Ground Shaft Assembly
31 532 14 30-08 Bearing, Shaft, Ground Drive R.H.
32 532 10 63-88 Spacer 0.70 x 1.00 x 1.150
33 532 10 21-21 Sprocket and Gear Assembly
34 532 10 21-12 Shaft, Re duc tion (2nd)
35 532 10 21-01 Screw, Whiz, Lock 5/16-18 x 3-1/2
36 532 16 15-24 Sprocket Assembly w/Bearing
(Includes Key Nos. 37 and 38)
37 532 10 04-13 Bearing, Needle
38 532 16 15-25 Sprocket, Tine
39 532 16 15-26 Gear, Clus ter, Red 1st & 2nd
40 532 10 53-46 Gear, Re verse
41 532 16 15-23 Shaft, Re duc tion (1st)
42 532 00 42-20 Washer, Thrust
43 532 10 61-46 Spacer 1.01 x 1.75 x 0.760
44 532 15 52-36 Seal Asm. OIl
48 532 18 82-35 Gearcase, R.H. w/Bearing
(In cludes Key No. 8)
49 532 13 26-88 Shaft, Tine
50 532 10 61-47 Chain, Roller #50-50 Pitch
51 817 72 04-08 Screw 1/4-20 x 1/2
52 873 22 05-00 Nut, Hex 5/16-18
53 532 16 51-40 Bearing Kit, Tine Shaft
54 532 16 15-28 Gear, DRT Idler w/Bearing
(Includes Key No. 55)
55 532 00 34-00 Bearing, Needle
56 532 16 15-29 Gear, DRT Idler
57 532 16 58-89 Spacer, Split .52 x .64 x 1.04
58 532 17 95-20 Screw 1/4-20 x .875
60 532 18 32-26 Fitting Grease
- - 532 00 60-66 Grease, Plastilube #1

24
REPAIR PARTS
TILLER - - MODEL NUMBER DRT 900 (96093000801), PRODUCT NUMBER 960 93 00-08
TINE SHIELD
2
31
1
29
29
15
1
38
38
13
14
14
24
23
26
27
22
21
20
19
38
16
38
25
33
32
16
34
4
3
7
7
8
9
5
23
23
28
24
18
6
5
6
5
5
30
5
tine_shield_23_in_r1
KEY PART
NO. NO. DESCRIPTION
KEY PART
NO. NO. DESCRIPTION
NOTE: All component dimensions given in U.S. inches.
1 inch = 25.4 mm
1 873 90 05-00 Nut, Lock Hex Flange 5/16-18 unc
2 532 16 29-52 Shield, Side, Outer L. H.
3 532 00 83-93 Pin, Stake, Depth
4 812 00 00-35 Ring, Klip
5 532 18 08-47 Bolt Rdhd Sqnk 5/16-18 x 3/4
6 532 00 83-94 Spring
7 532 00 83-92 Bracket, Latch
8 532 10 92-30 Spring, Depth Stake
9 532 40 38-89 Shield, Tine
13 872 11 05-10 Bolt, Carriage 5/16-18 x 1-1/4
14 532 12 43-43 Bracket, Shield Tine
15 532 16 29-53 Shield, Side, Outer R.H.
16 873 90 04-00 Nut, Hex Flange 1/4-20
18 872 04 04-10 Bolt, Carriage 1/4-20 x 1-1/4 Gr. 5
19 532 10 27-01 Grip
20 873 22 06-00 Nut, Hex 3/8-16
21 532 10 21-56 Stake, Depth
22 874 93 06-32 Bolt, Hex 3/8-16 x 2
23 532 00 44-40 Hinge
24 872 14 04-04 Bolt, Carriage 1/4-20 x 1/2
25 532 00 67-12 Cap, Vinyl
26 532 10 92-27 Pad, Idler
27 532 12 50-16 Shield, Leveling
28 532 12 05-88 Pin, Hinge
30 873 97 05-00 Nut Lock Flange
29 532 40 39-60 Shield, Side
31 532 42 34-63 Stake, Drag
32 873 22 04-00 Nut, Fin, Hex 1/4-20 unc
33 810 04 04-00 Washer Lock Hvy Helical 1/4
38 873 51 05-00 Nut Keps Hex 5/16-18 unc

25
REPAIR PARTS
TILLER - - MODEL NUMBER DRT 900 (96093000801), PRODUCT NUMBER 960 93 00-08
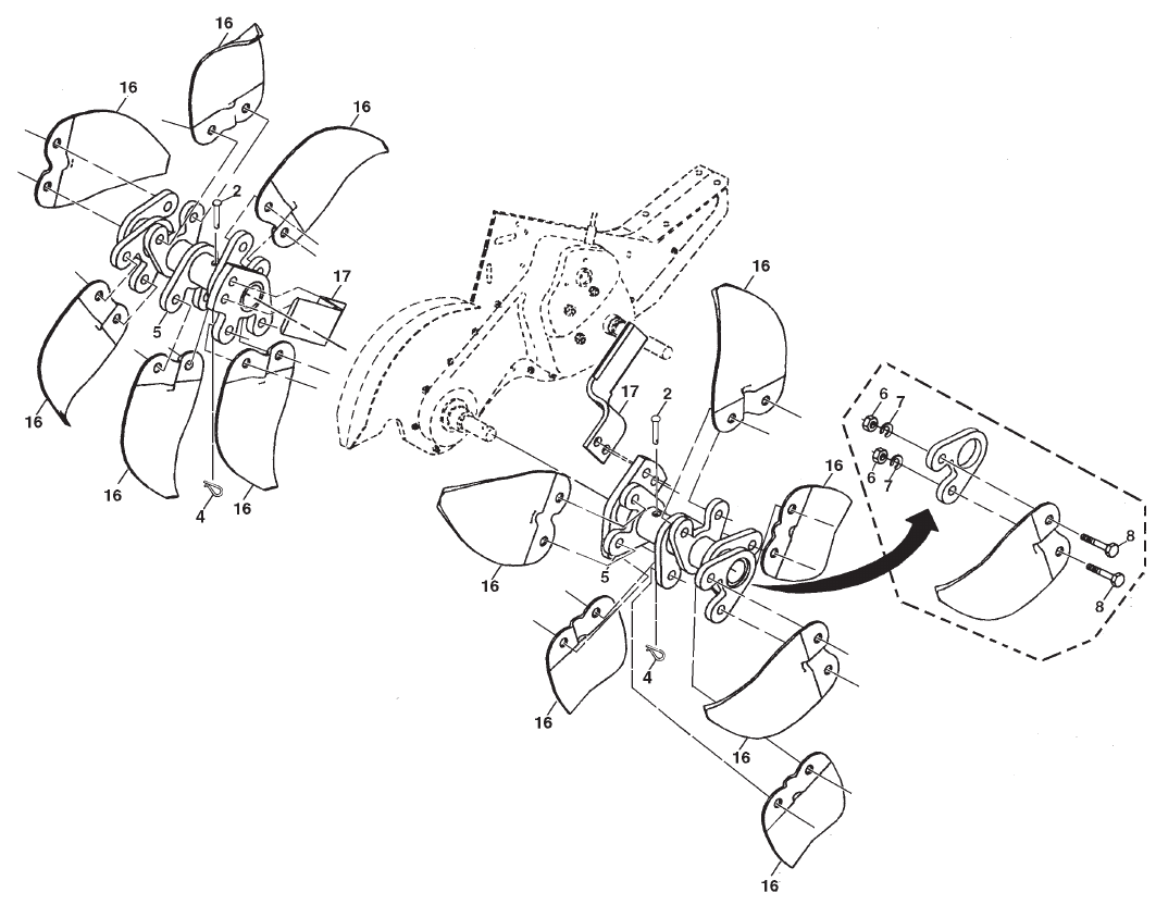
TINE ASSEMBLY
KEY PART
NO. NO. DESCRIPTION
KEY PART
NO. NO. DESCRIPTION
NOTE: All component dimensions given in U.S. inches.
1 inch = 25.4 mm
2 532 13 26-73 Pin, Shear
4 532 00 31-46 Clip, Hairpin
5 532 18 88-45 Hub Assembly
6 873 61 06-00 Nut, Hex 3/8-24
7 810 04 06-00 Washer, Lock 3/8
8 874 61 06-16 Bolt, Hex 3/8-24 x 1
16 532 16 34-99 Tine, Spade
17 532 16 35-00 Tine, Cleaning

26
REPAIR PARTS
TILLER - - MODEL NUMBER DRT 900 (96093000801), PRODUCT NUMBER 960 93 00-08
DECALS
1 532 42 83-26 Decal, Instruction, Tilling
2 532 42 20-12 Decal, Decal, Blt Grd
3 532 40 13-83 Decal
4 532 42 83-34 Decal, CNTRL PNL
5 532 11 06-14 Decal, Hand Placement
6 532 16 62-02 Decal, Shift Indicator
7 532 41 84-72 Decal, Shield
8 532 40 13-84 Decal, Forward
9 532 17 67-82 Decal, Warning, Rotating Tines
10 532 42 03-32 Decal, Air Cleaner
KEY PART
NO. NO. DESCRIPTION
6
10
9
3
5
4
2
1
7
8

27
SERVICE NOTES

SECTION 1: LIMITED WARRANTY
Husqvarna Forest & Garden Company (“Husqvarna”) warrants Husqvarna product to the original purchaser to be free from
defects in material and workmanship from the date of purchase for the “Warranty Period” of the product as set forth below:
Lifetime Warranty (Parts and Labor): All tiller tines and trimmer shafts against breakage. Proof of purchase required.
Lifetime Warranty (“PARTS ONLY” after initial warranty expiration): Ignition coils and modules on handheld product.
Proof of purchase required.
WARRANTY SCHEDULE FOR TURF CARE Equipment - Zero Turn Riders
(New warranty applies to units sold after August 1, 2005. Also applies to units factory-equipped with R.O.P.S.
EZ Zero Turn Riders: 3 year consumer warranty or 600 hours of use (when used solely at the owner’s residence.)
EZ & MZ Zero Turn Riders: 1 year commercial warranty or 600 hours of use.
iZ, LZ & BZ Zero Turn Riders:
5 year consumer warranty or 1,500 hours of use.
iZ, LZ & BZ Zero Turn Riders: 5 year commercial warranty or 1,500 hours of use.
3 Year or 1,500 Hour Commercial Use Warranty: spindles on zero turn riders, hydraulic pumps and wheel motors.
Warranty Schedule for Turf Care Walk Behind Units - W, WG & WH Zero Turn Riders - 3 year consumer and commercial
warranty. New warranty applies to units sold after August 1, 2005. Also applies to units factory-equipped with R.O.P.S.
2 Year COMMERCIAL and CONSUMER Warranty: all Husqvarna ground-engaging commercial equipment.
WARRANTY SCHEDULE FOR CONSUMER TURF CARE EQUIPMENT:
2 Year Consumer Warranty: Automatic mower, all Residential Zero Turn Riders, all lawn, yard and garden tractors, all
noncommercial walk behind mowers, tillers, snow blowers, electrical products and power-assist collection systems for
noncommercial, nonprofessional, noninstitutional or nonincome producing use, except as herein stated. All consumer
product use must have been limited to the owner’s residence.
WARRANTY SCHEDULE FOR CONSUMER FOREST & GARDEN EQUIPMENT:
2 Year Consumer Warranty: all consumer chain saws, trimmers, brushcutters, clearing saws, handheld blowers, backpack
blowers, hedge trimmers, and electrical products for noncommercial, nonprofessional, noninstitutional or nonincome
producing use, except as herein stated. All consumer product use must have been limited to the owner’s residence.
2 Year or 2,000 Hour Powertrain & 1 Year or 1,000 Hour Body Warranty: Husqvarna Utility Vehicles.
1 Year Warranty: Power cutters, stump grinder, pole pruners and pole saws for non-commercial, non-professional,
noninstitutional, non-municipality or non-income producing use. All 300 series trimmers, brushcutters, clearing saws,
hovering trimmers, stick edgers, backpack blowers, hand held blowers, hedge trimmers, power-assist collection systems for
commercial, institutional, professional or income producing purposes or use.
1 Year Conditional Component Warranty: Chain saw crankshafts for commercial/professional use (parts and labor).Saw
must be operated with Husqvarna XP 2 cycle oil.
90 Day Commercial Warranty:
Automatic mower, chain saws, 100 series trimmers, power cutters, stump grinders, pole
saws, pole pruners, snow throwers, model series 580 & 600 walk-behind mowers, or any Husqvarna product used for
commercial, institutional, professional, municipality or income producing purposes or use except as otherwise provided herein.
Batteries: 1 year prorated limited warranty with 100% replacement during the first 6 months.
Rental Warranty: 90 days on all applicable professional equipment reference warranty time period charts
located in the back of the Retailer Warranty Policy & Procedure Manual.
Husqvarna Safety Apparel carries a 90-day warranty from the date of the customer’s original purchase for defects in
material and workmanship. Normal wear, tear or abuse is not covered under warranty. Product must be returned to Charlotte
with a warranty claim form. All care and maintenance instructions must be followed as stated by the manufacturer on the
care label. The fit of the protective apparel/boot is not covered under warranty.
30 Day Warranty: Replacement parts, accessories including bars and chains, tools and display items. Emission control
system components necessary to comply with CARB-TIER II and EPA regulations, except for those components which are
part of engine systems manufactured by third part engine manufacturers for which the purchaser has received a separate
warranty with product at time of purchase.
SECTION 2: HUSQVARNA’S OBLIGATIONS UNDER THE WARRANTY
Husqvarna will repair or replace defective components without charge for parts or labor if a component fails because of a
defect in material or workmanship during the warranty period.
SECTION 3: ITEMS NOT COVERED BY THIS WARRANTY
The following items are not covered by this warranty:
(1) Normal customer maintenance items which become worn through normal regular use, including, but not limited to, belts,
blades, blade adapters, bulbs, clutches, clutch drums, filters, guide bars, lubricants, rewind springs, saw chain, spark plugs,
starter ropes and tiller tines;
(2) Natural discoloration of material due to ultraviolet light;
(3) Engine and drive systems not manufactured by Husqvarna; these items are covered by the respective manufacturer’s
warranty as provided in writing with the product information supplied at the time of purchase; all claims must be sent to the
appropriate manufacturer;
(4) Lawn and garden attachments are covered by a third party which gives a warranty, all claims for warranty should be sent
to the manufacturer,
(5) Commercial or consumer mowing decks with sand abrasion damage.
(6) Emission Control System components necessary to comply with CARB-TIER II and EPA regulations which are
manufactured by third party engine manufacturer.
SECTION 4: EXCEPTIONS AND LIMITATIONS
This warranty shall be inapplicable to defects resulting from the following:
(1) Accident, abuse, misuse, negligence and neglect, including stale fuel, dirt, abrasives, moisture, rust, corrosion, or any
adverse reaction due to incorrect storage or use habits;
(2) Failure to operate or maintain the unit in accordance with the Owner’s/Operator’s manual or instruction sheet furnished
by Husqvarna;
(3) Alterations or modifications that change the intended use of the product or affects the product’s performance, operation,
safety, or durability, or causes the product to fail to comply with any applicable laws; or:
(4) Additional damage to parts or components due to continued use occurring after any of the above.
REPAIR OR REPLACEMENT AS PROVIDED UNDER THIS WARRANTY IS THE EXCLUSIVE REMEDY OF THE
PURCHASER. HUSQVARNA SHALL NOT BE LIABLE FOR ANY INCIDENTAL OR CONSEQUENTIAL DAMAGES FOR
BREACH OF ANY EXPRESS OR IMPLIED WARRANTY ON THESE PRODUCTS EXCEPT TO THE EXTENT
PROHIBITED BY APPLICABLE LAW. ANY IMPLIED WARRANTY OF MERCHANTABILITY OR FITNESS FOR A
PARTICULAR PURPOSE ON THESE PRODUCTS IS LIMITED IN DURATION TO THE WARRANTY PERIOD AS
DEFINED IN THE LIMITED WARRANTY STATEMENT. HUSQVARNA RESERVES THE RIGHT TO CHANGE OR
IMPROVE THE DESIGN OF THE PRODUCT WITHOUT NOTICE, AND DOES NO T ASSUME OBLIGATION TO UPDATE
PREVIOUSLY MANUFACTURED PRODUCTS.
Some states do not allow the exclusion of incidental or consequential damages, or limitations on how long an implied
warranty lasts, so the above limitations or exclusions may not apply to you. This warranty gives you specific legal rights, and
you may also have other rights which vary from state to state.
SECTION 5: CUSTOMER RESPONSIBILITIES
The product must exhibit reasonable care, maintenance, operation, storage and general upkeep as written in the
maintenance section of the Owner’s/Operator’s manual. Should an operational problem or failure occur, the product should
not be used, but delivered as is to an authorized Husqvarna retailer for evaluation. Proof of purchase, as explained in
section 6, rests solely with the customer.
SECTION 6: PROCEDURE TO OBTAIN WARRANTY CONSIDERATION
It is the Owner’s and Retailer’s responsibility to make certain that the Warranty Registration Card is properly filled out and
mailed to Husqvarna Forest & Garden Company. This card should be mailed within ten (10) days from the date of purchase
in order to confirm the warranty and to facilitate post-sale service.
Proof of purchase must be presented to the authorized Husqvarna retailer in order to obtain warranty service. This proof
must include date purchased, model number, serial number, and complete name and address of the selling retailer.
To obtain the benefit of this warranty, the product believed to be defective must be delivered to an authorized Husqvarna
retailer in a timely manner, no later than thirty (30) days from date of the operational problem or failure. The product must be
delivered at the owner’s expense. Downtime, pick-up and delivery charges are not covered by this warranty. An authorized
Husqvarna retailer can be normally located through the “Yellow Pages” of the local telephone directory or by calling 1-800-
HUSKY62 for a retailer in your area.
HUSQVARNA
7349 Statesville Road
Charlotte, NC 28269 2008
WARRANTY STATEMENT
532 42 83-29 04.06.09 CL Printed in U.S.A.