Husqvarna Gth2254Xp Users Manual OM, GTH 2254 XP A, 954571229, 2004 08, Ride Mower
2015-01-24
: Husqvarna Husqvarna-Gth2254Xp-Users-Manual-317602 husqvarna-gth2254xp-users-manual-317602 husqvarna pdf
Open the PDF directly: View PDF
.
Page Count: 48

02139
GTH2254XP
Owner's Manual

2
I. GENERAL OPERATION
• Read, understand, and follow all instructions in the
manual and on the machine before starting.
• Only allow responsible adults, who are familiar with the
in struc tions, to operate the machine.
• Clear the area of objects such as rocks, toys, wire, etc.,
which could be picked up and thrown by the blade.
• Be sure the area is clear of other people before mow-
ing. Stop machine if anyone enters the area.
• Never carry passengers.
• Do not mow in reverse unless absolutely necessary. Al-
ways look down and behind before and while back ing.
• Be aware of the mower discharge direction and do not
point it at anyone. Do not operate the mower without
either the entire grass catcher or the guard in place.
• Slow down before turning.
• Never leave a running machine unattended. Always
turn off blades, set parking brake, stop engine, and
remove keys before dismounting.
• Turn off blades when not mowing.
• Stop engine before removing grass catcher or un-
clog ging chute.
• Mow only in daylight or good artifi cial light.
• Do not operate the machine while under the infl uence
of alcohol or drugs.
• Watch for traffi c when operating near or crossing road-
ways.
• Use extra care when loading or unloading the machine
into a trailer or truck.
• Data indicates that operators, age 60 years and above,
are involved in a large percentage of riding mower-re-
lated injuries. These operators should evaluate their
ability to operate the riding mower safely enough to
protect them selves and others from serious injury.
• Keep machine free of grass , leaves or other debris
build-up which can touch hot exhaust / engine parts
and burn. Do not allow the mower deck to plow leaves
or other debris which can cause build-up to occur.
Clean any oil or fuel spillage before operating or
storing the machine. Allow machine to cool before
storage.
II. SLOPE OPERATION
Slopes are a major factor related to loss-of-control and tipover
accidents, which can result in severe injury or death. All slopes
require extra caution. If you cannot back up the slope or if you
feel uneasy on it, do not mow it.
DO:
• Mow up and down slopes, not across.
• Remove obstacles such as rocks, tree limbs, etc.
• Watch for holes, ruts, or bumps. Uneven terrain could
overturn the machine.
Tall grass can hide obstacles.
• Use slow speed. Choose a low gear so that you will
not have to stop or shift while on the slope.
• Follow the manufacturer’s recommendations for wheel
weights or counterweights to improve stability.
• Use extra care with grass catchers or other at tach ments.
These can change the stability of the machine.
• Keep all movement on the slopes
slow
and
gradual
.
Do not make sudden changes in speed or direction.
• Avoid starting or stopping on a slope. If tires lose trac-
tion, disengage the blades and proceed slowly
straight
down the slope.
SAFETY RULES
DO NOT:
•
Do not
turn on slopes unless necessary, and then,
turn slowly and gradually downhill, if possible.
•
Do not
mow near drop-offs, ditches, or embankments.
The mower could suddenly turn over if a wheel is over
the edge of a cliff or ditch, or if an edge caves in.
•
Do not
mow on wet grass. Reduced traction could
cause sliding.
•
Do not
try to stabilize the machine by putting your foot
on the ground.
•
Do not
use grass catcher on steep slopes.
III. CHILDREN
Tragic accidents can occur if the operator is not alert to
the presence of children. Children are often attracted to
the ma chine and the mowing activity.
Never
assume that
children will remain where you last saw them.
• Keep children out of the mowing area and under the
watchful care of another responsible adult.
• Be alert and turn machine off if children enter the
area.
• Before and when backing, look behind and
down
for
small children.
• Never carry children. They may fall off and be seriously
injured or interfere with safe machine operation.
• Never allow children to operate the machine.
• Use extra care when approaching blind corners, shrubs,
trees, or other objects that may obscure vision.
IV. SERVICE
• Use extra care in handling gasoline and other fuels.
They are fl ammable and vapors are explosive.
- Use only an approved container.
- Never remove gas cap or add fuel with the engine
running. Allow engine to cool before refueling. Do
not smoke.
- Never refuel the machine indoors.
- Never store the machine or fuel container inside where
there is an open fl ame, such as a water heater.
• Never run a machine inside a closed area.
• Keep nuts and bolts, especially blade attachment bolts,
tight and keep equipment in good condition.
• Never tamper with safety devices. Check their proper
op er a tion regularly.
• Keep machine free of grass, leaves, or other debris
build-up. Clean oil or fuel spillage. Allow machine to
cool before storing.
• Stop and inspect the equipment if you strike an object.
Repair, if necessary, before restarting.
• Never make adjustments or repairs with the engine
run ning.
• Grass catcher components are subject to wear, dam-
age, and deterioration, which could expose moving
parts or allow objects to be thrown. Frequently check
com po nents and replace with manufacturer's rec om -
mend ed parts, when nec es sary.
• Mower blades are sharp and can cut. Wrap the blade(s)
or wear gloves, and use extra caution when servicing
them.
• Check brake operation frequently. Adjust and service
as required.
SAFE OPERATION PRACTICES FOR RIDE-ON MOWERS
IMPORTANT: THIS CUTTING MACHINE IS CAPABLE OF AMPUTATING HANDS AND FEET AND THROW ING OBJECTS. FAILURE
TO OBSERVE THE FOLLOWING SAFETY INSTRUCTIONS COULD RESULT IN SERIOUS INJURY OR DEATH.

3
WARNING: In order to prevent ac-
ci den tal starting when setting up,
trans port ing, ad just ing or making re-
pairs, al ways dis con nect spark plug
wire and place wire where it can not
contact spark plug.
WARNING: Do not coast down a hill
in neutral, you may lose control of the
tractor.
WARNING: Tow only the attachments
that are rec om mend ed by and com-
ply with spec i fi ca tions of the man u -
fac tur er of your tractor. Use common
sense when towing. Operate only at
the low est possible speed when on a
slope. Too heavy of a load, while on
a slope, is dan ger ous. Tires can lose
trac tion with the ground and cause you
to lose control of your tractor.
• Be sure the area is clear of other people before mowing.
Stop machine if anyone enters the area.
• Never carry passengers or children even with the blades
off.
• Do not mow in reverse unless absolutely necessary. Al ways
look down and behind before and while backing.
• Never carry children. They may fall off and be seriously
injured or interfere with safe machine operation.
• Keep children out of the mowing area and under the watchful
care of another responsible adult.
• Be alert and turn machine off if children enter the area.
• Before and when backing, look behind and down for small
children.
• Mow up and down slopes (15° Max), not across.
• Remove obstacles such as rocks, tree limbs, etc.
• Watch for holes, ruts, or bumps. Uneven terrain could over-
turn the machine. Tall grass can hide obstacles.
• Use slow speed. Choose a low gear so that you will not
have to stop or shift while on the slope.
• Avoid starting or stopping on a slope. If tires lose traction,
disengage the blades and proceed slowly straight down the
slope.
• If machine stops while going uphill, disengage blades, shift
into reverse and back down slowly.
• Do not turn on slopes unless necessary, and then, turn
slowly and gradually downhill, if possible. WARNING
Engine exhaust, some of its con stit u ents, and cer-
tain vehicle com po nents contain or emit chem i cals
known to the State of Cal i for nia to cause can cer and
birth de fects or oth er re pro duc tive harm.
WARNING
Battery posts, terminals and related ac ces so ries
contain lead and lead compounds, chem i cals known
to the State of Cal i for nia to cause can cer and birth
defects or oth er re pro duc tive harm. Wash hands
after handling.
SAFETY RULES
SAFE OPERATION PRACTICES FOR RIDE-ON MOWERS

4
PRODUCT SPECIFICATIONS
Gasoline Capacity 5.0 Gallons
and type: Unleaded Regular
Oil Type (API-SG-SL): SAE 30 (above 32°F)
SAE 5W-30 (below 32°F)
Oil Capacity: W/ Filter: 4.0 Pints
W/O Filter: 3.5 Pints
Spark Plug: Champion
(Gap: .040") RCJ8Y
Ground Speed (MPH): Forward: 0 – 5.8
Reverse: 0 – 2.1
Tire Pressure: Front: 14 PSI
Rear: 10 PSI
Charging System: 16 AMPS @ 3600 RPM
Battery: AMP/HR: 35
MIN. CCA: 280
CASE SIZE: U1R
Blade Bolt Torque: 45–55 FT. LBS.
CONGRATULATIONS on your purchase of a new tractor. It has been designed, engineered and manu fac tured to give
you the best possible dependability and performance.
Should you experience any problem you cannot easily remedy, please contact your nearest authorized service center/
department We have competent, well-trained tech ni cians and the proper tools to service or repair this tractor.
Please read and retain this manual. The instructions will enable you to assemble and maintain your tractor prop erly. Al-
ways observe the “SAFETY RULES”.
CUSTOMER RESPONSIBILITIES
• Read and observe the safety rules.
• Follow a regular schedule in maintaining, caring for
and using your tractor.
• Follow the instructions under “Maintenance” and “Stor-
age” sec tions of this own er’s manual.
WARNING: This tractor is equipped with an internal com-
bus tion engine and should not be used on or near any
un im proved forest-covered, brush-covered or grass-cov ered
land unless the en gine’s exhaust system is equipped with
a spark arrester meeting ap pli ca ble local or state laws (if
any). If a spark arrester is used, it should be maintained
in effective working order by the operator.
A spark arrester for the muffl er is available through your
nearest authorized service centre/department (See RE PA IR
PARTS section of this manual).
SAFETY RULES ......................................................... 2-3
PRODUCT SPECIFICATIONS....................................... 4
CUSTOMER RESPONSIBILITIES................................. 4
ASSEMBLY ................................................................. 6-9
OPERATION ........................................................... 10-15
MAINTENANCE SCHEDULE ...................................... 16
MAINTENANCE ...................................................... 16-19
SERVICE AND AD JUST MENTS ............................ 20-25
STORAGE .................................................................... 26
TROU BLE SHOOT ING ............................................27-28
REPAIR PARTS - TRACTOR ..................................30-45
TABLE OF CONTENTS

5
UNASSEMBLED PARTS
Steering Wheel
Seat
(2) Keys
Slope Sheet
Keys
Steering
Wheel Insert
Gauge Wheel
(2) Hex Bolts 5/16-18 x 1
(2) Locknuts
5/16-18
Nose Roller
Steering
Wheel Adapter
Steering Sleeve
Steering Sleeve
Extension
(1) Oil Drain Tube
For Future Use
(4) Washers
3/8 x 3/4 x 14 Ga.
(4) Wheels
(4) Adjusting Bar
(2) Retainer Springs
(double loop)
(4) Clevis Pins
(4) Locknut
3/8-16
(4) Shoulder Bolt
(2)Flanged
Pins
Nose Roller
Brackets
Rod
Retainer Spring
Mower
(4) Retainer Springs
(double loop)
(4) Lockwasher
(4) Hex Bolts 5/16-18 x 3/4

6
ASSEMBLY
Your new tractor has been assembled at the factory with exception of those parts left unassembled for shipping purposes.
To ensure safe and proper operation of your tractor all parts and hardware you assemble must be tightened securely. Use
the correct tools as necessary to insure proper tightness.
TOOLS REQUIRED FOR ASSEMBLY
A socket wrench set will make assembly easier. Stan dard
wrench sizes are listed.
(1) Pliers (1) Tire pressure gauge
(2) 1/2" wrench (1) Utility knife
(1) 3/4" wrench (1) 3/4" socket w/drive ratchet
(1) 9/16" wrench
When right or left hand is mentioned in this man ual, it means
when you are in the operating po si tion (seated be hind the
steer ing wheel).
TO REMOVE TRACTOR FROM
CAR TON
UNPACK CARTON
• Remove all accessible loose parts and parts cartons
from carton.
• Cut along dotted lines on all four panels of carton.
Remove end panels and lay side panels fl at.
• Remove mower and packing materials.
• Check for any additional loose parts or cartons and
remove.
FIG. 1
CHECK BATTERY (See Fig. 2)
• Lift hood to raised position.
• If this battery is put into service after month and year
indicated on label (label located between terminals)
charge battery for minimum of one hour at 6-10 amps.
(See "BATTERY" in MAINTENANCE section of this
manual for charging instructions).
02173
FIG. 2
LABEL
INSTALL SEAT (See Fig. 3)
Seat position should be adjusted forward or backward so
that the operator can comfortably reach clutch/brake pedal
and safely operate the tractor.
BEFORE REMOVING TRAC TOR FROM
SKID
ATTACH STEERING WHEEL (See Fig. 1)
• Remove locknut and large fl at wash er from steering
shaft.
• Position front wheels of the tractor so they are pointing
straight forward.
• Slide the steering sleeve over the steering shaft.
• Align tabs and press steering sleeve ex ten sion into
bottom of steering wheel.
• Position steering wheel so cross bars are horizontal
(left to right) and slide onto steering wheel adapter.
• Secure steering wheel to steering shaft with locknut
and large fl at wash er pre vi ous ly removed. Tight en
securely.
• Snap steering wheel insert into cen ter of steering
wheel.
• Remove protective materials from tractor hood and
grill.
IMPORTANT: CHECK FOR AND REMOVE ANY STAPLES IN
SKID THAT MAY PUNCTURE TIRES WHERE TRACTOR IS TO
ROLL OFF SKID.
02143
STEERING WHEEL
INSERT
LOCK NUT
LARGE FLAT WASHER
STEERING WHEEL
STEERING
WHEEL EXTENTION
TABS
STEERING
SHAFT
STEERING
SLEEVE
STEERING
WHEEL
ADAPTOR

7
ASSEMBLY
FIG. 3
02521
R.H. SEAT SLIDE
L.H. SEAT
SLIDE
SEAT
PAN
MOUNT ING
BOLTS
ADJUSTMENT
HANDLE
SEAT
LOCK
WASHERS
NOTE: You may now roll or drive your tractor off the skid.
Follow the ap pro pri ate instruction below to remove the
tractor from the skid.
TO ROLL TRACTOR OFF SKID (See Op-
er a tion section for location and function of
con trols)
• Press lift lever plunger and raise attachment lift lever
to its highest po si tion.
• Release parking brake by de press ing brake ped al.
• Place freewheel control in "trans mis sion dis en gaged
position" (See “TO TRANS PORT” in the Op er a tion sec-
tion of this manual).
• Roll tractor forward off skid.
TO DRIVE TRAC TOR OFF SKID (See Op-
er a tion section for location and function of
con trols)
WARNING: Before start ing, read, un der stand and fol low
all in struc tions in the Op er a tion section of this man u al. Be
sure tractor is in a well-ventilated area. Be sure the area in
front of tractor is clear of other peo ple and objects.
• Be sure all the above assembly steps have been com-
pleted.
• Check engine oil level and fi ll fuel tank with gasoline.
• Place freewheel control in "trans mis sion en gaged"
po si tion (see "TO TRANSPORT" in Op er a tion section
of this manual).
• Sit on seat in operating position, depress brake pedal
and set the parking brake.
• Place motion control lever in neutral (N) position.
• Press lift lever plunger and raise attachment lift lever
to its highest position.
• Start the engine. After engine has started, move throttle
control to idle position.
• Release parking brake.
• Slowly move the mo tion control lever for ward and slowly
drive tractor off skid.
• Apply brake to stop trac tor, set park ing brake and place
motion con trol lever in neutral po si tion.
• Turn ignition key to "STOP" position.
Continue with the in struc tions that follow.
• Remove the two (2) bolts and fl at washers securing
the seat to cardboard packing. Keep the two (2) bolts
only and place them with the two (2) identical bolts
and four (4) washers in the parts bag. Discard the fl at
washers and cardboard packing.
• Release L.H. seat slide on seat pan by pulling out on
adjustment handle and sliding it to the rear position
exposing seat mount ing holes from bot tom. Slide R.H.
slide to same rear position.
• Mount rear of seat on slides using mount ing bolts and
lock washers as shown.
• Pull out on adjustment handle and slide seat all the way
forward. Install front mounting bolts and lock washers.
Tight en all mounting bolts securely.
• Lower seat into operating position and sit on seat. Press
clutch/brake pedal all the way down. If operating posi-
tion is not comfortable, adjust seat.
• To adjust seat: Grasp adjustment handle and pull out,
slide seat to desired po si tion and release adjustment
handle.
FIG. 4A
SHOULDER
BOLT
GAUGE
WHEEL
3/8 WASHER
AD JUST ING
BAR
PIN
RETAINER SPRING
3/8-16 CENTER
LOCKNUT
ASSEMBLE GAUGE WHEELS TO MOWER
DECK (See Fig. 4A and 4B)
The gauge wheels are designed to keep the mower deck
in proper position when operating mower.
• Slide gauge wheel bar down into bracket channel, Be
sure that gauge wheel bar aligning holes are on top.
As sem ble gauge wheels as shown using shoulder bolts,
3/8 washers and 3/8-16 center locknuts and tighten
securely.
• For ease of mower to tractor as sem bly, set all the gauge
wheels in the fourth hole from top. Retain with clevis
pins and spring retainers.
SET ALL WHEELS
TO 4TH HOLE
FROM TOP
FIG. 4B

8
ASSEMBLY
FIG. 5
FIG. 6
TO ATTACH NOSE ROLLER (See Fig. 5)
• Assemble brackets "A" and "B" to the inside of mower
mounting brack ets as shown. Tighten securely.
NOTE: Be sure bracket tabs are po si tioned in tab holes
in mower brackets.
• Position nose roller between brackets and install rod
and retainer spring.
02612
NOSE ROLLER
HEX BOLT
"A"
BRACKET
"B"
BRACKET
LOCK
NUT
TAB
HOLE
RETAINER SPRING
ROD
INSTALL MOWER AND DRIVE BELT
(See Fig. 6 and 7)
Be sure tractor is on level surface and mower suspension
arms are raised with attachment lift control. Engage park-
ing brake.
• Turn steering wheel to the left as far as it will go and
position mower on right side of tractor with defl ector
shield to the right.
02786
GAUGE
WHEEL
REAR MOWER PINS
FRONT PLATE
ASSEMBLY
ELECTRIC CLUTCH
PULLEY
DE FLEC TOR SHIELD
FRONT MOWER
BRACKET
BELT TENSION
ROD
DISENGAGED
POSITION
LOCKING BRACKET
FLANGED PIN -
POSITION NOTCH
HORIZONTALLY
DOUBLE LOOP
RETAINER SPRINGS
SUSPENSION
ARMS
• Remove plastic tie strap from mower belt and check
belt for proper routing in all mower pulley grooves.
• Slide mower under tractor until it is centered under trac-
tor. DO NOT connect any pins. When properly centered
the front mower brackets should be aligned so when
the front suspension plate is lowered it should slide
between the mower brackets.
• Lower attachment lift lever to lowest position.
• Cut plastic tie and lower front suspension plate.
• ATTACH FRONT PLATE - From right side of mower,
position front plate assembly between front mower
brackets, align holes, position fl anged pin notch hori-
zontally and insert the pin all the way. The notch is in
line with the hole in pin.
• Secure pin with double loop retainer spring between
the plate and mower bracket. If necessary, move mower
side-to-side to give space between plate and mower
bracket.
• Go to right hand side of mower and insert pin and
retainer spring in the same manner.
• CONNECT REAR PINS - Connect right hand side fi rst.
Pull out and hold the spring loaded pin, align hole in
suspension arm and release pin. Be sure pin returns to
fully seated position and is attached to the suspension
arm.
• Go to left side of mower and connect rear pin in the
same manner.
• Disengage belt tension rod.
• From right side of tractor, install belt onto engine clutch
pulley.

9
ASSEMBLY
✓
CHE CKLIST
BEFORE YOU OPERATE AND ENJOY YOUR NEW TRAC-
TOR, WE WISH TO ASSURE THAT YOU RE CEIVE THE
BEST PER FORM ANCE AND SATISFACTION FROM THIS
QUAL ITY PROD UCT.
PLEASE REVIEW THE FOLLOWING CHECKLIST:
✓ All assembly instructions have been completed.
✓ No remaining loose parts in carton.
✓ Battery is properly prepared and charged. (Minimum
1 hour at 6 amps).
✓ Seat is adjusted comfortably and tightened securely.
✓ All tires are properly infl ated. (For shipping purposes,
the tires were overinfl ated at the factory).
✓ Be sure mower deck is properly leveled side-to-side/
front-to-rear for best cutting results. (Tires must be
properly infl ated for leveling).
✓ Check mower and drive belts. Be sure they are routed
properly around pulleys and inside all belt keepers.
✓ Check wiring. See that all connections are still secure
and wires are properly clamped.
✓ Before driving tractor, be sure freewheel control is in
drive position.
WHILE LEARNING HOW TO USE YOUR TRAC TOR, PAY
EX TRA ATTENTION TO THE FOLLOWING IM POR TA N T
ITEMS:
✓ Engine oil is at proper level.
✓ Fuel tank is fi lled with fresh, clean, regular unleaded
gas o line.
✓ Become familiar with all controls - their location and
function. Operate them before you start the engine.
✓ Be sure brake system is in safe operating condition.
✓ It is important to purge the transmission before op er -
at ing your tractor for the fi rst time. Follow proper start-
ing and trans mis sion purg ing in struc tions (See "TO
START EN GINE" and "PURGE TRANS MIS SION" in
Op er a tion section of this man u al).
IMPORTANT: CHECK BELT FOR PROPER ROUTING IN ALL
MOWER PULLEY GROOVES.
• Engage belt tension rod on locking bracket.
CAUTION: Belt tension rod is spring
loaded. Have a tight grip on rod and
engage slowly.
• Raise attachment lift lever to highest position.
• Adjust gauge wheels before op er at ing mower as shown
in the Operation section of this manual.
CHECK TIRE PRESSURE
The tires on your tractor were overinfl ated at the factory
for shipping purposes. Correct tire pressure is important
for best cutting performance.
• Reduce tire pressure to PSI shown in “PRODUCT
SPECIFICATIONS” section of this manual.
CHECK DECK LEVELNESS
For best cutting results, mower housing should be properly
leveled. See “TO LEVEL MOWER HOUSING” in the Service
and Adjustments section of this manual.
CHECK FOR PROPER POSITION OF ALL
BELTS
See the fi gures that are shown for replacing motion and
mower blade drive belts in the Service and Adjustments
sec tion of this manual. Verify that the belts are routed
correctly.
CHECK BRAKE SYSTEM
After you learn how to operate your tractor, check to see that
the brake is properly adjusted. See “TO ADJUST BRAKE”
in the Service and Adjustments section of this manual.

10
These symbols may appear on your tractor or in literature supplied with the product. Learn and understand their mean-
ing.
OPERATION
DANGER, KEEP HANDS
AND FEET AWAY
FREE WHEEL
(Automatic Models only)
OVER TEMP
LIGHT
KEEP AREA CLEAR SLOPE HAZARDS
15
15
(SEE SAFETY RULES SECTION)
BATTERY REVERSE FORWARD
FAST SLOW
ENGINE ON
ENGINE OFF
OIL PRESSURE
LIGHTS ON
FUEL
CHOKE
MOWER HEIGHT
PARKING BRAKE
LOCKED
PARKING BRAKE
UNLOCKED
REVERSE NEUTRAL HIGH LOW
ATTACHMENT
CLUTCH ENGAGED
PARKING BRAKE
IGNITION
ATTACHMENT
CLUTCH DISENGAGED
P
ENGINE START
MOWER LIFT
Failure to follow instructions
could result in serious injury or
death. The safety alert symbol
is used to identify safety inform-
ation about hazards which can
result in death, serious injury
and/or property damage.
DANGER indicates a hazard which, if not avoided,
will result in death or serious injury.
WARNING indicates a hazard which, if not avoided,
could result in death or serious injury.
CAUTION indicates a hazard which, if not avoided,
might result in minor or moderate injury.
CAUTION when used without the alert symbol,
indicates a situation that could result in damage
to the tractor and/or engine.
FIRE indicates a hazard which, if not avoided,
could result in death, serious injury and/or
property damage.
HOT SURFACES indicates a hazard which,
if not avoided, could result in death, serious injury
and/or property damage.

11
OPERATION
AMPS
60
0
60
TECH
02711
KNOW YOUR TRACTOR
READ THIS OWNER'S MANUAL AND SAFETY RULES BEFORE OPERATING YOUR TRACTOR.
Compare the illustrations with your tractor to familiarize yourself with the location of various controls and adjustments.
Save this man ual for future reference.
HEIGHT AD JUST MENT
KNOB
MOTION
CONTROL
LEVER
ATTACHMENT CLUTCH SWITCH - Used to engage mow er
blades or other attachments mounted to your trac tor.
LIFT LEVER - Used to raise and lower mower deck or
other attachments mounted to your tractor.
BRAKE PEDAL - Used for brak ing the tractor and starting
the engine.
MOTION CONTROL LEVER - Selects the speed and
di rec tion of tractor.
CHOKE CONTROL - Used when starting a cold engine.
LIGHT SWITCH POSITION- Turns the headlights on and
off.
LIFT LEVER PLUNGER - Used to release attachment lift
lever when changing its position.
THROTTLE CONTROL - Used to control engine speed.
FREEWHEEL CONTROL - Disengages transmission for
push ing or slowly towing the tractor with the engine off.
IGNITION SWITCH - Used to start and stop the engine.
AMMETER - Indicates battery charging(+) or discharg-
ing(-).
PARKING BRAKE LEVER - Locks brake pedal into the
brake position.
HEIGHT ADJUSTMENT KNOB - Used to adjust the
mow er height.
MOTION DRIVE BELT TENSION HANDLE - Used when
changing motion drive belt and, if necessary, starting engine
under extremely cold conditions.
HOURMETER - Indicates hours of operation.
FIG. 7
Our tractors conform to the safety standards of the American National Standards Institute.
FREEWHEEL
CONTROL
PARKING
BRAKE LEVER
ATTACHMENT
CLUTCH SWITCH
LIFT LEVER
IGNITION
SWITCH
THROTTLE
CONTROL
AMMETER
CHOKE
CON TROL
LIGHT SWITCH
POSITION
BRAKE PEDAL LIFT LEVER
PLUNGER
MOTION DRIVE
BELT TENSION
HAN DLE
HOURMETER

12
OPERATION
FIG. 8
TO ADJUST MOWER CUTTING HEIGHT
(See Fig. 8)
The cutting height is controlled by turning the height ad-
just ment knob in desired direction.
• Turn knob clockwise ( ) to raise cutting height.
• Turn knob counterclockwise ( ) to lower cutting
height.
The cutting height range is approximately 1-1/2" to 4-1/2".
The heights are measured from the ground to the blade tip
with the engine not running. These heights are ap proxi mate
and may vary depending upon soil conditions, height of
grass and types of grass being mowed.
TO USE CHOKE CONTROL (See Fig. 8)
Use choke control whenever you are starting a cold engine.
Do not use to start a warm engine.
• knob in to disengage.
TO USE THROTTLE CONTROL (See Fig. 8)
Always operate engine at full throttle.
• Operating engine at less than full throttle reduces the
battery charging rate.
• Full throttle of fers the best mower per for mance.
02149
HEIGHT
AD JUST MENT
KNOB
“DRIVE”
PO SI TION
CHOKE
CON TROL
MOTION
CONTROL
LEVER
“DISENGAGED”
PO SI TION
PUSH IN TO
“DISENGAGE”
AT TACH MENT
CLUTCH SWITCH
PULL OUT TO
“ENGAGE”
IGNITION
KEY
PARKING BRAKE
“EN GAGED”
PO SI TION
THROTTLE
CONTROL
LEVER
BRAKE PEDAL
“BRAKE”
POSITION
The operation of any tractor can result in foreign objects thrown into the eyes, which
can result in severe eye dam age. Always wear safety glass es or eye shields while op-
erating your tractor or per form ing any adjustments or repairs. We rec om mend a wide
vision safety mask over spectacles or stan dard safety glasses.
HOW TO USE YOUR TRACTOR
TO SET PARKING BRAKE (See Fig. 8)
Your tractor is equipped with an operator presence sens-
ing switch. When engine is running, any attempt by the
op er a tor to leave the seat without fi rst setting the parking
brake will shut off the engine.
• Depress brake pedal into full “BRAKE” position and
hold.
• Place parking brake lever in “ENGAGED” position and
re lease pressure from brake pedal. Pedal should re-
main in “BRAKE” position. Make sure parking brake
will hold tractor secure.
TO MOVE FORWARD AND BACKWARD
(See Fig. 8)
CAUTION: Do not attempt to operate
motion control lever when the parking
brake is set or when the brake pedal
is depressed. Doing so may result in
misadjustment to the drive con trol
sys tem.
The direction and speed of movement is controlled by the
motion control lever.
• Start tractor with motion control lever in neutral (N)
position.
• Release parking brake.
• Slowly move motion control lever to desired position.
STOPPING (See Fig. 8)
MOWER BLADES -
• To stop mower blades,move attachment clutch switch
to “DIS EN GAGED” po si tion.
GROUND DRIVE -
• To stop ground drive, depress clutch/brake pedal into
full “BRAKE” position..
• Move motion control lever to neutral (N) position.
IMPORTANT: THE MOTION CONTROL LEVER DOES NOT
RETURN TO NEUTRAL (N) POSITION WHEN THE CLUTCH/
BRAKE PEDAL IS DEPRESSED.
ENGINE -
• Move throttle control between half and full speed (fast)
position.
NOTE: Failure to move throttle control between half and
full speed (fast) position, before stop ping may cause engine
to “backfi re”.
• Turn ignition key to “STOP” position and remove key.
Always remove key when leaving tractor to prevent
un author ized use.
• Never use choke to stop engine.
IMPORTANT: LEAVING THE IGNITION SWITCH IN ANY
POSITION OTHER THAN "STOP" WILL CAUSE THE BATTERY
TO BE DIS CHARGED, (DEAD).
NOTE: Under certain conditions when tractor is standing
idle with the engine running, hot en gine exhaust gases may
cause “browning” of grass. To eliminate this possibility, al-
ways stop engine when stopping tractor on grass areas.
CAUTION: Always stop tractor com-
plete ly, as described above, before leav-
ing the operator's position; to empty
grass catcher, etc.

13
02142
OPERATION
DE FLEC TOR
SHIELD
FIG. 10
FIG. 11
TO OPERATE ON HILLS
WARNING: Do not drive up or down
hills with slopes greater than 15° and
do not drive across any slope.
• Choose the slowest speed before starting up or down
hills.
• Avoid stopping or changing speed on hills.
• If stopping is absolutely necessary, push brake pedal
quickly to brake position and engage parking brake.
IMPORTANT: THE MOTION CONTROL LEVER RETURNS
TO NEUTRAL (N) POSITION WHEN THE BRAKE PED AL IS
FULLY DEPRESSED.
• To restart movement, slowly release parking brake and
brake pedal.
• Slowly move motion control lever to slowest setting.
• Make all turns slowly.
FIG. 9
PUSH IN TO
"DISENGAGE"
ATTACHEMNT
CLUTCH
SWITCH PULL
OUT TO
"ENGAGE"
LIFT LEVER
HIGHEST
POSIITON
LOWEST
POSITION
CLEVIS
PIN
RE TAIN ER
SPRING
TO ADJUST GAUGE WHEELS (See Fig. 9)
Gauge wheels are properly adjusted when they are slightly
off the ground when mower is at the desired cutting height
in operating position. Gauge wheels then keep the deck
in proper position to help prevent scalping in most terrain
conditions.
NOTE:Adjust gauge wheels with tractor on a fl at level
surface.
• Adjust mower to desired cutting height (See “TO AD-
JUST MOWER CUT TING HEIGHT” in the Operation
sec tion of this manual).
• Remove retainer spring and clevis pin which secure
each gauge wheel bar.
• Lower gauge wheels to ground. Raise gauge wheels
slightly to align holes in bracket and gauge wheel bar
and insert clevis pin. Gauge wheels should be slightly
off the ground.
• Replace retainer spring into clevis pin.
• Be sure all gauge wheels are in the same setting.
IMPORTANT: BE SURE TO READJUST GAUGE WHEELS IF YOU
CHANGE THE CUTTING HEIGHT OF THE MOWER DECK.
TO TRANSPORT (See Figs. 7 and 11)
When pushing or towing your tractor, be sure to disengage
transmission by placing freewheel control in free wheel ing
po si tion. Free wheel control is located at the rear drawbar
of tractor.
• Raise attachment lift to highest position with at tach ment
lift control.
• Pull freewheel control out and into the slot and release
so it is held in the disengaged position.
• Do not push or tow tractor at more than two (2)
MPH.
• To reengage transmission, reverse above procedure.
Transmission Engaged
Transmission Disengaged
TO OPERATE MOWER (See Fig. 10)
Your tractor is equipped with an operator presence sens-
ing switch. Any attempt by the operator to leave the seat
with the engine running and the attachment clutch engaged
will shut off the engine. You must remain fully and centrally
positioned in the seat to prevent the engine from hesitat-
ing or cutting off when operating your equipment on rough,
rolling terrain or hills.
• Select desired height of cut.
• Lower mower with attachment lift control.
• Start mower blades by engaging attachment clutch
control.
• TO STOP MOWER BLADES - disengage attachment
clutch con trol.
CAUTION: Do not operate the mower
without either the en tire grass catcher,
on mowers so equipped, or the defl ector
shield in place.
• The average lawn should be cut to approximately 2-1/2
inches during the cool season and to over 3 inches
during hot months. For healthier and better looking
lawns, mow often and after moderate growth.
• For best cutting performance, grass over 6 inches
in height should be mowed twice. Make the fi rst cut
relatively high; the second to desired height.

14
OPERATION
TO START ENGINE (See Fig. 7)
When starting the engine for the fi rst time or if the engine
has run out of fuel, it will take extra cranking time to move
fuel from the tank to the engine.
• Be sure freewheel control is in the transmission en gaged
position.
• Sit on seat in operating position, depress brake pedal
and set parking brake.
• Move attachment clutch to “DISENGAGED” position.
• Move throttle control to fast position
• Pull choke control out for a cold engine start attempt.
For a warm engine start attempt the choke control may
not be needed.
NOTE: Before starting, read the warm and cold starting
procedures below.
• Insert key into ignition and turn key clockwise to
“START” position and release key as soon as engine
starts. Do not run starter continuously for more than
fi fteen sec onds per minute. If the engine does not start
after several attempts, push choke control in, wait a
few minutes and try again. If engine still does not start,
pull the choke control out and retry.
WARM WEATHER STARTING (50° F and above)
• When engine starts, slowly push choke control in until
the engine begins to run smoothly. If the engine starts
to run roughly, pull the choke control out slightly for a
few seconds and then continue to push the control in
slowly.
• The attachments and ground drive can now be used. If
the engine does not accept the load, restart the engine
and allow it to warm up for one minute using the choke
as described above.
COLD WEATHER STARTING (50° F and below)
• When engine starts, slowly push choke control in until
the engine begins to run smoothly. Continue to push
the choke control in small steps allowing the engine to
accept small changes in speed and load, until the choke
control is fully in. If the engine starts to run roughly, pull
the choke control out slightly for a few seconds and
then continue to push the control in slowly. This may
require an engine warm-up period from several sec onds
to several minutes, depending on the temperature.
NOTE: In extreme cold conditions, if engine will not start, you
may need to disengage the motion drive belt as follows:
• Be sure parking brake is engaged.
• Remove retainer spring from the drive belt tension
handle to relieve belt tension.
• Start engine and allow it to warm up for three (3) min-
utes.
• Shut-off engine and engage parking brake.
• Engage drive belt tension handle and replace the
re tain er spring.
BEFORE STARTING THE ENGINE
CHECK ENGINE OIL LEVEL
• The engine in your tractor has been shipped, from the
factory, already fi lled with sum mer weight oil.
• Check engine oil with tractor on level ground.
• Remove oil fi ll cap/dipstick and wipe clean, reinsert the
dipstick and screw cap tight, wait for a few seconds,
remove and read oil level. If necessary, add oil until
“FULL” mark on dipstick is reached. Do not overfi ll.
• For cold weather operation you should change oil for
easier starting (See “OIL VISCOSITY CHART” in the
Maintenance sec tion of this manual).
• To change engine oil, see the Maintenance section in
this manual.
ADD GASOLINE
• Fill fuel tank to bottom of fi ller neck. Do not overfi ll.
Use fresh, clean, regular un lead ed gasoline with a
minimum of 87 octane. (Use of leaded gasoline will
increase carbon and lead oxide deposits and reduce
valve life). Do not mix oil with gasoline. Purchase fuel
in quan ti ties that can be used within 30 days to assure
fuel freshness.
CAUTION: Wipe off any spilled oil or
fuel. Do not store, spill or use gasoline
near an open fl ame.
IMPORTANT: WHEN OPERATING IN TEMPERATURES
BELOW32°F(0°C), USE FRESH, CLEAN WINTER GRADE
GAS O LINE TO HELP INSURE GOOD COLD WEATHER
START ING.
CAUTION: Alcohol blended fuels (called
gas o hol or using ethanol or methanol) can at-
tract moisture which leads to sep a ra tion and
for ma tion of acids during storage. Acidic gas
can damage the fuel system of an engine while
in storage. To avoid engine problems, the fuel
system should be emptied before stor age of
30 days or longer. Drain the gas tank, start
the engine and let it run until the fuel lines
and carburetor are empty. Use fresh fuel next
sea son. See Storage In struc tions for additional
information. Never use engine or carburetor
cleaner products in the fuel tank or permanent
damage may occur.
TOWING CARTS AND OTHER AT TACH -
MENTS
Tow only the attachments that are recommended by and
comply with specifi cations of the manufacturer of your trac-
tor. Use common sense when towing. Too heavy of a load,
while on a slope, is dangerous. Tires can lose traction with
the ground and cause you to lose control of your tractor.
NOTE: To protect hood from damage when transporting
your tractor on a truck or a trailer, be sure hood is closed
and secured to tractor. Use an appropriate means of tying
hood to tractor (rope, cord, etc.).

15
OPERATION
FIG. 12
PURGE TRANSMISSION
CAUTION: Never engage or disengage
freewheel lever while the engine is run-
ning.
To ensure proper operation and performance, it is rec om -
mend ed that the transmission be purged before operating
tractor for the fi rst time. This procedure will remove any
trapped air inside the transmission which may have de-
vel oped during shipping of your tractor.
IMPORTANT: SHOULD YOUR TRANSMISSION RE QUIRE
REMOVAL FOR SERVICE OR REPLACEMENT, IT SHOULD
BE PURGED AFTER REINSTALLATION BEFORE OPERATING
THE TRACTOR.
• Place tractor safely on level surface with engine off and
parking brake set.
• Disengage transmission by placing freewheel control
in freewheeling position (See “TO TRANSPORT” in this
section of manual).
• Sitting in the tractor seat, start engine. After the en-
gine is running, move throttle control to slow position.
Dis en gage parking brake
• Move motion control lever to full forward position and
hold for fi ve (5) seconds. Move lever to full reverse
position and hold for fi ve (5) seconds. Repeat this
procedure three (3) times.
NOTE: During this procedure there will be no movement
of drive wheels. The air is being removed from hydraulic
drive system.
• Move motion control lever to neutral (N) position. Shut-
off engine and set parking brake.
• Engage transmission by placing freewheel control in
driving position (See “TO TRANSPORT” in this sec tion
of manual).
• Sitting in the tractor seat, start engine. After the engine
is running, move throttle control to half (1/2) speed.
Disengage parking brake.
00272
MOWING TIPS
• Tire chains cannot be used when the mower housing
is attached to tractor.
• Mower should be properly leveled for best mowing per-
formance. See “TO LEVEL MOWER HOUSING” in the
Service and Adjustments section of this man u al.
• The left hand side of mower should be used for trim-
ming.
• Drive so that clippings are discharged onto the area
that has been cut. Have the cut area to the right of
the tractor. This will result in a more even dis tri bu tion
of clippings and more uniform cutting.
• When mowing large areas, start by turning to the right so
that clippings will discharge away from shrubs, fences,
driveways, etc. After one or two rounds, mow in the
opposite direction making left hand turns until fi nished
(See Fig. 12).
AUTOMATIC TRANSMISSION WARM UP
• Before driving the unit in cold weather, the trans mis sion
should be warmed up as follows:
• Be sure the trac tor is on level ground.
• Place the motion control lever in neu tral.
Release the parking brake and let the brake slowly
return to operating position.
• Allow one minute for transmission to warm up.
This can be done during the engine warm up
period.
• The attachments can be used during the engine warm-
up period after the transmission has been warmed
up and may require the choke con trol be pulled out
slight ly.
NOTE: If at a high altitude (above 3000 feet) or in cold
temperatures (below 32 F) the carburetor fuel mixture may
need to be adjusted for best engine performance. See “TO
ADJUST CARBURETOR” in the Service and Ad just ments
section of this manual.
• Slowly move motion control lever forward, after the
tractor moves approximately fi ve (5) feet, slowly move
motion control lever to reverse position. After the trac-
tor moves approximately fi ve (5) feet return the mo-
tion control lever to the neutral (N) position. Repeat
this procedure with the motion control lever three (3)
times.
• Your tractor is now purged and now ready for normal
op er a tion.
• If grass is extremely tall, it should be mowed twice to
reduce load and possible fi re hazard from dried clip-
pings. Make fi rst cut relatively high; the second to the
desired height.
• Do not mow grass when it is wet. Wet grass will plug
mower and leave undesirable clumps. Allow grass to
dry before mowing.
• Always operate engine at full throttle when mow-
ing to assure better mowing performance and proper
dis charge of material. Regulate ground speed by se-
lect ing a low enough gear to give the mower cut ting
per for mance as well as the quality of cut de sired.
• When operating attachments, select a ground speed
that will suit the terrain and give best performance of
the at tach ment being used.

16
BEFORE EACH USE
T
R
A
C
T
0
R
Inspect Muffler/Spark Arrester
Lubrication Chart
Check Brake Operation
Clean Air Filter
Change Engine Oil (with oil filter)
Replace Air Filter Paper Cartridge
Replace Spark Plug
Check Battery Level
Check Tire Pressure
Clean Battery and Terminals
FILL IN DATES
AS YOU COMPLETE
REGULAR SERVICE
MAINTENANCE SCHEDULE
EVERY 8 HOURS
EVERY 25 HOURS
EVERY 50 HOURS
EVERY 100 HOURS
EVERY SEASON
SERVICE DATES
Check for Loose Fasteners
BEFORE STORAGE
Check Engine Oil Level
Clean Engine Cooling Fins
Sharpen/Replace Mower Blades
Check Operator Presence and
Interlock Systems
Clean Air Screen
1 - Change more often when operating under a heavy load or
in high ambient temperatures.
2 - Service more often when operating in dirty or dusty conditions.
E
N
G
I
N
E
Replace Oil Filter (If equipped)
Check Transaxle Cooling
Check V-Belts
Replace Fuel Filter
3
2
2
2
2
3 - Replace blades more often when mowing in sandy soil.
4 - Not required if equipped with maintenance-free battery.
5 - Tighten front axle pivot bolt to 35 ft.-lbs. maximum.
Do not overtighten.
1
,
1,2
2
4
5
Change Engine Oil (without oil filter)
1,2
maint_sch-tractore.new1
MAINTENANCE
LUBRICATION CHART
GENERAL RECOMMENDATIONS
The warranty on this tractor does not cover items that have
been subjected to operator abuse or negligence. To receive
full value from the warranty, operator must main tain tractor
as instructed in this manual.
Some adjustments will need to be made periodically to
properly maintain your tractor.
At least once a season, check to see if you should make
any of the adjustments described in the Service and
Adjustments section of this manual.
• At least once a year you should replace the spark
plug, clean or replace air fi lter, and check blades and
belts for wear. A new spark plug and clean air fi lter
assure proper air-fuel mixture and help your engine
run better and last longer.
BEFORE EACH USE
• Check engine oil level.
• Check brake operation.
• Check tire pressure.
• Check operator presence and
interlock systems for proper operation.
• Check for loose fasteners.
General Purpose Grease
Refer to Maintenance “ENGINE” Section
IMPORTANT: DO NOT OIL OR GREASE THE PIVOT POINTS
WHICH HAVE SPECIAL NYLON BEARINGS. VISCOUS
LU BRI CANTS WILL ATTRACT DUST AND DIRT THAT WILL
SHORT EN THE LIFE OF THE SELF-LU BRI CAT ING BEARINGS.
IF YOU FEEL THEY MUST BE LU BRI CAT ED, USE ONLY A DRY,
POW DERED GRAPHITE TYPE LU BRI CANT SPARINGLY.
02501
ENGINE
FRONT WHEEL
BEARING ZERK
SPINDLE ZERK SPINDLE ZERK
FRONT WHEEL
BEARING ZERK
STEERING
SECTOR GEAR
TEETH
MANDREL
ZERKS
➁
➀
➀
➀
➀
➀
➀
➀
➁

17
MAINTENANCE
TRACTOR
Always observe safety rules when performing any main-
te nance.
BRAKE OPERATION
If tractor requires more than fi ve (5) feet to stop at highest
speed in highest gear on a level, dry concrete or paved
surface, then brake must be checked and adjusted, then
brake must be adjusted. (See “TO ADJUST BRAKE” in the
Service and Adjustments section of this manual).
TIRES
• Maintain proper air pressure in all tires (See “PROD UCT
SPECIFICATIONS” section of this man ual).
• Keep tires free of gasoline, oil, or insect control chemi-
cals which can harm rubber.
• Avoid stumps, stones, deep ruts, sharp objects and
other hazards that may cause tire damage.
NOTE: To seal tire punctures and prevent fl at tires due to
slow leaks, tire sealant may be purchased from your local
parts dealer. Tire sealant also prevents tire dry rot and
corrosion.
OPERATOR PRESENCE SYSTEM
Be sure operator presence and interlock sys tems are work-
ing properly. If your tractor does not function as described,
repair the problem immediately.
• The engine should not start unless the brake pedal is
fully depressed and attachement clutch control is in
the disengaged position.
• When the engine is running, any attempt by the op er a tor
to leave the seat without fi rst setting the parking brake
should shut off the engine.
• When the engine is running and the at tach ment clutch
is engaged, any attempt by the operator to leave the
seat should shut off the engine.
• The attachment clutch should never operate unless
the operator is in the seat.
BLADE CARE
For best results mower blades must be kept sharp. Re place
bent or damaged blades.
BLADE REMOVAL (See Fig. 13)
• Raise mower to highest position to allow access to
blades.
NOTE: Protect your hands with gloves and/or wrap blade
with heavy cloth.
• Remove blade bolt by turning counterclockwise.
• Install new or resharpened blade with stamped "THIS
SIDE UP" facing deck and mandrel assembly.
IMPORTANT: TO ENSURE PROPER ASSEMBLY, CENTER
HOLE IN BLADE MUST ALIGN WITH STAR ON MANDREL
ASSEMBLY.
• Install and tighten blade bolt securely (45-55 Ft. Lbs.
torque).
IMPORTANT: SPECIAL BLADE BOLT HEAT TREATED.
TO SHARPEN BLADE (See Fig. 14)
NOTE: We do not recommend sharp en ing blade - but if
you do, be sure the blade is balanced.
Care should be taken to keep the blade balanced. An un-
balanced blade will cause excessive vibration and even tual
damage to mower and engine.
• The blade can be sharpened with a fi le or on a grind-
ing wheel. Do not attempt to sharpen while on the
mower.
• To check blade balance, you will need a 5/8" diameter
steel bolt, pin, or a cone balancer. (When using a
cone balancer, follow the instructions supplied with
bal anc er.)
NOTE: Do not use a nail for balancing blade. The lobes of
the center hole may appear to be centered, but are not.
• Slide blade on to an unthreaded portion of the steel bolt
or pin and hold the bolt or pin parallel with the ground.
If blade is balanced, it should remain in a horizontal
position. If either end of the blade moves downward,
sharpen the heavy end until the blade is balanced.
FIG. 14
FIG. 13
5/8" BOLT
OR PIN
BLADE
CENTER HOLE
BATTERY
Your tractor has a battery charging system which is suf fi cient
for normal use. However, periodic charging of the battery
with an automotive charger will extend its life.
• Keep battery and terminals clean.
• Keep battery bolts tight.
• Keep small vent holes open.
• Recharge at 6-10 amperes for 1 hour.
NOTE: The original equipment battery on your tractor is
maintenance free. Do not attempt to open or remove caps
or covers. Adding or checking level of electrolyte is not
necessary.
02544
MANDREL
ASSEMBLY
BLADE
BLADE BOLT
(SPECIAL)
CENTER
HOLE
STAR

18
MAINTENANCE
TRANSAXLE COOLING
The fan and cooling fi ns of transmission should be kept
clean to assure proper cooling.
Do not attempt to clean fan or transmission while engine
is running or while the transmission is hot. To prevent pos-
sible damage to seals, no not use high pressure water or
steam to clean transaxle.
• Inspect cooling fan to be sure fan blades are intact
and clean.
• Inspect cooling fi ns for dirt, grass clippings and other
ma te ri als. To prevent damage to seals, do not use
compressed air or high pressure sprayer to clean
cool ing fi ns.
TRANSAXLE PUMP FLUID
The transaxle was sealed at the factory and fl uid main te -
nance is not required for the life of the transaxle. Should
the transaxle ever leak or require servicing, contact your
near est au tho rized ser vice center/department.
CLEAN AIR SCREEN
Air screen must be kept free of dirt and chaff to prevent
engine dam age from overheating. Clean with a wire brush
or com pressed air to re move dirt and stubborn dried gum
fi bers.
V-BELTS
Check V-belts for deterioration and wear after 100 hours
of operation and replace if necessary. The belts are not
ad just able. Re place belts if they begin to slip from wear.
ENGINE
LUBRICATION
Only use high quality detergent oil rated with API service
classifi cation SG-SL. Select the oil’s SAE viscosity grade
according to your expected operating temperature.
NOTE: Although multi-viscosity oils (5W30, 10W30 etc.)
improve starting in cold weather, these multi-viscosity oils
will result in increased oil consumption when used above
32°F. Check your engine oil level more frequently to avoid
possible engine damage from running low on oil.
TEMPERATURE RANGE ANTICIPATED BEFORE NEXT OIL CHANGE
SAE VISCOSITY GRADES
-20 0 30 40 80 100
-30 -20 0 20 30 40
F
C
32
-10 10
60
5W-30
SAE 30
oil_visc_chart1_e
FIG. 15
TO CLEAN BATTERY AND TERMINALS
Corrosion and dirt on the battery and terminals can cause
the battery to “leak” power.
• Remove terminal guard.
• Disconnect BLACK battery cable fi rst then RED bat-
tery cable and remove battery from tractor.
• Rinse the battery with plain water and dry.
• Clean terminals and battery cable ends with wire brush
until bright.
• Coat terminals with grease or petroleum jelly.
• Reinstall battery (See “REPLACING BATTERY” in
the SERVICE AND ADJUSTMENTS section of this
man u al).
Change the oil after every 50 hours of operation or at least
once a year if the tractor is not used for 50 hours in one
year.
Check the crankcase oil level before starting the engine
and after each eight (8) hours of operation. Tighten oil fi ll
cap/dipstick securely each time you check the oil level.
02794
DRAIN
TUBE
OIL DRAIN VALVE
FIG. 16
TO CHANGE ENGINE OIL (See Fig. 15 and 16)
Determine temperature range expected before oil change.
All oil must meet API service classifi cation SG-SL.
• Be sure tractor is on level surface.
• Oil will drain more freely when warm.
• Catch oil in a suitable container.
• Remove oil fi ll cap/dipstick. Be careful not to allow dirt
to enter the engine when changing oil.
• Install the drain tube onto the valve.
• Open drain valve by using a 10mm wrench turning
counterclockwise.
• After oil has drained completely, close the drain valve
turning clockwise. Use the 10mm wrench to apply a
small amount of torque to keep it closed. Do not over
tighten.
• Remove the drain tube and store in a safe place.
• Refi ll engine with oil through oil fi ll dipstick tube. Pour
slowly. Do not overfi ll. For approximate capacity see
“PRODUCT SPECIFICATIONS” section of this man-
u al.
• Use gauge on oil fi ll cap/dipstick for checking level.
Be sure dipstick cap is tightened securely for accurate
reading. Keep oil at “FULL” line on dipstick. Tighten cap
onto the tube securely when fi nished.
TO CLOSE
TO OPEN

19
MAINTENANCE
00667
MUFFLER
Inspect and replace corroded muffl er and spark arrester
(if equipped) as it could create a fi re hazard and/or dam-
age.
SPARK PLUGS
Replace spark plugs at the beginning of each mowing
season or after every 100 hours of operation, whichever
occurs fi rst. Spark plug type and gap setting are shown in
“PROD UCT SPEC I FI CA TIONS” section of this manual.
CLAMP FUEL FILTER
CLAMP
FIG. 17
IN-LINE FUEL FILTER (See Fig. 17)
The fuel fi lter should be replaced once each season. If fuel
fi lter becomes clogged, ob struct ing fuel fl ow to car bu re tor,
re place ment is re quired.
• With engine cool, remove fi lter and plug fuel line sec-
tions.
• Place new fuel fi lter in position in fuel line with arrow
pointing towards carburetor.
• Be sure there are no fuel line leaks and clamps are
properly positioned.
• Immediately wipe up any spilled gasoline.
AIR FILTER
Your engine will not run properly using a dirty air fi lter.
Service air cleaner more often under dusty conditions.
See Engine Manual.
ENGINE OIL FILTER
Replace the engine oil fi lter every season or every other oil
change if the tractor is used more than 100 hours in one
year. See engine manual.
CLEAN AIR INTAKE/COOLING AREAS
To insure proper cooling, make sure the grass screen,
cooling fi ns, and other external surfaces of the engine are
kept clean at all times.
Every 100 hours of operation (more often under extremely
dusty, dirty conditions), remove the blower housing and
other cooling shrouds. Clean the cooling fi ns and external
surfaces as nec es sary. Make sure the cooling shrouds are
reinstalled.
NOTE: Operating the engine with a blocked grass screen,
dirty or plugged cooling fi ns, and/or cooling shrouds re moved
will cause engine damage due to overheating.
CLEANING
• Clean engine, battery, seat, fi nish, etc. of all foreign
matter.
• Keep fi nished surfaces and wheels free of all gasoline,
oil, etc.
• Protect painted surfaces with automotive type wax.
We do not recommend using a garden hose or pressure
washer to clean your tractor unless the engine and trans-
mission are covered to keep water out. Water in engine or
transmission will shorten the useful life of your tractor. Use
compressed air or a leaf blower to remove grass, leaves
and trash from tractor and mower.

20
SERVICE AND ADJUSTMENTS
FIG. 18
WARNING: TO AVOID SERIOUS INJURY, BEFORE PERFORMING ANY SER VICE OR AD JUSTMENTS:
• Depress brake pedal fully and set parking brake.
• Place attachment clutch in “DISENGAGED” position.
• Turn ignition key to “STOP” and remove key.
• Make sure the blades and all moving parts have completely stopped.
• Disconnect spark plug wire from spark plug and place wire where it cannot come in contact
with plug.
TO REMOVE MOWER (See Fig. 18)
• Place attachment clutch in “DIS EN GAGED” position.
• Lower attachment lift lever to its lowest position.
• Disengage belt tension rod from lock bracket.
CAUTION: Belt tension rod is spring
loaded. Have a tight grip on rod and
release slowly.
• Remove mower belt from electric clutch pulley.
• DISCONNECT REAR MOWER PINS Pull out the spring
loaded pin, disconnect suspension arm from pin and
release pin.
• Go to other side of mower and disconnect rear pin in
the same manner.
02786
REAR MOWER
PINS
FRONT PLATE
ASSEMBLY
ELECTRIC CLUTCH
PULLEY
BELT TENSION
ROD
DISENGAGED
POSITION
LOCKING BRACKET
FLANGED PINS
DOUBLE LOOP
RETAINER SPRINGS
SUSPENSION ARMS
SINGLE LOOP
RETAINER SPRINGS
• Remove the four retainer springs and two fl anged pins
from front plate assembly and remove plate.
• Raise attachment lift lever to its highest position.
• Turn tractor steering wheel to the left as far as it will
go.
• Slide mower out from under right side of tractor.
TO IN STALL MOWER
Follow procedure described in “INSTALL MOWER AND
DRIVE BELT” in the As sem bly section of this manual.
NOTE: You will need to reattach front plate assembly to
tractor after sliding mower under the tractor.
TRACTOR

21
SERVICE AND ADJUSTMENTS
FIG. 21
FIG. 20
00598
BOTTOM EDGE
OF MOW ER TO
GROUND
FIG. 19
BOTTOM EDGE
OF MOW ER TO
GROUND
AA
GROUND LINE
FRONT-TO-BACK ADJUSTMENT (See Figs. 21 and 22)
IMPORTANT: DECK MUST BE LEVEL SIDE-TO-SIDE. IF THE
FOLLOWING FRONT-TO-BACK AD JUST MENT IS NECESSARY,
BE SURE TO ADJUST BOTH FRONT LINKS EQUALLY SO
MOWER WILL STAY LEVEL SIDE-TO-SIDE.
To obtain the best cutting re sults, the mower blades should
be adjusted so the front tip is ap prox i mate ly 1/8" to 1/2"
lower than the rear tip when the mower is in its highest
position.
CAUTION: Blades are sharp. Protect
your hands with gloves and/or wrap
blade with heavy cloth.
02548
“B” “B”
BLADE
FIG. 22
BOTH FRONT PLATE LINKS MUST BE EQUAL IN LENGTH
02516
TRUN NION
TO LEVEL MOWER HOUSING
Adjust the mower while tractor is parked on level ground
or driveway. Make sure tires are properly infl ated (See
“PROD UCT SPECIFICATIONS” section of this manual). If
tires are over or underinfl ated, you will not properly adjust
your mower.
SIDE-TO-SIDE ADJUSTMENT (See Figs. 19 and 20)
• Raise mower to its highest position.
• Measure height from bottom edge of mower to ground
level at front cor ners of mower. Distance “A” on both
sides of mower should be the same.
• If adjustment is necessary, make adjustment on one
side of mower only.
• To raise one side of mower, tighten lift link ad just ment
nut on that side.
• To lower one side of mower, loosen lift link ad just ment
nut on that side.
NOTE: Each full turn of adjustment nut will change mower
height about 3/16".
• Recheck measurements after adjusting.
01553
SUS PEN SION ARM
LIFT LINK
AD JUST MENT NUT
02517
FRONT PLATE
AS SEM BLY
NUT “C”
NUT “D”
Check adjustment on right side of trac tor. Position any blade
so the tip is pointing straight forward. Measure distance "B"
at front and rear tip of the blade.
• Before making any necessary ad just ments, check that
both front plate links are equal in length.
• If links are not equal in length, adjust one link to same
length as other link.
• To lower front of blade, loosen nut “C” on both front
links an equal number of turns.
NOTE: Each full turn of nut “C” will change distance. “B”
by approximately 3/16".
• When distance “B” is 1/8" to 1/2" lower at front than rear,
tighten nut “D” against trunnion on both front links.
• To raise front of blade, loosen nut “D” from trunnion on
both front links. Tighten nut “C” on both front links an
equal number of turns. The two front links must remain
equal in length.
• When distance “B” is 1/8" to 1/2" lower at front than rear,
tighten nut “D” against trunnion on both front links.
• Recheck side-to-side adjustment.

22
SERVICE AND ADJUSTMENTS
02790
R.H. MANDREL
COVER
R.H.
MANDREL
IDLER
PULLEYS
ELECTRIC
CLUTCH
PULLEY
TO REPLACE MOWER DRIVE BELT
(See Fig. 23)
MOWER DRIVE BELT REMOVAL
• Park tractor on a level surface. En gage parking
brake.
• Lower attachment lift lever to its lowest position.
• Disengage belt tension rod from lock bracket.
CAUTION: Belt tension rod is spring
loaded. Have a fi rm grip on rod and
release slowly.
• Remove screws from R.H. and L.H. mandrel covers
and remove covers.
• Remove any dirt or grass clippings which may have
accumulated around mandrels and entire upper deck
surface.
• Remove belt from electric clutch pulley, both mandrel
pulleys and all idler pulleys.
MOWER DRIVE BELT INSTALLATION
• Install belt around both mandrel pulleys and around
idler pulleys as shown.
• Install belt onto electric clutch pulley.
IMPORTANT: CHECK BELT FOR PROPER ROUTING IN ALL
MOWER PULLEY GROOVES.
• Reassemble R.H. and L.H. mandrel covers. Securely
tighten all screws.
• Engage belt tension rod on locking bracket.
CAUTION: Belt tension rod is spring
loaded. Have a tight grip on rod and
engage slowly.
• Raise attachment lift lever to highest position.
BELT TENSION
ROD (DISENGAGED
POSITION)
L.H. MANDREL
COVER
LOCKING BRACKET
BELT ROUTING
FIG. 23

23
SERVICE AND ADJUSTMENTS
TRANSMISSION REMOVAL/REPLACEMENT
Should your transmission require removal for service or
re place ment, it should be purged after reinstallation and
before op er at ing the tractor. See “PURGE TRANS MIS SION”
in the Operation section of this manual.
FIG. 25
2498
ENGINE PULLEY
02504
RETAINER
SPRING
DRIVE BELT TENSION
HANDLE
BELT KEEPER
BELT
KEEPER V-IDLER CLUTCHING
IDLER
CLUTCHING
FLAT IDLER
BELT
KEEPER
FLAT IDLER
TRANSAXLE
PULLEY
TRANSAXLE MOTION CONTROL LEVER
NEUTRAL ADJUSTMENT (See Fig. 26)
The motion control lever has been pre set at the factory and
adjustment should not be necessary.
• Park tractor on level surface. Stop tractor by turning
ignition key to “OFF” position and engage park ing
brake.
• Loosen the adjustment bolt in front of the right rear
wheel.
• Move motion control lever to the neutral position (N).
• Tighten the adjustment bolt.
FIG. 26
AD JUST MENT
BOLT
NYLON
LOCKNUT (3) BRAKE PLATE
SLOT (3)
00751
ROTOR
CLUTCH PLATE .012"
FIG. 24
TO REPLACE MOTION DRIVE BELT
(See Fig. 25)
Park the tractor on level surface. Engage parking brake.
For ease of service there is a belt installation guide decal
on bottom of left footrest.
• Remove mower (See “TO REMOVE MOWER” in this
section of this manual.)
BELT REMOVAL -
• Create slack in belt by removing retainer spring from
drive belt tension handle.
• Remove belt from all idler pulleys, transaxle pulley and
then from engine pulley.
BELT
KEEPER
TO ADJUST ATTACHMENT CLUTCH
(See Fig. 24)
The electric clutch should provide years of service. The
clutch has a built-in brake that stops the pulley within 5
seconds. Eventually, the internal brake will wear which
may cause the mower blades to not engage, or, to not stop
as required. Adjustments should be made by your near est
authorized service center/department.
• Make sure attachment clutch and ignition switches are
in “OFF” position.
• Adjust the three nylon locknuts until space between
clutch plate and rotor measures .012" at all three slot
locations cut in side of brake plate.
NOTE: After installing a new electric clutch, run tractor at
full throttle and engage and disengage electric clutch 10
cycles to wear in clutch plate.
TO CHECK AND ADJUST BRAKE
If tractor requires more than fi ve (5) feet to stop at highest
speed in high est gear on a level, dry concrete or paved
surface, then brake must be checked and ad just ed.
TO CHECK BRAKE
• Park tractor on a level, dry concrete or paved surface,
depress clutch/brake pedal all the way down and en-
gage parking brake.
• Disengage transmission by placing freewheel control
in “transmission disengaged” position. Pull freewheel
con trol out and into the slot and release so it is held in
the disengaged position.
The rear wheels must lock and skid when you try to manually
push the tractor forward. If the rear wheels rotate, the brake
needs to be adjusted or the pads need to be replaced.
TO ADJUST BRAKE/REPLACE PADS
Contact a qualifi ed service center.
BELT INSTALLATION -
• Install new belt around engine pulley fi rst, then around
transaxle pulley and lastly into all the idler pulleys.
• Check to be sure belt is positioned correctly and is on
proper side of all belt keepers.
• Engage the drive belt tension handle and replace the
retainer spring.
• Reinstall mower.

24
REPLACING BATTERY (See Fig. 29)
WARNING: Do not short battery ter-
mi nals by allowing a wrench or any other
object to contact both terminals at the
same time. Before connecting battery,
remove metal bracelets, wristwatch
bands, rings, etc.
Positive terminal must be connected
fi rst to prevent sparking from ac ci den tal
grounding.
• Lift hood to raised position.
• Remove terminal guard.
• Disconnect BLACK battery cable then RED battery
cable and carefully remove battery from tractor.
• Install new battery with terminals in same position as
old battery.
• Reinstall terminal guard.
• First connect RED battery cable to positive (+) battery
terminal with hex bolt and keps nut as shown. Tighten
securely.
• Connect BLACK ground ing cable to negative (-) bat tery
terminal with re main ing hex bolt and keps nut. Tighten
securely
• Close terminal access doors.
• Close hood.
FIG. 28
00663
RE TAIN ING
RING
WASH ERS
FIG. 27
AXLE
COVER
TO REMOVE WHEEL FOR REPAIRS
FRONT WHEEL (See Fig. 27)
• Block up axle securely.
• Remove axle cover, retaining ring and washers to allow
wheel removal.
• Repair tire and reassemble.
• Replace washers and snap retaining ring securely in
axle groove.
• Replace axle cover.
REAR WHEEL -
• Block rear axle securely.
• Remove fi ve (5) hub bolts to allow wheel removal.
• Repair tire and reassemble. Replace and tighten hub
bolts securely.
NOTE: To seal tire punctures and prevent fl at tires due to
slow leaks, tire sealant may be purchased from your local
parts dealer. Tire sealant also prevents tire dry rot and
corrosion.
SERVICE AND ADJUSTMENTS
02614
WEAK OR DEAD
BATTERY
FULLY CHARGED
BATTERY
TO START ENGINE WITH A WEAK BAT TERY
(See Fig. 28)
WARNING: Lead-acid batteries gen-
er ate ex plo sive gases. Keep sparks,
fl ame and smoking ma te ri als away from
bat ter ies. Always wear eye pro tec tion
when around batteries.
If your battery is too weak to start the engine, it should be
recharged. (See "BATTERY" in the Maintenance sec tion
of this man u al).
If “jumper ca bles” are used for emer gen cy starting, follow
this pro ce dure:
TO AD JUST STEER ING WHEEL ALIGN-
MENT
If steering wheel crossbars are not horizontal (left to right)
when wheels are positioned straight forward, remove steer-
ing wheel and reassemble per instructions in the Assembly
section of this manual.
FRONT WHEEL TOE-IN/CAMBER
The front wheel toe-in and camber are not adjustable on
your tractor. If damage has occurred to affect the front
wheel toe-in or camber, contact your nearest authorized
service center/department.
IMPORTANT: YOUR TRACTOR IS EQUIPPED WITH A 12 VOLT
SYSTEM. THE OTHER VEHICLE MUST ALSO BE A 12 VOLT
SYSTEM. DO NOT USE YOUR TRACTOR BATTERY TO START
OTHER VEHICLES.
TO ATTACH JUMPER CABLES -
• Connect one end of the RED cable to the POSITIVE
(+) terminal of each battery(A-B), taking care not to
short against tractor chassis.
• Connect one end of the BLACK ca ble to the NEGA TIVE
(-) terminal (C) of fully charged battery.
• Connect the other end of the BLACK cable (D) to good
chassis ground, away from fuel tank and bat tery.
TO REMOVE CABLES, REVERSE ORDER -
• BLACK cable fi rst from chassis and then from the fully
charged battery.
• RED cable last from both batteries.

25
TO REPLACE HEADLIGHT BULB
• Raise hood.
• Pull bulb holder out of the hole in the backside of the
grill.
• Replace bulb in holder and push bulb holder securely
back into the hole in the backside of the grill.
• Close hood.
INTERLOCKS AND RELAYS
Loose or damaged wiring may cause your tractor to run
poorly, stop running, or prevent it from starting.
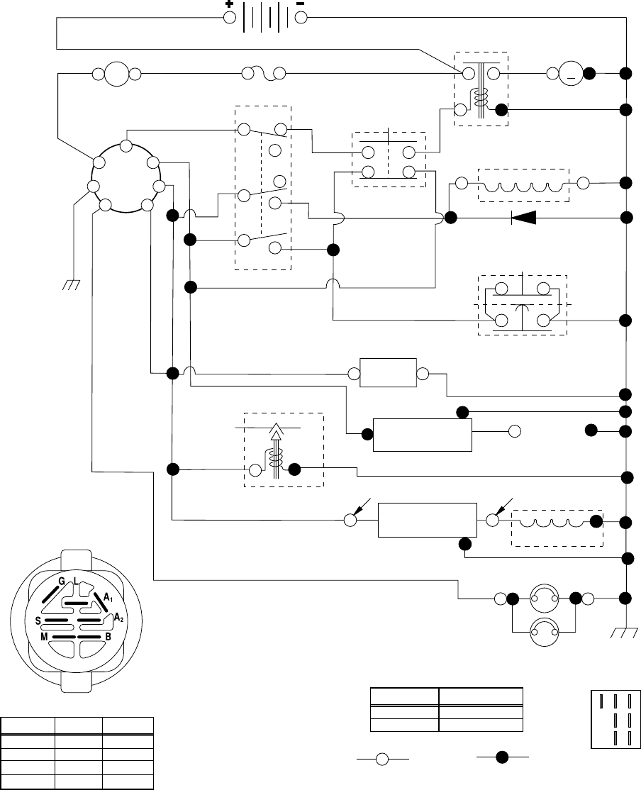
• Check wiring. See electrical wiring diagram in the
Repair Parts section.
TO REPLACE FUSE
Replace with 30 amp automotive-type plug-in fuse. The
fuse holder is located behind the dash.
SERVICE AND ADJUSTMENTS
02141
HEADLIGHT
WIRE
CONNECTOR
FIG. 30
HOOD
TO REMOVE HOOD AND GRILL ASSEMBLY
(See Fig. 30)
• Raise hood.
• Unsnap headlight wire connector.
• Stand in front of tractor. Grasp hood at sides, tilt toward
engine and lift off of tractor.
• To replace, reverse above procedures.
TERMINAL
GUARD
TERMINAL
ACCESS
DOOR
FIG. 29
02179
HEX
BOLT
KEPS NUT
POSITIVE
(RED)
CABLE
NEGATIVE
(BLACK)
CABLE
ENGINE
TO AD JUST THROTTLE CON TROL CABLE
The throttle control has been preset at the factory and
ad just ment should not be necessary. If adjustment is nec-
es sary, see engine manual.
TO AD JUST CHOKE CON TROL
The choke control has been preset at the factory and ad-
just ment should not be necessary. If adjustment is neces-
sary, see engne manual.
TO ADJUST CARBURETOR
Your carburetor is not adjustable. If your engine does not
operate properly due to suspected carburetor problems,
take your tractor to an authorized service center for repair
and/or adjustment.

26
STORAGE
Immediately prepare your tractor for storage at the end
of the season or if the tractor will not be used for 30 days
or more.
WARNING: Never store the trac tor with
gas o line in the tank inside a building
where fumes may reach an open fl ame
or spark. Allow the engine to cool before
storing in any en clo sure.
TRACTOR
Remove mower from tractor for winter storage. When mower
is to be stored for a period of time, clean it thor oughly, remove
all dirt, grease, leaves, etc. Store in a clean, dry area.
• Clean entire tractor (See “CLEANING” in the Mainte-
nance section of this manual).
• Inspect and replace belts, if necessary (See belt re-
place ment instructions in the Service and Adjustments
section of this manual).
• Lubricate as shown in the Maintenance sec tion of this
man ual.
• Be sure that all nuts, bolts and screws are securely
fastened. Inspect moving parts for damage, breakage
and wear. Replace if necessary.
• Touch up all rusted or chipped paint surfaces; sand
lightly before painting.
BATTERY
• Fully charge the battery for storage.
• After a period of time in storage, battery may require
re charg ing.
• To help prevent corrosion and power leakage during
long periods of storage, battery cables should be dis-
con nect ed and battery cleaned thoroughly (see “TO
CLEAN BATTERY AND TERMINALS” in the Mainte-
nance section of this manual).
• After cleaning, leave cables disconnected and place
cables where they cannot come in contact with battery
terminals.
• If battery is removed from tractor for storage, do not
store battery directly on concrete or damp surfaces.
ENGINE
FUEL SYSTEM
IMPORTANT: IT IS IMPORTANT TO PREVENT GUM DEPOSITS
FROM FORMING IN ES SEN TIAL FUEL SYSTEM PARTS SUCH
AS CARBURETOR, FUEL FIL TER, FUEL HOSE, OR TANK
DURING STORAGE. ALSO, EXPERIENCE INDICATES THAT
ALCOHOL BLENDED FUELS (CALLED GASOHOL OR USING
ETHANOL OR METHANOL) CAN ATTRACT MOIS TURE WHICH
LEADS TO SEPARATION AND FOR MA TION OF ACIDS DURING
STOR AGE. ACIDIC GAS CAN DAMAGE THE FUEL SYSTEM
OF AN ENGINE WHILE IN STORAGE.
• Empty the fuel tank by starting the engine and let it run
until the fuel lines and carburetor are empty.
• Never use engine or carburetor cleaner products in the
fuel tank or permanent damage may occur.
• Use fresh fuel next season.
NOTE: Fuel stabilizer is an acceptable alternative in mini-
mizing the formation of fuel gum deposits during stor age.
Add stabilizer to gasoline in fuel tank or storage container.
Always follow the mix ratio found on stabilizer container.
Run engine at least 10 minutes after adding stabilizer to
allow the stabilizer to reach the carburetor. Do not empty
the gas tank and carburetor if using fuel stabilizer.
ENGINE OIL
Drain oil (with engine warm) and replace with clean en-
gine oil. (See “ENGINE” in the Maintenance section of
this man ual).
CYLINDER(S)
• Remove spark plug(s).
• Pour one ounce of oil through spark plug hole(s) into
cylinder(s).
• Turn ignition key to “START” position for a few seconds
to distribute oil.
• Replace with new spark plug(s).
OTHER
• Do not store gasoline from one season to another.
• Replace your gasoline can if your can starts to rust.
Rust and/or dirt in your gasoline will cause problems.
• If possible, store your tractor indoors and cover it to
give protection from dust and dirt.
• Cover your tractor with a suitable protective cover that
does not retain moisture. Do not use plastic. Plastic
cannot breathe which allows condensation to form and
will cause your tractor to rust.
IMPORTANT: NEVER COVER TRACTOR WHILE EN GINE AND
EXHAUST AREAS ARE STILL WARM.

27
TROUBLESHOOTING POINTS
Will not start 1. Out of fuel. 1. Fill fuel tank.
2. Engine not “CHOKED” properly. 2. See “TO START ENGINE” in Operation section.
3. Engine fl ooded. 3. Wait several minutes before attempting to start.
4. Bad spark plug. 4. Replace spark plug.
5. Dirty air fi lter. 5. Clean/replace air fi lter.
6. Dirty fuel fi lter. 6. Replace fuel fi lter.
7. Water in fuel. 7. Empty fuel tank and carburetor, refi ll tank with fresh
gasoline and replace fuel fi lter.
8. Loose or damaged wiring. 8. Check all wiring.
9. Carburetor out of adjustment. 9. See “To Adjust Carburetor” in Service Adjustments
section.
10. Engine valves out of adjustment. 10. Contact an authorized service center/department.
Hard to start 1. Dirty air fi lter. 1. Clean/replace air fi lter.
2. Bad spark plug. 2. Replace spark plug.
3. Weak or dead battery. 3. Recharge or replace battery.
4. Dirty fuel fi lter. 4. Replace fuel fi lter.
5. Stale or dirty fuel. 5.
Empty fuel tank and refi ll tank with fresh, clean gasoline.
6. Loose or damaged wiring. 6. Check all wiring.
7. Carburetor out of adjustment. 7. See “To Adjust Carburetor” in Service Adjustments
section.
8. Engine valves out of adjustment. 8. Contact an authorized service center/department.
Engine will not turn over 1. Brake pedal not depressed. 1. Depress brake pedal.
2. Attachment clutch is engaged. 2. Disengage attachment clutch.
3. Weak or dead battery. 3. Recharge or replace battery.
4. Blown fuse. 4. Replace fuse.
5. Corroded battery terminals. 5. Clean battery terminals.
6. Loose or damaged wiring. 6. Check all wiring.
7. Faulty ignition switch. 7. Check/replace ignition switch.
8. Faulty solenoid or starter. 8. Check/replace solenoid or starter.
9. Faulty operator presence switch(es). 9. Contact an authorized service center/department.
Engine clicks but will not 1. Weak or dead battery. 1. Recharge or replace battery.
start 2. Corroded battery terminals. 2. Clean battery terminals.
3. Loose or damaged wiring. 3. Check all wiring.
4. Faulty solenoid or starter. 4. Check/replace solenoid or starter.
Loss of power 1. Cutting too much grass/too fast. 1. Raise cutting height/reduce speed.
2. Throttle in “CHOKE” position. 2. Adjust throttle control.
3. Build-up of grass, leaves and trash under mower. 3. Clean underside of mower housing.
4. Dirty air fi lter. 4. Clean/replace air fi lter.
5. Low oil level/dirty oil. 5. Check oil level/change oil.
6. Faulty spark plug. 6. Clean and regap or change spark plug.
7. Dirty fuel fi lter. 7. Replace fuel fi lter.
8. Stale or dirty fuel. 8.
Empty fuel tank and refi ll tank with fresh, clean gasoline.
9. Water in fuel. 9. Empty fuel tank and carburetor, refi ll tank with fresh
gasoline and replace fuel fi lter.
10. Spark plug wire loose. 10. Connect and tighten spark plug wire.
11. Dirty engine air screen/fi ns. 11. Clean engine air screen/fi ns.
12. Dirty/clogged muffl er. 12. Clean/replace muffl er.
13. Loose or damaged wiring. 13. Check all wiring.
14. Carburetor out of adjustment. 14. See “To Adjust Carburetor” in Service Adjustments
section.
15. Engine valves out of adjustment. 15. Contact an authorized service center/department.
Excessive vibration 1. Worn, bent or loose blade. 1. Replace blade. Tighten blade bolt.
2. Bent blade mandrel. 2. Replace blade mandrel.
3. Loose/damaged part(s). 3. Tighten loose part(s). Replace damaged parts.
PROBLEM CAUSE CORRECTION

28
TROUBLESHOOTING POINTS
Engine continues to run 1. Faulty operator-safety presence control system. 1. Check wiring, switches and connections. If not
when operator leaves seat corrected, contact an authorized service center/
with attachment clutch department.
engaged
Poor cut - uneven 1. Worn, bent or loose blade. 1. Replace blade. Tighten blade bolt.
2. Mower deck not level. 2. Level mower deck.
3. Buildup of grass, leaves, and trash under mower. 3. Clean underside of mower housing.
4. Bent blade mandrel. 4. Replace blade mandrel.
5. Clogged mower deck vent holes from buildup of 5. Clean around mandrels to open vent holes.
grass, leaves, and trash around mandrels.
Mower blades will not 1. Obstruction in clutch mechanism. 1. Remove obstruction.
rotate 2. Worn/damaged mower drive belt. 2. Replace mower drive belt.
3. Frozen idler pulley. 3. Replace idler pulley.
4. Frozen blade mandrel. 4. Replace blade mandrel.
Poor grass discharge 1. Engine speed too slow. 1. Place throttle control in “FAST” position.
2. Travel speed too fast. 2. Shift to slower speed.
3. Wet grass. 3. Allow grass to dry before mowing.
4. Mower deck not level. 4. Level mower deck.
5. Low/uneven tire air pressure. 5. Check tires for proper air pressure.
6. Worn, bent or loose blade. 6. Replace/sharpen blade. Tighten blade bolt.
7. Buildup of grass, leaves and trash under mower. 7. Clean underside of mower housing.
8. Mower drive belt worn. 8. Replace mower drive belt.
9. Blades improperly installed. 9. Reinstall blades sharp edge down.
10. Improper blades used. 10. Replace with blades listed in this manual.
11. Clogged mower deck vent holes from buildup of 11. Clean around mandrels to open vent holes.
grass, leaves, and trash around mandrels.
Headlight(s) not working 1. Switch is “OFF”. 1. Turn switch “ON”.
(if so equipped) 2. Bulb(s) or lamp(s) burned out. 2. Replace bulb(s) or lamp(s).
3. Faulty light switch. 3. Check/replace light switch.
4. Loose or damaged wiring. 4. Check wiring and connections.
5. Blown fuse. 5. Replace fuse.
Battery will not charge 1. Bad battery cell(s). 1. Replace battery.
2. Poor cable connections. 2. Check/clean all connections.
3. Faulty regulator (if so equipped). 3. Replace regulator.
4. Faulty alternator. 4. Replace alternator.
Loss of drive 1. Freewheel control in “disengaged” position. 1. Place freewheel control in “engaged” position.
2. Motion drive belt worn, damaged, or broken. 2. Replace motion drive belt.
3. Air trapped in transmission during shipment 3. Purge transmission.
or servicing.
Engine “backfi res” when 1. Engine throttle control not set between half and 1. Move throttle control between half and full speed
turning engine “OFF” full speed (fast) position before stopping engine. (fast) position before stopping engine.
PROBLEM CAUSE CORRECTION

29
BATTERY
FUSE RED
RED BLACK
BLACK
BLACK
BLACK
BLACK
NON-REMOVABLE
CONNECTIONS
REMOVABLE
CONNECTIONS
BLACK
BLACK
BROWN
RED
ORANGE
BROWN
M
SOLENOID
WIRING INSULATED CLIPS
NOTE: IF WIRING INSULATED
CLIPS WERE REMOVED FOR
SERVICING OF UNIT, THEY
SHOULD BE REPLACED TO
PROPERLY SECURE YOUR
WIRING.
A
AMMETER
RED
IGNITION SWITCH
CIRCUITPOSITION
OFF
B+A1ON + LIGHTS
B+S+A1START
M+G+A1
B+A1ON
“MAKE”
L+A2
NONE
NONE
NONE
(OPTIONAL)
HEADLIGHTS
BLACK
ELECTRIC CLUTCH
CLUTCH / BRAKE
(PEDAL UP)
PTO (DISENGAGED)
CG
F
B
E
A
D
H
RED
BLUE
RED
RED
RED
WHITE
WHITE
WHITE
BLACK
HOUR
METER
(OPTIONAL)
STARTER
PTO SWITCH
CIRCUITPOSITION
OFF
C+F,B+E,A+DON
C+G,B+H B
A
G
H
D
FC
E
IGNITION
SWITCH
G
BSM
A1
A2L
FUEL
LINE
RED
IGNITION
UNIT
SPARK PLUGS
GAP
(2 PLUGS
ON TWIN CYL. ENGINES)
FUEL SHUT-OFF
SOLENOID
REGULATOR
ALTERNATOR
28 VOLTS AC @ 3600 RPM
(REGULATOR DISCONNECTED)
CHARGING SYSTEM OUTPUT
16 AMP DC @ 3600 RPM
SEAT SWITCH
(NOT OCCUPIED)
GROUNDING
CONNECTOR
PTO SWITCH
CONNECTOR
02743
TRACTOR - - MODEL NO. GTH2254XP (GTH2254XPA), PRODUCT NO. 954 57 12-29
SCHEMATIC

30
30
33
40
26
28
25
50
29
42
12
12
11
10
8
2
1
27
16
45
0
60
AMPS
60
22
79 21
46
REPAIR PARTS
TRACTOR - - MODEL NO. GTH2254XP (GTH2254XPA), PRODUCT NO. 954 57 12-29
ELECTRICAL
31
KEY PART
NO. NO. DESCRIPTION
1 532 14 49-27 Battery
2 874 76 04-12 Bolt Hex Head 1/4-20 x 3/4
8 532 12 48-86 Tray, Battery
10 532 14 52-11 Bolt, Battery Front 1/4-20 x 7.5 Zinc
11 532 15 01-09 Holddown Battery Front Mount
12 532 14 57-69 Nut, Push Nylon 1.4" Battery Front
16 532 17 61-38 Switch Interlock
21 532 17 56-88 Harness Socket Light w/4152J
22 532 00 41-52 Bulb Light
25 532 18 54-61 Cable, Battery
26 532 10 88-24 Fuse
27 873 51 04-00 Nut Keps Hex 1/4-20
28 532 17 06-97 Cable, Ground
29 532 12 13-05 Switch, Plunger NC Gray
30 532 17 55-66 Switch, Ign
33 532 14 04-01 Key
40 532 18 80-34 Harness Ign.
42 532 15 43-36 Cover, Terminal Red
45 532 17 75-00 Ammeter
46 532 17 75-01 Hourmeter Snap-In
50 532 17 46-51 Switch, PTO
79 532 17 52-42 Bulbholder Asm
NOTE: All component dimensions given in U.S. inches
1 inch = 25.4 mm
REPAIR PARTS
TRACTOR - - MODEL NO. GTH2254XP (GTH2254XPA), PRODUCT NO. 954 57 12-29
ELECTRICAL

32
31
68
43
34
47
24
39 17
86
166
2
19
20
16
84
84
21
47
17
28
91
1
36
36
50
17
17
17
17
17
44
17
168
45
45
17
8
156
159
6
7
7
7
30
99
35
5
14
18
130
130
158
37
159
159
58
161
162
144
17
130
142
17
130
32
17
139
17
33 139
122
167
150
122
148
153
130
138
156
156
152
156
156
169
169
47
165
chassis-stealth_45
146
143
15
25
17
168
REPAIR PARTS
TRACTOR - - MODEL NO. GTH2254XP (GTH2254XPA), PRODUCT NO. 954 57 12-29
CHASSIS AND ENCLOSURES
33
1 532 18 03-75 Rail, Kit RH
2 532 17 52-82 Drawbar, Gt
5 532 18 56-04 Dash, Plastic
6 532 15 78-82 Dash, 1PCS, Lower
7 817 72 04-08 Screw, Thd Cut 1/4-20 x 1/2
8 532 18 46-68 Support, Battery
14 532 19 00-55 Hood Asm., Pnt
15 532 16 18-41 Lens LH
16 532 12 17-94 Cover, Access
17 817 06 06-12 Screw, 3/8-16 x 3/4
18 532 18 28-73 Grille
19 819 13 13-12 Washer 13/32 x 13/16 x 12 Ga.
20 874 78 06-16 Bolt, Fin Hex 3/8-16 x 1 Gr.5
21 873 80 06-00 Nut Lock Hex w/Ins 3/8-16 unc
24 532 18 10-58 Footrest, RH
25 532 16 18-42 Lens RH
28 532 18 10-57 Footrest, LH
30 532 14 50-52 Saddle
31 532 16 14-19 Bracket Supt 1-pc Vgt Steering
32 532 16 13-27 Bracket, Frame Pivot Lh
33 532 16 13-26 Bracket, Frame Pivot Rh
34 532 17 70-18 Plate Asm Engine Chassis
35 819 11 11-16 Washer 11/32 x 11/16 x 16 Ga.
36 817 06 05-12 Screw 5/16-18 x 3/4
37 532 18 17-20 Fender, Pnt.
39 532 17 52-78 Bracket, Axle Front
43 532 13 69-39 Bracket, Spnsn Front Lh
44 532 13 69-40 Bracket, Spnsn Front Rh
45 532 18 72-70 Bracket Asm., Susp Chassis
47 817 49 06-08 Screw Thdrol 3/8-16 x 1/2
50 532 17 54-76 Bracket, Chassis Front
KEY PART
NO. NO. DESCRIPTION
58 532 18 35-69 Bracket Asm., Fender
68 817 49 05-08 Screw, 5/16-18 x 1/2
84 532 18 81-64 Upstop
86 874 78 07-20 Bolt Hex 7/16-14 x 1 1/4 Gr. 5
91 532 18 03-74 Rail, Kit Lh
99 532 17 71-43 Rod Asm. Bypass
122 532 16 14-64 Screw Hex WSHD 8-18 x 7/8
130 532 17 18-75 Screw Hw Hd Hi-Lo #13-16 x 3/4
138 532 18 17-98 Cupholder
139 532 17 18-73 Bolt Shoulder 5/16-18
142 532 16 18-97 Bracket Dash Stealth RH
143 532 17 75-86 Skirt Grille RH
144 532 16 19-00 Bracket Dash Stealth LH
146 532 17 75-87 Skirt Grille LH
148 532 16 46-55 Extrusion Bumper
150 532 19 03-09 Duct Heat Hood
152 532 17 79-56 Shield, Browning
153 532 18 82-12 Light Box Asm w/Lens
156 817 00 05-12 Screw 5/16-18 x 3/4
158 817 67 06-08 Screw 3/8-16 x 1/2
159 817 00 06-12 Screw Hexwsh THDR 3/8-16 x 3/4
161 532 18 17-87 Consol Fuel Window
162 532 14 24-32 Screw Hex Wsh Hi-Lo 1/4-1/2 unc
165 532 18 35-54 Bracket Support Tank
166 873 80 07-00 Nut, Lock Hex 7/16 unc
167 532 18 46-72 Bushing Snap
169 532 18 85-98 Bracket Chassis Sway
170 532 18 85-58 Bolt Shoulder
KEY PART
NO. NO. DESCRIPTION
NOTE: All component dimensions given in U.S. inches
1 inch = 25.4 mm
REPAIR PARTS
TRACTOR - - MODEL NO. GTH2254XP (GTH2254XPA), PRODUCT NO. 954 57 12-29
CHASSIS AND ENCLOSURES

34
9
7
55
65
130
131
34
35
37
38
40
41
42
68
46
36
37
38
64
39
56
29
89
132
77
70
74
89
148
89
133
148
98
112
123
94
94 126
138
23
114
73
148
127
153
143
48
148
117
52
129
50
117
48
128
142
58
77
152
151
135 137
6
22
124
125
111
121
122
114 20
147
146
61
1
2
2
69
33 3145
107
106
108
145
69
33
3
117
drive_6-vgt
REPAIR PARTS
TRACTOR - - MODEL NO. GTH2254XP (GTH2254XPA), PRODUCT NO. 954 57 12-29
GROUND DRIVE
35
1 - - - - - - - Transaxle Hydro Gear
331-3000 (Order Parts From
Transaxle Manufacturer)
2 532 00 70-70 Key Sq. 1/4 x 2.5
3 532 00 75-63 Washer
6 876 02 04-12 Pin, Cotter
7 532 14 05-07 Wheel, Hub Assembly
9 532 14 00-80 Bolt, Hub
20 873 94 08-00 Nut
22 532 18 02-35 Lever Asm Shift
23 532 14 08-45 Knob
29 532 17 66-00 Brake, Rod
33 812 00 00-53 Ring E
34 532 07 16-73 Cap, Parking Brake
35 532 13 76-48 Rod, Parking Brake
36 532 14 94-12 Spring, Drive Ground
37 532 12 17-49 Washer 25/32 x 1-1/4 x 16 Ga.
38 532 15 00-35 Nyliner
39 874 32 10-16 Screw, Fin. #10-24 x 1
40 532 17 85-75 Actuator, Interlock VGT
41 873 93 10-00 Nut Centerlock 10-24 Unc
42 532 12 47-82 Cover, Pedal
46 532 14 51-70 Retainer, Spring
48 872 11 06-14 Bolt Rdhd 3/8-16 x 1.3/4 Gr. 5
50 532 13 14-94 Pulley, Idler, Flat
52 532 12 77-83 Pulley, Idler, Grooved
55 532 10 57-06 Bearing, Idler
56 532 16 15-97 V-Belt
58 874 76 07-24 Bolt Fin Hex 7/16-14 x 1-1/2
61 532 14 39-95 Pulley, Transaxle
64 532 17 66-01 Shaft, Brake Pedal
65 532 17 96-13 Bolt, Shoulder
68 532 00 51-42 Pin, Roll
69 532 12 38-00 Washer
70 532 18 17-88 Console Automatic YT/GT
73 874 49 05-48 Bolt Hex Flghd 5/16-18 x 3 Gr5
74 532 14 24-32 Screw Hex Wsh. Hi-Lo 1/4-1/2
77 874 78 07-16 Bolt Fin Hex 7/16-14 x 1
89 873 68 07-00 Nut Crownlock 7/16-14 Unc
94 532 13 38-35 Fastener Christmas Tree
98 532 14 10-04 Bracket Shift
106 532 14 29-18 O-Ring Asm Hydro Gear
107 532 15 47-39 Line Fuel Hydro 15” VGT
108 532 14 29-17 Cap Asm Vent Hydro Gear
111 532 15 62-40 Spacer Shift Lever VGTH
112 532 17 85-58 Washer Nylon High Temp
114 873 80 05-00 Nut Lock Hex W/Ins 5/16-18 Unc
117 873 90 06-00 Nut, Lock Flg. 3/8-16
121 532 17 56-11 Bracket Strap Torque
122 872 01 05-20 Bolt RDHDSQ
5/16-18 Unc x 2-1/2
123 532 18 32-54 Rod Shift
124 532 16 54-92 Bolt Shoulder 5/16-18 x .561
125 817 49 05-10 Screw 5/16-18 x 5/8
126 532 16 60-02 Washer SRRTD
5/16 ID x 1.0 x .125
127 532 17 73-62 Link Control Clutch
128 532 17 66-24 Spring Drive GRND
129 532 17 94-73 Bracket Asm Idler Tensioning
130 819 13 10-16 Washer 13/32 x 5/8 x 16 Ga.
131 876 02 03-12 Pin Cotter 3/32 x 3/4
132 532 17 54-67 Bracket Mtg Hydro 3500 LH VGT
133 532 17 54-68 Bracket Mtg Hydro 3500 RH VGT
135 532 17 73-64 Link Asm Control Hydro 3500
137 532 12 49-49 Nut Lock 5/16-18 NC Thd.
138 532 00 13-70 Washer Thrust 5/8 x 1.10 x 1/32
142 532 17 54-69 Strap Torque HG-3500
143 817 06 05-12 Screw Thdrol 5/16-18 x 3/4
145 532 16 31-68 Washer Axle Flange HG-3000
146 532 14 04-62 Fan 7" Hydro
147 532 14 13-22 Washer
148 817 00 06-12 Screw 3/8-16 x 1-1/4
151 874 76 05-14 Bolt Hex 5/16-18 x 7/8
152 532 17 87-05 Bolt Hex 5/16 x 1 W/Patch
153 532 12 47-88 Spring, Retainer
KEY PART
NO. NO. DESCRIPTION
NOTE: All component dimensions given in U. S.
inches 1 inch = 25.4 mm
KEY PART
NO. NO. DESCRIPTION
REPAIR PARTS
TRACTOR - - MODEL NO. GTH2254XP (GTH2254XPA), PRODUCT NO. 954 57 12-29
GROUND DRIVE

36
47
28
46
49
50
29
28
23
31
52
13
41
22
21
20
1
45
51
34
33
32
6
27
42
27
6
19
15
14
35
18
16
9
8
7
2
6
4
14
15
14
15
12
98
7
6
5
13 13
53 8
14
15
36
26
10
11
44
3
3
steering_13-vgt
REPAIR PARTS
TRACTOR - - MODEL NO. GTH2254XP (GTH2254XPA), PRODUCT NO. 954 57 12-29
STEERING ASSEMBLY
37
1 532 16 66-27 Wheel, Steering
2 532 17 85-57 Axle Asm., Front
3 532 18 32-26 Fitting, Grease
4 532 16 18-49 Spindle Asm, LH
5 532 16 18-48 Spindle Asm., RH
6 532 12 49-31 Bearing, Race Thrust Harden
7 532 12 17-48 Washer 25/32 x 1-5/8 x 16 Ga.
8 812 00 00-29 Ring, Klip #T5304-75
9 532 12 12-32 Cap, Spindle
10 874 78 10-44 Bolt, Fin Hex 5/8-11 x 2-3/4
11 532 13 65-18 Spacer Brg Axle Front 1.570
12 873 90 10-00 Nut, Lock Flange 5/8-11 unc
13 532 12 17-49 Washer 25/32 x 1-1/4 x 16 Ga.
14 810 04 06-00 Washer, Lock Hvy Hlcl Spr 3/8
15 873 54 06-00 Nut Crownlock 3/8-24
16 532 18 68-14 Shaft Asm., Steering
18 532 18 77-99 Draglink
19 532 15 60-11 Support Asm., Steering Vgt
20 532 17 75-92 Boot Steering
21 532 15 99-45 Adapter, Wheel Steering
22 532 15 51-05 Bushing, Strg.
23 532 15 29-27 Screw
26 532 16 66-26 Cap , Wheel Steering
27 532 12 49-37 Bearing, Col. Strg.
28 817 00 06-12 Screw 3/8-16 x 3/4
29 532 10 42-39 Bearing, Flange
31 532 13 81-36 Bushing, Nyliner Snap
32 819 11 16-10 Washer 11/32 x 1 x 10 Ga.
33 810 04 05-00 Washer, Lock Hvy Hlcl Spr 5/16
34 874 78 05-12 Bolt, Hex Hd 5/16-18 x 3/4
35 532 18 70-39 Gear, Sector Steering
36 532 18 67-99 Tie Rod
41 532 15 52-46 Bracket Switch Inerlock VGT97
42 817 49 05-08 Screw 5/16-18 x 1/2
44 532 17 75-93 Extension Steering Premium
45 819 18 24-11 Washer 9/16 ID x 1-1/2 OD 11 Ga.
46 819 13 16-10 Washer FLat 13/32 x 1/10 Ga.
47 532 17 94-71 Bracket Asm. Idler
49 532 17 58-20 Pulley Idler Flat
50 873 90 06-00 Nut Lock Flg 3/8-16 unc
51 873 94 08-00 Nut Hex Jam Toplock 1/2-20 unf
52 532 17 55-53 Clip Steering
53 532 18 89-67 Washer Hardened
KEY PART
NO. NO. DESCRIPTION
NOTE: All component dimensions given in U.S. inches
1 inch = 25.4 mm
REPAIR PARTS
TRACTOR - - MODEL NO. GTH2254XP (GTH2254XPA), PRODUCT NO. 954 57 12-29
STEERING ASSEMBLY

38
1
84
12
11
41
42
43
10
9
8
40
29
SPARK ARRESTER KIT
84
80
47
39
18 15
37
28
37
27
26
22
25
21
20
31
62
70
71
86
69
83
2
81
82
engine-kawasaki_2 vgt
ENGINE
REPAIR PARTS
TRACTOR - - MODEL NO. GTH2254XP (GTH2254XPA), PRODUCT NO. 954 57 12-29
39
KEY PART
NO. NO. DESCRIPTION
1 - - - - - - - Engine Kawasaki, Model No. FH641V (Order parts from engine
manufacturer)
2 532 14 97-23 Muffl er Side
8 532 12 13-61 Pulley V-Idler
9 532 17 77-48 Keeper Asm. Belt Engine VGT
10 532 17 52-87 Bushing
11 532 17 93-35 Clutch Electric
12 532 14 39-96 Pulley Engine VGT Elect Clutch
15 532 17 91-15 Tank Fuel
18 532 18 18-03 Cap Fuel
20 532 17 81-47 Control Throttle
21 532 17 18-75 Screw HWHD Hi-Lo #13-16 x 3/4
22 532 17 81-48 Control Choke
25 873 92 06-00 Nut Keps 3/8-24 unf
26 532 12 49-52 Bushing
27 532 13 92-77 Stem Tank Fuel
28 532 12 47-03 Fuel Line
29 532 13 71-80 Spark Arrester Kit
31 532 14 50-06 Clip Push-In Hinged
37 532 12 34-87 Clamp Hose
39 817 49 06-36 Screw TT 3/8-16 x 2-1/4 unc
40 817 49 06-64 Screw TT 3/8-16 x 4 unc
41 532 12 61-97 Washer
1-1/2 OD x 15/32 ID x .250
42 810 04 07-00 Washer Lock 7/16
43 532 17 99-53 Bolt Hex 7/16-20 X 3.75 Gr. 5
47 532 17 52-88 Bushing
62 532 17 62-52 Shield Heat Muffl er
69 - - - - - - - - Gasket (Order from engine mfg.)
70 532 17 57-67 Tube Exhaust RH
71 532 17 57-66 Tube Exhaust LH
80 532 16 33-05 Nut Flange M8-1.25
81 532 14 84-56 Tube Drain Oil Easy
82 - - - - - - - - - Valve Oil Drain (Order from engine mfg.)
83 532 17 18-77 Bolt 5/16-18 unc x 1-3/4 W/Sems
84 817 06 06-24 Screw 3/8-16 x 1-1/2
86 532 18 43-62 Nut Hex Flange Toplock M8-1.25
NOTE: All component dimensions given in U.S. inches
1 inch = 25.4 mm
For engine service and replacement parts, call the toll free
number for your engine manufacturer listed below:
Briggs & Stratton 1-800-233-3723
Kohler Co. 1-800-544-2444
Tecumseh Products 1-800-558-5402
Honda Engines 1-800-426-7701
Kawasaki 1-800-460-5688
REPAIR PARTS
TRACTOR - - MODEL NO. GTH2254XP (GTH2254XPA), PRODUCT NO. 954 57 12-29

40
1
2
6
37
21
7
7
5
20
8
20
8
25
33
28
22
35
24
10
5
16
15
12
13
17
14
26
seat_11-vgt
3
1 532 18 87-15 Seat
2 532 14 05-51 Bracket, Pivot Seat
3 532 14 06-75 Strap Asm Fender
5 532 14 50-06 Clip, Push In Hinged
6 873 80 06-00 Nut, Crownlock 3/8-16
7 532 12 41-81 Spring, Seat Cprsn
8 532 17 18-77 Bolt 5/16-18 Unc x 3/4
10 532 18 24-93 Pan, Seat
12 532 12 12-46 Bracket, Mounting Switch
13 532 12 12-48 Bushing, Snap
14 872 05 04-12 Bolt, Carriage 1/4-20 x 1-1/2
15 532 12 12-49 Spacer, Split
16 532 12 37-40 Spring, Cprsn
17 532 12 39-76 Nut, Lock 1/4 Lge Flg Gr. 5
20 532 12 42-38 Cap, Spring Seat
21 532 17 18-52 Bolt, Shoulder 5/16-18
22 873 68 05-00 Nut Crownlock 5/16-18
24 532 17 79-46 Track Slide Seat LH Locking
25 532 17 79-47 Track Slide Seat RH Free
26 819 11 10-12 Washer 11/32 x 5/8 x 12 Ga.
28 810 01 05-00 Washer Split
33 874 78 05-12 Bolt Fin Hex 5/16-18 x 1
35 532 17 84-26 Cap Vinyl
37 873 80 05-00 Nut, Crownlock 5/16-18
KEY PART
NO. NO. DESCRIPTION
KEY PART
NO. NO. DESCRIPTION
NOTE: All component dimensions given in U.S. inches
1 inch = 25.4 mm
SEAT ASSEMBLY
REPAIR PARTS
TRACTOR - - MODEL NO. GTH2254XP (GTH2254XPA), PRODUCT NO. 954 57 12-29

41
WHEELS & TIRES
6
12
2
1
3
11
4
10
5
9
8
7
wheel_art_1-vgt
9
4
10
6
17
24
1 532 17 84-82 Decal, Deck heavy Duty
2 532 17 85-64 Decal, Engine
3 532 18 89-47 Decal, Hood, RH
4 532 18 89-48 Decal, Hood, LH
5 532 18 88-89 Decal, Side Panel
6 532 17 05-63 Decal, Warning
7 532 18 09-41 Decal, Customer Resp.
9 532 17 68-22 Decal, Fender
10 532 15 71-40 Decal, Danger
11 532 18 12-53 Decal, Foot Rest
12 532 18 91-73 Decal, Replacement
13 532 18 82-98 Decal, V-Belt Sch
14 532 17 85-02 Decal, Caution
15 532 18 89-25 Decal, Ins. Strg Whl
17 532 18 28-54 Decal, Saddle Brake Parking
23 532 10 62-02 Refl ector, Taillight
24 532 14 50-05 Decal, Btry Dngr/Psn
- - 532 18 19-17 Pad, Footrest, RH
- - 532 18 19-16 Pad, Footrest, LH
- - 532 16 69-60 Decal, Bypass
- - 532 18 85-48 Manual, Owner’s (English)
KEY PART
NO. NO. DESCRIPTION KEY PART
NO. NO. DESCRIPTION
KEY PART
NO. NO. DESCRIPTION
1 532 05 91-92 Cap, Valve, Tire
2 532 06 51-39 Stem, Valve
3 532 14 45-09 Rim Assembly, Front
4 532 00 81-34 Tube, Front (Service Item Only)
5 532 10 62-30 Tire, Front
6 532 12 49-57 Fitting, Grease
7 532 12 49-59 Bearing, Flange (Front Wheel
Only)
8 532 17 50-39 Cap, Hub
9 532 10 55-88 Tire, Rear
10 532 00 71-54 Tube, Rear (Service Item Only)
11 532 14 45-10 Rim Assembly, Rear
12 532 12 48-60 Fitting, Grease
- - 532 14 43-34 Sealant, Tire (10 oz. Tube)
14
NOTE: All component dimensions given in U.S. inches
1 inch = 25.4 mm
15
3
23
23
11
DECALS
55
2
REPAIR PARTS
TRACTOR - - MODEL NO. GTH2254XP (GTH2254XPA), PRODUCT NO. 954 57 12-29
12
7
13

42
35 73
34
32
31
30
4554
2
7
10
3
6
1
38
42
39
40
43
29
70
33
72
26
12
78
24
75
76
76
23
11
11
23
77
74
86
41
41
85
85
79
86
70
70
23
8
9
lift_rh_16
REPAIR PARTS
TRACTOR - - MODEL NO. GTH2254XP (GTH2254XPA), PRODUCT NO. 954 57 12-29
LIFT ASSEMBLY
43
1 532 12 10-06 Rod Asm., Lever
2 532 18 00-45 Shaft Asm., Lift Vgt
3 532 15 91-89 Lever Asm., Lift Rh
4 812 00 00-22 E-Ring Truarc #5133-87
5 819 29 20-16 Washer 29/32 x 1-1/4 x 16 Ga.
6 871 11 06-24 Bolt, Fin Hex 3/8-16 x 1-1/2
7 532 12 56-31 Grip, Handle
8 532 12 45-26 Button, Plunger
9 532 12 23-64 Plunger, Lever Lift
10 532 18 38-94 Spring 0.620D x 2.125
11 532 17 53-75 Link Lift
12 532 16 35-52 Retainer, Spring
23 532 12 46-70 Retainer, Spring
24 873 35 08-00 Nut, Jam Hex 1/2-13 Unc
26 873 80 08-00 Nut, Lock W/Wsh 1/2-13 Unc
29 532 15 02-33 Trunnion Infi n Height
30 532 11 08-07 Nut, Special
31 819 13 10-16 Washer 13/32 x 5/8 x 16 Ga.
32 532 13 71-50 Spring, Compression Inf Hgt
33 876 02 03-08 Pin, Cotter 3/32 x 1/2
34 532 13 71-67 Rod, Adj Lift
35 532 13 80-57 Knob, Inf 3/8-16 Unc
38 532 15 50-97 Pointer Height Indicator
39 532 12 39-35 Plug, Hole Blk. 1.485/1.515 Dia.
40 817 06 05-16 Screw 5/16-18 x 1
41 532 17 59-94 Nut, Lift Link 7/16-20
42 819 11 24-10 Washer 11/32 x 1-1/2 x 10 Ga.
43 532 12 39-34 Scale, Indicator Height
70 532 14 52-12 Nut Hex Flange Lock
72 532 11 04-52 Nut Push Phos & Oil
73 873 35 06-00 Nut, Hex Jam 3/8-16 Unc
74 532 18 72-77 Arm Suspension Rear RH
75 532 17 58-05 Plate, Asm, Susp, Front
76 532 17 55-60 Pin Flange
77 532 17 62-05 Trunion Susp Arm
78 532 17 56-89 Trunnion, Front, Susp
79 532 18 72-76 Arm, Suspension LH
85 532 18 90-13 Insert Wear
86 532 18 85-28 Bolt Shoulder
KEY PART
NO. NO. DESCRIPTION
NOTE: All component dimensions given in U.S. inches
1 inch = 25.4 mm
REPAIR PARTS
TRACTOR - - MODEL NO. GTH2254XP (GTH2254XPA), PRODUCT NO. 954 57 12-29
LIFT ASSEMBLY

44
47
34
36
97 50
50
35
38 5
51
33
33
33
32
113
117
116
119
118
57 5
56
59
60
58
21
15
14
21
21
17
13
11
8
17
17
1
49
42
49
30
31
26
27
25
29
7
39
46
52
43
114
21
122
46
46
98
6
mower_deck-54_1
32
REPAIR PARTS
TRACTOR - - MODEL NO. GTH2254XP (GTH2254XPA), PRODUCT NO. 954 57 12-29
MOWER DECK
90
91
94
180
180
182
95
183
90
54 / 48_nose_roller_1
45
KEY PART
NO. NO. DESCRIPTION
KEY PART
NO. NO. DESCRIPTION
NOTE: All component dimensions given in U.S. inches
1 inch = 25.4 mm
1 532 18 89-20 Deck Weldment Mower
5 532 12 46-70 Retainer Spring
6 532 18 72-97 Cover Mandrel LH
7 532 18 81-87 Cover Mandrel RH
8 532 17 43-65 Bolt 7/16 Asm. Blade
11 532 18 72-54 Blade Standard
13 532 18 72-91 Shaft Asm. w/Lower Bearing
14 532 18 72-81 Mandrel Housing
15 532 11 04-85 Bearing, Ball, Mandrel
17 872 11 05-05 Bolt Carr. 5/16-18 x 5/8
21 873 68 05-00 Nut, Crownlock 5/16-18 unc
25 532 17 81-02 Spring Torsion
26 532 11 04-52 Nut, Push
27 532 18 89-38 Defl ector Shield
28 819 11 10-16 Washer 11/32 x 5/8 x 16 Ga.
29 532 13 14-91 Rod, Hinge
30 532 17 39-84 Screw Thd Roll
31 532 18 76-90 Washer, Spacer Mower Vented
32 532 17 78-65 Pulley, Mandrel
33 532 17 83-42 Nut, Flg. Top Lock Cntr. 9/16
34 873 68 06-00 Nut
35 532 18 86-35 Pin Suspension Rear
36 819 13 13-16 Washer 13/32 x 13/16 x 16 Ga.
38 532 18 86-57 Spring Compression
39 532 18 72-84 Pulley, Idler, Stationary
41 532 18 75-57 Bushing Relief Tension
42 532 12 20-52 Spacer, Retainer
43 532 18 72-78 Arm, Idler
46 532 13 77-29 Screw, Thdroll. 1/4-20 x 5/8
47 532 19 12-73 V-Belt, Mower, Secondary
49 873 90 06-00 Nut, Lock Flg. 3/8-16 unc
50 872 11 06-16 Bolt, Carr. 3/8-16 x 2
51 872 11 06-10 Bolt 3/8-16 x 1-1/4 Gr. 5
52 532 18 84-60 Pulley Idler clutching
56 532 15 59-86 Bar Pnt Adj.
57 532 15 69-41 Pin Head Rivet
58 532 18 73-42 Baffl e Right
59 532 18 73-44 Baffl e Left
60 532 18 76-07 Baffl e Center
90 874 76 05-16 Bolt 5/16-18 x 1
91 532 18 05-35 Bracket Asm N Roller RH
94 532 17 60-66 Roller Nose 48"
95 532 18 05-34 Bracket N Roller LH
97 819 13 32-10 Washer Hardened
98 532 18 72-82 Spring Clutch Drive
101 532 18 72-98 Cover Mulching
102 871 08 10-10 Screw 10-24 x 5/8
103 810 07 10-00 Washer Lock
104 819 06 12-16 Washer
105 532 12 50-04 Nut Weld
113 872 11 05-08 Bolt Rdhd Sqnk 5/16-18 unc x 3/4
114 532 18 75-56 Rod Tension Relief
116 532 18 42-19 Bolt, Shoulder
117 532 13 39-57 Gauge Wheel
118 873 93 06-00 Nut, Centerlock 3/8-16 unc
119 819 12 14-14 Washer 3/8 x 7/8 x 14 Ga.
122 532 18 75-57 Bushing Tension Relief
180 873 80 05-00 Nut 5/16-18
182 532 17 91-27 Rod Roller Nose Narrow
183 532 16 35-52 Retainer Spring
- - 532 18 72-92 Mandrel Asm. Service
(Includes Key Nos. 13-15 and 33)
- - 532 18 83-77 Replacement Mower, Complete
(Std. deck order separately nose
roller components key nos. 90,
91, 94, 95, 180, 182, 183)
REPAIR PARTS
TRACTOR - - MODEL NO. GTH2254XP (GTH2254XPA), PRODUCT NO. 954 57 12-29
MOWER DECK

46
15 DEGREES MAX.
FOLD ALONG DOTTED LINE
THIS IS A 15 DEGREE SLOPE
ONLY RIDE UP AND DOWN HILL,
NOT ACROSS HILL
SUGGESTED GUIDE FOR SIGHTING SLOPES FOR SAFE OPERATION
WARNING: To avoid serious injury, operate your tractor up and
down the face of slopes, never across the face. Do not mow
slopes greater than 15 degrees. Make turns gradually to prevent
tipping or loss of control. Exercise extreme caution when
changing direction on slopes.
1. Fold this page along dotted line indicated above.
2. Hold page before you so that its left edge is vertically parallel to a tree
trunk or other upright structure.
3. Sight across the fold in the direction of hill slope you want to measure.
4. Compare the angle of the fold with the slope of the hill.

47
SECTION 1: LIMITED WARRANTY
Husqvarna Forest & Garden Company (“Husqvarna”) warrants Husqvarna product to the original pur-
chaser to be free from defects in material and workmanship from the date of purchase for the “Warranty
Period” of the product as set forth below:
Lifetime Warranty: All tiller tines against breakage, trimmer shafts, ignition coils and modules on hand
held prod uct.
3 Year Warranty: Spindles (on Zero Turn Riders and Commercial Walk-Behinds)
2 Year COMMERCIAL-Warranty: Husqvarna Commercial Turf Equipment—zero turn riders, wide area
walks, and ground engaging commercial equipment.
2 Year NON-COMMERCIAL Warranty: Automatic Mower, Riding lawn mowers, yard and garden tractors,
walk behind mowers, tillers, chain saws, trimmers, brushcutters, clearing saws, snow blowers, handheld
blowers, backpack blowers, hedge trimmers, electrical products and power-assist collection systems for
non com mer cial, nonprofessional, noninstitutional or nonincome producing use, except as herein stated.
Emission control system components necessary to comply with CARB-TIER-II and EPA regulations,
except for those components which are part of engine systems manufactured by third party engine manu-
facturers for which the purchaser has received a separate warranty with product information supplied at
time of purchase.
1 Year Warranty: Power cutters, stump grinder, pole pruners and pole saws for non-commercial, non-pro-
fessional, non-institutional or non-income producing use. All trimmers, brushcutters, clearing saws, hover-
ing trimmers, stick edgers, backpack blowers, hand held blowers, hedge trimmers, power-assist collection
systems used for commercial, institutional, professional or income producing purposes or use.
Batteries have a one-year prorated limited warranty with 100% replacement during the fi rst 6 months.
90 Day Warranty: Automatic Mower, Chain saws, power cutters, stump grinders, pole saws, pole prun-
ers, snow throwers, model series 580 & 600 walk-behind mowers and commercial turf equipment or any
Husqvarna product used for commercial, institutional, professional, or income producing purposes or use
except as otherwise provided herein.
Husqvarna Safety Apparel carries a 90-day warranty from the date of the customer’s original purchase
for defects in material and workmanship. Normal wear, tear or abuse is not covered under warranty. Prod-
uct must be returned to Charlotte with a warranty claim form. All care and maintenance instructions must
be followed as stated by the manufacturer on the care label. The fi t of the protective apparel/boot is not
covered under warranty.
30 Day Warranty: Replacement parts, accessories including bars and chains, tools and display items.
SECTION 2: HUSQVARNA’S OBLIGATIONS UNDER THE WARRANTY
Husqvarna will repair or replace defective components without charge for parts or labor if a component
fails because of a defect in material or workmanship during the warranty period.
SECTION 3: ITEMS NOT COVERED BY THIS WARRANTY
The following items are not covered by this warranty:
(1)Normal customer maintenance items which become worn through normal regular use, including, but not
limited to, belts, blades, blade adapters, bulbs, fi lters, guide bars, lubricants, rewind springs, saw
chain, spark plugs, starter ropes and tines;
(2)Natural discoloration of material due to ultraviolet light;
(3)Engine and drive systems not manufactured by Husqvarna; these items are covered by the respective
manufacturer’s warranty as provided in writing with the product information supplied at the time of pur-
chase; all claims must be sent to the appropriate manufacturer;
(4)Lawn and garden attachments are covered by a third party which gives a warranty, all claims for war-
ranty should be sent to the manufacturer; and
(5)Emission Control System components necessary to comply with CARB-TIER-II and EPA regulations
which are manufactured by third party engine manufacturer.
SECTION 4: EXCEPTIONS AND LIMITATIONS
This warranty shall be inapplicable to defects resulting from the following:
(1)Accident, abuse, misuse, negligence and neglect, including stale fuel, dirt, abrasives, moisture, rust,
corrosion, or any adverse reaction due to incorrect storage or use habits;
(2)Failure to operate or maintain the unit in accordance with the Owner’s/Operator’s manual or instruc-
tion sheet furnished by Husqvarna;
(3)Alterations or modifi cations that change the intended use of the product or affects the product’s per-
formance, operation, safety, or durability, or causes the product to fail to comply with any applicable
laws; or:
(4)Additional damage to parts or components due to continued use occurring after any of the above.
REPAIR OR REPLACEMENT AS PROVIDED UNDER THIS WARRANTY IS THE EXCLUSIVE REMEDY
OF THE PUR CHAS ER. HUSQVARNA SHALL NOT BE LIABLE FOR ANY INCIDENTAL OR CONSEQUEN-
TIAL DAMAGES FOR BREACH OF ANY EXPRESS OR IMPLIED WARRANTY ON THESE PRODUCTS
EXCEPT TO THE EXTENT PROHIBITED BY APPLICABLE LAW. ANY IMPLIED WARRANTY OF MER-
CHANTABILITY OR FITNESS FOR A PARTICULAR PURPOSE ON THESE PRODUCTS IS LIMITED IN
DURATION TO THE WARRANTY PERIOD AS DEFINED IN THE LIMITED WARRANTY STATEMENT.
HUSQVARNA RE SERVES THE RIGHT TO CHANGE OR IMPROVE THE DESIGN OF THE PRODUCT
WITHOUT NO TICE, AND DOES NOT ASSUME OBLIGATION TO UPDATE PREVIOUSLY MANUFAC-
TURED PROD UCTS.
Some states do not allow the exclusion of incidental or consequential damages, or limitations on how long
an implied warranty lasts, so the above limitations or exclusions may not apply to you. This warranty gives
you specifi c legal rights, and you may also have other rights which vary from state to state.
SECTION 5: CUSTOMER RESPONSIBILITIES
The product must exhibit reasonable care, maintenance, operation, storage and general upkeep as written
in the maintenance section of the Owner’s/Operator’s manual. Should an operational problem or failure occur,
the product should not be used, but delivered as is to an authorized Husqvarna dealer for evaluation. Proof
of purchase, as explained in section 6, rests solely with the customer.
SECTION 6: PROCEDURE TO OBTAIN WARRANTY CONSIDERATION
It is the Owner’s and Dealer’s responsibility to make certain that the Warranty Registration Card is properly
fi lled out and mailed to Husqvarna Forest & Garden Company. This card should be mailed within ten (10)
days from the date of purchase in order to confi rm the warranty and to facilitate post-sale service.
Proof of purchase must be presented to the authorized Husqvarna dealer in order to obtain warranty
service. This proof must include date purchased, model number, serial number, and complete name and
address of the selling dealer.
To obtain the benefi t of this warranty, the product believed to be defective must be delivered to an au-
thorized Husqvarna dealer in a timely manner, no later than thirty (30) days from date of the operational
problem or failure. The product must be delivered at the owner’s expense. Pick-up and delivery charges are
not covered by this warranty. An authorized Husqvarna dealer can be normally located through the “Yellow
Pages” of the local telephone directory or by calling 1-800-HUSKY62 for a dealer in your area.
HUSQVARNA
7349 Statesville Road
Charlotte, NC 28269
531 83 81-23 2002
01960_husqvarn
a
WARRANTY STATEMENT

532 18 85-48 Rev. 3 8.3.04 RD/rad/MH Printed in U.S.A.
01960_husqvarn
a