Hussman Igfp R3 Users Manual
R3P to the manual c715db81-ad39-4ed5-ae51-d8cd8e40e0eb
2015-02-05
: Hussman Hussman-Igfp-R3-Users-Manual-403467 hussman-igfp-r3-users-manual-403467 hussman pdf
Open the PDF directly: View PDF
.
Page Count: 33

R3, R3P
REFRIGERATED SERVICE AND/OR PREP
WITH REFRIGERATED
SELF SERVICE FRONT
P/N IGFP-R3, R3P-0608
INSTALLATION & OPERATION GUIDE
/CHINO
R3, R3P
REF. SERVICE/SELF SERVICE/PREP CASE REV. 0608
Installation
& Operation
Manual

IGFP-R3, R3P-0608
2
/CHINO
A publication of HUSSMANN® Chino
13770 Ramona Avenue • Chino, California 91710
(909) 628-8942 FAX
(909) 590-4910
(800) 395-9229
Keep this booklet with the case at all times for future reference.
General Instructions
Table of Contents
General Instructions...............................................................2
Cut and Plan Views ................................................................3
Installation ...............................................................................4
Location .................................................................................................. 4
Uncrating the Stand ............................................................................... 4
Exterior Loading ..................................................................................... 4
Glass Adjustment ................................................................................... 4
Setting and Joining ................................................................................. 4
Leveling .................................................................................................. 4
Corner Wedges ...................................................................................... 5
Joint Trim ................................................................................................ 5
Scale Stand Installation Instructions ...................................................... 5
Wrapping Boards Installation Instructions .............................................. 6
Bumper Installation Instructions ............................................................. 8
Plumbing ...............................................................................12
Waste Outlet and P-TRAP ................................................................... 12
Installing Condensate Drain ................................................................. 12
Refrigeration .........................................................................12
Refrigerant Type ................................................................................... 12
Piping ................................................................................................... 12
Refrigeration Lines ............................................................................... 12
Control Settings .................................................................................... 12
Access to TX Valves and Drain Lines .................................................. 12
Electronic Expansion Valve (Optional) ................................................. 13
Thermostatic Expansion Valve Location .............................................. 13
Expansion Valve Adjustment ................................................................ 13
Measuring the Operating Superheat .................................................... 13
Evaporator Pressure Regulator ............................................................ 13
Service Case Temperature Control ...................................................... 13
T-STAT Location ................................................................................... 13
Electrical................................................................................13
Wiring Color Code ................................................................................ 13
Electrical Circuit Identication .............................................................. 13
Electrical Service Receptacles (When Applicable) ............................... 13
Field Wiring and Serial Plate Amperage .............................................. 14
Ballast Location .................................................................................... 14
User Information ...................................................................14
Stocking ............................................................................................... 14
Cleaning Glass and Mirrors .................................................................. 14
Replacing Fluorescent Lamps .............................................................. 14
Non-glare Glass ................................................................................... 15
Plexiglass and Acrylic Care .................................................................. 15
Cleaning ............................................................................................... 15
Antistatic Coatings ............................................................................... 15
Evaporator Fans ................................................................................... 15
Copper Coils ........................................................................................ 15
Tips and Troubleshooting ..................................................................... 15
Electrical Wiring Diagrams ..................................................16
Wiring Diagrams ...................................................................17
Appendices ...........................................................................30
Appendix A. - Temperature Guidelines ................................................. 30
Appendix B. - Application Recommendations ...................................... 30
Appendix C. - Field Recommendations ................................................ 30
Appendix D. - Recommendations to User ............................................ 31
This Booklet Contains Information on:
R3: Refrigerated Service Top/Self-Service Front Case
R3P: Service Prep Top/Refrigerated Self-Service Front
Case
R3TO: Service Top only for in-counter installation
Shipping Damage
All equipment should be thoroughly examined for shipping
damage before and during unloading.
This equipment has been carefully inspected at our factory
and the carrier has assumed responsibility for safe arrival.
If damaged, either apparent or concealed, claim must be
made to the carrier.
Apparent Loss or Damage
If there is an obvious loss or damage, it must be noted on
the freight bill or express receipt and signed by the carrier’s
agent; otherwise, carrier may refuse claim. The carrier will
supply necessary claim forms.
Concealed Loss or Damage
When loss or damage is not apparent until after equipment
is uncrated, a claim for concealed damage is made. Make
request in writing to carrier for inspection within 15 days,
and retain all packaging. The carrier will supply inspection
report and required claim forms.
Shortages
Check your shipment for any possible shortages of
material. If a shortage should exist and is found to be the
responsibility of Hussmann Chino, notify Hussmann Chino.
If such a shortage involves the carrier, notify the carrier
immediately, and request an inspection. Hussmann Chino
will acknowledge shortages within ten days from receipt
of equipment.
Hussmann Chino Product Control
The serial number and shipping date of all equipment
has been recorded in Hussmann’s les for warranty and
replacement part purposes. All correspondence pertaining
to warranty or parts ordering must include the serial number
of each piece of equipment involved, in order to provide
the customer with the correct parts.
This equipment is to be installed
to comply with the applicable
NEC, Federal, State , and Local
Plumbing and Construction
Code having jurisdiction.

Rev. 0608
3
Cut and Plan Views
R3
Plan View = 1/4”
48"
8-2"
(Variable Lengths)
CASE FRONT
DRAIN &
ELEC.
STUB UP
18" X 18"
8"
REF.
STUB UP
18" X 18"
8"
20
5/8"
10"
18"
13 1/2"
11 1/4"
23 3/4"
14
5
/
8
"
R3
Ref. Service/Self-Service
Scale = 1/2"
Optional
Shelf
R3P
Service Prep / Self Service Case
Scale = 1/2"
12
3
/
8
"
18"
10"
20
5
/
8
"
13
1
/
2
"
50
3
/
8
"
19
3
/
8
"
6"
36
3
/
8
"
13
1
/
2
"
50
3
/
8
"
50
1
/
4
"
40
1
/
2
"
52
1
/
8
"
20
5
/
8
"
20
7
/
8
"
10
5
/
8
"
Prep Top Area
19
3
/
8
"
12"
6"
12"
8"
R3 Options
Sushi Service Top and Prep Areas With
Two Shelf Self Service Options
Self Contained
Scale = 1/2"
R3TO
Regrigerated
Service /Self Service / Prep Case
Scale = 1/2"
3
6
"
3
6
"
24
3
/
4
"
11
1
/
4
"
14
5
/
8
"
26
1
/
8
"
9
1
/
2
"
Your Counter

IGFP-R3, R3P-0608
4
Installation
Location
The refrigerated merchandisers have been designed for
use only in air conditioned stores where temperature and
humidity are maintained at or below 75°F and 55% relative
humidity. DO NOT allow air conditioning, electric fans, ovens,
open doors or windows (etc.) to create air currents around
the merchandiser, as this will impair its correct operation.
Product temperature should always be maintained at a
constant and proper temperature. This means that from the
time the product is received, through storage, preparation
and display, the temperature of the product must be
controlled to maximize life of the product.
Uncrating the Stand
Place the xture as close to its permanent position as
possible. Remove the top of the crate. Detach the walls
from each other and remove from the skid. Unbolt the case
from the skid. The xture can now be lifted off the crate
skid. Lift only at base of stand!
Exterior Loading
These models have not been structurally designed to
support excessive external loading. Do not walk on their
tops; This could cause serious personal injury and damage
to the xture.
GLASS BREAKAGE MAY OCCUR!
Retighten glass along clamshell after
leveling and first time case is brought
to full operating temperature!
Glass Adjustment
During shipment, the lubricant inside the cylinders may
have settled. This settling may cause excessive or uneven
tension on the glass - to the point of breakage. To avoid
any damage, please follow these three easy steps:
1. Slowly raise and lower each glass section 6 times to
a height of 6 inches.
2. Increase the height to 12 inches, and raise and
lower the glass 6 more times.
3. Finally raise the glass to its full extension, and lower.
These steps should release any settled lubricant within the
cylinders and prevent any stress on the front glass.
Setting and Joining
The sectional construction of these models enable them to
be joined in line to give the effect of one continuous display.
A joint trim kit is supplied with each joint.
Leveling
IMPORTANT! IT IS IMPERATIVE THAT CASES BE
LEVELED FROM FRONT TO BACK AND SIDE TO SIDE
PRIOR TO JOINING. A LEVEL CASE IS NECESSARY
TO INSURE PROPER OPERATION, WATER DRAINAGE,
PLEXIGLASS ALIGNMENT.
NOTE: A. To avoid removing concrete ooring, begin lineup
leveling from the highest point of the store oor.
B. When wedges are involved in a lineup, set them rst.
All cases were leveled and joined prior to shipment to
insure the closest possible t when cases are joined in
the eld. When joining, use a carpenters level and shim
legs accordingly. Case must be raised correctly, under legs
where support is best, to prevent damage to case.
1. Check level of oor where cases are to be set.
Determine the highest point of the oor; cases will
be set off this point.
2. Set rst case, and adjust legs over the highest part
of the oor so that case is level. Prevent
damage - case must be raised under leg or by use
of 2x6 or 2x4 leg brace. Remove side and back leg
braces after case is set.
3. Set second case as close as possible to the rst
case and level case to the rst using the instructions
in step one.
4. Apply masking tape 1/8” in from end of case on
inside and outside rear mullion on both cases to be
joined.
5. Apply liberal bead of case joint sealant (butyl) to
(dotted area shown in gure) rst case. Apply heavy
amount to cover entire shaded area.
DO NOT USE PERMAGUM!
It is the contractor’s responsibility to install
case(s) according to local construction and
health codes.
6. Slide second case up to rst case snugly. Then level
second case to the rst case so glass front, bumper
and top are ush.
7. To compress silicone at joint, use two Jurgenson wood
clamps. Make sure case is level from front to back and
side to side on inside bulkheads at joint.
8. Attach sections together via a 2 bolts located in the
base of the case. Secure the overhead structure by
bolting the bracket, located inside behind lights.
9. Apply bead of silicone to top of bulkheads and slip
on stainless steel bulkhead cap. Also apply silicone
to seam between overhead light tubes.

Rev. 0608
5
10. Use nger to smooth silicone as thin as possible at
masking tape on inside and outside of rear mullion
(apply additional silicone if necessary). Remove
tape applied on line #3.
Corner Wedges
Corner wedges are attached via front and rear camlocks.
Use a 7mm allen wrench to turn the locks. Do not
overtighten! Join the top by using a joint bracket (included
in joint kit) with 3/8” bolts.
Joint Trim
After cases have been leveled and joined, and refrigeration,
electrical, and wasted piping work completed, install the
splashguards. Fasten along the top edge, or center, with
#10 X 3/3” sheet metal screws.
DO NOT SEAL JOINT TRIM TO FLOOR!
Installation (Cont'd)
Scale Stand Installation Instructions
1.- Set Scale Stand to desire location
2.- Drill holes and screw in place
(with screws provided – Hex Tek S/S
10-16 X ½”)
Note: Use hole pattern

IGFP-R3, R3P-0608
6
Installation (Cont'd)
Wrapping Boards Installation Instructions
Step 1: Measure 6 inches from wrapping board end. Step 2: Measure 10 inches from top of the case.
Note: Line up 6 inch mark with 10 inch mark.
Step 3: Use bracket center hole to align with cross mark.
Note: Use pencil/marker to mark hole pattern.
HOLE PATTERN
Step 4: Drill holes (7/32”)
Screws # 14 X 1”
Step 5: Install bracket with screws (provided)
Note: Repeat Steps 1 Thru 5 for Second Bracket Installation.

Rev. 0608
7
Installation (Cont'd)
Step 6: Install upper
support bracket
Step 7: Mount wrap board on top of bracket using a ¼”
spacer to have a gap between rear wall and board. Step 8: screw bracket into wrap board
(screws provided -#8 X 1 ¼”)
Installation Complete

IGFP-R3, R3P-0608
8
Installation (Cont'd)
Bumper Installation Instructions
Step 1: Make sure the aluminum channel and end caps
are installed.
Step 2: Use silicone lubricant to help the
bumper slide into the channel.
Step 3: Starting on one end: while inserting the bumper,
push it up against the end cap to prevent
the bumper from shrinking after installation
(when it gets cold).
Step 4: As you insert the bumper into the channel with
one hand, pull the bumper toward you with
the other to open the inside lips. Slowly
apply pressure by rolling the bumper into
the track.

Rev. 0608
9
Boston Series 2000
NOTE: Flexible top: Over cut vinyl 1/8" for every 4' section for the exible top to ensure a proper t.
NOTE: Rigid Top: Do not over cut.
1. Attach the base and end/corner cap to the desired surface by inserting #8 pan head screws through the pre-slotted
holes in both the end cap and the base. Insert screws through the two holes of end cap and tighten.
2a. Flexible Top: Butt end of the vinyl top against end/corner cap. While applying pressure, bend back vinyl top so that
vinyl legs are positioned within the base grooves. Roll vinyl top over full length of base, then tap with rubber mallet
to ensure vinyl is securely locked into the base.
2b. Rigid Top: Snap the Rigid Top over the Rigid Base.
3. If necessary wipe clean with any household cleaning product.
Helpful Hints:
● For best results, before cutting, install a scrap piece of base into vinyl top to achieve a clean cut.
● Set the uncoiled flexible vinyl at room temperature 24 hours prior to installation.
● Lubricate the inside of the vinyl with soapy water or silicone before installing.
● Over cut the flexible vinyl and compression fit. Adding the additional materials will compensate for stretching which
occurs during installation.
Installation (Cont'd)

IGFP-R3, R3P-0608
10
Boston 2000 Eco Series
1. Attach the base and end/corner cap to the desired surface by inserting #8 pan head screws through the pre-slotted
holes in both the end cap and the base. Insert screws through the two holes of end cap and tighten.
2a. Flexible Top: Butt end of the vinyl top against end/corner cap. While applying pressure, bend back vinyl top so that
vinyl legs are positioned within the base grooves. Roll vinyl top over full length of base, then tap with rubber mallet
to ensure vinyl is securely locked into the base.
2b. Rigid Top: Snap the Rigid Top over the Rigid Base.
3. If necessary wipe clean with any household cleaning product.
Helpful Hints:
● For best results, before cutting, install a scrap piece of base into vinyl top to achieve a clean cut.
● Set the uncoiled flexible vinyl at room temperature 24 hours prior to installation.
● Lubricate the inside of the vinyl with soapy water or silicone before installing.
● Over cut the flexible vinyl and compression fit. Adding the additional materials will compensate for stretching which
occurs during installation.
Installation (Cont'd)

Rev. 0608
11
Boston 1000 Series
NOTE: Flexible top: Over cut vinyl 1/8" for every 4' section for the exible top to ensure a proper t.
NOTE: Rigid Top: Do not over cut.
Installation
1. Attach the base and end/corner cap to the desired surface by inserting #8 pan head screws through the pre-slotted
holes in both the end cap and the base. Insert screws through the two holes of end cap and tighten.
2a. Flexible Top: Butt end of the vinyl top against end/corner cap. While applying pressure, bend back vinyl top so that
vinyl legs are positioned within the base grooves. Roll vinyl top over full length of base, then tap with rubber mallet
to ensure vinyl is securely locked into the base.
2b. Rigid Top: Snap the Rigid Top over the Rigid Base.
3. If necessary wipe clean with any household cleaning product.
Helpful Hints:
● For best results, before cutting, install a scrap piece of base into vinyl top to achieve a clean cut.
● Set the uncoiled flexible vinyl at room temperature 24 hours prior to installation.
● Lubricate the inside of the vinyl with soapy water or silicone before installing.
● Over cut the flexible vinyl and compression fit. Adding the additional materials will compensate for stretching which
occurs during installation.
Installation (Cont'd)

IGFP-R3, R3P-0608
12
Refrigeration
Plumbing
Waste Outlet and P-TRAP
The waste outlet is located off the center of the case on
one side allowing drip piping to be run lengthwise under
the xture. There are 3 drains in each xture that can be
easily located.
1-1/2", 1" and 3/4" P-TRAPS and threaded adapters
are supplied with each xture. The 3 P-TRAPS must be
installed to prevent air leakage and insect entrance into
the xture.
NOTE: PVC-DWV solvent cement is recommended. Follow the
manufacturer’s instructions.
Installing Condensate Drain
Poorly or improperly installed condensate drains can
seriously interfere with the operation of this refrigerator, and
result in costly maintenance and product losses. Please
follow the recommendations listed below when installing
condensate drains to insure a proper installation:
1. Never use pipe for condensate drains smaller
than the nominal diameter of the pipe or P-TRAP
supplied with the case.
2. When connecting condensate drains, the P-TRAP
must be used as part of the condensate drain
to prevent air leakage or insect entrance. Store
plumbing system oor drains should be at least 14"
off the center of the case to allow use of the P-TRAP
pipe section. Never use two water seals in series in
any one line. Double P-TRAPS in series will cause a
lock and prevent draining.
3. Always provide as much down hill slope ("fall") as
possible; 1/8" per foot is the preferred minimum.
PVC pipe, when used, must be supported to
maintain the 1/8" pitch and to prevent warping.
4. Avoid long runs of condensate drains. Long runs
make it impossible to provide the "fall" necessary for
good drainage.
5. Provide a suitable air break between the ood rim of
the oor drain and outlet of condensate drain. 1" is
ideal.
6. Prevent condensate drains from freezing:
a. Do not install condensate drains in contact with
non-insulated suction lines. Suction lines should
be insulated with a non - absorbent insulation
material such as Armstrong's Armaex.
b. Where condensate drains are located in dead
air spaces (between refrigerators or between a
refrigerator and a wall), provide means to prevent
freezing. The water seal should be insulated to
prevent condensation.
Refrigerant Type
The standard refrigerant will be R-22 unless otherwise
specied on the customer order. Check the serial plate on
the case for information.
Piping
The refrigerant line outlets are located under the case.
Locate rst the electrical box, the outlets are then on the
same side of the case but at the opposite end. Insulate
suction lines to prevent condensation drippage.
Refrigeration Lines
Liquid Suction
3/8” O.D. 5/8” O.D.
NOTE: The standard coil is piped at 5/8” (suction); however,
the store tie-in may vary depending on the number of
coils and the draw the case has. Depending on the case
setup, the connecting point in the store may be 5/8”, 7/8”,
or 11/8”. Refer to the particular case you are hooking up.
Refrigerant lines should be sized as shown on the
refrigeration legend furnished by the store.
Install P-TRAPS (oil traps) at the base of all suction line
vertical risers.
Pressure drop can rob the system of capacity. To keep the
pressure drop to a minimum, keep refrigerant line run as
short as possible, using the minimum number of elbows.
Where elbows are required, use long radius elbows only.
Control Settings
See R3, R3P technical data sheet for the appropriate
settings for your merchandiser. Maintain these parameters
to achieve near constant product temperatures. Product
temperature should be measured rst thing in the morning,
after having been refrigerated overnight. Defrost times
should be as follows: OFF CYCLE - Defrost times should
be as directed in the R3, R3P technical data sheet. The
number of defrosts per day and the duration of the defrost
cycle may be adjusted to meet conditions present at your
location.
Access to TX Valves and Drain Lines
Mechanical - Remove product from end of case. Remove
product racks. Remove refrigeration and drain access
panels (labeled). TX valve (mechanical only) and drain are
located under each access panel at end of the case.
Electronic - The Electronic Expansion valve master and
slave cylinder(s) are located within the electrical access
panel(s).

Rev. 0608
13
Electronic Expansion Valve (Optional)
A wide variety of electronic expansion valves and case
controllers can be utilized. Please refer to EEV and
controller manufacturers information sheet. Sensors for
electronic expansion valves will be installed on the coil inlet,
coil outlet, and in the discharge air. (Some supermarkets
require a 4th sensor in the return air). Case controllers will
be located in the electrical raceway or under the case. The
front Self Service Evaporator has an EPR valve installed to
maintain a constant discharge temperature. It is located in
the front at the right side of the case under the fan plenum
near the TX valve.
Thermostatic Expansion Valve Location
This device is located on the same side as the refrigeration
stub. A Sporlan balanced port expansion valve model
is furnished as standard equipment, unless otherwise
specied by customer.
Expansion Valve Adjustment
Expansion valves must be adjusted to fully feed the
evaporator. Before attempting any adjustments, make
sure the evaporator is either clear or very lightly covered
with frost, and that the xture is within 10°F of its expected
operating temperature.
Measuring the Operating Superheat
1. Determine the suction pressure with an accurate
pressure gauge at the evaporator outlet.
2. From a refrigerant pressure temperature chart,
determine the saturation temperature at the
observed suction pressure.
3. Measure the temperature of the suction gas at the
thermostatic remote bulb location.
Electrical
Refrigeration (Cont'd)
Wiring Color Code
CASE MUST BE GROUNDED
NOTE: Refer to label afxed to case to determine the actual
conguration as checked in the “TYPE INSTALLED”
boxes.
Electrical Circuit Identication
Standard lighting for all refrigerated models will be full
length uorescent lamps located within the case at the
top.
The switch controlling the lights, the plug provided for
digital scale, and the thermometer are located at the rear
of the case mullion.
The receptacle that is provided on the exterior back of these
models is intended for computerized scales with a ve amp
maximum load, not for large motors or other high wattage
appliances. It should be wired to a dedicated circuit.
Electrical Service Receptacles (When Applicable)
The receptacles located on the exterior of the merchandiser
are intended for scales and lighted displays. They are not
intended nor suitable for large motors or other external
appliances.
4. Subtract the saturation temperature obtained in step
No. 2 from the temperature measured in step No. 3.
The difference is superheat.
5. Set the superheat for 5°F - 7°F.
Evaporator Pressure Regulator
An Evaporator Pressure Regulator is installed in the front
of the self service section to maintain a constant discharge
temperature. It is located at the front right side of the case,
under the fan plenum near the TX Valve.
Service Case Temperature Control
Temperature control in the upper section of the R3 with
the Service Option is done by means of a thermostat and
suction solenoid valve. This controls both temperature
and humidity.
T-STAT Location
T-STATS are located within the electrical raceway. Refer
to diagram below.
T
-Stat &
Ballast
(Located in the
same place for
hot and cold)
Rear Storage
T-Stat and
Solenoid inside
Storage Area
Front Coils
controlled by
EPR Valve
under Deck Pan
(Right side)

IGFP-R3, R3P-0608
14
BEFORE SERVICING
ALWAYS DISCONNECT ELECTRICAL
POWER AT THE MAIN DISCONNECT
WHEN SERVICING OR REPLACING ANY
ELECTRICAL COMPONENT.
This includes (but not limited to) Fans, Heaters
Thermostats, and Lights.
Field Wiring and Serial Plate Amperage
Field Wiring must be sized for component amperes printed
on the serial plate. Actual ampere draw may be less than
specied. Field wiring from the refrigeration control panel to
the merchandisers is required for refrigeration thermostats.
Most component amperes are listed in the “Case Specs”
section, but always check the serial plate.
Ballast Location
Ballasts are located within the access panel that runs the
length of the rear of the case.
User Information
Stocking
Improper temperature and lighting will cause serious
product loss. Discoloration, dehydration and spoilage
can be controlled with proper use of the equipment and
handling of product. Product temperature should always
be maintained at a constant and proper temperature.
This means that from the time the product is received,
through storage, preparation and display, the temperature
of the product must be controlled to maximize life of the
product. Hussmann cases were not designed to “heat up”
or “cool down” product - but rather to maintain an item’s
proper temperature for maximum shelf life. To achieve the
protection required always:
1. Minimize processing time to avoid damaging
temperature rise to the product. Product should be
at proper temperature.
2. Keep the air in and around the case area free
of foreign gasses and fumes or food will rapidly
deteriorate.
3. Maintain the display merchandisers temperature
controls as outlined in the refrigerator section of this
manual.
4. Do not place any product into these refrigerators
until all controls have been adjusted and they
are operating at the proper temperature. Allow
merchandiser to operate a minimum of 6 hours
before stocking with any product.
5. When stocking, never allow the product to extend
beyond the recommended load limit. Air discharge
and return air ow must be unobstructed at all
times to provide proper refrigeration.
6. Keep the service doors closed (when applicable).
Refrigeration performance will be seriously affected
if left open for a prolonged period of time.
7. Avoid the use of supplemental ood or spot lighting.
Display light intensity has been designed for
maximum visibility and product life at the factory.
The use of higher output uorescent lamps (H.O.
and V.H.O.), will shorten the shelf life of the product.
FOR PROMPT SERVICE
When Contacting the Factory regarding problems.
Be sure to have the Case MODEL and
SERIAL NUMBER Handy. This Information
is on a plate located on the case itself.
Cleaning Glass and Mirrors
Only use a soft cloth and mild glass cleaning for cleaning
any glass or mirrored components. Be sure to rinse and/or
dry completely.
Never use hot water on cold glass surfaces! It may
shatter and cause serious injury! Allow glass surfaces
to warm rst.
Replacing Fluorescent Lamps
Fluorescent lamps are furnished with a shatterproof
protective coating. The same type of lamp with protective
coating must be used if replaced.
ENCAPSULITE
SHATTERPROOF COATING - SA 10645
Complies with FDA USDA
& OSHA Regulations
for replacement call:
1-800-395-9229
Turn switch off then on after replacing bulb
NSF
U
R
R
Electrical (Cont'd)

Rev. 0608
15
Non-glare Glass
Windex® or Glass Plus® are the only solutions recommended
to be used to clean the non-glare glass. The damage to the
glass from improper, caustic solutions is irreparable.
In addition to cleaning the glass with the recommended
product, there are precautions that should be taken when
working and cleaning the inside of the case.
• When cleaning the inside of the cases, we
recommend that the glass be fully opened and
covered to prevent to prevent solutions from
splashing onto the glass and ruining the coating on
the inside.
Plexiglass and Acrylic Care
Improper cleaning not only accelerates the cleaning cycle
but also degrades the quality of this surface. Normal daily
bufng motions can generated static cling attracting dust
to the surface. Incorrect cleaning agents or cleaning cloths
can cause micro scratching of the surface, causing the
plastic to haze over time.
Cleaning
Hussmann recommends using a clean damp chamois, or a
paper towel marketed as dust and abrasive free with 210®
Plastic Cleaner and Polish available by calling Sumner
Labs at 1-800-542-8656. Hard, rough cloths or paper towels
will scratch the acrylic and should not be used.
Antistatic Coatings
The 210® has proven to be very effective in not only
cleaning and polishing the Plexiglass surface, but also
providing antistatic and anti-fog capabilities. This product
also seals pores and provides a protective coating.
User Information (Cont'd)
CLEANING PRECAUTIONS
When cleaning:
• Do not use high pressure water hoses
• Do not introduce water faster than waste outlet can drain
• NEVER ON A SELF CONTAINED UNIT WITH AN EVAPORATOR FAN
• NEVER USE A CLEANING OR SANITIZING SOLUTION THAT HAS AN OIL
BASE (these will dissolve the butyl sealants) or an AMMONIA BASE
(this will corrode the copper componets of the case)
TO PRESERVE THE ATTRACTIVE FINISH:
• DO USE WATER AND A MILD DETERGENT FOR THE EXTERIOR ONLY
• DO NOT USE ABRASIVES OR STEEL WOOL SCOURING PADS
(these will mar the finish)
Evaporator Fans
The evaporator fans are located at the center front of these
merchandisers directly beneath the display pans. Should
fans or blades need servicing, always replace fan blades
with the raised embossed side of the blade TOWARD THE
MOTOR.
Copper Coils
The copper coils used in Hussmann merchandisers may
be repaired in the eld. Materials are available from local
refrigeration wholesalers.
Hussmann recommends using #15 Sil-Fos for repairs.
Tips and Troubleshooting
Before calling for service, check the following:
1. Check electrical power supply to the equipment for
connection.
2. Check xture loading. Overstocking case will affect
its proper operation.
3. If frost is collecting on xture and/or product,
check that no outside doors or windows are
open - allowing moisture to enter store. These
merchandisers were designed for use in stores were
temperature & humidity does not exceed 75° F and
55% H.

IGFP-R3, R3P-0608
16
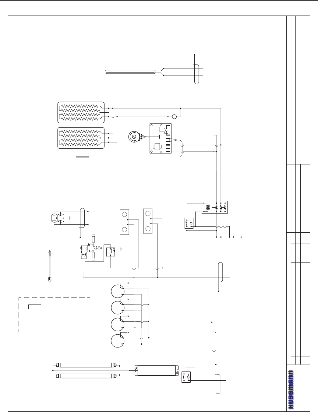
Electrical Wiring Diagrams
R3 Prep 4' W0180047
6' W0180048
8' W0180049
12' W0180051
R3-P-8-REM 8' W1800167
R3-P-4-REM WALMART 4' W1800172
R3-P-6-REM WALMART 6' W1800173
R3 Top Only - Cold 4' W0180101
6' W0180102
8' W0180103
12' W0180105
R3TO 2000 S/C TOP ONLY BLOWER 4' W1800122

Rev. 0608
17
Wiring Diagrams
DATE:
PROJECT TITLE: DRAWING #:
DRAWN BY:
PRODUCTION ORDER #: DRAWING TITLE:
DATE:
Hussmann Corporation, Int'l.
13770 Ramona Avenue
Chino, CA. 91710
(909)-590-4910 Lic.#: 644406
REVISIONS:
#: DESCRIPTION: CHECKED BY:
BY:
FILE LOCATION:
D.QUAN
PAGE OF
?
11
A Updated dwg; revised load ratings; removed fuse 8/29/07 JR
03/17/06 R3 & CR3 CASES W0180047
R3 & CR3 - 4 PREP CASES
LIGHT SWITCH
TIPPETTE
125-01-0311
L
F28T5-48"
125-03-1131
LIGHT
CIRCUIT
TAG ORANGE
FAN CIRCUIT
TAG BROWN
BALLAST 125-01-3266
FULHAM LH3-120-L CAP OFF
WIRE
MM
EVAP FAN MOTORS
(2) 4W .29A @ 120VAC
0392457
LIGHT CIRCUIT= .26A, 28W
L1 N
~120 VAC - 60 Hz.
MCA= .33A
MOP= 15A
BLACK # 14
WHITE # 14
L1 N
~120 VAC - 60 Hz.
MCA= .65A
MOP= 15A
BLACK # 14
WHITE # 14
CIRCUIT #1 36W
NOTE: CASE MUST
BE GROUNDED
1.5
L1
120 V
LOADING

IGFP-R3, R3P-0608
18
DATE:
PROJECT TITLE: DRAWING #:
DRAWN BY:
PRODUCTION ORDER #: DRAWING TITLE:
DATE:
Hussmann Corporation, Int'l.
13770 Ramona Avenue
Chino, CA. 91710
(909)-590-4910 Lic.#: 644406
REVISIONS:
#: DESCRIPTION: CHECKED BY:
BY:
FILE LOCATION:
D.QUAN
PAGE OF
?
11
03/17/06 R3 & CR3 CASES W0180048
R3 & CR3 - 6 PREP CASES
LIGHT SWITCH
TIPPETTE
125-01-0311
L
LIGHT CIRCUIT
TAG ORANGE
FAN MOTOR
CIRCUIT
TAG BROWN
BALLAST 125-01-3266
FULHAM LH3-120-L
FP21/830 T5-36"
125-03-1131
FP21/830 T5-36"
125-03-1131
EVAP FAN MOTORS
(4) 4W .29A @ 120VAC
0392457
LIGHT CIRCUIT= .39A, 42W
L1 N
~120 VAC - 60 Hz.
MCA= 1.2A
MOP= 15A
BLACK # 14
WHITE # 14
L1 N
~120 VAC - 60 Hz.
MCA= .49A
MOP= 15A
BLACK # 14
WHITE # 14
M
MMM
CIRCUIT #1 58W
NOTE: CASE MUST
BE GROUNDED
1.6
L1
120 V
LOADING
A Updated dwg; revised load ratings; removed fuse 8/29/07 JR
Wiring Diagrams (Cont'd)

Rev. 0608
19
DATE:
PROJECT TITLE: DRAWING #:
DRAWN BY:
PRODUCTION ORDER #: DRAWING TITLE:
DATE:
Hussmann Corporation, Int'l.
13770 Ramona Avenue
Chino, CA. 91710
(909)-590-4910 Lic.#: 644406
REVISIONS:
#: DESCRIPTION: CHECKED BY:
BY:
FILE LOCATION:
D.QUAN
PAGE OF
?
11
03/17/06 R3 & CR3 CASES W0180049
R3 & CR3 - 8 PREP CASES
LIGHT SWITCH
TIPPETTE
125-01-0311
BALLAST 125-01-3266
FULHAM LH3-120-L
L
F28T5-48"
125-03-1131
F28T5-48"
125-03-1131
LIGHT CIRCUIT
TAG ORANGE
FAN CIRCUIT
TAG "BOTTOM"
BROWN
M M MM
EVAP FAN MOTORS
(4) 4W .29A @ 120VAC
0392457
LIGHT CIRCUIT= .52A, 56W
L1 N
~120 VAC - 60 Hz.
MCA= 1.2A
MOP= 15A
BLACK # 14
WHITE # 14
L1 N
~120 VAC - 60 Hz.
MCA= .65A
MOP= 15A
BLACK # 14
WHITE # 14
CIRCUIT #1 72W
NOTE: CASE MUST
BE GROUNDED
1.7
L1
120 V
LOADING
A Updated dwg; revised load ratings; removed fuse 8/29/07 JR
Wiring Diagrams (Cont'd)

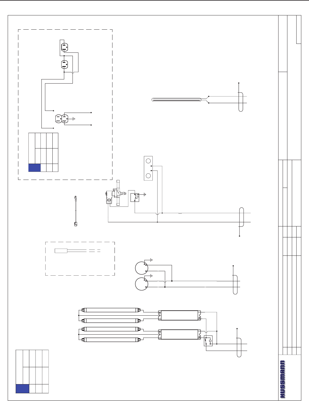
IGFP-R3, R3P-0608
20
DATE:
PROJECT TITLE: DRAWING #:
DRAWN BY:
PRODUCTION ORDER #: DRAWING TITLE:
DATE:
Hussmann Corporation, Int'l.
13770 Ramona Avenue
Chino, CA. 91710
(909)-590-4910 Lic.#: 644406
REVISIONS:
#: DESCRIPTION: CHECKED BY:
BY:
FILE LOCATION:
D.QUAN
PAGE OF
?
11
03/17/06 R3 & CR3 CASES W0180051
R3 & CR3 - 12 PREP CASES
LIGHT SWITCH
TIPPETTE
125-01-0311
BALLAST 125-01-3266
FULHAM LH3-120-L
L
F28T5-48"
125-03-1131
F28T5-48"
125-03-1131
LIGHT CIRCUIT
TAG ORANGE
FAN MOTOR
TAG BROWN
MMMMM M
EVAP FAN MOTORS
(6) 4W .29A @ 120VAC
0392457
LIGHT CIRCUIT= .52A, 56W
L1 N
~120 VAC - 60 Hz.
MCA= 1.8A
MOP= 15A
BLACK # 14
WHITE # 14
L1 N
~120 VAC - 60 Hz.
MCA= .65A
MOP= 15A
BLACK # 14
WHITE # 14
CIRCUIT #1 80W
NOTE: CASE MUST
BE GROUNDED
2.3
L1
120 V
LOADING
A Updated dwg; revised load ratings; removed fuse 8/29/07 JR
Wiring Diagrams (Cont'd)

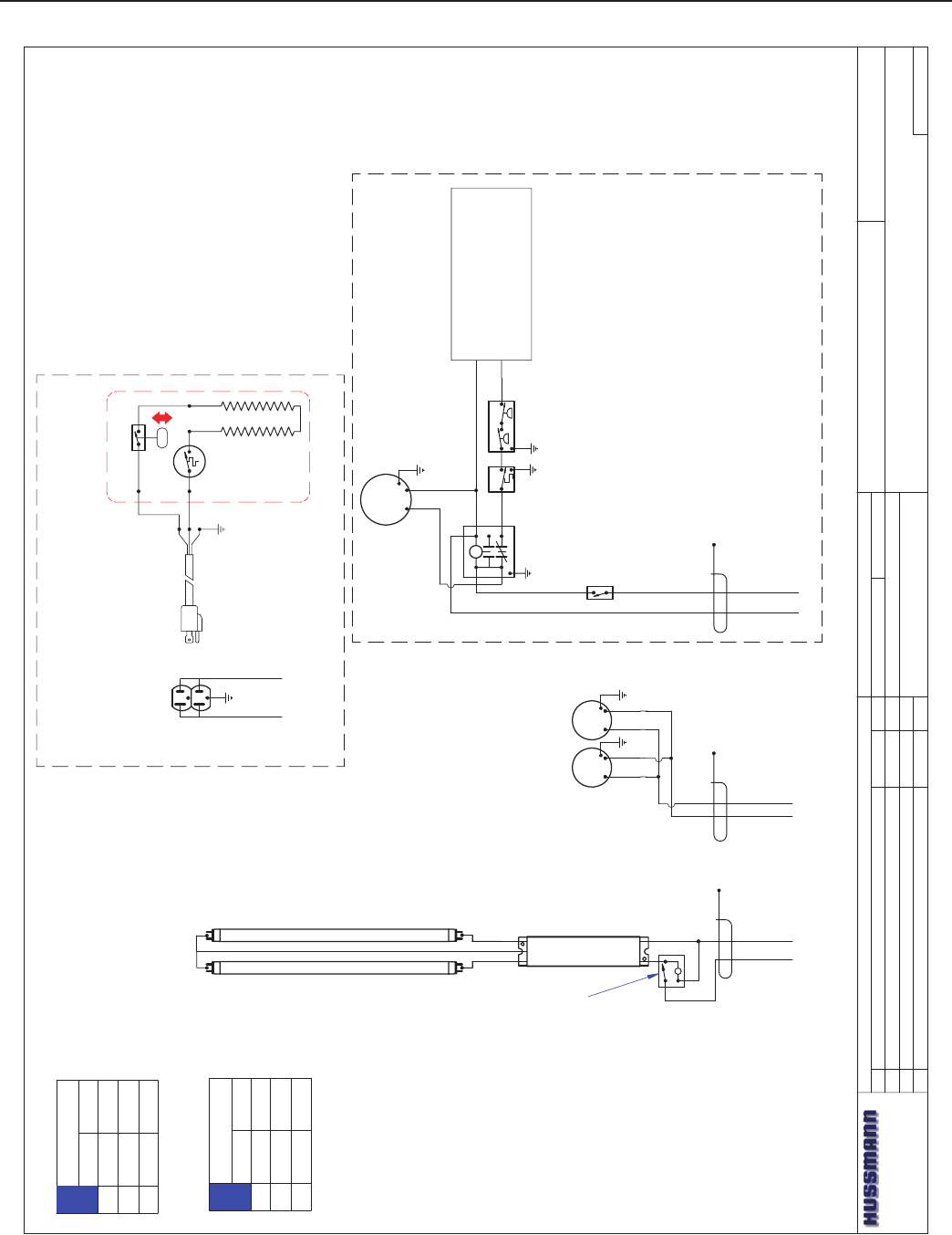
Rev. 0608
21
DATE:
PROJECT TITLE: DRAWING #:
DRAWN BY:
PRODUCTION ORDER #: DRAWING TITLE:
DATE:
Hussmann Corporation, Int'l.
13770 Ramona Avenue
Chino, CA. 91710
(909)-590-4910 Lic.#: 644406
REVISIONS:
#: DESCRIPTION: CHECKED BY:
BY:
FILE LOCATION:
JESSE RIOS
PAGE OF
?
12
5/14/07 W1800167
R3-P-8-REM
914276
L
CONTACTOR
SQUARE -D
8910DPA43V02
125-01-1001
L
~208 / ~240 VAC - 50/60 HZ
PACKTRONICS
CONTROLLER
225-01-3229
L
TEMP. CONTROL
SENSOR
225-01-3228
6421 5
P1
3 7
GRIDDLE HEATER - THERMOFLEX™
(2) 342 W, 1.43A @ 240 VAC
225-01-6787T
BALLAST 125-01-3266
FULHAM LH3-120-L
SWITCH
TIPPETTE
125-01-0311
L1
L2
N
G
PILOT LIGHT
175-01-1102C
RJ-45 NETWORK JACK
125-01-0202
DUPLEX
125-01-3178
CIRCUIT # 3
W G BK
LIGHT CIRCUIT= .47A
CIRCUIT #2
BLK # 14
RED # 14
WHT # 14
BLACK #14
F28T5-48"
125-03-1131
GRN # 14
SENSOR
225-01-3228
F28T5-48"
125-03-1131
FAN MOTOR
0.29 AMP @ 120VAC
(4) 0392457
M
MMM
SENSOR
COMTROL
90TB002G01
225-01-2028
BUNDLE
BROWN
LABELED
FAN CIRCUIT
T-STAT
(1) 225-01-0710
SUCTION SOLENOID
(1) 225-01-3206
BUNDLE
WHITE/BLACK
LABELED
THERMOSTAT
CIRCUIT
~120 VAC - 60 Hz
L1 N
MCA= .59A
MOP= 15A
BLACK #14
WHITE #14
~120 VAC - 1Ø - 60 Hz
~120 VAC - 60 Hz MCA= 1.23A
MOP= 15A
BUNDLE
YELLOW
LABELED
RECEPTACLE
CIRCUIT
BUNDLE
ORANGE
LABELED
LIGHT CIRCUIT
MCA= 3.58A
MOP= 15A
L1 N
L1 N
BLACK #14
WHITE #14
BLACK #14
WHITE #14
WARMER
125-01-0767
TYCO
THERMAL
CONTROLS
10BTV1-CR
80 WATTS
0.67AMP@120V
BUNDLE
PURPLE
LABELED
HEATER
CIRCUIT
LI N
~120 VAC - 1Ø - 50/60 Hz.
MCA= .84A
MOP= 15A
BOHN COIL ASSY
(1) VA-08 120V 0.8A
225-02-0513
MCA= 2.0A
MOP= 15A
Wiring Diagrams (Cont'd)

IGFP-R3, R3P-0608
22
DATE:
PROJECT TITLE: DRAWING #:
DRAWN BY:
PRODUCTION ORDER #: DRAWING TITLE:
DATE:
Hussmann Corporation, Int'l.
13770 Ramona Avenue
Chino, CA. 91710
(909)-590-4910 Lic.#: 644406
REVISIONS:
#: DESCRIPTION: CHECKED BY:
BY:
FILE LOCATION:
JESSE RIOS
PAGE OF
?
22
4/12/07 W1800167
R3-P-8REM
914276
LOADING
120 V
L1
L2
L3
3.9
NOTE: CASE MUST
BE GROUNDED
LOADING
208 V 240V
L1
L2
L3
5.0
5.0
5.7
5.7
NOTE: CASE MUST
BE GROUNDED
CIRCUIT #1
CIRCUIT #2
LOADING
120 V
L1
L2
L3
15.0
NOTE: CASE MUST
BE GROUNDED
CIRCUIT #3
Wiring Diagrams (Cont'd)

Rev. 0608
23
DATE:
PROJECT TITLE: DRAWING #:
DRAWN BY:
PRODUCTION ORDER #: DRAWING TITLE:
DATE:
Hussmann Corporation, Int'l.
13770 Ramona Avenue
Chino, CA. 91710
(909)-590-4910 Lic.#: 644406
REVISIONS:
#: DESCRIPTION: CHECKED BY:
BY:
FILE LOCATION:
JESSE RIOS
PAGE OF
?
11
6/27/07 R3 W1800172
R3-P-4-REM
914520
L
BALLAST 125-01-3266
FULHAM LH3-120-L
RJ-45 NETWORK JACK
125-01-0202
LIGHT CIRCUIT= .47A
F28T5-48"
125-03-1131
F28T5-48"
125-03-1131
FAN MOTOR
0.29 AMP @ 120VAC
(2) 0392457
M
M
SENSOR
225-01-3072
BUNDLE
BROWN
LABELED
FAN CIRCUIT
T-STAT
(1) 225-01-0710
SUCTION SOLENOID
(1) 225-01-3206
BUNDLE
WHITE/BLACK
LABELED
THERMOSTAT
CIRCUIT
~120 VAC - 60 Hz
N L1
MCA= .59A
MOP= 15A
BLACK #14
WHITE #14
~120 VAC - 1Ø - 60 Hz
~120 VAC - 60 Hz MCA= 0.65A
MOP= 15A
BUNDLE
ORANGE
LABELED
LIGHT CIRCUIT
L1 N
L1 N
BLACK #14
WHITE #14
BLACK #14
WHITE #14
WARMER (4ft)
125-01-0767
TYCO
THERMAL
CONTROLS
10BTV1-CR
40 WATTS
0.33AMP@120V
BUNDLE
PURPLE
LABELED
HEATER
CIRCUIT
LI N
~120 VAC - 1Ø - 50/60 Hz.
MCA= .41A
MOP= 15A
BOHN COIL ASSY
(1) VA-08 120V 0.8A
225-02-0513
MCA= 1.0A
MOP= 15A
LIGHT SWITCH
TIPPETTE
125-01-0311
INCOMING POWER
~120 VAC -60 Hz
GFCI
DUPLEX
125-01-3178
NOTE FOR GFCI PROTECTION: IF MORE THAN ONE
SINGLE RECEPTACLE IS USED IN CONJUNCTION WITH
A GFCI DUPLEX RECEPTACLE "DOWNSTREAM" ON
THE LOAD SIDE, THE SUM OF ALL RECEPTACLES
SHOULD NOT BE MORE THAN 15A
LOAD SIDE POWER
~120 VAC -60 Hz
125-01-0443
BLK # 14
WHT # 14
GRN # 14
ALL SINGLE
RECEPTACLES TO BE
TIED TO DUPLEX
GFCI RECEPTACLE
BUNDLE
YELLOW
LABELED
RECEPTACLE
CIRCUIT
15.0
L1
L2
L3
120 V
LOADING
CIRCUIT # 2 (optional)
LOADING
120 V
L1
L2
L3
2.2
NOTE: CASE MUST
BE GROUNDED
CIRCUIT #1
Wiring Diagrams (Cont'd)

IGFP-R3, R3P-0608
24
DATE:
PROJECT TITLE: DRAWING #:
DRAWN BY:
PRODUCTION ORDER #: DRAWING TITLE:
DATE:
Hussmann Corporation, Int'l.
13770 Ramona Avenue
Chino, CA. 91710
(909)-590-4910 Lic.#: 644406
REVISIONS:
#: DESCRIPTION: CHECKED BY:
BY:
FILE LOCATION:
JESSE RIOS
PAGE OF
?
11
6/27/07 R3 W1800173
R3-P-6-REM
914522
L
BALLAST 125-01-3266
FULHAM LH3-120-L
RJ-45 NETWORK JACK
125-01-0202
LIGHT CIRCUIT= 0.7A
F21T5-36"
125-03-1128
FAN MOTOR
0.29 AMP @ 120VAC
(2) 0392457
M
M
SENSOR
225-01-3072
BUNDLE
BROWN
LABELED
FAN CIRCUIT
T-STAT
(1) 225-01-0710
SUCTION SOLENOID
(1) 225-01-3206
BUNDLE
WHITE/BLACK
LABELED
THERMOSTAT
CIRCUIT
~120 VAC - 60 Hz
N L1
MCA= .88A
MOP= 15A
BLACK #14
WHITE #14
~120 VAC - 1Ø - 60 Hz
~120 VAC - 60 Hz MCA= 0.65A
MOP= 15A
BUNDLE
ORANGE
LABELED
LIGHT CIRCUIT
L1 N
L1 N
BLACK #14
WHITE #14
BLACK #14
WHITE #14
WARMER (6ft)
125-01-0767
TYCO
THERMAL
CONTROLS
10BTV1-CR
60 WATTS
0.5AMP@120V
BUNDLE
PURPLE
LABELED
HEATER
CIRCUIT
LI N
~120 VAC - 1Ø - 50/60 Hz.
MCA= .63A
MOP= 15A
BOHN COIL ASSY
(1) VA-012 120V 1.6A
225-02-133
MCA= 2.0A
MOP= 15A
LIGHT SWITCH
TIPPETTE
125-01-0311
INCOMING POWER
~120 VAC -60 Hz
GFCI
DUPLEX
125-01-3178
NOTE FOR GFCI PROTECTION: IF MORE THAN ONE
SINGLE RECEPTACLE IS USED IN CONJUNCTION WITH
A GFCI DUPLEX RECEPTACLE "DOWNSTREAM" ON
THE LOAD SIDE, THE SUM OF ALL RECEPTACLES
SHOULD NOT BE MORE THAN 15A
LOAD SIDE POWER
~120 VAC -60 Hz
125-01-0443
BLK # 14
WHT # 14
GRN # 14
ALL SINGLE
RECEPTACLES TO BE
TIED TO DUPLEX
GFCI RECEPTACLE
BUNDLE
YELLOW
LABELED
RECEPTACLE
CIRCUIT
15.0
L1
L2
L3
120 V
LOADING
CIRCUIT # 2 (optional)
BALLAST 125-01-3266
FULHAM LH3-120-L
F21T5-36"
125-03-1128
F21T5-36"
125-03-1128
F21T5-36"
125-03-1128
LOADING
120 V
L1
L2
L3
3.4
NOTE: CASE MUST
BE GROUNDED
CIRCUIT #1
Wiring Diagrams (Cont'd)

Rev. 0608
25
DATE:
PROJECT TITLE: DRAWING #:
DRAWN BY:
PRODUCTION ORDER #: DRAWING TITLE:
DATE:
Hussmann Corporation, Int'l.
13770 Ramona Avenue
Chino, CA. 91710
(909)-590-4910 Lic.#: 644406
REVISIONS:
#: DESCRIPTION: CHECKED BY:
BY:
FILE LOCATION:
D.QUAN
PAGE OF
?
11
03/17/06 R3 & CR3 CASES W0180101
R3 & CR3 - 4 TOP ONLY COLD CASES
LIGHT SWITCH
TIPPETTE
125-01-0311
L
F28T5-48"
125-03-1131
T-STAT
(1) 225-01-0707
SUCTION SOLENOID
(1) 225-01-3202
BUNDLE
BLACK/WHITE
BUNDLE
BROWN
AXIAL EVAP FANS
0.16 AMP 11W@ 120VAC
(2) 125-01-2011
BALLAST 125-01-3266
FULHAM LH3-120-L CAP OFF
WIRE
M
M
~120 VAC - 60 Hz.
MCA= .33A
MOP= 15A
L1 N
BLACK # 14
WHITE # 14
BUNDLE
ORANGE
~120 VAC - 60 Hz.
L1
N
BLACK # 14
WHITE # 14
~120 VAC - 60 Hz.
MCA= .36A
MOP= 15A
L1 N
BLACK # 14
WHITE # 14
LIGHT CIRCUIT= .26A 28W
CIRCUIT #1 50W
NOTE: CASE MUST
BE GROUNDED
0.6
L1
120 V
LOADING
A Updated dwg; revised load ratings 9/4/07 JR
Wiring Diagrams (Cont'd)

IGFP-R3, R3P-0608
26
DATE:
PROJECT TITLE: DRAWING #:
DRAWN BY:
PRODUCTION ORDER #: DRAWING TITLE:
DATE:
Hussmann Corporation, Int'l.
13770 Ramona Avenue
Chino, CA. 91710
(909)-590-4910 Lic.#: 644406
REVISIONS:
#: DESCRIPTION: CHECKED BY:
BY:
FILE LOCATION:
D.QUAN
PAGE OF
?
11
03/17/06 R3 & CR3 CASES W0180102
R3 & CR3 - 6 TOP ONLY COLD CASES
LIGHT SWITCH
TIPPETTE
125-01-0311
L
T-STAT
(1) 225-01-0707
SUCTION SOLENOID
(1) 225-01-3202
BUNDLE
ORANGE
BUNDLE
WHITE/BLACK
M
BUNDLE
BROWN
BALLAST 125-01-3266
FULHAM LH3-120-L
FP21/830 T5-36"
(2)125-03-1131
~120 VAC - 60 Hz.
MCA= .49A
MOP= 15A
L1 N
BLACK # 14
WHITE # 14
LIGHT CIRCUIT= .39A 42W
~120 VAC - 60 Hz.
MCA= .68A
MOP= 15A
L1 N
BLACK # 14
WHITE # 14
~120 VAC - 60 Hz.
L1
N
BLACK # 14
WHITE # 14
AXIAL EVAP FANS
0.16 AMP 11W@ 120VAC
(4) 125-01-2011
M
MM
CIRCUIT #1 86W
NOTE: CASE MUST
BE GROUNDED
1.0
L1
120 V
LOADING
A Updated dwg; revised load ratings; removed fuse 9/5/07 JR
Wiring Diagrams (Cont'd)

Rev. 0608
27
DATE:
PROJECT TITLE: DRAWING #:
DRAWN BY:
PRODUCTION ORDER #: DRAWING TITLE:
DATE:
Hussmann Corporation, Int'l.
13770 Ramona Avenue
Chino, CA. 91710
(909)-590-4910 Lic.#: 644406
REVISIONS:
#: DESCRIPTION: CHECKED BY:
BY:
FILE LOCATION:
D.QUAN
PAGE OF
?
11
03/17/06 R3 & CR3 CASES W0180103
R3 & CR3 - 8 TOP ONLY COLD CASES
LIGHT SWITCH
TIPPETTE
125-01-0311
BALLAST 125-01-3266
FULHAM LH3-120-L
L
F28T5-48"
(2)125-03-1131
T-STAT
(1) 225-01-0707
SUCTION SOLENOID
(1) 225-01-3202
BUNDLE
ORANGE
BUNDLE
WHITE/BLACK
BUNDLE
BROWN
M M M
M
~120 VAC - 60 Hz.
MCA= .65A
MOP= 15A
L1 N
BLACK # 14
WHITE # 14
LIGHT CIRCUIT= .52A 56W
~120 VAC - 60 Hz.
L1
N
BLACK # 14
WHITE # 14
~120 VAC - 60 Hz.
MCA= .68A
MOP= 15A
L1 N
BLACK # 14
WHITE # 14
AXIAL EVAP FANS
0.16 AMP 11W@ 120VAC
(4) 125-01-2011
CIRCUIT #1 100W
NOTE: CASE MUST
BE GROUNDED
1.2
L1
120 V
LOADING
A Updated dwg; revised load ratings; removed fuse 9/5/07 JR
Wiring Diagrams (Cont'd)

IGFP-R3, R3P-0608
28
DATE:
PROJECT TITLE: DRAWING #:
DRAWN BY:
PRODUCTION ORDER #: DRAWING TITLE:
DATE:
Hussmann Corporation, Int'l.
13770 Ramona Avenue
Chino, CA. 91710
(909)-590-4910 Lic.#: 644406
REVISIONS:
#: DESCRIPTION: CHECKED BY:
BY:
FILE LOCATION:
D.QUAN
PAGE OF
?
11
03/17/06 R3 & CR3 CASES W0180105
R3 & CR3 - 12 TOP ONLY COLD CASES
LIGHT SWITCH
TIPPETTE
125-01-0311
BALLAST 125-01-3266
FULHAM LH3-120-L
L
F28T5-48"
125-03-1131
F28T5-48"
125-03-1131
T-STAT
(1) 225-01-0707
SUCTION SOLENOID
(1) 225-01-3202
BUNDLE
ORANGE
BUNDLE
WHITE/BLACK BUNDLE
BROWN
MMMMM M
~120 VAC - 60 Hz.
MCA= .65A
MOP= 15A
L1 N
BLACK # 14
WHITE # 14
LIGHT CIRCUIT= .52A 56W
~120 VAC - 60 Hz.
L1
N
BLACK # 14
WHITE # 14
~120 VAC - 60 Hz.
MCA= 1.0A
MOP= 15A
L1 N
BLACK # 14
WHITE # 14
AXIAL EVAP FANS
0.16 AMP 11W@ 120VAC
(6) 125-01-2011
CIRCUIT #1 122W
NOTE: CASE MUST
BE GROUNDED
1.5
L1
120 V
LOADING
A Updated dwg; revised load ratings; removed fuse 9/5/07 JR
Wiring Diagrams (Cont'd)

Rev. 0608
29
DATE:
PROJECT TITLE: DRAWING #:
DRAWN BY:
PRODUCTION ORDER #: DRAWING TITLE:
DATE:
Hussmann Corporation, Int'l.
13770 Ramona Avenue
Chino, CA. 91710
(909)-590-4910 Lic.#: 644406
REVISIONS:
#: DESCRIPTION: CHECKED BY:
BY:
FILE LOCATION:
M. KIMURA
PAGE OF
?
11
03/23/04 R3TO-2000-4-S/C W1800122
R3TO-2000-4-S/C
L
LIGHT SWITCH
TIPPETTE
125-01-0311
TOP LIGHTING SECTION
(1) FP28/835 125-03-1131
AXIAL EVAP FANS COMAIR™
(2) 3" SU2B7-E1 125-01-2011
.16A 11W @120VAC
BALLAST 125-01-3266
FULHAM LH3-120-L SHELF LIGHT
(1) FP28/835 125-03-1131
OPTIONAL
CIRCUIT #2
PRESSURE
SAFETY
TX
4
N
3
1
2
DEFROST TIMER
PARAGON 8045-00
~115 V - 60 Hz.
125-01-0710
CONDENSER FAN
T-STAT
POWER SWITCH
MM
M
BUNDLE
YELLOW
SAFETY
SWITCH
FLOAT SWITCH
~120 VAC - 60 Hz.
MCA= 15.6A
MOP= 20A
PLUG NEMA 5-15P
L1
N
BLACK # 14
WHITE # 14
FISHER™ EVAPOWAY™
DM15WW1D
1500W @ ~ 120 VAC
12.5A
125-01-0765
DUPLEX
125-01-3049
CONDENSING UNIT
COPELAND MCFH-0027-IAA-201
RLA= 6.65A 1300W
LRA= 29.0
MCC= 9.6A
225-03-0111A
L2
L1
CONDENSING UNIT
BUNDLE BLUE
~120 VAC - 60 Hz.
MCA= 8.3A
MOP= 15A
L1
N
BLACK # 14
WHITE # 14
~120 VAC - 60 Hz.
MCA= .36A
MOP= 15A
L1 N
BLACK # 14
WHITE # 14
~120 VAC - 60 Hz.
MCA= .65A
MOP= 15A
L1 N
BLACK # 14
WHITE # 14
LIGHT CIRCUIT= .52A 56W
BUNDLE
BROWN
BUNDLE
ORANGE
GRN # 14
NOTE: CASE MUST BE GROUNDED
CIRCUIT #1 1378W
CIRCUIT #2 1500W
7.5L1
120 V
LOADING
20.0
L1
120 V
LOADING
A Updated dwg; revised load ratings 9/4/07 JR
Wiring Diagrams (Cont'd)

IGFP-R3, R3P-0608
30
Appendix A. - Temperature Guidelines
The refrigerators should be operated according to the
manufacturer’s published engineering specications for
entering air temperatures for specic equipment applications.
Table 1 shows the typical temperature of the air entering the
food zone one hour before the start of defrost and one hour
after defrost for various categories of refrigerators. Refer to
Appendix C for Field Evaluation Guidelines.
Table 1
Type of Refrigerator Typical Entering
Air Temperature
I. OPEN DISPLAY
A. Non frozen:
1) Meat 28°F
2) Dairy/Deli 32°F
3) Produce
a. Processed 36°F
b. Unprocessed 45°F
B. Frozen 0°F
C. Ice Cream -5°F
II. CLOSED DISPLAY
A. Non frozen:
1) Meat 34°F
2) Dairy/Deli 34°F
3) Produce
a. Processed 36°F
b. Unprocessed 45°F
B. Frozen 0°F
C. Ice Cream -5°F
Single Deck Multi Deck Service Case Reach-In
I. Open Display Styles II. Closed Display Styles
Appendix B. - Application Recommendations
1.0 Temperature performance is critical for controlling
bacteria growth. Therefore, the following
recommendations are included in the standard.
They are based on conrmed eld experience
over many years.
1.1 The installer is responsible for following the
installation instructions and recommendations
provided by Hussmann for the installation
of each individual type refrigerator.
1.2
Refrigeration piping should be sized according to
the equipment manufacturer’s recommendations
and installed in accordance with normal
refrigeration practices. Refrigeration piping
should be insulated according to Hussmann’s
recommendations.
1.3 A clogged waste outlet blocks refrigeration. The
installer is responsible for the proper installation
of the system which dispenses condensate waste
through an air gap into the building indirect waste
system.
1.4 The installer should perform a complete start-up
evaluation prior to the loading of food into the
refrigerator, which includes such items as:
a) Initial temperature performance, Coils should
be properly fed with a refrigerant according to
manufacturer’s recommendations.
b) Observation of outside inuences such
as drafts, radiant heating from the ceiling
and from lamps. Such inuence should be
properly corrected or compensated for.
c) At the same time, checks should be made of
the store dry-bulb and wet-bulb temperatures
to ascertain that they are within the limits
prescribed by Hussmann.
d) Complete start-up procedures should include
checking through a defrost to make certain
of its adequate frequency and length without
substantially exceeding the actual needs.
This should include checking the electrical
or refrigerant circuits to make sure that
defrosts are correctly programmed for all the
refrigerators connected to each refrigeration
system.
e) Recording instruments should be used to
check performance.
Appendix C. - Field Recommendations
Recommendations for eld evaluating the
performance of retail food refrigerators and hot
cases
1.0 The most consistent indicator of display
refrigerator performance is temperature of the air
entering the product zone (see Appendix A). In
practical use, the precise determination of return
air temperature is extremely difcult. Readings of
return air temperatures will be variable and results
will be inconsistent. The product temperature
alone is not an indicator of refrigerator
performance.
NOTE: Public Health will use the temperature of the product in
determining if the refrigerator will be allowed to display
potentially hazardous food. For the purpose of this
evaluation, product temperature above the FDA Food
Code 1993 temperature for potentially hazardous food
will be the rst indication that an evaluation should
be performed. It is expected that all refrigerators will
keep food at the FDA Food Code 1993 temperature for
potentially hazardous food.
Appendices

Rev. 0608
31
1.1 The following recommendations are made
for the purpose of arriving at easily taken and
understood data which, coupled with other
observations, may be used to determine whether
a display refrigerator is working as intended:
a) INSTRUMENT - A stainless steel stem-type
thermometer is recommended and it should
have a dial a minimum of 1 inch internal
diameter. A test thermometer scaled only
in Celsius or dually scaled in Celsius and
Fahrenheit shall be accurate to 1°C (1.8°F).
Temperature measuring devices that are
scaled only in Fahrenheit shall be accurate to
2°F. The thermometer should be checked for
proper calibration. (It should read 32°F when
the stem is immersed in an ice water bath).
b) LOCATION - The probe or sensing element
of the thermometer should be located in
the airstream where the air rst enters the
display or storage area, and not more than
1 inch away from the surface and in the
center of the discharge opening.
c) READING - It should rst be determined
that the refrigerator is refrigerating and has
operated at least one hour since the end
of the last defrost period. The thermometer
reading should be made only after it has
been allowed to stabilize, i.e., maintain a
constant reading.
d) OTHER OBSERVATIONS - Other
observations should be made which may
indicate operating problems, such as
unsatisfactory product, feel/appearance.
e) CONCLUSIONS - In the absence of any
apparent undesirable conditions, the
refrigerator should be judged to be operating
properly. If it is determined that such
condition is undesirable, i.e., the product is
above proper temperature, checks should be
made for the following:
1. Has the refrigerator been loaded with warm
product?
2. Is the product loaded beyond the “Safe Load
Line” markers?
3. Are the return air ducts blocked?
4. Are the entering air ducts blocked?
5.
Is a dumped display causing turbulent air ow and
mixing with room air?
6. Are spotlights or other high intensity lighting
directed onto the product?
7. Are there unusual draft conditions (from heating/
air-conditioning ducts, open doors, etc.)?
8. Is there exposure to direct sunlight?
9. Are display signs blocking or diverting airow?
10. Are the coils of the refrigerator iced up?
11. Is the store ambient over 75°F, 55% RH as set
forth in ASHRAE Standard 72 and ASHRAE
Standard 117?
12. Are the shelf positions, number, and size other
than recommended by Hussmann?
13. Is there an improper application or control
system?
14. Is the evaporator fan motor/blade inoperative?
15. Is the defrost time excessive?
16. Is the defrost termination, thermostat (if used) set
too high?
17. Are the refrigerant controls incorrectly adjusted?
18. Is the air entering the condenser above design
conditions? Are the condenser ns clear of dirt,
dust, etc.?
19. Is there a shortage of refrigerant?
20. Has the equipment been modied to use
replacements for CFC-12, CFC-502 or other
refrigerant? If so, have the modications been
made in accordance with the recommendations of
the equipment manufacturer? Is the refrigerator
charged with the proper refrigerant and lubricant?
Does the system use the recommended
compressor?
Appendix D. - Recommendations to User
1.0 Hussmann Corporation provides instructions
and recommendations for proper periodic
cleaning. The user will be responsible for
such cleaning, including the cleaning of low
temperature equipment within the compartment
and the cooling coil area(s). Cleaning practices,
particularly with respect to proper refrigerator
unloading and warm-up, must be in accordance
with applicable recommendations.
Appendices (Cont'd)

IGFP-R3, R3P-0608
32
1.1 Cleaning of non frozen food equipment
should include a weekly cleaning of the food
compartment as a minimum to prevent bacteria
growth from accumulating. Actual use and
products may dictate more frequent cleaning.
Circumstances of use and equipment design
must also dictate the frequency of cleaning the
display areas. Weekly washing down of the
storage compartment is also recommended,
especially for equipment subject to drippage
of milk or other liquids, or the collection of
vegetable, meat, crumbs, etc. or other debris
or litter. Daily cleaning of the external areas
surrounding the storage or display compartments
with detergent and water will keep the equipment
presentable and prevent grime buildup.
1.2 Load levels as dened by the manufacturer must
be observed.
1.3 The best preservation is achieved by following
these rules:
a) Buy quality products.
b) Receive perishables from transit equipment
at the ideal temperature for the particular
product.
c) Expedite perishables to the store’s storage
equipment to avoid unnecessary warm-up
and prolonged temperature recovery. Food
store refrigerators are not food chillers nor
can they reclaim quality lost through previous
mishandling.
d) Care must be taken when cross
merchandising products to ensure that
potentially hazardous vegetable products are
not placed in non refrigerated areas.
e) Display and storage equipment doors should
be kept closed during periods of inactivity.
f) Minimize the transfer time of perishables
from storage to display.
g) Keep meat under refrigeration in meat cutting
and processing area except for the few
moments it is being handled in processing.
When a cut or tray of meat is not to be
worked on immediately, the procedure should
call for returning it to refrigeration.
h) Keep tools clean and sanitized. Since
mechanical equipment is used for fresh
meat processing, all such equipment should
be cleaned at least daily and each time
a different kind of meat product comes in
contact with the tool or equipment.
i) Make sure that all refrigeration equipment is
installed and adjusted in strict accordance
with the manufacturer’s recommendations.
j) See that all storage and refrigeration
equipment is kept in proper working order by
routine maintenance.
Appendices (Cont'd)
For further technical information, please log on to http://www.hussmann.com/products/R3P.htm
or http://www.hussmann.com/products/R3TO.htm

The MODEL NAME and SERIAL NUMBER is required in order to provide
you with the correct parts and information for your particular unit.
They can be found on a small metal plate on the unit.
Please note them below for future reference.
MODEL:
SERIAL NUMBER:
/Chino
Additional copies of this publication may be obtained by contacting:
Hussmann® Chino
13770 Ramona Avenue • Chino, California 91710
(909) 628-8942 FAX
(909) 590-4910
(800) 395-9229
Service Record
Last service date: By:
_______________ __________________________________________________________________________________________________
_______________ __________________________________________________________________________________________________
_______________ __________________________________________________________________________________________________
_______________ __________________________________________________________________________________________________
_______________ __________________________________________________________________________________________________
_______________ __________________________________________________________________________________________________
_______________ __________________________________________________________________________________________________
IGFP-R3, R3P-0608