IMAGE Treadmill Manual L0904A10
IMTL39520 IMTL39520 IMAGE IMAGE 10.0 - Manuals and Guides L0904A10 View the owners manual for your IMAGE IMAGE 10.0 #IMTL39520. Home:Fitness Equipment Parts:Image Parts:Image IMAGE 10.0 Manual
User Manual: IMAGE IMAGE Treadmill Manual IMAGE Treadmill Owner's Manual, IMAGE Treadmill installation guides
Open the PDF directly: View PDF
.
Page Count: 30

®
O
Model No. IMTL39520
Serial No.
(__ Serial
Number
QUESTIONS?
If you have questions, or if there
are missing or damaged parts,
we will guarantee complete sat-
isfaction through direct assis-
tance from our factory.
TO AVOID DELAYS, PLEASE
CALL DIRECT TO OUR TOLL-
FREE CUSTOMER HOT LINE.
The trained technicians on our
Customer Hot Line will provide
immediate assistance, free of
charge to you.
CUSTOMER HOT LINE:
1-800-999-3756
Mon.-Fri., 6 a.m.-6 p.m. MST
USER'S MANUAL
Patent Pending
www.imagefitness.com
new products, prizes,
fitness tips, and much more!

TABLE OF CONTENTS
IMPORTANT PRECAUTIONS ................................................................. 3
BEFORE YOU BEGIN ....................................................................... 5
ASSEMBLY ............................................................................... 6
OPERATION AND ADJUSTMENT ............................................................. 9
HOW TO FOLD AND MOVE THE TREADMILL .................................................. 20
TROUBLESHOOTING ...................................................................... 22
CONDITIONING GUIDELINES ............................................................... 24
PART LIST ............................................................................... 27
ORDERING REPLACEMENT PARTS .................................................. Back Cover
LIMITED WARRANTY ............................................................... Back Cover
Note: An EXPLODED DRAWING and a PART LIST are attached in the center of this manual.
IMAGE is a registered trademark of ICON Health & Fitness, Inc.
2

IMPORTANT PRECAUTIONS
WARN ING: To reduce the risk of burns, fire, electric shock, or injury to persons, read the
following important precautions and information before operating the treadmill.
1. It is the responsibility of the owner to ensure
that all users of this treadmill are adequately
informed of all warnings and precautions.
2. Use the treadmill only as described.
.
12.
Place the treadmill on a level surface, with at
least eight feet of clearance behind it and two 13.
feet on each side. Do not place the treadmill
on any surface that blocks air openings. To 14.
protect the floor or carpet from damage, place
a mat under the treadmill.
4. Keep the treadmill indoors, away from mois-
ture and dust. Do not put the treadmill in a
garage or covered patio, or near water.
5. Do not operate the treadmill where aerosol
products are used or where oxygen is being
administered.
6. Keep children under the age of 12 and pets
away from the treadmill at all times.
7. The treadmill should not be used by persons
weighing more than 250 pounds.
8. Never allow more than one person on the
treadmill at a time.
15.
.
16.
17.
Wear appropriate exercise clothes when
using the treadmill. Do not wear loose clothes 18.
that could become caught in the treadmill.
Athletic support clothes are recommended for
both men and women. Always wear athletic
shoes. Never use the treadmill with bare feet, 19.
wearing only stockings, or in sandals.
10. When connecting the power cord (see page 9),
plug the power cord into a surge suppressor
(not included) and plug the surge suppressor
into a grounded circuit capable of carrying 15
or more amps. No other appliance should be on
the same circuit. Do not use an extension cord.
11. Use only a single-outlet surge suppressor that
meets all of the specifications described on
page 9. To purchase a surge suppressor, see
your local IMAGE dealer or call 1-800-806-3651
and order part number 146148.
20.
21.
Failure to use a properly functioning surge
suppressor could result in damage to the con-
trol system of the treadmill. If the control sys-
tem is damaged, the walking belt may change
speed or stop unexpectedly, which may result
in a fall and serious injury.
Keep the power cord and the surge suppres-
sor away from heated surfaces.
Never move the walking belt while the power
is turned off. Do not operate the treadmill if
the power cord or plug is damaged, or if the
treadmill is not working properly. (See
BEFORE YOU BEGIN on page 5 if the tread-
mill is not working properly.)
Never start the treadmill while you are stand-
ing on the walking belt. Always hold the
handrails while using the treadmill.
The treadmill is capable of high speeds.
Adjust the speed in small increments to avoid
sudden jumps in speed.
The pulse sensor is not a medical device.
Various factors, including the user's move-
ment, may affect the accuracy of heart rate
readings. The pulse sensor is intended only
as an exercise aid in determining heart rate
trends in general.
Never leave the treadmill unattended while it
is running. Always remove the key, and un-
plug the power cord when the treadmill is not
in use.
Do not attempt to raise, lower, or move the
treadmill until it is properly assembled. (See
ASSEMBLY on page 6, and HOW TO FOLD
AND MOVE THE TREADMILL on page 20.) You
must be able to safely lift 45 pounds (20 kg) in
order to raise, lower, or move the treadmill.
Do not change the incline of the treadmill by
placing objects under the treadmill.
When folding or moving the treadmill, make
sure that the storage latch is fully closed.
3

22. When using iFIT.com CDs and videos, an
electronic "chirping" sound will alert you
when the speed of the treadmill is about to
change. Always listen for the "chirp" and be
prepared for speed changes. In some in-
stances, the speed may change before the
personal trainer describes the change.
23. When using iFIT.com CDs and videos, you
can manually override the speed setting at
any time by pressing the speed buttons.
However, when the next "chirp" is heard, the
speed will change to the next settings for the
CD or video program.
24. Always remove iFIT.com CDs and videos from
your CD player or VCR when you are not
using them.
25. Inspect and properly tighten all parts of the
26.
27.
28.
treadmill regularly.
Never insert or drop any object into any
opening.
DANGER: Always unplug the power
cord immediately after use, before cleaning
the treadmill, and before performing the main-
tenance and adjustment procedures de-
scribed in this manual. Never remove the
motor hood unless instructed to do so by an
authorized service representative. Servicing
other than the procedures in this manual
should be performed by an authorized service
representative only.
This treadmill is intended for in-home use
only. Do not use this treadmill in any commer-
cial, rental, or institutional setting.
_, tAIA_k||k|r"
_VV/'&I'_,,_II,111_I : Before beginning this or any exercise program, consult your physician. This
is especially important for persons over the age of 35 or persons with pre-existing health problems.
Read all instructions before using. ICON assumes no responsibility for personal injury or property
damage sustained by or through the use of this product.
SAVE THESE INSTRUCTIONS
The decals shown have been placed on your treadmill. If a decal is missing, or if
it is not legible, please call our Customer Service Department, toll-free, to order
afree replacement decal (see the front cover of this manual). Apply the decal in
the location shown. Note: The decals are not all shown at actual size.
WARNING
/Disassembly.
ACAUTION
KEEPHANDSANDFEETAWAY
FROMTHISAREAWHILETHE
TREADMILLIS INOPERATION.
AWARNING:
Protect yourself and
others from risk of senous
Injury. Read the user's
manual and
_,_ .Stand only on the
side rails when
starting or stopping
treadm41
•Change speed in
small increments
•Hold handrails to
prevent fall_ng and
always wear the
safety cl,p wh4e
operabng treadmill
•Stop if you feel faEnt,
dizzy or short of
breath
•Fully engage storage
latch before tread-
mill is moved or
stored
•Reduce incline to its
lowest level before
folding trear_mdl into
storage position
,Never allow
children on or
, around treadmdl,
•Remove Key when
not in use,
•Keep clothing,
i_ fingers and hair
away from moving
belt
•Never try to adjust
or f_x the belt wh4e
it IS moving
•Always wear
athletic shoes while
operating treadmill.
4

BEFORE YOU BEGIN
Thank you for selecting the new IMAGE <R_10.0 tread-
mill. The 10.0 treadmill combines advanced technology
with innovative design to help you get the most from
your exercise program in the convenience of your
home. And when you're not exercising, the unique 10.0
can be folded up, requiring less than half the floor
space of other treadmills.
For your benefit, read this manual carefully before
using the treadmill. If you have questions after read-
ing this manual, please call our Customer Service
Department toll-free at 1-800-999-3756, Monday
through Friday, 6 a.m. until 6 p.m. Mountain Time (ex-
cluding holidays). To help us assist you, please note
the product model number and serial number before
calling. The model number of the treadmill is
IMTL39520. The serial number can be found on a
decal attached to the treadmill (see the front cover of
this manual for the location).
Before reading further, please review the drawing
below and familiarize yourself with the labeled parts.
Water Bottle
Holder (Bottle
not included)
Thumb Pulse Sensor
Latch Knob
LEFT SIDE
Book Holder
Console
Handrail
Key/Clip
RIGHT SIDE
Circuit Breaker
Foot Rail
Walking Belt Power Cord
Front Wheel
Cushioned Walking Platform
Rear Roller
Adjustment Bolts

ASSEMBLY
Assembly requires two persons. Set the treadmill in a cleared area and remove all packing materials. Do not
dispose of the packing materials until assembly is completed. Assembly requires your own Phillips screw-
driver _, adjustable wrench -__' wire cutters _-_ ,and needlenose
pliers _ .
Note: The underside of the treadmill walking belt is coated with high-performance lubricant. During shipping, a
small amount of lubricant may be transferred to the top of the walking belt or the shipping carton. This is a normal
condition and does not affect treadmill performance. If there is lubricant on top of the walking belt, simply wipe off
the lubricant with a soft cloth and a mild, non-abrasive cleaner.
To identify small parts during assembly, use the part identification drawings below.
1 1/2" Screw (79)-4
<_\\\\\\\\\D (_
3/4" Screw (68)-2
4" Bolt (89)-4
3/4" Tek Screw
(101)-5
Silver Screw
(107)-1
Wheel Bolt (86)-2
3" Bolt (47)-4
Washer (29)-8
Wheel Nut (15)-2
1. Make sure that the power cord is not plugged in.
With the help of a second person, carefully tip the
treadmill onto its left side. Partially fold the Frame (12) so
that the treadmill will be more stable. Do not fully fold
the treadmill until it is completely assembled.
Attach two Base Pads (97) to the bottom of the Base (82)
with two 3/4" Tek Screws (101). Attach a Wheel (95) to
the outside of the Base with a Wheel Bolt (86) and a
Wheel Nut (15).
6
1._----101 86
_97
,. 15
"

2. 2a
Identify the Right Upright (10), which has a large rectan-
gular hole near the upper end (see drawing 2b). Have a
second person hold the Right Upright near the Wire
Harness (17). Insert the end of the Wire Harness into the
Right Upright and out of the rectangular hole near the
upper end as shown. If necessary, use needlenose pliers
to pull the Wire Harness out of the hole.
2b Rectangular
Hole
10
10
3. Make sure that the Right Upright (10) is turned so it
bends in the direction shown. Insert two 3" Bolts (47) with
Washers (29) through the Base (82) and hand tighten
the Bolts into the lower end of the Right Upright.
With the help of a second person, tip the treadmill onto
its other side and repeat steps 1 through 3. Note: There
is not a wire harness in the Left Upright (not shown). An
extra Base Pad may be included.
4. With the help of a second person, set the treadmill flat on
the floor so that the Right Upright (10) and the Left
Upright (not shown) are vertical.
Hold one of the Handrails (85) near the Right Upright
(10). Insert the end of the Wire Harness (17) into the bot-
tom of the Handrail and out of the indicated hole. Using the
Silver Screw (107), attach the end of the ground wire to
the small hole in the side of the Handrail.
5. Have a second person hold the Console Base (87) and
the Handrail (85)in the position shown. Touch the Right
Upright (10) to discharge any static. Insert the Wire
Harness (17) through the two Plastic Ties (108) on the
Console Base. Find the 3-wire connector on the end of
the Wire Harness. Insert the connector into the red
socket beneath the Console Base. The connector
should slide easily into the socket and "snap" into
place. If the connector does not slide easily and snap
into place, turn the connector and then insert it. If the
connectors are not inserted properly, the Console
may be damaged when the power is turned on.
Insert the 5-wire connector into the black socket beneath
the Console in the same way. Make sure that the connec-
tors and wires appear as shown in the inset drawing. Insert
the excess Wire Harness (17) down through the Handrail.
Securely tighten the Plastic Ties (108) to prevent the
Wire Harness (17) from slipping. Then, cut off the ends
of the Plastic Ties.
7
82 47
Bend
Ground______
Wire
Hole _
5-Wire
ire

6. AttachtheHandrail(85)totheConsoleBase(87)with
two1 1/2"Screws(79)asshown.Attachtheother
Handrail(notshown)totheothersideoftheConsole
Baseinthesameway.
InserttheexcessWireHarness(17)downintotheRight
Upright(10)asyousettherightHandrail(85)ontheRight
Upright.Handtightentwo4"Bolts(89)withWashers(29)
throughtheRightUprightintotherightHandrail.Becareful
not to pinch the Wire Harness. Do not tighten the Bolts
yet.
Attach the left Handrail to the Left Upright (not shown) in
the same way. Note: There is not a wire harness in the
Left Upright.
7. Hold the Connector Cover (110) on the Console Base
(87) in the position shown. Attach the Connector Cover
to the Console Base with two 3/4" Screws (68).
10
17
85
87
8. Remove the Lock Knob (105) from the Lock Pin (11).
Make sure that the Lock Pin Collar (14) and the Spring
(56) are on the Lock Pin as shown. Insert the Lock Pin
into the Storage Latch (77) and tighten the Lock Knob
onto the Lock Pin.
85\
77
9
14
11
9. Lower the Uprights (9, 10) until the Handrails (not shown)
are touching the floor. Make sure that the treadmill
Frame (12) is centered between the Uprights. Refer to
step 3. Firmly tighten the four 3" Bolts (47). Refer to step
6. Firmly tighten the four 4" Bolts (89). Raise the Uprights
back to the vertical position.
Make sure the two Cup Holders (118) are pressed into
the round holes on top of the Console Base (87).
Top View
10. Make sure that all parts are properly tightened before you use the treadmill. Note: Extra hardware may
be included. Keep the included allen wrench in a secure place; the allen wrench is used to adjust the walking
belt (see page 23). To protect the floor or carpet from damage, place a mat under the treadmill.
8

OPERATION AND ADJUSTMENT
THE PERFORMANT LUBE TM WALKING BELT
Your treadmill features a walking belt coated with
PERFORMANT LUBE TM, a high-performance lubricant.
IMPORTANT: Never apply silicone spray or other
substances to the walking belt or the walking plat-
form. Such substances will deteriorate the walking
belt and cause excessive wear.
HOW TO PLUG IN THE POWER CORD
an equipment-grounding conductor and a grounding
plug. Plug the power cord into a surge suppressor,
and plug the surge suppressor into an appropriate
outlet that is properly installed and grounded in
accordance with all local codes and ordinances.
Important: The treadmill is not compatible with
GFCl-equipped outlets.
This product is for use on a nominal 120-volt circuit,
and has a grounding plug that looks like the plug illus-
trated in drawing 1 below. A temporary adapter that
looks like the adapter illustrated in drawing 2 may be
used to connect the surge suppressor to a 2-pole
receptacle as shown in drawing 2 if a properly
grounded outlet is not available.
Your treadmill, like any other type of sophisticated
electronic equipment, can be seriously damaged by
sudden voltage changes in your home's power.
Voltage surges, spikes, and noise interference can
result from weather conditions or from other appli-
ances being turned on or off. To decrease the pos-
sibility of your treadmill being damaged, always
use a surge suppressor with your treadmill (see
drawing 1 at the right). To purchase a surge sup-
pressor, see your local IMAGE dealer or call 1-800-
806-3651 and order part number 146148.
Use only a single-outlet surge suppressor that is
UL 1449 listed as a transient voltage surge sup-
pressor (TVSS). The surge suppressor must have a
UL suppressed voltage rating of 400 volts or less
and a minimum surge dissipation of 450 joules.
The surge suppressor must be electrically rated
for 120 volts AC and 15 amps. There must be a
monitoring light on the surge suppressor to indi-
cate whether it is functioning properly. Failure to
use a properly functioning surge suppressor could
result in damage to the control system of the
treadmill. If the control system is damaged, the
walking belt may change speed or stop unexpect-
edly, which may result in a fall and serious injury.
This product must be grounded. If it should malfunc-
tion or break down, grounding provides a path of least
resistance for electric current to reduce the risk of elec-
tric shock. This product is equipped with a cord having
2
_Grounded Outlet Box
IT_ _.. 1 ,__ Surge Suppressor
II _. I"_1 _l:l_.J.. Grounding Pin
Grounded Outlet Box
Adapter A
_%_'_L Surge _uppressor
The temporary adapter should be used only until a
properly grounded outlet (drawing 1) can be installed
by a qualified electrician.
The green-colored rigid ear, lug, or the like extending
from the adapter must be connected to a permanent
ground such as a properly grounded outlet box cover.
Whenever the adapter is used it must be held in place
by a metal screw. Some 2-pole receptacle outlet box
covers are not grounded. Contact a qualified elec-
trician to determine if the outlet box cover is
grounded before using an adapter.
9

CONSOLE DIAGRAM
CALORIES TIME DISTANCE SPEED I _ WARNING:Js_,s."_n >-I_Ji,srJ _us .-ridJ_ _,,,,, gs
Note: If there is a thin sheet of ___ Clip
plastic on the console, remove it. Key
FEATURES OF THE CONSOLE
The console offers a selection of features designed to
help you get the most from your exercise. When the
manual mode of the console is selected, the speed
and incline of the treadmill can be changed with a touch
of a button. As you exercise, the console will display
continuous exercise feedback. You can even measure
your heart rate using the built-in pulse sensor.
Four certified personal trainer speed programs are
also offered. Each program automatically controls the
speed of the treadmill as it guides you through an
effective workout.
The console also features iFIT.com interactive technol-
ogy. IFIT.com technology is like having a personal trainer
right in your home. Using the included audio cable, you
can connect the treadmill to your home stereo, portable
stereo, or computer and play special iFIT.com CD pro-
grams (iFIT.com CD's are available separately).
IFIT.com CD programs automatically control the speed
of the treadmill as a personal trainer guides you through
every step of your workout. High-energy music provides
added motivation. Each CD features two programs de-
signed by certified personal trainers.
In addition, you can connect the treadmill to your VCR
and TV and play iFIT.com video programs (videocas-
settes are available separately). Video programs offer
the same benefits as iFIT.com CD programs, but add
the excitement of working out with a class and an
instructor--the hottest new trend at health clubs.
With the treadmill connected to your computer, you
can also go to our Web site at www.iFIT.com and ac-
cess programs directly from the internet. See
www.iFIT.com for details.
To purchase iFIT.com CD's or videocassettes, call
toll-free 1-800-735-0768.
To use the manual mode of the console, follow the
steps beginning on page 11. To use a personal trainer
speed program, see page 12.To use an iFIT.com CD
or video program, see page 17. To use an iFIT.com
program directly from our Web site, see page 18.
10

HOW TO TURN ON THE POWER
BPlug in the power cord (see page 9).
B Stand on the foot rails of the treadmill.
Bind the clip attached to the key (see the drawing
on page 10), and slide the clip onto the waistband
of your clothes. Next, insert the key into the con-
sole. After a moment, the displays and various in-
dicators will light. Test the clip by carefully tak-
ing a few steps backward until the key is
pulled from the console. If the key is not
pulled from the console, adjust the position of
the clip.
HOW TO USE THE MANUAL MODE
B Insert the key fully into the console.
See HOW TO TURN ON THE POWER above.
BSelect the manual mode.
When the key is in-
serted, the manual
mode will be selected
and the Manual Control
indicator will light. If a
program has been
_iScom ....
O MANUAL CONIROL
selected, press the Mode button repeatedly to res-
elect the manual mode.
Bress the Start button or the Speed ;'_button to
start the walking belt.
A moment after the but-
ton is pressed, the I
walking belt will begin to /.,]. I_ I
move. Hold the SPEED
handrails and begin
walking. As you exer-
cise, change the speed of the walking belt as de-
sired by pressing the Speed buttons.
E!
Each time a button is pressed, the speed setting
will change by 0.1 mph; if a button is held down,
the speed setting will change in increments of 0.5
mph. Note: The console can display speed and
distance in either miles or kilometers (see
SPEED DISPLAY on page 12). For simplicity, all
instructions in this section refer to miles.
To stop the walking belt, press the Stop button.
The Time display will begin to flash. To restart the
walking belt, press the Start button or the Speed/,
button.
Note: The first time you use the treadmill, periodi-
cally inspect the alignment of the walking belt, and
align it if necessary (see page 23).
Change the incline of the treadmill as desired.
To change the incline of the treadmill, press either
of the Incline buttons until the desired incline level
is reached.
.'_ ollow your progress with the LED track and
the displays.
The LED Track--When
the manual mode or the
iFIT.com mode is se-
lected, the LED display
will show a track repre-
senting 1/4 mile. As you
exercise, the indicators
0000000
0000000
0000000
0000000
0000000
around the track will light in sequence until you
have completed 1/4 mile. A new lap will then
begin.
Calories/Fat Calories/
Pulse display--This dis- PULSE oI/ I-I [3play shows the approxi- FATo I_1
mate numbers of calories CALORIES
and fat calories you have
burned (see FAT BURN-
ING on page 24). The display will change from
one number to the other every few seconds. The
FAT indicator will light when the number of fat
calories is shown. The display will also show your
heart rate when you use the pulse sensor (see
step 6 on page 12).
11

B
Time display--When
the manual mode or the
iFIT.com mode is se-
lected, this display will
show the elapsed time.
When a personal trainer
program is selected, the display will show the time
remaining in the program.
Distance display--This
display shows the dis-
tance that you have
walked or run.
Speed display--This
display shows the speed
of the walking belt.
Note: The console can
display speed and dis-
tance in either miles or
kilometers. To see which
unit of measurement is
selected, hold down the
I I
SPEED
Stop button, insert the key into the console, and
continue to hold the Stop button for a few seconds.
An "E" for English miles or an "M" for metric kilo-
meters will appear in the display. Press the Speed
/.,,button to change the unit of measurement.
When the desired unit of measurement is selected,
remove the key and then reinsert it.
To reset the displays, press the Stop button, re-
move the key, and then reinsert the key.
Measure your heart rate, if desired.
To measure
your heart rate,
stand on the
foot rails and
place your
thumb on the
pulse sensor.
Do not press
too hard, or
the circulation in your thumb will be restricted
and your pulse will not be detected. After a few
seconds, the PULSE indicator beside the Calories/
Fat Calories/Pulse display will light and then your
heart rate will be shown. Hold your thumb on the
pulse sensor for about 15 seconds for the most ac-
curate reading.
If the displayed heart rate appears to be too high
or too low, or if your heart rate is not displayed, lift
your thumb off the pulse sensor for a few seconds.
Then, place your thumb on the pulse sensor as de-
scribed above. Remember to stand still while mea-
suring your heart rate.
B hen you are finished exercising, remove the
key.
Step onto the foot rails and press the Stop button.
Adjust the incline of the treadmill to the lowest
setting. Next, remove the key from the console and
put it in a secure place.
HOWTO USE PERSONAL TRAINER PROGRAMS
11
B
Insert the key fully into the console.
See HOW TO TURN ON THE POWER on page
11.
Select a personal trainer program.
When the key is in-
serted, the manual
mode will be selected.
To select a personal
trainer program, press
the Mode button repeat-
edly until one of the four
personal trainer program indicators lights. When a
personal trainer program is selected, the Time dis-
play will show how long the program will last and
the Speed display will flash the maximum speed
setting for the program for a few seconds.
The profiles in the cen-
ter of the console show
how the speed of the
treadmill will change
during the programs.
The first four speed set-
tings for the selected
li°°°°°° I
O0000e
ooooee
oooeee
ooeeee
program will be shown in the LED display.
12

B ress the Start button or the Speed ;'_button to
start the program.
A moment after the button is pressed, the tread-
mill will automatically adjust to the first speed set-
ting for the program. Hold the handrails and begin
walking.
Each program is divided into several time periods
of different lengths. One speed setting is pro-
grammed for each period. (The same speed set-
ting may be programmed for consecutive periods.)
The speed setting for
the first period will be
shown in the flashing Current Period
Current Period column
of the LED display. The
speed settings for the
next four periods will
be shown in the four
columns to the right.
OO( 0000
OO( OOO0
OO( 0000
OO( OOOO
00( oeee
When only three seconds remain in the first period
of the program, the Speed display will flash, the
Current Period column and the column to the right
will flash, and a series of tones will sound. When
the first period is completed, all speed settings will
move one column to the left. The speed setting for
the second period will then be shown in the flash-
ing Current Period column and the treadmill will
automatically adjust to the speed setting for the
second period. (When the same speed setting is
programmed for consecutive periods, the Speed
display will not flash and the column to the right of
the Current Period column will not flash during the
last three seconds of the current period.)
Note: If all of the indicators in the Current Period
column are lit after the speed settings have moved
to the left, the speed settings will move downward
so that only the highest indicators in the columns
appear in the LED display. If some indicators in the
Current Period column are not lit after the speed
settings have moved to the left again, the speed
settings will move back up.
To change the incline of the treadmill during the
program, press the Incline buttons until the de-
sired incline level is reached.
B
B
The program will continue until the speed setting
for the last period is shown in the Current Period
column and no time remains in the Time display.
The walking belt will then slow to a stop.
Note: If the speed setting for the current period is
too high or too low, you can manually override the
setting by pressing the Speed buttons. Every few
times a button is pressed, an additional indicator
will light or darken in the Current Period column. (If
any of the columns to the right of the Current
Period column have the same number of lit indica-
tors as the Current Period column, an additional
indicator may light or darken in those columns as
well.) Important: When the current period of the
program ends, the treadmill will automatically
adjust to the speed setting for the next period.
To stop the program temporarily, press the Stop
button. The Time display will begin to flash. To
restart the program, press the Start button or the
Speed _ button. To end the program, press the
Stop button, remove the key, and then reinsert the
key.
Follow your progress with the displays.
See step 5 on page 11.
Measure your heart rate, if desired.
See step 6 on page 12.
B hen the program is completed, remove the
key from the console.
When the program has ended, adjust the incline
of the treadmill to the lowest setting. Next, re-
move the key from the console and put it in a safe
place.
13

To use iFIT.com CD's, the treadmill must be con-
nected to your portable CD player, portable stereo,
home stereo, or computer with CD player. See pages
14 and 15 for connecting instructions. To use iFIT.com
videocassettes, the treadmill must be connected to
your VCR. See page 16 for connecting instructions. To
use iFIT.com programs directly from our internet
site, the treadmill must be connected to your home
computer. See page 15 for connecting instructions.
HOW TO CONNECT YOUR PORTABLE CD PLAYER
Note: If your CD player has separate LINE OUT and
PHONES jacks, see instruction A below. If your CD
player has only one jack, see instruction B.
A. Plug one end of the audio cable into the jack be-
neath the console. Plug the other end of the cable
into the LINE OUT jack on your CD player. Plug
your headphones into the PHONES jack.
A
i
i
i
i .......
L.!'."L°£.2.iHead-
Audio W nhones
_ oj
B. Plug one end of the audio cable into the jack be-
neath the console. Plug the other end of the cable
into a 3.5mm Y-adapter (available at electronics
stores). Plug the Y-adapter into the PHONES jack
on your CD player. Plug your headphones into the
other side of the Y-adapter.
B
m
m
m
PHONES @::
i
Audio y-3a5amFTeJ
o u Cable ._
........ __H ea_---_
HOW TO CONNECT YOUR PORTABLE STEREO
Note: If your stereo has an RCA-type AUDIO OUT
jack, see instruction A below. If your stereo has a
3.5mm LINE OUT jack, see instruction B. If your
stereo has only a PHONES jack, see instruction C.
A. Plug one end of the audio cable into the jack beneath
the console. Plug the other end of the cable into the
included adapter. Plug the adapter into an AUDIO
OUT jack on your stereo.
A
i
i
i
I I: AUDIOOUT
"%;......i
Adapter .............
Audio
Cable
B. Plug one end of the audio cable into the jack be-
neath the console. Plug the other end of the cable
into the LINE OUT jack on your stereo.
B
LIREOUT
, ........._..._
Ii ' ........... •
C. Plug one end of the audio cable into the jack be-
neath the console. Plug the other end of the cable
into a 3.5mm Y-adapter (available at electronics
stores). Plug the Y-adapter into the PHONES jack
on your stereo. Plug your headphones into the other
side of the Y-adapter.
Coil
II U 3.5mm
C_,;_ Audio Y-adapter
° Cable
Headphones ---_-_
14

HOW TO CONNECT YOUR HOME STEREO HOW TO CONNECT YOUR COMPUTER
Note: If your stereo has an unused LINE OUT jack,
see instruction A below. If the LINE OUT jack is
being used, see instruction B.
A. Plug one end of the audio cable into the jack be-
neath the console. Plug the other end of the cable
into the included adapter. Plug the adapter into the
LINE OUT jack on your stereo.
A:co
:Amp
LINE0UT_ i
I : ............ ll'''_
Adapter
Audio
Cable
!
| ........
B. Plug one end of the audio cable into the jack be-
neath the console. Plug the other end of the cable
into the included adapter. Plug the adapter into an
RCA Y-adapter (available at electronics stores).
Next, remove the wire that is currently plugged into
the LINE OUT jack on your stereo and plug the wire
into the unused side of the Y-adapter. Plug the Y-
adapter into the LINE OUT jack on your stereo.
vcR
€.......... .
Audio Y-adapter
v ,_ Cable Adapter
Wire removed from
LINE OUT jack
Note: If your computer has a 3.5mm LINE OUT jack,
see instruction A. If your computer has only a
PHONES jack, see instruction B.
A. Plug one end of the audio cable into the jack be-
neath the console. Plug the other end of the cable
into the LINE OUT jack on your computer.
A
LJNEOUT
r ............
Audio
,, 'ej _xJ
B. Plug one end of the audio cable into the jack be-
neath the console. Plug the other end of the cable
into a 3.5mm Y-adapter (available at electronics
stores). Plug the Y-adapter into the PHONES jack
on your computer. Plug your headphones or speak-
ers into the other side of the Y-adapter.
B
i
i
t
, Audio = 3.5mm
uCable -- Y-adapter
........
Headphones/Speakers
15

HOW TO CONNECT YOUR VCR
Note: If your VCR has an unused AUDIO OUT jack,
see instruction A below. If the AUDIO OUT jack is
being used, see instruction B. If you have a TV
with a built-in VCR, see instruction B. If your VCR
is connected to your home stereo, see HOW TO
CONNECT YOUR HOME STEREO on page 15.
A. Plug one end of the audio cable into the jack be-
neath the console. Plug the other end of the cable
into the included adapter. Plug the adapter into the
AUDIO OUT jack on your VCR.
A
l
i
AUD40OUT
RIGHT_
LEFT
.........4
Audio Adapter._
Cable
B. Plug one end of the audio cable into the jack be-
neath the console. Plug the other end of the cable
into the included adapter. Plug the adapter into an
RCA Y-adapter (available at electronics stores).
Next, remove the wire that is currently plugged into
the AUDIO OUT jack on your VCR and plug the
wire into the unused side of the Y-adapter. Plug the
Y-adapter into the AUDIO OUT jack on your VCR.
B
:@----_--,
/// RCA Y-adapter_J_
i_., _,#,_=.._,n Audio |
v .. Cable Adapter |
Wire removed from
AUDIO OUT jack
16

To use iFIT.com CD's or videocassettes, the treadmill
must be connected to your portable CD player, portable
stereo, home stereo, computer with CD player, or
VCR. See HOW TO CONNECT THE TREADMILL TO
YOUR CD PLAYER, VCR, OR COMPUTER on page
14. Note: IFIT.com CD and video programs will con-
trol only the speed of your treadmill.
To purchase iFIT.com CD's or videocassettes, call
toll-free 1-800-735-0768.
Follow the steps below to use an iFIT.com CD or video
program.
DInsert the key into the console.
See HOW TO TURN ON THE POWER on page 11.
BSelect the iFIT.com mode.
When the key is in-
serted, the manual
mode will be selected.
To use iFIT.com CD's
or videocassettes,
press the Mode button
O MANUAL CQNIROL
repeatedly until the iFIT.com indicator lights.
DInsert the iFIT.com CD or videocassette.
If you are using an iFIT.com CD, insert the CD
into your CD player. If you are using an iFIT.com
videocassette, insert the videocassette into your
VCR.
If the speed setting is too high or too low, you can
manually override the setting at any time by
pressing the Speed buttons on the console.
However, when the next "chirp" is heard, the
speed will change to the next setting of the CD
or video program.
To stop the walking belt at any time, press the
Stop button on the console. The Time display will
begin to flash. To restart the program, press the
Start button or the Speed/: button. After a mo-
ment, the walking belt will begin to move. When
the next "chirp" is heard, the speed will
change to the next setting of the CD or video
program.
When the CD or video program is completed, the
walking belt will stop and the Time display will
begin to flash. Note: To use another CD or video
program, press the Stop button or remove the key
and go to step 1.
Note: If the speed of the treadmill does not
change when a "chirp" is heard:
• Make sure that the iFIT.com indicator is lit and
that the Time display is not flashing. If the
Time display is flashing, press the Start but-
ton or the Speed/'_ button on the console.
•Adjust the volume of your CD player or VCR.
If the volume is too high or too low, the con-
sole may not detect the program signals.
•Make sure that the audio cable is properly
connected, that it is fully plugged in, and that
it is not wrapped around a power cord.
.'.'_ ollow your progress with the LED track and
the displays.
Bress the PLAY button on your CD player or
VCR.
A moment after the button is pressed, your per-
sonal trainer will begin guiding you through your
workout. Simply follow your personal trainer's
instructions. Note: If the Time display is flashing,
press the Start button or the Speed/.,, button on
the console. The treadmill will not respond to a
CD or video program when the Time display is
flashing.
During the CD or video program, an electronic
"chirping" sound will alert you when the speed of
the treadmill is about to change. CAUTION:
Always listen for the "chirp" and be prepared
for speed changes. In some instances, the
speed may change before the personal trainer
describes the change.
See step 5 on page 11.
_ easure your heart rate, if desired.
See step 6 on page 12.
Bhen the program is completed, remove the
key.
See step 6 on page 13.
CAUTION: Always remove iFIT.com CD's and
videocassettes from your CD player or VCR
when you are finished using them.
17

Our Web site at www.iFIT.com allows you to access
programs directly from the internet. See www.iFIT.com
for details. Note: Programs will control only the
speed of your treadmill.
To use programs from our Web site, the treadmill must
be connected to your home computer. See HOW TO
CONNECT YOUR COMPUTER on page 15. In
addition, you must have an internet connection and
an internet service provider. A list of specific system re-
quirements will be found on our Web site.
Follow the steps below to use a program from our
Web site.
1Insert the key into the console.
See HOW TO TURN ON THE POWER on page 11.
BSelect the iFIT.com mode.
When the key is in-
serted, the manual
mode will be selected.
To use a program from
our Web site, press the
Mode button repeatedly
O MANUAL CONIROL
until the iFIT.com indicator lights.
Go to your computer and start an internet
connection.
Btart your web browser, if necessary, and go to
our Web site at www.iFIT.com.
.'.'_ ollow the desired links on our Web site to se-
lect a program.
Read and follow the on-line instructions for using a
program.
r_ Follow the on-line instructions to start the
program.
When you start the program, an on-screen count-
down will begin.
Beturn to the treadmill and stand on the foot
rails. Find the clip attached to the key and slide
the clip onto the waistband of your clothes.
When the on-screen countdown ends, the program
will begin and the walking belt will begin to move.
Hold the handrails, step onto the walking belt, and
begin walking. During the program, an electronic
"chirping" sound will alert you when the speed of
the treadmill is about to change. CAUTION:
Always listen for the "chirp" and be prepared
for speed changes.
If the speed setting is too high or too low, you can
manually override the setting at any time by press-
ing the Speed buttons on the console. However,
when the next "chirp" is heard, the speed will
change to the next setting for the program.
To stop the walking belt at any time, press the
Stop button on the console. The Time display will
begin to flash. To restart the program, press the
Start button or the Speed/: button. After a mo-
ment, the walking belt will begin to move. When
the next "chirp" is heard, the speed will change
to the next setting for the program.
When the program is completed, the walking belt
will stop and the Time display will begin to flash.
Note: To use another program, press the Stop
button and go to step 5.
Note: If the speed of the treadmill does not
change when a "chirp" is heard, make sure that
the iFIT.com indicator is lit and that the Time
display is not flashing. In addition, make sure
that the audio cable is properly connected, that
it is fully plugged in, and that it is not wrapped
around a power cord.
_1 ollow your progress with the LED track and
the displays.
See step 5 on page 11.
1easure your heart rate, if desired.
See step 6 on page 12.
_] hen the program is completed, remove the
key.
See step 6 on page 13.
18

THE INFORMATION MODE
The console features an information mode that keeps
track of the total number of hours that the treadmill has
been operated and the total number of miles that the
walking belt has moved. The information mode also al-
lows you to switch the console from miles per hour to
kilometers per hour.
To select the information mode, hold down the Stop
button, insert the key into the console, and continue to
hold the Stop button for a few seconds. When the infor-
mation mode is selected, the following information will
be shown:
The Time display will show the
total number of hours the
treadmill has been used.
The Distance/Laps display will
show the total number of miles
(or kilometers) that the walking
belt has moved.
An "E" for english miles or an
"M" for metric kilometers will
appear in the Speed display.
Press the Speed/_ button to
change the unit of measure-
ment.
L:
SPEED
To exit the information mode, remove the key from the
console.
19

HOW TO FOLD AND MOVE THE TREADMILL
HOW TO FOLD THE TREADMILL FOR STORAGE
Before folding the treadmill, adjust the incline to the
lowest position. If this is not done, the treadmill may be
permanently damaged. Next, unplug the power cord.
CAUTION: You must be able to safely lift 45 pounds (20
kg) in order to raise, lower, or move the treadmill.
1. Hold the treadmill with your hands in the locations shown
at the right. CAUTION: To decrease the possibility of
injury, bend your legs and keep your back straight. As
you raise the treadmill, make sure to lift with your legs
rather than your back. Raise the treadmill about halfway
to the vertical position.
2. Move your right hand to the position shown and hold the
treadmill firmly. Using your left hand, pull the latch knob
to the left and hold it. Raise the treadmill until the catch is
past the pin on the latch knob. Slowly release the latch
knob. Make sure that the catch is securely held by the
pin.
To protect the floor or carpet from damage, place a
mat under the treadmill. Keep the treadmill out of
direct sunlight. Do not leave the treadmill in the stor-
age position in temperatures above 85°Fahrenheit. Latch Closed
HOW TO MOVE THE TREADMILL
Before moving the treadmill, convert the treadmill to the stor-
age position as described above. Make sure that the catch
is securely held by the pin on the latch knob.
1. Hold the handrails as shown and place one foot against a
wheel.
2. Tilt the treadmill back until it rolls freely on the wheels.
Carefully move the treadmill to the desired location,
Never move the treadmill without tipping it back. To
reduce the risk of injury, use extreme caution while
moving the treadmill. Do not attempt to move the
treadmill over an uneven surface.
3. Place one foot on a wheel, and carefully lower the tread-
mill until it is resting in the storage position.
3ase
Wheels
20

HOW TO LOWER THE TREADMILL FOR USE
,Hold the upper end of the treadmill with your right hand
as shown. Using your left hand, pull the latch knob to the
left and hold it. Pivot the treadmill down until the frame is
past the pin. Slowly release the latch knob.
__ Latch Open
Knob
,Hold the treadmill firmly with both hands, and lower the
treadmill to the floor. Do not drop the treadmill frame
to the floor. CAUTION: To decrease the possibility of
injury, bend your legs and keep your back straight.
2
21

TROUBLESHOOTING
Most treadmill problems can be solved by following the steps below. Find the symptom that applies, and
follow the steps listed. If further assistance is needed, please call our Customer Service Department toll-
free at 1-800-999-3756, Monday through Friday, 6 a.m. until 6 p.m. Mountain Time (excluding holidays).
PROBLEM: The power does not turn on
SOLUTION: a. Make sure that the power cord is plugged into a surge suppressor, and that the surge suppressor
is plugged into a properly grounded outlet (see page 9). Use only a single-outlet surge suppressor
that meets all of the specifications described on page 9. Important: The treadmill is not compatible
with GFCl-equipped outlets.
b. After the power cord has been plugged in, make sure that the key is fully inserted into the console.
PROBLEM:
C, Check the circuit breaker located on the treadmill
near the power cord. If the switch protrudes as
shown, the circuit breaker has tripped. To reset the
circuit breaker, wait for five minutes and then press
the switch back in.
The power turns off during use
c
Tripped
Reset
SOLUTION: a. Check the circuit breaker located on the treadmill frame near the power cord (see c. above). If the
circuit breaker has tripped, wait for five minutes and then press the switch back in.
b. Make sure that the power cord is plugged in. If the power cord is plugged in, unplug it, wait for
five minutes, and then plug it back in.
c. Remove the key from the console. Reinsert the key fully into the console.
d. If the treadmill still will not run, please call our toll-free Customer Service Department.
PROBLEM: The speed display on the console does not function properly
SOLUTION: a. Remove the key and UNPLUG THE POWER CORD.
Remove the hood from the treadmill. Locate the Reed
Switch (21) and the Magnet (43) on the left side of the
Pulley (42). Turn the Pulley until the Magnet is aligned
with the Reed Switch. Make sure that the gap be-
tween the Magnet and the Reed Switch is about
1/8". If necessary, loosen the 3/4" Screw (76) and
move the Reed Switch slightly. Retighten the Screw.
Re-attach the hood, and run the treadmill for a few
minutes to check for a correct speed reading.
i7 .1y
Top
View
LJ
--42 __
\43
1°1
22

PROBLEM: The walking belt slows when walked on
SOLUTION: a. Use only a single-outlet surge suppressor that meets all of the specifications described on page 9.
b, If the walking belt is overtightened, treadmill perfor-
mance may decrease and the walking belt may be-
come damaged. Remove the key and UNPLUG THE
POWER CORD. Using the allen wrench, turn both
rear roller adjustment bolts counterclockwise, 1/4 of a
turn. When the walking belt is properly tightened, you
should be able to lift each side of the walking belt 3 to
4 inches off the walking platform. Be careful to keep
the walking belt centered. Plug in the power cord, in-
sert the key and run the treadmill for a few minutes.
Repeat until the walking belt is properly tightened.
b
Rear Roller Adjustment Bolts
c. If the walking belt still slows when walked on, please
call our toll-free Customer Service Department.
PROBLEM: The walking belt is off-center or slips when walked on
SOLUTION: a. If the walking belt is off-center, first remove the key
and UNPLUG THE POWER CORD. If the walking
belt has shifted to the left, use the allen wrench to
turn the left rear roller bolt clockwise 1/2 of a turn; if
the walking belt has shifted to the right, turn the
bolt counterclockwise 1/2 of a turn. Be careful not to
overtighten the walking belt. Plug in the power cord,
insert the key and run the treadmill for a few minutes.
Repeat until the walking belt is centered.
b, If the walking belt slips when walked on, first remove
the key and UNPLUG THE POWER CORD. Using
the allen wrench, turn both rear roller bolts clockwise,
1/4 of a turn. When the walking belt is correctly tight-
ened, you should be able to lift each side of the walk-
ing belt 3 to 4 inches off the walking platform. Be
careful to keep the walking belt centered. Plug in the
power cord, insert the key and carefully walk on the
treadmill for a few minutes. Repeat until the walking
belt is properly tightened.
I
23

CONDITIONING GUIDELINES
The following guidelines will help you to plan your ex-
ercise program. For more detailed exercise informa-
tion, obtain a reputable book or consult your physician.
EXERCISE INTENSITY
Whether your goal is to burn fat or to strengthen your
cardiovascular system, the key to achieving the
desired results is to exercise with the proper intensity.
The proper intensity level can be found by using your
heart rate as a guide. The chart below shows recom-
mended heart rates for fat burning and aerobic exercise.
HEART RATE TRAINING ZONES
AEROBIC 165 155 145 140 t30 125 115
MAX FAT BURN 145 138 130 i25 t18 110 103
FAT BURN 125 120 115 110 105 95 90
Age 20 30 40 50 60 70 80
To find the proper heart rate for you, first find your age
near the bottom of the chart (ages are rounded off to
the nearest ten years). Next, find the three numbers
above your age. The three numbers define your "train-
ing zone." The lower two numbers are recommended
heart rates for fat burning; the higher number is the
recommended heart rate for aerobic exercise.
To measure your heart rate during exercise, use the
pulse sensor.
Fat Burning
To burn fat effectively, you must exercise at a relatively
low intensity level for a sustained period of time.
During the first few minutes of exercise, your body
uses easily accessible carbohydrate calories for en-
ergy. Only after the first few minutes does your body
begin to use stored fat calories for energy. If your goal
is to burn fat, adjust the speed and incline of the tread-
mill until your heart rate is near the lowest number in
your training zone.
For maximum fat burning, adjust the speed and incline
of the treadmill until your heart rate is near the middle
number in your training zone.
Aerobic Exercise
If your goal is to strengthen your cardiovascular sys-
tem, your exercise must be "aerobic." Aerobic exercise
is activity that requires large amounts of oxygen for
prolonged periods of time. This increases the demand
on the heart to pump blood to the muscles, and on the
lungs to oxygenate the blood. For aerobic exercise,
adjust the speed and incline of the treadmill until your
heart rate is near the highest number in your training
zone.
WORKOUT GUIDELINES
Each workout should include the following three parts:
AWarm-upmStart each workout with 5 to 10 minutes
of stretching and light exercise. A proper warm-up in-
creases your body temperature, heart rate and circula-
tion in preparation for exercise.
Training Zone ExercisemAfter warming up, increase
the intensity of your exercise until your pulse is in your
training zone for 20 to 60 minutes. (During the first few
weeks of your exercise program, do not keep your
pulse in your training zone for longer than 20 minutes.)
Breathe regularly and deeply as you exercise--never
hold your breath.
A Cool-down--Finish each workout with 5 to 10 min-
utes of stretching to cool down. This will increase the
flexibility of your muscles and will help prevent post-ex-
ercise problems.
EXERCISE FREQUENCY
To maintain or improve your condition, complete three
workouts each week, with at least one day of rest be-
tween workouts. After a few months, you may com-
plete up to five workouts each week if desired. The key
to success is to make exercise a regular and enjoyable
part of your everyday life.
24

SUGGESTED STRETCHES
The correct form for several basic stretches is shown at the right. Move slowly as you stretch--never bounce.
1. Toe Touch Stretch
Stand with your knees bent slightly and slowly bend forward from
your hips. Allow your back and shoulders to relax as you reach
down toward your toes as far as possible. Hold for 15 counts,
then relax. Repeat 3 times. Stretches: Hamstrings, back of knees
and back.
2. Hamstring Stretch
Sit with one leg extended. Bring the sole of the opposite foot to-
ward you and rest it against the inner thigh of your extended leg.
Reach toward your toes as far as possible. Hold for 15 counts,
then relax. Repeat 3 times for each leg. Stretches: Hamstrings,
lower back and groin.
3. Calf/Achilles Stretch
With one leg in front of the other, reach forward and place your
hands against a wall. Keep your back leg straight and your back
foot flat on the floor. Bend your front leg, lean forward and move
your hips toward the wall. Hold for 15 counts, then relax. Repeat
3 times for each leg. To cause further stretching of the achilles
tendons, bend your back leg as well. Stretches: Calves, achilles
tendons and ankles.
4. Quadriceps Stretch
With one hand against a wall for balance, reach back and grasp
one foot with your other hand. Bring your heel as close to your
buttocks as possible. Hold for 15 counts, then relax. Repeat 3
times for each leg. Stretches: Quadriceps and hip muscles.
5. Inner Thigh Stretch
Sit with the soles of your feet together and your knees outward.
Pull your feet toward your groin area as far as possible. Hold for
15 counts, then relax. Repeat 3 times. Stretches: Quadriceps
and hip muscles.
1
25

NOTES
26

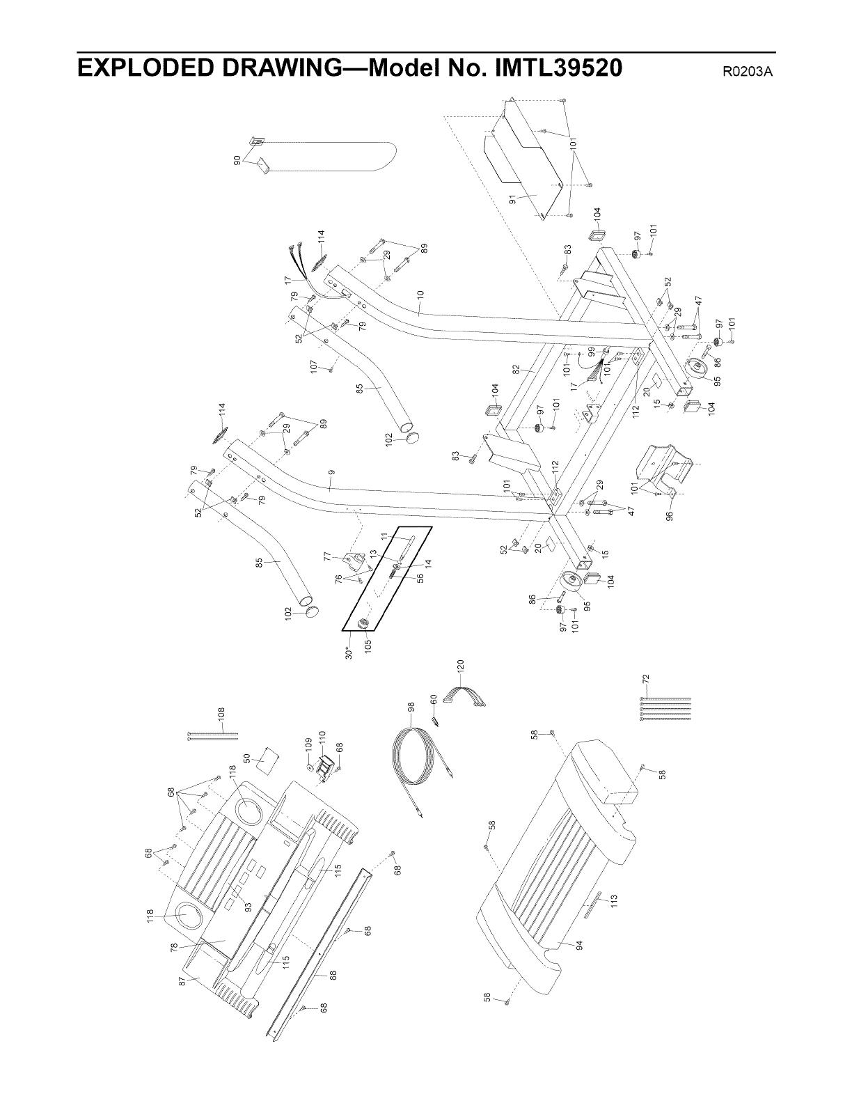
PART LISTmModel No. IMTL39520 R0203A
To identify the parts listed below, see the EXPLODED DRAWING in the center of this manual.
Key Key Key
No. Qty. Description No. Qty. Description No. Qty. Description
1 1 Motor Belt 45 2 Isolator 90
2 1 Pulley/Flywheel/Fan 46 4 Isolator Fastener 91
3 4 Motor Nut 47 4 3" Bolts 92
4* 1 Motor/Pulley/ 48 1 Shield 93
Flywheel/Fan 49 2 Belt Guide 94
5 1 Incline Motor Bolt 50 1 Battery Cover 95
6 2 Incline Motor Spacer 51 1 Front Belly Pan 96
7 1 Incline Motor 52 8 U-Nut 97
8 1 Stop Bracket 53 3 Cable Tie Clamp 98
9 1 Left Upright 54 4 Cable Tie 99
10 1 Right Upright 55 1 Walking Belt 100
11 1 Lock Pin 56 1 Spring 101
12 1 Frame 57 1 Rear Roller 102
13 1 Pin Clip 58 4 Hood Screw 103
14 1 Lock Pin Collar 59 2 Rear Foot 104
15 6 Wheel Nut/ 60 1 iFIT Jack 105
Incline Motor Nut 61 1 Ground Wire 106
16 4 Belt Guide Screw 62 20 Screw 107
17 1 Wire Harness 63 1 Left Rear Endcap 108
18 2 Hood Bracket 64 1 Right Rear Endcap 109
19 1 Front Hood Bracket 65 2 Rear Roller Adj. Bolt 110
20 2 Warning Decal 66 1 Motor 111
21 1 Reed Switch 67 1 Latch Decal 112
22 1 Reed Switch Clip 68 6 Console Screw 113
23 1 Left Handrail 69 2 Latch Catch Screw 114
24 1 Controller 70 1 Latch Catch 115
25 1 Electronics Bracket 71 1 Walking Platform 116
26 1 Circuit Breaker 72 5 8" Cable Tie 117
27 1 Power Cord 73 1 Incline Bolt 118
28 1 Power Cord Grommet 74 1 Motor Tension Bolt 119
29 10 Washer 75 2 Right Foot Rail 120
30* 1 Latch Assembly 76 6 3/4" Screw #
31 1 Incline Frame 77 1 Storage Latch Bracket #
32 2 Frame Pivot Bolt 78 1 Console #
33 2 Frame Pivot Spacer 79 4 1 1/2" Screw #
34 1 Tension Bushing 80 2 Incline Pivot Nut #
35 1 Front Roller Adj. Bolt 81 4 Motor Star Washer #
36 1 Foot Rail Cap (Right) 82 1 Base #
37 1 Motor Tension Nut 83 2 Incline Frame Bolt
38 4 Motor Bolt 84 2 Motor Tension
39 4 Cap Screw Washer
40 1 Foot Rail Cap (Left) 85 1 Right Handrail
41 1 Left Foot Rail 86 2 Wheel Bolt
42 1 Front Roller/Pulley 87 1 Console Base
43 1 Magnet 88 1 Console Crossbar
44 4 Platform Screw 89 4 4" Bolt
1
1
2
1
1
2
1
4
1
1
1
5
2
1
4
1
1
1
2
1
1
1
2
1
2
2
2
2
2
1
1
1
1
1
1
1
1
1
Key/Clip
Incline Motor Belly Pan
Roller Adj. Washer
Book Holder
Motor Hood
Front Wheel
Incline Motor Shield
Base Pad
iFIT Wire
Upright Grommet
Allen Wrench
3/4" Tek Screw
Handrail Endcap
Power Board Plate
Base Cap
Lock Knob
Choke
Silver Screw
Plastic Tie
Large Washer
Connector Cover
Hood Spacer
Bumper
Edge Guard
Upright Endcap
Metal Plate
Belly Pan Interface
Rear Foot Spacer
Cup Holder
Power Board
Controller Wire
8" Blue Wire, 2F
4" Blue Wire, 2F
8" White Wire, 2F
8" White Wire, Pigtail
4" White Wire, M/F
8" Green Wire, 2 Ring
User's Manual
* Includes all parts shown in the
box
# These parts are not illustrated
27

EXPLODED DRAWINGmModel No. IMTL39520 R0203A

EXPLODED DRAWING--Model No. IMTL39520 R0203A
o_
o
03
o
o
o
co

ORDERING REPLACEMENT PARTS
To order replacement parts, call our Customer Service Department toll-free at 1-800-999-3756, Monday through
Friday, 6 a.m. until 6 p.m. Mountain Time (excluding holidays). When ordering parts, please be prepared to give
the following information:
• The MODEL NUMBER OF THE PRODUCT (IMTL39520)
• The NAME OF THE PRODUCT (IMAGE _R_10.0 treadmill)
• The SERIAL NUMBER OF THE PRODUCT (see the front cover of this manual)
• The KEY NUMBER AND DESCRIPTION OF THE PART(S) (see the PART LIST on page 27 and the
EXPLODED DRAWING in the center of this manual)
LIMITED WARRANTY
ICON Health & Fitness, Inc. (ICON), warrants this product to be free from defects in workmanship and
material, under normal use and service conditions, for a period of ninety (90) days from the date of pur-
chase. This warranty extends only to the original purchaser. ICON's obligation under this warranty is lim-
ited to replacing or repairing, at ICON's option, the product through one of its authorized service centers.
All repairs for which warranty claims are made must be pre-authorized by ICON. This warranty does not
extend to any product or damage to a product caused by or attributable to freight damage, abuse, mis-
use, improper or abnormal usage or repairs not provided by an ICON authorized service center; prod-
ucts used for commercial or rental purposes; or products used as store display models. No other war-
ranty beyond that specifically set forth above is authorized by ICON.
ICON is not responsible or liable for indirect, special or consequential damages arising out of or in con-
nection with the use or performance of the product or damages with respect to any economic loss, loss
of property, loss of revenues or profits, loss of enjoyment or use, costs of removal or installation or other
consequential damages of whatsoever nature. Some states do not allow the exclusion or limitation of in-
cidental or consequential damages. Accordingly, the above limitation may not apply to you.
The warranty extended hereunder is in lieu of any and all other warranties and any implied warranties of
merchantability or fitness for a particular purpose is limited in its scope and duration to the terms set
forth herein. Some states do not allow limitations on how long an implied warranty lasts. Accordingly, the
above limitation may not apply to you.
This warranty gives you specific legal rights. You may also have other rights which vary from state to state.
ICON HEALTH & FITNESS, INC., 1500 S. 1000 W., LOGAN, UT 84321-9813
Part No. 185951 R0203A Printed in USA © 2003 ICON Health & Fitness, Inc.