IVAR 506366US EQUICALOR-AC User Manual Manual

IVAR SpA EQUICALOR-AC Manual

Manual

EQUICALOR®• DC 1010USER’S GUIDE Wireless system for independent management of thermal regulationMANUAL DE INSTRUCCIONESSistema inalámbrico para la automa-tización de la termorregulación300546US-10-14PATENTED
1. CHRONOTHERMOSTATFeatures of the chronothermostat pg. 3Contents of the package pg. 3Display and control keys pg. 3Warnings pg. 4List of alarms pg. 4Chronothermostat conditions of warranty  pg. 4Contacts pg. 4Battery replacement pg. 5Operating modes pg. 5Chronothermostat configuration pg. 6Automatic temperature setting pg. 9Installing the chronothermostat pg. 10Technical characteristics of the chronothermostat pg. 122. ACTUATORFeatures of the actuator pg. 14Contents of the package pg. 14Led indicator and front selector switch pg. 14Warnings pg. 14Technical characteristics of the actuator pg. 15Battery replacement pg. 16Remote sensor pg. 16Room comfort temperature adjustment pg. 16Installing the actuator pg. 17Manual release pg. 173. TECHNICAL SECTION 3 . 1 (CHRONOTHERMOSTAT)Chronothermostat - setup pg. 18Association of an actuator with the chrono-thermostat pg. 19 3 . 2 (ACTUATOR)Actuator – setup pg. 204. FUNCTION NAVIGATION MAP pg. 225. APPENDIX pg. 23INDEX INSTALLING THE EQUICALOR SYSTEM1) Identify the zonesPlan out the division of the house into zones, determining the quantity.2) Define a position for the chronothermostat The chronothermostat measures the temperature of the room where it is installed; therefore, it must be in a position exposed to good air circulation, at 5 ft above the floor. See Typical placement of device on pg. 10.3) Chronothermostat wall installationSecure the chronothermostat in the desired position and con-nect it to the boiler.  Refer to Wall installation on pg. 11.  CAUTION! Make sure to cut-out the mains voltage to the electrical system before carry out this procedure.4) Insert the batteries in the chronothermostatThe chronothermostat requires 3 AA 1.5 V Alkaline batteries. To insert the batteries refer to Battery replacement on pg. 5.5) Setting the language, date and timeEnter the data for first start up, as indicated in the para-graphs Current language, Date and Time (Set time) on pg. 7. To use the control keypad see Chronothermostat Con-figuration and Menu Navigation on pg. 6.6) Configuring the zonesSet the number of zones in the house, as indicated in the para-graph  Number of managed zones on pg. 19. To access the function refer to Chronothermostat Configuration on pg. 6.7) Insert the batteries in the actuatorEach actuator requires 3 AA 1.5 V alkaline batteries. To insert the batteries refer to Battery replacement on pg. 16.8) Installing the actuatorInstall the actuators on their respective radiators. Refer to Installing the actuator on pg. 17.9) Associate all the actuators to the chronothermostat and test themRefer to the chapter Association of an actuator with the chronothermostat on pg. 19.QUICK GUIDE300546US-10-14
CHRONOTHERMOSTAT[3]For help see ‘NAVIGATION MAP’ on pg. 22 INTRODUCTION The EQUICALOR system consists of a chronothermostat and integrated zone actuators. The chronotermostat can control your plant, managing temperature control. The actuators are installed directly on the radiators to regulate operation in each room.  Both the heating and cooling functions of EQUICALOR guarantee optimal room temperature and energy savings during times of the day when the rooms are not occupied. The information contained in this manual will help simplify the customisation of the system and the consequent reduction in the plant operating costs.1. CHRONOTHERMOSTAT DISPLAY AND CONTROL KEYSThe Control keys are composed of:• Right multi-function key (1)• Left multi-function key (5)• ‘Reset’ key (2)• Four navigation keys (3)• ’OK-MODE’ button (4)NOTE: If the key lock is not active, simply touch keypad and it will become operational. CONTROL KEYSDISPLAY*temperature: T1=T comfortT2=T savingT3=T limit(L)(I)(3)(4)(1)(5)(B) (M)(C)(2)(A)(H)(G)(F)(D) (E)(D1)The Display has the following fields:• Navigation keys icon (A)• Left multi-function key field: ‘MENU/EXIT/CANCEL’ (B)• 7-DAYS Schedule Graph (C)  T1, T2, T3 (see note below*)• Mode enabled (D)• Temporary mode on (D1)• Set temperature (E)• Currently selected zone (F)• Temperature reading <only ZONE1> (G)• WINTER mode  , SUMMER mode   and Alarm Reminder   (H)• Date (I) and Time (L)• Right multi-function key field: ’ENTER/EDIT/ENTER/VIEW/D. SAVING (M)• Chronothermostat   • Stylus alkaline batteries   • This user’s manual CONTENTS OF THE PACKAGE FEATURES OF THE CHRONOTHERMOSTATThe  EQUICALOR-AC chronothermostat is able to independently manage the individual rooms, controlling up to 8 zones. It also allows direct control of the wall-mounted boiler.300546US-10-14ENGLISH
CHRONOTHERMOSTAT[4] WARNINGS1 . Adjustment of the chonothermostat’s advanced settings should preferably be carried out by the installer.2 . It is important to verify that the batteries are working properly to prevent the heating/cooling system from shutting down due to a lack of power to the chronothermostat.3 . Observe the following directions for using the batteries: when it is time to dispose of them, place them separately into the appropriate recycling container; follow the installation instructions provided; when the device is not used for a prolonged period of time, make sure to remove the batteries; avoid connecting the metal poles that are in contact with the batteries in order to prevent a short circuit; always use the type of batteries specified in this manual; do not mix different batteries, old and new batteries or alkaline batteries with standard or zinc coal batteries; the use of rechargeable batteries results in less operating autonomy when compared to non-rechargeable batteries.4 . If the device causes interference with other electrical equipment, immediately remove them from the area. 5 . Do not dispose of the device in the environment at the end of its life cycle. Dispose of the device in compliance with current legislation.6 . The chronothermostat must only be installed by authorised personnel in accordance with current legislation and regulations and with the mains voltage switched off.  7 . In the event of a problem(s), a ‘List of Alarms’ appears when the display is switched on. See the following paragraphs. CHRONOTHERMOSTAT CONDITIONS OF WARRANTYI.V.A.R. S.p.A. is insured against damage caused to third parties due to product manufacturing defects in accord-ance with the terms and limits set out in Legislative De-cree 206/2005. The maximum insurance coverage is € 3,000,000.00 per claim, per year.  The liability of IVAR for damages caused by defective products is governed by the general sales conditions and by Legislative Decree 206/05 (art.114-127) and is valid for 2 years after the product’s installation.I.V.A.R. S.p.A. ensures the compliance and the proper functioning of its products in accordance with the terms of Legislative Decree 206/05. LIST OF ALARMSIn case a working error occurs, the system keeps track of the anomaly. If the error persists, a warning is shown when the dis-play lights up for the first time. This message can be read at any time in section ‘Alarm history’ for full details.(See relative paragraph on pg. 18)The access path is as follows: MENUàSETTINGSàAD-VANCED SETINGS àPLANTàDIAGNOSTICSàALARM HISTORYNOTE: the icon Alarm Reminder ’ ’ appears in case of error and turns off as soon as the ‘HISTORY’ menu has been opened. CONTACTSIVAR US, Inc.Mailing Address: PO Box 8015, Elkridge, MD 21075T:1-855-9-IVAR-USwww.ivar-us.cominfo@ivar-us.comI.V.A.R. S.p.A.Via IV Novembre, 18125080 Prevalle (BS) - ItalyT: +39 030 68028 - F: +39 030 6801329 www.ivar-group.cominfo@ivar-group.com300546US-10-14
CHRONOTHERMOSTAT[5]For help see ‘NAVIGATION MAP’ on pg. 22B1 B2B3FIG.2NOTE: When switched on, the display prompts selection of the language, time and date; the default language is English (To complete this procedure, see ‘Menu Naviga-tion on pg. 6. This paragraphs explains how to use the control keypad).The low battery alarm (L BATT) indicates that the bat-teries are almost discharged and that they will continue to function in anti-freeze mode for 15 days, until they are fully discharged; therefore, they must be replaced to restore operability.  For more information about the alarms, see ‘Diagnostics (Alarm History)’ on pg. 18; the alarms concern both the chronothermostat and the actuators.  Removing the batteries does not cancel the settings made.To insert or replace the batteries, open the front panel of the chronothermostat (See figure-1). Then, place the batteries in their housings (B1, B2, B3), making sure to place them in the direction indicated on the bottom of each housing (See Figure-2). BATTERY REPLACEMENTThe chronothermostat requires 3 AA 1.5 V Alkaline bat-teries.  The batteries must be inserted in order to oper-ate the equipment.  OPERATING MODESThe Chronothermostat operates in three different modes: Automatic, Manual and OFF. The Enabled Mode icon indicates which of the three modes is currently enabled. To activate the display, simply touch any key. During normal chronothermostat operation, the display will show the information regarding the status of the system relative to the mode currently enabled for 30 seconds (When operating in ‘Automatic mode’ the Cur-rently selected zone icon specifies the zone to which the information refers. To review the different zones, use the Left/Right arrows). To switch from one mode to another, press OK-MODE repeatedly until the desired mode is displayed.Manual Mode[MENUàMODEàMANUAL MODEàENABLE MANUAL MODE]Defines a set temperature that will be maintained in all the zones (SET TEMPERATURE).The Up/down keys (navigation keys) are used to change the Set temperature, increasing or decreasing it by 1°F. Switching to another mode, interrupts the Manual mode.Shutdown mode[MENUàMODEàSHUTDOWN MODEàSHUTDOWN]Shutdown mode disables the system, switching to the anti-freeze mode. This program ensures a minimum ambient temperature of 41 °F to protect the system. On the display the time, date and temperature can be read. It is also possible to access the menu.NOTE: to maintain the Manual or Shutdown mode for aFIG.11300546US-10-14ENGLISH
CHRONOTHERMOSTAT[6]To start, press the left multi-function keydefined period of time, see the paragraph ‘Automatic Temperature setting’ on pg. 9.Automatic mode[MENUàMODEàAUTOMATIC MODEàENABLE AUTOMATIC MODE]For information regarding this mode, see pg. 9. CHRONOTHERMOSTAT CONFIGURATIONTo configure the chronothermostat options you must access the MENU. If the display is off, activate it by sim-ply pressing any key. Press the Left multi-function key as shown to view a list of sections.Menu NavigationUsing the Up/down keys (navigation arrows), select the required field. Press OK or the Right multi-func-tion key to access the highlighted option.  Some ad-vanced options require pressing ENTER another time before you can proceed. The header shows the name of the page for easier navigation. The following example shows the procedure for ac-cessing the ‘Start up optimization’ option1 - scroll the list with the UP/DOWN keys and select  ‘Preferences‘ and then press the right multi-function key to access. 2 - scroll the list with the UP/DOWN keys to select  ‘Start up optimization‘ and then press the right mul-ti-function key to edit.In the various editing options, the Multi-function keys allow proceeding step by step until these pro-cedures are complete. Refer to the following list (Note that after 30 sec-onds, if no key is pressed, the system switches off the display, exiting the menu).List of key functions (multi-function and arrow keys)• ENTER to access a section.• EDIT to begin a procedure.• ENTER to complete a procedure after editing. • VIEW to consult a page.• EXIT to close a section.• CANCEL to go back without completing the edit. • STANDARD/D. SAVING to change the time.• Up/down (navigation arrows) to scroll through a list or edit a temperature, date or time value. Using the arrows, press down to edit faster. • Left/right (navigation arrows) to switch from one value field to another.NOTE: refer to the ‘Function navigation map’ on pg. 22 for the complete list of the menu sections and their relative access path. NOTE: at the beginning of each function description, its access path is indicated; for example: [MENUàSETTINGSàCURRENT LANGUAGE].300546US-10-14
CHRONOTHERMOSTAT[7]For help see ‘NAVIGATION MAP’ on pg. 22Time (Daylight saving time)[MENUàSETTINGSàTIMEàD.SAVING TIME]Access the Daylight saving time section to manage the time change. Use the Up/down keys to edit the set-tings. Select ON to activate the time change, or OFF  to  maintain the standard time throughout the year. When finished, press ENTER. After having activated the time change, during normal operation, the display will indi-cate the type of time enabled (see Figure-3). In this case, every time the Right Multi-function key is pressed the time changes from standard to daylight saving time and vice versa, allowing the clock to be up-dated on the date established.Summer set, Winter set, Zones, Summer adjustment, Summer/Winter Mode[MENUàSETTINGSà...]See pg. 9.Contrast and Brightness Adjustment[MENUàSETTINGSàCONTRAST][MENUàSETTINGSàBRIGHTNESS]These control the contrast of the display and the in-tensity of the backlighting.  Use the Up/down arrows to select a new adjustment and then press ENTER. The default brightness setting is ‘Minimum’, which ensures optimal battery life.Key lock[MENUàSETTINGSàKEY LOCK]Access the Key lock section to enable and disable this function. 1) Select ON, using the Up/down keys to protect the de-vice from accidental changes being made. Then press ENTER. In this case, if the keypad has not been used for thirty seconds, the display lighting switches off and the keypad is locked. FIG.3SETTINGS - ASSOCIATIONS -PREFERENCESA list of menu sections follows. Reset [‘reset’ KEY]If an anomaly is noted, manually restart the device.  To do this, press the Reset key on the keypad using a pencil or paper clip. NOTE: the settings defined previously are NOT lost dur-ing this operation. Current language[MENUàSETTINGSàCURRENT LANGUAGE]The chronothermostat provides for the use of 9 lan-guages (Italian, English, French, German, Spanish, Por-tuguese, Flemish, Czech, Norwegian). Access the Current Language section (See ‘Menu Navigation’ on pg. 6).To edit the language option, use the Up/down keys and select the desired language from the list. Press ENTER to complete the procedure.Date[MENUàSETTINGSàDATE]Access the Date section to change the current date (See ‘Menu Navigation’ on pg. 6). Use the Left/right key to switch from editing the ‘day’ to editing the ‘month’ or ‘year’. Press Up/down to change the day/month/year. Press ENTER to complete the procedure or CANCEL to exit the procedure and return to the previous menu without making any changes.Time (Set Time)[MENUàSETTINGSàTIMEàSET TIME]Access the Set time section to change the current time (See ‘Menu Navigation’ on pg. 6). Use the Left/right key to switch from editing ‘hours’ to editing ‘minutes’ and vice versa. Press Up/down to change the hours/minutes of a unit. Press ENTER to complete the procedure. 300546US-10-14ENGLISH
CHRONOTHERMOSTAT[8]With each subsequent touch of the keypad, the display will light up for 10 seconds and indicate the key to press to unlock the keypad.and OFF disables it. Use the Up/down arrows to edit the setting and then press ENTER. The optimization process is self-regulating and its precision during normal opera-tion is refined each day, improving yield. If the Start up optimization is enabled, start up takes place in advance so that the Comfort temperature is effectively reached at the precise moment set in the programming parameters. Similarly Shutdown optimi-zation (if enabled) will anticipate shutdown in order to obtain an optimized temperature Ts when entering the T2 time band (Ts=T1-Tred with Tred equal to the value of Prestart savings reduction).Zone names[MENUàPREFERENCESàSET ZONE NAMES]Allows you to customize the names of each zone. To begin, select a zone using the Up/down arrow and then press ENTER. Use the Up/down arrows to change a letter and the  Left/Right arrows to move to the next letter.  Follow the instructions in the ‘Character scroll bar’, lo-cated under the name, to compose text.2) Select OFF to cancel the protection and then press ENTER. In this case, the display will light up at each touch of the keypad until the next shutdown, which occurs af-ter 30 seconds of inactivity.Associations[MENUàASSOCIATIONS]Refer to the paragraph ‘Association of an actuator with the chronothermostat‘ on pg. 19 .Time format (12, 24)[MENUàPREFERENCESàTIME FORMAT]If this option is changed, the time field will be expressed in format 24 (e.g.:  18:25) instead of format 12 (e.g.: 6:25 PM). Use the Up/down keys to configure the option. When finished, press ENTER.Temperature measurement units[MENUàPREFERENCESàTEMPERATURE MEASUREMENT UNITS]If this option is changed, all the temperatures will be expressed on the display in Celsius instead of Fahren-heit.  Use the Up/down arrows to edit the setting and then press ENTER.Start up and shutdown optimization (Functions only ac-tive in Winter mode)[MENUàPREFERENCESàSTART UP OPTIMIZATION][MENUàPREFERENCESàSHUTDOWN OPTIMIZATION]Allows enabling plant pre-activation and anticipated shutdown in ‘Automatic Mode’. ON enables optimization To delete a letter, select the ‘Blank’ at the end of the bar.  When finished, press ENTER to make the change.300546US-10-14
CHRONOTHERMOSTAT[9]For help see ‘NAVIGATION MAP’ on pg. 22In this example, the temperature will be 68 degrees from 18:00 to 20:00, 65 degrees from 20:00 to 21:30 and 62 degrees from 21:30 to 24:00.FIG.4 AUTOMATIC TEMPERATURE SETTINGEnable Automatic Mode (Automatic Mode)[MENUàMODEàAUTOMATIC MODEàENABLE AUTOMATIC MODE]If Automatic mode is enabled, the chronothermostat follows a weekly schedule to control the system. It is therefore possible to set, for each of the 7 days, during which time bands to offer the Comfort (T1), Sav-ing (T2) or Limit (T3) temperature.Access the Mode section and select Automatic Mode us-ing the Up/down arrows (See ‘Menu Navigation’ on pg. 6 for further instructions). Then press ENTER twice, to activate the option.Winter/Summer Mode[MENUàSETTINGSàWINTER/SUMMER MODE]Enables the system to control heating and cooling, giv-ing priority to the winter set or summer set, respectively (For information on the sets see the following para-graphs). Access the Winter/Summer Mode and use the Up/down arrow to select  Winter or Summer, then press ENTER.‘Winter Set’ and ‘Summer Set’[MENUàSETTINGSàWINTER SET][MENUàSETTINGSàSUMMER SET]To define the 3 temperature ranges into which the in  7-DAYS Schedule Graph is divided, proceed as follows (the 3 ranges are represented by the horizontal lines of the graph; see Figure-4 and ‘Managing the temperature sets’ on pg. 23).Access the Winter Set section or the Summer Set sec-tion depending on the mode you wish to work in (see ‘Summer/Winter Mode’). Use the Up/down to highlight the required field and then press ENTER.Using the Up/down arrows, select Set comfort to cus-tomize temperature T1, Set saving for T2, or Set limit for T3. By appropriately adjusting the Saving and Limit temperatures, the user is able to perfect saving man-agement.  Highlight a field and press ENTER. With every touch of the Up/down arrows the temperature value increases or decreases by 1 °F. When finished, press ENTER.Zones - Weekly Schedule[MENUàSETTINGSàZONES]When the WINTER mode is enabled, access the Zones section to customize the 7-DAYS Schedule Graph of any zone in the home (This section lists many zones, or rather the number defined using the ‘Number of man-aged zones’ option - see pg. 19). The initial number of zones is 2 and this can be in-creased to a maximum of 8). Select a zone with the Up/down arrows and press ENTER. Using the Up/down arrows select the day of the week you wish to set and press  ENTER. Now use the Left/right buttons to high-light the time bands to be edited (48 vertical markers divide the day into 30 min intervals). Then press Up/down to assign T1, T2 or T3 18  21LINE 1 – e.g.: 68°LINE 2 – e.g.: 65°  LINE 3 – e.g.: 62°    3  6  9 12 15 18 21FROM 18:00TO 20:00FROM 20:00TO 21:30FROM 21:30TO 24:007-DAYS SCHEDULE GRAPH (EXAMPLE)300546US-10-14ENGLISH
CHRONOTHERMOSTAT[10] INSTALLING THE CHRONOTHERMOSTATFollow the instructions below to operate device: 1) Choose a location for the device and mount it on the wall.2) Insert the batteries.3) Associate each actuator to the chronothermostat, defining the various zones of the building. (See the paragraph, ‘Association of an actuator with the chrono-thermostat‘ on pg. 19). Typical placement of deviceThe chronothermostat measures the temperature of the room where it is installed; therefore, it must be in a position exposed to good air circulation, at 5 ft above the floor.  The following instructions must be followed.  • DO NOT place near a radiator.• DO NOT place near doors.• DO NOT place on perimeter walls.• DO NOT place in correspondence to piping inside the walls.• DO NOT place in rooms with exceptional temperature and humidity conditions (For example the kitchen and bathroom).• DO NOT place where the device may come into con-tact with water.• DO NOT expose to direct sunlight.NOTE: when placing the thermostat, it is necessary to verify that the actuators are located within a certain range. In ideal conditions -  without any obstacles - this range covers 33 yd. Among the factors that can affect transmission performance, humidity and the architec-tural features of the building must be considered.5 ft1 ftto the time interval selected. To complete the change, press  ENTER.  It is immediately possible to decide whether to apply the same programming to the follow-ing 24 hours.  To extend it by one day, respond to the system prompt by selecting ENTER and then EDIT. Re-peat the operation until a typical week has been defined. Summer adjustment - Weekly Schedule[MENUàSETTINGSàSUMMER ADJUSTMENT]When the SUMMER mode is enabled, access Summer Ad-justment (*) to define the weekly schedule. Refer to the similar procedure, described in the previous paragraph (Zones). Manual for 1 hour and then Auto (Manual Mode)[MENUàMODEàMAN. MODEàMANUAL FOR 1 HOUR...][MENUàMODEàMAN. MODEàMANUAL FOR 2 HOURS...]Access the Manual Mode section and select Man. for 1 hour and then auto, using the Up/down arrows, to temporarily activate this mode, and then press ENTER. Alternatively, select Man. for two hours and then auto or Set duration of manual mode to define longer durations.  Then press ENTER. In the second case, to set this dura-tion, use the Up/down arrows and define the required period of time. Then press ENTER to complete.If you want to specify a period longer than 24 hours, the system automatically switches to count days.NOTE: using this mode, for example, it is possible to manage the plant during a holiday period.  In fact, proper program setting, ensures an anticipated return to conditions of comfort with respect to the scheduled date of return from the holiday. Shutdown for 1 hour and Auto (OFF Mode)[MENUàMODEàOFF MODEàSWITCH OFF FOR...]Access the OFF mode section and follow the same pro-cedure (See previous paragraph).* ATTENTION: in ‘Summer adjustment’ selecting the zones is not necessary. In Summer mode the system operates in ON/OFF mode on all the actuators and on a single zone, whose temperature is measured directly by the chronothermostat. It is possible to disable the summer operation of one or more of the actuators (See Anti-condensation function adjustment on pg. 23).300546US-10-14
CHRONOTHERMOSTAT[11]For help see ‘NAVIGATION MAP’ on pg. 22Wall Installation1) Open the front panel of the chronothermostat. CAUTION! Make sure to cut-out the voltage to the electrical system before proceeding beyond this point. 2) After loosening the 2 screws, remove the lid of internal box (S), as shown in the figure at the side. Next pass the boiler contact cables through the slot (S1). Connect the power cables to the terminal in posi-tions ‘NO’ and ‘C’, as indicated at the bottom of the lid (See the ‘Wiring diagram’ on pg. 13 for further instructions). Lastly, put the lid back on to close the box and then tighten the screws.1S1x2UNSCREWS21S133) Place the device against the wall, and secure it as shown (3).The possible options are as follows:*  A(box-mounted)33*  B (wall mounted)33• with 2 screws in cor-respondence to the 503E electrical box (*A)• with 2 screw anchors on the wall (*B)300546US-10-14ENGLISH
CHRONOTHERMOSTAT[12] TECHNICAL CHARACTERISTICS OF THE CHRONOTHERMOSTAT1) TRANSMISSION• Transmission frequency: 915.00 MHz• Signal range: 33 yd with no obstacles2) POWER SUPPLY• Voltage: 4.5V• Type of batteries: 3 AA stylus alkaline batteries (mod. LR6) 1.5V• Outlet type  - unipolar contact relay 5A/250Vac  - FOR US MARKET: DO NOT CONNECT VOLTAGE HIGHER THAN 24V ac/dc TO THE OUTPUT RELAY!• battery life: 3 years (with brand new, well stored bat-teries and in optimal operating conditions)*• Type of action, disconnection and device: 1 / B / Digital electronic3) ENVIRONMENTAL CONDITIONS• Temperature limits for transport and storage:   from -4 °F to +130 °F• Operating temperature limits: from 23 °F to +110 °F4) BATTERY STORAGE CONDITIONS• Temperature: 68 °F ensure long battery life5) CONFORMITY• Reference Standard (LV): IEC 60730-2-9• Reference Standard (EMC): FCC 15 par. 15.2476) SAFETY• Protection rating: IP 40• Type of insulation: CLASS II7)OVERALL DIMENSIONS• Chronothermostat: L=4.95 in, H=3.90 in, W=1.00 in8) PRODUCT CODE • Description: digital chronothermostat with backlit dis-play and SUMMER / WINTER switch.• EQUICALOR-AC: Art. DC 1010 Code 506366US9) TEMPERATURE INTERVALS• Sample interval: 10 minutes• Hysteresis: 0.2°F.* battery life may be shortened by bad RADIO transmission condi-tions (L SIGN), by the presence of obstacles or by storage condi-tions other than those prescribed. Batteries of different brands may have different behaviour and lower life than indicated in the present document.FCC ID: 2AB4Y506366USThis device complies with part 15 of the FCC Rules. Operation is subject to the following two conditions: (1) this device may not cause harmful interference, and (2) this device must accept any interference received including interfer-ence that may cause undesired operation. NOTE: this equipment has been tested and found to comply with the limits for a Class B digital device, pursuant to Part 15 of the FCC Rules. These limits are designed to provide reasonable protection against harmful interference in a residential installation. This equipment generates, uses, and can radiate radio frequency energy and, if not installed and used in accordance with the instructions, may cause harmful interference to radio communications. However, there is no guarantee that interference will not occur in a particular installation. If this equipment does cause harmful interference to radio or television reception, which can be determined by turning the equipment off and on, the user is encouraged to try to correct the interference by one or more of the following measures:• Reorient or relocate the receiving antenna.• Increase the separation between the equipment and receiver.• Connect the equipment into an outlet on a circuit different from that to which the receiver is connected.• Consult the dealer or an experienced radio/TV technician for help.RF Exposure: this equipment complies with FCC radiation exposure limits set forth for an uncontrolled environment. This equipment should be installed and operated with min. distance 20 cm between the radiator and your body. This transmitter must not be co-located or operating in conjunction with any other antenna or transmitter.Warning: Changes or modifications to this device not expressly approved by IVAR Spa could void the user’s au-thority to operate the equipment.300546US-10-14
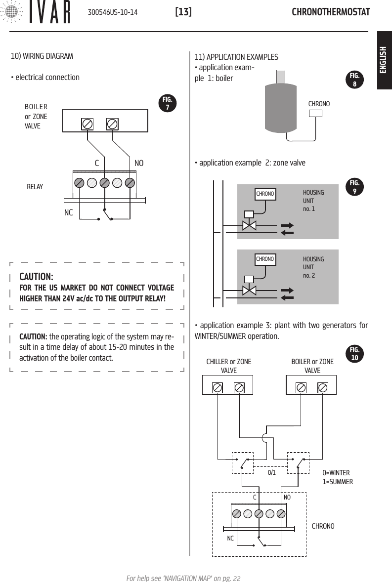
CHRONOTHERMOSTAT[13]For help see ‘NAVIGATION MAP’ on pg. 22CHRONOHOUSING UNITno. 1HOUSING UNITno. 2CHRONO11) APPLICATION EXAMPLES• application exam-ple  1: boiler• application example  2: zone valveCHRONO10) WIRING DIAGRAM• electrical connection• application example 3: plant with two generators for WINTER/SUMMER operation.FIG.7FIG.8FIG.9CHRONO0=WINTER1=SUMMER0/1C NONCBOILER or ZONE VALVECHILLER or ZONE VALVEFIG.10CAUTION: the operating logic of the system may re-sult in a time delay of about 15-20 minutes in the activation of the boiler contact.BOILER or ZONE VALVERELAYNONCCCAUTION:FOR THE US MARKET DO NOT CONNECT VOLTAGE HIGHER THAN 24V ac/dc TO THE OUTPUT RELAY!300546US-10-14ENGLISH
ACTUATOR[14] FEATURES OF THE ACTUATOREach actuator (sold individually; provided separately from the chronothermostat) physically controls the  radiator on which it is installed, guided by the chrono-thermostat. If you wish to improve the comfort level of a particu-lar room or part thereof, there is also the possibility of controlling each actuator immediately. In this way, maxi-mum yield is obtained with accuracy and simplicity.  CONTENTS OF THE PACKAGE• Actuator• Utility key• Stylus alkaline batteries• Instructions sheet LED INDICATOR AND FRONT SELECTOR SWITCHThe actuator controls are found on the front side of the device. They consist of: • Led Indicator [LED from 1 to 6]• Front selector [control key]The front selector key operates in three positions:  A) Position ‘+’ (HIGH)B) Position ‘SELECT’ (pressing the key)C) Position ‘-‘ (LOW)LED 1LED 2LED 3LED 4LED 5LED 6FRONT SELECTOR2. ATTUATORE WARNINGS1 . During actuator installation, it is recommended that you protect the toothed ring nut using a rag when tightening.2 . When working with the actuator make sure it does not come into contact with water and do not expose it to high levels of humidity. 3 . The actuator options setup procedure should be preferably be performed by the installer.  4 . It is important to verify that the batteries are work-ing properly to prevent the heating/cooling system from shutting down due to a lack of power to the actuator. 5 . Observe the following directions for using the bat-teries: when it is time to dispose of them, place them separately into the appropriate recycling container; follow the installation instructions provided; avoid con-necting the metal poles that are in contact with the batteries in order to prevent a short circuit; always use the type of batteries specified in this manual; do not mix different batteries, old and new batteries or alkaline batteries with standard or zinc coal batteries; the use of rechargeable batteries results in less operating au-tonomy when compared to non-rechargeable batteries.6. If the device causes interference with other electrical equipment, immediately remove them from the area.7 . Do not dis-pose of the device in the environment at the end of its life cycle. Dispose of the device in compliance with current legisla-tion.8 . Follow the directions in Fig-ure-12 to posi-tion the actuator.ACTUATOR CONTROLS11B*11A11D*11C*FIG.12FIG.11BPRESSCPUSH DOWN-WARDSA PUSH UPWARDS* See ‘Remote sensor’ on pg. 16 300546US-10-14
ACTUATOR[15]For help see ‘NAVIGATION MAP’ on pg. 22CLOSING DISTANCE( X )MAX= 0.37 inMAX= Ø0.83 inM30x1,5ENVIRONMENTAL CONDITIONS• Temperature limits for transport and storage:   from -4 °F to +130 °F• Operating temperature limits:  from 23 °F to +110 °F5) BATTERY STORAGE CONDITIONS• Temperature: 68 °F ensure long battery life6) CONFORMITY• Reference Standard (EMC): FCC 15 par. 15.2477) SAFETY• Type of insulation: CLASS III8) OVERALL DIMENSIONS • L=3.60 in, H=1.90 in, W=2.60 in9) PRODUCT CODE • Description: axial servomotor• EQUICALOR-A: Art. AS 1000 Code 506364US TECHNICAL CHARACTERISTICS OF THE ACTUATOR1) TRANSMISSION• Transmission frequency: 915.00 MHz• Signal range: 33 yd with no obstacles2) POWER SUPPLY • Voltage: 4.5 V• Type of batteries: 3 AA stylus alkaline batteries (mod. LR6) 1.5V• Battery life: 3 years (with brand new, well stored bat-teries and in optimal operating conditions) *• Type of device: Digital electronic3) CONNECTION• Type of connection: M30x1.5• Closing distance ( X ): between 0.41 and 0.47 inFCC ID: 2AB4Y506364USThis device complies with part 15 of the FCC Rules. Op-eration is subject to the following two conditions: (1) this device may not cause harmful interference, and (2) this device must accept any interference received including interference that may cause undesired operation.NOTE: this equipment has been tested and found to comply with the limits for a Class B digital device, pur-suant to Part 15 of the FCC Rules. These limits are de-signed to provide reasonable protection against harmful interference in a residential installation. This equipment generates, uses, and can radiate radio frequency energy and, if not installed and used in accordance with the instructions, may cause harmful interference to radio communications. However, there is no guarantee that interference will not occur in a particular installation. If this equipment does cause harmful interference to radio or television reception, which can be determined by turning the equipment off and on, the user is encour-aged to try to correct the interference by one or more of the following measures:• Reorient or relocate the receiving antenna.• Increase the separation between the equipment and receiver.• Connect the equipment into an outlet on a circuit dif-ferent from that to which the receiver is connected.• Consult the dealer or an experienced radio/TV techni-cian for help.RF Exposure: this equipment complies with FCC ra-diation exposure limits set forth for an uncontrolled environment. This equipment should be installed and operated with min. distance 20cm between the radiator and your body. This transmitter must not be co-located or operating in conjunction with any other antenna or transmitter.Warning: Changes or modifications to this device not expressly approved by IVAR Spa could void the user’s authority to operate the equipment.* battery life may be shortened by bad RADIO transmission conditions (L SIGN), by the presence of obstacles or by storage conditions other than those prescribed. Batteries of different brands may have different behaviour and lower life than indicated in the present document.300546US-10-14ENGLISH
ACTUATOR[16] ROOM COMFORT TEMPERATURE ADJUSTMENTWith respect to the Set temperature for a single zone in manual or automatic mode of the chronothermostat, it is possible to make an immediate modification to a cer-tain radiator using the front selector key of the actuator concerned. For example, if two rooms are assigned to a certain zone, you are given the opportunity to increase or decrease the temperature present in either of these up to about 6 °F; or, in the same way, to obtain the best temperature for the room being used without having to worry about editing the system’s programming (See Table-1a).The procedure described below applies only actuators that are associated with areas other than Zone1. Access the Room temperature adjustment function keeping the front selector in the SE-LECT position, until LEDs 3 and 4 light up, which occurs after 5 seconds (See Table at the side). Release the selec-tor after this signal. The Led indicator indicates the actual Room temperature adjustment (See Table-1b).To raise or lower the temperature by approx. 2 °F simply touch ‘+’ or ‘-’ on the selector. At each touch, the temperature is varied within a total range that goes from approx. +6 °F to ap-prox. -6 °F. If, for example, a zone is adjusted to value of 62 °F the room comfort of the individual actuator can go from approx. 56 °F to 68 °F. After having set the desired temperature, (see Table-1b), a 5 second wait completes the procedure according to the new setting. Signal: µ = Led onLed 1 µLed 2 µLed 3 µLed 4 µLed 5 µLed 6 µOPENTHIS WAYFIG.13 BATTERY REPLACEMENTThe actuator requires 3 AA 1.5 V Alkaline batteries. The batteries must be inserted in order to operate the equipment. 1) To replace the batteries, use the utility key, supplied in the package. 2) Release the battery slide, inserting the utility key as indicated in the figure.3) Remove the battery housing slide and arrange the batteries in the order and direction indicated on the bot-tom of the slide (See Figure-13).4) Reposition the slide, sliding it all the way until it clicks.  REMOTE SENSOR (OPTIONAL)It is possible to connect a remote room temperature sensor (supplied as an optional - Art. AE 1000) to the actuators, resulting in the exclusion of their built-in sen-sors. The remote sensor allows detecting the tempera-ture at a preset point, in case the actuator is installed in an unfavorable position.CAUTION: the remote sensor cannot be applied to the actuators in ‘Zone1’.TABLE 1aROOM COMFORT TEMPERATURE (Example)SET T. ROOM T. ADJUSTMENT ROOM COMFORT T.64 °F + about 4 °F = about 68 °F23TABLE 1bDEFINING THE ROOM TEMPERATURE ADJUSTMENTtemperature adjustment à   -3 -2 -1 +0 +1 +2 +3Led 1 µµµ µµµLed 2 µµµ µµµLed 3 µµµµµµ µLed 4 µµµµµµµLed 5 µµµ µ µ µLed 6 µµµ µµµNB µ = Led on300546US-10-14
ACTUATOR[17]For help see ‘NAVIGATION MAP’ on pg. 22 MANUAL RELEASEIf necessary, manually enable the emergency setting as indicated below.• Remove the fixing pin from the numbered upper disc (2).• Press the utility key into the housing (3).• Release the actuator, slowly turning the utility key until reaching the required position (4a/4b), as illustrated. 9) Put the numbered disc back in place, making sure the ‘0’ is aligned with the reference mark (*); then press the disc in the housing.10) Put the fixing pin back in place.11) To complete the assisted closure/opening phase, the se-lector must be kept in the SELECT position until Leds 3 and 4 light up, which happens after 5 seconds. Release the button after this signal.12) Proceed with associating the actuator and with the final test. (See ‘Association of an actuator with the chronothermo-stat’ in the chapter ‘TECHNICAL SECTION’). INSTALLING THE ACTUATOR1) Make sure to have installed the batteries (See pg. 16).2) Remove (with a small screwdriver) the fixing pin from upper numbered disc as indicated in the figure.3) Press the utility key into the housing.4) Fully open the actuator, slowly turning the key anti-clockwise until about 45° from the limit switch (4a), in order to align the piston (4c) with the minimum point. This point is indicated in the figure in detail 4d. Then remove the key.5) Raise the connecting threaded ring nut in the direction indicated. 6) Secure the actuator to the radiator manually screwing down the threaded ring nut, tightening it with an appropriate size wrench.7) Fully close the actuator, maintaining the front selector in position ‘-‘ until Led 4 flashes for the first time (See Figure-11 on pg. 14), which oc-curs after 5 seconds. Release the button after this signal. The simultaneous rapid flashing of Leds 4, 5, and 6 indicates closure has occurred.8) Remove the numbered disc located on the up-per part of the actuator (See figure).The setting values are: ‘0‘ for maximum closure ‘6‘ for maximum aperture. If the numeric scale is not correctly positioned, fully close the actuator (turning the key clockwise until the end of stroke) and then proceed as indicated in steps 8 and 9 of the operations for Install-ing the actuator (See pg. 17).• Remove the key and put the fixing pin back in place.6* 91058FIG.144c34a4b24d4cMIN MAX    300546US-10-14ENGLISH
TECHNICAL SECTION[18]List of example alarms:---Date------Time------ID----ERR---10/02/11   07.00.00  Ch00  L BATT03/02/08   11.10.21  Ac02  ERR MO19/01/12   09.05.30  Ac03  L SIGN12/01/10   05.22.59  Ac05  ERR TEGENERAL OPERATION NOTESThe ambient temperature is detected directly on the chrono for Zone 1 (Master) and on the actuators in Zones 2-8 (Slave). A patented algorithm allows correcting the proximity effect that originates in Zones 2-8 due to the proximity between the sensor and the heat source.3. TECHNICAL SECTION 3.1 CHRONOTHERMOSTAT – SETUPAccess the Advanced Settings section (See ‘Menu Navi-gation’ on pg. 6 for information about the control keys) to adjust plant options depending on the specific characteristics of the building (MENUàSETTINGSàAD-VANCED SETINGS... this path will be indicated in this chap-ter by an asterisk for the purpose of brevity). During the access phase, respond to the system prompt by selecting ENTER to proceed. The ‘Advanced Settings’ are listed below.Limits[*àPLANTàLIMITSàWINTER][*àPLANTàLIMITSàSUMMER]To determine the maximum and minimum value of each of the 6 temperature ranges that make up the Winter set and Summer set, go to the Limits section (For more information about the SETS, see Managing the temperature sets on pg. 23). Select a value to edit within the setting group chosen (Summer or Win-ter) and press ENTER. Using the Up/down arrows, adjust the value (maximum and minimum) corresponding to Comfort-T1, Saving-T2 or Limit-T3. Then press ENTER.Pre-activation (Max start up and shutdown anticipa-tion)[*àPLANTàPRE-ACTIVATIONàMAX ANTICIPATION OF START UP][*àPLANTàPRE-ACTIVATIONàMAX ANTICIPAT. OF SHUTDOWN]Defines the maximum time limit that is calculated au-tomatically by the chronothermostat for optimized sys-tem start up/shutdown (MAX ANTICIPATION OF START UP/MAX ANTICIPATION OF SHUTDOWN).The time is expressed in minutes and can be changed at increments of 1 minute. Use the Up/down arrows to adjust and then press ENTER.Pre-activation (Prestart savings reduction)[*àPLANTàPRE-ACTIVATIONàPRESTART SAVINGS REDUCTION]Modify this value to define the temperature drop value obtained exiting the Comfort band when ‘SHUT-DOWN OPTIMIZATION’ is enabled. This value is set bydefault to 1 °F. Use the Up/down arrows to adjust and then press ENTER.Pre-activation (Comfort prestart index)[*àPLANTàPRE-ACTIVATIONSàCOMFORT PRESTART INDEX]Adjust this value to set the prestart comfort  range  which the sys-tem applies to the function ‘START UP OPTIMIZATION’. The Index is set to 30 by default (10 = minimum, 60 = maximum). A lower value minimizes the prestart, while a greater value accentuates it. Use the Up/down arrows to edit and then press ENTER.Diagnostic (Stored Delta TPR)[*àPLANTàDIAGNOSTICSàSTORED DELTA TPR]Access to view the Delta TPR parameter, which is involved in the controlling the zones. Press EXIT to go back.Diagnostics (Alarm History)[*àPLANTàDIAGNOSTICSàALARM HISTORY]Access to view the chronological list of alarms (pre-sent and past) reported by the system. Press EXIT to go back. The list indicates the date and time in which the problem was detected, the ID (identifier) of the involved device and the type of problem (ERR). The ID speci-fies the type of device the alarm concerns (CH=chronothermostat, Ac=actuator) as well as its identification number. The possible alarms (ERR) may include:1) L BATT = Batteries discharged2) L SIGN = Low radio communication capacity3) ERR TE = Built-in or remote temperature sensorfailure (if installed).4) ERR MO = Electric motor failureNOTE: the errors 1, 2 and 3 are also indicated on the actuators (See ‘Signals‘ on pg. 20).TemperatureT1Time0.51.01.5T2TemperatureT1Time60 30 10T2300546US-10-14
TECHNICAL SECTION[19]For help see ‘NAVIGATION MAP’ on pg. 22Diagnostic (Reset alarms)[*àPLANTàDIAGNOSTICàRESET ALARMS]To delete the alarm chronology, select ON, using the Up arrow. The press ENTER to make the change.Diagnostic (Enable diagnostics mode)[*àPLANTàDIAGNOSTICàENABLE DIAGNOSTICS MODE]To switch the chronothermostat to Test mode, select ON, using the Up arrow. The press ENTER to make the change. Enabling this function, battery consumption increases.Diagnostics (Identify actuator)[*àPLANTàDIAGNOSTICSàIDENTIFY ACTUATOR]To identify a particular actuator, select an identification number using the Up/down. Then press ENTER to start the identification phase. This operation may take a minute. Immediately after be-ing identified the actuator corresponding to the number selected will cause the Led indicator to flash.Diagnostics (Identify zone)[*àPLANTàDIAGNOSTICSàIDENTIFY ZONE]The same procedure as the identification of an actuator, it involves all devices in the selected zone (See ‘Identify Actuator’).User name[*àPLANTàUSER NAME]To identify the device controlled by the chronothermostat and its associated zones, assign a name to this field.  See ‘Zone names’ on pg. 8 for instructions.Area settings[*àPLANTàAREA SETTINGS]If the conditions of transmission with the actuators are favorable, it is possible to modify the capacity of the ra-dio signal. To do this, access the Area settings section and select Normal area with the Up/down arrows.Number of managed zones[*àPLANTàNUMBER OF MANAGED ZONES]After providing further confirmation, the total number of associated zones can be changed, and can include up to a maximum of 8 zones. NOTE: the bypassed zones can later be restored.Reset the advanced settings[*àPLANTàADVANCED SETTINGS RESET]Enable this function when you intend to delete the changes that have been made to the advanced settings. A warning is prompted before you can proceed. Select ON, using the Up arrow. Then press ENTER to make the change.Total device reset[*àPLANTàTOTAL DEVICE RESET]Through this option, it is possible to restore the chrono-thermostat to its initial state, according to the factory settings. After providing further confirmation, restore the time bands and all the parameters. Select ON, using the Up arrow. Then press ENTER to make the change. In this way, all the data relative to the associated actuators and all the options edited after installation will be cancelled. To reuse the actuators you must carry out the associa-tion operations, as indicated in the following chapter. ASSOCIATION OF AN ACTUATOR WITH THE CHRONO-THERMOSTATEach actuator requires a basic procedure for establishing a connection with the chronothermostat which is defined as ‘Association’. When the actuator is not associated, it responds to each touch of the front selector with the Signal A* (See ‘Signals’ in the following chapter). To start transmission to the chronothermostat, use the controls on the chronthermostat itself as follows.  To begin, press the MENU key and select Associations using the Up/down arrows. Then press ENTER.Select the desired zone from the menu list using the  Up/down arrows and then press ENTER (to customize the names of the zones, see ‘Zone Names’ on pg. 8). Now you can associate an actuator to the zone selected. En-able the search function, maintaining the actuator’s front selector in the SELECT position until Leds 2 and 5 light up, which happens after 10 seconds. Release the button after this signal. The search remains active for 5 minutes.LED INDICATOR ILLUMINATION WHEN FRONT SELECTOR IS PRESSEDPress duration à5 sec10 sec20sec30secLed 1 µµµµLed 2 µµµ µLed 3 µµµµLed 4 µµµµLed 5 µµµ µLed 6 µµµµ(µ = Led on)Signal C* of the actuator defines the success of the 300546US-10-14ENGLISH
TECHNICAL SECTION[20]operation (See ‘Signals’ on pg. 20). Now proceed with the test; see the following paragraph.Verifying correct associationWhen the association procedure is complete, on the chron-othermostat carry out the ‘Identify actuator’ function. See Diagnostics (Identify actuator) on pg. 19.Managing the actuatorsFor correct system operation, the room in which the chron-othermostat is installed MUST by defined as Zone1.The system is able to manage up to a maximum of 28 ac-tuators, which can be distributed in 8 zones. If one of the actuators must be replaced, simply associate a new one following the procedure described, up to a maximum of 4 replacements.  If this new number of devices is reached, carry out the procedure below before associating new ac-tuators. 1) Perform ‘Total device reset‘.2) Associate all the actuators (up to a maximum of 28).  3.2 ACTUATOR – SETUPSignalsThe types of signals that the Led Indicator can produce are listed below:LED INDICATOR:  FLASHING SIGNALSType of signal àA* S*  C* T1* T2*Led 1 µµµµµLed 2 µµµµµLed 3 µµµµµLed 4 µµµµµLed 5 µµµµµLed 6 µµ µ µµ•  A* ACTIVE - rapid simultaneous flashing of the central leds (LEDs 3 and 4), repeated 3 times.• S* SEARCH - rapid movement of flashing from the centre (LED 3 and 4) to the ends (LED 1 and 6), repeated 3 times.• C* CONFIRM - all leds flash for 1 second, repeated 3 times.• T1* OPENING TEST - rapid simultaneous flashing of LEDs 1, 2 and 3 (repeated 3 times).• T2* CLOSING TEST - rapid simultaneous flashing of LEDs 4, 5 and 6 (repeated 3 times).• ANOMALY - in case of active alarms, the indicator com-municates the following warnings at each touch of the front selector.  L BATT (Led 3 and 4 on) - L SIGN (Led 2 and 5 on) - ERR TE (Led 1 and 6 on). See ‘Diagnostics (Alarm History)’ on pg. 18.Options setup (selection and editing)1) PARAMETER SELECTION (see Table-2)To begin setting the parameters, maintain the front selec-tor in the SELECT position until LEDs 1 and 6 which happens after 20 seconds. Release the button after this signal. Adjust the front selec-tor in the ‘+’ or ‘-’ direction to scroll through the param-eters from 1 to 6, indicated by the flashing led lights. To proceed with setting the selected parameter, maintain the selector in the SELECT position until Leds 3 and 4 light up, which happens after 5 seconds. Release the key after this signal (a period of 60 seconds of inactivity or pressing in po-sition SELECT for 20 seconds, completes the programming).TABLE  2: PARAMETER SELECTIONLed flash-ing Parameter Abbre-viation Default Minimum MaximumLED 1 (1)  Service Srv C - -LED 2 (2)  Anti-condensation function Acd C - -LED 3 (3)  Hysteresis [°F] Ist 0.2 0.2 1.2LED 4 (4)  Maximum aperture Pmax 8 6 13LED 5 (5)  Corrective position Cp 3 2 7LED 6 (6)  Proportional coefficient Kp 0,10 0,01 0,20TABLE  3: EDITING THE PARAMETERSParameter à(1)Srv(2)Acd(3)Ist  [°F](4)Pmax(5)Cp(6)KpLED 1 - - 1.2 13 7 0,20LED 2 - - 1.0 11 6 0,15LED 3 - - 0.8 9 5 0,10LED 4 A - 0.6 8 4 0,06LED 5 B B 0.4 7 3 0,03LED 6 C C 0.2 6 2 0,01300546US-10-14
TECHNICAL SECTION[21]For help see ‘NAVIGATION MAP’ on pg. 222)  EDITING A PARAMETER (see Table-3)Adjust the front selector in the ‘+’ or ‘-’ direction to edit the value of the previously selected, indicated by the fixed led light. Then maintain the selector in the SELECT position for 5 seconds to confirm the selected value.  The flashing of LEDs 3 and 4 indicates the successful completion of the procedure and the return to the parameters list. Therefore, release the key. A period of 60 seconds of inactivity, without making the change to the parameter being set, completes the programming.NOTE: the options setup can be run, even if the actuator has not yet been associated with a chronothermostat.PARAMETERS1) Service• A = Disassociation from chronothermostat• B = Actuator reset• C = No action (Default)2) Anti-condensation(See ‘Anti-condensation function’ on pg. 23.)3) HysteresisThis parameter is enabled only in ON/OFF operation and rep-resents the positive/negative deviation from the set point, useful for determining the closure/opening of the valve.- Ist. SETPOINTOPEN CLOSED  OPENTemper-atureTime+ Ist.4) PmaxDefines the proportional working band of the actuator.5) Cp (Corrective position of the actuator)Represents the theoretical point of valve closure (See graph). Given the actuator effectively goes into overtravel due to the elasticity of the rubber seal, the Cp allows the im-mediate correction of this positioning in the opening phase.Cp + Pmax0* 3 12Theoretical valve closure pointPmax=9Cp=3overtravel* The ‘0’ closing position is found in a self-adapting manner by the actuator.6) Kp (Proportional coefficient)The shifting of the actuator is proportional to the differ-ence between the temperature required temperature and the actual temperature. When Kp is increased smaller shifts are obtained, while reducing Kp larger shifts are obtained. Kp=0.01 (minimum value) results in ON/OFF operation.Automatic opening/closing operationA) To fully open the actuator, maintain the front selector in po-sition ‘+‘ until Led 3 flashes for the first time, which occurs af-ter 5 seconds. Release the button after this signal. Signal T1* indicates opening has occurred (See ‘Signals’ on pg. 20).Then press the selector in the SELECT position until Signal A*, which occurs after 5 seconds. Release the button after this signal, completing the operation. B) To fully close the actuator, maintain the front selector in position ‘-‘ until Led 4 flashes for the first time, which oc-curs after 5 seconds.  Release the button after this signal. Signal T2* indicates closure has occurred.Then press the selector in the SELECT position until Signal A*, which occurs after 5 seconds. Release the button after this signal, completing the operation.Radio signal testTo check the quality of an actuator’s radio signal, maintain the front selector in the SELECT position until the led indica-tor’s luminous signal appears, after 30 seconds. The quality level is indicated in Table-4.TABLE  4: RADIO SIGNAL TESTSignal quality à    2(max)1 0(absent)Led 1 µµ µLed 2 µµµLed 3 µµµLed 4 µµµLed 5 µµµLed 6 µµ µ( NOTE:  µ = Led on )300546US-10-14ENGLISH
NAVIGATION MAP[22]LIMITSPRE-ACTIVATIONDIAGNOSTICUSER NAMENUMBER OF MANAGED ZONESADVANCED SETTINGS RESETTOTAL DEVICE RESETADVANCED SETTINGS*PLANTMAX. SUMMER COMFORT T.MIN. SUMMER COMFORT T.MAX. SUMMER SAVING T.MIN. SUMMER SAVING T.MAX. SUMMER LIMIT T.MIN. SUMMER LIMIT T.WINTERSUMMERMAX. ANTICIPATION OF START UPMAX. ANTICIPATION OF SHUTDOWNPRESTART SAVINGS REDUCTIONCOMFORT PRESTART INDEXSTORED DELTA TPRALARMS HISTORYRESET ALARMSENABLE DIAGNOSTICS MODEIDENTIFY ACTUATORIDENTIFY ZONEAREA SETTINGSMAX. WINTER COMFORT T.MIN. WINTER COMFORT T.MAX. WINTER SAVING T.MIN. WINTER SAVING T.MAX. WINTER LIMIT T.MIN. WINTER LIMIT T.CURRENT LANGUAGEWINTER SETSUMMER SETZONES/SUMMER ADJUSTMENTWINTER/SUMMER MODEDATETIMETIME FORMATTEMPERAT. MEASUREMENT UNITSCONTRASTBRIGHTNESSSTART UP OPTIMIZATIONSHUTDOWN OPTIMIZATIONSET ZONE NAMESMODESETTINGSASSOCIATIONSPREFERENCESMANUAL MODEAUTOMATIC MODESHUTDOWN MODESET TIMEDAYLIGHT S. TIMESET WINTER COMFORTSET WINTER SAVINGSET WINTER LIMITSET SUMMER COMFORTSET SUMMER SAVINGSET SUMMER LIMITENABLE MANUAL MODEMAN. FOR 1 HOURMAN. FOR 2 HOURSSET DURATION OF M. MODESHUTDOWNSHUTDOWN FOR 1 HOURSHUTDOWN FOR 2 HOURSSET SHUTDOWN DURATIONENABLE AUTOMATIC MODE12 HOUR FORMAT24 HOUR FORMATZONE 1ZONE 1 NAMEZONE 1M/T/W/T/F/S/SSCHEDULE GRAPHZONE 1 ASSOCIATIONMAI NMENUKEY LOCKADVANCED SETTINGS*FUNCTION NAVIGATION MAP: starting from the chronothermostat’s main MENU (indicated by the arrow in the fig-ure), accessed by pressing the MENU button, follow the diagram shown on this page to reach the desired section. 300546US-10-14
APPENDIX[23]Specifications and documentation are subject to change without prior notice by the manufacturer. TABLE 5: TEMPERATURE RANGES (Default)WINTER SETSUMMER SETCOMFORTSAVINGLIMITCOMFORTSAVINGLIMITT MAX 77 °F 68 °F 59 °F 86 °F 95 °F104 °FT MIN 59 °F 50 °F 41 °F 68 °F 77 °F 86 °F MANAGING THE TEMPERATURE SETSGuide to settingRefer to the following instructions to manage the tem-perature sets (‘Winter Set’ and ‘Summer Set’)The total range of the temperatures is divided into 6 specific intervals, as illustrated in Table-5.The following example indicates a possible way of set-ting T1-T2-T3 in ‘Winter mode’:• Define a COMFORT temperature of 66 °F for the Set winter comfort (T1) option.• Next define a SAVING temperature between 50 °F and 66 °F for the option Set winter saving (T2). T2, as a mat-ter of fact, is dependent on T1; for example set 58 °F. • T3 is in turn dependent on T2 and, in this specific case, for the Set winter limit (T3) option it is possible to set a LIMIT temperature between 41 °F and 58 °F.INTERACTION BETWEEN THE RANGES (WINTER)COMFORT>SAVING SAVING>LIMITINTERACTION BETWEEN THE RANGES (SUMMER)COMFORT<SAVING SAVING<LIMITWhen necessary it is also possible to redefine the maxi-mum and minimum values for each of the 6 tempera-ture ranges. For example:1) Access MENUàSETTINGSàADVANCED SETTINGSàPLANTàLIMITSàWINTERàMINIMUM WINTER COMFORT TEMP. and set a value of 68 °F. Then press ENTER.2) Access MENUàSETTINGSàADVANCED SETTINGSàPLANTàLIMITSàWINTERàMAXIMUM WINTER COMFORT TEMP. and set a value of 80 °F. Then press ENTER. In this way, a COMFORT range (12 °F of extension) that goes from 68 °F to 80 °F is obtained. It is important to note that each range must have an extension of at least 3 °F (approx.). If, as a matter of fact, we set 70 °F as the MAXIMUM WINTER COMFORT TEMP. value, the system will automatically set the MINIMUM WINTER COMFORT TEMP. value to 67 °F. The new COMFORT range (approx. 3 °F of extension) will go from 67 °F to 70 °F. ANTI-CONDENSATION FUNCTION ADJUSTMENTWhen installing the actuators, it may be necessary to ac-tivate the anti-condensation function on some devices; this is enabled using the controls on the actuator itself.  A possible case is the need to exclude a decorative ra-diator from summer operation.  To modify this function, set Parameter 2 (Acd) of the actuator as indicated in Table-6 (See ‘Actuator options setup’ on pg. 20 for further details):TABLE 6 VALUE OF ‘Acd’ PARAMETERANTI-CONDENSATION FUNCTION ON BANTI-CONDENSATION FUNCTION OFF CNOTE: the anti-condensation is disabled by default300546US-10-14ENGLISH
1.  CRONOTERMOSTATOCaracterísticas del cronotermostato p. 25Contenido de la caja p. 25Pantalla y teclas de mando p. 25Advertencias p. 26Lista de las alarmas p. 26Condiciones de garantía del cronotermostato p. 26Contactos p. 26Instalación/Sustitución de las pilas p. 27Modos operativos p. 27Configuración del cronotermostato p. 28Configuración automática de la temperatura p. 31Instalación del cronotermostato p. 32Características técnicas del cronotermostato p. 342.  ACTUADORCaracterísticas del actuador p. 36Contenido de la caja p. 36Indicador led y selector frontal p. 36Advertencias p. 36Características técnicas del actuador p. 37Instalación/Sustitución de las pilas p. 38Sensor remoto p. 38Regulación de la temperatura confort local p. 38Instalación del actuador p. 39Desbloqueo manual p. 393.  SECCIÓN TÉCNICA 3 . 1 (CRONOTERMOSTATO)Cronotermostato - setup p. 40Asociación de un actuador con el cronotermostato p. 41 3 . 2 (ATTUATORE)Actuador – setup p. 424.  MAPA DE NAVEGACIÓN DE LAS FUNCIONES p. 445.  APÉNDICE p. 45ÍNDICE INSTALACIÓN DEL SISTEMA EQUICALOR1) Identificar las zonasPlanificar la subdivisión de la vivienda en zonas, determi-nando su cantidad.2) Definir una posición para el cronotermostatoEl cronotermostato detecta la temperatura del ambiente y debe estar colocado en una posición donde haya buena cir-culación de aire, a 5 ft del suelo. Ver Posicionamiento típico del aparato en la pag. 32.3b) Instalar el cronotermostato en la paredFijar el cronotermostato en la posición establecida y ejecutar la conexión a la caldera. Ver Instalación a la pared en la pag. 33.   ¡ATENCIÓN! Asegurarse de excluir la tensión de red del sistema eléctrico antes de realizar dicho procedimiento.4) Colocar las pilas en el cronotermostato.El cronotermostato usa n. 3 pilas alcalinas AA 1,5V. Para in-troducir las pilas, ver Instalación/sustitución de las pilas de la pag. 27.5) Configurar idioma, fecha y horaIntroducir los datos para el primer encendido, como se indi-ca en los apartados Idioma actual, Fecha y Hora (Configurar hora) de la pag. 29. Para utilizar el teclado de mando, ver  Configuración del cronotermostato y Navegación del menú en la pag. 28.6) Configurar las zonasConfigurar el número de zonas de la vivienda, como se indi-ca en el apartado Número de zonas gestionadas en la pag. 41. Para acceder a dicha función, ver Configuración del cronotermostato en la pag. 28.7) Colocar las pilas en el actuadorEl actuador usa n. 3 pilas alcalinas AA 1,5V. Para introducir las pilas, ver Instalación/sustitución de las pilas de la pag. 38.8) Instalar el actuadorMontar los actuadores en los respectivos radiadores. Ver Instalación del actuador en la pag. 39.9) Asociar todos los actuadores al cronotermostato y rella-marlos para su verificaciónVer el capítulo ‘Asociación de un actuador con el cronoter-mostato‘ en la pag. 41.GUÍA RÁPIDA300546US-10-14
CRONOTERMOSTATO[25]Para ayuda ver ‘MAPA DE NAVEGACIÓN’ de la pag. 44 INTRODUCCIÓNEl sistema EQUICALOR está compuesto por un cronotermostato y actuadores integrados de zona. El cronotermostato puede controlar su sistema gestionando la termorregulación.Los actuadores se instalan directamente en los radiadores, para ejecutar en cada local la regulación del funcionamiento. Tanto en la función de calentamiento como en aquella de refrigeración EQUICALOR garantiza una temperatura ideal del ambiente y el ahorro energético en los períodos del día donde los locales están ocupados. Las informaciones contenidas en este manual contribuirán a simplificar la personalización del sistema y la reducción de costes de ejercicio del sistema.1. CRONOTERMOSTATO PANTALLA Y TECLAS DE MANDOLas Teclas de mando están compuestas por:• Tecla multifunción derecha (1)• Tecla multifunción izquierda (5)• Tecla ‘reset’ (2)• Cuatro flechas de navegación (3)• Botón ’OK-MODE’ (4)NOTA: Si el bloqueo teclas no está activado, el primer toque del teclado tiene la función de ponerlo en funcionamiento.TECLAS DE MANDOPANTALLA *temperaturas: T1=T confortT2=T ahorroT3=T límite(L)(I)(3)(4)(1)(5)(B) (M)(C)(2)(A)(H)(G)(F)(D) (E)(D1)La Pantalla presenta los siguientes campos:• Icono flechas de navegación (A)• Campo de la tecla multifunción izquierda: ‘MENÚ/SALIR/ANULAR (B)• Gráfico Horario 7-DÍAS (C) con franjas T1, T2,T3 (ver nota de abajo*)• Modalidad activa (D)• Modalidad temporal en funcionamiento (D1)• Temperatura configurada (E)• Zona corrientemente seleccionada (F)• Temperatura detectada <solo ZONA1> (G)• Modalidad INVIERNO  , Modalidad VERANO   y Promemoria Alarma   (H)• Fecha (I) y Hora (L)• Campo de la tecla multifunción derecha: ’ENTRAR/MODIFICAR/CONFIRMAR/VISUALIZAR/SOLAR (M)• Cronotermostato  • Pilas alcalinas estilo  • El presente manual de uso CONTENIDO DE LA CAJA CARACTERISTICAS DEL CRONOTERMOSTATOEl cronotermostato EQUICALOR-AC puede gestionar de modo independiente cada ambiente, controlando hasta 8 zonas. También permite el control directo de la caldera de pared.300546US-10-14ESPAÑOL
CRONOTERMOSTATO[26] ADVERTENCIAS1. La regulación de las configuraciones avanzadas del cronotermostato debe encomendarse preferiblemente al instalador.2. Es importante verificar la plena eficiencia de las pilas para prevenir la parada del sistema de calefacción/refrigeración debidos a la ausencia de alimentación del cronotermostato. 3. Sujetarse a las siguientes indicaciones para el empleo de las pilas: cuando fuera necesario eliminarlas, tirarlas separadamente en el contenedor de recogida diferenciada; sujetarse a las instrucciones de instalación proporcionadas; cuando el dispositivo está en inactividad por un período prolongado de tiempo, quitar las pilas; evitar conectar los polos metálicos que se encuentran en contacto con las pilas para no causar un cortocircuito; usar siempre el tipo de pilas especificado en el manual; no mezcle pilas diferentes, viejas con nuevas o pilas alcalinas con pilas estándar de cinc-carbón; el empleo de pilas recargables implica una menor autonomía de funcionamiento respecto a las pilas no recargables.4. Si el dispositivo provocara interferencias con otros aparatos eléctricos, alejarlos inmediatamente.5. Al final del ciclo de vida del aparato, no dispersarlo en el ambiente. Eliminarlo respetando las leyes vigentes. 6. El montaje del cronotermostato debe realizarse exclusivamente por personal autorizado de conformidad con las normas y leyes vigentes; en ausencia de tensión de red. 7. La ‘Lista de las alarmas’ aparece al encenderse la pantalla en caso de posibles anomalías. Ver el apartado siguiente. CONDICIONES DE GARANTÍA DEL CRONOTERMOSTATO I.V.A.R. S.P.A está asegurada por daños ocasionados a terceros por defecto de fabricación constatado de los productos, en los términos y límites enunciado en el Decreto Legislativo 206/2005. La cobertura máxima de seguro de € 3.000.0000 por siniestro y por año. La responsabilidad de IVAR por los daños de productos defectuosos está disciplinada por las condiciones generales de venta y por el decreto legislativo 206/05 (art 114-127) y se extiende por 2 años desde la instalación del producto.I.V.A.R. S.p.A. garantiza la conformidad y el buen funcionamiento de sus productos en los términos citados por el decreto legislativo n. 206/05. LISTA DE LAS ALARMASSi se presenta un problema de funcionamiento, el si-stema mantiene un rastro de la anomalía. Si el error persiste, una aviso aparece al primer encendido de la pantalla. Este mensaje puede consultarse en cualquier momento en la sección ‘Historial alarmas’ para conocer los detalles (Ver el relativo apartado en la pág. 40).La ruta a seguir para poder acceder es el siguiente: MENÚàCONFIGURACIONESàCONFIGURACIONES AVANZADASàIN-STALACIÓNàDIAGNOSTICOàHISTORIAL ALARMASNOTA: el icono Promemoria Alarma ’ ’ aparece en caso de error y permanece activa hasta la apertura del ’HI-STORIAL’. CONTACTOSIVAR US, Inc.Dirección postal: PO Box 8015, Elkridge, MD 21075T:1-855-9-IVAR-USwww.ivar-us.cominfo@ivar-us.comI.V.A.R. S.p.A.Via IV Novembre, 18125080 Prevalle (BS) - ItalyT: +39 030 68028 - F: +39 030 6801329www.ivar-group.cominfo@ivar-group.com300546US-10-14
CRONOTERMOSTATO[27]Para ayuda ver ‘MAPA DE NAVEGACIÓN’ de la pag. 44B1 B2B3FIG.2NOTA:  Al primer encendido la pantalla propone la selección del idioma, de la hora y la fecha; el idioma predeterminado es el inglés (para completar dicho procedimiento, ver Navegación del menú’ en la pág. 28. En dicho apartado se ilustra el uso del teclado de mando).La alarma de pilas descargadas (L BATT) señala que la alimentación de las pilas está casi terminada y el funcionamiento continuará en programa antihielo por unos 15 días hasta su agotamiento; sustituirlas para restablecer su operatividad. Para mayores detalles sobre las alarmas, ver ‘Diagnóstico (Historial alarmas)’ de la pag. 40; las alarmas pueden referirse al cronotermostato o a los actuadores. La extracción de las pilas no produce la pérdida de las configuraciones definidas. Para colocar o sustituir las pilas, abrir la compuerta anterior del cronotermostato (Ver Figura-1). Después colocar las pilas en sus asientos (B1, B2, B3), teniendo cuidado de colocarlas en le sentido indicado en el fondo de cada alojamiento (Ver Figura-2). INSTALACIÓN/SUSTITUCIÓN DE LAS PILASEl cronotermostato usa n. 3 pilas alcalinas AA 1,5V. Se deben colocar las pilas para que el aparato funcione. MODOS OPERATIVOSEl cronotermostato puede trabajar en tres modalidades diferentes: modo Automático,  Manual y Apagado. El icono  Modalidad activa nos indica cuál de éstas tres está actualmente en funcionamiento. Para activar la pantalla, tocar cualquier tecla. En el funcionamiento normal del cronotermostato la pantalla ilustra durante 30 segundos las informaciones sobre el estado del sistema relativas al modo activo. (En el funcionamiento ‘Modo automático’ el icono Zona corrientemente seleccionada especifica la zona a la cual se refieren dichas informaciones. Para obtener una reseña de cada una de las zonas, usar las flechas Izquierda/derecha). Para pasar de una modalidad a la otra, presionar OK-MODE reiteradamente hasta visualizar el modo requerido.Modo Manual[MENÚàMODALIDADàMODO MANUALàACTIVAR MODO MANUAL]Define una temperatura fija que se mantendrá en todas las zonas (TEMPERATURA CONFIGURADA).Las teclas Arriba/abajo (flechas de navegación) modificar el valor de la Temperatura configurada, aumentándola o disminuyéndola de 1 °F. El paso a otra modalidad interrumpe el modo Manual.Modo apagado[MENÚàMODALIDADàMODO APAGADOàAPAGAR]El modo apagado desactiva el sistema, pasando a la función antihielo. Dicho programa garantiza una temperatura ambiente mínima de 41 °F para preservar la instalación. En la pantalla se puede leer la fecha, hora y temperatura detectada. Además, se puede acceder al menú.NOTA: para retener el modo manual o el modo apagado para unFIG.11300546US-10-14ESPAÑOL
CRONOTERMOSTATO[28]Para iniciar, presionar la tecla multifunción izquierda.período de tiempo definido, ver el apartado ‘Configura-ción automática de la temperatura’ de la pag. 31.Modo Automático[MENÚàMODALIDADàMODO AUTOMÁTICOàACTIVAR MODO AUTOMÁTICO]Para informaciones sobre esta modalidad, ver pag. 31. CONFIGURACIÓN DEL CRONOTERMOSTATOPara configurar las opciones del cronotermostato se debe acceder al MENÚ. Si la pantalla está apagada, ac-tivarla presionando cualquier tecla. Presionar la Tecla multifunción izquierda como se ilustra para ver la lista de secciones. Navegación del menúSeleccionar con las teclas Arriba/abajo (flechas de navegación) el campo requerido. Presionar OK o la Tecla multifunción derecha para entrar en la opción evidenciada. Algunas opciones avanzadas requieren otra CONFIRMACIÓN, antes de continuar. En el encabezamiento está indicado el nombre de la página para facilitar la navegación. El ejemplo siguiente ilustra el procedimiento de acceso a la opción ‘Optimización encendido’.1 - desplazar la lista con las TECLAS ARRIBA/ABAJO para seleccionar ‘Preferencias‘ y por último, presio-nar la Tecla multifunción derecha para acceder. 2 - desplazar la lista con las TECLAS ARRIBA/ABAJO para seleccionar ‘Optimización encendido‘ y presionar la Te-cla multifunción derecha para iniciar la modificación.En las diferentes operaciones de modificación de las opciones, las Teclas multifunción permiten proceder paso a paso para completar dichos procedimientos.Ver la lista siguiente (Se aconseja saber que, si no se opera en los mandos por más de 30 segundos, el sistema apaga la pantalla, abandonando la consulta del menú). Lista de las funciones de los botones (teclas multifución o teclas flecha)• ENTRAR para acceder a una sección.• MODIFICAR para iniciar un procedimiento.• CONFIRMAR para concluir un procedimiento ejecu-tando la modificación. • VISUALIZAR para consultar una página.• SALIR para abandonar una sección.• ANULAR para volver atrás sin concluir la modifica-ción en curso. • SOLAR/LEGAL para ejecutar el cambio de hora.• Arriba/abajo (flechas de navegación) para navegar una lista o modificar un valor de temperatura, fe-cha, hora. Usando las flechas, mantener presiona-do para modificar más rápidamente.•  Izquierda/derecha (flechas de navegación) para pasar de un campo de valor al otro. NOTA: ver el ‘Mapa de navegación de las funciones’ de la pág. 44 para la lista completa de las seccio-nes de menú y la relativa ruta de acceso.NOTA: al inicio de las descripciones de cada función se indica la ruta a seguir para poder acceder, por ejemplo: [MENÚàCONFIGURACIONESàIDIOMA ACTUAL].300546US-10-14
CRONOTERMOSTATO[29]Para ayuda ver ‘MAPA DE NAVEGACIÓN’ de la pag. 44Hora (Hora legal)[MENÚà CONFIGURACIONESàHORAàHORA LEGAL]Acceder a la sección Hora legal para gestionar el cambio de la hora. Usasr las flchas Arriba/abajo para modificar la configuración. Seleccionar ON para activar el cambio de la hora, o presionar OFF para mantener la hora solar durante todo el año. Al final, presionar CONFIRMAR. De-spués de haber activado el cambio de la hora, la pantalla indicará en el funcionamiento normal el tipo de hora activa (ver Figura-3). Cada presión de la Tecla multif. derecha, este caso eje-cuta el cambio de hora solar y legal y viceversa, permi-tiendo actualizar el reloj en la fecha establecida. Programación invierno, Programación verano, Zonas, Regulación verano, Modalidad verano/invierno [MENÚàCONFIGURACIONESà...] Ver pag. 31.Regulación contraste y luminosidad[MENÚàCONFIGURACIONESàCONTRASTE][MENÚàCONFIGURACIONESàLUMINOSIDAD]Determinan el contraste de la pantalla y la luminosidad de la retroiluminación. Usar las flechas Arriba/abajo para seleccionar una regulación nueva, presionar CONFIRMAR. La configuración predeterminada de la luminosidad está al ‘Mínimo’ que garantiza la duración ideal de las pilas.Bloqueo teclas[MENÚàCONFIGURACIONESàBLOQUEO TECLAS]Acceder a la sección Bloqueo teclas para encender y apagar esta función. 1) Seleccionar ON, usando las flechas Arriba/abajo para proteger el dispositivo de las modificaciones accidentales. Después, presionar CONFIRMAR. En este caso, cuando no opere en el teclado por 30 segundos, la pantalla suspende la iluminación y el teclado se bloquea.FIG.3CONFIGURACIONES- ASOCIACIONES - PREFERENCIASSigue una lista de las secciones del menú.Reset [TECLA ‘reset’]Si se verifica un comportamiento atípico, volver a encender el dispositivo. Para ello, presionar con un lápiz o un ganchito el botón Reset en el teclado de mando. NOTA:  con esta operación NO se pierden las configuraciones que han sido definidas anteriormente.Idioma actual[MENÚàCONFIGURACIONESàIDIOMA ACTUAL]El cronotermostato prevé el uso de 9 idiomas (italiano, inglés, francés, alemán, español, portugués, flamenco, checo, noruego). Acceder a la sección Idioma actual (Ver ‘Navegación del menú’ de la pag. 28). Para modificar la opción idioma, usar las flechas Arri-ba/abajo y seleccionar en la lista el idioma requerido. Presionar CONFIRMAR para terminar el procedimiento.Fecha[MENÚàCONFIGURACIONESàFECHA]Acceder a la sección Fecha para regular el día actual (Ver ‘Navegación del menú’ en la pag. 28). Usar la tecla Izquierda/derecha para pasar desde la regulación ‘día’ a la regulación de ‘mes’ o ‘año’. Después presionar Arriba/abajo para cambiar día/mes/año de una unidad. Presio-nar CONFIRMAR para concluir el procedimiento o ANULAR para dejar el procedimiento y volver sin aportar cambios al menú anterior. Hora (Configurar hora)[MENÚàCONFIGURACIONESàHORAàCONFIGURAR HORA]Acceder a la sección Configurar hora para regular el ho-rario actual (Ver ‘Navegación del menú’ en la pag. 28). Usar la tecla Izquierda/derecha para pasar desde la re-gulación ‘horas’ a la regulación de ‘minutos’ y viceversa.Después presionar Arriba/abajo para cambiar horas/minutos de una unidad. Presionar CONFIRMAR para ter-minar el procedimiento.300546US-10-14ESPAÑOL
CRONOTERMOSTATO[30]Con cada toque sucesivo del teclado, la pantalla se ilumina para 10 segundos e indica la tecla a presionar para el desbloqueo.activa la optimización y OFF la desactiva. Usar las flechas Arriba/abajo para modificar la configuración, presionar CONFIRMAR.El proceso de optimización se autorregula y su precisión en el funcionamiento normal se afina con el paso de los días, mejorando sus prestaciones. Si la Optimización encendido está activa, se anticipa el encendido de modo tal de poder alcanzar realmente la temperatura de Confort en el momento preciso que ha sido establecido en la programación. Análogamente, la Optimización apagado (si está activa) anticipará el apagado de modo tal de tener en la entrada en la franja T2 una temperatura optimizada Ts (Ts=T1-Tred con Tred equivalente al valor de la Reducción prestart ahorro).Nombres zonas[MENÚàPREFERENCIASàCONFIGURAR NOMBRES ZONAS]Permite personalizar la denominación de cada zona. Para iniciar, seleccionar una zona por medio de las flechas  Arriba/abajo y después presionar CONFIRMAR. Utilizar las flechas Arriba/abajo para modificar una letra y las flechas Izquierda/derecha para pasar a las letras siguientes. Seguir las indicaciones de la ‘Barra de desplazamiento de los caracteres’ que está bajo el nombre para redactar el texto. 2) Seleccionar OFF para anular la protección y sucesi-vamente presionar CONFIRMAR. En este caso, con cada toque del teclado la pantalla se ilumina hasta el siguien-te apagado, que se produce después de 30 segundos de inactividad. Asociaciones[MENÚàASOCIACIONES]Ver el apartado ‘Asociación de un actuador con el cronotermostato‘ en la pag. 41.Formato hora (12, 24)[MENÚàPREFERENCIASàFORMATO HORA]Cambiando esta opción, el campo horario estará expresado en el formato 24 (Ej: 18:25) y no en el formato 12 (Ej: 6:25 PM). Usar las flechas Arriba/abajo para configurar la opción. Al final, presionar CONFIRMAR.Unidades de medida de la temperatura[MENÚàPREFERENCIASàUNIDADES DE MEDIDA TEMPERATURA]Cambiando esta opción todas las temperaturas se expresarán en la pantalla en grados celsius en lugar de Fahrenheit. Usar las flechas Arriba/abajo para modificar la configuración, presionar CONFIRMAR.Optimización encendido y optimización apagado (Funciones activadas solo en Modalidad invernal)[MENÚàPREFERENCIASàOPIMIZACIÓN ENCENDIDO][MENÚàPREFERENCIASàOPTIMIZACIÓN APAGADO]Permite activar el pre-encendido del sistema y el apagado anticipado en la ‘Modalidad automática’. ON Para cancelar una letra, seleccionar la ‘Casilla vacía’ al final de la barra. Al finalizar, presionar CONFIRMAR para ejecutar la modificación.300546US-10-14
CRONOTERMOSTATO[31]Para ayuda ver ‘MAPA DE NAVEGACIÓN’ de la pag. 44 18  21LÍNEA 1 – ej: 68°LÍNEA 2 – ej: 65°  LÍNEA 3 – ej: 62°    3  6  9 12 15 18 21DESDE LAS 18:00 HA LAS 20:00 HDESDE LAS 20:00 HA LAS 21:30 HDESDE LAS 21:30 HA LAS 24:00 HGRÁFICO HORARIO 7-DÍAS(Ejemplo)En este ejemplo la temperatura del ambiente será de 68 grados desde las 18:00 a las 20:00 horas, 65 grados desde las 20:00 a las 21:30 horas y 62 grados desde las 21:30 a las 24:00 horas.FIG.4 CONFIGURACIÓN AUTOMÁTICA DE LA TEMPERATURAActivar modo Automático (Modo Automático)[MENÚàMODALIDAD’àMODO AUTOMÁTICOàACTIVAR MODO AUTOMÁTICO]Activando el modo Automático, el cronotermostato se sujeta a un programa semanal para regular el sistema. Se puede establecer, para cada uno de los 7 días de la semana, en cuales franjas horarias tener una temperatura de Confort (T1), Ahorro (T2) o Límite (T3).Acceder a la sección Modalidad y seleccionar Modo automático usando las flechas Arriba/abajo (Ver ‘Nave-gación del menú’ de la pág. 28). Después presionar CONFIRMAR dos veces, activando así la opción. Modalidad verano/invierno[MENÚàCONFIGURACIONESàMODALIDAD VERANO/INVIERNO]Habilita el sistema para el control de la calefacción o refrigeración, encomendando la prioridad a la Programación invierno o verano, respectivamente (Para informaciones sobre la Programación invierno/verano ver el apartado siguiente).Acceder a Modalidad verano/invierno y utilizar las flechas Arriba/abajo para seleccionar Verano o Invierno, después presionar CONFIRMAR. ‘Programación invierno’ y ‘Programación verano’[MENÚàCONFIGURACIONESàPROGRAMACIÓN INVIERNO][MENÚàCONFIGURACIONESàPROGRAMACIÓN VERANO]Para definir las 3 franjas de temperatura de división del Gráfico Horario 7-DÍAS, realizar lo que se indica a continuación (las 3 franjas están representadas por las líneas horizontales del gráfico: ver Figura-4 y ‘Gestión de los set de temperatura’ de la pag. 45).Acceder a la sección Programación invierno o a la sección Programación verano, según la modalidad que se quiere gestionar (ver ‘Modalidad verano/invierno’). Utilizar las flechas Arriba/abajo para evidenciar el campo requerido y presionar CONFIRMAR.Utilizando las flechas Arriba/abajo, seleccionar Configurar confort para personalizar la temperatura T1, Configurar ahorro para T2, o Configurar límite para T3. Regulando debidamente las temperaturas Ahorro y Límite, el usuario puede perfeccionar la gestión del ahorro. Evidenciar un campo y presionar CONFIRMAR. Cada toque de las flechas Arriba/abajo incrementa o disminuye el valor de la temperatura de 1 °F. Al final, presionar CONFIRMAR.Zonas - Programación semanal[MENÚàCONFIGURACIONESàZONAS]Cuando la modalidad INVIERNO está activada, acceder a la sección Zonas para personalizar el Gráfico Horario 7-DÍAS de cualquier zona de la vivienda (En esta sección se enumeran tantas zonas como han sido definidas por la opción ‘Numero zonas gestionadas’ - ver pag. 41. El número inicial de zonas es 2 hasta un máximo de 8). Seleccionar una zona con las flechas Arriba/abajo y pre-sionar CONFIRMAR. Seleccionar con las flechas Arriba/abajo el día de la semana que se quiere configurar y presionar CONFIRMAR.Ahora utilizar los botones Izquierda/derecha para evidenciar la franja horaria a modificar (48 franjas ver-ticales dividen la jornada en intervalos de media hora).  Después presionar Arri-ba/abajo para asignar T1, T2 o T3, respectivamente300546US-10-14ESPAÑOL
CRONOTERMOSTATO[32] INSTALACIÓN DEL CRONOTERMOSTATOSeguir las siguientes instrucciones para poner en funcionamiento el dispositivo:1) Determinar una posición para el dispositivo e instalarlo en la pared. 2) Colocar las pilas.3) Asociar cada actuador al cronotermostato, definiendo las diferentes zonas del edificio (ver el apartado ‘Asociación de un actuador con el cronotermostato‘ en la pag. 41). Posicionamiento típico del aparatoEl cronotermostato detecta la temperatura del ambiente y debe estar colocado en una posición donde haya buena circulación de aire, a 5 ft del pavimento. Es indispensable seguir las siguientes prescripciones: • NO posicionarlo cerca de un radiador.• NO posicionarlo cerca a puertas.• NO posicionarlo en paredes perimetrales.• NO posicionarlo donde está el paso de tubos en el interior de las paredes. • NO posicionarlo en locales que tengan condiciones de temperatura y humedad excepcionales (Por ejemplo, cocina y baño). • NO posicionarlo donde el dispositivo pueda entrar en contacto con el agua. • NO exponerlo a la luz directa.NOTA: cuando se posiciona el cronotermostato, se debe verificar que los actuadores estén a una determinada distancia. En condiciones ideales, es decir, sin ningún obstáculo, dicho radio de cobertura es de 33 yd. Entre los factores que pueden incidir en las prestaciones de transmisión, considerar la humedad y las características arquitectónicas del edificio.5 ft1 ftal intervalo horario seleccionado. Para ultimar la modificación, presionar CONFIRMAR. Es posible decidir si aplicar a las veinticuatro horas siguientes la misma programación. Para extenderla de un día, responder a la pregunta del sistema, seleccionando CONFIRMAR y de nuevo MODIFICAR. Repetir la operación hasta definir una semana tipo.Regulación verano - Programación semanal[MENÚàCONFIGURACIONESàREGULACIÓN VERANO]Cuando la modalidad VERANO está activada, acceder a  Regulación verano (*) para definir la programación semanal. Ver el procedimiento análogo, descrito en el apartado anterior (Zonas).Manual para 1 hora y después Auto (Modo Manual)[MENÚàMODALIDADàMODO MAN.àMANUAL 1 HORA...][MENÚàMODALIDADàMODO MAN.àMANUAL 2 HORAS...]Acceder a la sección Modo manual y seleccionar con las flechas Arriba/abajo la línea Man. 1 hora y después auto para activar temporalmente esta modalidad, después presionar  CONFIRMAR. Alternativamente seleccionar Man. 2 horas y después auto o Configurar duración modo manual para determinar duraciones más largas. Después, presionar CONFIRMAR. En el segundo caso para configurar dicha duración, usar las flechas Arriba/abajo y definir el período de tiempo necesario.  Después presionar CONFIRMAR para terminar.Para un período superior a las 24 horas, el sistema pasa automáticamente al recuento de los días.NOTA: con esta modalidad, por ejemplo, se puede gestionar el sistema en caso de un período de vacaciones. En efecto, una regulación apropiada del programa, garantiza el restable-cimiento anticipado de las condiciones de confort respecto a la fecha prevista de retorno.Apagado por 1 hora y después Auto (Modo Apagado)[MENÚàMODALIDADàMODO APAGADOàAPAGAR POR...]Acceder a la sección Modo apagado y ejecutar el proce-dimiento análogo (Ver apartado anterior).* ATENCIÓN: en la ‘Regulación verano’ no es necesario seleccionar las zonas. En Modalidad verano el sistema trabaja en ON/OFF en todos los actuadores y en una única zona, cuya temperatura la mide directamente el cronotermostato. Se puede desactivar el funcionamiento de verano de uno o varios actuadores (Ver Regulación de la función anticondensación de la pág. 45).300546US-10-14
CRONOTERMOSTATO[33]Para ayuda ver ‘MAPA DE NAVEGACIÓN’ de la pag. 44Instalación de pared1) Abrir la puerta anterior del cronotermostato. ¡ATENCIÓN! Asegurarse de excluir la tensión de red del sistema eléctrico antes de operar.2) Después de haber desenroscado los 2 tornillos, quitar la cobertura de la caja interna (S), como se indica en la figura contigua. Después pasar a través de la ranura (S1) los cables del contac-to caldera. Efectuar la conexión eléctrica de los cables en el borne en las posiciones ‘NO’ y ‘C’, como se indica en el fondo de la cobertura (Ver el ‘Esquema de las conexiones’ de la pag. 35 para mayores indicaciones). Por último, volver a colocar la caja para cerrarla, enroscando los tornillos.1S1x2DESENROSCARS21S133) Posicionar el aparato de pared, ase-gurándolo como ha sido ilustrado (3).Las opciones son:  *  A(en caja)33*  B (de pared)33• con 2 tornillos en correspondencia de la caja eléctrica 503E (*A)• con 2 tarugos de pared (*B)300546US-10-14ESPAÑOL
CRONOTERMOSTATO[34] CARACTERISTICAS TECNICAS DEL CRONOTERMOSTATO1) TRANSMISIÓN• frecuencia de trabsmisión: 915.00 MHz• capacidad de la señal: 33 yd en ausencia de obstáculos2) ALIMENTACIÓN• tensión: 4,5V• tipo de baterías: n.3 pilas alcalinas estilo AA (mod. LR6) 1,5V• tipo de salida  - relé a contacto unipolar 5A/250Vac - FOR US MARKET: DO NOT CONNECT VOLTAGE HIGHER THAN 24V ac/dc TO THE OUTPUT RELAY! • Autonomía: 3 años (con baterías nuevas en buen esta-do y en condiciones óptimas de funcionamiento) *• tipo de acción, desconexión y aparato: 1 / B / Electrónico digital3) CONDICIONES AMBIENTALES• Límites de temperatura para el transporte y el almace-namiento: de -4 °F a +130 °F• Límites de temperatura para el funcionamiento:  de 23 °F a +110 °F4) CONDICIONES DE ALMACENAMIENTO DE LAS PILAS• Temperatura: 68 °F garantizan la buena duración de las pilas5) CONFORMIDAD• Normativa de referencia (LV): IEC 60730-2-9• Normativa de referencia (EMC): FCC 15 par. 15.2476) SEGURIDAD• Grado de protección: IP 40• Tipo de aislamiento: CLASE II7) DIMENSIÓN • Cronotermostato: L=4.95 in, H=3.90 in, W=1.00 in8) CODIGO PRODUCTO • Descripción: cronotermostato digital retroiluminado con switch VERANO/INVIERNO• EQUICALOR-AC: Art. DC 1010 Cod. 506366US9) INTERVALOS DE TEMPERATURA• Intervalo de muestreo: 1 minuto• Histéresis: 0.2 °F.* La duración de la batería puede acortarse en caso de mala RADIO comunicación (L SIGN), en presencia de obstáculos y en el caso de almacenamiento no conforme a las condicio-nes establecidas. Las baterías de diferentes marcas pueden tener comportamientos y duración más corta de lo indicado.FCC ID: 2AB4Y506366USEste dispositivo cumple con la parte 15 de las Normas de la FCC.  El funcionamiento está sujeto a estas dos condi-ciones: (1) este dispositivo no puede producir interferencias perjudiciales (2) este dispositivo debe tolerar cualquier interferencia recibida, incluidas aquellas interferencias que pueden provocar un funcionamiento no deseado.NOTE: a partir de las pruebas a las que ha sido sometido este equipo, se concluye que cumple con los límites para un dispositivo digital de Clase B, en conformidad con la Parte 15 de las Normas de la FCC. Estos límites están destinados a proporcionar una protección razonable contra las interferencias perjudiciales en una instalación de tipo residencial. Este equipo genera, usa y puede emitir energía de radiofrecuencias y, si no se instala y utiliza de acuerdo con las instrucciones, puede provocar interferencias perjudiciales en las comunicaciones vía radio. Sin embargo, no puede garantizarse que no se produzcan interferencias en una instalación particular. Si este equipo provoca una interfe-rencia perjudicial en la recepción de radio o televisión, que puede estar determinada por su conexión o desconexión, el usuario ha de intentar corregir la interferencia aplicando una o varias de las siguientes medidas:• Reorientar o reinstalar la antena receptora. • Aumentar la distancia entre el equipo y el receptor.• Conectar el equipo dentro o fuera de un circuito diferente al que está conectado el receptor.• Solicitar la ayuda del vendedor o de un técnico especializado en radio/TV. Exposición a RF: este equipo cumple con los límites de exposición a radiaciones establecidos por la FCC para un ambiente no controlado. Este equipo debe ser instalado y operado manteniendo una distancia minima de 20 cm entre la persona y el elemento transmisor. Este transmisor no debe estar situado o funcionando simultáneamente con otra antena o transmisor.Advertencia: Las modificaciones o los cambios aplicados a este dispositivo que no hayan sido aprobados expresa-mente por IVAR podrían anular la autorización del usuario para utilizar el equipo.300546US-10-14
CRONOTERMOSTATO[35]Para ayuda ver ‘MAPA DE NAVEGACIÓN’ de la pag. 44CRONOUNIDAD VIVIENDAN° 1UNIDAD VIVIENDAN° 2CRONOCALDERA o VÁLVU-LA DE ZONARELÉNONCCFIG.711) EJEMPLOS DE APLICACIÓN• ejemplo de apli-cación 1: caldera.• ejemplo de aplicación 2: válvula de zona.CRONO10) ESQUEMA DE LAS CONEXIONES• conexión eléctrica• ejemplo de aplicación 3: instalaciones con dos genera-dores para el funcionamiento VERANO/INVIERNO.FIG.8FIG.9CRONO0=INVIERNO1=VERANO0/1C NONCCALDERA o VÁLVU-LA DE ZONACHILLER o VÁLVULA DE ZONAFIG.10¡ATENCIÓN! La logica de funcionamento del siste-ma puede aplazar la activación de contacto calde-ra de aproximadamente 15-20 minutos.AVISO:¡PARA EL MERCADO DE EE.UU., NO CONECTE UN VOL-TAJE SUPERIOR A LOS 24 V ca/cc AL RELÉ DE SALIDA!300546US-10-14ESPAÑOL
ACTUADOR[36] CARACTERÍSTICAS DEL ACTUADORCada actuador (que se puede comprar singularmente; suministrado por separado del cronotermostato), ejecuta físicamente la regulación del radiador sobre el cual está instalado, debajo de la guía del cronotermostato.Si además se quiere mejorar el confort local de un ambiente particular o parte del mismo, se puede dirigir inmediatamente cada uno de los actuadores. De este modo, se obtiene el rendimiento máximo con precisión y simplicidad. CONTENIDO DE LA CAJA• Actuador• Llave de utilidad• Pilas alcalinas stilo• Folleto de instrucciones INDICADOR LED Y SELECTOR FRONTALLos mandos del actuador se encuentran en el lado frontal del dispositivo. Están compuestos por:• Indicador de led [LED de 1 a 6]• Selector frontal [tecla de mando]La tecla selector frontal opera en tres posiciones: A) Posición ‘+’ (ALTO)B) Posición ‘SELECCIONAR’ (Presión de la tecla)C) Posición ‘-‘ (BAJO)LED 1LED 2LED 3LED 4LED 5LED 6SELECTOR FRONTALBPRESIONARA EMPUJAR HACIA ARRIBACEMPUJAR HACIA ABAJO2. ACTUADOR ADVERTENCIAS1. En el montaje del actuador se aconseja proteger el zuncho dentado con un trapo cuando se lo aprieta.2. Cuando se opera con el actuador, tener cuidado de no ponerlo en contacto con el agua y exponerlo a tasas elevadas de humedad.3. El procedimiento de configuración de las opciones del actuador debe ser encomendado al instalador. 4. Es importante verificar la plena eficiencia de las pilas para prevenir la parada del sistema de calefacción/refrigeración debidos a la ausencia de alimentación del actuador. En condiciones normales de funcionamiento del dispositivo y de buena conservación de las pilas durante el tiempo de almacenamiento, la duración de las pilas es de 3 años. 5. Sujetarse a las siguientes indicaciones para el empleo de las pilas: cuando fuera necesario eliminarlas, tirarlas separadamente en el contenedor de recogida diferenciada; sujetarse a las instrucciones de instalación proporcionadas; evitar conectar los polos metálicos que se encuentran en contacto con las pilas para no causar un cortocircuito; usar siempre el tipo de pilas especificado en el manual; no mezcle pilas diferentes, viejas con nuevas o pilas alcalinas con pilas estándar de cinc-carbón; el empleo de pilas recargables implica una menor autonomía de funcionamiento respecto a las pilas no recargables.6. Si el dispositivo provocara interferencias con otros aparatos eléctricos, alejarlos inmediatamente.7. Al final del ciclo de vida del aparato, no dispersarlo en el ambiente. Eliminarlo respetando las leyes vigentes. 8. Seguir las indicaciones de la Figura 12 para el posicionamiento del actuador.MANDOS DEL ACTUADORFIG.1111B*11A11D*11C*FIG.12* Ver ‘Sensor remoto’ de la pag. 38 300546US-10-14
ACTUADOR[37]Para ayuda ver ‘MAPA DE NAVEGACIÓN’ de la pag. 44DISTANCIA DE CIERRE (X)MAX=0.37 inMAX Ø0.83 inM30x1,54) CONDICIONES AMBIENTALES• Límites de temperatura para el transporte y el almace-namiento: de -4 °F a +130 °F • Límites de temperatura para el funcionamiento: de 23 °F a +110 °F5) CONDICIONES DE ALMACENAMIENTO DE LAS PILAS• Temperatura: 68 °F garantizan la buena duración de las pilas6) CONFORMIDAD• Normativa de referencia (EMC): FCC 15 par. 15.247 7) SEGURIDAD• Tipo de aislamiento: CLASE III8) DIMENSIÓN • L=3.60 in, H=1.90 in, W=2.60 in9) CODIGO PRODUCTO • Descripción: servomotor axial• EQUICALOR-A: Art. AS 1000 Cod. 506364US CARACTERÍSTICAS TÉCNICAS DEL ACTUADOR1) TRANSMISIÓN• frecuencia de transmisión: 915.00 MHz• Capacidad de la señal: 33 yd en ausencia de obstáculos2) ALIMENTACIÓN • Tensión: 4,5 V• Tipo de baterías: 3 pilas alcalinas estilo AA (mod. LR6) 1.5V• Autonomía: 3 años (con baterías nuevas en buen esta-do y en condiciones óptimas de funcionamiento) *• Tipo de aparato: Electrónico digital3) ACOPLAMIENTO• Tipo de acoplamiento: M30x1,5• Distancia de cierre ( X ): comprendida entre 0.41 y 0.47 inFCC ID: 2AB4Y506364USEste dispositivo cumple con la parte 15 de las Normas de la FCC.  El funcionamiento está sujeto a estas dos condiciones: (1) este dispositivo no puede producir in-terferencias perjudiciales (2) este dispositivo debe to-lerar cualquier interferencia recibida, incluidas aquellas interferencias que pueden provocar un funcionamiento no deseado.NOTE: a partir de las pruebas a las que ha sido someti-do este equipo, se concluye que cumple con los límites para un dispositivo digital de Clase B, en conformidad con la Parte 15 de las Normas de la FCC. Estos límites están destinados a proporcionar una protección razona-ble contra las interferencias perjudiciales en una insta-lación de tipo residencial. Este equipo genera, usa y pue-de emitir energía de radiofrecuencias y, si no se instala y utiliza de acuerdo con las instrucciones, puede provocar interferencias perjudiciales en las comunicaciones vía radio. Sin embargo, no puede garantizarse que no se produzcan interferencias en una instalación particular. Si este equipo provoca una interferencia perjudicial en la recepción de radio o televisión, que puede estar deter-minada por su conexión o desconexión, el usuario ha de intentar corregir la interferencia aplicando una o varias de las siguientes medidas:• Reorientar o reinstalar la antena receptora. • Aumentar la distancia entre el equipo y el receptor.• Conectar el equipo dentro o fuera de un circuito dife-rente al que está conectado el receptor.• Solicitar la ayuda del vendedor o de un técnico espe-cializado en radio/TV. Exposición a RF: este equipo cumple con los límites de exposición a radiaciones establecidos por la FCC para un ambiente no controlado. Este equipo debe ser in-stalado y operado manteniendo una distancia minima de 20 cm entre la persona y el elemento transmisor. Este transmisor no debe estar situado o funcionando simultáneamente con otra antena o transmisor.Advertencia: Las modificaciones o los cambios aplica-dos a este dispositivo que no hayan sido aprobados ex-presamente por IVAR podrían anular la autorización del usuario para utilizar el equipo.* La duración de la batería puede acortarse en caso de mala RADIO comunicación (L SIGN), en presencia de obstáculos y en el caso de almacenamiento no conforme a las condiciones establecidas. Las baterías de diferentes marcas pueden tener comportamientos y duración más corta de lo indicado.300546US-10-14ESPAÑOL
ACTUADOR[38] REGULACIÓN DE LA TEMPERATURA DE CONFORT LOCALRespecto a la Temperatura configurada para una sola zona  en el modo de funcionamiento manual o au-tomático del cronotermostato, se puede realizar una corrección inmediata a un determinado radiador a través del botón selector frontal del relativo actuador. Por ejemplo, si dos cámaras han sido asignadas a una cierta zona, se ofrece la posibilidad de aumentar o di-sminuir hasta unos 6 °F la temperatura presente en una de éstas dos; o también obtener la mejor temperatura para la habitación que se está ocupando sin tener que modificar la programación del sistema (Ver Tabla-1a).El procedimiento que se describe a continuación se refiere exclusivamente a los actuadores asociados a zonas diferentes de la Zona1. Para acceder a la modificación de la Temperatura confort local, mantener el selector frontal en posición SELECCIONAR, hasta que se iluminen los LED 3 y 4, que se produce después de 5 segundos (Ver Tabla contigua). Soltar el selector después de dicha indicación. El indicador led ilustra la Corrección local actual (Ver Tabla-1b). Ahora para alzar o bajar la temperatura de aprox. 2 °F, tocar el selector en posición ‘+’ o ‘-’. Cada toque varía la temperatura dentro del intervalo total comprendido entre aprox. +6 °F a unos -6 °F. Si, por ejemplo, una zona está regulada según un valor de 62 ºF, el confort local de cada actuador puede ir de aprox. 56 °F a 68 °F.Después de haber configurado la temperatura deseada (ver Tabla-1b), una espera de 5 segundos concluye el procedimiento según la nueva configuración.Señal: µ = Led encendidoLed 1 µLed 2 µLed 3 µLed 4 µLed 5 µLed 6 µABRIRFIG.13 INSTALACIÓN/SUSTITUCIÓN DE LAS PILASEl actuador usa n. 3 pilas alcalinas AA 1,5V. Se deben colocar las pilas para que el aparato funcione. 1) Para sustituir las pilas usar la llave de utilidad, que se suministra en la caja.2) Desbloquear la ranura de las pilas, introduciendo la llave de utilidad como se indica en la figura.3) Quitar la ranura de alojamiento de las pilas y colocar las pilas según el orden y el sentido indicado en el fondo de la ranura (Ver Figura-13).4) Reposicionar la ranura, desplazándola completamente hasta que se dispare el bloqueo. SENSOR REMOTO (OPCIONAL)Se puede conectar un sensor remoto de temperatura ambiental (suministrado como opcional - Art. AE 1000) a los actuadores, determinando la exclusión de su sensor integrado. La sonda remota permite detectar la tempe-ratura en un punto preestablecido si el actuador ha sido instalado en una posición desfavorable.ATENCIÓN: no se puede aplicar el sensor remoto a los actuadores de Zona1’.TABLA 1aTEMPERATURA CONFORT LOCAL ( Ejemplo)T. CONFIGURADA CORRECCIÓN LOCAL T. CONFORT LOCAL64 °F + aprox. 4 °C = aprox. 68 °F23TABLA 1b: DEFINICIÓN DE LA CORRECCIÓN LOCALcorrección de la temperatura à -3 -2 -1 +0 +1 +2 +3Led 1 µµµ µµµLed 2 µµµ µµµLed 3 µµµµµµ µLed 4 µµµµµµµLed 5 µµµ µ µ µLed 6 µµµ µµµNB µ = Led encendido300546US-10-14
ACTUADOR[39]Para ayuda ver ‘MAPA DE NAVEGACIÓN’ de la pag. 44 DESBLOQUEO MANUALEn caso de necesidad, maniobrar manualmente como se indica a continuación para realizar la regulación de emergencia. • Extraer el perno del disco numerado superior (2). • Presionar en el alojamiento la llave de utilidad (3).• Desbloquear el actuador girando lentamente la llave de utilidad hasta la posición requerida (4a/4b), como superior del actuador (Ver figura).9) Reposicionar el disco numerado, verificando que el ‘0’ esté alineado con la muesca de referencia (*); después presionar el disco en su alojamiento.10) Reposicionar el perno de fijación.11) Para terminar la fase de cierre/apertura asistida, es in-dispensable mantener el selector en posición SELECCIONAR hasta que se iluminen los Led 3 y 4, que se produce después de 5 segundos. Después de dicha señal, soltar la tecla.12) Realizar la asociación del actuador y la verificación final. (Ver ‘Asociación de un actuador con el  cronotermostato’ en el capítulo ‘SECCIÓN TÉCNICA’). INSTALACIÓN DEL ACTUADOR1) Asegurarse de haber colocado las pilas (ver pag. 38)2) Quitar (con un pequeño destornillador) el perno de fijación del disco superior numerado como se indica en la figura.3) Presionar en el alojamiento la llave de utilidad.4) Poner el actuador en apertura total, girando lentamente la llave en sentido antihorario hasta llegar a unos 45° del final de carrera (4a), para alinear el pistón (4c) con el punto de mínimo. Di-cho punto está indicado en la figura en el detalle 4d. Después quitar la llave.5) Alzar el zuncho roscado de conexión en el sen-tido indicado. 6) Asegurar el actuador al radiador enroscando  manualmente el zuncho roscado, apretándolo con una llave adecuada.7) Poner el actuador en cierre total, mantenien-do el selector frontal del actuador en posición ‘-‘ hasta el primer parpadeo del Led 4 (Ver Figura-11 de la pag. 36), que se produce después de 5 segundos. Soltar la tecla después de dicha señal. La intermitencia rápida contemporánea de los Led 4, 5 y 6 indica que se ha realizado el cierre.8) Quitar el disco numerado que está en la parte se ilustra en la figura. Las cifras para la regulación son: ‘0‘ para el cierre máximo y ‘6‘ para la apertura máxima. Si la escala numérica no estuviera posicionada correctamente, llevar el actuador en posición de cierre total (girando la llave en sentido horario hasta el final de la carrera) y po-steriormente realizar lo indicado en los puntos 8 y 9 de las operaciones de Instalación del actuador (Ver pag. 39).• Extraer la llave y colocar el perno de fijación.6* 91058FIG.144c34a4b24d4cMIN MAX    300546US-10-14ESPAÑOL
SECCIÓN TÉCNICA[40]Lista a título de ejemplo de las alarmas:---Fecha------Hora-----ID----ERR---10/02/11   07.00.00  CR00  L BATT03/02/08   11.10.21  AC02  ERR MO19/01/12   09.05.30  AC03  L SIGN12/01/10   05.22.59  AC05  ERR TENOTAS GENERALES DE FUNCIONAMIENTOLa detección de la temperatura ambiente se produce directamente en el cronotermostato para la Zona 1 (Ma-ster) y en los actuadores de las zonas 2-8 (Slave). Un algo-ritmo patentado permite corregir el efecto de proximidad que se origina en las zonas 2-8 por la cercanía existente entre el detector y la fuente de calor.3. SECCIÓN TÉCNICA 3.1 CRONOTERMOSTATO – SETUPAcceder a la sección Configuraciones avanzadas (Ver ‘Navega-ción del menú’ en la pag. 28 para informaciones sobre las te-clas de mando) para ajustar las opciones del sistema según las características específicas del edificio (MENÚàCONFIGURACIO-NESàCONFIGURACIONES AVANZADAS... esta ruta se indicará en el capítulo presente con un asterisco por brevedad).Durante la fase de encendido, responder a la pregunta del si-stema, seleccionando CONFIRMAR para continuar. A continua-ción se enumeran las ‘Configuraciones avanzadas’.Límites[ *àINSTALACIÓNàLIMITESàINVIERNO][ *àINSTALACIÓNàLIMITESàVERANO]Para determinar el valor máximo y mínimo de cada uno de los 6 campos de temperatura que componen la Programación in-vierno y la Programación verano, acceder a la sección Límites (Para mayor información sobre las PROGRAMACIÓNES ver Ge-stión de las configuraciones de temperatura en la pág. 45). Usar las flechas Arriba/abajo para seleccionar una regulación Verano o Invierno, presionar CONFIRMAR. Seleccionar un valor a modificar dentro del grupo de regulación escogido (Verano o Invierno) y presionar CONFIRMAR. Con las flechas Arriba/aba-jo regular el valor (máximo y mínimo) relativo a Confort-T1, Ahorro-T2 o Límite-T3. Después, presionar CONFIRMAR.Preactivaciones (Anticipo máximo arranque y apagado)[*àINSTALACIÓNàPREACTIVACIONESàANTICIPO MÁXIMO AR-RANQUE][*àINSTALACIÓNàPREACTIVACIONESàANTICIPO MÁXIMO APA-GADO]Define el límite máximo del tiempo que se calcula en au-tomático por el cronotermostato para el encendido/apagado optimizados del sistema (OPTIMIZACIÓN ENCENDIDO/OPTIMI-ZACIÓN APAGADO). El tiempo está expresado en minutos y se puede modificar con un paso de 1 minuto. Usar las flechas Arriba/abajo para regular, presionar CONFIRMAR.Preactivaciones (Pre-start ahorro reducido)[*àINSTALACIÓNàPREACTIVACIONESàPRE-START AHORRO REDUCIDO]Regular este valor para definir la entidad de la caída de tem-peratura que se obtiene a la salida de la franja confort, cuando está activa la  OPTIMIZACIÓN APAGADO. Este valor está confi-gurado por defecto en 1 °F. Usar las flechas Arriba/abajo para re-gular, presionar CON-FIRMAR.Preactivaciones (Índice prestart confort)[*àINSTALACIÓNàPREACTIVACIONESàÍNDICE PRESTART CON-FORT]Regular este valor para definir la anti-cipación de la franja confort que el sistema aplica a la función de OPTIMIZACIÓN ENCEN-DIDO. El índice está configurado por defecto en 30 (10 = mínimo, 60 = máximo). Un valor inferior minimiza el prestart, mientras un valor supe-rior lo acentúa. Usar las flechas Arriba/abajo para modificar, presionar CONFIRMAR.Diagnóstico (Desviación TPR memorizada)[*àINSTALACIÓNàDIAGNOSTICOàDESVIACIÓN TPR MEMORIZ.]Acceder para visualizar el parámetro Desviación TPR, que inter-viene en la regulación de las zonas. Presionar SALIR para volver.Diagnóstico (Historial alarmas)[*àINSTALACIÓNàDIAGNOSTICOàHISTORIAL ALARMAS]Acceder para visualizar la lista cronológica de los avisos (pre-sentes y pasados) propuestos por el sistema. Presionar SALIR para volver. En la lista se indica la fecha y la hora de detección del problema y después el ID (identificador) del dispositivo afectado y el tipo de pro-blema (ERR). El ID especifica el tipo de aparato sujeto al aviso (CR=cronotermostato, AC=actuador) y también su número de identificación. Las posibles alarmas (ERR) pueden referirse:1) L BATT = Pilas descargadas2) L SIGN = Baja capacidad de comunicación radio3) ERR TE = Fallo del sensor de temperatura (integrado/remoto)4) ERR MO = Fallo del motor eléctricoNOTA: los errores 1, 2 y 3 se indican también en los actuadores (Ver ‘Señales‘ de la pag. 42).Diagnóstico (Reset alarmas)[*àINSTALACIÓNàDIAGNOSTICOàRESET ALARMAS]Para cancelar la cronología de las alarmas, seleccionar ON, uti-lizando la flecha Arriba. Después presionar CONFIRMAR para ejecutar la modificación.TemperaturaT1Tiempo0.51.01.5T2TemperaturaT1Tiempo60 30 10T2300546US-10-14
SECCIÓN TÉCNICA[41]Para ayuda ver ‘MAPA DE NAVEGACIÓN’ de la pag. 44Diagnóstico (Activar modalidad diagnóstico)[*àINSTALACIÓNàDIAGNOSTICOàACTIVAR MODALIDAD DIA-GNÓSTICO]Per reposicionar el cronotermostato en modo Test, seleccio-nar ON, utilizando la flecha Arriba. Después presionar CON-FIRMAR para ejecutar la modificación. Activar esta función, aumenta el consumo de las pilas.Diagnóstico (Identificación actuador)[*àINSTALACIÓNàDIAGNOSTICOàIDENTIFICACIÓN ACTUADOR]Para identificar un actuador particular, seleccionar un núme-ro de identificación usando las flechas Arriba/abajo. Después presionar  CONFIRMAR para iniciar la fase de identificación. Dicha operación puede durar un minuto. Inmediatamente de-spués de haber sido individuado, el actuador correspondiente al número seleccionado se activará el destello del Indicador led.Diagnóstico (Identificación zona)[*àINSTALACIÓNàDIAGNOSTICOàIDENTIFICACIÓN ZONA]Procedimiento análogo a la identificación de una actuador, involucra todos los dispositivos pertenecientes a la zona se-leccionada (ver ‘Identificar actuador’).Nombre usuario[*àINSTALACIÓNàNOMBRE USUARIO]Para identificar el dispositivo servido por el cronotermostato y las relativas zonas asociadas, asignar un nombre a este cam-po. Ver ‘Nombres zonas’ de la pag. 30 para indicaciones.Configuración área[*àINSTALACIÓNàCONFIGURACIÓN ÁREA]Si las condiciones de transmisión con los actuadores son desfavorables, se puede intervenir en la capacidad de la señal de radio. Para ello, acceder a la sección Configuraciones área y seleccionar Área normal con las flechas Arriba/abajo.Numero zonas gestionadas[*àINSTALACIÓNàNUMERO ZONAS GESTIONADAS]Después de haber dado otra confirmación, es posible modifi-car el número total de las zonas asociables, que pueden llegar a un máximo de 8.NOTA: las zonas excluidas pueden restablecerse en un segun-do momento.Reset parámetros avanzados[*àINSTALACIONàRESET PÁRAMETROS AVANZADOS]Activar esta función cuando se quieran cancelar las modifica-ciones aportadas a las configuraciones avanzadas. Se presen-ta con un aviso antes de poder continuar. Seleccionar ON, utilizando la flecha Arriba. Después presionar CONFIRMAR para ejecutar el mando.Reset total cronotermostato[*àINSTALACIÓNàRESET TOTAL CRONOTERMOSTATO]Por medio de esta opción se puede reconducir totalmente el cronotermostato al estado inicial, según las configuraciones de fábrica. Después de haber dado otra confirmación, restablecer las franjas horarias y todos los parámetros. Seleccionar ON, uti-lizando la flecha Arriba. Después presionar CONFIRMAR para ejecutar el mando. Se cancelarán los datos relativos a los ac-tuadores asociados y todas las opciones modificadas después de la instalación. Para poder reutilizar los actuadores, ejecutar las operaciones de asociación como se indica en el capítulo siguiente. ASOCIACIÓN DE UN ACTUADOR CON EL CRONOTERMOSTATOCada actuador requiere un procedimiento base para estable-cer una conexión con el cronotermostato que se define como ‘Asociación’. Cuando el actuador no está asociado, responde a cada toque del selector frontal con la Señal A* (Ver ‘Señales’ en el capítulo siguiente). Para iniciar la transmisión al cronotermostato, operar en los mandos del crono del modo siguiente. Para iniciar, presionar la tecla MENÚ y seleccionar Asociaciones usando las flechas Arriba/abajo. Después, presionar CONFIRMAR.Seleccionar la zona deseada de la lista en el menú, usando las flechas Arriba/abajo y después CONFIRMAR (para personalizar los nombres de las zonas, ver ‘Nombres zonas’ de la pag. 30).Ahora se puede realizar la asociación de un actuador a la zona que se ha escogido. Activar la función de búsqueda, manteniendo el selector en posición SELECCIONAR hasta que se iluminen los Led 2 y 5, que se produce después de 10 segundos. Soltar la tecla después de dicha señal. La búsqueda permanece activa por 5 minutos.ILUMINACIÓN DEL INDICADOR LED TRAS LA PERSIÓN DEL SELECTOR FRONTALDuración de la presión à5 seg.10 seg.20seg.30seg.Led 1 µµµµLed 2 µµµ µLed 3 µµµµLed 4 µµµµLed 5 µµµ µLed 6 µµµµ(µ = Led encendido)La Señal C* del actuador define el éxito de la operación (Ver ‘Señales’ en la pag. 42). Ahora realizar la verificación; ver el apartado siguiente.Verificación de la asociación correctaAl final del procedimiento de asociación, ejecutar en el crono-300546US-10-14ESPAÑOL
SECCIÓN TÉCNICA[42]termostato la función diagnóstica de identificación del ac-tuador. Ver Diagnóstico (Identificación del actuador) en la pag. 41.Gestión de los actuadoresPara un funcionamiento correcto del sistema, es INDISPENSABLE definir como Zona1 el local donde está alojado el cronotermostato.El sistema puede gestionar hasta un máximo de 28 actua-dores, que se pueden distribuir en 8 zonas.Si se debiera sustituir uno de los actuadores, asociar uno nuevo siguiendo el procedimiento descrito hasta un máxi-mo de 4 sustituciones. Si se alcanza dicho número de nue-vos dispositivos, ejecutar el procedimiento siguiente antes de asociar nuevos actuadores: 1) Ejecutar el ‘Reset total del cronotermostato‘.2) Asociar todos los actuadores (hasta un máx. de 28). 3.2 ACTUADOR – SETUPSeñalesA continuación se enumeran los tipos de señales que el In-dicador led puede aplicar:INDICADOR LED: SEÑALES INTERMITENTESTipo de señal àA* B*  C* T1* T2*Led 1 µµµµµLed 2 µµµµµLed 3 µµµµµLed 4 µµµµµLed 5 µµµµµLed 6 µµ µ µµ• A* ACTIVO - rápida intermitencia contemporánea de los led centrales (LED 3 y 4), repetida 3 veces.• B* BÚSQUEDA - tránsito rápido del parpadeo del centro (LED 3 y 4) en los extremos (LED 1 y 6), repetido 3 veces.• C* CONFIRMAR - parpadeo de 1 segundo de todos los led, repetido 3 veces. •  T1* TEST APERTURA - rápida intermitencia contem-poránea de los led 1, 2 y 3, (repetida 3 veces).• T2* TEST CIERRE - rápida intermitencia contemporánea de los led 4, 5 y 6, (repetida 3 veces).• ANOMALÍA - en caso de alarmas activas el indicador co-munica con cada toque del selector frontal los siguien-tes avisos: L BATT (Led 3 y 4 encendidos) - L SIGN (Led 2 y 5 encendidos) - ERR TE (Led 1 y 6 encendidos). Ver ‘Diagnóstico (Historial de alarmas)’ de la pág. 40.Setup de las opciones (selección y modificación)1) SELECCIÓN DE UN PARÁMETRO (ver Tabla-2)Para iniciar la configuración de los parámetros, mantener el selector en posición SELECCIONAR hasta que se iluminen los Led 1 y 6, que se produce después de 20 segundos. Soltar la tecla después de dicha señal. Ajustar el selector en el sentido ‘+’ o ‘-’ para navegar a lo largo de los pará-metros de 1 a 6, indicados por los led parpadeantes. Para configurar el parámetro seleccionado, mantener el se-lectoren posición SELECCIONAR hasta que se iluminen los Led 3 y 4, que se produce después de 5 segundos. Soltar la tecla después de dicha señal (un período de 60 segun-dos de inactividad o la presión en posición SELECCIONAR por un tiempo de 20 segundos, concluye la programación).2) MODIFICACIÓN DE UN PARÁMETRO (ver Tabla-3)Ajustar el selector frontal en el sentido ‘+’ o ‘-’ para modifi-car el valor del parámetro precedentemente seleccionado, indicado por el led de luz fija. Después mantener en posi-ción SELECCIONAR durante 5 segundos para confirmar el TABLA 2: SELECCIÓN DE LOS PARÁMETROSLed parpa-deante Parámetro Sigla Predeter-minado Mínimo MáximoLED 1 (1)  Servicio  Srv C - -LED 2 (2)  Función anticondensación Acd C - -LED 3 (3)  Histéresis [°F] Ist 0.2 0.2 1.2LED 4 (4)  Apertura máxima Pmax 8 6 13LED 5 (5)  Correctivo de posición Cp 3 2 7LED 6 (6)  Coeficiente proporcional Kp 0,10 0,01 0,20TABLA 3: MODIFICACIÓN DE LOS PARÁMETROSParámetro à(1)Srv(2)Acd(3)Ist [°F](4)Pmax(5)Cp(6)KpLED 1 - - 1.2 13 7 0,20LED 2 - - 1.0 11 6 0,15LED 3 - - 0.8 9 5 0,10LED 4 A - 0.6 8 4 0,06LED 5 B B 0.4 7 3 0,03LED 6 C C 0.2 6 2 0,01300546US-10-14
SECCIÓN TÉCNICA[43]Para ayuda ver ‘MAPA DE NAVEGACIÓN’ de la pag. 44valor seleccionado. El parpadeo del LED 3 y 4 indica el éxito del procedimiento y el retorno a la lista de los parámetros. Después soltar la tecla. Un período de 60 segundos de inac-tividad concluye la programación sin aportar la modifica-ción del parámetro que se está configurando. NOTA: se puede realizar la configuración de las opciones, también si el actuador no ha sido asociado aún a un cro-notermostato.PARÁMETROS1) Servicio• A = Desasociación del cronotermostato• B = Reset del actuador• C = Ninguna acción (Predeterminada)2) Anticondensación(Ver ‘Función anticondensación’ de la pag. 45)3) HistéresisDicho parámetro está activo sólo en funcionamiento ON/OFF y representa la desviación positiva/negativa del setpoint, útil para determinar el cierre/apertura de la válvula.- Ist.SETPOINTABIERTA CERRADA  ABIERTATemperaturaTiempo+ Ist.4) PmaxDefine la franja de trabajo proporcional del actuador.5) Cp (Correctivo de posición del actuador)Representa el punto teórico de cierre de la válvula (ver el gráfico). Visto que el actuador se pone realmente en so-brerrecorrido a causa de la elasticidad de la goma de her-meticidad, durante la reapertura el Cp permite corregir inmediatamente dicho posicionamiento.Cp + Pmax0* 3 12Punto de cierre teórico de la válvulaPmax=9Cp=3Sobrerrecorrido* La posición ‘0’ de cierre se encuentra en modo auto-adapta-ción del actuador.6) Kp (Coeficiente de proporcionalidad)El desplazamiento del actuador es proporcional a la dife-rencia entre la temperatura requerida y aquella efectiva. Aumentando Kp se producen desplazamientos más pe-queños, reduciendo Kp se obtienen desplazamientos más grandes. Kp=0,01 (valor mínimo) implica funcionamiento ON/OFF.Operación automática de apertura/cierreA) Poner el actuador en apertura total, manteniendo el se-lector frontal del actuador en posición ‘+‘ hasta el primer parpadeo del Led 3 , que se produce después de 5 segun-dos. Soltar la tecla después de dicha señal. La Señal T1* indica la apertura (Ver ‘Señales’ de la pag. 42). Después presionar el selector en posición SELECCIONAR hasta la Señal A*, que se produce después de 5 segundos. Después de dicha señal, soltar la tecla, terminando la operación. B) Para poner el actuador en cierre total, manteniendo el selector frontal del actuador en posición ‘-‘ hasta el primer parpadeo del Led 4 , que se produce después de 5 segun-dos. Soltar la tecla después de dicha señal. La Señal T2* indica que se ha producido el cierre. Después presionar el selector en posición SELECCIONAR hasta la Señal A*, que se produce después de 5 segundos. Después de dicha señal, soltar la tecla, terminando la operación.Test de la señal radioPara verificar la calidad de la señal radio de un actuador, mantener el selector frontal en la posición SELECCIONAR hasta la señal luminosa del indicador led, que aparece después de 30 segundos. El nivel de calidad está indicado en la Tabla-4.TABLA 4: TEST DE LA SEÑAL RADIOCalidad de la señal à2(max)1 0(ausente)Led 1 µµ µLed 2 µµµLed 3 µµµLed 4 µµµLed 5 µµµLed 6 µµ µ( NB: µ = Led encendido )300546US-10-14ESPAÑOL
MAPA DE NAVEGACIÓN [44]LÍMITESPREACTIVACIONESDIAGNÓSTICOSNOMBRE USUARIONUMERO ZONAS GESTIONADASRESET PARÁMETROS AVANZADOSRESET TOTAL CRONOTERMÓSTATOCONFIGURACIONES AVANZADAS*INSTALACIÓNT. CONFORT MÁX INVIERNOT COMFORT MIN INVERNOT. AHORRO MÁX INVIERNOT. AHORRO MÍN INVIERNOT. LÍMITE MÁX INVIERNOT. LÍMITE MÍN INVIERNOT. CONFORT MÁX VERANOT. CONFORT MÍN VERANOT. AHORRO MÁX VERANOT. AHORRO MÍN VERANOT. LÍMITE MÁX VERANOT. LÍMITE MÍN VERANOINVIERNOVERANOANTICIPO MÁXIMO ARRANQUEANTICIPO MÁXIMO APAGADOPRE-START AHORRO REDUCIDOINDICE PRE-START CONFORTDESVIACIÓN TPR MEMORIZADAHISTORIAL ALARMASRESET ALLARMIACTIVAR MODALI. DIAGNÓSTICOIDENTIFICAR ACTUADORIDENTIFICAR ZONACONFIGURACIΟN ÁREAIDIOMA ACTUALPROGRAMACIÓN INVIERNOPROGRAMACIÓN VERANOZONAS/REGULACIΟN VERANOMODALIDAD VERANO/INVIERNOFECHAHORAFORMATO HORAUNIDADES DE MEDIDA TEMPERATURACONTRASTELUMINOSIDADOPTIMIZACIÓN ENCENDIDOOPTIMIZACIÓN APAGADOCONFIGURACIÓN NOMBRES ZONASMODALIDADCONFIGURACIONESASOCIACIONESPREFERENCIASMODO MANUALMODO AUTOMÁTICOMODO APAGADOCONFIGURAR HORAHORA LEGALCONFORT INVERNALAHORRO INVERNALLÍMITE INVERNALCONFORT VERANORISPARMIO ESTIVOLÍMITE VERANOACTIVAR MODO MANUALMAN. 1 HORAMAN. 2 HORASCONFIG. DURACIÓN M. MANUALAPAGARAPAGAR POR 1 HORAAPAGAR POR 2 HORASCONFIGURAR DURACIÓN APAGADOACTIVAR MODO AUTOMÁTICO12 HORAS24 HORASZONA 1NOMBRE ZONA 1ZONA 1L/M/M/J/V/S/DGRÁFICO HORARIOASOCIACIÓN ZONA 1MENÚBLOQUEO TECLASCONFIGURACIONES AVANZADAS *MAPA DE NAVEGACIÓN DE LAS FUNCIONES: a partir del MENÚ principal del cronotermostato (indicado con la flecha de la figura), al cual se accede presionando la tecla MENÚ, seguir el esquema presente en esta página para ir a la sección requerida.Características y documentación sujetas a modificaciones sin obligación de previo aviso por parte del fabricante.300546US-10-14
APÉNDICE[45]Características y documentación sujetas a modificaciones sin obligación de previo aviso por parte del fabricante.TABLA 5: CAMPOS DE TEMPERATURA (Predeterminado)PROGRA-MACIÓN INVIERNOPROGRA-MACIÓN VERANOCONFORTAHORROLÍMITECONFORTAHORROLÍMITET MAX  77 °F 68 °F 59 °F 86 °F 95 °F 104 °FT MIN 59 °F 50 °F 41 °F 68 °F 77 °F 86 °F GESTION DE LAS CONFIGURACIONES DE TEMPERA-TURAGuía para la regulaciónRemitirse a las siguientes indicaciones para gestionar las configuraciones de temperatura (‘Programación invierno’ y ‘Programación verano’).El campo total de las temperaturas está dividido en 6 intervalos específicos, como se ilustra en la Tabla-5.El ejemplo siguiente indica un modo posible de configu-rar T1-T2-T3 in ‘Modalidad invierno’:• Definir una temperatura CONFORT de 66 °F para la opción Configurar confort invernal (T1). • Posteriormente, definir una temperatura AHORRO comprendida entre 50 °F y 66 °F para la opción Configu-rar ahorro invernal (T2). T2 está, en efecto, subordinado a T1; por ejemplo, definir 58 °F.• T3 está, a su vez, subordinado a T2 y, en este caso específico, se puede definir para la opción Configurar límite invernal (T3) una temperatura LIMITE comprendi-da entre 41 °F y 58 °F.INTERACCIÓN DE LOS CAMPOS (INVIERNO)CONFORT>AHORRO AHORRO>LIMITEINTERACCIÓN DE LOS CAMPOS (VERANO)CONFORT<AHORRO AHORRO<LIMITECuando fuera necesario, redefinir el valor máximo y mínimo de cada uno de los 6 campos de temperatura. Por ejemplo:1) Acceder a MENUàCONFIGURACIONESàCONFIGURACIONES AVANZADASàINSTALACIÓNàLÍMITESàINVIERNOàTEMP. CON-FORT MINIMA INVERNAL y definir un valor de 68 °F. Después, presionar CONFIRMAR.2) Acceder a MENUàCONFIGURACIONESàCONFIGURACIONES AVANZADASàINSTALACIÓNàLÍMITESàINVIERNOàTEMP. CON-FORT MÁXIMA INVERNAL y definir un valor de 80 °F. Después, presionar CONFIRMAR. De este modo se obtiene un cam-po de CONFORT (12 °F de extensión) comprendido entre 68 °F y 80 °F. Es aconsejable que la dimensión de cada campo no tenga una extensión menor a aprox. 3 °F. Si, en efecto, ahora defino un valor de 70 °F para la TEMP. CONFORT MÁXIMA INVERNAL, el sistema lleva automáticamente la TEMP. CONFORT MÍNIMA INVERNAL a 67 °F. El nuevo campo de CONFORT (aprox. 3 °F de extensión) pasará de 67 °F a 70 °F. REGULACIÓN DE LA FUNCIÓN ANTICONDENSACIÓNEn la instalación de los actuadores en algunos dispo-sitivos puede ser necesario activar la función anticon-densación, que se ejecuta oeprando en los mandos del actuador. Un caso posible es la necesidad de excluir un radiador de decoración del funcionamiento de verano.Para regular esta función, configurar el Parámetro 2 (Acd) del actuador como se indica en la Tabla-6 (Ver ‘Configuraciones de las opciones del actuador’ de la pag. 42 para mayores detalles):TABLA 6VALOR DEL PARAMETRO ‘ACD’ANTICONDENSACIÓN ENCENDIDA BANTICONDENSACIÓN APAGADA CNOTA: por defecto la función anticondensación está apagada.300546US-10-14ESPAÑOL
300546US-10-14
300546US-10-14
300546US-10-14WWW.IVAR-US.COMEQUICALOR®IT GB DEFR ES DEBE CZ NO

Navigation menu