Impex Fitness Wm 367 Owners Manual PARTS LIST
Impex-Fitness-Wm-367-Owner-S-Manual impex-fitness-wm-367-owner-s-manual
2015-06-15
: Impex-Fitness Impex-Fitness-Wm-367-Owners-Manual-746867 impex-fitness-wm-367-owners-manual-746867 impex-fitness pdf
Open the PDF directly: View PDF
.
Page Count: 13
- BEFORE YOU BEGIN...................................................................................…. 1
- IMPORTANT SAFETY NOTICES..................................................................…. 2
- HARDWARE IDENTIFIER.....…....................................................................…. 4
- ASSEMBLY INSTRUCTIONS........................................................................…. 5
- EXPLODED DIAGRAM………………………………………………………………. 10
- PARTS LIST...............................................................................................……. 11
- WARRANTY.................................................................................................…. 12
- ORDERING PARTS.......................................................................................… 12
- ASSEMBLY INSTRUCTION
- A.) Attach the Leg Developer (#7) to the Front Leg (#5). Secure it with one M8 x 3 1/8” Allen Bolt (#32), two Ø 5/8” Washers (#36), and one M8 Aircraft Nut (#41).
- B.) Insert two Foam Tubes (#11) halfway through the holes on the Leg Developer. Push four Foam Rolls (#24) onto the Tubes from both sides.
- C.) Place a Spring Clip (#19) onto the weight post on the Leg Developer.
- A.) Attach the Backrest Supports (#10) onto both ends of the pivot on the Main Seat Support (#3). Place the other end rest against the Backrest Adjustment Bar (#28).
- B.) Place the Backrest Board (#27) onto the Backrest Supports. Secure it with four M6 x 1 ½” Hex Bolts (#34) and Ø ½” Washers (#37).
- C.) Place the Seat Pad (#26) onto the Main Seat Support. Secure it with four M6 x 1 ½” Hex Bolts (#34) and Ø ½” Washers (#37).
- A.) Attach the Arm Curl Pad (#25) to the Arm Curl Stand (#6). Secure it with two M8 x 5/8” Allen Bolts (#31) and Ø 5/8” Washers (#36).
- B.) Insert the Arm Curl Stand into the top opening on the Front Leg. Secure it with a Lock Knob (#13).
- 1 Right Upright Beam 1
- 14 2 3/8” Rubber Bumper 2

NOTE:
Please read all instructions
carefully before using this
product
Table of Contents
Safety Notice
Hardware Identifier
Assembly Instruction
Parts List
Warranty
Ordering Parts
Model
WM-367
Retain This
Manual for
Reference
10-18-07
OWNER'S
MANUAL
MARCY®
WEIGHT BENCH
WM-367
IMPEX® INC.
2801 S. Towne Ave, Pomona, CA 91766
Tel: (800) 999-8899 Fax: (626) 961-9966
www.impex-fitness.com
info@impex-fitness.com

TABLE OF CONTENTS
BEFORE YOU BEGIN...................................................................................…. 1
IMPORTANT SAFETY NOTICES..................................................................…. 2
HARDWARE IDENTIFIER.....…....................................................................…. 4
ASSEMBLY INSTRUCTIONS........................................................................…. 5
EXPLODED DIAGRAM………………………………………………………………. 10
PARTS LIST...............................................................................................……. 11
WARRANTY.................................................................................................…. 12
ORDERING PARTS.......................................................................................… 12
BEFORE YOU BEGIN
Thank you for selecting the MARCY WM-367 Weight Bench by IMPEX® INC.
For your safety and benefit, read this manual carefully before using the
machine. As a manufacturer, we are committed to provide you complete
customer satisfaction. If you have any questions, or find there are missing
or damaged parts, we guarantee you complete satisfaction through direct
assistance from our factory. To avoid unnecessary delays, please call our
TOLL-FREE customer service number. Our Customer Service Agents will
provide immediate assistance to you.
1
Toll-Free Customer Service Number
1-800-999-8899
Mon. - Fri. 9 a.m. - 5 p.m. PST
www.impex-fitness.com
info@impex-fitness.com

IMPORTANT SAFETY NOTICE
PRECAUTIONS
This exercise machine is built for optimum safety. However, certain precautions apply
whenever you operate a piece of exercise equipment. Be sure to read the entire manual
before you assemble or operate your machine. In particular, note the following safety
precautions:
1. Keep children and pets away from the machine at all times. DO NOT leave
children unattended in the same room with the machine.
2. Only one person at a time should use the machine.
3. If the user experiences dizziness, nausea, chest pain, or any other abnormal
symptoms, STOP the workout at once. CONSULT A PHYSICIAN IMMEDIATELY.
4. Position the machine on a clear, leveled surface. DO NOT use the machine near water
or outdoors.
5. Keep hands and feet away from all moving parts.
6. Always wear appropriate workout clothing when exercising. DO NOT wear robes or
other clothing that could become caught in the machine. Running or aerobic shoes are
also required when using the machine.
7. Use the machine only for its intended use as described in this manual. DO NOT use
attachments not recommended by the manufacturer.
8. Do not place any sharp object around the machine.
9. Disabled person should not use the machine without a qualified person or physician in
attendance.
10. Before using the machine to exercise, always do stretching exercises to properly warm
up.
11. Never operate the machine if the machine is not functioning properly.
12. A spotter is recommended during exercise.
CARE AND MAINTENANCE
1. Lubricate moving parts with WD-40 or light oil periodically.
2. Inspect and tighten all parts before using the machine.
3. The machine can be cleaned using a damp cloth and mild non-abrasive detergent.
DO NOT use solvents.
4. Maximum weight capacity on the uprights: 200 lbs.
5. Maximum user’s weight: 250 lbs.
6. Maximum weight capacity on the leg developer: 100 lbs.
WARNING: BEFORE BEGINNING ANY EXERCISE PROGRAM, CONSULT YOUR
PHYSICIAN. THIS IS ESPECIALLY IMPORTANT FOR INDIVIDUALS OVER THE AGE
OF 35 OR PERSONS WITH PRE-EXISTING HEALTH PROBLEMS. READ ALL
INSTRUCTIONS BEFORE USING ANY FITNESS EQUIPMENT. IMPEX INC. ASSUMES
NO RESPONSIBILITY FOR PERSONAL INJURY OR PROPERTY DAMAGE
SUSTAINED BY OR THROUGH THE USE OF THIS PRODUCT.
SAVE THESE INSTRUCTIONS.
2

WARNING LABEL REPLACEMENT
The Warning Label shown here has been placed on the Cross Brace. If the label is missing or illegible, please
call customer service at 1-800-999-8899 for replacement. Apply the label in location shown.
3

HARDWARE IDENTIFIER
NOTE: The following parts are not drawn to scale. Please use your own ruler to measure the size.
4

ASSEMBLY INSTRUCTION
Tools Required Assembling the Machine: Two Adjustable Wrenches and Allen
Wrenches
NOTE: It is strongly recommended two or more people assembling this machine to
avoid possible injury.
STEP 1 (See Diagram 1)
A.) Plug the two Upright End Caps (#17) onto the bottom of the Right & Left Upright
Beams (#1 & #2). Secure each Cap with a ST5 Screw (#39).
B.) Connect the two Upright Beams by a Cross Brace (#4) in the Mid-span. Secure them
with two M10 x 3 1/8” Carriage Bolts (#29), one Curved Bracket (#12), two ¾”
Washers (#35), and two M10 Aircraft Nuts (#40) on each end of the Cross Brace.
C.) Attach a Weight Post (#8) to the Right Upright Beam. Secure it with one M10 x 1”
Allen Bolt (#33) and Curved Washer (#38). Slide a 2 3/8” Rubber Bumper (#14) onto
the Weight Post. Attach a Spring Clip (#19) to the Post. Repeat the same step to
install the other side.
D.) Place the Backrest Adjustment Bar (#28) between the two Uprights to obtain desired
incline of Backrest.
5

STEP 2 (See Diagram 2)
A.) Plug a Front Leg End Cap (#20) onto the bottom of Front Leg (#5). Attach the Front
Leg to the Main Seat Support (#3). Secure it with three M8 x 5/8” Allen Bolts (#31) and
Ø 5/8” Washers (#36). DO NOT tighten the Bolts yet.
B.) Attach the Main Seat Support to the Cross Brace (#4). Attach the Main Seat Stabilizer
(#9) to the Main Seat Support. Align the holes. Secure the Main Seat Support, Main
Stabilizer, and Cross Brace together with two M10 x 2 ½” Carriage Bolts (#30), Ø ¾”
Washers (#35), and M10 Aircraft Nuts (#40). DO NOT tighten the Bolts yet.
C.) Attach the other end of Main Seat Stabilizer (#9) to the Front Leg (#5). Secure it with
one M8 x 5/8” Allen Bolt (#31) and Ø 5/8” Washer (#36).
D.) Securely tighten all Nuts and Bolts previously installed.
6

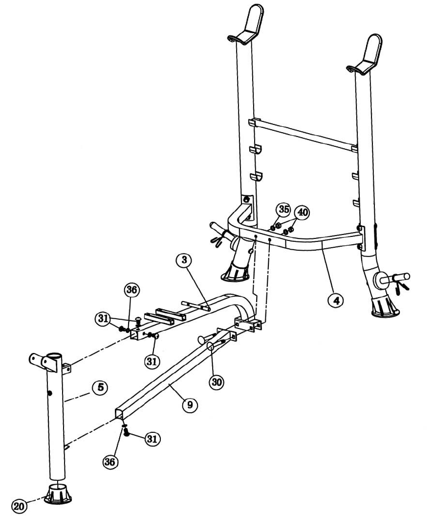
STEP 3 (See Diagram 3)
A.) Attach the Leg Developer (#7) to the Front Leg (#5). Secure it with one M8 x 3 1/8”
Allen Bolt (#32), two Ø 5/8” Washers (#36), and one M8 Aircraft Nut (#41).
B.) Insert two Foam Tubes (#11) halfway through the holes on the Leg Developer. Push
four Foam Rolls (#24) onto the Tubes from both sides.
C.) Place a Spring Clip (#19) onto the weight post on the Leg Developer.
DIAGRAM 3
7

STEP 4 (See Diagram 4)
A.) Attach the Backrest Supports (#10) onto both ends of the pivot on the Main Seat Support
(#3). Place the other end rest against the Backrest Adjustment Bar (#28).
B.) Place the Backrest Board (#27) onto the Backrest Supports. Secure it with four M6 x 1 ½”
Hex Bolts (#34) and Ø ½” Washers (#37).
C.) Place the Seat Pad (#26) onto the Main Seat Support. Secure it with four M6 x 1 ½” Hex
Bolts (#34) and Ø ½” Washers (#37). DIAGRAM 4
8

STEP 5 (See Diagram 5)
A.) Attach the Arm Curl Pad (#25) to the Arm Curl Stand (#6). Secure it with
two M8 x 5/8” Allen Bolts (#31) and Ø 5/8” Washers (#36).
B.) Insert the Arm Curl Stand into the top opening on the Front Leg. Secure it
with a Lock Knob (#13).
C.) When using Leg Developer, remove the Arm Curl Stand from the Front Leg.
DIAGRAM 5
9

10

PARTS LIST
KEY NO. DESCRIPTION QUANTITY
1 Right Upright Beam 1
2 Left Upright Beam 1
3 Main Seat Support 1
4 Cross Brace 1
5 Front Leg 1
6 Arm Curl Stand 1
7 Leg Developer 1
8 Weight Post 2
9 Main Seat Stabilizer 1
10 Backrest Support 2
11 Foam Tube 2
12 Curved Bracket 2
13 Lock Knob 1
14 2 3/8” Rubber Bumper 2
15 1” Square End Cap 2
16 Ø 1” End Cap 8
17 Upright End Cap 2
18 Ø ¾” Bushing 2
19 Spring Clip 3
20 Front Leg End Cap 1
21 Ø 2 3/8” x Ø 2” Sleeve 1
22 Ø 2” End Cap 3
23 Ø 1” Con-shaped End Cap 2
24 Foam Roll 4
25 Arm Curl Pad 1
26 Seat Pad 1
27 Backrest Board 1
28 Backrest Adjustment Bar 1
29 M10 x 3 1/8” Carriage Bolt 4
30 M10 x 2 ½” Carriage Bolt 2
31 M8 x 5/8” Allen Bolt 6
32 M8 x 3 1/8” Allen Bolt 1
33 M10 x 1” Allen Bolt 2
34 M6 x 1 ½” Hex Bolt 8
35 Ø ¾” Washer 6
36 Ø 5/8” Washer 8
37 Ø ½” Washer 8
38 Curved Washer 2
39 ST5 Screw 2
40 M10 Aircraft Nut 6
41 M8 Aircraft Nut 1
11

IMPEX® INC.
LIMITED WARRANTY
IMPEX Inc. ("IMPEX®") warrants this product to be free from defects in workmanship and material,
under normal use and service conditions, for a period of two years on the Frame from the date of
purchase. This warranty extends only to the original purchaser. IMPEX's obligation under this
Warranty is limited to replacing or repairing, at IMPEX's option.
All returns must be pre-authorized by IMPEX. Pre-authorization may be obtained by calling IMPEX
Customer Service Department at 1-800-999-8899. All freights for products return to IMPEX must be
prepaid by the customer. This warranty does not extend to any product or damage to a product caused
by or attributable to freight damage, abuse, misuse, improper or abnormal usage or repairs not provided
by an IMPEX authorized service center or for products used for commercial or rental purposes. No
other warranty beyond that specifically set forth above is authorized by IMPEX.
IMPEX is not responsible or liable for indirect, special or consequential damages arising out of or in
connection with the use or performance of the product or other damages with respect to any economic
loss, loss of property, loss of revenues or profits, loss of enjoyments or use, costs of removal, installation
or other consequential damages or whatsoever natures. Some states do not allow the exclusion or
limitation of incidental or consequential damages. Accordingly, the above limitation may not apply to
you.
The warranty extended hereunder is in lieu of any and all other warranties and any implied warranties of
merchantability or fitness for a particular purpose is limited in its scope and duration to the terms set
forth herein. Some states do not allow limitations on how long an implied warranty lasts. Accordingly,
the above limitation may not apply to you.
This warranty gives you specific legal right. You may also have other rights which vary from state to
state. Register on-line www.impex-fitness.com
IMPEX® INC.
2801 S. Towne Ave.
Pomona, CA 91766
ORDERING REPLACEMENT PARTS
Replacement parts can be ordered by calling our Customer Service Department toll-free at 1-800-999-
8899 during our regular business hours: Monday through Friday, 9 am until 5 pm Pacific standard time.
info@impex-fitness.com
When ordering replacement parts, always give the following information.
1. Model
2. Description of Parts
3. Part Number
4. Date of Purchase
12