Iridium Satellite 9523N Iridium voice/data modem module User Manual
Iridium Satellite LLC Iridium voice/data modem module
User manual

Iridium Core 9523/9523N Product Developer's
Guide
Iridium Communications, Inc.
Proprietary & Confidential Information

Iridium Communications, Inc. Information Contained in this Guide
Iridium Core 9523/9523N Product Developer’s Guide is Subject to Change Without Notice
Revision 7.2 DRAFT4
Iridium Communications, Inc. Distribution of Guide Restricted
Proprietary & Confidential Information Page 2 of 34 to Product Developers
Only
LEGAL DISCLAIMER AND CONDITIONS OF USE
This document contains information for the Iridium Core 9523/9523N (“Product”) and is provided “as is.”
The purpose of providing such information is to enable Value Added Resellers and Value Added
Manufacturers (collectively, “Product Developer(s)”) to understand the Product and how to integrate it into
a wireless solution. Reasonable effort has been made to make the information in this document reliable
and consistent with specifications, test measurements and other information. However, Iridium
Communications Inc. and its affiliated companies, directors, officers, employees, agents, trustees or
consultants (“Iridium”) assume no responsibility for any typographical, technical, content or other
inaccuracies in this document. Iridium reserves the right in its sole discretion and without notice to you to
change Product specifications and materials and/or revise this document or withdraw it at any time. This
document is provided in conjunction with the purchase of the Product and is therefore subject to the
Product Sales Terms and Conditions set forth at http://www.Iridium.com/support/library/Legal
Notices.aspx. The Product Developer assumes any and all risk of using the Product specifications and
any other information provided.
Your use of this document is governed by your Partner Agreement with Iridium. Please review your
Partner Agreement and the Iridium Product Sales Terms and Conditions that govern your relationship
with Iridium. This document is strictly Proprietary and Confidential to Iridium. Consistent with your Partner
Agreement with Iridium, you may not this document (or any portion thereof) to others without express
written permission from Iridium. Any violation of your Agreement's Proprietary and Confidentiality
obligations shall result in remedies to the fullest extent available to Iridium at law or in equity.
IRIDIUM MAKES NO REPRESENTATIONS, GUARANTEES, CONDITIONS OR WARRANTIES,
EITHER EXPRESS OR IMPLIED, INCLUDING WITHOUT LIMITATION, ANY IMPLIED
REPRESENTATIONS, GUARANTEES, CONDITIONS OR WARRANTIES OF MERCHANTABILITY
AND FITNESS FOR A PARTICULAR PURPOSE, NON-INFRINGEMENT, SATISFACTORY QUALITY,
NON-INTERFERENCE, ACCURACY OF INFORMATIONAL CONTENT, OR ARISING FROM A
COURSE OF DEALING, LAW, USAGE, OR TRADE PRACTICE, USE, OR RELATED TO THE
PERFORMANCE OR NONPERFORMANCE OF ANY PRODUCTS AND/OR SERVICES
ACCESSORIES, FACILITIES OR SATELLITE SERVICES OR INFORMATION EXCEPT AS
EXPRESSLY STATED IN THIS DOCUMENT AND/OR THE PRODUCT AND/OR SATELLITE SERVICE
DOCUMENTATION. ANY OTHER STANDARDS OF PERFORMANCE, GUARANTEES, CONDITIONS
AND WARRANTIES ARE HEREBY EXPRESSLY EXCLUDED AND DISCLAIMED TO THE FULLEST
EXTENT PERMITTED BY LAW. THIS DISCLAIMER AND EXCLUSION SHALL APPLY EVEN IF THE
EXPRESS LIMITED WARRANTY CONTAINED IN SUCH DOCUMENTATION FAILS OF ITS
ESSENTIAL PURPOSE.
IN NO EVENT SHALL IRIDIUM BE LIABLE, REGARDLESS OF LEGAL THEORY, INCLUDING
WITHOUT LIMITATION CONTRACT, EXPRESS OR IMPLIED WARRANTY, STRICT LIABILITY,
GROSS NEGLIGENCE OR NEGLIGENCE, FOR ANY DAMAGES IN EXCESS OF THE PURCHASE
PRICE OF THIS DOCUMENT, IF ANY. NOR SHALL IRIDIUM BE LIABLE FOR ANY DIRECT,
INDIRECT, INCIDENTAL, SPECIAL OR CONSEQUENTIAL DAMAGES OF ANY KIND, OR LOSS OF
REVENUE OR PROFITS, LOSS OF BUSINESS, LOSS OF PRIVACY, LOSS OF USE, LOSS OF TIME
OR INCONVENIENCE, LOSS OF INFORMATION OR DATA, SOFTWARE OR APPLICATIONS OR
OTHER FINANCIAL LOSS CAUSED BY THE PRODUCT/SERVICE (INCLUDING HARDWARE,
SOFTWARE AND/OR FIRMWARE) AND/OR THE IRIDIUM SATELLITE SERVICES, OR ARISING OUT
OF OR IN CONNECTION WITH THE ABILITY OR INABILITY TO USE THE PRODUCT/SERVICE
(INCLUDING HARDWARE, SOFTWARE AND/OR FIRMWARE) AND/OR THE IRIDIUM SATELLITE
SERVICES TO THE FULLEST EXTENT THESE DAMAGES MAY BE DISCLAIMED BY LAW AND
WHETHER ADVISED OF THE POSSIBILITIES OF SUCH DAMAGES. IRIDIUM IS NOT LIABLE FOR
ANY CLAIM MADE BY A THIRD PARTY OR MADE BY YOU FOR A THIRD PARTY.
Your use of the information contained in this Guide is restricted to the development activity
authorized under the agreement(s) between you and Iridium, and is otherwise subject to all

Iridium Communications, Inc. Information Contained in this Guide
Iridium Core 9523/9523N Product Developer’s Guide is Subject to Change Without Notice
Revision 7.2 DRAFT4
Iridium Communications, Inc. Distribution of Guide Restricted
Proprietary & Confidential Information Page 3 of 34 to Product Developers
Only
applicable terms and conditions of such agreement(s), including without limitation software
license, warranty, conditions of use and confidentiality provisions.
Export Compliance Information
This Product is controlled by the export laws and regulations of the United States of America. The U.S.
Government may restrict the export or re-export of this Product to certain individuals and/or destinations.
Diversion contrary to U.S. law is prohibited. For further information, contact the U.S. Department of
Commerce, Bureau of Industry and Security or visit www.bis.doc.gov.
Revision History
Revision
Date
Comment
1.0
Nov 11, 2015
First Draft.
2.0
May 9, 2011
Second Draft Following Internal Review
2.3
Jul 26, 2011
Revision sent with Alpha prototype Developer’s Kit
2.5
Sep 12, 2011
Revision sent with Beta prototype Developer’s Kit
2.6
Oct 11, 2011
- Added FCC and IC warning statements (sections 1.3 and 1.4)
- Removed reference to mounting screws in section 2.1 “Dimensions
and Layout”
- Clarified screw/hole specifications in section 2.2 “Field Application
Board Mounting”
- Unified formatting of examples and removed references to AT*Rn in
section 8 “Informative Examples”
2.7
Oct 17, 2011
- Replaced reference to AT*F with AT*P0 in section 3.2.3 “Power
On/Off Control”
- Added note on digital I/O ESD protection in section 3.1.2 “User
Connector Pin Allocation”
3.0
Oct 21, 2011
First published revision
3.1
Oct 27, 2011
Added note on non-portable regulatory certification to section 1.2
3.2
Feb 23, 2012
Significantly reduced sections "Data/Fax Port" and "AT Interface" and
added references to the ISU AT Command Reference. Removed
sections "S-Register Definitions", "Summary of Result Codes",
"Informative Examples", and "Supported AT Commands" as this
information is contained in the ISU AT Command Reference.
7.0
Aug 20, 2012
- Updated section “Legal Disclaimer and Conditions of Use”.
- Removed description of PCB digital audio ports as “15 bits” in section
3.3 “PCM Digital Audio” since the ports use 16-bit PCM samples.
7.1
Jul 29, 2014
- Changed all references to the product to “Iridium Core 9523”
- Corrected section 4 sub-section numbering
- Revised introductory paragraph of section 2.3.2
7.2
DRAFT2
Nov 17, 2015
Updated to include 9523N. For internal review.
Incorporated comments from Mike Senzig.
7.2
DRAFT3
Jan 12, 2016
Updated in accordance with comments from the IEC 60950-1 safety
testing at TUV (see Interim Test Summary_75932207_Issue1):
Clarified part numbering in section 2.1. Clarified number of power
supplies and the nominal and maximum voltage and maximum current
in section 3.2.1 and included recommendation to incorporate a current
limiting device in the host application. Added details on requirements
of the enclosure provided by the host product/application in section 2.2.
Updated Declaration of Conformity.
7.2
DRAFT4
Jan 28, 2016
Updated in accordance with comments from the IEC 60950-1 safety
testing at TUV (see Interim Test Summary_75932207_Issue2).
Iridium Communications, Inc. Information Contained in this Guide
Iridium Core 9523/9523N Product Developer’s Guide is Subject to Change Without Notice
Revision 7.2 DRAFT4
Iridium Communications, Inc. Distribution of Guide Restricted
Proprietary & Confidential Information Page 4 of 34 to Product Developers
Only
Export Compliance Information
This product is controlled by the export laws and regulations of the United States of America. The U.S.
Government may restrict the export or re-export of this product to certain individuals and/or destinations.
For further information, contact the U.S. Department of Commerce, Bureau of Industry and Security or
visit www.bis.doc.gov.

Iridium Communications, Inc. Information Contained in this Guide
Iridium Core 9523/9523N Product Developer’s Guide is Subject to Change Without Notice
Revision 7.2 DRAFT4
Iridium Communications, Inc. Distribution of Guide Restricted
Proprietary & Confidential Information Page 5 of 34 to Product Developers
Only
Contents
Revision History .......................................................................................................................................... 3
Contents ..................................................................................................................................................... 5
List of Abbreviations .................................................................................................................................. 6
1 Product Overview ............................................................................................................................... 7
1.1 Key Features .......................................................................................................................... 7
1.2 Iridium Core 9523/9523N Packaging and Regulatory Certification ....................................... 7
1.3 Software Revision .................................................................................................................. 8
1.1 Unauthorised Changes .......................................................................................................... 9
1.1 Radio Interference ................................................................................................................. 9
1.2 RF Exposure .......................................................................................................................... 9
1.3 FCC Class B Digital Device Notice ...................................................................................... 10
1.4 Labelling Requirements for the Host device ........................................................................ 10
1.5 CAN ICES-3 (B) / NMB-3 (B) ............................................................................................... 11
1.6 R&TTE Statement ................................................................................................................ 11
1.7 Reference ............................................................................................................................. 13
2 Physical Specification ..................................................................................................................... 14
2.1 Dimensions and Layout ....................................................................................................... 16
2.1 Part Numbering .................................................................................................................... 17
2.2 Field Application Board Mounting ........................................................................................ 18
2.3 Environmental ...................................................................................................................... 21
2.3.1 Environmental Specification ................................................................................................. 21
2.3.2 Environmental Tests ............................................................................................................ 21
3 Electrical Interfaces ......................................................................................................................... 23
3.1 User Connector .................................................................................................................... 23
3.1.1 User Connector Type ........................................................................................................... 23
3.1.2 User Connector Pin Allocation ............................................................................................. 24
3.2 DC Power Supply Interface .................................................................................................. 26
3.2.1 DC Power Supply Inputs ...................................................................................................... 26
3.2.2 Power On/Off Control, TRX_ON .......................................................................................... 27
3.2.3 Typical Power Usage Profile ................................................................................................ 27
3.3 PCM Digital Audio ................................................................................................................ 29
3.3.1 Port 1 .................................................................................................................................... 30
3.3.2 Port 2 .................................................................................................................................... 30
3.3.3 11Hz Signal for Manufacturing and Regulatory Testing ...................................................... 31
3.4 DPL port ............................................................................................................................... 31
3.5 Data/Fax port ....................................................................................................................... 31
3.6 SIM interface ........................................................................................................................ 31
3.7 GPIO Signals ....................................................................................................................... 32
3.7.1 Transmit power Control ........................................................................................................ 32
3.7.2 External GPS Receiver Switch ............................................................................................ 32
3.7.3 Modem/Handset Mode Select Signal .................................................................................. 32
4 RF Interface ....................................................................................................................................... 32
4.1 RF Connector Type .............................................................................................................. 32
4.1.1 Antenna Characteristics ....................................................................................................... 33
4.2 RF Interface Specifications .................................................................................................. 33
4.3 Radio Characteristics ........................................................................................................... 34
4.4 S-meter Performance ........................................................................................................... 34
5 AT Interface ....................................................................................................................................... 34

Iridium Communications, Inc. Information Contained in this Guide
Iridium Core 9523/9523N Product Developer’s Guide is Subject to Change Without Notice
Revision 7.2 DRAFT4
Iridium Communications, Inc. Distribution of Guide Restricted
Proprietary & Confidential Information Page 6 of 34 to Product Developers
Only
List of Abbreviations
Abbreviation
Description
CE
Conformité Européene
CTS
(V.24 signal) Clear To Send. This signal is used to control the flow of data to
the Iridium Core 9523
DC
Direct Current
DCD
(V.24 signal) Data Carrier Detect
DCE
Data Communications Equipment. In this Product, DCE refers to the Iridium
Core 9523
DSR
(V.24 signal) Data Set Ready. This signal, from the Iridium Core 9523,
indicates readiness to accept communication over the data port
DTE
Data Terminal Equipment. In this Product, DTE refers to the FA
DTR
(V.24 signal) Data Terminal Ready. This signal, from the FA, requests the
Iridium Core 9523 to accept communication over the data port
ESD
Electro-static Discharge
FA
Field Application; the application controlling the Iridium Core 9523
FCC
Federal Communications Commission
GND
Ground
GSS
Gateway SBD Subsystem (synonymous with ESS)
IC
Industry Canada
IMEI
International Mobile Equipment Identity
LBT
L-Band Transceiver
MO
Mobile Originated
MOMSN
Mobile Originated Message Sequence Number
MT
Mobile Terminated
MTMSN
Mobile Terminated Message Sequence Number
PCM
Pulse Code Modulation
RHCP
Right Hand Circular Polarization
RI
(V.24 signal) Ring Indicate. This signal, from the Iridium Core 9523, indicates
that an MT message is present at the GSS
RTS
(V.24 signal) Request To Send. This signal is used to control the flow of data
from the Iridium Core 9523.
SBD
Short Burst Data
SMS
Short Message Service
TBA
To Be Advised
UART
Universal Asynchronous Receiver Transmitter
VAM
Value Added Manufacturer
VAR
Value Added Reseller
VSWR
Voltage Standing Wave Ratio
Iridium Communications, Inc. Information Contained in this Guide
Iridium Core 9523/9523N Product Developer’s Guide is Subject to Change Without Notice
Revision 7.2 DRAFT4
Iridium Communications, Inc. Distribution of Guide Restricted
Proprietary & Confidential Information Page 7 of 34 to Product Developers
Only
1 Product Overview
1.1 Key Features
The Iridium Core 9523/9523N is a voice and data transceiver module for the Iridium global satellite
network. It is designed to be integrated with field application (FA) hardware and software to produce a
solution designed for a specific application or vertical market. These solutions drive a wide range of
applications in industries such as Oil and Gas, Rail, Maritime, Aeronautical, Utilities and
Government/Military.
The Iridium Core 9523/9523N is designed to meet the regulatory requirements for approval for FCC,
Canada, and CE assuming an antenna with a gain of ~3 dBi and adequate shielding.
The Iridium Core 9523/9523N supports all Iridium’s voice and data services. Applications can be built to
use one or multiple services using the voice and data interfaces. The product provides the core
transceiver module. All other functions and hardware such as SIM card reader, keypad, display, power
supply antenna etc. must be provided by the Product Developer. The Iridium Core 9523/9523N consists
of the following:
Iridium radio transceiver with 8 watt transmitter and dual receivers
Call Processor function that implements the Iridium L-Band AIS protocol
Iridium speech Vocoder
Coaxial RF connector for the antenna
40-way inter-PCB connector with the following interfaces:
o Digital audio interfaces
o DPL serial asynchronous control port
o Serial asynchronous interface for SIM
o Data/Fax port – serial asynchronous data plus 6 control signals
o GPIO control signals
o Power
The Iridium Core 9523N is a second generation version of the Iridium Core 9523 and is identical in form
and function to the Iridium Core 9523. This document applies to both the Iridium Core 9523 and Iridium
Core 9523N as indicated by the term ‘Iridium Core 9523/9523N’. Where the contents of this document
apply specifically to either the Iridium Core 9523 or Iridium Core 9523N then this is indicated by the use of
the terms ‘Iridium Core 9523’ and ‘Iridium Core 9523N’ respectively.
The Iridium Core 9523/9523N is described within this document as “9523/9523N” and “ISU.” All of these
terms refer to the same product.
1.2 Iridium Core 9523/9523N Packaging and Regulatory
Certification
The Iridium Core 9523/9523N is a regulatory approved daughter module transceiver that can be fitted
within an enclosed host system. With appropriate external connections, the host system can be designed
to meet full transceiver regulatory tests and sold as a Regulatory Certified product that meets CE, FCC
and IC requirements.
The Iridium Core 9523 is tested to the regulatory and technical certifications shown in Table 1. The
Iridium Core 9523N is tested to the regulatory and technical certifications shown in Table 2.

Iridium Communications, Inc. Information Contained in this Guide
Iridium Core 9523/9523N Product Developer’s Guide is Subject to Change Without Notice
Revision 7.2 DRAFT4
Iridium Communications, Inc. Distribution of Guide Restricted
Proprietary & Confidential Information Page 8 of 34 to Product Developers
Only
Table 1: Iridium Core 9523 Regulatory and Technical Certifications
Regulatory
Approvals
Radio Tests
EMC Tests
Electrical /
Mechanical /
Operational
Safety Tests
CE
ETSI EN 301 441 V1.1.1
(2000-05)
ETSI EN 301 489-1 V1.8.1 (2008-04)
ETSI EN 301 489-20 V1.2.1 (2002-11)
EN60950-1:2006
Part 1
FCC
FCC CFR47 parts 2, 15,
and 25
EN61000-4-2 : 1995/A2 : 2001 Part 4.2
EN61000-4-3 : 2002 Part 4.3
EN61000-4-4 : 2004
EN61000-4-6 : 1996/A1 : 2001 Part 4.6
EN55022:2006
Industry
Canada
RSS170 Issue 2, March,
2011
Table 2: Iridium Core 9523N Regulatory and Technical Certifications
Regulatory
Approvals
Radio Tests
EMC Tests
Electrical /
Mechanical /
Operational
Safety Tests
CE
ETSI EN 301 441 V1.1.1
(2000-05)
ETSI EN 301 489-1 V1.9.2 (2011-09)
ETSI EN 301 489-20 V1.2.1 (2002-11)
EN 60950-1:2006
/A12:2011/A2:2013
AS/NZS 60950.1:
2011/A1:2012
FCC
FCC CFR47 parts 2
(2014), 15B (2014), and 25
(2014)
EN61000-4-2 : 2009
EN61000-4-3 : 2006+A2:2010
EN61000-4-4 : 2012
EN61000-4-6 : 2013
EN55022:2010
Industry
Canada
RSS170 Issue 3, Jul
2015
RSS-GEN Issue 4, Nov
2014
ICES-003 Issue 5, Aug
2012
1.3 Software Revision
Product Developers should read this document in conjunction with the “Software Release Notes” relevant
to the revision of the software that is loaded into their Iridium Core 9523/9523N. The software release
notes are available on the Iridium for Partners section of the Iridium.com website.
Iridium Communications, Inc. Information Contained in this Guide
Iridium Core 9523/9523N Product Developer’s Guide is Subject to Change Without Notice
Revision 7.2 DRAFT4
Iridium Communications, Inc. Distribution of Guide Restricted
Proprietary & Confidential Information Page 9 of 34 to Product Developers
Only
There may be multiple software releases over the lifespan of the Iridium Core 9523/9523N. A software
upgrade utility is provided with each software release. The utility runs on a Windows-compatible OS and
will automatically upgrade the modem with the latest version.
Production procedures for finished goods should ensure that the appropriate software release is loaded
on each Iridium Core 9523/9523N module used. The software release loaded on a particular Iridium Core
9523/9523N module can be read out using the AT command interface.
1.1 Unauthorised Changes
Iridium has not approved any changes or modifications to this device by the user. Any changes or
modifications could void the user’s authority to operate the equipment.
Iridium n’approuve aucune modification apportée à l’appareil par l’utilisateur, quelle qu’en soit la nature.
Tout changement ou modification peuvent annuler le droit d’utilisation de l’appareil par l’utilisateur.
1.1 Radio Interference
This device complies with Part 15 of the FCC Rules and Industry Canada licence-exempt RSS
standard(s). Operation is subject to the following two conditions: (1) this device may not cause
interference, and (2) this device must accept any interference, including interference that may cause
undesired operation of the device.
Under Industry Canada regulations, this radio transmitter may only operate using an antenna of a type
and maximum (or lesser) gain approved for the transmitter by Industry Canada. To reduce potential radio
interference to other users, the antenna type and its gain should be so chosen that the equivalent
isotropically radiated power (EIRP) is not more than that necessary for successful communication.
Le présent appareil est conforme aux CNR d'Industrie Canada applicables aux appareils radio exempts
de licence. L'exploitation est autorisée aux deux conditions suivantes : (1) l'appareil ne doit pas produire
de brouillage, et (2) l'utilisateur de l'appareil doit accepter tout brouillage radioélectrique subi, même si le
brouillage est susceptible d'en compromettre le fonctionnement.
Conformément à la réglementation d'Industrie Canada, le présent émetteur radio peut fonctionner avec
une antenne d'un type et d'un gain maximal (ou inférieur) approuvé pour l'émetteur par Industrie Canada.
Dans le but de réduire les risques de brouillage radioélectrique à l'intention des autres utilisateurs, il faut
choisir le type d'antenne et son gain de sorte que la puissance isotrope rayonnée équivalente (PIRE) ne
dépasse pas l'intensité nécessaire à l'établissement d'une communication satisfaisante.
1.2 RF Exposure
This equipment complies with FCC and IC radiation exposure limits set forth for an uncontrolled
environment. The antenna should be installed and operated with minimum distance of 20 cm between
the radiator and your body. Antenna gain must be below: 3.0 dBi. This transmitter must not be co-located
or operating in conjunction with any other antenna or transmitter.
Cet appareil est conforme aux limites d'exposition aux rayonnements de la IC pour un environnement non
contrôlé. L'antenne doit être installé de façon à garder une distance minimale de 20 centimètres entre la

Iridium Communications, Inc. Information Contained in this Guide
Iridium Core 9523/9523N Product Developer’s Guide is Subject to Change Without Notice
Revision 7.2 DRAFT4
Iridium Communications, Inc. Distribution of Guide Restricted
Proprietary & Confidential Information Page 10 of 34 to Product Developers
Only
source de rayonnements et votre corps. Gain de l'antenne doit être ci-dessous: 3.0 dBi. L'émetteur ne
doit pas être colocalisé ni fonctionner conjointement avec à autre antenne ou autre émetteur.
1.3 FCC Class B Digital Device Notice
This equipment has been tested and found to comply with the limits for a Class B digital device, pursuant
to part 15 of the FCC Rules. These limits are designed to provide reasonable protection against harmful
interference in a residential installation. This equipment generates, uses and can radiate radio frequency
energy and, if not installed and used in accordance with the instructions, may cause harmful interference
to radio communications. However, there is no guarantee that interference will not occur in a particular
installation. If this equipment does cause harmful interference to radio or television reception, which can
be determined by turning the equipment off and on, the user is encouraged to try to correct the
interference by one or more of the following measures:
- Reorient or relocate the receiving antenna.
- Increase the separation between the equipment and receiver.
- Connect the equipment into an outlet on a circuit different from that to which the receiver is connected.
- Consult the dealer or an experienced radio/TV technician for help.
1.4 Labelling Requirements for the Host device
The host device shall be properly labelled to identify the modules within the host device. The certification
label of the module shall be clearly visible at all times when installed in the host device, otherwise the
host device must be labelled to display the FCC ID and IC of the module, preceded by the words
"Contains transmitter module", or the word "Contains", or similar wording expressing the same meaning,
as follows:
Iridium Core 9523
Contains FCC ID: Q639523 or Contains transmitter module FCC ID: Q639523
Contains IC: 4629A-9523 or Contains transmitter module IC: 4629A-9523
Iridium Core 9523N
Contains FCC ID: Q639523N or Contains transmitter module FCC ID: Q639523N
Contains IC: 4629A-9523N or Contains transmitter module IC: 4629A-9523N
L'appareil hôte doit être étiqueté comme il faut pour permettre l'identification des modules qui s'y trouvent.
L'étiquette de certification du module donné doit être posée sur l'appareil hôte à un endroit bien en vue en
tout temps. En l'absence d'étiquette, l'appareil hôte doit porter une étiquette donnant le FCC ID et le IC du
module, précédé des mots « Contient un module d'émission », du mot « Contient » ou d'une formulation
similaire exprimant le même sens, comme suit:
Iridium Core 9523
Contains FCC ID: Q639523 or Contains transmitter module FCC ID: Q639523
Contains IC: 4629A-9523 or Contains transmitter module IC: 4629A-9523

Iridium Communications, Inc. Information Contained in this Guide
Iridium Core 9523/9523N Product Developer’s Guide is Subject to Change Without Notice
Revision 7.2 DRAFT4
Iridium Communications, Inc. Distribution of Guide Restricted
Proprietary & Confidential Information Page 11 of 34 to Product Developers
Only
Iridium Core 9523N
Contains FCC ID: Q639523N or Contains transmitter module FCC ID: Q639523N
Contains IC: 4629A-9523N or Contains transmitter module IC: 4629A-9523N
1.5 CAN ICES-3 (B) / NMB-3 (B)
This Class B digital apparatus complies with Canadian ICES-003
1
.
Cet appareil numérique de classe B est conforme à la norme canadienne ICES-003
2
.
1.6 R&TTE Statement
Iridium Communications Inc. hereby declares that the 9523N is in compliance with the essential
requirements and other relevant provisions of Directive1999/5/EC. A copy of the Declaration of
Conformity is given below.
1
Applicable to 9523N only.
2
Applicable à 9523N seulement.

Iridium Communications, Inc. Information Contained in this Guide
Iridium Core 9523/9523N Product Developer’s Guide is Subject to Change Without Notice
Revision 7.2 DRAFT4
Iridium Communications, Inc. Distribution of Guide Restricted
Proprietary & Confidential Information Page 12 of 34 to Product Developers
Only
Iridium Communications, Inc. Information Contained in this Guide
Iridium Core 9523/9523N Product Developer’s Guide is Subject to Change Without Notice
Revision 7.2 DRAFT4
Iridium Communications, Inc. Distribution of Guide Restricted
Proprietary & Confidential Information Page 13 of 34 to Product Developers
Only
1.7 Reference
[1] ITU-T Recommendation V.25ter, 08/95
[2] ETS 300 642: Digital Cellular Telecommunications System (Phase 2); AT Command Set for GSM
Mobile Equipment (GSM 07.07)
[3] ETS 300 585: Digital Cellular Telecommunications System (Phase 2); Use of DTE-DCE Interface
SMS and CBS (GSM 07.05)
[4] ETS 300 520: Digital Cellular Telecommunications System (Phase 2) (GSM); Call Barring (CB)
Supplementary Services – Stage 1 (GSM 02.88)
[5] ETS 300 511: Digital Cellular Telecommunications System (Phase 2) (GSM); Man–Machine
Interface (MMI) of the Mobile Station (MS) (GSM 02.30)
[6] ETS 300 516: Digital Cellular Telecommunications System (Phase 2) (GSM); Call Waiting (CW)
and Call Hold (HOLD) Supplementary Services; Stage 1 (GSM 02.83)
[7] ETS 300 557: Digital Cellular Telecommunications System (Phase 2) (GSM); Mobile radio
interface; Layer 3 Specification (GSM 04.08)
[8] ETS 300 559: Digital Cellular Telecommunications System (Phase 2) (GSM); Point-to-Point (PP)
Short Message Service (SMS) support on mobile radio interface (GSM 04.11)
[9] ETS 300 536: Digital Cellular Telecommunications System (Phase 2) (GSM); Technical
realization of Short Message Service (SMS) Point-to-Point (PP) (GSM 03.40)
[10] ETS 300 537: Digital Cellular Telecommunications System (Phase 2) (GSM); Technical
realization of Short Message Service Cell Broadcast (SMSCB) (GSM 03.41)
[11] ETS 300 515: Digital Cellular Telecommunications System (Phase 2) (GSM); Call Forwarding
(CF) Supplementary Services (GSM 02.82)
[12] 3GPP TS 27.007: 3rd Generation Partnership Project; Technical Specification Group Terminals;
AT command set for User Equipment (UE)

Iridium Communications, Inc. Information Contained in this Guide
Iridium Core 9523/9523N Product Developer’s Guide is Subject to Change Without Notice
Revision 7.2 DRAFT4
Iridium Communications, Inc. Distribution of Guide Restricted
Proprietary & Confidential Information Page 14 of 34 to Product Developers
Only
2 Physical Specification
For illustrative purposes, pictures of the Iridium Core 9523 and Iridium Core 9523N, fitted with its
aluminum shielding frame, are shown in Figure 1 and Figure 2 respectively.
Figure 1: Photos of Iridium Core 9523
Top View
Bottom View
Left View

Iridium Communications, Inc. Information Contained in this Guide
Iridium Core 9523/9523N Product Developer’s Guide is Subject to Change Without Notice
Revision 7.2 DRAFT4
Iridium Communications, Inc. Distribution of Guide Restricted
Proprietary & Confidential Information Page 15 of 34 to Product Developers
Only
Figure 2: Photos of Iridium Core 9523N
Top View
Bottom View
Left View

Iridium Communications, Inc. Information Contained in this Guide
Iridium Core 9523/9523N Product Developer’s Guide is Subject to Change Without Notice
Revision 7.2 DRAFT4
Iridium Communications, Inc. Distribution of Guide Restricted
Proprietary & Confidential Information Page 16 of 34 to Product Developers
Only
2.1 Dimensions and Layout
The overall dimensions of the Iridium Core 9523 and its weight are summarized in Table 3 and
represented graphically in Figure 3.
Table 3: Iridium Core 9523 Mechanical Dimensions
Parameter
Value
Length
70.44 mm
Width
36.04 mm
Height (from FA board)
14.6 mm max (reservoir capacitors)
8.9 mm (screening can)
Weight (approximate)
32g
The Iridium Core 9523/9523N consists of a single PCB with components mounted on top and bottom
sides.
On the top side, there are three reservoir capacitors, the RF connector, and a screening can covering all
the remaining circuits.
The bottom side has a Molex 40-pin multi-way user interface connector. The bottom side does not have a
screening can, but instead the PCB artwork has an exposed ground ring all around the edge of the board.
This ground ring makes contact with an aluminum screening frame, attached to the Iridium Core
9523/9523N by four corner thread-forming screws. The tips of these screws protrude through the
aluminum frame and act as alignment pins when mounting onto the FA board. The aluminum frame also
has at its center a 1.0mm diameter alignment pin.
There are a further four corner screw holes through the aluminum frame and PCB for securing the Iridium
Core 9523/9523N to the FA board.
The two height values provided in Table 3 do not include the height of the compressible gasket on the
bottom of the Iridium Core 9523/9523N that will mate to the FA board. It is assumed that this gasket will
compress to near zero thickness if screws are torqued sufficiently.

Iridium Communications, Inc. Information Contained in this Guide
Iridium Core 9523/9523N Product Developer’s Guide is Subject to Change Without Notice
Revision 7.2 DRAFT4
Iridium Communications, Inc. Distribution of Guide Restricted
Proprietary & Confidential Information Page 17 of 34 to Product Developers
Only
Figure 3: Dimensions of the Iridium Core 9523/9523N
(Dimensions in millimeters)
2.1 Part Numbering
The part numbers for the Iridium Core 9523/9523N are as shown in Table 4. The part number is stated
on the product label.
Table 4: Iridium Core 9523/9523N Part Numbering
Model
Part Number
Iridium Core 9523
IRID0125X
Iridium Core 9523N
IRIDN0125X

Iridium Communications, Inc. Information Contained in this Guide
Iridium Core 9523/9523N Product Developer’s Guide is Subject to Change Without Notice
Revision 7.2 DRAFT4
Iridium Communications, Inc. Distribution of Guide Restricted
Proprietary & Confidential Information Page 18 of 34 to Product Developers
Only
2.2 Field Application Board Mounting
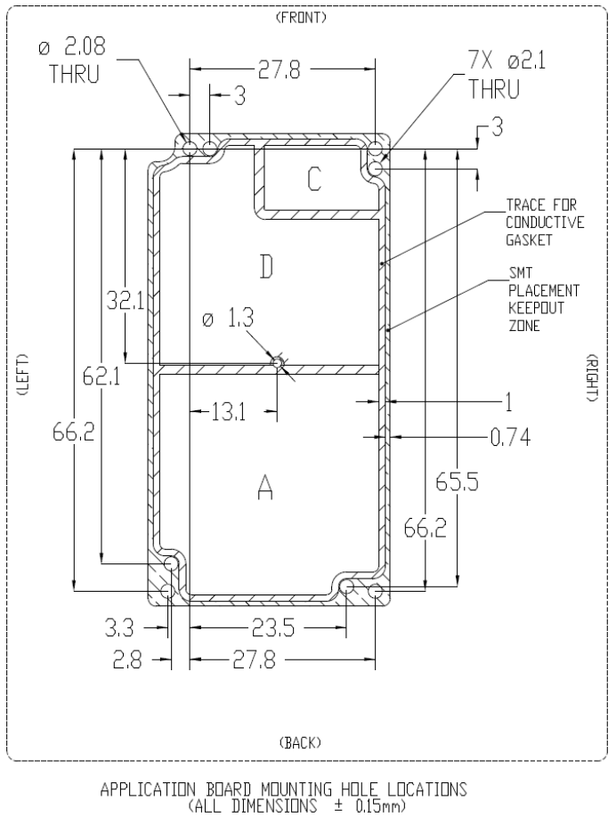
The Iridium Core 9523/9523N is designed to be mounted to an FA board as illustrated in Figure 4.
Figure 4: Illustration of mounting module to application board
The FA board must have a socket mating to the Molex 40-pin multi-way user interface connector on the
bottom of the Iridium Core 9523/9523N. See section 3.1.1 for the connector part number. The Molex
connectors and aluminum frame set the separation between the Iridium Core 9523/9523N and FA boards
at 2.5 mm.
In order to meet type approval standards for EMC, the FA board should include a ground ring and a good
ground layer on its top surface to act as the fifth side of the screening can.
The layout of the mounting location for the Iridium Core 9523/9523N on the FA board – including the
locations and diameters of all nine holes, layout of the grounding ring, and identification of areas with
different grounding requirements – is shown in Figure 5. A CAD file showing this information in DXF
format can be obtained from Iridium in order to assist layout of FA boards.
The FA board must have screw holes lining up with the Iridium Core 9523/9523N’s four 1.8mm corner
mounting screw holes. The Iridium Core 9523/9523N must be secured to the FA board with four
M1.6x0.35 screws through these holes. The FA board must also have four corner alignment holes and
one center alignment hole lining up, respectively, with the Iridium Core 9523/9523N’s four 1.6mm corner
protruding screws and one 1mm center alignment pin. The screw holes should be at least 1.8mm and the
alignment hole at least 1.2mm, but they may be made slightly larger for greater tolerance. In Figure 5
below, one of the screw holes is 2.08mm, providing the primary alignment, while the other three screw
holes are 2.1mm. In the same figure, the center alignment hole is 1.3mm. These dimensions are
recommendations; other dimensions may be used so long as the Iridium Core 9523/9523N is properly
aligned with the user interface connector and ground trace.
In Figure 4, area ‘A’ of the FA board sits under sensitive analog circuitry on the Iridium Core
9523/9523N’s bottom side, and it is essential that no components or tracks on the FA board appear in this
area; it must be filled entirely with a solid ground plane on the top layer of the FA board.
Area ‘D’ sits under digital and power circuits. Ideally, this will also be shielded with a solid ground plane.
However, it is acceptable to place tracks and low-profile components in area ‘D’, so long as care is taken
to avoid mechanical clashes and due consideration is taken of EMC issues.

Iridium Communications, Inc. Information Contained in this Guide
Iridium Core 9523/9523N Product Developer’s Guide is Subject to Change Without Notice
Revision 7.2 DRAFT4
Iridium Communications, Inc. Distribution of Guide Restricted
Proprietary & Confidential Information Page 19 of 34 to Product Developers
Only
Area ‘C’ contains the Molex user interface connector and should be free of surface copper.
The FA board must provide a sufficient margin free of conductive elements around the Iridium Core
9523/9523N perimeter in order to avoid electrical shorts with the Iridium Core 9523/9523N. This is
indicated by the ‘SMT Placement Keepout Zone’.
Partner solutions must be provide sufficient clearance above the conductive capacitors and shield can on
the top of the Iridium Core 9523/9523N to prevent an electrical short.
When operating the Iridium Core 9523/9523N at ambient temperatures of 50ºC or greater, the external
surface temperature of the Iridium Core 9523/9523N may exceed 70ºC. In the case where the ambient
temperature in the host product incorporating the Iridium Core 9523/9523N can exceed 50ºC, the host
product must prevent direct access to the Iridium Core 9523/9523N module by the end user/operator in
order to comply with EN 60950-1 clause 4.5.
It is recommended that Iridium Core 9523/9523N be powered from a Limited Power Supply (LPS)
3
as
detailed in EN60950-1 clause 2.5. Where this is not the case then the host product that incorporates the
Iridium Core 9523/9523N must provide the electrical enclosure, mechanical enclosure and fire enclosure
for the Iridium Core 9523/9523N in order to comply with EN60950-1 clause 1.7.
3
An LPS is a power supply where the maximum supply power is limited to 100VA.

Iridium Communications, Inc. Information Contained in this Guide
Iridium Core 9523/9523N Product Developer’s Guide is Subject to Change Without Notice
Revision 7.2 DRAFT4
Iridium Communications, Inc. Distribution of Guide Restricted
Proprietary & Confidential Information Page 20 of 34 to Product Developers
Only
Figure 5: Mounting location dimensions and layout
(Dimensions in millimeters)

Iridium Communications, Inc. Information Contained in this Guide
Iridium Core 9523/9523N Product Developer’s Guide is Subject to Change Without Notice
Revision 7.2 DRAFT4
Iridium Communications, Inc. Distribution of Guide Restricted
Proprietary & Confidential Information Page 21 of 34 to Product Developers
Only
2.3 Environmental
2.3.1 Environmental Specification
The environmental specifications of the Iridium Core 9523/9523N are summarized in Table 5 below.
Table 5: Environmental Specifications
Parameter
Value
Operating Temperature Range
-30ºC to +70ºC
Operating Humidity Range
≤ 75% RH
Storage Temperature Range
-40ºC to +85ºC
Storage Humidity Range
≤ 93% RH
2.3.2 Environmental Tests
An Iridium system that incorporates the Iridium Core 9523 has passed the tests listed in Table 6. The
Iridium Core 9523N has passed the tests in Table 7. It is expected that a system incorporating the Iridium
Core 9523/9523N designed according to this document should also pass these tests.
Table 6: Iridium Core 9523 Environmental Tests
Test Name
Test Reference
Test Description
IEC
Vibration (IEC60068-2-64)
Mount unit to a vibration table and excite between 15
and 500 Hz
MIL-STD-
810GF
Low Pressure (500.4 - II)
Decrease pressure to 57.2 kPa (equivalent to 15,000 ft)
at a rate not to exceed 10 m/s and hold for 1 hour
High Temperature (501.4 - I)
Over 24 hours, cycle the unit from 33ºC to 71ºC and
back to 33ºC. Repeat 7 times.
High Temperature (501.4 - II)
Test is a subset of High Temperature 501.4 - Part I,
focused on the first three cycles.
Low Temperature (502.4 - I)
Soak unit for 24 hours at -45ºC
Low Temperature (502.4 - II)
Soak unit for 4 hours at -10ºC
Temperature Shock (503.4 - I)
Soak unit at -40C for 4 hours. Transfer to 85C chamber
and soak additional 4 hours. Repeat 3 times. Each
transfer from one temperature environment to the other
should be made in less than 1 minute.
Vibration (514.5 - I, Cat. 8)
Secure unit to a vibration table and excite randomly
from 15-2000 Hz at 0.01 - 0.03 g^2/Hz.
Shock (516.4 - I)
Expose unit to 3 shocks of 40g over approximately
11ms in each of 3 primary axes (9 total shocks).

Iridium Communications, Inc. Information Contained in this Guide
Iridium Core 9523/9523N Product Developer’s Guide is Subject to Change Without Notice
Revision 7.2 DRAFT4
Iridium Communications, Inc. Distribution of Guide Restricted
Proprietary & Confidential Information Page 22 of 34 to Product Developers
Only
Table 7: Iridium Core 9523N Environmental Tests
Test Name
Test Reference
Test Description
IEC
Change of Temperature
(EN60068-2-14 2009)
Five cycles of 1 hour each from -30°C to +70°C.
Mechanical Shock
(EN60068-2-27 2009)
Mount unit on a vibration table and excite with three half
sine pulses in each of three axis (pulse peak amplitude:
10g, pulse duration: 11ms).
Vibration
(EN60068-2-64 2008)
Mount unit on a vibration table and excite from 5Hz to
20Hz at 0.96m2/s3 and from 21Hz to 500Hz at
0.96m2/s3 rolling of at -3dB per octave for 1 hour per
axis in each of three axes.
Damp Heat Steady State
(EN60068-2-78 2012)
40°C, 93%RH for 4 days
SAE
Thermal Shock
SAE J1455:2012 Section 4.1.3.2
Five cycles of 2 hours each from -40°C to +85°C.
Handling Drop Test
SAE J1455:2012 Section
4.11.3.1
Drop from a height of 1m onto a concrete surface, one
time in each of the three mutually perpendicular planes
(three drops in total).
SAE J1455:2012 Section
4.10.4.2 Vibration
Mount unit on a vibration table and excite from 10 Hz to
40 Hz at 0.02g²/Hz and from 40 Hz to 500 Hz at
0.02g²/Hz dropping of at -6 dB per octave for 1 hour per
axis in each of three axes.
MIL-STD-810G
Low Pressure
Method 500.5
Procedure II - Operation/Air
Carriage
Decrease pressure to 57.2 kPa (equivalent to 15,000
feet) at a rate not to exceed 10 m/s at a temperature of
23ºC ±3ºC and hold for 1 hour.
High Temperature
Method 501.5
Procedure I – Storage
Over 24 hours, cycle the unit from 35ºC to 71ºC and
back to 35ºC. Repeat 7 times.
High Temperature
Method 501.5
Procedure II - Operation
This test is a subset of the High Temperature test
(Method 500.5, Procedure – I) in which the operation is
verified at 71ºC over the first 3 cycles of Procedure I.
Low Temperature
Method 502.5
Procedure I – Storage
Ramp from ambient conditions to -45ºC ±2ºC in 1 hour.
Soak at -45°C for 24 hours.
Ramp from -45°C to ambient conditions in 1 hour.
Low Temperature
Method 502.5
Procedure II – Operation
Ramp from ambient conditions to -10ºC ±2ºC in 1 hour.
Soak at -10°C for 24 hours.
Ramp from -10°C to ambient conditions in 1 hour.
Temperature Shock
Method 503.5
Procedure I-C
Soak at -40ºC for 4 hours. Transfer to +85ºC and soak
for an additional 4 hours. Repeat 4 times (4 cold to hot
transitions and 4 hot to cold transitions).
Humidity
Method 507.5
Procedure II – Aggravated
Held at 95% RH with the ambient temperature changed
from 30°C to 60°C and then down to 20°C over a 48
hour cycle, with the cycle repeated 5 times.
Vibration
Method 514.6
Procedure I – General Vibration
(Category 8)
Secure unit to a vibration table and excite randomly
with the following profile: Category 8:15-2000 Hz,
L0=0.30 g2/Hz, f0 = 68 Hz, 1 hour per axis in each of 3
axes.
Shock
Method 516.6
Procedure I – Functional Shock
Expose unit to 3 shocks of 40g over approximately
11ms in +/- direction of each of the 3 primary axes (18
total shocks).

Iridium Communications, Inc. Information Contained in this Guide
Iridium Core 9523/9523N Product Developer’s Guide is Subject to Change Without Notice
Revision 7.2 DRAFT4
Iridium Communications, Inc. Distribution of Guide Restricted
Proprietary & Confidential Information Page 23 of 34 to Product Developers
Only
Electrical Interfaces
The following subsections contain information for the electrical interfaces of the Iridium Core 9523/9523N
for the non-RF connections. The RF interface is covered in Section 0.
3.1 User Connector
Table 8 lists the connections to the Iridium Core 9523/9523N on the user connector.
Table 8: Signal Groups on User Connector
Signal group
Signal function
PCM Digital Audio
Two synchronous serial interfaces carrying 16-bit, 8 kHz sample rate
PCM audio data
Each port has 4 wires – data in each direction, clock and frame signals
Only one digital audio port is in use at any time
Port 1 has a secondary function during factory testing, to carry the 90ms
frame synchronization from the test equipment
DPL port
Serial asynchronous control interface
2 wires – data in each direction
Data/Fax port
Serial asynchronous control interface
8 wires – data in each direction plus control signals
The full set of control signals may be used for a Data/Fax port
SIM interface
Standard SIM signals
5 wires – data, clock, reset, enable, voltage select
Power
Battery Supply to Iridium Core 9523/9523N
5 power pins – 3x battery voltage and 2x boost voltage
6 grounds
1 boost regulator control line (PA_BOOST_EN)
GPIO, antenna
configuration
2 wires – ANT_DET_PWR and FULL_POWER_EN. Signals provided as
a mechanism to restrict the transmitted power – for example in order to
meet SAR standards.
Other GPIO
2 wires – TX_ACTIVE which may be used as an output to indicate when
the transmitter is active, and LBT_HSTB which determines the operating
mode of the software on the Iridium Core 9523/9523N.
3.1.1 User Connector Type
The connector on the Iridium Core 9523/9523N is a 40-way, 0.5 mm pitch Molex low-profile header
connector, part number 54102-0404.
This connector provides the ability for a stackable board-to-board configuration, allowing connection to
the host system motherboard via a mating 53885-0408 socket.
Data sheets on these connectors can be found at: http://www.molex.com

Iridium Communications, Inc. Information Contained in this Guide
Iridium Core 9523/9523N Product Developer’s Guide is Subject to Change Without Notice
Revision 7.2 DRAFT4
Iridium Communications, Inc. Distribution of Guide Restricted
Proprietary & Confidential Information Page 24 of 34 to Product Developers
Only
Pin numbering schemes for the Molex connectors on the Iridium Core 9523/9523N and the host FA board
are shown in Figure 6 (both pictures show the pin-out when looking down onto the boards).
Figure 6: Pin numbering scheme for User Connector
Molex 54102-0404 on Iridium Core 9523/9523N:
Molex 53885-0408 on FA PCB:
Figure 7 provides a reference for the pin designation and shows the connector’s location and rotation with
respect to the corner of the Iridium Core 9523/9523N board. This view is for illustrative purposes only.
This view designation is when looking into the user connector towards the Iridium Core 9523/9523N.
Figure 7: User Connector Pin Number Designation
3.1.2 User Connector Pin Allocation
The user connector is a 2-row 40-way header. Individual pin assignments are shown in Table 9 and the
limits for the digital signals are listed in Table 10. Multiple supply grounds are provided and all supply rails
and supply grounds are required to be connected to the power supply in order to limit the current on any
one pin.
Note that the Iridium Core 9523/9523N provides limited ESD protection on its digital I/O signals: Human
Body Model 2kV and Machine Model 200V ESD protection. Partners should design their FA boards to
include appropriate ESD protection on these signals.

Iridium Communications, Inc. Information Contained in this Guide
Iridium Core 9523/9523N Product Developer’s Guide is Subject to Change Without Notice
Revision 7.2 DRAFT4
Iridium Communications, Inc. Distribution of Guide Restricted
Proprietary & Confidential Information Page 25 of 34 to Product Developers
Only
Table 9: User Connector Pin Allocation
Pin
No.
Signal Name
Signal
direction
(WRT
modem)
Signal function
Signal group
1
CODEC_PCMCLK
Out
Clock
PCM audio port 1
2
CODEC_PCMIN
Out
Data from modem
PCM audio port 1
3
CODEC_PCMSYNC
Out
Frame Sync
PCM audio port 1
4
CODEC_PCMOUT
In
Data to modem
PCM audio port 1
5
0V
Ground
Power supply
6
0V
Ground
Power supply
7
UC_DACLK
Out
Clock
PCM audio port 2
8
UC_DATX
Out
Data from modem
PCM audio port 2
9
UC_DAFS
Out
Frame Sync
PCM audio port 2
10
UC_DARX
In
Data to modem
PCM audio port 2
11
0V
Ground
Power supply
12
0V
Ground
Power supply
13
DPL_RXD
In
Data to modem
DPL port
14
DPL_TXD
Out
Data from modem
DPL port
15
DF_RX
Out
Data from modem
Data/Fax port
16
DF_TX
In
Data to modem
Data/Fax port
17
DF_CTS
Out
Clear to Send
Data/Fax port
18
DF_DCD
Out
Carrier Detect
Data/Fax port
19
DF_DSR
Out
Data Set Ready
Data/Fax port
20
DF_RI
Out
Ringing Indication
Data/Fax port
21
DF_RTS
In
Request to Send
Data/Fax port
22
DF_DTR
In
Data Terminal Ready
Data/Fax port
23
SIM_1V8_3V
Out
Voltage select
SIM
24
SIM_CLOCK
Out
Clock
SIM
25
SIM_ENABLE
Out
Enable
SIM
26
SIM_RESET
Out
Reset
SIM
27
SIM_DATA_IO
Bidir
Data
SIM
28
FULL_POWER_EN
In
Enable full RF power
GPIO
29
ANT_DET_PWR
Out
Power for docking cradle detector
GPIO
30
LBT_HSTB
In
Handset/LBT switch
GPIO
31
TX_ACTIVE
Out
Signal to mute GPS receiver
GPIO
32
TRX_ON
In
Enable modem power regulators
Power supply
33
PA_BOOST_EN
Out
Enable boost converter
Power supply
34
0V
Ground
Power supply
35
0V
Ground
Power supply
36
VBAT
In
Battery Voltage
Power supply
37
VBOOST
In
Boost Voltage for PA
Power supply
38
VBAT
In
Battery Voltage
Power supply
39
VBOOST
In
Boost Voltage for PA
Power supply
40
VBAT
In
Battery Voltage
Power supply

Iridium Communications, Inc. Information Contained in this Guide
Iridium Core 9523/9523N Product Developer’s Guide is Subject to Change Without Notice
Revision 7.2 DRAFT4
Iridium Communications, Inc. Distribution of Guide Restricted
Proprietary & Confidential Information Page 26 of 34 to Product Developers
Only
Table 10: Limits for 3.3V Digital Signals
Parameter
Symbol
Min
Max
Unit
Input High Voltage
VIH
2.0
5.5
V
Input Low Voltage
VIL
-0.3
0.8
V
Input current
IIN
20
µA
Input capacitance
CIN
10
pF
Output High Voltage
VOH
2.4
V
Output Low Voltage
VOL
0.4
V
Low Level Output Current
IOL
4.4
mA
High Level Output Current
IOH
5.5
mA
3.2 DC Power Supply Interface
3.2.1 DC Power Supply Inputs
The Iridium Core has two DC Power Supply Inputs: VBAT and VBOOST.
3.2.1.1 Battery Power Input, VBAT
VBAT is the input from a Lithium-ion battery or other low-voltage source via the user connector. It must be
in the range 3.2 to 6V and capable of supplying a maximum current of 500mA. The VBAT supply
specification is given in Table 11.
Table 11: VBAT Specification
Parameter
Value
Maximum voltage
6.0V
Minimum voltage
3.2V
Maximum supply current4
0.5A
3.2.1.2 Boost Power Input, VBOOST
VBOOST - Boost converter input via user connector. See Section 3.2.3 for details. The VBOOST supply
specification is given in Table 12.
The Iridium Core 9523/9523N produces the logic signal PA_BOOST_EN to indicate when the external
Boost Power voltage must be applied. This signal can be used as the enable signal to an external boost
regulator (logic high = VBOOST needed, logic low = VBOOST not needed).
4
It is recommended that supply overcurrent protection is provided by the partner application that
incorporates the Iridium Core 9523/9523N.

Iridium Communications, Inc. Information Contained in this Guide
Iridium Core 9523/9523N Product Developer’s Guide is Subject to Change Without Notice
Revision 7.2 DRAFT4
Iridium Communications, Inc. Distribution of Guide Restricted
Proprietary & Confidential Information Page 27 of 34 to Product Developers
Only
3.2.2 Power On/Off Control, TRX_ON
The input signal TRX_ON is provided to allow the Iridium Core 9523/9523N to be powered off. This signal
controls the power regulators on the Iridium Core 9523/9523N.
The Iridium Core 9523/9523N starts up when power is applied and the TRX_ON input is high. As long as
the input voltage is applied, logic high on this line turns the Iridium Core 9523/9523N on and a logic low
turns it off. If this line is not required then it must be connected directly to the VBAT supply.
Prior to turning off the modem, command AT*P0 should be issued to ensure all memory write activity is
completed.
When the Iridium Core 9523/9523N is powered off, the power-on-reset circuit requires 2 seconds for
voltages to decay. Product Developers should therefore not reapply power until this time has elapsed
after power has reached 0V. If the 2 second wait time is not adhered to, the reset circuit may not operate
and the modem could be placed in a non-operational state. The state is not permanent and can be
rectified by the above procedure.
Damage may be caused if TRX_ON is high and VBAT is not supplied. Partners must ensure that this
condition cannot occur either by generating TRX_ON from VBAT or by adding protection circuitry such as
a clamp diode between TRX_ON and VBAT.
3.2.3 Typical Power Usage Profile
The amount of current taken by the Iridium Core 9523/9523N on its two supply rails depends on whether
it is active in a call and the ‘power step’ level that the transmitter is using. The current consumption during
a call at the highest power step is shown in Figure 8.
Figure 8: Current Profile of Supply Rails
I/mA
100
200
300
400
500
600
700
800
900
1000
10 20 30 40 50 60 70 80 90 100 t/ms
Current in VBOOST Rail
Current in VBAT Rail

Iridium Communications, Inc. Information Contained in this Guide
Iridium Core 9523/9523N Product Developer’s Guide is Subject to Change Without Notice
Revision 7.2 DRAFT4
Iridium Communications, Inc. Distribution of Guide Restricted
Proprietary & Confidential Information Page 28 of 34 to Product Developers
Only
The current peak in the VBOOST rail lasts for 8.3ms and repeats every 90ms (this is the period of a frame
in the Iridium air interface). When not transmitting, the VBOOST current returns to zero. The VBOOST
current was measured when the Iridium Core 9523/9523N was connected to a 27V power source that
could meet its instantaneous power requirements (around 25W).
A block diagram of the VBOOST power supply in a typical Lithium-ion powered application is shown in
Figure 9 and Figure 10.
Figure 9: Iridium Core 9523 VBOOST block diagram
Voice and Data Modem
Buck
Converter Power
Amplifier
LT3580-based
Boost Converter
3 x 330uF, 35V capacitors
Li-ion
3.7V
VBOOST
27V
Figure 10: Iridium Core 9523N VBOOST block diagram
Voice and Data Modem
Buck-
Boost
Converter
Power
Amplifier
LT3580-based
Boost Converter
3 x 560uF, 35V capacitors
Li-ion
3.7V
VBOOST
27V
Iridium’s products use a boost-converter circuit based on the Linear Technology LT3580 to produce the
VBOOST rail. This circuit is not capable of supplying the instantaneous current needed by the power
amplifier.
The Iridium Core 9523 therefore includes a total capacitance of 990μF on the VBOOST rail to store
charge; these capacitors are depleted during the transmit time-slot (8.3ms) and replenished during the
remainder of the frame time (81.7ms). The voltage across the capacitors at the end of each transmit time-
slot must not fall below 10.5V; otherwise the output voltage of the buck converter will drop too low and
affect the transmitted waveform from the PA; the average current taken from the boost converter in this
configuration is around 300mA.
The Iridium Core 9523N includes a total capacitance of 1680μF on the VBOOST rail to store charge. The
voltage across the capacitors at the end of each transmit time-slot must not fall below 16.0V; otherwise
the output voltage of the buck-boost converter will drop too low and affect the transmitted waveform from
the PA; the average current taken from the boost converter in this configuration is around 300mA.
It is possible to produce VBOOST in other ways, particularly if the FA has a convenient supply rail that
has high enough voltage and current capacity. Table 12 shows the permissible limits for any VBOOST
supply.

Iridium Communications, Inc. Information Contained in this Guide
Iridium Core 9523/9523N Product Developer’s Guide is Subject to Change Without Notice
Revision 7.2 DRAFT4
Iridium Communications, Inc. Distribution of Guide Restricted
Proprietary & Confidential Information Page 29 of 34 to Product Developers
Only
Table 12: VBOOST Specification
Parameter
Value
Absolute maximum voltage
(limited by capacitor rating)
35V
Maximum recommended voltage
32V
Minimum voltage when capacitors are charged
27V
Maximum current into VBOOST pins
(limited by rating of inter-board connector)5
1A
Maximum power taken by buck converter
(during transmit time-slot)
30W
The maximum average power requirement over a 90ms period is 3.1W. The capacitors discharge to
typically 15V on the Iridium Core 9523 and 21V on the Iridium Core 9523N during the transmit burst when
operating at maximum power. A typical design would have a power limit of between 5 and 6 Watts
(current approximately 0.25 Amp) so that the reservoir capacitors are replenished in approximately half
the allowed time.
If the boost voltage at the start of the transmit burst is below the minimum (27V) then the capacitors may
discharge to below 9.5V on the Iridium Core 9523 and 16.0V on the Iridium Core 9523N, in which case
the transmitter power will reduce.
There is a residual VBAT current of about 70mA all the time that the Iridium Core 9523/9523N is switched
on, even when not in a call. Periodically, the Iridium Core 9523/9523N will draw about 250mA from the
VBAT rail for about 20ms, as it maintains synchronization with the signal from the satellites.
When an Iridium call is in progress, there are two peaks in the current drawn by the VBAT rail in each
90ms frame – one of about 300mA during the transmit time-slot and a slightly smaller one, 250mA, during
the receive time-slot.
At the start of each of period when the receiver or transmitter is active a burst of current will be drawn, as
the radio circuitry switches on. This current is caused by the charging of six 4.7μF capacitors on the
outputs of internal voltage regulators
6
.
3.3 PCM Digital Audio
The Iridium Core 9523/9523N has two PCM digital audio ports, though only one of these can be in use at
any time. The active port is selected using the AT+CAR command. This setup allows the FA board to
provide two parallel audio paths and switch between them through software instead of hardware. The two
ports have identical signals and timing, as shown in Figure 11. The PCM clock and sync signals are
outputs from the Iridium Core 9523/9523N.
The PCM clock signal has a frequency of 2048 kHz with an accuracy of 1 ppm, but it is derived from an
internal clock source by a fractional divider so each clock high period and low period is either 238.1 ns or
297.6 ns.
The PCM clock, sync and data signal outputs are all timed from the same internal clock and are skewed
by less than 1 ns (at equal load).
5
It is recommended that supply overcurrent protection is provided by the partner application that
incorporates the Iridium Core 9523/9523N.
6
This is only applicable to the Iridium Core 9523.

Iridium Communications, Inc. Information Contained in this Guide
Iridium Core 9523/9523N Product Developer’s Guide is Subject to Change Without Notice
Revision 7.2 DRAFT4
Iridium Communications, Inc. Distribution of Guide Restricted
Proprietary & Confidential Information Page 30 of 34 to Product Developers
Only
The PCM data input has set-up and hold time requirements of 30 ns with respect to the falling edge of the
PCM clock signal.
The two PCM ports were originally intended to be connected to a voice source/sink via a codec (such as
the Texas Instruments TLV320AIC1110) for analog audio and directly for digital audio, but there is no
need to use them in this way.
Figure 11 - PCM waveform diagram
3.3.1 Port 1
Port 1 has the following signal pins:
Table 13: PCM Port 1 Signals
Signal function
Signal name
PCM clock output
CODEC_PCMCLK
PCM sync output
CODEC_PCMSYNC
PCM data output
CODEC_PCMIN
PCM data input
CODEC_PCMOUT
Note: the data signal names on Port 1 are defined from the point of view of an externally connected
codec.
3.3.2 Port 2
Port 2 has the following signal pins:
Table 14: PCM Port 2 Signals
Signal function
Signal name
PCM clock output
UC_DACLK
PCM sync output
UC_DAFS
PCM data output
UC_DATX
PCM data input
UC_DARX
Note: the data signal names on Port 2 are defined from the point of view of the Iridium Core 9523/9523N.
PCM clock
PCM sync
PCM output
PCM input
1
(
msb
)
2
3
15
16
(
lsb
)
1
(
msb
)
2
3
15
16
(
lsb
)
4
4
Iridium Communications, Inc. Information Contained in this Guide
Iridium Core 9523/9523N Product Developer’s Guide is Subject to Change Without Notice
Revision 7.2 DRAFT4
Iridium Communications, Inc. Distribution of Guide Restricted
Proprietary & Confidential Information Page 31 of 34 to Product Developers
Only
3.3.3 11Hz Signal for Manufacturing and Regulatory Testing
An external ‘frame tick’ signal needs to be passed to the Iridium Core 9523/9523N during regulatory radio
testing of the host system, and possibly also during manufacturing testing. This frame signal has a period
of 90ms (11.1Hz) and is fed to the Iridium Core 9523/9523N using the CODEC_PCMOUT PCM data
input.
The frame tick signal can have any mark-space ratio but must be externally synchronized to the Iridium
Core 9523/9523N’s internal clock. This is most easily achieved by double buffering the signal through two
D-type latches clocked by CODEC_PCMCLK.
3.4 DPL port
The DPL port is a three-wire asynchronous serial port. It carries 8-bit, no parity data at 115,200 baud.
The DPL port enables peripherals such as handsets and SIM card readers to be interfaced to the Iridium
Core 9523/9523N. The interface utilizes an Iridium proprietary communication bus not detailed in this
document. Details can be made available after appropriate Non-Disclosure and/or License Agreements
are executed.
The serial data signals use standard 3.3V signals with conventional polarity. If desired, an external RS232
level converter could be fitted to the FA board to extend range.
3.5 Data/Fax port
The asynchronous serial data/fax interface is comprised of eight standard RS232 data (8-bit, no parity),
control, and status signals plus a ground level signal reference. This interface allows the FA to utilize the
Iridium Core 9523/9523N’s modem functionality via AT command control. With respect to this interface,
the Iridium Core 9523/9523N behaves as a DCE (Data Communication Equipment), and the FA behaves
as a DTE (Data Terminal Equipment).
The data/fax interface supports 3.3V / LVTTL levels. If RS-232 voltage levels are needed, the FA must
include an LVTTL/RS-232 level shifter.
A 3-wire RS232 Data minimal interface may also be implemented; however the 9-wire interface offers
better control and is the recommended implementation.
Autobaud is enabled by default. Autobaud will occur on the following characters: ‘a’, ‘A’, or CR (carriage
return). Autobaud will also occur on the escape sequence character, provided this is an odd number
character. Normally this is set to ‘+’ in register S2.
See the ISU AT Command Reference for further information on the data/fax interface.
3.6 SIM interface
The Iridium Core 9523/9523N needs an external Iridium SIM card and socket to be connected to its SIM
interface. The signals operate at 3.3V logic levels, so an external SIM level converter such as the
ONSemi NCN4555 must be connected between the Iridium Core 9523/9523N and the SIM
connector/socket to allow 3V or 1.8V SIM cards to be used.
An external SIM card reader may also be interfaced as a peripheral to the Iridium Core 9523/9523N via
the DPL interface. A SIM card in the external reader will take precedence over the SIM chip connected to
the SIM interface when both are present.
Iridium Communications, Inc. Information Contained in this Guide
Iridium Core 9523/9523N Product Developer’s Guide is Subject to Change Without Notice
Revision 7.2 DRAFT4
Iridium Communications, Inc. Distribution of Guide Restricted
Proprietary & Confidential Information Page 32 of 34 to Product Developers
Only
3.7 GPIO Signals
There are four GPIO signals to the Iridium Core 9523/9523N, as described in this section.
3.7.1 Transmit power Control
The radiated power output from the Iridium transmitter can exceed SAR safety limits if the antenna is too
close to the operator’s body. An Iridium handset has a telescopic antenna to provide the necessary safe
distance. The GPIO signals ANT_DET_PWR and FULL_POWER_EN are used to control the transmit
power in conjunction with an antenna position-detector switch.
The Iridium Core 9523/9523N polls the position-detector switch by providing a 3.3V output on
ANT_DET_PWR in order to provide power to the antenna position sensing circuitry. When
ANT_DET_PWR is high, the position sensing circuit must take FULL_POWER_EN high to enable full
transmit power.
3.7.2 External GPS Receiver Switch
If the Iridium Core 9523/9523N is used near a GPS receiver, it is possible that the input circuitry of the
GPS receiver could be damaged by the output power of the Iridium transmitter, especially if the two
devices share a single antenna. The Iridium Core 9523/9523N has a GPIO signal, TX_ACTIVE, which is
high whenever the Iridium transmitter is active and this could be used to control a switch on the input of
the GPS receiver.
The TX_ACTIVE signal goes high 610us before the start of a transmit burst (ie. full power), and goes low
220us after the end of the burst. There is also 100us of power ramp-up before the burst and 100us of
ramp-down after the burst.
3.7.3 Modem/Handset Mode Select Signal
A further GPIO signal, LBT_HSTB, is used to indicate whether the Iridium Core 9523/9523N should
operate as though it is mounted in a handset or a modem device. It should be pulled to 3.3V for normal
modem operation, or 0V for handset mode. The major differences are:
Data/Fax port is operational in modem mode and disabled in handset mode.
Background radio scanning for active radio channels is less intensive in handset mode, because
power consumption is a more important issue for a battery-powered handset.
4 RF Interface
This section describes the physical characteristics of the RF connector and specifications of the RF
Interface.
4.1 RF Connector Type
The RF connector on the Iridium Core 9523/9523N is an I-PEX part number 20314-001E-01, from their
MHF product range. When mating to the Iridium Core 9523/9523N RF connector, use a suitable plug from
the MHF (20308) or MHFII (20312) ranges.

Iridium Communications, Inc. Information Contained in this Guide
Iridium Core 9523/9523N Product Developer’s Guide is Subject to Change Without Notice
Revision 7.2 DRAFT4
Iridium Communications, Inc. Distribution of Guide Restricted
Proprietary & Confidential Information Page 33 of 34 to Product Developers
Only
Additional information can be found at: http://www.i-pex.com
Note that the RF connector on the Iridium Core 9523/9523N is not mounted directly to the FA board along
with the user interface connector. It must be attached to the FA board through a coaxial cable.
Note that for safety reasons, the RF connector on the Iridium Core 9523/9523N should not be directly
connected to an external antenna cable or cable distribution system. Paragraph 7.3 of EN60950-1:2006
safety standard requires that users are protected against high voltages that might appear on these
cables. This can be achieved either by inserting a high-voltage isolating capacitor in series with the signal
or by grounding the shield of the coaxial cable. The I-PEX connector has limited voltage capacity;
therefore protection needs to be provided on the FA board. Developers are encouraged to review the
EN60950-1:2006 standard for additional details.
4.1.1 Antenna Characteristics
The Iridium Core 9523/9523N should be connected to a certified Iridium-band antenna with the following
antenna connector characteristics as described in Table 15.
Table 15: Antenna Characteristics
Parameter
Value
Impedance
50 Ohms nominal
Gain (maximum)
3 dBi
Polarization
RHCP
VSWR (maximum operational)
1.5 : 1
Existing qualified Iridium antennas may be used. (i.e. antennas designed and certified for the 9601, 9602,
9522, 9522A and 9522B) in conjunction with suitable protection circuitry.
4.2 RF Interface Specifications
The RF interface requirements for the Iridium Core 9523/9523N are summarized in Table 16 below.
Table 16: General RF Parameters
Parameter
Value
Frequency Range
1616 MHz to 1626.5 MHz
Duplexing Method
TDD (Time Domain Duplex)
Input/Output Impedance
50Ω
Multiplexing Method
TDMA/FDMA

Iridium Communications, Inc. Information Contained in this Guide
Iridium Core 9523/9523N Product Developer’s Guide is Subject to Change Without Notice
Revision 7.2 DRAFT4
Iridium Communications, Inc. Distribution of Guide Restricted
Proprietary & Confidential Information Page 34 of 34 to Product Developers
Only
4.3 Radio Characteristics
Table 17 contains radio characteristics of the Iridium Core 9523/9523N.
Table 17: Radio Characteristics
Parameter
Value
Average Power during a transmit slot (max)
7 W
Average Power during a frame (typical)
0.6 W
Receiver sensitivity (Typical level at connector)
-118 dBm
Max Cable loss permitted (Note 1)
3 dB
Link Margin – Downlink (Note 2)
12 dB
Link Margin – Uplink (Note 2)
12 dB
Note 1: Cable losses should be minimized. The total implementation loss for an antenna, connectors,
cable, lightning arrestor and any other RF component between the Iridium Core 9523/9523N and the
antenna should not exceed 3 dB. Implementation loss higher than this will affect the Iridium link
performance and quality of service. Solutions with a loss higher than 3 dB will not meet the requirements
of Iridium Solution Certification.
Note 2: Link Margins are given assuming a free-space propagation model.
4.4 S-meter Performance
The numbers reported over the AT command interface indicate the signal strength of the ring channel.
Care should be taken when using the S-meter readings for comparisons between devices. Of particular
note are the following:
1. There is a 0.5 dB tolerance on calibrating the S-meter.
2. Each bar represents a 2 dB increment.
3. Multiple ring channels can be present at the same time so units can lock to different signals.
4. If the reading is near the decision threshold it would be easy to see a 1 bar difference.
5 AT Interface
The Iridium Core 9523/9523N is configured and operated through the use of AT commands. See the ISU
AT Command Reference for the full set of AT commands and responses. For differences in AT command
support between Iridium Core 9523/9523N software releases, see the relevant software release notes,
which are made available to authorized Iridium VARs and VAMs on the Iridium Developer Extranet. It is
the responsibility of Product Developers to check compatibility of applications software with the AT
Commands on all Iridium Core 9523/9523N software versions used for both development and commercial
deployments.