Ironman Fitness 600G Users Manual Owner's
600g to the manual df1cf453-b125-3c94-bddf-930843650518
2015-03-12
: Ironman-Fitness Ironman-Fitness-600G-Users-Manual-578800 ironman-fitness-600g-users-manual-578800 ironman-fitness pdf
Open the PDF directly: View PDF
.
Page Count: 32

OOWWNNEERR’’SS
OOWWNNEERR’’SSMMAANNUU
MMAANNUUAALL
AALL
Questions?
Call our toll free Ironman Fitness Helpline
1-800-750-4766
H
OME
G
YM

V
THANK YOU for making the IRONMAN 600g unit a part of your exercise
program. IRONMAN assures the very best in value, appearance, durability and
biomechanics.
This manual will guide you through the assembly process. If at any time you
are having trouble with the assembly or use of this product, then please con-
tact us at our Ironman Fitness Helpline. We have trained service technicians
on site to take care of you, our valued customer.
REGISTRATION CARD
To avoid unnecessary delays in warranty parts and to insure that a permanent record of your purchase
is on file with our company, be sure to send in the warranty registration card or register on-line at
www.ironmanfitness.com within 10 days of purchase.
IRONMAN SERIES
MODEL: 600g
QUESTIONS?
CALL
1-800-750-4766
Monday-Friday
8:30-5:30 Central Time
When calling please have the following product information available:
• Product Series • Model # • Part Number • Part Description

BEFORE YOU START
Prior to assembly, remove components from the box and verify that all the listed parts were supplied.
Before using this unit or starting any exercise program, consult your physician. This is especially important for persons
over the age of 35 and/or persons with pre-existing health problems. Ironman Fitness Products LP assumes no respon-
sibility for personal injury or property damage sustained by or through the use of this product.
It is the owner’s responsibility to ensure that all users of this unit have read the Owner’s Manual and are familiar with
safety information and precautions.
SAFETY INFORMATION WARNING!
SAFETY PRECAUTIONS
• This unit should only be used on a level surface and is intended for indoor use only. Ironman Fitness recommends an
equipment mat be placed under the unit to protect the floor or carpet and for easier cleaning.
• Wear comfortable, good-quality walking or running shoes and appropriate clothing. Do not use this unit with bare feet,
sandals, socks or stockings!
• Always examine your unit before using to ensure all parts are in working order.
• Do not leave children unsupervised near or on the unit.
• Service to your home gym should only be performed by an authorized service representative, unless authorized and/or
instructed by a IRONMAN FITNESS technician. Failure to follow these instructions will void the warranty.
X

PARTS
Y

PARTS
Z

[
PARTS

PARTS
\

PARTS LIST
]
# DESCRIPTION QTY
1 Base Frame 1
2 Foot Plate 1
3 Main Upright 1
4 Rear Cross Beam 1
5 Rear Top Beam 1
6 Main Top Beam 1
7 Foot Plate Bracket 1
8 Lat Pull Down Bar 1
9 Seat Pad Support Receptacle 1
10 Leg Extension Lever 1
11 Back Pad Support 1
12 Press Arm Support 1
13 Press Arm 1
15 Rear Upright 1
16 Front Cross Link Beam 1
17 L-Pin (Long) 1
18 Seat Pad Support 1
19 Leg Press Main Frame 1
20 Bushing (Long) 6
21 Foam Tubing 1
22 Foam Tubing 1
23 Knee Hold Down Bar 1
24 Guide Rod 2
25 Weight Stack Cover 1
26 Weight Stack Cover 1
27 Seat Pad (Main Frame) 1
28 Back Pad (Main Frame) 1
29 Back Pad (Leg Press) 1
30 Seat Pad (Leg Press) 1
31 Foot Plate Support Connector 1
32 Foot Plate Support 1
33 Foot Plate 1
34 Back Pad Support 1
35 Handle (Left) 1
36 Handle (Right) 1
37 U Beam 1
38 Shaft 2
39 Shaft 2
41 Limiter 4
42 C Clamp 2
43 Shaft 2
44 Bolt 2
45 Sleeve 4
#DESCRIPTION QTY
46 Bushing 20
47 Double Pulley Bracket 4
48 Lat Pull Bar 1
49 Low Pull Bar 1
50 Weight Plate Assembly 1
51 Selector Rod 1
52 Selector Pin 1
53 Chain 1
54 Chain 1
55 Hook 5
56 Nylon Handle 1
57 Ab Strap 1
58 Foam Roller 6
59 Foam Grip 2
61 Pulley 23
62 Cable 1
63 Cable 1
64 Cable 1
65 Rubber Cushion 2
66 Mark Sticker 1
67 Mark Sticker 1
68 Pull Pin (Long) 1
69 Pull Pin 1
70 L-Pin 1
71 Nylon Stopper 1
72 Bronze Bushing 4
73 Bushing 2
74 Bushing 4
75 Bushing 4
76 Spring Washer 4
77 Spring Washer 4
78 Pull Pin 2
79 Rubber Cushion 1
80 Handle Grip 4
81 End Cap 100*50 4
82 End Cap 50 8
83 End Cap 45 1
84 End Cap 60*30 2
85 End Cap 50*25 7
86 End Cap 50.8 4
87 End Cap 25 8
88 Bolt M10*125 3
89 Bolt M10*120 1
#DESCRIPTION QTY
90 Bolt M10*115 1
91 Bolt M10*95 2
92 Bolt M10*85 3
93 Bolt M10*80 1
94 Bolt M10*75 16
95 Bolt M10*70 12
96 Bolt M10*65 2
97 Bolt M10*50 2
98 Bolt M10*45 6
99 Bolt M10*35 2
100 Bolt M10*25 2
101 Bolt M8*65 2
102 Bolt M8*50 2
103 Bolt M*15 1
104 Bolt M8*120 1
105 Bolt M12*85 1
106 Phillip Screw M12*35 1
107 Hex Screw M8*15 8
108 Hex Screw M8*10 8
109 Hex Screw M*15 4
110 Phillip Screw M6*20 1
111 Washer 13*24*1.5 10
112 Washer 11*20*2 101
113 Washer 9*16*1.6 11
114 Washer 22*9*2 8
115 Nut M12 7
116 Nut M10 48
117 Nut M8 5
118 Guide Rod Support 1
119 Hex Screw 2
120 Allen Wrench 1
123 Allen Bolt M10x50 2
125 Rubber Weight Bumper 2
126 Square 50*25 Plug 5
127 Bolt M12x75 2
128 Ankle Strap 1
129 Grip Foam 70x38x135 4
130 Weight Plate 19

ASSEMBLY
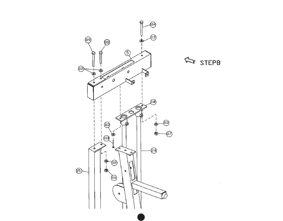
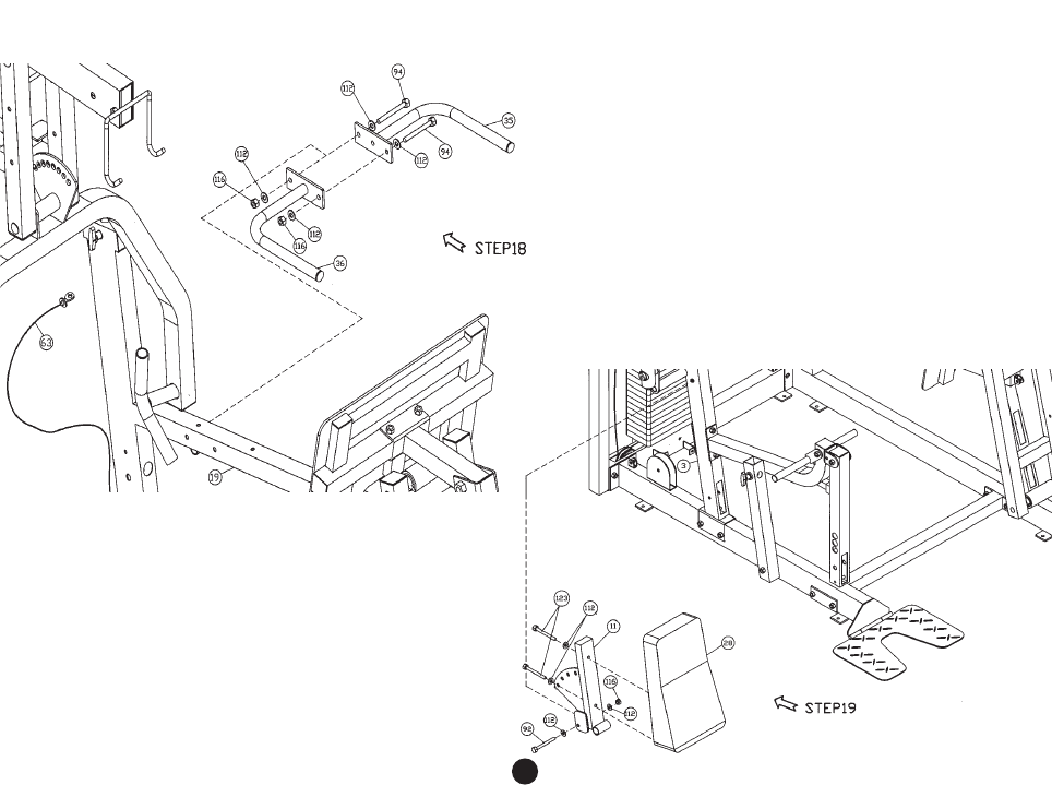
NOTE: Hand tighten bolts and nylon nuts until machine is fully assembled.
^
Do not use bolt here yet.
Wait for STEP 6.
Do not use bolt here yet.
Wait for STEP 6.

u
ASSEMBLY
NOTE: Hand tighten bolts and nylon nuts until machine is fully assembled.

`
ASSEMBLY
NOTE: Hand tighten bolts and nylon nuts until machine is fully assembled.

ASSEMBLY
NOTE: Hand tighten bolts and nylon nuts until machine is fully assembled.
a
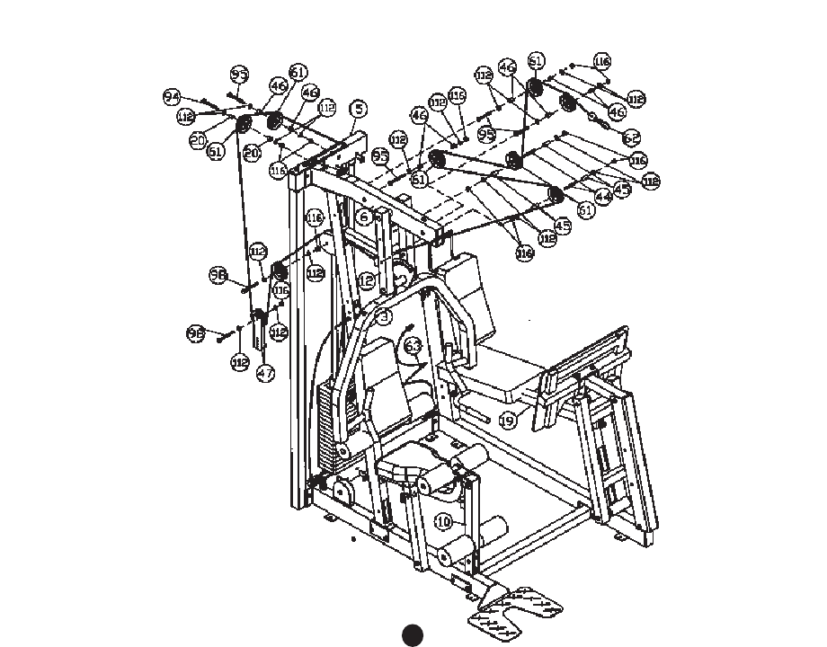
Feed Cable (63) through framework
as pictured. Hold cable in place by
placing in pulley grooves and bolting
pulleys to frame.

ASSEMBLY
NOTE: Hand tighten bolts and nylon nuts until machine is fully assembled.
11
First, insert guide rods into rear cross
beam (4). Then slide on, from top to bot-
tom, rubber bushings (125), 19 weight
plates (128) and weight plate assembly
(50). Secure in place as pictured.
Note: Make sure
the selector pin
hole on all weight
plates are facing
toward the unit.

12
ASSEMBLY
NOTE: Hand tighten bolts and nylon nuts until machine is fully assembled.

13
ASSEMBLY
NOTE: Hand tighten bolts and nylon nuts until machine is fully assembled.

14
ASSEMBLY
NOTE: Hand tighten bolts and nylon nuts until machine is fully assembled.

15
ASSEMBLY
NOTE: Hand tighten bolts and nylon nuts until machine is fully assembled.
Hex Screws (109) are already
pre-assembled for you. Make
sure to unscrew them before
sliding in shafts (43).

16
ASSEMBLY
NOTE: Hand tighten bolts and nylon nuts until machine is fully assembled.
Note: Hex screws (109) are already pre-assembled for you.
Make sure to unscrew them before sliding in shaft(39).

17
ASSEMBLY
NOTE: Hand tighten bolts and nylon nuts until machine is fully assembled.
Note: Hex screws are already pre-assembled for you.
Make sure to unscrew them before sliding in shaft (39).

18
ASSEMBLY
NOTE: Hand tighten bolts and nylon nuts until machine is fully assembled.

19
ASSEMBLY
NOTE: Hand tighten bolts and nylon nuts until machine is fully assembled.

20
ASSEMBLY
NOTE: Hand tighten bolts and nylon nuts until machine is fully assembled.

21
ASSEMBLY
NOTE: Hand tighten bolts and nylon nuts until machine is fully assembled.

22
ASSEMBLY
NOTE: Hand tighten bolts and nylon nuts until machine is fully assembled.

ASSEMBLY
23
NOTE: Hand tighten bolts and nylon nuts until machine is fully assembled.
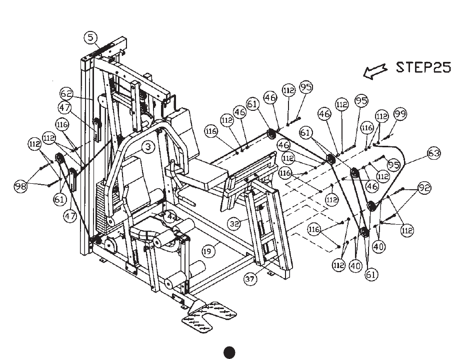
STEP 24
Feed cable (62) through
framework as pictured.
Hold cable in place by
setting in pulley grooves
and bolting pulleys to
frame or as pictured.
View finished assembly
of this step in future
steps or on cover page
for guidance.

24
ASSEMBLY
NOTE: Hand tighten bolts and nylon nuts until machine is fully assembled.
Feed remaining section of cable (63) through leg press framework. Hold
cable in place by setting in pulley grooves and bolting pulleys to frame.

25
ASSEMBLY
NOTE: Hand tighten bolts and nylon nuts until machine is fully assembled.
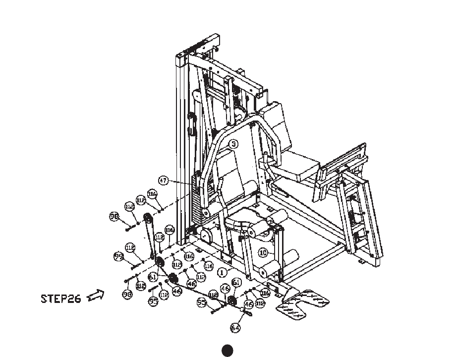
Feed cable (64) through framework.
Hold cable in place by setting in
pulley grooves and bolting pulleys
to frame.

26
ASSEMBLY
NOTE: Hand tighten bolts and nylon nuts until machine is fully assembled.

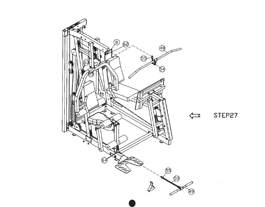
27
ASSEMBLY
NOTE: Hand tighten bolts and nylon nuts until machine is fully assembled.
Before securing weight
stack covers (25,26):
1. Make sure to lightly
lube the guide rods with
the supplied lubrication.
2. Place the weight stack
plate numbers on the
weight plates. Start at the
bottom and work your
way up. Sticker “10”
should be placed on the
weight plate guide rod
assembly (50).

28
EXPLODED VIEW

IRONMAN FITNESS 600g LIMITED WARRANTY
Residential Warranty
Frame: Lifetime
Parts: 90 Days
Labor: None
This Limited Warranty applies in the United States and Canada to products manufactured or distributed by Ironman Fitness (“Ironman”) under the Ironman brand name. The war-
ranty period to the original purchaser is listed above in the table.
Ironman warrants that the Product you have purchased for use from Ironman or from an authorized Ironman reseller is free from defects in materials or workmanship under nor-
mal use during the warranty period. Your sales receipt, showing the date of purchase of the Product, is your proof of purchase. This warranty only extends to you, the original
purchaser. It is not transferable to anyone who subsequently purchases the Product from you. It excludes expendable parts (wear items). Wear items pertain to components that
might need to be replaced due to normal wear and tear. These items vary per product but will include pedal straps, seats, grips, chains, bottom bracket assemblies, pads, etc.
Please contact an Ironman customer service representative for specifics on wear items. This Limited Warranty becomes VALID ONLY if the product is purchased through an
Ironman Fitness authorized dealer unless otherwise authorized by Ironman Fitness in writing.
During the warranty period Ironman will repair or replace (at Ironman’s option) the product if it becomes defective, malfunctions, or otherwise fails to conform with this Limited
Warranty under normal use. In repairing the Product, Ironman may replace defective parts, or at the option of Ironman, serviceable used parts that are equivalent to new parts in
performance. All exchanged parts and Products replaced under this warranty will become the property of Ironman. Ironman reserves the right to change manufacturers of any
part to cover any existing warranty.
This warranty DOES NOT COVER shipping charges, export taxes, custom duties and taxes, or any other charges associated with transportation of the parts or Product.
To obtain warranty service, you must contact an Ironman authorized retailer, service technician or Ironman Fitness at our phone number located in this manual. Any parts deter-
mined to be defective must be returned to Ironman to obtain warranty service. You must prepay any shipping charges, export taxes, custom duties and taxes, or any other charges
associated with transportation of the parts or Product. In addition, you are responsible for insuring any parts or Product shipped or returned. You assume the risk of loss during
shipment. You must present Ironman with proof-of-purchase documents (including the date of purchase). Any evidence of alteration, erasing or forgery of proof-of-purchase doc-
uments will be cause to void this Limited Warranty.
This warranty does not extend to any product not purchased from Ironman or from an authorized Ironman reseller. This Limited Warranty does not extend to any Product that has
been damaged or rendered defective; (a) as a result of accident, misuse, or abuse; (b) by the use of parts not manufactured or sold by Ironman; (c) by modification of the Product
or normal wear and tear; (d) operation on incorrect power supplies; or (e) as a result of service by anyone other than Ironman, or an authorized Ironman warranty service
provider. Product on which the serial number has been defaced or removed is not eligible for warranty service. Should any Product submitted for warranty service be found ineli-
gible, an estimate of repair cost will be furnished and the repair will be made if requested by you upon Ironman’s receipt of payment or acceptable arrangements for payment.
EXCEPT AS EXPRESSLY SET FORTH IN THIS WARRANTY, IRONMAN MAKES NO OTHER WARRANTIES, EXPRESSED OR IMPLIED, INCLUDING ANY
IMPLIED WARRANTIES OF MERCHANTABILITY AND FITNESS FOR A PARTICULAR PURPOSE. IRONMAN EXPRESSLY DISCLAIMS ALL WARRANTIES NOT
STATED IN THIS LIMITED WARRANTY. ANY IMPLIED WARRANTIES THAT MAY BE IMPOSED BY LAW ARE LIMITED TO THE TERMS OF THIS LIMITED
WARRANTY. NEITHER IRONMAN NOR ANY OF ITS AFFILIATES SHALL BE RESPONSIBLE FOR INCIDENTAL OR CONSEQUENTIAL DAMAGES. SOME
STATES DO NOT ALLOW LIMITATIONS ON HOW LONG AN IMPLIED WARRANTY LASTS OR THE EXCLUSION OR LIMITATION OF INCIDENTAL OR CONSE-
QUENTIAL DAMAGES, SO THE ABOVE LIMITATIONS OR EXCLUSION MAY NOT APPLY TO YOU. This Limited Warranty gives you specific legal rights and you may
also have other rights that may vary from state to state. This is the only expressed warranty applicable to Ironman-branded products. Ironman neither assumes nor authorizes any-
one to assume for it any other express warranty.
PLEASE SEND IN THE ATTACHED WARRANTY CARD WITHIN TEN (10) DAYS OF PURCHASE TO REGISTER YOUR UNIT WITH IRONMAN FITNESS. PLEASE
MAIL WARRANTY CARD TO:
IRONMAN FITNESS, ATTN: WARRANTY DEPARTMENT, P.O. BOX 551239, DALLAS, TEXAS 75355-1239
REGISTER YOUR PRODUCT ONLINE AT:
WWW.IRONMANFITNESS.COM

Customer Service
(800) 750-4766
Ironman Fitness Products
4009 Distribution Drive
Suite 250
Garland, TX 75041
www.ironmanfitness.com
Ironman and M-dot are registered trademarks of the World Triathlon Corp., used here by permission.