JVC KS F350R Insta 453/450/353/350(Sw.Fi) User Manual F350R, F353R FSUN3101 T481
KS-FX450R KS-FX450R, KS-FX453R FSUN3101-T481 inn, Svenska, INSTALLATIONSHANDBOK
KS-F353R KS-F353R, KS-FX453R FSUN3101-T481 inn, Svenska, INSTALLATIONSHANDBOK
User Manual: JVC KS-F350R KS-F350R, KS-F353R inn, Svenska, INSTALLATIONSHANDBOK
Open the PDF directly: View PDF
.
Page Count: 4

7
Kantplåt
Peitelevy
8
9
SUOMI
•Tämä laite on suunniteltu käytettäväksi vain 12 V tasavirran NEGATIIVISISSA
maattosähköjärjestelmissä.
ASENNUS (KOJELAUTAAN KIINNITYS)
•Alla olevista kuvista näkyy tyypillinen asennus. Sinun tulisi kuitenkin tehdä omaan autoosi
sopivia säätöjä. Jos sinulla on kysyttävää tai haluat asennussarjoja koskevia tietoja, ota yhteys
JVC-autohifilaitteiston jälleenmyyjään tai sarjoja toimittavaan yhtiöön.
SVENSKA
•Enheten får endast drivas av 12-volts likströmsystem med NEGATIV jordning.
INSTALLATION (MONTERING I INSTRUMENTBRÄDA)
•Illustrationen nedan visar en normal installation. Du ska emellertid göra de anpassningar som
är lämpliga för just din bil. Har du frågor, eller behöver information om installationssatser, ska
du kontakta återförsäljaren för JVC BILRADIO/CD-SPELARE eller ett företag som säljer satser.
1
Tryck på (knappen för kontrollpanelfrigöring) för att lossa kontrollpanelen före montering.
2
Ta bort kantplåten.
3
Lossa på hylsspärrarna och ta bort kopplingshylsan.
1Ställ enheten på högkant.
OBS: Var försiktig så att du inte skadar säkringen på baksidan när du ställer enheten på
högkant.
2För in de två handtagen mellan enheten och hylsan, som på bilden, för att lossa
hylsspärrarna.
3Ta bort kopplingshylsan.
OBS: Tänk på att spara handtagen när du har installerat enheten, för framtida bruk.
4
Installera hylsan i instrumentbrädan.
* När hylsan sitter på plats ordentligt i instrumentbrädan böjer du ut tillämpliga flikar för att
hålla hylsan på plats ordentligt. Se illustrationen.
5
Skruva i monteringsbulten på baksidan av enhetens kåpa och placera gummibufferten över
bulthuvudet.
6
Utför de elektriska anslutningarna.
7
För in enheten i hylsan tills den låser fast på plats.
8
Fäst kantplåten så att utbuktningen på plåten sitter t.v. om enheten.
9
Sätt tillbaka kontrollpanelen.
1
Ennen asennusta: paina (etulevyn vapautusnappi) irrottaaksesi etulevyn.
2
Irrota peitelevy.
3
Irrota vaippa avattuasi ensin vaipan lukot.
1Pane laite pystyyn.
Huom! Kun panet laitteen seisomaan, varo vahingoittamasta takana olevaa varoketta.
2Aseta molemmat kahvat laitteen ja vaipan väliin kuvasta näkyvällä tavalla avataksesi
vaipan lukot.
3Irrota vaippa.
Huom! Pidä kahvat tallessa laitteen asennuksen jälkeen tulevan käytön varalta.
4
Asenna vaippa kojelautaan.
* Kun vaippa on asennettu oikein kojelautaan, taivuta asianmukaiset salvat, jotka pitävät
vaipan tukevasti paikoillaan, kuvasta näkyvällä tavalla.
5
Kiinnitä kiinnityspultti laitteen rungon takaosaan ja pane kumityyny pultin päähän.
6
Tee tarpeelliset sähköliitännät.
7
Työnnä laite vaippaan, kunnes se lukkiutuu.
8
Kiinnitä peitelevy siten, että peitelevyssä oleva ulkonema kiinnittyy laitteen vasemmalle
puolelle.
9
Kiinnitä etulevy.
KS-FX453R/KS-FX450R
KS-F353R/KS-F350R
Installations/anslutningshandbok
Asennus/liitäntäohjekirja
J
V
C1199MNMMDWJEIN
SW, FI
3
12
184 mm
53 mm
Elanslutningarna redovisas på baksidan.
Katso sähköliitännät takasivulta.
6
*
4
Monteringsbult
Kiinnityspultti
Instrumentbräda
Kojelauta
Säkring
Varoke
Hylsa
Vaippa
Handtag
Kahvat
Skåra
Aukko
Låsplatta
Lukkolevy
FSUN3101-T481
[E]
5
4
Hylsa
Vaippa
Gummibuffert
Kumityyny

* Levereras inte med enheten.
* Eivät sisälly tähän laitteeseen.
312
Laitteen irrotus
• Vapauta takaosa ennen laitteen irrotusta.
1
Irrota etulevy.
2
Irrota peitelevy.
3
Aseta molemmat kahvat aukkoihin kuvasta näkyvällä tavalla. Vedä laite sitten ulos samalla,
kun työnnät kahvoja toisistaan pois päin. (Pidä kahvat tallessa laitteen asennuksen
jälkeen.)
• Vid användning av det valfria stödet
• Käytettäessä lisätukea
• Vid installation av enheten utan att använda hylsan
• Asennettaessa laitetta ilman vaippaa
I en Toyota ska man exempelvis först ta bort bilradion, och sedan installera enheten på dess
plats.
Esim. Toyotassa: irrota ensin autoradio ja asenna laite sitten sen paikalle.
OBS: De 6 millimeter långa skruvarna måste användas när enheten installeras på
monteringsfästet. Om längre skruvar används kan enheten skadas.
Huom! Kun laitetta asennetaan kiinnitystelineeseen, on varmistettava, että käytössä olevat ruuvit
ovat 6 mm pitkiä. Jos käytetään pitempiä ruuveja, ne voivat vahingoittaa laitetta.
Ta bort enheten
• Lossa den bakre delen innan enheten tas bort.
1
Ta bort kontrollpanelen.
2
Ta bort kantplåten.
3
Sätt in de två handtagen i skårorna, som i illustrationen. Dra försiktigt isär handtagen och
skjut ut enheten. (Tänk på att spara handtagen när installationen är klar.)
Monteringsbult
Kiinnityspultti
Hylsa
Vaippa
Stöd (tillägg)
Tuki (lisävaruste)
Instrumentbräda
Kojelauta
Brandvägg
Paloseinä
Bricka
Aluslevy
Skruv (tillägg)
Ruuvi (lisävaruste)
Låsmutter
Lukkomutteri Fäste*
Teline*
Skruvar med platt huvud (M5 x 6 mm)*
Litteätyyppiset ruuvit (M5 x 6 mm)*
Skruvar med platt huvud (M5 x 6 mm)*
Litteätyyppiset ruuvit (M5 x 6 mm)*
Handtag
Kahva
Osaluettelo asennusta ja liitäntää varten
Alla olevat osat toimitetaan tämän laitteen mukana.
Kun olet tarkistanut ne, aseta ne oikein.
Detaljlistor för installation och anslutning
Följande delar levereras med enheten.
Placera dem på rätt sätt, efter att ha kontrollerat att alla finns med.
Hård kåpa
Kova kotelo
Kantplåt
Peitelevy
Gummibuffert
Kumityyny
Hylsa
Vaippa
Handtag
Kahvat
Nätsladd
Verkkojohto
Låsmutter (M5)
Lukkomutteri (M5)
Monteringsbult (M5 x 20 mm)
Kiinnityspultti (M5 x 20 mm)
Bricka (ø5)
Aluslevy (ø5)
Fick
Tasku
Fäste*
Teline*

B1
10
B3 B5 B7
B2 B4 B6 B8
A1 A5 A7
A2 A4 A6 A8
2
1
3
5
6
1
2
3
4
B1 B3 B5 B7
B2 B4 B6 B8
B1B2
B8 B7
B3B4
B5
B6
A8
A4
A7
A5
A2
A1 A5 A7
A2 A4 A6 A8
SUOMI
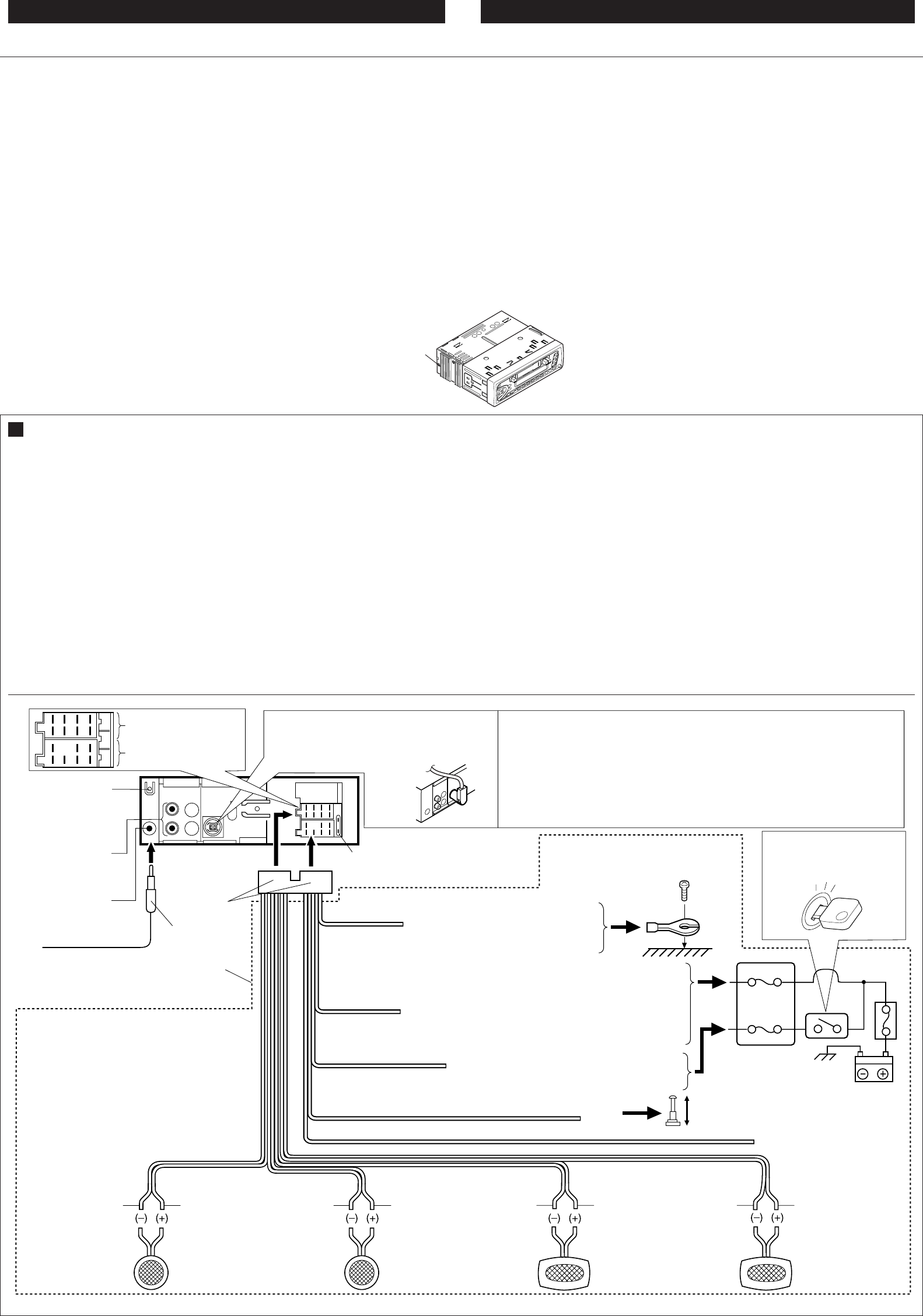
SÄHKÖLIITÄNNÄT
Oikosulun estämiseksi suosittelemme, että kytket akun negatiivisen navan irti ja suoritat kaikki
sähköliitännät ennen laitteen asennusta. Jos et ole varma siitä, miten tämä laite asennetaan
oikein, pyydä pätevää asentajaa asentamaan se.
Huom!
Tämä laite on suunniteltu käytettäväksi vain 12 V tasavirran NEGATIIVISISSA
maattosähköjärjestelmissä. Jos ajoneuvossasi ei ole tätä järjestelmää, tarvitset
jänniteinvertterin, jonka voit ostaa JVC-autohifilaitteiston jälleenmyyjältä.
• Vaihda varoke uuteen, jonka tehoarvo on määrätty. Jos varoke palaa usein, ota yhteys JVC-
autohifilaitteiston jälleenmyyjään.
• Jos ongelmana on kohina...
Tämän laitteen päävirtapiirissä on kohinasuodatin. Joissakin ajoneuvoissa voi kuitenkin esiintyä
naksahtelua tai muuta ei-toivottua häiriöääntä. Jos näin tapahtuu, liitä laitteen
takamaadoitusliitin (ks. alla olevaa liitäntäkaaviota) auton alustaan käyttämällä lyhyempiä
ja paksumpia johtoja, kuten esim. kuparipunosta tai mittajohdinta. Jos kohina jatkuu edelleen,
ota yhteys JVC-autohifilaitteiston jälleenmyyjään.
• Kaiuttimien suurimman tulotehon tulisi olla yli 40 wattia takana ja 40 wattia edessä 4 – 8
ohmin impedanssilla.
•Tämä laite on maatettava auton alustaan.
• Jäähdytyslevy kuumenee käytössä. Varo koskettamasta sitä irrottaessasi tätä laitetta.
SVENSKA
ELANSLUTNINGAR
För att eliminera risken för kortslutningar rekommenderar vi dig att koppla loss batteriets negativa
anslutning och utföra alla elektriska anslutningar innan enheten installeras. Om du är osäker på
hur du ska installera enheten på korrekt sätt ska du låta en kvalificerad tekniker utföra
installationen.
OBS:
Enheten får endast drivas av 12-volts likströmsystem med NEGATIV jordning. Om ditt fordon
inte har ett sådant system behöver du en spänningsomvandlare. Du kan skaffa en sådan hos
återförsäljaren för JVC BILRADIO/CD-SPELARE.
• Byt ut säkringen mot en med specificerad kapacitet. Kontakta återförsäljaren för JVC BILRADIO/
CD-SPELARE om säkringen går ofta.
• Om du får problem med störningar...
Denna enhet är försedd med ett brusfilter i strömkretsen. I vissa fordon kan emellertid ett
klickande ljud, eller andra oönskade störningar, uppträda. Om så är fallet ska jordningsuttaget
på enhetens baksida (se kopplingsschemat nedan) anslutas till bilens chassi med kortare
och tjockare kablar, exempelvis omspunnen kopparkabel eller annan grövre kabel. Kontakta
återförsäljaren för JVC BILRADIO/CD-SPELARE om störningarna ändå inte försvinner.
• Högtalarnas maximala ineffekt ska vara på mer än 40 watt bak och på 40 watt fram, med en
impedans på 4 till 8 ohm.
•Var noga med att jorda enheten till bilens chassi.
• Kyldonet blir mycket varmt efter användning. Var försiktig så att du inte kommer åt det när du
tar ut enheten.
Lila
Sinipunainen
Grön
Vihreä
Grå
Harmaa
Vit
Valkoinen
*
*
Höger högtalare (bakre)
Oikea kaiutin (taka)
Vänster högtalare (bakre)
Vasen kaiutin (taka)
Höger högtalare (främre)
Oikea kaiutin (etu)
Vänster högtalare (främre)
Vasen kaiutin (etu)
Tändningslås
Virtalukko
Säkringsblock
Varokeryhmä
Levereras inte med enheten.
Ei tule tämän laitteen mukana.
*
Till metallkropp eller bilens chassi
Auton metallikoriin tai alustaan
Till ett tillbehörsuttag i säkringsblocket
Varokeryhmän lisäliittimeen
*1: Innan enhetens funktion kontrolleras före installationen
måste denna ledning anslutas. Annars kan strömmen
inte slås på.
*1:Tämä johdin on liitettävä ennen tämän laitteen
toiminnan tarkistusta, ennen asennusta, muuten virtaa
ei voida kytkeä.
Bakre jordningsuttag
Takamaadoitusliitin
10 A-säkring
10 A varoke
Antennuttag
Antenniliitin
Till antenn
Antenniin
Linje ut
Linjalähtö
Säkringsposition 2
Varokeasento 2
Säkringsposition 1
Varokeasento 1
Vi rekommenderar dig att använda en CD-växlare ur CH-X-serien.
• Om din CD-växlare är en av modellerna i KD-MK-serien behöver du en särskild sladd (KS-
U15K).
Suosittelemme, että kytket yhden CH-X-sarjan CD-vaihtajista.
•Jos CD-vaihtajasi on yksi KD-MK-sarjasta, tarvitset lisäjohdon (KS-U15K).
Svart
Musta
A Vanlig anslutning / Tyypilliset liitännät
Före anslutning: Kontrollera ledningsdragningen i fordonet noga. Felaktig anslutning kan skada
enheten allvarligt.
1
Anslut nätsladdens färgade ledare till bilens batteri, till högtalarna och till den elektriska
antennen (om sådan finns). Anslut i denna ordningsföljd.
1Svart : jord
2Gul : till bilens batteri (konstant 12 V)
3Röd : till ett tillbehörsuttag
4Övriga (utom den blå med vit rand) : till högtalarna
5Blå med vit rand : till den elektriska antennen (200mA maximalt)
6Brun : till mobiltelefonsystem (se anvisningarna på mobiltelefonen för ytterligare
information.)
2
Anslut antennsladden.
3
Anslut slutligen kablagen till enheten.
OBS: Om fordonet inte har något tillbehörsuttag flyttar du säkringen från säkringsposition 1
(initialpositionen) till säkringsposition 2 och ansluter den röda ledaren (A7) till det positiva
batteriuttaget (+).
• Den gula ledaren (A4) används inte i detta fall.
Ennen liitäntää: tarkista ajoneuvon johdotus huolellisesti. Vääristä liitännöistä voi olla
seurauksena tämän laitteen vakava vaurioituminen.
1
Kytke verkkojohdon värilliset johtimet auton akkuun, kaiuttimiin ja tehoantenniin (mikäli
käytössä) alla annetussa järjestyksessä.
1 Musta: maatto
2 Keltainen: auton akkuun (vakio 12 V)
3 Punainen: lisäliittimeen
4Muut (paitsi sininen, jossa valkoinen raita): kaiuttimiin
5Sininen, jossa valkoinen raita: tehoantenniin (200mA suurin)
6Ruskea: matkapuhelinjärjestelmään (Ks. yksityiskohdat matkapuhelimen käyttöohjeista.)
2
Kytke antennijohto.
3
Kytke lopuksi johtosarjat laitteeseen.
Huom! Jos ajoneuvossasi ei ole lisäliitintä, siirrä varoke varokeasennosta 1 (alkuasento)
varokeasentoon 2. Kytke punainen johdin (A7) positiiviseen (+) akun napaan.
• Keltaista johdinta (A4) ei käytetä tässä tapauksessa.
GÄLLER ENDAST KS-FX453R/KS-FX450R
JVC CD-växlarjack
VAIN MALLIIN KS-FX453R/KS-FX450R
JVC:n CD-vaihtajajakki
Till ett strömförande uttag i säkringsblocket, som är anslutet
till bilens batteri (dragning förbi tändningslåset)
Varokeryhmän jännitteiseen napaan, joka kytketään auton
akkuun (ohittaen virtalukon)
Röd
Punainen
Gul*1
Keltainen*1
Blå med vit rand
Sininen, jossa valkoinen raita Till elektrisk antenn, om sådan finns
Tehoantenniin, mikäli käytössä
Lila med svart rand
Sinipunainen, jossa musta
raita
Grön med svart rand
Vihreä, jossa musta raita
Grå med svart rand
Harmaa, jossa musta raita
Vit med svart rand
Valkoinen, jossa musta
raita
Brun / Ruskea
Till mobiltelefonsystem
Matkapuhelinjärjestelmään
Kyldonet
Jäähdytyslevy

FÖRSIKTIGHETSANVISNINGAR för ström- och högtalaranslutningar:
•Anslut INTE nätsladdens högtalarledare till bilens batteri. Gör du det kommer enheten
att skadas allvarligt.
•Anslut den svarta ledaren (jord), den gula ledaren (till bilens batteri, konstant 12 V) och den
röda ledaren (till ett tillbehörsuttag) på korrekt sätt.
•Kontrollera högtalarledningarna i bilen INNAN nätsladdens högtalarledningar ansluts till
högtalarna.
– Om högtalarledningarna i bilen är dragna som i Fig. 1 och Fig. 2 nedan ska enheten
INTE anslutas med dessa ursprungliga högtalarledningar. Gör du det kommer enheten att
skadas allvarligt.
Dra om högtalarledningarna så att du kan ansluta enheten till högtalarna som i Fig. 3.
– Om högtalarledningarna i bilen är dragna som i Fig. 3 kan du ansluta enheten med hjälp
av bilens ursprungliga högtalarledningar.
– Kontakta bilföretaget om du är osäker på hur högtalarledningarna är dragna i din bil.
Virtalähdettä ja kaiutinliitäntöjä koskevat VAROTOIMET:
•ÄLÄ kytke verkkojohdon kaiutinjohtimia auton akkuun, muuten laite voi vahingoittua
vakavasti.
•Kytke musta (maatto), keltainen (auton akkuun, vakio 12 V) ja punainen johdin (lisäliittimeen)
oikein.
•Tarkista autosi kaiutinjohdotus ENNEN verkkojohdon kaiutinjohtimien kytkemistä kaiuttimiin.
–Jos autosi kaiutinjohdotus on tehty alla olevista “Fig. 1” ja “Fig. 2” näkyvällä tavalla,
ÄLÄ kytke laitetta käyttämällä ko. alkuperäistä kaiutinjohdotusta, muuten laite voi vahingoittua
vakavasti.
Tee kaiutinjohdotus uudelleen siten, että voit kytkeä laitteen kaiuttimiin “Fig. 3” näkyvällä
tavalla.
–Jos autosi kaiutinjohdotus on tehty “Fig. 3” näkyvällä tavalla, voit kytkeä laitteen
käyttämällä autosi alkuperäistä kaiutinjohdotusta.
–Jos et ole varma autosi kaiutinjohdotuksesta, ota yhteys autokauppiaaseen.
Eftersom enheten är försedd med linjeutgångar kan du använda en förstärkare, och annan
utrustning, för att uppgradera ditt bilradiosystem.
• Anslut fjärrkabeln (blå med vit rand) till fjärrkabeln på den andra utrustningen så att den kan
styras genom denna enhet.
• Gäller endast förstärkare: Anslut denna enhets linjeutgångar till förstärkarens linjeingångar.
Förstärkaren / Vahvistin
Koska tässä laitteessa on linjalähtöliittimet, vahvistinta ym. laitteita voidaan käyttää parantamaan
autosi stereojärjestelmää.
• Kytke ulkojohto (sininen, jossa valkea raita) muun laitteiston ulkojohtoon niin, että sitä voidaan
ohjata tästä laitteesta.
• Vain vahvistimeen: kytke tämän laitteen linjalähtöliittimet vahvistimen linjatuloliittimiin.
L
R+
-
+
-
+
-
+
-
L
R+
-
+
-
+
-
+
-
L
R+
-
+
-
+
-
+
-
Fig. 2
Fig. 1 Fig. 3
B Anslutningar med tillsats av annan utrustning / Liitännät — Muiden laitteiden lisääminen
Ansluta ledningarna / Johdinten kytkentä
Löd fast kärntråden så att den blir
ordentligt ansluten.
Juota sydänlangat kytkeäksesi ne
tanakasti.
Tvinna kärntråden vid anslutning.
Kierrä sydänlankoja niitä kytkiessäsi.
FÖRSIKTIG / VAROITUS! :
• Tejpa över de ledare som INTE ANVÄNDS med isoleringstejp för att eliminera
risken för kortslutning.
• Päällystä KÄYTTÄMÄTTÖMIEN johtimien liittimet eristysnauhalla oikosulun
estämiseksi.
R
L
LINE OUT
REAR
R
L
L
R
INPUT
R
L
Y-kontakt (levereras inte med denna enhet)
Y-kytkin (ei toimiteta tämän laitteen mukana)
Fjärrledare
Erillisjohdin
Blå med vit rand
Sininen, jossa valkoinen raita
Främre högtalare (se schema A )
Etukaiuttimet (ks. kaaviota A )
Bakre högtalare
Takakaiuttimet
Grön med svart rand / Grön (används inte)
Vihreä, jossa musta raita / vihreä (ei käytössä)
Lila med svart rand / Lila (används inte)
Sinipunainen, jossa musta raita / sinipunainen (ei käytössä)
Signalledning (levereras inte med
denna enhet)
Signaalijohto (ei toimiteta tämän
laitteen mukana)
Till eventuell elektriska antenn
Tehoantenniin, mikäli käytössä
JVC förstärkaren
JVC:N vahvistin
KS-FX453R/KS-FX450R
KS-F353R/KS-F350R
VIANETSINTÄ
• Varoke palaa.
* Ovatko punaiset ja mustat johtimet liitetty oikein?
• Virran kytkentä ei onnistu.
* Onko keltainen johdin kytketty?
• Kaiuttimista ei kuulu ääntä.
* Onko kaiuttimen lähtöjohtimessa tapahtunut oikosulku?
• Ääni on vääristynyt.
* Onko kaiuttimen lähtöjohdin maatettu?
* Ovatko vasemman ja oikean kaiuttimen “–”-navat maatettu yhdessä?
• Laite kuumenee.
* Onko kaiuttimen lähtöjohdin maatettu?
* Ovatko vasemman ja oikean kaiuttimen “–”-navat maatettu yhdessä?
FELSÖKNING
•Säkringen går.
* Är de röda och svarta ledarna korrekt anslutna?
•Strömmen kan inte slås på.
* Är den gula ledaren ansluten?
•Inget ljud från högtalarna.
* Är den utgående högtalarsladden kortsluten?
•Ljudet är förvrängt.
* Är den utgående högtalarsladden jordad?
* Är de vänstra och högra högtalarnas “–”-uttag gemensamt jordade?
•Enheten blir varm.
* Är den utgående högtalarsladden jordad?
* Är de vänstra och högra högtalarnas “–”-uttag gemensamt jordade?