JVCKENWOOD 512000 Scanning Receiver User Manual 4

JVC KENWOOD Corporation Scanning Receiver Users Manual 4

Users Manual 4

Åļ¿½ËÈ»ʾ»É»ÊʿĽÉ¿¼ʾ»¹ÂŹÁ¿ÉÊÅ¸»¹ÅÈÈ»¹Ê»º¸Ï¹ÅÄÄ»¹Ê¿Ä½ʾ¿ÉÊÈ·Äɹ»¿Ì»ÈÊÅʾ»É»ÈÌ»ÈƔÉÊ·¸Â¿É¾·¹ÅÄÄ»¹Ê¿ÅÄ¼ÈÅÃʾ¿ÉÊÈ·Äɹ»¿Ì»ÈËɿĽ·Äʾ»ÈÄ»Êƺƻ¹·¸Â»ƺÉÊÈ·¿½¾ÊÊÏÆ»ƻƔTS-890PC 2ARHP-890 Radio Host ProgramPC 1ARCP-890 Radio Control ProgramBroadband Router or HubEthernet Cable (Straight Type)Carrier and Service ProviderInternet¾»ÄÅÆ»È·Ê¿Ä½ʾ¿ÉÊÈ·Äɹ»¿Ì»ÈÌ¿·ʾ»ƺ»ÄÍÅź»ÊÍÅÈÁÅÃ÷ĺÏÉÊ»ÃƻƑ¹Åļ¿½ËÈ»ʾ»·ººÈ»ÉÉƑ·ºÃ¿Ä¿ÉÊÈ·ÊÅÈ·ÄºÆ·ÉÉÍÅȺƔÅÈÅÆ»È·Ê¿ÅÄÉËɿĽƑÆÂ»·É»È»¼»ÈÊÅơƻȷʿÅÄƢƔÅ·¹¹»ÉÉʾ¿ÉÊÈ·Äɹ»¿Ì»ÈʾÈÅ˽¾·¹¹»ÉÉÌ¿·ʾ»Ä»ÊÍÅÈÁƑÂŽ¿ÄͿʾʾ»ÆÈ»¹Åļ¿½ËÈ»º·ÄºÆ·ÉÉÍÅȺƔÅļ¿½ËȿĽʾ»ººÈ»ÉÉƑ;¿¹¾¿Éʾ»·¸¸È»Ì¿·Ê¿ÅÄ¼ÅÈÏķÿ¹ÅÉÊÅļ¿½ËÈ·Ê¿ÅÄÈÅÊŹÅÂƑ¿É·û·ÄÉ¼ÅÈ·¹Ç˿ȿĽÄ»ÊÍÅÈÁ¿Ä¼ÅÈ÷ʿÅÄƺ·ººÈ»ÉÉƑÉ»ÈÌ»ÈƑ½·Ê»Í·ÏƑ»Ê¹Ɣƻ¼ÈÅÃʾ»É»ÈÌ»ÈƔ»É¿º»É·¹Ç˿ȿĽʾ»·ººÈ»ÉÉ÷ÄË·ÂÂÏƑʾ¿É¹·Ä·ÂÉÅ¸»ËÉ»ºÊŹÅļ¿½ËÈ»ʾ»·ººÈ»ÉÉƔÅļ¿½ËȿĽʾ»ººÈ»ÉÉËÊÅ÷ʿ¹·ÂÂÏƺɿĽƻʼÈ»ÉÉƾƿÅÄʾ»ûÄËɹȻ»ÄÊÅº¿ÉÆÂ·Ïʾ»ûÄË¿Ê»Ã¿ÉÊɹȻ»ÄƔʽÈ»ÉÉʹƾ ƿƑʺƾ ƿÅÈÊËÈÄʾ»ƾƭƿ¹ÅÄÊÈÅÂÊÅɻ»¹Ê»ÄËƾʷƿ³´ƔʾÈ»ÉÉʻƾƿƔʿÈ»ÉÉʹƾƯƿƭʺƾ̊ƿÊÅɻ»¹ÊơÄƢƔ¾»º»¼·ËÂÊÉ»ÊʿĽ¿ÉơÄƢƔˀÈ»ÉÉʸƾ ƿƔÅļ¿½ËȿĽʾ»ººÈ»ÉÉ·ÄË·ÂÂÏƺ¿Ê¾ÅËÊɿĽƻʼ»Â»¹Ê»ÄËƾʷƿ³´ƔʽÈ»ÉÉʻƾƿƔʾÈ»ÉÉʹƾƯƿƭʺƾ̊ƿÊÅɻ»¹Êơ¼¼ƢƔʿÈ»ÉÉʸƾ ƿƔˀÈ»ÉÉʹƾ ƿƭʺƾ ƿÊÅɻ»¹Ê»ÄËƾʸƿ³ººÈ»ÉÉ´ƔˁÈ»ÉÉʻƾƿƔ˂È»ÉÉʻƾ ƿƭʼƾ ƿÊÅɻ»¹Ê·Ä·ººÈ»ÉÉ¸ÂŹÁƺÉ»Êżʺº¿½¿ÊÉƻÊÅ¿ÄÆËÊƔ˃È»ÉÉʹƾƯƿƑʺƾ̊ƿÅÈ·Á»ÏÅÄʾ»ÄËûȿ¹Á»ÏÆ·ºƑÅÈÊËÈÄʾ»ƾƭƿ¹ÅÄÊÈÅÂÊÅ¿Ä¹È»·É»ÅȺ»¹È»·É»ʾ»ʺƖº¿½¿ÊÌ·ÂË»żʾ»·ººÈ»ÉÉ¸ÂŹÁƔ˄È»ÉÉʻƾ ƿƭʼƾ ƿÊÅɻ»¹Êʾ»Ä»ÎÊʺº¿½¿ÊÉƔ»Æ»·ÊÉÊ»ÆÉʿÊÅˀÊÅ¹Åļ¿½ËÈ»ʾ»·ººÈ»ÉÉƔʼʻ È»ÉÉʽƾƿƔʼʼ È»ÉÉʹƾ ƿƭʺƾ ƿÊÅɻ»¹Ê»ÄËƾʹƿ³˸ĻÊ·ÉÁ´Ɣ»Æ»·ÊÉÊ»ÆÉʺÊÅʸʷÊÅ¹Åļ¿½ËÈ»ʾ»É˸ĻÊ÷ÉÁƺƾʹƿƻƔÅÂÂÅÍʾ»ɷûÉÊ»ÆÉÊÅ¹Åļ¿½ËÈ»º»¼·ËÂÊ½·Ê»Í·ÏƺƾʺƿƻƑÆÈ¿Ã·ÈÏÉ»ÈÌ»Èƺƾʻƿƻ·ÄºÉ»¹Åĺ·ÈÏÉ»ÈÌ»ÈƺƾʼƿƻƔ»É¹È¿ÆÊ¿ÅÄ »ÊʿĽ·Ä½» »¼·ËÂÊ ¼¼ƭÄ ÄººÈ»ÉÉ ʸƔʷƔʷƔʷÊÅʹʹʺƔʹʼʼƔʹʼʼƔʹʼʼ ʸˀʹƔʸʽʿƔʸƔʸʷʷ˸ĻÊ·ÉÁ ʷƔʷƔʷƔʷÊÅʹʼʼƔʹʼʼƔʹʼʼƔʹʼʹ ʹʼʼƔʹʼʼƔʹʼʼƔʷ»¼·ËÂÊ·Ê»Í·Ï ʸƔʷƔʷƔʷÊÅʹʹʺƔʹʼʼƔʹʼʼƔʹʼʼ ·ÄÁȿ÷ÈÏ»ÈÌ»È ʸƔʷƔʷƔʷÊÅʹʹʺƔʹʼʼƔʹʼʼƔʹʼʼ ·ÄÁ»¹Åĺ·ÈÏ»ÈÌ»È ʸƔʷƔʷƔʷÊÅʹʹʺƔʹʼʼƔʹʼʼƔʹʼʼ ·ÄÁƭʸʼʸʼƭʸʼƖʸ
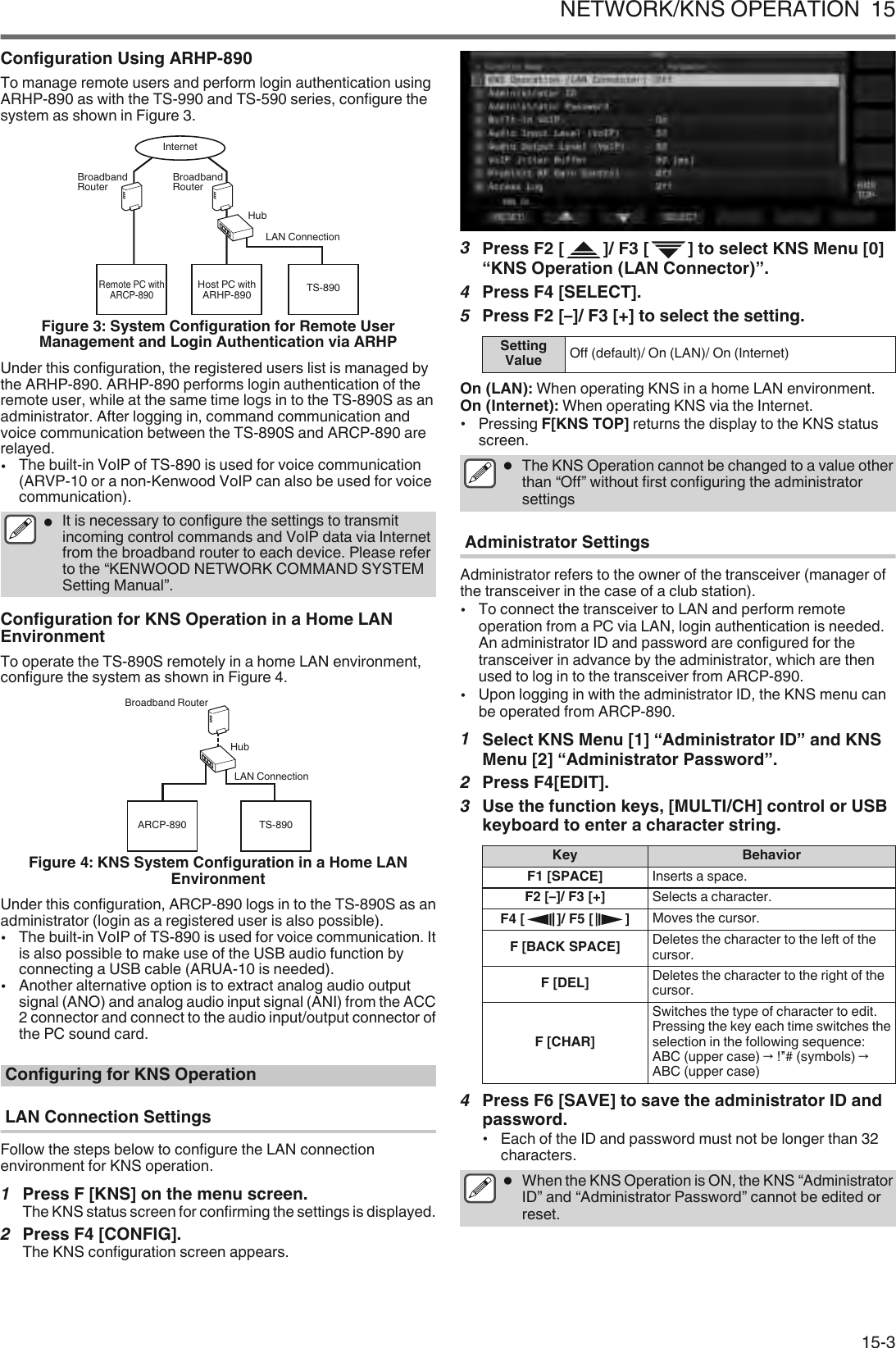
●¾¿ÉÊÈ·Äɹ»¿Ì»ÈºÅ»ÉÄÅÊÉËÆÆÅÈÊÌʽƔ●¾¿ÉÊÈ·Äɹ»¿Ì»ÈÉËÆÆÅÈÊÉƿĽ·ÄºÅʾ»ÈÈ»ÉÆÅÄÉ»ÉƔ●¾»ʾ»ÈÄ»ÊÉʷĺ·ÈºËÉ»ºÅÄʾ¿ÉÊÈ·Äɹ»¿Ì»È¿ÉʸʷʷƖƔÉ»·¹ÅÃûȹ¿·ÂÂÏ·Ì·¿Â·¸Â»¹·¸Â»ʾ·Ê¿É·Ê»½ÅÈÏʼƺ·ÊʼƻÅÈ¾¿½¾»ÈƔ●¾»Ä¹ÅÄÄ»¹Ê¿Ä½ÊÅ·¾Ë¸ÅÈ¸ÈÅ·º¸·ÄºÈÅËÊ»ÈƑ÷Á»ËÉ»ż·¹ÅÃûȹ¿·ÂÂÏ·Ì·¿Â·¸Â»ÉÊÈ·¿½¾Ê¹·¸Â»Ɣ●ËÈÄż¼ʾ»ÆÅÍ»Èżʾ¿ÉÊÈ·Äɹ»¿Ì»È·Äºʾ»º»Ì¿¹»ÊŹÅÄÄ»¹ÊÊÅ¸»¼ÅÈ»¹ÅÄÄ»¹Ê¿Ä½ʾ»¹·¸Â»Ɣ●Ì»Ä;»Äʾ»·ººÈ»ÉÉ¿É·¹Ç˿Ȼº·ËÊÅ÷ʿ¹·ÂÂÏƑ·ººÈ»ÉÉ¹·ÄÄÅÊ¸»¹Åļ¿½ËÈ»º¿Ä·Ä»ÄÌ¿ÈÅÄûÄÊ;»È»·É»ÈÌ»È¿ÉÄÅÊËÉ»ºƔ●¾»Äʾ»·ººÈ»ÉÉ¿É·¹Ç˿Ȼº·ËÊÅ÷ʿ¹·ÂÂÏƑʾ»·ººÈ»ÉÉƑÉ˸ĻÊ÷ÉÁƑº»¼·ËÂÊ½·Ê»Í·ÏƑÆÈ¿Ã·ÈÏÉ»ÈÌ»È·ÄºÉ»¹Åĺ·ÈÏÉ»ÈÌ»È·È»½È·Ï»ºÅËÊ·Äº·Æ·È·Ã»Ê»È¹·ÄÄÅÊ¸»¿ÄÆËÊƔ●¾»Ä·Ä·ººÈ»ÉÉ¿É·ËÊÅ÷ʿ¹·ÂÂÏ·¹Ç˿Ȼº·Äº¹Åļ¿½ËÈ»º¼ÅÈʾ¿ÉÊÈ·Äɹ»¿Ì»ÈƑʾ»¹Åļ¿½ËÈ»º·ººÈ»ÉÉ¿Éº¿ÉÆÂ·Ï»º¿Äʾ»·ººÈ»ÉÉÉ»ÊʿĽƔ●»ÊʿĽÊÅËÆº·Ê»Éʾ»ƷȷûʻÈƔ¼·Ä·ººÈ»ÉÉ¿ÉÄÅÊ·¹Ç˿ȻºƑʾ»·ººÈ»ÉÉ¼¿»ÂºÍ¿ÂÂȻ÷¿Ä¸Â·ÄÁƔ●¾»·ººÈ»ÉÉ÷ÏÄÅÊ¸»·¹Ç˿Ȼº¿Ãûº¿·Ê»ÂÏ·¼Ê»È¿ÉÉ»ÊÊÅƔ●Ì»Ä;»Äʾ»·ººÈ»ÉÉ¿É¹Åļ¿½ËÈ»º;¿Â»¿ÉƑʾ¿É·ººÈ»ÉÉÍ¿ÂÂ¸»º¿ÉÆÂ·Ï»º;»Ä¿ÉÉ»ÊÊÅƔ¿»Í¿Ä½ʾ»ººÈ»ÉÉ¾»·ººÈ»ÉÉżʾ¿ÉÊÈ·Äɹ»¿Ì»È;¿¹¾¿ÉÄ»¹»ÉÉ·ÈÏ¼ÅÈ¿ÊÉÅÆ»È·Ê¿ÅÄÌ¿·¹·Ä¸»¿º»ÄÊ¿¼¿»º¿Äʾ¿ÉûÄË¿Ê»ÃƔ¾»¹Á»ÄËƾʽƿ³ººÈ»ÉÉ´Ɣ¾»·ººÈ»ÉÉżʾ¿ÉÊÈ·Äɹ»¿Ì»È¹·Ä¸»¿º»ÄÊ¿¼¿»º¾»È»Ɣ¾¿ÉûÄË¿Ê»Ã¿É¿Äʻĺ»º¼ÅÈÌ¿»Í¿Ä½ÅÄÂÏƑ·Äºʾ»É»ÊʿĽ¿Ä»ÄËƾʽƿ³ººÈ»ÉÉ´¹·ÄÄÅÊ¸»·ÂʻȻºƔƻȷʿÅÄƺ»ÄÍÅź»ÊÍÅÈÁÅÃ÷ĺÏÉÊ»Ãƻ¿É·¹Å»¹Ê¿Ì»Ê»ÈÃʾ·ÊÈ»¼»ÈÉÊÅʾ»ÉÏÉÊ»Ã¼ÅÈÈ»ÃÅÊ»ÂÏÅÆ»È·Ê¿Ä½·»ÄÍÅźÊÈ·Äɹ»¿Ì»ÈÌ¿·ʾ»Ä»ÊÍÅÈÁÉ˹¾·Éʾ»ÄÊ»ÈÄ»ÊÅÈƔƻȷʿÅÄËɿĽʾ¿ÉÉÏÉÊ»Ã¿ÉÈ»¼»ÈÈ»ºÊÅ·ÉơÅÆ»È·Ê¿ÅÄƢƔ●»Ê·¿ÂÉÅÄʾ»ÅÆ»È·Ê¿ÅÄûʾźż·È»º»É¹È¿¸»º¿ÄơƖʿˀʷ»ÃÅÊ»ƻȷʿÅÄÏÉÊ»ÃƢƑ;¿¹¾¹·Ä¸»ºÅÍÄÂÅ·º»º¼ÈÅÃʾ»¸»ÂÅÍƔ¾ÊÊÆƓƭƭÍÍÍƔÁ»ÄÍÅźƔ¹ÅÃƭ¿ƭÆÈź˹ÊÉƭ¿Ä¼Åƭ·Ã·Ê»ËÈƭÉżÊÍ·È»ͨºÅÍÄÂÅ·ºƔ¾ÊÃÂ●¾¿É÷ÄË·Âº»É¹È¿¸»ÉÅÄÂÏʾ»»ÎÆÂ·Ä·Ê¿ÅÄÅÄʾ»·È»·Éż¹Åļ¿½ËÈ·Ê¿ÅÄƔÅÈº»Ê·¿ÂÉÅÄÉÆ»¹¿¼¿¹¹Åļ¿½ËÈ·Ê¿ÅÄÉƑÆÂ»·É»È»¼»ÈÊÅơ»ÊʿĽ·ÄË·ÂƢƔÏÉÊ»ÃÅļ¿½ËÈ·Ê¿ÅÄÌ»ÈÌ¿»Í·É¿¹Åļ¿½ËÈ·Ê¿ÅÄ¼ÅÈ»ÃÅÊ»ƻȷʿÅÄʾÈÅ˽¾ʾ»ÄÊ»ÈÄ»ÊÅÅÆ»È·Ê»ʾ»ƖʿˀʷÈ»ÃÅÊ»ÂÏʾÈÅ˽¾ʾ»ÄÊ»ÈÄ»ÊËɿĽƑ¹Åļ¿½ËÈ»ʾ»ÉÏÉÊ»Ã·ÉɾÅÍÄ¿Ä¿½ËÈ»ʸƔTS-890Remote PC with ARCP-890LAN ConnectionBroadband RouterBroadband RouterInternet¿½ËÈ»ʸƓ·É¿¹ÏÉÊ»ÃÅļ¿½ËÈ·Ê¿ÅÄĺ»Èʾ¿É¹Åļ¿½ËÈ·Ê¿ÅÄƑʾ»ƖʿˀʷƻȼÅÈÃÉÂŽ¿Ä·Ëʾ»ÄÊ¿¹·Ê¿ÅÄżʾ»È»ÃÅÊ»ËÉ»Èƺ·ºÃ¿Ä¿ÉÊÈ·ÊÅÈ·ÄºÈ»½¿ÉʻȻºËÉ»ÈƻÅÆ»È·Ê¿Ä½ʾ»ƖʿˀʷƑ¼ÅÂÂÅÍ»º¸Ï¹ÅÄÊÈÅÂ¹ÅÃ÷ĺ¹ÅÃÃËÄ¿¹·Ê¿ÅÄ·¼Ê»È·Ëʾ»ÄÊ¿¹·Ê¿ÅÄ¿É¹ÅÃÆÂ»Ê»ƔÅ¿¹»¹ÅÃÃËÄ¿¹·Ê¿ÅÄ¿É¹·ÈÈ¿»ºÅËÊ¸Ïʾ»Ɩʿˀʷ·ÄºƖʿˀʷÌ¿·ʾ»¸Ë¿ÂÊƖ¿ÄÅƔ●ºÃ¿Ä¿ÉÊÈ·ÊÅÈÈ»¼»ÈÉÊÅʾ»ÅÍÄ»ÈżÅÈÆ»ÈÉÅÄ¿Ä¹¾·È½»Å¼÷ķ½¿Ä½ʾ»ÊÈ·Äɹ»¿Ì»ÈƔ»½¿ÉʻȻºËÉ»ÈÈ»¼»ÈÉÊÅ·ËÉ»ÈÅʾ»Èʾ·Äʾ»·ºÃ¿Ä¿ÉÊÈ·ÊÅÈ;Å¿É·ËʾÅȿлºÊÅÅÆ»È·Ê»ʾ¿ÉÊÈ·Äɹ»¿Ì»ÈÈ»ÃÅÊ»ÂÏÌ¿·ƔÈ»½¿ÉʻȻºËÉ»ÈÄ»»ºÉÊÅ¸»È»½¿ÉʻȻº¿Ä·ºÌ·Ä¹»¸Ïʾ»·ºÃ¿Ä¿ÉÊÈ·ÊÅÈÊÅʾ»ËÉ»ÈÉ¿ÉÊ¿Äʾ»ƖʿˀʷƔÅļ¿½ËÈ·Ê¿ÅÄ;»ÄɿĽƖʸʷÅÈ·ÅÄƖ»ÄÍÅźÅ¼ÅÈÅ¿¹»ÅÃÃËÄ¿¹·Ê¿ÅÄ¾»ÄËɿĽƖʸʷÅÈ·ÄÅÄƖ»ÄÍÅźÅ·ÆÆÂ¿¹·Ê¿ÅÄÉżÊÍ·È»ÆÈŽȷÃ¼ÅÈÌÅ¿¹»¹ÅÃÃËÄ¿¹·Ê¿ÅÄƑ¹Åļ¿½ËÈ»ʾ»ÉÏÉʻ÷ÉɾÅÍÄ¿Ä¿½ËÈ»ʹƔTS-890VoiceHost PC VoIP ApplicationRemote PC with ARCP-890 VoIP ApplicationLAN ConnectionHubBroadband RouterBroadband RouterInternet¿½ËÈ»ʹƓÏÉÊ»ÃÅļ¿½ËÈ·Ê¿ÅÄ;»ÄɿĽ·ÅÄƖ»ÄÍÅźÅÆÆÂ¿¹·Ê¿ÅÄĺ»Èʾ¿É¹Åļ¿½ËÈ·Ê¿ÅÄƑÌÅ¿¹»¹ÅÃÃËÄ¿¹·Ê¿ÅÄ¸»ÊÍ»»Äʾ»È»ÃÅÊ»·Äº¾ÅÉÊ¿É¹·ÈÈ¿»ºÅËÊËɿĽʾ»ƖʸʷÅÈ·ÄÅÄƖ»ÄÍÅźÅ·ÆÆÂ¿¹·Ê¿ÅÄÉżÊÍ·È»ƔÅ¿¹»¹ÅÃÃËÄ¿¹·Ê¿ÅÄ¸»ÊÍ»»Äʾ»¾ÅÉÊ·Äºʾ»Ɩʿˀʷ¿É¹·ÈÈ¿»ºÅËÊËɿĽʾ»·Ëº¿Å¼ËĹʿÅÄƺÌ¿·¹·¸Â»¹ÅÄÄ»¹Ê¿ÅÄƻÅÈ¸Ï»ÎÊÈ·¹Ê¿Ä½·Ä·ÂŽ·Ëº¿ÅÅËÊÆËÊÉ¿½Ä·Âƺƻ·Äº·Ä·ÂŽ·Ëº¿Å¿ÄÆËÊÉ¿½Ä·Âƺƻ¼ÈÅÃʾ»ʹ¹ÅÄÄ»¹ÊÅÈƑ¼ÅÂÂÅÍ»º¸Ï¹ÅÄÄ»¹Ê¿Ä½ÊÅʾ»·Ëº¿Å¿ÄÆËÊƭÅËÊÆËÊ¹ÅÄÄ»¹ÊÅÈżʾ»ÉÅËĺ¹·ÈºƔ¾»¹Åļ¿½ËÈ·Ê¿ÅÄż¹ÅÃÆÅÄ»ÄÊÉÅʾ»Èʾ·Äʾ·Ê¼ÅÈÌÅ¿¹»¹ÅÃÃËÄ¿¹·Ê¿ÅÄ·È»ʾ»ɷû·Éʾ»¸·É¿¹¹Åļ¿½ËÈ·Ê¿ÅÄƔʸʼƭʸʼƖʹ
Åļ¿½ËÈ·Ê¿ÅÄɿĽƖʿˀʷÅ÷ķ½»È»ÃÅÊ»ËÉ»ÈÉ·ÄºƻȼÅÈÃÂŽ¿Ä·Ëʾ»ÄÊ¿¹·Ê¿ÅÄËɿĽƖʿˀʷ·ÉͿʾʾ»Ɩˀˀʷ·ÄºƖʼˀʷɻȿ»ÉƑ¹Åļ¿½ËÈ»ʾ»ÉÏÉÊ»Ã·ÉɾÅÍÄ¿Ä¿½ËÈ»ʺƔTS-890Host PC with ARHP-890Remote PC with ARCP-890LAN ConnectionHubBroadband RouterBroadband RouterInternet¿½ËÈ»ʺƓÏÉÊ»ÃÅļ¿½ËÈ·Ê¿ÅÄ¼ÅÈ»ÃÅÊ»É»È·Ä·½»Ã»ÄÊ·ÄºŽ¿ÄËʾ»ÄÊ¿¹·Ê¿ÅÄÌ¿·ĺ»Èʾ¿É¹Åļ¿½ËÈ·Ê¿ÅÄƑʾ»È»½¿ÉʻȻºËÉ»ÈÉ¿ÉÊ¿É÷ķ½»º¸Ïʾ»ƖʿˀʷƔƖʿˀʷƻȼÅÈÃÉÂŽ¿Ä·Ëʾ»ÄÊ¿¹·Ê¿ÅÄżʾ»È»ÃÅÊ»ËÉ»ÈƑ;¿Â»·Êʾ»ɷûʿûÂŽÉ¿ÄÊÅʾ»Ɩʿˀʷ·É·Ä·ºÃ¿Ä¿ÉÊÈ·ÊÅÈƔ¼Ê»ÈÂŽ½¿Ä½¿ÄƑ¹ÅÃ÷ĺ¹ÅÃÃËÄ¿¹·Ê¿ÅÄ·ÄºÌÅ¿¹»¹ÅÃÃËÄ¿¹·Ê¿ÅÄ¸»ÊÍ»»Äʾ»Ɩʿˀʷ·ÄºƖʿˀʷ·È»È»Â·Ï»ºƔ•¾»¸Ë¿ÂÊƖ¿ÄÅżƖʿˀʷ¿ÉËÉ»º¼ÅÈÌÅ¿¹»¹ÅÃÃËÄ¿¹·Ê¿ÅÄƺƖʸʷÅÈ·ÄÅÄƖ»ÄÍÅźÅ¹·Ä·ÂÉÅ¸»ËÉ»º¼ÅÈÌÅ¿¹»¹ÅÃÃËÄ¿¹·Ê¿ÅÄƻƔ●Ê¿ÉÄ»¹»ÉÉ·ÈÏÊÅ¹Åļ¿½ËÈ»ʾ»É»ÊʿĽÉÊÅÊÈ·ÄÉÿʿĹÅÿĽ¹ÅÄÊÈÅÂ¹ÅÃ÷ĺÉ·ÄºÅº·Ê·Ì¿·ÄÊ»ÈĻʼÈÅÃʾ»¸ÈÅ·º¸·ÄºÈÅËÊ»ÈÊÅ»·¹¾º»Ì¿¹»Ɣ»·É»È»¼»ÈÊÅʾ»ơ»ÊʿĽ·ÄË·ÂƢƔÅļ¿½ËÈ·Ê¿ÅÄ¼ÅÈƻȷʿÅÄ¿Ä·ÅûÄÌ¿ÈÅÄûÄÊÅÅÆ»È·Ê»ʾ»ƖʿˀʷÈ»ÃÅÊ»ÂÏ¿Ä·¾Åû»ÄÌ¿ÈÅÄûÄÊƑ¹Åļ¿½ËÈ»ʾ»ÉÏÉÊ»Ã·ÉɾÅÍÄ¿Ä¿½ËÈ»ʻƔTS-890ARCP-890LAN ConnectionHubBroadband Router¿½ËÈ»ʻƓÏÉÊ»ÃÅļ¿½ËÈ·Ê¿ÅÄ¿Ä·ÅûÄÌ¿ÈÅÄûÄÊĺ»Èʾ¿É¹Åļ¿½ËÈ·Ê¿ÅÄƑƖʿˀʷÂŽÉ¿ÄÊÅʾ»Ɩʿˀʷ·É·Ä·ºÃ¿Ä¿ÉÊÈ·ÊÅÈƺÂŽ¿Ä·É·È»½¿ÉʻȻºËÉ»È¿É·ÂÉÅÆÅÉÉ¿¸Â»ƻƔ•¾»¸Ë¿ÂÊƖ¿ÄÅżƖʿˀʷ¿ÉËÉ»º¼ÅÈÌÅ¿¹»¹ÅÃÃËÄ¿¹·Ê¿ÅÄƔÊ¿É·ÂÉÅÆÅÉÉ¿¸Â»ÊÅ÷Á»ËÉ»żʾ»·Ëº¿Å¼ËĹʿÅÄ¸Ï¹ÅÄÄ»¹Ê¿Ä½·¹·¸Â»ƺƖʸʷ¿ÉÄ»»º»ºƻƔ•ÄÅʾ»È·ÂÊ»Èķʿ̻ÅÆÊ¿ÅÄ¿ÉÊÅ»ÎÊÈ·¹Ê·Ä·ÂŽ·Ëº¿ÅÅËÊÆËÊÉ¿½Ä·Âƺƻ·Äº·Ä·ÂŽ·Ëº¿Å¿ÄÆËÊÉ¿½Ä·Âƺƻ¼ÈÅÃʾ»ʹ¹ÅÄÄ»¹ÊÅÈ·Äº¹ÅÄÄ»¹ÊÊÅʾ»·Ëº¿Å¿ÄÆËÊƭÅËÊÆËÊ¹ÅÄÄ»¹ÊÅÈżʾ»ÉÅËĺ¹·ÈºƔÅļ¿½ËȿĽ¼ÅÈƻȷʿÅÄÅÄÄ»¹Ê¿ÅÄ»ÊʿĽÉÅÂÂÅÍʾ»ÉÊ»ÆÉ¸»ÂÅÍÊÅ¹Åļ¿½ËÈ»ʾ»¹ÅÄÄ»¹Ê¿ÅÄ»ÄÌ¿ÈÅÄûÄÊ¼ÅÈÅÆ»È·Ê¿ÅÄƔʼÈ»ÉÉƾƿÅÄʾ»ûÄËɹȻ»ÄƔ¾»ÉÊ·ÊËÉɹȻ»Ä¼ÅÈ¹Åļ¿ÈÿĽʾ»É»ÊʿĽÉ¿Éº¿ÉÆÂ·Ï»ºƔʽÈ»ÉÉʻƾƿƔ¾»¹Åļ¿½ËÈ·Ê¿ÅÄɹȻ»Ä·ÆÆ»·ÈÉƔʾÈ»ÉÉʹƾ ƿƭʺƾ ƿÊÅɻ»¹Ê»ÄËƾʷƿ³ƻȷʿÅÄƺÅÄÄ»¹ÊÅÈƻ´ƔʿÈ»ÉÉʻƾƿƔˀÈ»ÉÉʹƾƯƿƭʺƾ̊ƿÊÅɻ»¹Êʾ»É»ÊʿĽƔ»ÊʿĽ·ÂË» ¼¼ƺº»¼·ËÂÊƻƭÄƺƻƭÄƺÄÊ»ÈÄ»ÊƻÄƺƻƓ¾»ÄÅÆ»È·Ê¿Ä½¿Ä·¾Åû»ÄÌ¿ÈÅÄûÄÊƔÄƺÄÊ»ÈÄ»ÊƻƓ¾»ÄÅÆ»È·Ê¿Ä½Ì¿·ʾ»ÄÊ»ÈÄ»ÊƔ•È»ÉɿĽƾƿÈ»ÊËÈÄÉʾ»º¿ÉÆÂ·ÏÊÅʾ»ÉÊ·ÊËÉɹȻ»ÄƔ●¾»ƻȷʿÅÄ¹·ÄÄÅÊ¸»¹¾·Ä½»ºÊÅ·Ì·ÂË»Åʾ»Èʾ·Äơ¼¼ƢͿʾÅËÊ¼¿ÈÉÊ¹Åļ¿½ËȿĽʾ»·ºÃ¿Ä¿ÉÊÈ·ÊÅÈÉ»ÊʿĽÉºÃ¿Ä¿ÉÊÈ·ÊÅÈ»ÊʿĽÉºÃ¿Ä¿ÉÊÈ·ÊÅÈÈ»¼»ÈÉÊÅʾ»ÅÍÄ»Èżʾ»ÊÈ·Äɹ»¿Ì»Èƺ÷ķ½»Èżʾ»ÊÈ·Äɹ»¿Ì»È¿Äʾ»¹·É»ż·¹Â˸ÉÊ·Ê¿ÅÄƻƔ•Å¹ÅÄÄ»¹Êʾ»ÊÈ·Äɹ»¿Ì»ÈÊÅ·ÄºƻȼÅÈÃÈ»ÃÅÊ»ÅÆ»È·Ê¿ÅÄ¼ÈÅÃ·Ì¿·ƑÂŽ¿Ä·Ëʾ»ÄÊ¿¹·Ê¿ÅÄ¿ÉÄ»»º»ºƔÄ·ºÃ¿Ä¿ÉÊÈ·ÊÅÈ·ÄºÆ·ÉÉÍÅȺ·È»¹Åļ¿½ËÈ»º¼ÅÈʾ»ÊÈ·Äɹ»¿Ì»È¿Ä·ºÌ·Ä¹»¸Ïʾ»·ºÃ¿Ä¿ÉÊÈ·ÊÅÈƑ;¿¹¾·È»ʾ»ÄËÉ»ºÊÅÂŽ¿ÄÊÅʾ»ÊÈ·Äɹ»¿Ì»È¼ÈÅÃƖʿˀʷƔ•ÆÅÄÂŽ½¿Ä½¿ÄͿʾʾ»·ºÃ¿Ä¿ÉÊÈ·ÊÅÈƑʾ»ûÄË¹·Ä¸»ÅÆ»È·Ê»º¼ÈÅÃƖʿˀʷƔʼ»Â»¹Ê»ÄËƾʸƿ³ºÃ¿Ä¿ÉÊÈ·ÊÅÈ´·Äº»ÄËƾʹƿ³ºÃ¿Ä¿ÉÊÈ·ÊÅÈ·ÉÉÍÅȺ´ƔʽÈ»ÉÉʻƾƿƔʾÉ»ʾ»¼ËĹʿÅÄÁ»ÏÉƑƾƭƿ¹ÅÄÊÈÅÂÅÈÁ»Ï¸Å·ÈºÊÅ»ÄÊ»È·¹¾·È·¹Ê»ÈÉÊȿĽƔ»Ï »¾·Ì¿ÅÈʸƾƿ ÄÉ»ÈÊÉ·ÉÆ·¹»ƔʹƾƯƿƭʺƾ̊ƿ »Â»¹ÊÉ·¹¾·È·¹Ê»ÈƔʻƾ ƿƭʼƾ ƿ ÅÌ»Éʾ»¹ËÈÉÅÈƔƾƿ »Â»Ê»Éʾ»¹¾·È·¹Ê»ÈÊÅʾ»»¼Êżʾ»¹ËÈÉÅÈƔƾƿ »Â»Ê»Éʾ»¹¾·È·¹Ê»ÈÊÅʾ»È¿½¾Êżʾ»¹ËÈÉÅÈƔƾƿͿʹ¾»Éʾ»ÊÏÆ»ż¹¾·È·¹Ê»ÈÊÅ»º¿ÊƔÈ»ÉɿĽʾ»Á»Ï»·¹¾ʿûÉͿʹ¾»Éʾ»É»Â»¹Ê¿ÅÄ¿Äʾ»¼ÅÂÂÅͿĽÉ»Ç˻Ĺ»ƓƺËÆÆ»È¹·É»ƻΓƘƢʶƺÉÏøÅÂÉƻΓƺËÆÆ»È¹·É»ƻʿÈ»ÉÉʽƾƿÊÅÉ·Ì»ʾ»·ºÃ¿Ä¿ÉÊÈ·ÊÅÈ·ÄºÆ·ÉÉÍÅȺƔ•·¹¾żʾ»·ÄºÆ·ÉÉÍÅȺÃËÉÊÄÅÊ¸»ÂÅĽ»Èʾ·Äʺʹ¹¾·È·¹Ê»ÈÉƔ●¾»Äʾ»ƻȷʿÅÄ¿ÉƑʾ»ơºÃ¿Ä¿ÉÊÈ·ÊÅÈƢ·ÄºơºÃ¿Ä¿ÉÊÈ·ÊÅÈ·ÉÉÍÅȺƢ¹·ÄÄÅÊ¸»»º¿Ê»ºÅÈȻɻÊƔƭʸʼʸʼƖʺ
Ë¿ÂÊƖ¿ÄÅËĹʿÅÄÅÂÂÅÍʾ»ÉÊ»ÆÉ¸»ÂÅÍÊÅ¹Åļ¿½ËÈ»;»Ê¾»ÈÊÅËÉ»ʾ»¸Ë¿ÂÊƖ¿ÄÅ¼ËĹʿÅÄ¼ÅÈÌÅ¿¹»¹ÅÃÃËÄ¿¹·Ê¿ÅÄ¸»ÊÍ»»Äʾ»È»ÃÅÊ»·ÄºÊÈ·Äɹ»¿Ì»ÈºËȿĽÅÆ»È·Ê¿ÅÄƔ»Êʾ¿É¼ËĹʿÅÄÊÅƺº»¼·ËÂÊÉ»ÊʿĽƻÊÅËÉ»ʾ»¸Ë¿ÂÊƖ¿ÄÅ¼ËĹʿÅÄ¼ÅÈÌÅ¿¹»¹ÅÃÃËÄ¿¹·Ê¿ÅÄ¸»ÊÍ»»Äʾ»È»ÃÅÊ»·ÄºÊÈ·Äɹ»¿Ì»ÈƔ»Êʾ¿É¼ËĹʿÅÄÊÅ;»ÄËɿĽƖʸʷÅÈ·ÄÅÄƖ»ÄÍÅźÅÉżÊÍ·È»ÆÈŽȷÃƔʼ»Â»¹Ê»ÄËƾʺƿ³Ë¿ÂÊƖ¿ÄÅ´ƔʽÈ»ÉÉʻƾƿƔʾÈ»ÉÉʹƾƯƿƭʺƾ̊ƿÊÅɻ»¹ÊơÄƢÅÈơ¼¼ƢƔ»ÊʿĽ·ÂË» ¼¼ƭÄƺº»¼·ËÂÊƻ●¾»Äʾ»É»ÊʿĽ¿É¹¾·Ä½»º;¿Â»·¹ÅÄÄ»¹Ê¿ÅÄ¿É»ÉÊ·¸Â¿É¾»ºƺÂŽ½»º¿ÄƻƑʾ»Ä»ÍÉ»ÊʿĽÍ¿ÂÂ¸»·ÆÆÂ¿»º·Êʾ»Ä»ÎÊ¹ÅÄÄ»¹Ê¿ÅÄƔ●¾»ÄËɿĽʾ»¸Ë¿ÂÊƖ¿ÄÅƑ¹¾»¹Áʾ»¼ÅÂÂÅͿĽɻÊʿĽÉ·ÉÍ»ÂÂƔÅÈÃÅÈ»º»Ê·¿ÂÉƑÆÂ»·É»È»¼»ÈÊÅʾ»ơ»ÊʿĽ·ÄË·ÂƢƔ•¾»¹Áʾ·Êʾ»ÅÆ»È·Ê¿ÅÄÉ»ÊʿĽ¿Äʾ»ÃźË·ʿÅÄ¿Ļɻ»¹Ê¿ÅÄ¼ÅÈƖʿˀʷ÷ʹ¾»Éʾ»·Ëº¿Å¿ÄÆËÊżʾ»ÃźË·ʿÅÄ¿Ļ¹Åļ¿½ËÈ»ºÅÄʾ¿ÉÊÈ·Äɹ»¿Ì»ÈƔ•¾»¹Áʾ·Ê·Ëº¿Å¿ÄÆËÊżʾ»ÃźË·ʿÅÄ¿Ļ¹Åļ¿½ËÈ»ºÅÄʾ¿ÉÊÈ·Äɹ»¿Ì»È¿Äʾ»ơͿʹ¾¿Ä½ʾ»˺¿ÅÅËȹ»ÄÆËÊƢÉ»¹Ê¿ÅÄ÷ʹ¾»Éʾ»ÅÆ»È·Ê¿ÅÄÉ»ÊʿĽɻ»¹Ê»º¿Äʾ»ÃźË·ʿÅÄ¿Ļɻ»¹Ê¿ÅÄ¼ÅÈƖʿˀʷƔ˺¿ÅÄÆËÊƭËÊÆËÊ»Ì»ÂżË¿ÂÊƖ¿ÄÅ¾»·Ëº¿Å¿ÄÆËÊ·ÄºÅËÊÆËÊ»̻Â;»ÄËɿĽʾ»Å¹·Ä¸»·ºÀËÉÊ»º·É¼ÅÂÂÅÍÉƔÉ»ʾ»º»¼·ËÂÊÉ»ÊʿĽËĺ»ÈÄÅÈ÷¹¿È¹ËÃÉʷĹ»ÉƔʼ»Â»¹Ê»ÄËƾʻƿ³˺¿ÅÄÆËÊ»Ì»ÂƺÅƻ´·Äº»ÄËƾʼƿ³˺¿ÅËÊÆËÊ»Ì»ÂƺÅƻ´ƔʽÈ»ÉÉʻƾƿƔʾÈ»ÉÉʹƾƯƿƭʺƾ̊ƿÊÅɻ»¹Êʾ»»̻ÂƔ»ÊʿĽ·ÂË» ʷÊÅʼʷƺº»¼·ËÂÊƓ»ÄËʻƻÊÅʸʷʷƺº»¼·ËÂÊƓ»ÄËʼƻƺʸÉÊ»ÆƻË¿ÂÊƖ¿ÄÅ¿ÊÊ»È¸ÉÅÈÆÊ¿ÅÄ˼¼»ÈÅÂÂÅÍʾ»ÉÊ»ÆÉ¸»ÂÅÍÊÅ¹Åļ¿½ËÈ»ʾ»ºËÈ·Ê¿ÅÄżʾ»À¿Êʻȷ¸ÉÅÈÆÊ¿ÅÄ¸Ë¼¼»Èżʾ»ÅƔ¾»Äʾ»È»¿ÉÀ¿ÊÊ»È¿Äʾ»·Ëº¿ÅºË»ÊÅº»Â·Ï¿ÄÆ·¹Á»Ê¼ÅÈͷȺ¿Ä½Ƒ¹Åļ¿½ËÈ»ʾ»À¿ÊÊ»È·¸ÉÅÈÆÊ¿ÅÄ¸Ë¼¼»ÈÊÅ·ÂÅĽ»ÈºËÈ·Ê¿ÅÄƔʼ»Â»¹Ê»ÄËƾʽƿ³Å¿ÊÊ»È˼¼»È´ƔʽÈ»ÉÉʻƾƿƔʾÈ»ÉÉʹƾƯƿƭʺƾ̊ƿÊÅɻ»¹Ê·À¿ÊÊ»È·¸ÉÅÈÆÊ¿ÅÄʿûƔ»ÊʿĽ·ÂË» ʹʷʷƺº»¼·ËÂÊƻƭʼʷʷƭʿʷʷƾÃÉƿ●¾»Äʾ»É»ÊʿĽ¿É¹¾·Ä½»º;¿Â»ʾ»¸Ë¿ÂÊƖ¿ÄÅ¿É¿ÄËÉ»Ƒʾ»Ä»ÍÉ»ÊʿĽÍ¿ÂÂ¸»·ÆÆÂ¿»ºʾ»Ä»ÎÊʿûÅ¿ÉËÉ»ºƔÈž¿¸¿Ê¿ÅÄż»ÃÅÊ»ÅÂËûÅÄÊÈÅÂºÀËÉÊûÄÊżʾ»ÌÅÂËûÌ¿·È»ÃÅÊ»ÅÆ»È·Ê¿ÅÄ¹·Ä¸»ÆÈž¿¸¿Ê»ºÊÅÆÈ»Ì»ÄÊ·ÂÅ˺ÉÅËĺ¼ÈÅÃ¸»¿Ä½·¹¹¿º»ÄÊ·ÂÂÏÅËÊÆËÊ¼ÈÅÃʾ»ÊÈ·Äɹ»¿Ì»ÈƔ¾¿É¼ËĹʿÅÄ¿ÉËÉ»º;»Äʾ»ÌÅÂËû·Êʾ»ÂŹ·Ê¿ÅÄ;»È»ʾ»ÊÈ·Äɹ»¿Ì»È¿É¿ÄÉʷ»º¿É·÷ÊÊ»Èż¹ÅĹ»ÈÄƔʼ»Â»¹Ê»ÄËƾʾƿ³Èž¿¸¿Ê·¿ÄÅÄÊÈÅ´ƔʽÈ»ÉÉʻƾƿƔʾÈ»ÉÉʹƾƯƿƭʺƾ̊ƿÊÅɻ»¹ÊơÄƢÅÈơ¼¼ƢƔ»ÊʿĽ·ÂË» ¼¼ƺº»¼·ËÂÊƻƭÄÅÃÃËÄ¿¹·Ê¿ÅÄŽŽÉÈ»¹ÅȺ¿Ä½¹ÅÃÃËÄ¿¹·Ê¿ÅÄͿʾÈ»ÃÅÊ»ÉÊ·Ê¿ÅÄºËȿĽÅÆ»È·Ê¿ÅÄ¹·Ä¸»È»¹ÅȺ»ºÊÅ·¼¿Â»Ɣʼ»Â»¹Ê»ÄËƾʿƿ³¹¹»ÉÉŽ´ƔʽÈ»ÉÉʻƾƿƔʾÈ»ÉÉʹƾƯƿƭʺƾ̊ƿÊÅɻ»¹ÊơÄƢƔ•¾»Ä·¼Â·É¾ºÈ¿Ì»¿Éɻ»¹Ê»º·Éʾ»º»ÉʿķʿÅÄ¼ÅÈÉÊÅȿĽʾ»¼¿Â»Ƒ¹È»·Ê»·¹ÅÃÃËÄ¿¹·Ê¿ÅÄÂŽ¼¿Â»¿Äʾ»ơʚʚƖʿˀʷʚͨƢ¼Åº»È·ÄºÈ»¹ÅȺʾ»ÂŽÉÊÅʾ¿É¼¿Â»Ɣ•¾»Äʾ»¸Ë¿ÂÊƖ¿ÄûÃÅÈÏ¿Éɻ»¹Ê»º·Éʾ»º»ÉʿķʿÅÄƑʾ»¹ÅÃÃËÄ¿¹·Ê¿ÅÄÂŽ¼¿Â»¿ÉÉ·Ì»ºÊÅơʚͨƢ¿Äʾ»¸Ë¿ÂÊƖ¿ÄûÃÅÈÏƔ•¾»ÂŽ¼¿Â»¿ÉķûºÁÄÉͨÂŽƔ¹ÉÌƔ•Ê¿ÉÆÅÉÉ¿¸Â»ÊÅÉͿʹ¾ʾ»º»ÉʿķʿÅÄ¼ÅÈÉÊÅȿĽʾ»¹ÅÃÃËÄ¿¹·Ê¿ÅÄÂŽ¼¿Â»É¼ÈÅÃʾ»¸Ë¿ÂÊƖ¿ÄûÃÅÈÏÊÅơʚʚƖʿˀʷʚͨƢ¿Äʾ»¼Â·É¾ºÈ¿Ì»Ɣƺ»·É»È»¼»ÈÊÅơ»ÉʿķʿÅÄ¼ÅÈ·Ì¿Ä½¿Â»ÉƢƻ•¼ÍȿʿĽżʾ»¹ÅÃÃËÄ¿¹·Ê¿ÅÄÂŽ¼·¿Â»ººË»ÊÅ¿ÄÉ˼¼¿¹¿»ÄÊûÃÅÈÏƺ¿Ä¹Â˺¿Ä½ʾ»¹·É»;»È»ʾ»º»ÉʿķʿÅÄ¼ÅÈÍȿʿĽº·Ê·ÊÅ¿Éʾ»¼Â·É¾ºÈ¿Ì»·Äºʾ»¼Â·É¾ºÈ¿Ì»¿ÉÄÅÊÈ»¹Å½Ä¿Ð»ºƻƑ·ûÉÉ·½»¿Äº¿¹·Ê¿Ä½Ê¾·ÊÍȿʿĽ¾·É¼·¿Â»º·ÆÆ»·ÈÉÅÄʾ»¿Ä¼ÅÈ÷ʿÅÄɹȻ»ÄƔʸʼƭʸʼƖʻ
É»È»½¿ÉÊÈ·Ê¿ÅÄÅÂÂÅÍʾ»ÉÊ»ÆÉ¸»ÂÅÍÊÅÈ»½¿ÉÊ»È·Ä»ÍËÉ»ÈƔÉ»ÈÉ¿ÉÊ¾¿É¿É·¿ÉÊżʾ»È»½¿ÉʻȻºËÉ»ÈÉƔʼÈ»ÉÉƾƿÅÄʾ»ûÄËɹȻ»ÄÊÅº¿ÉÆÂ·Ïʾ»ÉÊ·ÊËÉɹȻ»ÄƔʽÈ»ÉÉʾƾƔƿÊÅº¿ÉÆÂ·Ïʾ»É»ÈÉ¿ÉÊɹȻ»ÄƔ»½¿ÉʻȿĽÉ»ÈļÅÈ÷ʿÅÄʼÈ»ÉÉʽƾƿÊÅº¿ÉÆÂ·Ïʾ»ËÉ»ÈÈ»½¿ÉÊÈ·Ê¿ÅÄɹȻ»ÄƔʽÈ»ÉÉʹƾ ƿƭʺƾ ƿÊÅɻ»¹Êʾ»¿Ê»ÃÊÅÈ»½¿ÉÊ»ÈƔʾÈ»ÉÉʻƾƿƔ•ÅÈʾ»ơÉ»È·Ã»ƢƑơ·ÉÉÍÅȺƢ·Äºơ»É¹È¿ÆÊ¿ÅÄƢ¼¿»ÂºÉƑËÉ»ʾ»¼ËĹʿÅÄÁ»ÏÉƑƾƭƿ¹ÅÄÊÈÅÂÅÈÁ»Ï¸Å·ÈºÊÅ»ÄÊ»È·¹¾·È·¹Ê»ÈÉÊȿĽƔʿ¼Ê»È¿ÄÆËÊ¿É¹ÅÃÆÂ»Ê»ƑÆÈ»ÉÉʽƾƿƔ¾»»º¿Ê»º¿Ä¼ÅÈ÷ʿÅÄ¿ÉÄÅÍÉ»ÊƔ•ÆÊÅʺʹ¹¾·È·¹Ê»ÈÉ¹·Ä¸»»ÄʻȻº¼ÅÈơÉ»È·Ã»Ƣ·Äºơ·ÉÉÍÅȺƢƑ·ÄºËÆÊÅʸʹʿ¹¾·È·¹Ê»ÈÉ¼ÅÈơ»É¹È¿ÆÊ¿ÅÄƢƔ•÷οÃËÃżʸʷʷËÉ»ÈÉ¹·Ä¸»È»½¿ÉʻȻºƔ•¾»ơÉ»È·Ã»Ƣ·Äºơ·ÉÉÍÅȺƢ¼¿»ÂºÉÃËÉÊ¸»»ÄʻȻºƔ•ÄÆËÊż·ËÉ»Èķûʾ·Ê¿É·ÂÈ»·ºÏÈ»½¿ÉʻȻº¿ÉÄÅÊ·ÂÂÅÍ»ºƔ•ÅʾơÉ»È·Ã»Ƣ·Äºơ·ÉÉÍÅȺƢ·È»¹·É»ƖÉ»Äɿʿ̻Ɣ»Ï »¾·Ì¿ÅÈʸƾƿ ÄÉ»ÈÊÉ·ÉÆ·¹»ƔʹƾƯƿƭʺƾ̊ƿ »Â»¹ÊÉ·¹¾·È·¹Ê»ÈƔʻƾ ƿƭʼƾ ƿ ÅÌ»Éʾ»¹ËÈÉÅÈƔƾƿ »Â»Ê»Éʾ»¹¾·È·¹Ê»ÈÊÅʾ»»¼Êżʾ»¹ËÈÉÅÈƔƾƿ »Â»Ê»Éʾ»¹¾·È·¹Ê»ÈÊÅʾ»È¿½¾Êżʾ»¹ËÈÉÅÈƔƾƿͿʹ¾»Éʾ»ÊÏÆ»ż¹¾·È·¹Ê»ÈÊÅ»º¿ÊƔÈ»ÉɿĽʾ»Á»Ï»·¹¾ʿûÉͿʹ¾»Éʾ»ɻ»¹Ê¿ÅÄ¿Äʾ»¼ÅÂÂÅͿĽÉ»Ç˻Ĺ»ƓƺËÆÆ»È¹·É»ƻΓƘƢʶƺÉÏøÅÂÉƻΓƺËÆÆ»È¹·É»ƻ•¾»ơÄÂÏƢ·Äºơ¿É·¸Â»ºƢÅÆÊ¿ÅÄÉ¹·Ä¸»ɻ»¹Ê»ºÅȺ»É»Â»¹Ê»ºËɿĽʻƾ ƿƔˀÈ»ÉÉʽƾƿÊÅ¹ÅÃÆÂ»Ê»ʾ»È»½¿ÉÊÈ·Ê¿ÅÄƔ•È»ÉɿĽʾƾƿº¿É¹·ÈºÉ¿Ä¼ÅÈ÷ʿÅÄʾ·Ê¿É¿ÄÆËÊÅÄʾ»ËÉ»ÈÈ»½¿ÉÊÈ·Ê¿ÅÄɹȻ»Ä·ÄºÈ»ÊËÈÄÉʾ»º¿ÉÆÂ·ÏÊÅʾ»É»ÈÉ¿ÉÊɹȻ»ÄƔº¿Ê¿Ä½É»ÈļÅÈ÷ʿÅÄʼÈ»ÉÉʾƾƔƿÊÅº¿ÉÆÂ·Ïʾ»É»ÈÉ¿ÉÊɹȻ»ÄƔʽÈ»ÉÉʹƾ ƿƭʺƾ ƿÊÅɻ»¹Êʾ»ËÉ»ÈÊÅ»º¿ÊƔʾÈ»ÉÉʻƾƿÊÅº¿ÉÆÂ·Ïʾ»ËÉ»ÈÈ»½¿ÉÊÈ·Ê¿ÅÄɹȻ»ÄƔÅÂÂÅÍʾ»ɷûÉÊ»ÆÉ¼ÅÈÈ»½¿ÉʻȿĽ·Ä»ÍËÉ»ÈÊÅ»º¿Êʾ»ËɻȿļÅÈ÷ʿÅÄƔ»Â»Ê¿Ä½·É»ÈʼÈ»ÉÉʾƾƔƿÊÅº¿ÉÆÂ·Ïʾ»É»ÈÉ¿ÉÊɹȻ»ÄƔʽÈ»ÉÉʹƾ ƿƭʺƾ ƿÊÅɻ»¹Êʾ»ËÉ»ÈÊź»Â»Ê»ƔʾÈ»ÉÉ·Äº¾ÅºʼƾƺƻƿƔļÅÈ÷ʿÅÄÈ»½¿ÉʻȻº¼ÅÈʾ»ɻ»¹Ê»ºËÉ»È¿Éº»Â»Ê»ºƑ·Äº·ÂÂËÉ»ÈÉ¸»ÂÅÍ·È»ɾ¿¼Ê»ºËÆÍ·ÈºÊÅÈ»ÆÂ·¹»ʾ»º»Â»Ê»ºÈÅÍƔ●ļÅÈ÷ʿÅÄʾ·Ê¿É·ÂʻȻºÅÈº»Â»Ê»ºÍ¿ÂÂÊ·Á»»¼¼»¹Ê·Êʾ»Ä»ÎÊÂŽ¿ÄƔƭʸʼʸʼƖʼ
»ÃÅÊ»ƻȷʿÅÄ¸Ï»½¿ÉʻȻºÉ»ÈÈ»½¿ÉʻȻºËÉ»È÷Ï¸»·ËʾÅȿлº¸Ïʾ»·ºÃ¿Ä¿ÉÊÈ·ÊÅÈÊÅÈ»ÃÅÊ»ÂÏÅÆ»È·Ê»ʾ»ÊÈ·Äɹ»¿Ì»ÈËɿĽƔʼ»Â»¹Ê»ÄËƾˀƿ³»½¿ÉʻȻºÉ»ÈÉͱ»ÃÅÊ»ƻȷʿÅÄ´ƔʽÈ»ÉÉʻƾƿƔʾÈ»ÉÉʹƾƯƿƭʺƾ̊ƿÊÅɻ»¹ÊơÄƢÅÈơ¼¼ƢƔÄƓËʾÅȿлÉÂŽ¿Ä¸Ï·È»½¿ÉʻȻºËÉ»ÈƔÅͻ̻ÈƑʾ¿É»Î¹Â˺»ÉËÉ»ÈÉ¼ÅÈ;¿¹¾ʾ»ơ¿É·¸Â»ºƢ¹¾»¹Á¸ÅÎ¿Éɻ»¹Ê»º¿Äʾ»ËÉ»È¿Ä¼ÅÈ÷ʿÅÄƔ¼¼ƓÈž¿¸¿ÊÉÂŽ¿Ä¸Ï·È»½¿ÉʻȻºËÉ»ÈƔÄÂÏʾ»·ºÃ¿Ä¿ÉÊÈ·ÊÅÈ¿É·ÂÂÅÍ»ºÊÅÂŽ¿Ä¿Äʾ¿ÉÉ»ÊʿĽƔ•̐̐ ̑̑¿½¾ÊÉËÆ;»Ä·È»½¿ÉʻȻºËÉ»È¿ÉÂŽ½»º¿ÄƔ•¾»ÄÉÅûÅÄ»¿É·ÂÈ»·ºÏÂŽ½»º¿ÄƑ·ÄÅʾ»ÈÈ»ÃÅÊ»ËÉ»ÈƺÈ»½·ÈºÂ»ÉÉż·Ä·ºÃ¿Ä¿ÉÊÈ·ÊÅÈÅÈÈ»½¿ÉʻȻºËÉ»Èƻ¹·ÄÄÅÊÂŽ¿ÄƔ•¼¹ÅÄÄ»¹Ê¿ÅÄ¿ÉÂÅÉÊ;¿Â»ʾ»ÊÈ·Äɹ»¿Ì»È¿É¿Äʾ»Ãź»Ƒʾ»ÊÈ·ÄÉÿÉÉ¿ÅÄ»ÄºÉ·ËÊÅ÷ʿ¹·ÂÂÏƔ»ÉÉ¿ÅÄ¿Ã»¾»÷οÃËÃºËÈ·Ê¿ÅÄ¼ÅÈ·È»½¿ÉʻȻºËÉ»ÈÊÅÂŽ¿Ä·ÄºËÉ»ʾ»ÊÈ·Äɹ»¿Ì»È¹·Ä¸»¹Åļ¿½ËÈ»º·É¼ÅÂÂÅÍÉƔʼ»Â»¹Ê»ÄËƾʸʷƿ³»ÉÉ¿ÅÄ¿Ã»´ƔʽÈ»ÉÉʻƾƿƔʾÈ»ÉÉʹƾƯƿƭʺƾ̊ƿÊÅɻ»¹Ê·ʿûƔ»ÊʿĽ·ÂË»ʸƾÿÄƿƭʹƾÿÄƿƭʺƾÿÄƿƭʼƾÿÄƿƭʸʷƾÿÄƿƭʸʼƾÿÄƿƭʹʷƾÿÄƿƭʺʷƾÿÄƿƭʻʷƾÿÄƿƭʼʷƾÿÄƿƭʽʷƾÿÄƿƭˀʷƾÿÄƿƭʸʹʷƾÿÄƿƭÄ¿ÿʻºƺº»¼·ËÂÊƻ●¾»È»¿ÉÄÅʿûÈ»ÉÊÈ¿¹Ê¿ÅÄ;»Äʾ»·ºÃ¿Ä¿ÉÊÈ·ÊÅÈ¿ÉÂŽ½»º¿ÄƔ●¾»·ÂʻȻºÉ»ÊʿĽÉżʾ»¿Ä¼ÅÈ÷ʿÅÄÍ¿ÂÂÊ·Á»»¼¼»¹Ê·Êʾ»Ä»ÎÊÂŽ¿ÄƔ»Â¹Åû»ÉÉ·½»Ê»ÎÊûÉÉ·½»ÄÅÊ¿¼¿¹·Ê¿ÅÄ¼ÅÈʾ»È»ÃÅÊ»ËÉ»È¹·Ä¸»ÍÈ¿ÊÊ»ÄÊÅʾ»ÊÈ·Äɹ»¿Ì»È¿Ä·ºÌ·Ä¹»·Äºº¿ÉÆÂ·Ï»ºÅÄʾ»ƖʿˀʷËÉ»º¸Ïʾ»È»ÃÅÊ»ËÉ»ÈƔÊ»ÎÊûÉÉ·½»ÄÅÊ¿¼¿¹·Ê¿ÅÄ¼ÈÅÃ·È»ÃÅÊ»ËÉ»ÈÊÅÅʾ»ÈÈ»ÃÅÊ»ËÉ»ÈÉ¹·Ä¸»ÍÈ¿ÊÊ»ÄÊÅʾ»ÊÈ·Äɹ»¿Ì»ÈÌ¿·È»ÃÅÊ»ÅÆ»È·Ê¿ÅÄƔʼ»Â»¹Ê»ÄËƾʸʸƿ³»Â¹Åû»ÉÉ·½»´ƔʽÈ»ÉÉʻƾƿƔʾÉ»ʾ»¼ËĹʿÅÄÁ»ÏÉƑƾƭƿ¹ÅÄÊÈÅÂÅÈÁ»Ï¸Å·ÈºÊÅ»ÄÊ»È·¹¾·È·¹Ê»ÈÉÊȿĽƔ»Ï »¾·Ì¿ÅÈʸƾƿ ÄÉ»ÈÊÉ·ÉÆ·¹»ƔʹƾƯƿƭʺƾ̊ƿ »Â»¹ÊÉ·¹¾·È·¹Ê»ÈƔʻƾ ƿƭʼƾƿÅÌ»Éʾ»¹ËÈÉÅÈƔƾƿ »Â»Ê»Éʾ»¹¾·È·¹Ê»ÈÊÅʾ»»¼Êżʾ»¹ËÈÉÅÈƔƾƿ »Â»Ê»Éʾ»¹¾·È·¹Ê»ÈÊÅʾ»È¿½¾Êżʾ»¹ËÈÉÅÈƔƾƿͿʹ¾»Éʾ»ÊÏÆ»ż¹¾·È·¹Ê»ÈÊÅ»º¿ÊƔÈ»ÉɿĽʾ»Á»Ï»·¹¾ʿûÉͿʹ¾»Éʾ»ɻ»¹Ê¿ÅÄ¿Äʾ»¼ÅÂÂÅͿĽÉ»Ç˻Ĺ»ƓƺËÆÆ»È¹·É»ƻΓƘƢʶƺÉÏøÅÂÉƻΓƺËÆÆ»È¹·É»ƻʿÈ»ÉÉʽƾƿÊÅÉ·Ì»ʾ»ûÉÉ·½»Ɣ●¾¿ÉûÉÉ·½»¹·Ä¸»È»ÍÈ¿ÊÊ»Ä¸Ïʾ»·ºÃ¿Ä¿ÉÊÈ·ÊÅÈÅÈ·È»½¿ÉʻȻºËÉ»ÈÌ¿·¹ÅÃ÷ĺ·¹¹»ÉÉƔʸʼƭʸʼƖʽ
Åļ¿½ËȿĽʾ»ÅÍ»ÈƖÅÄ»ÉÉ·½»ÆÅÍ»ÈƖÅÄûÉÉ·½»¹·Ä¸»º¿ÉÆÂ·Ï»ºÅÄʾ»ɹȻ»Ä·¼Ê»Èʾ»ÆÅÍ»Èżʾ¿ÉÊÈ·Äɹ»¿Ì»È¿ÉÊËÈÄ»ºÅÄ·Äº¸»¼ÅÈ»¿ÊÉÊ·ÈÊÉËÆƔÊ»ÎÊûÉÉ·½»É˹¾·Éʾ»¹·ÂÂÉ¿½Ä¹·Ä¸»¹Åļ¿½ËÈ»º·Éʾ»ÆÅÍ»ÈƖÅÄûÉÉ·½»·¹¹ÅȺ¿Ä½ÊÅʾ»ËÉ»ÈƠÉÆÈ»¼»È»Ä¹»ÉƔÅļ¿½ËÈ»¿Ä»ÄËƾʷƖʷʽƿ³ÅÍ»ÈƖÅÄ»ÉÉ·½»´É»ʾ»¼ËĹʿÅÄÁ»ÏÉƑƾƭƿ¹ÅÄÊÈÅÂÅÈÁ»Ï¸Å·ÈºÊÅ»ÄÊ»È·ûÉÉ·½»Ɣ•ÄÊ»È·ûÉÉ·½»ʾ·Ê¹ÅÄÊ·¿ÄÉÄÅÊÃÅÈ»ʾ·Äʸʼ¹¾·È·¹Ê»ÈÉƔ¾»º»¼·ËÂÊÉ»ÊʿĽ¿ÉơƢƔ»Ï »¾·Ì¿ÅÈʸƾƿ ÄÉ»ÈÊÉ·ÉÆ·¹»ƔʹƾƯƿƭʺƾ̊ƿ »Â»¹ÊÉ·¹¾·È·¹Ê»ÈƔʻƾ ƿƭʼƾ ƿ ÅÌ»Éʾ»¹ËÈÉÅÈƔƾƿ »Â»Ê»Éʾ»¹¾·È·¹Ê»ÈÊÅʾ»»¼Êżʾ»¹ËÈÉÅÈƔƾƿ »Â»Ê»Éʾ»¹¾·È·¹Ê»ÈÊÅʾ»È¿½¾Êżʾ»¹ËÈÉÅÈƔƾƿͿʹ¾»Éʾ»ÊÏÆ»ż¹¾·È·¹Ê»ÈÊÅ»º¿ÊƔÈ»ÉɿĽʾ»Á»Ï»·¹¾ʿûÉͿʹ¾»Éʾ»É»Â»¹Ê¿ÅÄ¿Äʾ»¼ÅÂÂÅͿĽÉ»Ç˻Ĺ»ƓƺËÆÆ»È¹·É»ƻΓ·¸¹ƺÂÅÍ»È¹·É»ƻΓƘƢʶƺÉÏøÅÂÉƻΓƺËÆÆ»È¹·É»ƻʽƾƿ »½¿ÉÊ»ÈÉʾ»»º¿Ê»º¹¾·È·¹Ê»ÈÉƔÅļ¿½ËȿĽʾ»¹È»»Ä·Ì»ÈɹȻ»ÄÉ·Ì»È¿É·ËĹ¾»º·ËÊÅ÷ʿ¹·ÂÂÏ¿¼ʾ¿ÉÊÈ·Äɹ»¿Ì»È¿ÉÄÅÊÅÆ»È·Ê»º¼ÅÈ·ºËÈ·Ê¿ÅÄ·É¹Åļ¿½ËÈ»º¿Äʾ»ʿû¼ÅÈ·¹Ê¿Ì·Ê¿Ä½ʾ»É¹È»»ÄÉ·Ì»ÈƔ¾¿ÉÊÈ·Äɹ»¿Ì»È¹ÅûÉͿʾʺÊÏÆ»ÉżɹȻ»ÄÉ·Ì»ÈÉƔÅļ¿½ËȿĽÊÅʾ»ÏÆ»ʹɹȻ»ÄÉ·Ì»È·ÂÂÅÍÉ·÷ÄË·ÂÂÏ¿ÄÆËÊÊ»ÎÊÊÅ¸»º¿ÉÆÂ·Ï»ºÅÄʾ»ɹȻ»ÄƔÅļ¿½ËȿĽʾ»¹È»»Ä·Ì»ÈÏÆ»¾»ÊÏÆ»żɹȻ»ÄÉ·Ì»ÈÊÅËÉ»¹·Ä¸»ɻ»¹Ê»º·É¼ÅÂÂÅÍÉƔÅļ¿½ËÈ»¿Ä»ÄËƾʷƖʷʺƿ³¹È»»Ä·Ì»È´»ÊʿĽ·ÂË» ¼¼ƺº»¼·ËÂÊƻƭÏÆ»ʸƭÏÆ»ʹƭÏÆ»ʺƭ¿ÉÆÂ·Ï¼¼ÏÆ»ʸƓ¿ÉÆÂ·ÏÉÅÄÂÏ·Ä¿Ã·½»ƔÏÆ»ʹƓ¿ÉÆÂ·ÏÉ¸Åʾ¿Ã·½»·ÄºÊ»ÎÊƔÏÆ»ʺƓ¿ÉÆÂ·ÏÉ·Ä¿Ã·½»ÉÊÅÈ»º¿Äʾ»¸Ë¿ÂÊƖ¿ÄûÃÅÈÏƔ•¾»ÄɹȻ»ÄÉ·Ì»È¿ÉÉ»ÊÊÅơ¿ÉÆÂ·Ï¼¼ƢƑʾ»¸·¹Á¿½¾Êżʾ»ɹȻ»ÄÊËÈÄÉż¼·ÄºÅËÊÆËÊÊÅ·Ä»ÎÊ»ÈÄ·Âº¿ÉÆÂ·Ï¿É·ÂÉÅÊËÈÄ»ºż¼Ê»ÃÆÅÈ·È¿ÂÏ·¼Ê»È·ÉÆ»¹¿¼¿¹ƻȿźż¿Ä·¹Ê¿Ì¿ÊÏƔ●¾»ɹȻ»ÄÉ·Ì»Èº¿ÉÆÂ·Ï¹·Ä¸»¹Â»·È»º¸ÏÅÆ»È·Ê¿Ä½·ÄÏÁ»ÏÅÈ¹ÅÄÊÈÅÂÅÈÊÅ˹¾¿Ä½ʾ»ɹȻ»Äżʾ¿ÉÊÈ·Äɹ»¿Ì»ÈƔ●¼¿Ã·½»É¼ÅÈËÉ»º¸ÏÏÆ»ʺ·È»ÄÅÊÉ·Ì»ºƑʾ»ɹȻ»ÄÉ·Ì»È¹·ÄÄÅÊ¸»º¿ÉÆÂ·Ï»º»Ì»Ä;»ÄÏÆ»ʺ¿Éɻ»¹Ê»ºƔ·Ì¿Ä½÷½»É¼ÅÈÉ»¸ÏÏÆ»ʺ¹È»»Ä·Ì»ÈÅÂÂÅÍʾ»ÉÊ»ÆÉ¸»ÂÅÍÊÅÉ·Ì»ʾ»¿Ã·½»ÊÅº¿ÉÆÂ·Ï·Éʾ»ÏÆ»ʺɹȻ»ÄÉ·Ì»È¼ÈÅÃ·¼Â·É¾ºÈ¿Ì»ÊÅʾ»¸Ë¿ÂÊƖ¿ÄûÃÅÈÏżʾ»ÊÈ·Äɹ»¿Ì»ÈƔ•÷½»¼¿Â»Éʾ·Ê·È»ËÉ»º·Éʾ»ɹȻ»ÄÉ·Ì»ÈÃËÉÊ¸»żʾ»ÀƽÅÈÀÆ»½»ÎÊ»ÄÉ¿ÅÄͿʾ·È»ÉÅÂËÊ¿ÅÄÄÅÊ¾¿½¾»Èʾ·Äʹʷû½·Æ¿Î»ÂÉƺʸˀʹʷ̍ʸʷʿʷƿλÂÉƻƔʼÅÆÏʾ»¿Ã·½»É¿ÄÊÅʾ»³ʚƖʿˀʷʚ´¼Åº»Èżʾ»¼Â·É¾ºÈ¿Ì»ËɿĽ·ƔʽÅÄÄ»¹Êʾ»¼Â·É¾ºÈ¿Ì»ÊÅʾ¿ÉÊÈ·Äɹ»¿Ì»ÈƔʾÈ»ÉÉƾƭƿÅÄʾ»ûÄËɹȻ»ÄÊÅº¿ÉÆÂ·Ïʾ»ƭ¿Â»·Ä·½»Ã»ÄÊûÄËɹȻ»ÄƔʿ»Â»¹Ê³÷½»¿Â»É¼ÅÈ¹È»»Ä·Ì»ÈƺÏÆ»ʺƻ´ƔˀÈ»ÉÉʻƾƿƔ¹Åļ¿È÷ʿÅÄɹȻ»ÄÅÄʾ»È»·º¿Ä½ż¿Ã·½»¼¿Â»É¿Éº¿ÉÆÂ·Ï»ºƔ•È»ÉɿĽʾƾƿÈ»ÊËÈÄÉʾ»º¿ÉÆÂ·ÏÊÅʾ»ƭ¿Â»·Ä·½»Ã»ÄÊûÄËɹȻ»ÄͿʾÅËÊÉÊ·ÈʿĽʾ»È»·º¿Ä½ƔˁÈ»ÉÉʻƾƿƔ¾»È»·º¿Ä½ż¼¿Â»ÉÉÊ·ÈÊÉƔ●¾»Ä¿Ã·½»¼¿Â»É·È»¿ÃÆÅÈÊ»º¿ÄÊÅʾ»¸Ë¿ÂÊƖ¿ÄûÃÅÈÏżʾ»ÊÈ·Äɹ»¿Ì»ÈƑ·ÂÂ¿Ã·½»Éʾ·ÊͻȻÆÈ»Ì¿ÅËÉÂÏ¿ÃÆÅÈÊ»ºÍ¿ÂÂ¸»»È·É»ºƔƺ»·É»ÄÅÊ»ʾ·Ê¿¼ʾ»ÉÆ»¹¿¼¿»º¼Åº»Èżʾ»¼Â·É¾ºÈ¿Ì»ʾ·Ê¿É¿ÃÆÅÈÊ»º¿É»ÃÆÊÏƑ·Â¿÷½»¼¿Â»É¿Äʾ»¸Ë¿ÂÊƖ¿ÄûÃÅÈÏżʾ»ÊÈ·Äɹ»¿Ì»ÈͿ¸»»È·É»ºƔƻ●¾»º¿ÉÆÂ·ÏÉ»Ç˻Ĺ»ºËȿĽ·É¿º»É¾ÅÍ¼ÅÂÂÅÍÉʾ»É»Ç˻Ĺ»żʾ»¹¾·È·¹Ê»È¹Åº»ÉƺƖʿʿʼˀƖʸƻƔÅÈ¿ÄÉʷĹ»Ƒ;»Ä¼¿Â»É·È»ķûº¿ÄÈËÄĿĽÄËø»ÈÉƑʾ»ÏÍ¿ÂÂ¸»º¿ÉÆÂ·Ï»º¿Äʾ»·É¹»Äº¿Ä½ÅȺ»È·É¼ÅÂÂÅÍÉƓʷʷʸͨ···ƔÀƽƑʷʷʹͨ¸¸¸ƔÀƽƑʷʷʺͨ¹¹¹ƔÀƽƔÂÂ¿Ã·½»º·Ê·ʾ·Ê·È»¿ÃÆÅÈÊ»ºÊÅʾ»¸Ë¿ÂÊƖ¿ÄûÃÅÈÏżʾ»ÊÈ·Äɹ»¿Ì»ÈÍ¿ÂÂ¸»»È·É»º;»ÄÉʷĺ·ÈºȻɻÊÅÈ¼ËÂÂȻɻÊ¿ÉƻȼÅÈûºƔÅļ¿½ËȿĽʾ»¿Ã»¼ÅÈ·ËĹ¾¿Ä½ʾ»¹È»»Ä·Ì»È¾»ʿÿĽ¼ÅÈ·ËĹ¾¿Ä½ʾ»ɹȻ»ÄÉ·Ì»È·¼Ê»Èʾ»Á»ÏÉÅÈ¹ÅÄÊÈÅÂÉ·È»·ÉÊÅÆ»È·Ê»º¹·Ä¸»¹Åļ¿½ËÈ»ºÅÄʾ¿ÉÊÈ·Äɹ»¿Ì»ÈƔÅļ¿½ËÈ»¿Ä»ÄËƾʷƖʷʻƿ³¹È»»Ä·Ì»È·¿Ê¿Ã»´»ÊʿĽ·ÂË» Ȼ̿»ÍƺʼƾÉ»¹ƿƻƺº»¼·ËÂÊƻƭʼƾÿÄƿƭʸʼƾÿÄƿƭʺʷƾÿÄƿƭʽʷƾÿÄƿÅļ¿½ËȿĽʾ»¿ÉÆÂ·Ï»º¹È»»Ä·Ì»È»ÎÊ¾»ÄÏÆ»ʹɹȻ»ÄÉ·Ì»È¿Éɻ»¹Ê»ºƑ·Ê»ÎÊÊÅ¸»º¿ÉÆÂ·Ï»ºÅÄʾ»ɹȻ»Ä¹·Ä¸»÷ÄË·ÂÂÏ¿ÄÆËÊƔ¾»¿ÄÆËÊÊ»ÎÊÍ¿ÂÂ¸»º¿ÉÆÂ·Ï»º·ÊȷĺÅÃÆÅɿʿÅÄÉÅÄʾ»ɹȻ»Ä;»Äʾ»ɹȻ»ÄÉ·Ì»È¿É·¹Ê¿Ì·Ê»ºƔÅļ¿½ËÈ»¿Ä»ÄËƾʷƖʷʼƿ³¹È»»Ä·Ì»È»ÉÉ·½»´É»ʾ»¼ËĹʿÅÄÁ»ÏÉƑƾƭƿ¹ÅÄÊÈÅÂÅÈÁ»Ï¸Å·ÈºÊÅ»ÄÊ»È·ûÉÉ·½»Ɣ•ÄÊ»È·ûÉÉ·½»ʾ·Ê¹ÅÄÊ·¿ÄÉÄÅÊÃÅÈ»ʾ·Äʸʷ¹¾·È·¹Ê»ÈÉƔ¾»º»¼·ËÂÊÊ»ÎÊ¿ÉơƖʿˀʷƢƔ»Ï »¾·Ì¿ÅÈʸƾƿ ÄÉ»ÈÊÉ·ÉÆ·¹»ƔʹƾƯƿƭʺƾ̊ƿ »Â»¹ÊÉ·¹¾·È·¹Ê»ÈƔʻƾ ƿƭʼƾ ƿ ÅÌ»Éʾ»¹ËÈÉÅÈƔƾƿ »Â»Ê»Éʾ»¹¾·È·¹Ê»ÈÊÅʾ»»¼Êżʾ»¹ËÈÉÅÈƔƾƿ »Â»Ê»Éʾ»¹¾·È·¹Ê»ÈÊÅʾ»È¿½¾Êżʾ»¹ËÈÉÅÈƔƾƿͿʹ¾»Éʾ»ÊÏÆ»ż¹¾·È·¹Ê»ÈÊÅ»º¿ÊƔÈ»ÉɿĽʾ»Á»Ï»·¹¾ʿûÉͿʹ¾»Éʾ»ɻ»¹Ê¿ÅÄ¿Äʾ»¼ÅÂÂÅͿĽÉ»Ç˻Ĺ»ƓƺËÆÆ»È¹·É»ƻΓ·¸¹ƺÂÅÍ»È¹·É»ƻΓƘƢʶƺÉÏøÅÂÉƻΓƺËÆÆ»È¹·É»ƻʽƾƿ »½¿ÉÊ»ÈÉʾ»»º¿Ê»º¹¾·È·¹Ê»ÈÉƔʸʽʸʽʸʽƖʸ
Åļ¿½ËȿĽʾ»ÅĽƖÆÈ»ÉÉ»¾·Ì¿ÅÈż»ÏÉ»Â»¹Êʾ»»Ľʾżʾ»È»ÉÆÅÄÉ»ʿû;»Ä·Á»Ï¿ÉÆÈ»ÉÉ»º·Äº¾»ÂººÅÍÄƔÅļ¿½ËÈ»¿Ä»ÄËƾʷƖʸʺƿ³ÅĽÈ»ÉÉËÈ·Ê¿ÅÄż·Ä»Â»ÏÉ´»ÊʿĽ·ÂË» ʹʷʷÊÅʼʷʷƺº»¼·ËÂÊƻÊÅʹʷʷʷƾÃÉƿƺʸʷʷƾÃÉƿÉÊ»ÆƻÅļ¿½ËȿĽʾ»»»ÆÅÂËû¸»»ÆÊÅÄ»¿ÉÅËÊÆËÊ;»Ä·Á»Ï¿ÉÅÆ»È·Ê»ºÅÈ·¹Ê¿Ì·Ê»ºƔ»Â»¹Ê¿Ä½ơƢÃËÊ»Éʾ»¸»»ÆÊÅÄ»ƔÅļ¿½ËÈ»¿Ä»ÄËƾʸƖʷʷƿ³»»ÆÅÂËû´»ÊʿĽ·ÂË» ¼¼ƭʸÊÅʸʷƺº»¼·ËÂÊƻÊÅʹʷƺʸÉÊ»Æƻ»ÏÉƺÈŽȷÃ÷¸Â»ËĹʿÅÄ»ÏÉƻ¾»Á»ÏÉ¹·Ä¸»·ÉÉ¿½Ä»ºͿʾº¿¼¼»È»ÄÊ¼ËĹʿÅÄÉżʾ¿ÉÊÈ·Äɹ»¿Ì»ÈƔÉÉ¿½Ä¿Ä½¼È»ÇË»ÄÊÂÏƖËÉ»º¼ËĹʿÅÄÉÅÈûÄËÉÊÅʾ»Á»ÏÉ·ÂÂÅÍÉʾ»É»¼ËĹʿÅÄÉÅÈûÄËÉÊÅ¸»¿ÄÌÅÁ»ºÇË¿¹ÁÂÏÉ¿ÃÆÂÏ¸ÏÆÈ»ÉɿĽʾ»¹ÅÈÈ»ÉÆÅĺ¿Ä½Á»ÏƔÁ»ÏÉʾ·Ê¹·Ä¸»·ÉÉ¿½Ä»ºͿʾ¼È»ÇË»ÄÊÂÏƖËÉ»º¼ËĹʿÅÄÉ·È»Â·È½»ÂÏº¿Ì¿º»º¿ÄÊÅʾÅÉ»¼ÅÈ·¹¹»ÉÉÊÅʾ»ûÄËɹȻ»ÄÉƑʾ»¼ÈÅÄÊÆ·Ä»ÂÁ»ÏÉƑ·ÄºʾÅÉ»¼ÅÈ·¹¹»ÉÉÊÅʾ»ûÃÅÈÏ¹¾·ÄÄ»ÂÉƔÅÈÃÅÈ»º»Ê·¿ÂÉƑÆÂ»·É»È»¼»ÈÊÅơ¿ÉÊżÉÉ¿½Ä·¸Â»ËĹʿÅÄÉƢƔÁ»ÏÉʾ·Ê¹·Ä¸»·ÉÉ¿½Ä»ºͿʾ·¼ËĹʿÅÄ·È»·É¼ÅÂÂÅÍÉƔ»ÏÉÅÄʾ»ÈÅÄÊ·Ä»ÂƓƾƿƑƾƿƑƾƿ»ÏÉÅÄʾ»¿¹ÈÅÆ¾ÅÄ»ƓƾʸƿÊÅƾʻƿƑƾƿƑƾƿÎÊ»ÈÄ·Â»ÏÉƺ»Â¼Ɩ÷º»»ÏÉ¸ÏÉ»ÈÉƻƓƾʸƿÊÅƾʿƿÉÉ¿½Ä¿Ä½ËĹʿÅÄÉÊÅ»ÏÉƺÈÅÄÊ·Ä»Âƻ¾»È»·È»ʺÁ»ÏÉÅÄʾ»¼ÈÅÄÊÆ·Ä»Âʾ·Ê¹·Ä¸»·ÉÉ¿½Ä»ºͿʾ¼ËĹʿÅÄÉƔÅļ¿½ËÈ»ËɿĽÅÄ»żʾ»ûÄËÉ¸»ÊÍ»»ÄƾʷƖʸʼƿ³Ɠ»ÏÉÉ¿½ÄûÄÊ´·ÄºƾʷƖʸʾƿ³Ɠ»ÏÉÉ¿½ÄûÄÊ´ƔÉÉ¿½Ä¿Ä½ËĹʿÅÄÉÊÅ»ÏÉƺ¿¹ÈÅÆ¾ÅÄ»ƻ¾»ÄÅÄ»żʾ»ÿ¹ÈÅÆ¾ÅÄ»É¸»ÂÅÍÅÈ·ɻ¼Ɩ÷º»ɻ»¹ÊÅÈ¿É¹ÅÄÄ»¹Ê»ºÊÅʾ»¹ÅÄÄ»¹ÊÅÈÅÄʾ»¼ÈÅÄÊÆ·Ä»ÂƑËÆÊÅʽ¼ËĹʿÅÄÉ¹·Ä¸»·ÉÉ¿½Ä»ºÊÅʾ»Á»ÏÉƔƖʻʺƓƾƿƑƾƿƖʻʾƓƾʸƿÊÅƾʻƿƑƾƿƑƾƿƖʽʷʿƓƾƿƑƾƿƖˀʷƓƾƿƑƾƿÅļ¿½ËÈ»ËɿĽÅÄ»żʾ»ûÄËÉ¸»ÊÍ»»ÄƾʷƖʹʽƿ³¿¹ÈÅÆ¾ÅÄ»ʸƓ»ÏÉÉ¿½ÄûÄÊ´·ÄºƾʷƖʺʸƿ³¿¹ÈÅÆ¾ÅÄ»Ɠ»ÏÉÉ¿½ÄûÄÊ´Ɣ•Å¹È»·Ê»·ɻ¼Ɩ÷º»ɻ»¹ÊÅÈƑÆÂ»·É»È»¼»ÈÊÅʾ»¹¿È¹Ë¿Êº¿·½È·Ã¸»ÂÅÍƔ12345678100 kΩ22 kΩ100 kΩ22 kΩPF4PF3PF2PF1DOWNUP●Èź˹ʿÅÄżʾ»Ɩʻʾÿ¹ÈÅÆ¾ÅÄ»¾·É¸»»Äº¿É¹ÅÄÊ¿ÄË»ºƔʸʽʸʽƖʹ
ÉÉ¿½Ä¿Ä½ËĹʿÅÄÉÊÅʾ»»ÏÉƺ·¹Áƻ¾»À·¹ÁÅÄʾ»È»·ÈÆ·Ä»Â¹·Ä¸»ËÉ»ºÊÅ¹ÅÄÄ»¹Ê·ɻ¼Ɩ÷º»ɻ»¹ÊÅÈƔÅļ¿½ËÈ»ËɿĽÅÄ»żʾ»ûÄËÉ¸»ÊÍ»»ÄƾʷƖʸʿƿ³ÎÊ»ÈÄ·ÂʸƓ»ÏÉÉ¿½ÄûÄÊ´·ÄºƾʷƖʹʼƿ³ÎÊ»ÈÄ·ÂʿƓ»ÏÉÉ¿½ÄûÄÊ´ƔÅ¹È»·Ê»·ɻ¼Ɩ÷º»Á»ÏÆ·ºƑÆÂ»·É»È»¼»ÈÊÅʾ»¹¿È¹Ë¿Êº¿·½È·Ã¸»ÂÅÍƔPF8PF7PF6PF54.7 kΩR82.2 kΩR71.5 kΩR61.5 kΩR5PF4PF3PF2PF14.7 kΩR42.2 kΩR31.5 kΩR21.5 kΩR1GNDEXTP1EXTP2Φ3.5 mm plug¿ÉÊżÉÉ¿½Ä·¸Â»ËĹʿÅÄÉ·È·Ã»Ê»È »¾·Ì¿ÅÈżÉÉ¿½Ä»ºËĹʿÅÄÉʷƖʷʷƓˀƖʷʺ È»ÉÉ ·ÂÂÉËÆÅÈ¹ÂÅÉ»É»ÄËÅƔʷƖʷƓ·ÂÂÉËÆÅÈ¹ÂÅÉ»É»ÄËÅƔˀƖʷʺʷƓʹʾÈ»ÉÉ ·ÂÂÉËÆÅÈ¹ÂÅÉ»ÉºÌ·Ä¹»º»ÄËÅƔʷʷƓ·ÂÂÉËÆÅÈ¹ÂÅÉ»ÉºÌ·Ä¹»º»ÄËÅƔʹʾƭƑ̏È»ÉÉ Ϳʹ¾»É¸»ÊÍ»»Ä·ÄºÈ»Éɷĺ¾Åº Åø¿Ä»É·ÄºÈ»ÉÉ Ϳʹ¾»É¹ÅÄÉÊ·ÄÊÊÅƭƭÈ»Éɷĺ¾Åº Ê·ÈÊÉËÆÅÈ»Î¿ÊÉʾ»¹Åļ¿½ËÈ·Ê¿ÅÄɹȻ»Ä È»ÉÉ Ϳʹ¾»ÉÊÅÅÈ È»ÉÉ Ϳʹ¾»ÉÈ»ÉÉ Ϳʹ¾»É·Ëº¿ÅÆ»·Á¼¿ÂÊ»ÈÊÅÅÈÈ»Éɷĺ¾Åº Ê·ÈÊÉËÆÅÈ»Î¿ÊÉʾ»·Ëº¿ÅÆ»·Á¼¿ÂʻȹÅļ¿½ËÈ·Ê¿ÅÄɹȻ»ÄÈ»ÉÉ Ϳʹ¾»É·ÄÊ»ÄÄ·ÊËÄ»ÈÊÅÅÈÈ»Éɷĺ¾Åº Ê·ÈÊÉÊËĿĽ È»ÉÉ »Â»¹Ê¿ÅÄż·ÊÊ»ÄË·ÊÅÈ·Äº¿È»¹ÊƺʸƔʿÐƻ È»ÉÉ ·Äº¿È»¹Êɻ»¹Ê¿ÅÄƺʸƔʿÐ¸·Äºƻ·Äº¿È»¹ÊƺʺƔʼÐƻ È»ÉÉ ·Äº¿È»¹Êɻ»¹Ê¿ÅÄƺʺƔʼÐ¸·Äºƻ·Äº¿È»¹ÊƺʾÐƻ È»ÉÉ ·Äº¿È»¹Êɻ»¹Ê¿ÅÄƺʾÐ¸·Äºƻ·Äº¿È»¹ÊƺʸʷÐƻ È»ÉÉ ·Äº¿È»¹Êɻ»¹Ê¿ÅÄƺʸʷÐ¸·Äºƻ·Äº¿È»¹ÊƺʸʻÐƻ È»ÉÉ ·Äº¿È»¹Êɻ»¹Ê¿ÅÄƺʸʻÐ¸·Äºƻ·Äº¿È»¹ÊƺʸʿÐƻ È»ÉÉ ·Äº¿È»¹Êɻ»¹Ê¿ÅÄƺʸʿÐ¸·Äºƻ·Äº¿È»¹ÊƺʹʸÐƻ È»ÉÉ ·Äº¿È»¹Êɻ»¹Ê¿ÅÄƺʹʸÐ¸·Äºƻ·È·Ã»Ê»È »¾·Ì¿ÅÈżÉÉ¿½Ä»ºËĹʿÅÄÉ·Äº¿È»¹ÊƺʹʻÐƻ È»ÉÉ ·Äº¿È»¹Êɻ»¹Ê¿ÅÄƺʹʻÐ¸·Äºƻ·Äº¿È»¹ÊƺʹʿÐƻ È»ÉÉ ·Äº¿È»¹Êɻ»¹Ê¿ÅÄƺʹʿÐ¸·Äºƻ·Äº¿È»¹ÊƺʼʷÐƻ È»ÉÉ ·Äº¿È»¹Êɻ»¹Ê¿ÅÄƺʼʷÐ¸·Äºƻ È»ÉÉ »·Ê·Ä¹»Âɻ»¹Ê¿ÅÄƺʸƭʹƭƻ·ÆÊËÈ» È»ÉÉ ·ÆÊËÈ»É·ɹȻ»ÄɾÅÊ È»ÉÉ Ê·ÈÊÉËÆÅÈ»Î¿ÊÉʾ»¹·ÈÈ¿»È»̻¹Åļ¿½ËÈ·Ê¿ÅÄɹȻ»Ä È»ÉÉ »·ÈÉƭÅÄÊ»ÉÊËø»È»¹È»Ã»ÄÊ È»ÉÉ ÅÄÊ»ÉÊÄËø»Èº»¹È»Ã»ÄÊƔ È»ÉÉ Ê·ÈÊÉÅÈÉÊÅÆÉ·ËÊÅÊËÄ»ƭƖ È»ÉÉ Ϳʹ¾»ÉƭƖÃź»ƺÉ¿º»¸·ÄºƻÈ»ÉÉ Ϳʹ¾»ÉÃź»ÊÅÅÈÈ»Éɷĺ¾Åº Ê·ÈÊÉËÆÅÈ»Î¿ÊÉʾ»·Ëº¿ÅÉÅËȹ»¿ÄÆËʹÅļ¿½ËÈ·Ê¿ÅÄɹȻ»Ä È»ÉÉÈ·ÄÉÿÊÉʾ»·Ëº¿ÅÉÅËȹ»¹Åļ¿½ËÈ»ºÅÄʾ»·Ëº¿ÅÉÅËȹ»¿ÄÆËÊ¹Åļ¿½ËÈ·Ê¿ÅÄɹȻ»ÄƺΓ·Ëº¿Å¿ÄÆËÊÉ»ÊʿĽ¹ÅÈÈ»ÉÆÅĺ¿Ä½ÊÅʾ»ûʾźżÊÈ·ÄÉÿÉÉ¿ÅÄƻ È»ÉÉͿʹ¾»Éƺƭʹƭƭƻ È»ÉÉ Ϳʹ¾»Éʾ»º¿ÃûÈÊ·ÈÊÉËÆÅÈ»Î¿ÊÉʾ»º¿ÃûÈ¹Åļ¿½ËÈ·Ê¿ÅÄɹȻ»Ä»Ïƺ¿¹ÈÅÆ¾ÅÄ»ƻ È»ÉÉ»¹È»·É»Éʾ»¼È»Ç˻ĹÏƺ¿ÄÃź»ƻÅÌ»ÉÊÅ·É÷»È¹¾·ÄÄ»ÂÄËø»Èƺ¿ÄûÃÅÈÏ¹¾·ÄÄ»ÂÃź»ƻÅÌ»ÉºÅÍÄʾ»ûÄËÅÈÊÅ·É÷»ÈÉ»ÊʿĽ̷ÂË»ƺÅÄûÄË¹Åļ¿½ËÈ·Ê¿ÅÄɹȻ»Äƻ È»ÉÉ Ϳʹ¾»ÉºÈ¿Ì»ÅËÊÆËÊÊÅÅÈÅÄ¿ÊÅÈ È»Éɷĺ¾ÅºͿʹ¾»ÉÃÅÄ¿ÊÅÈƺÍ¿º»ÄÉʾ»¼¿ÂÊ»ÈÊÅʾ»÷οÃËÃƻÊÅÅÈ̐¾¿É¸»¾·Ì¿ÅÈ¿ÉÅÄÂÏ·ÆÆÂ¿¹·¸Â»;»Äʾ»Á»Ï¿ÉÆÈ»ÉÉ»º·Äº¾»ÂººÅÍÄ̑ûȽ»Ä¹ÏÈ»ÇË»Ä¹Ï È»ÉÉ ·Â¿ĽËÆʾ»ÆÈ»¹Åļ¿½ËÈ»º»Ã»È½»Ä¹Ï¼È»Ç˻ĹÏ È»ÉÉ οÊÉʾ»¹Åļ¿½ËÈ·Ê¿ÅÄɹȻ»ÄÎʻĺ»º»ÃÅÈÏ¾·ÄÄ»ÂÈ»ÉÉ ·ÂÂÉËÆ»ÎƷĺ»ºûÃÅÈÏ¹¾·ÄÄ»Âʷ È»ÉÉ »É»ÊÉʾ»¼¿ÂÊ»ÈÊÅʾ»ÆÈ»É»ÊÉÊ·Ê» È»ÉÉͿʹ¾»Éʾ»ƖÊËĿĽ¼ËĹʿÅÄÊÅÅÈƭÈ»ÉÉ Ϳʹ¾»É¸»ÊÍ»»Äʾ»·ÄºÃź»ÉÈ»Éɷĺ¾ÅºͿʹ¾»É¸»ÊÍ»»ÄÄ·ÈÈÅÍ·ÄºÄÅÈ÷ÂƭÈ»ÉÉͿʹ¾»É¸»ÊÍ»»Äʾ»·ÄºÃź»ÉÈ»Éɷĺ¾Åº Ϳʹ¾»ÉÊÅʾ»Ȼ̻ÈÉ»Ãź»È»ÉÉ ·Äº¿È»¹Êɻ»¹Ê¿ÅÄƺƻÈ»Éɷĺ¾Åº Ϳʹ¾»Éʾ»ÊÈ·ÄÉÌ»ÈÊ»ÈÊÅÅÈÈ»ÉÉ Ϳʹ¾»É¸»ÊÍ»»Ä¼¿ÂÊ»ÈÉƑ·ÄºÈ»Éɷĺ¾Åº Ê·ÈÊÉËÆÅÈ»Î¿ÊÉʾ»¼¿ÂÊ»È¹Åļ¿½ËÈ·Ê¿ÅÄɹȻ»Ä È»ÉÉ Ϳʹ¾»Éʾ»¼È»Ç˻ĹÏÂŹÁ¼ËĹʿÅÄÊÅÅÈƭ È»ÉÉͿʹ¾»É¸»ÊÍ»»Äʾ»·ÄºÃź»ÉƔ È»ÉÉ Ê·ÈÊÉËÆʾ»ûÃÅÈÏɹÈÅÂÂÃź»·ÄºÈ»½¿ÉÊ»ÈÉ·ûÃÅÈÏ¹¾·ÄÄ»ÂƭƑ̑È»ÉÉ Ϳʹ¾»É¸»ÊÍ»»ÄûÃÅÈÏ·ÄºÈ»Éɷĺ¾Åº »ÃÅÈÏɾ¿¼ÊƖÅÈ»ÉÉ Ϳʹ¾»Éʾ»ÅËÊÆËÊÆÅÍ»È¿ÿʻÈÊÅÅÈÈ»Éɷĺ¾Åº Ê·ÈÊÉËÆÅÈ»Î¿ÊÉʾ»ÅËÊÆËÊÆÅÍ»È¿ÿʹÅļ¿½ËÈ·Ê¿ÅÄɹȻ»ÄʸʽʸʽƖʺ
·È·Ã»Ê»È »¾·Ì¿ÅÈżÉÉ¿½Ä»ºËĹʿÅÄÉ»ÉÉ·½»»ÃÅÈÏʸ È»ÉÉ Ê·ÈÊÉÊÈ·ÄÉÿÉÉ¿ÅÄżƭƭûÉÉ·½»ʸ»ÉÉ·½»»ÃÅÈÏʹ È»ÉÉ Ê·ÈÊÉÊÈ·ÄÉÿÉÉ¿ÅÄżƭƭûÉÉ·½»ʹ»ÉÉ·½»»ÃÅÈÏʺ È»ÉÉ Ê·ÈÊÉÊÈ·ÄÉÿÉÉ¿ÅÄżƭƭûÉÉ·½»ʺ»ÉÉ·½»»ÃÅÈÏʻ È»ÉÉ Ê·ÈÊÉÊÈ·ÄÉÿÉÉ¿ÅÄżƭƭûÉÉ·½»ʻ»ÉÉ·½»»ÃÅÈÏʼ È»ÉÉ Ê·ÈÊÉÊÈ·ÄÉÿÉÉ¿ÅÄżƭƭûÉÉ·½»ʼ»ÉÉ·½»»ÃÅÈÏʽ È»ÉÉ Ê·ÈÊÉÊÈ·ÄÉÿÉÉ¿ÅÄżƭƭûÉÉ·½»ʽ»ÉÉ·½»»ÃÅÈÏʾ È»ÉÉ Ê·ÈÊÉÊÈ·ÄÉÿÉÉ¿ÅÄżƭûÉÉ·½»ʾ»ÉÉ·½»»ÃÅÈÏʿ È»ÉÉ Ê·ÈÊÉÊÈ·ÄÉÿÉÉ¿ÅÄżƭûÉÉ·½»ʿ È»ÉÉ Ϳʹ¾»Éʾ»ûʻÈÊÏÆ»Ð È»ÉÉ Ϳʹ¾»ÉÊÅʾ»ÐÃź» È»ÉÉ Ϳʹ¾»Éʾ»ÃÅÄ¿ÊÅÈ¼ËĹʿÅÄÊÅÅÈËÊ»ƺ˸»¹»¿Ì»Èƻ È»ÉÉ Ϳʹ¾»Éʾ»É˸ƖÈ»¹»¿Ì»È·Ëº¿ÅÃËÊ»ÊÅÅÈƺËÉ»¼ÅÈÆÂ¿ÊÈ·Äɼ»ÈʹƻʸÈ»ÉÉ Ϳʹ¾»ÉʸÊÅÅÈÈ»Éɷĺ¾Åº Ê·ÈÊÉËÆÅÈ»Î¿ÊÉʾ»ʸ»̻¹Åļ¿½ËÈ·Ê¿ÅÄɹȻ»ÄʹÈ»ÉÉ Ϳʹ¾»ÉʹÊÅÅÈÈ»Éɷĺ¾Åº Ê·ÈÊÉËÆÅÈ»Î¿ÊÉʾ»ʹ»̻¹Åļ¿½ËÈ·Ê¿ÅÄɹȻ»Ä È»ÉÉ Ϳʹ¾»Éʾ»ÄÅʹ¾¼¿ÂÊ»ÈÊÅÅÈÈ»ÉÉ Ϳʹ¾»Éʾ»ÄſɻÈ»ºË¹Ê¿ÅÄÃź»ƺʸƭʹƭƻÈ»Éɷĺ¾ÅºÊ·ÈÊÉËÆÅÈ»Î¿ÊÉʾ»ʸ»̻¹Åļ¿½ËÈ·Ê¿ÅÄɹȻ»ÄÅÈʹ»̻¹Åļ¿½ËÈ·Ê¿ÅÄɹȻ»Ä È»ÉÉÊ·ÈÊÉÅÈÆ·ËÉ»ÉÆÂ·Ï¸·¹Áż·¼¿Â»È»¹ÅȺ¿Ä½ È»ÉÉ È»·ÃÆÂ¿¼¿»Èɻ»¹Ê¿ÅÄÈ»ÉÉͿʹ¾»Éʾ»ÉÆ»»¹¾ÆÈŹ»ÉÉÅÈÊÅÅÈÈ»Éɷĺ¾Åº Ê·ÈÊÉËÆÅÈ»Î¿ÊÉʾ»ÉÆ»»¹¾ÆÈŹ»ÉÉÅȹÅļ¿½ËÈ·Ê¿ÅÄɹȻ»ÄƖƔ È»ÉÉ »½¿ÉÊ»ÈÉÊÅ·ÇË¿¹ÁûÃÅÈÏƖÈ»ÉÉ ·ÂÂÉËÆ·ÇË¿¹ÁûÃÅÈÏÈ»Éɷĺ¾Åº »Â»Ê»É·ÂÂÇË¿¹ÁûÃÅÈÏº·Ê·È»ÉÉ Ê·ÈÊÉÅÈÆ·ËÉ»É÷ÄË·ÂÈ»¹ÅȺ¿Ä½È»Éɷĺ¾Åº ȿʻÉ¼ËÂÂƖʿûÈ»¹ÅȺ¿Ä½º·Ê·ÊÅ·¼¿Â» È»ÉÉ Ϳʹ¾»ÉÊÅÅÈÈ»ÉÉ Ϳʹ¾»Éʾ»·ÄÊ»ÄÄ·ÊÅÅÈÈ»Éɷĺ¾Åº Ϳʹ¾»Éʾ»·ÄÊ»ÄÄ·ÅËÊÆËÊ¼ÅÈʾ»»ÎÊ»ÈÄ·ÂÈ»¹»¿Ì»ÈÊÅÅÈÈ»ÉÉͿʹ¾»Éʾ»»Ç˷¿лÈÊÅÅÈÈ»Éɷĺ¾Åº Ê·ÈÊÉËÆÅÈ»Î¿ÊÉʾ»»Ç˷¿лÈɹȻ»ÄÅÄ¿ÊÅÈÈ»ÉÉ Ϳʹ¾»Éʾ»ÃÅÄ¿ÊÅÈÊÅÅÈÈ»Éɷĺ¾ÅºͿʹ¾»Éʾ»ÃÅÄ¿ÊÅÈƺÊÅÅÆ»Äʾ»ÉÇ˻¹¾¼Åȹ¿¸ÂÏƻÊÅÅÈ̐ÅÄÂÏ;¿Â»Ê¾»Á»Ï¿ÉÆÈ»ÉÉ»º·Äº¾»ÂººÅÍÄ̑·¼»»ÃÅÌ·Âż·ɾȿ̻ È»ÉÉ ÄÃÅËÄÊÉʾ»¼Â·É¾ºÈ¿Ì»È»ÉÉ Ê·ÈÊÉÅÈÉÊÅÆÉɹ·ÄĿĽÈ»Éɷĺ¾ÅºÊ·ÈÊÉËÆÅÈ»Î¿ÊÉƭÈŽȷÃ¹·ÄÉ»½Ã»ÄÊ¹Åļ¿½ËÈ·Ê¿ÅÄɹȻ»Äƭ»ÃÅÈÏ¹·Ä½ÈÅËÆ¹Åļ¿½ËÈ·Ê¿ÅÄɹȻ»Ä È»ÉÉ Ϳʹ¾»ÉÊÅʾ»ɹȻ»Ä È»ÉÉ Ä·¸Â»ÉÅÈº¿É·¸Â»Éʾ»Ãź»·È·Ã»Ê»È »¾·Ì¿ÅÈżÉÉ¿½Ä»ºËĹʿÅÄÉÈ»ÉÉ Ϳʹ¾»ÉÉÆÂ¿ÊÅÆ»È·Ê¿ÅÄÊÅÅÈÈ»Éɷĺ¾Åº Ê·ÈÊÉ¹Åļ¿½ËÈ·Ê¿ÅÄżʾ»¼È»Ç˻ĹÏ¼ÅÈÉÆÂ¿ÊÅÆ»È·Ê¿ÅÄ È»ÉÉ ÊÅÆÉÈ»¹ÅȺ¿Ä½ÅÈÆÂ·Ï¸·¹Á È»ÉÉ Ϳʹ¾»Éº¿ÉÆÂ·ÏÃź»ÊÅÅÈƖ È»ÉÉ Ϳʹ¾»ÉƖÊÅÅÈÈ»ÉÉ ËÈĿĽƭÇ˷¿лÈÈ»Éɷĺ¾Åº Ê·ÈÊÉËÆÅÈ»Î¿ÊÉʾ»»Ç˷¿лÈɹȻ»Äʸ È»ÉÉ Ê·ÈÊÉÅÈ»ÄºÉËÄ»ʸʹ È»Éɷĺ¾ÅºÊ·ÈÊÉÅÈ»ÄºÉËÄ»ʹ̐¾¿É¸»¾·Ì¿ÅÈ¿ÉÅÄÂÏ·ÆÆÂ¿¹·¸Â»;»Äʾ»Á»Ï¿ÉÆÈ»ÉÉ»º·Äº¾»ÂººÅÍÄ̑»Ïƺ¿¹ÈÅÆ¾ÅÄ»ƻ È»ÉÉĹȻ·É»Éʾ»¼È»Ç˻ĹÏƺ¿ÄÃź»ƻÅÌ»ÉÊÅ··Ƚ»È¹¾·ÄÄ»ÂÄËø»Èƺ¿ÄûÃÅÈÏ¹¾·ÄÄ»ÂÃź»ƻÅÌ»ÉËÆʾ»ûÄËÅÈÊÅ··Ƚ»ÈÉ»ÊʿĽ̷ÂË»ƺÅÄûÄË¹Åļ¿½ËÈ·Ê¿ÅÄɹȻ»Äƻʸ È»ÉÉ Ê·ÈÊÉʾ»ÌÅ¿¹»½Ë¿º»ƺʸ¼ËĹʿÅÄƻʹ È»ÉÉ Ê·ÈÊÉʾ»ÌÅ¿¹»½Ë¿º»ƺʹ¼ËĹʿÅÄƻʺ È»ÉÉ Ê·ÈÊÉʾ»ÌÅ¿¹»½Ë¿º»ƺʺ¼ËĹʿÅÄƻÈ»ÉÉ Ϳʹ¾»ÉÊÅÅÈÈ»Éɷĺ¾Åº Ê·ÈÊÉËÆÅÈ»Î¿ÊÉʾ»¹Åļ¿½ËÈ·Ê¿ÅÄɹȻ»Ä È»ÉÉ Ϳʹ¾»ÉÊÅÅÈ¼¼ È»ÉÉ Å»ÉÄÅÊ·ÉÉ¿½Ä·ÄÏ¼ËĹʿÅÄʸʽʸʽƖʻ
ÅÄÊÈÅÂ¾»ƖʿˀʷÈ·º¿Å¹ÅÄÊÈÅÂÆÈŽȷÃƑƖʿˀʷÈ·º¿Å¾ÅÉÊÆÈŽȷÃƑƖʸʷ·Ëº¿Å¹ÅÄÊÈÅÂÆÈŽȷÃ·Äº¹ÅÃ÷ĺÉ·È»ËÉ»ºÊÅ¹ÅÄÊÈÅÂʾ¿ÉÊÈ·Äɹ»¿Ì»ÈÅÈÊÅ»Ä·¸Â»ʾ»Ëɻż·ÉÆ»·Á»ÈÅÈÿ¹ÈÅÆ¾ÅÄ»Ɣ•¾¿É÷ÄË·Âº»É¹È¿¸»ÉÅÄÂÏʾ»ÆÈŹ»ºËÈ»É¼ÅÈ¹Åļ¿½ËȿĽʾ»¸·ËºÈ·Ê»żʾ»ƭÆÅÈÊËÉ»º¼ÅÈ¹ÅÄÊÈÅÂƔÅÈÃÅÈ»º»Ê·¿ÂÉÅÄʾ»Ä»¹»ÉÉ·ÈÏÆÈ»Æ·È·Ê¿ÅÄÉ·ÄºûʾźżÅÆ»È·Ê¿ÅÄƑÆÂ»·É»È»¼»ÈÊÅʾ»º»É¹È¿ÆÊ¿ÅÄÉżʾ»È»ÉÆ»¹Ê¿Ì»ÆÈŽȷÃÉżÊÍ·È»ƺ»ÂÆÊ»ÎÊƻ·Äº¹ÅÃ÷ĺ¿ÉÊƔ•Å¹ÅÄÊÈÅÂʾ¿ÉÊÈ·Äɹ»¿Ì»ÈÌ¿·¹·¸Â»¹ÅÄÄ»¹Ê¿ÅÄƑºÅÍÄÂÅ·ºÊ¾»Ì¿ÈÊË·ÂÆÅÈÊºÈ¿Ì»ÈƔ•ÅÅËÊÆËÊʾ»·Ëº¿Å¼ÈÅÃʾ»ÉÆ»·Á»ÈËɿĽʾ»·Ëº¿Å¼ËĹʿÅÄÅÈÊÈ·ÄÉÿÊʾ»·Ëº¿Å¿ÄÆËÊÊÅʾ»ÿ¹ÈÅÆ¾ÅÄ»ƑºÅÍÄÂÅ·ºʾ»Ɩʸʷ·Ëº¿Å¹ÅÄÊÈÅ»ÈƔƺÄÆÈ¿Ä¹¿ÆÂ»Ƒº»Â·ÏʹËÈÉ;»Ä·Ëº¿Å¿ÉËÉ»ºƔ·Á»ËÉ»ż¿Ê¼ÅȹÅÃÃËÄ¿¹·Ê¿ÅÄ;»È»ʿû·½ºÅ»ÉÄÅÊ¹ÅÄÉÊ¿ÊËÊ»·Ä¿ÉÉË»Ɣƻ•¾»·¸Å̻ûÄÊ¿ÅÄ»ºÆÈŽȷÃƑÌ¿ÈÊË·ÂÆÅÈÊºÈ¿Ì»È·Äº¹ÅÃ÷ĺ¿ÉÊ¹·Ä¸»ºÅÍÄÂÅ·º»º¼ÈÅÃʾ»Í»¸É¿Ê»¸»ÂÅÍƔ¾ÊÊÆƓƭƭÍÍÍƔÁ»ÄÍÅźƔ¹ÅÃƭ¿ƭÆÈź˹ÊÉƭ¿Ä¼Åƭ·Ã·Ê»ËÈƭÉżÊÍ·È»ͨºÅÍÄÂÅ·ºƔ¾ÊÃÂ●·Á»ÉËÈ»ÄÅÊÊÅ¹ÅÄÄ»¹Êʾ¿ÉÊÈ·Äɹ»¿Ì»È·Äºʾ»Ϳʾʾ»¹·¸Â»ËÄÊ¿Âʾ»¿ÄÉʷ·ʿÅÄżʾ»Ì¿ÈÊË·ÂÆÅÈÊºÈ¿Ì»ÈºÅÍÄÂÅ·º»º¼ÈÅÃʾ»·¸ÅÌ»¿É¹ÅÃÆÂ»Ê»ºƔ●¼ʾ¿ÉÊÈ·Äɹ»¿Ì»È¿É¹ÅÄÄ»¹Ê»ºÊÅʾ»ͿʾÅËÊ¿ÄÉʷ¿Ľʾ»Ì¿ÈÊË·ÂÆÅÈÊºÈ¿Ì»ÈƑ·ÍÈÅĽºÈ¿Ì»Èʾ·Ê¿ÉÄÅÊ¹ÅÃÆ·Ê¿¸Â»Ϳʾʾ¿ÉÊÈ·Äɹ»¿Ì»È÷Ï¸»¿ÄÉʷ»º·Äº¹ÅÃÃËÄ¿¹·Ê¿ÅÄͿʾʾ»÷ÏÄÅÊ¸»»ÉÊ·¸Â¿É¾»ºÆÈÅÆ»ÈÂÏƔÅÆÈ»Ì»ÄÊ·ÍÈÅĽºÈ¿Ì»È¼ÈÅÃ¸»¿Ä½¿ÄÉʷ»ºƑʾ»Ì¿ÈÊË·ÂÆÅÈÊºÈ¿Ì»ÈÃËÉÊ¸»¿ÄÉʷ»º¸»¼ÅÈ»¹ÅÄÄ»¹Ê¿Ä½ÊÅʾ»Ɣ●»¼ÅÈ»¹ÅÄÄ»¹Ê¿Ä½ʾ¿ÉÊÈ·Äɹ»¿Ì»ÈͿʾ·Ƒ÷Á»ÉËÈ»ÊÅÊËÈÄż¼ʾ»ÆÅÍ»Èżʾ¿ÉÊÈ·Äɹ»¿Ì»ÈƔÅļ¿½ËȿĽʾ»ƭƺ»·È·Ä»Âƻ·Ëº·Ê»¾¿É¿ÉËÉ»ºÊÅ¹Åļ¿½ËÈ»ʾ»¸·ËºÈ·Ê»żʾ»ƭÆÅÈÊËÉ»º¼ÅÈ¹ÅÄÊÈÅÂƔÅļ¿½ËÈ»¿Ä»ÄËƾʾƖʷʷƿ³·Ëº·Ê»ƺÅÈÊƻ´ƺƻÅÈ»ÄËƾʾƖʷʸƿ³·Ëº·Ê»ƺ¿ÈÊË·Âʷĺ·Èºƻ´ƺƻ»ÊʿĽ·ÂË» ʻʿʷʷƭˀʽʷʷƺº»¼·ËÂÊƻƭʸˀʹʷʷƭʺʿʻʷʷƭʼʾʽʷʷƭʸʸʼʹʷʷƾ¸ÆÉƿ»ÊʿĽ·ÂË» ˀʽʷʷƭʸˀʹʷʷƭʺʿʻʷʷƭʼʾʽʷʷƭʸʸʼʹʷʷƺº»¼·ËÂÊƻƾ¸ÆÉƿ●ÅËÉ»ʾ»¸·ËºÈ·Ê»żʺʿʻʷʷƑʼʾʽʷʷÅÈʸʸʼʹʷʷ¸ÆÉƑ¹Åļ¿½ËÈ»ʾ»¸·ËºÈ·Ê»żʾ»ƖʹʺʹÆÅÈÊżʾ»ÏÅË·È»ËɿĽÊÅ·¾¿½¾ÉÆ»»ºƔ●¾»ÄËɿĽʾ»ƖʿˀʷƑËÉ»·ÊÈ·Äɼ»ÈÈ·Ê»ʾ·Ê¿É·É¼·ÉÊ·ÉÆÅÉÉ¿¸Â»Ɣ●Åº¿ÉÆÂ·Ïʾ»¸·ÄºÉ¹ÅÆ»·Êʾ»ÄÅÈ÷ÂÉÆ»»ººËȿĽȻÃÅÊ»¹ÅÄÊÈÅÂżʾ¿ÉÊÈ·Äɹ»¿Ì»ÈËɿĽʾ»Ɩʿˀʷ·ÄºƖʿˀʷƑ¿Ê¿ÉÄ»¹»ÉÉ·ÈÏÊÅËÉ»·Ä»Ì»Ä¾¿½¾»È¸·ËºÈ·Ê»ƔÅÄÄ»¹Ê·¾ÅûÊÅʾ»¹ÅÄÄ»¹ÊÅÈÅÄʾ»È»·ÈÆ·Ä»ÂƔÅļ¿½ËȿĽʾ»»Ï¸Å·ÈºÁ»Ï¸Å·Èº¹·Ä¸»ËÉ»º¸Ï¹ÅÄÄ»¹Ê¿Ä½¿ÊÊÅʾ»ƺƖƻÆÅÈÊÅÄʾ»¼ÈÅÄÊÅÈÈ»·ÈÆ·Ä»ÂƔÊ¹·Ä¸»ËÉ»ºÊÅÊÈ·ÄÉÿÊÅÈÆÂ·Ï¸·¹Áʾ»ÌÅ¿¹»ÅÈûÉÉ·½»·ÉÉ¿½Ä»ºÊÅ·¼ËĹʿÅÄÁ»ÏÅÈÊÅ»ÄÊ»È·ÄºÊÈ·ÄÉÿÊ·Ê»ÎÊ¿Äʾ»ƺƻÅÈÃź»Ɣ¾»Ä¹ÅÄÄ»¹Ê»ºÊÅʾ¿ÉÊÈ·Äɹ»¿Ì»ÈƑʾ»Á»Ï¸Å·Èº¹·Ä¸»ËÉ»º¼ÅÈÊ»ÎÊ¿ÄÆËÊƔ¾»¸»¾·Ì¿ÅÈƺÁ»ÏȻƻ·Êƻ;»Ä·Á»ÏÅÄʾ»Á»Ï¸Å·Èº¿ÉÆÈ»ÉÉ»º·Äº¾»Âº¹·Ä·ÂÉÅ¸»¹Åļ¿½ËÈ»ºƔ»Äº¿Ä½»ÉÉ·½»¼ÈÅÃʾ»»Ï¸Å·Èº¾»Äʾ¿ÉÊÈ·Äɹ»¿Ì»È¿É¹Åļ¿½ËÈ»º·É¼ÅÂÂÅÍÉƑ·ÌÅ¿¹»ÅÈûÉÉ·½»¹·Ä¸»É»ÄÊÅËÊ¸ÏÆÈ»ÉɿĽʾ»¹ÅÈÈ»ÉÆÅĺ¿Ä½¼ËĹʿÅÄÁ»ÏÅÄʾ»Á»Ï¸Å·ÈºƔ•¾»ÄûÉÉ·½»ɻĺ¿Ä½¼ÈÅÃʾ»Á»Ï¸Å·Èº¿É•ÌÅ¿¹»ÅÈûÉÉ·½»¾·É¸»»Ä·ÉÉ¿½Ä»ºÊÅ·¼ËĹʿÅÄÁ»ÏÅÄʾ»Á»Ï¸Å·ÈºÅļ¿½ËÈ»¿Ä»ÄËƾˀƖʷʷƿ³»Äº»ÉÉ·½»¸ÏËĹʿÅÄ»ÏÉ´»ÊʿĽ·ÂË» ¼¼ƭÄƺº»¼·ËÂÊƻ●¾»ÄʹÁ»Ï¸Å·ÈºÉ·È»¹ÅÄÄ»¹Ê»ºƑÅÄÂÏʾ»ÅÄ»ʾ·Ê¿É¼¿ÈÉÊ¹ÅÄÄ»¹Ê»ºÊÅʾ¿ÉÊÈ·Äɹ»¿Ì»È¿ÉÈ»¹Å½Ä¿Ð»ºƔ●¾·ÄÄ»ÂÉÄÅÊÈ»½¿ÉʻȻºͿʾ·ûÉÉ·½»¹·ÄÄÅÊ¸»É»Â»¹Ê»ºƔ●»ÉÉ·½»¿Äʾ»ƑÅÈÃź»¿ÉÉ»ÄÊÅËÊ·¹¹ÅȺ¿Ä½ÊÅʾ»É»ÊʿĽÉżʾ»¹¾·ÄÄ»Â¿Ä;¿¹¾ʾ»Ã»ÉÉ·½»¿ÉÈ»½¿ÉʻȻºƔ●¾¿Â»¿Äʾ»ƑÅÈÃź»Ƒ·ûÉÉ·½»¹·Ä¸»É»ÄÊÅËÊ;»Äʾ»¹ÅÃÃËÄ¿¹·Ê¿ÅÄɹȻ»Ä¿Éº¿ÉÆÂ·Ï»ºƔ»Â»¹Ê¿Ä½·»Ï¸Å·Èº·Ä½Ë·½»Åļ¿½ËÈ»ʾ»ÊÏÆ»żÁ»Ï¸Å·Èºƺ·Ľ˷½»ÅÈÈ»½¿ÅÄƻʾ·Ê¿É¹ÅÄÄ»¹Ê»ºÊÅʾ¿ÉÊÈ·Äɹ»¿Ì»ÈƔÅļ¿½ËÈ»¿Ä»ÄËƾˀƖʷʸƿ³»Ï¸Å·Èº·Ä½Ë·½»´»ÊʿĽ·ÂË»·Æ·Ä»É»ƭĽ¿ɾƺƻƺº»¼·ËÂÊƻƭĽ¿ɾƺƻƭȻĹ¾ƭȻĹ¾ƺ·Ä·º¿·Äƻƭ»È÷ÄƭÅÈÊ˽˻ɻƭÅÈÊ˽˻ɻƺȷп¿·ÄƻƭƷĿɾƭƷĿɾƺ·Ê¿Äûȿ¹·Äƻƭʷ¿·ÄÅļ¿½ËȿĽʾ»¿Ã»¼ÅÈ¹Ê¿Ì·Ê¿Ä½»Ï»Æ»·ÊÅļ¿½ËÈ»ʾ»ʿû¿ÄÊ»ÈÌ·Â¸»¼ÅÈ»·¹Ê¿Ì·Ê¿Ä½ʾ»Á»ÏȻƻ·ÊÅÆ»È·Ê¿ÅÄżʾ»Á»Ï¸Å·ÈºƔÅļ¿½ËÈ»¿Ä»ÄËƾˀƖʷʹƿ³»Æ»·Ê»Â·Ï¿Ã»´»ÊʿĽ·ÂË» ʸÊÅʹƺº»¼·ËÂÊƻÊÅʻƺʸÉÊ»ÆƻÅļ¿½ËȿĽʾ»»Ï»Æ»·ÊÆ»»ºÅļ¿½ËÈ»ʾ»Á»ÏȻƻ·ÊÉÆ»»ºżʾ»Á»Ï¸Å·ÈºƔÅļ¿½ËÈ»¿Ä»ÄËƾˀƖʷʺƿ³»Æ»·ÊÆ»»º´»ÊʿĽ·ÂË» ʸƺº»¼·ËÂÊƻÊÅʺʹƺʸÉÊ»ÆƻʸʽʸʽƖʼ
·Ì¿Ä½·¹È»»Ä¾ÅÊ¾¿ÉÊÈ·Äɹ»¿Ì»È¹ÅûÉͿʾ·ɹȻ»Ä¹·ÆÊËÈ»¼ËĹʿÅÄÊÅ¹·ÆÊËÈ»·Ä¿Ã·½»żʾ»ɹȻ»Äº¿ÉÆÂ·Ï·ÄºÉ·Ì»ʾ»¿Ã·½»º·Ê·¿Äʾ»¼ÅÈ÷ÊƺƔÆÄ½ƻÊÅʾ»¸Ë¿ÂÊƖ¿ÄûÃÅÈÏÅÈ·¼Â·É¾ºÈ¿Ì»ƔʼÉÉ¿½Äơ·ÆÊËÈ»ƢÊÅ·Á»ÏƔ•ÅÉ·Ì»ʾ»¿Ã·½»º·Ê·ÊÅ·¼Â·É¾ºÈ¿Ì»Ƒ¿ÄÉ»ÈÊ·¼Â·É¾ºÈ¿Ì»¿ÄÊÅ ƺƖƻƔʽÈ»ÉÉƾ·ÆÊËÈ»ƿƔ•¾»ûÃÅÈÏ¿¹ÅÄ¸»¿Ä½ɻ»¹Ê»º·Éʾ»ÉÊÅÈ·½»º»ÉʿķʿÅĸ¿ÄÁÉƔɾÅÊżʾ»ɹȻ»Ä¿É¹·ÆÊËÈ»º·Êʾ»ɷûʿû;»Äʾ»Á»Ï¿ÉÆÈ»ÉÉ»ºƑ·Äºʾ»¹·ÆÊËÈ»ºº·Ê·¿ÉÉ·Ì»ºÊÅ·¼Â·É¾ºÈ¿Ì»Ɣ¾»º¿È»¹ÊÅÈÏżʾ»ÉÊÅÈ·½»º»ÉʿķʿÅÄ¿ÉơʚƖʿˀʷʚƢƔ•¾»ÄÈ»ÃÅ̿Ľʾ»¼Â·É¾ºÈ¿Ì»Ƒ÷Á»ÉËÈ»ÊÅ»Î»¹ËÊ»ơ·¼»»ÃÅÌ·Âż·ɾȿ̻ƢƔƺ»»ʸʸƖʽƻ●¾»É·Ì»º¼¿Â»¿Éķûº·É¼ÅÂÂÅÍÉƔÏÏÏÏÃúºͨ¾¾ÃÃÉÉƔÆÄ½ƺÎ·ÃÆÂ»ƻʹʷʸʿʷʹʸʼͨʸʷʹʷʺʷƔÆÄ½ƺ¾»Äʾ»ɹȻ»ÄɾÅÊ¿ÉÉ·Ì»ºÅÄ»¸ÈË·ÈÏʸʼƑʹʷʸʿƑʸʷƓʹʷƓʺʷ·ƔÃƔƻ•¾»Äɷ̿Ľʾ»ɹȻ»Ä¹·ÆÊËÈ»ÊÅ·¼Â·É¾ºÈ¿Ì»Ƒ¹¾»¹Áʾ»¼ÅÂÂÅͿĽ¿Ä·ºÌ·Ä¹»Ɣ¾»¼Â·É¾ºÈ¿Ì»¿É¼ÅÈ÷ÊÊ»º¸Ïʾ¿ÉÊÈ·Äɹ»¿Ì»ÈƔ¾»¼Â·É¾ºÈ¿Ì»¿É¹ÅÈÈ»¹ÊÂÏ¿ÄÉ»ÈÊ»º¿ÄÊÅʾ¿ÉÊÈ·Äɹ»¿Ì»ÈƔ¾»È»¿ÉÉ˼¼¿¹¿»ÄÊ¼È»»ÉÆ·¹»ÅÄʾ»¼Â·É¾ºÈ¿Ì»Ɣ¾»¼Â·É¾ºÈ¿Ì»¿ÉÄÅÊÍȿʻƖÆÈÅÊ»¹Ê»ºÅÈʾ»¼¿Â»ÉÏÉÊ»Ã¿ÉÄÅÊ¹ÅÈÈËÆÊ»ºƔ●ɹȻ»ÄɾÅÊ¹·Ä·ÂÉÅ¸»¹·ÆÊËÈ»º·ÄºÉ·Ì»º¸ÏÆÈ»ÉɿĽƾÈ¿ÄÊ¹È»»ÄƿÅÄʾ»Á»Ï¸Å·ÈºƔ●ɹȻ»ÄɾÅÊ¹·ÄÄÅÊ¸»¹·ÆÊËÈ»º;»Äʾ»ɹȻ»Äɷ̻ȿÉ·¹Ê¿Ì»Ɣ●¾»ÄɹȻ»Ä¹·ÆÊËÈ»¼·¿ÂÉƑ·Ä»ÈÈÅÈÊÅÄ»¿ÉÅËÊÆËÊƔ●Êÿ½¾ÊÊ·Á»ÉÅûʿû¸»¼ÅÈ»ʾ»¹·ÆÊËÈ»º¿Ã·½»¿ÉÍÈ¿ÊÊ»ÄÊÅ·¼Â·É¾ºÈ¿Ì»Ɣ¼ʾ»È»¿É·Ä·ÊÊ»ÃÆÊÊÅÉ·¼»ÂÏÈ»ÃÅÌ»ʾ»¼Â·É¾ºÈ¿Ì»Ƒ·ûÉÉ·½»Í¿ÂÂ¸»º¿ÉÆÂ·Ï»º·ÉÁ¿Ä½ʾ»ËÉ»ÈÊÅÍ·¿ÊËÄÊ¿Âʾ»¹·ÆÊËÈ»º¿Ã·½»¼¿Â»¿ÉÉ·Ì»ºÊÅʾ»¼Â·É¾ºÈ¿Ì»¸»¼ÅÈ»·ÊÊ»ÃÆÊ¿Ä½ÊÅÈ»ÃÅÌ»¿ÊƔÅļ¿½ËȿĽËÊÆËÊÊÅ·ÄÎÊ»ÈÄ·Â»Ê»È¾»ÅÈÉ¿½Ä·Â»̻Â¹·Ä¸»º¿ÉÆÂ·Ï»º¸Ï¹ÅÄÄ»¹Ê¿Ä½·Ä·Ä·ÂŽûʻÈÊÅʾ»Ê»ÈÿķÂÅÄʾ»È»·ÈÆ·Ä»Âżʾ¿ÉÊÈ·Äɹ»¿Ì»ÈƔº¿¼¼»È»ÄÊÅËÊÆËÊÉ¿½Ä·Â¼ÅÈ÷Ê¹·Ä¸»¹Åļ¿½ËÈ»º¼ÅÈ»·¹¾żÎÊ»ÈÄ·Â»Ê»Èʸ·ÄºÎÊ»ÈÄ·Â»Ê»ÈʹƔ¾»É¿½Ä·ÂÊÅ¸»ÅËÊÆËÊÊÅʾ»»ÎÊ»ÈÄ·ÂûʻÈºËȿĽÊÈ·ÄÉÿÉÉ¿ÅĹ·Ä¸»¹Åļ¿½ËÈ»º·É¼ÅÂÂÅÍÉƔËȿĽÈ»¹»ÆÊ¿ÅÄƑʾ»É¿½Ä·ÂÉÊȻĽʾͿÂÂ¸»ÅËÊÆËÊ·ÉÉ¿½Ä·ÂÉÊÅʾ»»ÎÊ»ÈÄ·ÂûʻÈƔËÊÆËÊȷʿĽżÊ»ÈÿķÂƓÅÂÊ·½»ƓʷÊÅʼƺÄÅÂÅ·ºƻÃÆ»º·Ä¹»ƓʻƔʾÁǣÅļ¿½ËȿĽʾ»ËÊÆËÊ¿½Ä·ÂÅÈ÷Êżʾ»ÎÊ»ÈÄ·Â»Ê»ÈÅļ¿½ËÈ»ʾ»É¿½Ä·Âʾ·Ê¿ÉÅËÊÆËÊ¼ÈÅÃʾ»Ê»ÈÿķÂÊÅʾ»»ÎÊ»ÈÄ·ÂûʻÈƔÅļ¿½ËÈ»¿ÄºÌ·Ä¹»º»ÄËƾʷƿ³ĺ¿¹·Ê¿ÅÄ¿½Ä·ÂÏÆ»ƺÎÊ»ÈÄ·Â»Ê»Èʸƻ´ƺÎÊ»ÈÄ·Â»Ê»ÈʸƻÅÈ»ÄËƾʸƿ³ĺ¿¹·Ê¿ÅÄ¿½Ä·ÂÏÆ»ƺÎÊ»ÈÄ·Â»Ê»Èʹƻ´ƺÎÊ»ÈÄ·Â»Ê»Èʹƻ»ÊʿĽ·ÂË»ËÊÅ÷ʿ¹ƺº»¼·ËÂÊƓÎÊ»ÈÄ·Â»Ê»ÈʹƻƭÅÍ»Èƺº»¼·ËÂÊƓÎÊ»ÈÄ·Â»Ê»ÈʸƻƭƭÈ·¿ÄÅÂÊ·½»ƺºƻƭÅÃÆÈ»ÉÉ¿ÅÄ»Ì»ÂƺƻƭËÈÈ»ÄÊƺºƻƭËÊÅ÷ʿ¹ƓËÊÆËÊÉʾ»ûʻÈ»̻ÂºËȿĽÈ»¹»ÆÊ¿ÅÄƑ·Äºʾ»É¿½Ä·Â»̻ÂÅÈûʻÈÌ·ÂË»º¿ÉÆÂ·Ï»ºÅÄƾƿºËȿĽÊÈ·ÄÉÿÉÉ¿ÅÄƔÅÍ»ÈƓËÊÆËÊÉʾ»ÅËÊÆËÊÆÅÍ»ÈÌ·ÂË»ƔƓËÊÆËÊÉʾ»»̻ÂƔÈ·¿ÄÅÂÊ·½»ƺºƻƓËÊÆËÊÉʾ»ºÈ·¿ÄÌÅÂÊ·½»żÆÅÍ»È·ÃÆÂ¿¼¿¹·Ê¿ÅÄƺƻƔÅÃÆÈ»ÉÉ¿ÅÄ»Ì»ÂƺƻƓËÊÆËÊÉʾ»º»½È»»ż·Ëº¿ÅÉ¿½Ä·Â»Ä¾·Ä¹»Ã»ÄÊ¸Ïʾ»ÉÆ»»¹¾ÆÈŹ»ÉÉÅÈƔËÈÈ»ÄÊƺºƻƓËÊÆËÊÉʾ»ºÈ·¿Ä¹ËÈÈ»ÄÊżÆÅÍ»È·ÃÆÂ¿¼¿¹·Ê¿ÅÄƺƻƔƓËÊÆËÊÉʾ»Éʷĺ¿Ä½Í·Ì»È·Ê¿ÅƺƻƔÅļ¿½ËȿĽʾ»ÎÊ»ÈÄ·Â»Ê»ÈËÊÆËÊ»Ì»ÂÎÊ»ÈÄ·Â»Ê»Èʸ·ÄºÎÊ»ÈÄ·Â»Ê»Èʹ¹·Ä¸»¹Åļ¿½ËÈ»ºÊź¿¼¼»È»ÄÊÉ¿½Ä·Â»̻ÂÉʾ·Ê·È»ÅËÊÆËÊ¼ÈÅÃʾ¿ÉÊÈ·Äɹ»¿Ì»È·¹¹ÅȺ¿Ä½ÊÅʾ»ȷʿĽżʾ»»ÎÊ»ÈÄ·ÂûʻÈʾ·Ê¿É¹ÅÄÄ»¹Ê»ºÊÅʾ»Ê»ÈÿķÂƔÅļ¿½ËÈ»¿ÄºÌ·Ä¹»º»ÄËƾʹƿ³ËÊÆËÊ»Ì»ÂƺÎÊ»ÈÄ·Â»Ê»Èʸƻ´ƺÎÊ»ÈÄ·Â»Ê»ÈʸƻÅÈ»ÄËƾʺƿ³ËÊÆËÊ»Ì»ÂƺÎÊ»ÈÄ·Â»Ê»Èʹƻ´ƺÎÊ»ÈÄ·Â»Ê»Èʹƻ»ÊʿĽ·ÂË» ʷ̈ÊÅʼʷ̈ƺº»¼·ËÂÊƻÊÅʸʷʷ̈ƺʸÉÊ»Æƻ•Êơʸʷʷ̈ƢƑʾ»ÌÅÂÊ·½»¿ÉʼƔʸʽʸʽƖʽ
ÎÊ»ÈÄ·ÂÅÄ¿ÊÅÈËÊÆËÊÅÄÄ»¹Ê¿Ä½·Ä»ÎÊ»ÈÄ·ÂÃÅÄ¿ÊÅÈÊÅʾ»¹ÅÄÄ»¹ÊÅȻķ¸Â»Éʾ»¿Ã·½»º¿ÉÆÂ·Ï»ºÅÄʾ»ɹȻ»Äżʾ¿ÉÊÈ·Äɹ»¿Ì»ÈÊŸ»º¿ÉÆÂ·Ï»ºÅÄʾ»»ÎÊ»ÈÄ·ÂÃÅÄ¿ÊÅÈ·Êʾ»ɷûʿûƔÅļ¿½ËÈ»¿ÄºÌ·Ä¹»º»ÄËƾʹʸƿ³ÎÊ»ÈÄ·Â¿ÉÆÂ·Ï´»ÊʿĽ·ÂË» ¼¼ƭÄƺº»¼·ËÂÊƻÅļ¿½ËȿĽʾ»ÎÊ»ÈÄ·ÂÅÄ¿ÊÅÈ»ÉÅÂËÊ¿ÅÄ¾»È»ÉÅÂËÊ¿ÅÄżʾ»»ÎÊ»ÈÄ·ÂÃÅÄ¿ÊÅÈʾ·Ê¿É¹ÅÄÄ»¹Ê»ºÊÅʾ»¹ÅÄÄ»¹ÊÅÈ¹·Ä¸»¹Åļ¿½ËÈ»ºƔÅļ¿½ËÈ»¿ÄºÌ·Ä¹»º»ÄËƾʹʹƿ³»ÉÅÂËÊ¿ÅÄƺÎÊ»ÈÄ·Â¿ÉÆÂ·Ïƻ´»ÊʿĽ·ÂË» ʿʷʷÎʽʷʷƺº»¼·ËÂÊƻƭʿʻʿÎʻʿʷ●¾»Äʾ»È»ÉÅÂËÊ¿ÅÄżʾ»»ÎÊ»ÈÄ·ÂÃÅÄ¿ÊÅÈ¿É¹¾·Ä½»ºƑ·È»ÉÅÂËÊ¿ÅÄÉͿʹ¾ɹȻ»ÄÍ¿ÂÂ·ÆÆ»·È¼ÅÈ·ÆÆÈÅο÷ʻÂÏʼÉ»¹ÅĺÉ¸»¼ÅÈ»ʾ»¹¾·Ä½»¿É·ÆÆÂ¿»ºƔÅļ¿½ËȿĽ˺¿ÅÄÆËÊƭËÊÆËÊÅļ¿½ËȿĽʾ»ÅÄÄ»¹ÊÅÈÄÆËÊƭËÊÆËÊ¿½Ä·Â¾»¿ÄÆËÊƭÅËÊÆËÊ»̻Âżʾ»·Ëº¿ÅÉ¿½Ä·Â;»Ä·Ä»ÎÊ»ÈÄ·Âº»Ì¿¹»¿É¹ÅÄÄ»¹Ê»ºÊÅʾ»ƺƖƻ¹ÅÄÄ»¹ÊÅÈÅÄʾ»È»·ÈÆ·Ä»Â¹·Ä¸»¹Åļ¿½ËÈ»ºƔÅļ¿½ËȿĽʾ»˺¿Å¿½Ä·ÂÄÆËÊ»Ì»ÂÅļ¿½ËÈ»ʾ»·Ëº¿Å¿ÄÆËÊ»̻Â¼ÅÈʾ»ƺƖƻ¹ÅÄÄ»¹ÊÅÈÅÄʾ»È»·ÈÆ·Ä»ÂƔÅļ¿½ËÈ»¿Ä»ÄËƾʾƖʷʽƿ³Ɠ˺¿ÅÄÆËÊ»Ì»Â´»ÊʿĽ·ÂË» ʷÊÅʼʷƺº»¼·ËÂÊƻÊÅʸʷʷƺʸÉÊ»ÆƻÅļ¿½ËȿĽʾ»˺¿Å¿½Ä·ÂËÊÆËÊ»Ì»ÂÅļ¿½ËÈ»ʾ»·Ëº¿ÅÅËÊÆËÊ»̻Â¼ÅÈʾ»ƺƖƻ¹ÅÄÄ»¹ÊÅÈÅÄʾ»È»·ÈÆ·Ä»ÂƔÅļ¿½ËÈ»¿Ä»ÄËƾʾƖʷʿƿ³Ɠ˺¿ÅËÊÆËÊ»Ì»Â´»ÊʿĽ·ÂË» ʷÊÅʸʷʷƺº»¼·ËÂÊƻƺʸÉÊ»Æƻ●¾»ÄËɿĽ·¿ÄºÅÍÉƑÍ·¿Ê¼ÅÈʾ»ÊÅÈ»¹Å½Ä¿Ð»Ê¾¿ÉÊÈ·Äɹ»¿Ì»ÈƑʾ»Äɻ»¹ÊÅÄÊÈÅÂ·Ä»ÂΓ·ÈºÍ·È»·ÄºÅËĺΓÅËĺΓ»¹ÅȺ¿Ä½Γ¿¹ÈÅÆ¾ÅÄ»ƺ˺¿ÅƻΓÈÅÆ»ÈÊ¿»ÉƑ¼ÅÂÂÅÍ»º¸Ïɻ»¹Ê¿Ä½ơʹ¹¾·ÄÄ»ÂƢƔ●¿ÄºÅÍÉ¿É·È»½¿ÉʻȻºÊÈ·º»Ã·ÈÁż¿¹ÈÅÉżÊÅÈÆÅÈ·Ê¿ÅÄ¿Äʾ»ĿʻºÊ·Ê»É·ÄºÅʾ»È¹ÅËÄÊÈ¿»ÉƔÅļ¿½ËȿĽʾ»ʹÅÄÄ»¹ÊÅÈÄÆËÊƭËÊÆËÊ¿½Ä·Â¾»¿ÄÆËÊƭÅËÊÆËÊ»̻Âżʾ»·Ëº¿ÅÉ¿½Ä·Â;»Ä·Ä»ÎÊ»ÈÄ·Âº»Ì¿¹»¿É¹ÅÄÄ»¹Ê»ºÊÅʾ»ʹ¹ÅÄÄ»¹ÊÅÈÅÄʾ»È»·ÈÆ·Ä»Â¹·Ä¸»¹Åļ¿½ËÈ»ºƔÅļ¿½ËȿĽʾ»˺¿Å¿½Ä·ÂÄÆËÊ»Ì»ÂÅļ¿½ËÈ»ʾ»»̻Âż·Ëº¿ÅÉ¿½Ä·Â¿ÄÆËÊÊÅʾ»ʹ¹ÅÄÄ»¹ÊÅÈÅÄʾ»È»·ÈÆ·Ä»ÂƔÅļ¿½ËÈ»¿Ä»ÄËƾʾƖʷʾƿ³ʹƓ˺¿ÅÄÆËÊ»Ì»Â´»ÊʿĽ·ÂË» ʷÊÅʼʷƺº»¼·ËÂÊƻÊÅʸʷʷƺʸÉÊ»ÆƻÅļ¿½ËȿĽʾ»˺¿Å¿½Ä·ÂËÊÆËÊ»Ì»ÂÅļ¿½ËÈ»ʾ»¿ÄÆËÊƭÅËÊÆËÊ»̻Âżʾ»·Ëº¿ÅÉ¿½Ä·Â;»Ä·Ä»ÎÊ»ÈÄ·Âº»Ì¿¹»¿É¹ÅÄÄ»¹Ê»ºÊÅʾ»ʹ¹ÅÄÄ»¹ÊÅÈÅÄʾ»È»·ÈÆ·Ä»ÂƔÅļ¿½ËÈ»¿Ä»ÄËƾʾƖʷˀƿ³ʹƓ˺¿ÅËÊÆËÊ»Ì»Â´»ÊʿĽ·ÂË» ʷÊÅʼʷƺº»¼·ËÂÊƻÊÅʸʷʷƺʸÉÊ»ÆƻÅļ¿½ËȿĽʾ»ÅÄ¿ÊÅÈ»Ì»Â¼ÅÈÎÊ»ÈÄ·Â˺¿ÅËÊÆËÊÅļ¿½ËÈ»ʾ»»̻Âżʾ»ÃÅÄ¿ÊÅÈ·Ëº¿Åʾ·Ê¿ÉÅËÊÆËÊ¼ÈÅÃʾ»È»·È¹ÅÄÄ»¹ÊÅÈƔÅļ¿½ËÈ»¿Ä»ÄËƾʾƖʸʷƿ³ÅÄ¿ÊÅÈ»Ì»Âƺ»·ÈÅÄÄ»¹ÊÅÈÉƻ´»ÊʿĽ·ÂË» ¿ÄÁ»ºƺº»¼·ËÂÊƻƭʷÊÅʹʷƺʸÉÊ»Æƻ•Åļ¿½ËȿĽÊÅơ¿ÄÁ»ºƢ¹¾·Ä½»Éʾ»»̻Â¿Äʷĺ»ÃͿʾʾ»Â»Ì»Â¹Åļ¿½ËÈ»ººËȿĽÃÅÄ¿ÊÅÈ»̻Â·ºÀËÉÊûÄÊƔÅļ¿½ËȿĽ˺¿Å¿Î¿Ä½¼ÅÈʾ»ÎÊ»ÈÄ·Â˺¿ÅËÊÆËÊÅÄÄ»¹ÊÅÈÅļ¿½ËÈ»;»Ê¾»ÈÊÅÿÎʾ»·Ëº¿ÅÆÈź˹»º¸Ïʾ¿ÉÊÈ·Äɹ»¿Ì»ÈͿʾʾ»·Ëº¿Åʾ·Ê¿ÉÅËÊÆËÊ¼ÈÅÃʾ»ƺƖƻ¹ÅÄÄ»¹ÊÅÈ·ÄºÊ»ÈÿķÂżʾ»ʹ¹ÅÄÄ»¹ÊÅÈƔÅļ¿½ËÈ»¿Ä»ÄËƾʾƖʸʸƿ³˺¿ÅËÊÆËÊÏÆ»ƺ»·ÈÅÄÄ»¹ÊÅÈÉƻ´»ÊʿĽ·ÂË» ÂÂƺº»¼·ËÂÊƻƭ»¹»¿Ì»º˺¿ÅÅÄÂÏÂÂƓÄ·¸Â»ÉÅËÊÆËÊż¸»»ÆÊÅÄ»ƑÌÅ¿¹»½Ë¿º·Ä¹»Ƒ·Ëº¿ÅżÌÅ¿¹»Ã»ÉÉ·½»ûÃÅÈÏ·ÄºÈ»¹ÅȺ»º·Ëº¿ÅÅÈÉ¿º»ÊÅÄ»Ɣ»¹»¿Ì»º˺¿ÅÄÂÏƓ»Â»¹Êʾ¿ÉÉ»ÊʿĽ;»Ä¾·Ì¿Ä½·Ä»ÎÊ»ÈÄ·Âº»Ì¿¹»º»¹Åº»ʾ»º¿½¿Ê·ÂÃźË·ʿÅÄÉ¿½Ä·ÂÉƔ•¾»Äʾ»·Ëº¿Å¿ÉÿλºͿʾʾ»¸»»ÆÊÅÄ»ƑÌÅ¿¹»½Ë¿º·Ä¹»ÅÈ»ÈÈÅÈÊÅÄ»»Ã¿ÊÊ»º¼ÈÅÃʾ¿ÉÊÈ·Äɹ»¿Ì»ÈƑʾ»¹ÅÃ÷ĺÈ»ÉÆÅÄÉ»ÅÈ»ÈÈÅÈÊÅÄ»ÆÈź˹»º¸Ïʾ¿ÉÊÈ·Äɹ»¿Ì»È¹·Ä·ÂÉÅ¸»¾»·Èº·Ê·È»ÃÅÊ»ÂŹ·Ê¿ÅÄºËȿĽƑ¼ÅÈ»Î·ÃÆÂ»Ƒƺ»ÄÍÅź»ÊÍÅÈÁÅÃ÷ĺÏÉÊ»ÃƻÅÆ»È·Ê¿ÅÄͿʾʾ¿ÉÊÈ·Äɹ»¿Ì»È¿ÄÉʷ»º·Ê·È»ÃÅÊ»ÂŹ·Ê¿ÅÄƔ●˺¿ÅÅËÊÆËÊÊÅ¿ÉËÉ»º¼ÅÈʾ»ÆËÈÆÅÉ»ż¿ÉʻĿĽÊÅʾ»·Ëº¿ÅÅËÊÆËÊ¼ÈÅÃʾ»ÊÈ·Äɹ»¿Ì»ÈÉÆ»·Á»ÈÅÄ·È»ÃÅÊ»ºËȿĽÈ»ÃÅÊ»ÅÆ»È·Ê¿ÅÄƔÉÉ˹¾Ƒ·Ëº¿ÅÉ˹¾·Éʾ»¸»»ÆÉÅËĺ¿É·ÂÍ·ÏÉÿλºÈ»½·ÈºÂ»ÉÉżʾ»É»ÊʿĽ¿Äʾ¿ÉûÄËƔʸʽʸʽƖʾ
Ϳʹ¾¿Ä½ʾ»»¼»È»Ä¹»¿½Ä·ÂÎÊ»ÈÄ·Â¼È»Ç˻ĹÏ¿ÄÆËÊƺʸʷÐƻ¼ÈÅÃʾ»¹ÅÄÄ»¹ÊÅÈÅÄʾ»È»·ÈÆ·Ä»Â¹·Ä¸»ËÉ»º·Éʾ»È»¼»È»Ä¹»¼È»Ç˻ĹÏżʾ¿ÉÊÈ·Äɹ»¿Ì»ÈƔ¾»¿ÄÆËÊ¿ÃÆ»º·Ä¹»¿ÉʼʷǣƔ•ÄÆËÊʿĽ·È»¼»È»Ä¹»É¿½Ä·ÂͿʾ·¾¿½¾º»½È»»ż·¹¹ËÈ·¹Ï¼ÈÅÃ·Ä»ÎÊ»ÈÄ·ÂÉÅËȹ»ÊÅʾ¿ÉÊÈ·Äɹ»¿Ì»È·ÄºËɿĽ¿Ê·Éʾ»È»¼»È»Ä¹»¼È»Ç˻ĹÏ¾»ÂÆÉÊÅ»Ä¾·Ä¹»ʾ»¼È»Ç˻ĹÏ·¹¹ËÈ·¹Ïżʾ¿ÉÊÈ·Äɹ»¿Ì»ÈƔ•¾»Éʷĺ·Èº¿ÄÆËÊ»̻Â¿ÉʷºÃ̌ʸʷºƔÅļ¿½ËÈ»¿ÄºÌ·Ä¹»º»ÄËƾʻƿ³»¼»È»Ä¹»¿½Ä·ÂÅËȹ»´»ÊʿĽ·ÂË» ÄÊ»ÈÄ·Âƺº»¼·ËÂÊƻƭÎÊ»ÈÄ·ÂÄÊ»ÈÄ·ÂƓÉ»Éʾ»¸Ë¿ÂÊƖ¿ÄÈ»¼»È»Ä¹»É¿½Ä·ÂÊÈ·ÄÉÿÊÊ»Èżʾ¿ÉÊÈ·Äɹ»¿Ì»ÈƔÎÊ»ÈÄ·ÂƓÉ»Éʾ»»ÎÊ»ÈÄ·Â¼È»Ç˻ĹÏ¿ÄÆËÊ¼ÈÅÃʾ»¹ÅÄÄ»¹ÊÅÈ·Éʾ»È»¼»È»Ä¹»¼È»Ç˻ĹÏƔ●¾¿ÉÊÈ·Äɹ»¿Ì»È÷ÏÄÅÊ¼ËĹʿÅÄÆÈÅÆ»ÈÂÏ¿¼ʾ»È»¼»È»Ä¹»¿ÄÆËÊ»̻Â¼ÈÅÃʾ»»ÎÊ»ÈÄ·ÂÉÅËȹ»¿ÉÂÅÍÅÈ¿¼Ê¾»È»¿Éº»Ì¿·Ê¿ÅÄ¿Äʾ»¼È»Ç˻ĹÏƔ●»·É»È»¼»ÈÊÅƺʸʾƖʹƻ¼ÅÈʾ»·ºÀËÉÊûÄÊż¿ÄÊ»ÈÄ·ÂÈ»¼»È»Ä¹»¼È»Ç˻ĹÏƔͿʹ¾¿Ä½ʾ»ËÊ»ƻȷʿÅÄÅļ¿½ËÈ»¿ÄºÌ·Ä¹»º»ÄËƾʸʺƿ³ÄÃËÊ»¼ÅÈÄÊ»ÈÄ·ÂÆ»·Á»È´»ÊʿĽ·ÂË» ËÊ»ƺº»¼·ËÂÊƻƭÄÃËÊ»•¾»Ä¹Åø¿Ä¿Ä½ʾ»ËÉ»żÊÅÆÈ»Ì»ÄÊËÄÍ·ÄÊ»ºÉ¿½Ä·ÂÉÉ˹¾·ÉÄſɻ¼ÈÅÃ¸»¿Ä½ÊÈ·ÄÉÿÊÊ»º¼ÈÅÃʾ»¸·É»ÉÊ·Ê¿ÅÄÊÅʾ»ÄÊ»ÈÄ»Ê;¿Â»ÅÆ»È·Ê¿Ä½ʾ¿ÉÊÈ·Äɹ»¿Ì»È·É·Å·Ã·Ê»ËÈÈ·º¿Å¸·É»ÉÊ·Ê¿ÅÄƑ¹Åļ¿½ËÈ»ÊÅơÄÃËÊ»ƢÉÅʾ·Êʾ»ÉÊ·ÊËÉżʾ»ÅÆ»È·Ê¿Ä½¼È»Ç˻ĹÏ¹·Ä¸»̻ȿ¼¿»ºƔſĽÉÅÅËÊÆËÊÉ·ÂÂ·Ëº¿ÅÉ¿½Ä·ÂÉ¼ÈÅÃʾ»ÉÆ»·Á»ÈÈ»½·ÈºÂ»ÉÉżʾ»÷ʹ¾¿Ä½ÉÊ·ÊËÉżʾ»¼È»Ç˻ĹÏƔÄÂÏÉ¿½Ä·ÂÉͿʾ·÷ʹ¾¿Ä½¼È»Ç˻ĹÏ·È»ÅËÊÆËÊ¼ÈÅÃʾ»ʹƭÆÅÈÊƔÅļ¿½ËȿĽʾ»ÅÄÊÈÅÂ¿½Ä·Â¾»ÄÅÆ»È·Ê¿Ä½ʾ¿ÉÊÈ·Äɹ»¿Ì»ÈͿʾ·Ä»ÎÊ»ÈÄ·Âº»Ì¿¹»É˹¾·ÉÅÈ¹ÅÄÄ»¹Ê»ºÊÅʾ»ʹ¹ÅÄÄ»¹ÊÅÈÅÄʾ»È»·ÈÆ·Ä»ÂƑʾ»ÉÊ·ÊËÉżʾ»¹ÅÄÊÈÅÂÉ¿½Ä·Â¼ÅÈʾ»Æ¿Äżʾ»ʹ¹ÅÄÄ»¹ÊÅÈ¹·Ä¸»¹Åļ¿½ËÈ»ºƔÅļ¿½ËȿĽʾ»Ž¿¹żÅļ¿½ËÈ»ʾ»¹ÅÄÊÈÅÂÉ¿½Ä·ÂÂŽ¿¹żʾ»Æ¿ÄƔÅļ¿½ËÈ»¿ÄºÌ·Ä¹»º»ÄËƾʸʻƿ³Ž¿¹Ê·Ê»´»ÊʿĽ·ÂË» ÅÍƺº»¼·ËÂÊƻƭƻĕÅļ¿½ËÈ»ÊÅơÆ»ÄƢÊÅ»Ä·¸Â»ʾ»Å·ÆÆÂ¿¹·Ê¿ÅÄ¿ÄÉʷ»ºÅÄʾ»ÊÅº»Ê»¹Ê·¸ËÉÏÉÊ·Ê»»Ì»Ä;»Äʾ»ÆÅÍ»Èżʾ¿ÉÊÈ·Äɹ»¿Ì»È¿ÉƔÂÉÅƑ¹Åļ¿½ËÈ»ʾ»¸ËÉÏº»Ê»¹Ê¿ÅÄÂŽ¿¹żʾ»Å·ÆÆÂ¿¹·Ê¿ÅÄÉÅʾ·Ê¿Ê÷ʹ¾»Éʾ·Êżʾ¿ÉÊÈ·Äɹ»¿Ì»ÈƔÅļ¿½ËȿĽʾ»ËÊÆËÊÅĺ¿Ê¿ÅÄÉÅļ¿½ËÈ»ʾ»ÊÈ·ÄɿʿÅÄ¿Äʾ»ÉÊ·ÊËÉżʾ»¹ÅÄÊÈÅÂÉ¿½Ä·ÂÅËÊÆËÊ¼ÈÅÃʾ»Æ¿ÄƔ»Â»¹ÊºÌ·Ä¹»º»ÄËƾʸʼƿ³»Ì»ÈÉ»Åĺ¿Ê¿ÅÄ´Ɣ»ÊʿĽ·ÂË» ¼¼ƭËÉÏƭÇÂƺº»¼·ËÂÊƻƭ»ÄºƭËÉÏƖ»ÄºƭÇÂƖ»Äº•¾»¸»¾·Ì¿ÅÈ¿Ä»·¹¾żʾ»É»ÊʿĽ¿É·É¼ÅÂÂÅÍÉƔ»ÊʿĽ·ÂË» »¾·Ì¿ÅÈ¼¼ ¿Î»º¿Äʾ»ÂÅÍƺ¿Ä·¹Ê¿Ì»ƻÉÊ·Ê»ƔËÉÏ Ϳʹ¾»Éʾ»¹ÅÄÊÈÅÂÉ¿½Ä·ÂÊÅʾ»¾¿½¾ƺ·¹Ê¿Ì»ƻÉÊ·Ê»È»½·ÈºÂ»ÉÉżʾ»÷ʹ¾¿Ä½ÉÊ·ÊËÉżʾ»¼È»Ç˻ĹÏÈ»¹»¿Ì»ºƔÇÂ¾»Ä¿ÉƑ¹ÅÄÊÈÅÂÉ¿½Ä·ÂÉͿʹ¾»ÉÊÅʾ»¾¿½¾ÉÊ·Ê»;»Äʾ»È»¹»¿Ì»ºÃ·Ê¹¾»Éʾ»¹Åļ¿½ËÈ»ºÅÄʾ¿ÉÊÈ·Äɹ»¿Ì»ÈƔ¾»Ä¿ÉƑ¹ÅÄÊÈÅÂÉ¿½Ä·ÂÉͿʹ¾»ÉÊÅʾ»¾¿½¾ÉÊ·Ê»;»Ä·É¿½Ä·Â¿ÉÈ»¹»¿Ì»º¸Ïʾ¿ÉÊÈ·Äɹ»¿Ì»ÈÈ»½·ÈºÂ»ÉÉżʾ»÷ʹ¾¿Ä½ÉÊ·ÊËÉżƔ»Äº Ϳʹ¾»Éʾ»¹ÅÄÊÈÅÂÉ¿½Ä·ÂÊÅʾ»¾¿½¾Éʷʻ;»Äʾ¿ÉÊÈ·Äɹ»¿Ì»ÈÊÈ·ÄÉÿÊÉ·É¿½Ä·ÂƔËÉÏƖ»Äº Ϳʹ¾»Éʾ»¹ÅÄÊÈÅÂÉ¿½Ä·ÂÊÅʾ»¾¿½¾Éʷʻ;»Äʾ¿ÉÊÈ·Äɹ»¿Ì»ÈÊÈ·ÄÉÿÊÉÅÈÈ»¹»¿Ì»É·É¿½Ä·ÂƔÇÂƖ»Äº Ϳʹ¾»Éʾ»¹ÅÄÊÈÅÂÉ¿½Ä·ÂÊÅʾ»¾¿½¾ÉÊ·Ê»¿Äʾ»ɷûÍ·Ï·É;»Äʾ»É»ÊʿĽ¿É¹Åļ¿½ËÈ»ºÊÅơÇÂƢ·Äºơ»ÄºƢƔͿʹ¾¿Ä½ʾ»ÅÄÄ»¹ÊÅÈ¿½Ä·Â¾»ƭÊ»ÈÿķÂżʾ»¹ÅÄÄ»¹ÊÅÈÅÄʾ»È»·ÈƷϹ·Ä¸»¹Åļ¿½ËÈ»ºÉ˹¾ʾ·Ê¿ÊÅÆ»È·Ê»É¿Äʾ»ɷûÍ·Ï·Éʾ»ƭÊ»ÈÿķÂżʾ»ʹ¹ÅÄÄ»¹ÊÅÈƔʼÅļ¿½ËÈ»¿ÄºÌ·Ä¹»º»ÄËƾʸʽƿ³ƭ¿ÄÉÉ¿½ÄûÄÊƺÅÄÄ»¹ÊÅÈƻ´Ɣ»ÊʿĽ·ÂË» ¼¼ƺº»¼·ËÂÊƻƭÄ¼¼Ɠ¾»¹ÅÄÄ»¹ÊÅÈÆÈŹ»ÉÉ»É¸Åʾʾ»·ÄºÉ¿½Ä·ÂÉƔÄƓ¾»É¿½Ä·ÂÉżʾ»·ÄºÆ¿ÄÉżʾ»¹ÅÄÄ»¹ÊÅÈ·È»È»ÆÂ·¹»º¸Ï·ÄºÉ¿½Ä·ÂÉÈ»ÉÆ»¹Ê¿Ì»ÂÏƔ•ûÉÉ·½»ÊÅ¹Åļ¿ÈÃʾ»¸»¾·Ì¿ÅÈżʾ»¹ÅÄÄ»¹ÊÅÈ¿Éº¿ÉÆÂ·Ï»ºƔʽ»¸ÅÅÊʾ¿ÉÊÈ·Äɹ»¿Ì»ÈƔ¼Ê»Èʾ¿ÉÊÈ·Äɹ»¿Ì»ÈÈ»¸ÅÅÊÉƑʾ»Ä»ÍÉ»ÊʿĽÉ·È»·ÆÆÂ¿»ºƔʸʽʸʽƖʿ
ÆÂ¿ÊÈ·Äɼ»È¾¿É¼ËĹʿÅÄ·ÂÂÅÍÉ¼È»Ç˻ĹÏ¿Ä¼ÅÈ÷ʿÅÄÊÅ¸»ÊÈ·Äɼ»ÈÈ»º¸Ï¹ÅÄÄ»¹Ê¿Ä½·ÄÅʾ»ÈÊÈ·Äɹ»¿Ì»ÈÊÅʾ¿ÉÊÈ·Äɹ»¿Ì»È·É·É˸ƖÈ»¹»¿Ì»ÈƔ¾»È»·È»ÊÍÅÃź»É¼ÅÈʾ¿É¼ËĹʿÅÄƓÆÂ¿ÊÈ·Äɼ»Èʸ·ÄºÆÂ¿ÊÈ·Äɼ»ÈʹƔÆÂ¿ÊÈ·Äɼ»Èʸ¾¿É¼ËĹʿÅÄÊÈ·Äɼ»È¿Ä¼ÅÈ÷ʿÅÄÅÄʾ»¼È»Ç˻ĹÏºËÈ¿Ä½ÉÆÂ¿ÊÅÆ»È·Ê¿ÅÄ¼ÈÅÃʾ»ÊÈ·Äɹ»¿Ì»Èƺƭ»ÄºƻÊÅʾ»ÊÈ·Äɹ»¿Ì»Èʾ·Ê¼ËĹʿÅÄÉ·É·É˸ƖÈ»¹»¿Ì»ÈƔ¾¿É¿É·¹ÅÄ̻Ŀ»ÄÊ¼ËĹʿÅÄ¼ÅÈÉ¿ÃËÂÊ·Ä»ÅËÉºË·ÂƖ¼È»Ç˻ĹÏÈ»¹»ÆÊ¿ÅÄ¸Ï¾·Ì¿Ä½ʾ»É˸ƖÈ»¹»¿Ì»ÈÈ»¹»¿Ì»ʾ»ÉÆÂ¿Ê¼È»Ç˻Ĺ¿»É¼ÈÅÃʾ»ƭ»ÄºƔÊ·ÂÉÅÉËÆÆÅÈÊÉʾ»Éʷĺ¸ÏÃź»ƔSimultaneous Reception of TX FrequencySplit OperationSub-receiverTX/RX End¾»ËÉ·¸Â»ÊÈ·Äɹ»¿Ì»ÈÃź»ÂÉ·È»ƖʿˀʷƑƖʼˀʷ·ÄºƖʼˀʷƔƖʼˀʷ·ÄºƖʼˀʷ¹·Ä¸»ËÉ»ºÅÄÂÏ·É·É˸ƖÈ»¹»¿Ì»ÈƔ●¿ÈÃÍ·È»ËÆº·Ê»¿ÉÄ»»º»º;»ÄƖʼˀʷƭƖʼˀʷ¿ÉËÉ»º·É·É˸ƖÈ»¹»¿Ì»ÈƔÆÂ¿ÊÈ·Äɼ»Èʹ¾¿ÉÃź»¿ÉËÉ»º¼ÅÈ¹ÅÄÄ»¹Ê¿Ä½·ÄÅʾ»ÈÊÈ·Äɹ»¿Ì»ÈÊÅʾ¿ÉÊÈ·Äɹ»¿Ì»È·É·É˸ƖÈ»¹»¿Ì»ÈºËȿĽÊÍÅƖ÷ÄÅÆ»È·Ê¿ÅÄ;¿Â»¹ÅÄÊ»ÉʿĽƔ¾¿É¿É·¹ÅÄ̻Ŀ»ÄÊ¼ËĹʿÅÄʾ·Ê·ÂÂÅÍÉʾ»É˸ƖÅÆ»È·ÊÅÈ·Êʾ»É˸ƖÈ»¹»¿Ì»È»ÄºÊÅÊÈ·ÄÉÿÊ¼È»Ç˻ĹÏ¿Ä¼ÅÈ÷ʿÅÄÊÅʾ»÷¿ÄÅÆ»È·ÊÅÈ·Êʾ»ƭ»ÄºƔƻȷʿĽº·Ê·¹·Ä¸»ÊÈ·Äɼ»ÈÈ»º¸Ïʾ»¼ÅÂÂÅͿĽÊÈ·Äɹ»¿Ì»ÈÃź»ÂÉƔ•Ɩʿˀʷ•Ɩˀˀʷ•Ɩʼˀʷ•Ɩʼˀʷ•Ɩʻʿʷɻȿ»É•Ɩʹʷʷʷɻȿ»É•Ɩʼʾʷɻȿ»É•Ɩʿʾʷ●Åû¼ËĹʿÅÄÉ÷ÏÄÅÊ¸»ËÉ·¸Â»ºËȿĽÉÆÂ¿ÊÊÈ·Äɼ»È¸»ÊÍ»»Äʾ¿ÉÊÈ·Äɹ»¿Ì»È·Äº·ÄÅʾ»ÈÊÈ·Äɹ»¿Ì»ÈƔÅÄÄ»¹Ê¿ÅÄÅÄÄ»¹Êʾ»ʹÊÈ·Äɹ»¿Ì»ÈÉÊÅ»Ä·¸Â»ÊÈ·Äɼ»Èż¼È»Ç˻ĹÏº·Ê··Äºɾ·È¿Ä½ż·ÄÊ»ÄÄ·Ɣ●·¸Â»É¼ÅÈ¹ÅÄÄ»¹Ê¿ÅÄÄ»»ºÊÅ¸»ÆÈ»Æ·È»ºɻƷȷʻÂϸÏʾ»ËÉ»ÈƔÅÄÄ»¹Ê¿ÅÄ¼ÅÈ·Ê·È·Äɼ»ÈƓÅÄÄ»¹Êʾ»¹ÅÄÄ»¹ÊÅÈżʾ»ʹÊÈ·Äɹ»¿Ì»ÈËÄ¿ÊÉËɿĽ·Ɩʹʺʹ¹ÈÅÉÉ¹·¸Â»ƺ¼»Ã·Â»Ɩ¼»Ã·Â»ƻƔÅÄÄ»¹Ê¿ÅÄ¼ÅÈÄÊ»ÄÄ·¾·È¿Ä½ƓÅÄÄ»¹Êʾ»¹ÅÄÄ»¹ÊÅÈ·Êʾ»ƭ»ÄºÊÅʾ»ÅÈ¹ÅÄÄ»¹ÊÅÈ·Êʾ»É˸ƖÈ»¹»¿Ì»È»ÄºËɿĽ·¹Å·Î¿·Â¹·¸Â»ƔËÈÄÅÄʾ»¼ËĹʿÅÄ·Êʾ»ƭ»ÄºƔ»Â»¹Êʾ»¹ÅÄÄ»¹Ê»º¹ÅÄÄ»¹ÊÅÈ·Êʾ»É˸ƖÈ»¹»¿Ì»È»ÄºÅÈ÷Á»ËÉ»żʾ»¼ËĹʿÅÄƔÆÂ¿ÊÈ·Äɼ»Èʸ»ÂÅÍ¿É·Ä»Î·ÃÆÂ»żËɿĽʾ¿ÉÊÈ·Äɹ»¿Ì»È·Ê¸Åʾʾ»ƭ»Äº·ÄºÉ˸ƖÈ»¹»¿Ì»È»Äº¿Äʾ»Éʷĺ·ÈºÉ»ÊʿĽÉƔ»¼ÅÈ»ËɿĽʾ»ƖʼˀʷƭƖʼˀʷɻȿ»É·É·É˸ƖÈ»¹»¿Ì»ÈƑÆÂ»·É»È»·ºÊ¾ÈÅ˽¾ʾ»¿ÄÉÊÈ˹ʿÅÄ÷ÄË·Â·ÄºËÆº·Ê»ºÅ¹ËûÄÊÉƔÅļ¿½ËÈ·Ê¿ÅÄɿĽƖʿˀʷ·Êʾ»ƭĺʼÄ·¸Â»ʾ¿ÉÊÈ·Äɹ»¿Ì»ÈÊÅ¼ËĹʿÅÄ·É·ƭ»ÄºÊÈ·Äɹ»¿Ì»ÈƔ»Â»¹ÊơʸƺƭƻƢ¿Ä»ÄËƾʾƖʷʻƿ³Ë¿¹Á·Ê·È·Äɼ»È´ƔʽÅļ¿½ËÈ»ʾ»¸·ËºÈ·Ê»ÊÅʸʸʼʹʷʷ¸ÆÉƔ»Â»¹Êơʸʸʼʹʷʷƾ¸ÆÉƿƢ¿Ä»ÄËƾʾƖʷʷƿ³·Ëº·Ê»ƺÅÈÊƻ´Ɣʾ»ÊÊÅʾ»Ãź»Ɣ¼ʾ»ÊÈ·Äɹ»¿Ì»È¿É¿Äʾ»ûÃÅÈÏ¹¾·ÄÄ»ÂÅÈÇË¿¹ÁûÃÅÈϹ¾·ÄÄ»ÂÃź»ƑÉͿʹ¾¿ÊÊÅʾ»Ãź»ƔɿĽƖʿˀʷ·É·˸ƖÈ»¹»¿Ì»ÈʼÄ·¸Â»ʾ¿ÉÊÈ·Äɹ»¿Ì»ÈÊÅ¼ËĹʿÅÄ·É·É˸ƖÈ»¹»¿Ì»ÈƔ»Â»¹Êơʸƺ˸ƻƢ¿Ä»ÄËƾʾƖʷʻƿ³Ë¿¹Á·Ê·È·Äɼ»È´ƔʽÅļ¿½ËÈ»ʾ»¸·ËºÈ·Ê»ÊÅʸʸʼʹʷʷ¸ÆÉƔ»Â»¹Êơʸʸʼʹʷʷƾ¸ÆÉƿƢ¿Ä»ÄËƾʾƖʷʷƿ³·Ëº·Ê»ƺÅÈÊƻ´Ɣʾ»ÊÊÅʾ»Ãź»Ɣ¼ʾ»ÊÈ·Äɹ»¿Ì»È¿É¿Äʾ»ûÃÅÈÏ¹¾·ÄÄ»ÂÅÈÇË¿¹ÁûÃÅÈϹ¾·ÄÄ»ÂÃź»ƑÉͿʹ¾¿ÊÊÅʾ»Ãź»Ɣʿ»ÊÊÅÉ¿ÃÆÂ»ÎÃź»Ɣ●¾¿ÉÊÈ·Äɹ»¿Ì»È¼ËĹʿÅÄÉÅÄÂÏ·Êʾ»ÊÈ·Äɼ»ÈÈ·Ê»żʸʸʼʹʷʷƾ¸ÆÉƿƔ●ÊºÅ»ÉÄÅÊ¼ËĹʿÅÄ¿Äʾ»ûÃÅÈÏ¹¾·ÄÄ»Â·ÄºÇË¿¹ÁûÃÅÈÏ¹¾·ÄÄ»ÂÃź»ÉƔ●¾¿É¼ËĹʿÅÄ¹·ÄÄÅÊ¸»ËÉ»º¿Äʾ»ÉÆÂ¿ÊÃź»ƔʸʽʸʽƖˀ
ƻȷʿÅÄʼÈ·Äɼ»Èʾ»¼È»Ç˻ĹÏ¿Ä¼ÅÈ÷ʿÅÄºËȿĽÉÆÂ¿ÊÅÆ»È·Ê¿ÅÄ¼ÈÅÃʾ»ƭ»ÄºÊÅʾ»É˸ƖÈ»¹»¿Ì»È»ÄºƔÏÆÈ»ÉɿĽƾƿ·Êʾ»ƭ»ÄºÊÅÉͿʹ¾ÊÅʾ»ÉÆÂ¿ÊÃź»Ƒʾ»¼È»Ç˻ĹÏ·ÄºÃź»¿Ä¼ÅÈ÷ʿÅÄ¿ÉÊÈ·Äɼ»ÈÈ»ºÊÅʾ»żʾ»É˸ƖÈ»¹»¿Ì»È·Äº»Ä·¸Â»Éʾ»¼È»Ç˻ĹÏÊÅ¸»È»¹»¿Ì»º¸Ïʾ»É˸ƖÈ»¹»¿Ì»ÈƔ˸ɻÇË»ÄÊÂÏƑ;»Äʾ»È»¿É·¹¾·Ä½»¿Äʾ»¼È»Ç˻ĹÏ·Êʾ»ƭ»ÄºƑʾ»Ä»Í¼È»Ç˻ĹÏ¿Ä¼ÅÈ÷ʿÅÄÍ¿ÂÂ¸»ÊÈ·Äɼ»ÈÈ»º·ËÊÅ÷ʿ¹·ÂÂÏƑ·Äºʾ»¼È»Ç˻ĹÏ·Êʾ»É˸ƖÈ»¹»¿Ì»ÈÍ¿ÂÂ¸»·ºÀËÉÊ»º·¹¹ÅȺ¿Ä½ÂÏƔ»ÂÅÍ·È»ÉÅû»Î·ÃÆÂ»ÉƔ•¾»Äʾ»¼È»Ç˻ĹÏ¿É¹¾·Ä½»ºËɿĽʾ»¼ËĹʿÅÄ•¾»Äʾ»¸·Äº·Äº¸·Äº·È»¹¾·Ä½»º·Êʾ»ɷûʿûËɿĽʾ»·Äº¿È»¹ÊÁ»Ïƺơƭ·ÄºƢÄ»»ºÉÊÅ¸»É»Â»¹Ê»º¿Ä·ºÌ·Ä¹»¿Ä»ÄËƾʺƖʸʺƿ³·Äº¿È»¹Ê»ÏÉ¿ÄÆÂ¿Êź»´Ɣƻ•¾»Äʾ»ÉÆÂ¿Ê¼È»Ç˻ĹÏ¿É¹¾·Ä½»ºÌ¿·ÅÆ»È·Ê¿ÅÄżʾ»ƭ¹ÅÄÊÈÅÂƺơÈ»Ç˻ĹÏ¼¼É»Ê;¿Â»ƢÄ»»ºÉÊŸ»ɻ»¹Ê»º¿Ä·ºÌ·Ä¹»¿Ä»ÄËƾʺƖʸʹƿ³ÆÂ¿ÊÈ»Ç˻ĹÏ¼¼É»Ê¸ÏƭÅÄÊÈÅ´Ɣƻʽ¾·Ä½»ʾ»¼È»Ç˻ĹÏʾ·Ê¿ÉÊÈ·Äɼ»ÈÈ»º¼ÈÅÃʾ»ƭ»Äº·Êʾ»É˸ƖÈ»¹»¿Ì»È»ÄºƔ¾»¼È»Ç˻ĹÏʾ·Ê¿ÉÊÈ·Äɼ»ÈÈ»ºÊÅʾ»É˸ƖÈ»¹»¿Ì»È»Äº¹·Ä¸»·ºÀËÉÊ»º¿Äº»Æ»Äº»ÄÊÂÏͿʾÅËÊ·¼¼»¹Ê¿Ä½ʾ»Ì·ÂË»·Êʾ»ƭ»ÄºƔÅÈ»ÉÊÅÈ»ʾ»ÉÊ·Ê»;»È»ʾ»¼È»Ç˻ĹÏ÷ʹ¾»ÉͿʾʾ»¼È»Ç˻ĹÏ·Êʾ»ƭ»ÄºƑÆÈ»ÉÉƾƿ·Êʾ»ƭ»ÄºÊÅÈ»·¹Ê¿Ì·Ê»ʾ»ÉÆÂ¿Ê¼ËĹʿÅÄƔʾÈ·Äɼ»Èʾ»¼È»Ç˻ĹÏº»Ê»¹Ê»º·Êʾ»É˸ƖÈ»¹»¿Ì»È»ÄºÊÅʾ»¼È»Ç˻ĹÏ·Êʾ»ƭ»ÄºƔÈ»ÉɿĽƾƖƔƿ·Êʾ»É˸ƖÈ»¹»¿Ì»È»ÄºÊÈ·Äɼ»ÈÉʾ»¹ËÈÈ»ÄʼȻÇ˻ĹÏ¿Ä¼ÅÈ÷ʿÅÄÊÅʾ»·Êʾ»ƭ»ÄºƔ●ÆÅÄÊÈ·ÄÉÿÉÉ¿ÅÄ¼ÈÅÃʾ»ƭ»ÄºƑʾ»É˸ƖÈ»¹»¿Ì»ÈÉͿʹ¾»ÉÊÅʾ»Éʷĺ¸ÏÃź»Ɣ●¾»ÊÈ·Äɹ»¿Ì»È·Êʾ»É˸ƖÈ»¹»¿Ì»È»Äº¿É¿Ä¾¿¸¿Ê»º¼ÈÅÃÊÈ·ÄÉÿÉÉ¿ÅÄƔ●¾»Ä·Êʾ»ƭ»Äº¿ÉƑʾ»¼È»Ç˻ĹÏ¿É·ºº»ºÊÅʾ»¼È»Ç˻ĹÏÊÅ¸»ÊÈ·Äɼ»ÈÈ»ºƔ●¾»Ä·Êʾ»É˸ƖÈ»¹»¿Ì»È»Äº¿ÉƑʾ»¼È»Ç˻ĹÏ¿É·ºº»ºÊÅʾ»¼È»Ç˻ĹÏÊÅ¸»ÊÈ·Äɼ»ÈÈ»ºƔ●È»Ç˻ĹÏ¿Ä¼ÅÈ÷ʿÅÄ¹·ÄÄÅÊ¸»È»¹»¿Ì»º¼ÈÅÃʾ»É˸ƖÈ»¹»¿Ì»È¿¼ʾ»ƭ»Äº¿ÉÄÅÊ¹Åļ¿½ËÈ»ºÊÅʾ»ÉÆÂ¿ÊÃź»ƔËʿĽʾ»˸ƖÈ»¹»¿Ì»È¾»·Ëº¿Å·Êʾ»É˸ƖÈ»¹»¿Ì»È¹·Ä¸»ÃËÊ»º¸Ïʾ»ƭ»ÄºƔʼÉÉ¿½ÄơËÊ»ƺ˸»¹»¿Ì»ÈƻƢÊÅ·Á»Ï·Êʾ»ƭ»ÄºƔʽÈ»ÉÉƾËÊ»ƺ˸»¹»¿Ì»ÈƻƿƔ¾»·Ëº¿Å·Êʾ»É˸ƖÈ»¹»¿Ì»È»Äº¿ÉÃËÊ»ºƔ•È»ÉɿĽʾ»ƾËÊ»ƺ˸»¹»¿Ì»ÈƻƿÁ»Ï·½·¿ÄËÄÃËÊ»Éʾ»·Ëº¿ÅƔÆÂ¿ÊÈ·Äɼ»Èʹ¾¿É¼ËĹʿÅÄÉËÆÆÅÈÊÉʾ»ơÉÆÂ¿ÊÊÈ·Äɼ»ÈƢ¼ËĹʿÅÄÅÄÃź»Âɸ»¼ÅÈ»ʾ»ƖʿˀʷƔÊ·ÂÂÅÍÉ»Î¿ÉʿĽËÉ»ÈÉżʾ»ơÉÆÂ¿ÊÊÈ·Äɼ»ÈƢ¼ËĹʿÅÄÊÅ¹ÅÄÊ¿ÄË»ËɿĽ¿Ê·¼Ê»È¹¾·Ä½¿Ä½ÊÅƖʿˀʷƔÅÂÂÅÍʾ»ÉÊ»ÆÉ¸»ÂÅÍÊÅÅÆ»È·Ê»ʾ¿ÉÊÈ·Äɹ»¿Ì»ÈƔÅ¹Åø¿Ä»ʾ»ËÉ»ż·ÊÈ·Äɹ»¿Ì»ÈÅʾ»Èʾ·Äʾ¿ÉÊÈ·Äɹ»¿Ì»ÈƑÆÂ»·É»È»¼»ÈÊÅʾ»¿ÄÉÊÈ˹ʿÅÄ÷ÄË·Âżʾ»Ãź»ÂÊÅ¸»ËÉ»ºƔɿĽƖʿˀʷ·Êʾ»˸ƖÈ»¹»¿Ì»Èĺƺ·ÉÊ»ÈƻʼËÈÄÆÂ¿ÊÈ·Äɼ»ÈʹƔ»Â»¹ÊơʹƢ¿Ä»ÄËƾʾƖʷʻƿ³Ë¿¹Á·Ê·È·Äɼ»È´ƔʽËÄ»ÊÅʾ»¼È»Ç˻ĹÏżʾ»Æ·ÈÊÏÊÅ¹ÅÃÃËÄ¿¹·Ê»Í¿Ê¾¿Äʾ»Ãź»Ɣƻȷʻʾ»ËĿĽ¹ÅÄÊÈÅÂÊÅÊËÄ»ÊÅʾ»¼È»Ç˻ĹÏżʾ»Æ·ÈÊÏÊÅ¹ÅÃÃËÄ¿¹·Ê»ͿʾƔʾÈ·Äɼ»Èʾ»¼È»Ç˻ĹÏ¿Ä¼ÅÈ÷ʿÅÄÊÅʾ»ƭ»ÄºƔÈ»ÉɿĽƾƖƔƿÉ·Ì»Éʾ»¼È»Ç˻ĹÏ¿Ä¼ÅÈ÷ʿÅÄÊÅ¹¾·ÄÄ»Âʷżʾ»ÇË¿¹ÁûÃÅÈÏ·ÄºÊÈ·Äɼ»ÈÉ¿ÊÊÅÇË¿¹ÁûÃÅÈÏ¹¾·ÄÄ»ÂʷÅÈ·Êʾ»ƭ»ÄºƔɿĽƖʿˀʷ·Êʾ»ƭĺƺ·̻ƻʼËÈÄÆÂ¿ÊÈ·Äɼ»ÈʹƔ»Â»¹ÊơʹƢ¿Ä»ÄËƾʾƖʷʻƿ³Ë¿¹Á·Ê·È·Äɼ»È´ƔʽÅļ¿½ËÈ»;»Ê¾»È¼È»Ç˻ĹÏ¿Ä¼ÅÈ÷ʿÅÄÊÈ·Äɼ»ÈÈ»º¼ÈÅÃʾ»É˸ƖÈ»¹»¿Ì»È¿ÉÊÅ¸»È»¹»¿Ì»º¸Ïʾ»ÇË¿¹ÁûÃÅÈÏ¹¾·ÄÄ»ÂÅÈƔ»Â»¹ÊơƢÅÈơË¿¹Á»ÃÅÈÏƢ¿Ä»ÄËƾʾƖʷʼƿ³Ì»ÈÍȿʻŹ·Ê¿ÅÄƺË¿¹Á·Ê·È·Äɼ»Èƻ´Ɣʾ»¹»¿Ì»¼È»Ç˻ĹÏ¿Ä¼ÅÈ÷ʿÅÄ¼ÈÅÃʾ»É˸ƖÈ»¹»¿Ì»ÈƔÆÅÄÈ»¹»¿Ì¿Ä½¼È»Ç˻ĹÏ¿Ä¼ÅÈ÷ʿÅÄʾ·Ê¿ÉÊÈ·Äɼ»ÈÈ»º¼ÈÅÃʾ»É˸ƖÈ»¹»¿Ì»ÈƑ¹¾·ÄÄ»Âʷżʾ»ÇË¿¹ÁûÃÅÈÏÅÈ¿ÉËÆº·Ê»º·¹¹ÅȺ¿Ä½ÊÅʾ»É»ÊʿĽ¿ÄÉÊ»ÆʹƔ●Åļ¿½ËÈ»ʾ»ʹÊÈ·Äɹ»¿Ì»ÈÉʾ·Ê·È»¹ÅÄÄ»¹Ê»ºÊÅ»·¹¾Åʾ»ÈÊÅʾ»ɷû¹ÅÄÄ»¹ÊÅÈ¸·ËºÈ·Ê»Ɣ●ÅÆÈ»Ì»ÄÊ÷¼ËĹʿÅÄƑÈ»¸ÅÅÊ¸ÅʾÊÈ·Äɹ»¿Ì»ÈÉ·¼Ê»È¹Åļ¿½ËȿĽʾ»É»ÊʿĽÉƔ●¾»ÄËɿĽʾ¿ÉÊÈ·Äɹ»¿Ì»È·É·É˸ƖÈ»¹»¿Ì»ÈƑ¹Åļ¿½ËÈ»»ÄËƾʽƖʷʺƿ³ľ¿¸¿Ê´ÊÅơÄƢÊÅÆÈ»Ì»ÄÊ»ÈÈÅÄ»ÅËÉÊÈ·ÄÉÿÉÉ¿ÅÄƔʸʽʸʽƖʸʷ
ľ¿¸¿Ê¾¿É¼ËĹʿÅÄÆÈ»Ì»ÄÊÉ»ÈÈÅÄ»ÅËÉÊÈ·ÄÉÿÉÉ¿ÅÄƔ¾»Äľ¿¸¿Ê¿ÉƑʾ¿ÉÊÈ·Äɹ»¿Ì»ÈºÅ»ÉÄÅÊ¹·ÈÈÏÅËÊÊÈ·ÄÉÿÉÉ¿ÅÄ»Ì»Ä;»ÄƾƿÅÄʾ»ÿ¹ÈÅÆ¾ÅÄ»¿ÉÆÈ»ÉÉ»ºƔ¾»·Ëº¿Å·ÂÉÅ¸»¹ÅûÉ¿Ä·Ëº¿¸Â»;¿Â»ƾƿ¿ÉÆÈ»ÉÉ»ºƔľ¿¸¿ÊÊÈ·ÄÉÿÉÉ¿ÅÄ¿Äʾ»¼ÅÂÂÅͿĽ¹·É»ÉƔ•¾»ÄÏÅËÍ·ÄÊÊÅÅÆ»È·Ê»ʾ»÷ÉÊ»ÈÊÈ·Äɹ»¿Ì»ÈËÄ¿Ê·É·È»¹»¿Ì»ƖÅÄÂÏËÄ¿ÊºËȿĽÅÆ»È·Ê¿ÅÄ¿Äʾ»ÆÂ¿ÊÈ·Äɼ»ÈʹÃź»ƔÈ·ÄÉÿÉÉ¿ÅÄ¿ÉÄÅÊ¹·ÈÈ¿»ºÅËÊ»Ì»Ä;»Äʾ¿É¿É·ÊÊ»ÃÆÊ»ºËɿĽʾ»÷ÉÊ»ÈÊÈ·Äɹ»¿Ì»ÈƔ˺¿Å¿É·ÂÉÅÄÅÊÅËÊÆËÊƔ•¾»ÄÏÅËºÅÄÅÊͿɾÊÅÊÈ·ÄÉÿÊÉ¿½Ä·ÂÉÊÅʾ»¾ÅÉÊÊÈ·Äɹ»¿Ì»È;¿Â»¹ÅÄÊÈÅ¿Ľʾ»ÊÈ·Äɹ»¿Ì»ÈÌ¿·ËɿĽƺƻƔÅļ¿½ËÈ»¿Ä»ÄËƾʽƖʷʺƿ³ľ¿¸¿Ê´»ÊʿĽ·ÂË» ¼¼ƺº»¼·ËÂÊƻƭÄ●¾»Äľ¿¸¿Ê¿ÉƑ·Ëº¿Å¿ÉÃËÊ»º;»Äʾ»Ê»ÈÿķÂÉ¿½Ä·Â»̻Âżʾ»ʹ¹ÅÄÄ»¹ÊÅÈ¿ÉÂÅÍƔ·Ëº¿Å¿É·ÂÉÅÃËÊ»º;¿Â»ƾƿ¿ÉÆÈ»ÉÉ»º·Éʾ»É¿½Ä·Â»̻Âżʾ»Ê»ÈÿķÂ¸»¹ÅûÉÂÅÍƔ●¾»Äľ¿¸¿Ê¿ÉƑÊËĿĽ¹·ÄÄÅÊ¸»ƻȼÅÈûº¸Ïʾ»·ÄÊ»ÄÄ·ÊËÄ»ÈƔ●¾»ÄËɿĽʾ¿ÉÊÈ·Äɹ»¿Ì»È·É·È»¹»¿Ì»ƖÅÄÂÏËÄ¿Ê·Ê·ÂÂʿûÉƑ¹Åļ¿½ËÈ»ʾ¿ÉÉ»ÊʿĽÊÅơÄƢÊÅÆÈ»Ì»ÄÊ»ÈÈÅÄ»ÅËÉÊÈ·ÄÉÿÉÉ¿ÅÄƔËĿĽʾ»·¹Á»ÊÂËÉÊ»È·¹Á»Ê¹ÂËÉÊ»ÈÊËĿĽ¹·Ä¸»ƻȼÅÈûº¸Ï¹ÅÄÄ»¹Ê¿Ä½ʾ¿ÉÊÈ·Äɹ»¿Ì»ÈÊÅ·ÄÅʾ»ÈÊÈ·Äɹ»¿Ì»ÈƔ¾»¼ÅÂÂÅͿĽÊÈ·Äɹ»¿Ì»ÈÉ¹·Ä¸»¹ÅÄÄ»¹Ê»º¼ÅÈʾ¿ÉÆËÈÆÅÉ»Ɣ•Ɩʾʸʷƺº¿É¹ÅÄÊ¿ÄË»ºƻ•Ɩʾʸʷ•ƖʾʷʷƺÌ»ÈÉ¿ÅÄÅÈ·ʻÈƻƺº¿É¹ÅÄÊ¿ÄË»ºƻ•ƖʾʹÅÄÄ»¹Ê¿ÅÄ78TH-D72Φ2.5mm-Three-pronged PlugCOM TerminalGNDTXDRXD(Female)9-pin D-SUB Connector (Solder Side)9-pin D-SUB FemaleTM-D700PG-5GRC-D710 + PG-5JTS-890RC-D710 + TM-V71TM-D710/ TM-D710G9-pin D-SUB Male9-pin D-SUB Female»¹»¿Ì¿Ä½·¹Á»ÊÂËÉÊ»È·Ê·ÅÂÂÅÍʾ»ÉÊ»ÆÉ¸»ÂÅÍÊÅÅÆ»È·Ê»ʾ»ÊÈ·Äɹ»¿Ì»Èʾ·Ê¿É¹ÅÄÄ»¹Ê»ºÊÅʾ¿ÉÊÈ·Äɹ»¿Ì»ÈƔʼͿʹ¾ÊÅʾ»ÅÈ·Ì¿ÊÈ·Ãź»ÊÅÈ»¹»¿Ì»ʾ»Æ·¹Á»Ê¹ÂËÉÊ»Èº·Ê·Ɣʽ¿ÉÆÂ·Ïʾ»Æ·¹Á»Ê¹ÂËÉÊ»È·Äº·Â¿½Äʾ»¹ËÈÉÅÈͿʾʾ»¼È»Ç˻ĹÏÊÅÊËÄ»ÊÅƔʾÈ»ÉÉʾ»¹ÅÈÈ»ÉÆÅĺ¿Ä½Á»ÏÊÅÅËÊÆËÊʾ»¼È»Ç˻ĹÏÌ·ÂË»ɻ»¹Ê»º¿ÄÉÊ»ÆʹƔ¾»ÅÆ»È·Ê¿Ä½¼È»Ç˻ĹÏƺƻ¿É¹Åļ¿½ËÈ»º¸·É»ºÅÄʾ»Æ·¹Á»Ê¹ÂËÉÊ»Èº·Ê·È»¹»¿Ì»º¿¼ʾ»¼È»Ç˻ĹÏ¿É¹Åļ¿½ËÈ·¸Â»¸Ïʾ¿ÉÊÈ·Äɹ»¿Ì»ÈƔ•ƖʾʸʷƑƖʾʸʷƑƖʾʸʷƓƾƿÁ»Ï•ƖʾʷʷƓƾÐƿÁ»Ï•ƖʾʹƓƾƿÁ»Ï●Äʾ»Ãź»Ƒʾ»ÅÆ»È·Ê¿Ä½¼È»Ç˻ĹÏƺƻʾ·Ê¿É¹ËÈÈ»ÄÊÂÏ¿ÄËÉ»¿É¹Åļ¿½ËÈ»ºƔÄʾ»ûÃÅÈÏ¹¾·ÄÄ»ÂÃź»Ƒʾ»ÃÅÉÊÈ»¹»ÄÊÅÆ»È·Ê¿Ä½¼È»Ç˻ĹÏƺƻ¿É¹Åļ¿½ËÈ»ºƔʸʽʸʽƖʸʸ
ÅÄÊÈÅÂżÎÊ»ÈÄ·Â»Ì¿¹»Éľ¿¸¿Ê¿ÄËÉÏÊ·Ê»ƺ;»ÄÇ˻¹¾¿ÉÆ»Äƻ¾»ÄÊÈ·ÄÉÿÉÉ¿ÅÄ¿É¿Ä¾¿¸¿Ê»º¿Äʾ»¸ËÉÏÉÊ·Ê»ƑÆÈ»ÉɿĽƾƿÅÄʾ»¼ÈÅÄÊÆ·Ä»ÂÅÈƾƿÅÄʾ»ÿ¹ÈÅÆ¾ÅÄ»ºÅ»ÉÄÅÊ»Î»¹ËÊ»ÊÈ·ÄÉÿÉÉ¿ÅÄ;¿Â»ʾ¿ÉÊÈ·Äɹ»¿Ì»È¿É¸ËÉÏƔÅļ¿½ËÈ»¿ÄºÌ·Ä¹»º»ÄËƾʸʹƿ³ľ¿¸¿Ê¾¿Â»ËÉÏ´»ÊʿĽ·ÂË» ¼¼ƺº»¼·ËÂÊƻƭÄ»Ì»ÈɿĽʾ»¿½Ä·ÂÅ·ȿÊÏ¾ÅÈÊƖ¹¿È¹Ë¿Ê¿Ä½ʾ»Ê»ÈÿķÂÊÅÆÂ·¹»Éʾ¿ÉÊÈ·Äɹ»¿Ì»È¿Äʾ»Ãź»Ɣ¾¿ÉÆÅ·ȿÊÏ¹·Ä¸»Ȼ̻ÈÉ»º·¹¹ÅȺ¿Ä½ÊÅʾ»º»Ì¿¹»ÊÅ¸»¹ÅÄÄ»¹Ê»ºƔÅļ¿½ËÈ»¿ÄºÌ·Ä¹»º»ÄËƾʸʸƿ³Å·ȿÊÏ»Ì»ÈÉ»´»ÊʿĽ·ÂË» ¼¼ƺº»¼·ËÂÊƻƭÄ¼¼Ɠ¾ÅÈÊƖ¹¿È¹Ë¿Ê¿Ä½ʾ»Ê»ÈÿķÂżʾ»ʹ¹ÅÄÄ»¹ÊÅÈÊÅÆÂ·¹»Éʾ¿ÉÊÈ·Äɹ»¿Ì»È¿Äʾ»Ãź»ƔÄƓÆÆÂϿĽ·ÌÅÂÊ·½»żʺÊÅʼÊÅʾ»Ê»ÈÿķÂżʾ»ʹ¹ÅÄÄ»¹ÊÅÈÆÂ·¹»Éʾ¿ÉÊÈ·Äɹ»¿Ì»È¿Äʾ»Ãź»Ɣ»Ï¿Ä½¾¿É¼ËĹʿÅÄ¿É¹ÅÃÆ·Ê¿¸Â»Ϳʾ·ÆÆÂ¿¹·Ê¿ÅÄÉ¼ÅÈ¹ÅÄÊÈÅ¿Ľʾ»º¿¼¼»È»ÄÊ¸»¾·Ì¿ÅÈÉ¿Ä¹Â˺¿Ä½Á»Ï¿Ä½Ƒ¼È»Ç˻ĹÏɾ¿¼Ê·ÄºƭƺƭÉͿʹ¾¿Ä½ƻËɿĽʾ»ƭÉ¿½Ä·Âżʾ»ÆÅÈÊƔÊ·ÂÂÅÍÉʾ»·¸ÅÌ»¸»¾·Ì¿ÅÈÉÊÅ¸»·ÉÉ¿½Ä»ºÊÅʾ»·ÄºÉ¿½Ä·ÂÉżʾ»ʹÌ¿ÈÊË·ÂÆÅÈÊÉƺʷĺ·Èº·Äºľ·Ä¹»ºƻºËȿĽ¹ÅÄÄ»¹Ê¿ÅÄƔ¼¼Ɠ¿É·¸Â»ºÂÅÍÅÄÊÈÅÂƓ»¾·Ì»É·É·¾·ÈºÍ·È»¼ÂÅÍ¹ÅÄÊÈÅÂÉ¿½Ä·Â¼ÅȹÅÃ÷ĺ¹ÅÃÃËÄ¿¹·Ê¿ÅÄƔ»Ï¿Ä½Ɠ»¾·Ì»É·É·Á»Ï¿Ä½É¿½Ä·ÂƔ»Ï¿Ä½Ɠ»¾·Ì»É·É·Ä¼È»Ç˻ĹÏɾ¿¼ÊÁ»ÏÉ¿½Ä·ÂƔƓ»¾·Ì»É¿Äʾ»ɷûÍ·Ï·ÉƺƻƔƓ»¾·Ì»É¿Äʾ»ɷûÍ·Ï·ÉƺƻƔÅļ¿½ËÈ»¿ÄºÌ·Ä¹»º»ÄËƾʸʾƿ³¿ÈÊË·Âʷĺ·ÈºÅÈÊƯ´»ÊʿĽ·ÂË» ÂÅÍÅÄÊÈÅÂƺº»¼·ËÂÊƻƭ»Ï¿Ä½ƭ»Ï¿Ä½ƭƭÅļ¿½ËÈ»¿ÄºÌ·Ä¹»º»ÄËƾʸʿƿ³¿ÈÊË·Âʷĺ·ÈºÅÈÊƯ´Ƒƾʸˀƿ³¿ÈÊË·Âʷĺ·ÈºÅÈÊƯ´ÅÈƾʹʷƿ³¿ÈÊË·Âʷĺ·ÈºÅÈÊƯ´»ÊʿĽ·ÂË» ¼¼ƺº»¼·ËÂÊƻƭ»Ï¿Ä½ƭ»Ï¿Ä½ƭƭ●ơ»Ï¿Ä½Ƣ¹·ÄÅÄÂÏ¸»¹Åļ¿½ËÈ»º¼ÅÈʸÅËÊżʾ»ʻÉ¿½Ä·ÂÉƺºËÆÂ¿¹·Ê»¹Åļ¿½ËÈ·Ê¿ÅÄ¿ÉÄÅÊ·ÂÂÅÍ»ºƻƔ●¾»Äʾ¿ÉûÄË¿É¹Åļ¿½ËÈ»ºÊÅ»Ï¿Ä½ƺºËȿĽÅÆ»È·Ê¿ÅÄÌ¿·Á»Ï¿Ä½ƻƑżʾ»ʹ¹ÅÄÄ»¹ÊÅÈÍ¿ÂÂ¸»º¿É·¸Â»ºƔ»¹Åº»º¾·È·¹Ê»ÈËÊÆËÊ¾¿É¼ËĹʿÅÄÅËÊÆËÊÉ¹¾·È·¹Ê»ÈÉº»¹Åº»º¸Ïʾ»¸Ë¿ÂÊƖ¿Äº»¹Åº»Èżƭƭ¼ÈÅÃʾ»Ì¿ÈÊË·ÂÆÅÈÊƺľ·Ä¹»ºƻƔ¾»¸·ËºÈ·Ê»¿É·ÂÉÅÌ·È¿·¸Â»ƔËÈĿĽƭ»¹Åº»º¾·È·¹Ê»ÈËÊÆËÊÅļ¿½ËÈ»¿Ä»ÄËƾʾƖʷʺƿ³»¹Åº»º¾·È·¹Ê»ÈËÊÆËÊ´»ÊʿĽ·ÂË» ¼¼ƺº»¼·ËÂÊƻƭÄÅļ¿½ËȿĽʾ»·Ëº·Ê»żʾ»¿ÈÊË·Âƺľ·Ä¹»ºƻÅÄÄ»¹ÊÅÈÅļ¿½ËÈ»¿Ä»ÄËƾʾƖʷʹƿ³·Ëº·Ê»ƺ¿ÈÊË·Âľ·Ä¹»ºƻ´»ÊʿĽ·ÂË» ˀʽʷʷƭʸˀʹʷʷƭʺʿʻʷʷƭʼʾʽʷʷƭʸʸʼʹʷʷƺº»¼·ËÂÊƻƾ¸ÆÉƿʸʽʸʽƖʸʹ
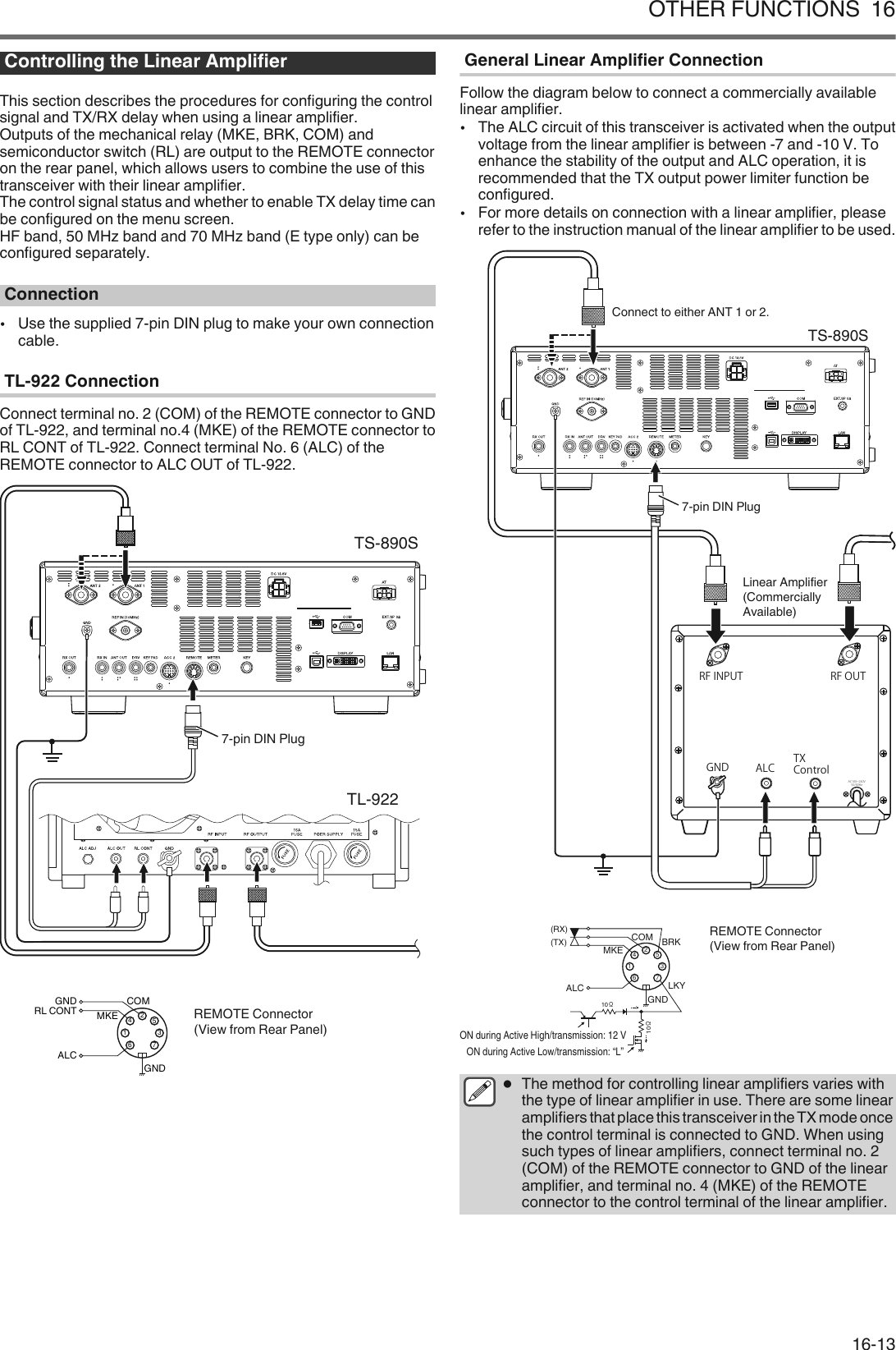
ÅÄÊÈÅ¿Ľʾ»¿Ä»·ÈÃÆÂ¿¼¿»È¾¿ÉÉ»¹Ê¿ÅÄº»É¹È¿¸»Éʾ»ÆÈŹ»ºËÈ»É¼ÅÈ¹Åļ¿½ËȿĽʾ»¹ÅÄÊÈÅÂÉ¿½Ä·Â·Äºƭº»Â·Ï;»ÄËɿĽ·¿Ļ·È·ÃÆÂ¿¼¿»ÈƔËÊÆËÊÉżʾ»û¹¾·Ä¿¹·ÂȻ·ÏƺƑƑƻ·ÄºÉ»Ã¿¹Åĺ˹ÊÅÈÉͿʹ¾ƺƻ·È»ÅËÊÆËÊÊÅʾ»¹ÅÄÄ»¹ÊÅÈÅÄʾ»È»·ÈÆ·Ä»ÂƑ;¿¹¾·ÂÂÅÍÉËÉ»ÈÉÊÅ¹Åø¿Ä»ʾ»ËÉ»żʾ¿ÉÊÈ·Äɹ»¿Ì»ÈͿʾʾ»¿È¿Ļ·È·ÃÆÂ¿¼¿»ÈƔ¾»¹ÅÄÊÈÅÂÉ¿½Ä·ÂÉÊ·ÊËÉ·Äº;»Ê¾»ÈÊÅ»Ä·¸Â»º»Â·Ïʿû¹·Ä¸»¹Åļ¿½ËÈ»ºÅÄʾ»ûÄËɹȻ»ÄƔ¸·ÄºƑʼʷÐ¸·Äº·ÄºʾʷÐ¸·ÄºƺÊÏÆ»ÅÄÂÏƻ¹·Ä¸»¹Åļ¿½ËÈ»ºɻƷȷʻÂÏƔÅÄÄ»¹Ê¿ÅÄ•É»ʾ»ÉËÆÆÂ¿»ºʾƖÆ¿ÄÆÂ˽ÊÅ÷Á»ÏÅËÈÅÍÄ¹ÅÄÄ»¹Ê¿ÅĹ·¸Â»ƔƖˀʹʹÅÄÄ»¹Ê¿ÅÄÅÄÄ»¹ÊÊ»ÈÿķÂÄÅƔʹƺƻżʾ»¹ÅÄÄ»¹ÊÅÈÊÅżƖˀʹʹƑ·ÄºÊ»ÈÿķÂÄÅƔʻƺƻżʾ»¹ÅÄÄ»¹ÊÅÈÊÅżƖˀʹʹƔÅÄÄ»¹ÊÊ»ÈÿķÂÅƔʽƺƻżʾ»¹ÅÄÄ»¹ÊÅÈÊÅżƖˀʹʹƔTS-890STL-9222416 735ALCGNDRL CONTGND COMMKE REMOTE Connector (View from Rear Panel)7-pin DIN Plug»Ä»È·Â¿Ä»·ÈÃÆÂ¿¼¿»ÈÅÄÄ»¹Ê¿ÅÄÅÂÂÅÍʾ»º¿·½È·Ã¸»ÂÅÍÊÅ¹ÅÄÄ»¹Ê·¹ÅÃûȹ¿·ÂÂÏ·Ì·¿Â·¸Â»Â¿Ä»·È·ÃÆÂ¿¼¿»ÈƔ•¾»¹¿È¹Ë¿Êżʾ¿ÉÊÈ·Äɹ»¿Ì»È¿É·¹Ê¿Ì·Ê»º;»Äʾ»ÅËÊÆËÊÌÅÂÊ·½»¼ÈÅÃʾ»¿Ļ·È·ÃÆÂ¿¼¿»È¿É¸»ÊÍ»»ÄƖʾ·ÄºƖʸʷƔŻľ·Ä¹»ʾ»ÉÊ·¸¿Â¿ÊÏżʾ»ÅËÊÆËÊ·ÄºÅÆ»È·Ê¿ÅÄƑ¿Ê¿ÉÈ»¹ÅÃûĺ»ºʾ·Êʾ»ÅËÊÆËÊÆÅÍ»È¿ÿʻÈ¼ËĹʿÅÄ¸»¹Åļ¿½ËÈ»ºƔ•ÅÈÃÅÈ»º»Ê·¿ÂÉÅÄ¹ÅÄÄ»¹Ê¿ÅÄͿʾ·¿Ļ·È·ÃÆÂ¿¼¿»ÈƑÆÂ»·É»È»¼»ÈÊÅʾ»¿ÄÉÊÈ˹ʿÅÄ÷ÄË·Âżʾ»¿Ļ·È·ÃÆÂ¿¼¿»ÈÊÅ¸»ËÉ»ºƔTS-890S2416 735ALCGND(RX)(TX) COM BRKLKYMKE10Ȑ10ȐON during Active Low/transmission: “L”ON during Active High/transmission: 12 VREMOTE Connector (View from Rear Panel)Linear Amplifier (Commercially Available)7-pin DIN PlugConnect to either ANT 1 or 2.AC100~240V50/60HzGNDRFINPUT RFOUTALC TXControl●¾»ûʾź¼ÅÈ¹ÅÄÊÈÅ¿Ľ¿Ļ·È·ÃÆÂ¿¼¿»ÈÉÌ·È¿»ÉͿʾʾ»ÊÏÆ»ż¿Ļ·È·ÃÆÂ¿¼¿»È¿ÄËÉ»Ɣ¾»È»·È»ÉÅû¿Ļ·È·ÃÆÂ¿¼¿»ÈÉʾ·ÊÆÂ·¹»ʾ¿ÉÊÈ·Äɹ»¿Ì»È¿Äʾ»Ãź»ÅĹ»Ê¾»¹ÅÄÊÈÅÂÊ»ÈÿķÂ¿É¹ÅÄÄ»¹Ê»ºÊÅƔ¾»ÄËɿĽÉ˹¾ÊÏÆ»Éż¿Ļ·È·ÃÆÂ¿¼¿»ÈÉƑ¹ÅÄÄ»¹ÊÊ»ÈÿķÂÄÅƔʹƺƻżʾ»¹ÅÄÄ»¹ÊÅÈÊÅżʾ»¿Ļ·È·ÃÆÂ¿¼¿»ÈƑ·ÄºÊ»ÈÿķÂÄÅƔʻƺƻżʾ»¹ÅÄÄ»¹ÊÅÈÊÅʾ»¹ÅÄÊÈÅÂÊ»ÈÿķÂżʾ»¿Ļ·È·ÃÆÂ¿¼¿»ÈƔʸʽʸʽƖʸʺ
¿Ä»·ÈÃÆÂ¿¼¿»È»ÄË¹È»»ÄʼÈ»ÉÉƾƿÅÄʾ»ûÄËɹȻ»ÄÊź¿ÉÆÂ·Ïʾ»¿Ä»·ÈÃÆÂ¿¼¿»ÈûÄËɹȻ»ÄƔʽÈ»ÉÉʽƾƿÊÅÉͿʹ¾ÊÅʾ»ʷȽ»Ê¸·ÄºƔÈ»ÉɿĽʽƾƿ»·¹¾ʿûÊŽ½Â»Éʾ»ɻ»¹Ê¿ÅÄÊÅơ·ÄºƢƑơʼʷÐ·ÄºƢ·ÄºơʾʷÐ·ÄºƢƺÊÏÆ»ÅÄÂÏƻ¿ÄÉ»Ç˻Ĺ»ƔʾÈ»ÉÉʹƾ ƿƭʺƾ ƿÊÅɻ»¹Êʾ»É»ÊʿĽ¿Ê»ÃƔʿÈ»ÉÉʻƾƯƿƭʼƾ̊ƿÅÈÊËÈÄʾ»ƾƭƿ¹ÅÄÊÈÅÂÊÅɻ»¹Êʾ»É»ÊʿĽÌ·ÂË»Ɣ•¾»¼ÅÂÂÅͿĽÉ»ÊʿĽÉ·È»È»¹ÅÃûĺ»º;»ÄËɿĽʾ»Ɩˀʹʹƺº¿É¹ÅÄÊ¿ÄË»ºƻƔ»ÊʿĽÉ»ÄË Ɩˀʹʹ¿Ä»·ÈÃÆÂ¿¼¿»È Ä»Ï¿Ä½Ž¿¹ ¹Ê¿Ì»ÅÍ»Â·Ï Ä»Â·Ï¿Ã»ƺƭƭƻ ʸʼ»Â·Ï¿Ã»ƺƭƭƻ ʺʼÄÊ»ÈÄ·Â»Â·ÏÅÄÊÈÅ ÄÎÊ»ÈÄ·ÂÅÂÊ·½» ƖʽƾƿËÈĿĽƭ¿Ä»·ÈÃÆÂ¿¼¿»ÈͿʹ¾ʾ»¿Ļ·È·ÃÆÂ¿¼¿»È¼ËĹʿÅÄ¼ÅÈ»·¹¾ʷȽ»Ê¸·ÄºÊÅÅÈƔÅļ¿½ËÈ»³¿Ä»·ÈÃÆÂ¿¼¿»È´¿Ä¿Ä»·ÈÃÆÂ¿¼¿»È»ÄË»ÊʿĽ·ÂË» ¼¼ƺº»¼·ËÂÊƻƭÄ¿Ä»·ÈÃÆÂ¿¼¿»ÈÅÄÊÈÅÂ¹ÅÄÊÈÅÂżʾ»¿Ļ·È·ÃÆÂ¿¼¿»ÈͿʾÅËÊËɿĽȻ·Ï¹ÅÄÊÈÅÂ¹·Ä¸»Æ»È¼ÅÈûºÌ¿·ʾ»ʾƖÆ¿ÄÊ»ÈÿķÂżʾ»¹ÅÄÄ»¹ÊÅÈƔ¾¿É¼ËĹʿÅÄ¿ÉËÉ»º¼ÅÈ¹ÅÄÊÈÅÂ;»ÄËɿĽ·¿Ļ·È·ÃÆÂ¿¼¿»Èʾ·ÊÉËÆÆÅÈÊÉ¼ËÂÂ¸È»·ÁƖ¿ÄƔÅļ¿½ËÈ»³»Ï¿Ä½Ž¿¹´¿Ä¿Ä»·ÈÃÆÂ¿¼¿»È»ÄË»ÊʿĽ·ÂË» ¹Ê¿Ì»ÅÍƺº»¼·ËÂÊƻƭ¹Ê¿Ì»¿½¾ËÈĿĽƭ¿Ä»·ÈÃÆÂ¿¼¿»È»Â·Ï»Â·Ïʾ»ÉͿʹ¾¿Ä½ÅÆ»È·Ê¿ÅÄ¸Ïʾ»ÊÈ·ÄÉÿÉÉ¿ÅÄÉÏÉÊ»Ãżʾ¿ÉÊÈ·Äɹ»¿Ì»È;»Äʾ»È»¿É·ÂÅĽʿû·½¸»¼ÅÈ»ÊÈ·ÄÉÿÉÉ¿ÅÄÉÊ·ÈÊÉÅÄʾ»¿Ļ·È·ÃÆÂ¿¼¿»È¿ÄËÉ»ƔÅļ¿½ËÈ»³»Â·Ï´¿Ä¿Ä»·ÈÃÆÂ¿¼¿»È»ÄË»ÊʿĽ·ÂË» ¼¼ƺº»¼·ËÂÊƻƭÄ●¾»Äʾ»º»Â·Ïżʾ»¿Ļ·È·ÃÆÂ¿¼¿»È¿ÉƑº»Â·Ïʿû¿É·ºº»ºÊÅʾ»ʿû¼ÈÅÃ;»ÄÊÈ·ÄÉÿÉÉ¿ÅÄ¿ÉÉÊ·ÈÊ»ºËÄÊ¿Âʾ»È·º¿ÅÍ·Ì»¿ÉÅËÊÆËÊƺËÉË·ÂÂÏ·¸ÅËÊʸʼÃÉƻƔ¿Ä»·ÈÃÆÂ¿¼¿»È»Â·Ï¿Ã»¾»º»Â·Ïʿû;»ÄËɿĽ·¿Ļ·È·ÃÆÂ¿¼¿»È¹·Ä¸»¹Åļ¿½ËÈ»ºÉ»Æ·È·Ê»ÂÏ¼ÅÈʾ»ƭƭ·ÄºƭƭÃź»ÉƔƭƭź»Åļ¿½ËÈ»³»Â·Ï¿Ã»ƺƭƭƻ´¿Ä¿Ä»·ÈÃÆÂ¿¼¿»È»ÄË»ÊʿĽ·ÂË» ʼƭʸʷƭʸʼƺº»¼·ËÂÊƻƭʹʷƭʹʼƭʺʷƭʺʼƭʻʷƾÃÉƿƭƭź»Åļ¿½ËÈ»³»Â·Ï¿Ã»ƺƭƭƻ´¿Ä¿Ä»·ÈÃÆÂ¿¼¿»È»ÄË»ÊʿĽ·ÂË» ʼƭʸʷƭʸʼƭʹʷƭʹʼƭʺʷƭʺʼƺº»¼·ËÂÊƻƭʻʷƭʻʼƭʼʷƾÃÉƿ¿Ä»·ÈÃÆÂ¿¼¿»È»Â·ÏÅÄÊÈÅÂ¾»ÄËɿĽ·¿Ļ·È·ÃÆÂ¿¼¿»Èʾ·ÊÈ»Ç˿ȻÉ¹ÅÄÊÈÅÂÌ¿··Ã»¹¾·Ä¿¹·ÂȻ·ÏƑʾ»¸Ë¿ÂÊƖ¿Äû¹¾·Ä¿¹·ÂȻ·ÏÊ»ÈÿķÂÉżʾ¿ÉÊÈ·Äɹ»¿Ì»ÈƺÆ¿ÄʻÊ»ÈÿķÂƑÆ¿ÄʼÊ»ÈÿķÂƑÆ¿ÄʹÊ»ÈÿķÂżʾ»¹ÅÄÄ»¹ÊÅÈƻ·È»ËÉ»ºƔÅļ¿½ËÈ»³ÄÊ»ÈÄ·Â»Â·ÏÅÄÊÈÅ´¿Ä¿Ä»·ÈÃÆÂ¿¼¿»È»ÄË»ÊʿĽ·ÂË» ¼¼ƺº»¼·ËÂÊƻƭÄÄƓ¹Ê¿Ì·Ê»Éʾ»¼ÅÂÂÅͿĽȻ·Ï¹ÅÄÊÈÅÂƔ•¾»Ê»ÈÿķÂ¿É¹ÅÄÄ»¹Ê»ºÊÅʾ»Ê»ÈÿķÂºËȿĽÊÈ·ÄÉÿÉÉ¿ÅÄƔ•¾»Ê»ÈÿķÂ¿É¹ÅÄÄ»¹Ê»ºÊÅʾ»Ê»ÈÿķÂ;»Äʾ»È»¿ÉÄÅÊÈ·ÄÉÿÉÉ¿ÅÄƔ¼¼Ɠ»Â·Ï¹ÅÄÊÈÅÂ¿ÉÄÅÊ·¹Ê¿Ì·Ê»º·Äºʾ»Ê»ÈÿķÂȻ÷¿ÄÉ¹ÅÄÄ»¹Ê»ºÊÅʾ»Ê»ÈÿķÂ·Ê·ÂÂʿûÉƔ¾»ÄËɿĽ·¿Ļ·È·ÃÆÂ¿¼¿»Èʾ·ÊºÅ»ÉÄÅÊÈ»Ç˿Ȼ¹ÅÄÊÈÅÂÌ¿··û¹¾·Ä¿¹·ÂȻ·ÏƑ¹Åļ¿½ËÈ»ÊÅơ¼¼ƢÊÅÿĿÿлʾ»È»Â·ÏÉÅËĺƔÎÊ»ÈÄ·ÂÅÂÊ·½»ż¿Ä»·ÈÃÆÂ¿¼¿»ÈºÀËÉÊʾ»È»ÉÆÅÄÉ»żʾ»Ê»ÈÿķÂƺÆ¿Äʽƻżʾ»¹ÅÄÄ»¹ÊÅÈÅÄʾ¿ÉÊÈ·Äɹ»¿Ì»È·¹¹ÅȺ¿Ä½ÊÅʾ»¿Ļ·È·ÃÆÂ¿¼¿»È¿ÄËÉ»ƔÅļ¿½ËÈ»³ÎÊ»ÈÄ·ÂÅÂÊ·½»´¿Ä¿Ä»·ÈÃÆÂ¿¼¿»È»ÄË»ÊʿĽ·ÂË» ƖʸƭƖʹƭƖʺƭƖʻƺº»¼·ËÂÊƻƭƖʼƭƖʽƭƖʾƭƖʿƭƖˀƭƖʸʷƭƖʸʸƭƖʸʹƾƿ•ĺ»ÈÄÅÈ÷Â¹¿È¹ËÃÉʷĹ»ÉƑ÷Á»·ºÀËÉÊûÄÊÉÅÄʾ»Â¿Ä»·È·ÃÆÂ¿¼¿»ÈͿʾÅËÊ¹¾·Ä½¿Ä½ʾ»º»¼·ËÂÊÉ»ÊʿĽƔʸʽʸʽƖʸʻ
ƻȷʿĽʾ»È·ÄÉÌ»ÈÊ»Èƭι¿Ê»È¾¿É¿É·¾·ÄºÏ¼ËĹʿÅÄ;»Ä¹Åø¿Ä¿Ä½ʾ¿ÉÊÈ·Äɹ»¿Ì»ÈͿʾ·ÊÈ·ÄÉÌ»ÈÊ»Èʾ·Ê¹·Ä¸»ËÉ»ºÊÅ¹ÅÄÌ»ÈÊʾ»ÅÆ»È·Ê¿Ä½¼È»Ç˻ĹÏżʾ»»Î¹¿Ê»Èƺʾ¿ÉÊÈ·Äɹ»¿Ì»ÈƻÊÅ·º¿¼¼»È»ÄÊ¼È»Ç˻ĹÏƔÅÈº»Ê·¿ÂÉÅÄʾ»ÆÈŹ»ºËÈ»É¼ÅÈ¹ÅÄÄ»¹Ê¿Ä½ʾ»»Î¹¿Ê»ÈͿʾ·ÊÈ·ÄÉÌ»ÈÊ»ÈƑÆÂ»·É»È»¼»ÈÊÅʾ»¿ÄÉÊÈ˹ʿÅÄ÷ÄË·Âżʾ»ÊÈ·ÄÉÌ»ÈÊ»È¿ÄËÉ»Ɣ●Åû¼ËĹʿÅÄÉÅÄʾ¿ÉÊÈ·Äɹ»¿Ì»È·È»ÄÅÊËÉ·¸Â»;»Ä·ÊÈ·ÄÉÌ»ÈÊ»È¿ÉËÉ»ºƔ●ËÈÄż¼ʾ»ÆÅÍ»Èż¸Åʾʾ¿ÉÊÈ·Äɹ»¿Ì»È·Äºʾ»ÊÈ·ÄÉÌ»ÈÊ»È¸»¼ÅÈ»¹ÅÄÄ»¹Ê¿Ä½ʾ»ÃƔ¾»¹Áʾ»¹ÅÄÄ»¹Ê¿ÅÄ¸»ÊÍ»»Äʾ¿ÉÊÈ·Äɹ»¿Ì»È·Äºʾ»ÊÈ·ÄÉÌ»Èʻȸ»¼ÅÈ»ÊËÈĿĽÅÄʾ»ÆÅÍ»Èż¸Åʾº»Ì¿¹»ÉƔÅÄÄ»¹Ê¿Ä½ÊÅ·È·ÄÉÌ»ÈÊ»È¾»È»·È»ʹÍ·ÏÉż¹ÅÄÄ»¹Ê¿Ä½ʾ»»Î¹¿Ê»ÈͿʾ·ÊÈ·ÄÉÌ»ÈÊ»ÈƔ¾»¼¿ÈÉÊ¿ÉÌ¿·ʾ»¹ÅÄÄ»¹ÊÅÈƺ¼ÅÈ¸Åʾ·Äº·ÄºÅËÊÆËÊ¿É¼¿Î»º·ÊʼƻƑ;¿Â»ʾ»Åʾ»È¿ÉÌ¿·ʾ»¹ÅÄÄ»¹ÊÅÈƺ¿ÄÆËÊƻ·Äº¹ÅÄÄ»¹ÊÅÈƺºÈ¿Ì»ÅËÊÆËÊƻƔÅʾÊÏÆ»Éż¹ÅÄÄ»¹Ê¿ÅÄ·ÂÂÅÍʾ»¼È»Ç˻ĹÏº¿ÉÆÂ·Ïżʾ¿ÉÊÈ·Äɹ»¿Ì»ÈÊÅ¸»¹¾·Ä½»ºÊÅʾ»ÅƻȷʿĽ¼È»Ç˻ĹÏº¿ÉÆÂ·Ïżʾ»ÊÈ·ÄÉÌ»ÈÊ»ÈƔÅ¿ÄÆËÊ·É¿½Ä·Â»Î¹»»º¿Ä½ʼ¼ÈÅÃʾ»¹ÅÄÄ»¹ÊÅÈÊÅʾ»ÊÈ·ÄÉÌ»ÈÊ»ÈƑÉ»Êʾ»ÅËÊÆËÊÆÅÍ»È¿ÿÊºËȿĽÊÈ·ÄÉÌ»ÈÊ»ÈÅÆ»È·Ê¿ÅÄÊÅ¿ÄºÌ·Ä¹»º»ÄËƾʷʿƿ³ÅÍ»ÈÅÍÄͿʾÈ·ÄÉÌ»ÈÊ»ÈÄ·¸Â»º´ƔÅÄÄ»¹Ê¿Ä½ÊÅʾ»·ÄºÅÄÄ»¹ÊÅÈÉʼÅÄÄ»¹Êʾ»ÊÈ·ÄÉÌ»ÈÊ»ÈÊÅʾ»·Äº¹ÅÄÄ»¹ÊÅÈÉƔʽÈ»ÉÉƾƿÊÅÉ»ÊÈ»¹»ÆÊ¿ÅÄ¼ÈÅÃʾ»¹ÅÄÄ»¹ÊÅÈÊÅƔ̐̐ ̑̑¿Éº¿ÉÆÂ·Ï»ºƔʾÈ»ÉÉƾƿÊÅÉ»ÊÅËÊÆËÊ¼ÈÅÃʾ»¹ÅÄÄ»¹ÊÅÈÊÅƔ¾»ƾƿ¿½¾ÊÉËÆ¿Ä½È»»ÄƔÅÄÄ»¹Ê¿Ä½ÊÅʾ»ÅÄÄ»¹ÊÅÈʼÅÄÄ»¹Êʾ»ÊÈ·ÄÉÌ»ÈÊ»ÈÊÅʾ»¹ÅÄÄ»¹ÊÅÈƔʽÈ»ÉÉƾƿÊÅÉ»ÊÈ»¹»ÆÊ¿ÅÄ¼ÈÅÃʾ»¹ÅÄÄ»¹ÊÅÈÊÅƔ̐̐ ̑̑¿Éº¿ÉÆÂ·Ï»ºƔʾÈ»ÉÉƾƿÊÅÉ»ÊÅËÊÆËÊ¼ÈÅÃʾ»¹ÅÄÄ»¹ÊÅÈÊÅƔ̐̐ƾƿ̑̑½Å»Éż¼Ɣ●¾»Äʾ»·Äº¹ÅÄÄ»¹ÊÅÈÉ·È»ɻ»¹Ê»ºƑÊÈ·ÄÉÿÉÉ¿ÅÄ·ÄºÈ»¹»ÆÊ¿ÅÄÌ¿·ʾ»¹ÅÄÄ»¹ÊÅÈ·È»º¿É·¸Â»ºƔËÈĿĽż¼ÅÍ»ÈÅÍÄºËȿĽÈ·ÄÉÌ»ÈÊ»ÈƻȷʿÅÄ¾»Äʾ»¿ÄÆËÊ»̻Âżʾ»ÊÈ·ÄÉÌ»ÈÊ»È¿ÉʼÅÈ¾¿½¾»È·ÄºÉ¿½Ä·ÂżʼÅÈ¾¿½¾»È¿ÉÅËÊÆËÊ¼ÈÅÃʾ»¹ÅÄÄ»¹ÊÅÈÊÅʾ»ÊÈ·ÄÉÌ»ÈÊ»ÈƑ¹Åļ¿½ËÈ»ÅÍ»ÈÅÍÄ;¿Â»ʾ»ÊÈ·ÄÉÌ»ÈÊ»È¿É¿ÄËÉ»ÊÅơ¼¼ƢƺÊËÈÄż¼¼¿Î»ºÅËÊÆËÊ·ÊʼƻƔÅļ¿½ËÈ»¿ÄºÌ·Ä¹»º»ÄËƾʽƿ³ÅÍ»ÈÅÍÄͿʾÈ·ÄÉÌ»ÈÊ»ÈÄ·¸Â»º´»ÊʿĽ·ÂË» ¼¼ƭÄƺº»¼·ËÂÊƻ●¾»Äơ¼¼Ƣ¿Éɻ»¹Ê»ºƑ·÷οÃËÃÆÅÍ»Èżʸʷʷ¿ÉÉËÆÆÂ¿»ºÊÅʾ»º»Ì¿¹»ʾ·Ê¿É¹ÅÄÄ»¹Ê»ºÊÅʾ»¹ÅÄÄ»¹ÊÅÈƔ¾¿É÷Ïº·Ã·½»ʾ»¹ÅÄÄ»¹Ê»ºº»Ì¿¹»Åȹ·ËÉ»¿ÊÊÅ÷¼ËĹʿÅÄÉÅÉͿʹ¾¿Ä½ʾ»ÆÅÍ»ÈºÅÍÄÉ»ÊʿĽ¿É»ÄʿȻÂÏ·ÊÏÅËÈÅÍÄÈ¿ÉÁƔ¿ÉÆÂ·Ï¿Ä½ʾ»ƻȷʿĽÈ»Ç˻ĹÏÅļ¿½ËÈ»º¼ÅÈʾ»È·ÄÉÌ»ÈÊ»È¾»Äʾ»ÊÈ·ÄÉÌ»ÈÊ»È¿ÉƑʾ»·ÉÊº¿½¿Êżʾ»¼È»Ç˻ĹÏº¿ÉÆÂ·Ï¿ÉÄÅÊɾÅÍÄ·Äºʾ»ÅÆ»È·Ê¿Ä½¼È»Ç˻ĹÏ¹Åļ¿½ËÈ»º¼ÅÈʾ»ÊÈ·ÄÉÌ»ÈÊ»È¿Éº¿ÉÆÂ·Ï»ºƔʼËÈÄʾ»ËĿĽ¹ÅÄÊÈÅÂÊÅɻ»¹Ê·ÄÅÆ»È·Ê¿Ä½¼È»Ç˻ĹÏ¼ÅÈʾ»»Î¹¿Ê»Èƺʾ¿ÉÊÈ·Äɹ»¿Ì»ÈƻƔ¾»ÊÈ·ÄÉÌ»ÈÊ»È¹ÅÄÌ»ÈÊÉʾ¿É¼È»Ç˻ĹÏ¼ÅÈÅËÊÆËÊƔÅļ¿½ËȻʾ»¼È»Ç˻ĹÏÉ˹¾ʾ·Ê¿Ê¼·ÂÂÉͿʾ¿Äʾ»ÊÈ·ÄÉÿÉÉ¿ÅÄȷĽ»ƔʽÈ»ÉÉ·Äº¾ÅºƾƿÊÅÉ»Êʾ»ÊÈ·ÄÉÌ»ÈÊ»ÈÊÅƔ̐̐ ̑̑¿Éº¿ÉÆÂ·Ï»º·Äºʾ»¼È»Ç˻Ĺ¿»Éʾ·Ê¹·Ä¸»¹Åļ¿½ËÈ»º¼ÅÈʾ»ÊÈ·ÄÉÌ»ÈÊ»È·È»º¿ÉÆÂ·Ï»ºƔʾÈ»ÉÉ·Äº¾Åºƾƿ·½·¿ÄƔ¾»ÊÈ·ÄÉÌ»ÈÊ»È¿ÉÄÅÍƔ●Åû¼ËĹʿÅÄÉÅÄʾ¿ÉÊÈ·Äɹ»¿Ì»È·È»ÄÅÊËÉ·¸Â»;»Ä·ÊÈ·ÄÉÌ»ÈÊ»È¿ÉËÉ»ºƔÅļ¿½ËȿĽʾ»ƻȷʿĽÈ»Ç˻ĹÏżʾ»È·ÄÉÌ»ÈÊ»ÈʼÈ»ÉÉ·Äº¾ÅºƾƿÊÅÉ»Êʾ»ÊÈ·ÄÉÌ»ÈÊ»ÈÊÅƔ̐̐ ̑̑¿Éº¿ÉÆÂ·Ï»ºƔʽÈ»ÉÉƾƿÊÅ»Ä·¸Â»¿ÄÆËÊż·¼È»Ç˻ĹÏÌ·ÂË»ƔʾÄÊ»Èʾ»ÅËÊÆËÊ¼È»Ç˻ĹÏżʾ»ÊÈ·ÄÉÌ»ÈÊ»ÈËɿĽʾ»ÄËûȿ¹Á»ÏÆ·ºƔʿÈ»ÉÉƾƿÊÅ¹Åļ¿ÈÃʾ»¿ÄÆËÊƔÄÉÊ»·ºżʾ»·¹ÊË·ÂÅÆ»È·Ê¿Ä½¼È»Ç˻ĹÏżʾ¿ÉÊÈ·Äɹ»¿Ì»ÈƑʾ»ÅËÊÆËÊ¼È»Ç˻ĹÏżʾ»ÊÈ·ÄÉÌ»ÈÊ»È¿ÉÄÅÍº¿ÉÆÂ·Ï»ºƔƻȷʿÅÄÎ·ÃÆÂ»ƓƻȷʿÅÄ¸Ï»ÄʻȿĽ·ʹʿÐÉ¿½Ä·ÂÊÅ·ʻʺʷÐÊÈ·ÄÉÌ»ÈÊ»ÈʼÅÄÄ»¹Ê·ʻʺʷÐÊÈ·ÄÉÌ»ÈÊ»ÈÊÅʾ¿ÉÊÈ·Äɹ»¿Ì»ÈƔʽÅļ¿½ËÈ»ʾ»¼È»Ç˻ĹÏżʾ¿ÉÊÈ·Äɹ»¿Ì»ÈÊÅơʹʿƔʷʷʷƔʷʷʷƢƔʾÈ»ÉÉ·Äº¾ÅºƾƿÊÅÉ»Êʾ»ÊÈ·ÄÉÌ»ÈÊ»ÈÊÅƔʿÈ»ÉÉƾƿ¼ÅÈ¸·Äºɻ»¹Ê¿ÅÄËɿĽʾ»ÄËûȿ¹Á»ÏÆ·ºƔˀ»ÎÊƑ»ÄÊ»ÈơʻʺʷƔʷʷʷƔʷʷƢ·ÄºÆÈ»ÉÉƾƿƔˁËÈÄʾ»ËĿĽÅÈƾƭƿ¹ÅÄÊÈÅÂÅÄʾ¿ÉÊÈ·Äɹ»¿Ì»ÈÊÅɻ»¹Ê·¼È»Ç˻ĹÏƔÄÊ»ÄÄ·ËÊÆËÊ¼ÅÈÎÊ»ÈÄ·Â»¹»¿Ì»ÈÉ¾»Äʾ¿É¼ËĹʿÅÄ¿ÉƑʾ»É¿½Ä·Âʾ·Ê»ÄÊ»ÈÉʾ»ÊÈ·Äɹ»¿Ì»È¼ÈÅÃʾ»¹ËÈÈ»ÄÊÂÏɻ»¹Ê»º·ÄÊ»ÄÄ·ƺʸƑʹÅÈƻ¿ÉÉÆÂ¿Ê·ÂÅĽʾ»Í·ÏƔÆ·ÈÊżʾ»ÉÆÂ¿ÊÉ¿½Ä·Â¿É¿ÄÆËÊÊÅʾ»¹¿È¹Ë¿ÊƑ;¿Â»ʾ»Åʾ»ÈÆ·ÈÊÊÅʾ»Ê»ÈÿķÂƔÈ»ÉÉ·Äº¾ÅºƾƿÊÅÉ»Êʾ»·ÄÊ»ÄÄ·ÅËÊÆËʼÅÈ»ÎÊ»ÈÄ·ÂÈ»¹»¿Ì»ÈÊÅÅÈƔ•¾»Ä¿Ê¿ÉƑ̐̐ ̑̑¿½¾ÊÉËÆƔ●¾»Äʾ»·ÄÊ»ÄÄ·ÅËÊÆËÊ¼ËĹʿÅÄ¿ÉËÉ»ºƑʾ»É»Äɿʿ̿ÊÏ·Äº½·¿ÄÂÅÍ»È¸Ï·ÆÆÈÅο÷ʻÂÏʺººË»ÊÅÉ¿½Ä·ÂÂÅÉÉ¿Äʾ»ÉÆÂ¿ÊÊ»ÈƔ●ËȿĽÊÈ·ÄÉÿÉÉ¿ÅÄƑʾ»È»¿É·Ì»ÈÏÉ¿½¾Ê·ÃÅËÄÊżÅËÊÆËÊ»·Á·½»ºË»ÊÅ¿ÄÊ»ÈÄ·Â¿ÉÅ·ʿÅÄƺ·ÆÆÈÅο÷ʻÂÏƖʹʷºÃ¿Äʾ»ʼʷÐ¸·ÄºƻƔ●¾»ƭÉÊ·ÊËÉżʾ»·ÄÊ»ÄÄ·ÅËÊÆËÊ¼ËĹʿÅÄ¿ÉÉÊÅÈ»ºɻƷȷʻÂÏ¼ÅÈʾ»¸·Äº·ÄºʼʷƭʾʷÐ¸·ÄºƔʸʽʸʽƖʸʼ
ûȽ»Ä¹Ï·ÂÂƺÏÆ»ÄÂÏƻ»¹Ê¿ÅÄˀʾƔʻʷʸƺºƻżʾ»È»½Ë·ʿÅÄÉ½ÅÌ»ÈĿĽ·Ã·Ê»ËÈÈ·º¿Å¿Äʾ»ĿʻºÊ·Ê»ÉÆ»ÈÿÊ»Ã»È½»Ä¹Ï·Ã·Ê»ËÈ¹ÅÃÃËÄ¿¹·Ê¿ÅÄÉÅÄʼʸʽʾƔʼÁÐ¸ÏÉÊ·Ê¿ÅÄÉ¿ÄÅÈͿʾ¿ÄˀʹƔʽÁÃżʾ»ÉÊ·Ê»ż·ÉÁ·Ɣ¾¿É¼È»Ç˻ĹÏ¿É¼ÅÈËÉ»ÅÄÂÏ;»Äʾ»¿Ãûº¿·Ê»É·¼»ÊÏż¾Ë÷Ä¿¼»·ÄºƭÅÈÆÈÅÆ»ÈÊÏ·È»ʾȻ·Ê»Ä»ºƑ·Äº¿ÉĻ̻ÈÊÅ¸»ËÉ»º¼ÅÈÈÅËʿĻ¹ÅÃÃËÄ¿¹·Ê¿ÅÄÉƔÈ»ÉÉƾƿÊÅ¹¾·Ä½»ÊÅʾ»ûȽ»Ä¹Ï¹¾·ÄÄ»ÂƺʼʸʽʾƔʼÁÐƭƻƔ•ƾƿ¹·Ä¸»·ÉÉ¿½Ä»ºÊÅ·Á»ÏƔ•¾»Ä»ÄʻȿĽûȽ»Ä¹ÏÃź»Ƒ³´ÃÅûÄÊ·È¿ÂÏ·ÆÆ»·ÈÉÅÄʾ»ɹȻ»ÄƔ●ƭÊËÈÄÉ·ËÊÅ÷ʿ¹·ÂÂÏ;»Ä»ÄʻȿĽûȽ»Ä¹ÏÃź»Ɣ●¾»ÊÈ·Äɹ»¿Ì»ÈÍ¿ÂÂÄÅÊÉͿʹ¾ÊÅʾ»ûȽ»Ä¹Ï¹¾·ÄĻ¿¼ÏÅË·È»ËɿĽʾ»¹ÅÄÉÊ·ÄÊÈ»¹ÅȺ»È·Äº·È»»¿Ê¾»ÈÊÈ·ÄÉÿÊʿĽƑÈ»¹»¿Ì¿Ä½·ÌÅ¿¹»¹·ÂÂƑÅÈÈ»¹»¿Ì¿Ä½·¹·ÂÂƔÈÅÉɸ·Äº»Æ»·Ê»È¼ÏÅË¾·Ì»·ÊÈ·Äɹ»¿Ì»ÈƺÊÏÆ»ƻͿʾ·ʽÆ¿ÄÿĿ¹ÅÄÄ»¹ÊÅÈƑÏÅË¹·ÄÉ»ÊËÆʾ»ƖʿˀʷÊÈ·Äɹ»¿Ì»È·Äºʾ»ÊÈ·Äɹ»¿Ì»È·É·¹ÈÅÉɸ·ÄºȻƻ·Ê»ÈƔ¾»ÊÈ·Äɹ»¿Ì»ÈÍ¿ÂÂÈ»¹»¿Ì»É¿½Ä·ÂÉÏÅËÊÈ·ÄÉÿÊ¼ÈÅÃʾ»·ºº¿Ê¿ÅÄ·ÂÅÈÊÈ·Äɹ»¿Ì»È;»Ä¸ÅʾÊÈ·Äɹ»¿Ì»ÈÉ·È»É»ÊͿʾʾ»ɷû¼È»Ç˻ĹÏƔ¾»É¿½Ä·Â¿Éʾ»ÄÈÅËÊ»ºÊÅʾ»ƖʿˀʷÊÈ·Äɹ»¿Ì»È·ÄºÈ»ÊÈ·ÄÉÿÊÊ»ºÅÄʾ»¼È»Ç˻ĹÏÏÅË¾·Ì»É»ÊÅÄʾ»ƖʿˀʷÊÈ·Äɹ»¿Ì»ÈƔ¿Á»Í¿É»ƑÉ¿½Ä·ÂÉÈ»¹»¿Ì»ºÅÄʾ»ƖʿˀʷÊÈ·Äɹ»¿Ì»È·È»ÈÅËÊ»ºÊÅʾ»ÊÈ·Äɹ»¿Ì»È·ÄºÈ»ÊÈ·ÄÉÿÊÊ»ºÊÅʾ»ÊÈ·Äɹ»¿Ì»ÈÏÅË¾·Ì»ͿʾÏÅËƑ·ÂÂÅͿĽÏÅËÊÅ¾»·Èʾ»È»¹»¿Ì»º¹·ÂÂ¿Ä·º¿ÉÊ·ÄÊÂŹ·Ê¿ÅÄƔ●ÅÈʾ»Ȼƻ·Ê»È¼ËĹʿÅÄÊÅÅÆ»È·Ê»Ƒʾ»ÉÇ˻¹¾»̻ÂÉż¸ÅʾÊÈ·Äɹ»¿Ì»ÈÉƺƖʿˀʷ·ÄºÊÈ·Äɹ»¿Ì»ÈƻÃËÉʸ»·ºÀËÉÊ»ºÆÈÅÆ»ÈÂÏÉÅʾ·ÊÄÅ¸·¹Á½ÈÅËĺÄſɻ¹·Ä¸»¾»·Èºƒʾ»ÊÈ·ÄÉÿÉÉ¿ÅÄ¿É¹ÅÄÊÈÅ»º¸ÏÃÅÄ¿ÊÅȿĽʾ»ÉÇ˻¹¾ÉÊ·ÊËÉÅÄÂÏƔÅÄÄ»¹Ê¿ÅÄTM-D700ATM-D710GA/ TM-D710A/TM-V71ATS-890SPR1SQCPKSPSQPKDPKSANIANOƻȷʿÅÄ¾»¹ÈÅÉɸ·ÄºȻƻ·Ê»È¼ËĹʿÅÄËÉ»Éʹ¼È»Ç˻ĹÏ¸·ÄºÉÊÅÈ»¹»¿Ì»·ÄºÊÈ·ÄÉÿÊÉ¿½Ä·ÂÉƔ¾»Ä·É¿½Ä·Â¿ÉÈ»¹»¿Ì»ºÅÄÅÄ»¸·ÄºƑ¿Ê¿ÉÈ»ÊÈ·ÄÉÿÊÊ»ºÅÄʾ»Åʾ»È¸·ÄºƔʼ»Â»¹Ê·ÊÈ·ÄÉÿÉÉ¿ÅÄƭÈ»¹»ÆÊ¿ÅÄÅÈ¼È»Ç˻ĹÏÅÄʾ»ÊÈ·Äɹ»¿Ì»ÈƔʽÅļ¿ÈÃʾ»¿¹ÅÄ¿É̿ɿ¸Â»ÅÄʾ»¹ÈÅÉɸ·ÄºÈ»Æ»·Ê»È¼È»Ç˻ĹÏÅÄʾ»ÊÈ·Äɹ»¿Ì»ÈƔʾ»Â»¹Êʾ»ɷû¼È»Ç˻ĹÏ¼ÅÈʾ»Ê»ÈÿķÂÊÈ·Äɹ»¿Ì»ÈƔʿ»Â»¹Ê·ƭʼʷÐ¼È»Ç˻ĹÏÅÄʾ»ƖʿˀʷÊÈ·Äɹ»¿Ì»ÈƔˀºÀËÉÊʾ»ÉÇ˻¹¾ʾȻɾź»̻ÂÉÅʾ·Ê¸Åʾʾ»Ɩʿˀʷ·ÄºÊÈ·Äɹ»¿Ì»ÈÉÃËÊ»ƔˁÄʾ»ƖʿˀʷƑÆÈ»ÉÉƾƿƑʾ»Ä·¹¹»ÉÉºÌ·Ä¹»º»ÄËƾʸʸƿƺÅ·ȿÊÏ»Ì»ÈÉ»ƻ·Äºƾʸʹƿƺľ¿¸¿Ê¾¿Â»ËÉÏƻƔ˂»Â»¹Ê³Ä´Ɣ•¾»Äʾ»ƖʿˀʷÊÈ·Äɹ»¿Ì»ÈƠÉÉÇ˻¹¾ÅÆ»ÄÉƑʾ»ÊÈ·Äɹ»¿Ì»ÈÉ¿ÃËÂÊ·Ä»ÅËÉÂÏÈ»ÊÈ·ÄÉÿÊÉʾ»¿Ä¹ÅÿĽ·Ëº¿ÅÉ¿½Ä·ÂÅÄʾ»ÅÈ¼È»Ç˻ĹÏƔ•¾»Äʾ»ÊÈ·Äɹ»¿Ì»ÈƠÉÉÇ˻¹¾ÅÆ»ÄÉƑʾ»ƖʿˀʷÊÈ·Äɹ»¿Ì»ÈÈ»ÊÈ·ÄÉÿÊÉʾ»¿Ä¹ÅÿĽ·Ëº¿ÅÉ¿½Ä·ÂÅÄʾ»ƭʼʷÐ¼È»Ç˻ĹÏƔ˃¹¹»ÉÉ»ÄËƾʾƖʷʾƿƺʹƓ˺¿ÅÄÆËÊ»Ì»Âƻ·ÄºƾʾƖʷˀƿƺʹƓ˺¿ÅËÊÆËÊ»Ì»Âƻ·Äº·ºÀËÉÊʾ»¿ÄÆËÊƭÅËÊÆËÊ·Ëº¿Å»̻ÂƔ˄ÅÇË¿Êʾ»Ȼƻ·Ê»ÈÅÆ»È·Ê¿ÅÄƑº¿É¹ÅÄÄ»¹Êʾ»¿Äʻȼ·¹»¹·¸Â»¸»ÊÍ»»Äʾ»ÊÈ·Äɹ»¿Ì»ÈÉƑʾ»Ä·¹¹»ÉÉºÌ·Ä¹»º»ÄËƾʸʸƿ·ÄºƾʸʹƿÅÄʾ»ƖʿˀʷÊÈ·Äɹ»¿Ì»È·Äºɻ»¹Ê³¼¼´ƔʸʽʸʽƖʸʽ
ÁÏÅÃ÷ĺÏÉÊ»ÃÁÏÅÃ÷ĺÏÉÊ»Ã·ÂÂÅÍÉÏÅËÊÅÈ»ÃÅÊ»ÂÏ¹ÅÄÊÈÅÂʾ»ƖʿˀʷÊÈ·Äɹ»¿Ì»È¼ÈÅÃ·ɻƷȷʻÂŹ·Ê¿ÅÄƔ•¼ÏÅË¾·Ì»ÃÅÈ»ʾ·ÄʹƖʾƭƖʾʹƺƭƻƭƖʾʸʷƭƺƭƻƭƖʾʸ̊ƖʾʸʷƭƖʾʷʷÊÈ·Äɹ»¿Ì»ÈÉƑÏÅË¹·ÄƻȼÅÈÃÁÏÅÃ÷ĺÏÉÊ»ÃÅÆ»È·Ê¿ÅÄÊÅÈ»ÃÅÊ»ÂÏ¹ÅÄÊÈÅÂÏÅËÈƖʿˀʷÊÈ·Äɹ»¿Ì»ÈƔ•ÅËÍ¿ÂÂËÉ»ÅÄ»ÊÈ·Äɹ»¿Ì»ÈƺƖʾƑƖʾʹƺƭƻƭƖʾʸʷƭƺƭƻƑƖʾʸ̊ƖʾʸʷƑÅÈƖʾʷʷƻ·É·È»ÃÅÊ»¹ÅÄÊÈÅÂËÄ¿ÊƑ¹·Â»º·³ÅÃ÷ĺ»È´Ɣ¾»Åʾ»ÈƭÊÈ·Äɹ»¿Ì»ÈƺƖʾƑƖʾʹƺƭƻƭƖʾʸʷƭƺƭƻƑƖʾʸ̊ƖʾʸʷƑÅÈƖʾʷʷƻͿʾʾ»ƖʿˀʷÊÈ·Äɹ»¿Ì»È¿É¹·Â»ºʾ»³È·ÄÉÆÅÈʻȴƔ¾¿ÉƖʾƑƖʾʹƺƭƻƭƖʾʸʷƭƺƭƻƑƖʾʸ̊ƖʾʸʷƑÅÈƖʾʷʷÊÈ·Äɹ»¿Ì»ÈÍ¿ÂÂ¼ËĹʿÅÄ·É·Ä¿Äʻȼ·¹»¸»ÊÍ»»Äʾ»ÅÃ÷ĺ»Èƺ·È»ÃÅÊ»¹ÅÄÊÈÅÂËÄ¿Êƻ·Äºʾ»¸·Äºżʾ»ƖʿˀʷÊÈ·Äɹ»¿Ì»ÈƔ•¾¿ÉÉÏÉÊ»Ã·ÂÂÅÍÉÏÅËƑ¼ÅÈ»Î·ÃÆÂ»ƑÊÅͷʹ¾¼ÅÈ·Äº¾ËÄÊ;¿Â»ͷɾ¿Ä½ÏÅËÈ¹·ÈƑÅÈÊÅÅÆ»È·Ê»ʾ»ÊÈ·Äɹ»¿Ì»È;¿Â»È»Â·Î¿Ä½¿ÄÏÅËÈ¹·ÈƑ¿̿ĽÈÅÅÃƑÅÈÆ·Ê¿ÅƑ¿ÄÉÊ»·ºż·¹ÊË·ÂÂÏÅÆ»È·Ê¿Ä½¿ÄÉ¿º»ÏÅËÈɾ·¹ÁƔ●ƻȷʿÅÄżÁÏÅÃ÷ĺÏÉÊ»Ã÷ÏÄÅÊ¸»»ÄÆ»ÈÿÊÊ»º¿Ä¹»ÈÊ·¿Ä¹ÅËÄÊÈ¿»ÉƔ¾»¹ÁÏÅËÈÂŹ·Â·Íɸ»¼ÅÈ»ÅÆ»È·Ê¿Ä½ƔƔÁÏÅÃ÷ĺÏÉÊ»Ã¿·½È·ÃTransporterResponseControl CommandAudioCommanderResponseControl CommandAudioUHF FrequencyAudioVHF FrequencyȻƷȷʿÅÄÂʾÅ˽¾ÏÅË¹·ÄËÉ»·ƖʾƑƖʾʹƺƭƻƭƖʾʸʷƭƺƭƻƑƖʾʸ̊ƖʾʸʷƑÅÈƖʾʷʷÊÈ·Äɹ»¿Ì»È·É·³ÅÃ÷ĺ»È´ƺ·Ä»ÎÊ»ÈÄ·ÂÈ»ÃÅÊ»¹ÅÄÊÈÅÂËÄ¿ÊƻƑʾ»¼ÅÂÂÅͿĽÆÈŹ»ºËÈ»ɾÅÍÉ¾ÅÍÊÅÉ»ÊËÆÏÅËÈƖʿˀʷ·ÄºƖʾƑƖʾʹƺƭƻƭƖʾʸʷƭƺƭƻƑƖʾʸ̊ƖʾʸʷƑÅÈƖʾʷʷÊÈ·Äɹ»¿Ì»ÈÉ·É·³È·ÄÉÆÅÈʻȴ·Ê·¸·É»ÉÊ·Ê¿ÅÄ·Äºʾ»ƖʾʹƺƭƻƭƖʾʸʷƭƺƭƻƑƖʾʸ̊ƖʾʸʷƑÅÈƖʾʷʷÊÈ·Äɹ»¿Ì»È·É·³ÅÃ÷ĺ»È´ƔÊ·ÈʿĽÁÏÅÃ÷ĺÏÉÊ»ÃƻȷʿÅÄ¼Ê»ÈÏÅË¾·Ì»¹ÅÃÆÂ»Ê»ºÉ»ÊʿĽËÆʾ»¼ÅÂÂÅͿĽƑÏÅË¹·ÄÉÊ·ÈÊÁÏÅÃ÷ĺÏÉÊ»ÃÅÆ»È·Ê¿ÅÄƔ¿Ê¾ÅËÊÆÈŽȷÃÿĽʾ»É»Æ·È·Ã»Ê»ÈÉƑÏÅË¹·ÄÄÅÊËÉ»ÁÏÅÃ÷ĺÏÉÊ»ÃƔƖʿˀʷ̊ƖʾƭƖʾʹƺƭƻƭƖʾʷʷƭƖʾʸʷƭƺƭƻƭƖʾʸ̊ƖʾʸʷƺÈ·ÄÉÆÅÈÊ»Èƻ»ÊËÆʼÅļ¿½ËÈ»ʾ»ƖʾƑƖʾʹƺƭƻƭƖʾʸʷƭƺƭƻƑƖʾʸ̊ƖʾʸʷƑÅÈƖʾʷʷ·É·³È·ÄÉÆÅÈʻȴ·Äº¹ÅÄÄ»¹Ê·ÂÂʾ»Ä»¹»ÉÉ·ÈÏ¹·¸Â»ÉÊÅʾ»ƖʿˀʷÊÈ·Äɹ»¿Ì»ÈƔʽ»Â»¹Ê·¼È»Ç˻ĹÏÅÄʾ»ƖʿˀʷÊÈ·Äɹ»¿Ì»ÈƔʾÄʾ»ƖʿˀʷƑÆÈ»ÉÉƾƿƑʾ»Ä·¹¹»ÉÉ»ÄËƾʾƖʷʷƿƺ·Ëº·Ê»ƺÅÈÊƻƻƔʿ»Â»¹Êʾ»º»É¿È»º¹ÅÃÃËÄ¿¹·Ê¿ÅÄÉÆ»»ºƔˀ»Â»¹Êʾ»ɷû¹ÅÃÃËÄ¿¹·Ê¿ÅÄƷȷûʻÈÉÊÅ÷ʹ¾ʾ»ƖʾƑƖʾʹƺƭƻƭƖʾʸʷƭƺƭƻƑƖʾʸ̊ƖʾʸʷƑÅÈƖʾʷʷÊÈ·Äɹ»¿Ì»ÈƔˁÈ»ÉÉƾƿÊÅ»Î¿Ê»ÄËÃź»Ɣ˂Åļ¿½ËÈ»·ÄºÉÊ·ÈÊʾ»È·ÄÉÆÅÈÊ»ÈÃź»ÅÄʾ»ƖʾƑƖʾʹƺƭƻƭƖʾʸʷƭƺƭƻƑƖʾʸ̊ƖʾʸʷƑÅÈƖʾʷʷÊÈ·Äɹ»¿Ì»ÈƔ•»¼»ÈÊÅʾ»È»ÉÆ»¹Ê¿Ì»¿ÄÉÊÈ˹ʿÅÄ÷ÄË·ÂÉżʾ»ƖʾƑƖʾʹƺƭƻƭƖʾʸʷƭƺƭƻƑƖʾʸ̊ƖʾʸʷƑÅÈƖʾʷʷ¼ÅÈ¿Ä¼ÅÈ÷ʿÅÄÅÄ¾ÅÍÊÅ¹ÅÄÄ»¹ÊƑ¹Åļ¿½ËÈ»Ƒ·ÄºÅÆ»È·Ê»ʾ»ÊÈ·Äɹ»¿Ì»ÈÉ¼ÅÈÁÏÅÃ÷ĺÏÉÊ»ÃƔʸʽʸʽƖʸʾ
ʸʽƖʸʿ
»É»Ê»ÊʿĽÉº·Ê·ʾ·Ê·È»ÉÊÅÈ»ºÅÄʾ¿ÉÊÈ·Äɹ»¿Ì»È¹·Ä¸»É·Ì»º»·É¿ÂÏÊÅ·ÄÅʾ»Èº·Ê·ÉÊÅÈ·½»ûº¿·ƔÂÉÅƑ;»ÄÅÌ»ÈÍȿʿĽɻÊʿĽÉÉ·Ì»º¿Äʾ»ûÃÅÈÏżʾ¿ÉÊÈ·Äɹ»¿Ì»ÈͿʾÄ»ÍÉ»ÊʿĽÉƑʼÊÏÆ»ÉżȻɻÊÅÆÊ¿ÅÄÉ·È»·Ì·¿Â·¸Â»;¿¹¾¹·Ä¸»¹¾ÅÉ»Ä¼È»»ÂÏ·¹¹ÅȺ¿Ä½ÊÅʾ»ËÉ»ÈƠÉ¿ÄÊ»ÄÊ¿ÅÄÉƔ»ÄË»É»ÊƓ»É»ÊÉÅÄÂÏʾ»É»ÊʿĽÉ¹Åļ¿½ËÈ»º¿Äʾ»ûÄËƔ•¾»É»ÊʿĽÉ¼ÅÈ¿Ä¾¿¸¿ÊƑ¹ÂŹÁûÄËƑûÄËƑ·ºÌ·Ä¹»ºÃ»ÄËƑ¿Ļ·È·ÃÆÂ¿¼¿»ÈûÄËƑûÄËƑº¿ÃûÈûÄËƑʿûÈûÄË·Äº·ËÊÅÃź»·È»ÄÅÊȻɻÊƔ»ÃÅÈÏ¾·ÄÄ»Â»É»ÊƓ»É»ÊÉʾ»É»ÊʿĽÉº·Ê·żʾ»ûÃÅÈÏ¹¾·ÄÄ»ÂÉ·ÄºÇË¿¹ÁûÃÅÈÏ¹¾·ÄÄ»ÂÉƔ»É»ÊƓ»É»ÊÉÅÄÂÏʾ»¿Ä¼ÅÈ÷ʿÅÄƔʷĺ·Èº»É»ÊƓ»É»ÊÉʾ»É»ÊʿĽÉº·Ê·;¿Â»Æ·ÈÊ¿·ÂÂÏȻʷ¿Ä¿Ä½ʾ»É»ÊʿĽÉżʾ¿ÉÊÈ·Äɹ»¿Ì»ÈƔËÂÂ»É»ÊƓ»É»ÊÉ·ÂÂÉ»ÊʿĽÉÊÅʾ»¼·¹ÊÅÈÏÉ»ÊʿĽÉƔÂÂ¿Ã·½»º·Ê·ʾ·Ê·È»ÉÊÅÈ»º¿Äʾ»¸Ë¿ÂÊƖ¿ÄûÃÅÈÏżʾ»ÊÈ·Äɹ»¿Ì»ÈÍ¿ÂÂ¸»»È·É»º·¼Ê»ÈËÂÂ»É»ÊƔ●·Ê·żʾ»ûÃÅÈÏ¹¾·ÄÄ»ÂÉ·ÄºÇË¿¹ÁûÃÅÈϹ¾·ÄÄ»ÂÉƑûÄËº·Ê·Ƒ·ÄÊ»ÄÄ·ÊËÄ»ÈÆÈ»É»ÊÌ·ÂË»ÉƑ·ËÊÅÃź»¼È»Ç˻ĹÏÉ»ÊʿĽ·Äºʾ»º¿¼¼»È»ÄÊ»̻ÂÉ»ÊʿĽÉÍ¿ÂÂÄÅÊ¸»ȻɻÊºËȿĽ»É»ÊƔ●¾»Ä·ÄÏżʾ»ȻɻÊÅÆÊ¿ÅÄÉÉÊ·ÈÊÉƑ·ÂÂʾ»Æ·ÉÊÉ»ÊʿĽɺ·Ê·Í¿ÂÂ¸»»È·É»ºƔ¾ËÉƑ÷Á»ÉËÈ»ÊÅƻȼÅÈÃȻɻʷ¼Ê»Èɷ̿Ľʾ»É»ÊʿĽÉÊÅ·ÄÅʾ»Èº·Ê·ÉÊÅÈ·½»ûº¿·Ɣ●Ä»ÄËƾʸƖʷʽƿƑʾ»º»¼·ËÂÊÉ»ÊʿĽ¼ÅÈ·ËÊÅÌÅ¿¹»½Ë¿º»¿É¹Åļ¿½ËÈ»ºÊÅƔ¾»ÄƻȼÅÈÿĽ·ȻɻÊÅʾ»Èʾ·Ä»ÃÅÈÏ¾·ÄÄ»Â»É»Ê·Äº»É»ÊƑʾ»É»ÊʿĽÉ¿Ä»ÄËƾʸƖʷʽƿ·È»ȻɻÊ·Äº·ËÊÅÌÅ¿¹»½Ë¿º»Í¿ÂÂÄÅÊ¸»ÅËÊÆËÊƔ¾»ÊÈ·Äɹ»¿Ì»È¿ÉȻɻÊ·É¼ÅÂÂÅÍÉƔʼÈ»ÉÉƾƿÅÄʾ»ûÄËɹȻ»ÄÊÅº¿ÉÆÂ·Ïʾ»»É»ÊɹȻ»ÄƔʽÈ»ÉÉʹƾ ƿƭʺƾ ƿÅÈÊËÈÄʾ»ƾƭƿ¹ÅÄÊÈÅÂÊÅɻ»¹Ê·ȻɻÊÊÏÆ»ƔʾÈ»ÉÉʻƾƿƔûÉÉ·½»ÊÅ¹Åļ¿ÈÃʾ»ÉÊ·ÈÊżʾ»ȻɻÊÆÈŹ»ÉÉ¿Éº¿ÉÆÂ·Ï»ºƔ•È»ÉɿĽʾƾƿ¹Â»·ÈÉʾ»ȻɻÊ¹Åļ¿È÷ʿÅÄûÉÉ·½»ͿʾÅËÊÉÊ·ÈʿĽȻɻÊƔʿÈ»ÉÉʻƾƿƔ»É»Ê¿ÉƻȼÅÈûº·Äºʾ¿ÉÊÈ·Äɹ»¿Ì»ÈÈ»¸ÅÅÊÉ·ËÊÅ÷ʿ¹·ÂÂÏƔ●¾»Äʾ¿ÉÊÈ·Äɹ»¿Ì»È¹·ÄÄÅÊ¸»ÅÆ»È·Ê»ºÆÈÅÆ»ÈÂÏÅÈʾ»É¹È»»Ä¹·ÄÄÅÊ¸»º¿ÉÆÂ·Ï»ºÆÈÅÆ»ÈÂÏ;»Äʾ»ÆÅÍ»È¿ÉÊËÈÄ»ºÅÄƑÆÈ»ÉÉƾƭƿ·Äºƾƿ;¿Â»ÊËÈĿĽÅÄʾ»ÆÅÍ»ÈÊÅƻȼÅÈÃËÂÂ»É»ÊƔơËÂÂ»É»Ê¿ÄÆÈŽȻÉÉƢûÉÉ·½»¿Éº¿ÉÆÂ·Ï»º·Äº·ÂÂÉ»ÊʿĽÉ·È»ȻɻÊÊÅʾ»¼·¹ÊÅÈÏÉ»ÊʿĽÉƔ¿ÈÃÍ·È»ƺ·Ê»¾»È»·È»ʹ·É¿ÅÄÉ;»Äʾ»¼¿ÈÃÍ·È»¿ÉËÆº·Ê»º¼ÅÂÂÅͿĽ·ºº¿Ê¿ÅÄÉÅÈ»Ä¾·Ä¹»Ã»ÄÊÉ÷º»ÊÅʾ»¼ËĹʿÅÄÉƔ¾»·ʻÉÊ¼¿ÈÃÍ·È»Ì»ÈÉ¿ÅÄ¹·Ä¸»Ÿʷ¿Ä»º¼ÈÅÃÅËÈ¹ÅÃÆ·ÄÏÍ»¸É¿Ê»Ɣ¾ÊÊÆƓƭƭÍÍÍƔÁ»ÄÍÅźƔ¹ÅÃƭÀÆƭ¼·Çƭ¹ÅÃƭÊÉͨʿˀʷƭÅÈÃÅÈ»º»Ê·¿ÂÉÅÄ¼¿ÈÃÍ·È»ËÆº·Ê»ƑÆÂ»·É»̿ɿÊÅËÈÍ»¸É¿Ê»Ɣ¿ÈÃÍ·È»»ÈÉ¿ÅÄ¾»¹Á¾»¹Áʾ»¹ËÈÈ»ÄÊ¼¿ÈÃÍ·È»Ì»ÈÉ¿ÅÄ¸»¼ÅÈ»ËÆº·Ê¿Ä½ʾ»¼¿ÈÃÍ·È»Ɣ¾»¹Á¿ÄºÌ·Ä¹»º»ÄËƾʹʾƿ³¿ÈÃÍ·È»»ÈÉ¿ÅÄ´●¼·ơ¼¿ÈÃÍ·È»ËÆº·Ê»¼·¿Â»ºƢɹȻ»Ä¹ÅÄÉÊ·ÄÊÂÏ·ÆÆ»·ÈÉ;¿Â»ËÆº·Ê»¿É¿ÄÆÈŽȻÉÉƑʾ¿É¹Å˺¸»ºË»ÊÅÉÏÉʻü·¿ÂËÈ»Ɣ»·É»¹ÅÄÊ·¹ÊÉ»ÈÌ¿¹»¹»ÄÊ»ÈƔʸʾʸʾʸʾƖʸ
·Â¿¸È·Ê¿ÅÄżÄÊ»ÈÄ·Â»¼»È»Ä¹»È»Ç˻ĹÏ¾»¿ÄÊ»ÈÄ·ÂÈ»¼»È»Ä¹»¼È»Ç˻ĹÏżʾ¿ÉÊÈ·Äɹ»¿Ì»È¿ÉÆÈ»·ºÀËÉÊ»º·Êʾ»¼·¹ÊÅÈÏƔÅͻ̻ÈƑ¿¼¹·Â¿¸È·Ê¿ÅÄżʾ»¿ÄÊ»ÈÄ·ÂÈ»¼»È»Ä¹»¼È»Ç˻ĹÏ¿ÉÄ»¹»ÉÉ·ÈÏºË»ÊÅ¹¾·Ä½»ÉÅÌ»ÈʿûÅÈÅʾ»ÈÈ»·ÉÅÄÉƑʾ¿É¹·Ä¸»ºÅÄ»¸ÏÈ»¹»¿Ì¿Ä½ƺ·Í·¿¿ƻƑƺÅÂÅÈ·ºÅƻƑƺ¿Ơ·ÄƻÅÈÅʾ»ÈÊÏÆ»ÉżÉʷĺ·ÈºÈ·º¿ÅÍ·Ì»Ɣ¿ÈÉÊż·ÂÂƑ¼ÅÂÂÅÍʾ»ÉÊ»ÆÉ¸»ÂÅÍÊÅÉ»Êʾ¿ÉÊÈ·Äɹ»¿Ì»ÈÊÅʾ»Ãź»¼ÅÈÈ»¹»¿Ì¿Ä½ʾ»Éʷĺ·ÈºÈ·º¿ÅÍ·Ì»É¿½Ä·ÂÉƔ¾»¼ÅÂÂÅͿĽ¿É·Ä»Î·ÃÆÂ»żʾ»¹·Â¿¸È·Ê¿ÅÄÆÈŹ»ºËÈ»;»Äʾ»ƿʹ¾¼È»Ç˻ĹÏ¿ÉʾʷʷÐƔʼÈ»ÉÉƾƭƖƿÊÅɻ»¹ÊÃź»ƔʽÈ»ÉÉƾƿÊÅÊËÈÄż¼ʾ»¼ËĹʿÅÄƔʾÈ»ÉÉƾƿÊÅÊËÈÄż¼¸È»·ÁƖ¿ÄƔ•¼ɻÿ¸È»·ÁƖ¿Ä¿ÉÊËÈÄ»ºÅÄƑÆÈ»ÉÉƾƿÊÅÊËÈÄ¿Êż¼Ɣ•¼¼ËÂÂ¸È»·ÁƖ¿Ä¿ÉÊËÈÄ»ºÅÄƑÊËÈÄʾ»ƾƿ¹ÅÄÊÈÅÂÊÅɻ»¹Ê·Ì·ÂË»Åʾ»Èʾ·Ä¼ËÂÂ¸È»·ÁƖ¿ÄƔʿËÈÄʾ»ƾƿ¹ÅÄÊÈÅÂÊÅÃÅÌ»ÊÅʾ»ʸʹÅƠ¹ÂŹÁÆÅɿʿÅÄƔˀËÈÄʾ»ƾƭƿ¹ÅÄÊÈÅÂÊÅ·ºÀËÉÊʾ»ƿʹ¾ÊÅ·»̻Â¼ÅÈ»·ÉÏ¿ÉʻĿĽƔËÈÄʾ»ƾƭƿ¹ÅÄÊÈÅÂËÄÊ¿Âʾ»ƿʹ¾¼È»Ç˻ĹÏÈ»·º¿Ä½É¾ÅÍÉơʾʷʷƢƔˁËÈÄʾ»ƾƭƿ·Äºƾƭƿ¹ÅÄÊÈÅÂÉƔËÈÄʾ»ƾƭƿ¹ÅÄÊÈÅÂËÄÊ¿Âʾ»ɾ¿¼Ê¼È»Ç˻ĹÏƺƻ¸»¹ÅûÉơʷƢƑ¼ÅÂÂÅÍ»º¸ÏÊËÈĿĽʾ»ƾƭƿ¹ÅÄÊÈÅÂÊÅ·ºÀËÉÊʾ»¸·ÄºÍ¿ºÊ¾ƺƻÊÅơʸʷʷʷƢƔ●ÅÈº»Ê·¿ÂÉÅÄʾ»ƭ¹ÅÄÄ»¹ÊÅÈÉ»ÊʿĽÉƑÆÂ»·É»È»¼»ÈÊÅơͿʹ¾¿Ä½ʾ»»¼»È»Ä¹»¿½Ä·ÂƢƔƺʸʽƖʿƻ·Â¿¸È·Ê¿ÅÄÈŹ»ºËÈ»Ĺ»ʾ»ÆÈ»Æ·È·Ê¿ÅÄ¿É¹ÅÃÆÂ»Ê»Ƒ¼ÅÂÂÅÍʾ»ÉÊ»ÆÉ¸»ÂÅÍÊŹÅļ¿½ËÈ»ʾ»¿ÄÊ»ÈÄ·ÂÈ»¼»È»Ä¹»¼È»Ç˻ĹÏżʾ¿ÉÊÈ·Äɹ»¿Ì»ÈƔʼ»¹»¿Ì»ʾ»Éʷĺ·ÈºÈ·º¿ÅÍ·Ì»É¿½Ä·ÂÉƔÅÈ»¹»¿Ì»ʸʷÐÉʷĺ·ÈºÈ·º¿ÅÍ·Ì»É¿½Ä·ÂÉƑÊËÈÄʾ»ËĿĽ¹ÅÄÊÈÅÂÊÅ·ºÀËÉÊʾ»Ì·ÂË»ÊÅ»Î·¹ÊÂÏơʸʷƔʷʷʷƔʷʷƢƔʾʷʷÐ¸»·Ê¿É¾»·ÈºƔfAF= freference+700[Hz]xfdisplay[MHz]19.2[MHz]freferenceReference Frequency ShiftºÀËÉÊÉ˹¾ʾ·Êʾ»È»¹»¿Ì»º¸»·Ê¿É·Ëº¿¸Â»ÅÄʾ»ƿʹ¾¼È»Ç˻ĹÏƔʽÈ»ÉÉƾƔƿÅÄʾ»ûÄËɹȻ»ÄÊÅɻ»¹ÊºÌ·Ä¹»º»ÄËƾʷʼƿ³»¼»È»Ä¹»ɹ¿Â·ÊÅÈ·Â¿¸È·Ê¿ÅÄ´ƔʾÈ»ÉÉʻƾƿƔʿÈ»ÉÉʾƾƔƿƔʾʷʷÐ¹·Â¿¸È·Ê¿ÅÄÉ¿º»ÊÅÄ»¿É½»Ä»È·Ê»ºƔ¾¿ÉÉ¿º»ÊÅÄ»Å̻ȷÆÉͿʾʾ»·Ëº¿Å·Äº·ºÅ˸»¸»·Ê¿É¼ÅÈûº¸Ïʾ»º¿¼¼»È»Ä¹»¿Ä¼È»Ç˻ĹÏƔ¼ʾ»ºÅ˸»¸»·Ê¿ÉÄÅÊ¹Â»·ÈÂÏ·Ëº¿¸Â»ƑÊËÈÄʾ»ƾƿ¹ÅÄÊÈÅÂÊÅ·ºÀËÉÊʾ»·Ëº¿ÅƔfsidetone=700[Hz] 8[ppm]‒+(700 0.006[Hz])‒+ˀÈ»ÉÉʾ»ʻƾƯƿƭʼƾ̊ƿÅÈÊËÈÄʾ»ƾƭƿ¹ÅÄÊÈÅÂƔ•»È¼ÅÈÃ·ºÀËÉÊûÄÊËÄÊ¿Âʾ»¹Ï¹Â»żʾ»ºÅ˸»¸»·Ê¸»ÊÍ»»Äʾ»¸»·Ê·ÄºÉ¿º»ÊÅÄ»È»·¹¾»Éʾ»÷οÃË÷ĺʾ»ºÅ˸»¸»·Ê¿ÉÄÅÂÅĽ»È·Ëº¿¸Â»ƔÊʾ¿ÉÆÅ¿ÄÊƑʾ»º¿¼¼»È»Ä¹»¿Ä¼È»Ç˻ĹÏ¸»ÊÍ»»Äʾ»·Ëº¿Å·ÄºÉ¿º»ÊÅÄ»¿É·Êʾ»ÿĿÃËÃ»̻ÂƔ•ÅÈ»ÉÊÅÈ»ʾ»º»¼·ËÂÊÉ»ÊʿĽƑÆÈ»ÉÉ·Äº¾ÅºʹƾƺƻƿƔˁ»Â»·É»ʾƾƔƿƔ˂È»ÉÉƾƿÊÅ»Äºʾ»ÆÈŹ»ÉÉƔ●¼ʾ»É¿½Ä·ÂËÉ»º¼ÅÈ¹·Â¿¸È·Ê¿ÅÄ¼·ÂÂÉÅËÊÉ¿º»ʾ»ȷĽ»żʾ»È»¼»È»Ä¹»É¿½Ä·Â¿ÄÆËÊ¼ÈÅÃ·Ä»ÎÊ»ÈÄ·ÂÉÅËȹ»ƺƖʸʷºÃÊÅ̊ʸʷºÃƻÅÈ¼È»Ç˻ĹÏ·¹¹ËÈ·¹ÏƺʸʷÐ̌ʸʷÆÆÃƻƑʾ»¿ÄÊ»ÈÄ·ÂÈ»¼»È»Ä¹»¼È»Ç˻ĹÏ÷ÏÄÅÊ¸»¹·Â¿¸È·Ê»º¹ÅÈÈ»¹ÊÂÏƔʸʾʸʾƖʹ
ºÀËÉʿĽʾ»Å˹¾É¹È»»ÄÅÂÂÅÍʾ»ÉÊ»ÆÉ¸»ÂÅÍÊÅ·ºÀËÉÊʾ»¹ÅÄÊ·¹ÊÆÅ¿ÄÊÉÅÄʾ»ÊÅ˹¾É¹È»»ÄÊÅÆÈ»Ì»ÄÊ¼·ÂÉ»È»¹Å½Ä¿Ê¿ÅÄ;»ÄÊÅ˹¾¿Ä½ʾ»ÊÅ˹¾É¹È»»ÄƔºÀËÉÊʾ»ÊÅ˹¾É¹È»»Ä¿¼ʾ»¼È»Ç˻ĹÏż¼·ÂÉ»È»¹Å½Ä¿Ê¿ÅÄÉ¾·É¿Ä¹È»·É»ºÍ¿Ê¾ʿûƔʼ»Â»¹ÊºÌ·Ä¹»º»ÄËƾʹʺƿ³Å˹¾É¹È»»Ä·Â¿¸È·Ê¿ÅÄ´ƔʽÈ»ÉÉʻƾƿƔʾÅ˹¾ʾ»ơ̊Ƣ÷ÈÁÉʾ·Ê·È»º¿ÉÆÂ·Ï»ºÅÄʾ»É¹È»»Ä¿ÄÉ»Ç˻Ĺ»Ɣơ̊Ƣ÷ÈÁ¿Éº¿ÉÆÂ·Ï»º¿ÄÉ»Ç˻Ĺ»·Êʾ»¼ÅËÈ¹ÅÈÄ»ÈÉżʾ»É¹È»»ÄƔ¼Ê»ÈÊÅ˹¾¿Ä½·ÂÂʾ»ơ̊Ƣ÷ÈÁÉ·Êʾ»¼ÅËÈ¹ÅÈÄ»ÈÉ·ÄºÊ¾»¹»ÄÊ»ÈƑÊÅ˹¾É¹È»»Ä·ºÀËÉÊûÄÊ¿É¹ÅÃÆÂ»Ê»·Äºʾ»ºÌ·Ä¹»ºûÄËɹȻ»Ä¿Éº¿ÉÆÂ·Ï»ºƔ●Å˹¾É¹È»»Ä·ºÀËÉÊûÄÊ¹·ÄÄÅÊ¸»ƻȼÅÈûººËȿĽÊÈ·ÄÉÿÉÉ¿ÅÄƔ●Å˹¾É¹È»»Ä·ºÀËÉÊûÄÊ¹·ÄÄÅÊ¸»ÉÊÅÆÆ»º¾·Â¼Í·ÏƔ·Á»ÉËÈ»ÊÅÊÅ˹¾ʾ»ơ̊Ƣ÷ÈÁÉ·Êʾ»¼ÅËÈ¹ÅÈÄ»ÈÉ·ÄºÊ¾»¹»ÄÊ»È¿ÄÉ»Ç˻Ĺ»Ɣ●¼ÊÅ˹¾É¹È»»Ä·ºÀËÉÊûÄÊ¿É¿ÄÊ»ÈÈËÆÊ»ººË»ÊÅËļÅȻɻ»Ä¹¿È¹ËÃÉʷĹ»ÉÉ˹¾·ÉÆÅÍ»ÈÅËÊ·½»ƑƻȼÅÈÃʾ»·ºÀËÉÊûÄÊ·½·¿ÄƔºÀËÉʿĽʾ»¿ÉÆÂ·ÏÅÂÅÈ¾»¹ÅÂÅÈÊÅÄ»żʾ»º¿ÉÆÂ·Ï¹·Ä¸»·ºÀËÉÊ»º·É¼ÅÂÂÅÍÉƔʼËÈÄż¼ʾ»ÆÅÍ»Èżʾ¿ÉÊÈ·Äɹ»¿Ì»ÈƔʽÈ»ÉɿĽ·Äº¾Åº¿Ä½ƾƿ;¿Â»ÊËÈĿĽÅÄʾ»ÆÅͻȺ¿ÉÆÂ·ÏÉʾ»º¿ÉÆÂ·Ï¹ÅÂÅÈ·ºÀËÉÊûÄÊɹȻ»ÄƔʾÉ»ʾ»¹ÅÄÊÈÅÂÉ¸»ÂÅÍÊÅ·ºÀËÉÊʾ»¹ÅÂÅÈƔÅÄÊÈÅ »¾·Ì¿ÅÈƾƿ ¾·Ä½»Éʾ»È»º»̻ÂƔƺËÈĿĽʾ»ƾƿ¹ÅÄÊÈÅÂȻɻÊÉʾ»Ì·ÂË»ÊÅơʷƢƔƻƾƭƿ ¾·Ä½»Éʾ»½È»»Ä»̻ÂƔƺËÈĿĽʾ»ƾƿ¹ÅÄÊÈÅÂȻɻÊÉʾ»Ì·ÂË»ÊÅơʷƢƔƻƾƭƿ ¾·Ä½»Éʾ»¸ÂË»»̻ÂƔƺËÈĿĽʾ»ƾƭƿ¹ÅÄÊÈÅÂȻɻÊÉʾ»Ì·ÂË»ÊÅơʷƢƔƻ»ÊʿĽ·ÂË» ƖʸʼÊÅʷƺº»¼·ËÂÊƻÊÅ̊ʸʼƺʸÉÊ»ÆƻʿËÈÄż¼ʾ»ÆÅÍ»Èżʾ¿ÉÊÈ·Äɹ»¿Ì»ÈƔ●¾»Äʾ¿ÉÊÈ·Äɹ»¿Ì»È¿ÉÅÆ»È·Ê»ºͿʾ·¹ÅÄÊÈÅÂÅʾ»Èʾ·ÄʾÅÉ»·¸ÅÌ»Ƒʾ»º¿ÉÆÂ·Ï¹ÅÂÅÈ·ºÀËÉÊûÄÊɹȻ»Äº¿É·ÆÆ»·ÈÉÊ»ÃÆÅÈ·È¿ÂÏ·Äºʾ»·ºÀËÉÊ»º¹ÅÂÅÈÊÅÄ»¹·Ä¸»ÆÈ»Ì¿»Í»ºÅÄʾ»ÄÅÈ÷ÂɹȻ»ÄƔ»ÆÂ·¹¿Ä½ʾ»ËÉ»•¾»¹¿È¹Ë¿Êżʾ¿ÉÊÈ·Äɹ»¿Ì»È¼ÅÈ¹ÅÄÄ»¹Ê¿Ä½ÊÅ·Ä»ÎÊ»Èķ·ÄÊ»ÄÄ·ÊËÄ»È¹ÅûÉͿʾ·¼ËÉ»Ɣ¼ʾ»¼ËÉ»¸ÂÅÍÉ;¿Â»ËɿĽʾ»»ÎÊ»ÈÄ·Â·ÄÊ»ÄÄ·ÊËÄ»ÈƑÈ»ÆÂ·¹»ʾ»¼ËÉ»·¼Ê»È·ººÈ»ÉɿĽʾ»¹·ËÉ»Ɣ•¾»È»¿É·ÂÉÅ·¼ËÉ»¿Äʾ»ÆÅÍ»È¹·¸Â»Ɣ¿Ã¿Â·ÈÂÏƑ¿¼ʾ¿É¼ËÉ»¸ÂÅÍÉƑÈ»ÆÂ·¹»¿Ê·¼Ê»È·ººÈ»ÉɿĽʾ»¹·ËÉ»Ɣ»ÆÂ·¹¿Ä½ʾ»ËÉ»żʾ»ÎÊ»ÈÄ·ÂÄÊ»ÄÄ·ËÄ»ÈʼÄÆÂ˽ʾ»ÆÅÍ»È¹·¸Â»Ɣʽ»ÃÅÌ»ʾ»ɹȻÍÉƺÎʸʹƻ·Êʾ»¸ÅÊÊÅÃ¹·É»·ÄºÈ»ÃÅÌ»ʾ»¸ÅÊÊÅÃ¹·É»Ɣʾ»ÃÅÌ»ʾ»ɹȻÍÉƺÎʿƻ·Êʾ»ÊÅÆ¹·É»·ÄºÈ»ÃÅ̻ʾ»ÊÅÆ¹·É»Ɣʿ»ÃÅÌ»ʾ»ɹȻÍÉƺÎʿƻÉ»¹ËȿĽʾ»ɾ¿»ÂºÆÂ·Ê»·ÄºÈ»ÃÅÌ»ʾ»ɾ¿»ÂºÆÂ·Ê»Ɣˀ»ÆÂ·¹»ʾ»¼ËÉ»ƺʻƻƔFUSE 4AˁÄÉÊ·ÂÂʾ»ɾ¿»ÂºÆÂ·Ê»Ɣ˂ÄÉÊ·ÂÂʾ»ÊÅÆ¹·É»Ɣ˃ÄÉÊ·ÂÂʾ»¸ÅÊÊÅÃ¹·É»Ɣ●¼ÅÄÂÏʾ»ÊÅÆ¹·É»¿ÉÈ»ÃÅÌ»ºƑɹȷʹ¾»É÷ÏÈ»ÉËÂÊ;»Ä·Â¿½Ä¿Ä½¿ÊͿʾʾ»¸ÅÊÊÅÃ¹·É»ºËȿĽʾ»·ÉɻøÂÏƔ●¾»ʻ¼ËÉ»ʾ·Ê¹ÅûÉÉËÆÆÂ¿»ºͿʾʾ¿ÉÊÈ·Äɹ»¿Ì»È¿ÉÊÅ¸»ËÉ»º¼ÅÈʾ»»ÎÊ»ÈÄ·Â·ÄÊ»ÄÄ·ÊËÄ»ÈƔÅÄÅÊËÉ»·¼ËÉ»Åʾ»Èʾ·Äʾ»ÅÄ»ÉËÆÆÂ¿»ºƔ●»¹·È»¼ËÂÄÅÊÊÅÃ¿ÉÆÂ·¹»ʾ»ɹȻÍ·¼Ê»È¿Ê¿ÉÈ»ÃÅÌ»ºƔ●»¹·È»¼ËÂ;»Ä¾·ÄºÂ¿Ä½ʾ»¹·É»ÊÅÆÈ»Ì»ÄÊ¸»¿Ä½¿ÄÀËÈ»º¸Ïʾ»»º½»ÉƔ»ÆÂ·¹¿Ä½ʾ»ËÉ»żʾ»ÅÍ»È·¸Â»Æ»Äʾ»¼ËÉ»¹ÅÌ»È·ÄºÈ»ÆÂ·¹»ʾ»¼ËÉ»ƺʹʼƻƔ●¾»ʹʼ¼ËÉ»ʾ·Ê¹ÅûÉÉËÆÆÂ¿»ºͿʾʾ¿ÉÊÈ·Äɹ»¿Ì»È¿ÉÊÅ¸»ËÉ»º¼ÅÈʾ»ÆÅÍ»È¹·¸Â»ƔÅÄÅÊËÉ»·¼ËÉ»Åʾ»Èʾ·Äʾ»ÅÄ»ÉËÆÆÂ¿»ºƔʸʾʸʾƖʺ
ʸʾƖʻ
»Ä»È·ÂļÅÈ÷ʿÅÄÅËÈÊÈ·Äɹ»¿Ì»È¾·É¸»»Ä¼·¹ÊÅÈÏ·Â¿½Ä»º·ÄºÊ»ÉÊ»ºÊÅÉÆ»¹¿¼¿¹·Ê¿ÅÄ¸»¼ÅÈ»ɾ¿ÆÃ»ÄÊƔĺ»ÈÄÅÈ÷Â¹¿È¹ËÃÉʷĹ»ÉƑʾ»ÊÈ·Äɹ»¿Ì»ÈÍ¿ÂÂÅÆ»È·Ê»¿Ä·¹¹ÅȺ·Ä¹»Ϳʾʾ»É»ÅÆ»È·Ê¿Ä½¿ÄÉÊÈ˹ʿÅÄÉƔÂÂ·ºÀËÉÊ·¸Â»ÊÈ¿ÃûÈÉƑ¹Å¿ÂÉƑ·ÄºȻɿÉÊÅÈÉ¿Äʾ»ÊÈ·Äɹ»¿Ì»È·È»ÆÈ»É»Ê·Êʾ»¼·¹ÊÅÈÏƔ¾»ÏɾÅ˺ÅÄÂÏ¸»È»·ºÀËÉÊ»º¸Ï·Ç˷¿¼¿»ºÊ»¹¾Ä¿¹¿·Ä;Å¿É¼·Ã¿Â¿·ÈͿʾʾ¿ÉÊÈ·Äɹ»¿Ì»È·Äº¾·Éʾ»Ä»¹»ÉÉ·ÈÏÊ»ÉÊ»ÇË¿ÆÃ»ÄÊƔÊÊ»ÃÆÊ¿Ä½É»ÈÌ¿¹»ÅÈ·Â¿½ÄûÄÊͿʾÅËÊ¼·¹ÊÅÈÏ·ËʾÅȿзʿÅÄ÷ÏÌÅ¿ºʾ»ÊÈ·Äɹ»¿Ì»ÈÍ·ÈÈ·ÄÊÏƔ¾»ÄÅÆ»È·Ê»ºÆÈÅÆ»ÈÂÏƑʾ»ÊÈ·Äɹ»¿Ì»ÈÍ¿ÂÂÆÈÅÌ¿º»Ï»·ÈÉżÉ»ÈÌ¿¹»·Äº»ÄÀÅÏûÄÊͿʾÅËÊÈ»Ç˿ȿĽ¼ËÈʾ»ÈÈ»·Â¿½ÄûÄÊƔ¾»¿Ä¼ÅÈ÷ʿÅÄ¿Äʾ¿ÉÉ»¹Ê¿ÅÄ½¿Ì»ÉÉÅû½»Ä»È·ÂÉ»ÈÌ¿¹»ÆÈŹ»ºËÈ»ÉÈ»Ç˿ȿĽ¿ÊÊ»ÅÈÄÅÊ»ÉÊ»ÇË¿ÆÃ»ÄÊƔ»ÈÌ¿¹»¼¿Ê¿É»Ì»ÈÄ»¹»ÉÉ·ÈÏÊÅÈ»ÊËÈÄʾ»»ÇË¿ÆÃ»ÄÊÊÅÏÅËÈº»·Â»ÈÅÈÉ»ÈÌ¿¹»¹»ÄÊ»È¼ÅÈȻƷ¿ÈÉƑÆ·¹Áʾ»ÊÈ·Äɹ»¿Ì»È¿Ä¿ÊÉÅÈ¿½¿Ä·Â¸ÅÎ·ÄºÆ·¹Á¿Ä½÷ʻȿ·ÂƔĹÂ˺»·¼ËÂÂº»É¹È¿ÆÊ¿ÅÄżʾ»ÆÈŸ»ÃÉ»Îƻȿ»Ä¹»ºƔĹÂ˺»¸ÅʾÏÅËÈʻ»ƾÅÄ»ÄËø»È·Äº¼·ÎÄËø»Èƺ¿¼·Ì·¿Â·¸Â»ƻ·ÂÅĽͿʾÏÅËÈķû·Äº·ººÈ»ÉÉ¿Ä¹·É»ʾ»É»ÈÌ¿¹»Ê»¹¾Ä¿¹¿·ÄÄ»»ºÉÊÅ¹·ÂÂ¼ÅÈ¼ËÈʾ»È¿Ä¼ÅÈ÷ʿÅÄ;¿Â»¿ÄÌ»ÉÊ¿½·Ê¿Ä½ÏÅËÈÆÈŸ»ÃƔÅÄƠÊÈ»ÊËÈÄ·¹¹»ÉÉÅÈÏ¿Ê»ÃÉËÄ»ÉÉÏÅË¼»»Âʾ»Ï·È»º¿È»¹ÊÂÏȻ·ʻºÊÅʾ»É»ÈÌ¿¹»ÆÈŸ»ÃƔ»·É»ºÅÄÅÊɻĺÉ˸·Éɻø¿»ÉÅÈÆÈ¿ÄÊ»º¹¿È¹Ë¿Ê¸Å·ÈºÉƔ»Äºʾ»¹ÅÃÆÂ»Ê»ÊÈ·Äɹ»¿Ì»ÈƔÅË÷ÏÈ»ÊËÈÄÏÅËÈÊÈ·Äɹ»¿Ì»È¼ÅÈÉ»ÈÌ¿¹»ÊÅʾ»·ËʾÅȿлºº»·Â»È¼ÈÅÃ;ÅÃÏÅËÆËȹ¾·É»º¿ÊÅÈ·ÄÏ·ËʾÅȿлºÉ»ÈÌ¿¹»¹»ÄÊ»ÈƔ¹ÅÆÏżʾ»É»ÈÌ¿¹»È»ÆÅÈÊÍ¿ÂÂ¸»È»ÊËÈÄ»ºͿʾʾ»ÊÈ·Äɹ»¿Ì»ÈƔ·½·ÂÂÈ»ÊËÈÄ»º¿Ê»ÃÉͿʾÏÅËÈķû·Äº¹·ÂÂÉ¿½Ä¼ÅÈ¿º»ÄÊ¿¼¿¹·Ê¿ÅÄƔ»·É»ûÄÊ¿ÅÄʾ»Ãź»Â·Äºɻȿ·ÂÄËø»Èżʾ»ÊÈ·Äɹ»¿Ì»È¿Ä·ÄÏ¹ÅÃÃËÄ¿¹·Ê¿ÅÄÈ»½·Èº¿Ä½ʾ»ÆÈŸ»ÃƔ»ÈÌ¿¹»ÅÊ»¼ÏÅËº»É¿È»ÊÅ¹ÅÈÈ»ÉÆÅĺÅÄ·Ê»¹¾Ä¿¹·ÂÅÈÅÆ»È·Ê¿ÅÄ·ÂÆÈŸ»ÃƑÆÂ»·É»÷Á»ÏÅËÈÄÅÊ»ɾÅÈÊƑ¹ÅÃÆÂ»Ê»Ƒ·ÄºÊÅʾ»ÆÅ¿ÄÊƔ»ÂÆËÉ¾»ÂÆÏÅË¸ÏÆÈÅÌ¿º¿Ä½ʾ»¼ÅÂÂÅͿĽƓ•ź»Â·Äºɻȿ·ÂÄËø»Èż»ÇË¿ÆÃ»ÄÊ•Ë»ÉÊ¿ÅÄÅÈÆÈŸ»ÃÏÅË·È»¾·Ì¿Ä½•ʾ»È»ÇË¿ÆÃ»ÄÊ¿ÄÏÅËÈÉÊ·Ê¿ÅÄÆ»ÈÊ·¿Ä¿Ä½ÊÅʾ»ÆÈŸ»Õ»Ê»ÈÈ»·º¿Ä½É•ʾ»ÈȻ·ʻº¿Ä¼ÅÈ÷ʿÅÄƺ»ÄËÉ»ÊËÆƑÃź»Ƒ¼È»Ç˻ĹÏƑÁ»ÏÉ»Ç˻Ĺ»ÊÅ¿ÄºË¹»÷¼ËĹʿÅÄƑ»Ê¹Ɣƻ●ÅÄÅÊÆ·¹Áʾ»»ÇË¿ÆÃ»ÄÊ¿Ä¹ÈËɾ»ºÄ»ÍÉÆ·Æ»ÈÉ¼ÅÈɾ¿ÆÃ»ÄÊƔÎÊ»Äɿ̻º·Ã·½»÷ÏÈ»ÉËÂÊºËȿĽÈÅ˽¾¾·ÄºÂ¿Ä½ÅÈɾ¿ÆÆ¿Ä½Ɣ●»¹ÅȺʾ»º·Ê»żÆËȹ¾·É»Ƒɻȿ·ÂÄËø»ÈƑ·Äºº»·Â»È¼ÈÅÃ;ÅÃʾ»ÊÈ·Äɹ»¿Ì»ÈÍ·ÉÆËȹ¾·É»ºƔ●ÅÈÏÅËÈÅÍÄ¿Ä¼ÅÈ÷ʿÅÄƑȻʷ¿Ä·ÍÈ¿ÊÊ»ÄÈ»¹ÅȺż·ÄÏ÷¿ÄʻķĹ»ƻȼÅÈûºÅÄʾ»ÊÈ·Äɹ»¿Ì»ÈƔ●¾»Ä¹Â·¿Ã¿Ä½Í·ÈÈ·ÄÊÏÉ»ÈÌ¿¹»ƑÆÂ»·É»¿Ä¹Â˺»·ƾÅÊŹůÏżʾ»¸¿ÂÂżɷ»ÅÈÅʾ»ÈÆÈÅżƖżƖÆËȹ¾·É»ɾÅͿĽʾ»º·Ê»żɷ»Ɣ»·Ä¿Ä½¾»Á»ÏÉƑ¹ÅÄÊÈÅÂÉƑ·Äº¹·É»żʾ»ÊÈ·Äɹ»¿Ì»È·È»¿Á»ÂÏÊÅ¸»¹ÅûÉſ»º·¼Ê»È»Îʻĺ»ºËÉ»Ɣ»ÃÅÌ»ʾ»¹ÅÄÊÈÅÂÉ¼ÈÅÃʾ»ÊÈ·Äɹ»¿Ì»È·Äº¹Â»·Äʾ»ÃͿʾ·Ä»ËÊÈ·Âº»Ê»È½»ÄÊ·ÄºÍ·ÈÃÍ·Ê»ÈƔÅ¹Â»·Äʾ»¹·É»ƑËÉ»·Ä»ËÊÈ·Âº»Ê»È½»ÄÊƺÄÅÉÊÈÅĽ¹¾»Ã¿¹·ÂÉƻ·Äº·º·ÃƹÂÅʾƔʸʿʸʿʸʿƖʸ
ÈÅ˸»ɾÅÅʿĽ¾»¹Áʾ»¼ÅÂÂÅͿĽ¸»¼ÅÈ»È»ÇË»ÉʿĽ¼ÅÈȻƷ¿Èżʾ»ÊÈ·Äɹ»¿Ì»ÈƔÈŸ»ÃÉ»Â·Ê»ºÊÅ»¹»ÆÊ¿ÅÄ·ÄºÈ·ÄÉÿÉÉ¿ÅÄÏÃÆÊÅà ÈŸ·¸Â»·ËÉ» ÅÈÈ»¹Ê¿Ì»¹Ê¿ÅÄ »¼»ÈÊÅÅÍ»ÈºÅ»ÉÄÅÊÊËÈÄÅÄ;»Äƾ ƿ¿ÉÆÈ»ÉÉ»ºƔ ¾»ÆÅÍ»ÈÉͿʹ¾żʾ»È»½Ë·ʻºÆÅÍ»ÈÉËÆÆÂÏ¿ÉÄÅÊÊËÈÄ»ºÅÄƔ »Êʾ»ÆÅÍ»ÈÉͿʹ¾ÊÅƔ ʻƖʸ¾»ÆÅÍ»È¹·¸Â»¿ÉÄÅÊ¹ÅÈÈ»¹ÊÂÏ¹ÅÄÄ»¹Ê»ºƔ ¾»¹Áʾ»ÆÅÍ»È¹·¸Â»ÊÅ»ÄÉËÈ»ʾ·Êʾ»ÆÅ·ȿÊÏ¿É¹ÅÈÈ»¹ÊƔƺ»ºƓ̊Ƒ¸Â·¹ÁƓƖƻ ʸƖʸ¾»ÆÅÍ»È¹·¸Â»¿ÉÄÅÊ¼ËÂÂÏ¿ÄÉ»ÈÊ»ºƔ ÄÉËÈ»ʾ·Êʾ»¹·¸Â»¿É¼ËÂÂÏ¿ÄÉ»ÈÊ»ºƔ ʸƖʸ¾»¼ËÉ»żʾ»ÆÅÍ»È¹·¸Â»¿É¸ÂÅÍÄƔ ººÈ»ÉÉʾ»¹·ËÉ»żʾ»¸ÂÅÍÄ¼ËÉ»·ÄºÈ»ÆÂ·¹»¿ÊͿʾ·Ä»Í¼ËÉ»·¹¹ÅȺ¿Ä½ÊÅʾ»º»É¿½Ä·Ê»º¹·Æ·¹¿ÊÏƔ ʸʾƖʺÌÅÂÊ·½»»Î¹»»º¿Ä½ʾ»ʸʺƔʿ̌ʸʼ̈ȷĽ»¿É·ÆÆÂ¿»ºƔ ¾»¹Áʾ»ÅËÊÆËÊÌÅÂÊ·½»żʾ»È»½Ë·ʻºÆÅÍ»ÈÉËÆÆÂÏ·Äº¹Åļ¿½ËÈ»¿ÊÊÅʾ»È·Ê»ºÌÅÂÊ·½»ƺʸʺƔʿƻƔ ʸƖʸ¾»ɹȻ»Ä¿ÉÄÅÊº¿ÉÆÂ·Ï»ºÄÅÈ÷ÂÂÏ;»Äʾ¿ÉÊÈ·Äɹ»¿Ì»È¿ÉÆÅͻȻºÅÄƔ ¾»ÿ¹ÈŹÅÃÆËÊ»È¿É÷¼ËĹʿÅĿĽƔ »É»Êʾ¿ÉÊÈ·Äɹ»¿Ì»ÈƔ ʸʾƖʸ¸·¹ÁËÆº·Ê·º·Ã·½»º»Ê»¹Ê»ºÉ¹È»»Ä¿Éº¿ÉÆÂ·Ï»ºƔ ¾»¿Ä¿Ê¿·Â¿Ð·Ê¿ÅÄº·Ê·Í·ÉÄÅÊ¹Åļ¿½ËÈ»º¹ÅÈÈ»¹ÊÂÏ¼ÅÈÉÅûËÄÁÄÅÍÄÈ»·ÉÅÄƔ È»ÉÉʻƾƿÅÄʾ»ơ¸·¹ÁËÆº·Ê·º·Ã·½»º»Ê»¹Ê»ºɹȻ»ÄƢÊÅƻȼÅÈÃËÂÂ»É»Ê·½·¿ÄƔ ¿½Ä·ÂÉ¹·ÄÄÅÊ¸»È»¹»¿Ì»º»Ì»Ä;»Ä·Ä·ÄÊ»ÄÄ·¿É¹ÅÄÄ»¹Ê»ºƔ¾»É»Äɿʿ̿ÊÏ¿ÉÂÅÍƔ¾»ÉÇ˻¹¾¿É¹ÂÅÉ»ºƔ ËÈÄʾ»ƾƿ¹ÅÄÊÈÅÂ·Äº·ºÀËÉÊ·¹¹ÅȺ¿Ä½ÂÏƔ ʻƖʹ¾»·ÊÊ»ÄË·ÊÅÈ¿ÉƔ »Êʾ»·ÊÊ»ÄË·ÊÅÈÊÅƔ ʽƖʸ¾»ÆÈ»·ÃÆÂ¿¼¿»È¿ÉƔ »Êʾ»ÆÈ»·ÃÆÂ¿¼¿»ÈÊÅƔ ʼƖʽ¾»·ÄÊ»ÄÄ·ʸƭʹɻ»¹Ê¿ÅÄ¿ÉÍÈÅĽƔ »Â»¹Êʾ»¹ÅÈÈ»¹Ê·ÄÊ»ÄÄ·Ɣ ʻƖʸʷ¿ÉƔ ¾»¹Á;»Ê¾»È¿ÉÉ»ÊÊÅƔ ʻƖʸʷÄ·¸Â»ÊÅƻȼÅÈÃÊËĿĽ»Ì»ÄʾÅ˽¾ʾ»·ÄÊ»ÄÄ·ÊËÄ»È¿ÉƔ È»ÉÉ·Äº¾ÅºƾƿÊÅƻȼÅÈÃÊËĿĽƔÂÊ»Èķʿ̻ÂÏƑÉÊÅÆʾ»ÊËĿĽÅÆ»È·Ê¿ÅÄƔ ʻƖʸʸ¾»½·¿Ä»̻Â¿ÉÂÅͻȻºËɿĽʾ»ƾƿ¹ÅÄÊÈÅÂƔ ËÈÄʾ»ƾƿ¹ÅÄÊÈÅÂ·ÂÂʾ»Í·ÏÊÅʾ»È¿½¾ÊƔ ʻƖʹ¾»ÊÈ·ÄÉÌ»ÈÊ»ÈÉ»ÊʿĽÉ·È»ÄÅÊ¹ÅÈÈ»¹ÊÂϹÅļ¿½ËÈ»ºƔ ¼ʾ»ÊÈ·ÄÉÌ»ÈÊ»È¿ÉƑ¹¾»¹Á;»Ê¾»Èʾ»É»ÊʿĽÉ·È»¹ÅÈÈ»¹ÊÂÏ¹Åļ¿½ËÈ»º·Äº;»Ê¾»È¿Ê¿É¼ËĹʿÅĿĽÆÈÅÆ»ÈÂÏƔ ʸʽƖʸʼ¾»ÊÈ·ÄÉÌ»ÈÊ»È¿ÉƔ ¼ʾ»ÊÈ·ÄÉÌ»ÈÊ»È¿ÉƑ¹¾»¹Á;»Ê¾»È¿Ê¿É¼ËĹʿÅĿĽÆÈÅÆ»ÈÂÏƔ ʸʽƖʸʼ¿½Ä·ÂÉÈ»¹»¿Ì»º·È»ÄÅÊ¹ÅÈÈ»¹ÊÂϺ»ÃźË·ʻºƔ ¾»ÅÆ»È·Ê¿Ä½Ãź»¿É¿Ä¹ÅÈÈ»¹ÊÂÏɻ»¹Ê»ºƔ ÈÏÉͿʹ¾¿Ä½ÊÅ·º¿¼¼»È»ÄÊÃź»Ɣ ʻƖʻ¾»¼ËĹʿÅÄÉ»ÊʿĽÉ·È»ÄÅÊ¹ÅÈÈ»¹ÊÂϹÅļ¿½ËÈ»ºƔ Åļ¿½ËÈ»ʾ»¼ËĹʿÅÄÉ»ÊʿĽÉ¹ÅÈÈ»¹ÊÂÏƔ ʼƖʹ¾»¼È»Ç˻ĹÏºÅ»ÉÄÅÊ¹¾·Ä½»;»Äʾ»ƾƿƭƾƿ¹ÅÄÊÈÅÂ¿ÉÊËÈÄ»ºƔ ¾»ƭ¼ËĹʿÅÄ¿ÉƔ È»ÉÉƾƿÅÈƾƿƔʼƖʾ¾»¹ËÊż¼¼È»Ç˻ĹÏżʾ»·Ëº¿Å¿Äʾ»Ãź»¿É»ÎÊȻûÂÏ¾¿½¾ÅÈ»ÎÊȻûÂÏÂÅÍƔ¾»¼¿ÂÊ»ÈÉ»ÊʿĽÉ·È»ÄÅÊÉ˿ʷ¸Â»¼ÅÈÅÆ»È·Ê¿ÅÄƔ ¾·Ä½»ʾ»ÃÊÅʾ»·ÆÆÈÅÆÈ¿·Ê»É»ÊʿĽÉƔ ʽƖʹ¾»È»¿ÉÉ¿½Ä¿¼¿¹·ÄÊº¿ÉÊÅÈÊ¿ÅÄ¿Äʾ»·Ëº¿ÅƔ ¾»¼ËĹʿÅÄ¿ÉƔ »Êʾ»¼ËĹʿÅÄÊÅƑÅÈÊËÈÄʾ»ƾƿ¹ÅÄÊÈÅÂÊÅ·ºÀËÉÊ½·¿ÄƔ ʼƖʹ¾»ƾƿ¹ÅÄÊÈÅÂ¿ÉÉ»ÊÊÅ·ÂÅ˺ÌÅÂËû»̻ÂƔ ËÈÄʾ»ƾƿ¹ÅÄÊÈÅÂÊÅ·ºÀËÉÊʾ»ÌÅÂËûƔ ʻƖʹÅÉÅËĺ¿ÉÅËÊÆËÊ¼ÈÅÃʾ»ÉÆ»·Á»ÈƔ ¾»ƾƿ¹ÅÄÊÈÅÂ¿ÉÊËÈÄ»º·ÂÂʾ»Í·ÏÊÅʾ»»¼ÊƔ ËÈÄʾ»ƾƿ¹ÅÄÊÈÅÂÊÅʾ»È¿½¾ÊƔ ʻƖʹ¾»ƾƿ¹ÅÄÊÈÅÂ¿ÉÊËÈÄ»º·ÂÂʾ»Í·ÏÊÅʾ»È¿½¾ÊƔ ËÈÄʾ»ƾƿ¹ÅÄÊÈÅÂÊÅʾ»»¼ÊƔ ʻƖʹ»·ºÆ¾ÅÄ»É·È»¹ÅÄÄ»¹Ê»ºƔ ÄÆÂ˽ʾ»¾»·ºÆ¾ÅÄ»ÉƔ ʸƖʹ¿ÉÉ»ÊÊÅ¿Äʾ»Ãź»Ɣ »ÊÊÅƔ ʼƖʺʷ¾»ûʻÈº»¼Â»¹Ê¿ÅÄ¿ÉÉ÷ÂÂ¿Äʾ»Ãź»Ɣ ¾»ûʻÈÉ»Äɿʿ̿ÊÏ»̻Â¿ÉÂÅÍƔ Åļ¿½ËÈ»ʾ»ûʻÈÉ»Äɿʿ̿ÊÏÊÅ³¿½¾´¿Ä»ÄËƾʷƖʷʾƿƔ ʻƖˀơƔƢ¿Éº¿ÉÆÂ·Ï»ºÅÄʾ»¸·ÄºÉ¹ÅÆ»Ɣ ¾»¸·ÄºÉ¹ÅÆ»¿ÉÈ»¹»¿Ì¿Ä½»Î¹»Éɿ̻É¿½Ä·ÂƔ É»ʾ»·ÊÊ»ÄË·ÊÅÈ¼ÅÈʾ»¸·ÄºÉ¹ÅÆ»Ɣ ʾƖʸʸʿʸʿƖʹ
ÏÃÆÊÅà ÈŸ·¸Â»·ËÉ» ÅÈÈ»¹Ê¿Ì»¹Ê¿ÅÄ »¼»ÈÊÅ¾»È»¿ÉÄÅÅËÊÆËÊÆÅÍ»ÈƔ¾»»̻ÂżÅËÊÆËÊÆÅÍ»È¿ÉÂÅÍƔ ¾»ÿ¹ÈÅÆ¾ÅÄ»¹ÅÄÄ»¹ÊÅÈ¿ÉÄÅÊ¼ËÂÂÏ¿ÄÉ»ÈÊ»ºƔ ÄÉ»ÈÊʾ»ÿ¹ÈÅÆ¾ÅÄ»¹ÅÄÄ»¹ÊÅÈ¼ËÂÂÏƔ ʸƖʹ¾»·ÄÊ»ÄÄ·¹ÅÄÄ»¹ÊÅÈ¿ÉÄÅÊÆÈÅÆ»ÈÂϹÅÄÄ»¹Ê»ºƔ ÅÄÄ»¹Êʾ»·ÄÊ»ÄÄ·ÆÈÅÆ»ÈÂÏƔ ʹƖʽ¾»ÿ¹ÈÅÆ¾ÅÄ»½·¿Ä»̻Â¿ÉÊËÈÄ»ººÅÍÄƔ ºÀËÉÊʾ»ÿ¹ÈÅÆ¾ÅÄ»½·¿ÄƔ ʻƖʾ¾»ÅËÊÆËÊÆÅÍ»È¿ÉÉ»ÊÊÅʾ»ÿĿÃËû̻ÂƔ ºÀËÉÊʾ»ÅËÊÆËÊÆÅÍ»ÈƔ ʻƖʿ¿½¾ƖÊ»ÃÆ»È·ÊËÈ»ÆÈÅÊ»¹Ê¿ÅÄ¿É·¹Ê¿Ì·Ê»ºƔ ĺʾ»ÊÈ·ÄÉÿÉÉ¿ÅÄ·Äº·ÂÂÅÍʾ»Ê»ÃƻȷÊËÈ»żʾ¿ÉÊÈ·Äɹ»¿Ì»ÈÊÅ½ÅºÅÍÄƔ  ʷ¾»¹·ÈÈ¿»È»̻Â¿ÉÂÅÍƔ ËÈÄʾ»ƾƿ¹ÅÄÊÈÅÂÅÄʾ»·ÈÈ¿»È»Ì»Â¹Åļ¿½ËÈ·Ê¿ÅÄɹȻ»ÄËÄÊ¿Âʾ»ÆÅ¿ÄÊ»Èżʾ»ûʻÈ¼·ÂÂÉͿʾ¿Äʾ»·ÆÆÈÅÆÈ¿·Ê»ȷĽ»Ɣ ʼƖʿ¾»ÉÆ»»¹¾ÆÈŹ»ÉÉÅÈÅËÊÆËÊ»̻Â¿ÉÂÅÍƔ ËÈÄʾ»ƾƭƿ¹ÅÄÊÈÅÂËÄÊ¿Âʾ»ÆÅ¿ÄÊ»Èżʾ»ûʻÈ¼·ÂÂÉͿʾ¿Äʾ»·ÆÆÈÅÆÈ¿·Ê»È·Ä½»Ɣ ʿƖʻ¾»·Ëº¿ÅÉÅËȹ»ËÉ»º¼ÅÈÊÈ·ÄÉÿÉÉ¿ÅÄ¿Éº¿¼¼»È»ÄÊ¼ÈÅÃʾ»¿ÄÆËÊƷʾżʾ»·Ëº¿ÅÉÅËȹ»¿ÄÆËÊƔ¾»¹Áʾ»¿ÄÆËÊƷʾżʾ»·Ëº¿ÅÊÅ¸»ÃźË·ʻºƔ ʿƖʸȿ̻ÅËÊÆËÊƺƻ¿É»Ä·¸Â»ºƔ È»ÉÉƾƿÊÅÉͿʹ¾ż¼ºÈ¿Ì»ÅËÊÆËÊƔ ʻƖʸʷ¾»ÉÊÈ·¿½¾ÊÁ»ÏÅÈÆ·ººÂ»¿ÉÄÅÊ¹ÅÈÈ»¹ÊÂϹÅÄÄ»¹Ê»ºƔ ¾»¹Áʾ»¹ÅÄÄ»¹Ê¿ÅÄƔ ʸƖʹʸƖʺ¾»ÊÈ·ÄÉÌ»ÈÊ»È¼ËĹʿÅÄ¿ÉÊËÈÄ»ºÅÄƔ È»ÉÉƾƿÊÅ¹·Ä¹»Âʾ»ÊÈ·ÄÉÌ»ÈʻȼËĹʿÅÄƔ ʸʽƖʸʼ¾¿ÉÊÈ·Äɹ»¿Ì»È¿ÉÊÈ·ÄÉÿÊʿĽ¿Ä·¸·ÄºƺʸʺʼÁÐÅÈʻʾʼÁÐƻʾ·Ê¿ÉÄÅÊ¹ÅÃÆ·Ê¿¸Â»Ϳʾʾ»ÅËÊÆËÊ¼ÈÅÃʾ»·ÄÊ»ÄÄ·¹ÅÄÄ»¹ÊÅÈƔÈ»ÉÉƾƿÊÅÅËÊÆËÊ¼ÈÅÃʾ»¹ÅÄÄ»¹ÊÅÈƺºÈ¿Ì»ÅËÊÆËÊƻƔ ʸʽƖʸʼ¾»È»¿ÉÄÅÊÈ·ÄÉÿÉÉ¿ÅÄƔ¾»ûʻÈ¿ÉÄÅÊº¿ÉÆÂ·Ï»ºƔ ¾»ƾƿÉͿʹ¾¿ÉÂŹÁ»º;¿Â»¿Ê¿É;»Ä·º»ÉÁÿ¹ÈÅÆ¾ÅÄ»¿ÉËÉ»ºƔ ËÈÄż¼ʾ»ÂŹÁƔ ʹƖʿ¾»¼È»Ç˻ĹÏ¾·Éº»Ì¿·Ê»º¼ÈÅÃʾ»·Ã·Ê»Ëȸ·ÄºƔ »Êʾ»¼È»Ç˻ĹÏÊÅ·Ä·Ã·Ê»ËÈ¸·ÄºƔ ʻƖʺľ¿¸¿Ê¿ÉƔ Åļ¿½ËÈ»ľ¿¸¿ÊÊÅơ¼¼Ƣ¿Ä»ÄËƾʽƖʷʺƿƔ ʸʽƖʸʸ¿½Ä¿¼¿¹·ÄÊ¸·¹Á½ÈÅËĺÄſɻ¹·Ä¸»¾»·Èº;»Äʾ»È»¿ÉÄÅÉÅËĺºËȿĽÊÈ·ÄÉÿÉÉ¿ÅÄ¿Äʾ»·ÄºÃź»ÉƔ¿¹ÈÅÆ¾ÅÄ»½·¿Ä¿ÉÊÅÅ¾¿½¾Ɣ ·ÈÈÏÅËÊ·Ëº¿ÅÊÈ·ÄÉÿÉÉ¿ÅÄ;¿Â»ÃÅÄ¿ÊÅȿĽʾ»ûʻÈ·Äº·ºÀËÉÊʾ»ÿ¹ÈÅÆ¾ÅÄ»½·¿ÄÉ˹¾ʾ·Ê·É÷ÂÂ·ÃÅËÄÊżÌÅÂÊ·½»¿É·ÆÆÂ¿»ºƔʻƖʾ¾»¿ÄÆËÊ»̻ÂÉ»ÊʿĽżʾ»ÉÆ»»¹¾ÆÈŹ»ÉÉÅÈ¿É¾¿½¾Ɣ ËÈÄʾ»ƾƭƿ¹ÅÄÊÈÅÂËÄÊ¿Âʾ»ÆÅ¿ÄÊ»Èżʾ»ûʻÈ¼·ÂÂÉͿʾ¿Äʾ»·ÆÆÈÅÆÈ¿·Ê»È·Ä½»Ɣ ʿƖʻ¾»¼ËĹʿÅÄ¿ÉÄÅÊ¼ËĹʿÅĿĽƔ ¾»½·¿ÄÉ»ÊʿĽ¿ÉÊÅÅÂÅÍƔ ºÀËÉÊʾ»½·¿ÄƔ ʿƖʸ¾»·ÄÊ¿½·¿ÄÉ»ÊʿĽ¿ÉÊÅÅ¾¿½¾Ɣ ºÀËÉÊʾ»·ÄÊ¿½·¿ÄƔ ʿƖʹÈ·ÄÉÿÉÉ¿ÅÄÉÊ·ÈÊÉ¸Ï¿Êɻ¼;»Äʾ¿ÉÊÈ·Äɹ»¿Ì»È¿ÉÄÅÊÅÆ»È·Ê»ºƔ ¾»¼ËĹʿÅÄ¿ÉÅÈʾ»½·¿Ä»̻¿ÉÄÅÊÆÈÅÆ»ÈÂÏ·ºÀËÉÊ»ºƔ »Êʾ»¼ËĹʿÅÄÊÅÅÈ·ºÀËÉÊʾ»½·¿Ä»̻ÂƔ ʿƖʸ¾»É¿½Ä·Â»̻Âżʾ»·Ëº¿ÅÉÅËȹ»ʾ·Ê¿É¿ÄÆËÊ¼ÈÅÃʾ»È»·ÈÆ·Ä»ÂÊ»ÈÿķÂ¿É¾¿½¾Ɣ ÅÍ»Èʾ»»̻Âżʾ»É¿½Ä·Â¿ÄÆËÊƔ ˺¿ÅÉ¿½Ä·Â¿É¿ÄÆËÊ¼ÈÅÃ·¹ÅÄÄ»¹ÊÅÈ¼ÅÈ;¿¹¾Ê¾»·Ëº¿ÅÉÅËȹ»É»ÊʿĽżʾ»·Ëº¿Å¿É»Ä·¸Â»º·Äºʾ»ɷû·Ëº¿ÅÉÅËȹ»¿É·ÂÉÅÉÆ»¹¿¼¿»º¼ÅÈ·Ê·Ɣ»Ê·Ê·ÊÅÅÈȻ̿»Íʾ»·Ëº¿ÅÉÅËȹ»É»ÊʿĽ¸»¼ÅÈ»·ºÀËÉʿĽʾ»½·¿Ä»̻ÂƔ ʿƖʸ¾»È»¹»¿Ì¿Ä½ÉÊ·Ê¿ÅÄ¾·ÉÈ»ÆÅÈÊ»ºʾ·Êʾ»·Ëº¿ÅÉÅËĺ¿Éº¿ÉÊÅÈÊ»ºÅÈ¹Â¿ÆÆ»ºƔ¿¹ÈÅÆ¾ÅÄ»½·¿Ä¿É¾¿½¾Ɣ É»ʾ»ÃÅÄ¿ÊÅÈ¼ËĹʿÅÄÅÈ·ºÀËÉÊʾ»Ã¿¹ÈÅÆ¾ÅÄ»½·¿Ä;¿Â»¾·Ì¿Ä½ʾ»È»¹»¿Ì¿Ä½ÉÊ·Ê¿ÅÄÃÅÄ¿ÊÅÈʾ»ÊÈ·ÄÉÿÉÉ¿ÅÄƔ ʻƖʾ¾»¿ÄÆËÊ»̻Âżʾ»ÉÆ»»¹¾ÆÈŹ»ÉÉÅÈ¿É¾¿½¾Ɣ É»ʾ»ÃÅÄ¿ÊÅÈ¼ËĹʿÅÄÅÈ·ºÀËÉÊʾ»ÉÆ»»¹¾ÆÈŹ»ÉÉÅÈ¿ÄÆËÊ»̻Â;¿Â»¾·Ì¿Ä½ʾ»È»¹»¿Ì¿Ä½ÉÊ·Ê¿ÅÄÃÅÄ¿ÊÅÈʾ»ÊÈ·ÄÉÿÉÉ¿ÅÄƔ ʿƖʻ¾»¿Ļ·È·ÃÆÂ¿¼¿»È¿ÉÄÅÊ¼ËĹʿÅĿĽƔ ¾»¹ÅÄÄ»¹ÊÅÈ¿ÉÄÅÊÆÈÅÆ»ÈÂϹÅÄÄ»¹Ê»ºƔ »¹ÅÄÄ»¹Êʾ»¹ÅÄÄ»¹ÊÅÈÆÈÅÆ»ÈÂÏƔ ʸʽƖʸʺ¾»·Ëº¿ÅÉÅËȹ»ɻ»¹Ê»º¿Ä·Ê·¿Éº¿¼¼»È»ÄÊ¼ÈÅÃʾ»·Ëº¿ÅÉÅËȹ»¿ÄÆËÊƑÅÈʾ»¿ÄÆËÊ»̻Âżʾ»¿ÄÆËÊÉ¿½Ä·Â¿ÉÂÅÍƔ¾»¹Áʾ»·Ê·É»ÊʿĽÉÅÈ¹¾»¹Áʾ»¿ÄÆËÊ»̻Âżʾ»¿ÄÆËÊÉ¿½Ä·ÂƔ ÅÄÊÈÅÂȻ·Ïżʾ»¿Ļ·È·ÃÆÂ¿¼¿»È¿ÉÊËÈÄ»ºż¼Ɣ Åļ¿½ËÈ»ÊÅ·É»ÊʿĽÉ˿ʷ¸Â»¼ÅÈʾ»¿Ļ·È·ÃÆÂ¿¼¿»ÈƑÉ˹¾·Éơ¹Ê¿Ì»¿½¾̊»Â·ÏÅÄÊÈÅÂƢ¼ÅÈ³»Ï¿Ä½Ž¿¹´¿Äʾ»¿Ä»·ÈÃÆÂ¿¼¿»ÈûÄËƔ ʸʽƖʸʻ¾»Ä·¿Ļ·È·ÃÆÂ¿¼¿»È¿ÉËÉ»º¼ÅÈ¼Ë¸Ȼ·ÁƖ¿ÄÅÆ»È·Ê¿ÅÄ¿Äʾ»Ãź»Ƒʾ»÷Ïº»Ê»È¿ÅÈ·Ê»É˺º»ÄÂÏÅÈ·Ä·¸ÄÅÈ÷ÂÌÅÂÊ·½»÷Ï¸»·ÆÆÂ¿»º;»Äʾ»¿Ļ·È·ÃÆÂ¿¼¿»ÈÉÊ·ÈÊÉËÆƔ¾»¿Ļ·È·ÃÆÂ¿¼¿»È¿ÄËÉ»È»Ç˿ȻÉÉÅûʿûÊÅÉÊ·ÈÊËÆƺƖˀʹʹƑ»Ê¹ƔƻƔ ƻȷʻ¿Äʾ»ɻÿ¸È»·ÁƖ¿ÄÃź»¸Ï¹Åļ¿½ËȿĽÊÅ·É»ÊʿĽʾ·Ê¿Ä¹Â˺»É·Ä·ÆÆÈÅÆÈ¿·Ê»º»Â·Ïʿû¼ÅÈʾ»¿Ļ·È·ÃÆÂ¿¼¿»ÈƑÉ˹¾·Éơ¹Ê¿Ì»¿½¾̊»Â·ÏÅÄÊÈÅÂƢ¼Åȳ»Ï¿Ä½Ž¿¹´¿Äʾ»¿Ä»·ÈÃÆÂ¿¼¿»ÈûÄËƔʸʽƖʸʺʸʿʸʿƖʺ
ÏÃÆÊÅà ÈŸ·¸Â»·ËÉ» ÅÈÈ»¹Ê¿Ì»¹Ê¿ÅÄ »¼»ÈÊÅƖʺʷʷ¿ÉÄÅÊ¼ËĹʿÅĿĽƔ Ê¿É¹ÅÄÄ»¹Ê»ºÊÅ·ÄÊ»ÄÄ·¿ÄÆËÊ¹ÅÄÄ»¹ÊÅÈʹƺʹƻƔ ÅÄÄ»¹Ê¿ÊÊÅ·ÄÊ»ÄÄ·¿ÄÆËÊ¹ÅÄÄ»¹ÊÅÈʸƺʸƻƔ ʻƖʸʹ¾»¼ËÉ»¿ÄÉ¿º»ʾ¿ÉÊÈ·Äɹ»¿Ì»È¿É¸ÂÅÍÄƔ ¾»¹Áʾ»¼ËÉ»Ƒ·ººÈ»ÉÉʾ»¹·ËÉ»·ÄºÈ»ÆÂ·¹»Ê¾»¸ÂÅÍÄ¼ËÉ»Ϳʾ·Ä»ÍÅÄ»Ɣ ʸʾƖʺźË·ʿÅÄ¿ÉÊÅÅɾ·ÂÂÅÍƔƺÃź»ƻ ¿¹ÈÅÆ¾ÅÄ»½·¿Ä¿ÉÂÅÍƔ Åļ¿½ËÈ»ʾ»ÿ¹ÈÅÆ¾ÅÄ»½·¿Ä¿ÄºÌ·Ä¹»º»ÄËƾʸʷƿƔ ʼƖʹʿ¾»Ä·¹ÅÃûȹ¿·ÂÂÏ·Ì·¿Â·¸Â»ÆÅÍ»ÈûʻÈ¿ÉËÉ»ºƑʾ»ÅËÊÆËÊÆÅÍ»ÈÈ»·º¿Ä½¼ÅÈ¿ÉÂÅÍ¹ÅÃÆ·È»ºÊÅʾ»Åʾ»ÈÃź»ÉƔ¾»Æ»·ÁÆÅÍ»Èż¿ÉÄÅÊ¹ÅÈÈ»¹ÊÂÏû·ÉËÈ»ºƔ Å»ÄÉËÈ»¹ÅÈÈ»¹Êû·ÉËȻûÄÊżʾ»Æ»·ÁÆÅÍ»È¼ÅÈƑʾ»ËÉ»żº»Ì¿¹»ÉÉ˹¾·É·ÄÅɹ¿ÂÂÅɹů»;¿¹¾·È»¹·Æ·¸Â»żº¿ÉÆÂ·Ï¿Ä½¿ÄÉÊ·ÄÊ·Ä»ÅËÉÍ·Ì»¼ÅÈÃÉ¿ÉÈ»¹ÅÃûĺ»ºƔÅÃûȹ¿·ÂÂÏ·Ì·¿Â·¸Â»ÆÅÍ»ÈûʻÈÉ÷ÏÄÅʸ»·¸Â»ÊÅû·ÉËÈ»ʾ»Æ»·ÁÆÅÍ»È¼ËÂÂÏ¿ÄÉÅû¹·É»ÉƔ»·É»ËÉ»ʾ»Ã·ÉÈ»¼»È»Ä¹»Ì·ÂË»ÉƔÈ·ÄÉÿÉÉ¿ÅÄ¿ÉÉÊ¿ÂÂ¾»Âº·¼Ê»ÈÊËĿĽ¿É¹ÅÃÆÂ»Ê»Ɣ ¾Åº·¼Ê»ÈÊËĿĽ¿É¹Åļ¿½ËÈ»ºÊÅƔ Åļ¿½ËÈ»¾Åº·¼Ê»ÈÊËĿĽÊÅ¿ÄºÌ·Ä¹»º»ÄËƾˀƿƔ ʻƖʸʸɹ·ÄºÅ»ÉÄÅÊÉÊ·ÈÊƔ ÈŽȷÃ¹·Ä¿Éɻ»¹Ê»ºƔ Åļ¿½ËÈ»·ÂÂʾ»É»ÊʿĽÉ¼ÅÈûÃÅÈÏ¹¾·ÄÄ»ÂÉʷÊÅˀÊÅ¿Äʾ»ÈŽȷÃ¹·Äƭ¹·Ä¹Åļ¿½ËÈ·Ê¿ÅÄÃź»ƔÂÊ»Èķʿ̻ÂÏƑÆÈ»ÉÉƾƭƿÊÅɻ»¹Ê¹·ÄƔʸʷƖʸ»ÃÅÈÏ¹·Ä¿ÉÄÅÊ¼ËĹʿÅĿĽƔ Åº·Ê·¿ÉÈ»½¿ÉʻȻº¿Äʾ»ûÃÅÈÏ¹¾·ÄÄ»ÂÉƔ »½¿ÉÊ»Èº·Ê·ÊÅʾ»ûÃÅÈÏ¹¾·ÄÄ»ÂÉƔ ˀƖʹÈÅËÆ¹·Ä¿ÉÄÅÊ¼ËĹʿÅĿĽƔ Åº·Ê·¿ÉÈ»½¿ÉʻȻº¿Äʾ»ûÃÅÈÏ¹¾·ÄÄ»ÂÉͿʾ¿Äʾ»½ÈÅËÆƔ »½¿ÉÊ»Èº·Ê·ÊÅʾ»ûÃÅÈÏ¹¾·ÄÄ»ÂÉżʾ»¹ÅÈÈ»ÉÆÅĺ¿Ä½½ÈÅËÆÄËø»ÈƔ ʸʷƖʺÂÂʾ»ûÃÅÈÏ¹¾·ÄÄ»ÂÉͿʾ¿Äʾ»½ÈÅËÆ·È»ÂŹÁ»ºÅËÊƔ ·Ä¹»Âʾ»ÂŹÁÅËÊ¼ÅÈʾ»ûÃÅÈÏ¹¾·ÄÄ»ÂÉÊŸ»ɹ·ÄÄ»ºƔ ʸʷƖʻ»ÃÅÈÏ¹·Ä¿ÉÅÄÂÏƻȼÅÈûºÅÄÉÆ»¹¿¼¿¹¹¾·ÄÄ»ÂÉƔ ÈÅËÆ»ÃÅÈÏ¹·Ä¿Éɻ»¹Ê»ºƔ »¹Åļ¿½ËÈ»ÅÈ¹·Ä¹»Âʾ»½ÈÅËÆɻ»¹Ê¿ÅÄƔ ʸʷƖʺÅ¿¹»½Ë¿º·Ä¹»ºÅ»ÉÄÅÊÉÊ·ÈÊ·ËÊÅ÷ʿ¹·ÂÂÏƔ ËÊÅÌÅ¿¹»½Ë¿º·Ä¹»¿ÉƔ Åļ¿½ËÈ»·ËÊÅÌÅ¿¹»½Ë¿º·Ä¹»ÊÅ³Ä´¿Ä»ÄËƾʸƖʷʽƿƔ ʸʺƖʸÅ¿¹»½Ë¿º·Ä¹»¿ÉÄÅÊÅËÊÆËÊ·ËÊÅ÷ʿ¹·ÂÂÏ·¼Ê»ÈËÂÂ»É»Ê¿ÉƻȼÅÈûºƔ»ÄËƾʸƖʷʽƿ¿É¹Åļ¿½ËÈ»ºÊÅ³¼¼´ƔËÈÄÅÄʾ»ÆÅÍ»È;¿Â»ÆÈ»ÉɿĽƾƿƑÅȹÅļ¿½ËÈ»»ÄËƾʸƖʷʽƿÊÅ³Ä´ƔʸʺƖʸ¾»ƾƿ¿É¸Â¿ÄÁ¿Ä½·Äºʾ»ÆÅÍ»Èżʾ¿ÉÊÈ·Äɹ»¿Ì»ÈºÅ»ÉÄÅÊÊËÈÄÅÄƔ¾¿ÉÊÈ·Äɹ»¿Ì»È¿ÉÆÈ»Æ·È¿Ä½ÊÅ·¹Ê¿Ì·Ê»ʾ»ÆÈŽȷÃʿûÈÅÆ»È·Ê¿ÅÄƔ ·¿Ê¼ÅÈʾ»ÆÈŽȷÃʿûÈÅÆ»È·Ê¿ÅÄÊÅÉÊ·ÈÊƔÅÉÊÅÆʾ»ÆÈŽȷÃʿûÈÅÆ»È·Ê¿ÅÄƑÆÈ»ÉÉƾ ƿ¼ÅÈʻÉ»¹ÅĺÉƔ ʸʻƖʺÈŽȷÃʿûÈ¿ÉÄÅÊ·¹Ê¿Ì·Ê»ºƔ ¾»ʿûÈÅÆ»È·Ê¿ÅÄ¿ÉÄÅÊ¹Åļ¿½ËÈ»ºÊÅƔ ¾»¹Á;»Ê¾»Èʾ»ʿûÈÅÆ»È·Ê¿ÅÄ¾·É¸»»ÄÊ»ÃÆÅÈ·È¿ÂÏÊËÈÄ»ºż¼ƺ³¿¹ÅÄ´½Å»Éż¼ƻ¸ÏÆÈ»ÉɿĽƾƿ·¼Ê»Èʾ»ʿûÈÅÆ»È·Ê¿ÅÄ¿É¹Åļ¿½ËÈ»ºÊÅƔʸʻƖʺ¼¿ÈÃÍ·È»Ì»ÈÉ¿ÅÄ¹Åļ¿È÷ʿÅÄɹȻ»Ä¿Éº¿ÉÆÂ·Ï»º·Äºʾ¿ÉÊÈ·Äɹ»¿Ì»ÈºÅ»ÉÄÅÊÉÊ·ÈÊËÆƔ¾»¼¿ÈÃÍ·È»żʾ¿ÉÊÈ·Äɹ»¿Ì»È¹·ÄÄÅÊ¸»º»Ê»¹Ê»ºƔ »Íȿʻʾ»¼¿ÈÃÍ·È»Ɣ¼ʾ»ɷûÉÏÃÆÊÅÃÆ»ÈÉ¿ÉÊÉ·¼Ê»ÈÈ»ÍȿʿĽʾ»¼¿ÈÃÍ·È»ƑÆÂ»·É»É»Äº·Ä¿ÄÇË¿ÈÏÊÅÉ»ÈÌ¿¹»¹»ÄÊ»ÈÊŽ»Ê¾»ÈͿʾʾ»ÄËø»Èʾ·Ê¿Éº¿ÉÆÂ·Ï»º·Êʾ»¸ÅÊÊÅÃÈ¿½¾Ê¹ÅÈÄ»Èżʾ»ûÉÉ·½»ƔʸʾƖʸ¿ÈÃÍ·È»¹·ÄÄÅÊ¸»ËÆº·Ê»ºƔ ¾»ķûżʾ»пÆ¼¿Â»¿É¹¾·Ä½»ºƔ ƺ·Ê»ʾ»¼¿ÈÃÍ·È»ͿʾÅËÊ¹¾·Ä½¿Ä½ʾ»Ä·Ã»żʾ»пÆ¼¿Â»Ɣ¾»¼¿Â»ķû÷Ï¸»¹¾·Ä½»º¿¼ʾ»¼¿Â»¿ÉºÅÍÄÂÅ·º»ºÊÅʾ»ÃËÂÊ¿ÆÂ»ʿûÉƔ¾»пÆ¼¿Â»¿ÉËĹÅÃÆÈ»ÉÉ»ºƔ ƺ·Ê»ʾ»¼¿ÈÃÍ·È»ͿʾÅËÊËĹÅÃÆÈ»ÉɿĽʾ»пÆ¼¿Â»Ɣ ʸʿʸʿƖʻ
ÈŸ»ÃÉ»Â·Ê»ºÊÅ·Ê·ÅÃÃËÄ¿¹·Ê¿ÅÄƑ·Äº»ÊÍÅÈÁÏÃÆÊÅà ÈŸ·¸Â»·ËÉ» ÅÈÈ»¹Ê¿Ì»¹Ê¿ÅÄ »¼»ÈÊÅÈÈÅÈÉ·ÄºÈ»ÊÈ¿»ÉʹËÈ¼È»ÇË»ÄÊÂϺËȿĽÊÈ·ÄÉÿÉÉ¿ÅÄ¿Äʾ»Ãź»Ɣ¾»·Ëº¿ÅÅËÊÆËÊ»̻Âżʾ»·Ëο¿·ÈÏ»ÇË¿ÆÃ»ÄÊ¿ÉÊÅÅ¾¿½¾·ÄºÃźË·ʿÅÄÉ¿½Ä·ÂÉ·È»º¿ÉÊÅÈÊ»º·É·È»ÉËÂÊƔÅÍ»Èʾ»ÅËÊÆËÊżʾ»·Ëο¿·ÈÏ»ÇË¿ÆÃ»ÄÊÉ˹¾ʾ·Êʾ»ÐÅÄ»¿ÉÄÅÊ»Î¹»»º»ºƔ ¾»·Ëº¿Å¿ÄÆËÊÉ»Äɿʿ̿ÊÏżʾ»º·Ê·¹ÅÃÃËÄ¿¹·Ê¿ÅÄÊ»ÈÿķÂÅÄʾ¿ÉÊÈ·Äɹ»¿Ì»ÈºÅ»ÉÄÅÊ÷ʹ¾ʾ»¿ÄÆËÊÉ¿½Ä·ÂƔºÀËÉÊʾ»·Ëº¿Å¿ÄÆËÊÉ»Äɿʿ̿ÊÏżʾ»º·Ê·¹ÅÃÃËÄ¿¹·Ê¿ÅÄÊ»ÈÿķÂ¿ÄûÄËÉƾʾƖʷʽƿƺƻ·ÄºƾʾƖʷʾƿƺʹƻÉ˹¾ʾ·Êʾ»ÐÅÄ»¿ÉÄÅÊ»Î¹»»º»ºƔʸʽƖʾ¿½¾Ɩ¼È»Ç˻ĹÏÉ¿½Ä·ÂÉÄ»·ÁÉ¿Ä·Äº¹·Ëɻɺ¿ÉÊÅÈÊ¿ÅÄżʾ»ÃźË·ʿÅÄÉ¿½Ä·ÂÉƔ·Ɣ¾»·Ëο¿·ÈÏ»ÇË¿ÆÃ»ÄÊËÉ»Éʾ»ɷûȻ½Ë·ʻºÆÅÍ»ÈÉËÆÆÂÏ·Éʾ¿ÉÊÈ·Äɹ»¿Ì»ÈƔ¸Ɣ¾»·ÄÊ»ÄÄ·¿É¾¿½¾Ɣ¹Ɣ¿½¾Ɩ¼È»Ç˻ĹÏÉ¿½Ä·Â¼ÈÅÃʾ»·ÄÊ»ÄÄ·¿É¿ÄºË¹»º¸Ïʾ¿ÉÊÈ·Äɹ»¿Ì»ÈƔºƔ¿½¾Ɩ¼È»Ç˻ĹÏÉ¿½Ä·ÂÉÄ»·ÁÉ¿ÄºË»ÊÅʾ»¾¿½¾·Ëº¿Å¿ÄÆËÊÉ»Äɿʿ̿ÊÏżʾ»ʹ¹ÅÄÄ»¹ÊÅÈƔÄÊÈź˹»û·ÉËÈ»ÉÊÅÆÈ»Ì»ÄÊ¾¿½¾Ɩ¼È»Ç˻ĹÏÉ¿½Ä·Â¼ÈÅÃÉÄ»·Á¿Ä½¿ÄƔ·ƔÉ»·º¿¼¼»È»ÄÊÆÅÍ»ÈÉËÆÆÂÏ¼ÅÈʾ»·Ëο¿·ÈÏ»ÇË¿ÆÃ»ÄÊ·Äºʾ¿ÉÊÈ·Äɹ»¿Ì»ÈƔ¸Ɣ»È¼ÅÈÃ·ÄÊ»ÄÄ·÷ʹ¾¿Ä½·½·¿ÄƔ¹ƔÈÏ¹¾·Ä½¿Ä½ʾ»»·Èʾżʾ»·ÄÊ»ÄÄ·Ƒʾ¿ÉÊÈ·Äɹ»¿Ì»È·Äºʾ»·Ëο¿·ÈÏ»ÇË¿ÆÃ»ÄÊƔºƔÅÍ»Èʾ»·Ëº¿Å¿ÄÆËÊÉ»Äɿʿ̿ÊÏżʾ»ʹ¹ÅÄÄ»¹ÊÅÈ¿Ä»ÄËƾʾƖʷʾƿƔʸʽƖʾ˺¿Å¿ÄÆËÊÊÅʾ»º·Ê·¹ÅÃÃËÄ¿¹·Ê¿ÅÄÊ»ÈÿķÂ¿ÉÄÅÊÊÈ·ÄÉÿÊÊ»ºƔ ¾»·Ëº¿ÅÉÅËȹ»¿ÄÆËÊƷʾÉ»ÊʿĽºÅ»ÉÄÅÊ÷ʹ¾ʾ»Ê»ÈÿķÂ¿ÄËÉ»Ɣ È»ÉÉ·Äº¾ÅºƾƿÊÅ¹Åļ¿½ËÈ»ʾ»É»ÊʿĽÉÅÄʾ»Ãź»·Ëº¿ÅÉÅËȹ»¿ÄÆËÊɹȻ»ÄƔ ʿƖʸ¾»ûʾźżÊÈ·ÄÉÿÉÉ¿ÅÄ¿ÉÄÅÊ·ÆÆÈÅÆÈ¿·Ê»ƔÈ·ÄÉÿÊÉ¿½Ä·ÂÉËɿĽÅÄ»żʾ»¼ÅÂÂÅͿĽûʾźÉƔ·ƔÈ·ÄÉÿÊ¸Ï¹ÅÄÊÈÅ¿Ľʾ»Ê»ÈÿķÂżʾ»ʹ¹ÅÄÄ»¹ÊÅÈƔ¸ƔÈ·ÄÉÿÊËɿĽʾ»ƾƿÁ»Ï¹Åļ¿½ËÈ»º¼ÅÈʾ»¼ËĹʿÅÄƔ¹ƔÈ·ÄÉÿÊËɿĽʾ»ơʸƒƢ¹ÅÃ÷ĺƔʸʽƖʹ¾»»̻Âżʾ»·Ëº¿Å¿ÄÆËÊÊÅʾ»º·Ê·¹ÅÃÃËÄ¿¹·Ê¿ÅÄÊ»ÈÿķÂ¿ÉÂÅÍƔ·¿É»ʾ»·Ëº¿ÅÅËÊÆËÊ»̻Âżʾ»¹ÅÄÄ»¹Ê»º·Ëο¿·ÈÏ»ÇË¿ÆÃ»ÄÊƑÅÈÈ·¿É»ʾ»·Ëº¿Å¿ÄÆËÊ»̻Âżʾ»Ê»ÈÿķÂ¿ÄËÉ»¿ÄûÄËÉƾʾƖʷʽƿƺƻ·ÄºƾʾƖʷʾƿƺʹƻƔʸʽƖʾÈÈÅÈÉʹËÈ¼È»ÇË»ÄÊÂÏºËȿĽȻ¹»ÆÊ¿ÅÄ¿Äʾ»Ãź»Ɣ »¹Åº¿Ä½¹·ÄÄÅÊ¸»ƻȼÅÈûº·Éʾ»·Ëº¿ÅÅËÊÆËÊ»̻Âżʾ»º·Ê·¹ÅÃÃËÄ¿¹·Ê¿ÅÄÊ»ÈÿķÂÅÄʾ¿ÉÊÈ·Äɹ»¿Ì»ÈºÅ»ÉÄÅÊ÷ʹ¾ʾ»¿ÄÆËÊ»̻Âżʾ»·Ëο¿·ÈÏ»ÇË¿ÆÃ»ÄÊƔºÀËÉÊʾ»·Ëº¿ÅÅËÊÆËÊ»̻Âżʾ»Ê»ÈÿķÂ¿ÄËÉ»¿ÄûÄËÉƾʾƖʷʿƿƺƻ·ÄºƾʾƖʷˀƿƺʹƻƔ ʸʽƖʾ¾»È»¿ÉÃËÂÊ¿ƖƷʾº¿ÉÊÅÈÊ¿ÅÄÅÈ¼·º¿Ä½·ÊɾÅÈÊ¿ÄÊ»ÈÌ·ÂÉƔƺ¾»É¿½Ä·ÂÉÊȻĽʾ¿ÉÄÅÊÄ»¹»ÉÉ·È¿ÂÏʾ»¸»ÉÊ;»Ä¿Ê¿ÉÉÊÈÅĽ»ÉÊƔƻ¾»ÄËɿĽ·¸»·Ã·ÄÊ»ÄÄ·Ƒ¹¾·Ä½»ʾ»ÅÈ¿»ÄÊ·Ê¿ÅÄżʾ»·ÄÊ»ÄÄ·ÊÅÂÅÅÁ¼ÅÈ·ÆÅɿʿÅÄʾ·Ê¿É»ÉÉ¿Á»ÂÏÊÅ¹·ËÉ»»ÈÈÅÈÉƔÄ·¸Â»ÊÅ¹ÅÃÃËÄ¿¹·Ê»ͿʾƖʿˀʷÅÈƖʿˀʷËɿĽʾ»ÆÅÈÊƔ¾»¸·ËºÈ·Ê»ÉºÅÄÅÊ÷ʹ¾»·¹¾Åʾ»ÈƔ ¾»¹Áʾ»¸·ËºÈ·Ê»żʾ»Ɩʿˀʷ·ÄºƖʿˀʷƔ ʸʽƖʼ¾»ÆÅÈÊ¿ÉËÄ·¸Â»ÊÅ¾·ÄºÂ»ƭƔ Åļ¿½ËÈ»ºÌ·Ä¹»º»ÄËơƭ¿ÄÉÉ¿½ÄûÄÊƺÅÄÄ»¹ÊÅÈƻƢÉÅʾ·Êʾ»ÆÅÈÊ¹·Ä¾·ÄºÂ»ƭƔ ʸʽƖʿÄ·¸Â»ÊÅ¹ÅÃÃËÄ¿¹·Ê»ͿʾƖʿˀʷÅÈƖʿˀʷËɿĽʾ»ÆÅÈÊƔ¾»ºÈ¿Ì»È¿ÉÄÅÊ¿ÄÉʷ»ºÅÄʾ»Ɣ ÅÍÄÂÅ·ºʾ»ºÈ¿Ì»È¼ÈÅÃÅËÈÍ»¸É¿Ê»·Äº¿ÄÉÊ·ÂÂ¿ÊÅÄʾ»Ɣ ʸʽƖʼ¾»¹ÅÈÈ»¹ÊºÈ¿Ì»È¿ÉÄÅÊ¿ÄÉʷ»ºÅÄʾ»¸»¹·ËÉ»ʾ»¿É¹ÅÄÄ»¹Ê»ºÊÅʾ¿ÉÊÈ·Äɹ»¿Ì»È¸»¼ÅÈ»ʾ»ºÈ¿Ì»È¿É¿ÄÉʷ»ºƔ»¿ÄÉÊ·ÂÂʾ»ºÈ¿Ì»ÈƔ ʸʽƖʼ¾»¸·ËºÈ·Ê»ÉºÅÄÅÊ÷ʹ¾»·¹¾Åʾ»ÈƔ ¾»¹Áʾ»¸·ËºÈ·Ê»żʾ»Ɩʿˀʷ·ÄºƖʿˀʷƔ ʸʽƖʼ䐟㻌ÂÅÍ¹ÅÄÊÈÅÂ¿ÉÄÅÊ¹Åļ¿½ËÈ»ºƔ䐠㻌¾»ÆÅÈÊÉż·Äºƭ·È»ÄÅÊ÷ʹ¾¿Ä½Ɣ䐟㻌¾»¹Áʾ·ÊºÌ·Ä¹»º»ÄËơ¿ÈÊË·Âʷĺ·ÈºÅÈÊƖƢ¿É¹Åļ¿½ËÈ»ºÊÅơÂÅÍÅÄÊÈÅÂƢƔ䐠㻌¾»¹Áʾ·Êʾ»ÆÅÈÊÄËø»È·ÉÉ¿½Ä»º¸Ïʾ»»Ì¿¹»·Ä·½»Èżʾ»¼ÅȹÅÃÃËÄ¿¹·Ê¿ÅÄ¸»ÊÍ»»Äʾ¿ÉÊÈ·Äɹ»¿Ì»È·Äºƭ¿Éʾ»ɷû·Éʾ»ÄËø»ÈÉÆ»¹¿¼¿»º¸ÏƭƔƺƭËÉ»Éʾ»ʷĺ·ÈºÆÅÈÊÄËø»Èº¿ÉÆÂ·Ï»º¿Äʾ»»Ì¿¹»·Ä·½»Èżʾ»ƔƻʸʽƖʸʹÄ·¸Â»ÊÅ¹ÅÃÃËÄ¿¹·Ê»ͿʾƖʿˀʷƭƖʿˀʷËɿĽʾ»ÆÅÈÊƔƺÅÈÅÆ»È·Ê¿ÅÄͿʾ¿Äʾ»ƻ䐟㻌¾»·ººÈ»ÉÉ¹·ÄÄÅÊ¸»·¹Ç˿ȻºƔ䐠㻌¾»·ººÈ»ÉÉżʾ¿ÉÊÈ·Äɹ»¿Ì»È¿ÉÄÅʹÅļ¿½ËÈ»º¿ÄƭƔ䐡㻌¾»·ºÃ¿Ä¿ÉÊÈ·ÊÅÈƑÆ·ÉÉÍÅȺ·Äºʾ»¹ÅÄÄ»¹Ê¿ÅÄ·È»ÄÅÊ¹Åļ¿½ËÈ»ºƔ䐢㻌¾»ËÉ»ÈÉÊÅ¸»¹ÅÄÄ»¹Ê»º·È»ÄÅÊÈ»½¿ÉʻȻº¿Äʾ»ËÉ»È¿ÉÊƔ䐟㻌·Ã»¹ÅÈÈ»¹Ê¿Ì»·¹Ê¿ÅÄÉ·ÉơÂŹÁ¹ÅÈÈ»¹Ê¿ÅÄ¸Ïʾ»É»ÈÌ»È¿ÉÄÅÊƻȼÅÈûºƢƔ䐠㻌Åļ¿½ËÈ»ʾ»·ººÈ»ÉÉżʾ¿ÉÊÈ·Äɹ»¿Ì»È¿Äʾ»ƭƔ䐡㻌Åļ¿½ËÈ»ʾ»·ºÃ¿Ä¿ÉÊÈ·ÊÅÈƑÆ·ÉÉÍÅȺ·Äº³ƻȷʿÅÄƺÅÄÄ»¹ÊÅÈƻ´¿Äʾ»ûÄËƔ䐢㻌»½¿ÉÊ»Èʾ»¿Ä¼ÅÈ÷ʿÅÄÊÅʾ»ËÉ»È¿ÉÊƔʸʼƖʸʸʿʸʿƖʼ
ÏÃÆÊÅà ÈŸ·¸Â»·ËÉ» ÅÈÈ»¹Ê¿Ì»¹Ê¿ÅÄ »¼»ÈÊÅÄ·¸Â»ÊÅƻȼÅÈÃÁ»Ï¿Ä½¿Äʾ»Ãź»ËɿĽʾ»ÆÅÈÊƔÈËÄ·¸Â»ÊÅÊÈ·ÄÉÿÊƔ䐟㻌Á»Ï¿Ä½¿ÉÄÅÊ¹Åļ¿½ËÈ»ºƔ䐠㻌¿ÉÄÅÊ¹Åļ¿½ËÈ»ºƔ䐡㻌¾»·ÆÆÂ¿¹·Ê¿ÅÄÉ»ÊʿĽÉ·È»ÍÈÅĽƔ䐟㻌Åļ¿½ËÈ»ºÌ·Ä¹»º»ÄËơ¿ÈÊË·Âľ·Ä¹»ºÅÈÊƖƢÊÅÁ»Ï¿Ä½Ɣ䐠㻌Åļ¿½ËÈ»ºÌ·Ä¹»º»ÄËơ¿ÈÊË·Âľ·Ä¹»ºÅÈÊƖƢÊÅƔ䐡㻌»¹Åļ¿½ËÈ»ʾ»·ÆÆÂ¿¹·Ê¿ÅÄÉ»ÊʿĽÉ·É¼ÅÂÂÅÍÉƔ·Ɣ¾»¹Áʾ·Êʾ»ÆÅÈÊÄËø»È·ÉÉ¿½Ä»º¸Ïʾ»»Ì¿¹»·Ä·½»Èżʾ»¼ÅȹÅÃÃËÄ¿¹·Ê¿ÅÄ¸»ÊÍ»»Äʾ¿ÉÊÈ·Äɹ»¿Ì»È·ÄºÊ¾»·ÆÆÂ¿¹·Ê¿ÅÄ¿Éʾ»ɷû·Éʾ»ÄËø»ÈÉÆ»¹¿¼¿»º¸Ïʾ»·ÆÆÂ¿¹·Ê¿ÅÄƔ¸Ɣ¾»¹Áʾ·Êʾ»Á»Ï¿Ä½ÅËÊÆËÊ·ÄºÅËÊÆËÊ·È»ʾ»ɷû·ÉʾÅÉ»¹Åļ¿½ËÈ»º¿Ä䐟㻌·Äº䐠È»ÉÆ»¹Ê¿Ì»ÂÏƔʸʽƖʸʹÄ·¸Â»ÊÅƻȼÅÈÃÁ»Ï¿Ä½¿Äʾ»Ãź»ËɿĽʾ»ÆÅÈÊƔÈËÄ·¸Â»ÊÅÊÈ·ÄÉÿÊƔ䐟㻌Á»Ï¿Ä½¿ÉÄÅÊ¹Åļ¿½ËÈ»ºƔ䐠㻌¿ÉÄÅÊ¹Åļ¿½ËÈ»ºƔ䐡㻌¾»·ÆÆÂ¿¹·Ê¿ÅÄÉ»ÊʿĽÉ·È»ÍÈÅĽƔ䐟㻌Åļ¿½ËÈ»ºÌ·Ä¹»º»ÄËơ¿ÈÊË·Âľ·Ä¹»ºÅÈÊƖƢÊÅÁ»Ï¿Ä½Ɣ䐠㻌Åļ¿½ËÈ»ºÌ·Ä¹»º»ÄËơ¿ÈÊË·Âľ·Ä¹»ºÅÈÊƖƢÊÅƔ䐡㻌»¹Åļ¿½ËÈ»ʾ»·ÆÆÂ¿¹·Ê¿ÅÄÉ»ÊʿĽÉ·É¼ÅÂÂÅÍÉƔ·Ɣ¾»¹Áʾ·Êʾ»ÆÅÈÊÄËø»È·ÉÉ¿½Ä»º¸Ïʾ»»Ì¿¹»·Ä·½»Èżʾ»¼ÅȹÅÃÃËÄ¿¹·Ê¿ÅÄ¸»ÊÍ»»Äʾ¿ÉÊÈ·Äɹ»¿Ì»È·ÄºÊ¾»·ÆÆÂ¿¹·Ê¿ÅÄ¿Éʾ»ɷû·Éʾ»ÄËø»ÈÉÆ»¹¿¼¿»º¸Ïʾ»·ÆÆÂ¿¹·Ê¿ÅÄƔ¸Ɣ¾»¹Áʾ·Êʾ»Á»Ï¿Ä½ÅËÊÆËÊ·ÄºÅËÊÆËÊ·È»ʾ»ɷû·ÉʾÅÉ»¹Åļ¿½ËÈ»º¿Ä䐟㻌·Äº䐠È»ÉÆ»¹Ê¿Ì»ÂÏƔʸʽƖʸʹ¾»Äʾ¿ÉÊÈ·Äɹ»¿Ì»È¿É¹ÅÄÄ»¹Ê»ºÊÅ·Ϳʾ·¹·¸Â»Ƒʾ»ÆÅÈÊÄËø»È·ÉÉ¿½Ä»ºÊÅʾ»¸»¹ÅûÉ·Ƚ»ÈƔ¾»ÄÅËÈÊÈ·Äɹ»¿Ì»ÈƺƖʾʹƭƖʼˀʷƭƖʼˀʷƭƖˀˀʷƭƖʿˀʷƻ¿É¹ÅÄÄ»¹Ê»ºÊÅ·ÆÅÈÊʾ·Ê¿Éº¿¼¼»È»ÄÊ¼ÈÅÃʾ»ÆÈ»Ì¿ÅËÉÂϹÅÄÄ»¹Ê»ºÆÅÈÊƑʾ»Í¿ÂÂ·ÉÉ¿½Ä·Ä»ÍÆÅÈÊƔ¿Ê¾ÅËÈÊÈ·Äɹ»¿Ì»ÈËÄ¿Ê¹ÅÄÄ»¹Ê»ºÊÅʾ»Ƒº»Â»Ê»ʾ»ËÄÍ·ÄÊ»ºÆÅÈÊÄËø»È¼ÈÅÃơ»Ì¿¹»·Ä·½»ÈƢżʾ»ƔÅÈÃÅÈ»º»Ê·¿ÂÉƑÆÂ»·É»È»¼»ÈÊÅʾ»Í»¸É¿Ê»¸»ÂÅÍƔ¾ÊÊÆƓƭƭÍÍÍƔÁ»ÄÍÅźƔ¹ÅÃƭ¿ƭÆÈź˹ÊÉƭ¿Ä¼Åƭ·Ã·Ê»ËÈƭÉżÊÍ·È»ͨºÅÍÄÂÅ·ºƔ¾ÊÃÂÂŹÁ¹ÅÈÈ»¹Ê¿ÅÄ¸Ïʾ»É»ÈÌ»È¿ÉÄÅÊƻȼÅÈûºƔ ¾»·ººÈ»ÉÉ¹·ÄÄÅÊ¸»·¹Ç˿ȻºƔ ¾»¹Á;»Ê¾»Èʾ»żʾ¿ÉÊÈ·Äɹ»¿Ì»È¿É¹Åļ¿½ËÈ»ºÊÅƔ¾»¹Á;»Ê¾»Èʾ»É»ÈÌ»È¼ËĹʿÅÄÅÄʾ»¸ÈÅ·º¸·ÄºÈÅËÊ»È¿É¹Åļ¿½ËÈ»ºÊÅÅÈ;»Ê¾»È¿Ê¿É¼ËĹʿÅĿĽÄÅÈ÷ÂÂÏƔʸʻƖʹ¾»É»ÈÌ»È·ººÈ»ÉÉ¿ÉÄÅÊ¹Åļ¿½ËÈ»ºƔ Åļ¿½ËÈ»ʾ»É»ÈÌ»È·ººÈ»ÉÉƔ ʸʻƖʹ¿Ä¼ÅÈ÷ʿÅÄ¿ÉÄÅÊÊÈ·ÄÉÿÊÊ»º¼ÈÅÃƔ Æ»Äʾ»ÆÅÈÊż¹ÅÃÃËÄ¿¹·Ê¿ÅÄº»Ì¿¹»ÉÉ˹¾·Éʾ»¸ÈÅ·º¸·ÄºÈÅËÊ»ÈÊÅ»ÄÉËÈ»ʾ·Êʾ»ÆÅÈÊËÉ»º¼ÅÈ¹ÅÃÃËÄ¿¹·Ê¿Ä½Ϳʾʾ»É»ÈÌ»È¿ÉÄÅÊ¸ÂŹÁ»ºƔʸʻƖʹ¹·¸Â»¿ÉÄÅÊ¹ÅÄÄ»¹Ê»ºƔ ¾»¹Áʾ»¹·¸Â»¹ÅÄÄ»¹Ê¿ÅÄƔ ʹƖʾ·Ê»·Äºʿû¹·ÄÄÅÊ¸»¹Åļ¿½ËÈ»ºƔ ËÊÅ¹ÂŹÁ¹ÅÈÈ»¹Ê¿ÅÄ¿ÉƔ »Ê·ËÊÅ¹ÂŹÁ¹ÅÈÈ»¹Ê¿ÅÄÊÅƔ ʸʻƖʺ¾»¼Â·É¾ºÈ¿Ì»¹·ÄÄÅÊ¸»È»¹Å½Ä¿Ð»ºƔ ¾»¼Â·É¾ºÈ¿Ì»¿ÉÄÅÊ¼ÅÈ÷ÊÊ»º¸Ïʾ¿ÉÊÈ·Äɹ»¿Ì»ÈƔ ÅÈ÷ÊÅÄʾ¿ÉÊÈ·Äɹ»¿Ì»ÈƔ ʸʸƖʼÅÅÈ¹ÅÄÄ»¹Ê¿ÅÄƔ ÅÄÄ»¹Êʾ»¼Â·É¾ºÈ¿Ì»Ɣ ʸƖʹ¾»¼Â·É¾ºÈ¿Ì»¿ÉÉ»¹ËÈ¿ÊÏƖ»Ä·¸Â»ºƔ ¾¿ÉÊÈ·Äɹ»¿Ì»ÈºÅ»ÉÄÅÊÉËÆÆÅÈÊÉ»¹ËÈ¿ÊÏƖ»Ä·¸Â»º¼Â·É¾ºÈ¿Ì»Ɣ ʸʸƖʸ¾»¼Â·É¾ºÈ¿Ì»¿Éº·Ã·½»ºƔ ¾»¹ÁÅÄʾ»ÊÅº»Ê»ÈÿĻ;»Ê¾»Èʾ»¼Â·É¾ºÈ¿Ì»¹ÅÄÄ»¹Ê»ºÊÅʾ¿ÉÊÈ·Äɹ»¿Ì»È¿É¼ËĹʿÅĿĽÆÈÅÆ»ÈÂÏƔ¾»¼Â·É¾ºÈ¿Ì»¿ÄËÉ»ºÅ»ÉÄÅÊ¹ÅļÅÈÃÊÅʾ»ÉÆ»¹¿¼¿¹·Ê¿ÅÄÉƔ É»·¼Â·É¾ºÈ¿Ì»ʾ·Ê¹ÅļÅÈÃÉÊÅʾ»ÉÆ»¹¿¼¿¹·Ê¿ÅÄÉƔ ʸʸƖʸËÂÊ¿ÆÂ»¼Â·É¾ºÈ¿Ì»º»Ì¿¹»É·È»¹ÅÄÄ»¹Ê»ºƔ É»ÅÄÂÏʾ»¼Â·É¾ºÈ¿Ì»ʾ·Ê¿É¼¿ÈÉÊÈ»¹Å½Ä¿Ð»º¸Ïʾ¿ÉÊÈ·Äɹ»¿Ì»ÈƔ ¾»¼¿Â»ÉÏÉÊ»Ãżʾ»¼Â·É¾ºÈ¿Ì»¿É¹ÅÈÈËÆÊ»ºƔ ÅÈ÷ÊÅÄʾ¿ÉÊÈ·Äɹ»¿Ì»ÈƔ ʸʸƖʼʸʿʸʿƖʽ
ÏÃÆÊÅà ÈŸ·¸Â»·ËÉ» ÅÈÈ»¹Ê¿Ì»¹Ê¿ÅÄ »¼»ÈÊÅÄ·¸Â»ÊÅÍȿʻ¼¿Â»ÉÊÅʾ»¼Â·É¾ºÈ¿Ì»Ɣ ¾»¼Â·É¾ºÈ¿Ì»¿ÉÍȿʻƖÆÈÅÊ»¹Ê»ºƔ »ÃÅÌ»ʾ»ÍȿʻÆÈÅÊ»¹Ê¿ÅÄƔ ¾»¼Â·É¾ºÈ¿Ì»¿ÉÄÅÊ¼ÅÈ÷ÊÊ»º¸Ïʾ¿ÉÊÈ·Äɹ»¿Ì»ÈƔ ÅÈ÷ÊÅÄʾ¿ÉÊÈ·Äɹ»¿Ì»ÈƔ ʸʸƖʼÅÅÈ¹ÅÄÄ»¹Ê¿ÅÄƔ »¹ÅÄÄ»¹Êʾ»¼Â·É¾ºÈ¿Ì»Ɣ ʸƖʹ¾»¼Â·É¾ºÈ¿Ì»¿ÉÉ»¹ËÈ¿ÊÏƖ»Ä·¸Â»ºƔ ¾¿ÉÊÈ·Äɹ»¿Ì»ÈºÅ»ÉÄÅÊÉËÆÆÅÈÊÉ»¹ËÈ¿ÊÏƖ»Ä·¸Â»º¼Â·É¾ºÈ¿Ì»Ɣ ʸʸƖʸ¾»¼Â·É¾ºÈ¿Ì»¿Éº·Ã·½»ºƔ ¾»¹ÁÅÄʾ»ÊÅº»Ê»ÈÿĻ;»Ê¾»Èʾ»¼Â·É¾ºÈ¿Ì»¹ÅÄÄ»¹Ê»ºÊÅʾ¿ÉÊÈ·Äɹ»¿Ì»È¿É¼ËĹʿÅĿĽÆÈÅÆ»ÈÂÏƔ¾»¼Â·É¾ºÈ¿Ì»¿ÄËÉ»ºÅ»ÉÄÅÊ¹ÅļÅÈÃÊÅʾ»ÉÆ»¹¿¼¿¹·Ê¿ÅÄÉƔ É»·¼Â·É¾ºÈ¿Ì»ʾ·Ê¹ÅļÅÈÃÉÊÅʾ»ÉÆ»¹¿¼¿¹·Ê¿ÅÄÉƔ ʸʸƖʸ¾»¼¿Â»ÉÏÉÊ»Ãżʾ»¼Â·É¾ºÈ¿Ì»¿É¹ÅÈÈËÆÊ»ºƔ ÅÈ÷ÊÅÄʾ¿ÉÊÈ·Äɹ»¿Ì»ÈƔ ʸʸƖʼ¾»È»¿ÉÄÅȻ÷¿Ä¿Ä½ÉÆ·¹»·Ì·¿Â·¸Â»Ɣ É»·¼Â·É¾ºÈ¿Ì»ͿʾÉ˼¼¿¹¿»ÄÊȻ÷¿Ä¿Ä½ÉÆ·¹»Ɣ ¾»È»·È»ÊÅÅ÷ÄÏ¼¿Â»É¿Ä·¼Åº»ÈƔ ÅÊÃÅÈ»ʾ·Äʹʼʼ¼¿Â»É¹·Ä¸»ÉÊÅÈ»º¿Ä»·¹¾¼Åº»ÈƔ»Â»Ê»ʾ»ËÄÍ·ÄÊ»º¼¿Â»É·Äº¸»¼ÅȻɷ̿ĽƔ ʸʸƖʸ¼Â·É¾ºÈ¿Ì»¼ÅÈ÷ÊʿĽ¼·¿Â»ºƔ ÅÈ÷ÊʿĽżʾ»¼Â·É¾ºÈ¿Ì»ÉÊ·ÈÊ»º;¿Â»̐̐ ̑̑Í·É¸Â¿ÄÁ¿Ä½·Äº¼ÅÈ÷ÊʿĽ¼·¿Â»ºƔ ÅÂÂÅÍʾ»ÆÈŹ»ºËÈ»É¿Äơ·¼»ÂÏ»ÃÅ̿Ľʾ»·ɾȿ̻ƢÊÅÉ·¼»ÂÏÈ»ÃÅÌ»ʾ»¼Â·É¾ºÈ¿Ì»¼ÅÂÂÅÍ»º¸Ï¿ÄÉ»ÈʿĽ¿Ê·½·¿ÄÊżÅÈ÷Ê¿ÊƔʸʸƖʼÊ»ÆÉÊÅÉ·¼»ÂÏÈ»ÃÅÌ»ʾ»¼Â·É¾ºÈ¿Ì»¼·¿Â»ºƔ ·¼»È»ÃÅÌ·Â¼·¿Â»º¼ÅÈÉÅûËÄÁÄÅÍÄÈ»·ÉÅÄƔ ËÈÄż¼ʾ»ÆÅÍ»Èżʾ¿ÉÊÈ·Äɹ»¿Ì»È·ÄºÈ»ÃÅÌ»ʾ»¼Â·É¾ºÈ¿Ì»ƔÅûº·Ê·÷ÏÄÅÊ¸»É·Ì»ºº»Æ»Äº¿Ä½ÅÄʾ»º·Ê·ÆÈŹ»ÉɿĽÉÊ·ÊËÉżʾ¿ÉÊÈ·Äɹ»¿Ì»ÈƔʸʸƖʸ̐̐ ̑̑¹ÅÄÊ¿ÄË»ÉÊÅ¸Â¿ÄÁ¼ÅÈɻ̻ȷÂÿÄËÊ»ÉƔ ¾»¼Â·É¾ºÈ¿Ì»¿ÉÄÅÊÈ»¹Å½Ä¿Ð»º¸Ïʾ¿ÉÊÈ·Äɹ»¿Ì»ÈƔ ÅÈ÷ÊÅÄʾ¿ÉÊÈ·Äɹ»¿Ì»ÈƔ ʸʸƖʼÅÅËÊÆËÊÊÅʾ»»ÎÊ»ÈÄ·ÂÃÅÄ¿ÊÅÈƔ ¾»ÅËÊÆËÊżʾ»»ÎÊ»ÈÄ·Âº¿ÉÆÂ·Ï¿ÉƔ Åļ¿½ËÈ»ʾ»ÅËÊÆËÊżʾ»»ÎÊ»ÈÄ·Âº¿ÉÆÂ·ÏÊÅ¿ÄºÌ·Ä¹»º»ÄËƾʹʸƿƔ ʸʽƖʾÅÅËÊÆËÊÊÅʾ»»ÎÊ»ÈÄ·ÂÃÅÄ¿ÊÅȺËȿĽÉÊ·ÈÊËÆƔ »Æ»Äº¿Ä½ÅÄʾ»ÉÆ»¹¿¼¿¹·Ê¿ÅÄÉżʾ»ÃÅÄ¿ÊÅÈ¿ÄËÉ»Ƒº»Â·Ï¿Äʾ»º¿ÉÆÂ·Ï÷ÏʹËÈ;»Äʾ¿ÉÊÈ·Äɹ»¿Ì»È¿ÉÆÅͻȻºÅÄƔ·¿Ê¼ÅÈʾ»ÉÊ·ÈÊËÆɹȻ»Äżʾ¿ÉÊÈ·Äɹ»¿Ì»ÈÊź¿É·ÆÆ»·ÈƔ ÅÅËÊÆËÊÊÅʾ»»ÎÊ»ÈÄ·ÂÃÅÄ¿ÊÅÈƔ ³¿ÉÆÂ·Ï¼¼´¿Éɻ»¹Ê»º¼ÅÈʾ»ɹȻ»ÄÉ·Ì»ÈÊÏÆ»Ɣ Åļ¿½ËÈ»ʾ»ɹȻ»ÄÉ·Ì»ÈÊÏÆ»ÊÅơ¼¼ƢƔ ·Ëº¿Å¼ÈÅÃʾ»¹·ÄÄÅÊ¸»¾»·ÈºƺºËȿĽƭʹ¹ÅÄÄ»¹Ê¿ÅÄƻƔ ¾»ÿ¹ÈÅÆ¾ÅÄ»É»ÊʿĽÅÄʾ»¿É¹Åļ¿½ËÈ»ºÊÅÃÅÄ·ËÈ·ÂƔ ¾»ÄËɿĽ·¿ÄºÅÍÉƑÍ·¿Ê¼ÅÈʾ»ÊÅÈ»¹Å½Ä¿Ð»ʾ¿ÉÊÈ·Äɹ»¿Ì»ÈƑʾ»Äɻ»¹ÊÅÄÊÈÅÂ·Ä»ÂΓ·ÈºÍ·È»·ÄºÅËĺΓÅËĺΓ»¹ÅȺ¿Ä½Γ¿¹ÈÅÆ¾ÅÄ»ƺ˺¿ÅƻΓÈÅÆ»ÈÊ¿»ÉƑ¼ÅÂÂÅÍ»º¸Ïɻ»¹Ê¿Ä½ơʹ¹¾·ÄÄ»ÂƢƔÈÅ˸»É»Â·Ê»ºÊÅ»¹ÅȺ¿Ä½·Äº·ϸ·¹ÁÏÃÆÊÅà ÈŸ·¸Â»·ËÉ» ÅÈÈ»¹Ê¿Ì»¹Ê¿ÅÄ »¼»ÈÊÅûÉÉ·½»¿Éº¿ÉÆÂ·Ï»º;»Äƾ ƿ¿ÉÆÈ»ÉÉ»ººËȿĽʿûÈÈ»¹ÅȺ¿Ä½Ɣ ¿Ã»ÈÈ»¹ÅȺ¿Ä½¿É¿ÄÆÈŽȻÉÉƔ ÅÉÊÅÆʿûÈÈ»¹ÅȺ¿Ä½·Äº·ÂÂÅÍʾ¿ÉÊÈ·Äɹ»¿Ì»ÈÊÅ¸»ÅÆ»È·Ê»ºƑÆÈ»ÉÉ·Äº¾ÅºʻƾƺƻƿƔÅ¹ÅÄÊ¿ÄË»ͿʾʿûÈÈ»¹ÅȺ¿Ä½ƑÆÈ»ÉÉƾ ƿƔʸʻƖʺ¼¿Â»¿É¹È»·Ê»º·¼Ê»È»Î»¹ËʿĽʿûÈÈ»¹ÅȺ¿Ä½¸ËÊʾ»·Ëº¿Å¹·ÄÄÅÊ¸»¾»·ÈºƔ¾»ÃËÊ»¼ËĹʿÅÄ¿É;»ÄʿûÈÈ»¹ÅȺ¿Ä½¿ÉƻȼÅÈûºƔ ¾»¹Á;»Ê¾»Èʾ»ÃËÊ»¼ËĹʿÅÄ¿É;»ÄʿûÈÈ»¹ÅȺ¿Ä½¿ÉƻȼÅÈûºƔ·Ëº¿ÅÍ¿ÂÂÄÅʸ»È»¹ÅȺ»º¿¼ÃËÊ»¿ÉƔ ʸʻƖʺÅ¿¹»ûÉÉ·½»É¹·ÄÄÅÊ¸»È»¹ÅȺ»ºƔ ¾»¿ÄÆËÊƷʾ¼ÅÈʾ»·Ëº¿Å¿ÉÄÅÊ¹ÅÈÈ»¹ÊÂϹÅļ¿½ËÈ»ºƔ ¾»¹ÁÅÄʾ»ÌÅ¿¹»ûÉÉ·½»È»¹ÅȺ¿Ä½Éʷĺ¸ÏɹȻ»ÄÊÅ»ÄÉËÈ»ʾ·Êʾ»·Ëº¿Å¿ÄÆËÊƷʾ¿É¹ÅÈÈ»¹Ê·Äºʾ»»̻Â¿ÉÄÅÊÊÅÅ¾¿½¾ÅÈÊÅÅÂÅÍƔ ʸʹƖʸ¾»ÌÅ¿¹»ûÉÉ·½»Ȼƻ·Ê¿ÄÊ»ÈÌ·Â¿ÉÄÅÊ¼ËĹʿÅĿĽƔ Ä·ÊÊ»ÃÆÊ¾·É¸»»Ä÷º»ÊÅ»Î»¹ËÊ»Ȼƻ·Ê¿ÄÊ»ÈÌ·Â¼ÅÈÆÂ·Ï¿Ä½¸·¹ÁÌÅ¿¹»ûÉÉ·½»ÉÅÄÂÏƔ »Æ»·Ê¿ÄÊ»ÈÌ·Â¼ËĹʿÅÄÉºËȿĽÆÂ·Ï¸·¹ÁͿʾÊÈ·ÄÉÿÉÉ¿ÅÄƔÊºÅ»ÉÄÅÊ¼ËĹʿÅÄºËȿĽÆÂ·Ï¸·¹ÁͿʾÅËÊÊÈ·ÄÉÿÉÉ¿ÅÄƔ ʸʹƖʹ»Æ»·Ê¿ÉÊËÈÄ»ºż¼Ɣ Åļ¿½ËÈ»Ȼƻ·ÊÊÅ¼ÅÈʾ»¹¾·ÄÄ»ÂÊÅȻƻ·ÊƔ ʸʹƖʹ·Ëº¿Å¹·ÄÅÄÂÏ¸»È»¹ÅȺ»º¼ÅÈʺʷÉ»¹ÅĺÉƔ ËÂÂƖʿûÈ»¹ÅȺ¿Ä½¿É»Ä·¸Â»ºƔ ËÂÂƖʿûÈ»¹ÅȺ¿Ä½È»¹ÅȺÉÅÄÂÏËÆÊÅʺʷÉ»¹ÅĺÉÈ»½·ÈºÂ»ÉÉżʾ»º»ÉʿķʿÅÄ¼ÅÈɷ̿Ľʾ»¼¿Â»Ɣ ʸʹƖʺ¼¿Â»É¹·ÄÄÅÊ¸»ÆÂ·Ï»ºƔ ¾»¼ÅÈ÷Ê¿ÉÄÅÊÉËÆÆÅÈÊ»º¸Ïʾ¿ÉÊÈ·Äɹ»¿Ì»ÈƔ ¾»¼ÅÈ÷ÊÉËÆÆÅÈÊ»º¸Ïʾ¿ÉÊÈ·Äɹ»¿Ì»È¿É·É¼ÅÂÂÅÍÉƔÅƔż¹¾·ÄÄ»ÂÉƓʸƺÃÅÄ·ËÈ·ÂƻƑÅƔż¸¿ÊÉƓʸʽƑÉ·ÃÆÂ¿Ä½¼È»Ç˻ĹÏƓʸʽÁÐ¾»ÆÂ·Ï¸·¹ÁÌÅÂËû¿ÉÌ»ÈÏÉżÊƔ ¾»ƾƿ¹ÅÄÊÈÅÂ¿ÉÊËÈÄ»º·ÂÂʾ»Í·ÏÊÅʾ»»¼ÊƔ ËÈÄʾ»ƾƿ¹ÅÄÊÈÅÂÊÅʾ»È¿½¾ÊÊÅ·ºÀËÉÊʾ»ÌÅÂËûƔ ʻƖʹʸʿʸʿƖʾ
ÈÈÅÈ»ÉÉ·½»É¾»¼ÅÂÂÅͿĽ»ÈÈÅÈûÉÉ·½»É·È»º¿ÉÆÂ·Ï»º;»Ä·Ä·¸ÄÅÈ÷¿ÊÏ¿Éº»Ê»¹Ê»ºÅÄʾ¿ÉÊÈ·Äɹ»¿Ì»ÈƔÅÂÂÅÍʾ»ÉÊ»ÆÉº»É¹È¿¸»º¼ÅÈ»·¹¾»ÈÈÅÈûÉÉ·½»ÊÅÈ»ÉÅÂÌ»ʾ»ÆÈŸ»ÃƔ »ÉÉ·½» »É¹È¿ÆÊ¿ÅÄƭÅÈÈ»¹Ê¿Ì»¹Ê¿ÅÄʷʷʸʹÅļ¿½ËÈ·Ê¿ÅÄÉ¼ÅÈʾ»Ź·ÂÂŹÁ¾·Ì»ÄÅÊ¸»»Ä¹ÅÃÆÂ»Ê»ºƔƺƓʷʷʸʹƻÉÉŹ¿·Ê»º¼ËĹʿÅÄÉ¹·ÄÄÅÊ¸»ËÉ»ºËÄÊ¿Âʾ»ʿûÈ¹Åļ¿½ËÈ·Ê¿ÅÄɾ·Ì»¸»»Ä¹ÅÃÆÂ»Ê»ºƔÆÆ»·ÈÉ;»Ä·ÊÊ»ÃÆÊ¿Ä½ÊÅ·ËĹ¾ʾ»ÆÈŽȷÃʿûÈ;¿Â»·ÂŹ·Â¹ÂŹÁ¿ÉÄÅÊ¹Åļ¿½ËÈ»ºƔÅļ¿½ËÈ»ʾ»ÂŹ·Â¹ÂŹÁ¿ÄÂŹÁûÄËÉƾʷʷƿÊÅƾʷʺƿƔʷʷʸʼ ÅÄÄ»¹Ê¿ÅÄÊÅ·ÄÉ»ÈÌ»È¾·É¼·¿Â»ºƔƺƓʷʷʸʼƻÄÉËÈ»ʾ·Êʾ»É»ÈÌ»È·ººÈ»ÉÉ·Äºʾ»Ä»ÊÍÅÈÁ¾·Ì»¸»»Ä¹ÅÈÈ»¹ÊÂÏ¹Åļ¿½ËÈ»ºƔÆÆ»·ÈÉ;»Äº·Ê»ƭʿûº·Ê·¹·ÄÄÅÊ¸»É˹¹»ÉɼËÂÂÏ·¹Ç˿Ȼº¼ÈÅÃʾ»É»ÈÌ»ÈƔÅÂÂÅÍʾ»¿ÄÉÊÈ˹ʿÅÄÉ¿Äʾ»»ÈÈÅÈûÉÉ·½»Ɣʷʷʸ ¼¿Â»¿É¿Ä̷¿ºƔƺƓʷʷʸƻ ÆÆ»·ÈÉ;»Ä·¼¿Â»»ÈÈÅÈ¿Éº»Ê»¹Ê»º;¿Â»È»·º¿Ä½·¼¿Â»ʾ·Ê¹ÅÄÊ·¿ÄÉʾ»»Ç˷¿лÈƑ»Ç˷¿лÈ·ÄºÉ»ÊʿĽÉº·Ê·Ɣʷʷʸ Ä»ÈÈÅÈʹËÈÈ»º;¿Â»·¼¿Â»Í·É¸»¿Ä½È»·º¼ÈÅÃ·¼Â·É¾ºÈ¿Ì»ƔƺƓʷʷʸƻÆÆ»·ÈÉ;»Ä·¼¿Â»»ÈÈÅÈ¿Éº»Ê»¹Ê»º;¿Â»È»·º¿Ä½·¼¿Â»ÉÊÅÈ»º¿Äʾ»¼Â·É¾ºÈ¿Ì»ʾ·Ê¹ÅÄÊ·¿ÄÉʾ»»Ç˷¿лÈƑ»Ç˷¿лÈ·ÄºÉ»ÊʿĽɺ·Ê·Ɣʷʷʹ¼Â·É¾ºÈ¿Ì»¹·ÄÄÅÊ¸»º»Ê»¹Ê»ºƔƺƓʷʷʹƻ·¿ÂËÈ»ÊÅº»Ê»¹Êʾ»¼Â·É¾ºÈ¿Ì»÷Ï¸»¹·ËÉ»º¸Ïʾ»¼ÅÂÂÅͿĽƔ•¾»¼Â·É¾ºÈ¿Ì»¿ÉÄÅÊ¹ÅÈÈ»¹ÊÂÏ¹ÅÄÄ»¹Ê»ºÊÅ·¹ÅÄÄ»¹ÊÅÈƔ•¾»¼Â·É¾ºÈ¿Ì»¿ÉÄÅÊ¿Äʾ»ÉÆ»¹¿¼¿»º¼ÅÈ÷ÊƔ¾»¼Â·É¾ºÈ¿Ì»ÃËÉÊ¸»¼ÅÈ÷ÊÊ»º¿Äʾ»Ͳƭ¿Â»·Ä·½»Ã»ÄÊͲɹȻ»ÄƔÆÆ»·ÈÉ;»ÄÉÅûËÄÁÄÅÍÄÆÈŸ»Ã¾·ÉʹËÈÈ»ºÅÄʾ»¼Â·É¾ºÈ¿Ì»ƔÅÂÂÅÍʾ»¿ÄÉÊÈ˹ʿÅÄÉ¿Äʾ»»ÈÈÅÈûÉÉ·½»Ɣʷʷʺʷ Ä»ÈÈÅÈʹËÈÈ»º;¿Â»·¼¿Â»¿É¸»¿Ä½ÍÈ¿ÊÊ»ÄÊÅ·Ä¿ÄÊ»ÈÄ·ÂûÃÅÈÏ·È»·ÅÈ·¼Â·É¾ºÈ¿Ì»ƔƺƓʷʷʺʷƻ ÆÆ»·ÈÉ;»Äʾ»¼¿Â»ķû¿ÉºËÆÂ¿¹·Ê»ºÅÈ·ÄËÄ»ÎÆ»¹Ê»º»ÈÈÅÈ¾·ÉʹËÈÈ»ºƔÅÂÂÅÍʾ»¿ÄÉÊÈ˹ʿÅÄÉ¿Äʾ»»ÈÈÅÈûÉÉ·½»Ɣʷʷʺ ·¿ÂËÈ»¿Ä»Â»Ê¿Ä½ż·¿Â»ƔƺƓʷʷʺƻ ÆÆ»·ÈÉ;»Äʾ»º»Â»Ê¿ÅÄż¼¿Â»¼·¿Â»ºƔ·Á»ÉËÈ»ʾ»¼Â·É¾ºÈ¿Ì»¿ÉÄÅÊÍȿʻƖÆÈÅÊ»¹Ê»ºƔʷʷʺ·¼»»ÃÅÌ·Âż·ɾȿ̻Í·É¼·¿Â»ºƔƺƓʷʷʺƻ¾»º·Ê·¼¿Â»÷ÏÄÅÊ¸»ÉÊÅÈ»ºÅÄÊÅʾ»¼Â·É¾ºÈ¿Ì»ƔËÈÄʾ»ÆÅÍ»ÈÉËÆÆÂÏƑ·Äºʾ»Äº¿É¹ÅÄÄ»¹Êʾ»¼Â·É¾ºÈ¿Ì»ƔÆÆ»·ÈÉ;»ÄÉÅûÆÈŸ»Ã¾·ÉʹËÈÈ»º;¿Â»ËÄÃÅËÄʿĽʾ»¼Â·É¾ºÈ¿Ì»ƔÅÂÂÅÍʾ»¿ÄÉÊÈ˹ʿÅÄÉ¿Äʾ»»ÈÈÅÈûÉÉ·½»Ɣʷʷʺ¼·¿ÂËÈ»¿Äº»Ê»¹Ê¿Ä½ʾ»¼¿ÈÃÍ·È»¼¿Â»Í¿ÂÂÊ»Èÿķʻʾ»¼¿ÈÃÍ·È»ËÆº·Ê¿Ä½ÆÈŹ»ÉÉƔƺƓʷʷʺƻ¾»Ê»ÈÿķʿÅÄżʾ»¼¿ÈÃÍ·È»ËÆº·Ê»÷Ï¸»¹·ËÉ»º¸Ïʾ»¼ÅÂÂÅͿĽƓ•¾»¼¿ÈÃÍ·È»¼¿Â»¿ÉÄÅÊÉÊÅÈ»º¿Äʾ»ÉÆ»¹¿¼¿»º¼Åº»ÈƔ•¾»¼Â·É¾ºÈ¿Ì»¿ÉÄÅÊ¿Äʾ»ÉÆ»¹¿¼¿»º¼ÅÈ÷ÊƔ•¾»¼Â·É¾ºÈ¿Ì»ÃËÉÊ¸»¼ÅÈ÷ÊÊ»º¿Äʾ»Ͳƭ¿Â»·Ä·½»Ã»ÄÊͲɹȻ»ÄƔ•¾»ĻͻÈÌ»ÈÉ¿ÅÄ¼¿ÈÃÍ·È»¾·É·ÂÈ»·ºÏ¸»»Ä·ÆÆÂ¿»ºÊÅʾ»ÊÈ·Äɹ»¿Ì»ÈƔ•¾»¼¿ÈÃÍ·È»¼¿Â»¿ÉÄÅÊ»½¿Ê¿Ã·Ê»Ɣ»ÉÊ·ÈÊʾ»ÊÈ·Äɹ»¿Ì»È·Äºʾ»Ä»Î»¹ËÊ»ʾ»¼¿ÈÃÍ·È»ËÆº·Ê»·½·¿Ä¼ÈÅÃʾ»¸»½¿ÄĿĽƔÆÆ»·ÈÉ;»ÄÉÅûËÄÁÄÅÍÄÆÈŸ»Ã¾·ÉʹËÈÈ»º;¿Â»È»·º¿Ä½ʾ»¼¿ÈÃÍ·È»¼¿Â»ƔÅÂÂÅÍʾ»¿ÄÉÊÈ˹ʿÅÄÉ¿Äʾ»»ÈÈÅÈûÉÉ·½»Ɣʷʷʺ¾»ɻ»¹Ê»º¼¿Â»¹·ÄÄÅÊ¸»È»·º¸Ïʾ¿ÉÊÈ·Äɹ»¿Ì»ÈͿʾʾ»»·È¿»ÈÌ»ÈÉ¿ÅÄ¼¿ÈÃÍ·È»¿ÄÉʷ»ºƔƺƓʷʷʺƻƺ·Ê»ʾ»ÊÈ·Äɹ»¿Ì»È¼¿ÈÃÍ·È»ËɿĽʾ»·ʻÉÊÌ»ÈÉ¿ÅÄżʾ»¼¿ÈÃÍ·È»ƔÆÆ»·ÈÉ;»Ä·ÊÊ»ÃÆÊ¿Ä½ÊÅÈ»·º·É»ÊʿĽÉ¼¿Â»ÍÈ¿ÊÊ»Ä¸Ï·ÊÈ·Äɹ»¿Ì»È¿ÄÉʷ»ºͿʾ·Ä»Í¼¿ÈÃÍ·È»ËɿĽ·ÊÈ·Äɹ»¿Ì»ÈͿʾ·Äź¼¿ÈÃÍ·È»ƔÅÂÂÅÍʾ»¿ÄÉÊÈ˹ʿÅÄÉ¿Äʾ»»ÈÈÅÈûÉÉ·½»Ɣʷʷʻʷ ¼·¿ÂËÈ»¿ÄËÆº·Ê¿Ä½ʾ»¼¿ÈÃÍ·È»Ê»ÈÿķʻÉʾ»¼¿ÈÃÍ·È»ËÆº·Ê¿Ä½ÆÈŹ»ÉÉƔƺƓʷʷʻʷƻ»¼»ÈÊÅͲÈÅ˸»ɾÅÅʿĽͲ¿Äʾ»¿ÄÉÊÈ˹ʿÅÄ÷ÄË·ÂƔÆÆ»·ÈÉ;»ÄÉÅûËÄÁÄÅÍÄÆÈŸ»Ã¾·ÉʹËÈÈ»º;¿Â»È»ÍȿʿĽʾ»¼¿ÈÃÍ·È»¼¿Â»Ɣʷʷʻʽ ¾»ÉÊÅÈ·½»ÂŹ·Ê¿ÅÄ¹·ÄÄÅÊ¸»¹¾·Ä½»º;¿Â»·Ä·Ëº¿ÅÈ»¹ÅȺ¿Ä½ƔƺƓʷʷʻʽƻ ÆÆ»·ÈÉ;»Ä·ÊÊ»ÃÆÊ¿Ä½ÊÅ¹¾·Ä½»ʾ»º»ÉʿķʿÅÄ¼ÅÈɷ̿Ľʾ»¼¿Â»Í¾¿Â»÷ÄË·ÂÈ»¹ÅȺ¿Ä½¿É¿ÄÆÈŽȻÉÉƔʷʷʻʾ ¾»ÉÊÅÈ·½»ÂŹ·Ê¿ÅÄ¹·ÄÄÅÊ¸»¹¾·Ä½»º;¿Â»·ÂŽȻ¹ÅȺ¿Ä½ƔƺƓʷʷʻʾƻ ÆÆ»·ÈÉ;»Ä·ÊÊ»ÃÆÊ¿Ä½ÊÅ¹¾·Ä½»ʾ»º»ÉʿķʿÅÄ¼ÅÈɷ̿Ľʾ»¼¿Â»Í¾¿Â»¹ÅÃÃËÄ¿¹·Ê¿ÅÄÂŽÈ»¹ÅȺ¿Ä½¿É¿ÄÆÈŽȻÉÉƔʷʷʻʿ ¾»ÉÊÅÈ·½»ÂŹ·Ê¿ÅÄ¹·ÄÄÅÊ¸»¹¾·Ä½»º;¿Â»·ÂŽȻ¹ÅȺ¿Ä½ƔƺƓʷʷʻʿƻ ÆÆ»·ÈÉ;»Ä·ÊÊ»ÃÆÊ¿Ä½ÊÅ¹¾·Ä½»ʾ»º»ÉʿķʿÅÄ¼ÅÈɷ̿Ľʾ»¼¿Â»Í¾¿Â»¹ÅÃÃËÄ¿¹·Ê¿ÅÄÂŽÈ»¹ÅȺ¿Ä½¿É¿ÄÆÈŽȻÉÉƔʸʿʸʿƖʿ
 »ÉÉ·½» »É¹È¿ÆÊ¿ÅÄƭÅÈÈ»¹Ê¿Ì»¹Ê¿ÅÄʷʷʻˀ ¾»ÉÊÅÈ·½»ÂŹ·Ê¿ÅÄ¹·ÄÄÅÊ¸»¹¾·Ä½»º;¿Â»·ÂŽȻ¹ÅȺ¿Ä½ƔƺƓʷʷʻˀƻ ÆÆ»·ÈÉ;»Ä·ÊÊ»ÃÆÊ¿Ä½ÊÅ¹¾·Ä½»ʾ»º»ÉʿķʿÅÄ¼ÅÈɷ̿Ľʾ»¼¿Â»Í¾¿Â»¹ÅÃÃËÄ¿¹·Ê¿ÅÄÂŽÈ»¹ÅȺ¿Ä½¿É¿ÄÆÈŽȻÉÉƔʷʷʻ ˺¿Å¼¿Â»É¹·ÄÄÅÊ¸»¹ÅÆ¿»º;¿Â»·Ä·Ëº¿ÅÈ»¹ÅȺ¿Ä½ƔƺƓʷʷʻƻ ÆÆ»·ÈÉ;»Ä·ÊÊ»ÃÆÊ¿Ä½ÊÅ¹ÅÆÏ¼¿Â»ÉÊÅ·ÅÈ;¿Â»÷ÄË·ÂÈ»¹ÅȺ¿Ä½¿É¿ÄÆÈŽȻÉÉƔʷʷʻ ÅÃÃËÄ¿¹·Ê¿ÅÄÂŽ¼¿Â»Éƺƻ¹·ÄÄÅÊ¸»¹ÅÆ¿»º;¿Â»·ÂŽÈ»¹ÅȺ¿Ä½ƔƺƓʷʷʻƻ ÆÆ»·ÈÉ;»Ä·ÊÊ»ÃÆÊ¿Ä½ÊÅ¹ÅÆÏ¼¿Â»ÉÊÅ·ÅÈ;¿Â»¹ÅÃÃËÄ¿¹·Ê¿ÅÄÂŽÈ»¹ÅȺ¿Ä½¿É¿ÄÆÈŽȻÉÉƔʷʷʻ ÅÃÃËÄ¿¹·Ê¿ÅÄÂŽ¼¿Â»Éƺƻ¹·ÄÄÅÊ¸»¹ÅÆ¿»º;¿Â»·ÂŽÈ»¹ÅȺ¿Ä½ƔƺƓʷʷʻƻ ÆÆ»·ÈÉ;»Ä·ÊÊ»ÃÆÊ¿Ä½ÊÅ¹ÅÆÏ¼¿Â»ÉÊÅ·ÅÈ;¿Â»¹ÅÃÃËÄ¿¹·Ê¿ÅÄÂŽÈ»¹ÅȺ¿Ä½¿É¿ÄÆÈŽȻÉÉƔʷʷʼʷ ÅÃÃËÄ¿¹·Ê¿ÅÄÂŽ¼¿Â»Éƺƻ¹·ÄÄÅÊ¸»¹ÅÆ¿»º;¿Â»·ÂŽÈ»¹ÅȺ¿Ä½ƔƺƓʷʷʼʷƻ ÆÆ»·ÈÉ;»Ä·ÊÊ»ÃÆÊ¿Ä½ÊÅ¹ÅÆÏ¼¿Â»ÉÊÅ·ÅÈ;¿Â»¹ÅÃÃËÄ¿¹·Ê¿ÅÄÂŽÈ»¹ÅȺ¿Ä½¿É¿ÄÆÈŽȻÉÉƔʷʷʼʸ ÂŽ¼¿Â»É¹·ÄÄÅÊ¸»¹ÅÆ¿»º;¿Â»·ÂŽÈ»¹ÅȺ¿Ä½ƔƺƓʷʷʼʸƻ ÆÆ»·ÈÉ;»Ä·ÊÊ»ÃÆÊ¿Ä½ÊÅ¹ÅÆÏ¼¿Â»ÉÊÅ·ÅÈ;¿Â»ÂŽȻ¹ÅȺ¿Ä½¿É¿ÄÆÈŽȻÉÉƔʷʷʼʼ ˺¿Å¼¿Â»É¹·ÄÄÅÊ¸»º»Â»Ê»º;¿Â»·Ä·Ëº¿ÅÈ»¹ÅȺ¿Ä½ƔƺƓʷʷʼʼƻ ÆÆ»·ÈÉ;»Ä·ÊÊ»ÃÆÊ¿Ä½ÊÅº»Â»Ê»¼¿Â»É;¿Â»÷ÄË·ÂÈ»¹ÅȺ¿Ä½¿É¿ÄÆÈŽȻÉÉƔʷʷʼʽ ÅÃÃËÄ¿¹·Ê¿ÅÄÂŽ¼¿Â»Éƺƻ¹·ÄÄÅÊ¸»º»Â»Ê»º;¿Â»·ÂŽÈ»¹ÅȺ¿Ä½ƔƺƓʷʷʼʽƻ ÆÆ»·ÈÉ;»Ä·ÊÊ»ÃÆÊ¿Ä½ÊÅº»Â»Ê»¼¿Â»É;¿Â»¹ÅÃÃËÄ¿¹·Ê¿ÅÄÂŽȻ¹ÅȺ¿Ä½¿É¿ÄÆÈŽȻÉÉƔʷʷʼʾ ÅÃÃËÄ¿¹·Ê¿ÅÄÂŽ¼¿Â»Éƺƻ¹·ÄÄÅÊ¸»º»Â»Ê»º;¿Â»·ÂŽÈ»¹ÅȺ¿Ä½ƔƺƓʷʷʼʾƻ ÆÆ»·ÈÉ;»Ä·ÊÊ»ÃÆÊ¿Ä½ÊÅº»Â»Ê»¼¿Â»É;¿Â»¹ÅÃÃËÄ¿¹·Ê¿ÅÄÂŽȻ¹ÅȺ¿Ä½¿É¿ÄÆÈŽȻÉÉƔʷʷʼʿ ÅÃÃËÄ¿¹·Ê¿ÅÄÂŽ¼¿Â»Éƺƻ¹·ÄÄÅÊ¸»º»Â»Ê»º;¿Â»·ÂŽÈ»¹ÅȺ¿Ä½ƔƺƓʷʷʼʿƻ ÆÆ»·ÈÉ;»Ä·ÊÊ»ÃÆÊ¿Ä½ÊÅº»Â»Ê»¼¿Â»É;¿Â»¹ÅÃÃËÄ¿¹·Ê¿ÅÄÂŽȻ¹ÅȺ¿Ä½¿É¿ÄÆÈŽȻÉÉƔʷʷʼˀ ÂŽ¼¿Â»¹·ÄÄÅÊ¸»º»Â»Ê»º;¿Â»·ÂŽÈ»¹ÅȺ¿Ä½ƔƺƓʷʷʼˀƻ ÆÆ»·ÈÉ;»Ä·ÊÊ»ÃÆÊ¿Ä½ÊÅº»Â»Ê»¼¿Â»É;¿Â»ÂŽÈ»¹ÅȺ¿Ä½¿É¿ÄÆÈŽȻÉÉƔʷʷʼ ÅÆÏ¿Ä½Í·É·¸ÅÈÊ»ººË»ÊÅʾ»ÄËø»Èż¼¿Â»É»Î¹»»º»ºʹʼʼ¿Äʾ»º»ÉʿķʿÅÄ¼Åº»ÈƔƺƓʷʷʼƻ»ºË¹»ʾ»ÄËø»Èż¼¿Â»É¿Ä¼Â·É¾ºÈ¿Ì»·Äºʾ»Ä¹ÅÆÏ·½·¿ÄƔÆÆ»·ÈÉ;»Äʾ»ÄËø»Èż¼¿Â»É·Êʾ»¹ÅÆÏº»ÉʿķʿÅÄ¾·É»Î¹»»º»ºÊ¾»÷οÃËÃ¿ÿÊżʹʼʼ¼¿Â»É;¿Â»¹ÅÆÏ¿É¿ÄÆÈŽȻÉÉƔʷʷʼ ¾»ɻ»¹Ê»º¼¿Â»¹·ÄÄÅÊ¸»È»·º¸Ïʾ¿ÉÊÈ·Äɹ»¿Ì»ÈƔƺƓʷʷʼƻ ¾»ÊÈ·Äɹ»¿Ì»ÈÊÏÆ»ºÅ»ÉÄÅÊ÷ʹ¾ʾ»ÊÈ·Äɹ»¿Ì»ÈÊÏÆ»ʾ·Ê¹È»·Ê»ºÊ¾»É»ÊʿĽÉº·Ê·¼¿Â»Ɣʷʸʷʺ ¾»¹ËÈÈ»ÄÊÉÅËȹ»º¼ÈÅÃʾ»¹ÅÄÄ»¹ÊÅÈ»Î¹»»ºÉʾ»ËÆÆ»È¿ÿÊÌ·ÂË»ƔƺƓʷʸʷʺƻ»ÃÅÌ»ʾ»º»Ì¿¹»·Äºʾ»ÄÈ»ÉÊ·ÈÊʾ»ÊÈ·Äɹ»¿Ì»ÈƔÆÆ»·ÈÉ;»ÄÅ̻ȹËÈÈ»ÄÊ¿Éº»Ê»¹Ê»º·Êʾ»¹ÅÄÄ»¹ÊÅÈƔ¿É¹ÅÄÄ»¹ÊËÄËÉ»ºº»Ì¿¹»ÉƔʷʸʷʼ ËÄÂŹÁÍ·Éº»Ê»¹Ê»ºƔƺƓʷʸʷʼƻ»¼»ÈÊÅͲÈÅ˸»ɾÅÅʿĽͲ¿Äʾ»¿ÄÉÊÈ˹ʿÅÄ÷ÄË·ÂƔ»È¼ÅÈÃËÂÂ»É»ÊƔ¼ËÄÂŹÁ¿ÉÉÊ¿ÂÂº»Ê»¹Ê»º·¼Ê»ÈËÂÂ»É»ÊƑÄÅÊ»ºÅÍÄʾ»»ÈÈÅÈûÉÉ·½»ÄËø»ÈƺƓʷʸʷʼƻ·Äºɻĺ·Ä¿ÄÇË¿ÈÏÊÅÉ»ÈÌ¿¹»¹»ÄÊ»ÈƔʷʸʷʾ ÅÈ»¼»È»Ä¹»É¿½Ä·Â¾·É¸»»Äº»Ê»¹Ê»ºƔƺƓʷʸʷʾƻÄÉËÈ»ʾ·Êʾ»È»¼»È»Ä¹»É¿½Ä·Â¾·É¸»»ÄÉÅËȹ»ºÊÅʾ»ƺʸʷÐƻ¹ÅÄÄ»¹ÊÅÈƔÆÆ»·ÈÉ;»Äʾ»È»¿ÉÄÅÈ»¼»È»Ä¹»É¿½Ä·Â¿ÄÆËÊ¼ÈÅÃ·Ä»ÎÊ»ÈÄ·ÂÉÅËȹ»Ɣ¾»¹Á;»Ê¾»Èʾ»È»¿ÉÉ¿½Ä·Â¿ÄÆËÊÊÅʾ»Ê»ÈÿķÂ·Äº;»Ê¾»Èʾ»»̻Âżʾ»É¿½Ä·Â¿É¾¿½¾»ÄÅ˽¾ƔʷʸʷˀÅÈÈËÆÊ¿ÅÄżʾ»º·Ê·Í·Éº»Ê»¹Ê»ºƔƺƓʷʸʷˀƻλ¹ËʿĽʾ»ËÂÂ»É»ÊÍ¿ÂÂ¿Ä¿Ê¿·Â¿Ð»ʾ»ÊÈ·Äɹ»¿Ì»ÈÊÅʾ»º»¼·ËÂÊÉƔÈ»ÉÉƾƿƺƻÊÅÉÊ·ÈÊʾ»ËÂÂ»É»ÊƔÆÆ»·ÈÉ;»Äº·Ã·½»¿É¼ÅËĺ¿Äʾ»¸·¹ÁËÆº·Ê·ƔÈ»ÉÉƾƿÊÅƻȼÅÈÃËÂÂ»É»ÊƔʷʸʷÊÅʷʸʷƑʷʸʸʷÊÅʷʸʸʼ»ÈÈÅÈÍ·Éº»Ê»¹Ê»ºƔƺƓʷʸʷÊÅʷʸʷƑʷʸʸʷÊÅʷʸʸʼƻ»¼»ÈÊÅͲÈÅ˸»ɾÅÅʿĽͲ¿Äʾ»¿ÄÉÊÈ˹ʿÅÄ÷ÄË·ÂƔ»È¼ÅÈÃËÂÂ»É»ÊƔ¼ʾ»ɷû»ÈÈÅÈûÉÉ·½»·ÆÆ»·ÈÉ·½·¿Ä·¼Ê»ÈËÂÂ»É»ÊƑÄÅÊ»ºÅÍÄʾ»»ÈÈÅÈûÉÉ·½»ÄËø»ÈƺƓʷʸʷÊÅʷʸʷƑʷʸʸʷÊÅʷʸʸʼƻ·Äºɻĺ·Ä¿ÄÇË¿ÈÏÊÅÉ»ÈÌ¿¹»¹»ÄÊ»ÈƔʷʸʸʾ ¾·ÈºÍ·È»»ÈÈÅÈÍ·Éº»Ê»¹Ê»ºƔƺƓʷʸʸʾƻ»¼»ÈÊÅͲÈÅ˸»ɾÅÅʿĽͲ¿Äʾ»¿ÄÉÊÈ˹ʿÅÄ÷ÄË·ÂƔ»È¼ÅÈÃËÂÂ»É»ÊƔ¼ʾ»ɷû»ÈÈÅÈûÉÉ·½»·ÆÆ»·ÈÉ·½·¿Ä·¼Ê»ÈËÂÂ»É»ÊƑÄÅÊ»ºÅÍÄʾ»»ÈÈÅÈûÉÉ·½»ÄËø»ÈƺƓʷʸʸʾƻ·Äºɻĺ·Ä¿ÄÇË¿ÈÏÊÅÉ»ÈÌ¿¹»¹»ÄÊ»ÈƔ●ËÈÄż¼ʾ»ÆÅÍ»Èżʾ»È»½Ë·ʻºÆÅÍ»ÈÉËÆÆÂÏ·¼Ê»ÈơÉÏÉÊ»Ã»ÈÈÅÈ¾·ÉʹËÈÈ»ºƔƢûÉÉ·½»¿Éº¿ÉÆÂ·Ï»ºƔ●¼»ÈÈÅÈʹËÈÉ¼È»ÇË»ÄÊÂÏƑÊÈÏËÆº·Ê¿Ä½ÊÅʾ»·ʻÉÊ¼¿ÈÃÍ·È»Ɣ¼ʾ»ɷûÆÈŸ»ÃÆ»ÈÉ¿ÉÊÉƑʾ¿ÉÊÈ·Äɹ»¿Ì»È¹Å˺¸»¼·ËÂÊÏƔ»·É»¹ÅÄÊ·¹ÊÉ»ÈÌ¿¹»¹»ÄÊ»ÈƔʸʿʸʿƖˀ
·ÈĿĽ»ÉÉ·½»É¾»¼ÅÂÂÅͿĽÍ·ÈĿĽûÉÉ·½»É·È»º¿ÉÆÂ·Ï»º¿Äʾ»»Ì»ÄÊż·Ä»ÈÈÅÄ»ÅËÉÅÆ»È·Ê¿ÅÄÅÈ;»Ä·ÆÈŸ»ÃÅÄʾ¿ÉÊÈ·Äɹ»¿Ì»È¿Éº»Ê»¹Ê»ºƔÅÂÂÅÍʾ»ÉÊ»ÆÉº»É¹È¿¸»º¼ÅÈ»·¹¾Í·ÈĿĽûÉÉ·½»ÊÅÈ»ÉÅÂÌ»ʾ»ÆÈŸ»ÃƔ¼ơÈÅ˸»ɾÅÅʿĽƢ¿É¿Äº¿¹·Ê»º¿Äʾ»Í·ÈĿĽûÉÉ·½»ÅÈ;»Äʾ»ÆÈŸ»Ã¹·ÄÄÅÊ¸»È»ÉÅÂÌ»ºƑÆÂ»·É»È»¼»ÈÊÅʾ»¿ÉÊż»ÈÈÅÈûÉÉ·½»É·ÄºÊÈÅ˸»ɾÅÅʿĽÉ»¹Ê¿ÅÄƔ »ÉÉ·½» »É¹È¿ÆÊ¿ÅÄƭÅÈÈ»¹Ê¿Ì»¹Ê¿ÅÄʷʷʷ ¾¿É·Ëº¿Å¼¿Â»¹·ÄÄÅÊ¸»È»ÆÈź˹»ºƔƺƓʷʷʷƻÆÆ»·ÈÉ;»Äʾ»¼ÅÈ÷Êżʾ»Í·Ì¼¿Â»¿ÉÄÅÊÉËÆÆÅÈÊ»º¸Ïʾ¿ÉÊÈ·Äɹ»¿Ì»ÈƔ¾»¹Áʾ»¼¿Â»¼ÅÈ÷ÊÅÄ·ÊÅÉ»»¿¼ʾ»¼¿Â»¿É¿Äʾ»Í·Ì¼ÅÈ÷Êʾ·Ê¹·Ä¸»ÆÂ·Ï»ºÅÄʾ¿ÉÊÈ·Äɹ»¿Ì»ÈƔʷʷʺʸË»ÊÅ¿ÄÉ˼¼¿¹¿»ÄÊûÃÅÈÏżʾ»º·Ê·ÉÊÅÈ·½»ÅÈʾ»ÍȿʻÆÈÅÊ»¹Ê¿ÅÄżʾ»¼Â·É¾ºÈ¿Ì»Ƒʾ»º·Ê·ÉÊÅȿĽÆÈŹ»ÉÉÍ·ÉÊ»ÈÿķʻºƔƺƓʷʷʺʸƻÄÉËÈ»ʾ·Êʾ»È»¿ÉÉ˼¼¿¹¿»ÄÊûÃÅÈÏ·Äºʾ·Êº·Ê·ÉÊÅÈ·½»¾·É¸»»Ä»Ä·¸Â»ºƔÆÆ»·ÈÉ;»Äʾ»÷οÃËÃÄËø»Èż¼¿Â»É¿Ä»·¹¾¼Åº»È¾·É¸»»Ä»Î¹»»º»ºƑ¿ÄÉ˼¼¿¹¿»ÄÊûÃÅÈÏÉÆ·¹»ÅÈÍȿʿĽ¼Åȸ¿ºº»Ä¿Éº»Ê»¹Ê»ºÍ¾»ÄÍȿʿĽ·¼¿Â»Ɣʷʷʺʹ »Â»¹ÊÉʾ»º·ÏÉżʾ»Í»»ÁƔƺƓʷʷʺʹƻ ÆÆ»·ÈÉ;»Äƾƿ¿ÉÆÈ»ÉÉ»ºͿʾ·ÂÂʾ»º·ÏÉżʾ»Í»»ÁËĹ¾»¹Á»ºÅÄʾ»ÆÈŽȷÃʿûÈ¹Åļ¿½ËÈ·Ê¿ÅÄɹȻ»ÄƔʷʷʺʺ÷οÃËÃżʻ¾ÅËÈÉżÈ»¹ÅȺ¿Ä½ʿû¹·Ä¸»¹Åļ¿½ËÈ»ºƔƺƓʷʷʺʺƻÄÉËÈ»ʾ·Êʾ»ÅÍ»ÈƖÅÄ¿Ã»·ÄºÅÍ»ÈƖż¼ʿû·È»·ÆÆÈÅÆÈ¿·Ê»ƔÆÆ»·ÈÉ;»Äƾƿ¿ÉÆÈ»ÉÉ»ºͿʾʾ»ʿû¿ÿÊ»Î¹»»º»º;»Ä¹Åļ¿½ËȿĽʾ»ÅÍ»ÈƖÅÄ¿Ã»·ÄºÅÍ»ÈƖż¼¿Ã»ÅÄʾ»ÆÈŽȷÃʿûȹÅļ¿½ËÈ·Ê¿ÅÄɹȻ»ÄƔʷʷʺʻ¾»ɷû¹ÂŹÁʿû¹·ÄÄÅÊ¸»¹Åļ¿½ËÈ»º¼ÅÈ¸Åʾʾ»ÅÍ»ÈƖÅÄ¿Ã»·ÄºÅÍ»ÈƖż¼¿Ã»ƔƺƓʷʷʺʻƻÄÉËÈ»ʾ·Êʾ»ÅÍ»ÈƖÅÄ¿Ã»·ÄºÅÍ»ÈƖż¼¿Ã»·È»·ÆÆÈÅÆÈ¿·Ê»ƔÆÆ»·ÈÉ;»Äƾƿ¿ÉÆÈ»ÉÉ»ºͿʾ·Ä¿Ä̷¿ºʿûȷĽ»¹Åļ¿½ËÈ»º¼ÅÈʾ¿ÉÊÈ·Äɹ»¿Ì»ÈÅÄʾ»ÆÈŽȷÃʿûÈ¹Åļ¿½ËÈ·Ê¿ÅÄɹȻ»ÄƔʷʷʺˀ·¿ÂËÈ»¿Ä¼ÅÈ÷ÊʿĽż·¼Â·É¾ºÈ¿Ì»¾·É¸»»Äº»Ê»¹Ê»ºƔƺƓʷʷʺˀƻ¾»¼·¿ÂËÈ»÷Ï¸»¹·ËÉ»º¸ÏÅÄ»ÅÈÃÅÈ»żʾ»¼ÅÂÂÅͿĽƓ•¾»ÍȿʻÆÈÅÊ»¹Ê»º¼Â·É¾ºÈ¿Ì»¿É¹ÅÄÄ»¹Ê»ºÊÅ·¹ÅÄÄ»¹ÊÅÈƔ•¾»¼Â·É¾ºÈ¿Ì»¿ÉÄÅÊ¹ÅÈÈ»¹ÊÂÏ¹ÅÄÄ»¹Ê»ºÊÅ·¹ÅÄÄ»¹ÊÅÈƔ•¾»É»¹ËÈ¿ÊÏƖÆÈÅÊ»¹Ê»º¼Â·É¾ºÈ¿Ì»¿É¹ÅÄÄ»¹Ê»ºÊÅ·¹ÅÄÄ»¹ÊÅÈƔÆÆ»·ÈÉ;»Ä¼ÅÈ÷ÊʿĽżʾ»¼Â·É¾ºÈ¿Ì»¼·¿Â»ºƔÅÂÂÅÍʾ»¿ÄÉÊÈ˹ʿÅÄÉ¿Äʾ»ûÉÉ·½»Ɣʷʷʻʺ ¾»¼¿Â»¹·ÄÄÅÊ¸»·¹¹»ÉÉ»º;¿Â»È»¹ÅȺ¿Ä½º·Ê·Ɣ ÆÆ»·ÈÉ;»Ä·ÊÊ»ÃÆÊ¿Ä½ÊÅÈ»·º·ÂŽ¼¿Â»¼ÅÈ;¿¹¾È»¹ÅȺ¿Ä½¿É¹ËÈÈ»ÄÊÂÏ¿ÄÆÈŽȻÉÉƔʷʷʻ »Â»¹Ê¹ÅÆÏ¿Ê»ÃƔƺƓʷʷʻƻ ÆÆ»·ÈÉ;»Ä·ÊÊ»ÃÆÊ¿Ä½ÊÅ¹ÅÆÏ¼¿Â»ÉÊÅ·Ϳʾ·ÂÂʾ»¼¿Â»ÉËĹ¾»¹Á»ºÅÄʾ»ɹȻ»Ä¼ÅÈɻ»¹Ê¿Ä½ʾ»¼¿Â»ÉÊÅ¹ÅÆÏƔʷʷʼʺ »Â»¹Êº»Â»Ê»¿Ê»ÃƔƺʷʷʼʺƻ ÆÆ»·ÈÉ;»Ä·ÊÊ»ÃÆÊ¿Ä½ÊÅº»Â»Ê»¼¿Â»É;¿Â»·ÂÂʾ»¼¿Â»É·È»ËĹ¾»¹Á»ºÅÄʾ»ɹȻ»Ä¼ÅÈɻ»¹Ê¿Ä½ʾ»¼¿Â»ÉÊÅº»Â»Ê»Ɣʷʸʷʸ¾»ÈŽȷÃ÷¸Â»¿Ã»È¿É·¸ÅËÊÊÅÉÊ·ÈÊÈ»¹ÅȺ¿Ä½ʾ»È»¹»¿Ì»º·Ëº¿ÅƔƺƓʷʸʷʸƻ¾»È»¹ÅȺ¿Ä½¹·Ä¸»½¿Ä¿¼ʾ»ÊÈ·Äɹ»¿Ì»È¾·É¸»»ÄÊËÈÄ»ºƔ¼ʾ»¼Â·É¾ºÈ¿Ì»¾·Éɻ»¹Ê»º·Éʾ»¼¿Â»ÉÊÅÈ·½»ÂŹ·Ê¿ÅÄƑ¹ÅÄÄ»¹Ê·¼Â·É¾ºÈ¿Ì»ÊÅʾ»¹ÅÄÄ»¹ÊÅÈ¸»¼ÅÈ»È»¹ÅȺ¿Ä½ÉÊ·ÈÊÉƔÆÆ»·ÈÉ;»Äʾ»ÆÅÍ»Èżʾ¿ÉÊÈ·Äɹ»¿Ì»È¿ÉÊËÈÄ»ºÅÄ·ÆÆÈÅο÷ʻÂÏʺÿÄËÊ»É·ÄºʸÿÄËÊ»¸»¼ÅÈ»ʿûÈÈ»¹ÅȺ¿Ä½ÉÊ·ÈÊÉƔÅÂÂÅÍʾ»¿ÄÉÊÈ˹ʿÅÄÉ¿Äʾ»ûÉÉ·½»Ɣʷʸʷʹ »¹ÅȺ¿Ä½¸Ïʾ»ÈŽȷÃ÷¸Â»¿Ã»ÈƔƺƓʷʸʷʹƻÅÉÊÅÆÈ»¹ÅȺ¿Ä½ƑÆÈ»ÉÉ·Äº¾ÅºƾƺƻƿƺƻƔ ÆÆ»·ÈÉ;»Äƾ ƿ¿ÉÆÈ»ÉÉ»º·Äº¾»ÂººÅÍÄºËȿĽʿûÈÈ»¹ÅȺ¿Ä½Í¾¿Â»ʾ»ɹȻ»Ä¿ÉÊËÈÄ»ºż¼Ɣʷʸʷʻ¿½¾Ê»ÃÆ»È·ÊËÈ»¾·É¸»»Äº»Ê»¹Ê»º¿Äʾ»ÊÈ·ÄÉÿÊÊ»ÈƔ»¼»ÈÊÅͲÈÅ˸»ɾÅÅʿĽͲ¿Äʾ»¿ÄÉÊÈ˹ʿÅÄ÷ÄË·ÂƺƓʷʸʷʻƻƔÅÆÈ»Ì»ÄÊʾ»ÊÈ·ÄÉÿÊÊ»È¼ÈÅÃ¸»¿Ä½º·Ã·½»ºƑʾ»ÊÈ·ÄÉÃ¿ÊÆÅÍ»È¾·É¸»»ÄÈ»ºË¹»ºÊÅʼƔÊÅÆʾ»ÊÈ·ÄÉÿÉÉ¿ÅÄ·Äº·ÂÂÅÍʾ»Ê»ÃÆ»È·ÊËÈ»żʾ¿ÉÊÈ·Äɹ»¿Ì»ÈÊŽÅºÅÍÄƔʷʸʷʽ»ÈÏ¾¿½¾Ê»ÃÆ»È·ÊËÈ»¾·É¸»»Äº»Ê»¹Ê»º¿Äʾ»ÊÈ·Äɹ»¿Ì»ÈƔ»¼»ÈÊÅͲÈÅ˸»ɾÅÅʿĽͲ¿Äʾ»¿ÄÉÊÈ˹ʿÅÄ÷ÄË·ÂƺƓʷʸʷʽƻƔÈ·ÄÉÿÉÉ¿ÅÄ¹·Æ·¸¿Â¿ÊÏ¿Éº¿É·¸Â»ºËÄÊ¿Âʾ»ÊÈ·Äɹ»¿Ì»È¹ÅÅÂɺÅÍÄƔÉʾ»·Ã¸¿»ÄÊÊ»ÃÆ»È·ÊËÈ»żʾ¿ÉÊÈ·Äɹ»¿Ì»È¾¿½¾ƺÉ˹¾·É;»Äʾ»ÊÈ·Äɹ»¿Ì»È¿É»ÎÆÅÉ»ºÊÅº¿È»¹ÊÉËÄ¿½¾ÊƻƜ»·É»ÅÆ»È·Ê»¿Ê¿Ä·Í»ÂÂƖÌ»Äʿ·ʻºÆÂ·¹»ƔʸʿʸʿƖʸʷ
ÄÊ»ÈÄ·Â»·ÊÉÄÊ»ÈÄ·Â¸»·ÊÉ÷ÏʹËÈͿʾ¿ÄÉÅûżʾ»·Ã·Ê»ËÈ¸·Äº¼È»Ç˻Ĺ¿»ÉƔ¾¿É¿ÉºË»ÊÅʾ»¼È»Ç˻ĹÏ¹Åļ¿½ËÈ·Ê¿ÅÄżʾ¿ÉÊÈ·Äɹ»¿Ì»È·Äº¿ÉÄÅÊ·÷¼ËĹʿÅÄƔÆËÈ¿ÅËÉ¿½Ä·ÂÉÅÄʾ»·ÄºÉ¹ÅÆ»¿½Ä·ÂÉʾ·Ê·È»ËÄȻ·ʻºÊÅʾ»É¿½Ä·ÂÉ÷ÏÉÅÃ»Ê¿Ã»É·ÆÆ»·ÈÅÄʾ»¸·ÄºÉ¹ÅÆ»ƺͷʻȼ·ÂÂƻƔ¾¿É¿ÉºË»ÊÅʾ»¼È»Ç˻ĹϹÅļ¿½ËÈ·Ê¿ÅÄżʾ¿ÉÊÈ·Äɹ»¿Ì»È·Äº¿ÉÄÅÊ·÷¼ËĹʿÅÄƔºÀËÉʿĽʾ»È»¼»È»Ä¹»»̻ÂÅÈ·ÊÊ»ÄË·ÊÅÈżʾ»¸·ÄºÉ¹ÅÆ»÷ÏÉÅûʿûɾ»ÂÆÊÅÿĿÿлʾ»·ÆÆ»·È·Ä¹»żÉÆËÈ¿ÅËÉÉ¿½Ä·ÂÉƔÎ·ÃÆÂ»Ɠ•¼È»Ç˻ĹÏʾ·Ê¿É̊ʹʻÁÐÅÈƖʹʻÁÐ·Í·Ï¼ÈÅÃʾ»¼È»Ç˻Ĺϕ¼È»Ç˻ĹÏʾ·Ê¿É̊ʸʼʷÁÐÅÈƖʸʼʷÁÐ·Í·Ï¼ÈÅÃʾ»¼È»Ç˻ĹÏƺ¾»ÉÆËÈ¿ÅËÉÉ¿½Ä·ÂÌ·È¿»Éº»Æ»Äº¿Ä½ÅÄʾ»¸·Äº·ÄºÃź»Ɣƻ•¾»Ä¿ÄÊ»ÈÄ·Â¸»·ÊÉ·È»È»¹»¿Ì»ºʸʿʸʿƖʸʸ
ʸʿƖʸʹ
ÆÊ¿ÅÄ·Â¹¹»ÉÉÅÈ¿»ÉƖʿˀʷƔƔƔƔƔƔƔƔƔƔ·º¿ÅÅÄÊÈÅÂÈŽȷÃƺÈ»»ÉżÊÍ·È»ƻƖʿˀʷƔƔƔƔƔƔƔƔƔƔ·º¿ÅÅÉÊÈŽȷÃƺÈ»»ÉżÊÍ·È»ƻƖʸʷƔƔƔƔƔƔƔƔƔƔÅÈŽȷÃƺÈ»»Í·È»ƻƖʸʷƔƔƔƔƔƔƔƔƔƔ˺¿ÅÅÄÊÈÅ»ÈƺÈ»»Í·È»ƻƖʿˀʷƔƔƔƔƔƔƔƔƔƔƔƔƔƔƔƔÎÊ»ÈÄ·ÂÆ»·Á»ÈƖʿʹƖʸƔƔƔƔƔƔƔƔʹʾʷÐ¿ÂÊ»ÈƖʼƔƔƔƔƔƔƔƔƔƔƔƔƔƔƔƔƔƔƔƔƔÆ»ÄƖ·¿È»·ºÆ¾ÅÄ»ÉƖʽƔƔƔƔƔƔƔƔƔƔƔƔƔƔƔƔƔƔƔƔƔ¿½¾Ê»¿½¾Ê»·ºÆ¾ÅÄ»ÉƖʻʺƔƔƔƔƔƔƔƔƔƔƔƔƔƔƔ·Äº¿¹ÈÅÆ¾ÅÄ»ƖʽʷƔƔƔƔƔƔƔƔƔƔƔƔƔƔ»ÉÁ¿¹ÈÅÆ¾ÅÄ»ƖˀʷƔƔƔƔƔƔƔƔƔƔƔƔƔƔƔƔƔ»ÉÁ¿¹ÈÅÆ¾ÅÄ»ƖʽʷƔƔƔƔƔƔƔƔƔƔƔƔƔƔƔƔƔƔƔ»½Ë·ʻºÅÍ»ÈËÆÆÂÏƺʹʹƔʼƻ●¾»Ɩʿˀʷ·º¿ÅÅÄÊÈÅÂÈŽȷÃƑƖʿˀʷ·º¿ÅÅÉÊÈŽȷÃƑƖʸʷÅÈŽȷÃ·ÄºƖʸʷ˺¿ÅÅÄÊÈÅ»È¹·Ä¸»ºÅÍÄÂÅ·º»º¼ÈÅÃʾ»¼ÅÂÂÅͿĽÍ»¸ɿʻƔ¾ÊÊÆƓƭƭÍÍÍƔÁ»ÄÍÅźƔ¹ÅÃƭ¿ƭÆÈź˹ÊÉƭ¿Ä¼Åƭ·Ã·Ê»ËÈƭÉżÊÍ·È»ͨºÅÍÄÂÅ·ºƔ¾ÊÃÂ●ÆÊ¿ÅÄ·Â·¹¹»ÉÉÅÈ¿»Éʾ·Ê¹·Ä¸»ËÉ»º·ÂÅĽͿʾʾ¿ÉÊÈ·Äɹ»¿Ì»È÷Ï¼ÈÅÃʿûÊÅʿû¸»·ºº»ºÅȺ¿É¹ÅÄÊ¿ÄË»ºƔ»¼»ÈÊÅʾ»Í»¸ɿʻ·Äº¹·Ê·ÂŽ¼ÅȺ»Ê·¿ÂÉżʾ»ÅÆÊ¿ÅÄ·Â·¹¹»ÉÉÅÈ¿»ÉƔÄÉʷ¿Ľʾ»ƖʿʹƖʸÅż¿Ä½¿ÂÊ»Èʼ»ÃÅÌ»ʾ»¸ÅÊÊÅÃ¹·É»Ɣʽ»ÃÅÌ»ʾ»ɾ¿»ÂºÆÂ·Ê»żʾ»ËÄ¿ÊƔʾÄÉ»ÈÊƖʿʹƖʸ¿ÄÊÅʾ»ÉŹÁ»ÊƔ•¾»È»¿É·ÉËÆÆÂ¿»º¼¿ÂÊ»ÈÅÄʾ»¸Å·ÈºÆ·Ä»Â·Äºʾ»ʺÉŹÁ»ÊÉ¼ÅÈƖʿʹƖʸ·È»ÂŹ·Ê»ºÀËÉÊ¿Ä¼ÈÅÄÊż¿ÊƔ•¿½Äʾ»º¿È»¹Ê¿ÅÄżʾ»ÉËÆÆÂ¿»º¼¿ÂÊ»ÈͿʾʾ·Êżʾ»ÂŽÅƺ ÷ÈÁ·Êʾ»ÊÅÆ»¼Êƻ·Äº¿ÄÉ»ÈÊʾ»Æ¿ÄÉ·Êʾ»¸ÅÊÊÅÃżʾ»ƖʿʹƖʸ¸Å·Èº¿ÄÊÅʾ»ÉŹÁ»ÊÉƔ•¿½Äʾ»Æ¿ÄÉ·Êʾ»¸ÅÊÊÅÃżʾ»ƖʿʹƖʸ¸Å·ÈºͿʾʾ»ÉŹÁ»ÊÉ·Äº¿ÄÉ»ÈÊƖʿʹƖʸƔ●ÅÈ»ÃÅÌ»ƖʿʹƖʸƑ¾Åºʾ»ƖʿʹƖʸ¸Å·Èº·Êʾ»ÊÍÅÉ¿º»É·ÄºÆËÂÂ¿ÊÅËÊƔʿÊ¿¹Áʾ»¹Ëɾ¿ÅÄʾ·Ê¿ÉÉËÆÆÂ¿»ºͿʾƖʿʹƖʸÅÄʾ»ɾ¿»ÂºÆÂ·Ê»żʾ»ƭËÄ¿ÊƔÊ¿¹Áʾ»¹Ëɾ¿ÅÄ·Êʾ»ÂŹ·Ê¿ÅÄ¿Äº¿¹·Ê»º¸Ïʾ»½Ë¿º»ÅÄʾ»¸·¹Áżʾ»ɾ¿»ÂºÆÂ·Ê»ƔˀÄÉÊ·ÂÂʾ»ɾ¿»ÂºÆÂ·Ê»żʾ»ƭËÄ¿Ê·Äºʾ»¸ÅÊÊÅÃ¹·É»ƔʸˀʸˀʸˀƖʸ
Æ»¹¿¼¿¹·Ê¿ÅÄÉ»Ä»È·ÂÈ»Ç˻ĹÏȷĽ»ƺÈ·ÄÉÿÊÊ»ÈƻʸʽʷÃ¸·Äº ʸƔʿÊÅʹƔʷÐƺÊÏÆ»ƻƭʸƔʿʸÊÅʹƔʷÐƺÊÏÆ»ƻʿʷÃ¸·Äº ʺƔʼÊÅʻƔʷÐƺÊÏÆ»ƻƭʺƔʼÊÅʺƔʿÐƺÊÏÆ»ƻʽʷÃ¸·Äº ʼƔʸʽʾʼÐƺÊÏÆ»ƻʼƔʹʼÊÅʼƔʻʼÐƺÊÏÆ»Ɠ»¼»ÈÊÅ·ÆÆÂ¿¹·¸Â»÷ʻËÈ·º¿ÅÈ»½Ë·ʿÅÄÉÊÅÏÅËÈ¹ÅËÄÊÈÏƔƻʻʷÃ¸·Äº ʾƔʷÊÅʾƔʺÐƺÊÏÆ»ƻƭʾƔʷÊÅʾƔʹÐƺÊÏÆ»ƻʺʷÃ¸·Äº ʸʷƔʸÊÅʸʷƔʸʼÐʹʷÃ¸·Äº ʸʻƔʷÊÅʸʻƔʺʼÐʸʾÃ¸·Äº ʸʿƔʷʽʿÊÅʸʿƔʸʽʿÐʸʼÃ¸·Äº ʹʸƔʷÊÅʹʸƔʻʼÐʸʹÃ¸·Äº ʹʻƔʿˀÊÅʹʻƔˀˀÐʸʷÃ¸·Äº ʹʿƔʷÊÅʹˀƔʾÐʽÃ¸·Äº ʼʷƔʷÊÅʼʻƔʷÐƺÊÏÆ»ƻƭʼʷƔʷÊÅʼʹƔʷÐƺÊÏÆ»ƻʻÃ¸·Äº ʾʷƔʷÊÅʾʷƔʼÐƺÊÏÆ»Ɠ»¼»ÈÊÅ·ÆÆÂ¿¹·¸Â»÷ʻËÈ·º¿ÅÈ»½Ë·ʿÅÄÉÊÅÏÅËÈ¹ÅËÄÊÈÏƔƻÈ»Ç˻ĹÏȷĽ» ʷƔʸÊÅʺʷÐƑʼʷÊÅʼʻÐƓÅÄÊ¿ÄËÅËÉʺʷÁÐÊÅʽʷÐƭʾʻƔʿÐƺÊÏÆ»ƻź» ʺƺƑƻƭʸƺƻƭʺƺƻƭʺƺƻƭʸƺƻƭʸƺƻÈ»Ç˻ĹÏÉÊ·¸¿Â¿ÊÏ ̌ʷƔʸÆÆÃƺʷͮÊÅ̊ʼʷͮƻÄÊ»ÄÄ·¿ÃÆ»º·Ä¹» ʼʷǣÄÊ»ÄÄ·ÊËÄ»·¸Â»ȷĽ» ʸʽƔʾǣÊÅʸʼʷǣ¿¹ÈÅÆ¾ÅÄ»¿ÃÆ»º·Ä¹» ʽʷʷǣËÆÆÂÏÌÅÂÊ·½» ʸʺƔʿ̌ʸʼ̈ÈÅËĺ¿Ä½ûʾź »½·Ê¿Ì»½ÈÅËĺËÈÈ»ÄÊ È·ÄÉÃ¿Ê ʹʹƔʼÅÈ»ÉÉ»¹»¿Ì» ʺÅÈ»ÉÉÉ·¸Â»Ê»ÃÆ»È·ÊËÈ»ȷĽ» ʷͮÊÅ̊ʼʷͮƺ̊ʺʹͮÊÅ̊ʸʹʹͮƻ¿Ã»ÄÉ¿ÅÄÉÈÅÀ»¹Ê¿ÅÄÉÄÅÊ¿Ä¹Â˺»º ʺˀʽƔʷ̍ʸʻʸƔʺ̍ʺʻʷƔʷÃÃƺʸʼƔʼˀÎʼƔʼʽÎʸʺƔʺˀ¿ÄƻÈÅÀ»¹Ê¿ÅÄÉ¿Ä¹Â˺»º ʻʷˀƔʽ̍ʸʼʿƔʺ̍ʺʿʾƔʻÃÃƺʸʽƔʸʺÎʽƔʹʺÎʸʼƔʹʼ¿Äƻ»¿½¾Ê ÆÆÈÅÎƔʸʾÁ½ƺʺʾƔʼ¸ÉƻÈ·ÄÉÿÊÊ»ÈËÊÆËÊÆÅÍ»È ƭƭƭƭƺƻ ʸʷʷƺʼʷƻƭʾʷÐƓʼʷƺʸʹƔʼƻźË·ʿÅÄ Ɠ·Â·Ä¹»ºƑƓÅÍÅÍ»ÈƑƓ»·¹Ê·Ä¹»·Î¿ÃËÃ¼È»Ç˻ĹÏº»Ì¿·Ê¿ÅÄƺƻ ¿º»Ɠ̌ʼÁÐÅÈ»ÉÉƑ·ÈÈÅÍƓ̌ʹƔʼÁÐÅÈ»ÉÉÆËÈ¿ÅËÉ»Ã¿ÉÉ¿ÅÄÉ ƺ·ÈÃÅÄ¿¹ÉƻƓƖʼʷºÅÈ»ÉÉʼʷÐƓƖʽʺºÅÈ»ÉÉʾʷÐƓƖʽʷºÅÈ»ÉÉ·ÈÈ¿»ÈÉËÆÆÈ»ÉÉ¿ÅÄ ƖʽʷºÅÈ»ÉÉÄÍ·ÄÊ»ºÉ¿º»¸·ÄºÉËÆÆÈ»ÉÉ¿ÅÄ ƖʽʷºÅÈ»ÉÉÈ·ÄÉÿÊ¼È»Ç˻ĹÏÈ»ÉÆÅÄÉ» ¿Ê¾¿ÄƖʽºƺʺʷʷÊÅʹʾʷʷÐƻɾ¿¼Ê¼È»Ç˻ĹÏȷĽ» ̌ˀƔˀˀˀÁÐʸˀʸˀƖʹ
»¹»¿Ì»È¿È¹Ë¿ÊÊÏÆ» Å˸»¹ÅÄÌ»ÈÉ¿ÅÄÉËÆ»È¾»Ê»ÈźÏÄ»ÄÊ»Èûº¿·Ê»¼È»ÇË»Ä¹Ï ʸÉÊ ʿƔʹʻʿÐʹĺ ʹʻÁÐƺ»Î¹»ÆÊƻƑʺʽÁÐƺƻ»Äɿʿ̿ÊÏƺÏÆ¿¹·ÂƻƭƭƭƺƭʸʷºƻʷƔʼǹƺʷƔʸÊÅʷƔʼʹʹÐƻʻǹƺʷƔʼʹʹÊÅʸƔʾʷʼÐƻʷƔʹǹƺʸƔʾʷʼÊÅʹʻƔʼÐƻʷƔʸʺǹƺʹʻƔʼÊÅʺʷƔʷÐƻʷƔʸʺǹƺʼʷƔʷÊÅʼʻƔʷÐƻʷƔʸʺǹƺʾʷƔʷÊÅʾʷƔʼÐƻƺƭʸʷºƻʽƔʺǹƺʷƔʸʺÊÅʷƔʼʹʹÐƻʺʸƔʽǹƺʷƔʼʹʹÊÅʸƔʾʷʼÐƻʹǹƺʸƔʾʷʼÊÅʹʻƔʼÐƻʸƔʺǹƺʹʻƔʼÊÅʺʷƔʷÐƻʸƔʺǹƺʼʷƔʷÊÅʼʻƔʷÐƻʸƔʺǹƺʾʷƔʷÊÅʾʷƔʼÐƻƺʸʹºƻ ʷƔʹʹǹƺʹʿƔʷÊÅʺʷƔʷÐƻʷƔʹʹǹƺʼʷƔʷÊÅʼʻƔʷÐƻʷƔʹʹǹƺʾʷƔʷÊÅʾʷƔʼÐƻÇ˻¹¾É»Äɿʿ̿ÊÏƭƭƭʼƔʽǹÅÈ»ÉÉƺʷƔʸʺÊÅʷƔʼʹʹÐƻʸʿƔʷǹÅÈ»ÉÉƺʷƔʼʹʹÊÅʸƔʾʷʼÐƻʸƔʿǹÅÈ»ÉÉƺʸƔʾʷʼÊÅʺʷÐƻʸƔʸǹÅÈ»ÉÉƺʼʷƔʷÊÅʼʻƔʷÐƻʸƔʸǹÅÈ»ÉÉƺʾʷƔʷÊÅʾʷƔʼÐƻ ʷƔʹǹÅÈ»ÉÉƺʹʿƔʷÊÅʺʷƔʷÐƻʷƔʹǹÅÈ»ÉÉƺʼʷƔʷÊÅʼʻƔʷÐƻʷƔʹǹÅÈ»ÉÉƺʾʷƔʷÊÅʾʷƔʼÐƻÆËÈ¿ÅËÉÈ»ÉÆÅÄÉ» ÷½»ȷʿŠʾʷºÅÈÃÅÈ»ƺƻƑʽʷºÅÈÃÅÈ»ƺʼʷƭʾʷÐƻƑÈ»À»¹Ê¿ÅÄ ʾʷºÅÈÃÅÈ»»Â»¹Ê¿Ì¿ÊÏƭƭ ʹƔʻÁÐÅÈÃÅÈ»ƺƖʽºƻƑʻƔʻÁÐÅÈ»ÉÉƺƖʽʷºƻ ʼʷʷÐÅÈÃÅÈ»ƺƖʽºƻƑʸƔʹÁÐÅÈ»ÉÉƺƖʽʷºƻ ʽƔʷÁÐÅÈÃÅÈ»ƺƖʽºƻƑʸʹƔʷÁÐÅÈ»ÉÉƺƖʼʷºƻ ʸʹƔʷÁÐÅÈÃÅÈ»ƺƖʽºƻƑʹʼƔʷÁÐÅÈ»ÉÉƺƖʼʷºƻɾ¿¼Ê¼È»Ç˻ĹÏȷĽ» ̌ˀƔˀˀˀÁÐÅʹ¾¼¿ÂÊ»È·ÊÊ»ÄË·Ê¿ÅÄ ʾʷºÅÈÃÅÈ»»·Ê¹·Ä¹»Â·ÊÊ»ÄË·Ê¿ÅÄƺ·ÊʸÁÐƻ ʻʷºÅÈÃÅÈ»˺¿ÅÅËÊÆËÊ ʸƔʼƺʿǣƻ˺¿ÅÅËÊÆËÊ¿ÃÆ»º·Ä¹»ƺƔƻ ʿǣÆ»¹¿¼¿¹·Ê¿ÅÄÉ·È»É˸À»¹ÊÊÅ¹¾·Ä½»ͿʾÅËÊÄÅÊ¿¹»ºË»ÊÅ·ºÌ·Ä¹»Ã»ÄÊÉ¿ÄÊ»¹¾ÄÅÂŽÏƔʸˀʸˀƖʺ
© 2018

Navigation menu