Jablotron JA80K Control panel of alarm system with transmitter User Manual Exhibit 7 Instruction manual JA80K
Jablotron Ltd Control panel of alarm system with transmitter Exhibit 7 Instruction manual JA80K
Users Manual

JA-80K-US “Oasis”
Control panel installation manual
This manual is valid for control panel JA-80K version KE60108 (printed on internal circuit board).
The control panel can be configured by a PC running ComLink software - version 80 or higher.
Installation manual: Oasis security system JA-80K - 2 -
MKE55800
Contents:
1. CONTROL PANEL ARCHITECTURE ................................................... 3
1.1. O
PTIONAL SYSTEM CONFIGURATIONS
................................................ 4
2. INSTALLATION ..................................................................................... 4
2.1. P
OWER INLET
.................................................................................. 4
3. CONTROL PANEL MEMORY UNIT...................................................... 4
4. CONTROL PANEL CONNECTORS AND TERMINALS ...................... 4
5. WIRED KEYPAD CONNECTION .......................................................... 5
6. BACK-UP BATTERY ............................................................................. 5
7. POWERING-UP THE CONTROL PANEL FOR THE FIRST TIME....... 6
7.1. W
IRELESS KEYPAD ENROLLMENT
...................................................... 6
8. LANGUAGE SELECTION OF THE KEYPAD....................................... 6
9. RESETTING THE CONTROL PANEL .................................................. 6
10. CLOSING THE CONTROL PANEL COVER .................................... 6
11. ENROLLING WIRELESS DEVICES................................................. 6
11.1. I
NSTALLING WIRELESS DEVICES
......................................................... 6
11.2. E
NROLLING WIRELESS DEVICES TO THE CONTROL PANEL
.................... 6
11.3. T
ESTING ENROLLED DEVICES
............................................................ 7
11.4. M
EASURING SIGNAL STRENGTH
......................................................... 7
11.5. E
RASING ENROLLED DEVICES
............................................................ 7
11.6. E
NROLLING THE CONTROL PANEL TO
UC
AND
AC
MODULES
................ 7
12. CONTROL PANEL PROGRAMMING .............................................. 8
12.1. C
ONTROL PANEL PROGRAMMING SEQUENCES
.................................... 8
12.2. E
XIT DELAY TIME
............................................................................ 10
12.3. E
NTRANCE DELAY TIME
................................................................... 10
12.4. A
LARM DURATION TIME
................................................................... 11
12.5. PGX
AND
PGY
FUNCTIONS
............................................................ 11
12.6. C
HANGING TELEPHONE NUMBERS IN MAINTENANCE MODE
................. 11
12.7. R
ADIO INTERFERENCE INDICATION
................................................... 11
12.8. R
ADIO COMMUNICATIONS SUPERVISION
........................................... 11
12.9. RESET
ENABLED
.......................................................................... 11
12.10. E
NROLLMENT TO A SUB CONTROL PANEL FOR SETTING
(
ARMING
)
CONTROL
11
12.11. M
ASTER CODE RESET
................................................................ 12
12.12. C
ONTROL PANEL ENROLLMENT TO
UC
OR
AC
MODULES OR TO A SUB
CONTROL PANEL
12
12.13. S
ETTING
(A
RMING
)
WITHOUT AN ACCESS CODE
........................... 12
12.14. T
RIGGERED
-
DETECTOR INDICATION
............................................ 12
12.15. C
ONFIRMATION OF INTRUDER ALARMS
........................................ 12
12.16. E
XIT DELAY BEEPS
..................................................................... 12
12.17. E
XIT DELAY BEEPS WHILE PARTIALLY SETTING
(
ARMING
)............... 13
12.18. E
NTRANCE DELAY BEEPS
........................................................... 13
12.19. S
ETTING
(
ARMING
)
CONFIRMATION BY WIRED
-
SIREN CHIRP
........... 13
12.20. S
IRENS ALWAYS SOUND DURING AUDIBLE ALARMS
....................... 13
12.21. W
IRELESS SIREN ALARM ENABLED
(IW
AND
EW)......................... 13
12.22. A
UTO
-
BYPASS USER APPROVAL VIA THE
KEY
............................... 13
12.23. F
INAL
-
DOOR DETECTORS
........................................................... 13
12.24. P
ARTIAL SETTING
(
ARMING
)
OR SYSTEM SPLITTING
...................... 14
12.25. A
UTOMATIC SUMMER TIME
(
DAYLIGHT SAVING TIME
)..................... 14
12.26. T
AMPER ALARM IN RESPONSE TO AN INCREASE IN THE NUMBER OF
TRIGGERED TAMPER SENSORS
................................................................................ 14
12.27. O
PERATING THE
PG
OUTPUTS USING
8
AND
9 ............................. 14
12.28. P
ERMANENT ALARM STATUS DISPLAY FOR A SET SYSTEM
............. 14
12.29. T
AMPER ALARM IF UNSET
........................................................... 15
12.30. E
NGINEER RESET
...................................................................... 15
12.31. R
ECORDING
PG
OUTPUT ACTIVATION TO MEMORY
....................... 15
12.32. A
NNUAL CHECK NOTIFICATION
.................................................... 15
12.33. O
NLY SINGLE ALARM INDICATION
................................................ 15
12.34. S
ETTING
(
ARMING
)
BY SERVICE CODE
......................................... 15
12.35. A
UDIBLE PANIC ALARM
............................................................... 15
12.36. H
IGHER CONTROL
-
PANEL RECEIVER
-
SENSITIVITY
......................... 15
12.37. A
CCESS BY CODE PLUS CARD
..................................................... 16
12.38. A
UDIBLE
24
HOUR INTRUDER ALARM
........................................... 16
12.39. S
ERVICE MODE ONLY WITH SERVICE CODE AND MASTER CODE
...... 16
12.40. D
EVICE REACTIONS AND SECTION ASSIGNMENT
........................... 16
12.41. C
ODE
/
CARD REACTIONS AND SECTION ASSIGNMENT
.................... 17
12.42. E
NROLLMENT BY KEYING IN PRODUCTION CODES
......................... 17
12.43. A
UTOMATIC SETTING
/
UNSETTING SCHEDULE
............................... 17
12.44. C
HANGING THE SERVICE CODE
................................................... 17
12.45. G
O TO MAINTENANCE MODE
....................................................... 17
12.46. S
ETTING THE INTERNAL CLOCK
................................................... 17
12.47. E
DITING KEYPAD TEXT
............................................................... 18
13. OPERATING THE SYSTEM ........................................................... 18
13.1. T
HE SYSTEM KEYPAD
..................................................................... 18
13.1.1. Keypad indicators: ............................................................. 18
13.1.2. LCD display........................................................................ 18
13.1.3. Keypad display sleep-mode .............................................. 18
13.1.4. Keys ................................................................................... 18
13.1.5. Functions beginning with the key ..................................... 19
13.2. P
ROGRAMMING ACCESS CODES AND CARDS
..................................... 19
13.2.1. Programming access codes and cards ............................. 19
13.3. S
ETTING AND UNSETTING
(
ARMING
/
DISARMING
)
THE SYSTEM
............ 20
13.4. M
AINTENANCE
M
ODE
..................................................................... 20
13.4.1. Displaying which user/card positions are occupied ...........20
13.4.2. Bypassing devices ..............................................................20
13.4.3. Protecting a car near the system........................................20
14. OPERATING AND PROGRAMMING THE SYSTEM BY PC.........21
15. BASIC GUIDANCE FOR INSTALLERS..........................................21
16. TROUBLE-SHOOTING ....................................................................22
17. CONTROL PANEL TECHNICAL SPECIFICATIONS .....................22

Installation manual: Oasis security system JA-80K - 3 -
MKE55800
System installation shall only be undertaken by qualified
technicians holding a training certificate issued by an authorized
distributor. The manufacturer cannot be held responsible for any
damage or consequences related to the improper or incorrect
use of this product.
1. Control panel architecture
• The control panel has 50 addresses (01 to 50), meaning that
up to 50 wireless devices can be enrolled i.e. detectors,
keypads, keyfobs, sirens etc.
• When triggered, a detector sends a so-called natural signal
which dictates what the reaction of the control panel should
be. E.g. the natural signal of a door contact or PIR detector
can be an instant or delayed alarm which is selectable by a
DIP switch inside the detector. A keyfob, for instance, sends
signals for set (arm), unset (disarm) and panic.
o The control panel is factory-set to perform natural reactions
according to the signals sent from wireless devices. By
programming the addresses of the devices in the control
panel, it is possible to define how the control panel reacts to
individual wireless devices. E.g. a door detector assigned to
address 15 could trigger a panic reaction, and a keyfob
button using address 24 could cause a fire reaction etc.
• Wireless devices can be assigned to 3 sections: A,B or C.
Assignments to sections either have an effect when partial
setting is used e.g. only A is set, AB is set, or ABC is set
(which, for example, would be suitable for homes where A
could mean afternoon setting, AB night setting and ABC total
setting), or if the system was split into two independent
partitions A and B, with a common section C. In the second
case, each A or B section can be set individually, and C is
automatically set when both A and B have been set by users.
This would be suitable for two independent families in a single
house, or two companies in one building.
• There are two hard-wired inputs with programmable functions
assigned to addresses 01 and 02. If these two inputs are not
used, the two addresses can be used to enroll wireless
devices. Hard-wired inputs are also provided by some
wireless devices, such as keypads, door detectors, and PIR
movement detectors.
• The control panel has two alarm outputs: IW = internal
(indoor) warning and EW = external (outdoor) warning. Both
these signals are also available as wireless signals.
• There are two programmable outputs in the control panel,
PGX and PGY whose functions can be configured. The PG
outputs are not only available as physical control-panel
terminals, but also as radio signals for the control of UC and
AC receiver outputs.
• The system can be operated by user codes or user cards. The
system can recognise up to 50 different users. The system
can also be operated by wireless keyfobs, and if the control
panel is equipped with a suitable communicator it can also be
remotely controlled by mobile phone or the Internet.
• It is possible to program different reactions to access codes or
access cards and if the system is split, it is possible to
program which part of the building is accessible by a particular
code or card. Each of the possible 50 users can have his own
4-digit access code and/or access card. Setting (arming) and
unsetting (disarming) is possible by card or code, and if a
higher security level is needed it is possible to make it
compulsory to confirm the validity of a card by code entry.
• Programming the system is possible by Oasis keypads such
as the wireless JA-80F or the hard-wired JA-80E, and also by
computers running ComLink software. Further options offer
programming by mobile phone or the Internet.
• There is a power supply in the control panel and space for a
12V, 1.3 to 2.6 Ah back-up battery.
• To connect a hard-wired keypad or a computer, the control
panel is equipped with a digital bus provided by terminals and
RJ connectors.
• The control panel can be equipped with an optional
communicator to provide external communications to the
system. The JA-80Y GSM/GPRS communicator or JA80-
V LAN and phone line communicator both allow data to be
Communicator
Main board
Transformer
Back-up battery
Mains terminal
Digital bus connector
GSM antenna
tamper switch
SIM card
LEDs
Antenna

Installation manual: Oasis security system JA-80K - 4 -
MKE55800
sent to alarm receiving centres (central monitoring stations).
They can notify the user using SMS reports and allow remote
control and programming of the system by mobile phone and
the Internet. Another option is the JA-80X communicator
which reports alarms via a traditional phone line using voice
messages.
Note: The Oasis JA-80 system has three modes: operating
mode, maintenance mode and service mode. Operating
mode is for the day-to-day use of the system by all authorised
users, e.g. setting/unsetting (arming/disarming). Maintenance
mode is for the holder of the master code (system administrator)
to have limited programming of the system, e.g. changing
codes/cards, bypassing and is inaccessible to all other users.
Service mode is only for installers and is used to program and
control all aspects of the system.
1.1. Optional system configurations
In the European Union region, follow the valid standards and
rules, especially series EN-501-xx. The Oasis control panel
complies with grade 2.
The control panel must have one of the following configurations
as a minimum:
• At least two non-backup-battery sirens (JA-80L or SA-105) +
communicator class ATS2 (JA-80Y, JA-80V or JA-80X)
• At least one backup-battery siren (JA-80A or OS-360/365/300)
+ communicator class ATS2 (JA-80Y, JA-80V or JA-80X)
• No siren + communicator class ATS3 (JA-80Y or JA-80V)
Note: the above-recommended configurations are based on the
EU standard EN-50131-1 valid at the time of issuing this
manual.
2. Installation
The control panel can be attached to the wall using 3 screws.
The drilling template is on the last page of this manual.
• Because the control panel communicates via radio, it
should not be installed near any large metal objects
capable of shielding radio communication.
• Route cables (power supplies, telephone leads etc.) inside
the control panel before tightly screwing in the screws.
2.1. Power inlet
The control-panel power cable should only be installed by a
person holding a sufficient electro-technical qualification.
Mains fuse
T 200 mA
The control panel power supply is double-insulated (safety
class 2) and does not incorporate a protective earth wire.
• A double-insulated power cable should be used with a
minimum cross-sectional area of 0.75 to 1.5 mm
2
. The
power cable should be connected to a switched mains
supply fused to 10 Amps.
• In the control panel, connect the cable to the power
terminals equipped with a fuse of type T200mA/250V.
• Fix the cable firmly to the cable holder in the control
panel making sure that the wire ends are properly secured
and connected in the terminals.
01
COM
02
NC
NO
EW-C
IW
PGX
PGY
GND
A
B
+U
AC 20V
antenna connector
RESET
Communicator
connector
Wiring plug
Digital bus
1A +U
fuse for
Terminals for
transformer output
Radio
module
memory socket
3. Control panel memory unit
The control panel memory unit plugs into its own socket. If, for
example, the control panel was damaged, the memory unit could
be unplugged and then plugged into another control panel circuit
board of the same type to transfer and preserve the settings
including enrolled detectors, access codes and cards. The new
control panel thereby becomes an exact copy of the former one
(a clone).
Notes:
•
There are no communicator settings in this memory unit
•
Do not connect or disconnect the memory unit while the control panel
is powered.
•
Although the memory unit is well-protected, in cases of severe
damage to the control panel there is a risk that memory contents
could be corrupted. It is therefore highly recommended to back-up the
settings in a PC using Comlink software.
4. Control panel connectors and terminals
Antenna connector – This is used to connect either to an
internal antenna or to external antennas such as the AN-80 or
AN-81.
Reset link (normally open) – Used to reset the control panel by
shorting the link only while powering up the control panel. This
link can also be used to enter control panel enrollment mode by
briefly shorting the link while the control panel is powered.
Digital bus connector – for connecting a JA-80E keypad or a
PC running Comlink software with a JA-80T interface cable. The
same digital bus connector is present on the bottom right hand
corner of the plastic housing. Additionally, the same connections
are available on the GND, A, B, +U terminals.

Installation manual: Oasis security system JA-80K - 5 -
MKE55800
Communicator connector – allows the connection of an
optional communicator to the main board.
Internal wiring connector – connects the internal wiring in the
control panel housing.
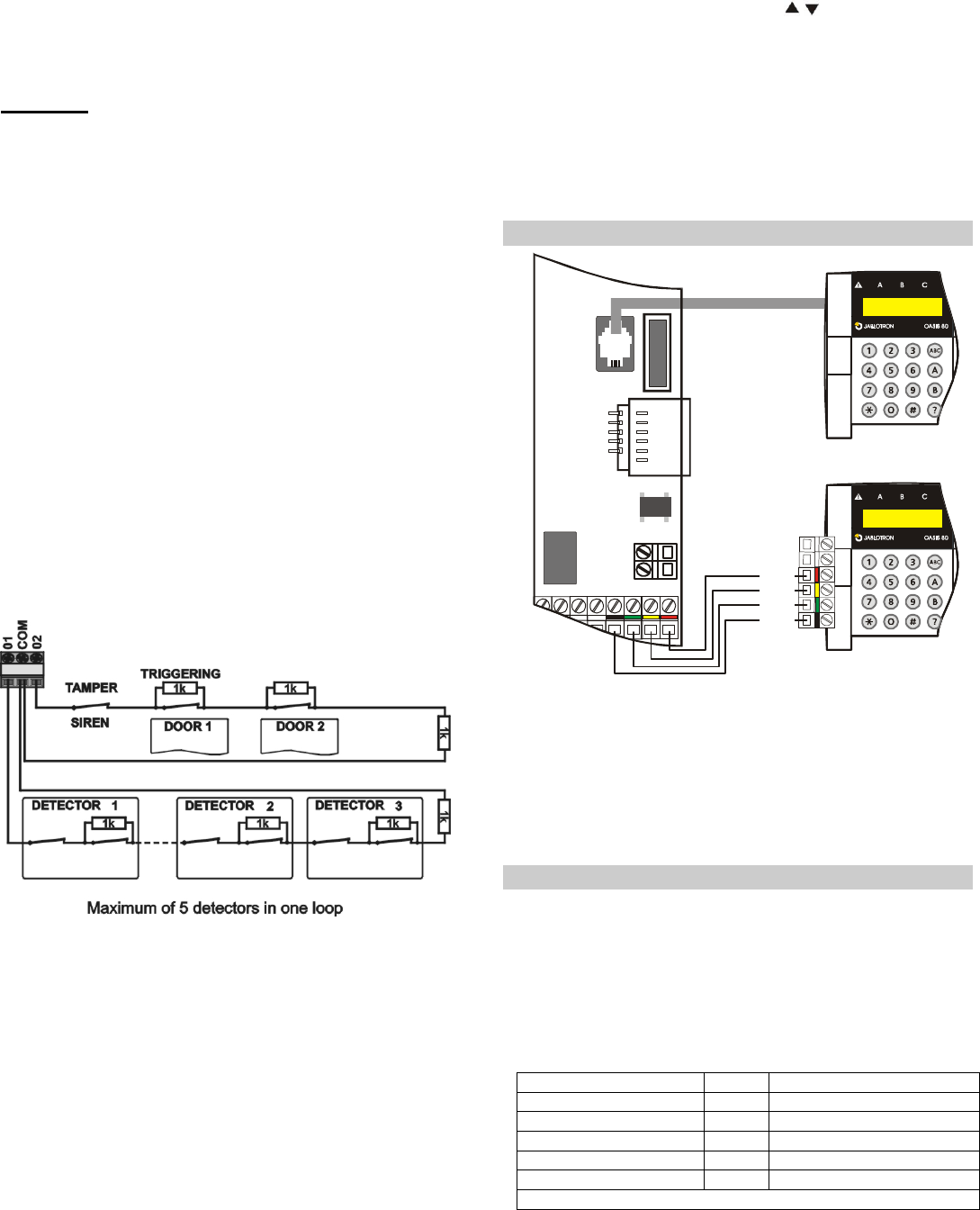
Terminals:
AC 20V the transformer output is connected here.
01, GND, 02 are hard-wired inputs for the control panel.
• The reactions to triggering these inputs are determined by the
settings of addresses 01 and 02. The factory-set natural
reaction for these hard-wired inputs is a delayed alarm in
section C.
• Terminals 01 and 02 use resistors in connected double
balanced loops to sense loop stand-by, activation or
tampering as follows:
o Connected to GND via a 1 kΩ
ΩΩ
Ω resistor = untriggered input
o Connected to GND via 2 to 6 kΩ
ΩΩ
Ω = triggered input,
o Connected to GND via less then 700Ω
ΩΩ
Ω or more then 6 kΩ
ΩΩ
Ω
= tamper signal
o Stand-by (untriggered) input zone must have 1 kΩ
ΩΩ
Ω
o Up to five normally-closed door/window contacts can be
connected in series to enable one hard-wired input to be
used for multiple contacts with each contact having a 1kΩ
ΩΩ
Ω
resistor in parallel (see the diagram below).
o Multiple normally-closed tamper contacts should be
connected in series without any parallel resistors. The
number of tamper contacts is unlimited and can be
combined with trigger contacts having parallel resistors (see
the diagram below).
o For wiring examples, see the below diagram.
o If you enroll a wireless device to address 01 or 02, the
corresponding input terminal will be disabled.
o If you do not use an input terminal and you do not enroll a
wireless device to its address, then the terminal must be
connected to the GND terminal via a 1 kΩ
ΩΩ
Ω resistor.
NC – normally closed contact for the external warning relay.
NO - normally open contact for the external warning relay.
EWC – common contact for the external warning relay max.
relay contact rating: 1A/60V. The control panel also transmits
the external warning relay signal via radio for wireless sirens.
IW – internal warning (siren) output. This output is grounded
during an internal alarm. A standard siren can be wired between
terminals +U and IW (max. 0.5A).
The IW output status is also
transmitted by radio for the IW siren.
The main difference between internal and external warning is during
the entrance delay period. If any instant detectors are triggered during
the entrance delay period, e.g. a child running straight to the living
room, only an internal warning will be triggered and an external
warning will only follow if the entrance delay has been exceeded.
PGX, PGY – are a pair of terminals providing programmable
outputs. If an output is activated it switches to GND with a
maximum load of 0.1A/12V. The factory-default setting of PGX is
the function ON/OFF which can be operated from the keypad by
the instruction ∗81 / ∗80 or using keys
). The factory-default
function of PGY is that it will be activated if any section of the
system is set. The status of PG outputs is also transmitted by
radio for AC and UC output modules.
GND – common ground connection
A,B – digital bus data
+U – back-up power supply (10 to 14V), 1A fuse. Max.
continuous load 0.4 A (max. intermittent load 1 A, for 15
minutes, once an hour). If the 1A fuse is blown, the control panel
will indicate power supply fault.
5. Wired keypad connection
GND A B U+
IN
+U
B
A
GND
GND
control and programming
keypad JA-80E
modular connection
cable
The control panel can be operated and programmed by JA-
80F wireless keypads and/or a JA-80E hard-wired keypad. A
hard-wired keypad can be connected to the control panel either
by flat telephone cable (max. length 10 metres) using RJ
connectors, or via twisted-pair cable (max. length 100 metres)
connected to the digital bus terminals (GND, A, B, +U).
We recommend only having a single JA-80E hard-wired
keypad in the system.
6. Back-up battery
It is possible to use a Jablotron-brand 12V back-up battery in
the control panel with capacities of 1.3Ah or 2.6no Ah. The
capacity to use depends on the total power consumption of the
system and the desired back-up period.
Euro-standard EN 50131-1 specifies a 12 hour minimum back-
up time for grade 2 systems. The standby consumption of all
system devices is shown in table 1.
Table 1- standby consumption of system devices
•
With a
1.3Ah
back-up battery 12 hours of back-up time can be realised if
current consumption does not exceed
85mA
. With
2.2Ah
batteries
150mA
should not be exceeded to achieve the same. This only takes
80% of the battery capacity into account as 20% has to be reserved for
battery aging effects.
•
The average
back-up battery lifetime
is
up to 5 years
after which it must
be replaced. The back-up battery is automatically charged and its
condition is monitored by the system. If the system is being run on only
the back-up battery a technical alarm occurs when the battery is
nearly discharged. If the voltage gets too low the battery will be
Device mA Note
Control panel JA-80K 50 No communicator
Keypad JA-80E 30
Keypad JA-80H (N) 60 Including a WJ-80 interface
Communicator JA-80Y 35
Communicator JA-80V 30
Wireless devices are not powered from the control panel.

Installation manual: Oasis security system JA-80K - 6 -
MKE55800
disconnected. After the mains supply has been restored battery
charging starts again and the system will begin to function again.
Ensure that the battery is correctly connected (Polarity: RED =
positive +, BLACK = negative -).
WARNING – the battery is sold charged – to maintain safety, avoid shorting
out the terminals !!!
7. Powering-up the control panel for the first
time
• First check all the wiring, and if a GSM communicator is
installed, insert its SIM card (PIN code disabled).
• Carefully connect the back-up battery,
• Carefully connect up the mains. A green LED will start
flashing on the control panel board.
• If a hard-wired keyboard is connected it will indicate Service
mode. If not, the control panel is not set to the factory default
and should be reset (see section 9.).
7.1. Wireless keypad enrollment
If no hard-wired keypad is connected to the control panel, and
the wireless keypad was not supplied as part of a JK kit, the
wireless keypad must be enrolled to the control panel as follows:
1. Have an opened keypad and its battery ready.
2. Check that the green LED in the control panel is flashing.
3. Short the reset link in the control panel for 1 second (e.g.
using a screwdriver). This will enter enrollment mode on
the control panel.
4. Install batteries into the keypad not far from the control
panel.
5. The keypad generates a beep sound and enrolls to
address. After that it indicates “Enrollment 04: Device”.
6. Press the # key to exit enrollment mode and “Service”
will be indicated on the keypad.
Warning:
• If the keypad does not enroll, then the control panel settings
are not the factory-defaults. In this case perform a reset and
repeat the enrollment procedure.
• If you want to assign the keypad to another address, re-
enter enrollment mode via the “1” key, then use the arrow
keys to select the desired address. Then disconnect the
keypad battery and reconnect it.
Recommendation: it is highly recommended to install the
wireless keypad with a magnetic door sensor wired to its hard-
wired input terminal. This way the keypad will wake up every
time after opening the door and it will produce entrance delay
beeps and will be ready to read access cards. It will also save
money on a wireless door detector.
8. Language selection of the keypad
If the
∗
key is kept pressed during battery connection, the internal
keypad menu will be displayed allowing the selection of the
desired
language
. Using the arrows, choose your language and confirm
selection by the
∗
key.
In this menu the door bell function can also be enabled or
disabled (if enabled the keypad makes a sound when its IN input
is triggered).
Notes:
• for the JA-80E wired keypad the power can be connected
by connecting its cable or by turning on the control panel
power
• if the wireless keypad has already had its battery
connected, it is necessary to disconnect the battery for a
while before pressing and holding the ∗ key
• the language can be selected for each individual keypad in
the system (i.e. different keypads can display different
languages – for example if foreigners are working in the
company)
9. Resetting the control panel
If you need to return the control panel to the factory-default
settings perform the following:
1. Disconnect the back-up battery and the mains (for
example by removing the fuse from its terminals).
2. Connect the RESET link and leave it connected.
3. Connect the back-up battery and the mains
4. Wait till the green LED starts flashing and then
disconnect the RESET link
Warning:
• After a RESET, all wireless devices are erased from the
control panel and all user codes and access cards are
“forgotten”.
• After a RESET, the Master code returns to 1234, and the
service code to 8080.
• If resetting is disabled (see 12.9) it is impossible to reset the
control panel.
10. Closing the control panel cover
After the keypad has started working it is possible to close the
control panel cover. Before this is done, check that the control
panel has an antenna connected.
11. Enrolling wireless devices
The control panel has 50 addresses (01 to 50), allowing the
enrollment of up to 50 wireless devices i.e. detectors, keypads,
keyfobs, sirens, etc. A wireless device can be assigned to an
address by enrollment or by entering its production code (see
12.42).
11.1. Installing wireless devices
Wireless devices can either be installed at their desired
locations first and then enrolled to the control panel or vice
versa. If there any doubts as to the suitability of device locations
for radio communication, temporarily attach the devices (e.g.
using adhesive tape) and test radio communication before
finalizing installation. Follow the manuals of the particular
devices during their installation.
11.2. Enrolling wireless devices to the control panel
1. The control panel should be in Service mode. If it is not,
then enter ∗0 service code (factory default: 8080). The
control panel must be unset (disarmed).
2. Press the “1” key, enrollment mode will be entered and the
first vacant address will be offered. For a new control panel
it will be 03.
3. Using the arrows keys and , you may select the
desired address. If the address is already occupied this is
indicated by the A indicator being lit.
4. The device will enroll to the selected address just after its
battery (power) is connected .
5. Enrollment is confirmed by the A indicator and the next
vacant address is then offered.
6. By connecting batteries to all devices one after the other
they will all be enrolled to the control panel. Press the # key
to exit enrollment mode.
teké
Notes:
• If a wireless device is enrolled to address 01 or 02 this will
disable the corresponding hard-wired input terminal (if a
wireless device is erased from address 01 or 02, the hard-
wired terminal will be re-enabled).
• Keyfobs type RC-8x can be enrolled by pressing and holding
a pair of buttons simultaneously, i.e.: + or + .
(enrollment by battery installation will enroll buttons + ).
This means that a 4-button keyfob can be enrolled to the

Installation manual: Oasis security system JA-80K - 7 -
MKE55800
control panel twice but to two different addresses with different
features –see 12.40.
• Only a single device can be enrolled to each address.
• When indicator A lights, it means the displayed address is
occupied and therefore no more devices can be enrolled to
this address.
• If a device has already been enrolled to an address, and it is
then re-enrolled to another address, the device’s address
assignment will change from the original address to the new
one.
• If a device cannot be enrolled to the control panel, either it
does not have a good wireless connection to the control panel
possibly due to excessive distance or it could be too close to
the control panel (closer than 2 meters is not permitted),
• To re-enroll a device, first disconnect its battery. Then wait
about 10 seconds or, to save time, press and release its
tamper switch to quickly discharge any remaining energy.
• A sub-control panel can be enrolled to a master control
panel by keying in the sequence 299 on the keypad of the sub
control panel which must be in Service mode. (see 12.10),
• If you intend to use final-door detectors in the system, they
must be enrolled to addresses 01 to 05 or 46 to 50 (see
12.23).
11.3. Testing enrolled devices
1. The control panel must have its antenna connected and be
in Service mode. If not in Service mode, then key in ∗0
service code (factory-default 8080). To enter Service mode
the control panel must be initially unset (disarmed).
2. Trigger the device to be tested (if it is a detector close its
cover first and then wait until it is ready for testing).
3. The keypad will beep and display a description of the signal
received from the device under test (the keypad cover
should be flipped open). We recommend technicians to
carry the wireless keypad around while testing to ease the
process.
Notes:
• Motion detectors JA-80P and JA-85P can be tested for a
maximum of 15 minutes after closing their covers. After this
period the detector will ignore frequent movements (see
detector manuals for details).
• Devices can also be tested in maintenance mode – see 13.4.
11.4. Measuring signal strength
1. The control panel must have its antenna connected and be
in Service Mode. If it is not, then enter ∗0 service code
(factory default: 8080). The control panel must be unset
(disarmed) to enter Service Mode.
2. Key in 298, and the lowest enrolled address will be
displayed.
3. Trigger the device enrolled to the displayed address. The
keypad display will show the received signal strength on a
scale of 1/4 to 4/4. Keep the keypad cover flipped open
while measuring signals.
4. Other addresses for devices can be selected using the
arrow keys to measure their signals too.
5. Exit signal measuring by pressing the # key.
Notes:
• Motion detectors JA-80P and JA-85P can be tested for a
maximum of 15 minutes after closing their covers. After this
period the detector will ignore frequent movements (see
detector manuals for details).
• Measuring the signals from a JA-80L internal siren can be
activated by pressing its button. A JA-80A outdoor siren can
be activated for signal strength measurement by opening its
cover thereby triggering its cover tamper switch.
• Each installed device should have a minimum signal strength
of 2/4. If the signal is too weak, the device should be relocated
or a higher control panel sensitivity can be selected. (see
12.36) Alternatively the control panel can be equipped with an
external antenna (see 10).
• This measurement shows the quality of the signal received
from the device at the control panel.
• The wireless keypad can be carried during installation or
testing by disabling its tamper contact via the jumper near the
tamper contact – do not forget to re-enable the tamper before
finishing the installation – Note: the keypad usually has a
slightly shorter working range than the detectors. Therefore, if
carried to more-distant detectors the triggering of the
detectors might not be shown.
• The most convenient way of measurement is via a computer
running ComLink SW.
11.5. Erasing enrolled devices
1. The control panel must be in Service Mode. If it is not, then
enter ∗0 service code (factory default: 8080). The control
panel must be unset (disarmed) to enter Service Mode.
2. Key in “1” to enter enrollment mode and using the arrow
keys select the desired address of the device you wish to
erase.
3. Press and hold the “2” key until a beep is heard and the A
indicator turns off.
4. After all the desired devices have been erased, press #.
Notes:
• To erase all wireless devices, press and hold the “4” key in
enrollment mode.
• If a wireless keypad is erased, it will stop communicating with
the control panel and must be re-enrolled before being used
again. (see 7.1).
11.6. Enrolling the control panel to UC and AC
modules
If you wish to use UC and AC modules to output PGX and PGY
signals, you must enroll the control panel to these modules as
follows:
1. The control panel must be in Service Mode. If it is not, then
enter ∗0 service code (factory default: 8080).
2. On the UC or AC module, enter the desired enrollment
mode (see the manual of the particular module)
3. Key in 299 on the control panel keypad and check that all
LEDs on the module flash a few times to confirm successful
enrollment.
Notes:
• Because the UC and AC modules have rather short
enrollment-period timeouts, we recommend locating the
module close to the control panel during enrollment.
Alternatively you could carry the wireless keypad close to the
module to perform enrollment.
• The control panel can be enrolled to the desired number of
UC/AC modules to control multiple PG outputs in an
installation.
• Each UC and AC module has 2 relays, X and Y which have to
go through enrollment separately. The X relay reacts to PGX
signals from an enrolled control panel and the Y relay reacts
to PGY signals from an enrolled control panel. The control
panel’s PGX signal can be enrolled to the X relay and the
control panel’s PGY signal can be enrolled to the Y relay.
Therefore, the enrollment procedure has to be done twice if
both relays are to be controlled by the control panel’s PG
signals.
• Only one control panel can be enrolled to a UC or AC receiver
because a control panel repeats its PG signals every 9

Installation manual: Oasis security system JA-80K - 8 -
MKE55800
minutes so it is impossible to combine multiple control panels
in one UC or AC receiver.
12. Control panel programming
The most convenient way to program the system is to use a
PC running Comlink software. The system can however also be
programmed by keying in the sequences in section 12.1.
• The system should be in Service mode (if not, enter the
following with the system unset: “∗0 Service code” – the
factory default is 8080)
• Enter the appropriate programming sequences – see the
following description (an unfinished sequence can be escaped
from by pressing the # key),
• To exit Service Mode press the # key.
12.1. Control panel programming sequences
Function Sequence Options
Factory
default
Notes
Entering enrollment mode
One wireless device (detector, keypad, key fob, siren or sub
control panel) can be enrolled to each
address from 01 to 50
.
The system offers vacant addresses one by one, if all
addresses are occupied no devices can be enrolled.
A device enrolled to address 01 or 02 disables the
corresponding hard-wired input 01 or 02.
In addition to enrollment mode, devices can also be enrolled
by keying in their production codes (see 12.42).
1
Keys:
up/down arrows
= address
scrolling
holding
2
=
erases the displayed
address
holding
4
=
erases all
addresses
#
=
exiting
enrollment mode
nothing
•
devices enroll by
connecting their
power (battery),
keyfobs also by
pressing & holding a
pair of their buttons
•
an occupied address
is indicated by the A
indicator being lit
•
enrolling a device to
a new address will
move it there
Exit delay time 20x
x
= 1 to 9 (x10 s =10 to 90 s) 30s
Entrance delay time 21x
x
= 1 to 9 (x 5 s = 5 to 45 s) 20s
if a final door detector
is used, then x is
multiplied by 30s
instead (i.e. from 30
to 270s)
Alarm duration time 22x
x
= 1 to 8 (min.), 9=15min 4 min. 0=10s (for testing)
PGX function 23x
7
on/off
(∗
80/
∗
81)
PGY function 24x
x in an unsplit system:
0 - whole system set (ABC) =
PG on
1 - any system part set = PG on
2 - AB set (not C) = PG on
3 - Fire alarm = PG on
4 - Panic alarm = PG on
5 - Any alarm = PG on
6 - AC dropout = PG on
7 - PG on/off (by
∗
80 /
∗
81 for
PGX and
∗
90/
∗
91 for PGY)
8 – Single 2 s pulse (keys
∗
8=X,
∗
9=Y)
1
any
system
part set
x in a split system
0 - alarm A = PG on
1 - alarm B = PG on
2 - entrance delay A =
= PG on
3 - entrance delay B =
PG on
4 - A set = X on, B set
= Y on
5 - A panic = X on, B
panic = Y on
6 - Fire = X on, AC
dropout = Y on.
7 - PG on/off (by
∗
80
/
∗
81for PGX and
∗
90/
∗
91 for PGY)
8 – Single 2 s pulse
(keys
∗
8=X,
∗
9=Y)
Enablement of telephone number changes in
maintenance mode
25x
251 = YES 250 = NO
NO see communicator
Radio interference indication 26x
261 = YES 260 = NO
NO 30s or longer
Radio communication supervision 27x
271 = YES 270 = NO
NO
RESET enabled 28x
281 = YES 280 = NO
YES
Master control panel enrollment to a sub control
panel for setting (arming) control
290
The sequence triggers
enrollment.
(Un)setting the master control
panel will (un)set the sub control p.
The sub c. panel must be in
enrollment mode.
Master code reset 291
Returns master code to 1234
It has no effect on other codes and
it is recorded in the control panel
memory
Measuring signal strength 298
Activates measurement
arrow keys scroll addresses,
# halts measurement.
Enrolling the control panel to UC, AC or a sub
control panel
299
The sequence triggers
enrollment.
see 12.10
Setting (arming) without an access code 30x
301 = YES 300 = NO
YES by keying: A, B, ABC,
∗
1,
∗
2,
∗
3,
∗
4
Triggered detector indication
by text on the keypad display
31x
311 = YES 310 = NO
YES allows the display of
open windows &
doors,
to view details press
?
Confirmation of intruder alarms
In this mode, the triggering of an intruder detector in a set
(armed) section will only be recorded to the memory as an
unconfirmed alarm and if then followed by the activation of any
32x
321 = YES 320 = NO
NO An alarm can be
confirmed by any
other intruder detector
in any section which

Installation manual: Oasis security system JA-80K - 9 -
MKE55800
other intruder detector within 40 minutes, an alarm will be
triggered. If the first triggered detector has a DEL reaction and
it is not confirmed by any other detector, it will not trigger an
alarm after the entrance delay has expired.
is set (armed).
Exit delay beeps 33x
331 = YES 330 = NO
YES The last 5 s faster
Exit delay beeps while partially arming 34x
341 = YES 340 = NO
NO The last 5 s faster
Entrance delay beeps 35x
351 = YES 350 = NO
YES
Setting (arming) confirmation by wired-siren chirp 36x
361 = YES 360 = NO
NO IW terminal only
Siren always sounds during audible alarms 37x
371 = YES 370 = NO
YES NO = siren only
sounds if the system
is completely set
(armed)
Wireless-siren alarms enabled (IW & EW) 38x
381 = YES 380 = NO
YES
Auto-bypass user approval via the ∗
∗ ∗
∗ key
If a detector is active during setting (arming), the system will
automatically bypass it (them), immediately (390), or after
keying in
∗
∗∗
∗
(391)
39x
391 = YES 390 = NO
NO to confirm auto-
bypass while exiting
Service mode press #
twice
Final-door detectors
If this function is used, then Exit & Entrance delay settings are
multiplied by 30s. A triggered final-door detector extends the
exit delay, de-triggering of the last final-door detector ends the
exit delay.
65x
0=none, 1=detectors 01 to 05,
2=detectors 46 to 50
x = 0 If multiple F. door
detectors are used,
then triggered
state=any of them,
non triggered state=all
of them
Partial setting (arming) or system splitting 66x
0 = unsplit system
1 = partial setting (A, AB, ABC)
2 = split system A, B & common
section C (set if A & B are set)
unsplit
Automatic Summer Time (Daylight Saving Time) 680x
6801 = YES 6800 = NO
NO Changes internal
clock + 1h on Apr.1 &
-1h on Nov.1
Tamper-signal differential indication -
Tamper alarm in response to an increase in the
number of triggered tamper sensors
681x
6811 =
ignore permanently
triggered tamper sensors, i.e.
only react to an increase in
the number of triggered
tamper sensors
6810 =
react with a tamper
alarm to all triggered tamper
sensors
X = 0 Suppresses the
indication of
permanently triggered
tamper sensors
Operating the PG outputs using ∗
∗∗
∗8 and ∗
∗∗
∗9 682x
6821 = YES 6820 = NO
YES if yes then arrow keys
can also operate PGX
Permanent alarm status display for a set system 683x
6831 = YES 6830 = NO
NO suppresses the 3min.
display timeout
Tamper alarm if unset (disarmed) 684x
6841 = YES 6840 = NO
NO
Recording PG output activation to memory 685x
6851 = YES 6850 = NO
YES
Engineer reset 668x
6851 = YES 6850 = N0
NO
Annual check requirement display
If enabled then 12 months after exiting Service Mode an
annual technical check request is displayed on the keypad unit
(mobile phone & ARC notification optional)
690x
6901 = YES 6900 = NO
NO
Only single alarm indication
If enabled then another intruder alarm can not be triggered
during an intruder alarm currently in progress.
691x
6911 = YES 6910 = NO
NO
Setting (arming) by service code 692x
6921 = YES 6920 = NO
NO only with the master
code holder’s
approval
Audible panic alarm 693x
6931 = YES 6930 = NO
NO
Higher control-panel receiver-sensitivity
Extends the communication range if there is no RF
interference
694x
6940 = normal 6941 = higher
normal
Access by Code plus Card
If enabled and there is a code and card assigned to the same
user, then both of them must be presented for setting (arming)
control (in any order).
695x
6951 = Code+Card
6950 = Code or Card
code or
card
Audible 24h intruder alarm
696x
6961 = YES 6960 = NO
YES
Service mode only with Service + Master code 697x
6971 = YES 6970 = NO
NO

Installation manual: Oasis security system JA-80K - 10 -
MKE55800
Device reactions and section assignment
(detectors,
key fobs, control panel and keypad inputs)
•
A detector’s natural reaction
can be INS, DEL or Fire
(selectable in the detector)
•
The natural reaction
of
Control panel & Keypad wired
inputs
is DEL
Keyfob natural reactions:
(or )= SET (arm) ,
(or )= UNSET (disarm) and both simultaneously = Panic. If a
reaction from 2 to 8 is selected (see opposite), only the key
(or ) and double buttons + ( + ) will have it.
The ( ) button has no effect (can still be used for
controlling UC/AC receivers).
•
Assignment to sections
will only have an effect on partial
arming or if the system is split (except PG output control)
•
For partial arming,
a
pair of
keyfob
buttons assigned to
section:
A has the effect:
(or )=SET A, (or )=SET AB
B has the effect:
(or )=SET A, (or )=SET AB
C has the effect:
(or )=SET ABC, (or )=UNSET
ABC
•
In a split system, a keyfob
button pair assigned to section:
A=SET/UNSET A, B =SET/UNSET B, C =SET/UNSET ABC
61 nn r s
Code (card) reactions and section assignment
•
A code (card) may have the same kind of reaction as
devices
62 nn r s
nn
=
address
01 to 50
r = reaction
0 disabled (incl. tamper sensor)
1
Natural
– this means:
for detectors
=selected by
DIP switch in the detector,
for wired inputs
=DELay,
for Codes
(cards
)=SET/UNSET
2 Panic
3 Fire
4 24 hours
5 Next DELay
6 INStant
7 SET (arm)
8 PG control (s: 1=PGX,
2=PGY,3=PGX+PGY)
9 SET/UNSET (toggle)
s = section
1=A, 2=B, 3=C - has
to be entered even if the system
is not split and setting
(arming)has no meaning.
In a split system, a code (card)
assigned to C will SET/UNSET
all ABC sections
all Natural
in C
Enrollment by keying in production codes 60 nn xxxxxxxx
nn
= address 01 to 50,
xxxxxxxx
= last 8 digits of the
production code (below the bar code on the device)
Automatic Daily Setting/Unsetting schedule
(arming/disarming)
64
nahhmm
n –
action sequence index (0 to
9)
a –
action:
0=no action
1=SET ABC
2=UNSET ABC
3=SET A
4=SET B (if unsplit then AB)
5=UNSET A (if unsplit then ABC)
6=UNSET B (if unsplit then ABC)
hh -
hours,
mm -
minutes
No action
The scheduled
actions will happen
every day
Changing the service code 5 NC NC
NC = new code
(4 digits)
8080
enter NC twice
Go to maintenance mode 292
switches to
maintenance
mode
-
Setting the internal clock 4 hh mm DD MM YY
00:00 1.1.00
Editing keypad text
Text for device names, code names and PG output names are
stored in each individual keypad.
Press and hold the
?
key to enter text editing
(the first character of the first address name
will start flashing). Then use keys:
and to select some text (or an address)
1
&
7
character selection (A,B,C,D...8,9,0)
4
&
5
cursor (to the left & right)
2
to erase a character
# =
# = # =
# =
exit editing
and save changes
Device Only capital letters
can be entered this
way. If there are
multiple keypads,
each must be edited
individually this way
or all of them can be
easily programmed
via Comlink software
12.2. Exit delay time
An exit delay time occurs while setting (arming) the system.
During this time period delayed or next-delayed detectors can be
triggered without an alarm occurring. To program the delay time,
enter:
20x
where x is a number from 1 to 9 determining the
duration in steps of tens of seconds (1=10 s,
2=20 s,....)
If there is a final-door detector in the system then the
exit delay is multiplied by 30 s instead(1=30 s,
2=60 s,...)
Example: To program a 20 seconds exit delay, use the
sequence 202 (if there is a final door detector, a 60 seconds
delay will result) .
Factory default setting: x = 3
12.3. Entrance delay time
The entrance delay time is provided to unset (disarm) the
system after a first delayed detector has been triggered. To
program this time, enter:
21x
where x is an number from 1 to 9 determining the
delay in multiples of 5 seconds ( 1=5 s,
2=10 s,....)
If the entrance delay is triggered by a final-
door detector, then parameter x is multiplied
by 30 s instead. (1=30 s, 2=60 s,...) – in this
case it means that the entrance delay would
be six times longer than if it had been
triggered by an ordinary detector.
Example: To program a 20 seconds entrance delay, enter the
sequence 214 ( if the delay has been activated by a final-door
detector, a 120 seconds delay will result instead).
Factory default setting: x = 4

Installation manual: Oasis security system JA-80K - 11 -
MKE55800
12.4. Alarm duration time
This parameter limits the duration of a triggered alarm. After the
alarm state expires, the control panel will return to its previous
state, i.e. as before the alarm occurred. The alarm state can also
be terminated by an authorised user. To program the alarm
duration enter:
22x
where x is a number from 0 to 9 determining
the alarm duration: 0 = 10 s, 1 = 1 min., 2 = 2
min. up to 8 = 8 min., 9 = 15 min.
Note: There can be up to 5 different alarms in the system: intruder,
tamper, fire, panic, and technical alarm
.
Example: Alarm duration of 5 min. = sequence 225
Factory default setting: 4 minutes
12.5. PGX and PGY functions
The functions of PGX and PGY can be programmed by entering
sequences:
2 3 x
for PGX
2 4 x
for PGY
where x determines the PG function or the event which triggers
a change of PG state:
x Unsplit system Split system
0 Completely (ABC) set
= PG on
Alarm A = PG on
1 Anything set = PG on Alarm B = PG on
2 AB set
(not ABC)
= PG
on
Entrance delay A = PG on
3 Fire alarm = PG on Entrance delay B = PG on
4 Panic = PG on A set = PGX on, B set = PGY on
5 Any alarm = PG on Panic A = PGX on
Panic B = PGY on
6 AC dropout = PG on Fire = PGX on, dropout =PGY on
7* ON/OFF
8* 2 seconds pulse
* The ON/OFF and 2 second pulse functions can be controlled from
the keypad by keying in * 8, *9 or using the arrow keys
(see
12.27) or they can be operated by a code or card. These PG output
functions can also controlled by signals from keyfobs or detectors (see
12.41).
Notes:
•
The PGX and PGY outputs are not only provided as control panel
terminals, but the signals are also wirelessly transmitted for UC and
AC modules.
•
The status of PGX and PGY outputs can be displayed by pressing
the “?” key. The names of the outputs can be edited – see 12.47.
Example (for unsplit systems): Assigning an ON/OFF function
to the PGX output = sequence 237. Assigning a panic function to
the PGY output = sequence 244.
Factory default setting: PgX= ON/OFF, PgY= anything set
12.6. Changing telephone numbers in maintenance
mode
If the control panel is equipped with a JA-80Y, JA-80V or JA-80X
communicator, then this sequence enables the holder of the
master code (system administrator) to program telephone
numbers for alarm reporting in maintenance mode.
Programming telephone numbers is the same as in Service
mode (see communicator manual):
2 5 1 programming enabled
2 5 0 programming disabled
Factory default setting: programming disabled.
12.7. Radio interference indication
The control panel is capable of detecting and indicating radio
communication jamming. If this function is enabled, any radio
jamming longer than 30 s will trigger fault indication.
2 6 1 enabled
2 6 0 disabled
Factory default setting: disabled.
Note: In some places the system can be permanently or occasionally
affected by radio interference, e.g. by nearby radar stations, TV
transmitters etc. In most cases the system can tolerate such effects, but
with this anti-jamming function disabled.
12.8. Radio communications supervision
If enabled, the control panel can routinely check wireless
connections to its devices. If communication with a particular
device is lost, the control panel can communicate a fault indication
to the user:
2 7 1 indication enabled
2 7 0 indication disabled
Notes:
•
In the Oasis system, communication is checked every 9 mins.
•
In detectors used for car protection, (JA-85P, JA-85B) it is possible to
disable radio communication supervision. It allows car detectors to be
excluded from supervision to avoid alarm triggering when driving the
car away from the system.
•
Random dropouts in communication can occur in some installations
near e.g. airports or TV towers. The system is still reliable in such
situations as high-priority transmissions are repeated often. We
recommend disabling communications supervision in cases like this.
Factory default setting: supervision disabled.
12.9. RESET enabled
If resetting is enabled, it is possible to return the control panel to
its original factory-default settings via the reset link on the main
board. (see section 9.).
2 8 1 RESET enabled
2 8 0 RESET disabled
Warning: If resetting is disabled and the service code has been
forgotten, it would no longer be possible to enter Service mode. If this
happens, send the control panel back to the manufacturer.
Factory default setting: RESET enabled.
12.10. Enrollment to a sub control panel for setting
(arming) control
If the control panel has another Oasis control panel enrolled
as a sub-system, then the sub-system reports all alarms,
tampering and faults to the master control panel. The master
control panel reacts to particular signals accordingly, and
displays the sub control panel’s address as the source.
After sub control panel enrollment to the master control
panel, these two panels are independent concerning setting
control. Each panel can be operated by its own keypads or
keyfobs. If there is an alarm or fault in the sub control panel, it is
also indicated on the master control panel. In this configuration it
is impossible to control the sub control panel from the master
control panel..
If it is desired to control a sub control panel from a master
control panel (i.e. setting/unsetting), it is possible to enroll a JA-
80 Oasis master control panel to a sub control panel as a
remote control as follows:
1. First enroll the sub control panel to the desired address in the
master control panel by entering 299 on the sub control
panel’s keypad in Service Mode - see 11.2.7 for full details.
2. Switch the master control panel to Service Mode.

Installation manual: Oasis security system JA-80K - 12 -
MKE55800
3. In the sub control panel, enter enrollment mode by keying in
“1” in Service Mode and select the desired address.
4. In the master control panel enter 290. This way the control
panel will enroll to the sub control panel to the desired
address as a remote control.
5. Switch both control panels to maintenance mode and check
that all-section setting of the master control panel also sets
the sub control panel and unsetting the master control panel
unsets the sub control panel too. Expect approximately 2
seconds of delay between control panels.
Notes for operating the sub control panel:
•
The sub control panel can still be operated independently via its
keyfob or keypad e.g. it can be set while the master control panel is
unset. If the master control panel changes its status later on, it will
then control the sub control panel to achieve synchronisation.
•
To disable the master control panel’s ability to control the sub control
panel, enter the sub control panel’s enrollment mode, select the
address where the master control panel is enrolled and erase the
master control panel from this address by pressing and holding key 2.
12.11. Master code reset
If the master code has been forgotten or a card lost, it is
possible to use the following sequence to reset the master code
to the factory-default 1234:
291
Note:
Resetting the master code has no effect on other codes and
cards. Resets are recorded in the control panel memory and sent to the
ARC if used (
A
larm
R
eceiving
C
entre, previously called a central
monitoring station).
12.12. Control panel enrollment to UC or AC modules
or to a sub control panel
Keying in
299
sends an enrollment signal to enroll the control
panel to UC-82 or AC-82 receiving modules (see 11.6). This
sequence can also be used to enroll a sub control panel to a
master control panel (see 12.10).
12.13. Setting (Arming) without an access code
“Hot” setting keys (short-cut keys for setting) A, B, ABC or
entering “∗ number” can be enabled for use without a valid access
code or card. If disabled, then hot key use or entering “∗ number”
has to be followed by a valid access code or card to have any
effect:
Function/sequence
301 300
All-section setting ABC key Code/card
Setting of A A key A key, code/card
Setting of AB (or B) B key B key, code/card
Event memory recall ∗
∗ ∗
∗4 ∗
∗∗
∗4 code/card
• If you remotely operate the system by mobile phone, you can
press ∗1 for the ABC key, ∗2 for key A, and ∗3 for key B.
• Controlling the PG outputs by keying in ∗8 or ∗9 or pressing
and is unaffected by these settings. These keys can
however be disabled by a special sequence (see 12.27).
Factory default setting: Setting (arming) without an access
code enabled.
12.14. Triggered-detector indication
Pressing the ? key checks if any detectors are permanently
triggered, e.g. if any doors or windows are open. The following
sequence enables the display of text concerning active
detectors.
3 1 1 indication enabled
3 1 0 indication disabled
Factory default setting: indication enabled
12.15. Confirmation of intruder alarms
To reduce the risk of false alarms and to comply with British
standard BSI DD243, the control panel allows alarm
confirmation logic to be enabled as follows:
3 2 1 confirmation logic enabled
3 2 0 confirmation logic disabled
Confirmation logic:
• If the system is set (armed) and any intruder detector gets
triggered, i.e. a detector with an instant, delayed, or next-
delayed reaction, an alarm will not be caused but the control
panel will record a so-called unconfirmed alarm.
• If any other intruder detector is triggered in a set section within
40 minutes of the above event, an intruder alarm will be
triggered. If no other detector is triggered during this period,
the control panel will stop waiting for confirmation.
• The alarm must be confirmed by another detector than the
first one, and if the second one is a motion detector its
detection area must not cover the same area as the first
detector to be triggered. This must be ensured by the proper
location of detectors.
• An unconfirmed alarm is recorded in control panel memory but
can also be sent to the ARC, or to the user by SMS report.
• If the first triggered detector has a delayed reaction, it will start
a so-called unconfirmed entrance delay. This delay is
indicated the same way as an ordinary entrance delay, but if
no other delayed detector is triggered during this delay, there
will be no alarm if the unconfirmed entrance delay is
exceeded, with another unconfirmed alarm being recorded in
the control panel memory. If there is any other delayed or
next-delayed detector triggered during the entrance delay
period, it will confirm the entrance delay, and if this delay is
exceeded (due to no unsetting being done) it will trigger an
intruder alarm at the end of the delay.
• If the unconfirmed entrance delay is confirmed by an instant
detector it will trigger an internal warning alarm immediately
(e.g. an internal siren) and if the entrance delay times out then
an external alarm will be triggered.
• An unconfirmed alarm can be confirmed by any other intruder
detectors in the system as long as the detectors are assigned
to a set (armed) section.
• The confirmation of intruder alarms has no effect on fire,
panic, 24-hour, tamper, or technical alarms. These alarms are
triggered immediately without confirmation.
Note: When the first detector is triggered it begins a process
which waits 40 minutes for any possible confirmation of the
alarm (unconfirmed alarm status) during which the system works
exactly the same way as if the confirmation function had not
been enabled.
Warning: If intruder alarm confirmation is enabled, it is
necessary to install enough detectors in the building to detect an
intruder even if he/she is only moving in one particular place.
Factory default setting: confirmation disabled
12.16. Exit delay beeps
The exit delay can be indicated by beeps from the keypad and
internal siren. The beeps get faster in the last 5 seconds.
3 3 1 Beeps enabled
3 3 0 Beeps disabled
Factory default setting: Beeps enabled.

Installation manual: Oasis security system JA-80K - 13 -
MKE55800
12.17. Exit delay beeps while partially setting
(arming)
The exit delay caused by partial setting, e.g. using the A or B
key, can also be indicated by keypad beeps and internal-siren
beeps. The beeps get faster in the last 5 seconds.
3 4 1 Beeps enabled
3 4 0 Beeps disabled
Factory default setting: Beeps disabled.
12.18. Entrance delay beeps
The entrance delay can be indicated by keypad beeps and
internal-siren beeps:
3 5 1 Beeps enabled
3 5 0 Beeps disabled
Factory default setting: Beeps enabled
12.19. Setting (arming) confirmation by wired-siren
chirp
A hard-wired siren connected to the IW terminal of the control
panel can audibly indicate setting by one beep, unsetting by two
beeps and unsetting after an alarm by three beeps. Four beeps
mean an invalid attempt at setting the system has occurred.
3 6 1 Chirps enabled
3 6 0 Chirps disabled
Note:
In JA-80L wireless sirens, this function can be individually enabled
for each siren. (see the siren manual).
Factory default setting: Hard-wired siren chirps disabled
12.20. Sirens always sound during audible alarms
Using this sequence it is possible to disable internal and external
sirens (IW and EW) if any part of the system is unset (partial
setting), i.e. when someone is home.
3 7 1 Sirens always sound during audible alarms
3 7 0 Sirens only sound during audible alarms when all
sections are set, i.e. no one is home
Factory default setting: Sirens always sound during audible
alarms.
12.21. Wireless siren alarm enabled (IW and EW)
This setting is for enabling and disabling wireless sirens in the
system:
3 8 1 wireless sirens enabled
3 8 0 wireless sirens disabled
Note:
This setting has no effect on wired output terminals.
Factory default setting: wireless sirens enabled
12.22. Auto-bypass user approval via the ∗
∗∗
∗ key
The system has a built-in auto-bypass function so that if any
number of detectors are being triggered during setting (arming)
then they will be bypassed and ignored automatically.
If auto-bypass approval by the user is disabled, then during
setting (arming) the system notes which detectors are currently
triggered and automatically bypasses them without consulting
the user.
If however, auto-bypass user approval is enabled, then during
setting (arming), the system notes which detectors are currently
triggered and displays informative text on the keypad and only
bypasses them if the user approves the bypassing by keying in a
∗ within 6 seconds of being notified.
3 9 1 Approval is requested from the user
3 9 0 Bypassing occurs automatically without user approval
Notes regarding setting the system with (a) triggered detector(s):
•
Details on currently triggered detectors can be viewed by pressing the
? key (e.g. open doors or windows).
•
If a wireless keyfob is used to set the system and auto-bypass user
approval is enabled, the system will set without bypass approval, i.e.
setting by keyfob does not trigger an approval request.
•
The automatic bypass of a detector will end after the detector has
been de-triggered (for example if a door is closed)
•
If auto-bypass user approval is enabled and Service mode is being
exited while a detector is being triggered, the installer will be notified
about the bypass. The installer can then approve the bypass by
pressing # twice.
•
To comply with the EN-50131-1standard 391 should be set.
Factory default setting: Bypassing occurs automatically
without user approval
12.23. Final-door detectors
In this mode, up to 5 detectors can be defined as final-door
detectors and assigned to addresses 01 to 05 or 46 to 50 in
order to make leaving a building much easier, especially via a
garage:
65x
where x: 0 = none,
1 = detectors on addresses 01 to 05,
2 = detectors on addresses 46 to 50
Description of final-door detector mode:
• If a final-door detector is used in the system then the value of
x for exit delay programming is multiplied by 30 s (see 12.1)
thereby extending the delay, and if an entrance delay is
triggered by a final-door detector then the value of x for the
entrance delay is also multiplied by a larger value of 30 s.
• A final-door detector should be programmed to have a natural
reaction.
• Door/window detectors, hard-wired control panel inputs or
hard-wired inputs in the wireless keypad unit can be used as
final-door detectors.
• If a final-door detector is used for a garage door, no instant
detectors should be inside the garage. Next-delay detectors
would however be acceptable.
Setting (arming) the system with a final-door detector
• After entering a request to set the system, an exit delay of
between 30 to 270 seconds will begin and be indicated.
• If a final-door detector is triggered during the exit delay, the
exit delay will be extended by the time in which the detector is
still triggered. So, if for example, the door is left continuously
open, the exit delay will never end.
• If a final-door detector is de-triggered, the system will wait five
more seconds during which beeping gets faster, and if the
door is not opened again during this short period, the exit
delay will terminate and the system will be set immediately.
• The duration of the exit delay therefore depends on the time
the final door stays open. For instance, in winter if the
driveway in front of a garage needs to be cleared of snow
there will be plenty of time to do it, and in summer when
garages can be exited easily and therefore quickly, the exit
delay can be rather shorter. The exit delay only depends on
the length of time the garage door is left open.
• If no final-door detectors are triggered during the exit delay,
the system will provide an exit delay and then set.
• If the final door detector stays continuously triggered, an
endless exit delay will result with the system never being set.
This means all delayed and next-delayed detectors will not be
set (armed).
• If there are multiple final-door detectors in the system, the exit
delay is extended if any of them is triggered and ends after all
final-door detectors have been de-triggered.

Installation manual: Oasis security system JA-80K - 14 -
MKE55800
Unsetting (disarming) the system with a final door detector
• If a final-door detector gets triggered in a set (armed) system,
an entrance delay will begin with a duration of between 30 and
270 seconds.
• If a normal delayed detector gets triggered while the user
enters a building, the system starts an ordinary entrance delay
of between 5 and 45 seconds.
• If a final-door detector is triggered first, a longer entrance
delay will begin. If during this delay an ordinary delayed
detector is then triggered, the remaining entrance delay will
then be shortened to the delay associated with detectors of
this kind.
Note:
Only use status-reporting detectors such as the JA-80M or JA-
82M, or the hard-wired inputs of wireless keypads, or the hard-wired
inputs of a control panel as final-door detectors. This mode is unsuitable
for pulse detectors such as JA-80P motion detectors, or the hard-wired
inputs of JA-80E hard-wired keypads which also have a pulse reaction.
Factory default setting: No final-door detectors in the system.
12.24. Partial setting (arming) or system splitting
The control panel can be configured in three ways as follows:
• the entire system sets and unsets together or,
• the system partially sets and unsets to protect only
certain parts of a house during the day, while people
are still present in the unset parts or,
• the system can be split into two independently
set/unset sections for two separate users and also with
a common section if desired.
Program as follows to configure the system as desired:
66x
where x =0 = unsplit system (setting/unsetting as an
entire system)
x=1 = partial setting (for setting sections A, AB,
or ABC)
x=2 = split system (sections A and B can be
set/unset independently by separate users,
with section C only being automatically set
when both A and B are manually set)
Notes:
•
For an unsplit system, all intruder detectors are set/unset
immediately after the user sets/unsets the system. Assigning wireless
devices, access codes and keyfobs to various sections of the system
has no effect in this mode.
•
Partial setting is especially suitable for homes and apartments where
the user wishes to protect different parts of the premises during the
day. Detectors can be assigned to three sections, A, B and C. Using
setting (arming) key A on the system keypad, you can set section A,
e.g. setting the garage area in the afternoon. Using setting key B you
can set sections A and B simultaneously e.g. in the evening before
going to sleep to protect the garage (section A) and the ground floor
of the house (section B). The ABC total-setting button is used when
leaving the home to set all sections, A,B and C. If you then use a valid
access code or card for unsetting (disarming), all sections will be
unset. The assignment of codes or cards to sections has no effect in
this mode.
•
A keyfob can also be used for partial setting control. Buttons and
can be programmed to set and unset the entire system, and
buttons + can be programmed for setting (arming) sections A
and AB respectively to partially set the system. (see 12.40 for details
on partial setting by keyfob).
•
Split system mode is especially suitable where two families (A and
B) live in a single house or two companies (A and B) share one
building. The system behaves as two independent systems, one being
section A and the other, section B. There is also a common section C
which is only set if section A and section B are set at the same time.
and is commonly used for shared entrances, doors etc. Detectors can
be assigned to sections A, B or C. Access codes and cards can be
assigned to operate either section A or B (not both), or alternatively to
section C to access the entire building. The same is true for keyfob
access.
•
Partial setting only has an effect on intruder detectors, i.e. detectors
with instant, delayed or next-delayed reactions. Detectors with fire,
tamper, panic and 24-hour reactions are always able to trigger their
kind of alarm immediately, whether their section is set (armed) or not.
Factory default setting: Unsplit system.
12.25. Automatic summer time (daylight saving time)
If enabled, this feature automatically offsets the system time to
that of summer time, or daylight saving time as it is also known,:
6801 automatic summer time enabled
6800 automatic summer time disabled
Note:
If automatic summer time is enabled, the control panel’s internal
clock is automatically offset by +1 hour on March 31
st
at midnight. The
offset is then removed on October 31
st
at midnight to return to winter
time.
Factory default setting: automatic summer time disabled
12.26. Tamper alarm in response to an increase in
the number of triggered tamper sensors
This feature allows permanently triggered tamper sensors to be
ignored:
6811 ignore permanently triggered tamper sensors, i.e.
only react to an increase in the number of triggered
tamper sensors.
6810 react with a tamper alarm to all triggered tamper
sensors
Note:
Ignoring permanently triggered tamper sensors is useful for
example when carrying a detached wireless keypad around with you
during installation as this avoids unnecessary tamper indication.
Factory default setting: react with a tamper alarm to all
triggered tamper sensors
12.27. Operating the PG outputs using ∗
∗∗
∗8 and ∗
∗∗
∗9
Using this feature the PGX and PGY outputs can be controlled
from the keypad by pressing the ∗8 and ∗9 keys (or keys
and
).
6821 control enabled
6820 control disabled
Notes:
•
The PG outputs can only be operated from the keypad if they have
their ON/OFF or pulse functions enabled.
•
In addition to controlling the PG outputs using keys
∗
8 and
∗
9, PG
outputs can also be controlled by access codes, access cards,
keyfobs and detector signals (see 12.40 and 12.41 for details).
•
If a PG output should only be operated by a valid access code or
card, then control by
∗
8 and
∗
9 should be disabled and the codes and
cards should be programmed to control the PG outputs instead (see
12.41).
Factory default setting: control enabled
12.28. Permanent alarm status display for a set
system
The below sequence enables the permanent display of alarm
status on the keypad unit, even if the system is set.
6831 permanent status display enabled
6830 display time a maximum of 3 minutes if any section is
set (armed)
Notes:
•
European legislation requires status displaying to be suppressed
within three minutes of setting (arming) the system, no matter how
much or little of the system is set. This feature can be used to ignore
this requirement if appropriate.
•
The wireless keypad can continuously display the status if powered
by an external power supply. If powered by internal batteries the
keypad will turn off its display after 20 seconds of not being used ( in
Service Mode the display turns off after 15 minutes of no use by the
installer).

Installation manual: Oasis security system JA-80K - 15 -
MKE55800
Factory default setting: only 3 minutes of display time
12.29. Tamper alarm if unset
According to EU legislation an unset (disarmed) system should
not audibly sound a tamper alarm if tampering occurs. If the
audible indication of tamper alarms is required while the system
is unset (disarmed) then this can be enabled by the following
sequence:
6841 audible tamper alarm even for an unset system
6840 silent tamper alarm for an unset system
Notes:
•
Even if tamper alarms are silent, they are still recorded in the control
panel memory and reported to the end user by SMS, and also to the
ARC if used.
•
If the sequence 370 has been programmed, then tamper alarms will
be silent if the system is unset or partially set.
Factory default setting: silent tamper alarms for an unset
system
12.30. Engineer reset
This is a special function requested by the DD243 standard. It can
only be used when the alarm system is connected to an alarm-
receiving center. When a confirmed alarm is activated the control
panel is completely blocked – it cannot be operated by any user,
master or service code until an engineering reset is performed by
an ARC code.
6861 Engineer reset enabled
6860 Engineer reset disabled
Factory default setting: Engineer reset disabled
Notes:
•
To enable the confirmation of intruder alarms (requires two detectors to be
triggered in different zones within a definite period) – use sequence 3 2 1
•
Reporting to ARCs must be locked by a digital code.
•
The keypad shows the text “Eng. reset req’d” and the system stays
blocked until the ARC code is used via the communicator (see manual).
•
The feature is supported when a JA-80Y version XA61008 or higher, or a
JA-80V version XA64005 or higher is installed.
12.31. Recording PG output activation to memory
The activation of PGX and PGY outputs can be recorded in the
control panel’s memory (for example if the outputs are used for
access control). This can be enabled by the following sequence:
6851 enabled
6850 disabled
Factory default setting: recording enabled
12.32. Annual check notification
This sequence enables the user and installer to be notified of the
necessary time for an annual technical check:
6900 notification disabled
6901 notification enabled
Notes:
•
An annual technical inspection notification is displayed as text on the
keypad display and can also be sent as an SMS to the end user
and/or installer and/or as a report code to an ARC, if used.
•
Annual technical inspection notification text disappears on entering
Service Mode
•
When this notification is enabled, exiting Service Mode will cause a
notification to occur in the next year on the first day of the month in which it
was set. (e.g. if you set the annual check notification on the 15th October
2007, the notification is displayed on the 1st October 2008.)
•
When this notification is enabled, exiting Service Mode will cause a
notification to occur every twelve months later (the same day and
month).
•
If you wish to receive a notification earlier than a year later, change
the internal clock settings to the day and month you prefer before
exiting Service Mode by entering 4hhmmDDMMYY, and then re-
adjust the clock to the correct time in maintenance mode. By tricking
the system this way, you can be notified on the desired date. (see
12.45, entering and exiting maintenance mode does not change the
notification date).
Example: If the date is 10 January 2007 and you wish to receive a
notification 6 months later on 10 July 2007, while still in Service Mode
change the system clock to 10 July 2007, i.e. the day and month of the
desired notification date. Then exit Service Mode and re-adjust the clock
to the correct time in maintenance mode.
Factory default setting: Annual inspection notification disabled.
12.33. Only single alarm indication
If this function is enabled, then only one intruder alarm may be
indicated at a time. Once an intruder alarm has been triggered
and has still not ended, then no more alarms can be indicated
no matter how many more times triggering occurs. After the
alarm has ended, the system is then ready to indicate the next
single intruder alarm.
This is to limit the number of SMS reports sent if hard-wired
PIR detectors capable of being frequently triggered are installed
in the system and the system is not unset (disarmed) properly
when someone enters the building.
6 9 1 0 multiple simultaneous intruder alarms allowed
6 9 1 1 single intruder alarm allowed only
Note: Apart from this limitation in the number of simultaneous
intruder alarms, the system also checks to see if any detector is
triggering multiple alarms during the period in which the alarm is
set. Any such undesirable detector is then automatically
bypassed every time the system is set, if it has caused at least
four alarms in a row.
Factory default setting: multiple simultaneous intruder alarms
allowed
Note: A panic alarm can always be triggered with no limits
(except when in service and maintenance modes).
12.34. Setting (arming) by service code
Using this sequence, the installer can be authorized to set and
unset the system by means of a valid service code. This feature
should only be enabled with the explicit approval of the master
code holder (system administrator):
6 9 2 0 disabled
6 9 2 1 enabled
Factory default setting: disabled
12.35. Audible panic alarm
If enabled, panic alarms can be indicated by internal and
external warning devices (sirens on IW and EW):
6 9 3 0 silent panic alarm
6 9 3 1 audible panic alarm
Note: If the sequence 370 is used, panic alarms are silent if any section
of the system is unset.
Factory default setting: silent panic alarm
12.36. Higher control-panel receiver-sensitivity
If enabled, this feature can extend the communication range
between the control panel and its wireless devices if there is no
radio frequency interference in the premises.
6 9 4 0 standard control panel sensitivity
6 9 4 1 higher control panel sensitivity
Note: The sensitivity of the control panel receiver should only be
increased if there is no RF interference as the radio range would only be
reduced if interference was present.
Factory default setting: standard control panel sensitivity

Installation manual: Oasis security system JA-80K - 16 -
MKE55800
12.37. Access by code plus card
This feature increases security against unauthorised
setting/unsetting (arming/disarming):
6950 system access by code or card
6951 system only accessed by code and card if both are
assigned to the same user position
Notes:
•
The system has up to 50 user positions (01 to 50) each capable of
having an access code and an access card assigned to it. If both a
code and a card are assigned to a user then the above sequences
(6950 and 6951) determine whether the user can use a code or a card
or whether he must present both a card and a code to gain control
over the system. If both a card and a code have to be presented, the
order in which they are done is unimportant.
•
If only a card or only a code is assigned to a user, then the above
settings have no effect on users like this.
Factory default setting: system operated by code or card
12.38. Audible 24 hour intruder alarm
The 24-hour intruder alarm which can be triggered whether the
system is set or not, and can also be silent or audible (IW and
EW) according to the following sequences:
6 9 6 0 silent 24-hour intruder alarm
6 9 6 1 audible 24-hour intruder alarm
Note: If sequence 370 is programmed, the intruder alarm will be silent if
any section in the system is unset.
Factory default setting: audible 24 hour intruder alarm
12.39. Service mode only with service code and
master code
To prevent the installer from accessing Service Mode without a
user’s permission, this feature (if enabled) makes it compulsory
for the master code (or any valid user code) to be entered
directly after entering the service code to access Service mode.
Service Mode can then be entered by keying in ∗0 service-code
master-code(or user-code).
6 9 7 0 Only service code needed.
6 9 7 1 Service code and master code (or user code)
needed.
Factory default setting: Only service code needed.
12.40. Device reactions and section assignment
The following sequence programs the characteristics of system
devices :
61 nn r s
where: nn is the device address from 01 to 50 (01 and
02 can either be the hard-wired input terminals
in the control panel or enrolled wireless devices)
r is the reaction index from 0 to 9 – see Table 2
s is the section 1 = A, 2 = B, 3 = C (only has an
effect if partial setting or system splitting is used
– except for PG output control)
Guidance on assignment to sections:
Assigning keyfobs with natural reactions to sections
s
button
Unsplit
system
Partial
setting
Split
system
(or ) set set A set A
1
(or ) unset set AB unset A
(or ) set set A set B
2
(or ) unset set AB unset B
(or ) set set ABC set ABC
3
(or ) unset unset ABC unset ABC
•
If partial setting is programmed then detectors can be assigned to
sections: A (s=1), B (s=2) a C (s=3). The three possible setting
(arming) options are as follows:
A
(using the A key on the keypad, e.g. setting (arming) the garage
in the afternoon),
AB
(using the B key on the keypad, e.g. setting (arming) the garage
and the ground floor during the night)
ABC
(using the ABC key on the keypad, e.g. to set the entire
system when leaving the house).
•
In a split system, detectors can be assigned to sections: A (s=1), B
(s=2) a C (s=3). Sections A and B can be set independently and
section C is a common section which only sets when A and B are set.
•
Partially setting and splitting a system only have an effect on intruder
detectors with instant, delayed or next-delayed reactions. Detectors
with fire, tamper, panic, and 24-hour reactions are continuously ready
to trigger an alarm no matter which section they are assigned to or
whether their section is set or not.
•
If the selected
reaction is PG output
control then the s parameter
defines which PG output is controlled:
s=1 PGX, s=2 PGY, s=3 PGX
and PGY
.
Guidance on programming reactions:
•
The reaction selected in a detector by its internal DIP switches is only
obeyed by the control panel if the reaction programmed in the
detector’s address is a natural one (r=1).
•
Keyfobs
always enroll a pair of buttons ( + ) or ( + ). The
natural reaction of such a pair of buttons is shown in the above table.
If any other reaction is selected for a keyfob, this reaction will only
apply to the first button of the pair, i.e. or (except for controlling
the PG outputs).
Factory default setting: All addresses from 01 to 50 have a
natural reaction (r=1) and are assigned to section C (s=3).
Table 2 Control panel reactions
r Reaction Notes
0
Disabled
For temporarily disabling codes or devices
including tamper sensors
1
Natur
al
For detectors
= instant, delayed or fire
(selectable in detectors by DIP switch)
For hard-wired inputs
of the control panel or
keypad
=
delayed
Keyfobs
(or ) =set, (or ) =unset,
both buttons = panic
Code
= set/unset (see reaction r=9)
2
Panic
Triggers a panic alarm (audible or silent, see
12.35)
3
Fire
Triggers a fire alarm
4
24 hours
Triggers an intruder alarm even if the system is
unset (audible or silent – see 12.38)
5
Next delay
Always provides an exit delay. An entrance
delay is only provided if it is triggered shortly
after a delayed detector.
6
Instant
If activated in a set (armed) section, it triggers
an intruder alarm instantly
7
Set
Sets its own section of the system
8
PG
output
control
The value of the s parameter determines which
PG output is controlled: s= 1= PGX, s=2=PGY
or s=3=PGX & PGY. To use this function the
PG output involved has to be programmed to
the ON/OFF or pulse functions.
If the reaction is triggered by:
a code (card)
– the PG output changes its
state (ON,OFF,ON,OFF……) or a pulsed
switching event is generated after a valid code
or card is used. If a code or card is
programmed this way, it cannot be used for
setting (arming) control. Many different codes
can be programmed to operate PG outputs, if
desired.
a keyfob
– one button in a pair is used to
switch a PG output ON, the second one to
switch it off or each of them generates a pulsed
switching event. If a keyfob is programmed this
way, it cannot be used for setting (arming)
control. Each PG output can have as many
associated keyfobs as desired. If both buttons

Installation manual: Oasis security system JA-80K - 17 -
MKE55800
of the remote control are pressed
simultaneously, they will trigger a panic alarm
a detector
– the PG output copies the status of
the detector or it generates a pulsed switching
event when the detector is triggered. The
detector also effects the control panel which
responds with a natural reaction. Only one
detector should be programmed to a PG output
ON/OFF reaction and should not be combined
with keyfob or keypad control as the detector
repeats its status every 9 minutes and it would
override the signal from the keypad or keyfob.
9
Set/unset
Toggles the system status
SET,UNSET,SET,UNSET etc
12.41. Code/card reactions and section assignment
The following sequence programs the features of access codes
or cards:
62 nn r s
where: nn is the user position from 01 to 50
r is the reaction index from 0 to 9 – see Table 2
s is the section 1 = A, 2 = B, 3 = C (only has an
effect in a split system – except for the PG
output control reaction)
Guidance on assigning codes or cards to sections:
•
In partial setting (arming) mode
assigning codes or cards to sections
has no effect (except for the PG output control reaction). If anything in the
system is set and a card/code is used, the system will then be unset, and
if all sections are unset then the whole system will be set by a card/code.
Partial setting keys A and B on the keypad can be programmed to be
followed by a valid access code if required (see 12.13).
•
For a split system, a code assigned to section
:
A
controls section A
B
controls section B
C
controls section A, B and C.
•
If the system is not split then the assignment of codes/cards to
sections has no effect, but the s parameter must be entered in the
programming section. Enter s=3 if splitting is not desired.
Guidance on code/card reactions:
•
If a code/card has a natural reaction, i.e. r=1, then its reaction is
set,unset,set etc. (the same as reaction r=9 in table 2).
•
A code/card can also have an alarm reaction designated to it, similar
to detectors.
Factory default setting: all codes/cards from 01 to 50 have a
natural reaction (set/unset) and are assigned to section C.
12.42. Enrollment by keying in production codes
This sequence allow the enrollment of devices by keying in their
production codes:
60 nn xx..x
where: nn is the address of the device from 01 to 50
xx...x is the production code of the device (the last
eight digits of the bar code, see the label on
the PCB inside the device)
Notes:
•
If the address nn is already occupied, the current device will be
erased, and the new device will then be enrolled instead.
•
If a device with production code xx…x has already been enrolled to
another address in the past, and if the device is now enrolled to a new
address, then it will be moved to the new address, releasing the old
address.
•
If you enter nn = 01 or 02, the device will enroll instead of the
corresponding hard-wired input in the control panel (the terminal will
be disabled).
•
If eight zeros are entered as a production code, the device already
assigned to the address nn will be erased
12.43. Automatic setting/unsetting schedule
This can be used to program an automatic sequence of daily
setting/unsetting events. Up to 10 daily events can be
programmed. Events will occur every day of the week:
64 n a hh mm
where:
n is the event number from 0 to 9
a is the type of event from 0 to 6 (see the following
table)
hh hours (time of event)
mm minutes (time of event)
Erase the automatic schedule setting by : 64 n 0
* the same event in an unsplit system
** only possible if partial setting (arming) is programmed (see 12.24)
Notes
:
•
The automatic setting/unsetting event schedule can also be
programmed in maintenance mode.
•
If automatic event scheduling is not used for setting/unsetting control
and the system is not split, then it
can be programmed as a daily
timer
to switch equipment connected to the PGY output on and off at
the desired daily times. To do this, split the system (see 12.24) but do
not enroll any detectors to section B (keeping this section empty).
Then program the PGY output to be triggered by the setting (arming)
of section B (see 12.5) and program the automatic daily event
schedule (with a=4) to set/unset the empty section B which will then
switch the PGY output on and off at the required times every day.
Factory default setting: All automatic events switched off.
12.44. Changing the service code.
To change the service code enter:
5 NC NC
where: NC = new code (4 digits), the new code has to be
entered twice
Example- the code 1276 can be programmed by entering: 5
1276 1276
Factory default setting: 8080
12.45. Go to maintenance mode
By entering 292 while in Service Mode the system switches to
maintenance mode. In maintenance mode it is possible to
program the devices to be bypassed and to adjust the control
panel internal clock (see 13.4).
12.46. Setting the internal clock
The control panel has a built in real-time clock which is used to
time-stamp all recorded events in the control panel memory.
Adjust the clock after installation by entering:
4 hh mm DD MM YY
where:
hh is the time in hours (00 to 23)
mm is the time in minutes (00 to 59)
DD is the day (01 to 31)
a Unsplit system Split system
0 No event No event
1 Set all (ABC) Set all (ABC)
2 Unset all (ABC) * Unset all (ABC)
3 Set A** Set A
4 Set AB** Set B
5 Unset all (ABC) * Unset A
6 Unset all (ABC) * Unset B

Installation manual: Oasis security system JA-80K - 18 -
MKE55800
MM is the month (01 to 12)
YY is the year (00 to 99)
Note
: The internal clock can also be adjusted in maintenance mode.
Example: On 30 June 2012 at 17:15 enter:
4 17 15 30 06 12
After the control panel is powered up, the clock is set to 00 00 01 01 00.
12.47. Editing keypad text
The names of devices and programmable outputs as displayed
on the keypad unit can be edited as follows:
• Pressing and holding the
?
key (in service mode) enters text
editing mode and the name of the device enrolled to address
01 is then displayed with a flashing cursor on the first text
character.
• Key functions:
and text scrolling (see table)
1 and 7 character-selection
(A,B,C,D.......8,9,0)
4 and 5 cursor control (left/right)
2 delete selected character
#
##
#
exit editing (& save changes)
List of editable text:
text Description
01: to 50: Devices
Names of devices in addresses 01 to 50
Control panel
Name of control panel (e.g. displayed if its cover
is opened)
Keypad
Name of hard-wired keypad
Communicator
Name of the communicator in the control panel
Master code
Name of the master code
01: to 50: Code
Names of user codes
ARC Code
Names of ARC code
Service code
Name of the service code
PGX and PGY
Names of programmable outputs
OASIS JA-80
The default text displayed in operating mode if
no other text needs to be displayed. If erased
then nothing will be displayed.
Notes:
•
Only capital letters can be entered.
•
The length of text is limited to the length of the display.
•
The text is only stored in the keypad used for editing (different
keypads in the system can show different text if desired).
•
Text is stored in the non-volatile memory of keypads, so power
disconnection will not erase any stored text.
•
Convenient text editing is possible using a PC running Comlink
software.
•
Besides device names, keypads also use so-called internal text such
as “service”, “maintenance mode” etc, and this text can also be edited
via Comlink software by selecting “Settings” on the menu and then
“keypad text”.
•
After editing keypad text using Comlink software, all keypads
(including wireless ones) must be connected to the digital bus to save
the changes to the keypad units by clicking on the OK button in the
software.
Factory default setting: in addresses 01 to 50 there is the text
“Device”. Other default text: “Control panel”, “Keypad”,
“Communicator”, “Master code”, users 01 to 50 “Code”,”ARC
Code”, “Service code”, “PGX”, “PGY” and “OASIS JA-80”.
13. Operating the system
The Oasis system can be operated locally using a keypad or
a keyfob and it can also be operated remotely by mobile phone
or the Internet (if equipped with a suitable communicator).
13.1. The system keypad
Indoor keypads model JA-80F (wireless) or JA-80E (wired) can
be used to operate and program the system. Both keypad types
provide the same functionality:
13.1.1. Keypad indicators:
ABC setting (arming) status of sections – if all sections are
set then all these indicators (A B & C) are lit.
flashing = alarm, with the simultaneous display of alarm
details on the LCD, e.g.:
Alarm
03: Kitchen
constantly lit = fault – details are displayed by pressing
the “?” key
power. Constantly lit = mains ok. Flashing = no mains,
control panel powered by back-up battery only.
13.1.2. LCD display
The 1
st
line displays the status: triggered detector, Service
mode etc. In standby mode, it shows the text “OASIS JA-80”
(editable, see 12.47).
The 2
nd
line displays the name of a device.(e.g. 01: Main Door
etc.). The text can be edited, see 12.47.
Displaying the status of detectors and programmable
outputs: Details on permanently triggered detectors (e.g. open
windows) and the status of the PGX and PGY outputs can be
displayed by pressing the ? key.
13.1.3. Keypad display sleep-mode
In operating mode, the wireless keypad unit displays the
system status for 20 seconds (if battery-powered) after the last
interaction with a user, and then goes into sleep mode. Pressing
any key, triggering the keypad input or opening the keypad’s flip
cover re-activates the display.
13.1.4. Keys
0–9 digital code entry
∗
∗∗
∗ function sequences
# escape
ABC hot key for setting the entire system (all sections A, B &
C)
A hot key for setting section A (e.g. afternoon partial setting
of the garage)

Installation manual: Oasis security system JA-80K - 19 -
MKE55800
B in an unsplit system: hot key for setting sections A and
B (e.g. partial night-setting of the garage and the ground
floor).
in a split system: hot key for setting section B (C is only
set if both sections A and B are set)
? Display of triggered detectors (e.g. open windows), fault
details and PGX / PGY status.
turning on the PGX output from the keypad (the same
effect as ∗81)
turning off the PGX output from the keypad (the same
effect as ∗80)
Notes:
• The A and B keys only have a function if partial setting or
splitting are enabled.
• The keys and
only control the PGX output if they have
been programmed for it, see 12.5.
13.1.5. Functions beginning with the ∗
∗ ∗
∗ key
The following functions are available to the user via the
keypad:
∗
∗∗
∗1 sets the entire system (the same as key ABC)*
∗
∗∗
∗2 sets section A (the same as key A)*
∗
∗∗
∗3 sets A and B, or just B (the same as key B)*
∗
∗∗
∗4 event memory recall (key 4 scrolls backwards) – the
control panel records max. 255 of the latest events
∗
∗∗
∗5 new Master Code/Card (∗5 MC NC NC)
∗
∗∗
∗6 access code/card programming (∗6 MC nn NC)
∗
∗∗
∗7 for operation while under duress (should be entered
before the access code to secretly signal distress)
∗
∗∗
∗8 PGX control (ON/OFF = ∗81/∗80 or enter ∗8 to trigger if a
pulsed switching reaction is programmed)*
∗
∗∗
∗9 PGY control (ON/OFF = ∗91/∗90 or enter ∗9 to trigger if a
pulsed switching reaction is programmed)*
∗
∗∗
∗0 To enter Service Mode (∗0 SC – factory default 8080) or
to enter maintenance mode (∗0 MC – factory default
1234)
The
∗
functions allow the system to be operated from a mobile phone
keypad (if the control panel is equipped with the relevant
communicator).
13.2. Programming access codes and cards
The system can be controlled by 4-digit codes or by access
cards, of the types PC-01 and PC-02 (EM UNIQUE 125kHz
standard).
• The control panel has 1 service, 1 master and 50 user codes.
• Only a numerical code can be used as a service code (factory
default 8080) – see the control panel programming section.
• The master code can be a numerical code (factory default
1234) or an access card. Using this master code/card, other
users’ codes and cards can be programmed or erased. The
master code/card is usually used by the system administrator.
• Each user from 01 to 50 can have a numerical code, or a
card, or both (factory default: all user codes and cards from 01
to 50 are erased).
• If a user has both a code and a card, then it is possible to
program whether both a code and card must be presented to
the system for system access, or whether only one of them is
required (see 12.37).
• The system does not allow the same code or card to be
programmed to multiple users. (if it is desired to move a
code/card to another user, the card/code has to be erased
from its current user first).
• It is possible to display which code/card positions are already
occupied in maintenance mode (see 13.4.1).
• The most convenient way to program codes and cards is by
using a PC running Comlink software.
• The control panel allows a maximum of 10 unsuccessful
attempts in a row to enter a valid code or card. If exceeded, a
tamper alarm starts.
13.2.1. Programming access codes and cards
Abbreviation Name Number Sequence Notes
SC Service 1 5 NC NC
•
Only programmable in Service Mode.
•
NC
= new code (must be entered twice) – a card cannot be used.
•
Factory-default service code:
8080
•
This code can be changed but not erased.
•
Example: 5 4567 4567
MC Master 1 ∗
∗∗
∗5 MC NC NC
•
Only programmable if the system is totally unset (disarmed)
•
MC
= master code or card (factory default
1234
)
•
NC
= new code or card entry – a numerical code has to be entered twice, but a
card only presented once
•
Either a code or a card can be programmed as a master code (to have both is
impossible).
•
The Master Code can be changed but not erased.
•
The Master Code’s reaction is set/unset and it is assigned to all sections.
•
To reset the Master Code to the factory default 1234, enter 291 in Service Mode
(this will only affect the Master Code).
•
To make handing over the system to the end user easier, we recommend
programming the system card (provided with the control panel) to the master
code.
•
Example:
∗
5 1234 and then presenting the card to the keypad’s RFID reader
UC User 50 ∗
∗∗
∗6 MC nn NC
•
Only programmable if the system is totally unset
•
MC
= Master Code or card.
•
nn
= user code or card position from 01 to 50.
•
NC
= new code or card entry.
•
Factory default: all user codes and cards are erased.
•
Each user position can have both a card and a code programmed to it (by using
the sequence
∗
6 MC nn NC twice)
•
Each user code can have its own reaction programmed by an installer in Service
Mode, and with a split system, codes can be assigned to different sections.
•
Example:
∗
6 1234 12 4345 (code 4345 will be programmed to user position 12)
To erase codes/cards enter:
∗
∗∗
∗
6 MC nn 0000
erases the code and the card in user position
nn.
∗
∗∗
∗
6 MC 00 UC
erases the code UC (or card UC) if programmed to any user position.
∗
∗∗
∗
6 MC 00 0000
erases all user codes and cards in user positions
01 to 50.

Installation manual: Oasis security system JA-80K - 20 -
MKE55800
13.3. Setting and unsetting (arming/disarming) the
system
The system can be set and unset from a keypad, a keyfob or
remotely by phone or the Internet or from a PC running Comlink
software.
To set the system from a keypad:
• Press key ABC, A or B,
• Enter a code (or present a card)
• If the system is partially set (section A is set), and you wish
to extend the proportion of the system which is set, press
the B or ABC key. If you extend the proportion of the system
which is set, then all delayed or next-delayed detectors in
the section(s) going to be set and in the section currently
set, will provide an exit delay which means that if a user has
his system partially set (e.g. night setting) and wishes to exit
the house by walking through the sections that are still set,
he will not need to unset the whole system before leaving
the house and setting the whole system. The route used by
the user to leave the house must be covered by delayed or
next-delayed detectors to make this possible and must be
considered at the system design stage.
To unset the system from a keypad:
• Enter a valid access code (or present a card).
Operating the system from an outdoor keypad
If the system is equipped with a JA-80H outdoor keypad or a JA-
80N external card reader then the outdoor device could either
work the same way as an indoor keypad unit or it could be
programmed only to operate an electric door lock (known as an
outdoor-bypass feature), i.e. an indoor keypad would then be
used to control the alarm system. If the outdoor-bypass feature
is enabled then:
• Setting and unsetting the alarm system is only possible
using a JA-80F or JA-80E indoor keypad or a keyfob.
• Entering a valid access code or presenting a valid card to
the outdoor keypad or card reader will always only open the
electric door lock.
• If the system is set, and the door is opened via the outdoor
keypad or reader, an entrance delay will begin. During this
delay the system has to be unset using an indoor keypad
unit (or keyfob).
13.4. Maintenance Mode
Maintenance mode can be entered using a master code or
master card by entering:
∗
∗∗
∗0 MC
where MC = master code (card) – factory default 1234
In maintenance mode it is possible to:
• Test devices (an alarm cannot be triggered),
• Display which code/card positions are currently occupied
• Bypass individual devices (for one setting/unsetting cycle or
indefinitely) - see 13.4.2.
• Program the real-time system clock – see 12.46.
• Program the automatic setting/unsetting schedule – see
12.43.
• Program telephone numbers for event reports to the end user
(see 12.6).
• Exit maintenance mode by pressing the # key.
13.4.1. Displaying which user/card positions are occupied
Which positions in the range 01 to 50 are occupied by codes or
cards can be displayed in maintenance mode as follows:
1. The control panel must be in maintenance mode – if not then
enter ∗0 master code or card (factory default: 1234) while the
system is totally unset.
2. Press key 5 (the display indicates “Codes 01: Code”),
3. Using the arrow keys all user positions (01 to 50) can be
scrolled through, with the A indicator showing whether a code
is programmed or not, and the B indicator showing whether a
card is programmed or not.
4. To exit this code/card display mode press the # key.
5. To exit maintenance mode press the # key.
To change access codes and cards use sequence ∗
∗∗
∗6 MC nn NC
(see 13.2).
The most convenient way to administer codes is by using a PC
running Comlink software.
13.4.2. Bypassing devices
In maintenance mode it is possible to bypass (disable) individual
system devices (permanently or only for one setting/unsetting
cycle):
1. The control panel must be in maintenance mode – if it is not,
then enter ∗0 master code (factory default: 1234) while the
system is totally unset.
2. Press key 1, to display the control panel’s bypass menu.
3. Using the arrow keys you can scroll through all the devices
able to trigger alarms.
4. To bypass a device use key:
2 to bypass the device for one setting/unsetting cycle (the
triangular indicator will start flashing)
3 to permanently bypass a device (the triangular indicator
will light continuously)
To cancel the bypassing of a device use the same button
as was originally used for bypassing (2 or 3). Using key 4
will cancel all device bypasses in the system.
5. All the desired bypasses can be programmed by
repeating step 3 and 4.
6. Press the # key to exit the bypass menu. Pressing #
again exits maintenance mode.
If a system with bypasses programmed is being set, then bypass
text will be displayed on the keypad unit.
13.4.3. Protecting a car near the system
The Oasis system can also protect a car (cars) parked in the
proximity of the house.
1. If the car has a built-in car alarm then an RC-85 transmitter
unit can be connected to the car alarm output and the
transmitter unit can be enrolled to a free address in the Oasis
control panel. An alarm triggered in the car can be indicated
as an Oasis panic alarm 24 hours a day whether the system is
set or not. Note: if the car alarm confirms setting (arming) by
siren chirps appearing on the alarm output, then these should
be disabled to avoid false alarms.
2. If the car has no built-in car alarm then JA-85P or JA-85B
detectors can be installed in the car. The car detectors can be
assigned to their own dedicated section in the system, e.g. a
split system where section A could be for the car detectors,
and section B for the house detectors, with no detectors
assigned to section C, and the entry codes/cards assigned to
section C to access the whole system. So when the user
enters the house he can set section A to protect the car, and
unset section B to be able to enter the house. Radio
communication supervision should be disabled for the car
detectors to avoid fault notifications when the car is driven
away from the house.

Installation manual: Oasis security system JA-80K - 21 -
MKE55800
14. Operating and programming the system
by PC
The Oasis system can be operated and programmed locally
using a PC running Comlink software. To connect the control
panel to the PC use a JA-80T interface or a JA80-BT wireless
Bluetooth interface.
Comlink software can be used by installers and end users.
The software only allows access to features allowed by the
access code (service or user).
If the control panel is equipped with a suitable communicator
such as the JA-80Y (GSM/GPRS) or JA-80V (LAN/Telephone
line) then the system can also be accessed from a PC
connected to the Internet. For this remote access it is first
necessary to register at www.GSMLink.cz
15. Basic guidance for installers
1. Create an installation plan that sufficiently covers the building
to be protected.
2. If the customer requests changes to the suggested
configuration, especially reducing the number of detectors,
ask for his request to be given to you in writing to avoid future
disputes.
3. Perform the installation in a very professional and
conscientious
manner and always tidy up the site afterwards.
4. It is very important to teach the end user how to use and test
the system and to check his level of understanding.
5. Get the customer to sign a written statement that the system
was installed according to the customer’s specifications and
that the customer understands how to operate the system.
6. Explain the importance of the annual technical inspection of
the system and offer him this service. For more details see
the relevant EN standards.

Installation manual: Oasis security system JA-80K - 22 -
MKE55800
16. Trouble-shooting
Problem Possible causes Solutions
The control panel is not in service
mode after being powered up.
The control panel does not have factory-default settings. Reset the control panel.
It is impossible to enroll a wireless
device to the control panel.
The device’s location is unsuitable, the control panel antenna is
disconnected, the device’s battery was incorrectly installed, the
control panel is not in enrollment mode, the device is too near to
the control panel (it should be at least 2 meters away).
Check and fix it.
The keypad unit indicates a fault Press the
?
key to see the cause. React according to the cause displayed.
A motion detector triggers false alarms
for no apparent reason.
Animals are moving in the protected area (mice etc), sudden
changes in temperature, significant air movements, movement of
objects having a temperature close to 37°C (e.g. curtains moving
above a radiator)
Change the location of the detector, select a higher
immunity in the detector, use an optional pet lens in
the detector, program alarms confirmed by two
detectors in the control panel.
The wireless keypad does not indicate
entrance delays by beeping.
If the keypad is only battery-powered, then it turns off 20
seconds after the last time a key was pressed. To indicate
entrance delays, first wake it up.
Install an ordinary magnetic sensor to the entrance
door, wiring it to the keypad input so that opening
the door wakes up the keypad and reports to the
control panel. Alternatively, power the keypad with
an AC adaptor to prevent sleep mode or install an
indoor wireless siren type JA-80L to generate
entrance delay beeps.
17. Control panel technical specifications
Power supply 110-120 V / 50-60 Hz, max 0.1 A, CLASS PROTECTION II
Backup-battery 12 V, 1.3 or 2.2 Ah, typical battery lifetime approx. 5 years
Backup power output maximum continuous load 0.4 A, intermittent load 1 A for 15 min’s max.
Number of wireless device addresses 50
Number of hard-wired inputs 2, double balanced inputs, with triggering and tamper functions, programmable section assignment and
reactions
External warning output EW* switchable relay contact max. 1A/60V
Internal warning output IW* switching to GND, max. 0.5A
Programmable outputs* PGX, PGY max. 0.1 A, switching to GND, programmable function
Event memory 255 latest events, including date and time stamping
Communications frequency 868 MHz
Security grade 2 according to EN 50131-1, EN 50131-6, and EN 50131-5-3
Operating environment II. internal (-10 to +40°C) - compliant with EN 50131-1
Complies with
CISPR 22, ANSI C63.4
Radio emissions ETSI EN 300 220
EMC EN 50130-4, EN 55022
Electrical safety EN 60950-1
Can be operated according to ERC REC 70-03, FCC Part 15
FCC ID: VL6JA80K
* these signals are also transmitted wirelessly to AC and UC receiver modules.
Jablotron Ltd. hereby declares that the JA-80K-US is in compliance with the essential requirements and other relevant provisions of
Directive 1999/5/EC and complies with part 15 of the FCC rules. Operation is subject to the following two conditions:
1. This device may not cause harmful interference, and
2. This device must accept any interference received, including interference that may cause undesired operation.
CAUTION: Changes or modifications no expressly approved by Jablotron could void the user´s authority to operate the equipment.
The original of the conformity assessment can be found at www.jablotron.com, Technical Support section.
Note: Although this product does not contain any harmful materials we suggest you return the product to the dealer or directly to
the producer after use.
control panel dimensions