Jorjin Technologies ZB7 BLE/802.15.4 Module User Manual 1
Jorjin Technologies Inc. BLE/802.15.4 Module 1
Users Manual

--------------------------------------------------------------------------------------------------------------------------------------------------
Copyright © JORJIN TECHNOLOGIES INC. 2016
http://WWW.JORJIN.COM.TW
CONFIDENTIAL
a module solution provider
ZB7
SimpleLinkTM Multistandard Wireless MCU Module
TI CC26X0 series BLE & 802.15.4 Solution
With optional 4Mbits Serial SPI Flash Memory
Datasheet
Draft 0.2
Prepared By
Reviewed By
Approved By

DOC No: ZB7-DTS-D02
____________________________________________________________________________________
Copyright © JORJIN TECHNOLOGIES INC. 2016 1
http://WWW.JORJIN.COM.TW
CONFIDENTIAL
Index
1. OVERVIEW ....................................................................................................................................... 3
1.1. GENERAL FEATURES ........................................................................................................................ 3
1.2. APPLICATIONS ................................................................................................................................ 4
2. FUNCTIONAL FEATURES .................................................................................................................. 5
2.1. MODULE BLOCK DIAGRAM ............................................................................................................... 5
2.2. BLOCK FUNCTIONAL FEATURE ........................................................................................................... 6
Microcontroller ............................................................................................................................ 6
Ultra-Low Power Sensor Controller ............................................................................................ 6
Peripherals ................................................................................................................................... 6
RF Section .................................................................................................................................... 7
4M bits SPI serial Flash (optional) .............................................................................................. 7
3. MODULE OUTLINE ........................................................................................................................... 8
3.1. SIGNAL LAYOUT (TOP VIEW) ............................................................................................................. 8
3.2. PIN DESCRIPTION ........................................................................................................................... 9
4. MODULE SPECIFICATIONS ............................................................................................................. 11
4.1. ABSOLUTE MAXIMUM RATINGS(1)(2) ................................................................................................. 11
4.2. ESD RATINGS .............................................................................................................................. 12
4.3. RECOMMENDED OPERATING CONDITIONS ......................................................................................... 12
4.4. ELECTRICAL CHARACTERISTICS ......................................................................................................... 13
4.5. GENERAL CHARACTERISTICS ............................................................................................................ 14
4.6. 1-MBPS GFSK (BLUETOOTH LOW ENERGY) – RX ............................................................................... 14
4.7. 1-MBPS GFSK (BLUETOOTH LOW ENERGY) – TX ............................................................................... 15
4.8. IEEE 802.15.4 (OFFSET Q-PSK DSSS, 250 KBPS) – RX .................................................................... 16
4.9. IEEE 802.15.4 (OFFSET Q-PSK DSSS, 250 KBPS) – TX .................................................................... 17
4.10. INTERNAL 24-MHZ CRYSTAL OSCILLATOR (XOSC_HF)(1) .................................................................. 18
4.11. 32.768-KHZ CRYSTAL OSCILLATOR (XOSC_LF) ............................................................................... 18
4.12. 48-MHZ RC OSCILLATOR (RCOSC_HF) ........................................................................................ 18
4.13. 32-KHZ RC OSCILLATOR (RCOSC_LF) ................................................................................ 19
4.14. ADC CHARACTERISTICS(1) ............................................................................................................ 19
4.15. TEMPERATURE SENSOR ................................................................................................................ 21
4.16. BATTERY MONITOR ..................................................................................................................... 21
4.17. CONTINUOUS TIME COMPARATOR ................................................................................................. 21

DOC No: ZB7-DTS-D02
____________________________________________________________________________________
Copyright © JORJIN TECHNOLOGIES INC. 2016 2
http://WWW.JORJIN.COM.TW
CONFIDENTIAL
4.18. LOW-POWER CLOCKED COMPARATOR............................................................................................. 22
4.19. PROGRAMMABLE CURRENT SOURCE .............................................................................................. 22
4.20. DC CHARACTERISTICS .................................................................................................................. 23
4.21. TIMING REQUIREMENTS............................................................................................................... 24
4.22. SWITCHING CHARACTERISTICS ....................................................................................................... 24
5.2. REFERENCE SCHEMATIC ........................................................................................................... 29
6. CHIP ANTENNA PERFORMACE SUMMARY ................................................................................... 30
6.1. S-PARAMETER TEST ...................................................................................................................... 30
6.2. DUT 3D PATTERN ........................................................................................................................ 31
6.3. TOTAL EFFICIENCY ......................................................................................................................... 31
7. PACKAGE INFORMATION ............................................................................................................... 32
7.1. MODULE MECHANICAL OUTLINE ..................................................................................................... 32
7.2. ORDERING INFORMATION............................................................................................................... 34
7.3. PACKAGE MARKING ...................................................................................................................... 34
7.4. TEST GRADES ........................................................................................................................... 35
8. SMT AND BAKING RECOMMENDATION ....................................................................................... 36
8.1. BAKING RECOMMENDATION ........................................................................................................... 36
8.2. SMT RECOMMENDATION .............................................................................................................. 36
9. TAPE REEL INFROMATION ............................................................................................................. 38
9.1. COVER / CARRIER TAPE DIMENSION ................................................................................................. 38
10. REGULATORY INFORMATION ...................................................................................................... 39
10.1. UNITED STATES .......................................................................................................................... 39
10.2. CANADA................................................................................................................................. 40
10.3. EUROPE .................................................................................................................................. 41
10.4. JAPAN ..................................................................................................................................... 41
10.5. TAIWAN .................................................................................................................................. 42
11. HISTORY CHANGE ........................................................................................................................ 43

DOC No: ZB7-DTS-D02
____________________________________________________________________________________
Copyright © JORJIN TECHNOLOGIES INC. 2016 3
http://WWW.JORJIN.COM.TW
CONFIDENTIAL
1. OVERVIEW
The certified ZB7 module from JORJIN is a wireless MCU module targeting Bluetooth Smart, ZigBee®,
6LoWPAN, and ZigBee® RF4CE remote control applications. This module is based on TI CC26X0
wireless MCU QFN-32 package chip.
The module is a cost-effective, ultralow power, 2.4-GHz RF devices. Very low active RF and MCU
current and low-power mode current consumption provide excellent battery lifetime and allow for
operation on small coin cell batteries and in energy-harvesting applications.
The ZB7 module offers six footprint-compatible, function variants by embedded software.
Test Grade Code
BLE
802.15.4 - Zigbee
(6LoWPAN)
802.15.4
(RF4CE)
Addition 4Mbs SPI Flash
500-00
V
V
V
500-04
V
V
V
V
410-00
V
410-04
V
V
320-00
V
320-04
V
V
1.1. General Features
TI CC26X0, 24MHz & 32.768KHz crystals, DC2DC, 4M bits SPI serial flash memory (optional), and
chip antenna on a single module.
Built-in TI CC26X0 5x5mm RHB VQFN32 (15 GPIOs)
LGA 25pins package.
Dimension 16.9mm(L) x 11mm(W) x 2.45mm(H)
Powerful ARM® Cortex®-M3 Microcontroller
Ultra-Low Power Sensor Controller
Efficient Code Size Architecture, Placing Drivers, Bluetooth® Low Energy Controller, IEEE
802.15.4 MAC, and Bootloader in ROM
No external component required.
Low Power and Wide Supply Voltage Range: 1.8 to 3.8V
- Internal DC-DC converter built-in

DOC No: ZB7-DTS-D02
____________________________________________________________________________________
Copyright © JORJIN TECHNOLOGIES INC. 2016 4
http://WWW.JORJIN.COM.TW
CONFIDENTIAL
2.4-GHz RF Transceiver Compatible With Bluetooth Low Energy (BLE) 4.2 Specification
and IEEE 802.15.4 PHY and MAC
- Excellent Receiver Sensitivity (–96 dBm for BLE and –99 dBm for 802.15.4),
Selectivity, and Blocking Performance
- Programmable Output Power up to +5 dBm
- Integrated Antenna
Tools and Development Environment from TI
- Full-Feature and Low-Cost Development Kits
- Packet Sniffer PC Software
- Sensor Controller Studio
- SmartRF™ Studio
- SmartRF Flash Programmer 2
- IAR Embedded Workbench® for ARM
- Code Composer Studio™
1.2. Applications
Consumer Electronics
Mobile Phone Accessories
Sports and Fitness Equipment
HID Applications
Home and Building Automation
Lighting Control
Alarm and Security
Electronic Shelf Labeling
Proximity Tags
Medical
Remote Controls
Wireless Sensor Networks

DOC No: ZB7-DTS-D02
____________________________________________________________________________________
Copyright © JORJIN TECHNOLOGIES INC. 2016 5
http://WWW.JORJIN.COM.TW
CONFIDENTIAL
2. FUNCTIONAL FEATURES
2.1. Module Block Diagram
VDD
GPIOs
ZB7 module
GPIOs
4M bits SPI
Flash Memory
(Optional)

DOC No: ZB7-DTS-D02
____________________________________________________________________________________
Copyright © JORJIN TECHNOLOGIES INC. 2016 6
http://WWW.JORJIN.COM.TW
CONFIDENTIAL
2.2. Block Functional Feature
Microcontroller
Powerful ARM® Cortex®-M3
EEMBC CoreMark® score: 142
Up to 48-MHz Clock Speed
128KB of In-System Programmable Flash
8-KB SRAM for Cache
20-KB Ultra-Low Leakage SRAM
2-Pin cJTAG and JTAG Debugging
Supports Over-The-Air Upgrade (OTA)
Ultra-Low Power Sensor Controller
Can run autonomous from the rest of the system
16-Bit Architecture
2-KB Ultra-Low Leakage SRAM for Code and Data
Peripherals
All Digital Peripheral Pins can be routed to any GPIO.
15 GPIOs
4 General-Purpose Timer Modules (8 × 16-Bit or 4 × 32-Bit Timer, PWM Each)
12-Bit ADC, 200-ksamples/s, 8-Channel Analog MUX
Continuous Time Comparator
Ultra-Low Power Analog Comparator
Programmable Current Source
UART
2x SSI (SPI, MICROWIRE, TI)
I2C
I2S
Real-Time Clock (RTC)

DOC No: ZB7-DTS-D02
____________________________________________________________________________________
Copyright © JORJIN TECHNOLOGIES INC. 2016 7
http://WWW.JORJIN.COM.TW
CONFIDENTIAL
AES-128 Security Module
True Random Number Generator (TRNG)
Support for 8 Capacitive Sensing Buttons
Integrated Temperature Sensor
RF Section
2.4 GHz RF Transceiver Compatible With Bluetooth Low Energy (BLE) 4.1 specification and
IEEE 802.15.4 PHY and MAC
Excellent Receiver Sensitivity (–96 dBm for BLE and –99 dBm for 802.15.4), Selectivity, and
Blocking Performance
Link budget of 101 dB/104 dB (BLE/802.15.4)
Programmable Output Power up to +5 dBm
Integrated Antenna
Suitable for Systems Targeting Compliance With Worldwide Radio Frequency Regulations
- ETSI EN 300 328 (Europe)
- EN 300 440 Class 2 (Europe)
- FCC CFR47 Part 15 (US)
- ARIB STD-T66 (Japan)
4M bits SPI serial Flash (optional)
AT25DF041B SPI serial Flash from Adesto technologies.
128-byte, One-Time Programmable (OTP) Security Register
- 64 bytes factory programmed with a unique identifier
- 64 bytes user programmable
Flexible Programming
- Byte/Page Program (1 to 256 Bytes)
- Sequential Program Mode Capability

DOC No: ZB7-DTS-D02
____________________________________________________________________________________
Copyright © JORJIN TECHNOLOGIES INC. 2016 8
http://WWW.JORJIN.COM.TW
CONFIDENTIAL
3. MODULE OUTLINE
3.1. Signal Layout (Top View)

DOC No: ZB7-DTS-D02
____________________________________________________________________________________
Copyright © JORJIN TECHNOLOGIES INC. 2016 9
http://WWW.JORJIN.COM.TW
CONFIDENTIAL
3.2. Pin Description
Table 3-1. Pin Description
Pin
No.
Pin Name
Type
Description
1
GND
GND
GND
2
NC
NC
No connection. For internal test only.
3
GND
GND
GND
4
DIO_0
Digital I/O
GPIO, Sensor Controller
5
DIO_1
Digital I/O
GPIO, Sensor Controller
6
DIO_2
Digital I/O
GPIO, Sensor Controller, High drive capability
7
DIO_3
Digital I/O
GPIO, Sensor Controller, High drive capability
8
DIO_4
Digital I/O
GPIO, Sensor Controller, High drive capability
9
JTAG_TMSC
Digital I/O
JTAG_TMSC, High drive capability
10
JTAG_TCKC
Digital I/O
JTAG_TCKC
11
DIO_5
Digital I/O
GPIO, High drive capability, JTAG_TDO
12
DIO_6
Digital I/O
GPIO, High drive capability, JTAG_TDI
13
RESET_N
Digital Input
Reset, active-low. No internal pullup. Built-in 0.1uF
capacitor to GND.
14
DIO_7
Digital/Analog I/O
GPIO, Sensor Controller, Analog
15
DIO_8
Digital/Analog I/O
GPIO, Sensor Controller, Analog
16
DIO_9
Digital/Analog I/O
GPIO, Sensor Controller, Analog. In -04 module,
DIO_9 pin is connected to CS# pin of internal serial
SPI Flash.
17
DIO_10
Digital/Analog I/O
GPIO, Sensor Controller, Analog. In -04 module,
DIO_10 pin is connected to SCLK pin of internal serial
SPI Flash.
18
DIO_11
Digital/Analog I/O
GPIO, Sensor Controller, Analog. In -04 module,
DIO_11 pin is connected to SI pin of internal serial SPI
Flash.
19
DIO_12
Digital/Analog I/O
GPIO, Sensor Controller, Analog. In -04 module,
DIO_12 pin is connected to SO pin of internal Serial
SPI Flash.
20
DIO_13
Digital/Analog I/O
GPIO, Sensor Controller, Analog

DOC No: ZB7-DTS-D02
____________________________________________________________________________________
Copyright © JORJIN TECHNOLOGIES INC. 2016 10
http://WWW.JORJIN.COM.TW
CONFIDENTIAL
21
DIO_14
Digital/Analog I/O
GPIO, Sensor Controller, Analog
22
VDDS (1)
Power
1.8 V to 3.8 V main chip and DC/DC supply
23
VDDS2 (1)
Power
1.8 V to 3.8 V GPIO supply
24
NC
NC
No connection.
25
GND
GND
Ground
G1~G4
GND
GND
Ground
(1) The power range is 1.8V to 3.6V for -04 module.

DOC No: ZB7-DTS-D02
____________________________________________________________________________________
Copyright © JORJIN TECHNOLOGIES INC. 2016 11
http://WWW.JORJIN.COM.TW
CONFIDENTIAL
4. MODULE SPECIFICATIONS
4.1. Absolute Maximum Ratings(1)(2)
over operating free-air temperature range (unless otherwise noted)
(1) All voltage values are with respect to VDDS, unless otherwise noted.
(2) Stresses beyond those listed under Absolute Maximum Ratings may cause permanent damage to the device. These
are stress ratings only, and functional operation of the device at these or any other conditions beyond those
indicated under Recommended Operating Conditions is not implied. Exposure to absolute-maximum-rated
conditions for extended periods may affect device reliability.
(3) VDDS2 must be at the same potential as VDDS.
(4) Including analog capable DIO.
Parameter
Conditions
MIN
MAX
Unit
Supply voltage, VDDS(3)
-0.3
4.1
V
Voltage on any digital pin(4)
-0.3
VDDS+0.3
Max 4.1
V
Voltage on ADC input (Vin)
Voltage scaling enabled
-0.3
VDDS
V
Internal reference, voltage scaling disabled
-0.3
1.49
V
VDDS as reference, voltage scaling disabled
-0.3
VDDS/2.9
V
Input RF level
+5
dBm
Storage temperature range
-40
+85
°C

DOC No: ZB7-DTS-D02
____________________________________________________________________________________
Copyright © JORJIN TECHNOLOGIES INC. 2016 12
http://WWW.JORJIN.COM.TW
CONFIDENTIAL
4.2. ESD Ratings
(1) JEDEC document JEP155 states that 500-V HBM allows safe manufacturing with a standard ESD control process.
(2) JEDEC document JEP157 states that 250-V CDM allows safe manufacturing with a standard ESD control process.
4.3. Recommended Operating Conditions
Parameter
Value
Unit
Electrostatic
discharge
performance (VESD)
Human Body Model (HBM), per ANSI/ESDA/JEDEC
JS001(1)
All pins
±2500
V
Charged Device Model (CDM), per JESD22-C101(2)
RF pins
±750
V
Non-RF pins
±750
V
Parameter
Conditions
MIN
MAX
Unit
Ambient temperature range
-40
85
°C
Operating supply voltage (VDDS)
For -00 module
For operation in battery-powered and
3.3 V systems
1.8
3.8
V
Operating supply voltage (VDDS)
For -04 module
For operation in battery-powered and
3.3 V systems
1.8
3.6
V

DOC No: ZB7-DTS-D02
____________________________________________________________________________________
Copyright © JORJIN TECHNOLOGIES INC. 2016 13
http://WWW.JORJIN.COM.TW
CONFIDENTIAL
4.4. Electrical Characteristics
Tc = 25°C, VDDS = 3.0 V with internal DC-DC converter, unless otherwise noted.
Parameter
Test Conditions
Min
Typ
Max
Units
Icore
Core current
consumption
Reset. RESET_N pin asserted or VDDS below
Power-on-Reset threshold
100
nA
Shutdown. No clocks running, no retention
150
nA
Standby. With RTC, CPU, RAM and (partial)
register retention. RCOSC_LF
1
μA
Standby. With RTC, CPU, RAM and (partial)
register retention. XOSC_LF
1.2
μA
Standby. With Cache, RTC, CPU, RAM and
(partial) register retention. RCOSC_LF
2.5
μA
Standby. With Cache, RTC, CPU, RAM and
(partial) register retention. XOSC_LF
2.7
μA
Idle. Supply Systems and RAM powered.
550
μA
Active. Core running CoreMark
1.45mA +
31uA/MHz
Radio RX
6.1
mA
Radio TX, 5 dBm output power
9.1
mA
Iperi
Peripheral Current Consumption (Adds to core current Icore for each peripheral unit activated)(1)
Peripheral
power domain
Delta current with domain enabled
20
μA
Serial power
domain
Delta current with domain enabled
13
μA
RF Core
Delta current with power domain enabled,
clock enabled, RF Core Idle
237
μA
μDMA
Delta current with clock enabled, module idle
130
μA
Timers
Delta current with clock enabled, module idle
113
μA
I2C
Delta current with clock enabled, module idle
12
μA
I2S
Delta current with clock enabled, module idle
36
μA
SSI
Delta current with clock enabled, module idle
93
μA
UART
Delta current with clock enabled, module idle
164
μA
(1) Iperi is not supported in standby or shutdown modes.

DOC No: ZB7-DTS-D02
____________________________________________________________________________________
Copyright © JORJIN TECHNOLOGIES INC. 2016 14
http://WWW.JORJIN.COM.TW
CONFIDENTIAL
4.5. General Characteristics
Tc = 25°C, VDDS = 3.0 V, unless otherwise noted.
Parameter
Test Conditions
Min
Typ
Max
Units
FLASH MEMORY
Supported flash erase cycles
before failure
100
K
Cycles
Flash page/sector erase current
Average delta current
12.6
mA
Flash page/sector erase time(1)
8
ms
Flash page/sector size
4
KB
Flash write current
Average delta current, 4 bytes at a time
8.15
mA
Flash write time(1)
4 bytes at a time
8
μs
(1) This number is dependent on Flash aging and will increase over time and erase cycles
4.6. 1-Mbps GFSK (Bluetooth Low Energy) – RX
RF performance is specified in a single ended 50 ohm reference plane at the antenna feeding point with Tc = 25°C, VDDS
= 3.0 V, fRF = 2440 MHz, unless otherwise noted.
Parameter
Test Conditions
Min
Typ
Max
Units
Receiver sensitivity
BER = 10–3
-96
dBm
Receiver saturation
BER = 10–3
4
dBm
Frequency error
tolerance
Difference between center frequency of the
received RF signal and local oscillator frequency.
-350
350
kHz
Data rate error
tolerance
Difference between incoming data rate and the
internally generated data rate
-750
750
ppm
Co-channel rejection(1)
Wanted signal at –67 dBm, modulated interferer
in channel, BER = 10–3
-6
dB
Selectivity, ±1 MHz(1)
Wanted signal at –67 dBm, modulated interferer
at ±1 MHz, BER = 10–3
7 / 3(2)
dB
Selectivity, ±2 MHz(1)
Wanted signal at –67 dBm, modulated interferer
at ±2 MHz, BER = 10–3
34/25(2)
dB
Selectivity, ±3 MHz(1)
Wanted signal at –67 dBm, modulated interferer
at ±3 MHz, BER = 10–3
38/26(2)
dB
Selectivity, ±4 MHz(1)
Wanted signal at –67 dBm, modulated interferer
at ±4 MHz, BER = 10–3
42/29(2)
dB

DOC No: ZB7-DTS-D02
____________________________________________________________________________________
Copyright © JORJIN TECHNOLOGIES INC. 2016 15
http://WWW.JORJIN.COM.TW
CONFIDENTIAL
Selectivity, ±5 MHz or
more(1)
Wanted signal at –67 dBm, modulated interferer
at ≥ ±5 MHz, BER = 10–3
32
dB
Selectivity, Image
frequency(1)
Wanted signal at –67 dBm, modulated interferer
at image frequency, BER = 10–3
25
dB
Selectivity, Image
frequency ±1 MHz (1)
Wanted signal at –67 dBm, modulated interferer
at ±1 MHz from image frequency, BER = 10–3
3/26(2)
dB
Out-of-band blocking(3)
30 MHz to 2000 MHz
-20
dBm
Out-of-band blocking
2003 MHz to 2399 MHz
-5
dBm
Out-of-band blocking
2484 MHz to 2997 MHz
-8
dBm
Out-of-band blocking
3000 MHz to 12.75 GHz
-8
dBm
Intermodulation
Wanted signal at 2402 MHz, –64 dBm. Two
interferers at 2405 and 2408 MHz respectively, at
the given power level
-34
dBm
Spurious emissions,
30 to 1000 MHz
Conducted measurement in a 50-Ω single-ended
load. Suitable for systems targeting compliance
with EN 300 328, EN 300 440 class 2, FCC CFR47,
Part 15 and ARIB STD-T-66
-71
dBm
Spurious emissions,
1 to 12.75 GHz
Conducted measurement in a 50-Ω single-ended
load. Suitable for systems targeting compliance
with EN 300 328, EN 300 440 class 2, FCC CFR47,
Part 15 and ARIB STD-T-66
-62
dBm
RSSI dynamic range
70
dB
RSSI accuracy
±4
dB
(1) Numbers given as I/C dB
(2) X / Y, where X is +N MHz and Y is –N MHz
(3) Excluding one exception at Fwanted / 2, per Bluetooth Specification
4.7. 1-Mbps GFSK (Bluetooth Low Energy) – TX
RF performance is specified in a single ended 50 ohm reference plane at the antenna feeding point with Tc = 25°C, VDDS
= 3.0 V, fRF = 2440 MHz, unless otherwise noted.
Parameter
Test Conditions
Min
Typ
Max
Units
Output power, highest setting
Delivered to a single-ended 50-Ω load
5
dBm
Output power, lowest setting
Delivered to a single-ended 50-Ω load
-21
dBm

DOC No: ZB7-DTS-D02
____________________________________________________________________________________
Copyright © JORJIN TECHNOLOGIES INC. 2016 16
http://WWW.JORJIN.COM.TW
CONFIDENTIAL
Spurious emission conducted
measurement(1)
f < 1 GHz, outside restricted bands
-43
dBm
f < 1 GHz, restricted bands ETSI
-65
dBm
f < 1 GHz, restricted bands FCC
-76
dBm
f > 1 GHz, including harmonics
-46
dBm
(1) Suitable for systems targeting compliance with worldwide radio-frequency regulations ETSI EN 300 328 and EN
300 440 Class 2 (Europe), FCC CFR47 Part 15 (US), and ARIB STD-T66 (Japan).
4.8. IEEE 802.15.4 (Offset Q-PSK DSSS, 250 kbps) – RX
RF performance is specified in a single ended 50 ohm reference plane at the antenna feeding point with Tc = 25°C, VDDS
= 3.0 V, fRF = 2440 MHz, unless otherwise noted.
Parameter
Test Conditions
Min
Typ
Max
Units
Receiver sensitivity
PER = 1%
-99
dBm
Receiver saturation
PER = 1%
+4
dBm
Adjacent channel rejection
Wanted signal at –82 dBm, modulated interferer at
±5 MHz, PER=1%
39
dB
Alternate channel rejection
Wanted signal at –82 dBm, modulated interferer at
±10 MHz, PER=1%
52
dB
Channel rejection, ±15 MHz or
more
Wanted signal at –82 dBm, undesired signal is IEEE
802.15.4 modulated channel, stepped through all
channels 2405 to 2480 MHz, PER = 1%
57
dB
Blocking and desensitization,
5MHz from upper band edge
Wanted signal at –97 dBm (3 dB above the
sensitivity level), CW jammer, PER = 1%
64
dB
Blocking and desensitization,
10MHz from upper band edge
Wanted signal at –97 dBm (3 dB above the
sensitivity level), CW jammer, PER = 1%
64
dB
Blocking and desensitization,
20MHz from upper band edge
Wanted signal at –97 dBm (3 dB above the
sensitivity level), CW jammer, PER = 1%
65
dB
Blocking and desensitization,
50MHz from upper band edge
Wanted signal at –97 dBm (3 dB above the
sensitivity level), CW jammer, PER = 1%
68
dB
Blocking and desensitization,
-5MHz from lower band edge
Wanted signal at –97 dBm (3 dB above the
sensitivity level), CW jammer, PER = 1%
63
dB
Blocking and desensitization,
-10MHz from lower band edge
Wanted signal at –97 dBm (3 dB above the
sensitivity level), CW jammer, PER = 1%
63
dB
Blocking and desensitization,
-20MHz from lower band edge
Wanted signal at –97 dBm (3 dB above the
sensitivity level), CW jammer, PER = 1%
65
dB

DOC No: ZB7-DTS-D02
____________________________________________________________________________________
Copyright © JORJIN TECHNOLOGIES INC. 2016 17
http://WWW.JORJIN.COM.TW
CONFIDENTIAL
Blocking and desensitization,
-50MHz from lower band edge
Wanted signal at –97 dBm (3 dB above the
sensitivity level), CW jammer, PER = 1%
67
dB
Spurious emissions, 30 MHz to
1000 MHz
Conducted measurement in a 50 Ω single-ended
load. Suitable for systems targeting compliance
with EN 300 328, EN 300 440 class 2, FCC CFR47,
Part 15 and ARIB STD-T-66
-71
dBm
Spurious emissions, 1 GHz to
12.75 GHz
Conducted measurement in a 50 Ω single-ended
load. Suitable for systems targeting compliance
with EN 300 328, EN 300 440 class 2, FCC CFR47,
Part 15 and ARIB STD-T-66
-62
dBm
Frequency error tolerance
Difference between center frequency of the
received RF signal and local oscillator frequency
>200
ppm
Symbol rate error tolerance
Difference between incoming symbol rate and the
internally generated symbol rate
>1000
ppm
RSSI dynamic range
100
dB
RSSI accuracy
±4
dB
4.9. IEEE 802.15.4 (Offset Q-PSK DSSS, 250 kbps) – TX
RF performance is specified in a single ended 50 ohm reference plane at the antenna feeding point with Tc = 25°C, VDDS
= 3.0 V, fRF = 2440 MHz, unless otherwise noted.
Parameter
Test Conditions
Min
Typ
Max
Units
Output power, highest setting
Delivered to a single-ended 50-Ω load
5
dBm
Output power, lowest setting
Delivered to a single-ended 50-Ω load
-21
dBm
Error vector magnitude
At maximum output power
2
%
Spurious emission conducted
measurement
f < 1 GHz, outside restricted bands
-43
dBm
f < 1 GHz, restricted bands ETSI
-65
dBm
f < 1 GHz, restricted bands FCC
-76
dBm
f > 1 GHz, including harmonics
-46
dBm
Suitable for systems targeting compliance with worldwide radio-frequency
regulations ETSI EN 300 328 and EN 300 440 Class 2 (Europe), FCC CFR47 Part 15
(US), and ARIB STD-T66 (Japan)

DOC No: ZB7-DTS-D02
____________________________________________________________________________________
Copyright © JORJIN TECHNOLOGIES INC. 2016 18
http://WWW.JORJIN.COM.TW
CONFIDENTIAL
4.10. Internal 24-MHz Crystal Oscillator (XOSC_HF)(1)
Tc = 25°C, VDDS = 3.0 V, unless otherwise noted.
Parameter
Test Conditions
Min
Typ
Max
Units
Crystal frequency
24
MHz
Crystal frequency tolerance(2)
-40
+40
ppm
Start-up time(3)
150
μs
(1) Probing or otherwise stopping the XTAL while the DC-DC converter is enabled may cause permanent damage to the
device.
(2) Includes initial tolerance of the crystal, drift over temperature, aging and frequency pulling due to incorrect load
capacitance. As per Bluetooth and IEEE 802.15.4 specification
(3) Kick-started based on a temperature and aging compensated RCOSC_HF using precharge injection
4.11. 32.768-kHz Crystal Oscillator (XOSC_LF)
Tc = 25°C, VDDS = 3.0 V, unless otherwise noted.
Parameter
Test Conditions
Min
Typ
Max
Units
Crystal frequency
32.768
KHz
Crystal frequency tolerance, Bluetooth low energy
applications(1)
-500
500
ppm
(1) Includes initial tolerance of the crystal, drift over temperature, ageing and frequency pulling due to incorrect load
capacitance. As per Bluetooth and IEEE 802.15.4 specification.
4.12. 48-MHz RC Oscillator (RCOSC_HF)
Tc = 25°C, VDDS = 3.0 V, unless otherwise noted.
Parameter
Test Conditions
Min
Typ
Max
Units
Frequency
48
MHz
Uncalibrated frequency accuracy
±1
%
Calibrated frequency accuracy(1)
±0.25
%
Start-up time
5
μs
(1) Accuracy relatively to the calibration source (XOSC_HF).

DOC No: ZB7-DTS-D02
____________________________________________________________________________________
Copyright © JORJIN TECHNOLOGIES INC. 2016 19
http://WWW.JORJIN.COM.TW
CONFIDENTIAL
4.13. 32-kHz RC Oscillator (RCOSC_LF)
Tc = 25°C, VDDS = 3.0 V, unless otherwise noted.
Parameter
Test Conditions
Min
Typ
Max
Units
Calibrated frequency
32.8
KHz
Temperature coefficient
50
ppm/°C
4.14. ADC Characteristics(1)
Tc = 25°C, VDDS = 3.0 V and voltage scaling enabled, unless otherwise noted.
Parameter
Test Conditions
Min
Typ
Max
Units
Input voltage range
0
VDDS
V
Resolution
12
Bits
Sample rate
200
ksps
Offset
Internal 4.3-V equivalent reference(2)
2
LSB
Gain error
Internal 4.3-V equivalent reference(2)
2.4
LSB
DNL(3) Differential nonlinearity
>-1
LSB
INL Integral nonlinearity
±3
LSB
ENOB Effective number of bits
Internal 4.3-V equivalent reference(2), 200
ksps, 9.6-kHz input tone
9.8
Bits
VDDS as reference, 200 ksps, 9.6-kHz
input tone
10
Bits
Internal 1.44-V reference, voltage scaling
disabled, 32 samples average, 200 ksps,
300-Hz input tone
11.1
Bits
THD - Total harmonic distortion
Internal 4.3-V equivalent reference(2),
200 ksps, 9.6-kHz input tone
-65
dB
VDDS as reference, 200 ksps, 9.6-kHz
input tone
-69
dB
Internal 1.44-V reference, voltage scaling
disabled, 32 samples average, 200 ksps,
300-Hz input tone
-71
dB
SINAD / SNDR -
Signal-to-noise and distortion
ratio
Internal 4.3-V equivalent reference(2), 200
ksps, 9.6-kHz input tone
60
dB
VDDS as reference, 200 ksps, 9.6-kHz
63
dB

DOC No: ZB7-DTS-D02
____________________________________________________________________________________
Copyright © JORJIN TECHNOLOGIES INC. 2016 20
http://WWW.JORJIN.COM.TW
CONFIDENTIAL
input tone
Internal 1.44-V reference, voltage scaling
disabled, 32 samples average, 200 ksps,
300-Hz input tone
69
dB
SFDR –
Spurious-free dynamic range
Internal 4.3-V equivalent reference(2), 200
ksps, 9.6-kHz input tone
67
dB
VDDS as reference, 200 ksps, 9.6-kHz
input tone
72
dB
Internal 1.44-V reference, voltage scaling
disabled, 32 samples average, 200 ksps,
300-Hz input tone
73
dB
Conversion time
Serial conversion, time-to-output, 24-MHz
clock
50
Clock
cycles
Current consumption
Internal 4.3-V equivalent reference(2)
0.66
mA
Current consumption
VDDS as reference
0.75
mA
Reference voltage
Equivalent fixed internal reference (input
voltage scaling enabled)
4.3
(2)(4)
V
Reference voltage
Fixed internal reference (input voltage
scaling disabled)
1.44
±1%
V
Reference voltage
VDDS as reference (Also known as
RELATIVE) (input voltage scaling enabled)
VDDS
V
Reference voltage
VDDS as reference (Also known as
RELATIVE) (input voltage scaling disabled)
VDDS/
2.82(4)
V
Input Impedance
200 ksps, voltage scaling enabled.
Capacitive input, Input impedance
depends on sampling frequency and
sampling time
>1
MΩ
(1) Using IEEE Std 1241™-2010 for terminology and test methods.
(2) Input signal scaled down internally before conversion, as if voltage range was 0 to 4.3 V.
(3) No missing codes. Positive DNL typically varies from +0.3 to +3.5, depending on device
(4) Applied voltage must be within absolute maximum ratings (Section 4.1) at all times.

DOC No: ZB7-DTS-D02
____________________________________________________________________________________
Copyright © JORJIN TECHNOLOGIES INC. 2016 21
http://WWW.JORJIN.COM.TW
CONFIDENTIAL
4.15. Temperature Sensor
Tc = 25°C, VDDS = 3.0 V, unless otherwise noted.
Parameter
Test Conditions
Min
Typ
Max
Units
Resolution
4
°C
Range
-40
+85
°C
Accuracy
±5
°C
Supply voltage coefficient(1)
3.2
°C /V
(1) Automatically compensated when using supplied driver libraries.
4.16. Battery Monitor
Tc = 25°C, VDDS = 3.0 V, unless otherwise noted.
Parameter
Test Conditions
Min
Typ
Max
Units
Resolution
50
mV
Range
1.8
3.8
V
Accuracy
13
mV
4.17. Continuous Time Comparator
Tc = 25°C, VDDS = 3.0 V, unless otherwise noted.
Parameter
Test Conditions
Min
Typ
Max
Units
Input voltage range
0
VDDS
V
External reference voltage
0
VDDS
V
Internal reference voltage
DCOUPL as reference
1.27
V
Offset
3
mV
Hysteresis
<2
mV
Decision time
Step from –10 mV to +10 mV
0.72
μs
Current consumption when enabled(1)
8.6
μA
(1) Additionally the bias module needs to be enabled when running in standby mode.

DOC No: ZB7-DTS-D02
____________________________________________________________________________________
Copyright © JORJIN TECHNOLOGIES INC. 2016 22
http://WWW.JORJIN.COM.TW
CONFIDENTIAL
4.18. Low-Power Clocked Comparator
Tc = 25°C, VDDS = 3.0 V, unless otherwise noted.
Parameter
Test Conditions
Min
Typ
Max
Units
Input voltage range
0
VDDS
V
Clock frequency
32
kHz
Internal reference voltage, VDDS / 2
1.49-1.51
V
Internal reference voltage, VDDS / 3
1.01-1.03
V
Internal reference voltage, VDDS / 4
0.78-0.79
V
Internal reference voltage, DCOUPL / 1
1.25-1.28
V
Internal reference voltage, DCOUPL / 2
0.63-0.65
V
Internal reference voltage, DCOUPL / 3
0.42-0.44
V
Internal reference voltage, DCOUPL / 4
0.33-0.34
V
Offset
<2
mV
Hysteresis
<5
mV
Decision time
Step from –50 mV to +50 mV
<1
clock cycle
Current consumption when enabled
362
nA
4.19. Programmable Current Source
Tc = 25°C, VDDS = 3.0 V, unless otherwise noted.
Parameter
Test Conditions
Min
Typ
Max
Units
Current source programmable output range
0.25-20
μA
Resolution
0.25
μA
Current consumption(1)
Including current source at
maximum programmable output
23
μA
(1) Additionally, the bias module must be enabled when running in standby mode.

DOC No: ZB7-DTS-D02
____________________________________________________________________________________
Copyright © JORJIN TECHNOLOGIES INC. 2016 23
http://WWW.JORJIN.COM.TW
CONFIDENTIAL
4.20. DC Characteristics
Parameter
Test Conditions
Min
Typ
Max
Units
TA = 25°C, VDDS = 1.8 V
GPIO VOH at 8-mA load
IOCURR = 2, high drive GPIOs only
1.32
1.54
V
GPIO VOL at 8-mA load
IOCURR = 2, high drive GPIOs only
0.26
0.32
V
GPIO VOH at 4-mA load
IOCURR = 1
1.32
1.58
V
GPIO VOL at 4-mA load
IOCURR = 1
0.21
0.32
V
GPIO pullup current
Input mode, pullup enabled, Vpad=0V
71.7
μA
GPIO pulldown current
Input mode, pulldown enabled, Vpad=VDDS
21.1
μA
GPIO high/low input
transition, no hysteresis
IH = 0, transition between reading 0 and reading 1
0.88
V
GPIO low-to-high input
transition, with hysteresis
IH = 1, transition voltage for input read as 0→1
1.07
V
GPIO high-to-low input
transition, with hysteresis
IH = 1, transition voltage for input read as 1→0
0.74
V
GPIO input hysteresis
IH = 1, difference between 0→1 and 1→0 points
0.33
V
TA = 25°C, VDDS = 3.0 V
GPIO VOH at 8-mA load
IOCURR = 2, high drive GPIOs only
2.68
V
GPIO VOL at 8-mA load
IOCURR = 2, high drive GPIOs only
0.33
V
GPIO VOH at 4-mA load
IOCURR = 1
2.72
V
GPIO VOL at 4-mA load
IOCURR = 1
0.28
V
TA = 25°C, VDDS = 3.8 V
GPIO pullup current
Input mode, pullup enabled, Vpad = 0 V
277
μA
GPIO pulldown current
Input mode, pulldown enabled, Vpad = VDDS
113
μA
GPIO high/low input
transition, no hysteresis
IH = 0, transition between reading 0 and reading 1
1.67
V
GPIO low-to-high input
transition, with hysteresis
IH = 1, transition voltage for input read as 0→1
1.94
V
GPIO high-to-low input
transition, with hysteresis
IH = 1, transition voltage for input read as 1→0
1.54
V
GPIO input hysteresis
IH = 1, difference between 0→1 and 1→0 points
0.4
V
TA = 25°C
VIH
Lowest GPIO input voltage reliably interpreted as a
”High”
0.8
VDDS
(1)

DOC No: ZB7-DTS-D02
____________________________________________________________________________________
Copyright © JORJIN TECHNOLOGIES INC. 2016 24
http://WWW.JORJIN.COM.TW
CONFIDENTIAL
VIL
Highest GPIO input voltage reliably interpreted as
a ”Low”
0.2
VDDS
(1)
(1) Each GPIO is referenced to a specific VDDS pin. See the CC2650 technical reference manual listed in Section 8.2 for
more details.
4.21. Timing Requirements
Min
Typ
Max
Units
Rising supply-voltage slew rate
0
100
mV/μs
Falling supply-voltage slew rate
0
20
mV/μs
Positive temperature
gradient in standby(1)
No limitation for negative temperature
gradient, or outside standby mode
5
°C/s
CONTROL INPUT AC CHARACTERISTICS(2)
RESET_N low duration
1
μs
SYNCHRONOUS SERIAL INTERFACE (SSI) (3)
S1 (SLAVE) (4)
Tclk_per
SSIClk period
12
65024
system clock
S2 (4)
tclk_high
SSIClk high time
0.5
Tclk_per
S3(4)
tclk_low
SSIClk low time
0.5
Tclk_per
(1) Applications using RCOSC_LF as sleep timer must also consider the drift in frequency caused by a change in
temperature.
(2) TA = –40°C to 85°C, VDDS = 1.8 V to 3.8 V, unless otherwise noted.
(3) Tc = 25°C, VDDS = 3.0 V, unless otherwise noted. Device operating as SLAVE. For SSI MASTER operation, see Section
4.22.
(4) Refer to SSI timing diagrams Figure 4-1, Figure 4-2, and Figure 4-3.
4.22. Switching Characteristics
Tc = 25°C, VDDS = 3.0 V, unless otherwise noted.
Parameter
Test Conditions
Min
Typ
Max
Units
WAKEUP AND TIMING
Idle → Active
14
μs
Standby → Active
151
μs
Shutdown → Active
1015
μs
SYNCHRONOUS SERIAL INTERFACE (SSI) (1)
S1 (TX only)(2) tclk_per (SSIClk period)
One-way communication to SLAVE
4
65024
system

DOC No: ZB7-DTS-D02
____________________________________________________________________________________
Copyright © JORJIN TECHNOLOGIES INC. 2016 25
http://WWW.JORJIN.COM.TW
CONFIDENTIAL
S1(TX and RX)(2) tclk_per (SSIClk period)
Normal duplex operation
8
65024
clocks
S2 (2) tclk_high (SSIClk high time)
0.5
tclk_per
S3 (2) tclk_low(SSIClk low time)
0.5
tclk_per
(1) Device operating as MASTER. For SSI SLAVE operation, see Section 4.21.
(2) (4) Refer to SSI timing diagrams Figure 4-1, Figure 4-2, and Figure 4-3.
Figure 4-1. SSI Timing for TI Frame Format (FRF = 01), Single Transfer Timing Measurement
Figure 4-2. SSI Timing for MICROWIRE Frame Format (FRF = 10), Single Transfer

DOC No: ZB7-DTS-D02
____________________________________________________________________________________
Copyright © JORJIN TECHNOLOGIES INC. 2016 26
http://WWW.JORJIN.COM.TW
CONFIDENTIAL
Figure 4-3. SSI Timing for SPI Frame Format (FRF = 00), With SPH = 1

DOC No: ZB7-DTS-D02
____________________________________________________________________________________
Copyright © JORJIN TECHNOLOGIES INC. 2016 27
http://WWW.JORJIN.COM.TW
CONFIDENTIAL
5. DESIGN RECOMMENDATIONS
5.1. Module Layout Recommendations
Follow these module layout recommendations:
Antenna
For a module with on board chip antenna, to eliminate the influence from other
components or ground, recommended that the module is placed in the corner of main PCB,
and define a clearance area around the antenna, where no grounding or signal trace are
contained. The clearance area applies to all layers of the main PCB. The recommended
dimensions of the main PCB keep out area are shown in bellow.
11 mm
5.5 mm

DOC No: ZB7-DTS-D02
____________________________________________________________________________________
Copyright © JORJIN TECHNOLOGIES INC. 2016 28
http://WWW.JORJIN.COM.TW
CONFIDENTIAL
RF test point
There are RF test points in the bottom side of this module. It is only for module production
used. Do not connect any signal to these test points (leave no connection). Please reserve a
keep out area. Do not route any signal or place via in this keep out area.
Device and Documentation Support
For a complete device and tool documents for the CC2650 platform, visit the Texas
Instruments website at http://www.ti.com.
RF test points keep
out area

DOC No: ZB7-DTS-D02
____________________________________________________________________________________
Copyright © JORJIN TECHNOLOGIES INC. 2016 29
http://WWW.JORJIN.COM.TW
CONFIDENTIAL
5.2. Reference Schematic
J1
HEADER 5x2/SM
2
4
6
8
10
1
3
5
7
9nRESET
JTAG_TCK
JTAG_TMS
VDDS
DIO_2
DIO_1
DIO_0
JTAG_TCK
JTAG_TMS
DIO_4
DIO_3
DIO_6/
DIO_5
DIO_7nRESET
DIO_9
DIO_8
DIO_13
DIO_12
DIO_11
DIO_10
DIO_14
cJTAG Interface
VDDS
R6
100K
RES0402
VDDS
G1 G2
G3 G4
U1
ZB7
DIO_0
4
DIO_1
5
JTAG_TMSC
9
JTAG_TCKC
10
DIO_5
11
DIO_6
12
RESET_N
13
DIO_7
14
DIO_8
15
DIO_9
16
DIO_10 17
DIO_11 18
DIO_12 19
DIO_13 20
DIO_14 21
VDDS 22
GND1
G1 GND2 G2
GND3
G3 GND4 G4
DIO_4
8DIO_3
7DIO_2
6
GND
3
GND5
1
NC
2
VDDS2 23
NC 24
GND6 25
* All Digital Peripheral Pins can be routed to any GPIO.

DOC No: ZB7-DTS-D02
____________________________________________________________________________________
Copyright © JORJIN TECHNOLOGIES INC. 2016 30
http://WWW.JORJIN.COM.TW
CONFIDENTIAL
6. CHIP ANTENNA PERFORMACE SUMMARY
Measured on the Jorjin ZB7500E00 EM board with TA = 25°C
6.1. S-Parameter Test

DOC No: ZB7-DTS-D02
____________________________________________________________________________________
Copyright © JORJIN TECHNOLOGIES INC. 2016 31
http://WWW.JORJIN.COM.TW
CONFIDENTIAL
6.2. DUT 3D Pattern
6.3. Total Efficiency
Parameter
2400MHz
2450MHz
2483MHz
S11
-10.780 dB
-17.338 dB
-16.020 dB
Efficiency%
53.97 %
56.87 %
53.64 %
Peak Gain
1.080 dBi
1.256 dBi
1.034 dBi
X
Z
Y

DOC No: ZB7-DTS-D02
____________________________________________________________________________________
Copyright © JORJIN TECHNOLOGIES INC. 2016 32
http://WWW.JORJIN.COM.TW
CONFIDENTIAL
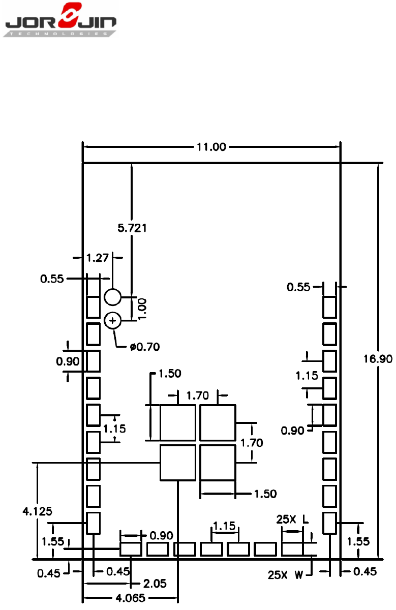
7. PACKAGE INFORMATION
7.1. Module Mechanical Outline
Top View
Note:
1> Pad tolerance as ±30um
2> Unit: mm

DOC No: ZB7-DTS-D02
____________________________________________________________________________________
Copyright © JORJIN TECHNOLOGIES INC. 2016 33
http://WWW.JORJIN.COM.TW
CONFIDENTIAL
Top and Side View
Note:
A: Typical: 2.45mm, Maximum: 2.69mm
B: Typical: 2.00mm, Maximum: 2.20mm
Unit: mm
Shielding case
Opening

DOC No: ZB7-DTS-D02
____________________________________________________________________________________
Copyright © JORJIN TECHNOLOGIES INC. 2016 34
http://WWW.JORJIN.COM.TW
CONFIDENTIAL
7.2. Ordering Information
Order Number
Package
Test Grade
ZB7500-00
LGA-25
500-00
ZB7500-04
LGA-25
500-04
ZB7410-00
LGA-25
410-00
ZB7410-04
LGA-25
410-04
ZB7320-00
LGA-25
320-00
ZB7320-04
LGA-25
320-04
7.3. Package Marking
Marking
Description
JORJIN
Brand name
ZB7
Model name
XX0-0X
Test grade (for more information, see Section 7.4, Test Grades)
R XXX-XXXXXX
JORJIN
Model:ZB7
Grade:XX0-0X
LTC:YYWWSSF
IC:10462A-ZB7
FCC ID:WS2-ZB7
CCXXxxYYyyyZz
W

DOC No: ZB7-DTS-D02
____________________________________________________________________________________
Copyright © JORJIN TECHNOLOGIES INC. 2016 35
http://WWW.JORJIN.COM.TW
CONFIDENTIAL
YYWWSSF
Lot Trace Code: YYWWSSF
YY= Digit of the year, ex: 2016=16
WW= Week (01~52)
SS= Serial number from 01~98 match to MFG’s lot number, or 99 to
repair control code
F= Reverse for internal use
TELEC compliance mark, and ID
10462A-ZB7
Canada IC ID
WS2-ZB7
FCC ID
NCC compliance mark, and ID
7.4. Test Grades
The ZB7 module offers six footprint-compatible, function variants by embedded software.
Test Grade
BLE
802.15.4
Addition 4Mbs SPI Flash
500-00
Tested
Tested
500-04
Tested
Tested
Installed
410-00
Tested
410-04
Tested
Installed
320-00
Tested
320-04
Tested
Installed

DOC No: ZB7-DTS-D02
____________________________________________________________________________________
Copyright © JORJIN TECHNOLOGIES INC. 2016 36
http://WWW.JORJIN.COM.TW
CONFIDENTIAL
8. SMT AND BAKING RECOMMENDATION
8.1. Baking Recommendation
Baking condition:
- Follow MSL Level 4 to do baking process.
- After bag is opened, devices that will be subjected to reflow solder or other high temperature
process must be
a) Mounted within 72 hours of factory conditions <30°C/60% RH, or
b) Stored at <10% RH.
- Devices require bake, before mounting, if Humidity Indicator Card reads >10%
- If baking is required, Devices may be baked for 8 hrs. at 125 °C.
8.2. SMT Recommendation
Recommended Reflow profile:
H

DOC No: ZB7-DTS-D02
____________________________________________________________________________________
Copyright © JORJIN TECHNOLOGIES INC. 2016 37
http://WWW.JORJIN.COM.TW
CONFIDENTIAL
No.
Item
Temperature (°C)
Time (sec)
1
Pre-heat
D1: 140 ~ D2: 200
T1: 80 ~ 120
2
Soldering
D2: = 220
T2: 60 +/- 10
3
Peak-Temp.
D3: 250 °C max
Note: (1) Reflow soldering is recommended two times maximum.
(2) Add Nitrogen while Reflow process: SMT solder ability will be better.
Stencil thickness: 0.1~ 0.13 mm (Recommended)
Soldering paste (without Pb): Recommended SENJU N705-GRN3360-K2-V can get better
soldering effects.

DOC No: ZB7-DTS-D02
____________________________________________________________________________________
Copyright © JORJIN TECHNOLOGIES INC. 2016 38
http://WWW.JORJIN.COM.TW
CONFIDENTIAL
9. TAPE REEL INFROMATION
9.1. Cover / Carrier Tape Dimension
Packing Qty
Dry Bag
Inner Box
Outer Box
1200 EA / Reel
1 Reel
(1200 EA)
1 Dry Bag
(1200 EA)
4 Inner Box
(4800 EA)
Inner Box Size : 352mm x 352mm x 56mm
Outer Box Size : 354mm x 362mm x 250mm

DOC No: ZB7-DTS-D02
____________________________________________________________________________________
Copyright © JORJIN TECHNOLOGIES INC. 2016 39
http://WWW.JORJIN.COM.TW
CONFIDENTIAL
10. REGULATORY INFORMATION
This section outlines the regulatory information for the following countries:
United States
Canada
Europe
Japan
Taiwan
10.1. United States
Federal Communications Commission Statement
15.21. You are cautioned that changes or modifications not expressly approved by the part
responsible for compliance could void the user’s authority to operate the equipment.
This device complies with Part 15 of the FCC Rules. Operation is subject to the following two
conditions:
(1) This device may not cause harmful interference and
(2) This device must accept any interference received, including interference that may cause
undesired operation of the device.
FCC RF Radiation Exposure Statement:
This equipment complies with FCC radiation exposure limits set forth for an uncontrolled
environment. End users must follow the specific operating instructions for satisfying RF exposure
limits. This transmitter must not be co-located or operating in conjunction with any other antenna
or transmitter.
End Product Labeling:
This module is designed to comply with the FCC statement, FCC ID: WS2-ZB7. The host system using
this module must display a visible label indicating the following text:
"Contains FCC ID: WS2-ZB7"
Manual Information to the End User
The OEM integrator has to be aware not to provide information to the end user regarding how to
install or remove this RF module in the user’s manual of the end product which integrates this

DOC No: ZB7-DTS-D02
____________________________________________________________________________________
Copyright © JORJIN TECHNOLOGIES INC. 2016 40
http://WWW.JORJIN.COM.TW
CONFIDENTIAL
module.
The end user manual shall include all required regulatory information/warning as shown in this
manual.
10.2. Canada
This device complies with Industry Canada’s licence-exempt RSSs.
Operation is subject to the following two conditions:
(1) this device may not cause interference, and
(2) this device must accept any interference, including interference that may cause undesired
operation of the device.
Le présent appareil est conforme aux CNR d'Industrie Canada applicables aux appareils radio
exempts de licence
L'exploitation est autorisée aux deux conditions suivantes:
(1) l'appareil ne doit pas produire de brouillage, et
(2) l'utilisateur de l'appareil doit accepter tout brouillage radioélectrique subi, même si le
brouillage est susceptible d'en compromettre le fonctionnement.
IC RF Radiation Exposure Statement:
To comply with IC RF exposure requirements, this device and its antenna must not be co-located or
operating in conjunction with any other antenna or transmitter.
Pour se conformer aux exigences de conformité RF canadienne l'exposition, cet appareil et son
antenne ne doivent pas étre co-localisés ou fonctionnant en conjonction avec une autre antenne ou
transmetteur.
End Product Labeling:
This module is designed to comply with the IC statement, IC: 10462A-ZB7. The host system using
this module must display a visible label indicating the following text:
"Contains IC: 10462A-ZB7"
Manual Information to the End User
The OEM integrator has to be aware not to provide information to the end user regarding how to
install or remove this RF module in the user’s manual of the end product which integrates this

DOC No: ZB7-DTS-D02
____________________________________________________________________________________
Copyright © JORJIN TECHNOLOGIES INC. 2016 41
http://WWW.JORJIN.COM.TW
CONFIDENTIAL
module.
The end user manual shall include all required regulatory information/warning as shown in this
manual.
10.3. Europe
This module is an R&TTE Directive assessed radio module that is CE marked and has been
manufactured and tested with the intention of being integrated into a final product.
This module is conformity with the following standards
EN300328 v1.9.1 (Bluetooth Low Energy)
EN300328 v1.9.1 (802.15.4)
IEC/EN62479:Ver 2010 (MPE) (replacing EN50371)
EN301489-1 v1.9.2:2011
EN301489-3 v1.6.1:2013
EN301489-17 v2.2.1:2012 (EMC)
EN55022:2010+AC:2011
EN55024:2011
EN60950-1: A2/2013
Labeling and User Information Requirements
As a result of the conformity assessment procedure described in Annex III of the Directive 1999/5/EC,
the end-customer equipment should be labeled as follows:
10.4. Japan
The ZB7 is certified as a module with type certification number XXX-XXXXXX. End products that
integrate this module do not need additional MIC Japan certification for the end product.
End product can display the certification label of the embedded module.

DOC No: ZB7-DTS-D02
____________________________________________________________________________________
Copyright © JORJIN TECHNOLOGIES INC. 2016 42
http://WWW.JORJIN.COM.TW
CONFIDENTIAL
10.5. Taiwan
The ZB7 is certified as a module with type certification number XXXXXXXXXXXXXX. End products
that integrate this module do not need additional NCC Taiwan certification for the end product.
End product can display the certification label of the embedded module.
The user's manual should contain following warning (for RF device) in traditional Chinese:
注意
本產品符合低功率電波輻射性電機管理辦法:
第十二條
經形式認證合格之低功率射頻電機,非經許可,公司、商號或使用者均不得擅自變更頻率、加
大功率或變更原設計之特性及功能。
第十四條
低功率射頻電機之使用不得影響飛航安全及干擾合法通信;經發現有干擾現象時,應立即停
用,並改善至無干擾時方的繼續使用。
前項合法通信,指依電信規定作業之無線電信。低功率射頻電機須忍受合法通信或工業、科學
及醫療用電波輻射性電機設備之干擾。
系統廠商應於平台上標示「本產品內含射頻模組: CCXXxxYYyyyZzW」字樣

DOC No: ZB7-DTS-D02
____________________________________________________________________________________
Copyright © JORJIN TECHNOLOGIES INC. 2016 43
http://WWW.JORJIN.COM.TW
CONFIDENTIAL
11. HISTORY CHANGE
Revision
Date
Description
Revision A Design
D 0.1
2015/06/22
Initial Released
Revision B Design
D 0.1
2016/01/21
1. Upgrade the design to Revision B
2. Module size extended to 16.9mm x 11mm
3. Change antenna
D 0.2
2016/08/02
1. Update part number
2. Modify sensitivity characteristics
3. Add reference schematic
4. Add antenna characteristics
5. Add marking information
6. Add Tape Reel information
7. Add Regulatory Information