Juniper Networks 250 DUAL MODE 2.4GHz/ 5GHz ACCESS POINT User Manual Trapeze Mobility Point MP 422 Installation Guide
Juniper Networks, Inc. DUAL MODE 2.4GHz/ 5GHz ACCESS POINT Trapeze Mobility Point MP 422 Installation Guide
USERS MANUAL

Part Number
730-9502-0134, Revision A
Trapeze
Mobility Point™
400 Installation Guide

ii
© 2006 Trapeze Networks, Inc. All rights reserved.
Trademarks
Trapeze Networks, the Trapeze Networks logo, Smart Mobile, Mobility Exchange, MX, Mobility Point, MP,
Mobility System Software, MSS, RingMaster, Mobility Domain, SentryScan, ActiveScan, Bonded Auth,
FastRoaming, Granular Transmit Power Setting, GTPS, Layer 3 Path Preservation, Location Policy Rule,
Mobility Profile, Passport Free Roaming, Time-of-Day Access, TAPA, Trapeze Access Point Access
Protocol, Virtual Private Group, VPG, Virtual Service Set, Virtual Site Survey and WebAAA are trademarks
of Trapeze Networks, Inc. Trapeze Networks SafetyNet is a service mark of Trapeze Networks, Inc.
AirDefense. AirDefense Enterprise, and AirDefense Personal are registered trademarks of AirDefense, Inc.
All other products and services are trademarks, registered trademarks, service marks or registered service
marks of their respective owners.
Disclaimer
All statements, specifications, recommendations, and technical information are current or planned as of the
date of the publication of this document. They are reliable as of the time of this writing and are presented
without warranty of any kind, expressed or implied. In an effort to continuously improve the product and add
features, Trapeze Networks reserves the right to change any specifications contained in this document without
prior notice of any kind.
Comments and Feedback
Your feedback on Trapeze documentation is important to us. Send any comments and suggestions to
doc-bugs@trapezenetworks.com.
For the most current version of this document, see www.trapezenetworks.com.
Note. The manufacturer is not responsible for any radio or TV interference
caused by unauthorized modifications to this equipment. Such modifications
could void the user’s authority to operate the equipment.
Trapeze Networks, Inc.
5753 W. Las Positas Blvd.
Pleasanton, CA 94588
Tel: +1 925-474-2200
Fax: +1 925-251-0642
Toll-Free: 877-FLY-TRPZ (877-359-8779)
www.trapezenetworks.com

iii
Customer Service
For general information about Trapeze Networks Mobility System™ products and
services, visit www.trapezenetworks.com. For warranty, license, and support
information, visit the following sites:
●Warranty and software licenses. Current Trapeze Networks warranty and
software licenses are available at www.trapezenetworks.com/support/
warranty.asp.
●Support services. For information about Trapeze support services, visit
www.trapezenetworks.com/support/. Or call 1-866-877-9822 (in the US or
Canada) or +1 925-474-2400 and select option 5.
Contacting the Technical Assistance Center
Contact the Trapeze Networks Technical Assistance Center (TAC) by telephone,
email, or fax. If you have a service contract or are a Trapeze Authorized Partner,
log in to www.trapezenetworks.com/support/sup_programs.asp for more help.
●Within the US and Canada, call 1-866-TRPZTAC (1-866-877-9822).
●Within Europe, call +31 35 64 78 193.
●From locations outside the US and Canada, call +1 925-474-2400.
●In non-emergencies, send email to support@trapezenetworks.com.
●When your case is active, you can fax more information to +1 925-474-2423.
Note. TRAPEZE NETWORKS SELLS AND SERVICES ITS PRODUCTS PRIMARILY
THROUGH ITS AUTHORIZED RESELLERS AND DISTRIBUTORS. If you purchased
your product from an authorized Trapeze reseller or distributor and do not have
a service contract with Trapeze Networks, you must contact your local reseller
or distributor for technical assistance.

Trapeze Mobility Point Installation Guide
iv
TAC Response Time
TAC responds to service requests as follows:
Information to Have Available
To expedite your service request, have the following information available when
you call or write to TAC for technical assistance:
●Your company name and address
●Your name, telephone number, cell phone or pager number, and email address
●Name, model, and serial number of the product(s) requiring service
●Software version and release number
●Output of the show tech-support command
●Wireless client information
●License levels for RingMaster™ and Mobility Exchange™ (MX™) products
●Description of the problem and status of the troubleshooting effort
Contact
method Priority Response time
Telephone Emergency One hour
Non-emergency Next business day
Email Non-emergency Next business day

Contents v
Contents
Customer Service . . . . . . . . . . . . . . . . . . . . . . . . . . . . . . . . . . . . . . . . . . . . . . . . . . . . iii
1 Introducing the Trapeze Networks Mobility System . . . . . . . . . . . . . . . . 1
Trapeze Networks Mobility System . . . . . . . . . . . . . . . . . . . . . . . . . . . . . . . . 1
Documentation . . . . . . . . . . . . . . . . . . . . . . . . . . . . . . . . . . . . . . . . . . . . . . . . 2
Safety and Advisory Notices . . . . . . . . . . . . . . . . . . . . . . . . . . . . . . . . . . 4
Text and Syntax Conventions . . . . . . . . . . . . . . . . . . . . . . . . . . . . . . . . . 5
2 MP Overview . . . . . . . . . . . . . . . . . . . . . . . . . . . . . . . . . . . . . . . . . . . . . . . . . . . . . . . 7
External Hardware Features . . . . . . . . . . . . . . . . . . . . . . . . . . . . . . . . . . . . . . 8
Cable Ports . . . . . . . . . . . . . . . . . . . . . . . . . . . . . . . . . . . . . . . . . . . . . . . . 9
External Antenna Connectors . . . . . . . . . . . . . . . . . . . . . . . . . . . . . . . . 10
Kensington Security Slot . . . . . . . . . . . . . . . . . . . . . . . . . . . . . . . . . . . . 12
MP Mounting Options . . . . . . . . . . . . . . . . . . . . . . . . . . . . . . . . . . . . . . 12
Status LEDs . . . . . . . . . . . . . . . . . . . . . . . . . . . . . . . . . . . . . . . . . . . . . . 12
Connection Options . . . . . . . . . . . . . . . . . . . . . . . . . . . . . . . . . . . . . . . . . . . 14
3 Installing and Connecting an MP-422 . . . . . . . . . . . . . . . . . . . . . . . . . . . . . 15
Unpacking an MP . . . . . . . . . . . . . . . . . . . . . . . . . . . . . . . . . . . . . . . . . . . . . 16
Installation Requirements and Recommendations . . . . . . . . . . . . . . . . . . . . 18
RingMaster Network Plan and Work Orders . . . . . . . . . . . . . . . . . . . . . 18
MX Switch Recommendation . . . . . . . . . . . . . . . . . . . . . . . . . . . . . . . . 18
Wall Installation Recommendations . . . . . . . . . . . . . . . . . . . . . . . . . . . 19
MP Radio Safety Advisories . . . . . . . . . . . . . . . . . . . . . . . . . . . . . . . . . 19
Radio Frequency Exposure . . . . . . . . . . . . . . . . . . . . . . . . . . . . . . . 19
Additional Radio Safety Advisories . . . . . . . . . . . . . . . . . . . . . . . . 19
Cable Requirements . . . . . . . . . . . . . . . . . . . . . . . . . . . . . . . . . . . . . . . . 20
Installing an MP-422 . . . . . . . . . . . . . . . . . . . . . . . . . . . . . . . . . . . . . . . . . . 22
Installation Hardware and Tools . . . . . . . . . . . . . . . . . . . . . . . . . . . . . . 22
Suspended Ceiling Installation—Flush Ceiling Tiles . . . . . . . . . . . . . . 24
Suspended Ceiling Installation—Drop Ceiling Tiles . . . . . . . . . . . . . . . 30

Trapeze Mobility Point Installation Guide
vi
Junction Box Installation . . . . . . . . . . . . . . . . . . . . . . . . . . . . . . . . . . . . 36
Solid Wall or Ceiling Installation . . . . . . . . . . . . . . . . . . . . . . . . . . . . . 40
Tabletop Installation . . . . . . . . . . . . . . . . . . . . . . . . . . . . . . . . . . . . . . . 45
Connecting an MP to an External Antenna . . . . . . . . . . . . . . . . . . . . . . 49
Connecting an MP to an MX Switch . . . . . . . . . . . . . . . . . . . . . . . . . . . . . . 50
Verifying MP Health . . . . . . . . . . . . . . . . . . . . . . . . . . . . . . . . . . . . . . . . . . 51
A MP Troubleshooting. . . . . . . . . . . . . . . . . . . . . . . . . . . . . . . . . . . . . . . . . . . . . . . 53
B MP Technical Specifications . . . . . . . . . . . . . . . . . . . . . . . . . . . . . . . . . . . . . . . 55
Index. . . . . . . . . . . . . . . . . . . . . . . . . . . . . . . . . . . . . . . . . . . . . . . . . . . . . . . . . . . . . . . . 61

Introducing the Trapeze Networks Mobility System
1
1
Introducing the Trapeze
Networks Mobility System
This guide shows you how to install a Trapeze Networks™ Mobility Point™
(MP™) access point in a Trapeze Networks Mobility System™ wireless LAN
(WLAN).
Read this guide if you are a network administrator or other person installing MP
access points in a network.
Trapeze Networks Mobility System
The Trapeze Networks Mobility System is an enterprise-class WLAN solution
that seamlessly integrates with an existing wired enterprise network. The Trapeze
system provides secure connectivity to both wireless and wired users in large
environments such as office buildings, hospitals, and university campuses.
The Trapeze Mobility System fulfills the three fundamental requirements of an
enterprise WLAN: It eliminates the distinction between wired and wireless
networks, allows users to work safely from anywhere (secure mobility), and
provides a comprehensive suite of intuitive tools for planning and managing the
network before and after deployment, greatly easing the operational burden on IT
resources.
Trapeze Networks Mobility System . . . . . . . . . . . . . . . . . . . . . . . . . . . . . . . . . 1
Documentation . . . . . . . . . . . . . . . . . . . . . . . . . . . . . . . . . . . . . . . . . . . . . . . . . 2

Documentation
Chapter 1
Trapeze Mobility Point Installation Guide
2
The Trapeze Networks Mobility System consists of the following components:
●RingMaster tool suite—A full-featured graphical user interface (GUI)
application used to plan, configure, deploy, and manage a WLAN and its
users
●One or more Mobility Exchange™ (MX™) switches—Distributed,
intelligent machines for managing user connectivity, connecting and
powering Mobility Point (MP) access points, and connecting the WLAN to
the wired network backbone
●Multiple Mobility Point™ (MP™) access points—Wireless access points
(APs) that transmit and receive radio frequency (RF) signals to and from
wireless users and connect them to an MX switch
●Mobility System Software™ (MSS™)—The operating system that runs all
MX switches and MP access points in a WLAN, and is accessible through a
command-line interface (CLI), the Web View interface, or the RingMaster
GUI
Documentation
Consult the following documents to plan, install, configure, and manage a Trapeze
Networks Mobility System.
Planning, Configuration, and Deployment
Trapeze RingMaster User’s Guide. Instructions for planning, configuring,
deploying, and managing the entire WLAN with the RingMaster tool suite. Read
this guide to learn how to plan wireless services, how to configure and deploy
Trapeze equipment to provide those services, and how to optimize and manage
your WLAN.
Trapeze RingMaster Reference Manual. Detailed instructions and information for
all RingMaster planning, configuration, and management features.

Documentation
Chapter 1
Introducing the Trapeze Networks Mobility System
3
Installation
●Trapeze Mobility Exchange Hardware Installation Guide. Instructions and
specifications for installing an MX switch
●Trapeze Mobility System Software Quick Start Guide. Instructions for
performing basic setup of secure (802.1X) and guest (Web AAA) access, for
configuring a Mobility Domain for roaming, and for accessing a sample
network plan in RingMaster for advanced configuration and management
●Trapeze Mobility Point MP-422 Installation Guide (this document).
Instructions and specifications for installing an MP access point and
connecting it to an MX switch
●Trapeze Mobility Point MP-620 Installation Guide. Instructions and
specifications for installing the MP-620 access point and connecting it to an
MX switch
●Trapeze Regulatory Information. Important safety instructions and
compliance information that you must read before installing Trapeze
Networks products
Configuration and Management
●Trapeze RingMaster Reference Manual. Instructions for planning,
configuring, deploying, and managing the entire WLAN with the RingMaster
tool suite
●Trapeze Mobility System Software Configuration Guide. Instructions for
configuring and managing the system through the MSS CLI
●Trapeze Mobility System Software Command Reference. Functional and
alphabetic reference to all MSS commands supported on MX switches and
MP access points

Documentation
Chapter 1
Trapeze Mobility Point Installation Guide
4
Safety and Advisory Notices
The following kinds of safety and advisory notices appear in this manual. (For
translations of the warning conventions and of all warnings in this manual, see
Trapeze Regulatory Information.)
Caution! This situation or condition can lead to data loss or damage to the
product or other property.
Warning! This situation or condition can cause injury.
Warning! High voltage. This situation or condition can cause injury due to
electric shock.
Warning! Radiation. This situation or condition can cause injury due to
improper handling of fiber-optic equipment.
Note. This information is of special interest.

Documentation
Chapter 1
Introducing the Trapeze Networks Mobility System
5
Text and Syntax Conventions
Trapeze manuals use the following text and syntax conventions:
Convention Use
Monospace text Sets off command syntax or sample commands and
system responses.
Bold text Highlights commands that you enter or items you
select.
Italic text Designates command variables that you replace
with appropriate values, or highlights publication
titles or words requiring special emphasis.
Menu Name > Command Indicates a menu item that you select. For example,
File > New indicates that you select New from the
File menu.
[ ] (square brackets) Enclose optional parameters in command syntax.
{ } (curly brackets) Enclose mandatory parameters in command syntax.
| (vertical bar) Separates mutually exclusive options in command
syntax.

Documentation
Chapter 1
Trapeze Mobility Point Installation Guide
6

MP Overview
7
2
MP Overview
A Trapeze Networks Mobility Point (MP) access point provides IEEE 802.11
wireless access to the network. MP access points are designed for use with a
Trapeze Networks Mobility Exchange (MX) switch. MP access points require
hardware installation only. All configuration for an MP access point takes place
on the MX switch.
This guide describes MP model MP-422. The MP-422 has one 802.11a radio and
one 802.11b/g radio. Both radios have internal diversity omnidirectional antennas.
In addition, both radios have separate jacks for attachment of optional external
sectorized or directional antennas. The antennas must be ordered separately.
External Hardware Features . . . . . . . . . . . . . . . . . . . . . . . . . . . . . . . . . . . . . . . 8
Connection Options . . . . . . . . . . . . . . . . . . . . . . . . . . . . . . . . . . . . . . . . . . . . . 14
Warning! Installation must be performed by qualified service personnel only.
Read and follow all warning notices and instructions marked on the product or
included in the documentation. Before installing the product, read the Trapeze
Regulatory Information document.
Note. The MP radios are disabled by default and can be enabled only by a
system administrator using the MX switch.

External Hardware Features
Chapter 2
Trapeze Mobility Point Installation Guide
8
External Hardware Features
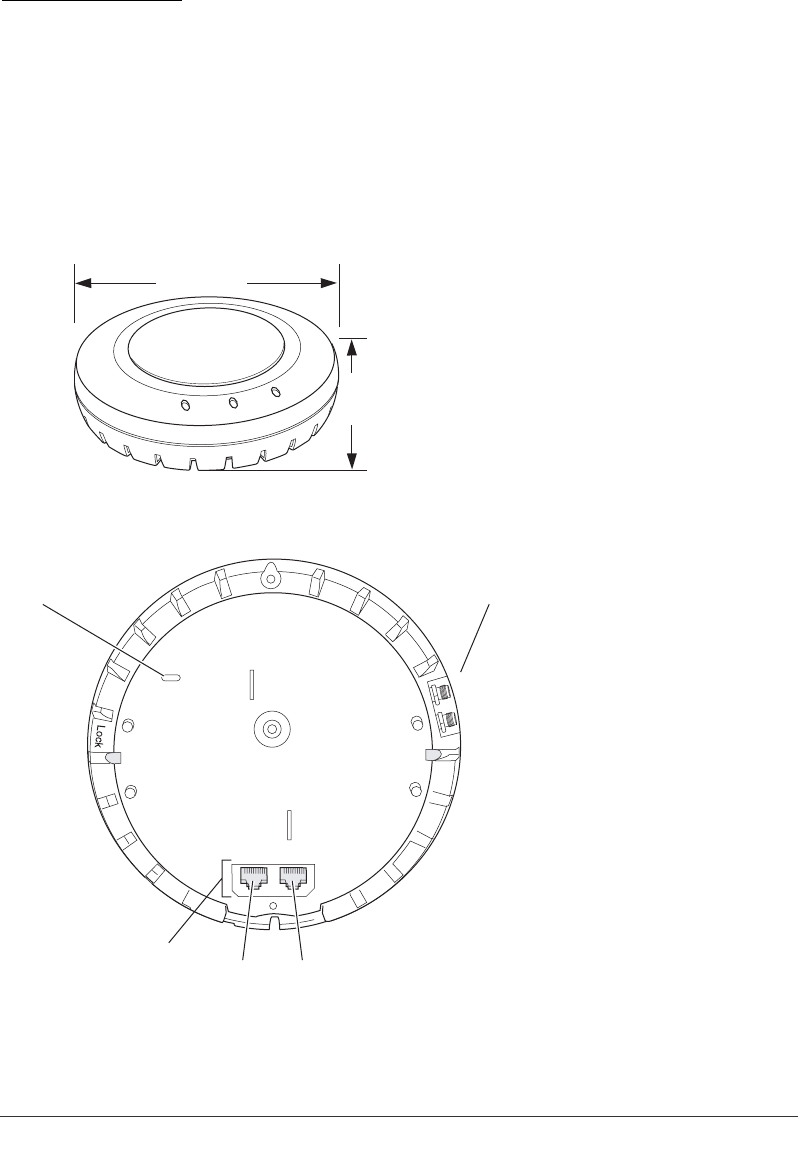
Figure 1 and Figure 2 show the external hardware features of the MP-422.
Figure 1. MP Access Point Model MP-422—Top View
Figure 2. MP Access Point Model MP-422—Bottom View
840-9502-0040
Diameter
16.76 cm
(6.6 inches)
Height
6.10 cm
(2.4 inches)
External antenna
connectors
840-9502-0007
Unlock
RJ-45
ports Port 2 Port 1
Kensington security
slot
802.11b/g
802.11a

External Hardware Features
Chapter 2
MP Overview
9
Cable Ports
The MP-422 has two RJ-45 ports. (See Figure 2.) Each port provides a
10/100BASE-TX Ethernet connection to an MX switch. The connection can be
direct to an MX-switch or indirect through an intermediate Layer 2 or Layer 3
network.
The MP receives power and data through the RJ-45 ports. Use a Category 5
(Cat 5) cable with straight-through signaling and standard RJ-45 connectors to
connect an MP to an MX switch or other device in the network. The MP-422
supports 802.3af, and also can receive PoE from Trapeze switches and
Trapeze-approved power injectors. (See the Release Notes for Trapeze Networks
Mobility Point Access Points.)
The two RJ-45 ports support dual-homed configurations for redundancy. An MP
uses only one link for booting, configuration, and data transfer. If the link
becomes unavailable, the MP can reboot using the other link. The ports are
identical except for logical numbering (1 or 2). You can use either port to connect
an MP access point to an MX switch. However, an MP always attempts to boot on
MP port 1 first. Only if the boot attempt on port 1 fails does the MP attempt to
boot on port 2. If one port becomes unavailable, the other port can provide full
power to the MP.
Note. MP access points do not support daisy-chain configurations. Do not
connect the MP access point to another MP access point.

External Hardware Features
Chapter 2
Trapeze Mobility Point Installation Guide
10
External Antenna Connectors
The MP-422 has connectors for attaching optional external antennas. (See
Figure 2.) Table 1 lists the external antenna models.
Figure 3 shows some of the 802.11b/g antennas.
Table 1. Trapeze External Antenna Models
Model Type Gain
Beamwidth
Horizontal Vertical
ANT-7360 802.11a 8 dBi 360° 15°
802.11b/g 6 dBi 360° 25°
ANT-7360-OUT 802.11a 8 dBi 360° 15°
802.11b/g 6 dBi 360° 22°
ANT-5060
(ASTN6S)1
1. The numbers in parentheses are the numbers that appear on the back of an 802.11a antenna’s reflector plate.
To verify an 802.11a external antenna’s model number, look for the number in parentheses.
802.11a 14.5 dBi 60° 14°
ANT-5120
(ASTN6T)
802.11a 12.5 dBi 120° 14°
ANT-5180
(ASTN6H)
802.11a 10.8 dBi 180° 14°
ANT-1060 802.11b/g 10 dBi 60° 65°
ANT-1120 802.11b/g 7 dBi 120° 60°
ANT-1180 802.11b/g 6 dBi 180° 40°
Note. The MP-422 radios are certified for use only with these external
antennas.
This equipment will be marketed and installed by specific contract retailer. The installation of this
equipment is only be performed by well-trained and qualified personnel.

External Hardware Features
Chapter 2
MP Overview
11
Figure 3. External 802.11b/g Antennas
The 802.11a external antennas look similar to the 802.11b/g model ANT-1180, but
each has a reflector plate specific to the model number. You can identify an
802.11a external antenna’s model by looking on the back of its reflector plate. Do
not reverse or remove the reflector plate. It is required for antenna operation.
Each antenna comes with a connector cable, mounting hardware, and installation
instructions.
Caution! The external connectors on the MP are labeled: 11B/G and 11A.
Each connector is a standard SMA connector. Make sure you attach the
antenna to the correct connector.
Note. Operation in the band 5.15–5.25 Ghz is restricted to indoor use only.
Model ANT-1060
Model ANT-1180
Model ANT-1120
840-9502-0077

External Hardware Features
Chapter 2
Trapeze Mobility Point Installation Guide
12
Kensington Security Slot
Models MP-422 has a slot for attachment of a Kensington security cable. The
cable is not included with the MP but can be ordered separately.
MP Mounting Options
You can mount an MP access point on any of the following types of surfaces:
●Suspended T-bar ceiling
●Junction box
●Solid surface wall or ceiling
●Tabletop
Status LEDs
The MP has LEDs that provide status information for the device. Figure 4 shows
the locations of the LEDs. Table 2 describes the LEDs.
Figure 4. Health and Radio LEDs—MP-422
Note. The solid surface mounting option requires Cat 5 cable that does not
have strain relief. The other mounting options can use Cat 5 cable with or
without strain relief.
Radio 2 LED
Health LED
Radio 1 LED
840-9502-0010

External Hardware Features
Chapter 2
MP Overview
13
Table 2. MP Access Point LEDs—MP-422
LED Appearance Meaning
Health Solid green All the following are true:
• Management link with an MX switch is
operational.
• MP access point has booted.
• MP access point has received a valid
configuration from an MX switch.
• At least one radio is enabled or is in sentry
mode.
Solid amber MP access point is waiting to receive boot
instructions and a configuration file from an MX
switch.
Alternating green and
amber
MP access point is booting and receiving its
configuration file from an MX switch.
After the MP boots and receives its
configuration, this LED appearance persists until
a radio is enabled or is placed in sentry mode.
Radio 1
Radio 2
Solid green A client is associated with the radio.
Blinking green Associated client is sending or receiving traffic.
Blinking amber Non-associated client is sending or receiving
traffic.
Alternating green and
amber
Radio is unable to transmit. This state can occur
due to any of the following:
• Excessive radio interference in the
environment is preventing the radio from
sending beacons.
• DFS has detected radar and is holding down
traffic.
• The radio has failed.
Unlit Means one of the following:
• Radio is disabled and active scan is enabled.
(The radio is in sentry mode.)
• Radio is enabled, but no clients are associated
with it.

Connection Options
Chapter 2
Trapeze Mobility Point Installation Guide
14
Connection Options
You can connect an MP access port directly to an MX switch port or indirectly to
MX switches through an intermediate Layer 2 or Layer 3 network. In either case,
use Category 5 (CAT 5) cable with straight-through signaling for each MP
connection.
You also can provide data link redundancy by connecting both of its ports directly
to MX switch ports or indirectly to MX switches through the network.
You can provide MX management redundancy even on a single MP Ethernet port
by connecting the MP indirectly to multiple MX switches through an intermediate
Layer 2 or Layer 3 network.
Note. Install the Cat 5 cables for the MP access point at the installation site
before installing the access point itself. During installation, you will insert the
Cat 5 cable(s) into the MP port(s) before attaching the access point to the
bracket.

Installing and Connecting an MP-422
15
3
Installing and Connecting
an MP-422
Unpacking an MP . . . . . . . . . . . . . . . . . . . . . . . . . . . . . . . . . . . . . . . . . . . . . . 16
Installation Requirements and Recommendations . . . . . . . . . . . . . . . . . . . . . 18
Installing an MP-422 . . . . . . . . . . . . . . . . . . . . . . . . . . . . . . . . . . . . . . . . . . . . 22
Connecting an MP to an MX Switch . . . . . . . . . . . . . . . . . . . . . . . . . . . . . . . 50
Verifying MP Health . . . . . . . . . . . . . . . . . . . . . . . . . . . . . . . . . . . . . . . . . . . . 51
Note. Before installing an MP access point, you might need to generate a
network plan and an MP work order with RingMaster. (See “RingMaster Network
Plan and Work Orders” on page 18.)

Unpacking an MP
Chapter 3
Trapeze Mobility Point Installation Guide
16
Unpacking an MP
The shipping carton for an MP access point contains the following items:
●One MP access point
●Mounting kit:
●One universal mounting bracket (attached to the MP)
●One paper mounting template (used for marking cutting areas and screw
holes)
●One two-piece 14.2-mm (9/16-inch) T-bar clamp
●One two-piece 15.9-mm (5/8-inch) T-bar clamp
●One two-piece 23.9-mm (15/16-inch) T-bar clamp
●Two #6 sheet metal screws and two drywall anchors
●Three adhesive rubber feet
●One documentation pack that includes quick mounting instructions and a
registration card (not shown)

Unpacking an MP
Chapter 3
Installing and Connecting an MP-422
17
Figure 5 shows the contents of the shipping carton for model MP-422.
Figure 5. MP-422 Shipping Carton Contents
Before you begin installation:
1Open the carton and carefully remove the contents, if you have not already
done so.
2Place the packing materials back in the carton and save the carton.
3Verify that you received each item in the previous list. If any item is missing
or damaged, contact Trapeze Networks.
T-bar clamps
Mounting template
Rubber feet Universal
mounting bracket
Mounting hardware
Mobility point
840-9502-0001

Installation Requirements and Recommendations
Chapter 3
Trapeze Mobility Point Installation Guide
18
Installation Requirements and
Recommendations
For best results, follow these requirements and recommendations before installing
an MP access point.
RingMaster Network Plan and Work Orders
If you are using RingMaster to plan your Trapeze Networks Mobility System
installation, you might want to create and verify a network plan for the entire
Trapeze network installation and generate an MP work order, before installing MP
access points. A network plan and the MP work orders generated from it provide
the following information about MP access point installation and configuration:
●Number of MP access points required for adequate WLAN capacity in each
coverage area
●Detailed installation location for each MP access point
●Settings for all MP access points in the WLAN
(For information about installing RingMaster, creating and verifying a network
plan, and generating an MP work order, see the Trapeze RingMaster User’s Guide
and Trapeze RingMaster Reference Manual.)
MX Switch Recommendation
Trapeze Networks recommends that you install and configure the MX switch
before installing an MP access point. If the switch is already installed and
configured for the MP access point(s), you can immediately verify the cable
connection(s) when you plug the cable(s) into the MP access point.
Caution! MP model MP-422 is designed to receive power only from an
802.3af-compliant source, a Trapeze Networks Mobility Exchange (MX) switch,
or a Trapeze-approved power injector. Connecting an MP access point to a
Power over Ethernet (PoE) device that is not approved by Trapeze Networks
can damage the equipment.

Installation Requirements and Recommendations
Chapter 3
Installing and Connecting an MP-422
19
(For information about connecting an MP access point to an MX switch port, see
“Connecting an MP to an MX Switch” on page 50.)
Wall Installation Recommendations
If you plan to install an MP on a partial wall or other vertical surface, orient the
top of the access point (the side with the LEDs) toward the intended coverage
area. The radio antennas transmit through the top of the access point but not
through the bottom (where the bracket is).
This recommendation does not apply if you plan to use external antennas. You can
orient the antennas independently of the MP itself. Orient an external antenna to
face the intended coverage area.
MP Radio Safety Advisories
When you enable the MP radio(s) as part of MX switch configuration, the radios
are able to receive and transmit radio frequency energy as soon as you connect the
MP access point(s) to the MX switch, either directly or through the network.
Radio Frequency Exposure
Federal Communications Commission (FCC) Docket 96-8 for Spread Spectrum
Transmitters specifies a safety standard for human exposure to radio frequency
electromagnetic energy emitted by FCC-certified equipment. When used with the
proper antennas (shipped in the product), Trapeze Networks MP access point
products meet the uncontrolled environmental limits found in OET-65 and
ANSI C95.1-1991. Proper installation of the MP access point according to the
instructions in this manual will result in user exposure that is below the FCC
recommended limits.
Additional Radio Safety Advisories
(For translations of warnings, see Trapeze Regulatory Information.)
Warning! In the U.S., locate the MP access point and any externally attached
antennas a minimum of 20 cm (7.9 inches) away from people. This safety
warning conforms with FCC radio frequency exposure limits for dipole antennas
such as those used in the MP access point.

Installation Requirements and Recommendations
Chapter 3
Trapeze Mobility Point Installation Guide
20
Cable Requirements
Warning! Do not operate the MP access point near unshielded blasting caps
or in an otherwise explosive environment unless the device has been modified
for such use by qualified personnel.
Warning! Do not touch or move the MP access point when the antennas are
transmitting or receiving.
Warning! Do not hold any radio device so that the antenna is very close to or
touching the face, eyes, or other exposed body part while the device's radio
antenna is transmitting.
Warning! Before using a wireless device in a hazardous location, consult the
local codes, national codes, and safety directors of the location for usage
constraints.
Warning! Do not connect or disconnect cables or otherwise work with the MP
access point hardware during periods of lightning activity.
Note. The MP access point is intended for indoor use only. Do not install the
device outdoors, unless you install it in a properly installed Trapeze Networks
outdoor MP enclosure.
Note. To reduce the possibility of connection interference caused by dust,
clean the Cat 5 connector pins before inserting a cable into an MP access point.

Installation Requirements and Recommendations
Chapter 3
Installing and Connecting an MP-422
21
Cat 5 cable with straight-through signaling must be installed at the site before you
install an MP access point. A single connection requires one cable. A dual-homed
connection requires two cables.
Table 3 lists the pin signals for 10/100 Ethernet straight-through wiring. Pins 4, 5,
7, and 8 are used when Trapeze Power over Ethernet (PoE) is enabled on the port.
RD means Receive Data and TD means Transmit Data.
Mounting an MP access point on a solid surface requires Cat 5 cable that does not
have strain relief. For installation on all other surfaces, you can use Cat 5 cable
with or without strain relief.
(For more information about cables, see “Cable Ports” on page 9.)
Table 3. 10/100 Ethernet Straight-Through Pin Signals
MX Switch Other Device
Pin Function Pin Function
1RD+1TD+
2RD-2TD-
3TD+3RD+
4 PoE+ 4 PoE+
5 PoE+ 5 PoE+
6TD-6RD-
7 PoE- 7 PoE-
8 PoE- 8 PoE-

Installing an MP-422
Chapter 3
Trapeze Mobility Point Installation Guide
22
Installing an MP-422
To install an MP-422, use one of the procedures in this section.
Installation Hardware and Tools
Table 4 lists the mounting hardware and tools required for each type of
installation.
Table 4. Required Mounting Hardware and Tools—Model MP-422
Mounting Option Required Hardware and Tools Included with the
Product
Suspended ceiling—flush
ceiling tiles
Mounting template Yes
Universal mounting bracket Yes
T-bar clamp
Note: A T-bar clamp is not required
for a 23.9-mm (15/16-inch) T-bar
ceiling with flush ceiling tiles.
Yes
Box cutter No
Small screwdriver (3-mm or
1/8-inch)
No
Suspended ceiling—drop
ceiling tiles
Mounting template Yes
Universal mounting bracket Yes
T-bar clamp Yes
Box cutter No
Small screwdriver (3-mm or
1/8-inch)
No

Installing an MP-422
Chapter 3
Installing and Connecting an MP-422
23
Figure 6 shows the universal mounting bracket.
Junction box Junction box No
Two #6-32 x 1-inch machine screws Yes
Universal mounting bracket Yes
Small screwdriver (3-mm or
1/8-inch)
No
#2 Phillips-head screwdriver No
Solid wall or ceiling Two #6 sheet metal screws and two
drywall anchors
Yes
Universal mounting bracket Yes
Hammer No
Small screwdriver (3-mm or
1/8-inch)
No
#2 Phillips-head screwdriver No
Tabletop Universal mounting bracket Yes
Three adhesive rubber feet Yes
Small screwdriver (3-mm or
1/8-inch)
No
Note. The MP-422 model is UL2043 plenum rated, so it also can be installed in
the space above the ceiling if preferred.
Table 4. Required Mounting Hardware and Tools—Model MP-422
(continued)
Mounting Option Required Hardware and Tools Included with the
Product

Installing an MP-422
Chapter 3
Trapeze Mobility Point Installation Guide
24
Figure 6. Universal Mounting Bracket
Suspended Ceiling Installation—Flush Ceiling Tiles
(For required mounting hardware and tools, see Table 4 on page 22.)
1Select an installation location that is centered over a T-bar in the ceiling.
2Cut a hole as follows in the ceiling tile for the Cat 5 cable(s):
aPlace the mounting template over the area where you plan to install the
MP access point.
bUse the box cutter to cut along the line marking the opening for the port
connectors.
cRemove the mounting template and the material you cut from the ceiling
panel.
3Determine whether to install a T-bar clamp onto the ceiling T-bar:
●If the T-bar width is 14.2 mm (9/16 inches), you need to install the
14.2-mm (9/16-inch) T-bar clamp. Go to step 4.
●If the T-bar width is 23.9 mm (15/16 inches), the universal mounting
bracket fits directly onto the T-bar. Go to step 5.
840-9502-0018
Port connector
opening
T-bar flanges
Screw holes

Installing an MP-422
Chapter 3
Installing and Connecting an MP-422
25
4Install the 14.2-mm (9/16-inch) T-bar clamp onto the ceiling T-bar as shown
in Figure 7.
aSlide each half of the clamp onto the T-bar so that the clamp lip is fully on
the T-bar.
bSlide the two halves of the clamp toward each other until the tabs are
inserted completely into the holes and the clamp fits snugly on the T-bar.
Figure 7. Step 4—Installing a T-bar Clamp
5Unlock the universal mounting bracket from the MP access point by inserting
the 3-mm or 1/8-inch screwdriver into the Unlock hole on the MP access point
as shown in Figure 8.
Caution! To avoid damage to the MP access point’s lock mechanism
or electronic components, do not use excessive force when inserting a
tool into the Unlock or Lock hole.
T-bar
T-bar clamp halves
Slide together
840-9502-0003

Installing an MP-422
Chapter 3
Trapeze Mobility Point Installation Guide
26
Figure 8. Step 5—Unlocking the Bracket
6Remove the bracket as shown in Figure 9.
Figure 9. Step 6—Removing the Bracket
7Install the universal mounting bracket as follows onto the T-bar or T-bar
clamp:
aAs shown in Figure 10, place the universal mounting bracket against the
T-bar or clamp so that the two screw holes face downward and the two
T-bar flanges face upward and are adjacent to the T-bar edges.
840-9502-0011
840-9502-0008

Installing an MP-422
Chapter 3
Installing and Connecting an MP-422
27
Figure 10. Step 7—Top View
bProperly align the bracket for mounting by placing the bracket so that its
port connector opening is to the left of the hole you cut for the cables.
cRotate the universal mounting bracket clockwise until the flanges snap
into place on the T-bar or clamp as shown in Figure 11.
Figure 11. Step 7—Bottom View
8Pull the Cat 5 cable(s) about 15 cm (about 6 inches) out of the hole in the
ceiling tile and through the port connector opening to create enough slack to
insert the cable(s).
T-bar
(Viewed from above ceiling tiles, looking down.)
840-9502-0005
Universal mounting
bracket
Port connector
opening
T-bar
Universal mounting bracket
840-9502-0004
Port connector
opening

Installing an MP-422
Chapter 3
Trapeze Mobility Point Installation Guide
28
9Insert the Cat 5 cable(s) into the connector(s):
●For a single connection, use the connector for port 1.
●For redundancy, insert one cable into each connector.
10 Install the Kensington lock, if you plan to use one.
aLoop the Kensington lock’s cable around an object that cannot be moved
or damaged by a person pulling on the cable.
bInsert the key into the Kensington lock.
cInsert the Kensington lock into the security slot on the MP.
dRotate the key right or left to secure the lock to the MP.
ePull on the lock to verify that it is secured to the MP.
fRemove the key.
11 Lift the MP access point into place on the universal mounting bracket as
shown in Figure 12.
Make sure the cable feeds properly into the ceiling as you lift the device, and
does not become trapped between the access point and the bracket.
Figure 12. Step 10—Placing the MP Access Point on the Bracket
840-9502-0002

Installing an MP-422
Chapter 3
Installing and Connecting an MP-422
29
12 Lock the MP access point onto the bracket by inserting the 3-mm or 1/8-inch
screwdriver into the Lock hole on the access point as shown in Figure 13.
Figure 13. Step 11—Locking the Bracket
13 To ensure that the MP access point is fully locked onto the bracket, gently pull
down on the access point and attempt to rotate it from side to side.
14 If the access point comes off the bracket, relock the device onto the bracket as
described in step 12 on page 29.
15 If the MP requires an external antenna, install and connect the antenna. (See
“Connecting an MP to an External Antenna” on page 49.)
16 If the other ends of the Cat 5 cable(s) are not already connected and the link
activated, go to “Connecting an MP to an MX Switch” on page 50. Otherwise,
go to “Verifying MP Health” on page 51.
Caution! To prevent possible damage to the MP access point, make
sure the device is fully locked onto the bracket before letting go of it.
840-9502-0006
Lock
T-bar

Installing an MP-422
Chapter 3
Trapeze Mobility Point Installation Guide
30
Suspended Ceiling Installation—Drop Ceiling Tiles
(For required mounting hardware and tools, see Table 4 on page 22.)
1Select an installation location that is centered over a T-bar in the ceiling.
2Cut a hole as follows in the ceiling tile for the Cat 5 cable(s):
aPlace the mounting template over the area where you plan to install the
MP access point.
bUse the box cutter to cut along the line marking the opening for the port
connectors.
cRemove the mounting template and the material you cut from the ceiling
panel.
3Install the T-bar clamp that fits the T-bar:
aSlide each half of the clamp onto the T-bar so that the clamp lip is fully on
the T-bar.
bSlide the two halves of the clamp toward each other until the tabs are
inserted completely into the holes and the clamp fits snugly on the T-bar.
Figure 14 shows an example for a 23.9-mm (15/16-inch) T-bar. Figure 15
shows an example for a 15.9-mm (5/8-inch) T-bar.
Figure 14. Step 3—Installing the T-bar Clamp for a 23.9-mm
(15/16-inch) T-bar
T-bar
T-bar clamp halves
Slide together
840-9502-0003

Installing an MP-422
Chapter 3
Installing and Connecting an MP-422
31
Figure 15. Step 3—Installing the T-bar Clamp for a 15.9-mm
(5/8-inch) T-bar
4Unlock the universal mounting bracket from the MP access point by inserting
the 3-mm or 1/8-inch screwdriver into the Unlock hole on the MP access point
as shown in Figure 16.
Figure 16. Step 4—Unlocking the Bracket
Caution! To avoid damage to the MP access point’s lock mechanism
or electronic components, do not use excessive force when inserting a
tool into the Unlock or Lock hole.
T-bar
T-bar clamp halves
Slide together
840-9502-0066
840-9502-0011

Installing an MP-422
Chapter 3
Trapeze Mobility Point Installation Guide
32
5Remove the bracket as shown in Figure 17.
Figure 17. Step 5—Removing the Bracket
6Install the universal mounting bracket as follows onto the T-bar clamp:
aAs shown in Figure 18, place the universal mounting bracket against the
T-bar clamp so that the two screw holes face downward and the two T-bar
flanges face upward and are adjacent to the T-bar edges.
bProperly align the bracket for mounting by placing the bracket so that its
port connector opening is to the left of the hole you cut for the cables.
cRotate the universal mounting bracket clockwise until the flanges snap
into place on the T-bar clamp as shown in Figure 19.
840-9502-0008

Installing an MP-422
Chapter 3
Installing and Connecting an MP-422
33
Figure 18. Step 6—Top View
Figure 19. Step 6—Bottom View
7Pull the Cat 5 cable(s) about 15 cm (about 6 inches) out of the hole in the
ceiling tile and through the port connector opening to create enough slack to
insert the cable(s).
8Insert the Cat 5 cable(s) into the connector(s):
●For a single connection, use the connector for port 1.
●For redundancy, insert one cable into each connector.
T- bar
T-bar clamps
(attached
to T-bar)
Universal mounting
bracket
840-9502-0012
(Viewed from above ceiling tiles, looking down.)
Port connector
opening
T-bar
Universal mounting bracket
840-9502-0004
Port connector
opening

Installing an MP-422
Chapter 3
Trapeze Mobility Point Installation Guide
34
9Install the Kensington lock, if you plan to use one.
aLoop the Kensington lock’s cable around an object that cannot be moved
or damaged by a person pulling on the cable.
bInsert the key into the Kensington lock.
cInsert the Kensington lock into the security slot on the MP.
dRotate the key right or left to secure the lock to the MP.
ePull on the lock to verify that it is secured to the MP.
fRemove the key.
10 Lift the MP access point into place on the universal mounting bracket as
shown in Figure 20.
Make sure the cable feeds properly into the ceiling as you lift the device, and
does not become trapped between the access point and the bracket.
Figure 20. Step 9—Placing the MP Access Point on the Bracket
11 Lock the MP access point onto the bracket by inserting the 3-mm or 1/8-inch
screwdriver into the Lock hole on the access point as shown in Figure 21.
Caution! To prevent possible damage to the MP access point, make
sure the device is fully locked onto the bracket before letting go of it.
840-9502-0002

Installing an MP-422
Chapter 3
Installing and Connecting an MP-422
35
Figure 21. Step 10—Locking the Bracket
12 To ensure that the MP access point is fully locked onto the bracket, gently pull
down on the access point and attempt to rotate it from side to side.
If the access point comes off the bracket, relock the device onto the bracket as
described in step 11 on page 34.
13 If the MP requires an external antenna, install and connect the antenna. (See
“Connecting an MP to an External Antenna” on page 49.)
14 If the other ends of the Cat 5 cable(s) are not already connected and the link
activated, go to “Connecting an MP to an MX Switch” on page 50. Otherwise,
go to “Verifying MP Health” on page 51.
840-9502-0006
Lock
T-bar

Installing an MP-422
Chapter 3
Trapeze Mobility Point Installation Guide
36
Junction Box Installation
(For required mounting hardware and tools, see Table 4 on page 22.)
1Unlock the universal mounting bracket from the MP access point by inserting
the 3-mm or 1/8-inch screwdriver into the Unlock hole on the MP access point
as shown in Figure 22.
Figure 22. Step 1—Unlocking the Bracket
2Remove the bracket as shown in Figure 23.
Caution! To avoid damage to the MP access point’s lock mechanism
or electronic components, do not use excessive force when inserting a
tool into the Unlock or Lock hole.
840-9502-0011

Installing an MP-422
Chapter 3
Installing and Connecting an MP-422
37
Figure 23. Step 2—Removing the Bracket
3Attach the universal mounting bracket to the junction box as shown in
Figure 24:
aPlace the universal mounting bracket against the junction box so that the
two screw holes face the junction box and align over the screw holes in
the box.
bInsert the #6-32 x 1-inch machine screws in the universal mounting
bracket’s screw holes, and use a #2 Phillips-head screwdriver to tighten
them.
840-9502-0008

Installing an MP-422
Chapter 3
Trapeze Mobility Point Installation Guide
38
Figure 24. Step 3—Placing the Bracket on the Junction Box
4Pull the Cat 5 cable(s) about 15 cm (about 6 inches) out of the junction box
and through the port connector opening to create enough slack to insert the
cable(s) into the port connectors.
5Insert the Cat 5 cable(s) into the connector(s):
●For a single connection, use the connector for port 1.
●For redundancy, insert one cable into each connector.
6Install the Kensington lock, if you plan to use one.
aLoop the Kensington lock’s cable around an object that cannot be moved
or damaged by a person pulling on the cable.
bInsert the key into the Kensington lock.
cInsert the Kensington lock into the security slot on the MP.
dRotate the key right or left to secure the lock to the MP.
ePull on the lock to verify that it is secured to the MP.
fRemove the key.
840-9502-0017
Junction box
Port connector
opening

Installing an MP-422
Chapter 3
Installing and Connecting an MP-422
39
7Lift the MP access point into place on the universal mounting bracket.
Make sure the cable feeds properly into the junction box as you lift the device,
and does not become trapped between the access point and the bracket.
8Lock the MP access point onto the bracket by inserting the 3-mm or 1/8-inch
screwdriver into the Lock hole on the access point as shown in Figure 25.
Figure 25. Step 7—Locking the Bracket
9To ensure that the MP access point is fully locked onto the bracket, gently pull
down on the access point and attempt to rotate it from side to side.
If the access point comes off the bracket, relock the device onto the bracket as
described in step 8 on page 39.
10 If the MP requires an external antenna, install and connect the antenna. (See
“Connecting an MP to an External Antenna” on page 49.)
11 If the other ends of the Cat 5 cable(s) are not already connected and the link
activated, go to “Connecting an MP to an MX Switch” on page 50. Otherwise,
go to “Verifying MP Health” on page 51.
Caution! To prevent possible damage to the MP access point, make
sure the device is fully locked onto the bracket before letting go of it.
840-9502-0062
Lock

Installing an MP-422
Chapter 3
Trapeze Mobility Point Installation Guide
40
Solid Wall or Ceiling Installation
(For required mounting hardware and tools, see Table 4 on page 22.)
1Prepare holes in the wall or ceiling for the universal mounting bracket, using
the following steps:
aPlace the paper mounting template over the location where you want to
install the MP access point.
bMark the screw hole location(s).
❍If you plan to route the Cat 5 cable externally along the wall or
ceiling, mark the locations of both the center screw hole and the
screw hole by the port connector opening.
❍If you plan to route the Cat 5 cable through a hole in the wall or
ceiling, mark the location of the center screw hole only. You cannot
use the screw hole by the port connector opening if you cut a hole for
the opening.
cRemove the template.
2Install the drywall anchor(s):
aHammer a drywall anchor into each hole, up to the beginning of the
threads on the anchor.
bScrew each anchor the rest of the way into its hole using a
#2 Phillips-head screwdriver.
cRemove the screw from each anchor and save the screw(s) for step 6 on
page 42.
Note. The solid surface mounting option requires Cat 5 cable that does not
have strain relief, unless you plan to route the cable through a hole in the wall
or ceiling. The other options can use Cat 5 cable with or without strain relief.
Note. Do not mark the four holes on the edges of the bracket. (These
are the holes indicated by the dashed lines in Figure 28.) The MP access
point fits into these holes. They are not screw holes.

Installing an MP-422
Chapter 3
Installing and Connecting an MP-422
41
3Unlock the universal mounting bracket from the MP access point by inserting
the 3-mm or 1/8-inch screwdriver into the Unlock hole on the MP access point
as shown in Figure 26.
Figure 26. Step 3—Unlocking the Bracket
4Remove the bracket as shown in Figure 27.
Figure 27. Step 4—Removing the Bracket
Caution! To avoid damage to the MP access point’s lock mechanism
or electronic components, do not use excessive force when inserting a
tool into the Unlock or Lock hole.
840-9502-0011
840-9502-0008

Installing an MP-422
Chapter 3
Trapeze Mobility Point Installation Guide
42
5As shown in Figure 28, feed the Cat 5 cable(s) through the port connector
opening and align the universal mounting bracket over the drywall anchors so
that the two screw holes in the bracket face the drywall anchors.
6Insert the #6 sheet metal screws into the screw holes, and tighten them to
secure the universal mounting bracket to the wall or ceiling.
(If you routed the Cat 5 cable through a hole in the wall or ceiling, insert the
screw into the center screw hole only.)
Figure 28. Steps 5 and 6—Bracket Placement on Solid Wall or Ceiling
Note. Do not insert screws in the four holes on the edges of the
bracket. (These are the holes indicated by the dashed lines in
Figure 28.) The MP access point fits into these holes. They are not
screw holes.
840-9502-0015

Installing an MP-422
Chapter 3
Installing and Connecting an MP-422
43
7Insert the Cat 5 cable(s) into the connector(s):
●For a single connection, use the connector for port 1.
●For redundancy, insert one cable into each connector.
8Install the Kensington lock, if you plan to use one.
aLoop the Kensington lock’s cable around an object that cannot be moved
or damaged by a person pulling on the cable.
bInsert the key into the Kensington lock.
cInsert the Kensington lock into the security slot on the MP.
dRotate the key right or left to secure the lock to the MP.
ePull on the lock to verify that it is secured to the MP.
fRemove the key.
9As shown in Figure 29, place the MP access point on the bracket, making sure
to remove any slack that occurs in the cable between the bracket and the MP
access point.
Figure 29. Step 8—Cable Placement
840-9502-0016
Universal mounting bracket
Cable

Installing an MP-422
Chapter 3
Trapeze Mobility Point Installation Guide
44
10 Lock the MP access point onto the bracket by inserting the 3-mm or 1/8-inch
screwdriver into the Lock hole on the access point as shown in Figure 30.
Figure 30. Step 9—Locking the Bracket
11 To ensure that the MP access point is fully locked onto the bracket, gently pull
on the access point and attempt to rotate it from side to side.
If the access point comes off the bracket, relock the device onto the bracket as
described in step 10 on page 44.
12 If the MP requires an external antenna, install and connect the antenna. (See
“Connecting an MP to an External Antenna” on page 49.)
13 If the other ends of the Cat 5 cable(s) are not already connected and the link
activated, go to “Connecting an MP to an MX Switch” on page 50. Otherwise,
go to “Verifying MP Health” on page 51.
Caution! To prevent possible damage to the MP access point, make
sure the device is fully locked onto the bracket before letting go of it.
840-9502-0062
Lock

Installing an MP-422
Chapter 3
Installing and Connecting an MP-422
45
Tabletop Installation
(For required mounting hardware and tools, see Table 4 on page 22.)
1Reverse the universal mounting bracket:
aUnlock the universal mounting bracket from the MP access point by
inserting the 3-mm or 1/8-inch screwdriver into the Unlock hole on the
MP access point as shown in Figure 31.
Figure 31. Step 1a—Unlocking the Bracket
Caution! To avoid damage to the MP access point’s lock mechanism
or electronic components, do not use excessive force when inserting a
tool into the Unlock or Lock hole.
840-9502-0011

Installing an MP-422
Chapter 3
Trapeze Mobility Point Installation Guide
46
bRemove the bracket as shown in Figure 32.
Figure 32. Step 1b—Removing the Bracket
cTurn over the universal mounting bracket, then align the bracket over the
cable ports and the four mounting posts as shown in Figure 33.
Figure 33. Step 1c—Turning Over the Bracket
dOnce the bracket is fully seated, lock the bracket onto the MP access point
by inserting the 3-mm or 1/8-inch screwdriver into the Lock hole on the
access point as shown in Figure 34.
840-9502-0008
840-9502-0061

Installing an MP-422
Chapter 3
Installing and Connecting an MP-422
47
Figure 34. Step 1d—Locking the Bracket
2Attach the three rubber adhesive feet onto the universal mounting bracket, in
the three location circles, as shown in Figure 35.
Figure 35. Step 2—Installing the Rubber Feet
3Insert the Cat 5 cable(s) into the connector(s):
●For a single connection, use the connector for port 1.
●For redundancy, insert one cable into each connector.
840-9502-0062
Lock
840-9502-0013

Installing an MP-422
Chapter 3
Trapeze Mobility Point Installation Guide
48
4Install the Kensington lock, if you plan to use one.
aLoop the Kensington lock’s cable around an object that cannot be moved
or damaged by a person pulling on the cable.
bInsert the key into the Kensington lock.
cInsert the Kensington lock into the security slot on the MP.
dRotate the key right or left to secure the lock to the MP.
ePull on the lock to verify that it is secured to the MP.
fRemove the key.
5Place the MP access point in the desired location on the table.
6If the MP requires an external antenna, install and connect the antenna. (See
“Connecting an MP to an External Antenna” on page 49.)
7If the other ends of the Cat 5 cable(s) are not already connected and the link
activated, go to “Connecting an MP to an MX Switch” on page 50. Otherwise,
go to “Verifying MP Health” on page 51.

Installing an MP-422
Chapter 3
Installing and Connecting an MP-422
49
Connecting an MP to an External Antenna
Each radio in an MP-422 can use an optional Trapeze external antenna. To mount
the antenna, see the instructions that come with the antenna.
To connect a mounted external antenna to an MP-422:
1Attach the exterior antenna cable that is shipped with the antenna to the MP
external antenna connector.
Both connectors are labeled to indicate the radio type. The MP has standard
SMA connectors for attachment to the 802.11b/g antenna and to the 802.11a
antenna.
(For the location of the external antenna connectors, see Figure 2 on page 8.)
2Attach the other end of the antenna cable to the antenna.
3If the other ends of the Cat 5 cable(s) are not already connected and the link
activated, go to “Connecting an MP to an MX Switch” on page 50. Otherwise,
go to “Verifying MP Health” on page 51.
Caution! The external antenna must be installed at least 20 cm from the MP
access point.
Caution! The external connectors on the MP are labeled: 11B/G and
11A. Each connector is a standard SMA connector. Make sure you attach
the antenna to the correct connector.
Note. If the MP is installed in a Trapeze Networks outdoor MP
enclosure, attach the antenna cable to the lightning surge arrestor (if
installed) or the enclosure’s SMA bulkhead connector.

Connecting an MP to an MX Switch
Chapter 3
Trapeze Mobility Point Installation Guide
50
Connecting an MP to an MX Switch
You can connect an MP access point directly to an MX switch or indirectly to the
switch through an intermediate Layer 2 or Layer 3 network. If you are connecting
the MP directly to an MX switch, use the following procedure to insert the cable
into the MX switch and verify the link.
You can use the CLI or RingMaster to configure an MP connection. If you are
installing the MP-422 as a Mesh AP in a WLAN Mesh or wireless bridge
configuration, you must configure the MP connection before deploying the MP in
its final location. (See the Trapeze Mobility System Software Configuration Guide
or the Trapeze RingMaster User’s Guide.)
Figure 36 shows how to insert a Cat 5 cable into 10/100 Ethernet port on an MX
switch. Refer to this figure as you perform the procedure.
Figure 36. 10/100 Cat 5 Cable Installation
Mobility Exchange
MX-20
Ethernet cable
(Cat 5 cable)
MP, switch, server
or other device
840-9502-0058
Ethernet port

Verifying MP Health
Chapter 3
Installing and Connecting an MP-422
51
1Insert a Cat 5 cable with a standard RJ-45 connector as shown in Figure 36.
For connection to an MP access point, use a straight-through cable.
2When the link is activated, observe the MP LED for the port on the MX
switch:
Verifying MP Health
After you install the MP access point and enable PoE on the Ethernet cable
connected to the MP, you can easily verify the MP’s status by observing the LEDs,
particularly the health LED. (See Figure 4 on page 12.)
The health or LINK LED indicates whether the MP access point is ready for
operation.
MP LED Appearance Meaning
Solid green For an MP access point’s active link, all the
following are true:
• MP access point has booted.
• MP access point has received a valid
configuration from the MX switch.
• Management link with an MP access point is
operational.
• At least one radio is enabled or is in sentry
mode.
For an MP access point’s secondary link, the
link is present.
Alternating green and
amber
MP access point is booting with an image
received from the MX switch. After the access
point boots and receives its configuration, this
LED appearance persists until a radio is enabled
or is placed in sentry mode.
Solid amber PoE is on.
Blinking amber MP is unresponsive or there is a PoE problem.
Unlit PoE is off.

Verifying MP Health
Chapter 3
Trapeze Mobility Point Installation Guide
52
●If the LED is green and glowing steadily, the MP has been booted
successfully by the MX switch and is ready for operation.
●If the LED is not steadily glowing green, contact the system administrator for
the MX switch or, if you are the system administrator, see Appendix A, “MP
Troubleshooting,” on page 53.

MP Troubleshooting
53
A
MP Troubleshooting
After you insert a Cat 5 cable into an MP access point’s port connector and enable
PoE on the cable, observe the device’s health or LINK LED to determine the
status of the connection with the MX switch.
●If the LED is green and is glowing steadily, the MP has been booted
successfully by the MX switch and is ready for operation.
●If the LED is not steadily glowing green, see Table 5.
(For descriptions of all the LEDs, see “Status LEDs” on page 12.)
Table 5. Health LED States
Health or LINK
LED Appearance Diagnosis Remedy
Not solid green MP radio needs to be
enabled.
Enable at least one of the radios. If
the LED is still not solid green, try
the remedy listed in this table
based on the LED’s appearance.
Unlit MP access point is not
receiving power.
Check the Cat 5 cable
connection(s).
For a direct connection to an MX
switch:
• Verify that Power over Ethernet
(PoE) is enabled on the MX
switch port connected to the
MP access point.
For an indirect connection through
the network:
• Verify that a Trapeze-approved
PoE source is supplying power
to the MP.

Appendix A
Trapeze Mobility Point Installation Guide
54
Slowly alternating
green and amber
MP access point is booting
with an image received from
an MX switch.
Wait a few seconds for the boot
process to complete. If this LED
appearance persists, enable a radio
or place a radio in sentry mode.
Solid amber MP access point is waiting to
receive boot instructions and
a configuration file from an
MX switch.
Wait a few seconds for the boot
process to begin.
If the LED remains amber, try the
remedies for the other health LED
appearances.
If the LED still remains amber,
make sure the MP access point is
securely connected to its PoE
source and to the network or MX
switch.
Table 5. Health LED States (continued)
Health or LINK
LED Appearance Diagnosis Remedy

MP Technical Specifications
55
B
MP Technical Specifications
This appendix lists the technical specifications for the Trapeze Networks MP-422
access point. Table 6 lists the mechanical and compliance specifications. (For
detailed compliance information, see the Trapeze Regulatory Information
document.) Table 7, Table 8, and Table 9 list the radio specifications. Table 10
lists the MAC address allocation scheme.
(For specifications for the MX switch, see the Trapeze Mobility Exchange
Installation and Basic Configuration Guide.)
Note. This Listed Accessory is designed and approved to be used only with
Trapeze Networks Mobility Exchange (MX) models MX-216, MX-20, MX-8, and
MXR-2. (The MX-400 and MX-200 switches do not directly connect to the MP.)
Note. The MP radios are disabled by default and can be enabled only by the
system administrator using the RingMaster management application or the MX
switch’s command-line interface (CLI).
Note. The radio frequency band, operating channels, and transmit power
depend on the country of operation specified by the system administrator using
RingMaster or the MX switch’s CLI.

Appendix B
Trapeze Mobility Point Installation Guide
56
Table 6. MP Mechanical and Compliance Specifications
Specification Description
Size Diameter: 16.76 cm (6.6 inches)
Height: 6.1 cm (2.4 inches)
Weight Without mounting bracket: 0.45 kg (16 ounces)
With mounting bracket: 0.5 kg (17.5 ounces)
Operating Temperature 0° C to +50° C (32° F to 122° F)
Storage Temperature -20° C to +70° C (-4° F to +158° F)
Humidity 10% to 95% noncondensing
Power over Ethernet
(PoE)
42 VDC to 57 VDC (46 VDC nominal)
IEEE 802.3af (MP-422, MP-372, MP-341, MP-352, and
MP-52)
Status indicators Health/MX and radio LEDs
(For descriptions of the LEDs, see “Status LEDs” on page 12.)
Wired network ports Two RJ-45 ports for 10/100BASE-T Ethernet and Power over
Ethernet (PoE)
Standards compliance IEEE 802.11
IEEE 802.11a
IEEE 802.11b
IEEE 802.11g
IEEE 802.3af
Safety and
electromagnetic
compliance
FCC Part 15, UL 60950
IC Part 15, CSA 22.2 N0-950, RSS-139-1 and RSS-210
ETS 300 328 (2.4 GHz) and 301 893 (5 GHz), EN 301 489-17
R&TTE Directive 1999/5/EC
TELEC, ARIB T66
GBT-15941-1995, GBT-16841-1997
LP0002

Appendix B
MP Technical Specifications
57
Encryption Wi-Fi Protected Access (WPA)
Advanced Encryption Standard (AES)
40-bit/104-bit Wired-Equivalent Privacy (WEP)
General Power-save mode supported
Transmit power control in 1 dBm increments
Supports up to 250 clients per radio
Table 7. 802.11a Radio Specifications
Specification Description
Antenna type Integrated diversity omnidirectional
External sectorized or directional (optional)
Antenna gain Internal: 5 dBi
External:
• ANT-5060—14.5 dBi
• ANT-5120—12.5 dBi
• ANT-5180—10.8 dBi
• ANT-7360—8 dBi
• ANT-7360-OUT—8 dBi
Frequency band 5.15 GHz to 5.85 GHz based on country regulations
Operating channels Based on the country of operation specified by the system
administrator
Association rates 54 Mbps, 48 Mbps, 36 Mbps, 24 Mbps, 18 Mbps, 12 Mbps,
9 Mbps, and 6 Mbps, with automatic fallback
Modulation Orthogonal frequency division multiplexing (OFDM)
Transmit power Based on the country of operation specified by the system
administrator
Table 6. MP Mechanical and Compliance Specifications (continued)
Specification Description

Appendix B
Trapeze Mobility Point Installation Guide
58
Table 8. 802.11b Radio Specifications
Specification Description
Antenna type Integrated diversity omnidirectional
External sectorized or directional (optional)
Antenna gain Internal: 3 dBi
External:
• ANT-1060—greater than 10 dBi
• ANT-1120—7 dBi or more
• ANT-1180—6 dBi or more
• ANT-7360—6 dBi
• ANT-7360-OUT—6 dBi
Frequency band 2.4 GHz to 2.4835 GHz based on country regulations
Operating channels Based on the country of operation specified by the system
administrator
Association rates 11 Mbps, 5.5 Mbps, 2 Mbps, and 1 Mbps, with automatic
fallback
Modulation Direct-sequence spread-spectrum (DSSS)
Transmit power Based on the country of operation specified by the system
administrator
Table 9. 802.11g Radio Specifications
Specification Description
Antenna type Integrated diversity omnidirectional
External sectorized or directional (optional)
Antenna gain Internal: 3 dBi
External:
• ANT-1060—greater than 10 dBi
• ANT-1120—7 dBi or more
• ANT-1180—6 dBi or more
• ANT-7360—6 dBi
• ANT-7360-OUT—6 dBi

Appendix B
MP Technical Specifications
59
MAC Addresses
Each MP-422 is assigned a unique block of 64 MAC addresses. Each radio has 32
MAC addresses and can therefore support up to 32 SSIDs, with one MAC address
assigned to each SSID as its BSSID.
An MP’s MAC address block is listed on a label on the back of the MP. If the MP
is already deployed and running on the network, you can display the MAC
address assignments by using the show ap status command.
All MAC addresses on an MP are assigned based on the MP’s base MAC address,
as described in Table 10.
Frequency band 2.4 GHz to 2.4835 GHz based on country regulations
Operating channels Based on the country of operation specified by the system
administrator
Association rates 54 Mbps, 48 Mbps, 36 Mbps, 24 Mbps, 18 Mbps, 12 Mbps,
9 Mbps, and 6 Mbps, with automatic fallback
Modulation Orthogonal frequency division multiplexing (OFDM)
Transmit power Based on the country of operation specified by the system
administrator
Table 9. 802.11g Radio Specifications (continued)
Specification Description

Appendix B
Trapeze Mobility Point Installation Guide
60
Table 10. MAC Address Allocations on MP-422
MP base MAC
Address
• The MP has a base MAC address. All the other addresses are
assigned based on this address.
Ethernet Port
MAC Addresses
• Ethernet port 1 equals the MP base MAC address.
• Ethernet port 2 equals the MP base MAC address + 1.
802.11a Radio
and SSID MAC
Addresses
• The 802.11a radio equals the MP base MAC address + 1.
• The BSSIDs for the SSIDs configured on the 802.11a radio end
in odd numbers. The first BSSID is equal to the MP’s base
MAC address + 1. The next BSSID is equal to the MP’s base
MAC address + 3, and so on.
802.11b/g Radio
and SSID MAC
Addresses
• The 802.11b/g radio equals the MP base MAC address.
• The BSSIDs for the SSIDs configured on the 802.11b/g radio
end in even numbers. The first BSSID is equal to the MP’s base
MAC address. The next BSSID is equal to the MP’s base MAC
address + 2, and so on.

Index
61
Index
A
access point. See MP (Mobility Point)
activating an MP 50
advisory notices, explanations of 4
ANT-1060 10
ANT-1120 10
ANT-1180 10
ANT-5060 10
ANT-5120 10
ANT-5180 10
antennas, external 10
B
bracket 12
C
cable ports 9
cable requirements 20
solid surface 40
Category 5 cables 9
strain relief 40
ceiling installation
drop tiles 30
solid 40
suspended, flush tiles 24
connections
dual-homed 9
external antenna 49
LEDs 51
MX (Mobility Exchange) 50
troubleshooting 53
conventions, text and syntax 5
customer service iii
D
documentation conventions 5
documentation, product 2
drop ceiling installation 30
dual-homed connections 9
E
Ethernet
cable requirements 20
connections to an MX switch, instructions
50
connections to an MX switch, MP port
locations 9
LEDs 51
ports 9
external antenna
connections to an MP, instructions 49
external antennas 10
F
flush ceiling installation 24
H
hardware
bottom view 8
features 8
inventory 16
mounting bracket 12
required, list of 22
top view 8
health LED
description 13

Trapeze Mobility Point Installation Guide
62
troubleshooting with 53
verifying MP health with 51
I
installation
junction box 36
MP 15, 22
requirements 18
requirements, tools 22
solid surface 40
suspended ceilings 30
suspended ceilings, flush tiles 24
tabletop 45
T-bar ceilings. See suspended ceilings
warnings, cables 20
warnings, radio 19
warnings, service 7
IP addresses 59
J
junction box installation 36
K
Kensington security slot 12
L
LEDs 12
health 13, 51, 53
MP (on MX) 51
radio 13
links
dual-homed 9
LEDs 51
MP 51
troubleshooting 53
M
MAC addresses 59
manuals, product 2
Mobility Exchange. See MX
Mobility Point. See MP
model numbers
external antennas 10
mounting bracket 12
mounting options 12
MP (Mobility Point)
description of 7
installation 15, 22
specifications 55
troubleshooting 53
MX (Mobility Exchange)
connections 14, 50
MP LEDs 51
recommendation 18
N
network plan, RingMaster 18
P
PoE (Power over Ethernet)
dual-homed connections 9
pin signals 21
specifications 56
use with Trapeze devices only 18
ports 9
product documentation 2
R
radio LEDs 13
radios
default state 7
health 53
radio LEDs 13
specifications 55
status 13
troubleshooting 53
warnings 19
redundancy 9
requirements 18
cables 20
hardware 22

Index
63
RingMaster
wall installation recommendations 19
work order 18
RJ-45s 9
S
safety notices, explanations of 4
solid surface installation 40
specifications 55
status LEDs. See LEDs
status lights. See LEDs
suspended ceilings, installation
drop tiles 30
flush tiles 24
switch. See MX (Mobility Exchange)
syntax conventions 5
T
tabletop installation 45
TAC (Technical Assistance Center) iii
T-bar ceilings. See suspended ceilings
Technical Assistance Center iii
technical specifications 55
technical support iii
tools 22
Trapeze customer service iii
Trapeze Networks Mobility System 1
troubleshooting 53
U
universal mounting bracket 12
unpacking an MP 16
W
wall installation
junction box 36
recommendations 19
solid 40
warnings
cable 20
installation 7
radio 19
work order, RingMaster 18

Trapeze Mobility Point Installation Guide
64

Trapeze
Regulatory
Information
Hardware
Safety
Symbols
.
.
.
.
.
.
.
.
.
.
.
.
.
.
.
.
.
.
.
.
.
.
.
.
.
.
.
.
.
.
.
.
.
.
.
.
.
.
.
.
.
.
.
.
.
.
.
.
.
.
.
.
.
.
.
.
.
.
.
.
1
Safety
and
Advisory
Notice
Convent
i
ons
.
.
.
.
.
.
.
.
.
.
.
.
.
.
.
.
.
.
.
.
.
.
.
.
.
.
.
.
.
.
.
.
.
.
.
.
.
.
.
.
.
.
.
.
.
.
.
.
2
Regulatory
Compliance
Information
.
.
.
.
.
.
.
.
.
.
.
.
.
.
.
.
.
.
.
.
.
.
.
.
.
.
.
.
.
.
.
.
.
.
.
.
.
.
.
.
.
.
.
.
.
.
.
.
.
.
.
.
3
Declarations
of
Conformity
.
.
.
.
.
.
.
.
.
.
.
.
.
.
.
.
.
.
.
.
.
.
.
.
.
.
.
.
.
.
.
.
.
.
.
.
.
.
.
.
.
.
.
.
.
.
.
.
.
.
.
.
.
.
.
.
.
.
.
7
Translations
of
W
a
rnings
and
W
a
rning
Convent
i
ons
.
.
.
.
.
.
.
.
.
.
.
.
.
.
.
.
.
.
.
.
.
.
.
.
.
.
.
.
.
.
.
.
.
.
.
.
.
.
.
9
This
do
c
um
e
nt
con
tai
ns
im
portant
safety
information.
Read
all
the
safety
warnings
before
you
b
e
g
i
n
inst
allation.
Hardware
Safety
Symbols
Trapeze
Networks
Mobility
System™
products
are
labeled
with
one
or
more
of
t
h
e
fol
l
owing
safety
symbols:
W
a
rning!
High
vo
ltage
.
Att
e
ntion!
Refer
t
o
the
manual.
W
a
rning!
Class
1
Laser.
Protective
ground
(earth)
terminal.
Fram
e
or
c
h
a
ssis
terminal.
Trapeze
Networks
,
Inc
.
5753
W
.
Las
Positas
Blvd.
Pleasanton
,
CA
94588
Tel:
+1
925-474-2200
Fax:
+1
925-251-0642
For
the
most
current
version
of
this
document
see
www.trapezenetworks.com
Toll-Free:
877-FLY-TRPZ
(877-359-8779)
Part
Number:
730-9502-0037,
Revision
D

2
Trapeze
Re
g
ulatory
Info
r
mation
Safety
and
Advisory
Notice
Conventions
Direct
current
(DC).
Alternating
current
(AC).
Complies
with
Underwriters
Laboratories
regu
lati
ons
in
Un
ited
S
tates
and
Canada.
Complies
with
European
Union
(CE)
regulations.
Contains
a
radio
transmitter
that
complies
with
the
Radio
and
T
e
lecommunications
Technical
Equipment
(R&TTE)
Directive
1995/5/EC
t
o
an
unharmonized
frequency
spe
c
trum.
Safety
and
Advisory
Notice
Conventions
The
follow
i
ng
s
a
fety
a
nd
advisory
notices
can
appear
in
Trapeze
Networks
product
documentation:
Warning!
This situation or condition can cause injury.
Warning!
High voltage. This situation or condition can cause injury due to electric shock.
Warning!
Radiation. This situation or condition can cause injury due to improper handling of
fiber-optic equipment.
Caution!
This situation or condition can lead to data loss or damage to the product or other
property.
Note.
This information is of special interest.

Trapeze
Re
g
ulato
r
y
Information
3
Re
g
ulato
r
y
Compliance
Information
Regulatory
Compliance
Information
Tr
a
p
eze
Networks
products
ca
use
no
elec
tromagne
tic inte
rferenc
e
to
o
t
her
devices
if
insta
lle
d
a
nd
op
erate
d
prop
e
rly
and
withou
t
modifica
tio
n.
Modification
Prohibition
Caution!
The Part 15 radio device in the access point operates on a noninterference basis
with other devices operating at the same frequency. Any modification to this device not
expressly approved by Trapeze Networks can void your authority to operate the device.
Th
e
manufacturer,
Trapeze
Networks,
is
no
t
responsible
for
any
interference
caused
by
unauthorized
modification
of
the
devices
included
with
this
produc
t,
or
the
substitution
or
attachment
of
connecting
cables
or
e
quipment
other
than
supplied
by
Tr
a
p
eze
Networks.
The
correction
of
inte
rference
caused
by
such
unauthorized
modification,
substitution,
or
attachment
is
your
responsibility.
Tr
a
p
eze
Networks
and
its
authorized
resellers
or
distributors
are
no
t li
ab
le
for
any
d
a
mage
or
vio
lat
ion
of
government
regulations
tha
t
might
a
rise
from
failure
to
comply
with
these
guidelines.
W
i
ring
Notice
Note.
Other than the power cord, the wiring interconnecting these units is designed to be
used intra-building only.
Federa
l
Communications
Commission
Notice
(United
States)
This
device
uses,
generates,
and
radiates
rad
i
o
frequency
energy.
The
radio
frequency
energy
produced
by this
device
is
well
below
the
maximum
exposure
a
llowed
by
the
Federal
Communications
Commission (FCC).
Operation
is
subject
to
t
h
e
following
conditions:
l
This
devi
ce
may
no
t
cause
harmful
interference.
l
This
devic
e
must
acc
ept
a
ny
interferenc
e
received,
including
inte
rference
that
may
cause
undesired
opera
t
ion.
This
equipment
has
been
te
sted
a
nd
found
to
comply
with
the
limits
of
a Cla
ss
B
or
Class
A
(as
marked)
d
igital
d
e
vice,
pursuant
t
o
Part
15
of
th
e
FCC
Rules.
These
limits
are
designed
to
provide
reasonable
protection
against
harmful
interferenc
e
when
the
e
quipment
is
opera
t
ed
in
a
residentia
l e
nvironment.

4
Trapeze
Re
g
ulatory
Info
r
mation
Re
g
ulatory
Compliance
Information
This
acce
pted
equipment
is
des
i
gned
and
te
sted
to
provide
reasonable
protection
against
harmful
inte
rference
when
the
equipmen
t
is
op
e
r
at
ed
in
a
comm
e
r
cial e
nv
i
ronment.
This
equipment
generates,
uses,
and
ca
n
radiate
radio
frequen
c
y
energy
and,
if
not
installed
in
acc
ordance
with
the
ins
t
ruction manual,
may
cause
harmful
interference.
There
is
no
guarant
ee that
interference
will
not
occur.
If
this
equipment
does
cause
inte
rference
to
radio
or
television
r
e
ception,
which
can
be
determined
by
turning
the
equipment
off
a
nd
on,
the
user
is
encouraged
to
correct
the
interference
by
one
of
the
following
measures:
l
Reorient
or
relocate
the
device
to
reorient
or
relocate
the
receiving
antenna.
l
Increas
e
separation
between
the
equipment
a
nd
receiver.
Federal Communication Commission Interference Statement
This equipment has been tested and found to comply with the limits for a Class B digital device, pursuant to Part 15 of the FCC
Rules. These limits are designed to provide reasonable protection against harmful interference in a residential installation.
This equipment generates, uses and can radiate radio frequency energy and, if not installed and used in accordance with the
instructions, may cause harmful interference to radio communications. However, there is no guarantee that interference will not
occur in a particular installation. If this equipment does cause harmful interference to radio or television reception, which can
be determined by turning the equipment off and on, the user is encouraged to try to correct the interference by one of the
following measures:
Reorient or relocate the receiving antenna.
Increase the separation between the equipment and receiver.
Connect the equipment into an outlet on a circuit different from that to which the receiver is connected.
Consult the dealer or an experienced radio/TV technician for help.
FCC Caution: Any changes or modifications not expressly approved by the party responsible for compliance could void the
user's authority to operate this equipment.
This device complies with Part 15 of the FCC Rules. Operation is subject to the following two conditions: (1) This device may
not cause harmful interference, and (2) this device must accept any interference received, including interference that may cause
undesired operation.
This device and its antenna(s) must not be co-located or operating in conjunction with any other antenna or transmitter.
If this device is going to be operated in 5.15 ~ 5.25GHz frequency range, then it is restricted in indoor environment only.
IMPORTANT NOTE:
FCC Radiation Exposure Statement:
This equipment complies with FCC radiation exposure limits set forth for an uncontrolled environment. This equipment should
be installed and operated with minimum distance 20cm between the radiator & your body.
Canadian
Department
of
Communications
Industry
Canada
Notice
(Canada)
This
dig
ital
apparatus
meets
t
h
e
requirements
of
Canadian
Interference-Causing
Equipmen
t
Regu
latio
n
RSS-210.
Cet
appareil
respecte
les
exigences
du
Reglement
sur
le material
broilleur
du
Canada.
This
device
complies
with
the
limits
of
Industry
Canada
(IC).
Operation
is
subject
to
the
following

Trapeze
Re
g
ulato
r
y
Information
5
Re
g
ulato
r
y
Compliance
Information
conditions:
l
This
device
may
no
t
caus
e
harmful
interference.
l
This
device
must
ac
cept
a
ny
interferenc
e
received,
including
interference
that
may
cause
undesired
op
erati
on.
The
device
is
certif
ied
to
the
requirements
of
IC
RSS-139-1.
Th
e
us
e
of
this
d
e
v
ice
in
a
system
opera
t
ing
either
part
iall
y
or
completely
outdoors
may
requ
ire
th
e
user
to
obtain
a
license
for
the
system.
For
more
information,
contact
your
local
Industry
Canada
of
fice
.
The installer of this radio equipment must ensure that the antenna is located or pointed such that it does not emit
RF field in excess of Health Canada limits for the general population; consult Safety Code 6, obtainable from
Health Canada’s website www.hc-sc.gc.ca/rpb
Radio
Frequency
Compliance
Information
(European
Union)
The
MP
acc
ess
point
has
been
teste
d
and
found
to
c
omply
with
European
T
el
ecommunications
S
t
andard
(ETS)
300
328
for
2.4-GHz
equipment
and
ETS
301
893
for
5-GHz
equipment.
These
standards
cover
wideband
da
ta tra
nsmission
systems
referred
to
in
European
Conf
e
ren
ce
of
Post
al
and
T
e
lecommunications
Administrations
(CEPT)
recommendation
T/R
10.01.
Voluntary
Control
Council
for
Interference
by
Information
Technology
Equipment
Notice
(Japan)

6
Trapeze
Re
g
ulatory
Info
r
mation
Re
g
ulatory
Compliance
Information
Tr
a
nsla
t
ion:
This
is
a
Class
A
produc
t
based
on
th
e
s
t
andard
of
the
Voluntary
Control
Counc
il
for
Interference
by
Information
T
e
chnology
Equipment
(VCCI).
If
this
equipment
i
s
used
in
a
domestic
environmen
t,
rad
i
o
d
i
sturb
a
nce
may
arise.
When
su
c
h
trouble
occurs,
th
e
user
may
be
required
to
take
corrective
actions.
Regulatory
Compliance
Notice
(Korea)

Trapeze
Re
g
ulato
r
y
Information
7
Re
g
ulato
r
y
Compliance
Information
Lithium
Battery
Caution
The
MX
switch
contains
a
lithium
batte
ry.
If
you
need
to
replace
the
batte
ry,
make
sure
you
dispose
of
the
battery
properly
according
to
loca
l
regulations
and
replace
the
battery
only
with
another
comparable
lithium
battery.
Caution!
Risk of explosion if battery is replaced by an incorrect type. Dispose of used
batteries according to the instructions.
Attentie!
Gevaar voor explosie als accu wordt vervangen door onjuist type. Verwijder
gebruikte accu's in overeenstemming met de instructies.
Vorsicht!
Wenn die Batterie durch einen falschen Typ ersetzt wird, besteht das Risiko einer
Explosion. Entsorgen Sie die gebrauchten Batterien entsprechend den Anweisungen.
Attention
!
Risque d'explosion si la batterie est remplacée par une batterie non conforme.
Jetez les batteries usagées selon les instructions.
¡Precaución!
Peligro de explosión si la bateria es reemplazada con otra de tipo incorrecto.
Deseche las baterias usadas siguiendo las instrucciones.
Advarsel!
Lithiumbatteri – Eksplosionsfare ved fejlagtig håndtering. Udskiftning må kun ske
med batteri af samme fabrikat og type.

8
Trapeze
Re
g
ulatory
Info
r
mation
Declarations
of
Conformity
Declarations
of
Conformity
The
following
sections
conta
i
n
de
clarat
ions
of
conformity.
European
Union
Notice
All
products
labeled
w
ith
the
CE
marking
comply
with
the
Electromagnetic
Compliance
(EMC)
Directive
(89
/
336/EEC)
and
the
Low
Vo
lt
ag
e
Di
rective
(73/23/EEC)
issued
by
the
Commission
of
th
e
European
Commun
ity
.
Compl
i
ance
with
these
directives
implie
s
conformity
to
t
h
e
following
European
Norms
(ENs).
The
equivalent
international
standards
a
r
e list
ed
in
parentheses.
l
EN
55022
(CISPR
22)—Electromagnetic
Interference
l
EN
55024
(IEC
61000-4-2,
-3,
-4,
-5,
-6,
-8,
-11)—Electromagnetic
Immunity
l
EN
61000-3-2
(IEC
610000-3-2)—Power
Line
Harmonics
l
EN
61000-3-3
(IEC
610000-3-3)—Power
Line
F
licke
r
l
EN
60
950
(IEC
60950)—Produ
ct
Safety
Products
labeled
with
the
CE
alert
marking
contain
a
radio
transmitter
that
complies
with
the
Rad
i
o
Equ
i
pmen
t a
nd
T
e
lecommun
icatio
ns
T
e
rminal
Equipment
(R&TTE)
Directive
1999/5/EC
to
a
n
unh
a
rmon
iz
ed
frequ
e
ncy
sp
ect
rum,
issued
by
the
Commission
of
the
European
Commun
ity
.
Compl
i
ance
with
these
directives
implie
s
conformity
to
t
h
e
following
European
Norms
(ENs).
Where
applicab
le,
the
equiva
lent inte
rna
ti
onal
standards
are
liste
d
in
parentheses.
l
EN
60
950
(IEC
60950)—Produ
ct
Safety
l
EN
300
328—T
e
ch
nical
Requirements
for
Rad
i
o
Equ
i
pmen
t
l
ETS
300
826
and
ETS
301
489-17—General
EMC
requirements
for
radio
equipment
l
ETS
301
893—Broadband
Radio
Access
Networks
(BRAN)
l
HiperLAN/2
l
Harmonized
EN
covering
essen
tial
r
e
quirements
of
Article
3.2
of
the
R&TTE
Directive—
Point-to-multipoint
di
gital
fixed
radio
systems
and
antennas
To
determine
the
type
of
transmit
ter
,
check
th
e
ident
ificatio
n
la
b
el
on
your
product.

Trapeze
Re
g
ulato
r
y
Information
9
Declarations
of
Conformity
European
Community,
Sw
it
zerland,
Norway,
Iceland,
and
Liechtenstein
Declarations
T
a
ble
1
lists
European
declarations
of
conform
ity
with
Radio
Equipment
and
T
e
lecommunications
T
e
rminal
Equipment
(R&TTE)
Directive
1999/5/EC.
Table
1.
European
Declarations
of
Conformity
with
R&TTE
Directive
1999/5/EC
Language
Declaration
Statement
English
This
equipment
c
omplies
w
i
th
the
e
ssential
requirements
and
other
relevant
provisions
of
Directive
1999/5/EC.
Deutsch
Dieses
Ge
rät
entspricht
den
grundlegenden
Anforderungen
und
den
weiteren
entsprecheneden
Vorgaben
der
Richtlinie
1999/5/EU.
Dansk
D
ette
udstyr
er
i
overenss
temmelse
med
de
væsentlige
krav
og
andre
rele
vante
bestemmelser
i
D
i
rectiv
1999/5/EF.
¢Ellhn
a
V
AutoV
o
exoplismoV
summorjwneta
i
me
tiV
ousiwdeiV
apa
i
thseiV
ka
i
tiV
loipeV
diataxeiV
thV
OdhgiaV
1999/5
/
EK.
Español
Este
e
quipo
cumple
c
on
los
requisitos
esenc
iales
as
i c
omo
con
otras
disposiciones
de
la
Dir
ective
1999/5/EC.
Français
C
et a
ppareil
est
conforme
aux
exigencies
e
sse
ntialles et a
ux
autres
dispositions
pertinantes
de
la
Directiv
e
1999/5/EC.
Íslenska
Þessi
búnaður
samrým
ist
lögboðnum
kröfum
og
öðrum
ákvæðum
tilskipunar
1999/5/ESB.
Italiano
Questo
apparato
é
conforme
ai
requisiti
essenziali
ed
agli altri
principi
sanci
ti dalla
Direttiva
1999/5/EC.
Ned
erla
nds
De
ze
app
a
ratuur
voldo
et aa
n
de
belangrijkste
ei
s
e
n
e
n
andere
voorzieningen
van
richtlijn
1999/5/EC.
Norsk
D
ette
utstyret
er
i
s
a
msvar
med
de
grunn
l
eggend
e
krav
og
andr
e
rele
vante
bestemmelser
i
EU-direc
tiv
1999/5/EC.
Portugu
ê
s
Este
e
qu
i
pam
e
n
t
o
sa
tis
f
az
os
requisitos
e
ssenciais
e
outras
prov
i
sõ
e
s
da
Directiv
a
1999/5/EC.
Suomalainen
Tämä
laite täyttää
direktiivin
1999/5/EY
oleelliset
vaatimukset
ja
on
siinä
asetettujen
muidenkin
ehtojen
mukainen.
Svenska
Denna
utrustning
är
i
överensstämmelse
med
de
väsentliga
kraven
och
andra
relevant
a
b
e
stämmelser
i
Direktiv
1999/5/EC.

10
Trapeze
Re
g
ulatory
Info
r
mation
T
r
anslations
of
Warnin
g
s
and
Warnin
g
Conventions
Translations
of
Warnings
and
Warning
Conventions
Warning
Conventions
Warning!
This situation or condition can cause injury.
Waarschuwing!
Deze situatie of omstandigheid kan letsel veroorzaken.
Warnung!
Diese Situation oder dieser Zustand kann zu Verletzungen führen.
Avertissement
!
Cette situation ou cette condition peuvent provoquer des blessures.
Aviso
Esta situación o condición puede causar lesiones.
Warning!
High voltage. This situation or condition can cause injury due to electric shock.
Waarschuwing!
Hoog voltage. Deze situatie of omstandigheid kan letsel veroorzaken door
elektrische schokken.
Warnung!
Hochspannung. Diese Situation oder dieser Zustand kann einen Elektroschock
verursachen.
Avertissement
!
Haute tension. Cette situation ou cette condition peuvent provoquer des
blessures dues à des décharges électriques.
Aviso
Alta tensión. Esta situación o condición puede causar lesiones por descarga eléctrica.

Trapeze
Re
g
ulato
r
y
Information
11
T
ranslations
of
Warnin
g
s
and
Warnin
g
Conventions
Warning!
Radiation. This situation or condition can cause injury due to improper handling of
fiber-optic equipment.
Waarschuwing!
Straling. Deze situatie of omstandigheid kan letsel veroorzaken door
onjuist gebruik van glasvezelapparatuur.
Warnung!
Strahlung. Diese Situation oder dieser Zustand kann durch falschen Umgang mit
glasfaserbasierten Geräten zu Verletzungen führen.
Avertissement
!
Radiation. Cette situation ou cette condition peuvent provoquer des
blessures dues à une manipulation inappropriée d’appareils équipés de fibres optiques.
Aviso
Radiación. Esta situación o condición puede causar lesiones debido a un manejo
inadecuado del equipamiento de fibra óptica.
Qualified
Service
Personnel
Warning
Warning!
Installation must be performed by qualified service personnel only. Read and follow
all warning notices and instructions marked on the product or included in the documentation.
Before installing the product, read the rest of this document.
Waarschuwing!
De installatie mag alleen worden uitgevoerd door bevoegd
onderhoudspersoneel. Het is essentieel dat u kennis neemt van alle waarschuwingen en
instructies aangebracht op het product zelf en/of opgenomen in de documentatie. Voordat u het
product installeert, dient u dit document in zijn geheel te hebben gelezen.
Warnung!
Die Installation darf nur von einem qualifizierten Kundendienstmitarbeiter
vorgenommen werden. Lesen Sie alle Warnhinweise und Anweisungen auf dem Produkt oder in
der Dokumentation und befolgen Sie sie. Bevor Sie das Produkt installieren, sollten Sie dieses
Dokument vollständig lesen.
Avertissement
!
L’installation doit être effectuée uniquement par des techniciens qualifiés.
Lisez et suivez toutes les notices d’avertissement et les instructions figurant sur le produit ou
comprises dans la documentation. Lisez le reste de ce document avant d’installer ce produit.
Aviso
Sólo puede realizar la instalación personal cualificado de asistencia técnica. Lea y siga
todas las notas de advertencia e instrucciones indicadas en el producto o incluidas en la
documentación. Antes de instalar el producto, lea el resto de este documento.

12
Trapeze
Re
g
ulatory
Info
r
mation
T
r
anslations
of
Warnin
g
s
and
Warnin
g
Conventions
Radio
Safety
Warnings
Warning!
Do not operate the MP access point near unshielded blasting caps or in an
otherwise explosive environment unless the device has been modified for such use by qualified
personnel.
Waarschuwing!
Het MP-toegangspunt mag niet worden gebruikt in de nabijheid van
onafgeschermde slaghoedjes of in een andere explosieve omgeving tenzij het apparaat voor
een dergelijk gebruik is aangepast door bevoegd personeel.
Warnung!
Die MP-Zugriffspunkte sollten nicht neben ungeschirmten Sprengkapseln
betrieben oder in einer explosiven Umgebung eingesetzt werden. Für einen solchen Einsatz
muss das Gerät von einem qualifizierten Kundendienstmitarbeiter entsprechend angepasst
werden.
Avertissement
!
Le point d’accès MP ne doit pas fonctionner près de détonateurs non
blindés ou dans un autre environnement qui présent un risque d’explosion, à moins que cet
appareil n’ait été adapté en vue d’une telle utilisation par du personnel qualifié.
Aviso
No utilice el punto de acceso de MP cerca de detonadores no blindados ni en un entorno
explosivo, a menos que haya sido modificado el dispositivo con ese fin por personal cualificado.
Warning!
Do not touch or move the MP access point when the antennas are transmitting or
receiving.
Waarschuwing!
Het MP-toegangspunt mag niet worden aangeraakt of verplaatst terwijl de
antennes uitzenden of ontvangen.
Warnung!
Berühren oder bewegen Sie den MP-Zugriffspunkt nicht, während die Antennen
senden oder empfangen.
Avertissement
!
Ne touchez ni ne déplacez le point d’accès MP lorsque les antennes sont en
cours de transmission ou de réception.
Aviso
No toque ni mueva el punto de acceso de MP cuando las antenas estén transmitiendo o
recibiendo señales.

Trapeze
Re
g
ulato
r
y
Information
13
T
ranslations
of
Warnin
g
s
and
Warnin
g
Conventions
Warning!
Do not hold any radio device so that the antenna is very close to or touching the
face, eyes, or other exposed body part while the device's radio antenna is transmitting.
Waarschuwing!
De antenne van een apparaat dat radiogolven aan het uitzenden is, mag
nooit vlakbij of tegen het gezicht, de ogen of een andere onbedekt deel van het lichaam worden
gehouden.
Warnung!
Halten Sie die drahtlosen Geräte während der Übertragung mit der Antenne nicht
nahe ans Gesicht, an die Augen oder an andere ungeschützte Körperteile und berühren Sie die
Antenne nicht.
Avertissement
!
Ne maintenez pas l’antenne d’un appareil radio près du visage, des yeux
ou d’une autre partie du corps exposée ou en contact avec ces parties du corps, lorsqu’elle est
en cours de transmission.
Aviso
No coloque ningún dispositivo de radio demasiado cerca de la antena ni en contacto con
la cara, los ojos u otras partes del cuerpo que estén al descubierto mientras la antena de radio
del dispositivo esté transmitiendo señales.
Warning!
Before using a wireless device in a hazardous location, consult the local codes,
national codes, and safety directors of the location for usage constraints.
Waarschuwing!
Voordat u een draadloos apparaat gebruikt op een gevaarlijke locatie, dient
u de plaatselijke en landelijke voorschriften, en de veiligheidsvoorschriften voor de locatie te
raadplegen over eventuele gebruiksbeperkingen.
Warnung!
Bevor Sie drahtlose Geräte an einem gefährlichen Standort einsetzen, sollten Sie
die lokalen und nationalen Regelungen und Sicherheitsbestimmungen des Standorts auf
Nutzungsbeschränkungen überprüfen.
Avertissement
!
Avant d’utiliser un appareil sans fil dans un endroit dangereux, consultez la
réglementation locale et nationale ainsi que les responsables de la sécurité de l’endroit concerné
pour obtenir des informations relatives aux conditions et aux limites d’utilisation de cet appareil.
Aviso
Antes de utilizar un dispositivo inalámbrico en una ubicación peligrosa, consulte los
códigos locales y nacionales y a los responsables de seguridad de la ubicación para conocer las
restricciones de uso.

14
Trapeze
Re
g
ulatory
Info
r
mation
T
r
anslations
of
Warnin
g
s
and
Warnin
g
Conventions
Lightning
Warning
Warning!
Do not connect or disconnect cables or otherwise work with the MP access point
hardware during periods of lightning activity.
Waarschuwing!
Tijdens onweer met bliksem mogen kabels nooit worden aangekoppeld aan
of losgekoppeld van het MP-toegangspunt of andere werkzaamheden aan het MP-toegangspunt
worden verricht.
Warnung!
Verbinden und trennen Sie während eines Gewitters keine Kabel zum
MP-Zugriffspunkt und arbeiten Sie nicht damit.
Avertissement
!
Ne connectez pas et ne déconnectez pas de câbles et, de manière
générale, ne travaillez pas sur le matériel du point d’accès MP lorsqu’il y a un risque de foudre.
Aviso
No conecte ni desconecte cables, ni tampoco trabaje con el hardware del punto de
acceso de MP durante una tormenta eléctrica.
Laser
Warning
Warning!
The gigabit Ethernet fiber-optic interfaces use Class 1 lasers. To reduce the risk of
eye injury, do not stare into the interface or otherwise direct the laser beam into your eye.
Waarschuwing!
De gigabit Ethernet glasvezel interfaces gebruiken Klasse 1 lasers.
Teneinde oogletsel te voorkomen, mag u nooit rechtstreeks in de interface kijken of een
laserstraal op andere wijze op uw oog richten.
Warnung!
Für die Glasfaserschnittstellen werden bei Gigabit-Ethernet Class 1-Laser
verwendet. Vermeiden Sie Augenverletzungen, indem Sie nicht in die Schnittstelle schauen oder
den Laserstrahl auf Ihr Auge richten.
Avertissement
!
Les interfaces Gigabit Ethernet à fibre optique utilisent des lasers de
classe 1. Pour réduire le risque de blessure oculaire, ne regardez pas directement l’interface et
ne dirigez pas le faisceau laser vers vos yeux.
Aviso
Las interfaces de fibra óptica Gigabit Ethernet utilizan láseres de Clase 1. Para reducir el
riesgo de sufrir lesiones oculares, no mire fijamente la interfaz ni dirija el rayo láser hacia los
ojos.

Trapeze
Re
g
ulato
r
y
Information
15
T
ranslations
of
Warnin
g
s
and
Warnin
g
Conventions
Earth
Ground
Warning
Warning!
Earth grounding is required for an MX switch installed in a rack. If you are relying
on the rack to provide ground, the rack itself must be grounded with a ground strap to the earth
ground. Metal screws attaching the switch to the rack provide ground attachment to the rack.
Waarschuwing!
Aarding aan de grond is vereist voor een MX switch geïnstalleerd in een
rek. Als u het rek gebruikt als massa, dan dient het rek zelf via een aardingsstrip verbonden te
zijn met grondaarding. De metalen bouten waarmee de switch is bevestigd aan het rek zorgen
voor aarding van het rek.
Warnung!
Für einen MX-Switch, der in einem Rack installiert ist, ist eine Erdung erforderlich.
Wenn Sie die Erdung über das Rack vornehmen möchten, müssen Sie es über ein Masseband
mit der Erde verbinden. Die Erdung zum Rack erfolgt dann über die Metallschrauben, die den
Schalter mit dem Rack verbinden.
Avertissement
!
La mise à la terre est requise pour un commutateur MX installé dans un
châssis. Si vous utilisez le châssis comme masse, celui-ci doit être mis à la terre au moyen d’un
câble de mise à la terre relié à la prise de terre. Les vis métalliques qui attachent le
commutateur au châssis assurent une mise à la masse au châssis.
Aviso
Un interruptor MX instalado en un bastidor necesita una conexión a masa. Para utilizar
el bastidor como conexión a masa debe conectar a masa dicho bastidor con una tira de
conexión a masa. Los tornillos metálicos que fijan el interruptor al bastidor proporcionan
conexión a masa al bastidor.

16
Trapeze
Re
g
ulatory
Info
r
mation
T
r
anslations
of
Warnin
g
s
and
Warnin
g
Conventions
Rack
Installation
Warnings
Warning!
Trapeze Networks recommends that you ask someone to assist you with the
remaining steps. If you accidentally drop the MX switch, you can be injured and the switch can
be damaged.
Waarschuwing!
Trapeze Networks adviseert dat u bij het uitvoeren van de resterende
stappen iemand ter assistentie vraagt. Als u de MX switch per ongeluk laat vallen, kunt u letsel
oplopen en kan de switch beschadigd raken.
Warnung!
Trapeze Networks empfiehlt, dass Sie jemanden bitten, Ihnen beim Ausführen der
weiteren Schritte zu helfen. Wenn Sie den MX-Switch versehentlich fallen lassen, könnten Sie
dadurch verletzt werden und der Switch wird eventuell beschädigt.
Avertissement
!
Trapeze Networks vous conseille de demander l’assistance d’une autre
personne pour les étapes restantes. Si vous laissez tomber le commutateur MX par accident,
vous pouvez vous blesser et le commutateur risque d’être endommagé.
Aviso
Trapeze Networks le recomienda que pida la ayuda de alguien para realizar los pasos
restantes. Si el interruptor MX se cae accidentalmente, usted puede sufrir lesiones y el
interruptor puede sufrir daños.
Warning!
To prevent the MX switch from slipping, do not release the switch until all the
rack-mount screws are tight.
Waarschuwing!
Laat de MX switch niet los totdat alle bevestigingsbouten goed zijn
vastgedraaid om te voorkomen dat de switch uit uw handen glijdt.
Warnung!
Sie vermeiden, dass der MX-Switch abrutscht, indem Sie ihn festhalten, bis alle
Rack-Befestigungsschrauben angezogen sind.
Avertissement
!
Pour éviter que le commutateur MX ne tombe, ne le lâchez pas tant que les
vis de montage du châssis ne sont pas fixées.
Aviso
Para evitar que el interruptor MX se caiga, no lo suelte hasta que todos los tornillos del
bastidor estén bien apretados.

T
ranslations
of
Warnin
g
s
and
Warnin
g
Conventions
Overcurrent
Warning
Warning!
The MX switch relies on the building’s installation for overcurrent protection.
Ensure that a fuse or circuit breaker no larger than 120 VAC, 15A U.S. (240 VAC, 10 A
international) is used on the phase conductors.
Waarschuwing!
De MX switch is afhankelijk van de in het gebouw geïnstalleerde beveiliging
tegen overstroom. Op de fase-aders dient een zekering of circuitonderbreker te worden
gebruikt van maximaal 240 V~, 10 A.
Warnung!
Der Lastschutz des MX-Switch hängt vom Gesamtlastschutz des Gebäudes ab. Sie
sollten sicherstellen, dass die Phasen mit maximal 240 V~ / 10 A abgesichert sind.
Avertissement
!
La protection du commutateur MX contre les surintensités dépend de
l’installation électrique du bâtiment. Assurez-vous qu’un fusible ou un disjoncteur inférieur ou
égal à 120 VCA, 15 A É.-U. (240 VCA, 10 A pour les autres pays) est utilisé sur les conducteurs
de phase.
Aviso
El interruptor MX está protegido contra las sobrecargas de corriente mediante la
instalación del edificio. Asegúrese de utilizar un fusible o un disyuntor que no supere los
120 VAC, 15A en EE.UU. (240 VAC, 10 A en el resto del mundo) en los conductores de fase.
©
2005
Trapeze
Networks,
Inc
.
All
rights
reserved
.
Trapeze
Networks
,
the
Trapeze
Networks
logo
,
the
Trapeze
Networks
flyer
icon
,
Mobility
System
,
Mobility
Exchange,
MX
,
Mobility
Point
,
MP
,
Mobility
System
Software
,
MSS
,
RingMaster
,
AAA
Integration
and
RADIUS
Scaling, ActiveScan
,
AIRS
,
Bonded
Auth
,
FastRoaming,
Granular
Transmit
Power
Setting,
GTPS
,
GuestPass,
Layer
3
Path
Preservation
,
Location
Policy
Rule
,
LPR,
Mobility
Domain,
Mobility Profile,
Passport-Free
Roaming,
SentryScan,
Time-of-Day
Access
,
TDA
,
TAPA
,
Trapeze
Access Point
Access
Protocol
,
Virtual
Private
Group
,
VPG,
Virtual
Service
Set,
Virtual
Site
Survey
and WebAAA
are
trademarks
of
Trapeze
Networks
,
Inc.
Trapeze
Networks
SafetyNet
is
a
service mark
of
Trapeze
Networks,
Inc.
All
other
products
and
services
are
trademarks,
registered trademarks
,
service
marks
or
registered
service
marks
o
f
their
respective
owners.
16