KHN Solutions BTBLE40 Bluetooth Module for use with Breath Alcohol Detector User Manual BacTrack BLE Module Rev B System Overview
KHN Solutions Inc Bluetooth Module for use with Breath Alcohol Detector BacTrack BLE Module Rev B System Overview
Users Manual

User’s Manual
This product is not meant for general use. It is intended for connection in a single
embedded system.
This device communicates with a BacTrack Breathalyzer over the 30 pin connecter
interface. A proprietary UART communication protocol is used and it’s details are
specified in “Smartphone_Protocol_Rev2.7.xlsx”.
The following image describes the pinout for the 30 pin connector interface for this
module.
Connector Details:
The mezzanine connector used on this module is the Panasonic
AXK6F30547YG. The mating connector used for interfacing to this product is the
Panasonic AXK5F30537YG.

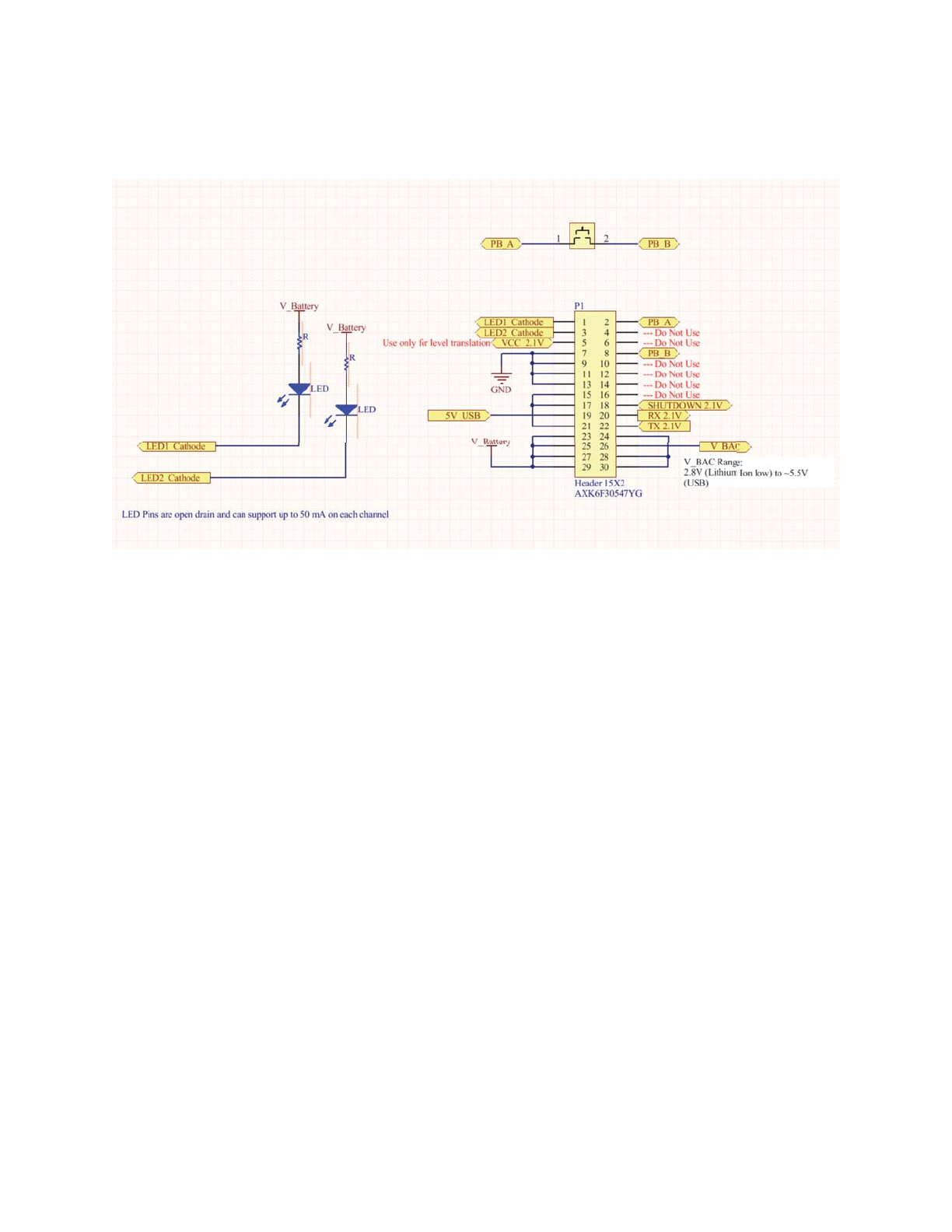
The mating circuitry should interface to the module using a circuit similar to the
following:
Brief explanation of signal characteristics:
- LED connections are open drain and should be connected as shown above.
- SHUTDOWN has a logic high minimum of 1.6V:
- SHUTDOWN: High (power on) (1.6V ~ 2.1V)
- SHUTDOWN : Low (power is shutting down 50ms after high -> low transition) (0V ~
0.5V)
- TX 2.1V : High (1.6V ~ 2.1V)
- TX 2.1V: Low (0V ~ 0.5V)
- RX 2.1V :High (2.1V)
- RX 2.1V: Low (0V ~ 0.5V)
- VCC_2.1V should be used only for external level translation
Other Operation Notes:
- Current should be limited to below 35mA going into the LED Cathode signals.
- V_USB should be provided in the range of 4.35V to 26V
- A single 300mAh Lithium-Ion cell should be connected to V_BAT and should be
present during all operation of the device.
