Kaba Ilco Cylinders Storefront Door Hardware & Exit Devices
User Manual: Kaba Ilco Cylinders-Storefront-Door Hardware & Exit Devices Literature
Open the PDF directly: View PDF
.
Page Count: 64

Cylinders,
Storefront
Door Hardware
& Exit Devices

2
Peaks® has been enhanced
to improve function and increase longevity.
Many additional design and manufacturing
improvements for this popular line
of Key Control Cylinders are
outlined at www.ilco.us.

Table of Contents
Mortise Cylinder Deadbolt
Heavy Duty Deadbolts, Parts & Accessories...........................................4-5
Cylinders
Solid Brass Cylinders, Parts & Accessories
How to Order Cylinders.................................................................6-7
Mortise Cylinders..................................................................................8-11
Mortise Cylinder Collars......................................................................12-13
Rim Cylinders.....................................................................................14-15
Key-In-Knob, Key-In-Lever, Key-In-Deadbolt Cylinders.......................16-19
IC Cores and Housings......................................................................20-23
Prole Cylinders................................................................................... 24-25
Die Cast Cylinders.................................................................................26-27
Storefront Deadlocks & Accessories
Deadbolts
Deadbolt Mortise Locks......................................................................28-31
Deadlatches
Deadlatch Mortise Locks....................................................................32-35
Trim
Lever Handles.....................................................................................36-37
Push/Pull Paddles...............................................................................38-39
Glass Door Rail Locks & Dust Proof Strikes .........................................40-41
Pivots & Hinges
Pivots.................................................................................................42-50
Butt Hinge Strike......................................................................................51
Lock and Door Accessories
Faceplates...............................................................................................52
Deadlatch Strikes.....................................................................................53
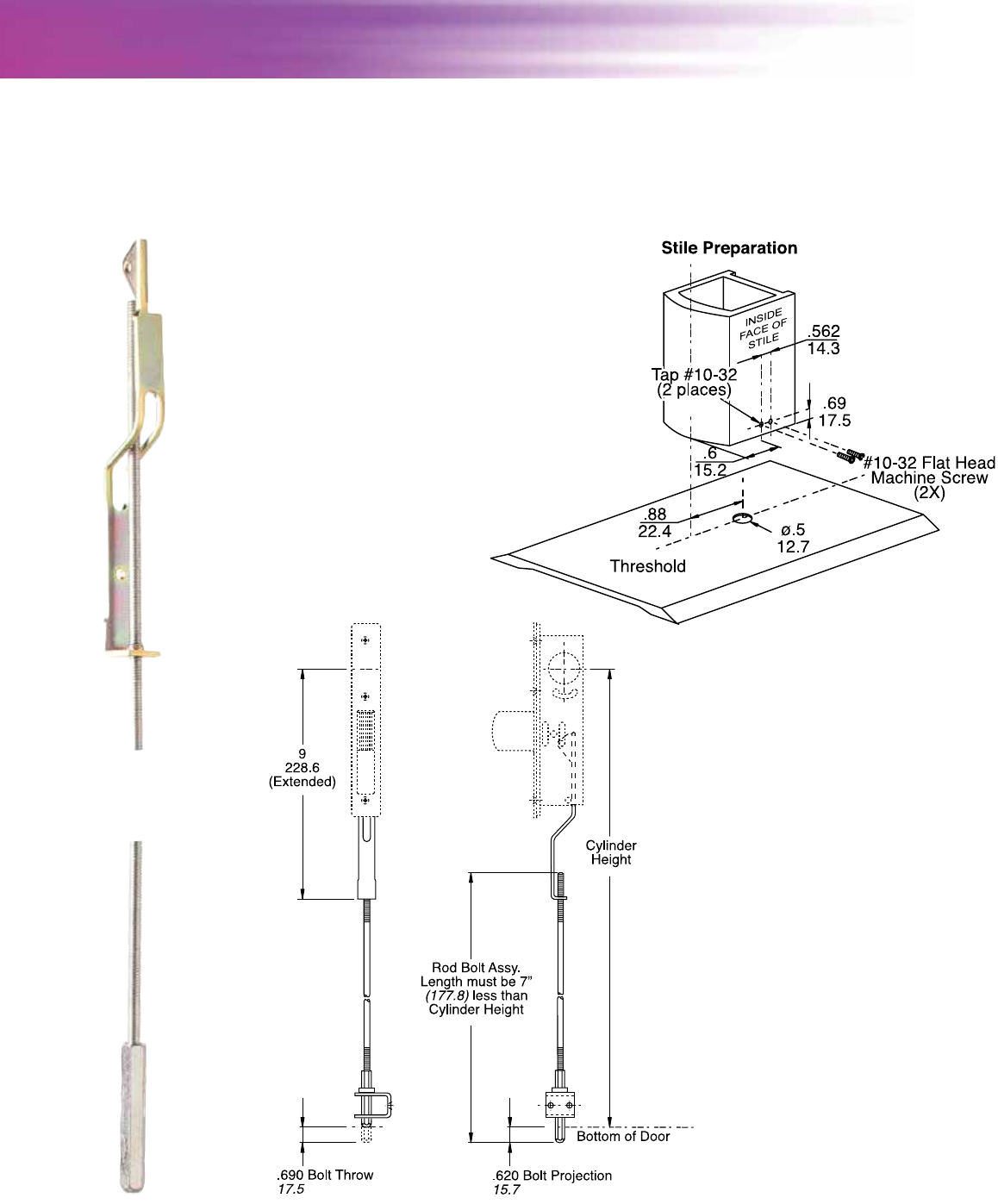
Threshold, Header and Flush bolts.....................................................54-58
Door Accessories (Lock Indicators, Door Stops).................................59-60
Exit Devices
Concealed Vertical Rod (CVR)..................................................................61
Rim Exit Device........................................................................................62
Warranty Terms & Conditions..................................................................63
3
In compliance with current regulations relating to industrial property, we hereby state that the trademarks and/or or trade names within this document are the exclu-
sive property of the authorized manufacturers. Said trade-marks or trade names are nominated only for the purposes of information. All information and illustrations
in this document are for guidance only. We reserve the right to alter products designs, dimensions or information. The contents of this document are fully protected by
Copyright and may not be copied or reproduced in any form, without written permission from Kaba Ilco Corp.
©Kaba Ilco Corp. 2016 All Rights Reserved

4500 Series — Heavy Duty, Professional Deadbolt
The Ilco Mortise Cylinder Deadbolt is heavy duty and made
for professional installation. This lock can be installed
on virtually any wood or metal door of any thickness.
• Sold with or without Cylinder
• Available Single Cylinder with ADA Turn Lever,
Double Cylinder, Dummy and IC Core Housing
• Single Cylinder model has eld reversible handing
• Accepts standard US thread mortise cylinder
• Operates with Lori® fan shaped or Adams Rite® Cam
• Cross bore 1 7/8"- 2 1/8" (47.3mm – 54mm)
• Standard 1" (25.4mm) edge bore
• 3 backsets; 2" (50.8mm), 2 3/8" (60.3mm), 2 3/4" (70mm)
• Drive in or screw in bolts
DOOR
THICKNESS
CYLINDER
LENGTH
1 3/8"-1 3/4" 15/16" (23.8mm)
1 3/4"-1 7/8" 1" (25.4mm)
1 7/8"-2 1/8" 1 1/8" (28.6mm)
2 1/8"-2 3/8" 1 1/4" (31.7mm)
2 3/8"-2 5/8" 1 3/8" (34.9mm)
2 5/8"-2 7/8" 1 1/2" (38.1mm)
2 7/8"-3 1/8" 1 5/8" (41.2mm)
3 1/8"-3 3/8" 1 3/4" (44.4mm)
3 3/8"-3 5/8" 1 7/8" (47.6mm)
3 5/8"-3 7/8" 2" (50.8mm)
4
Mortise Cylinder Deadbolt ACCESSORIES & PARTS
Front/Faceplate
4500-xx-5012 1" (25.4mm) for 2" (50.8mm) & 2 3/8" (60.3mm) Bolts
4510-xx-5012 1 1/8" (28.6mm) for 2 3/4" ( 69.8mm) Bolts Strikes
4500-xx-5011 For Wood Jam with Reinforcer
4500-xx-5013 For Steel Jam with Dust Box
4500-83-2000 Dust Box only
Housing for Bolts
4500-84-5003 For 2 3/8" (60.3mm) & 2 3/4" (69.8mm) Backsets
4900-84-5005 For 2" (50.8mm) Backsets Thumbturn
Lever /Rose Assembly
4500-xx-5016 Thumbturn Lever assembly for 4500 Series
4500-82-2007 Thumbturn Tailpiece only
4500-82-2008 Long Thumbturn Tailpiece -1 1/4" (31.7mm)
Screws
4200-98-4011 Cam Screw
4500-82-4014 Housing Screw 8/32 X 1” (25.4mm)
4500-xx-4018 Thumbturn Lever Rose Assembly Screws
4500-xx-4025 Long Rose Screws for Thick Doors
4500-99-4015 Set Screw
4500-80-1017 3” (76.2mm) Screw for HD Strike
4500-xx-1036 3/4” (19.05mm) Screw for standard Strike/Front
Collars & Roses
4500-xx-5017 Outside Rose
861E-xx-10 5/32” (3.97mm) Aluminum Collar
4500-81-4020 Wave Washer
4500-xx-5025 Spacer for Use With SFIC & Schlage LFIC
Miscellaneous
4500-80-4016 5/64” (1.98mm) Long Shank Allen Wrench
863R-00-10 Deadbolt Fan Cam for Mortise Cylinder
4500-80-2013 Security Cover for Cam/Keyway
4500-82-1012 Steel Strike Reinforcer, less screws
4500-xx-5050 2 1/4” (57.1mm) Thick Door Kit for 4510
with 1 1/4” (31.7mm) Cylinder
“xx” indicates insert nish.
Mortise Cylinder Deadbolts

Mortice Cylinders Deadbolts
5
How To Order Mortise Deadbolts
1
DESIGN
2
FUNCTION
3
BOLT/
BACKSET
4
STRIKE
5
FINISH
6
CYLINDER
OPTION
7
CYLINDER
SIZE
8
NUMBER
OF PINS
9
KEYWAY
10
KEYING
4 5 - 2 - 4 - 0 4 - 2 6 D - 5 - 2 - 5 - A A - K A 2
1DESIGN
45 Standard
2FUNCTION
1Single Cylinder
2Double Cylinder
8Classroom
Function
3BOLT /
BACKSET
Standard Bolt
0No Bolt
22” Backset,
1” Front
323⁄8” Backset,
1” Front
423⁄4” Backset,
11⁄8” Front
Drive-In Bolt
523⁄8” Backset
623⁄4” Backset
5FINISH
03P
Bright Brass Permanent
04 Satin Brass
05 Antique Brass
10 Satin Bronze
10B
Oil-Rubbed Bronze
26D
Satin Chrome
26 Bright Chrome
32D
Satin Stainless Steel
6CYLINDER
0Complete Deadbolt
Less Cylinder
2Dummy Outside
3ADA Turnknob Inside
4520 Series Only
4
Mortise Turnknob
Cylinder Inside
4520 Series Only
5Standard Keyed
Cylinder
6
Captive Turnknob
Cylinder Inside
4520 Series Only
8I.C. Housing - 6 pin
9I.C. Housing - 7 pin
10 LFIC Schlage HSG
7CYLINDER
LENGTH ♦
115⁄16”Long
21” Long
411⁄8” Long
511⁄4” Long
STOCK LIST
45-1-4-04-26D-0
45-2-4-04-26D-0
45-1-3-04-03P-0
45-1-4-04-26D-5-2-5-SC-KD
45-1-6-04-26D-0
8NUMBER
OF PINS
55 Pins
66 Pins
9KEYWAY
See How to Order
Cylinders Pages for
Keyway Options
10 KEYING
See How to Order
Cylinders Pages for
Keying Options
4STRIKE
03 Regular Duty
(Optional/Steel)
04 Heavy Duty
(Standard/Wood)
♦ 13⁄8”-2” mortise cylinders
can be ordered separately.

6
Cylinders How to Order Cylinders...
3
Cams & Tailpieces
4
Finish Codes
5
Keying Codes
Master Keys
Master keys will be sent separately
from the cylinders via certified mail,
return receipt requested. Name and
address for this package must be
supplied with the cylinder order.
Minimum Order of
10 each per item.
1
Standard
(863G)
2
Adams Rite
(863A)
3
Clover
(863D)
4
Narrow
(863E)
5
Marks Cam
(863F)
6
Yale
(863)
7
Sargent
Offset
(863U)
11
14PR-RM
(863H)
12
22PR-A-RM
(863J)
13
22PR-E-RM
(863K)
15
Schlage L
(863M)
16
Sargent/Yale
(863N)
17
Segal/
Emhardt
(863P)
18
Lori
Deadbolt
(863R)
19
Clover
Corbin/
Russwin
Best
(863S)
20
Adams Rite
4070
(863T)
23
Falcon/
Saflok
(863V)
10
Long Standard
2
3
⁄
8
”(60.3mm)
862B for 7075
14
Long
Lazy Action
2
3
⁄
8
”(60.3mm)
862L for 7075
Code Description US# BHMA
03 Bright Brass
03
605
03P
Bright Brass
Permanent
03 605
04 Satin Brass
04 606
05 Antique Brass
05 609
10 Satin Bronze
10 612
10B Oil Rubbed
Bronze
10B 613
26 Bright Chrome
26 625
26D Satin Chrome
26D 626
28 Clear Aluminum
Anodized
28 628
29 Black Aluminum
19 622
32 Bright Stainless
Steel
32 629
32D Satin Stainless
Steel
32D 630
46 Duracolor Brown
Aluminum
46 624
All finish codes are ANSI/BHMA E (equivalent
in appearance to category A) codes and do not
reflect the product’s base material.
Code Description
KA
All keyed alike
KD
Keyed different
KA2
Keyed alike in pairs
KA4
Keyed alike in fours
0B
0 bitted - Blade Height
MKф
Master keyed
GMKф
Grand master keyed
ф When requesting MK or GMK, an
additional Keying Code is required
(KA, KD, KA2, etc.)
Example: 7165AA2-26D-MK/KA2
Chart below indicates stock KA bitting
combinations this does not apply to any
other keying code.
Factory Keyed Alike
Combinations
YA .019
(OEM)
SC .015
(OEM)
13335 13531
14251 15513
14455 24642
24158 26264
34532 31315
34562 31515
41224 33563
41242 34032
41255 34562
41256 35315
41263 42642
41321 44634
42131 46246
42145 51315
43244 54645
43263 55313
44254 62646
45324 64254
43356 66464
14544 78348
1
MODEL NO.
1
Model Numbers
2
Keyways
2
KEYWAY
3
CAM OR
TAILPIECE
4
FINISH
5
KEYING
Add ‘BH’ prefix for Bump Halt
Bump Resistance Technology.
Mortise Cylinders
Model Description
7124
3
⁄
4
”
(19 mm) 4 Pin
7155
15
⁄
16
”
(23.8 mm) 5 Pin
7165 1”
(25.4 mm) 5 Pin
7185 1
1
⁄
8
”
(28.6 mm) 5 Pin Drilled 6
Pin
7186 1
1
⁄
8
”
(28.6 mm) 6 Pin
7205 1
1
⁄
4
”
(31.7 mm) 5 Pin Drilled 7
Pin
7206 1
1
⁄
4
”
(31.7 mm) 6 Pin Drilled 7
Pin
7207 1
1
⁄
4
”
(31.7 mm) 7 Pin
7225 1
3
⁄
8
”
(34.9 mm) 5 Pin Drilled 7
Pin
7226 1
3
⁄
8
”
(34.9 mm) 6 Pin Drilled 7
Pin
7227 1
3
⁄
8
”
(34.9 mm) 7 Pin
7245 1
1
⁄
2
”
(38.1 mm) 5 Pin Drilled 7
Pin
7246 1
1
⁄
2
”
(38.1 mm) 6 Pin Drilled 7
Pin
7247 1
1
⁄
2
”
(38.1 mm) 7 Pin
7265 1
5
⁄
8
”
(41.2 mm) 5 pin
7266 1
5
⁄
8
”
(41.2 mm) 6 pin
7285 1
3
⁄
4
”
(44.4 mm) 5 pin
7286 1
3
⁄
4
”
(44.4 mm) 6 pin
7305 1
7
⁄
8
”
(47.6 mm) 5 pin
7306 1
7
⁄
8
”
(47.6 mm) 6 pin
7325 2”
(50.8 mm) 5 pin
7326 2”
(50.8 mm) 6 pin
Key-In-Knob Cylinders
Model Description
15395 5 Pin UniversalLockset/Leverset/Padlock
15396 6 Pin UniversalLockset/Leverset/Padlock
15495 5 Pin
Cylindrical Deadbolt
15496 6 Pin
Cylindrical Deadbolt
15695 5 Pin
Emtek Cylindrical Deadbolts
15696 6 Pin
Emtek Cylindrical Deadbolts
15795 5 Pin
Sargent 6 Line, 10 Line, T Zone
15796 6 Pin
Sargent 6 Line, 10 Line, T Zone
15985 5 Pin
Combination Knob/Deadbolt
15995 5 Pin
Combination Knob/Deadbolt
15996 6 Pin
Combination Knob/Deadbolt
Turn Knob Rim Cylinders
Model Description
7011 Turnknob Rim Cylinder
Turn Knob Mortise Cylinders
Model Description
7151
15
⁄
16
”
(23.8 mm) Turn Knob
7161 1”
(25.4 mm) Turn Knob
7181 1
1
⁄
8
”
(28.6 mm) Turn Knob
7201 1
1
⁄
4
”
(31.7 mm) Turn Knob
7221 1
3
⁄
8
”
(34.9 mm) Turn Knob
7241 1
1
⁄
2
”
(38.1 mm) Turn Knob
7261 1
5
⁄
8
”
(41.2 mm) Turn Knob
7281 1
3
⁄
4
”
(44.4 mm) Turn Knob
7301 1
7
⁄
8
”
(47.6 mm) Turn Knob
7321 2”
(50.8 mm) Turn Knob
ADA7151
15
⁄
16
”
(23.8 mm) ADA Turn Knob
ADA7161 1”
(25.4 mm) ADA Turn Knob
ADA7181 1
1
⁄
8
”
(28.6 mm) ADA Turn Knob
ADA7201 1
1
⁄
4
”
(31.7 mm) ADA Turn Knob
ADA7221 1
3
⁄
8
”
(34.9 mm) ADA Turn Knob
ADA7241 1
1
⁄
2
”
(38.1 mm) ADA Turn Knob
ADA7261 1
5
⁄
8
”
(41.2 mm) ADA Turn Knob
ADA7281 1
3
⁄
4
”
(44.4 mm) ADA Turn Knob
ADA7301 1
7
⁄
8
”
(47.6 mm) ADA Turn Knob
ADA7321 2”
(50.8 mm) ADA Turn Knob
41651
15
⁄
16
”
(23.8 mm) Captive Turn Knob
41671 1
1
⁄
8
”
(28.6 mm) Captive Turn Knob
Rim Cylinders
Model Description
7075 5 Pin Cylinder with screw cap
7076 6 Pin Cylinder with screw cap
Dummy Rim Cylinders
Model Description
7010 1
1
⁄
8
”
(28.6 mm) Dummy Rim Cylinder
Dummy Mortise Cylinders
Model Description
7150
15
⁄
16
”
(23.8 mm) Dummy
7160 1”
(25.4 mm) Dummy
7180 1
1
⁄
8
”
(28.6 mm) Dummy
7200 1
1
⁄
4
”
(31.7 mm) Dummy
How to Order Cylinders
Example: Standard
1
inch, 5 pin
mortise cylinder, Arrow keyway with
Adams Rite cam, satin chrome finish,
keyed alike in pairs.
BH +
7 1 6 5 A A 2 - 2 6 D - K A 2
Arrow
AA
1179
Corbin 60
CA
1001EH
Corbin 67
CB
1001EN
Corbin 77
CC
R1001EN
Corbin
CD
59A1-A2
Corbin/
Russwin
CE
L4
Do min ion
1054F
DA
S54F
Schlage
Everest
EA
C123
Schlage
Everest
EB
C145
Segal 9
FA
(1022)
Sargent LA
GA
1007LA
Sargent
LA-LC
GB
LA-LC
Sargent
RA-RC
GC
RA-RC
Kwikset
KS
1176
Lockwood
LA
1004
Com pos ite
NA
R1064E
Com pos ite
NB
HR1
Russwin
RA
5981R
N1011P
Russwin D1
RB
1011D1
Schlage C
SC
1145
Schlage E
SE
1145E
Schlage F
SF
1145F
Schlage
SX
C-K, 1145
ILCO®
UA
X1054K
Lori L100
Eagle 11929
Harloc 700
UB
Lori 90
6 pin only
UD
Centric 90
Lori 80
5 pin
UE
Lori 80
Weiser E
Falcon
WA
1054WB
1054WC
Weiser
WE
P1555
Yale 8
YA
999
Yale
YG
Yale GA
1
MODEL NO.
1 Model Numbers 2 Keyways
2
KEYWAY
3
CAM OR
TAILPIECE
4
FINISH
5
KEYING
Add ‘BH’ prefix for Bump Halt
Bump Resistance Technology.
Mortise Cylinders
Model Description
7124 3⁄4”(19 mm) 4 Pin
7155 15⁄16”(23.8 mm) 5 Pin
7165 1” (25.4 mm) 5 Pin
7185 11⁄8”(28.6 mm) 5 Pin Drilled 6 Pin
7186 11⁄8”(28.6 mm) 6 Pin
7205 11⁄4”(31.7 mm) 5 Pin Drilled 7 Pin
7206 11⁄4”(31.7 mm) 6 Pin Drilled 7 Pin
7207 11⁄4”(31.7 mm) 7 Pin
7225 13⁄8”(34.9 mm) 5 Pin Drilled 7 Pin
7226 13⁄8”(34.9 mm) 6 Pin Drilled 7 Pin
7227 13⁄8”(34.9 mm) 7 Pin
7245 11⁄2”(38.1 mm) 5 Pin Drilled 7 Pin
7246 11⁄2”(38.1 mm) 6 Pin Drilled 7 Pin
7247 11⁄2”(38.1 mm) 7 Pin
7265 15⁄8”(41.2 mm) 5 pin
7266 15⁄8”(41.2 mm) 6 pin
7285 13⁄4”(44.4 mm) 5 pin
7286 13⁄4”(44.4 mm) 6 pin
7305 17⁄8”(47.6 mm) 5 pin
7306 17⁄8”(47.6 mm) 6 pin
7325 2” (50.8 mm) 5 pin
7326 2” (50.8 mm) 6 pin
Key-In-Knob Cylinders
Model Description
15395 5 Pin UniversalLockset/Leverset/Padlock
15396 6 Pin UniversalLockset/Leverset/Padlock
15495 5 Pin Cylindrical Deadbolt
15496 6 Pin Cylindrical Deadbolt
15695 5 Pin Emtek Cylindrical Deadbolts
15696 6 Pin Emtek Cylindrical Deadbolts
15795 5 Pin Sargent 6 Line, 10 Line, T Zone
15796 6 Pin Sargent 6 Line, 10 Line, T Zone
15985 5 Pin Combination Knob/Deadbolt
15995 5 Pin Combination Knob/Deadbolt
15996 6 Pin Combination Knob/Deadbolt
Turn Knob Rim Cylinders
Model Description
7011 Turnknob Rim Cylinder
Turn Knob Mortise Cylinders
Model Description
7151 15⁄16”(23.8 mm) Turn Knob
7161 1” (25.4 mm) Turn Knob
7181 11⁄8”(28.6 mm) Turn Knob
7201 11⁄4”(31.7 mm) Turn Knob
7221 13⁄8”(34.9 mm) Turn Knob
7241 11⁄2”(38.1 mm) Turn Knob
7261 15⁄8”(41.2 mm) Turn Knob
7281 13⁄4”(44.4 mm) Turn Knob
7301 17⁄8”(47.6 mm) Turn Knob
7321 2” (50.8 mm) Turn Knob
ADA7151 15⁄16”(23.8 mm) ADA Turn Knob
ADA7161 1” (25.4 mm) ADA Turn Knob
ADA7181 11⁄8”(28.6 mm) ADA Turn Knob
ADA7201 11⁄4”(31.7 mm) ADA Turn Knob
ADA7221 13⁄8”(34.9 mm) ADA Turn Knob
ADA7241 11⁄2”(38.1 mm) ADA Turn Knob
ADA7261 15⁄8”(41.2 mm) ADA Turn Knob
ADA7281 13⁄4”(44.4 mm) ADA Turn Knob
ADA7301 17⁄8”(47.6 mm) ADA Turn Knob
ADA7321 2” (50.8 mm) ADA Turn Knob
41651 15⁄16”(23.8 mm) Captive Turn Knob
41671 11⁄8”(28.6 mm) Captive Turn Knob
Rim Cylinders
Model Description
7075 5 Pin Cylinder with screw cap
7076 6 Pin Cylinder with screw cap
Dummy Rim Cylinders
Model Description
7010 11⁄8”(28.6 mm) Dummy Rim Cylinder
Dummy Mortise Cylinders
Model Description
7150 15⁄16”(23.8 mm) Dummy
7160 1” (25.4 mm) Dummy
7180 11⁄8”(28.6 mm) Dummy
7200 11⁄4”(31.7 mm) Dummy
How to Order Cylinders
Example: Standard
1
inch, 5 pin
mortise cylinder, Arrow keyway with
Adams Rite cam, satin chrome finish,
keyed alike in pairs.
BH +
7 1 6 5 A A 2 - 2 6 D - K A 2
Arrow
AA
1179
Corbin 60
CA
1001EH
Corbin 67
CB
1001EN
Corbin 77
CC
R1001EN
Corbin
CD
59A1-A2
Corbin/
Russwin
CE
L4
Do min ion
1054F
DA
S54F
Segal 9
FA
(1022)
Sargent LA
GA
1007LA
Sargent
LA-LC
GB
LA-LC
Sargent
RA-RC
GC
RA-RC
Kwikset
KS
1176
Lockwood
LA
1004
Com pos ite
NA
R1064E
Com pos ite
NB
HR1
Russwin
RA
5981R
N1011P
Russwin D1
RB
1011D1
Schlage C
SC
1145
Schlage E
SE
1145E
Schlage F
SF
1145F
Schlage
SX
C-K, 1145
ILCO®
UA
X1054K
Lori L100
Eagle 11929
Harloc 700
UB
Lori 90
6 pin only
UD
Centric 90
Lori 80
5 pin
UE
Lori 80
Weiser E
Falcon
WA
1054WB
1054WC
Weiser
WE
P1555
Yale 8
YA
999
Yale
YG
Yale GA

7
Cylinders
3
Cams & Tailpieces
4
Finish Codes
5
Keying Codes
Master Keys
Master keys will be sent separately
from the cylinders via certified mail,
return receipt requested. Name and
address for this package must be
supplied with the cylinder order.
Minimum Order of
10 each per item.
1
Standard
(863G)
2
Adams Rite
(863A)
3
Clover
(863D)
4
Narrow
(863E)
5
Marks Cam
(863F)
6
Yale
(863)
7
Sargent
Offset
(863U)
11
14PR-RM
(863H)
12
22PR-A-RM
(863J)
13
22PR-E-RM
(863K)
15
Schlage L
(863M)
16
Sargent/Yale
(863N)
17
Segal/
Emhardt
(863P)
18
Lori
Deadbolt
(863R)
19
Clover
Corbin/
Russwin
Best
(863S)
20
Adams Rite
4070
(863T)
23
Falcon/
Saflok
(863V)
10
Long Standard
2
3
⁄
8
”(60.3mm)
862B for 7075
14
Long
Lazy Action
2
3
⁄
8
”(60.3mm)
862L for 7075
Code Description US# BHMA
03 Bright Brass
03
605
03P
Bright Brass
Permanent
03 605
04 Satin Brass
04 606
05 Antique Brass
05 609
10 Satin Bronze
10 612
10B Oil Rubbed
Bronze
10B 613
26 Bright Chrome
26 625
26D Satin Chrome
26D 626
28 Clear Aluminum
Anodized
28 628
29 Black Aluminum
19 622
32 Bright Stainless
Steel
32 629
32D Satin Stainless
Steel
32D 630
46 Duracolor Brown
Aluminum
46 624
All finish codes are ANSI/BHMA E (equivalent
in appearance to category A) codes and do not
reflect the product’s base material.
Code Description
KA
All keyed alike
KD
Keyed different
KA2
Keyed alike in pairs
KA4
Keyed alike in fours
0B
0 bitted - Blade Height
MKф
Master keyed
GMKф
Grand master keyed
ф When requesting MK or GMK, an
additional Keying Code is required
(KA, KD, KA2, etc.)
Example: 7165AA2-26D-MK/KA2
Chart below indicates stock KA bitting
combinations this does not apply to any
other keying code.
Factory Keyed Alike
Combinations
YA .019
(OEM)
SC .015
(OEM)
13335 13531
14251 15513
14455 24642
24158 26264
34532 31315
34562 31515
41224 33563
41242 34032
41255 34562
41256 35315
41263 42642
41321 44634
42131 46246
42145 51315
43244 54645
43263 55313
44254 62646
45324 64254
43356 66464
14544 78348

Ilco Mortise Cylinders are machined from solid brass bar stock,
engineered and manufactured to OEM specications. Master Key and
Grand Master Key quality, and are re-keyable to original manufacturers
systems. The broad selection of models and components within our line
provides you with the exibility to cover numerous applications.
• Thread size: 1.150 x 32 UNS.
• Cylinder face: 1.360 (34.5mm) diameter
Mortise Cylinders — Keyed
• 13 nishes - 03, 03P, 04, 05, 10, 10B, 26,
26D, 28, 29, 32, 32D, 46
• 31 keyways
• 17 cams
• 11 lengths listed below
• Factory master keying/construction master keying available
7124 3/4" (19mm) 4 Pin
7155 1 5/16" (23.8mm) 5 Pin
7165 1" (25.4mm) 5 Pin
7185 1 1/8" (28.6mm) 5 Pin (drilled 6)
7186 1 1/8" (28.6mm) 6 Pin
7205 1 1/4" (31.7mm) 5 Pin (drilled 7)
7206 1 1/4" (31.7mm) 6 Pin (drilled 7)
7207 1 1/4" (31.7mm) 7 Pin
7225 1 3/8" (34.9mm) 5 Pin (drilled 7)
7226 1 3/8" (34.9mm) 6 Pin (drilled 7)
7227 1 3/8" (34.9mm) 7 Pin
7245 1 1/2" (38.1mm) 5 Pin (drilled 7)
7146 1 1/2" (38.1mm) 6 Pin (drilled 7)
7247 1 1/2" (38.1mm) 7 Pin
Models available with Schlage C keyway only:
7265 1 5/8" (41.2mm) 5 Pin (drilled 6)
7266 1 5/8" (41.2mm) 6 Pin
7285 1 3/4" (44.4mm) 5 Pin (drilled 6)
7286 1 3/4" (44.4mm) 6 Pin
7305 1 7/8" (47.6mm) 5 Pin (drilled 6)
7306 1 7/8" (47.6mm) 6 Pin
7325 2" (50.8mm) 5 Pin (drilled 6)
7326 2" (50.8mm) 6 Pin
Model Length (A) Pinning
8
Mortise Cylinders

Mortise Cylinders
Mortise Cylinders — Dummy
• 13 nishes - 03, 03P, 04, 05, 10, 10B, 26,
26D, 28, 29, 32, 32D, 46
• 11 lengths listed below
7120 3/4" (19mm)
7150 1 5/16" (23.8mm)
7160 1" (25.4mm)
7180 1 1/8" (28.6mm)
7200 1 1/4" (31.7mm)
7220 1 3/8" (34.9mm)
7240 1 1/2" (38.1mm)
7260 1 5/8" (41.2mm)
7280 1 3/4" (44.4mm)
7300 1 7/8" (47.6mm)
7320 2" (50.8mm)
MODEL LENGTH (A)
9
Mortise Cylinders — Turnknob
• 12 nishes – 03, 04, 05, 10, 10B, 26,
26D, 28, 29, 32, 32D, 46
• 11 lengths listed below
• 17 cams
7121 3/4" (19mm)
7151 1 5/16" (23.8mm)
7161 1" (25.4mm)
7181 1 1/8" (28.6mm)
7201 1 1/4" (31.7mm)
7221 1 3/8" (34.9mm)
7241 1 1/2" (38.1mm)
7261 1 5/8" (41.2mm)
7281 1 3/4" (44.4mm)
7301 1 7/8" (47.6mm)
7321 2" (50.8mm)
MODEL LENGTH (A)

4135 1 5/16" (23.8mm)
4136 1" (25.4mm)
4137 1 1/8" (28.6mm)
4138 1 1/4" (31.7mm)
MODEL LENGTH (A)
Mortise Cylinders — Captive Turnknob
One turnknob key, one conventional key
per cylinder (Schlage® or Weiser® keys only)
• 2 nishes – 03, 26D
• 3 lengths listed below
• 17 cams
41651 15/16" (23.8mm) 5 Pin
41661 1" (25.4mm) 5 Pin
41671 1 1/8" (28.6mm) 5 Pin (drilled 6)
MODEL PINNING
LENGTH (A)
10
ADA-7151 1 5/16" (23.8mm)
ADA-7161 1" (25.4mm)
ADA-7181 1 1/8" (28.6mm)
ADA-7201 1 1/4" (31.7mm)
ADA-7221 1 3/8" (34.9mm)
ADA-7241 1 1/2" (38.1mm)
ADA-7261 1 5/8" (41.2mm)
ADA-7281 1 3/4" (44.4mm)
ADA-7301 1 7/8" (47.6mm)
ADA-7321 2" (50.8mm)
MODEL LENGTH (A)
Mortise Cylinders — ADA Turnknob
• 3 nishes – 03, 10B, 26D
• 10 lengths listed below
• 17 cams
Mortise Cylinders — Classroom Turnknob
Rotation limited, eld handing
• 12 nishes – 03, 04, 05, 10, 10B, 26,
26D, 28, 29, 32, 32D, 46
• 4 lengths listed below
• 17 cams

Mortise Cylinders
11
Mortise Cylinder Cam Styles
Miscellaneous ACCESSORIES & PARTS
869-00-10 Cash Box Nut, fits thread on mortise cylinder body
866B-00-100 Mortise Cam Screws, 3 x 48 self-tapping (100/bag)
704-04-11 Turn Knob Disc – standard throw, 3/16" (4.8 mm), square hub
705-04-11 Turn knob Disc – long throw, 3/16" (4.8 mm), square hub
4500-xx-5012 1” (25.4mm) for 2” (50.8mm) & 2 3/8” (60.3mm) Bolts
4510-xx-5012 1 1/8” (28.6m
4165-03-5001 Captive TK Key Blank, Bright Brass
4165-26D-5001 Captive TK Key Blank, Satin Chrome
4165-03-5002 Captive TK Cut Key, Bright Brass
4165-26D-5002 Captive TK Cut Key, Satin Chrome
4165-82-2001 Flat Steel Release Key
7
13 14 15 16 17
8 9 10 11 12
6
5
4
3
21
863G
Standard
DH0056XXXX
863U
Sargent Cylinder
DH0507XXXX
863P
Segal-Emhart
DH0098XXXX
863S
Clover Corbin-Russwin/Best
DH0061XXXX
863R
Lori Deadbolt
DH0099XXXX
863T
AR4070
DH0413XXXX
863V
Falcon/Saok
DH0745XXXX
863H
Dominion
DH0176XXXX
863J
Dominion
DH0177XXXX
863K
Dominion
DH0178XXXX
863M
Schlage L
DH0236XXXX
863N
Sargent-Yale
DH0063XXXX
863A
Adams Rite
DH0053XXXX
863D
Clover Cam
DH0054XXXX
863E
Narrow Cam
DH0055XXXX
863F
Marks Cam
DH0196XXXX
863
Yale
DH0052XXXX

12
861A Adjustable Spring Collar
• Solid Brass Construction
• Adjustment: 5/16"-1 3/32" (7.9-20.6mm)
• Finishes - 03, 26D, 46
861B Tapered Collar
• Steel Construction
• Head Recess: 1/4" (6.35mm)
• Projection: 7/16" (11.11mm)
• Finishes - 03, 26D, 46
861K-00-10 Collar
• Grey Vinyl Construction
• Thickness: 3/16" (4.8 mm)
861V Adjustable Spring Collar
• Steel Construction
• Adjustment: 7/64"-1/4" (2.8-6.35mm)
• Finishes - 03, 10B, 26D, 26, 28
Mortise Cylinder Collars

13
Mortise Cylinders Accessories & Parts
861X Stamped Collar
• Stamped Aluminum Construction
• Thickness: 13/64" (5.2mm)
• Finishes - 10B, 26D, 26, 28
861 Solid Collars
• Aluminum Construction
• Finishes - 03,04,10,10B,
26, 26D, 28, 29, 46
MODEL THICKNESS
861C 3/32" (2.4mm)
861D 1/8" (3.2mm)
861E 5/32" (4.0mm)
861F 3/16" (4.8mm)
MODEL THICKNESS
861K 7/32" (5.6mm)
861L 1/4" (6.4mm)
861M 9/32" (7.1mm)
861N 5/16" (7.9mm)
MODEL THICKNESS
861P 11/32" (7.1mm)
861Q 3/8" (9.5mm)
861R 1/2" (12.7mm)
861S 5/8" (15.9mm)

14
Ilco Rim Cylinders are machined from solid brass bar stock, engineered and
manufactured to OEM specications. Master Key and Grand Master Key quality,
and are re-keyable to original manufacturers systems. The broad selection of
models and components within our line provides you with the exibility to cover
numerous applications
Rim Cylinders are used on 1 3/8" (35mm) – 2 1/4" (57 mm) thick doors.
7075 & 7076 Rim Cylinders - Keyede, and break o sc
• Model 7076 is 6 pin
• 13 nishes - 03, 03P, 04, 05, 10, 10B,
26, 26D, 28, 29, 32, 32D, 46
• 31 keyways
• Screw cap design
• 1 1/8" (28.6mm) Length
• Includes rigid tailpiece installed and
lazy action tailpiece in box
• Includes trim ring, mounting plate, and
break o screws
• Horizontal or vertical tailpiece
• Factory master keying/construction master keying available
7010 Rim Cylinders - Dummy
• 13 nishes - 03, 03P, 04, 05, 10, 10B, 26,
26D, 28, 29, 32, 32D, 46
• 1 1/8" (28.6mm) Length
• Includes trim ring, mounting plate, and
break o screws
7010 Rim Cylinders - Turnknob
• 12 nishes - 03, 04, 05, 10, 10B, 26,
26D, 28, 29, 32, 32D, 46
• 1 1/8" (28.6mm) Length
• Includes trim ring, mounting plate, and
break o screws
• Horizontal or vertical tailpiece
Rim Cylinders

15
Rim Cylinders
Rim Cylinder ACCESSORIES & PARTS
Mounting Plates
749-22-10 Universal Mounting Plate
750B-00-10 Standard Mounting Plate
Tailpieces
862B-00-10 Rigid Tailpiece, for Rim Cylinder Model 7075 & 7076, 2 3/8” (60.3mm)
862C-00-10 Rigid Tailpiece, for Rim Cylinder Model 7075 & 7076, 4” (101.6mm)
862L-00-10 Lazy Tailpiece for Rim Cylinder Model 7075 & 7076, 2 3/8” (60.3mm)
1599SW-00-10 Split washer for 862L Lazy Tailpiece
Trim Rings 861S
12 finishes 03, 04, 05, 10, 10B, 26, 26D, 28, 29, 32, 32D, 46
ADA 7011 Rim Cylinders - Turnknob
• American for Disabilities Act compliant
• 3 nishes - 03, 26D, 10B
• 1 1/8" (28.6mm) Length
• Includes trim ring, mounting plate,
and break o screws
• Horizontal or vertical tailpiece

16
Ilco KIK, KIL and KID Cylinders are machined from solid brass bar stock, engineered
and manufactured to OEM specications. Master Key and Grand Master Key quality,
and are re-keyable to original manufacturers systems. The broad selection of models
and components within our line provides you with the exibility to cover numerous
applications. All KIK, KIL, and KID cylinders are available factory master
keyed/construction master keyed.
Key-In-Knob, Key-In-Lever, & Key-In-Deadbolt Cylinders
1539 Knob and Lever Cylinder
• 2 nishes - 04, 26D
• 31 Keyways
• 3 Rigid Tailpieces included, 2 additional tailpieces (BA & BB) for Sargent® Keyways
15395 — 5 pin, drilled 6
1539 — 6 pin
1539 — Dummy Cylinder
1599 Knob, Lever and Deadbolt Cylinder
Universal Knob/Lever Locksets—Including Schlage,
Plus Arrow® and Schlage® Deadbolts
• 2 nishes - 04, 26D
• 31 Keyways
• 6 Tailpieces included (3 rigid in dierent
lengths, 1 lazy for single deadbolt, 2 lazy in
dierent lengths for double deadbolt)
15985 — 5 pin
15995 — 5 pin, drilled 6
15996 — 6 pin

1569 Knob, Lever and Deadbolt Cylinder
For most Emtek® Knobs, Levers and Deadbolts
• 2 nishes - 04, 26D
• 31 Keyways
• Includes single & double
tailpieces
15685 — 5 pin
15695 — 5 pin, drilled 6
15696 — 6 pin
Key-In-Knob, Key-In-Lever, & Key-In-Deadbolt Cylinders
17
Key-In-Knob, Key-In-Lever, & Key-In-Deadbolt Cylinders
1549 Deadbolt Cylinder
For Yale® and Corbin® Single and Double
Cylinder, Grade 1 & 2 Deadbolts
• 2 nishes - 04, 26D
• 31 Keyways
• Includes tailpiece & adapter
15495 — 5 pin
15496 — 5 pin, drilled 6

18
1579 Knob and Lever Cylinder
For Sargent® 6, 10 and 11 (T-Zone) lines. Also ts
many Weiser® applications when using the Weiser
Tailpiece (sold separately).
• 2 nishes - 04, 26D
• 31 Keyways
• Includes 3 tailpieces
15795 — 5 pin, drilled 6
15796 — 6 pin

19
Key-In-Knob, Key-In-Lever, & Key-In-Deadbolt Cylinders
For all Knob, Lever and Deadbolt Cylinders
1500BH Bump Halt Kit
For 1599:
1599DL-00-10 Double Deadbolt Long Lazy Tailpiece
1599DS-00-10 Double Deadbolt Short Lazy Tailpiece
1599LM-00-10 Single Deadbolt Long Lazy Tailpiece
1599RL-00-10 KIK/KIL Long Tailpiece
1599RM-00-10 KIK/KIL Medium Tailpiece
1599RS-00-10 KIK/KIL Short Tailpiece
1599FT-00-10 Falcon T Series Tailpiece
1599CL-00-10 CL3900 Corbin/Russwin Tailpiece
1599LP-00-10 Screw Cap Lock Pin
1599LPS-00-10 Screw Cap Lock Pin Spring
1599SN-00-10 Screw Cap
1599SW-00-10 Split Washer for Lazy Tailpieces
1599PSW-00-10 Plastic Spacer Washer
1599TPK-00-10 Standard 6 Piece 1599 Cylinder Tailpiece Kit
For 1539:
702LA-00-10 “O” Ring Tailpiece Retainer
702LB-00-10 Snap Ring Tailpiece Retainer
702LD-00-10 Plug “E” Ring Retainer
1539AA-00-10 Standard Short Tailpiece
1539AB-00-10 Standard Medium Tailpiece
1539AC-00-10 Standard Long Tailpiece
1539BA-00-10 Sargent Short Tailpiece
1539BB-00-10 Sargent Medium Tailpiece
1539CA-00-10 Sargent Long Tailpiece
Key-In-Knob, Key-In-Lever, & Key-In-Deadbolt
Cylinder ACCESSORIES & PARTS
1539DA-00-10 Anderson French & Sliding Door Tailpiece
1539FA-00-10 Falcon B Series Lever Tailpiece
1539FB-00-10 Falcon S Series Short Tailpiece
1539FC-00-10 Falcon S Series Medium Tailpiece
1539FD-00-10 Falcon S Series Long Tailpiece
1539GA-00-10 Marks Knob Locks (same as 1903-L9)
1539GB-00-10 Marks lever Locks (same as 1903-SL9)
1539LA-00-10 PDQ Short Tailpiece
1539LB-00-10 PDQ Medium Tailpiece
1539LC-00-10 PDQ Long Tailpiece
For 1549:
1549CRYD Standard Tailpiece
1549FA Standard Female Adapter
For 1569:
1569EKDH Double Deadbolt Horizontal Tailpiece (Black)
1569EKDV Double Deadbolt Vertical Tailpiece (Chromate)
1569EKS Single Deadbolt tailpiece
1569FA Knob & Lever Female Adapter
For 1579:
1579WDTPK For Use With Weiser Deadbolts
1579SGT6 6 Line Tailpiece
1599RS 10 Line Tailpiece
1579TZ 11 Line ( T-Zone) Tailpiece

IC Cores
Ilco IC Cores are machined from solid brass bar stock, engineered and manufactured to
OEM specications. Master Key and Grand Master Key quality and are re-keyable to original
manufacturers systems.
Small Format IC Core
• 2 nishes - 04, 26D
• 18 Keyways
• Available uncombinated (no keys) and
combinated (2 keys standard)
• Construction Core; 2 Changes keys,
1 Control Key
20
IC Cores and Housings
28016 6 Pin uncombinated
28016W 6 Pin W Series uncombinated
28017 7 Pin uncombinated
28017W 7 Pin W Series uncombinated
28026 6 Pin combinated
28026W 6 Pin W Series combinated
28027 7 Pin combinated
28027W 7 Pin W Series combinated
C28026-26D Standard Construction Core, combinated, Satin Chrome nish
C28026-Blue Standard Construction Core, combinated, Blue Painted
C28026-Red Standard Construction Core, combinated Red painted
C28026-Marketing-Black Ilco Marketing Core, combinated, Black painted
How To Order I.C. Core
2 8 0 1 6 - B A - 2 6 D - * *
1
MODEL NO.
2
KEYWAY
3
FINISH
4
KEYING
2KEY WAY
BA Best A
BB Best B
BC Best C
BD Best D
BE Best E
BF Best F
BG Best G
BH Best H
BJ Best J
BK Best K
BL Best L
BM Best M
BQ Best Q
TB Best TB
WA Best WA
WB Best WB
WC Best WC
WG Best WG
3FINISH
04 Satin Brass
26D
Satin Chrome
4
KEYING
See How to Order
Cylinders Pages for
Keying Options

21
IC Cores and Housings
Large Format IC Core - Schlage® Size
• 2 nishes - 04, 26D
• 5 Keyways
• Uncut control key included
• Cores pinned to blade height
• Construction Core model number C26026
26026 6 Pin to blade height
C26026 6 Pin KA, SC Keyway, blue scalp,
2 Change Keys, 1 Control Key
How To Order Die Cast Cylinders
M K C - S C - 1 - A L - K A
1
MODEL
2
KEYWAY
3
CAM
4
FINISH
5
KEYING
2KEYWAY
0Does Not Apply
SC Schlage C
3CAM
0Does Not Apply
1Standard (863G)
2Adams Rite (863A)
1MODEL
MDC Dummy Cylinder
MKC Keyed Cylinder
MKC-RIM Rim Keyed Cylinder
MTC Thumbturn Cylinder
MTC-OS 1” Oversized
Thumbturn Cylinder
4FINISH
AL Aluminum
DU Dark Bronze
BLK Black
5KEYING
0Does Not Apply
KD Keyed Different
KA All Keyed Alike
KA2 Keyed Alike in Pairs
KA25 Keyed Alike sets of 25
KA50 Keyed Alike sets of 50
How To Order LFIC
26026 - SC - 26D - 0B
1
MODEL NO.
2
KEYWAY
3
FINISH
4
KEYING
1MODEL NO. 4KEYING
0B
KA (Construction)
2KEYWAY
SC Schlage C
SE Schlage E
SX Schlage C-K
EA Schlage C123
EB Schlage C145
3FINISH
04 Satin Brass
26D Satin
Chrome

22
S2600 Series - Large Format IC Core Convertible Housing - Schlage® Size
• 4 nishes - 03, 10B, 26D, 26
• Length: 1 1/2" (38.1mm)
• Interchangeable cams provide exibility
• Small and Large format mortise housings utilize the same cams
• Accept Schlage® size large format interchangeable cores
• Mortise style converts to Rim using the S2600 kit (sold separately).
S26506 Mortise
S26206 Rim
R2800 Series - Small Format IC Core Convertible Housing
• 6 nishes - 03, 04, 10, 10B, 26D, 26
• Interchangeable cams provide exibility
• Small and Large format mortise housings utilize the same cams
• Thin Head Mortise Style converts to Rim using the R2800 kit
(sold separately)
• Available in Tapered Head Mortise Style
• Compatible with manufacturers of all small format Best® size cores
R28106 Thin Head Mortise, 1 1/4", (31.7mm), 6 Pin
R28107 Thin Head Mortise, 1 3/8", (34.9mm), 6 & 7 Pin
R28507 Thin Head Mortise, 1 1/2", (38.1mm), 6 & 7 Pin
R28607 Thin Head Mortise, 1 5/8" (41.2mm), 6 & 7 Pin
R28206 Thin Head Rim , 1 1/4", (31.7mm), 6 Pin
R28207 Thin Head Rim , 1 3/8", (34.9mm), 6 & 7 Pin
R28406 Tapered Head Mortise, 15/16", (23.8mm), 6 Pin
R28407 Tapered Head Mortise, 1", (25.4mm), 6 & 7 Pin
IC Housings
Ilco IC Housings are machined from solid brass bar stock, engineered and
manufactured to OEM specications.

23
How To Order I.C. Housing (Removable Cam)
R 2 8 1 0 6 - 1 - 2 6 D
1
MODEL NO.
2
CAM OR TAILPIECE
3
FINISH
3FINISH
03
Bright Brass
04
Satin Brass
10
Satin Bronze
10B
Oil-Rubbed Bronze
26D
Satin Chrome
26
Bright Chrome
2CAM OR
TAILPIECE
0
No Cam
1
Standard (Yale)
2
Adams Rite
3
Cloverleaf (Corbin /
Russwin / Best)
4
Schlage L
5
Sargent Yale
6
Falcon / Saflok
Clover
7
Lori Fan Cam Lori
Deadbolt
-
9
Rim Only
See How to Order Cylinders
Page for Sample Images
Not available for S2600 Series
SFIC & LIFIC ACCESSORIES & PARTS
R2800 Rim Conversion Kit SFIC Mortise to Rim Cylinder Conversion Kit
S2600 Rim Conversion Kit LFIC Mortise to Rim Cylinder Conversion Kit
R2800-00-8X Assorted Parts & Accessories Kit
R2800SP-00-10 Plastic Spacer for placing a 6 Pin Core in a 7 Pin Housing
R2800CS-00-100 Cam Screws 100/bg.
R2800G#1-00-10 Standard IC Cam
R2800A#2-00-10 Adams Rite IC Cam
R2800S#3-00-10 Clover IC Cam
R2800M#4-00-10 Schlage L IC Cam
R2800N#5-00-10 Sargent/Yale IC Cam
R2800V#6-00-10 Falcon/Saok IC Cam
R2800R#7-00-10 Lori Mortise Deadbolt IC Cam
862A-00-10 Rim Cylinder Tailpiece 2 3/8” (60.3mm)
R2800RR-00-10 Retaining Ring, Rim Cylinder Adapter
R2800TR-00-10 Retaining Ring, Rim Tailpiece
R2800TE-00-10 Thread Extender
R2800AP-00-10 Plastic Housing Tool
S2600AP-00-10 Plastic Housing Tool
IC Cores and Housings
1 2 3 4
5 6 7
R2800G#1-00-10
Standard Yale
DH0579XXXX
R2800N#5-00-10
Sargent-Yale
DH0583XXXX
R2800N#6-00-10
Falcon/Saok
DH0756XXXX
R2800R#7-00-10
Lori Deadbolt
DH0740XXXX
R2800A#2-00-10
Adams Rite
DH0580XXXX
R2800S#3-00-10
C-R/Best Clover
DH0581XXXX
R2800M4#1-00-10
Schlage L
DH0582XXXX
Mortise Cylinder Cam Styles

24
Prole Cylinders
Ilco Prole Cylinders are machined from solid brass bar stock and engineered to exacting
specications. Commonly used in European Style Mortise Locks.
• 3 nishes - 03, 04, 26D
• Double Cylinder, Single Cylinder, Half Cylinder Keyed and
Turnknob styles
• Rekeyable
• Chamber caps M4 0.70X6mm long set screws
• Custom lengths and nishes available by quote
LENGTH
Turnknob A B C
51221 Double Turnknob 28mm 10mm 28mm
5222E Turnknob Inside, Privacy/Emergency Slot Outside 28mm 10mm 28mm
52225 Turnknob Inside, 5 pin, Keyways: SC, SE, SF, SX, CD, KS (composite), WA (Composite) 28mm 10mm 28mm
52885 Turnknob Inside, 5 pin, Keyways: SC, SE, SF, SX, CD, KS (composite), WA (Composite) 25mm 10mm 25mm
52336 Turnknob Inside, 6 pin. Keyways: SC, SE, SF, SX 30mm 10mm 30mm
523A6 Turnknob Inside, 6 pin, Keyways: GA, GC 30mm 10mm 32mm
Double (Keyed Both Sides)
53225 Keyed Both Sides, 5 pin, Keyways: SC, SE, SF, SX, CD, KS (composite), WA (Composite) 28mm 10mm 28mm
53226 Keyed Both Sides, 6 pin, Keyways: SC, SE, SF, SX, CD, KS (composite), WA (Composite) 28mm 10mm 28mm
53885 Keyed Both Sides, 5 pin, Keyways: SC, SE, SF, SX, CD, KS (composite), WA (Composite) 25mm 10mm 25mm
Half Cylinder
53025 Keyed Outside, 5 pin, Keyways: SC, SE, SF, SX, CD, KS (composite), WA (Composite) 28mm 10mm ---
53026 Keyed Outside , 6 pin, Keyways: SC, SE, SF, SX 28mm 10mm ---
52021 Turnknob Inside 28mm 10mm ---
Turnknob Cylinder
A B C
Double Cylinder
A B C
Half Cylinder
A B C

25
Profile Cylinders
Prole Cylinders
How To Order Profile Cylinders
5 2 2 2 5 - S C 6 - 2 6 D - * *
1
MODEL NO.
3
CAM POSITION
2 O’CLOCK IS STANDARD
2
KEYWAY
4
FINISH
5
KEYING
4
FINISH
04 Satin Brass
26D
Satin Chrome
3
CAM POSITION
2
KEYWAY
See listings for available Keyways
5
KEYING
See How to Order Cylinder
Pages for Keying Options
Turnknob Cylinder
Double Cylinder
Half Cylinder

26
Ilco branded zinc die cast cylinders are used primarily for storefront lock
and exit device applications. This cylinder is designed as an inexpensive
option when brass quality and longevity is not a requirement.
Mortise Zinc Die Cast Cylinders
• 1" (25.4 mm)
• Available 5 pin only
• Thread Size is 1 5/32" (29.36 mm)
• 3 nishes (Aluminum, Dark Bronze, Black)
• Stamped Trim Ring included
MKC Keyed Mortise, Schlage® C Keyway/AR Cam
MTC Turnknob Mortise, AR Cam
MDC Dummy Mortise
1.043” [26.5]
Zinc Body
1.283” [32.6]1.252” [31.8]
0.177” [4.5]
1.350” [34.3]
1.134” [28.8] - 32 Thread
0.591” [15.0]
1.350” [34.3]
1.142” [29.0]
1.024” [26.0]
0.539” [13.7]
1.134” [28.8] - 32 Thread
1.023” [26.0]
0.157” [4.0]
1.024” [26.0]
1.043” [26.5]
Zinc Body
1.283” [32.6]1.252” [31.8]
0.177” [4.5]
1.350” [34.3]
1.134” [28.8] - 32 Thread
0.591” [15.0]
1.350” [34.3]
1.142” [29.0]
1.024” [26.0]
0.539” [13.7] 1.134” [28.8] - 32 Thread
1.023” [26.0]
0.157” [4.0]
1.024” [26.0]
Die Cast Cylinders

27
Rim Zinc Die Cast Cylinder
• Schlage® C Keyway
• Available 5 pin only
• 3 nishes (Aluminum, Dark Bronze, Black)
• Includes rigid tailpiece
• Stamped trim ring and mounting screws included
MKC-RIM Rim Cylinder
CL- 404 Cylinder Guard
The CL-404 is designed specically for Aluminum/Hollow Steel
doors to t standard 1/8" (3.18 mm) stile wall. CL-404 is
constructed of corrosion resistant hardened steel and choice
of 3 powdered coated nishes.
Includes steel security ring, 2 spacers and retainer plug.
Die Cast Cylinders
Die Cast Zinc Cylinders
How To Order Die Cast Cylinders
M K C - S C - 1 - A L - K A
1
MODEL
2
KEYWAY
3
CAM
4
FINISH
5
KEYING
2KEY WAY
0
Does Not Apply
SC
Schlage C
3CAM
0
Does Not Apply
1
Standard (863G)
2
Adams Rite (863A)
1MODEL
MDC
Dummy Cylinder
MKC
Keyed Cylinder
MKC-RIM
Rim Keyed Cylinder
MTC
Thumbturn Cylinder
MTC-OS
1” Oversized
Thumbturn Cylinder
4FINISH
AL
Aluminum
DU
Dark Bronze
BLK
Black
5KEYING
0
Does Not Apply
KD
Keyed Different
KA
All Keyed Alike
KA2
Keyed Alike in Pairs
KA25
Keyed Alike sets of 25
KA50
Keyed Alike sets of 50
How To Order LFIC
26026 - SC - 26D - 0B
1
MODEL NO.
2
KEYWAY
3
FINISH
4
KEYING
1MODEL NO. 4KEYING
0B
KA (Construction)
2KEY WAY
SC
Schlage C
SE
Schlage E
SX
Schlage C-K
EA
Schlage C123
EB
Schlage C145
3FINISH
04
Satin Brass
26D
Satin
Chrome

Storefront Hardware Deadbolts
Deadbolt Mortise Lock – 185 Series
• For Aluminum Stile Doors
• Five-ply laminated steel bolt with concealed hardened steel pin provides
maximum security on single leaf doors
• Cycle testing exceeds ANSI Grade 1 standards
• Steel case with corrosion resistant plating
• Accepts standard 1 5/32" (29.36 mm) Zinc or Brass threaded mortise cylinder
• Interchangeable with 451/452 Series Deadlatches
Backsets: 31/32" (24.59 mm), 1 1/8" (28.58 mm), 1 1/2" (38.1 mm)
Bolt Dimension: Straight Bolt: 5/8"W x 2 7/8"L (15.88 mm x 73.03 mm)
Hook Bolt: 5/8"W x 1 3/8"L (15.88 mm x 34.9 mm)
Throw: Straight Bolt: 1 3/8" (34.9 mm)
Hook Bolt: 13/16" (20.6 mm)
28
Deadbolt
Hookbolt

Storefront Hardware Deadbolts
Storefront Hardware Deadbolts
29
How To Order Mortise Deadbolts & Hookbolts
How To Order Mortise Deadlatchs
How To Order Combo Mortise Lock Packs for Aluminum Stile Doors
1 8 5 - 2 - N H - S i n g l e
4 5 1 - 2 - N H - S i n g l e
185 - F - 2 - NH - 2 - 01 - 628
1
MODEL NO.
1
MODEL NO.
1
MODEL NO.
2
BACKSET
2
BACKSET
3
HANDING
3
HANDING
4
PACKOUT
4
PACKOUT
1
MODEL NO.
185
Deadbolt
HB185
Hookbolt
1MODEL NO.
451
Deadlatch
452
Reversible
Deadlatch
1MODEL
NO.
185
Deadbolt
HB
185
Hookbolt
451
Deadlatch
452
Reversible
Deadlatch
7FINISH
628
Aluminum
313
Dark
Bronze
335
Black
4PACKOUT
Single
Individual
Single Pack
Bulk
Bulk Pack
4PACKOUT
Single
Individual
Single Pack
Bulk
Bulk Pack
5STRIKE
SIZE
1
1 = 4.63"
(117.6mm)
2
2 = 2.63
(66.8mm)
6
STRIKE SHAPE /
LIP LENGTH
01
Flat Standard
Jamb
02
Radius/Standard
Stile
17
Flat/Center hung
4.0" (101.6mm)
Jamb
21
Flat/Center hung
4.5" (114.3mm)
Jamb
2BACKSET
2
31/32” (24.61mm)
3
1
1
⁄
8
” (28.58mm)
4
1
1
⁄
2
” (38.1mm)
2BACKSET
2
31/32” (24.61mm)
3
1
1
⁄
8
” (28.58mm)
4
1
1
⁄
2
” (38.1mm)
2FACE-
PLATE
F
Flat
B
Bevel
R
Radius
RW
Radius with
weather strip
3BACKSET
2
31/32"
(24.61mm)
3
1
1
⁄
8
"
(28.58mm)
4
1
1
⁄
2
"
(38.1mm)
3HANDING
NH
No Hand
3HANDING
NH
No Hand
RH
Right Hand
LH
Left Hand
4HANDING
NH
No Hand
RH
Right Hand
LH
Left Hand
2
FACEPLATE
3
BACKSET
4
HANDLING
5
STRIKE SIZE
6
STRIKE SHAPE /
LIP
LENGTH
7
FINISH

30
Two-Point Deadbolt – 187 Series
• For overhead roll-up doors, security screens, or similar doors
• Two bolts are operational from either left, right side or both sides
• 900 rotation of mini lever turn throws or retracts bolts. 3600 turn of key deadlocks
the mechanism, preventing operation in either the locked or the unlocked position
• Bolt is supplied with threaded links for use with 1/4" (6.4 mm) rods
• Corrosion resistant Zinc plated steel case and mechanism
• Accepts standard 1 5/32" (29.36 mm) zinc or brass threaded mortise cylinder
• Bolt arm requires inside stile clearance of 1 11/16" (42.9 mm) on one side of
cylinder center and 1" (25.4 mm) on the other side
Lock Case Dimensions: 1" (25.4 mm) x 6" (152.4 mm)
Bolt Throw: 1 1/32" (26.2 mm) bolt throw
Ordering Information:
Note: 187 Series is available in one style only
Product Description
IL-187-1 Roll-Up Door Lock
187

Storefront Hardware Deadbolts
31

32
Storefront Hardware Latches
Deadlatch Mortise Lock – 451 Series
• For Aluminum Stile Doors
• Key controlled bolt holdback feature oers exibility for trac control on buildings that
require free entrance during specic times and exit only for others
• Auxiliary latch bolt feature when in locked position provides additional security
• Zinc latch with Delrin insert for quiet operation
• Available left or right handed, eld reversible handing
• Steel case with corrosion resistant plating
• Accepts standard 1 5/32" (29.36 mm) Zinc or Brass threaded mortise cylinder
• Cycle testing exceeds ANSI Grade 1 standards
• Interchangeable with 185 Series Deadbolts
Backsets: 31/32" (24.59 mm), 1 1/8" (28.58 mm), 1 1/2" (38.1 mm)
Latchbolt Dimensions: 5/8"W x 1 1/2"L (15.88 mm x 38.1 mm)

Storefront Hardware Latches
33
How To Order Mortise Deadbolts & Hookbolts
How To Order Mortise Deadlatchs
How To Order Combo Mortise Lock Packs for Aluminum Stile Doors
1 8 5 - 2 - N H - S i n g l e
4 5 1 - 2 - L H - S i n g l e
185 - F - 2 - NH - 2 - 01 - 628
1
MODEL NO.
1
MODEL NO.
1
MODEL NO.
2
BACKSET
2
BACKSET
3
HANDING
3
HANDING
4
PACKOUT
4
PACKOUT
1
MODEL NO.
185 Deadbolt
HB185 Hookbolt
1MODEL NO.
451 Deadlatch
452 Reversible
Deadlatch
1MODEL
NO.
185 Deadbolt
HB
185 Hookbolt
451 Deadlatch
452 Reversible
Deadlatch
7FINISH
628 Aluminum
313 Dark
Bronze
335 Black
4PACKOUT
Single Individual
Single Pack
Bulk Bulk Pack
4PACKOUT
Single Individual
Single Pack
Bulk Bulk Pack
5STRIKE
SIZE
11 = 4.63"
(117.6mm)
22 = 2.63
(66.8mm)
6STRIKE SHAPE /
LIP LENGTH
01 Flat Standard
Jamb
02 Radius/Standard
Stile
17
Flat/Center hung
4.0" (101.6mm)
Jamb
21
Flat/Center hung
4.5" (114.3mm)
Jamb
2BACKSET
231/32” (24.61mm)
31
1
⁄
8
” (28.58mm)
41
1
⁄
2
” (38.1mm)
2BACKSET
231/32” (24.61mm)
31
1
⁄
8
” (28.58mm)
41
1
⁄
2
” (38.1mm)
2FACE-
PLATE
FFlat
BBevel
RRadius
RW Radius with
weather strip
3BACKSET
231/32"
(24.61mm)
31
1
⁄
8
"
(28.58mm)
41
1
⁄
2
"
(38.1mm)
3HANDING
NH No Hand
3HANDING
RH Right Hand
LH Left Hand
4HANDING
NH No Hand
RH Right Hand
LH Left Hand
2
FACEPLATE
3
BACKSET
4
HANDLING
5
STRIKE SIZE
6
STRIKE
SHAPE /
LIP
LENGTH
7
FINISH

Deadlatch Mortise Lock – 452 Series
Modied 451 Series design with features that make this easier to install:
• Easily eld reversible by removing one screw
• Bevel tabs provide adjustment of at faceplates to either left or right hand bevel
• Comes with depth adjusting tube spacers to eliminate the need of mounting brackets
Backset: 1 1/8" (28.58 mm)
Latchbolt Dimensions: 5/8"W x 1 1/2"L (15.88 mm x 38.1 mm)
34
Storefront Hardware Latches

Storefront Hardware Latches
35
How To Order Mortise Deadbolts & Hookbolts
How To Order Mortise Deadlatchs
How To Order Combo Mortise Lock Packs
1 8 5 - 2 - N H - S i n g l e
4 5 1 - 2 - L H - S i n g l e
1
MODEL NO.
1
MODEL NO.
1
MODEL NO.
2
BACKSET
2
BACKSET
3
HANDING
3
HANDING
4
PACKOUT
4
PACKOUT
1MODEL NO.
185 Deadbolt
HB185 Hookbolt
1MODEL NO.
451 Deadlatch
452 Reversible
Deadlatch
1MODEL
NO.
185 Deadbolt
HB
185 Hookbolt
451 Deadlatch
452 Reversible
Deadlatch
7FINISH
628 Aluminum
313 Dark
Bronze
335 Black
4PACKOUT
Single Individual
Single Pack
Bulk Bulk Pack
4PACKOUT
Single Individual
Single Pack
Bulk Bulk Pack
5STRIKE
SIZE
11 = 4.63"
(117.6mm)
22 = 2.63
(66.8mm)
__
Leave Blank
if neither
apply
6
STRIKE SHAPE /
LIP LENGTH
01
Flat Standard
Jamb
02
Radius/Standard
Stile
17
Flat/Center hung
4.0" (101.6mm)
Jamb
21
Flat/Center hung
4.5" (114.3mm)
Jamb
__
Leave Blank if
neither apply
2
BACKSET
2
31/32” (24.61mm)
3
11⁄8” (28.58mm)
4
11⁄2” (38.1mm)
2
BACKSET
2
31/32" (24.61mm)
3
11⁄8" (28.58mm)
4
11⁄2" (38.1mm)
2
FACE-
PLATE
F
Flat
B
Bevel
R
Radius
RW
Radius with
weather strip
3
BACKSET
2
31/32"
(24.61mm)
3
11⁄8"
(28.58mm)
4
11⁄2"
(38.1mm)
3
HANDING
NH
No Hand
3
HANDING
RH
Right Hand
LH
Left Hand
4
HANDING
NH
No Hand
RH
Right Hand
LH
Left Hand
2
FACEPLATE
3
BACKSET
4
HANDLING
5
STRIKE SIZE
6
STRIKE
SHAPE /
LIP
LENGTH
7
FINISH
185 - F - 2 - NH - 2 - 01 - 628

36
Deadlock Trim — Levers
Lever Handles – 456 Series
Levers are designed to keep ngers away from the jamb and allow operation
without grasping. A downward movement retracts latch.
• For use with 451 and 452 Deadlatch
• Field reversible handing using the cam plug (CP456) included
• Cast aluminum construction
• Available left or right handed
• Available styles Straight (456S), Euro Return (456-RE) or with Thumbturn (456-TT)
• 3 nishes: Clear Aluminum, Dark Bronze, and Black
• Escutcheon assembly includes a ¼" (6.35 mm) heat treated spindle
Door Thickness: 1 3/4" (44.45 mm) to 3" (76.2 mm)
Escutcheon: 1 3/8" x 4" (34.93 mm x 101.6 mm)
456-S
456-RE
456-TT

37
Deadlock Trim — Levers
.53
13.4
.65
16.4
4
101.6
.07
1.8 1.81
46.0
.87
22.0
.265 dia.
6.73
(2 holes)
Cyl.
3
76.2
1.72
43.6
1.25 dia.
31.8
Backset
.53
13.4
.65
16.4
4
101.6
.07
1.8 1.81
46.0
.87
22.0
.265 dia.
6.73
(2 holes)
Cyl.
3
76.2
1.72
43.6
1.25 dia.
31.8
Backset
How To Order Lever Handles
How To Order Push / Pull Paddles
4 5 6 S - L H - 0 1 - D U
4 5 9 - 01 - 0 0 - 6 2 8
1
MODEL NO.
1
MODEL NO.
2
STYLE
3
HANDING
2
OPERATION
4
DOOR
THICKNESS
3
DOOR
THICKNESS
5
FINISH
4
FINISH
2
STYLE
SStraight
RE Euro Return
TT Thumbturn
3HANDING
NH No Hand
RH Right Hand /
Left Reverse
LH Left Hand /
Right Reverse
2OPERATION
01 Pull to Left
02 Push to Left
03 Pull to Right
04 Push to Right
1MODEL NO.
456 456 Series Lever
1MODEL NO.
459 Original Paddle
457 Trend Paddle
4DOOR
THICKNESS
01 1
3
⁄
4
" (44.45mm)
to 2" (50.8mm)
3DOOR
THICKNESS
00 1
3
⁄
4
" (44.45mm)
5FINISH
AL Aluminum (628)
DU Duronotic Dark Bronze (313)
BLK Black (335)
4FINISH
628 Aluminum (AL)
313 Duronotic Dark Bronze (DU)
335 Black (BLK)

38
Deadlock Trim — Push/Pull Paddles
Push / Pull Paddle – 459 and 457 Series
Paddles provide an alternate to knob or lever handles. Push or pull in the
direction of the door swing to unlatch.
The 459 Series provides the standard paddle function.
457 Series is ergonomic and ADA friendly; providing additional clearance
between the handle and door escutcheon. The dogging screw is located on the top of the paddle.
The dogging feature is activated by turning the hex key (included) in the escutcheon;
holding the paddle down and leaving the door free-swinging.
• Corrosion resistant extruded aluminum construction
• Escutcheon is zinc alloy with black hard coat nish
• Double spring escutcheon construction for durability
• Self-adhesive Push or Pull decals included
• Binder post insures secure attachment of the Push/Pull handle to the door
• Available in four operation modes (Pull Left, Pull Right, Push Left, Push Right)
• Field reversible handing using Push/Pull feature and cam plug (CP456) included
• Cycle testing exceeds ANSI Grade 1 standards
Door Thickness: 1 3/4" (44.45 mm)
Escutcheon: 1 3/8" x 4" (34 mm x 101.6 mm)
459
457

39
Deadlock Trim — Push/Pull Paddles
How To Order Lever Handles
How To Order Push / Pull Paddles
4 5 6 S - L H - 0 1 - D U
4 5 9 - 01 - 0 0 - 6 2 8
1
MODEL NO.
1
MODEL NO.
2
STYLE
3
HANDING
2
OPERATION
4
DOOR
THICKNESS
3
DOOR
THICKNESS
5
FINISH
4
FINISH
2
STYLE
S
Straight
RE
Euro Return
TT
Thumbturn
3
HANDING
NH
No Hand
RH
Right Hand /
Left Reverse
LH
Left Hand /
Right Reverse
2
OPERATION
01
Pull to Left
02
Push to Left
03
Pull to Right
04
Push to Right
1
MODEL NO.
456
456 Series Lever
1
MODEL NO.
459
Original Paddle
457
Trend Paddle
4
DOOR
THICKNESS
01
1
3
⁄
4
" (44.45mm)
to 2" (50.8mm)
3
DOOR
THICKNESS
00
1
3
⁄
4
" (44.45mm)
5
FINISH
AL
Aluminum (628)
DU
Duronotic Dark Bronze (313)
BLK
Black (335)
4
FINISH
628
Aluminum (AL)
313
Duronotic Dark Bronze (DU)
335
Black (BLK)
Product Description Paddle Door Thickness Lever Door Thickness
CP456-RH Right Hand Cam Plug 1 ¾" (44.45 mm) 2" (50.8 mm)
CP456-LH Left Hand Cam Plug 1 ¾" (44.45 mm) 2" (50.8 mm)
CP456-RH-1 Right Hand Cam Plug 1 13/16" – 2" (46mm – 50.8mm) 2 ¼"- 2 ½" (57.15mm-63.5mm)
CP456-LH-1 Left Hand Cam Plug 1 13/16" – 2" (46mm – 50.8mm) 2 ¼"- 2 ½" (57.15 mm -63.5mm)
CP456-RH-2 Right Hand Cam Plug 2 ¼” – 2 ½" (57.15mm – 63.5mm) 2 ¾"- 3" (69.85mm-76.2mm)
CP456-LH-2 Left Hand Cam Plug 2 ¼” – 2 ½" (57.15mm – 63.5mm) 2 ¾"- 3" (69.85mm- 76.2mm)
9160 Paddle Spring Kit
Replacement Parts for Levers & Push / Pull Paddles
459 / 457
5.45
138.43

Glass Door Rail Lock & Dust Proof Strikes
40
Glass Door Bottom Rail Lock - BR Series
This lock is installed in the bottom rail or in patch tting of an
“all glass” door. Bolt is retracted by a 1 5/32" (29.35 mm) mortise
cylinder with standard cam.
MODEL
NUMBER 12345678910
BRL-03 .84252"
(21.4mm)
4.154"
(105.5mm)
3.543"
(90mm)
1.44"
(39.6mm)
1.437"
(36.6mm)
1.5"
(38mm)
1.345"
(34.4.mm)
.618"
(15.7mm)
1.3031"
(33.1mm)
.71"
(18.03mm)
BRL-01 .96457"
(24.4mm)
4.154"
(105.5mm)
3.543"
(90mm)
1.8898"
(48mm)
1.437"
(36.6mm)
1.5"
(38mm)
1.345"
(34.4mm)
.618"
(15.7mm)
1.3031"
(33.1mm)
.71"
(18.03mm)
BRL-01 BRL-03

Glass Door Rail Lock & Dust Proof Strikes
41
Dust Proof Strikes (Lockable) – DPS Series
DPS Series strikes work with the BRL-01 and
BRL-03 Glass Door Bottom Rail Lock.
• Accepts 5/8" (16 mm) diameter plunger bolt
• Includes mounting plate, two at head screws, and strike
• Available in six nishes
DPS-313 313 Dark Bronze
DPS-26D 26D Satin Chrome
DPS-BLK 335 Black
DPS-32 32 Bright Stainless Steel
DPS-US32D 32D Satin Stainless Steel
DPS-628 628 Aluminum
DPS-626

Pivots
42
Oset Pivots – For Aluminum Doors and Frames
• Die cast aluminum construction
• Full race ball bearing incorporated into bottom pivot portion
• Weight of door rests on oor mounted pivot portion; no sag
• Easily replaceable from inside door
• Theft resistant, weatherproof
• 1/8" (3.18 mm) vertical adjustment
• Available in two nishes; special order nishes
available upon request
• Sets include fasteners
• Also available in dark bronze
Available in
dark bronze
Recessed Pivots Sets
IL-OP-10-LH-AL-18 SETS LH, Clear
IL-OP-10-LH-DU-18 SETS LH, Dark Bronze
IL-OP-10-RH-AL-18 SETS RH, Clear
IL-OP-10-RH-DU-18 SETS RH, Dark Bronze
Screw Pack
IL-OP-10 SCREW PACK-AL Clear
IL-OP-10 SCREW PACK-DU Dark Bronze
IL-OP-10 Series – Vista Wall® & Old Castle® Style Doors
Flush Door Pivot and 1/8" (3.18 mm) Recessed Pivot Sets
Flush Pivot Sets
IL-OP-10-LH-AL SETS LH, Clear
IL-OP-10-LH-DU SETS LH, Dark Bronze
IL-OP-10-RH-AL SETS RH, Clear
IL-OP-10-RH-DU SETS RH, Dark Bronze

43
Pivots & Hinges
Available in
dark bronze
IL-OP-12 Series – Armalite® and Trulite® Style Doors
Recessed Pivot Sets 1/8" (3.18 mm)
Recessed Pivots Sets
IL-OP-12-RH-AL SETS RH, Clear
IL-OP-12-LH-AL SETS LH, Clear
IL-OP-12-RH-DU SETS RH, Dark Bronze
IL-OP-12-LH-DU SETS LH, Dark Bronze
Screw Pack
IL-OP-12 SCREW PACK-AL Clear
IL-OP-12 SCREW PACK-DU Dark Bronze

44
Available in
dark bronze
IL-OP-13 Series – YKK® Style Doors
Recessed Pivot Sets 1/8" (3.18 mm)
Recessed Pivot Sets
IL-OP-13-LH-AL SETS LH, Clear
IL-OP-13-LH-DU SETS LH, Dark Bronze
IL-OP-13-RH-AL SETS RH, Clear
IL-OP-13-RH-DU SETS RH, Dark Bronze
Screw Pack
IL-OP-13 SCREW PACK-AL Clear
IL-OP-13 SCREW PACK-DU Dark Bronze

45
Pivots & Hinges
IL-OP-14 Series – US Aluminum® and Arcadia®Style Doors
Flush Door Pivot Sets
Flush Door Pivot Sets
IL-OP-14-LH-AL SETS LH, Clear
IL-OP-14-LH-DU SETS LH, Dark Bronze
IL-OP-14-RH-AL SETS RH, Clear
IL-OP-14-RH-DU SETS RH, Dark Bronze
Screw Pack
IL-OP-14 SCREW PACK-AL Clear
IL-OP-14 SCREW PACK-DU Dark Bronze
Available in
dark bronze

46
Available in
dark bronze
IL-OP-15 Series – Pittco® and Efco® Style Doors
31/32" (24.61mm) Recessed Pivot Sets
Recessed Door Pivot Sets
IL-OP-15-LH-AL SETS LH, Clear
IL-OP-15-LH-DU SETS LH, Dark Bronze
IL-OP-15-RH-AL SETS RH, Clear
IL-OP-15-RH-DU SETS RH, Dark Bronze
Screw Pack
IL-OP-15 SCREW PACK-AL Clear
IL-OP-15 SCREW PACK-DU Dark Bronze

47
Pivots & Hinges
IL-OP-18 Top & Bottom Portion Set – Kawneer® Style Doors
1/8" (3.18 mm) Recessed Pivots - Top and Bottom sold separately to form a “set”
Recessed Door Pivot Sets
Top Pivot
IL-OP-18-AL TOP PIVOT NH, Clear
IL-OP-18-DU TOP PIVOT NH, Dark Bronze
Bottom Pivot
IL-OP-18-LH-AL BOTTOM LH, Clear
IL-OP-18-LH-DU BOTTOM LH, Clear
IL-OP-18-RH-DU BOTTOM RH, Dark Bronze
Screw Pack
IL-OP-18 SCREW PACK-AL Clear
IL-OP-18 SCREW PACK-DU Dark Bronze
Available in
dark bronze

48
IL-OP-19
RIGHT
HAND
BOTTOM
FRAME
PORTION
LEFT
HAND
BOTTOM
FRAME
PORTION
.886” [22.5]
1.862” [47.3]
.748” [19.0]
3.031 [77.0]
1.232” [31.3]
.984” [25.0]
2.008” [51.0]
.630” [16.0]
.197” [5.0]
.886” [22.5]
1.862” [47.3]
.748” [19.0]
3.031 [77.0]
1.232” [31.3]
.984” [25.0]
2.008” [51.0]
.630” [16.0]
.197” [5.0]
.803” [20.4]
1.353” [34.4]
.520” [13.2]
#1⁄4-20
2 PLS
.433” [11.0]
1.291” [32.8]
1.689” [42.9]
.803” [20.4]
1.353” [34.4]
.520” [13.2]
#1⁄4-20
2 PLS
.500” [12.7]
.496” [12.6]
1.358” [34.5]
1.291” [32.8]
SET SCREW
.516” [13.1]
.681” [17.3]
.882” [22.4]
1.614” [41.0]
2.563” [65.1] 4.516” [114.7]
1.197” [30.4] 1.124” [28.6]
.472” [12.0]
.500” [12.7].500” [12.7]
1.500” [38.1] 1.890” [48.00]
.618” [15.7]
.980” [24.9
1.331” [33.8]
.496” [12.6]
.965” [24.5]
IL-OP-19 Series – Aldora® Style Doors
1/8" (3.18 mm) Recessed Pivot Sets
Recessed Door Pivot Sets
IL-OP-19-LH-AL LH, Clear
IL-OP-19-LH-DU LH, Dark Bronze
IL-OP-19-RH-AL RH, Clear
IL-OP-19-RH-DU Rh, Dark Bronze
Available in
dark bronze

IL-10 Series
3/4" (19.05 mm) Oset
IP-10-LH-AL LH, Clear
IP-10-RH-AL RH, Clear
IP-10-LH-DU LH, Dark Bronze
IP-10-RH-DU RH, Dark Bronze
IP-10-LH-DU-2 LH, Black
IP-10-RH-DU-2 RH, Black
Backing Plate
IP-10 Steel Backing Plate
49
Pivots & Hinges
Intermediate Pivots – For Aluminum Doors & Frames
• Die cast aluminum construction
• Full race ball bearing incorporated
into bottom pivot portion
• Easy vertical adjustment
• Supplied with fasteners
• Also available in dark bronze and black
Available in
dark bronze

50
IP-12 Series
Non-handed, fully reversible
IP-12-NH-AL NH, Clear
IP-12-NH-DU NH, Dark Bronze
IP-12-NH-DU-2 NH, Black
IP-22 Series
3/4" (19.05 mm) Oset
IP-22-LH-AL LH, Clear
IP-22-LH-DU LH, Dark Bronze
IP-22-RH-AL RH, Clear
IP-22-RH-DU RH, Dark Bronze

51
Pivots & Hinges
Butt Hinge - IL-45 Series
Dimensions: 4.5" x 4" x .134" (114.3 mm x 101.6 mm x 3.4 mm)
• Non-corrosive stainless steel
• Non-removable pin (prevents removal when door is in closed position)
• Zero swagged with 1/4" radius corner
• Available nishes: Clear, Dark Bronze
• Single packs include machine and wood screws (2/box), Bulk packs
include machine screws only (30/box)
IL-4540NRP2BB- AL Single pack, Clear (32D)
IL-4540BBNRP-AL BULK Bulk pack, Clear (32D)
IL-4540NRP2BB-DU Single pack, Dark Bronze
IL-4540BBNRP-DU BULK Bulk pack, Dark Bronze
Back Up Plate
IL4-BP-H Back up plate
Butt Hinges
4.00” [101.6]
R.250” [R.6.4]
4.500”
[114.3]
.502” [12.8]
3.484” [38.5]
BALL BEARING
1.000” [25.4]
ø.602” [15.3]
SET SCREW
1.240”
[31.5] .134” [3.4]
.378” [9.6]

52
Lock and Door Accessories — Faceplates
Faceplates
For 185 Series Deadbolts, 451and 452 Deadlatches
Finishes: Aluminum Anodized
Dark Bronze Anodized
Black Anodized
Dimensions: 1" x 6 7/8" (25.4 mm x 174.63 mm)
Plate only for ANSI sized Hook Bolt
Finishes: Aluminum Anodized,
Dark Bronze Anodized
Dimensions: 1 1/4" x 8" (31.75 mm x 203.2 mm)
How To Order Faceplates
F P - D B - F - N H - 6 2 8 - ___
1
MODEL NO.
2
TYPE
3
STYLE
4
HANDING
5
FINISH
6
SPECIAL
3STYLE
FFlat
BBevel
RRadius
RW Radius with
Weather Strip
4HANDING
NH No Hand
RH Right Hand
LH Left Hand
2TYPE
DB Deadbolt
HB Hookbolt
DL Deadlatch
RDL Reversible
Deadlatch
6SPECIAL
AN ANSI
___ Leave Blank if
not applicable
5FINISH
628 Aluminum (AL)
313 Duronotic Dark Bronze (DU)
335 Black (BLK)
Straight Bolt
Faceplate
Deadlatch
Faceplate
ANSI
Hook Bolt
Faceplate
Hook Bolt
Faceplate

53
Lock and Door Accessories — Faceplates / Deadlock Strikes
Deadlatch Strikes
4501-01 1.87" (45.7 mm) Long Lip Standard, Clear
4501-01-DU 1.87" (45.7 mm) Long Lip Standard, Dark Bronze
4501-02 1.87" (45.7 mm) Long Lip Radius, Clear
4501-02-DU 1.87" (45.7 mm) Long Lip Radius, Dark Bronze
4502-01 1.87" (45.7 mm) Short Lip Standard, Clear
4502-01-DU 1.87" (45.7 mm) Short Lip Standard, Dark Bronze
4502-02 1.87" (45.7 mm) Short Lip Radius, Clear
4502-02-DU 1.87" (45.7 mm) Short Lip Radius, Dark Bronze
4501-17 2.90" (73.6 mm) Long strike extended lip for center hung doors 4" (101.60 mm) frame, Clear
4501-21 3.13" (79.5 mm) Long strike extended lip for center hung doors 4.5" (114.30 mm) frame, Clear
4502-17 2.90" (73.6 mm) Short strike extended lip for center hung doors 4" (101.60 mm) frame, Clear
4502-21 3.13" (79.5 mm) Short strike extended lip for center hung doors 4.5" (114.30 mm) frame, Clear
Deadlatch Strikes
4502-01
4501-02-DU
4501-01
L
4.134” (105)
3.34” (85.6)
2.63” (66.8)
4502-02
.047”
(1.2)
.65”
(16.5)
L
6.094” (154.8)
5.374” (136.5)
4.63” (117.6)
.047”
(1.2)
.65”
(16.5)
4501-02
.65”
(16.5)
.047”
(1.2)
4501-01
4501-17
4501-21
.65”
(16.5)
.047”
(1.2)
4501-01
4501-17
4501-21
L
4.134” (105)
3.34” (85.6)
2.63” (66.8)
4502-02
.047”
(1.2)
.65”
(16.5)
L
6.094” (154.8)
5.374” (136.5)
4.63” (117.6)
.047”
(1.2)
.65”
(16.5)
4501-02
.65”
(16.5)
.047”
(1.2)
4501-01
4501-17
4501-21
.65”
(16.5)
.047”
(1.2)
4501-01
4501-17
4501-21

54
Threshold, Header and Flush Bolts
Threshold Bolt – THB-4015 Series for Deadbolt and Hookbolt
THB-415 is a two-point lock that enhances the security of double door installations.
When the deadbolt is actuated, the bolt extends in to the threshold. Three point locking is
achieved when a Threshold bolt is used in conjunction with a header bolt.
Throw: 11/16" (17.45 mm)
Cylinder Height: 34" (863.6 mm)
• Attaches to the rear of the pivoting deadbolt
• Easily add to an existing installation
• Rod is zinc plated steel
9
228.6
(Extended)
Cylinder
Height
Rod Bolt Assy.
Length must be 7”
(177.8) less than
Cylinder Height
Bottom of Door
.620 Bolt Projection
15.7
.690 Bolt Throw
17.5
THB-4015

55
Threshold, Header and Flush Bolts
Header Bolt – HDB-4016 Series for Deadbolt
HDB-4016 provides two-point locking for double door installations. The actuation
of the lock throws the bolt into the header of the active leaf.
Doors: up to 7' (2133.6 mm)
Cylinder Height: no less than 35" (889 mm)
Backsets: 31/32" (24.59 mm), 1 1/8" (25.58 mm), 1 1/2" (38.1 mm)
• Attaches to the front slot of the deadbolt
• Cylinder height adjustment below 53" (1346.2 mm) can be
accomplished by cutting threaded rod
• Rod is zinc plated steel
THB-4016

Threshold, Header and Flush Bolts
56
THB-4015
Header Bolt – HDB-4085 Series for Deadbolt
HDB-4085 provides a top of door, third locking point on the inactive leaf. With the actuation
of the lock, the bolt extends into the header strike with a “scissor like” action.
• Installed in the inactive leaf
• Nylon strike included (required for operation)
• Rod is zinc plated steel
Centerline of Cylinder to top of door
HDB-4085 30" to 50" (752 mm to 1270 mm)
HDB-4085-1 55" to 78" (1397 mm to 1981.2 mm)
HDB-4085-2 79" to 92" (2006.6 mm to 2336.8 mm)

Threshold, Header and Flush Bolts
57
FLB-58-
18-DU-M
FLB-58-
18-AL
5.691”
[144.6]
5.236”
[133.0]
.457” [11.6]
.925” [23.5]
4.232”
[107.5]
#8-32 Tap
Throw
1.437” [36.5]
1/4”-20 Thread
Offset
5.691”
[144.6]
5.236”
[133.0]
.457” [11.6]
.925” [23.5]
4.232”
[107.5]
#8-32 Tap
Throw
1.437” [36.5]
1/4”-20 Thread
Offset
Threshold / Header Preparation
.370” [9.4]
.370” [9.4] X3
1.508” [38.3]
.516” [13.1]
1.500” [38.1]
1.390” [35.3]
531” [13.5]
Flush Bolt – FLB Series
The FLB Series provides an easy retrot and economical solution for simply
securing the inactive leaf of a double door.
Throw: 5/8" (15.87 mm) or 7/8" (22.23 mm)
Oset: 1/8" (3.18 mm) - 11" (279.40mm) rod
Also available:
Throw: 5/8"
Oset: 1/8" (3.18mm) – 16" (406.4mm) rod
• Adjust length by turning the nylon tip
• Zinc plated steel rod with nylon tip is standard; Metal tip available special
order in 1/8" (3.18 mm) oset, 5/8" (15.87 mm) throw
• Available in Aluminum or Dark Bronze
•Additional Guide Pack sold separately (FBL-Guide Pack)
How To Order Flush Bolts
F L B - 5 8 - 1 8 - A L - 1 6
1
MODEL NO.
2
THROW
3
OFFSET
4
FINISH
5
SPECIAL
3
OFFSET
18
1
⁄
8
”
(28.58mm)
4
FINISH
AL Aluminum
DU Dark Bronze
2
THROW
58
5
⁄
8
”(16mm)
78
7
⁄
8
” (22mm)
5
SPECIAL
16 16” (406.40mm)
MMetal Tip
___ Leave Blank if
neither apply

58
Two-Point Flush Bolt – IL-1880 Series
IL-1880 Series is an alternative to the FLB Series Flush Bolt to secure the inactive leaf of a
double door. It simplies the process with one operation instead of two.
Operates as auxiliary lock and is not to be utilized as a stand-alone locking mechanism.
Throw: 23/32" (18.3mm)
• Steel hexagonal bolt, plated
• Interlocking mechanism prevents the engagement of main lock’s pivoted bolt until the vertical
bolts are locked and prevents unlocking of vertical bolts when the pivoted bolt is locked
• Operates in conjunction with pivoting deadbolts (185 and HB185)
Threshold, Header and Flush Bolts
Cylinder Door Dims Finish
Height up to:
IL1880-1-84-AL 37" (939.8 mm) 84" (2133.6 mm) Clear
IL1880-1-84-DU 37" (939.8 mm) 84" (2133.6 mm) Dark Bronze
IL1880-1-84-BLK 37" (939.8 mm) 84” (2133.6mm) Black
IL1880-1-96-AL 37" (939.8 mm) 96" (2438.4 mm) Clear
IL1880-1-96-DU 37" (939.8 mm) 96" (2438.4 mm) Dark Bronze
IL1880-1-96-BLK 37" (939.8 mm) 96" (2438.4 mm) Black
IL1880-2-96-AL 42" (1066.8 mm) 96" (2438.4 mm) Clear
IL1880-2-96-DU 42" (1066.8 mm) 96" (2438.4 mm) Dark Bronze
IL1880-2-96-BLK 42" (1066.8 mm) 96" (2438.4 mm) Black
Lock Only, No Rods:
IL1880-AL Clear
IL1880-DU Dark Bronze
IL1880-BLK Black
THB-1880-AL

59
Replacement Header Sign – self-adhesive
22-HS-BIO “THIS DOOR TO REMAIN UNLOCKED WHEN THE BUILDING IS OCCUPIED”
22-HS-DBH “THIS DOOR TO REMAIN UNLOCKED DURING BUSINESS HOURS”
Threshold, Header and Flush Bolts / Door Accessories
Door Accessories
Lock Indicator Sets –LI-408
This exit door indicator provides notication of “locked”’ or “open” to an exit door.
“Open” appears in Green letters and “Locked” appears in Red letters.
• Deadbolt (straight or hook bolt) accessory
• Includes 2 self-adhesive header signs (below), 2 pins and 2 screws
• Fits standard 1 3/4" (44.4 mm) doors
• Zinc alloy escutcheon
LI-408-AL Aluminum Powder Coat Finish
LI-408-DU Dark Bronze Powder Coat Finish

60
Door Accessories
Kick Down Door Stop - KDDH Series
• Concentric groove design on stop provides maximum non-slide grip
• Stainless steel spring retains arm in vertical position when not in use
• Narrow mounting bracket suits most doors
• Available nishes are Clear, Dark Bronze and Black
Dimensions:
4" (101.6 mm); Base: 7/8" x 1" x 3/4" (22.2 mm x 25.4 mm x 19.1 mm )
5" (127 mm); Base: 1 1/2" x 2" (22.2 mm x 25.4 mm x 19.1 mm / 38.1 mm x 50.8 mm)
IL-KDDH-4-AL 4" (101.6 mm), Clear
IL-KDDH-4-DU 4" (101.6 mm), Dark Bronze
IL-KDDH-4-BLK 4" (101.6 mm), Black
IL-KDDH-5-AL 5" (127 mm), Clear
IL-KDDH-5-DU 5" (127 mm), Dark Bronze
IL-KDDH-5-BLK 5" (127 mm), Black
Push Down Door Stop - IL-PDDH Series
• Heavy duty design for metal or wood doors
• Step operation for holding and releasing
• Grooved strike for added holding and strength
• Available nishes are Clear, Dark Bronze and Black
Dimensions:
7 3/4" x 1 5/8" x 1 13/64"
(196.9 mm x 41.28 mm x 30.56 mm)
IL-PDDH-AL Clear
IL-PDDH-DU Dark Bronze
IL-PDDH-BLK Black
IL-PDDH-26D 26D
IL-PDDH-Replacement Tip Replacement Tip for
Push Down Door Stop
4" (101.6 mm) 5" (127 mm)

61
Exit Devices — Mechanical
• Meets ANSI Grade 1 requirements, UL Listed Life Safety
• Low prole push bar projects less than 3" (76.2 mm) from face of door
• Coated metal end caps
• Two stock lengths: 36" (914.4 mm) and 48" (1219.2 mm)
• Easy access dogging system, optional cylinder dogging
• Field sizeable to 28" (711.2 mm) in width
128 Series - Concealed Vertical Rod (CVR)
Applications: narrow, medium and wide stile aluminum doors, easily retrots existing
Jackson® 1285 exit devices.
The CVR Exit Device blends the vertical rod with the appearance of a contemporary
panic / exit device. This style secures the door without exposed external hardware. The rods
are concealed within the door, making this a more aesthetically pleasing installation.
Although CVR devices are primarily used on double doors without a mullion (center piece),
they may also be used on single doors.
• Top and bottom bolt design, spring powered with 5/8" (15.88 mm) bolt throw
• Adaptable metal bolt guides permit adjustment with door installed
• Handed, not reversible
• For doors over a 7' (2133.6 mm) height, use a top rod extender
Exit Devices — Mechanical

How To Order Exit Devices
1 2 8 - L R - 3 - 6 2 8
1
MODEL NO.
2
HANDING
3
DOOR
OPENING
4
FINISH
3DOOR OPENING
3
36” (914.4 mm)
Can be cut down to
28” (711.2mm)
4
48” (1,219.2mm)
Can be cut down to
28” (711.2mm)
4FINISH
628 Aluminum
313 Dark Bronze
313
/CP
Dark Bronze with
Champagne Push Bar
2HANDING
LR Left Hand Reverse Bevel
(LHRB)
RR Right Hand Reverse Bevel
(RHRB)
RIM Rim Exit Devices (129)
are Non-Handed
1MODEL NO.
128 Concealed
Vertical Rod
129 Rim
129 Series - Rim Exit Devices
Applications: hollow metal, wood or aluminum doors, retrots existing doors with
Jackson® 1295 exit devices.
Rim Exit Devices are used on either single or double doors. When installing on double
doors, a mullion (center piece) is required to enable the latch bolt, thus securing the door.
All hardware is exposed.
The Ilco Rim Exit Devices feature a 3/4" (19 mm) throw latchbolt, non-handed. Surface
mounted strike options include type “C” (standard) and type “S” (for blade stop). Both
types of strikes are included with each device.
• Non-Handed
• Pairs with Kaba® E-plex 3000 Series lock
Exit Devices — Mechanical
62

Product WARRANTY
WARRANTY Terms and Conditions
This limited warranty applies to cylinders, storefront hardware and exit devices, purchased new from Kaba Ilco Corp. hereinafter
referred to as “Kaba Ilco” or reseller by the original end user purchaser on the original site of installation for normal use and not for
resale.
Kaba Ilco warrants that a covered product is free from defects in material and workmanship subject to the terms and conditions set out
below.
This warranty does not apply to any defects or malfunctions resulting from improper installation or use. Products and parts not
manufactured by Kaba Ilco are guaranteed only in accordance with that manufacturer’s warranty. Kaba Ilco shall not be liable for any
consequential or incidental expenses resulting from breach of this warranty or any implied warranty.
This warranty is expressly given and accepted in lieu of any and all other warranties, expressed or implied, including without limitation
any warranty of merchantability or fitness for a particular purpose. To the extent that they cannot be disclaimed, the implied warranties
are limited in duration to the life of the express warranty. Incidental and consequential damages are excluded from coverage under this
warranty. Some states/jurisdictions do not allow for the disclaimers, limitations and exclusions identified above; as a result, they may
not apply to you. This warranty gives you specific rights, and you may also have other legal rights which may vary from state to state or
from one jurisdiction to another.
No distributor, dealer, sales representative nor any other person has been authorized to make any affirmation, representation or war-
ranty regarding the product, other than those contained in this limited warranty, and if made, shall not be enforceable against Kaba Ilco.
Kaba Ilco reserves the right to modify this warranty at any time, it being understood that such modification will not alter the warranty
conditions applicable to the products sold while this warranty is in effect.
We will, at our discretion, repair or replace free of charge, including shipping charges back to end user, any product found to be defec-
tive and subject to this warranty, provided it is delivered pre-paid to Kaba Ilco.
The end user is responsible for the cost of removal and reinstallation. To assure your return is properly handled, contact Kaba Ilco
customer service prior to sending any product. This warranty does not apply to any defects or malfunctions resulting from improper
installation, improper use or normal wear and tear.
Cylinder Limited Warranty
Kaba Ilco offers to the original purchaser a limited one (1) year warranty on brass cylinders against defects in materials and workman-
ship.
Kaba Ilco offers to the original purchaser a limited six (6) months warranty on zinc die cast cylinders against defects in materials and
workmanship.
Storefront Hardware Limited Warranty
Kaba Ilco offers a limited five (5) year warranty on all storefront hardware bearing the following item numbers 185 series deadbolts,
451 series deadlatches, FP series faceplates, 4501/4502 series strike sets, 459 series paddle handles, 456 series lever handles, 404
series cylinder guards, 408 series lock indicators, 4015 series threshold bolts, 4016 and 4085 series header bolts and FLB series flush
bolts against defects in material and workmanship.
Exit Device Limited Warranty Kaba Ilco offers a limited two (2) year warranty on all exit devices and accessories bearing the following
item numbers 128 Series CVR and 129 Series Rim exit devices against defects in material and workmanship.
In compliance with current regulations relating to industrial property, we hereby state that the brand, trademarks and/or trade names
utilized within this document are the exclusive property of the authorized manufacturers.
Said trademarks and/or trade names are nominated only for the purposes of information in order that any cylinder, lock, key and/or
door hardware for which our products are made can be rapidly identified.
All information and illustrations in this document are for guidance only. We reserve the right to alter products designs,
dimensions and information.
The contents of this document are fully protected by copyright and may not be copied or reproduced in any form, without the written
permission of Kaba Ilco Corp. Any controversy shall be settled by the Courts of Justice where the company has its headquarters, with
express exclusion of any other court.
© Kaba Ilco Corp. All rights Reserved
63

North America:
U.S.A., Canada, Caribbean Islands
Kaba Ilco Corp.
400 Jeffreys Road
Rocky Mount, NC 27804
www.ilco.us
Ph: 800.334.1381 or 252.446.3321
Fax: 252.446.4702
Central America:
Mexico, Guatemala, Belize, El Salvador, Honduras,
Nicaragua, Costa Rica, Panama
Corporación Cerrajera Alba S.A. de C.V.
Prolongación avenida independencia 14, Bodega 5.
Col. Los reyes, Tultitlán, Estado de México.
C.P. 54915
www.albailco.mx
Ph: 01.55.5366.7200
The to your success