Kenmore Elite 79075403500 User Manual GAS RANGE Manuals And Guides L0523328
KENMORE ELITE Free Standing, Gas Manual L0523328 KENMORE ELITE Free Standing, Gas Owner's Manual, KENMORE ELITE Free Standing, Gas installation guides
User Manual: Kenmore Elite 79075403500 79075403500 KENMORE ELITE GAS RANGE - Manuals and Guides View the owners manual for your KENMORE ELITE GAS RANGE #79075403500. Home:Kitchen Appliance Parts:Kenmore Elite Parts:Kenmore Elite GAS RANGE Manual
Open the PDF directly: View PDF
.
Page Count: 16

@iNSTALLATiON AND SERVICE MUST BE PERFORMED BY
A QUALiFiED iNSTALLER.
iMPORTANT: SAVE FOR LOCAL ELECTRICAL iNSPECTOR'S USE.
READ AND SAVE THESE iNSTRUCTiONS FOR FUTURE REFERENCE.
If the information in this manual is not followed exactly, a fire
or explosion may result causing property damage, personal injury or death.
FOR YOUR SAFETY:
-- Do not store or use gasoline or other flammable vapors and liquids in the
vicinity of this or any other appliance.
-- WHAT TO DO iF YOU SMELL GAS:
*Do not try to light any appliance.
*Do not touch any electrical switch; do not use any phone in your building.
*Immediately call your gas supplier from a neighbor's phone. Follow the gas
supplier's instructions.
*If you cannot reach your gas supplier, call the fire department.
-- Installation and service must be performed by a qualified installer, service
agency or the gas supplier.
Appliances Installed in the
state of Massachusetts:
This Appliance can only be
installed in the state of
Massachusetts by a
Massachusetts licensed
plumber or gasfitter.
This appliance must be
installed with a 3 foot (36 in.)
long flexible gas connector.
A "T" handle type manual gas
valve must be installed in the
gas supply line to this
appliance.
Dimensions and Clearance
Provide adequate clearance between range
and adjacent combustible surfaces.
2S 5/8"
38" (65.1 cm)
47¾" ii
(12 crn)
(91.4 cm)--_
Minimumclearanceon Minimum
either side of range_ 1_5" (12.7 cm)
above36" (91.4 cm)
height if a wall is
installed _
13"
l Minimum to _(SS cm)_"
18" cabinets on Maximum depth
cm)either side of for cabinets i
range above range top,
36 "
(91.4 cm)
36¼" (92.1 cm)
Between Cabinets
0" Min, Clearance
at rear of range
below cooktop from
the back wall.
Figure 1
NOTE: Wiring diagram for this appliance is enclosed in this booklet.
Printed in United States
P/N 318201759 (0605) Rev. C
English - pages 1-7
Espaflol - paginas 8-15
Wiring Diagram - pages 16

Important Notes to the Installer
I. Read all instructions contained in these installation
instructions before installing range.
2. Remove all packing material from the oven
compartments before connecting the gas and electrical
supply to the range.
3. Observe all governing codes and ordinances.
4. Be sure to leave these instructions with the consumer.
Important Note to the Consumer
Keep these instructions with your Use & Care Guide for
future reference.
IMPORTANT SAFETY
INSTRUCTIONS
Installation of this range must conform with local codes
or, in the absence of local codes, with the National Fuel
Gas Code ANSI Z223. I/NEPA .54-latest edition.
This range has been design certified by CSA
International. As with any appliance using gas and
generating heat, there are certain safety precautions you
should follow. You will find them in the Use and Care
Guide, read it carefully.
• Be sure your range is installed and grounded
properly by a qualified installer or service
technician.
• This range must be electrically grounded in
accordance with local codes or, in their absence,
with the National Electrical Code ANSI/NFPA No.
70--latest edition. SeeGrounding Instructions.
The installation of appliances designed for
manufactures (mobile) home installation must conform
with Manufactured Home Construction and Safety
Standard, title 24CFR, part 3280 [Formerly the Federal
Standard for Mobile Home Construction and Safety,
title 24, HUD (part 280)] or when such standard is not
applicable, the Standard for Manufactured Home
Installation 1982 (Manufactured Home Sites,
Communities and Set ups), ANSI Z225.1 latest edition,
or local codes.
o All ranges
can tip.
o Injury to
persons
could result.
Install anti-
tip device
packedwith
range.
To reduce the risk of
tipping of the range, the
range must be secured by
properly installed anti-tip
bracket (s) provided with
the range. To check if the
bracket(s) is installed
properly, grasp the top
rear edge of the range
and carefully tilt it forward
to make sure the range is
anchored.
• Before installing the range in an area covered with
linoleum or any other synthetic floor covering,
make sure the floor covering can withstand heat at
least 90°F above room temperature without
shrinking, warping or discoloring. Do not install the
range over carpeting unless you place an insulating pad
or sheet of Y4" (10,16 cm)thick plywood between the
range and carpeting.
• Make sure the wall coverings around the range
can withstand the heat generated by the range.
• Do not obstruct the flow of combustion air at the
oven vent nor around the base or beneath the
lower front panel of the range. Avoid touching the
vent openings or nearby surfaces as they may become
hot while the oven is in operation. This range requires
fresh air for proper burner combustion.
Never leave children alone or
unattended in the area where an appliance is in use.
As children grow, teach them the proper, safe use of all
appliances. Never leave the oven door open when the
range is unattended.
Stepping, leaning or sitting on the
doors or drawers of this range can result in serious
injuries and can also cause damage to the range.
• Do not store items of interest to children in the
cabinets above the range. Children could be seriously
burned climbing on the range to reach items.
• To eliminate the need to reach over the surface
burners, cabinet storage space above the burners
should be avoided.
• Adjust surface burner flame size so it does not
extend beyond the edge of the cooking utensil.
Excessive flame is hazardous.
Do not use the oven as a storage space. This
creates a potentially hazardous situation.
• Never use your range for warming or heating the
room. Prolonged use of the range without adequate
ventilation can be dangerous.
• Do not store or use gasoline or other flammable
vapors and liquids near this or any other
appliance. Explosions or fires could result.
Do not make any attempt to operate
the electric ignition oven during an electrical power
failure. Resumption of electric power when OVEN TEMP
and OVEN SET controls are in any position other than OFF
will result in automatic ignition of the oven or broiler
burner. The oven burner and broil burner on your
range are lighted by electrical ignition. The oven
and broiler cannot be operated in the event of a
power failure.

In the event of an electrical power outage, the surface
burners can be lit manually. To light a surface burner,
hold a lit match to the burner head and slowly turn the
Surface Control knob to LITE. Use caution when
lighting surface burners manually.
• Reset all controls to the "off" position whenever
the oven is done cooking.
FOR MODELS WITH SELF-CLEAN FEATURE:
• Remove broiler pan, food and other utensils
before self-cleaning the oven. Wipe up excess
spillage. Follow the precleaning instructions in the Use
and Care Guide.
• Unlike the standard gas range, THIS COOKTOP IS
NOT REMOVABLE. Do not attempt to remove the
cooktop.
4. Connect the range to the gas supply
Important: Remove all packing material and
literature from range before connecting gas and
electrical supply.
To prevent leaks, put pipe
joint sealant on all external
pipe threads.
Your regulator is in location
shown below.
Do not allow
regulator to rotate on pipe
when tightening fittings.
1. Before Installing the Range
Remove shipping material
Remove all tape, shipping and packaging materials and
the oven rack packaging.
2. Provide an adequate Gas Supply
When shipped from the factory, this unit is designed to
operate on 4"(10,16 cm) water column (1.0 kPa) Natural
gas manifold pressure. A convertible pressure regulator is
connected to the range manifold and MUST be
connected in series with the gas supply line. If LP/
Propane conversion kit has been used, follow instructions
provided with the kit for converting the pressure
regulator to LP/Propane use.
Care must be taken during installation of range not to
obstruct the flow of air for combustion and ventilation.
For proper operation, the maximum inlet pressure to the
regulator should be no more than 14"(35,56 cm) of
water column pressure (3.5 kPa). The inlet pressure to
the regulator must be at least 1" (.25 kPa) greater than
the regulator manifold pressure setting. Examples: If
regulator is set for natural gas 4"(10,16 cm) manifold
pressure, inlet pressure must be at least 5"(12.60 cm); if
regulator has been converted for LP/Propane gas
10"(25,4 cm) manifold pressure, inlet pressure must be
at least 11 "(27,9 cm).
Leak testing of the appliance shall be conducted
according to the instructions in step 4.
The gas supply line should be V2" or 3A" I.D. (Interior
Diameter)
3. Seal the openings
Seal any openings in the wall behind the range and in the
floor under the range after gas supply line is installed.
Regulator
Figure 2 Location
Connection to Pressure Regulator
The regulator is already installed on the appliance.
Do not make the connection too tight.
The regulator is die cast. Overtightening may crack the
regulator resulting in a gas leak and possible fire or
explosion.
Manual GAS FLOW Pressure
Shutoff Flare _ Flare Regulator
Valve Union Union
On, _ t [ Niptlp
x,_ Nipple Flexible Access
Off Connector Cap
All connections must be wrench-tightened
Figure 3
Assemble the flexible connector from the gas supply pipe
to the pressure regulator in the following order:
1. manual shutoff valve (not included)
2. I/2" nipple (not included)
3. I/2" flare union adapter (not included
4. flexible connector (not included)
5. I/2" flare union adapter (not included
6. I/2" nipple (not included)
7. pressure regulator (Included)
Use pipe-joint compound made for use with Natural and
LP/Propane gas to seal all gas connections. If flexible
connectors are used, be certain connectors are not
kinked.
The supply line must be equipped with an approved
manual shutoff valve. This valve should be located in the
same room as the range and should be in a location that

allowseaseof openingandclosing.Donotblockaccess
to theshutoffvalve.Thevalveisfor turningonor
shuttingoffgasto theappliance.
t_
Manual Shutoff Valve -
Open position
Figure 4
Once regulator is in place, open the shutoff valve in the
gas supply line. Wait a few minutes for gas to move
through the gas line.
Check for leaks, After connecting the range to the gas
supply, check the system for leaks with a manometer. If
a manometer is not available, turn on the gas supply and
use a liquid leak detector (or soap and water) at all
joints and connections to check for leaks.
Do not use a flame to check for leaks
from gas connections. Checking for leaks with a flame
may result in a fire or explosion.
Tighten all connections as necessary to prevent gas
leakage in the range or supply line.
Disconnect this range from the gas supply piping
system during any pressure testing of that system at test
pressures greater than I/2 psig (3.5 kPa or 14" water
column).
isolate the range from the gas supply piping system
by closing its individual manual shutoff valve during any
pressure testing of the gas supply piping system at test
pressures equal to or less than 1/2 psig (3.5 kPa or 14"
water column).
5. LP/Propane Gas Conversion
Thisappliance can be used with Natural gas or LP/Propane
gas. It is shipped from the factory for use with natural gas.
The range comes supplied with fixed orifices for converting
it to LPgas. These orifices are located in a bag marked
FORLP/PROPANEGAS CONVERSION.The instructions for
surface, oven and broil burner conversion are packaged
with the orifices.
The conversion must be performed by a qualified service
technician in accordance with the manufacturer's
instructions and all local codes and requirements. Failure
to follow these instructions could result in serious injury
or property damage. The qualified agency performing
this work assumes responsibility for the conversion.
Failure to make the appropriate
conversion can result in serious personal injury and
property damage.
6. Electrical Requirements
120 volt, 60 Hertz, properly grounded dedicated circuit
protected by a 15 amp circuit breaker or time delay fuse.
Note: This range is not recommended to be installed
with a Ground Fault Interrupt (GFI).
Do not use an extension cord with this range.
Grounding Instructions
iMPORTANT Please read carefully.
For personal safety, this appliance must be properly
grounded.
The power cord of this appliance is equipped with a 3-
prong (grounding) plug which mates with a standard 3-
prong grounding wall receptacle (see Figure 5) to
minimize the possibility of electric shock hazard from the
appliance.
The wall receptacle and circuit should be checked by a
qualified electrician to make sure the receptacle is
properly grounded.
Preferred Method
Grounding type
wall rece
Do not, under any
circumstances, cut,
remove, or bypass
the grounding
prong.
Figure 5
Power supply cord with 3-
prong grounding plug.
Where a standard 2-prong wall receptacle is installed, it
is the personal responsibility and obligation of the
consumer to have it replaced by a properly grounded 3-
prong wall receptacle.
Do not, under any circumstances, cut or remove the
third (ground} prong from the power cord.
Disconnect electrical supply cord from
wall receptacle before servicing range.

7. Moving the Appliance for
Servicing and Cleaning
Turn off the range line fuse or circuit breakers at the main
power source, and turn off the manual gas shut-off valve.
Make sure the range is cold. Remove the service drawer
(warmer drawer on some models) and open the oven door.
Lift the range at the front and slide it out of the cut-out
opening without creating undue strain on the flexible gas
conduit. Make sure not to pinch the flexible gas conduit at
the back of the range when replacing the unit into the cut-
out opening. Replace the drawer, close the door and switch
on the electrical power and gas to the range.
8. Check Operation
Refer to the Use and Care Guide packaged with the
range for operating instructions and for care and
cleaning of your range.
Remove all packaging from the oven before testing.
8,1 Install Burner Bases and Burner Caps
This range is equipped with sealed burners
as shown (see Figure 6).
It is very important to make sure that all of the Surface
Burner Heads, Surface Burner Caps and Surface Burner
Grates are installed correctly.
1. Remove all packing tape from cooktop. Remove Burner
Caps and Burner Heads (See Figure 6A).
2. Discard all packing material located under all Burner
Heads.
3. To correctly place Burner Heads & Caps, match the
letters located under center of Burner Caps with the
letters located inside Burner Head (See Figure 6A).
4. Match the letters stamped on Burner skirts with Burner
Heads and Burner Caps on cooktop. Carefully align the
Electrodes into slots of the Burner Heads (Figure 6B).
Note: The Burner Heads should sit flat on Cooktop
Burner Skirts.
5. Unpack Burner
Grates and position on
cooktop.
Figure 6A
NOTE: There are no
burner adjustments
necessary on this
range.
must align into slot
for each Burner Head
8.2 Turn on Electrical Power and Open Main
Shutoff Gas Valve
8.3 Check the Igniters
Operation of electric igniters should be checked after
range and supply line connectors have been carefully
checked for leaks, and range has been connected to
electric power. To check for proper lighting:
a.Push in and turn a surface burner knob to the LITE
position. You will hear the igniter sparking.
b. The surface burner should light when gas is available
to the top burner. Each burner should light within four
(4) seconds after air has been purged from supply
lines. Visually check that burner has lit.
c. Once the burner lights, the control knob should be
rotated out of the LITEposition.
There are separate ignition devices for each burner. Try
each knob separately until all burner valves have been
checked.
8.4 Adjust the "LOW" Setting of Surface
Burner Valves (see Figure 7)
a.Push in and turn each control to LITEuntil burner
ignites.
b. Quickly turn knob to LOWEST POSITION.
c. lf burner goes out, readjust valve as follows:
Reset control to OFF. Remove the surface burner
control knob, insert a thin-bladed screw driver into the
hollow valve stem and engage the slotted screw
inside. Flame size can be increased or decreased with
the turn of the screw. Adjust flame until you can
quickly turn knob from LITEto LOWEST POSITION
without extinguishing the flame. Flame should be as
small as possible without going out.
Figure 7%
8.5 Operation of Oven Burners and Oven
Adjustments
8.5.1 Electric ignition Burners
Operation of electric igniters should be checked after
range and supply line connectors have been carefully
checked for leaks, and range has been connected to
electric power.
The oven burner is equipped with an electric control
system as well as an electric oven burner igniter. If your
model is equipped with a waist-high broil burner igniter, it
will also have an electric burner igniter. These control
systems require no adjustment. When the oven is set to
operate, current will flow to the igniter. It will "glow"
Figure 6B 5

similar to a light bulb. When the igniter has reached a
temperature sufficient to ignite gas, the electrically
controlled oven valve will open and flame will appear at
the oven burner. There is a time lapse from 30 to 60
seconds after thermostat is turned ON before the flame
appears at the oven burner. When the oven reaches the
display setting, the glowing igniter will go off. The burner
flame will go "out" in 20 to 30 seconds after igniter goes
"OFF". To maintain any given oven temperature, this cycle
will continue as long as the display is set to operate.
After removing all packing materials and literature from
the oven:
a) Set the oven to BAKE at 300%. See Use & Care Guide
for operating instructions.
b) Within 60 seconds the oven burner should ignite. Check
for proper flame (see 8.5.2), and allow the burner to
cycle once (see cycle explanation above). Reset controls
to off.
c) If your model is equipped with a waist-high broiler
burner, set oven to broil. See Use & Care Guide for
operating instructions.
d) Within 60 seconds the broil burner should ignite. Check
for proper flame (see 8.5.3). Reset controls to off.
8.5.2 Oven Burner Flame Adjustment
®
Figure 9
Oven Burner Tube
t,,, @ Orifice Hood
8.5.3 Broil Burner Flame Adjustment
The approximate flame length of the burner is 1 inch
(distinct inner cone of blue flame). To determine if the
broil burner flame is proper, set the oven to broil. If flame
is yellow, increase air shutter opening size (see "2" in
Figure 9). If the entire flame is blue, reduce the air shutter
opening size. To adjust, loosen lock screw (see "3" in
Figure 9), reposition air shutter, and tighten lock screw.
9. Make Sure Range Is Level
Check if the range is level by placing a level horizontally
on an oven rack. Check diagonally from front to back,
then level the range by either adjusting the leveling legs or
by placing shims under the corners of the range as
needed.
h!wer_ "'"'"'"
Oven Burner
Baffle
(r
Figure 8
Waist-High Burner
Shutter
Lower Oven Bottom
_-- Air Shutter (removable)
The approximate oven burner flame length is 1 inch
(distinct inner cone of blue flame).
To determine if the oven burner flame is proper,
remove the oven bottom and burner baffle and set
the oven to bake at 300%.
To remove the oven bottom, remove oven hold down
screws at rear of oven bottom. Pull up at rear,
disengage front of oven bottom from oven front
frame, and pull the oven bottom out of the oven.
Remove burner baffle so that burner flame can be
observed.
If the flame is yellow, increase air shutter opening size
(see "2" in Figure 9). If the entire flame is blue, reduce
the air shutter opening size.
To adjust flame loosen lock screw (see "3" in Figure
9), reposition air shutter, and tighten lock screw.
Replace oven bottom.
When All Hookups are Complete
Make sure all controls are left in the OFF position.
Make sure the flow of combustion and ventilation air to
the range is unobstructed.
Model and Serial Number Location
The serial plate is located on the oven front frame
behind the drawer.
When ordering parts for or making inquiries about your
range, always be sure to include the model and serial
numbers and a lot number or letter from the serial plate
on your range.
Your serial plate also tells you the rating of the burners,
the type of fuel and the pressure the range was adjusted
for when it left the factory.
Before You Call for Service
Read the Before You Call Checklist and operating
instructions in your Use and Care Guide. It may save
you time and expense. The list includes common
occurrences that are not the result of defective
workmanship or materials in this appliance.
Refer to your Use & Care Guide for Sears service phone
numbers or call 1-800-4-MY-HOME ®.

10. Anti-tip Bracket instaJlation
Important Safety Warning
This range must be properly secured to the floor by using
the included anti-tip brackets and screws. Failure to
install the brackets could allow the range to accidentally
tip over if excessive weight is placed on an open door or
if a child climbs upon it. Serious injury might result from
spilled hot liquids or from the range itself. Refer to the
instructions below for proper installation (Figure I 0).
NOTE: If the range is ever moved to a different location,
the anti-tip brackets must also be moved and installed
with the range.
The anti-tip kit is Jocated in a plastic bag in the
oven_
Tools Required:
5/16" Nutdriver or Flat Head Screwdriver
Adjustable Wrench
3/16" Dia. Masonry Drill Bit (if installing in concrete)
Attach brackets to the floor at the back of the range to
hold both rear leg levelers. When fastening to the floor,
be sure that screws do not penetrate electrical wiring or
plumbing. The screws provided will work in either wood
or concrete.
Range may be anchored to floor in a house with hold
down brackets as illustrated in Figure 10. These hold
down brackets allow range to be freely pulled out from
the wall for cleaning or servicing without the use of
tools.
I. Attach brackets to the floor or rear wall with screws
provided. Important: Attachment must be secured to
solid floor or wall. Do not attach to plaster, sheet
rock, or other soft material. If attachment is to rear
wall, any moldings must be removed in area behind
range.
2. If brackets are to be attached to masonry or ceramic
floors, position brackets on floor and mark hole
location. Drill 3/16" holes.
3. Lower both rear leg levelers about three turns so the
brackets will slide over leveler head.
4. Level the range front to back and side to side with
the two front leg levelers and the rear levelers.
5. Slide range into place making sure rear legs are
trapped by ends of brackets. Range may need to be
shifted slightly to one side as it is being pushed back
to allow rear legs to align with brackets. Remove
lower panel or storage drawer to inspect brackets or
grasp the top rear edge of the range and carefully
attempt to tilt it forward to make sure range is
properly anchored.
l
,_'1 i _--Install Hold
._ /8" ,.-_" Back Edge of Range ............
,,_-i I _ ..-'"" "" or Rear Wa ,,,_"
ii Screws
i_ Per Bracket _ _.,J"
,4."..__-.S_ Kange blae
_-., Panel Location
Install Hold ""'-
Down Bracket ""'"--......
Figure 10
For mobile homes, the range must be anchored to the
floor as illustrated in Figure 11.
1. Remove false panel or storage drawer to gain access
to the anchoring holes.
2. A 1/4" diameter hole is provided in the center of
each base rail for anchoring to floor.
Body
Base
Rail
Hole For Anchoring
Range to Floor;
Hole Located Approx.
Midpoint of Base Rail.
Figure 11
Frame
Stepping, leaning or sitting on the door or
drawer of this range can result in serious injuries and also
cause damage to the range.

LA INSTALACION Y EL SERVICIO DEBEN SER EFECTUADOS POR UN INSTALADOR CALIFICADO.
IMPORTANTE: GUARDE ESTAS INSTRUCCIONES PARA USO DEL INSPECTOR LOCAL DE ELECTRICIDAD.
LEA Y GUARDE ESTAS INSTRUCCIONES PARA REFERENCIA FUTURA.
Si todas las instrucciones de 6ste manual no son
observadas a la letra, se puede ocurrir incendios o explosiones que
pueden causar dafios materiales, lesiones ola muerte.
- No almacene o utilice gasolina u otros vapores y liquidos inflamables
cerca de este o cualquier otto artefacto.
- QUE HACER SI HAY FUGAS DE GAS
• No intente de encender ning_n artefacto
• No toque ningQn interruptor el6ctrico; no utilice ning_n aparato
telef6nico en su edificio.
• Llame inmediatamente el abastecedor de gas desde el telef6nico
de un vecino. Siga las instrucciones del abastecedor de gas
• En caso que no puede contactar el abastecedor de gas, Ilame al
departamento de bomberos.
- La instalaci6n y el servicio t_cnico deben ser realizados por un
instalador calificado, pot un servicio t_cnico certificado o pot el
abastecedor de gas.
Aparatos Instalados en el estado
de Massachusetts;
Este Aparato s61o puede ser instalado
en el estado de Massachusetts pot un
)lomero o ajustador de gas licenciado
de Massachusett.
Este aparato se debe instalar con un
largo conector flexible de gas de tres
(3) pies/36 pulgadas.
Una wilvula manual de gas de tipo
manija de forma de "T" se debe
instalar en la linea del suministro de
gas de este aparato.
Dimensiones y espacios fibres
Provee adecuados espacios libres entre la estufa y las
superficies combustibles adyacentes
25 5/8"
36" cm)
47%"
(12
._----36" (91.4 cm)-----_
30"
(76.2 cm)
Minimo
EspacioIibremin. hastalaI I
"-., pareda cualquierladode_,_ 1_5" (12.7 cm)
",.. laestufasuperiora 36" / I
......... (91.4cm)de altura._
l Minimo hasta _ 13"
(33 cm)_
18" los gabinetes a Profundidad
(45.7 cm) cualquier lado maxima para los
de la estufa, gabinetes que se
encuentran pot
arriba de la estufas
7
!
36Y4" (92.1 cm)
entre los gabinetes
Figura I
NOTA: Se adjunta los diagramas de cables de estas estufas con el libreta.
Impreso en los Estados Unidos
Separaci0n minima
de 0" en la parte
posterior de la estufa
debajo de la cubierta
de la pared trasera
P/N 318201759 (0605) Rev. C
English - pages I-7
Espat_ol - paginas 8-15
Diagrama de la instalacion alambrica - pages 16

Notas irnportantes para el Instalador
I. Lea todas las instrucciones contenidas en este manual
antes de instalar la estufa.
2. Saque todo el material usado en el embalaje del
compartimiento del homo antes de conectar el
suministro el_ctrico o de gas a la estufa.
3. Observe todos los cOdigosy reglamentos pertinentes.
4. Deje estas instrucciones con el comprador.
Nota Importante para el Consurnidor
Conserve estas instrucciones y el Manual del Usuario para
referencia futura.
IMPORTANTES
INSTRUCCIONES DE
SEGURIDAD
InstalaciOn de esta estufa debe cumplir con todos los
cOdigos locales, o en ausencia de cOdigos locales con el
COdigo Nacional de Gas Combustible ANSI Z223.1/
NFPA.54--Oltima ediciOn.
El diseho de esta estufa ha sido certificado por la CSA
Internacional. En este como en cualquier otro artefacto
que use gas y genere calor, hay ciertas precauciones de
seguridad que usted debe seguir. Estas seran encontradas
en el Manual del Usuario, 16alo cuidadosamente.
• Aseg_rese de que la estufa sea instalada y
conectada a tierra en forma apropiada por un
instalador calificado o pot un t&cnico.
• Esta estufa debe ser el_ctricamente puesta a tierra
de acuerdo con los cOdigos locales, o en su
ausencia, con el COdigo El_ctrico National ANSI/
NFPA No, 70, _ltima edition. Vea las instrucciones
para la puesta a tierra
..La instalaciOn de unidades disehadas para casas
(movibles) deben cumplir con los estandares de
"Manufactured Home Construction and Safety
Standard, title 24 CFR part 3280 ". (Anteriormente
"The Federal Standard for Mobile Home Construction
and Safety title 24, HUD (Part 280)". O cuando estos
estandares no sean aplicables: "The Standard for
Manufactured Home Installation 1982, (Manufactured
Home Sites, Communities and set-ups), ANSI Z225.1,
01tima ediciOn o cOdigos y regulaciones locales.
Todas las estufas
pueden volcarse.
Esto podria
resultar en
lesiones
personales.
Instale el
dispositivos
antivueicoque se
ha empacado
junto con esta
estufa.
r!_ Reducir eJ
riesgo de que se vudque la
estufa, hay que aseguraHa
adecuadamente colocandoJe
los soportes antivudco que se
propordonan. Para comprobar
siestos estan instalados y
apretados en su Jugar como se
debe, ase eJ borde trasero
superior de Jaestufa y
cuidadosamente inclinela hacia
adelante para asegurar que la
estufa se ancle.
• Aseg_rese de que el material que recubre las
paredes alrededor de la estufa, pueda resistir el
calor generado pot la estufa.
., No obstruya el flujo del aire de combustion en la
ventilaciOn del horno ni tampoco alrededor de la
base o debajo del panel inferior delantero de la
estufa. Evitetocarlasaberturaso&reascercanasde
la ventilaciOn, ya que pueden estar muy calientes
duranteelfuncionamientodelhomo. Laestufa
requiere aire fresco para la combustion apropiada de
los quemadores.
Nunca deje ni_os solos o
desatendidos en un _rea donde un artefacto est=i
siendo usado. A medida que los nihos crecen,
ensOheles el uso apropiado y de seguridad para todos los
artefactos. Nunca deje la puerta del homo abierta
cuando la estufa esta desatendida.
W.'_ No se pare, apoye o siente en las
puertas o cajones de esta estufa pues puede resultar
en serias lesiones y puede tambi_n causar daEo a la
estufa.
• No almacene articulos que puedan interesar a los
niOos en los gabinetes sobre la estufa. Los nihos
pueden quemarse seriamente tratando de trepar a la
estufa para alcanzar estos articulos.
Los gabinetes de almacenamiento sobre la estufa
deben set evitados, para eliminar la necesidad de
tener que pasar sobre los quemadores superiores
de la estufa para llegar a ellos.
• Ajuste el tama_o de la llama de los quemadores
superiores de tal manera que _sta no sobrepase el
borde de los utensilios de cocinar. La llama
excesiva es peligrosa.
• No use el horno como espacio de almacenaje. Esto
creara una situaciOn potencialmente peligrosa.
• Nunca use la estufa para calentar el cuarto. El uso
prolongado de la estufa sin la adecuada ventilaciOn
puede resultar peligroso.
• No almacene ni utilice gasolina u otros vapores y
liquidos inflamables en la proximidad de _ste o de
cualquier otto artefacto el_ctrico. Puede provocar
incendio o explosion.
No trate de usar el homo de
encendido el_ctrico durante un corte de energia. El
reestablecimiento del servicio elOctrico cuando los
controles de TEMP DEL HORNO y de REGULACION DEL
HORNO estan en cualquier posiciOn diferente a
APAGADO causaria el encendido automatico del
quemador del homo o del quemador de la parrilla.
Durante un corte de energia el_ctrica se pueden
encender los quemadores de la cubierta con una
cerilla. Acerque una cerilla encendida al quemador y
luego gire lentamente el botOn a la posiciOn
ENCENDIDO (LITE).Tenga extremo cuidado al
encender los quemadores en esta forma.

Encasodeunainterruptiondelservicioel_ctrico,es
posibledeencenderlosquemadoresdesuperficiea
mano.Paraencenderunquemadordesuperficie,
acerqueunfOsforoencendidodelcabezaldel
quemador,y giredelicadamenteelbotOndecontrolde
superficiea LITE(encendido).Tenercuidadoal
encenderlosquemadoresamano.
• Ajustetodosloscontrolesa la posici6n"OFF"
(apagada)despu_sdehaberhechounaoperaci6n.
PARAMODELOSAUTOLIMPIANTES:
• Saquelaasadera,alimentoso cualquierotroutensilio
antesdeusarel ciclo de autolimpieza del horno.
Limpie todo exceso de derrame de alirnentos. Siga las
instrucciones de prelimpiado en el Manual del Usuario.
• A diferencia de la gama estOndar cocinas de gas,
ESTA PLANCHA DE COClNA NO ESMOVlBLE. No
intente quitar la plancha de cocina.
1. Antes de instalar la estufa a gas
Remueva todos los articulos de embalaje
Retire toda la cinta, todos los articulos de embalaje y de
expediciOn, y el embalaje de la rejilla del horno. Levante la
plancha para cocinar y remueva los dos tornillos de
expediciOn de los quemadores de la plancha para cocinar.
2. Proporcione un suministro de gas
adecuado
Cuando se envia de la fabrica, Esta unidad ha sido
ajustada para operar con un mOltiple de admisiOn para
gas natural de 4" (10.16 cm)(1.0 kPa). Un regulador de
presiOn convertible esta conectado a la valvula
distribuidora y DEBE ser conectado con la tuberia del
suministro de gas. Si eljuego de conversion del propano
LP/Propano se ha utilizado, sigue las instrucciones
proporcionadas el juego para convertir el regulador de
presiOn al uso de LP/Propano.
Se debe de tener cuidado durante la instalaciOn de la
estufa para no obstruir el flujo de aire de combustion y
ventilaciOn
Para la operaciOn apropriada, la maxima presiOn de
entrada al regulador no debe execeder la presiOn de una
columna de agua de 14"(35,56 cm) (3.5 kPa). La presiOn
de entrada al regulador debe ser por Io menos 1" (.25 kPa)
mas grande que la valvula distribuidora.Ejemplos: Si
regulador se pone para el gas natural con una presiOn de
4"(10,16 cm), la presiOn de entrada al regulador debe ser
por Io menos 5 "(12.60 cm); si el regulador se ha convertido
para gas LP/Propane 10"(25,4 cm) la presiOn de entrada al
regulador debe ser por Io menos 11 "(27,9 cm).
Un examen de detection de fugas del aparato debe ser
realizado segOn las instrucciones en el paso 4.
La linea de fuente de gas debe ser de 1/2"o de 3A".
3. Selle las aperturas
sella todas las aperturas en la pared detras de la estufa y
en el suelo debajo de la estufa despu_s que la linea del
suministro de gas sea instalada.
4. Conecte la estufa al suministro de gas
Importante: Quite todo el material de embalaje y
literatura de la estufa antes de conectar el gas y la
fuente elOctrica.
Para evitar fugas, aplique sellador
de tuberias en todas las
partes roscadas machos
(exterior) de la tuberia.
El regulador se encuentra en
ellugarque semuestraen la
illustration.
I_._I__ No permita
que el regulador gire sobre
la tuberi_ al apretar las
uniones. Figure 2 Ubicacion de1
regulador de
presion
Conecte el Regulador de Presi6n
El regulador de presiOn esta ya instalada para la estufa.
No haga la conexiOn demasiado
apretada. El regulador es de die cast. El apretar
demasiado puede agrietar el regulador dando por
resultado una fuga de gas y un fuego o una explosion.
Valvula de FLUJO DEL GAS Regulador
_'_ de presi6n
cierre Uni6n Uni6n
manual _.
Abierto_ t ! _f-_\_-_ J Boq!illa_
(on) _,_ Boquilla Conector
Apagado flexible Tapa de
(Off) entrada
Todas las conexiones deben ser apretadas con
una Ilave inglesa- Figura 3
ReOna el conector flexible del tubo del suministro de gas
al regulador de la presiOn en la orden siguiente:
I. Valvula de cierre manual (no incluido)
2. Boquilla de 1/2" (no incluido)
3. 1/2" Adaptador de union (no incluido)
4. Conector flexible (no incluido)
5. 1/2" Adaptador de uni6n (no incluido)
6. Boquilla de 1/2" (no incluido)
7. regulador de presiOn (incluido)
Use sellador para uniones de tuberias hecho para el uso
de gas natural y LP/Propane para sellar todas las
conectiones de gas. Si se utilizan los conectadores
flexibles, asegures_ de que los conectadores no estan
enroscados.
10

Lalineadelsuministrosedebedeserequipadadeuna
valvuladecierremanualaprobada.Estavalvulasedebe
Iocalizarenel mismocuartoquelaestufay debeestar
enunaIocalizaciOnquepermitalafacilidaddela
aberturay delcierre.Nobloqueeelaccesoala valvula.
Lavalvulaesparaencendero apagarelgasdelaparato.
5. Conversi6n para uso de Propano
Liquido
Este aparato puede ser usado con gas natural o propano
liquido. Ha sido ajustado en la fabrica para operar con
gas natural solamente.
Si desea convertir su estufa para uso con propano
liquido, use los orificios provistos ubicados en el bolso
que contiene la literatura titulada "FOR LP/PROPANE
GAS CONVERSION." Siga las instrucciones que vienen
con los orificios.
Valvula manual de cierre -
AbiertaFigura 4
Una vez que regulador esta en su lugar, abra la valvula
enlalineadelsuministrodegas. Esperealgunos
minutos para que el gas pueda moverse a travOs de la
linea de gas.
Compruebeparasabersihayfugasdegas. Despues
de conectar la estufa con la fuente de gas, compruebe
el electrodomestico para saber si hay fugas con un
manOmetro. Siun manOmetronoestadisponible, girela
fuente de gas y utilice un detector liquido de fugas (o
jabOn y agua) en todos los empalmes y conexiones has
la comprobaciOn para fugas.
No utilice una llama para verificar
fugas en las conexiones de gas. Verificar para fugas con
una llama puede tener como resultado un fuego o la
explosion.
Apriete todas las conexiones como necesario para
prevenir fugas de gas en la superficie de la estufa o en
la linea de suministro.
Desconecte la estufa del sistema de tuberia del
suministro de gas durante cualquier prueba de presion
de ese sistema a presiones mayores de 1/2 psig (3,5 kPa
o 14" columna de agua).
Aisle la estufa del sistema de tuberia del surninistro
de gas cerrando su valvula de cierre manual durante
cualquier prueba de presiOn del sistema de tuberia del
suministro de gas prueba de presiOn iguala a o a menos
de 1/2 psig (3,5 kPa o 14" columna de agua).
La conversion debe ser efectuado por un t_cnico de
servicio capacitado, de acuerdo con las instrucciones del
fabricante y con todos los cOdigos y requisitos de las
autoridades correspondentes. El no seguir las
instrucciones podria dar como resultado lesiones graves o
dahosalapropiedad. EIorganismoautorizadopara
Ilevar a cabo este trabajo asume la responsabilidad de la
conversion.
La falta de una conversion apropiada
puede resultar en lesiones graves y dahos a la
propiedad.
6. Requisitos el ctricos
120 voltio, 60 Hertzio, circuito dedicado apropiadamente
puestos a tierra protegido por un circuito de amperio o
fusible de demora de tiempo de 15 amp. Nota: no es
recomendado instalarlo con un Interruptor (GFI)de
puesta a tierra.
No utilice una extensi6n con esta estufa.
Instrucciones de puesta a tierra
IMPORTANTE Por favor lea con cuidado.
Para la seguridad personal, este aparato debe set
puesto a tierra apropiadamente.
El cable del suministro electrico de esta estufa esta
equipado con un enchufe de tres patillas (para puesta a
tierra) que coincida con un enchufe de pared estandar
con puesta a tierra de tres patillas para minimizar la
posibilidad que se produzcan descargas elOctricas.
El cliente debera encargar a un tOcnico para asegurarse
de que el enchufe se encuentra debidemente conectado
a tierra y polarizado.
M_todo preferido retire o
Enchufe de pared
con toma d_
tierra
Cable de suministro
el_ctrico con enchufe con
toma de tierra
Figura 5
11

Enlugaresenlosqueayaunenchufedeparedestandar
dedospatillas,elclientetendraresposabilidaddirectay
laobligationdereemplazarloporunenchufedepared
detrespatillasdebidementecableadoatierra.
Bajoningunacircunstancia,corte,retire o deribe la
tercera patilla (de toma de tierra) deJ cabJe deJ
suministro de energia eJ_ctrica.
Desenchufa el cable del suministro de
energia el_ctrica del enchufe de pared antes de
mantener la estufa.
7. La mudanza del aparato para
reparaciones o lirnpieza
Apague la corriente el_ctrica a la estufa a la fuente de
poder principal, y apague la valvula de cierre manual de
gas. Aseg0rese de que la estufa est_ fresca. Quite el cajOn
de servicio (el caj6n calentador en algunos modelos) y abre
la puerta del homo. Levante la frente de la estufa y
deslicela fuera de la abertura sin crear tension desmedida
sobre el conducto flexible de gas. Aseg0rese de no
pellizque el conducto flexible de gas detras de la estufa al
reemplazar la unidad en la abertura. Reemplace el caj6n,
cierre la puerta y enciende el gas y la corriente el_ctrica a
la estufa.
8. Comprobacion del funcionamiento
Consulte el Manual del Usuario incluido con la estufa
para instrucciones de operaci6n y instrucciones para el
cuidado y limpieza de su estufa.
No toque los elementos o quemadores. Pueden estar
bastante calientes para causar quemaduras.
Quite todo el embalaje de la unidad antes de
comprobarla.
8.1 Instala las Bases y las tapas de los
Quemadores
Esta estufa esta equipada con quemadores
sellados como mostrado (yea la Figura 6).
Es muy importante asegurarse de que todas las cabezas de
los quemadores superiores, las tapas de los quemadores
superiores y las rejillas de los quemadores superiores est_n
instaladas correctamente y en sus lugares correctos.
1. Retire toda la cinta de empaque de la cubierta. Retire las
tapas y cabezas de los quemadores (Figura 6A).
2. Descarte todo el material de empaque que se encuentra
debajo de las cabezas de los quemadores.
3. Para volver a instalar las cabezas y tapas de los
quemadores, haga concordar las letras ubicadas debajo
de las tapas (en el centro) con las letras que se encuentran
dentro de las cabezas de los quemadores (Figura 6A).
4. Haga concordar las letras estampadas en los deflectores
de los quemadores con las de las cabezas y tapas de los
quemadores. Vuelva a colocar las cabezas y tapas de los
quemadores en la cubierta. Alinee cuidadosamente los
electrodos en la ranura o agujero de cada cabeza de
quemador (Figura 6B).
q!
Figura 6A
Nota: Las cabezas de los
quemadores deben
quedar planas sobre los
deflectores de los
quemadores de la
cubierta.
5. Desempaque las rejillas
de los quemadores y
col6quelas sobre la
cubierta.
de quemador
Figura 6B
8.2 Enciende la corriente el_ctrica y abre la
v,ilvula principal de cierre.
8.3 Comprobacion de los Encendedores
Elfuncionamiento de los encendedores el_ctricos
debe ser comprobado despues de que la estufa y los
conectores a la tuberia de suministro de gas hayan
sido comprobados para las fugas y la estufa haya sido
conectadael_ctricamente. Paracomprobarqueel
encendido sea correcto:
a. Empuje y gire un bottOn control del quemador superior
hastala posici6n LITE(encende0. Sepodriaoirel
encendedor haciendo chispas.
b. El quemador se debera encender en cuatro (4)
segundos para un funcionamiento normal, despu_s de
que el aire haya sido purgado de la tuberia de
suministro de gas. Controle visualmente que el
quemador se haya encendido.
c. Despues de que el quemador se haya encendido, la
plancha de cocina debe ser girada fuera de la posiciOn
LITE.Cada quemador tiene su encendedor individual.
Controle las perillas separadamente hasta que todas
las valvulas hayan sido controladas.
12

8,4 Ajuste de la Posicion LOW (BAJA) Para la
V_Ivula del Quemador Superior (Figura 7)
a. Gire el bottOn de control a la posici6n LITE(encender)
hasta que el quemador encienda.
b. R_pidamente gire el bottOn de control a la POSICION
MAS BA/A.
c. Si el quemador se apaga, reajuste lavalvula de la siguiente
forma: Mueva el control a la posiciOnOFF(apagada).
Saque la perilla de control del quemador superior, inserte un
destornillador piano pequeho en el hueco del vastago del a
%lvula hasta enganchar el tomillo interior. Eltamaho de la
llama puede seraumentado o disminuido girando el tomillo.
Ajuste el tamaho de la llama hasta que pueda pasar
r@idamente de la posici6n LITEhasta la posici6n MAS
BAJAsin que se apague la llama. La llama debe ser Io mas
pequeha posible sin que se apague.
Figura 7
8.50peracion de Quemadores del Homo y
Ajustes de Homo
8.5.1 Quemadore de ignic6n electrica
La operaciOn de los encendores el_ctricos debe de ser
revisada desp0es de que la cocina y los conectores de la linea
de suministro haya sido cuidadosamente revisada para
descartar fugas y que la cocina haya sido conectada a la
coriente el_ctrica.
Elquemador del homo esta equipado con un sistema de
control electrico asi como un encendedor de quemador de
homo el@ctrico.Sisu modelo esta equipado con un
quemador de asado central superior, tambi_n contara con un
encendedor de quemador el_ctrico. Estossistemas de control
no requieren ajustes. Cuando el homo esta configurado para
operar, la coriente fluira hacia el encendedor y tendra un
resplandor de manera similar a una bombilla de luz. Cuando
el encendedor a alcanzado una temperatura suficiente para
encender el gas, la valvula del homo controlada
el_ctricamente se abrira y el fuego aparecera en el quemador
del homo. hay un lapso de tiempo de 30 a 60 segundos
depues de que el termostato se enciende y antes de que la
llama aparezca en el quemador del homo. Cuando el homo
alcanza la configuraci6n del dial, el encendedor
resplandeciente se apagar& la llama del quemador
desaparecera por 20 a 30 segundos despu_s de que el
encendedor se apage. Paramantener qualquier temperatura
de homo dada, este ciclo continuara tanto como el dial (o
visualizador) est_ configurado para operar.
Despu_s de retirar todos los materiales del empaque y la
literatura del homo;
a) Fijeel homo en HORNEAR(BAKE)a 300%. Vea la guia de
Usoy Cuidado para conocer las instrucciones de
funcionamiento.
b) En60 segundos el quemador del homo se encendera.
Reviseque exista un fuego adecuado (vea 8.5.2), y
permita que el quemador cumpla su ciclo una vez. Gire los
controladores hacia off (APAGADO).
c) Sisu modelo esta equipado con un asador central superior,
fije el homo en ASAR.Vea la Guia de Usoy Cuidado para
conocer las instrucciones de funcionamento.
d) En60 segundos el quemador de asar debe de encenderse.
Revisesi exista una llama adecuada (yea 8.5.3). Gire los
controles hacia off (APAGADO).
8.5.20bturador del Aire - Quemador del horno
//"/
Quemador a la
Deflector inferior , sturador altura de la
del horno "de aire cintura
(extraible), nfeior
Parte del
_-Obturador homo (extraible)
Figura 8 de aire
La Iongitud aproximada de la llama del quemador del
homo es 1 pulgada (interior claro, llama azul). Para
determinar si la llama del quemador de homo es la
adecuada, retire elfondodelhomoy el deflectordel
quemador i fije el homo en la opci6n hornear a 300%.
Para retirar el fondo del homo, retire los tornillos de
ajuste del homo en la parte posteior del fondo del
homo. jale hacia arriba, desenganche el frente del fondo
del marco anterior del homo, y jale la base hacia a fuera
de 6ste. retire el deflector del quemador de manera que
la llama del quemador pueda ser observada.
Si la llama es de color amarillo, aumente el tamaF/o de la
abertura del obturador de aire (Vea el tamaFlo "2" en el
figura 9). Si la llama es de azul claro, reduzca el tamaF/o
de la abertura del obturador de aire. Para ajustar un
tornillo de cierre flojo (Vea el tamaFlo "3" en el figura 9),
vuelva a colocar el obturador de aire, y ajuste el tornillo
de cierre. Reemplace el fondo del homo.
13

Tornillos de
@ seguridad_
de aire
Figura 9
_ Tubos del
quemador
del homo
(_)Tapa del orificio
8.5.30bturador de aire - Quemador de asado
La Iongitud aproximada de la llama del quemador de
asado es 1 pulgada (interior claro, llama azul). Para
determinar si la llama del quemador de asado es la
adecuada, poner el homo en la opci6n asar.
Si la llama es de color amarillo, aumente el tamar/o de
la abertura del obturador de aire (Vea el tamaho "2"
en el figura 9). Si la llama es de azul claro, reduzca el
tamaFlo de la abertura del obturador de aire, y ajuste
el tornillo de cierre (Vea el tamaFlo "3" en el figura 9).
9. Asegurese que la estufa esta a
nivel
Nivele la estufa, instalado un nivel horizontalmente sobre
una rejilla del horno. Verifique en diagonal de adelante
hacia atras, y nivele la estufa ajustando las patas de
nivelaci6n o poniendo cuhas por debajo de los ricOnes de
la estufa como sea necesario.
Despues de Terminar la Instalad6n
Asegurese de que todos los controles esten en la posiciOn
OFF (apagada).
Asegurese de que el fluir del aire de combusti6n y de
ventilaci6n a la estufa no este obstruido.
Ubicaci6n del N0mero de Modelo y de Serie
La placa con el nOmero de serie est,1 ubicada en el
marco delantero del homo detr_is de la puerta del homo
(algunos modelos) o detr_% del cajOn (algunos modelos).
Cuando haga pedidos de repuestos o solicite informaciOn
con respecto a su estufa, este siempre seguro de incluir
el nOmero de modelo y de serie y el nOmero o letra del
Iote de la placa de serie de su estufa.
La placa con el nOmero de serie tambien le da la potencia
nominal de los quemadores, el tipo de combustible y la
presiOn a la cual fue ajustada la estufa en la f_ibrica.
Antes de Llamar al Servicio
Lea la secci6n Evite Llamadas de Servicio en su Manual del
Usuario. Esto le podr_i ahorrar tiempo y gastos. Esta lista
incluye ocurrencias comunes que no son el resultado de
defectos de materiales o fabricaci6n de este artefacto.
Lea la garantia y la informaciOn sobre el servicio en su
Manual del Usuario para obtener el numero de telefono
gratuitoyla direcci6n delservicio. Porfavorllameo
escriba si tiene preguntas acerca de su estufa o necesita
repuestos. Refere a el guio Uso y Cuido para los
numeros de telephono del Servicio de Sears o Ilame al 1-
888-SU-HOGAR.
14

10. instrucciones para de instalaci6n
del soporte antivueico
Advertenda de seguridad importante
Esta estufa debe ser asegurada al piso usando las
platinas de anclaje y los tornillos suministrados. El no
instalar apropiadamente los soportes antivueJcopuede
Ilegar a permitir que la estufa se incline hacia adelante,
accidentalmente, si se coloca un peso excesivo sobre la
puertaabiertaosiun nihosesubeenella. Laestufa
caliente a los liquidos calientes derramados podrian
causarseriaslesionespersonales. Refi6rasealas
instrucciones que se dan a continuaciOn para la correcta
instalaci6n de los soportes antivuelco (Figura 10).
NOTA: Simuevalaestufaaotrositio, debatambien
mover los soportes antivuelco para instalarlas
con la estufa.
Las piezas se encuentran en un saco de pJastico en
el homo.
Herramientas requeridas:
Llave de tuerca de 5/16" o destornillador de cabeza
plana
Llave ajustable
Broca para mamposteria de 3/16" de diametro (para
taladrar concreto)
Asegure las platinas al piso en la parte posterior de la
estufa de forma que soporten las dos platas niveladoras
traseras. Alcolocarlasaseg0resedenoperforar
alambres el_ctricos o tuberia. Los tornillos suministrados
pueden usarse en concreto o madera.
La estufa puede anclarse al piso en una residencia con
las platinas de anclaje, tal como se ilustra en la figura
10. Estas platinas permiten que la estufa se hale hacia
adelante para su limpieza o reparaciOn, sin necesidad de
usar herramientas.
I. Asegure las platinas de anclaje al piso o a la pared
posterior con los tornillos suministrados. Jmportante:
las platinas deben anclarse sobre madera o piso
sOlido. Nodebenanclarsesobreestuco, chapade
rocaoalg0notromaterialdebaja resistencia. Siel
anclaje va a hacerse sobre la pared posterior, deben
removerse todas la molduras que queden detras de la
estufa.
2. Si las platinas van a anclarse en pisos de manposteria
o ceramica, coloque las platinas en el piso y marque
la ubicaci6n de los orificios. Taladre orificios de
3/I 6 ".
3. Gire las patas niveladoras 3 vueltas hacia abajo de
forma que las platinas deslicen sobre las cabezas
niveladoras,
4. Nivele la parte delantera y trasera de la estufa y las
partes laterales con los dos niveladores de pata
delanteros y los niveladores traseros.
5. Deslice la estufa hasta que quede en su lugar
asegurandose de que las patas traseras estan
atrapadasbajolasplatinasdeanclaje. Puedeser
necesario balancear la estufa hacia los lados a
medida que se desliza hacia atras para Iograr que las
platas traseras se alin6en con las platinas de anclaje.
Para asegurarse de que la estufa esta correctamente
anclada remueva el cajOn de almacenamiento o el
panel inferior, tambi_en puede verificarse la
instalaciOn tratando, cuidadosamente, de inclinar la
]
estufa hacia adelante, j-3/8
_ _--- Instalar
/platinas
IL_.. de anclaje
318" -'""'-' ............
._ .1_.... Borde posterior de la -"_..
"_[ I _.... """ estufa o pared posterior J
i_-><-- .
[ I "/ 2Torn,llos _
1<_ por platina Ubicacion de los paneles
_._ laterales de la estufa
Instala/r '""'--..
platinas ....-...
de anclaje "'--..
Figura 10
En casas m6viles la estufa debe anclarse al piso come se
muestra en la figura 11.
1. Remueva el panel falso o el caj6n de
almacenamiento para poder alcanzar los orificios de
anclaje.
2. En el centro de cada riel de la base de la estufa se
suministra un orificio de Y4" para el anclaje al piso.
Parte
lateral del
cuerpo
Riel --
de la base
Orificio para anclar la estufa al
piso orificio ubicado
aproximadamente en la mitad
del riel
Figura 11
Armazon
frontal
Pararse, aOyarse o sentarse en la puerta o
cajon de estaestufa causarseriaslesionespersonalesy tambi6n
puede dahar la estufa.
15

L
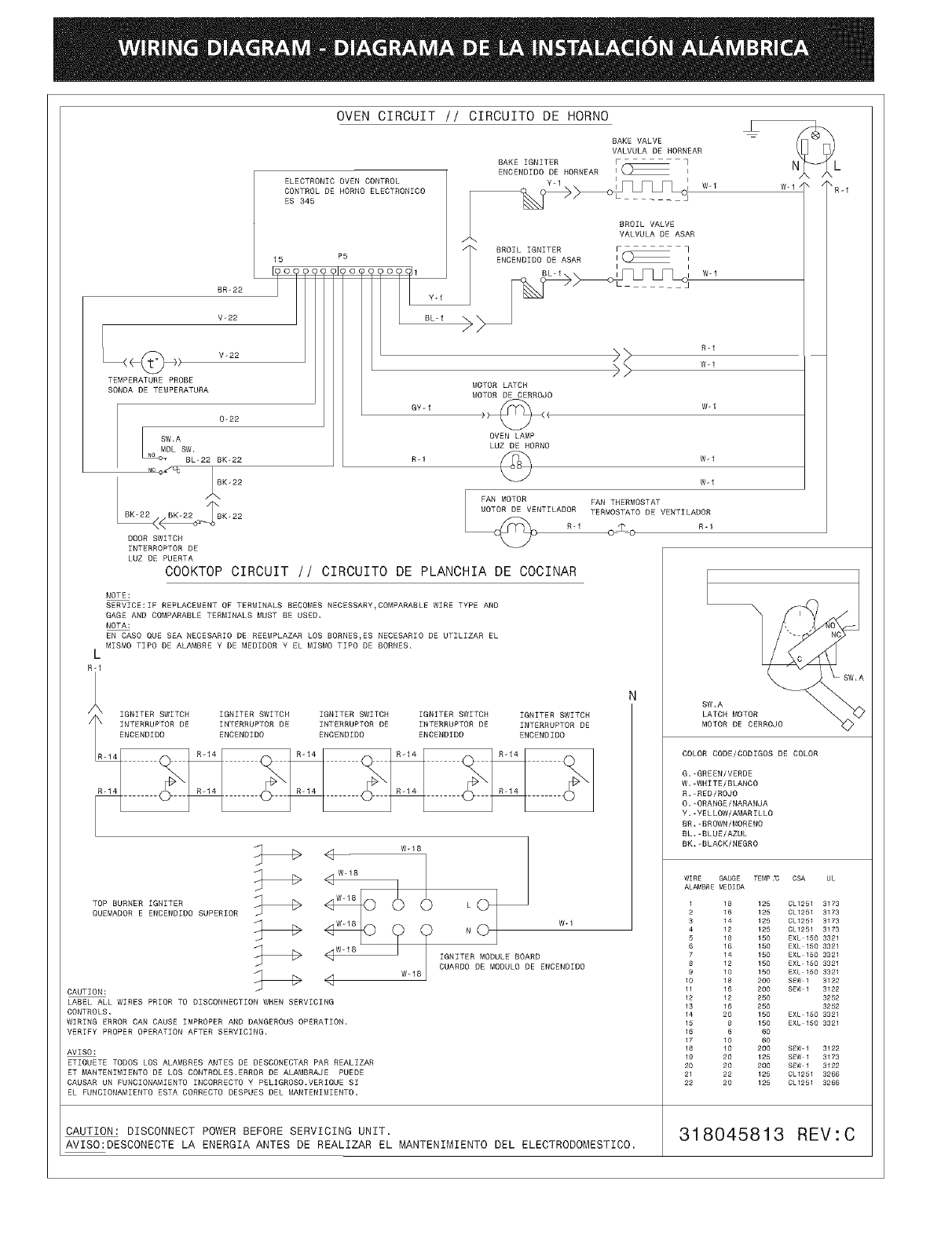
R-1
/\
TEMPERATURE PROBE
SONOA BE TEMPERATURA
OVEN CIRCUIT // CZRCUZTO DE HORNO
OR-22
V-22
V-22
0-22
SNo_MSN'A
MOL SW,
SL-22 SK22
NO oSUC _K 22
/x,
SKss< _____SK__ 22
DOOR SWITCH
INTERRORTOR BE
LUZ DE PUERTA
ELECTRONIC OVEN CONTROL
CONTROL DE RORNO ELECTRONICO
ES 345
15 P5
_0 )D )( (Ir]O ){q( O( 11
YI
BL-I
GY I
R I
i\
/\
BAKE VALVE
VALVULA DE RORNEAR
SAKE IGNITER F_ q
ENCENOIO0 DE HORNEAR /L_ I
BROIL VALVE
VALVULA DE ASAR
BROIL IGNITER F_ qi
ENCENOIO0 BE ASAR I I
BL-1 i i W-1
>_ R-1
>> w.
Wd/
MOTOR LATCH
MOTOR DE CERROJO
)_( W-1
OVEN LAMP
LUZ DE RORNO
Wd
Wd
FAN MOTOR FAN THERMOSTAT
MOTOR DE VENTILAOOR TERMOSTATO DE VENTILAOOR
COOKTOP CTRCUZT // CTRCUZTO DE PLANCHZA DE COCTNAR
NOTE:
SERVICE:IF REPLACEMENT OF TERMINALS BECOMES NECESSARY_COMPARABLE WIRE TYPE AND
GAGE AND COMPARABLE TERMINALS MUST BE USED,
NOTA:
EN CASO QUE SEA NECESARIO BE REEMPLAZAR LOS BORNES_ES NECESARIO DE UTILIZAR EL
MISMO TIPO DE ALAMBRE Y DE MEOIOOR Y EL MISMO TIPO DE BORNES,
•I_R-1
IGNITER SWITCH IGNITER SWITCH IGNITER SWITCH IGNITER SWITCH IGNITER SWITCH
INTERRUPTOR DE INTERRUPTOR DE INTERRUPTOR DE INTERRUPTOR DE INTERRUPTOR DE
ENCENOIO0 ENCENOIO0 ENCENOIO0 ENCENOIO0 ENCENOIO0
R-14 R-14 R-14 R-14 R-14
TOP BURNER IGNITER
QUEMAOOR E ENCENDIDO SUPERIOR
CAUTION: _ <_
LABEL ALL WIRES PRIOR TO DISCONNECTION WHEN SERVICING
CONTROLS,
WIRING ERROR CAN CAUSE IMPROPER AND DANGEROUS OPERATION,
VERIFY PROPER OPERATION AFTER SERVICING,
W-18
W-18
4w'_ o ©
4w-lB ?
W-18
AVISO:
ETIQUETE TOBOS LOS ALAMBRES ANTES BE DESCONECTAR PAR REALIZAR
ET MANTENIMIENTO DE LOS CONTROLES,ERROR BE ALAMSRAJE PUEOE
CAUSAR UN FUNCIONAMIENTO INCORRECTO Y PELIGROSO,VERIQUE SI
EL FUNCIONAMIENTO ESTA CORRECTO OESPUES OEL MANTENIMIENTO,
IGNITER MODULE BOARD
CUARO0 DE MODULO DE ENCENOIO0
CAUTION: DISCONNECT POWER BEFORE SERVICING UNIT. _
B
AVISO:DESCONECTE LA ENERGIA ANTES DE REALIZAR EL MANTENIMIENTO DEL ELECTRODOMESTICO.
NC
,A
LATCH MOTOR
MOTOR DE CERROJO
COLOR COOE/COOIGOS DE COLOR
G,-GREEN/VERDE
W,-WHITE/BLANCO
R.-RED/ROJO
O.-ORANGE/NARANJA
Y.-YELLOW/AMARILLO
SR,-BROWN/MORENO
SL,-SLUE/AZUL
SK,-SLAOK/NEGRO
WIRE GAUGE TE&_P._ CSA UL
ALAMBRE MEDIDA
18 125 0L1251 3173
16 125 CL1251 3173
3 14 125 CL1251 3173
4 12 125 CL1251 3173
5 18 150 EXL 150 3321
6 16 150 EXL 150 3321
7 14 150 EXL 150 3321
8 12 150 EXL-150 3321
9 10 150 EXL-150 3321
10 18 200 SEW 1 3122
11 16 200 SEW 1 3122
12 12 25O 3252
13 16 250 3252
14 20 150 EXL 150 3321
15 8 150 EXL 150 3321
16 6 60
17 10 60
18 10 20O SEW 1 3122
19 20 125 S£W 1 3173
2O 20 200 SEW 1 3122
21 22 125 CL1251 3266
22 20 125 CL1251 3266
8045813 REV:C