LM Technologies 811-04XX LM811 Wi-Fi & BT SMT Module User Manual Product Specifications
LM Technologies Ltd. LM811 Wi-Fi & BT SMT Module Product Specifications
User Manual

晶訊科技股份有限公司 8F, No. 150, Jian Yi Road, Zhonghe District,
CC&C Technologies, Inc. New Taipei City, Taiwan 235, R.O.C.
Tel: 886-2-8226-5088 Fax: 886-2-8226-5077
Version: 1.6 1
Product Specifications
LM811-045x
11n+ BT WiFi module
Version: 1.6
Manufacturer CC&C Technologies, Inc.

晶訊科技股份有限公司 8F, No. 150, Jian Yi Road, Zhonghe District,
CC&C Technologies, Inc. New Taipei City, Taiwan 235, R.O.C.
Tel: 886-2-8226-5088 Fax: 886-2-8226-5077
Version: 1.6 2
Revision History
Version Issue date Reason for revision
Preliminary Aug. 1, 2014 Preliminary release
1.1 Aug. 18, 2014 Modify for Pin-out of module, dimension figure,
and added factory options
1.2 Sep. 26, 2014 Add DC power input, power consumption item and
operating temperature data
1.3 Jan. 12, 2015 Modify factory optional explanation
1.4 Mar. 3, 2015 Modify PCB pin out and add chip antenna optional
1.5 June 09, 2015 Modify dimension figure (Distance between Pin13
to PCB left)
1.6 Oct. 13, 2015 Add Interface Specification, Modify Pin outs define

晶訊科技股份有限公司 8F, No. 150, Jian Yi Road, Zhonghe District,
CC&C Technologies, Inc. New Taipei City, Taiwan 235, R.O.C.
Tel: 886-2-8226-5088 Fax: 886-2-8226-5077
Version: 1.6 3
Overview
LM811-045X is a WLAN 11n and Bluetooth combo module, provides a single USB
interface to host, which fully supports the features and functional compliance of IEEE
802.11b/g/n standards, Bluetooth v2.1, v3.0 and v4.0 standards. It supports up to
150Mbps WLAN network connections and Bluetooth protocol stack (LM, LL and LE),
Bluetooth baseband and modem.
It is designed to provide excellent performance with low power consumption and
enhance the advantages of robust system and cost-effective.
LM811-045X provides a complete solution for a high throughput performance
integrated wireless LAN and Bluetooth module, and is targeted at competitive superior
performance, better power management applications.
Features
Operate at ISM frequency bands (2.4GHz)
IEEE standards support: IEEE 802.11b/ g/ n/ d/ e/ h/ i
Fully qualified Bluetooth 2.1 + EDR specification including both 2Mbps and 3Mbps
modulation mode
Fully qualified Bluetooth 3.0
Fully qualified Bluetooth 4.0 Dual mode
Full speed Bluetooth operation with Pico net and Scatter net support
Enterprise level security which can apply WPA/WPA2 certification for WiFi
WiFi 1T1R, allow data rate supporting up to 150Mbps
Support sophisticated WiFi/BT coexistence mechanism to enhance collection
performance
Support antenna diversity for WiFi and BT antenna selection
Support Bluetooth adaptive power management mechanism
Fully-featured software utility for easy configuration and management
RoHS compliance
Low Halogen compliance

晶訊科技股份有限公司 8F, No. 150, Jian Yi Road, Zhonghe District,
CC&C Technologies, Inc. New Taipei City, Taiwan 235, R.O.C.
Tel: 886-2-8226-5088 Fax: 886-2-8226-5077
Version: 1.6 4
General Specification
Model Name LM811-04 5x
Product Name WLAN and Bluetooth combo module, USB interface
Standards IEEE 802.11b/g/n/d/e/h/i
Bluetooth v2.1+EDR/ v3.0/ v3.0+HS/ v4.0
Data Transfer Rate
WLAN:
802.11b: 11, 5.5, 2, 1 Mbps
802.11g: 54, 48, 36, 24, 18, 12, 9, 6 Mbps
802.11n: MCS0 to 7 for HT20MHz, MCS0 to 7 for HT40MHz
Bluetooth:
Basic rate: 1Mbps
Enhanced data rate: 2, 3 Mbps
High Speed: 6, 9, 12, 18, 24, 36, 48, 54 Mbps
Modulation Method
WLAN:
802.11b: CCK, DQPSK, DBPSK
802.11g: 64QAM, 16QAM, QPSK, BPSK
802.11n: 64QAM, 16QAM, QPSK, BPSK
Bluetooth: 8DPSK, π/4 DQPSK, GFSKFSK
Operating Channel
WLAN 2.4GHz:
11: (Ch. 1-11) – United States
13: (Ch. 1-13) – Europe
14: (Ch. 1-14) – Japan
BT 2.4GHz:
Ch. 0 to 78
Frequency Range 2.4GHz ISM band (2.400GHz to 2.4835 GHz)
Spread Spectrum
WLAN IEEE 802.11b: DSSS (Direct Sequence Spread Spectrum)
WLAN IEEE 802.11g/n: OFDM (Orthogonal Frequency Division Multiplexing)
Bluetooth: FHSS (Frequency Hopping Spread Spectrum)
RF Output Power
(tolerance ±2dBm)
WLAN:
17dBm – 802.11b@11Mbps
15dBm – 802.11g@6Mbps
14dBm – 802.11g@54Mbps
13dBm – 802.11n@MCS0_HT20
13dBm – 802.11n@MCS7_HT20
13dBm – 802.11n@MCS0_HT40
13dBm – 802.11n@MCS7_HT40
Bluetooth: Max + 8dBm
Network architecture
WLAN:
Ad hoc mode (Peer-to-Peer)
Infrastructure mode
Software AP
WiFi Direct
BT:
Pico Net
Scatter Net
Receiver Sensitivity
WLAN:
-82dBm – 802.11b@11Mbps
-71dBm – 802.11g@54MBps
-67dBm – 802.11n@MCS7_HT20
-64dBm - 802.11n@MCS7_HT40
Bluetooth:
-89dBm@1Mbps

晶訊科技股份有限公司 8F, No. 150, Jian Yi Road, Zhonghe District,
CC&C Technologies, Inc. New Taipei City, Taiwan 235, R.O.C.
Tel: 886-2-8226-5088 Fax: 886-2-8226-5077
Version: 1.6 5
-90dBm@2Mbps
-83dBm@3Mbps
Operation Range WLAN: Up to 180 meters in open space
Bluetooth: Great than 10 meters in open space
OS Support Windows XP/ Linux/ Android
Security
WLAN: WPA, WPA-PSK, WPA2, WPA2-PSK, WEP 64bit & 128bit, IEEE
802.11x, IEEE 802.11i
BT: Simple Paring
Bus interface USB 2.0
Operating Temperature 0 – 60° C ambient temperature
0 to 95 % (non-condensing)
Storage Temperature -20 ~ 70°C ambient temperature
0 to 95 % (non-condensing)
Dimension 25 x 12 x 2 mm (LxWxH)
Factory options
1. DC power input 3.3V or 5V input and DC range as below table
Module Minimum Typical Maximum Unit
DC 5V module 4.75 5 5.25 V
DC 3.3V module 3.135 3.3 3.465 V
2. RF out can select below: RF connector (type-1), RF output on half-hole pin (type-2), RF out
by chip antenna (type-3)
RF type-1 RF type-2 RF type-3

晶訊科技股份有限公司 8F, No. 150, Jian Yi Road, Zhonghe District,
CC&C Technologies, Inc. New Taipei City, Taiwan 235, R.O.C.
Tel: 886-2-8226-5088 Fax: 886-2-8226-5077
Version: 1.6 6
Power Consumption
DC power for 5V
Performance
Description
TYP UNITS
Off 10 uA
Unassociated idle 40 mA
Associated idle for 2.4GHz band 70 mA
Data transfer for 2.4GHz 103 mA
PS. Data transfer test using the Linux driver: Linux_v4.3.6_11841.20140714
DC power for 3.3V
Performance
Description
TYP UNITS
Off 16 uA
Unassociated idle 90 mA
Associated idle for 2.4GHz band 141 mA
Data transfer for 2.4GHz 168 mA
PS. Data transfer test using the Linux driver: Linux_v4.3.6_11841.20140714

晶訊科技股份有限公司 8F, No. 150, Jian Yi Road, Zhonghe District,
CC&C Technologies, Inc. New Taipei City, Taiwan 235, R.O.C.
Tel: 886-2-8226-5088 Fax: 886-2-8226-5077
Version: 1.6 7
Pin outs define:
Pin Signal Input /Output Description
1 CHIP_WAKE_HOST Output Signal from module to wake up host,refer driver source
code for details.
2 GND Power Ground
3 USB D+ I/O USB D+ signal
4 USB D- I/O USB D- signal
5 VCC Power DC 3.3V
6 HOST_WAKE_CHIP Input Signal from host to wake up module,refer driver source
code for details.
7 GND Power Ground
8 ANT RF WLAN/BT RF port (if don’t using IPEX connector)
9 GND Power Ground
10 BT_PCM_IN Input PCM data Input. This pin is also shared with GPIO0 and
3DG_SEL_A.
11 BT_PCM_OUT Output PCM data Output. This pin is also shared with GPIO1 and
3DG_SYNC_A.
12 BT_PCM_SYNK I/O PCM frame Synchronization. This pin is also shared with
GPIO2.
13 BT_PCM_CLK I/O PCM Clock. This pin is also shared with GPIO3.
14 EXT_XIN - NC_ Keep to floating

晶訊科技股份有限公司 8F, No. 150, Jian Yi Road, Zhonghe District,
CC&C Technologies, Inc. New Taipei City, Taiwan 235, R.O.C.
Tel: 886-2-8226-5088 Fax: 886-2-8226-5077
Version: 1.6 8
Interface Timing Specification
USB Bus during Power On Sequence
The power on flow description:
After main 3.3V ramp up, the internal power on reset is released by power ready detection circuit and the
power management unit will be enabled. The power management unit enables the internal regulator and
clock circuits.
The power management unit also enables the USB circuits.
USB analog circuits attach resisters to indicate the insertion of the USB device.

晶訊科技股份有限公司 8F, No. 150, Jian Yi Road, Zhonghe District,
CC&C Technologies, Inc. New Taipei City, Taiwan 235, R.O.C.
Tel: 886-2-8226-5088 Fax: 886-2-8226-5077
Version: 1.6 9
PCM Interface Characteristics
The CM-8723BU supports a PCM digital audio interface that is used for transmitting digital audio/voice
data to/from the Audio Codes. Features are supported as below:
z Supports Master and Slave mode
z Programmable long/short Frame Sync
z Supports 8-bit A-law/ -law, and 13/16-bit linear PCM formats
z Supports sign-extension and zero-padding for 8-bit and 13-bit samples
z Supports padding of Audio Gain to 13-bit samples
z PCM Master Clock Output: 64, 128, 256, or 512kHz
z Supports SCO/ESCO link
PCM Format
FrameSync is the synchronizing function used to control the transfer of DAC_Data and ADC_Data. A Long
FrameSync indicates the start of ADC_Data at the rising edge of FrameSync, and a Short FrameSync
indicates the start of ADC_Data at the falling edge of FrameSync.

晶訊科技股份有限公司 8F, No. 150, Jian Yi Road, Zhonghe District,
CC&C Technologies, Inc. New Taipei City, Taiwan 235, R.O.C.
Tel: 886-2-8226-5088 Fax: 886-2-8226-5077
Version: 1.6 1
Sign Extension and Zero Padding for 8-Bit and 13-Bit Samples
For 16-bit linear PCM output , 3 or 8 unused bits may be sign extended/zero padded.
PCM Interface Timing

晶訊科技股份有限公司 8F, No. 150, Jian Yi Road, Zhonghe District,
CC&C Technologies, Inc. New Taipei City, Taiwan 235, R.O.C.
Tel: 886-2-8226-5088 Fax: 886-2-8226-5077
Version: 1.6 1
PCM Interface Signal Levels
The PCM signal level ranges from 1.8V to 3.3V . The host provides the power source with the targeted
power level to the CM-8723BU PCM interface via the VDD33 pin.

晶訊科技股份有限公司 8F, No. 150, Jian Yi Road, Zhonghe District,
CC&C Technologies, Inc. New Taipei City, Taiwan 235, R.O.C.
Tel: 886-2-8226-5088 Fax: 886-2-8226-5077
Version: 1.6 1
The CM-8723BU module WiFi/BT both single path S0 connection to ANT, and IPEX connector S1 path set
to NC.
RF connector dimensions (unit: mm)

晶訊科技股份有限公司 8F, No. 150, Jian Yi Road, Zhonghe District,
CC&C Technologies, Inc. New Taipei City, Taiwan 235, R.O.C.
Tel: 886-2-8226-5088 Fax: 886-2-8226-5077
Version: 1.6 1
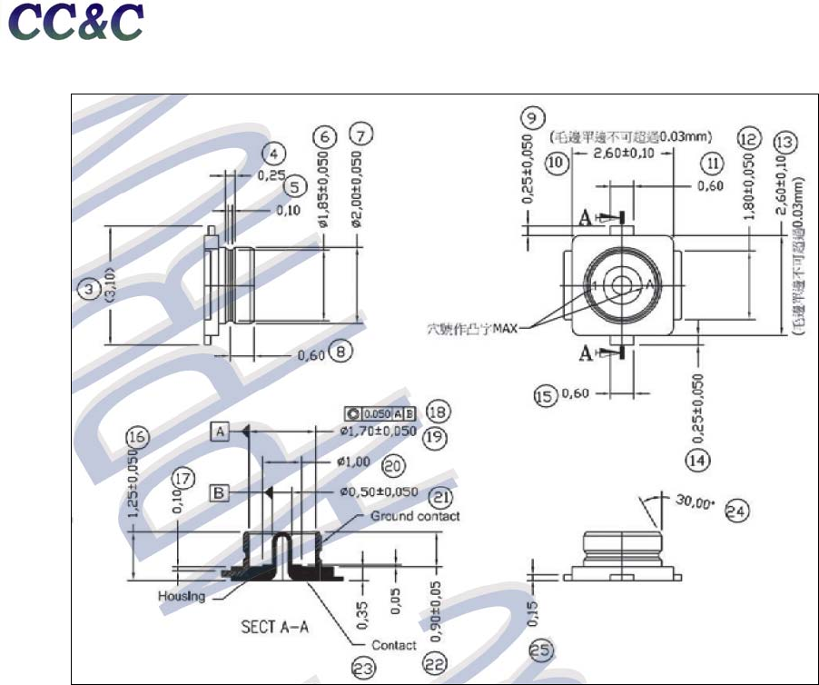
Dimension

晶訊科技股份有限公司 8F, No. 150, Jian Yi Road, Zhonghe District,
CC&C Technologies, Inc. New Taipei City, Taiwan 235, R.O.C.
Tel: 886-2-8226-5088 Fax: 886-2-8226-5077
Version: 1.6 1
Subject to change without notice
PCB Layout footprint
1. The recommended layout pads for CM-8723BU module are shown below. (Module top view)

晶訊科技股份有限公司 8F, No. 150, Jian Yi Road, Zhonghe District,
CC&C Technologies, Inc. New Taipei City, Taiwan 235, R.O.C.
Tel: 886-2-8226-5088 Fax: 886-2-8226-5077
Version: 1.6 1
All dimensions are in millimeters.
Tolerance: +- 0.05mm
Reference Temperature Reflow Chart

晶訊科技股份有限公司 8F, No. 150, Jian Yi Road, Zhonghe District,
CC&C Technologies, Inc. New Taipei City, Taiwan 235, R.O.C.
Tel: 886-2-8226-5088 Fax: 886-2-8226-5077
Version: 1.6 1
This module is surface mount device; please refer below conditions for drying before solder reflow processes.
(extracted from IPC/JEDEC J-STD-033B.1)
Bake @ 125 oC Bake @ 90 oC Bake @ 40 oC
Exceeding
floor Life
By > 72h
Exceeding
floor Life
By ≤ 72h
Exceeding
floor Life
By > 72h
Exceeding
floor Life
By ≤ 72h
Exceeding
floor Life
By > 72h
Exceeding
floor Life
By ≤ 72h
9 hours
7 hours
33 hours
23 hours
13 days
9 days

FCC Warning
This device complies with Part 15 of the FCC Rules. Operation is subject to the following two conditions:
(1) This device m ay not c ause harmful int erference, a nd ( 2) th is device m ust acc ept any interference rec eived,
including interference that may cause undesired operation.
NOTE 1: T his eq uipment has been tested and fo und to c omply with t he limits for a Class B d igital d evice,
pursuant to part 15 of the FCC Rules. These limits are designed to provide reasonable protection against harmful
interference in a resi dential installation. This equipment generates, uses and can radiate radio freque ncy energy
and, if not i nstalled and used i n accordance wit h t he instr uctions, may cause harmful in terference t o ra dio
communications. However, there is no guarantee that interference will not occur in a particular installation. If this
equipment does cause harmful interference to radio or television reception, which can be determined by turning
the equipment off and on, the user is encouraged to try to correct the interference by one or more of the following
measures:
- Reorient or relocate the receiving antenna.
- Increase the separation between the equipment and receiver.
-Connect the equipment into an outlet on a circuit different from that to which the receiver is connected.
-Consult the dealer or an experienced radio/TV technician for help.
NOTE 2 : Any ch anges or m odifications t o th is un it no t ex pressly ap proved by t he party resp onsible for
compliance could void the user's authority to operate the equipment.
FCC Radiation Exposure Statement:
This equipment complies with FCC radiation exposure limits set forth for an uncontrolled environment. End users
must follow the specific operating instructions for satisfying RF exposure compliance.
Note 1: Compliance of this device in all final host configurations is the responsibility of the Grantee.
OEM integrators are responsible to satisfy RF exposure requirements. SAR evaluation is valid for portable,
mobile and fixed applications.
The highest reported SAR value for body condition is 0.664W/kg respectively. This device was tested simulation
typical 5mm separation distance from the body.
Note 2: Any modifications made to the module will void the Grant of Certification, this module is limited to OEM
installation only and must not be sold to end-users, end-user has no manual instructions to remove or install the
device, only software or operating procedure shall be placed in the end-user operating manual of final products.
Note 3: The device must not transmit simultaneously with any other antenna or transmitter.
Note 4: To ensure compliance with all non-transmitter functions the host manufacturer is responsible for ensuring
compliance with the module(s) installed and fully operational. For example, if a host was previously authorized as
an unintentional radiator under the Declaration of Conformity procedure without a transmitter certified module
and a module is added, the host manufacturer is responsible for ensuring that the after the module is installed and
operational the host continues to be compliant with the Part 15B unintentional radiator requirements. Since this
may depend on the details of how the module is integrated with the host, LM Technologies Ltd. shall provide
guidance to the host manufacturer for compliance with the Part 15B requirements.
Note 5: FCC ID label on the final system must be labeled with “Contains FCC ID: VVX811-04XX” or “Contains
transmitter module FCC ID: VVX811-04XX”.
The transmitter module m ust b e installed an d used in strict ac cordance wit h t he manufacturer's ins tructions as
described in the user documentation that comes with the host product. LM Technologies Ltd. is responsible for the
compliance of the module in all final hosts.