Laird Connectivity BT900 Bluetooth Dual Mode UART AT featuring smartBASIC User Manual BT900
Laird Technologies Bluetooth Dual Mode UART AT featuring smartBASIC BT900
User manual

Intelligent BTv4.0 Dual-Mode Module
Part # BT900-SA-0x, BT900-SC-0x
H
ARDWARE
I
NTEGRATION
G
UIDE
V
ERSION
0.2
Americas: +1-800-492-2320 Option 2
Europe: +44-1628-858-940
Hong Kong: +852-2923-0610
www.lairdtech.com/bluetooth

BT900-Sx Hardware Integration Guide
Intelligent BTv4.0 Dual Mode Module
Americas: +1-800-492-2320 Option 2
Europe: +44-1628-858-940
Hong Kong: +852-2923-0610
www.lairdtech.com/bluetooth
2 CONN-HIG-BT900
R
EVISION
H
ISTORY
Version Revision Date Change History
0.1 TBD Initial Preliminary Version
0.2 19May14 Draft version
BT900-Sx Hardware Integration Guide
Intelligent BTv4.0 Dual Mode Module
Americas: +1-800-492-2320 Option 2
Europe: +44-1628-858-940
Hong Kong: +852-2923-0610
www.lairdtech.com/bluetooth
3 CONN-HIG-BT900
C
ONTENTS
Revision History ..................................................................................................................... 2
Contents ................................................................................................................................ 3
1
Overview and Key Features ................................................................................................ 5
1.1
Features & Benefits ..................................................................................................................... 5
1.2
Application Areas ....................................................................................................................... 5
2
Specification ..................................................................................................................... 7
2.1
Specification Summary .............................................................................................................. 7
3
Hardware Specifications .................................................................................................... 9
3.1
Block Diagram and Pin-out ....................................................................................................... 9
3.2
Pin Definitions ............................................................................................................................ 10
3.3
Electrical Specifications ........................................................................................................... 12
3.3.1
Absolute Maximum ratings ......................................................................................... 12
3.3.2
Recommended Operating Parameters ................................................................... 13
3.3.3
nAutoRUN pin and Operating Modes ...................................................................... 15
3.3.4
OTA (Over the Air) smart BASIC application download ......................................... 15
4
Power Consumption ........................................................................................................ 17
4.1
Power Consumption ................................................................................................................. 17
4.2
Measured Peak Current Waveforms During BLE Advertising and Connection .............. 19
4.3
Peripheral block current consumption .................................................................................. 22
5
Functional Description .................................................................................................... 23
5.1
Power management (includes brown-out and power on reset) ....................................... 23
5.2
Clocks and TIMERS .................................................................................................................... 23
5.2.1
Clocks ........................................................................................................................... 23
5.2.2
TIMERS ........................................................................................................................... 23
5.3
Memory for smart BASIC Application Code ......................................................................... 24
5.4
RF ................................................................................................................................................ 24
5.5
UART Interface .......................................................................................................................... 24
5.6
SPI Bus ......................................................................................................................................... 25
5.7
I2C Interface ............................................................................................................................. 25
5.8
General Purpose I/O, ADC and Quadrature Decoder ....................................................... 27
5.8.1
GPIO .............................................................................................................................. 27
5.8.2
Quadrature Decoder .................................................................................................. 27
5.8.3
ADC ............................................................................................................................... 27
5.8.4
APWM and FREQ signal output on upto xSIO pins .................................................. 27
5.9
nRESET pin .................................................................................................................................. 28
5.10
nAutoRUN pin ............................................................................................................................ 28
BT900-Sx Hardware Integration Guide
Intelligent BTv4.0 Dual Mode Module
Americas: +1-800-492-2320 Option 2
Europe: +44-1628-858-940
Hong Kong: +852-2923-0610
www.lairdtech.com/bluetooth
4 CONN-HIG-BT900
5.11
smartBASIC runtime engine firmware upgrade .................................................................... 28
5.12
BT900-SA on-board chip antenna characteristics ................................................................ 28
6
Hardware Integration Suggestions ................................................................................... 30
6.1
Circuit ......................................................................................................................................... 30
6.2
PCB Layout on Host PCB - General ........................................................................................ 31
6.3
PCB Layout on Host PCB for BT900-SA .................................................................................... 32
6.3.1
Antenna keep-out on host PCB ................................................................................. 32
6.3.2
Antenna keep-out and Proximity to Metal or Plastic .............................................. 33
6.4
External Antenna Integration with BT900-SC ......................................................................... 33
7
Mechanical Details .......................................................................................................... 35
7.1
BT900 Mechanical Details ........................................................................................................ 35
7.2
Host PCB Land Pattern and Antenna Keep-out for BT900-SA ............................................. 36
8
Application Note for Surface Mount Modules ................................................................... 38
8.1
Introduction ............................................................................................................................... 38
8.2
Shipping ..................................................................................................................................... 39
8.3
Reflow Parameters ................................................................................................................... 39
9
FCC and IC Regulatory Statements ................................................................................... 41
9.1
Power Exposure Information .................................................................................................... 41
9.2
OEM Responsibilities ................................................................................................................. 42
10
Japan (MIC) Regulatory .................................................................................................... 44
10.1
Antenna Information ................................................................................................................ 44
11
CE Regulatory ................................................................................................................. 45
11.1
Antenna Information ................................................................................................................ 45
12
EU Declarations of Conformity ......................................................................................... 46
12.1
BT900-SA / BT900-SC .................................................................................................................. 46
13
Ordering Information ...................................................................................................... 47
13.1
General Comments ................................................................................................................. 47
14
Bluetooth SIG Qualification .............................................................................................. 47
Additional Assistance ......................................................................................................................... 48

BT900-Sx Hardware Integration Guide
Intelligent BTv4.0 Dual Mode Module
Americas: +1-800-492-2320 Option 2
Europe: +44-1628-858-940
Hong Kong: +852-2923-0610
www.lairdtech.com/bluetooth
5 CONN-HIG-BT900
1
O
VERVIEW AND
K
EY
F
EATURES
BT900 Series modules from Laird Technologies make it easy to add Classic BT and Bluetooth Low
Energy (BLE) functionality to small, portable, power-conscious devices, including those powered
by batteries. The fully approved, programmable module feature Laird’s innovative, event-driven
smartBASIC programming language, which significantly reduces OEM development risk and
speeds time to market.
Based on the Cambridge Silicon Radio (CSR) 8811 silicon and a low power Cortex M3
microcontroller, the BT900 modules provide exceptionally low power consumption with
outstanding wireless range, all within a compact footprint of 19 mm x 12.5 mm. The modules
incorporate all the hardware and firmware required to support development of Dual Mode
applications, including:
Complete radio hardware
UART, I2C, SPI, ADC, PCM and GPIO interfaces
Embedded BTv4.0 software stack
Classic BT profile - SPP
GATT Client & Peripheral Modes
What makes the modules truly innovative is smartBASIC, an event-driven programming language
that enables standalone operation of the module. Laird has extended the implementation of
smartBASIC from the popular BL6xx series of single mode BLE modules into the BT900 series. This
allows developers the flexibility of utilising the Core and BLE specific smartBASIC functions from
the BL6xx series to create fully interchangeable BLE applications between these product ranges.
Without the need for any external processor, a simple smartBASIC application encapsulates the
complete end-to-end process of reading, writing, and processing of sensor data and then using
Classic Bluetooth or BLE to transfer it to / from any Bluetooth device. Ultimately smartBASIC
accelerates initial development, creation of prototypes, and mass production by providing you
with your own Bluetooth expert within the module.
In addition to carrying FCC modular, IC, CE and MIC approvals, BT900 modules are fully qualified
as a Bluetooth product, enabling designers to integrate the modules in devices without the need
for further Bluetooth testing. A low-cost developer’s kit including simple software tools simplifies
module integration and guarantees the fastest route to market.
1.1 Features & Benefits
1.2 Application Areas
Bluetooth v4.0
-
Dual
Mode
(Classic Bluetooth and BLE)
External or Internal Antennas
smartBASIC programming language
Full Bluetooth EPL
Compact Footprint
Programmable TX power 8dBm to -20dBm
RX sensitivity: -90dBm
Ultra low power consumption
TX: 85 mA peak (at +8dBm)
Standby Doze: 227 uA (refer to Note4 in Power
Consumption section)
Deep Sleep: 7uA
UART, GPIO, ADC, PWM, FREQ output, TIMERS, I2C, and
SPI interfaces
Medical devices
Wellness devices
Automotive Diagnostic
Equipment
Bar Code Scanners
Industrial Cable
Replacement
Home automation
BT900-Sx Hardware Integration Guide
Intelligent BTv4.0 Dual Mode Module
Americas: +1-800-492-2320 Option 2
Europe: +44-1628-858-940
Hong Kong: +852-2923-0610
www.lairdtech.com/bluetooth
6 CONN-HIG-BT900
Fast T
ime to Market
FCC, CE, IC, and Japan certified; other regulatory
certifications on request
No external components required

BT900-Sx Hardware Integration Guide
Intelligent BTv4.0 Dual Mode Module
Americas: +1-800-492-2320 Option 2
Europe: +44-1628-858-940
Hong Kong: +852-2923-0610
www.lairdtech.com/bluetooth
7 CONN-HIG-BT900
2 S
PECIFICATION
2.1
Specification Summary
Table 1: Specifications
CATEGORIES FEATURE IMPLEMENTATION
Wireless
Specification
Bluetooth®
V4.0
–
Dual
-
Mode
Frequency
2.402
-
2.480 GHz
Transmit Power
+ 8dBm
(maximum)
Configurable down to -20dBm
Receive Sensitivity
-
90 dBm (typical
)
Link Budget
98 dB
Raw Data Rates
(Air)
3 Mbps (Classic BT
–
BR/EDR)
Host Interface
and Peripherals UART Interface
TX, RX, CTS, RTS
DTR, DSR, DCD, RI can be implemented in smartBASIC-
using General Purpose I/O
Default 9600, N, ,8, 1
From 1,200 to 4 Mbps
RX buffer size (TBD)
GPIO
18 (maximum
–
configurable) lines
.
O/P drive strength (4mA)
Pull-up resistor (33KOhms) control (via smartBASIC)
Read pin-level
I2C Interface
1 (configurable from GPIO total)
. Upto 400kbps.
SPI
1
(configurable from GPIO total)
Upto 4Mbps.
ADC Interface
2 channels (configured from GPIO total)
.
Up to 12-bit resolution
Conversion time 2.0uS (at 2.7V to 3.6V)
x.xV internal reference
1/1, 2/3, 1/3 pre-scaling
PWM or FREQ output
Output a PWM or FREQ on upto 2 GPIO output pins.
PWM output duty cycle: 0%-100%
PWM output frequency: TBD
FREQ output frequency: 0MHz to xMHz (50% duty
cycle)
PCM Interface
1
Wi-Fi-BT coexistence 3 dedicated pins
Profiles
Classic Bluetooth
SPP (Serial Port Profile)
Bluetooth Low Energy
GATT Client & Peripheral
–
Any Custom Services
Programmabilit
y
smart
BASIC
On-board programming language similar to BASIC
smart
BASIC application
Via UART or Over the Air
Control Protocols
Any that can be implemented using
smart
BASIC
vSP – Virtual Serial Port for BLE
FW upgrade
smart
BASIC
runtime engine FW
upgrade
Via UART
Coexistence
802.11 (Wi
-
Fi)
2 and 3 wire CSR schemes supported
(Unity-3;Unity-3e, Unity 3e+, Unity 3+ and Unity+)
Operating Modes
Self-contained Run Mode
Selected by nAutoRUN pin status:
LOW(0V). Then runs $autorun$ (smartBASIC
application) if it exists.

BT900-Sx Hardware Integration Guide
Intelligent BTv4.0 Dual Mode Module
Americas: +1-800-492-2320 Option 2
Europe: +44-1628-858-940
Hong Kong: +852-2923-0610
www.lairdtech.com/bluetooth
8 CONN-HIG-BT900
Interactive Development Mode
HIGH(VCC). Then runs via at+run (and “file name” of
smartBASIC application script).
Supply Voltage
Supply
1.8V
–
3.6V
Power
Consumption
Current
Max Peak Current
(
TX Power @ +8dBm TX
):
85mA
Standby
Doze (waitevent)
–
227uA
(internal 32.768kHz)
Standby Doze (waitevent) – 113uA (external
32.768kHz, Note5)
Deep Sleep
–
7uA
Physical
Dimensions
19
mm
x
12.5
mm
x
2.5
mm
;
Pad Pitch 0.8
mm
Environmental
Operating
-
40°C to +85°C
Storage
-
40°C to +85°
C
Miscellaneous
Lead Free
Lead
-
free and RoHS compliant
Warranty
1 Year
Development
Tools
Development Kit
Development board and free Software Tools
Software Tools
Utilities
Windows, Android and iOS applications
UART Firmware Upgrade
Approvals
Bluetoot
h®
Complete Declaration ID
FCC / IC / CE
/ MIC
All BT9
00 Series
Note 1: DSR, DTR, RI, and DCD can be implemented in the smart
BASIC application.
Note 2: With I2C interface selected, pull-up resistors on I2C SDA and I2C SCL MUST be
connected externally as per I2C standard.
Note 3: SPI interface consists of SPI MOSI, SPI MISO and SPI CLK. SPI CS is created by customer
using any spare SIO pin within their smartBASIC application script allowing
multi-dropping.
Note 4: BT900 module comes loaded with smart
BASIC runtime engine FW, but does not come
loaded with any smart
BASIC application script (as that is dependent on customer end
application or use). Laird provides many sample smart
BASIC application scripts
covering the services listed. Additional BLE services being added every quarter.
Note 5: 227uA is when the internal radio chip 32.768kHz is used. 113uA is when external
32.768kHz oscillator is connected to BT900 (radio chip) pin34(BT_Ext_DS_CLK).

BT900-Sx Hardware Integration Guide
Intelligent BTv4.0 Dual Mode Module
Americas: +1-800-492-2320 Option 2
Europe: +44-1628-858-940
Hong Kong: +852-2923-0610
www.lairdtech.com/bluetooth
9 CONN-HIG-BT900
3 H
ARDWARE
S
PECIFICATIONS
3.1
Block Diagram and Pin-out
smartBASIC
run-time engine
(provides safe access to
BT/BLE stack, drivers and
non-vol stores)
Non-Vol
File
System
for
smartBASIC
Apps
Non-Vol
Data
Store
I/O, UART,I2C,SPI Drivers
UART ADC I2C SPI
OR UFL
Internal
Antenna
47 connection pads
RAM
Flash
GPIO/PWM
Blutooth 4.0 Radio
( Classic BT & BLE )
User smartBASIC Application
Example App
PRINT "Laird BT900 Module"
WaitEvent
Bluetooth Classic
&
Bluetooth Low Energy
Stack
Serial Flash
(SPI)
ARM Cortex M3
running
smartBASIC
32.768Khz
Crystal
Figure 1: Functional HW and SW block Diagram for BT900 series Dual-Mode BT/ BLE smartBASIC module
Figure 2: BT900-Sx module pin-out (top view).

BT900-Sx Hardware Integration Guide
Intelligent BTv4.0 Dual Mode Module
Americas: +1-800-492-2320 Option 2
Europe: +44-1628-858-940
Hong Kong: +852-2923-0610
www.lairdtech.com/bluetooth
10 CONN-HIG-BT900
3.2
Pin Definitions
Table 2: Pin definitions
Pin
# Pin Designation Default
Function
Alternate
Function
Default
Direction
Supply
Domain
Pull-up
or pull
down
Notes Comment
1 UART_CTS UART SIO_3 IN VCC TBD
2 SIO_4 DIO ? IN
VCC TBD
1,2,3,4,5
Laird Devkit :
UART_DTR via
CON12
3 nAutoRUN IN
VCC
In ONLY
Laird Devkit:
UART_DSR via
CON12???
4 SIO_5 DIO ? IN
VCC TBD
1,2,3,4,5
Laird Devkit :
UART_DCD via
CON12
5 VCC 1.75V-3.3V
6 GND
7 SIO_6 DIO SPI MISO IN VCC TBD 1,2,3,4,5 SPIOPEN() in
smartBASIC
selects SPI
function, MOSI
and CLK will be
outputs when in
SPI master mode.
See Note 11?.
8 SIO_7 DIO SPI MOSI IN
VCC TBD
1,2,4,5,6
9 SIO_8 DIO IN
VCC TBD
1,2, 12
Laird Devkit :
UART_RI via
CON12
10 SIO_9 DIO SPI CLK IN VCC TBD 1,2,4,5,6
11 SIO_10 DIO I2C SDA IN VCC TBD 1,2,4,5,6
I2COPEN() in
smartBASIC
selects I2C
function
12 SIO_11 DIO I2C SCL IN
VCC TBD
1,2,4,5,6
13 GND
14 SIO_12 DIO IN VCC TBD 1,2,4,5,6 Laird Devkit :
Buzzer output
15 SIO_13 DIO IN VCC TBD 1,2,4,5,6 Laird Devkit :
Button1 input
16 nRESET IN VCC TBD 9,10 System Reset
(Active low)
17 SIO_14 DIO SWDIO IN VCC TBD
18 SIO_15 DIO
IN VCC TBD 1,2
19 SIO_16 DIO SWCLK IN VCC TBD 1,2
20 SIO_17 DIO
IN VCC TBD 1,2
Laird Devkit : LED1
21 SIO_18 DIO
IN VCC TBD 1,2
Laird Devkit : LED2
22 SIO_19 DIO
IN VCC TBD

BT900-Sx Hardware Integration Guide
Intelligent BTv4.0 Dual Mode Module
Americas: +1-800-492-2320 Option 2
Europe: +44-1628-858-940
Hong Kong: +852-2923-0610
www.lairdtech.com/bluetooth
11 CONN-HIG-BT900
Pin
# Pin Designation Default
Function
Alternate
Function
Default
Direction
Supply
Domain
Pull-up
or pull
down
Notes Comment
23 GND
24 SIO_20 DIO AIN(ADC
01) IN VCC TBD 1,2 Laird Devkit :
Button2 input
25 SIO_21 DIO AIN(ADC
00) IN VCC TBD 1,2
26 AVCC
IN 1.7V-3.6V
1,2
27 NC NC
Reserved for
future use. Do
NOT connect.
28 AVREF
29 GND
30 GND
8
31 BT_VREG_IN_HV
3.3V TBD
32 BT_VREG_OUT_HV DIO 1.8V TBD 1,2,4,6,7
33 GND DIO
1,2,4,6,7
34 BT_Ext_DS_CLK DIO IN BT_VDD_IO
TBD 1,2,4,6,7
35 BT_PCM_OUT DIO OUT BT_VDD_IO
TBD 1,2,4,6,7
36 BT_PCM_SYNC DIO
? BT_VDD_IO
TBD 1,2
37 BT_PCM_CLK
OUT BT_VDD_IO
TBD
38 BT_PCM_IN NC
IN BT_VDD_IO
TBD
39 BT_ACTIVE NC
? BT_VDD_IO
TBD
40 WLAN_ACTIVE ? BT_VDD_IO
TBD
41 BT_PCM#SEL DIO
IN BT_VDD_IO
TBD 1,2
42 BT_PRIORITY DIO
? BT_VDD_IO
TBD 1,2
43 BT_VDD_IO
3.3V or
1.8V
44 UART_RX DIO SIO_0 IN VCC TBD 1,2,4,6,7
UARTCLOSE()
selects DIO
functionality and
UARTOPEN()
selects uart
comms behaviour
45 UART_TX DIO SIO_1 OUT VCC TBD 1,2,4,6,7
46 UART_RTS DIO SIO_2 OUT
VCC TBD
1,2,4,6,7
47 GND
Note 1: Secondary function is selectable in smartBASIC application.
Note 2: DIO = Digital Input or Output. I/O voltage level tracks VCC.
Note 3: AIN = Analog Input
Note 4: DIO or AIN functionality is selected using the GpioSetFunc() function in smartBASIC.
Note 5: AIN configuration selected using GpioSetFunc() function.
Note 6: I2C, UART, SPI controlled by xxxOPEN() functions in smart
BASIC.
Note 7: SIO_0 to SIO_3 are DIO by default when $autorun$ app runs on power up.
Note 9: Pull the nRESET pin low for minimum 100 mS (TBD) in order for the BT900 to reset.

BT900-Sx Hardware Integration Guide
Intelligent BTv4.0 Dual Mode Module
Americas: +1-800-492-2320 Option 2
Europe: +44-1628-858-940
Hong Kong: +852-2923-0610
www.lairdtech.com/bluetooth
12 CONN-HIG-BT900
Note10: SPI CS is created by customer using any spare SIO pin within their smartBASIC
application script allowing multi-dropping.
Note11: SIO_TBD pin has to be pulled high externally to enable OTA (over the Air) smartBASIC
application download. Refer to the latest FW release documentation for details.
The BT900 module is delivered with the integrated smart
BASIC runtime engine FW loaded (but no
onboard smartBASIC application script). Because of this, it starts up in AT command mode by
default.
At reset, all SIO lines are configured as the defaults shown above.
SIO lines can be configured through the smart
BASIC application script to be either inputs or
outputs with pull-ups or none. When an alternative SIO function is selected (such as I2C or SPI),
the firmware does not allow the setup of internal pull-up. Therefore, when I2C interface is
selected, pull-up resistors on I2C SDA and I2C SCL MUST be connected externally as per I2C
standard.
All the SIO pins (with a default function of DIO are inputs – with no internal pull-up apart from
SIO_1 and SIO_3, which are outputs):
SIO_1 (alternative function UART_TX) is an output, set high (in FW).
SIO_2 (alternative function UART_RTS) is an output, set low (in FW).
SIO_0 (alternative function UART_RX) is an input, set with internal weak pull-up (in FW).
SIO_3 (alternative function UART_CTS) is an input, set with internal weak pull-down (in FW).
SIO_7 is an input, set with internal pull-down (in FW). It is used for over the air downloading of
smart
BASIC applications. Refer to the latest FW release documentation for details.
UART_RX, UART_TX, UART_CTS are 3.3 V level logic (if VCC is 3.3 V, i.e. SIO pin I/O levels track VCC).
For example, when RX and TX are idle, they sit at 3.3 V (if VCC is 3.3 V). Conversely, handshaking
pins CTS and RTS at 0 V are treated as assertions.
Pin 3 (nAutoRUN) is an input, with active low logic. In the development kit (DVK-BT900-sx) it is
connected so that the state is driven by the host’s DTR output line. The nAutoRUN pin must be
externally held high or low to select between the following two BT900 operating modes:
Self-contained Run mode (nAutoRUN pin held at 0 V).
Interactive / development mode (nAutoRUN pin held at VCC).
smartBASIC runtime engine firmware checks for the status of nAutoRUN during power-up or reset.
If it is low and if there is a smartBASIC application script named $autorun$, then the smartBASIC
runtime engine FW executes the application script automatically; hence the name
Self-contained Run Mode.
3.3
Electrical Specifications
3.3.1 Absolute Maximum ratings
Absolute maximum ratings for supply voltage and voltages on digital and analogue pins of the
module are listed below; exceeding these values causes permanent damage.
Table 3: Maximum Current Ratings
Parameter Min Max Unit
Voltage at
VCC
pin
-
0.3
+3.6
V
AVCC
VSS
-
0.5
VSS+4.6
V
AVREF
VSS
-
0.5
VSS+4.6
V
BT_VREG_IN_HV
2.3
4.8
V

BT900-Sx Hardware Integration Guide
Intelligent BTv4.0 Dual Mode Module
Americas: +1-800-492-2320 Option 2
Europe: +44-1628-858-940
Hong Kong: +852-2923-0610
www.lairdtech.com/bluetooth
13 CONN-HIG-BT900
BT_VREG_OUT_HV
1.7
2.0
V
BT_VDD_IO
-
0.4
3.6
V
Voltage at GND pin
0
V
Voltage at SIO pin
-
0.3
VCC+0.3
V
Storage temperature
-
40
+85
ºC
3.3.2 Recommended Operating Parameters
Table 4: Power Supply Operating Parameters
Parameter Min Typ Max Unit
VCC
1
(Note1)
1.
75
3
.3
3.6
V
AVCC
1
(AVCC=VCC)
Note
1
1.7
5
3.3
3.6
V
AVREF
1
(when AVCC>=2.7V
AVREF
1
(when AVCC<2.7V)
2.7V
AVCC
AVCC
AVCC
V
VCC Maximum ripple or noise
2
<
10
%of VCC
%
VCC rise time (0 to 1.8V
)
2
VCC shut down time (1.8V to 0V)
2
0.1
1
mS
mS
Operating Temperature Range
-40 -
+85 ºC
BT_VREG_IN_HV
4
2.3
3.6
V
BT_VREG_OUT_HV
4
1.75
1.95
V
BT_VDD_IO
1.2
3.6
V
Note 1: Notes on power on. Turn on/off in the following order or at same time.
Turning on: VCCAVCCAVRH. Turning off: AVRHAVCCVCC. If not using
the ADC convertor, connect AVCC=VCC.
Note 2: The maximum VCC ripple or noise (at any frequency) should not exceed 10% of VCC.
Ensure transient fluctuation rate does not exceed 0.1V/uS.
Note 3: nRESET input time is minimum 500nS. The on-board power-on reset circuitry may not
work for rise times outside the noted interval.
Time reset is active from VCC reaches 1.75 V with x mS rise time is v mS typical.
Time reset is active from VCC reaches 1.75 V with y uS rise time is z mS typical.
Note4: BT radio chip in the BT900 has two internal regulators, a high voltage (input pin
BT_VREG_IN_HV) and low voltage (input pin BT_VREG_OUT_HV) regulator. ONLY one
regulator can be used to power radio chip.
Method1: If BT900 is required to operate from 3.3V, connect external 3.3V supply to
pin31 BT_VREG_IN_HV and MUST leave pin32 BT_VREG_OUT_HV unconnected.
Pin5(VCC) and pin43(BT_VDD_IO) should be connected to pin31 BT_VREG_IN_HV.
Method2: If BT900 is required to operate from 1.8V, connect external 1.8V supply to
pin32 BT_VREG_OUT_HV and MUST leave pin31 BT_VREG_IN_HV unconnected.
Pin5(VCC) and pin43(BT_VDD_IO) should be connected to pin32 BT_VREG_OUT_HV.
Table 5: Signal Levels for Interface, SIO
Parameter Condition Min Typ Max Unit
VIH Input high voltage
VCC<2.7V
VCC>=2.7V
0.7VxCC
0.8VxCC
VCC+0.3
VCC+0.3
V

BT900-Sx Hardware Integration Guide
Intelligent BTv4.0 Dual Mode Module
Americas: +1-800-492-2320 Option 2
Europe: +44-1628-858-940
Hong Kong: +852-2923-0610
www.lairdtech.com/bluetooth
14 CONN-HIG-BT900
VIL Input low voltage
VCC<2.7V
VCC>=2.7V
VSS
-
0.3
0.3xVCC
0.2xVCC
V
V
VOH Output high voltage
(std. drive, 4mA)
VCC<2.7V
VCC>=2.7V
VCC-0.45
VCC-0.5
VCC
VCC
V
V
VOL Output low voltage
(std. drive, 4mA)
VCC<2.7V
VCC>=2.7V
VSS
VSS
0.4
0.4
V
V
Pull up resistance
VCC<2.7V
VCC>=2.7V
-
21
-
33
134
66
k
Ω
kΩ
Input capacitance
5
15
pF
Note 1: Maximum number of pins with 4 mA drive is TBD.
Table 6: SIO pin alternative function AIN (ADC) specification
Parameter
Min
Typ
Max
Unit
AVCC
1
(AVCC=VCC)
1.75
3.3
3.6
V
AVCC current draw(ADC 1 unit
operation)
1
AVCC current draw (ADC stop)
0.27
0.03
0.42
10
mA
uA
AVREF
1
(when AVCC
>=2.7V
AVREF
1
(when AVCC<2.7V)
2.7V
AVCC
AVCC
AVCC
V
AVREF current draw (ADC 1 unit
operation)
AVREF current draw (ADC stop)
0.72
0.02
1.29
2.6
mA
uA
ADC input pin (AIN) voltage maximum VSS
AVREF V
ADC input port (AIN) current draw
5
uA
Time required to convert single sample
12bit mode 2
10 uS
ADC input resistor impedance (during
operation)
3
AVCC≥2.7V
1.8V≤AVCC<2.7V
ADC input capacitance impedance
(during operation)
3
2.2
5.5-10.5
kOhm
kOhm
9.4 pF
Note 1: TBD
Note 2: Currently, the smartBASIC runtime engine firmware allows 12-bit mode.
Note 3: ADC input impedance is estimated mean impedance of the ADC (AIN) pins. The ADC
is highly sensitive to the impedance of the source. The ADC (AIN) input impedance is
2.2-10.5k. Normally, when not sampling, the ADC (AIN) impedance will have very high
value and can consider it to be an open circuit. The moment ADC is sampling,
ADC(AIN) impedance is 2.2-10.5k.

BT900-Sx Hardware Integration Guide
Intelligent BTv4.0 Dual Mode Module
Americas: +1-800-492-2320 Option 2
Europe: +44-1628-858-940
Hong Kong: +852-2923-0610
www.lairdtech.com/bluetooth
15 CONN-HIG-BT900
R
ext
: Output impedance of external circuit (kOhms)
R
ext
: Sampling time (nS)
T
s
≥ (R
AIN
+ R
ext
) x C
AIN
x 9
R
AIN
: Input resistor of ADC(kOhms)=2.2kOhms at 2.7V≤AVCC≤3.6V
Input resistor of ADC(kOhms)=5.5kOhms at 1.8V≤AVCC≤2.7V
C
AIN
: Input capacity of ADC(pF)=9.4pF at 1.8V≤AVCC≤3.6V
3.3.3 nAutoRUN pin and Operating Modes
Operating modes (refer to the smart
BASIC manual for details):
Self-contained mode
Interactive / Development mode
Table 7: nAutoRUN pin
Signal Name Pin No
I/
O
Comments
nAutoRUN 3 I
Input with active low logic.
Operating mode selected by nAutoRun pin status:
If Low (0V), runs $autorun$ if it exists;
If High (VCC), runs via at+run (and “file name” of application).
Pin 3 (nAutoRUN) is an input, with active low logic. In the development board (DVK-BT900-sx) it is
connected so that the state is driven by the host’s DTR output line. nAutoRUN pin needs to be
externally held high or low to select between the two BT900 operating modes:
Self-contained Run mode (nAutoRUN pin held at 0V).
Interactive / Development mode (nAutoRUN pin held at VCC).
smartBASIC runtime engine firmware checks for the status of nAutoRUN during power-up or reset.
If it is low and if there is a smartBASIC application named $autorun$ then the smartBASIC runtime
engine executes the application automatically; hence the name self-contained run mode.
3.3.4 OTA (Over the Air)
smart
BASIC application download
In future release this feature will be available.
BT900-Sx Hardware Integration Guide
Intelligent BTv4.0 Dual Mode Module
Americas: +1-800-492-2320 Option 2
Europe: +44-1628-858-940
Hong Kong: +852-2923-0610
www.lairdtech.com/bluetooth
16 CONN-HIG-BT900
Refer to latest FW release (TBD) documentation (FW release notes and smart
BASIC user manual)
for initial details.

BT900-Sx Hardware Integration Guide
Intelligent BTv4.0 Dual Mode Module
Americas: +1-800-492-2320 Option 2
Europe: +44-1628-858-940
Hong Kong: +852-2923-0610
www.lairdtech.com/bluetooth
17 CONN-HIG-BT900
Table 8: OTA mode
Signal Name Pin No I/
O
Comments
(SIO_TBD) 9 I Internal pull down (default).
OTA mode selected by externally pulling SIO_7 pin:
High (VCC), then OTA smart
BASIC application download is
possible.
The OTA smart
BASIC application download feature can be useful for a customer’s production
because it allows the module to be soldered into an end product without preconfiguration; the
application can then be downloaded over the air once the product has been pre-tested.
Note: It is the smart
BASIC application that is downloaded over the air and NOT the firmware.
Due to this principle reason for use in production, to facilitate multiple programming
stations in a locality the transmit power is limited (to lower Tx power), refer to smart
BASIC
user manual for more details.
4 P
OWER
C
ONSUMPTION
Data taken at VCC 3.3V and 25ºC.
4.1
Power Consumption
Table 9: Power consumption
Parameter Min Typ Max Unit
Active Peak current –Note1
TX only run peak current @TXpwr= +8 dBm
TX only run peak current @T pwr= +4 dBm
TX only run peak current @TXpwr= 0 dBm
TX only run peak current @TXpwr= -4 dBm
TX only run peak current @TXpwr= -8 dBm
TX only run peak current @TXpwr= -12 dBm
TX only run peak current @TXpwr= -16 dBm
T X only run peak current @TXpwr= -20 dBm
85
71
61
55
52
49
48
mA
mA
mA
mA
mA
mA
mA
Active Mode
RX only ‘peak’ current (Note2)
TBD
mA
Ultra Low Power Mode1(Note3)
Standby Doze (waitevent)
Standby Doze (waitevent)-Note3
227
113
uA
uA
Ultra Low Power Mode2(Note4)
Deep Sleep (no RAM retention)
7 (Note 4)
uA
BLE Mode
Active Mode Average current (Note5)
Advertising Average Current draw
TBD
uA

BT900-Sx Hardware Integration Guide
Intelligent BTv4.0 Dual Mode Module
Americas: +1-800-492-2320 Option 2
Europe: +44-1628-858-940
Hong Kong: +852-2923-0610
www.lairdtech.com/bluetooth
18 CONN-HIG-BT900
Parameter Min Typ Max Unit
Max
,
with advertising inter
v
al (min) 20 mS
Min, with advertising interval (max) 10240 mS
Connection Average Current draw
Max, with connection interval (min) 7.5 mS
with connection interval 67.5 mS
Min, with connection interval (max) 4000 mS
TBD
TBD
TBD
uA
uA
uA
uA
Note 1:
Note 2: Firmware version
Note 3: Standby Doze is entered automatically (when waitevent statement is encountered
within a smartBASIC application script). In Standby Doze, all peripherals that are
enabled stay on and may re-awaken the chip. Depending on active peripherals,
current consumption ranges from ~xx µA to > 1 mA. See individual peripherals current
consumption in tables in section Peripheral block current consumption 4.3.
External supplied Sleep Clock oscillator for BT Radio chip sleep modes (BT900 pin34,
BT_Ext_DS_CLK). There is current consumption saving of 114uA when using external
32.768kHz.
227uA is when the internal radio chip 32.768kHz is used.
113uA is when external 32.768kHz oscillator is connected to BT900 (radio chip)
pin34(BT_Ext_DS_CLK). PSKey needs to be changed via smartBASIC command.
Note 4: In Deep Sleep, everything is disabled and the only wake-up sources are reset and
changed on pins on which sense is enabled. The current consumption seen is ~7uA
typical. Current smart
BASIC runtime engine firmware (v9.x.y.z) requires a hardware reset
to come out of deep sleep. Future firmware releases allow coming out from Deep Sleep
to Standby Doze through GPIO signal through the reset vector. Deep Sleep mode is
entered (with a command in smart
BASIC application script).
Note 5: BLE radio taken with TX power 8 dBm and all peripherals off (UART OFF after radio event),
slave latency of 0 (in a connection). Average current consumption depends on a
number of factors [including TX power, VCC accuracy of 26 MHz and 32.768 kHz). With
these factors fixed, the largest variable is the advertising or connection interval set.
Advertising Interval range:
20 ms to 10240 ms in multiples of 0.625 ms for Advert type=ADV_IND and
ADV_DIRECT_IND.
100 ms to 10240 ms in multiples of 0.625 ms for Advert type=ADV_SCAN_IND and
ADV_NONCONN_IND.
For advertising timeout, if the advert type is ADV_DIRECT_IND, then the timeout is limited
to 1.28 seconds (1280 ms).
For an advertising event,
- the minimum average current consumption is when the advertising interval is large
10240 mS (although this may cause long discover times (for the advertising event) by
scanners
- the maximum average current consumption is when the advertising interval is small 20
mS

BT900-Sx Hardware Integration Guide
Intelligent BTv4.0 Dual Mode Module
Americas: +1-800-492-2320 Option 2
Europe: +44-1628-858-940
Hong Kong: +852-2923-0610
www.lairdtech.com/bluetooth
19 CONN-HIG-BT900
Other factors that are also related to average current consumption include the
advertising payload bytes in each advertising packet and whether continuously
advertising or periodically advertising.
Connection Interval range -
7.5 ms to 4000 ms in multiples of 1.25 ms.
For a connection event,
- the minimum average current consumption is when the connection interval is large
4000 mS
– the maximum average current consumption is with the shortest connection interval of
7.5 ms; no slave latency.
Other factors that are also related to average current consumption include whether
transmitting 6 packets per connection interval & each packet contains 20 bytes (which
is the maximum for each packet) and an inaccurate 32 kHz master clock accuracy
would increase the average current consumption.
4.2
Measured Peak Current Waveforms During BLE Advertising and Connection
Error! Reference source not found. illustrates current waveforms observed as the BT900 module
performs advertising and connection functionality.
Figure 3: Typical peak current
consumption profile during advertising
in slave mode @ TX PWR +8dBm. UART is
OFF. 8
Figure 4: Typical peak current consumption profile during data
connection event in slave mode @ TX PWR +8dBm. UART is ON.

BT900-Sx Hardware Integration Guide
Intelligent BTv4.0 Dual Mode Module
Americas: +1-800-492-2320 Option 2
Europe: +44-1628-858-940
Hong Kong: +852-2923-0610
www.lairdtech.com/bluetooth
20 CONN-HIG-BT900
4
dBm
0
dBm
-
4
dBm
-
8
dBm
-
12
dBm
-
16
dBm
-
20
dBm
Figure 5: Typical peak current consumption profile during advertising in slave mode versus TX PWR
Note: In the above pictures, UART is ON. X-axis time (1 mS per square), Y-axis current (2 mA per
square).

BT900-Sx Hardware Integration Guide
Intelligent BTv4.0 Dual Mode Module
Americas: +1-800-492-2320 Option 2
Europe: +44-1628-858-940
Hong Kong: +852-2923-0610
www.lairdtech.com/bluetooth
21 CONN-HIG-BT900
4dBm
0dBm
-
4dBm
-
8dBm
-
12dBm
-
16dBm
-
20dBm
Figure 6: Typical peak current consumption profile during connection event in slave mode versus TX PWR.
Figure 7:
Note: In the above pictures, UART is ON. X-axis time (1 mS per square), Y-axis current (2 mA per
square).

BT900-Sx Hardware Integration Guide
Intelligent BTv4.0 Dual Mode Module
Americas: +1-800-492-2320 Option 2
Europe: +44-1628-858-940
Hong Kong: +852-2923-0610
www.lairdtech.com/bluetooth
22 CONN-HIG-BT900
4.3
Peripheral block current consumption
The values below are calculated for a typical operating voltage of 3 V.
Table 10: UART Power Consumption
Parameter Min Typ Max Unit
UART Run current @ 115200 bps xxx uA
UART Run current @ 1200 bps xxx uA
UART Baud rate 1.2 115.2 kbps
Table 11: SPI Power Consumption
Parameter Min Typ Max Unit
SPI Master Run current @ 125 kbps xxx uA
SPI Master Run current @ 4 Mbps xxx uA
SPI bit rate 0.125 8 Mbps
Table 12: I2C Power Consumption
Parameter Min Typ Max Unit
I2C Run current @ 100 kbps xxx uA
I2C Run current @ 400 bps xxx uA
I2C Bit rate 100 400 kbps
Table 13: ADC
Parameter Min Typ Max Unit
ADC current during conversion xxx uA
The above current consumption is for the particular peripheral only and to operate that
peripheral requires some other internal blocks which consume fixed amount of base current
(~xxxuA).
This base current of ~xxxx uA is consumed when the UART, SPI, I2C, or ADC is opened (operated).
For asynchronous interface like the UART (asynchronous as the other end can communicate at
any time), the UART (on BT900) must kept open (by a command in smart
BASIC application script)
resulting in the base current consumption penalty.
For synchronous interface like the I2C or SPI (since BT900 side is the master), the interface can be
closed and opened only (by a command in smart
BASIC application script) when needed,
resulting in current saving (no base current consumption penalty). Similar argument for ADC
(open ADC when needed).
BT900-Sx Hardware Integration Guide
Intelligent BTv4.0 Dual Mode Module
Americas: +1-800-492-2320 Option 2
Europe: +44-1628-858-940
Hong Kong: +852-2923-0610
www.lairdtech.com/bluetooth
23 CONN-HIG-BT900
5 F
UNCTIONAL
D
ESCRIPTION
The BT900 Dual Mode (BT/BLE) module is a self-contained Bluetooth Low Energy product and
requires only power and a user’s smartBASIC application to implement full BLE functionality. The
integrated, high performance antenna combined with the RF and Base-band circuitry provides
the Bluetooth Low Energy wireless link, and any of the SIO lines provide the OEM’s chosen
interface connection to the sensors. The user’s smartBASIC application binds the sensors to the
BLE wireless functionality.
The variety of hardware interfaces and the smartBASIC programming language allow the BT900
module to serve a wide range of wireless applications, whilst reducing overall time to market and
the learning curve for developing Dual mode BT/ BLE products.
To provide the widest scope for integration a variety of physical host interfaces / sensors are
provided. The major BT900 series module functional blocks described below.
5.1
Power management (includes brown-out and power on reset)
Power management features:
System Standby Doze / Deep Sleep modes.
Brownout Reset.
Open /Close Peripherals (UART, SPI, I2C, SIO’s and ADC). Peripherals consume current when
open; each peripheral can be individually closed to save power consumption (with a
command in a smartBASIC application script).
2-region RAM retention (No RAM retention in Deep Sleep mode).
smartBASIC command allows the VCC voltage to be read (through the internal ADC).
Power fail comparator.
Pin wake-up system from Deep sleep.
Power supply features:
Supervisor HW to manage power on reset, brownout (and power fail).
1.8V to 3.6V supply range using internal LDO regulator.
5.2
Clocks and TIMERS
5.2.1 Clocks
The integrated high accuracy (+/-20ppm) 32.768kHz crystal oscillator provides protocol timing
and helps with Radio power consumption in the system Standby Doze /Deep sleep modes by
reducing the time that the RX window needs to be open. Standard accuracy clocks tend to
have lower accuracy +/-250 ppm.
The integrated high accuracy 26 MHz (+/-10ppm) crystal oscillator helps with Radio operation
and also helps reduce power consumption in the Active modes.
5.2.2 TIMERS
In keeping with the event driven paradigm of smart BASIC, the timer subsystem enables smart
BASIC applications to be written which allow future events to be generated based on timeouts.
Regular Timer: There are x built-in timers (regular timer) derived from a single RTC clock which are
controlled solely by smart
BASIC functions. The resolution of the regular timer is xyz microseconds.
Tick Timer is a xx bit free running counter that increments every x millisecond. The resolution of this
counter is xxx microseconds. This counter can be accessed using the functions GetTickCount()
and GetTickSince().

BT900-Sx Hardware Integration Guide
Intelligent BTv4.0 Dual Mode Module
Americas: +1-800-492-2320 Option 2
Europe: +44-1628-858-940
Hong Kong: +852-2923-0610
www.lairdtech.com/bluetooth
24 CONN-HIG-BT900
Refer to the smart
BASIC user manual.
5.3
Memory for
smart
BASIC Application Code
User has up to 4Kbytes (TBD) of data memory available for smart
BASIC application script.
5.4
RF
2402–2480 MHz Bluetooth4.0 Dual Mode (BT and BLE) (1Mbps to 3Mbps over the air data
rate).
TX output power of +8 dBm programmable (via smartBASIC command) to -20 dBm in steps
of 4 dB.
Receiver (with integrated channel filters) to achieve maximum sensitivity -90dBm @ 1 Mbps
BLE or Classic BT 2Mbps, 3Mbps).
RF conducted interface available in 3-ways:
- BT900-SA -RF connected to on-board antenna on BT900-SA
- BT900-SC -RF connected to on-board uFL RF connector on BT900-SC
Antenna options:
- Integrated monopole chip antenna on BT900-SA
- External dipole antenna connected with to uFL RF connector on BT900-SC.
5.5
UART Interface
The Universal Asynchronous Receiver/Transmitter offers fast, full-duplex, asynchronous serial
communication with built-in flow control support (UART_CTS, UART_RTS) in HW up to 1 Mbps baud.
Parity checking and generation for the 9th data bit are supported.
UART_TX, UART_RX, UART_RTS, and UART_CTS form a conventional asynchronous serial data port
with handshaking. The interface is designed to operate correctly when connected to other UART
devices such as the 16550A. The signalling levels are nominal 0 V and 3.3 V (tracks VCC) and are
inverted with respect to the signalling on an RS232 cable.
Two-way hardware flow control is implemented by UART_RTS and UART_CTS. UART_RTS is an
output and UART_CTS is an input. Both are active low.
These signals operate according to normal industry convention. UART_RX, UART_TX, UART_CTS,
UART_RTS are all 3.3 V level logic (tracks VCC). For example, when RX and TX are idle they sit at
3.3 V. Conversely for handshaking pins CTS, RTS at 0 V is treated as an assertion.
The module communicates with the customer application using the following signals:
Port /TXD of the application sends data to the module’s UART_RX signal line
Port /RXD of the application receives data from the module’s UART_TX signal line
BT900
UART_TX
UART_RX
UART_CTS
UART_RTS
Application - Host
/RXD
/TXD
/RTS
/CTS

BT900-Sx Hardware Integration Guide
Intelligent BTv4.0 Dual Mode Module
Americas: +1-800-492-2320 Option 2
Europe: +44-1628-858-940
Hong Kong: +852-2923-0610
www.lairdtech.com/bluetooth
25 CONN-HIG-BT900
Note: The BT900 serial module output is at 3.3V CMOS logic levels (tracks VCC). Level
conversion must be added to interface with an RS-232 level compliant interface.
Some serial implementations link CTS and RTS to remove the need for handshaking. Laird does
not recommend linking CTS and RTS other than for testing and prototyping. If these pins are linked
and the host sends data at the point that the BT900 deasserts its RTS signal, then there is significant
risk that internal receive buffers will overflow, which could lead to an internal processor crash. This
will drop the connection and may require a power cycle to reset the module. Laird recommends
that the correct CTS/RTS handshaking protocol be adhered to for proper operation.
Table 14: UART Interface
Signal Name Pin
No
I/O Comments
SIO_1 / UART_TX 45 O SIO_1 (alternative function UART_TX) is an output, set high (in
FW).
SIO_0 / UART_RX 44 I SIO_0 (alternative function UART_RX) is an input, set with
internal pull-up (in FW).
SIO_2 / UART_RTS 46 O SIO_2 (alternative function UART_RTS) is an output, set low (in
FW).
SIO_3 / UART_CTS 35 I SIO_3 (alternative function UART_CTS) is an input, set with
internal pull-down (in FW).
The UART interface is also used to load customer developed smart
BASIC application script.
5.6
SPI Bus
The SPI interface is an alternate function on SIO pins, configurable by smart
BASIC.
The Module is a master device that uses terminals SPI_MOSI, SPI_MISO, and SPI_CLK. SPI_CSB is
implemented using any spare SIO digital output pins to allow for multi-dropping.
The SPI interface enables full duplex synchronous communication between devices. It supports a
3-wire (SPI_MOSI, SPI_MISO, SPI_SCK,) bidirectional bus with fast data transfers to and from
multiple slaves. Individual chip select signals will be necessary for each of the slave devices
attached to a bus, but control of these is left to the application through use of SIO signals. I/O
data is double buffered.
The SPI peripheral supports SPI mode 0, 1, 2, and 3.
Table 15: Peripheral supports
Signal Name Pin No I/O Comments
SPI_MOSI 8 O This interface is an alternate function configurable by
smart
BASIC. Default in the FW pin 8 and 10 are inputs.
SPIOPEN() in smart
BASIC selects SPI function and
changes pin8and 10 to outputs (when in SPI master
mode).
SPI_MISO 7 I
SPI_CLK 10 O
5.7
I2C Interface
The I2C interface is an alternate function on SIO pins, configurable by smart
BASIC command.
The Two-wire interface can interface a bi-directional wired-OR bus with two lines (SCL, SDA) and
has master /slave topology. The interface is capable of clock stretching. Data rates of 100 kbps
and 400 kbps are supported.

BT900-Sx Hardware Integration Guide
Intelligent BTv4.0 Dual Mode Module
Americas: +1-800-492-2320 Option 2
Europe: +44-1628-858-940
Hong Kong: +852-2923-0610
www.lairdtech.com/bluetooth
26 CONN-HIG-BT900
An I2C interface allows multiple masters and slaves to communicate over a shared wired-OR
type bus consisting two lines which normally sit at VCC. The BT900 module can only be configured
as an I2C master with additional constraint that it be the only master on the bus. The SCL is the
clock line which is always sourced by the master and SDA is a bi-directional data line which can
be driven by any device on the bus.
IMPORTANT: It is essential to remember that pull-up resistors on both SCL and SDA lines are not
provided in the module and MUST be provided external to the module.

BT900-Sx Hardware Integration Guide
Intelligent BTv4.0 Dual Mode Module
Americas: +1-800-492-2320 Option 2
Europe: +44-1628-858-940
Hong Kong: +852-2923-0610
www.lairdtech.com/bluetooth
27 CONN-HIG-BT900
Table 16: I2C Interface
Signal Name Pin No I/O Comments
I2C_SDA 11 I/O This interface is an alternate function on each pin,
configurable by smartBASIC. I2COPEN() in smartBASIC
selects I2C function.
I2C_SCL 12 I/O
5.8
General Purpose I/O, ADC and Quadrature Decoder
5.8.1 GPIO
The 18 SIO pins are configurable by smartBASIC. They can be accessed individually. Each has the
following user configured features:
Input/output direction
Output drive strength (4mA)
Internal pull up resistors (33K typical) or no pull-up.
Wake-up from high or low level triggers on all pins.
GPIO pins (pinswhose names begin with “BT”
5.8.2 Quadrature Decoder
The following feature exists in hardware but cannot be configured in the firmware currently:
The quadrature decoder provides buffered decoding of quadrature-encoded sensor
signals. It is suitable for mechanical and optical sensors with an optional LED output signal
and input debounce filters. The sample period and accumulation are configurable to
match application requirements. All pins individually can be configured to carry
quadrature demodulator signals.
5.8.3 ADC
The ADC is an alternate function on SIO pins, configurable by smart
BASIC.
The BT900 provides access to six-channel 12-bit incremental ADC. This enables sampling multiple
external signals through a front end MUX. The ADC has configurable input and TBD.
Note: Current smartBASIC runtime engine firmware (v9.x.y.z) provides access to 12-bit mode
resolution only.
5.8.3.1
Analog Interface (ADC)
Table 17: Analog interface
Signal Name Pin No
I/O Comments
AIN
–
Analog Input
2
4
I
This interface is an alternate function on each pin,
configurable by smartBASIC. AIN configuration
selected using GpioSetFunc() function.
Up to 12bit resolution.
AIN
–
Analog Input
4
5
I
5.8.4 APWM and FREQ signal output on upto xSIO pins
The PWM and FREQ output is an alternate function on SIO pins, configurable by smart
BASIC.
The ability to output a PWM (Pulse Width Modulated) signal or FREQ output signal on up to x GPIO
(SIO) output pins has been added since smartBASIC runtime engine firmware v9.x.y.z and can be
selected using GpioSetFunc() function.
PWM output signal has a frequency and duty cycle property. PWM output is generated using
xx-bit hardware timers. The timers are clocked by a xMHz clock source. Frequency is adjustable

BT900-Sx Hardware Integration Guide
Intelligent BTv4.0 Dual Mode Module
Americas: +1-800-492-2320 Option 2
Europe: +44-1628-858-940
Hong Kong: +852-2923-0610
www.lairdtech.com/bluetooth
28 CONN-HIG-BT900
(upto xMHz )and the Duty cycle can be set over range from 0% to 100% (both configurable by
smart
BASIC command). Note, the frequency driving each of the x SIO pins is the same but the
duty cycle can be independently set for each pin.
FREQ output signal frequency can be set over a range of 0Hz to xMHz (with 50% mark-space
ratio).
5.9
nRESET pin
Table 18: nRESET pin
Signal Name
Pin No
I/O
Comments
nRESET
16
I
BT900
HW reset (active low
)
.
Pull the nRESET pin low for
minimum 100mS in order for the BT900 to reset.
5.10
nAutoRUN pin
Refer to section nAutoRUN pin and Operating Modes regarding operating modes and the
nAutoRUN pin.
Self-contained Run mode
Interactive / Development mode
5.11
smart
BASIC runtime engine firmware upgrade
The BT900 SW consists of:
BT900 smartBASIC runtime engine FW (loaded at production, may be upgraded customer).
BT900 smartBASIC application script developed by customer (loaded through UART by
customer).
To allow customer the capability to upgrade the BT900 smartBASIC runtime engine FW, to the
latest version released from Laird), the current smartBASIC runtime engine firmware (v9.x.y.z) only
allows this upgrade via the UART.
Figure 8:
5.12
BT900-SA on-board chip antenna characteristics
The BT900-SA on-board chip monopole antenna radiated performance depends on the host PCB
layout.
BT900 development board was used for BT900 development and antenna performance
evaluation. To obtain similar performance follow guidelines in section PCB Layout on Host PCB for
BT900-SA to allow the on-board antenna to radiate and reduce proximity effects due to nearby
host PCB GND copper or metal covers.

BT900-Sx Hardware Integration Guide
Intelligent BTv4.0 Dual Mode Module
Americas: +1-800-492-2320 Option 2
Europe: +44-1628-858-940
Hong Kong: +852-2923-0610
www.lairdtech.com/bluetooth
29 CONN-HIG-BT900
BT900-SA on-board antenna datasheet:
http://www.acxc.com.tw/product/at/at3216/AT3216-B2R7HAA_S-R00-N198_2.pdf
Antenna performance on DVK-BT900-V01 devboard shown below.
Peak gain Avg. gain
XY-plane -2.6 -7.4
Peak gain Avg. gain
XZ-plane -2.8 -5.9
Peak gain Avg. gain
YZ-plane -1.6 -4.7

BT900-Sx Hardware Integration Guide
Intelligent BTv4.0 Dual Mode Module
Americas: +1-800-492-2320 Option 2
Europe: +44-1628-858-940
Hong Kong: +852-2923-0610
www.lairdtech.com/bluetooth
30 CONN-HIG-BT900
6 H
ARDWARE
I
NTEGRATION
S
UGGESTIONS
6.1
Circuit
The BT900-series module is easy to integrate requiring no external components on the customer’s
board apart from those required by customer for development and in customers end
application.
Checklist (for Schematic):
VCC
External power source within the operating range, rise time and noise/ripple specification of
BT900. Add decoupling capacitors for filtering the external source. Power-on reset circuitry
within BT900 series module incorporates brown-out detector, thus simplifying power supply
design. Upon application of power, the internal power-on reset ensures module starts
correctly.
Decide if BT900 is to be powered by 3.3V or 1.8V external Power Supply
BT radio chip in the BT900 has two internal regulators, a high voltage (input pin
BT_VREG_IN_HV) and low voltage (input pin BT_VREG_OUT_HV) regulator. ONLY one
regulator can be used to power radio chip.
Method1: If BT900 is required to operate from 3.3V, connect external 3.3V supply to pin31
BT_VREG_IN_HV and MUST leave pin32 BT_VREG_OUT_HV unconnected.
Pin5(VCC) and pin43(BT_VDD_IO) should be connected to pin31 BT_VREG_IN_HV.
Method2: If BT900 is required to operate from 1.8V, connect external 1.8V supply to pin32
BT_VREG_OUT_HV and MUST leave pin31 BT_VREG_IN_HV unconnected.
Pin5(VCC) and pin43(BT_VDD_IO) should be connected to pin32 BT_VREG_OUT_HV.
Place decoupling capacitor on pin41 BT_VDD_IO. Value 0.1uF or value suitable to filter the
noise present.
AIN (ADC) and SIO pin IO voltage levels
BT900 SIO voltage levels are at VCC. Ensure input voltage levels into SIO pins are at VCC
also (if VCC source is a battery whose voltage will drop). Ensure ADC pin maximum input
voltage for damage is not violated.
External supplied Sleep Clock oscillator for BT Radio chip sleep modes (BT900 pin34,
BT_Ext_DS_CLK).
There is current consumption saving of 114uA when using external 32.768kHz.
227uA is when the internal radio chip 32.768kHz is used.
113uA is when external 32.768kHz oscillator is connected to BT900 (radio chip)
pin34(BT_Ext_DS_CLK). PSKey needs to be changed via smartBASIC command.
Refer to DK-BT900-V01 for schematic and recommended part, Siward OSC863100-SCO-B660
(description: OSC,32.768KHz,+/-25ppm,3.2*2.5*1.2mm,SMD,-40~+85dC).
UART
Is required for loading customer smartBASIC application script during development (or for
subsequent upgrade). Add connector to allow UART to be interfaced to PC (via UART –
RS232 or UART- USB).
UART_RX and UART_CTS
SIO_0 (alternative function UART_RX) is an input, set with internal pull-up (in FW). The
pull-up prevents the module from going into deep sleep when UART_RX line is idling.
SIO_3 (alternative function UART_CTS) is an input, set with external pull-down. This pull-down
ensures the default state of the UART_CTS will be asserted which means can send data out
of the UART_TX line. In the case when UART_CTS is not connected (which we do not
recommend).

BT900-Sx Hardware Integration Guide
Intelligent BTv4.0 Dual Mode Module
Americas: +1-800-492-2320 Option 2
Europe: +44-1628-858-940
Hong Kong: +852-2923-0610
www.lairdtech.com/bluetooth
31 CONN-HIG-BT900
nAutoRUN pin and operating mode selection
nAutoRUN pin needs to be externally held high or low to select between the two BT900
operating modes at power-up:
- Self-contained Run mode (nAutoRUN pin held at 0V).
- Interactive / development mode (nAutoRUN pin held at VCC).
Make provision to allow operation in the required mode. Add jumper to allow nAutoRUN pin
to be held high or low (via 10K resistor) OR driven by host GPIO.
I2C
It is essential to remember that pull-up resistors on both I2C_SCL and I2C_SDA lines are not
provided in the BT900 module and MUST be provided external to the module as per I2C
standard.
SPI
Implement SPI chip select using any unused SIO pin within your smartBASIC application
script then SPI_CS is controlled from smartBASIC application allowing multi-dropping.
SIO pin direction
BT900 modules shipped from production with smart
BASIC runtime engine FW, all SIO pins
(with “default function” of “DIO”) are mostly digital inputs (see Pin Definitions Table2).
Remember to change the direction SIO pin (in your smart
BASIC application script) if that
particular pin is wired to a device that expects to be driven by the BT900 SIO pin configured
as an output. Also these SIO pins that are inputs have by default (in FW) no internal pull-up
(TBD) resistor-enabled, and therefore are floating (TBD). You are free to configure in your
smartBASIC application script.
Note: Internal pull-up, pull down will take current from VCC.
SIO_TBD pin and Over the Air smartBASIC application download feature
SIO_TBD is an input, set with internal pull-down (in FW). Refer to latest FW release
documentation on how SIO_TBD is used for Over the Air smartBASIC application download
feature. SIO_TBD pin has to be pulled high externally to enable the feature. Decide if this
feature is required in production.
nRESET pin (active low)
Hardware reset. Wire out to push button or drive by host.
By default module is out of reset when power applied to VCC pin.
6.2
PCB Layout on Host PCB - General
Checklist (for PCB):
MUST locate BT900-Sx module close to the edge of PCB (mandatory for BT900-SA for
on-board chips antenna to radiate properly).
Use solid GND plane on inner layer (for best EMC and RF performance).
All module GND pins MUST be connected to host PCB GND.
Place GND vias close to module GND pads as possible
Unused PCB area on surface layer can flooded with copper but place GND vias regularly
to connect copper flood to inner GND plane. If GND flood copper underside the module
then connect with GND vias to inner GND plane.
Route traces to avoid noise being picked up on VCC supply and AIN(analogue) and SIO
(digital) traces.
Do NOT run any track near pin34 of BT900-Sx. Pin34 is BT_Ext_DS_CLK which the external
supplied 32.768kHz oscillator is connected to. MUST ensure the 32.768kHz is shield by GND
on either side, see devboard PCB layout DVK-BT900-V01.
Ensure no exposed copper underside of the module (refer to land pattern of BT900
development board).

BT900-Sx Hardware Integration Guide
Intelligent BTv4.0 Dual Mode Module
Americas: +1-800-492-2320 Option 2
Europe: +44-1628-858-940
Hong Kong: +852-2923-0610
www.lairdtech.com/bluetooth
32 CONN-HIG-BT900
6.3
PCB Layout on Host PCB for BT900-SA
6.3.1 Antenna keep-out on host PCB
The BT900-SA has an integrated chip antenna and its performance is sensitive to host PCB. It is
critical to locate the BT900-SA on the edge of the host PCB (or corner) to allow the antenna to
radiate properly. Refer to guidelines in section PCB land pattern and antenna keep-out area for
BT900-SA. Some of those guidelines repeated below.
Ensure there is no copper in the antenna keep-out area on any layers of the host PCB. Keep
all mounting hardware and metal clear of the area to allow proper antenna radiation.
For best antenna performance, place the BT900-SA module on the edge of the host PCB,
preferably in the corner with the antenna facing the corner.
The BT900 development board has the BT900-SA module on the edge of the board (not in
the corner). The antenna keep-out area is defined by the BT900 development board
which was used for module development and antenna performance evaluation is shown in
Figure 9, where the antenna keep-out area is ~4.2 mm wide, 34.2 mm long; with PCB
dielectric (no copper) height 1.0 mm sitting under the BT900-SA antenna.
A different host PCB thickness dielectric will have small effect on antenna.
The antenna-keep-out defined in Host PCB Land Pattern and Antenna Keep-out for
BT900-SA applies when the BT900-SA is placed in the corner of the host PCB. When BT900-SA
cannot be placed as such, it must be placed on the edge of the host PCB and the antenna
keep out must be observed. An example is shown in Figure 9.
Figure 9: Antenna keep-out area (shown in red), corner of the BT900 development board for BT900-SA
module.
Antenna Keepout
BT900-SA module

BT900-Sx Hardware Integration Guide
Intelligent BTv4.0 Dual Mode Module
Americas: +1-800-492-2320 Option 2
Europe: +44-1628-858-940
Hong Kong: +852-2923-0610
www.lairdtech.com/bluetooth
33 CONN-HIG-BT900
Note: 1. BT900 module placed on edge of host PCB.
2. Copper cut-away on all layers in “antenna Keep-out” area under BT900 on host PCB.
6.3.2 Antenna keep-out and Proximity to Metal or Plastic
Checklist (for metal /plastic enclosure):
Minimum safe distance for metals without seriously compromising the antenna (tuning) is
40mm top/bottom and 30mm left or right.
Metal close to the BT900-SA chip monopole antenna (bottom, top, left, right, any direction)
will have degradation on the antenna performance. How much; that is entirely system
dependent which means some testing by customer required (in their host application).
Anything metal closer than 20mm will start to significantly degrade performance (S11, gain,
radiation efficiency).
It is best that the customer tests the Range with mock-up (or actual prototype) of the
product to assess effects of enclosure height (and material whether metal or plastic).
6.4
External Antenna Integration with BT900-SC
Please refer to the regulatory sections for FCC, IC, CE, and Japan for details of use of BT900-Sx
with external antennas in each regulatory region.
The BT900 family has been designed to operate with the below external antennas (with a
maximum gain of 2.0 dBi). The required antenna impedance is 50 ohms. See Table 19.
External antennas improve radiation efficiency.
Table 19: External antennas for the BT900
External Antenna Part
Number
Mfg. Type Gain (dBi)
Connector
Type
BT900 Part
number
S181FL
-
L
-
RMM
-
2450S
Nearson
Dipole
2.0
uFL
Note1
BT900
-
SC
EBL2449A1
-
15UFL
Laird
PCB
Dipole
2.
0
uFL
Note1
BT900
-
SC
MAF94
190
Laird
Dipole
2.0
uFL
BT900
-
SC
MAF94019
Laird
Dipole
1.5
uFL
BT900
-
SC
Note 1:
Antenna manufacturer Laird contact information:
Sales:
Tel:
Email:
BT900-Sx Hardware Integration Guide
Intelligent BTv4.0 Dual Mode Module
Americas: +1-800-492-2320 Option 2
Europe: +44-1628-858-940
Hong Kong: +852-2923-0610
www.lairdtech.com/bluetooth
34 CONN-HIG-BT900

BT900-Sx Hardware Integration Guide
Intelligent BTv4.0 Dual Mode Module
Americas: +1-800-492-2320 Option 2
Europe: +44-1628-858-940
Hong Kong: +852-2923-0610
www.lairdtech.com/bluetooth
35 CONN-HIG-BT900
7 M
ECHANICAL
D
ETAILS
7.1
BT900 Mechanical Details
Figure 10: BT900 Mechanical drawings
Development Kit Schematics can be found at:
http://lairdtech.com/Products/Embedded-Wireless-Solutions/Bluetooth-Radio-Modules/BL900-Ser
ies/#productGroupTabs-2147488080

BT900-Sx Hardware Integration Guide
Intelligent BTv4.0 Dual Mode Module
Americas: +1-800-492-2320 Option 2
Europe: +44-1628-858-940
Hong Kong: +852-2923-0610
www.lairdtech.com/bluetooth
36 CONN-HIG-BT900
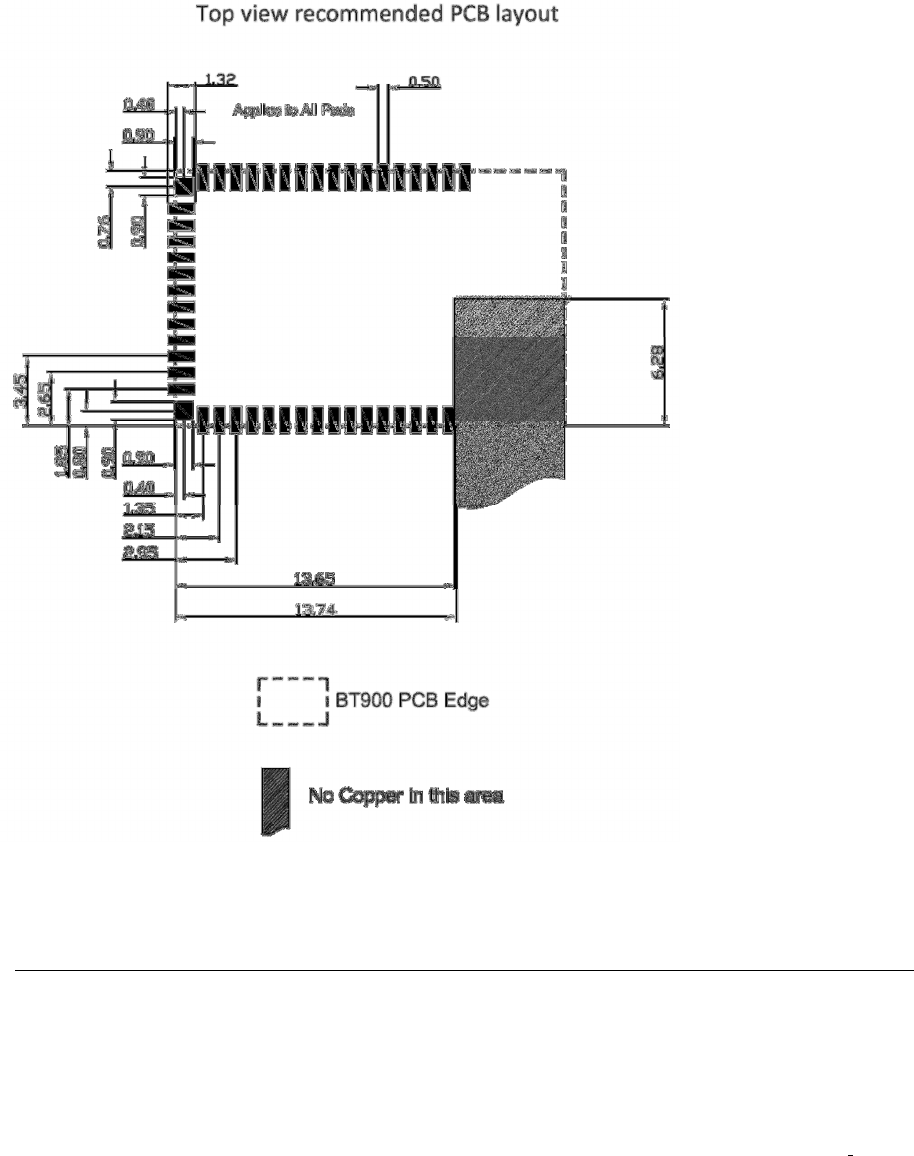
7.2
Host PCB Land Pattern and Antenna Keep-out for BT900-SA
Dimensions in mm.
APPLICATION NOTES
1. Ensure there is no copper in the antenna ‘keep out area’ on any layers of the host PCB.
Also keep all mounting hardware or any metal clear (Refer to 6.3.2) on of the area to
reduce effects of proximity detuning the antenna and to help antenna radiate properly.
3. For BT900-SA (has on-board chip antenna) best antenna performance, the module
BT900-SA MUST be placed on the edge of the host PCB and preferably in the corner with
the antenna facing the corner. Above “Keep Out Area” is the module placed in corner of

BT900-Sx Hardware Integration Guide
Intelligent BTv4.0 Dual Mode Module
Americas: +1-800-492-2320 Option 2
Europe: +44-1628-858-940
Hong Kong: +852-2923-0610
www.lairdtech.com/bluetooth
37 CONN-HIG-BT900
PCB. If BT900-SA is not placed in corner but on edge of host PCB, the antenna “Keep Out
Area” is extended (see Note4).
4. BT900 development board has BT900-SA placed on the edge of the PCB board (and not in
corner) for that the Antenna keep out area is extended down to the corner of the
development board, see section PCB Layout on Host PCB for BL900-SA, Figure10. This was
used for module development and antenna performance evaluation.
5. Ensure no exposed copper under module on host PCB.
6. The user may modify the PCB land pattern dimensions based on their experience and / or
process capability.
BT900-Sx Hardware Integration Guide
Intelligent BTv4.0 Dual Mode Module
Americas: +1-800-492-2320 Option 2
Europe: +44-1628-858-940
Hong Kong: +852-2923-0610
www.lairdtech.com/bluetooth
38 CONN-HIG-BT900
8 A
PPLICATION
N
OTE FOR
S
URFACE
M
OUNT
M
ODULES
8.1
Introduction
Laird Technologies surface mount modules are designed to conform to all major manufacturing
guidelines. This application note is intended to provide additional guidance beyond the
information that is presented in the User Manual. This Application Note is considered a living
document and will be updated as new information is presented.
The modules are designed to meet the needs of a number of commercial and industrial
applications. They are easy to manufacture and conform to current automated manufacturing
processes.

BT900-Sx Hardware Integration Guide
Intelligent BTv4.0 Dual Mode Module
Americas: +1-800-492-2320 Option 2
Europe: +44-1628-858-940
Hong Kong: +852-2923-0610
www.lairdtech.com/bluetooth
39 CONN-HIG-BT900
8.2
Shipping
Figure 8-1: BT900 Shipping Tray Details
8.3
Reflow Parameters
Prior to any reflow, it is important to ensure the modules were packaged to prevent moisture
absorption. New packages contain desiccate (to absorb moisture) and a humidity indicator
card to display the level maintained during storage and shipment. If directed to bake units on the
card, see Table 20 and follow instructions specified by IPC/JEDEC J-STD-033. A copy of this
standard is available from the JEDEC website:
http://www.jedec.org/sites/default/files/docs/jstd033b01.pdf
Note: The shipping tray cannot be heated above 65°C. If baking is required at the higher
temperatures displayed in in Table 20, the modules must be removed from the shipping
tray.
Modules are shipped in ESD
(Electrostatic Discharge) safe trays that
can be loaded into most
manufacturers pick and place
machines. Layouts of the trays are
provided in Figure 8-1.

BT900-Sx Hardware Integration Guide
Intelligent BTv4.0 Dual Mode Module
Americas: +1-800-492-2320 Option 2
Europe: +44-1628-858-940
Hong Kong: +852-2923-0610
www.lairdtech.com/bluetooth
40 CONN-HIG-BT900
Any modules not manufactured before exceeding their floor life should be re-packaged with
fresh desiccate and a new humidity indicator card. Floor life for MSL (Moisture Sensitivity Level) 3
devices is 168 hours in ambient environment
≤
30°C/60%RH.
Table 20: Recommended baking times and temperatures
MSL
125°C
Baking Temp.
90°C/≤ 5%RH
Baking Temp.
40°C/ ≤ 5%RH
Baking Temp.
Saturated
@ 30°C/85%
Floor Life Limit
+ 72 hours
@ 30°C/60%
Saturated
@ 30°C/85%
Floor Life Limit
+ 72 hours
@ 30°C/60%
Saturated
@ 30°C/85%
Floor Life Limit
+ 72 hours @
30°C/60%
3 9 hours 7 hours 33 hours 23 hours 13 days 9 days
Laird surface mount modules are designed to be easily manufactured, including reflow soldering
to a PCB. Ultimately it is the responsibility of the customer to choose the appropriate solder paste
and to ensure oven temperatures during reflow meet the requirements of the solder paste. Laird
surface mount modules conform to J-STD-020D1 standards for reflow temperatures.
Important: During reflow, modules should not be above 260° and not for more than 30 seconds.
Figure 8-2: Recommended Reflow Temperature
Temperatures should not exceed the minimums or maximums presented in Table 21.
Table 21: Recommended Maximum and minimum temperatures
Specification
Value
Unit
Temperature Inc./Dec. Rate (max)
1~3 °C / Sec
Temperature Decrease rate (goal)
2-4 °C / Sec
Soak Temp Increase rate (goal)
.5 - 1 °C / Sec
Flux Soak Period (Min)
70 Sec
Flux Soak Period (Max)
120 Sec
Flux Soak Temp (Min)
150 °C
Flux Soak Temp (max)
190 °C

BT900-Sx Hardware Integration Guide
Intelligent BTv4.0 Dual Mode Module
Americas: +1-800-492-2320 Option 2
Europe: +44-1628-858-940
Hong Kong: +852-2923-0610
www.lairdtech.com/bluetooth
41 CONN-HIG-BT900
Specification
Value
Unit
Time Above Liquidous (max)
70 Sec
Time Above Liquidous (min)
50 Sec
Time In Target Reflow Range (goal)
30 Sec
Time At Absolute Peak (max)
5 Sec
Liquidous Temperature (SAC305)
218 °C
Lower Target Reflow Temperature
240 °C
Upper Target Reflow Temperature
250 °C
Absolute Peak Temperature
260 °C
9 FCC
AND
IC
R
EGULATORY
S
TATEMENTS
Model US/FCC CANADA/IC
BT900
-
SA
TBC
TBC
BT900
-
SC
TBC
TBC
The BT900-SA and BT900-SC hold full modular approvals. The OEM must follow the regulatory
guidelines and warnings listed below to inherit the modular approval.
PART # FORM FACTOR TX OUTPUT ANTENNA
BT900-SA-0X Surface Mount 8dBm Ceramic
BT900-SC-0X Surface Mount 8dBm u.FL
*Last two slots "0X" in Part # are used for production firmware release changes. Can be values
01-99, aa-zz
The BT900 family has been designed to operate with the antennas listed below with a maximum
gain of 2.0 dBi. The required antenna impedance is 50 ohms.
Item
Part Number
Mfg.
Type
Gain (dBi)
Model
1
AT3216
-
B2R7HAA
ACX
Ceramic
0
.5
BT900
-
SA
2
S181FL
-
L
-
RMM
-
2450S
Nearson
Dipole
2.0
BT900
-
SC
3
MAF94045
Laird
PCB
Dipole
2.0
BT900
-
SC
4
MAF94017
Laird
Dipole
2.0
BT900
-
SC
5
MAF94019
Laird
Dipole
1.5
BT900
-
SC
Note: The OEM is free to choose another vendor’s antenna of like type and equal or lesser
gain as an antenna appearing in the table and still maintain compliance. Reference
FCC Part 15.204(c)(4) for further information on this topic.
To reduce potential radio interference to other users, the antenna type and gain should
be chosen so that the equivalent isotropic radiated power (EIRP) is not more than that
permitted for successful communication.
9.1 Power Exposure Information
Federal Communication Commission (FCC) Radiation Exposure Statement:
This EUT is in compliance with SAR for general population/uncontrolled exposure limits in ANSI/IEEE
C95.1-1999 and had been tested in accordance with the measurement methods and
procedures specified in OET Bulletin 65 Supplement C.

BT900-Sx Hardware Integration Guide
Intelligent BTv4.0 Dual Mode Module
Americas: +1-800-492-2320 Option 2
Europe: +44-1628-858-940
Hong Kong: +852-2923-0610
www.lairdtech.com/bluetooth
42 CONN-HIG-BT900
This transceiver must not be co-located or operating in conjunction with any other antenna,
transmitter, or external amplifiers. Further testing / evaluation of the end product will be required if
the OEM’s device violates any of these requirements.
The BT900 is fully approved for mobile and portable applications.
9.2 OEM Responsibilities
WARNING: The OEM must ensure that FCC labelling requirements are met. This includes a clearly
visible label on the outside of the OEM enclosure specifying the appropriate Laird
Technology FCC identifier for this product.
Contains FCC ID: PI4xxxxx IC: 1931B-xxxxx
If the size of the end product is larger than 8x10cm, then the following FCC part 15.19
statement has to also be available on visible on outside of device:
The enclosed device complies with Part 15 of the FCC Rules. Operation is subject to the
following two conditions: (1) This device may not cause harmful interference, and (2)
This device must accept any interference received, including interference that may
cause undesired operation
Label and text information should be in a size of type large enough to be readily legible,
consistent with the dimensions of the equipment and the label. However, the type size for the text
is not required to be larger than eight point.
CAUTION: The OEM should have their device which incorporates the BT900 tested by a qualified
test house to verify compliance with FCC Part 15 Subpart B limits for unintentional
radiators.
CAUTION: Any changes or modifications not expressly approved by Laird Technology could void
the user’s authority to operate the equipment.
Note: This equipment has been tested and found to comply with the limits for a Class B
digital device, pursuant to Part 15 of the FCC Rules. These limits are designed to
provide reasonable protection against harmful interference in a residential installation.
This equipment generates, uses, and can radiate radio frequency energy and, if not
installed and used in accordance with the instructions, may cause harmful
interference to radio communications. However, there is no guarantee that
interference will not occur in a particular installation. If this equipment does not cause
harmful interference to radio or television reception, which can be determined by
turning the equipment off and on, the user is encouraged to correct the interference
by one or more of the following measures:
Re-orient or relocate the receiving antenna
Increase the separation between the equipment and the receiver
Connect the equipment to an outlet on a circuit that is different from that to which
the receiver is connected.
Consult the dealer or an experienced radio/TV technician for help.
FCC Warning:
“THIS DEVICE COMPLIES WITH PART 15 OF THE FCC RULES AND INDUSTRY CANADA LICENSE-EXEMPT
RSS STANDARD(S). OPERATION IS SUBJECT TO THE FOLLOWING TWO CONDITIONS: (1) THIS DEVICE
BT900-Sx Hardware Integration Guide
Intelligent BTv4.0 Dual Mode Module
Americas: +1-800-492-2320 Option 2
Europe: +44-1628-858-940
Hong Kong: +852-2923-0610
www.lairdtech.com/bluetooth
43 CONN-HIG-BT900
MAY NOT CAUSE HARMFUL INTERFERENCE, AND (2) THIS DEVICE MUST ACCEPT ANY INTERFERENCE
RECEIVED, INCLUDING INTERFERENCE THAT MAY CAUSE UNDESIRED OPERATION.
Industry Canada (IC) Warning:
This device complies with Industry Canada license-exempt RSS standard(s). Operation is subject
to the following two conditions: (1) this device may not cause interference, and (2) this device
must accept any interference, including interference that may cause undesired operation of the
device.
French equivalent is:
Le présent appareil est conforme aux CNR d'Industrie Canada applicable aux appareils radio
exempts de licence. L'exploitation est autorisée aux deux conditions suivantes : (1) l'appareil ne
doit pas produire de brouillage, et (2) l'utilisateur de l'appareil doit accepter tout brouillage
radioélectrique subi, même si le brouillage est susceptible d'en compromettre le
fonctionnement.
IC Radiation Exposure Statement
This EUT is compliance with SAR for general population/uncontrolled exposure limits in IC RSS-102
and had been tested in accordance with the measurement methods and procedures specified
in IEEE 1528.
REMARQUE IMPORTANTE
Déclaration IC d'exposition aux radiations
Ce EUT est conforme avec SAR pour la population générale / limites d'exposition non contrôlée à
IC RSS-102 et a été testé en conformité avec les méthodes de mesure et procédures spécifiées
dans la norme IEEE 1528.
Modular Approval
OEM integrator is still responsible for testing their end product for any additional compliance
requirements required with this module installed (for example, digital device emissions, PC
peripheral requirements, etc.).
Approbation modulaire
OEM intégrateur est toujours responsable de tester leur produit final pour les exigences de
conformité supplémentaires nécessaires à ce module installé (par exemple, les émissions de
périphériques numériques, les exigences de périphériques PC, etc.)

BT900-Sx Hardware Integration Guide
Intelligent BTv4.0 Dual Mode Module
Americas: +1-800-492-2320 Option 2
Europe: +44-1628-858-940
Hong Kong: +852-2923-0610
www.lairdtech.com/bluetooth
44 CONN-HIG-BT900
IMPORTANT NOTE:
In the event that these conditions cannot be met (for example certain laptop configurations or
co-location with another transmitter), then the Canada authorization is no longer considered
valid and the IC ID cannot be used on the final product. In these circumstances, the OEM
integrator will be responsible for re-evaluating the end product (including the transmitter) and
obtaining a separate Canada authorization.
NOTE IMPORTANTE:
Dans le cas où ces conditions ne peuvent être satisfaites (par exemple pour certaines
configurations d'ordinateur portable ou de certaines co-localisation avec un autre émetteur),
l'autorisation du Canada n'est plus considéré comme valide et l'ID IC ne peut pas être utilisé sur le
produit final. Dans ces circonstances, l'intégrateur OEM sera chargé de réévaluer le produit final
(y compris l'émetteur) et l'obtention d'une autorisation distincte au Canada.
Le produit final doit être étiqueté dans un endroit visible avec l'inscription suivante: " BT900-SA and
BT900-SC Contient des IC: TBC".
10 J
APAN
(MIC)
R
EGULATORY
The BT900 is approved for use in the Japanese market. The part numbers listed below hold WW
type certification. Refer to ARIB-STD-T66 for further guidance on OEM’s responsibilities.
Model Certificate Number
Antenna
BT900-SA TBC Ceramic
BT900-SC TBC uFL
10.1 Antenna Information
The BT900 was tested with antennas listed below. The OEM can choose a different manufacturers
antenna but must make sure it is of same type and that the gain is lesser than or equal to the
antenna that is approved for use.
Item
Part Number
Mfg.
Type
Gain (dBi)
Model
1
AT3216
-
B2R7HAA
ACX
Ceramic
0
.5
BT900
-
SA
2
S181FL
-
L
-
RMM
-
2450S
Nearson
Dipole
2
.0
BT900
-
SC
3
MAF94045
Laird
PCB
Dipole
2.0
BT900
-
SC
4
MAF94017
Laird
Dipole
2.0
BT900
-
SC
5
MAF94019
Laird
Dipole
1.5
BT900
-
SC

BT900-Sx Hardware Integration Guide
Intelligent BTv4.0 Dual Mode Module
Americas: +1-800-492-2320 Option 2
Europe: +44-1628-858-940
Hong Kong: +852-2923-0610
www.lairdtech.com/bluetooth
45 CONN-HIG-BT900
11 CE
R
EGULATORY
The BT900-SA / BT900-SC have been tested for compliance with relevant standards for the EU
market. The BT900-SC module was tested with a 2.21 dBi antenna. The OEM can operate the
BT900-SC module with any other type of antenna but must ensure that the gain does not exceed
2.21 dBi to maintain the Laird approval.
The OEM should consult with a qualified test house before entering their device into an EU
member country to make sure all regulatory requirements have been met for their complete
device.
Reference the Declaration of Conformities listed below for a full list of the standards that the
modules were tested to. Test reports are available upon request.
11.1 Antenna Information
The antennas listed below were tested for use with the BT900. For CE mark countries, the OEM is
free to use any manufacturer’s antenna and type of antenna as long as the gain is less than or
equal to the highest gain approved for use (2.21dBi) Contact a Laird representative for more
information regarding adding antennas.
Item
Part Number
Mfg.
Type
Gain (dBi)
Model
1
AT3216
-
B2R7HAA
ACX
Ceramic
0
.5
BT900
-
SA
2
S181FL
-
L
-
RMM
-
2450S
Nearson
D
ipole
2.0
BT900
-
SC
3
MAF94045
Laird
PCB
Dipole
2.0
BT900
-
SC
4
MAF94017
Laird
Dipole
2.0
BT900
-
SC
5
MAF94019
Laird
Dipole
1.5
BT900
-
SC

BT900-Sx Hardware Integration Guide
Intelligent BTv4.0 Dual Mode Module
Americas: +1-800-492-2320 Option 2
Europe: +44-1628-858-940
Hong Kong: +852-2923-0610
www.lairdtech.com/bluetooth
46 CONN-HIG-BT900
12 EU
D
ECLARATIONS OF
C
ONFORMITY
12.1 BT900-SA / BT900-SC
Manufacturer:
Laird
Product:
BT900
-
SA
,
BT900
-
SC
EU Directive:
RTTE 1995/5/EC
Conformity Assessment:
Annex IV
Reference standards used for presumption of conformity:
Article
Number Requirement Reference standard(s)
3.1a Health and Safety EN60950-1:2006+A11:2009+A1:2010+A12:2011
3.1b
Protection requirements
with respect to
electromagnetic
compatibility
EN 301 489-1 V1.9.2 (2011-09)
EN 301 489-17 V2.2.1 (2012-09)
Emissions:
EN55022:2006/A1:2007 (Class B)
Immunity:
EN61000-4-2:2009
EN61000-4-3:2006/A1:2008/A2:2010
3.2
Means of the efficient use of
the radio frequency
spectrum
EN 300 328 V1.8.1 (2012-06)
Declaration:
We, Laird, declare under our sole responsibility that the essential radio test suites have been
carried out and that the above product to which this declaration relates is in conformity with all
the applicable essential requirements of Article 3 of the EU Directive 1999/5/EC, when used for its
intended purpose.
Place of Issue:
Laird
Saturn House, Mercury Park
Wooburn Green
HP100HH, United Kingdom
tel: +44 (0)1628 858 940
fax: +44 (0)1628 528 382
Date of Issue: Junel2014
Name of Authorized Person: Andrew Dobbing, Engineering Manager
Signature:

BT900-Sx Hardware Integration Guide
Intelligent BTv4.0 Dual Mode Module
Americas: +1-800-492-2320 Option 2
Europe: +44-1628-858-940
Hong Kong: +852-2923-0610
www.lairdtech.com/bluetooth
47 CONN-HIG-BT900
13 O
RDERING
I
NFORMATION
Part Number DESCRIPTION
BT900
-
SA
-
0x
Single Mode BLE Module featuring
smart
BASIC
–
integrated antenna
BT900
-
SC
-
0x
Single Mode BLE Module featuring
smart
BASIC
–
IPEX MHF4 connector
DVK
–
BT900
-
SA
-
0x
Development board with
BT900
-
SA
module soldered in place
DVK
–
BT900
-
SC
-
0x
Development board with
BT900
-
SC
module soldered in place
13.1 General Comments
This is a preliminary datasheet. Please check with Laird for the latest information before
commencing a design. If in doubt, ask.
14 B
LUETOOTH
SIG
Q
UALIFICATION
The BT900 module is listed on the Bluetooth SIG website as qualified End Products.
Design
Name Owner Declaratio
n ID Link to listing on the SIG website
BT900 Laird
Technologie
s
TBC https://www.bluetooth.org/tpg/QLI_viewQDL.cfm?qid=
20700
It is a mandatory requirement of the Bluetooth Special Interest Group (SIG) that every product
implementing Bluetooth technology has a Declaration ID. Every Bluetooth design is required to
go through the qualification process, even when referencing a Bluetooth Design that already has
its own Declaration ID. The Qualification Process requires each company to registered as a
member of the Bluetooth SIG – www.bluetooth.org
The following link provides a link to the Bluetooth Registration page:
https://www.bluetooth.org/login/register/
For each Bluetooth Design it is necessary to purchase a Declaration ID. This can be done before
starting the new qualification, either through invoicing or credit card payment. The fees for the
Declaration ID will depend on your membership status, please refer to the following webpage:
https://www.bluetooth.org/en-us/test-qualification/qualification-overview/fees
For a detailed procedure of how to obtain a new Declaration ID for your design, please refer to
the following SIG document:
https://www.bluetooth.org/DocMan/handlers/DownloadDoc.ashx?doc_id=283698&vId=317486
To start the listing, go to: https://www.bluetooth.org/tpg/QLI_SDoc.cfm
In step 1, select the option, Reference a Qualified Design and enter 20700 in the End Product
table entry. You can then select your pre-paid Declaration ID from the drop down menu or go
to the Purchase Declaration ID page, (please note that unless the Declaration ID is pre-paid or
purchased with a credit card, it will not be possible to proceed until the SIG invoice is paid.

BT900-Sx Hardware Integration Guide
Intelligent BTv4.0 Dual Mode Module
Americas: +1-800-492-2320 Option 2
Europe: +44-1628-858-940
Hong Kong: +852-2923-0610
www.lairdtech.com/bluetooth
48 CONN-HIG-BT900
Once all the relevant sections of step 1 are finished, complete steps 2, 3, and 4 as described in
the help document. Your new Design will be listed on the SIG website and you can print your
Certificate and DoC.
For further information please refer to the following training material:
https://www.bluetooth.org/en-us/test-qualification/qualification-overview/listing-process-update
s
Additional Assistance
Please contact your local sales representative or our support team for further assistance:
Laird Technologies Connectivity Products Business Unit
Support Centre: http://ews-support.lairdtech.com
Email: wireless.support@lairdtech.com
Phone: Americas: +1-800-492-2320 Option 2
Europe: +44-1628-858-940
Hong Kong: +852 2923 0610
Web: http://www.lairdtech.com/bluetooth

BT900-Sx Hardware Integration Guide
Intelligent BTv4.0 Dual Mode Module
Americas: +1-800-492-2320 Option 2
Europe: +44-1628-858-940
Hong Kong: +852-2923-0610
www.lairdtech.com/bluetooth
49 CONN-HIG-BT900
Laird is the world leader in the design and manufacture of customized,
performance-critical products for wireless and other advanced electronics
applications.
Laird Technologies partners with its customers to find solutions for applications in
various industries such as:
Network Equipment
Telecommunications
Data Communications
Automotive Electronics
Computers
Aerospace
Military
Medical Equipment
Consumer Electronics
Laird offers its customers unique product solutions, dedication
to research and development, as well as a seamless network of
manufacturing and customer support facilities across the globe.
CONN-HIG-
BT900
Copyright © 2014 Laird. All rights reserved.
The information contained in this manual and the accompanying software programs are copyrighted and all rights
are reserved by Laird Technologies, Inc. Laird Technologies, Inc. reserves the right to make periodic modifications of
this product without obligation to notify any person or entity of such revision. Copying, duplicating, selling, or otherwise
distributing any part of this product or accompanying documentation/software without the prior consent of an
authorized representative of Laird Technologies, Inc. is strictly prohibited.
All brands and product names in this publication are registered trademarks or trademarks of their respective holders.
This material is preliminary
Information furnished by Laird Technologies in this specification is believed to be accurate. Devices sold by Laird
Technologies are covered by the warranty and patent indemnification provisions appearing in its Terms of Sale only.
Laird Technologies makes no warranty, express, statutory, and implied or by description, regarding the information set
forth herein. Laird Technologies reserves the right to change specifications at any time and without notice. Laird
Technologies’ products are intended for use in normal commercial and industrial applications. Applications requiring
unusual environmental requirements such as military, medical life-support or life-sustaining equipment are specifically
not recommended without additional testing for such application.
Limited Warranty, Disclaimer, Limitation of Liability
USA: +1.800.492.2320
Europe: +44.1628.858.940
Asia: +852.2923-0610
wirelessinfo@lairdtech.com
www.lairdtech.com/wireless

BT900-Sx Hardware Integration Guide
Intelligent BTv4.0 Dual Mode Module
Americas: +1-800-492-2320 Option 2
Europe: +44-1628-858-940
Hong Kong: +852-2923-0610
www.lairdtech.com/bluetooth
50 CONN-HIG-BT900
F
EDERAL
C
OMMUNICATION
C
OMMISSION
I
NTERFERENCE
S
TATEMENT
This equipment has been tested and found to comply with the limits for a Class B digital device,
pursuant to Part 15 of the FCC Rules. These limits are designed to provide reasonable protection
against harmful interference in a residential installation. This equipment generates, uses and can
radiate radio frequency energy and, if not installed and used in accordance with the instructions, may
cause harmful interference to radio communications. However, there is no guarantee that interference
will not occur in a particular installation. If this equipment does cause harmful interference to radio or
television reception, which can be determined by turning the equipment off and on, the user is
encouraged to try to correct the interference by one of the following measures:
-Reorient or relocate the receiving antenna.
-Increase the separation between the equipment and receiver.
-Connect the equipment into an outlet on a circuit different from that to which the receiver is
connected.
-Consult the dealer or an experienced radio/TV technician for help.
FCC Caution: Any changes or modifications not expressly approved by the party responsible for
compliance could void the user's authority to operate this equipment.
This device complies with Part 15 of the FCC Rules. Operation is subject to the
following two conditions: (1) This device may not cause harmful interference, and (2)
this device must accept any interference received, including interference that may
cause undesired operation.
IMPORTANT NOTE:
FCC Radiation Exposure Statement:
The product comply with the US portable RF exposure limit set forth for an uncontrolled environment
and are safe for intended operation as described in this manual. The further RF exposure reduction
can be achieved if the product can be kept as far as possible from the user body or set the device to
lower output power if such function is available.
This transmitter must not be co-located or operating in conjunction with any other antenna or
transmitter.

BT900-Sx Hardware Integration Guide
Intelligent BTv4.0 Dual Mode Module
Americas: +1-800-492-2320 Option 2
Europe: +44-1628-858-940
Hong Kong: +852-2923-0610
www.lairdtech.com/bluetooth
51 CONN-HIG-BT900
This device is intended only for OEM integrators under the following conditions:
1) The transmitter module may not be co-located with any other transmitter or antenna,
As long as 1 condition above is met, further transmitter test will not be required. However, the
OEM integrator is still responsible for testing their end-product for any additional compliance
requirements required with this module installed
IMPORTANT NOTE
In the event that these conditions can not be met (for example certain laptop configurations or
co-location with another transmitter), then the FCC authorization is no longer considered valid and
the FCC ID can not be used on the final product. In these circumstances, the OEM integrator will
be responsible for re-evaluating the end product (including the transmitter) and obtaining a
separate FCC authorization.
End Product Labeling
The final end product must be labeled in a visible area with the following: “Contains FCC ID:
SQGBT900
Manual Information to the End User
The OEM integrator has to be aware not to provide information to the end user regarding how to
install or remove this RF module in the user’s manual of the end product which integrates this
module.
The end user manual shall include all required regulatory information/warning as show in this
manual.

BT900-Sx Hardware Integration Guide
Intelligent BTv4.0 Dual Mode Module
Americas: +1-800-492-2320 Option 2
Europe: +44-1628-858-940
Hong Kong: +852-2923-0610
www.lairdtech.com/bluetooth
52 CONN-HIG-BT900
INDUSTRY CANADA STATEMENT:
This device complies with Industry Canada licence-exempt RSS standard(s). Operation is subject to the
following two conditions:
(1) this device may not cause interference, and
(2) this device must accept any interference, including interference that may cause undesired operation of
the device.
Le présent appareil est conforme aux CNR d'Industrie Canada applicables aux appareils radio exempts de
licence. L'exploitation est autorisée aux deux conditions suivantes :
(1) l'appareil ne doit pas produire de brouillage, et
(2) l'utilisateur de l'appareil doit accepter tout brouillage radioélectrique subi, même si le brouillage est
susceptible d'en compromettre le fonctionnement.
Radiation Exposure Statement:
The product comply with the Canada portable RF exposure limit set forth for an uncontrolled environment
and are safe for intended operation as described in this manual. The further RF exposure reduction can be
achieved if the product can be kept as far as possible from the user body or set the device to lower output
power if such function is available.
Déclaration d'exposition aux radiations:
Le produit est conforme aux limites d'exposition pour les appareils portables RF pour les Etats-Unis et le
Canada établies pour un environnement non contrôlé. Le produit est sûr pour un fonctionnement tel que
décrit dans ce manuel. La réduction aux expositions RF peut être augmentée si l'appareil peut être
conservé aussi loin que possible du corps de l'utilisateur ou que le dispositif est réglé sur la puissance de
sortie la plus faible si une telle fonction est disponible.

BT900-Sx Hardware Integration Guide
Intelligent BTv4.0 Dual Mode Module
Americas: +1-800-492-2320 Option 2
Europe: +44-1628-858-940
Hong Kong: +852-2923-0610
www.lairdtech.com/bluetooth
53 CONN-HIG-BT900
T
HIS DEVICE IS INTENDED ONLY FOR
OEM
INTEGRATORS UNDER THE FOLLOWING CONDITIONS
:
1) The transmitter module may not be co-located with any other transmitter or antenna.
As long as 1 condition above are met, further transmitter test will not be required. However, the OEM
integrator is still responsible for testing their end-product for any additional compliance requirements
required with this module installed.
C
ET APPAREIL EST CONÇU UNIQUEMENT POUR LES INTÉGRATEURS
OEM
DANS LES CONDITIONS
SUIVANTES
:
1) Le module émetteur peut ne pas être coïmplanté avec un autre émetteur ou antenne.
Tant que les 1 condition ci-dessus sont remplies, des essais supplémentaires sur l'émetteur ne seront pas
nécessaires. Toutefois, l'intégrateur OEM est toujours responsable des essais sur son produit final pour
toutes exigences de conformité supplémentaires requis pour ce module installé.
IMPORTANT NOTE:
In the event that these conditions can not be met (for example certain laptop configurations or co-location
with another transmitter), then the Canada authorization is no longer considered valid and the IC ID can
not be used on the final product. In these circumstances, the OEM integrator will be responsible for
re-evaluating the end product (including the transmitter) and obtaining a separate Canada authorization.
NOTE IMPORTANTE:
Dans le cas où ces conditions ne peuvent être satisfaites (par exemple pour certaines configurations
d'ordinateur portable ou de certaines co-localisation avec un autre émetteur), l'autorisation du Canada
n'est plus considéré comme valide et l'ID IC ne peut pas être utilisé sur le produit final. Dans ces
circonstances, l'intégrateur OEM sera chargé de réévaluer le produit final (y compris l'émetteur) et
l'obtention d'une autorisation distincte au Canada.
End Product Labeling
The final end product must be labeled in a visible area with the following: “Contains IC: 3147A-BT900”.

BT900-Sx Hardware Integration Guide
Intelligent BTv4.0 Dual Mode Module
Americas: +1-800-492-2320 Option 2
Europe: +44-1628-858-940
Hong Kong: +852-2923-0610
www.lairdtech.com/bluetooth
54 CONN-HIG-BT900
Plaque signalétique du produit final
Le produit final doit être étiqueté dans un endroit visible avec l'inscription suivante: "Contient des IC:
3147A-BT900".
Manual Information to the End User
The OEM integrator has to be aware not to provide information to the end user regarding how to install or
remove this RF module in the user’s manual of the end product which integrates this module.
The end user manual shall include all required regulatory information/warning as show in this manual.
Manuel d'information à l'utilisateur final
L'intégrateur OEM doit être conscient de ne pas fournir des informations à l'utilisateur final quant à la façon
d'installer ou de supprimer ce module RF dans le manuel de l'utilisateur du produit final qui intègre ce
module.
Le manuel de l'utilisateur final doit inclure toutes les informations réglementaires requises et
avertissements comme indiqué dans ce manuel.

BT900-Sx Hardware Integration Guide
Intelligent BTv4.0 Dual Mode Module
Americas: +1-800-492-2320 Option 2
Europe: +44-1628-858-940
Hong Kong: +852-2923-0610
www.lairdtech.com/bluetooth
55 CONN-HIG-BT900
(For transmitters equipped with detachable antennas)
This radio transmitter (identify the device by certification number, or model number if Category II) has been
approved by Industry Canada to operate with the antenna types listed below with the maximum
permissible gain and required antenna impedance for each antenna type indicated. Antenna types not
included in this list, having a gain greater than the maximum gain indicated for that type, are strictly
prohibited for use with this device.
Le présent émetteur radio (IC: 3147A-BT900) a été approuvé par Industrie Canada pour fonctionner avec
les types d'antenne énumérés ci-dessous et ayant un gain admissible maximal et l'impédance requise
pour chaque type d'antenne. Les types d'antenne non inclus dans cette liste, ou dont le gain est supérieur
au gain maximal indiqué, sont strictement interdits pour l'exploitation de l'émetteur.
Type Manufacture Gain Connector
Chip ACX (Advanced Ceramic X
Corp.) 0.5dBi N/A
Dipole Nearson 2.0 dBi IPEX u.FL
PCB Dipole Laird Technologies 2.0 dBi IPEX u.FL
Dipole Laird Technologies 2.0 dBi IPEX u.FL
Dipole Laird Technologies 1.5 dBi IPEX u.FL