Libre Wireless Technologies LS6-7620A Wireless Audio Module User Manual

Libre Wireless Technologies Inc. Wireless Audio Module

User manual

User Manual LS6-N22S-M  SPECIFICATIONS 1.power up for MT7620A with 5V&1A   2.connect with the PC to get IP address automaticlly.   3.run the CMD on PC ,type the word "wifi" and return,then input the IP address:10.10.10.254 and return again.   4.run the MT7620A's QA tools which given by the supplier.   5.choose the " network card" option on the UI,knock OK,then enter operation steps for work environment. 6. The MT7620 router module with two antenna portsˈwhich pattern is MOMI,the two antenna are the same one The antenna manufacturer˖Dongguan City Senling Industry Co.,Ltd Model Name˖SLA-100020108-C10 Antenna gain˖2dBi
 FCC Statement˖˖ This device complies with part 15 of the FCC Rules. Operation is subject to the following two conditions: (1) This device may not cause harmful interference, and (2) this device must accept any interference received, including interference that may cause undesired operation. Changes or modifications not expressly approved by the party responsible for compliance could void the user's authority to operate the equipment. NOTE: This equipment has been tested and found to comply with the limits for a Class B digital device, pursuant to Part 15 of the FCC Rules. These limits are designed to provide reasonable protection against harmful interference in a residential installation. This equipment generates, uses and can radiate radio frequency energy and, if not installed and used in accordance with the instructions, may cause harmful interference to radio communications. However, there is no guarantee that interference will not occur in a particular installation. If this equipment does cause harmful interference to radio or television reception, which can be determined by turning the equipment off and on, the user is encouraged to try to correct the interference by one or more of the following measures: -- Reorient or relocate the receiving antenna. -- Increase the separation between the equipment and receiver. -- Connect the equipment into an outlet on a circuit different from that to which the receiver is connected. -- Consult the dealer or an experienced radio/TV technician for help.
FCC Radiation Exposure Statement The modular can be installed or integrated in mobile or fix devices only. This modular cannot be installed in any portable device, for example, USB dongle like transmitters is forbidden.  This modular complies with FCC RF radiation exposure limits set forth for an uncontrolled environment. This transmitter must not be co-located or operating in conjunction with any other antenna or transmitter. This modular must be installed and operated with a minimum distance of 20 cm between the radiator and user body.  If the FCC identification number is not visible when the module is installed inside another device, then the outside of the device into which the module is installed must also display a label referring to the enclosed module. This exterior label can use wording such as the following: Contains Transmitter Module FCC ID: 2ADBMLS6-7620A or Contains FCC ID: 2ADBMLS6-7620A when the module is installed inside another device, the user manual of this device must contain below warning statements; 1. This device complies with Part 15 of the FCC Rules. Operation is subject to the following two conditions: (1) This device may not cause harmful interference. (2) This device must accept any interference received, including interference that may cause undesired operation. 2. Changes or modifications not expressly approved by the party responsible for compliance could void the user's authority to operate the equipment. The devices must be installed and used in strict accordance with the manufacturer's instructions as described in the user documentation that comes with the product.
 http://www.rf-link.net/   3.Applications:  1.Routers                2.iNICs  3.NAS devices             4.Dual band concurrent routers   4.General Specification Model  WL-AM01B-7620A-V2.0 Product Name   WLAN 11b/g/n  Major Chipset  MT7620A Standard   IEEE802.11n ǃIEEE 802.11gǃIEEE 802.11b Data Transfer Rate  1,2,5.5,6,11,12,18,22,24,30,36,48,54,60,90,120 and maximum of 300Mbps  Frequency Band   2.4GHz  Power Consumption  3.3 V ±10%  I/O supply voltage  Dimension   40.0 x 26.0 x 3.25mm (LxWxH) +-0.2MM Hardware Support Flash:8M (25Q64) DDR:64M (W9751G6KB) Ambient Temperature Range -20 ~ 55 °C  Storage Conditions   The calculated shelf life in a sealed bag is 12 months if stored between 0 °C and 40 °C at less than 90% relative humidity (RH). After the bag is opened, devices that are subjected to solder reflow or other high temperature processes must be handled in the following manner:       Mounted within 168 hours of factory conditions, i.e. < 30 °C at 60% RH. ǂ     Storage humidity needs to maintained at < 10% RH. ǂ     Baking is necessary if the customer exposes the component to air for over 168 ǂhrs, baking conditions: 125  for 8 hrs.ć
 http://www.rf-link.net/   5.Block Diagram   6. Electrical Specifications 1.DC Characteristics Module  Voltage  Current Consumption (linking) WL-AM01B-7620A-V2.0  3.3V  220MA(Ϟ㔥៪㗙ⳟ⬉ᕅᯊⱘࡳ㗫)  2) RF Characteristics for IEEE802.11b    ( 11Mbps mode unless otherwise specified) Items Contents Specification IEEE802.11b Mode DSSS/CCK 11 Mbps Channel frequency  2412 ~ 2484 MHz RX  (per)  -85 dBm FREQ ERR LIMIT  f13PPM TX Characteristics  Min.  Typ.  Max.  Unit Power Level    (17±2 dBm)    17    dBm EVM  ˄<-18˅  -18    dB  3) RF Characteristics for IEEE802.11g    ( 54Mbps mode unless otherwise specified) Items Contents Specification IEEE802.11g Mode  OFDM 54 Mbps Channel frequency  2412 ~ 2484 MHz RX (per)  -70 dBm FREQ ERR LIMIT  ±13PPM TX Characteristics  Min.  Typ.  Max.  Unit Power Level    (14±2 dBm)    14    dBm EVM (<-27)    -27    dB
 http://www.rf-link.net/   4) RF Characteristics for IEEE802.11n (HT20_MCS7) Items Contents Specification IEEE802.11n (HT20_MCS7) Mode HT20_MCS7  65 Mbps Channel frequency  2412 ~ 2484 MHz RX  (per)  -65 dBm FREQ ERR LIMIT  ±13PPM TX Characteristics  Min.  Typ.  Max.  Unit Power Level    (13±2dBm)    13    dBm EVM  -28  dB 5) RF Characteristics for IEEE802.11n (HT40_MCS7) Items Contents Specification IEEE802.11n (HT40_MCS7) Mode  HT40_MCS7 135 Mbps Channel frequency  2412 ~ 2484 MHz RX  (per)  -65 dBm FREQ ERR LIMIT  ±13PPM TX Characteristics  Min.  Typ.  Max.  Unit Power Level    (13±12 dBm)    13    dBm EVM (<-28)    -28    dB  7.Mechanical Dimensions (mm) Length   Width   Height  40.0 26.0 3.25 (Tolerance:±0.2mm) (Tolerance:±0.2mm) (Tolerance:±0.2mm)
 http://www.rf-link.net/   8.Module Pin Assignment  Pin Function  Description 1  3.3VD 3.3VD 2  GND Ground 3  I2C_SCLK I2C_SCLK 4  I2C_SDA I2C_SDA 5  GPIO0 GPIO0 6  PORST_N PORST_N 7  UART_TXD1 UART_TXD1 8  UART_RXD1 UART_RXD1 9  UART_CTS1 UART_CTS1 10  UART_RTS1 UART_RTS1 11  UART_TX UART_TX 12  UART_RXD2 UART_RXD2 13  GND Ground 14  I2SMCLK I2SMCLK 15  I2SDI I2SDI 16  I2SDO I2SDO 17  I2SWS I2SWS 18  I2SCLK_N I2SCLK_N
 http://www.rf-link.net/   19  GND Ground 20  GPIO24 GPIO24 21  WLAN_LED WLAN Activity LED 22  GPIO25 GPIO25 23  GPIO26 GPIO26 24  GND Ground 25  USB_DM USB_D- 26  USB_DP USB_D+ 27  GND Ground 28  BT_WACT GPIO 29  BT_AUX GPIO 30  BT_STAT GPIO 31  3.3VD 3.3VD 32  3.3VD 3.3VD 33  GND Ground 34  SPI_CLK SPI_CLK 35  SPI_MOSI SPI_MOSI 36  SPI_MISO SPI_MISO 37  SPI_CS1 SPI_CS1 38  GPIO27 GPIO 39  GND Ground 40  EPHY_RXP_P4 Port4 RX+ 41  EPHY_RXN_P4 Port4 RX- 42  EPHY_TXP_P4 Port4 TX+ 43  EPHY_TXN_P4 Port4 TX- 44  GND Ground 45  SD_WP SD_WP 46  SD_CD SD_CD 47  SD_D3 SD_D3 48  SD_D2 SD_D2 49  SD_D1 SD_D1 50  SD_D0 SD_D0 51  SD_CMD SD_CMD 52  SD_CLK_N SD_CLK_N 53  GND Ground 54  GPIO28 GPIO 55  EPHY_LED4 Port4_LED 56  GPIO23/MDIO GPIO 57  GPIO29 GPIO 58  BT_ACT GPIO 59  GND Ground 60  BT_ANT BT_ANT
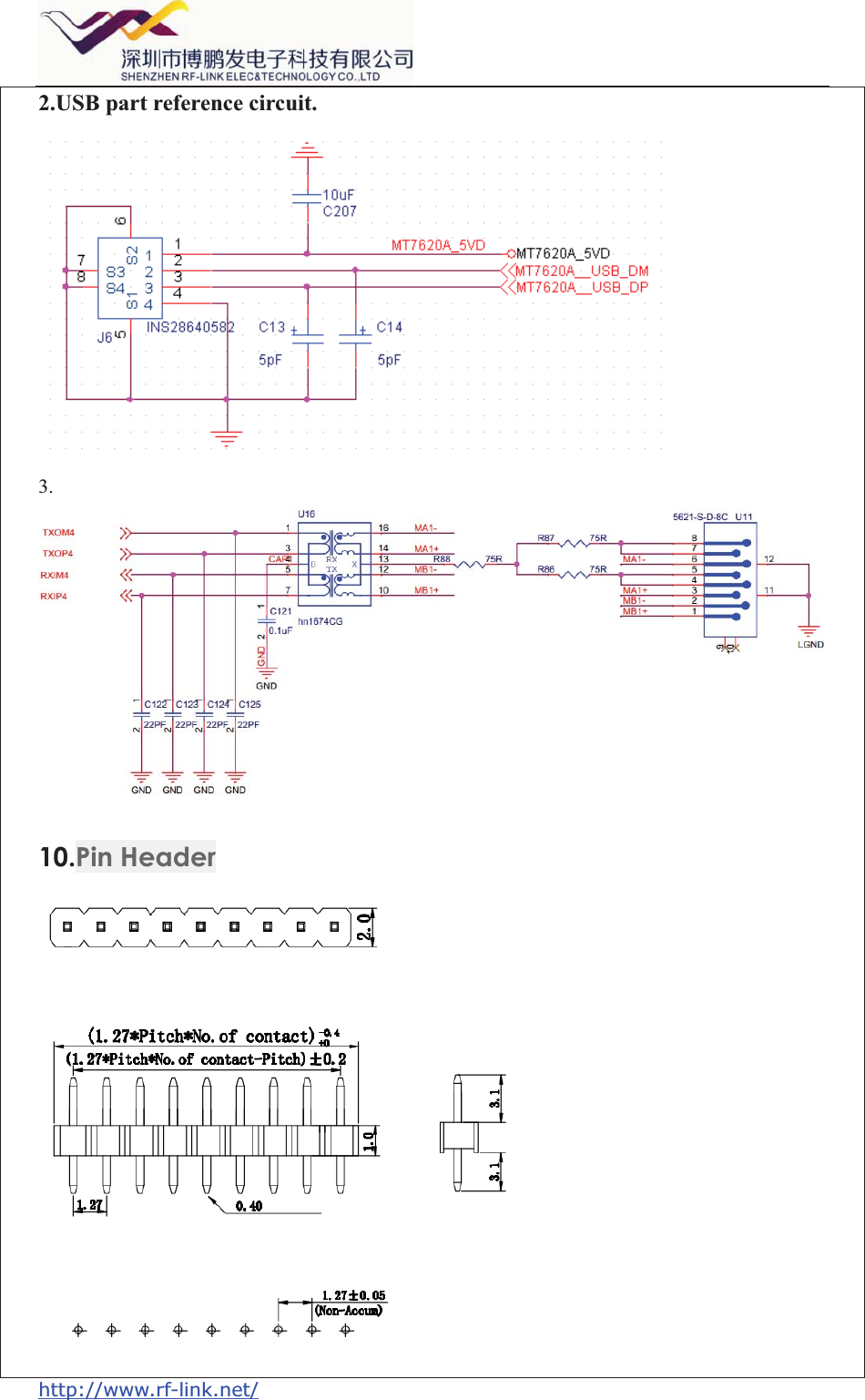
 http://www.rf-link.net/   The picture of top  The picture of bottom  9.Circuit reference pictures 1.SD part reference.
 http://www.rf-link.net/   2.USB part reference circuit.  3.   10.Pin Header

Navigation menu