Lierda Science and Technology Group LSD3WF-2011X WiFi Module User Manual
Lierda Science & Technology Group Co.,Ltd WiFi Module Users Manual
Users Manual
LSD3WF-2011X
Wi-Fi Module Product Specification
Name: Wi-Fi Module
Model: LSD3WF-2011X
Revision : v1.1

Index
1. Functional characteristics.......................................................................................................... 3
2. Specifications ............................................................................................................................ 4
3. Hardware layout and interface description ............................................................................... 5
FCC Caution:
Any Changes or modifications not expressly approved by the responsible party could
void the user’s authority to operate the equipment.
FCC Radiation Exposure Statement:
This equipment complies with FCC radiation exposure limits set forth for an
uncontrolled environment. This transmitter must not be co-located or operating in
conjunction with any other antenna or transmitter. To satisfy FCC RF Exposure
requirements for this transmission devices, a separation distance of 20 cm or more
should be maintained between the antenna of this device and persons during operation.
If used in portable product to do SAR evaluation and testing.
This equipment complies with Part 15 of the FCC Rules. Operation is subject to the
following two conditions:
1.This device may not cause harmful interference, and
2.This device must accept any interference received, including interference that may
cause undesired operation.
OEM Labeling Requirements:
NOTICE: The OEM or final integrator must ensure that FCC labeling requirements
are met. This includes an additional label on the outside of the final product housing
with the following contents:
Company Name
MODEL:
Contains Model: LSD3WF-2011X, FCC ID:N8NLSD3WF-2011X
This device complies with Part 15 of the FCC Rules. Operation is
subjected to the following two conditions: (1) This device may not
cause harmful interference, and (2) this device must accept any
interference received, including interference that may cause undesired
operation.
1. Functional characteristics
LSD3WF-2011X is high performance and cost effective 802.11b/g/n WLAN USB
module. LSD3WF-2011X is embedded with Ralink RT5370 a highly integrated
MAC/BBP and 2.4GHz RF single chip with 150Mbps PHY rate supporting. It fully
complies with IEEE 802.11n draft 3.0 and IEEE 802.11b/g feature rich wireless
connectivity at high standards, cost-effective, throughput from extended distance.
Optimized RF architecture and baseband algorithms provide superb performance and
low power consumption.
LSD3WF-2011X is designed to support standard based features in the areas of
security, quality of service and international regulation, giving end users the greatest
performance anytime in any circumstance.
Feature:
● Host Interface USB2.0;
● 1T1R with up to 150Mbps PHY Data Rate for Both TX and RX
● 2.54mm pitch 4P pin package
● Dimension:40±0.2(L)×20±0.2(W)×4(H) mm
● 20MHz/40MHz Bandwidth Support
● Legacy and High Throughput Modes
● Variety of structures 2.4GHz 50 ω antenna, antenna interface IPX2
● With Smaller Size Suitable for Compact System Integration
● Low Power Consumption, Extend the Battery Life
● WEP 64/128, WPA, WPA2, TKIP, AES
● QoS --- WMM, WMM-PS
● WPS-PIN, PBC
● Multiple BSSID Support
● Cisco CCX Support

● Operating Systems Support: Windows XP 32/64, Linux and Macintosh
● RoHS Compliant
Applications:
● Netbook/ Notebook
● Printer
● Digital Photo Frame/ Camera
● Personal Navigation Device
2. Specifications
BLOCK DIAGRAM
RF Characteristics(Condition:VCC=3.3V @ +25℃)
Feature Description
Standards Fully Compliant with IEEE 802.11 b/g/n Standard
Frequency Band 2.4~2.4835GHz
Channel 11
Frequency Stability < ±5ppm @ Room Temperature +25℃
Modulation OFDM/DBPSK/DQPSK/CCK
PHY Data Rate Up to 150Mbps
Channel Bandwidth 20MHz and 40MHz
OFDM Output Power 15dBm (Typ.) @EVM<3%, all channel
CCK Spectral Mask @ Pout=18dBm -37dBc(Typ)@11~22MHz
-60dBc(Typ)@22~33MHz
2f Harmonics -55dBm(Typ)
LO Leakage Peak Power -64dBm(Typ)@ Transmit State
Receive Sensitivity
-71dBm(Typ)@54MHz OFDM
-85dBm(Typ)@11MHz CCK
-90dBm(Typ)@1MHz CCK
RF Port Impedance 50Ω±10%
USB Differential Port Impedance 90Ω±10%
Dimension 40±0.2(L)×20±0.2(W)×4(H) mm

Absolute Maximum Ratings
Parameter Name Min. Typ. Max. Unit
Operating Temperature -10 70 ℃
Supply Voltage Range: USB
VCC
4.5 5.0 5.5 V
Storage Temperature Range -55 150 ℃
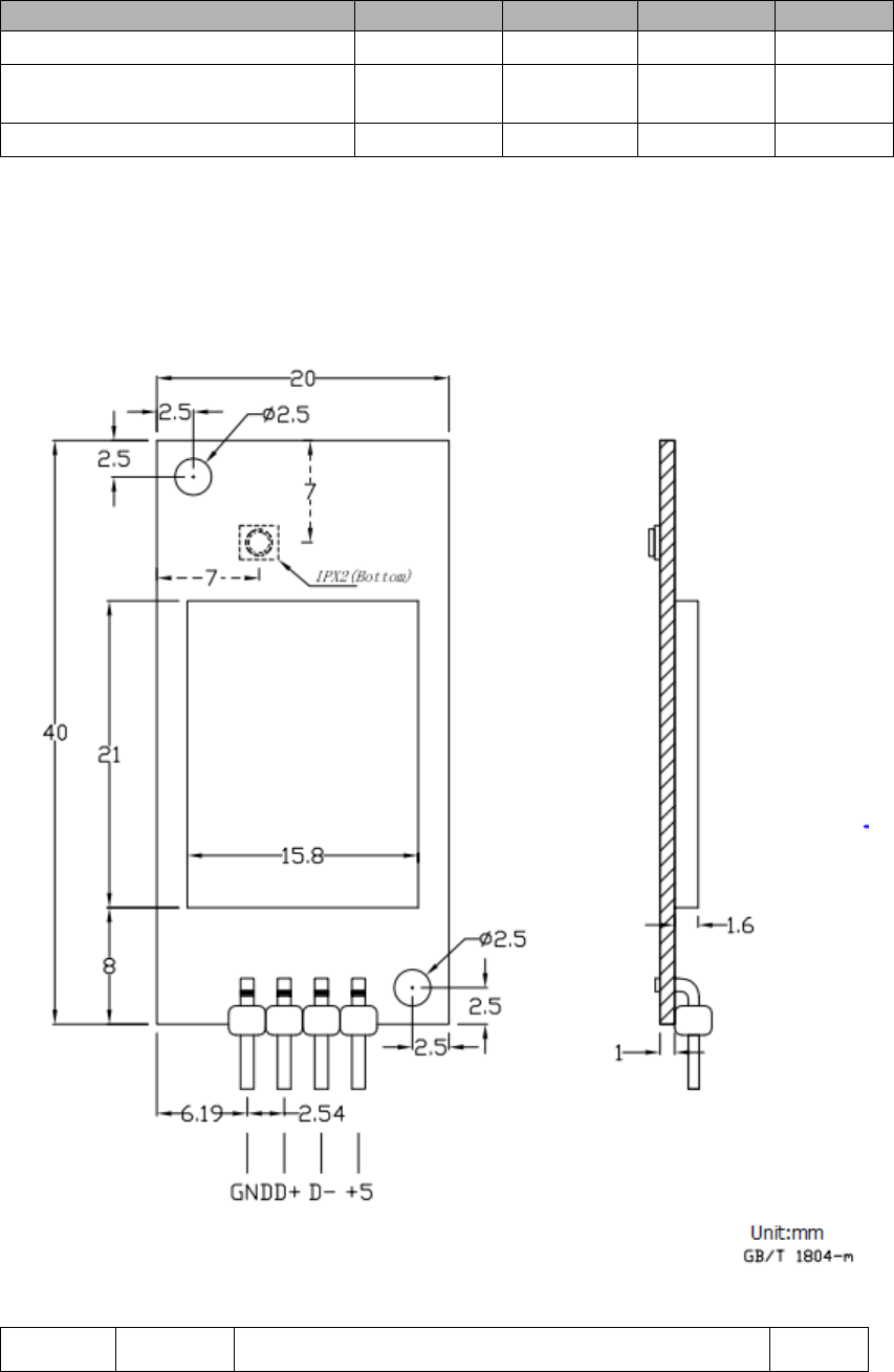
3.Hardware layout and interface description
PACKAGE INFORMATION
Pin Description:
NO. Name Description Nnte

1 5V 5V DC Power Supply Input for Module Circuits
2 D- D- Line of USB2.0
3 D+ D+ Line of USB2.0
4 GND Ground
Revision Description Date
1.00(Draft) Draft Revision 2012-03-13
v1.1 Add Mechanical Side View 2012-07-03