Listen Technologies 800-002 LPRS Model LT-800B-072 User Manual lt 800b manual 2005 05 17 qxp

Listen Technologies Corporation LPRS Model LT-800B-072 lt 800b manual 2005 05 17 qxp

Contents

Exhibit 8

User’s ManualLT-800 Stationary TransmitterListen Technologies Corporation8535 South 700 West, Suite ASandy, Utah 84070-2515 U.S.A.Telephone: 1.801.233.8992Toll Free (North America): 1.800.330.0891Fax: 1.801.233.8995E-mail: info@ListenTech.comDon’t miss a single sound.  Listen.
Welcome to Listen!Dear Valued Customer,Thank you for choosing Listen!  All of us at Listen are dedicated to providing youthe highest quality products and prompt, efficient customer care.  Our products aremanufactured in an ISO-9000 factory that has been independently certified to thehighest quality standards.  We stand ready to answer any questions you might haveduring installation or in the operation of our products.  Should there be anyproblems with your Listen products, we are ready to help you in any way we can.We appreciate any comments you may have on how we might improve our productsor our service.  Here’s how to reach us:Telephone: 1.801.233.8992Fax: 1.801.233.8995Toll Free (North America): 1.800.330.0891E-Mail: support@ListenTech.comWeb: www.ListenTech.comThank you... and enjoy your listening experience!Best regards,The Listen TeamiListen™ and the Listen Logo are registered trademarks of Listen Technologies Corporation. LT-800_2005_05_17  © 2004 Listen Technologies Corporation.  All Rights Reserved.LT-800 Package Contents72 MHz: LT-800-072216 MHz: LT-800-216Listen Part NumberSee pages 19-20Optional Accessories· LT-800 Stationary Transmitter (72 MHz or 216 MHz)· LA-201 120 VAC Power Supply· LA-121 BNC Adapter (72 MHz model only)· User Manual· Quick Reference StickerRussell Gentner, President
Table of ContentsSpecifications . . . . . . . . . . . . . . . . . . . . . . . . . . . . . . . . . . . . . . . . . . . . . . . . . . . . . . .2Block Diagram  . . . . . . . . . . . . . . . . . . . . . . . . . . . . . . . . . . . . . . . . . . . . . . . . . . . . . .3Quick Reference  . . . . . . . . . . . . . . . . . . . . . . . . . . . . . . . . . . . . . . . . . . . . . . . . . . . .4Setup Instructions  . . . . . . . . . . . . . . . . . . . . . . . . . . . . . . . . . . . . . . . . . . . . . . . . . . .5Phonak Compatibility  . . . . . . . . . . . . . . . . . . . . . . . . . . . . . . . . . . . . . . . . . . . . . . . .5Operating Instructions  . . . . . . . . . . . . . . . . . . . . . . . . . . . . . . . . . . . . . . . . . . . . . . .7Audio Control  . . . . . . . . . . . . . . . . . . . . . . . . . . . . . . . . . . . . . . . . . . . . . . . . . . . . . .7Compatibility with other Manufacturers  . . . . . . . . . . . . . . . . . . . . . . . . . . . . . . . . .8Listen SQ™ . . . . . . . . . . . . . . . . . . . . . . . . . . . . . . . . . . . . . . . . . . . . . . . . . . . . . . . .9Process Mode . . . . . . . . . . . . . . . . . . . . . . . . . . . . . . . . . . . . . . . . . . . . . . . . . . . . . . .9Basic and Expanded Mode  . . . . . . . . . . . . . . . . . . . . . . . . . . . . . . . . . . . . . . . . . . . .9RF Reception Maximization Strategies  . . . . . . . . . . . . . . . . . . . . . . . . . . . . . . . . .10Coaxial Cable  . . . . . . . . . . . . . . . . . . . . . . . . . . . . . . . . . . . . . . . . . . . . . . . . . . . . .10Channel Selection . . . . . . . . . . . . . . . . . . . . . . . . . . . . . . . . . . . . . . . . . . . . . . . . . .1172 MHz Frequency Compatibility Table . . . . . . . . . . . . . . . . . . . . . . . . . . . . . . . . .12216 MHz Frequency Compatibility Table . . . . . . . . . . . . . . . . . . . . . . . . . . . . . . . .13Phonak Frequency Compatibility Table  . . . . . . . . . . . . . . . . . . . . . . . . . . . . . . . . .14Troubleshooting . . . . . . . . . . . . . . . . . . . . . . . . . . . . . . . . . . . . . . . . . . . . . . . . . . . .15Compliance Notice  . . . . . . . . . . . . . . . . . . . . . . . . . . . . . . . . . . . . . . . . . . . . . . . . .17FCC Statement  . . . . . . . . . . . . . . . . . . . . . . . . . . . . . . . . . . . . . . . . . . . . . . . . . . . .17Warranty  . . . . . . . . . . . . . . . . . . . . . . . . . . . . . . . . . . . . . . . . . . . . . . . . . . . . . . . . .18Contact  . . . . . . . . . . . . . . . . . . . . . . . . . . . . . . . . . . . . . . . . . . . . . . . . . . . . . . . . . .18Optional Accessories . . . . . . . . . . . . . . . . . . . . . . . . . . . . . . . . . . . . . . . . . . . . . . . .19Table of Contents
SpecificationsArchitectural SpecificationsThe stationary FM transmitter shall be capable of broadcasting on 57 channels. The transmitter shall have aSNR of 80dB or greater.  The output power shall be adjustable to quarter, half or full.  Channel tuning shallbe capable of being locked.  The device shall broadcast on both wide and narrow band channels.  The deviceshall have an audio frequency response of 63 Hz to 15k Hz, ± 3dB at 72 MHz, or of 63 Hz to 10k Hz, ± 3dBat 216 MHz.  It shall have two mixing audio inputs.  The device shall have the following audio controls:input level, mix level and an adjustable low pass filter.  The device shall have an audio processor that iscapable of automatic gain control and limiting.  The Listen LT-800 is specified.Specifications2SpecificationsSpecification LT-800-072 LT-800-216RF Frequency Range 72.025 - 75.975 MHz216.025 - 216.975 MHzNumber of Channels 57 (17 wide, 40 narrow)57 (19 wide, 38 narrow)Frequency AccuracyTransmitter StabilityOutput Power8,000uV at 3m 100mW (Max allowed by FCC)Antenna Antenna Connector BNC BNCComplianceSystem Frequency Response 63Hz - 15kHz (±3dB)63Hz - 10kHz (± 3dB)System Signal to Noise Ratio (A-weighted)SQ enabled: 80dB; SQ disabled 60dB SQ enabled: 80dB; SQ disabled 50dBSystem Distortion <2% total harmonic distortion (THD) at 80% deviation<2% total harmonic distortion (THD) at 80% deviationAudio Input 1Audio Input 2Combined Audio Output (Mix)Headphone OutputFront PanelRear PanelInternal AdjustmentsProgrammingInput 1 and Input 2, Mix VU MetersSQ and ProcessingRF PowerPowerLCD DisplayTest TonePower Supply TypePower Supply InputPower Supply OutputPower Supply ConnectorComplianceDimensionsUnit WeightUnit Weight with LA-201 Power SupplyShipping WeightRack MountingTemperature - OperationTemperature - StorageHumidityRF+/- .005% stability 0 to 50C50 PPMSeveral available.  See www.ListenTech.com for detailsFCC Part 15, Industry CanadaAudio** All system specifications are wireless end-to-end Rear panel.  Female-XLR and 1/4 in combo connector, balanced, 0/-55dBu (line/mic) nominal input level adjustable, -30/+21dBu (mic/line) maximum input level, impedance 20k/1k ohms (line/mic), phantom power +12VDCRear panel.  (2) Phono connectors, unbalanced, -10/+10dBu nominal input level adjustable, +30dBu maximum, impedance 100k ohmsRear panel.  (2) Phono connectors, unbalanced, 0dBu nominal output level, +19dBu maximum, impedance 10 ohms.Front panel.  (1) 3.5mm connector, unbalanced, adjustable output level, +14dBu maximum, impedance 10 ohms.  350mW, 32 ohms, 3.5mm stereo.ControlsPower, Test Tone on/off, Channel up/down, Input Level, Mix Level, Contour, Headset LevelInput 1 Level (Line, Mic, Mic-Phantom Power), Input 2 Level (-10/+10 dBu), RF Power (low, mid, high)Compression ratio for audio processorSQ on/off, Processing on/offIndicators8 Green, 2 RedIndicated by a green LED when onIndicated on the LCD DisplayRed LED illuminates when the unit is powered upChannel designation, lock status, RF Power LevelRed LED illuminates when test tone enabledPowerIn-line power supply, Listen part number LA-201120VAC, 60 Hz, 19 watts15VAC, 1000mA.02 in (5.0mm) OD x .01 in (2.5mm) ID, barrel typeUL ListedPhysical8.0 in (20.3cm) W x 8.0 in (20.cm) D x 1.75 in (4.45cm) H3.0 lbs (1.4kg)4.4 lbs (2.0kg)5.0 lbs (2. kg)1 rack unit, optional rack mount not included.Order Listen part number LA-326.Environmental-10 C (14 F) to +40° (104 F)-20 C (-4 F) to +50° (122 F)0 to 95% relative humidity, non-condensing
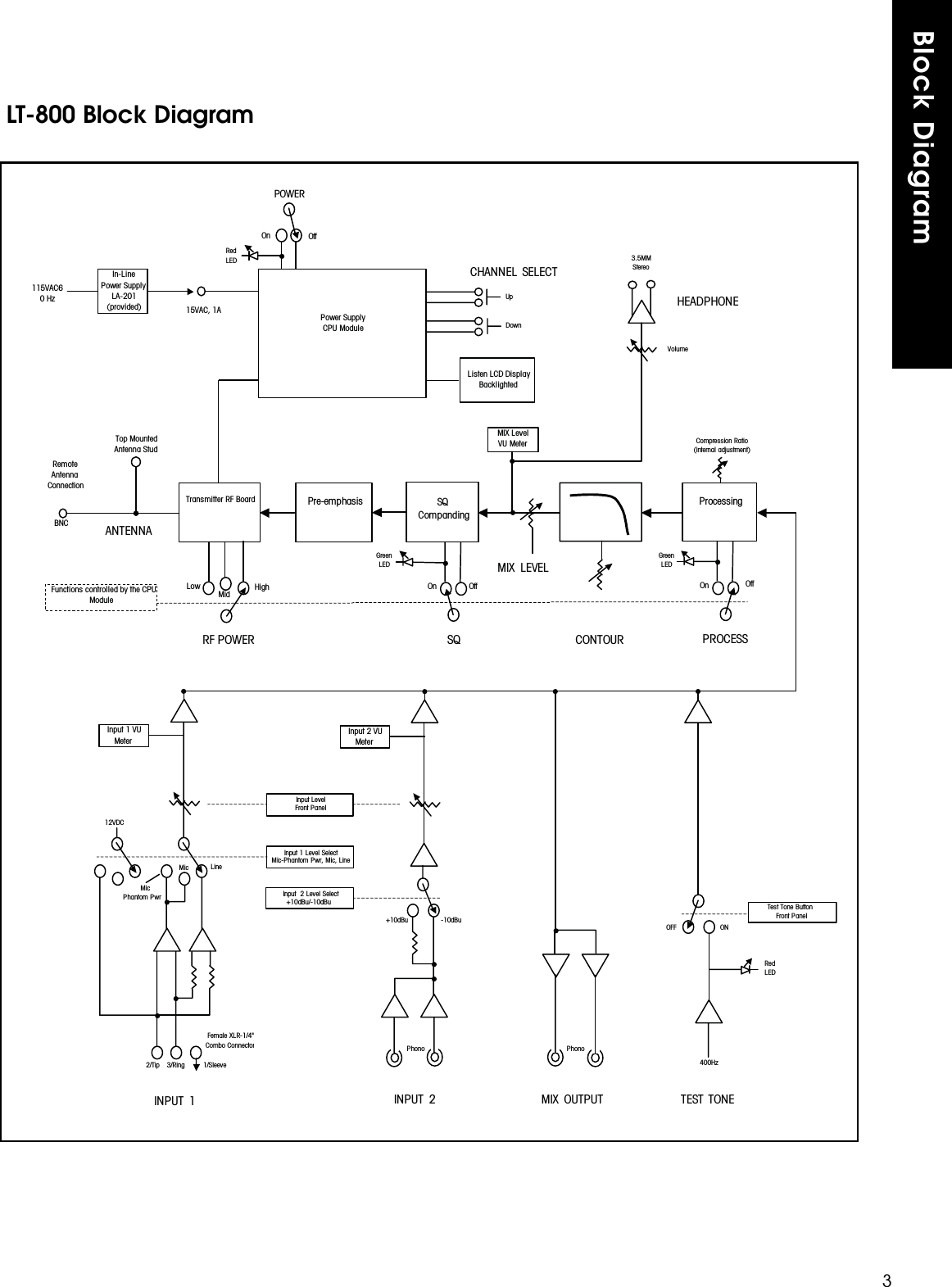
In-LinePower SupplyLA-201 (provided)115VAC60 HzTop Mounted Antenna Stud BNCListen LCD DisplayBacklightedHEADPHONE3.5MMStereo15VAC, 1ATransmitter RF BoardPower SupplyCPU ModuleSQ   Companding ProcessingPre-emphasisPOWEROn OffPROCESSSQANTENNA Functions controlled by the CPUModuleVolumeUpDownRemoteAntennaConnectionOn OffCompression Ratio (internal adjustment)RedLEDGreen LEDGreen LEDCONTOURMIX  LEVELCHANNEL  SELECTOn OffLow HighMidFemale XLR-1/4"Combo ConnectorPhono2/Tip 3/RingLine1/SleeveMic12VDC        Mic Phantom PwrInput 1 Level SelectMic-Phantom Pwr, Mic, Line-10dBu+10dBuInput  2 Level Select+10dBu/-10dBuPhonoInput LevelFront Panel400HzTEST  TONEOFF ONRedLED        Test Tone Button            Front PanelMIX  OUTPUTInput 1 VUMeterInput 2 VUMeterINPUT  2INPUT  1RF POWERMIX LevelVU MeterBlock Diagram3LT-800 Block Diagram
Quick Reference4Quick ReferenceLT-800 Front Panel: Controls & DisplaysAdjust audio input levels ofInput 1 and Input 2 here.See page 7 for moreinformationIndicates audio inputlevel of Input 1 andInput 2 Shows mixedaudio levelIndicatesProcess Modeis activeLCD: Showswhich channelis selected Monitor Port: Plugin a headset andadjust volumeChannel Select Down:Press for 8 seconds toenter program mode.See page 7 for moreinformationContour: Equalizationadjustment. Turncounter-clockwise forvoice and clockwise formusicMix Level: Adjust sothe   Mix Level meteroccasionally lights thered LEDTest Tone: Activates atone to aid system setupPowerON / OFFLT-800 Back Panel: Connections & SettingsThe Listen LA-201power supply connects hereSet RF Power level here (¼, ½ andFull).  See page 6 for guidelines onsetting power levelsInput 2: Connect unbalancedaudio to these phonoconnectors, input level -10dBuor +10dBuInput 2: Set switch tomatch the level of yourInput 2 audio source, notused to increase ordecrease level by ±10dBuInput 1: Used for balancedconnection of a microphone orline level input. Thiscombination connector acceptseither XLR or ¼” phono plugsSelect Line, Mic or Mic+PhantomPower.  Line  is balanced 0 dBuinput level, Mic is -55dBu, +12VDCsupplied in PH Power position. Ifnot using input 1, leave in lineposition.Mix Output: These connectors contain a mix ofInput 1 and Input 2. They areunbalanced phono connectors;and the output level is -10dBuRemote Antenna Connection:See page 19 or the Listenwebsite for details on antennasthat can be attached hereTop mount antenna connection:Remove rubber plug and screwantenna in placeIndicatesSuper Quietmode isactiveChannel Select Up:Press for 3 seconds tolock on currentchannel
Unpack the ProductRemove outer packaging and plastic cover.  Inspect forphysical damage.Mount in Rack (if necessary)If rack mounting the unit, install the optional rackmount kit (part LA-326) according to the instructionsincluded with the kit, then install the LT-800 in therack.NOTE: If rack mounting, you will need to use a rear connectionantenna.Connect AntennaConnect the antenna (notincluded) according to theinstallation instructions. Onlyuse an antenna supplied byListen. If you are connecting theantenna directly to the top ofthe LT-800, you will need toremove the rubber plug on topof the unit. If you are using aremote antenna connected tothe rear of the unit, do notconnect an antennato the topconnector. Seepage 19 forantenna options,or refer to the Listenwebsite for remoteantenna options.Connect PowerPlug the power supply into the power connector on theback panel, then plug the power supply into an outlet.Only use a Listenapproved power supply(The LA-201, an in-line transformer, is theapproved power supplyfor this unit).Select Phonak Compatibility (if necessary)If you will be using Phonak receivers with your LT-800(216 MHz only), the transmitter can becomecompletely compatible through software control.When switched to this mode, the LT-800 transmitterwill display the Phonak channels.  By integratingPhonak channels and compatibility into the LT-800-216, it is more convenient to use Phonak receiverswith Listen transmitters. (www.phonak.com)To Select Phonak Mode:Press and hold down the channel select "up" buttonwhile powering on the unit.  The LCD will display a"P" momentarily upon power up indicating that thetransmitter is in the Phonak Channel Mode.  Thechannels displayed will now match Phonak channels.To return to the Listen channel designations, repeatthis process. The LCDwill display an "L"momentarily upon powerup indicating that youare in the ListenChannel Mode.Select Channel Mode (if necessary)Your transmitter has been shipped to you with only alimited number of channels available (Basic Mode).  Ifall channels (Expanded Mode) are required, use thefollowing procedure.To Select Expanded Mode:To enable or disable the Expanded Mode, press andhold the channel select "down" button while poweringon the unit.  When the Basic Mode is enabled, "L/O"(lockout) will be displayed on the LCD display asshown below.  This indicator is extinguished when inthe Expanded Mode.SetupLT-800 Setup Instructions5Rack Mount with dual unit installedShown with LR-100 and LT-800Rack Mount with single unit installedShown with LT-800rubber plugCoax antenna connection.Rear of LT-800 shown.LA-122 Remote AntennaSee RF Reception MaximizationStrategies and Coaxial Cable onpage 10.LT-800 shown with top mount antennaconnected through top of unit(part numbers LA-101,LA-106 (72 MHz) orLA-102 (216 MHz)
Set SQ (Super Quiet) and Process FeaturesYour transmitter is shipped to you with SQ (superquiet) enabled and Process disabled.  For a detaileddescription of these features and when to use them,please refer to page 9.To Disable or Enable SQ and Process Features:With the unit on press and hold the channel select"Down" button for 8 seconds. The program (PGM)icon will appear on the LCD.Once in the program mode,the SQ and Process features can be turned on and offby pressing the channel select buttons.· Press the channel select “Up” button to togglebetween Process On and Off.· Press the channel select “Down” button to togglebetween SQ On and Off.If the green LED isdisplayed on the front panel, that feature is enabled.Once you have enabled or disabled the features asdesired, let the transmitter exit the program mode bywaiting 5 seconds.Set RF PowerSet the RF POWER switch on the back of the unit toFull, ½ or ¼ (Level is indicated on the LCD display).The amount of transmitted RF power that you willneed depends on your application. If you are operatingmultiple transmitters in the same environment, it isbest to set the transmitter’s output power to its lowestlevel to reduce the possibility of interference.Connect Audio InputsThe LT-800 has two audio input options:  Input 1 andInput 2.  Input 1 is a balanced connection using eitheran XLR or ¼” phono connector.  Input 2 has twounbalanced mixing phono connectors.  Use Input 1 ifyou are using a microphone or if you have a balancedconnection such as from a professional audio mixer(you can also use Input 1 for unbalanced connections).Use Input 2 to connect to an unbalanced audio source.Input 1Connect the audio source(s) to one or both audioinput connections.  Input 1 offers a choice of balancedXLR or ¼” phono connector.Plug your microphone into Input 1 and move theinput select switch to Mic (for dynamic microphones)or Mic + PH Power (for condenser microphones).Plug your balanced or unbalanced audio source intoInput 1.  Use the following diagram. Input 2Plug your unbalanced audio source into Input 2 andselect the audio level switch for-10dBu or +10dBu, to matchthe audio level coming fromyour equipment.LT-800 Setup Instructions continuedSetup 6-   +XLR Wiring ¼” Phone Wiring Fullpower½power¼powerBack of LT-800 unitBack of LT-800 with XLR connected to Input 1LineMicMic withPhantomPowerLED lit when Processis enabledLED lit whenSQ is enabledProgramicon
Power Unit OnTurn power on by pressing the power button.Select a ChannelSelect the transmit channel by pressing the channelselect UP and DOWN buttons.  See ChannelSelection on page 11 for more information.Lock on ChannelOnce you determine yourtransmit channel, you canlock the transmitter on thatchannel.  To lock a channelhold the Channel Select “Up” button for 3 secondsuntil the padlock icon appears on the display.  Tounlock, repeat this process and the padlock icon willdisappear.  Test Tone (if necessary)To broadcast a test tone, pressthe test tone button.  This helpsto test receivers when no audiosource is available.Adjust Audio Input LevelAdjust the input knob counterclockwise to add gain toInput 1.  This will decrease gain to Input 2.  Adjustinput knob clockwise to add gain to Input 2.  This willdecrease gain to Input 1.  If you have two audiosources connected to both Input 1 and 2, adjust thelevel of one input using the VU meter, then adjust theoutput level of the other audio source.  Adjust theinput level until the left VU meter(s) occasionallyilluminate the red LEDs.  Illumination of the red LEDsindicates the unit is in limiting.  Limiting is requiredso that the unit does not over-modulate thetransmitter.  If you don’t want any audio limiting tooccur, make sure the redLEDs never illuminate.  Ifyou want a highly limitedsignal, turn the audio gainup so the red LEDsilluminate often.Adjust ContourAdjust the Contour knob counterclockwise if youraudio source is mostly voice.  Adjust the knobclockwise if your audio source is mostly music.  TheContour knob adjusts therelative equalization of theunit.  This equalizationboosts or cuts frequenciesabove 5 kHz.Adjust Mix LevelAdjust the mix level until the right VU meteroccasionally illuminates the red LED.  This is the leveladjustment for the combined output from Input 1 andInput 2.LT-800 Operation7Channel SelectUP and DOWN buttonsLT-800 Operating InstructionsPress Test Tonebutton hereNOTE: The LT-800 is shipped with only limited channels (Basic Mode).  Toselect from all channels (Expanded Mode) refer to page 5. (for a more detaileddescription of Basic and Expanded Mode refer to page 9)LT-800 Audio Control
LT-800 Compatibility8LT-800 Compatibility with Other ManufacturersIf you are using another manufacturers’ receivers with the LT-800, determine the frequency of theirreceivers then refer to Listen’s Frequency Compatibility Tables (pages 12-14) to find the LT-800channel that corresponds with the receiver’s frequency.  We recommend verifying correspondingchannel designations on these tables to ensure compatibility and provide the best possible reception.The LT-800 is Phonak compatible and can be set to display Phonak specific channels.  See page 5 to setChannel Mode and page 14 for specific channel designations.
Listen SQ™/Modes9People are accustomed to listening to low noise, high fidelity audio (delivered viaCD, DVD, etc.).  FM radio systems, such as those made by Listen, have moreinherent noise compared to most sound systems.  To minimize noise, Listen uses anoise reduction technology called ListenSQ™.  Both the transmitter and receivermust have the SQ feature enabled to achieve the desired results.  SQ is availableon new Listen systems, including the system you received in this shipment. If youare planning to use this product with older Listen systems that do not have ListenSQ, or equipment not manufactured by Listen, you must disable Listen SQ.Your Listen LT-800 has been shipped to you with the SQ feature enabled.  You mayneed to disable the SQ function for one or more of the following reasons:1. You are using your new Listen LT-800 with older version Listen receivers thatdo not have the SQ function.2. You are using your new Listen LT-800 with equipment supplied by othermanufacturers (Listen is the only manufacturer using SQ Technology).3. You expect that end users will bring and use their own receivers that don’thave the SQ function.NOTE:  See page 6 to enable or disable SQ (Super Quiet).Process ModeProcess mode is used for Audio Gain Control (AGC).  With the process modeenabled, the LT-800 will automatically adjust for inconsistent signal input levels byraising or lowering the signal level accordingly to provide a consistent sound outputlevel.  This feature should be used in applications where a consistent sound level isimportant and the input levels vary substantially.  Typically you would not want toengage the Process Mode when a speaker’s emphasis is critical to the message theyare conveying.Basic and Expanded ModeIn the default Listen channel mode, only the most commonly used channels areavailable.  This is called “Basic Mode”.  When the LT-800 is in Basic Mode, “L/O”(lock-out) will be displayed on the LCD, meaning some transmission channels areunavailable.  If the channel needed is not available in Basic Mode, access to alltransmission channels is achieved in “Expanded Mode”.  To access Expanded Modepress and hold the channel select “down” button while powering on the unit.  Toreturn to Basic Mode, repeat the same process of powering on the unit while hold-ing the “down” button.Listen SQ™ (Super Quiet) - Improving YourListening ExperienceSQ Summary· SQ is NOT squelch· SQ improves noiseperformance by at least20dB· SQ is NOT compatiblewith older version Listenproducts· SQ is NOT compatiblewith other manufacturers’products· To work properly, SQmust be enabled for boththe transmitter andreceivers· SQ can be disabled topermit operation witholder Listen products orother manufacturers’products
RF Reception/Coaxial Cable10The antenna for the LT-800 can be mounted directly on the unit if desired.However, you may find that the unit will provide better performance when theantenna is located elsewhere.  If you plan to mount the antenna in a differentlocation other than the top of the unit, you must use cable and connectors rated at50 ohms.  Although cable used for cable TV installations looks similar to thiscable, it will not work with your Listen system. If you need to run cable over a length greater than 50 feet for 216 MHzapplications or greater than 100 feet for 72 MHz applications or to maximizebroadcast range, Listen recommends that you use RG-8 cable rather than RG-58.RG-8 is a lower loss cable, meaning that more of your signal will reach theantenna.Long cable runs can result in signal degradation due to the “loss” characteristics ofthe cable.  When using RG-58 with a 72 MHz transmitter, there is an average* lossof 4 dB per 100 feet of cable and at 216 MHz using RG-58 an average* loss of 8 dBper 100 feet of cable.  (A 3dB loss means half of your power has been lost.)However, it is better to suffer coaxial power loss than to try to shoot your signalthrough obstacles!  Obstacles, especially metal, can create drop-outs or reflectionsof your signal that will result in poor listening conditions.*NOTE:  There are many varieties of 50 ohm, RG-58 and RG-8 cables.  You maypurchase a cable that is better or worse than this value.  Please check with thecable vendor or manufacturer for exact specifications.Coaxial CableFor proper and dependable operation, Listen receivers need to receive a strong andconsistent signal from the originating transmitter.  Note that on portable receiversthe headset wire is the receiving antenna.  The following strategies should be usedmaximize this signal:1. When designing and installing your system, keep in mind that the location ofboth the transmitting and receiving antennas is critical to maximize broadcastrange.2. Eliminate or minimize obstructions between the transmitting and receivingantenna.3. Minimize the distance between the transmitting and receiving antennas.4. Move transmitting and receiving antennas away from metal or conductiveobjects.5. Place the transmitting antenna as high as possible.6. Orient both transmitting and receiving antennas vertically.7. Position the RF Power switch on the back of the LT-800 to full RF Power,unless lower power is necessary (see page 6).8. Keep coaxial cable from transmitter to antenna as short as possible.CAUTION:  When installing antennas, ensure the antenna is clear of power lines.Coaxial cable, connectors, and optional antenna mounting kits are available fromListen. See page 19, visit www.ListenTech.com or ask your dealer for details.RF Reception Maximization Strategies
Channel Selection11It is important to choose channels that are free from interference to achieve properoperation of your Listen equipment.  This process is trial and error.  Before turningon the transmitter, listen to the wide band channels on the receivers (letteredchannels at 72 MHz and channels that start with a “2” for 216 MHz when using aListen receiver).  Listen to the audio through the headphone or via the speaker andchoose a channel with the least amount of interference.  Unless you are interfacingwith an existing narrowband transmission system, always use a wide band channel.  If you are using multiple channels follow this process:1. Same Space If you are using multiple transmitters in the same space, the high-est number of channels that will work simultaneously is six at 72 MHz and threeat 216 MHz.  With all of the transmitters off, listen for interference on all thewide band channels with a Listen receiver.  Using the frequency compatibilitytables on pages 12-13, eliminate any channels that have noticeable interference.Now choose the channels with the widest channel spacing.  It is recommendedthat adjacent channels be spaced at least 300k Hz apart.  If there is no interfer-ence the following channels are recommended.  For a 72 MHz system, use chan-nels A, C, E, I, J and H.  For a 216 MHz system, use channels 2A, 2K and 2V.2. Distributed Spacing  If you are using transmitters that are distributed over alarge area, you can achieve more simultaneous broadcast channels.  However, itis critical that your receiver(s) be located as close to its transmitter as possible.You can use adjacent channels (see frequency compatibility tables on pages 12-13) in this case as long as the adjacent channel transmitter is at least 50% fur-ther away from the receiver than the original transmitter.  Example:  The trans-mitter for the receiver on channel E is 100 feet from the receiver.  The adjacentchannel transmitter on channel D should be at least 150 feet away.It is highly recommended that after channel selection has been achieved, you lockthe channel so that it cannot be changed by the user.  To accomplish LOCK on theLT-800, press the “UP” button for 3 seconds. Repeat the process to unlock. Notes in regard to using 72 MHz and 216 MHz systems:1. 72 MHz is a secondary frequency band.  This means that other transmitters arelicensed to use these frequencies.  Thus, you may experience interference frompaging transmitters and other types of transmissions.  You will need to find aclear channel by listening to all the wide band channels.2. 216 MHz is a primary frequency band and no other types of transmissions areauthorized to use it.  Thus, you will find the highest probability of clear channelsin this band. However, you may experience intermodulation of the TV Channel13 aural carrier if there is a channel 13 transmitter in your area and you are closeto the transmitter.  If you cannot find a clear channel in 216 MHz band due tochannel 13, it is recommended that you switch to a 72 MHz system.Channel SelectionWide Band RecommendationListen recommends that you always usea wide band channel unless you need tobe compatible with existing narrowband receivers from othermanufacturers.  Wide band channelshave lower noise than their narrowband counterparts.At 72MHzThe LT-800 at 72 MHz operates on 17wide band channels and 40 narrow bandchannels.·Letters= Wide Band Channels(Example: E)·Numbers= Narrow Band Channels(Example: 32)At 216MHzThe LT-800 at 216 MHz operates on 19wide band channels and 38 narrow bandchannels.·“2” as left digit= Wide BandChannel (Example: 2C)·“1” and “3” as left digits= NarrowBand Channels (Examples: 1A; 3R)
72 MHz Compatibility Chart1272 MHz Compatibility Chart*Parenthesis indicate T35 and T20 narrowband.pFrequency MHz ListenPhonic Ear Comtek Phonak Williams* Gentner Telex Drake72.0250 1 1 1 A1 (11, 1)72.0500 (2) 172.0750 2 2 2 A2 (12, 3)72.1000 A A A A A, (13, 4) 2 A 72.172.1250 3 3 3 A3 (14, 5)72.1500 (6) 372.1750 4 4 4 A4 (15, 7)72.2000 KKKKK, (8)4B72.272.2250 5 5 5 K5 (16, 9)72.2500 (10) 572.2750 6 6 6 K6 (17, 11)72.3000 BBBBB,(18, 12) 6 C 72.372.3250 7 7 7 B7 (19, 13)72.3500 (14) 772.3750 8 8 8 B8 (20, 15)72.4000 N N N N N, (16) 8 D 72.472.4250 9 9 9 N9 (21, 17)72.4500 (18) 972.4750 10 10 10 N0 (22, 19)72.5000 CCCCC,(23, 20) 10 E 72.572.5250 11 11 11 C1 (24, 21)72.5500 (22) 1172.5750 12 12 12 C2 (25, 33)72.6000 O O O O O, (24) 12 F 72.672.6250 13 13 13 O2 (26, 25)72.6500 (26) 1372.6750 14 14 14 4 (27)72.7000 D D D D D, (28) 14 G 72.772.7250 15 15 15 D5 (29)72.7500 (30) 1572.7750 16 16 16 D6 (30, 31)72.8000 PPPPP,(32) 16 H 72.872.8250 17 17 17 P7 (31, 33)72.8500 (34) 1772.8750 18 18 18 P8 (32, 35)72.9000 E E E E E, (33, 36) 18 I 72.972.9250 19 19 19 E9 (34, 37)72.9500 (38) 1972.9750 20 20 20 E0 (35, 39)74.6250 33 33 33 E3 (36, 40)74.6500 (41) 2074.6750 34 34 34 E4 (37, 42)74.7000 I I I I I, (38, 43) 21 O74.7250 35 35 35 I5 (39, 44)74.7500 (45) 2274.7750 36 36 36 I6 (40, 46)75.2250 37 37 37 I7 (41, 47)75.2500 (48) 2375.2750 38 38 38 I8 (42, 49)75.3000 J J J J J, (43, 50) 24 P75.3250 39 39 39 J9 (55, 51)75.3500 (52) 2575.3750 40 40 40 J0 (45, 53)75.4000 R R R R R, (54) 26 Q75.4250 21 21 21 R1 (46, 55)75.4500 (56) 2775.4750 22 22 22 R2 (47, 57)75.5000 F F F F F, (48, 58) 28 J 75.575.5250 23 23 23 F3 (49, 59)75.5500 (60) 2975.5750 24 24 24 F4 (50, 61)75.6000 S S S S S, (62) 30 K 75.675.6250 25 25 25 S5 (51, 63)75.6500 (64) 3175.6750 26 26 26 S6 (52, 65)75.7000 G G G G G, (53, 66) 32 L 75.775.7250 27 27 27 G7 (54, 67)75.7500 (68) 3375.7750 28 28 28 G8 (55, 69)75.8000 TTTTT,(70) 34 M 75.875.8250 29 29 29 T9 (56, 71)75.8500 (72) 3575.8750 30 30 30 T0 (57, 73)75.9000 HHHHH,(58, 74) 36 N 75.975.9250 31 31 31 H1 (59, 75)75.9500 (76) 3775.9750 32 32 32 H2 (60, 77)Wideband frequencies are indicated in highlighted rows.The highlighted channels also indicated those channelsavailable in the “basic” mode (default).  All channels canbe accessed when in the “expanded” channel mode (seepage 9 for more information).
216 MHz Compatibility Chart13216 MHz Compatibility ChartFrequency MHz ListenPhonic Ear Comtek Phonak Williams Gentner CSI AVRLight Speed216.01251A1 1 C01 N01216.02502A41 41 41 1 1216.03753A22216.06251B 3 21216.07502B 42 42 42 2 10216.08753B 4 4216.11251C 5 5 C05216.12502C 43 43 43 A 3 6216.13753C 6 22216.16251D 7 23216.17502D 44 44 44 B 4 14216.18753D 8 8216.21251E 9 9 C09 N09216.22502E 45 45 45 C 5 2216.23753E 10 24216.26251F 11 25216.27502F 46 46 46 D 6 11216.28753F 12 12 C12 N12216.31251G 13 13216.32502G 47 47 47 E 7 7216.33753G 14 26216.36251H 15 27216.37502H 48 48 48 F 8 15216.38753H 16 16 C18 N18216.41251J 17 17 C21216.42502J 49 49 49 G 9 18216.43753J 18 18216.51251K21 61216.52502K51 51 29 H 10 3216.53753K22 62216.56251L23 28216.57502L52 52 52 I 11 12216.58753L24 64 C24 N64216.61251M 25 65 C25216.62502M 53 53 53 J 12 8216.63753M 26 81216.66251N 27 82216.67502N 54 54 54 K 13 16216.68753N 28 68216.71251P 29 69 C29216.72502P 55 55 55 L 14 19216.73753P 30 83216.76251R 31 84216.77502R 56 56 56 15 4216.78753R 32 72 C32 N72216.81251S 33 73 C33216.82502S 57 57 57 13216.83753S 34 76216.86251T35 85216.87502T58 58 58 9216.88753T36 86216.91251U 37 77 C37 N77216.92502U 59 59 59 17216.93753U 38 88216.96251V 39 79 C39216.97502V 60 60 60 5216.98753V 40 80 C40 N80Wideband frequencies are indicated in highlighted rows.The highlighted channels also indicated those channelsavailable in the “basic” mode (default).  All channelscan be accessed when in the “expanded” channel mode(see page 9 for more information).
Phonak Compatibility Chart14Phonak Frequency ChartFrequency MHzListen Phonak216.0125        1A 1216.0250        2A 41216.0375        3A 2216.0625        1B 21216.0750        2B 42216.0875        3B 4216.1125        1C 5216.1250        2C 43216.1375        3C 22216.1625        1D 23216.1750        2D 44216.1875        3D 8216.2125        1E 9216.2250        2E 45216.2375        3E 24216.2625        1F 25216.2750        2F 46216.2875        3F 12216.3125        1G 13216.3250        2G 47216.3375        3G 26216.3625        1H 27216.3750        2H 48216.3875        3H 16216.4125        1J 17216.4250        2J 49216.4375        3J 18216.5125        1K 61216.5250        2K 29216.5375        3K 62216.5625        1L 28216.5750        2L 52216.5875        3L 64216.6125        1M 65216.6250        2M 53216.6375        3M 81216.6625        1N 82216.6750        2N 54216.6875        3N 68216.7125        1P 69216.7250        2P 55216.7375        3P 83216.7625        1R 84216.7750        2R 56216.7875        3R 72216.8125        1S 73216.8250        2S 57216.8375        3S 76216.8625        1T 85216.8750        2T 58216.8875        3T 86216.9125        1U 77216.9250        2U 59216.9375        3U 88216.9625        1V 79216.9750        2V 60216.9875        3V 80Wideband frequencies are indicated in highlighted rows.The highlighted channels also indicated those channelsavailable in the “basic” mode (default).  All channelscan be accessed when in the “expanded” channel mode(see page 9 for more information).
Troubleshooting15The LT-800 has no powerMake sure the LA-201 power transformer is connected to a power source and isconnected to the jack marked “Power Input”.  Make sure the POWER button ispressed in.There is no audio or the audio level is too lowMake sure that your audio source is properly connected to Input 1 and/or Input 2.The Input 1 or Input 2 switches must be in the correct position for the appropriateinput level.  For example:  if you are using the output of a mixer on Input 2, theswitch should be in the -10dBu position.  If it were to be in the +10dBu position,the level would be too low.  Also, check the Input knob to ensure it is properlyadjusted.  You should be able to see the VU meter deflect on Input 1 or Input 2corresponding with the input level of the audio source.  You can listen to the audiosource by connecting a headset to the front panel jack and adjusting the Monitorvolume control.If the level of audio into the transmitter is low and can’t be corrected using the levelinput switches, the audio processor can be turned on to boost the signal (see page 6to set, page 9 for description of Process Mode).The audio is distortedCheck to make sure you have the input level select switches in the proper position.You may be providing too much audio level for the input stage to handle.  Makesure the SQ mode is set correctly on both the LT-800 and the receivers you areusing.  If your receivers do not have SQ, make sure the SQ mode is turned off (seepage 6).There is hum in the audioMake sure you have properly grounded the audio source to the LT-800.  Check theconnections from the audio source to the LT-800.  If you can, try to use a balancedaudio source - this will reduce the chance of creating hum.  Connect a ground wirefrom the LT-800 to ground and/or to the ground of the source audio.There is a toneThe Test Tone button has been pressed (its LED light is on).  Push the Test Tonebutton to turn off the tone.The Audio Input 1 sounds “tinny”If you are using an unbalanced audio source, make sure Pin 3 on the XLR or thering on the ¼” plug is grounded (see page 6).I cannot pick up the signal on the receiverCheck to make sure the receiver and the transmitter are using the same frequencyband (i.e. 72 MHz or 216 MHz) and that they are on the same channel.  Make surethe LT-800 has an antenna connected.  Ensure that the receiver has an antenna(for portable products the headset is the receiving antenna).I can pick up the signal on the receiver, but it sounds like it’s not tuned inCheck to make sure the transmitter and receiver are on exactly the same channel.It’s a good idea to lock the channels once they have been set.  To lock the LT-800,press the UP button for a 3 seconds (see page 7).LT-800 Troubleshooting
LT-800  Troubleshooting16I’m using another brand of receiver - how do I tell which channel to useRefer to Listen’s Frequency Compatibility Tables (pages 12-13).  Adjust Listen’stransmitter to the same frequency as the other major brand.  Since Listen productscan access 57 channels, they will most likely receive on the same fixed channel orchannels of other major brands.  If you are using another brand of receiver, makesure you have turned off the SQ feature on the Listen product(s).There is not sufficient rangeFirst make sure that the receivers you are using are operating properly, then makesure that you have an antenna connected either to the top of the LT-800transmitter or connected to the back of the unit (but not both!).  The antennashould be as high as possible and free of obstacles.  In addition make sure you areusing the correct antenna type for your unit.  You might want to use a remoteantenna (provided by Listen) that can be mounted on a mast or wall.  Try usingdifferent frequencies to find one with less interference. There is interference in my transmissionEnsure that the transmitter and receivers are on the same channel.  Verify thatthere are no other transmitters on the same channel or a close channel to the oneexhibiting interference.  Try different channels until you find a clear channel.  Ifthis does not work, try a different frequency band (i.e. if you are using 72 MHz, try216 MHz or vice versa).  Please contact Listen support for assistance and a returnauthorization (RMA) number to exchange product for alternate frequencyequipment.End users are adjusting the unitFirst, lock the channel by pressing and holding the channel select UP button for 3seconds.  Consider removing the Input, Mix Level and Contour knobs.  You canorder a rack mount kit from Listen which offers a security cover that will limitaccess to the unit.I am using other manufacturers’ receivers and the sound is distortedThe receiver is probably not designed to handle the +25 kHz deviation of theListen transmitter.  This can be corrected by turning the Mix Level knob down.Another possibility is that you have enabled the SQ function of the LT-800, andthis feature is not available in other companies’ products.  You will need to disableSQ in this event (see page 6).If you are using Phonak receivers, the transmitter is capable of operating in thePhonak mode (please refer to page 5).Several transmitters are operating in the same environmentFor this, you’ll need to choose your transmitting frequencies carefully.  See page 11for more details.Can I have two antennae connected to my transmitterNo.  The LT-800 transmitter can use only one antenna connection at a time.  Youmay connect either a top mount antenna through the top antenna port, or aremote antenna connected to the BNC connection on the rear of the unit.  Ifmultiple antennae are simultaneously connected to both ports the transmitter willhave extremely poor broadcast performance and range.LT-800 Troubleshooting
Compliance/FCC17This device complies with part 15 of the FCC Rules.  Operation is subject to thefollowing two conditions:  (1) These devices may not cause harmful interference,and (2) these devices must accept any interference received, including interferencethat may cause undesirable operation.Listen’s LT-800 Transmitter (216 MHz only)Listen’s LT-800  transmitter is authorized by rule under the Low Power RadioService (47 C.F.R. Part 95) and must not cause harmful interference to TVreception or United States Navy SPASUR installations.  You do not need an FCClicense to operate these transmitters.  These transmitters may only be used toprovide: auditory assistance to persons with disabilities, persons who requirelanguage translation, or persons in educational settings; health care services to theill; law enforcement tracking services under agreement with a law enforcementagency; or automated maritime telecommunications system (AMTS) networkcontrol communications.  Two-way voice communications and all other types ofuses not mentioned above are expressly prohibited.This device must be installed by a trained audio professional or certified dealer ofListen.  The user can’t make any modifications to the unit without expressedwritten consent of Listen Technologies Corporation.  Any modifications made willvoid the FCC compliance, Listen warranty and the user’s authority to operateListen’s equipment.FCC StatementThis equipment has been tested and found to comply with the limits for a class Bdigital device, pursuant to part 15 of the FCC Rules.  These limits are designed toprovide reasonable protection against harmful interference in a residentialinstallation.  This equipment generates, uses and can radiate radio frequency energyand if not installed and used in accordance with the instructions, may causeharmful interference to radio communications.  However, there is no guarantee thatinterference will not occur in a particular installation.  If this equipment does causeharmful interference to radio or television reception, which can be determined byturning the equipment off and on, the user is encouraged to try to correct theinterference by one or more of the following measures:· Reorient or relocate the receiving antenna.· Increase the separation between the equipment and receiver.· Connect the equipment into an outlet on a circuit different from that to whichthe receiver is connected.· Consult the dealer or an experienced radio/TV technician for help.This equipment has been certified to comply with the limits for a class B computingdevice, pursuant to FCC and IC Rules.  In order to maintain compliance with FCCand IC regulations, shielded cables must be used with this equipment.  Operationwith non-approved equipment or unshielded cables is likely to result in interferenceto radio and TV reception.  The user is cautioned that changes and modificationsmade to the equipment without the approval of manufacturer could void the user’sauthority to operate this equipment.Compliance Notice
Warranty/Contact18Listen Technologies Corporation (Listen®) warrants the LT-800 StationaryTransmitter to be free from defects in workmanship and material under normal useand conditions for the useful lifetime of the product from date of purchase.  Thiswarranty is only available to the original end purchaser of the product and cannotbe transferred.  Warranty is only valid if warranty card has been returned within 90days of purchase.  This warranty is void if damage occurred because of misuse or ifthe product has been repaired or modified by anyone other than a factoryauthorized service technician.  Warranty does not cover normal wear and tear onthe product or any other physical damage unless the damage was the result of amanufacturing defect.  Listen is not liable for consequential damages due to anyfailure of equipment to perform as intended.  Listen shall bear no responsibility orobligation with respect to the manner of use of any equipment sold by it.  Listenspecifically disclaims and negates any warranty of merchantability or fitness of useof such equipment including, without limitation, any warranty that the use of suchequipment for any purpose will comply with applicable laws and regulations.  Theterms of the warranty are governed by the laws of the state of Utah, U.S.A. Listenwill only accept returned products with prepaid shipping and with a returnmerchandise authorization number (RMA).  To receive a return merchandiseauthorization number call 1.800.330.0891 or 1.801.233.8992.  Please seewww.ListenTech.com or contact Listen for complete warranty details.WarrantyContacting ListenIf technical service is needed, please contact Listen.  Pre-authorization isrequired before returning Listen products.  If products were damaged in ship-ment, please contact the carrier, then contact Listen for replacement or repairrequirements payable by the carrier.Listen’s corporate headquarters are located in Sandy, Utah U.S.A. and are openMonday through Friday, 8am to 5pm Mountain Time.AAddddrreessss::8535 South 700 West Suite ASandy, UT  84070-2515  U.S.A.PPhhoonnee::1.801.233.89921.800.330.0891 (North America)FFaaxx::1.801.233.8995WWeebb  SSiittee::www.ListenTech.comEEmmaaiill::techsupport@ListenTech.com
LA-122 UniversalAntenna Kit The single solution for all of your indoorremote antenna needs.  Includes: 72 and 216MHz components; flexible and rigid dipolesand monopole radials; hardware for multiplemounting configurations; and 25 feet (7.6m)of RG-58 coax cable.Optional Accessories19Optional AccessoriesTelescoping (Top Mount) LA-106 for 72 MHz orLA-102 for 216 MHz90 Degree Helical(Rear Mount) LA-123 for 72 MHz orLA-124 for 216 MHz216 MHz Ground Plane(Remote Mount, outdoor) LA-107 for 216 MHzLA-326 Rack Mounting KitIncludes components for single and dual rackconfiguration and a security coverAntenna  Kit  for  the  LA-3326  Rack  Mount  KitLA-125 for 72 MHz and LA-126 for 216 MHz(LA-326 also required)NOTE:  Rack mounted units cannot use the LA-106,LA-102 or LA-101 top mounted antenna.Antenna Options72 MHz Helical(Top Mount) LA-101 for 72 MHzRack Mount Options
Optional Accessories20Optional Accessories continuedLA-268Over-the-EarLA-268LA-261LapelLA-261ConferenceLA-277Over-the-HeadLA-262CollarLA-276Noise CancellingLA-270Hand HeldLA-274NOTE:  To use Listen microphones you must use a converter (LA-280) to adapt the 3.5 mm connection to a ¼” phonoconnection.PhonoConverterLA-280BNC Connectorfor RG-58LA-127Installation of BNCConnectorsLA-114RG-58 CoaxialCableLA-112RG-8 CoaxialCableLA-113available by the footBNC Connector forRG-8LA-128Cable & Connectors OptionsMicrophone OptionsBehind-the-headLA-278
Listen Technologies Corporation8535 South 700 West, Suite ASandy, Utah 84070-2515 U.S.A.Telephone: 1.801.233.8992Toll Free (North America): 1.800.330.0891Fax: 1.801.233.8995E-mail: info@ListenTech.com

Navigation menu