Listen Technologies 800-002 LPRS Model LT-800B-072 User Manual lt 800b manual 2005 05 17 qxp
Listen Technologies Corporation LPRS Model LT-800B-072 lt 800b manual 2005 05 17 qxp
Contents
- 1. Exhibit 8
- 2. User Manual
Exhibit 8

User’s Manual
LT-800 Stationary Transmitter
Listen Technologies Corporation
8535 South 700 West, Suite A
Sandy, Utah 84070-2515 U.S.A.
Telephone: 1.801.233.8992
Toll Free (North America): 1.800.330.0891
Fax: 1.801.233.8995
E-mail: info@ListenTech.com
Don’t miss a single sound. Listen.

Welcome to Listen!
Dear Valued Customer,
Thank you for choosing Listen! All of us at Listen are dedicated to providing you
the highest quality products and prompt, efficient customer care. Our products are
manufactured in an ISO-9000 factory that has been independently certified to the
highest quality standards. We stand ready to answer any questions you might have
during installation or in the operation of our products. Should there be any
problems with your Listen products, we are ready to help you in any way we can.
We appreciate any comments you may have on how we might improve our products
or our service. Here’s how to reach us:
Telephone: 1.801.233.8992
Fax: 1.801.233.8995
Toll Free (North America): 1.800.330.0891
E-Mail: support@ListenTech.com
Web: www.ListenTech.com
Thank you... and enjoy your listening experience!
Best regards,
The Listen Team
iListen™ and the Listen Logo are registered trademarks of Listen Technologies Corporation.
LT-800_2005_05_17 © 2004 Listen Technologies Corporation. All Rights Reserved.
LT-800 Package Contents
72 MHz: LT-800-072
216 MHz: LT-800-216
Listen Part Number
See pages 19-20
Optional Accessories
· LT-800 Stationary Transmitter (72 MHz or 216 MHz)
· LA-201 120 VAC Power Supply
· LA-121 BNC Adapter (72 MHz model only)
· User Manual
· Quick Reference Sticker
Russell Gentner, President

Table of Contents
Specifications . . . . . . . . . . . . . . . . . . . . . . . . . . . . . . . . . . . . . . . . . . . . . . . . . . . . . . .2
Block Diagram . . . . . . . . . . . . . . . . . . . . . . . . . . . . . . . . . . . . . . . . . . . . . . . . . . . . . .3
Quick Reference . . . . . . . . . . . . . . . . . . . . . . . . . . . . . . . . . . . . . . . . . . . . . . . . . . . .4
Setup Instructions . . . . . . . . . . . . . . . . . . . . . . . . . . . . . . . . . . . . . . . . . . . . . . . . . . .5
Phonak Compatibility . . . . . . . . . . . . . . . . . . . . . . . . . . . . . . . . . . . . . . . . . . . . . . . .5
Operating Instructions . . . . . . . . . . . . . . . . . . . . . . . . . . . . . . . . . . . . . . . . . . . . . . .7
Audio Control . . . . . . . . . . . . . . . . . . . . . . . . . . . . . . . . . . . . . . . . . . . . . . . . . . . . . .7
Compatibility with other Manufacturers . . . . . . . . . . . . . . . . . . . . . . . . . . . . . . . . .8
Listen SQ™ . . . . . . . . . . . . . . . . . . . . . . . . . . . . . . . . . . . . . . . . . . . . . . . . . . . . . . . .9
Process Mode . . . . . . . . . . . . . . . . . . . . . . . . . . . . . . . . . . . . . . . . . . . . . . . . . . . . . . .9
Basic and Expanded Mode . . . . . . . . . . . . . . . . . . . . . . . . . . . . . . . . . . . . . . . . . . . .9
RF Reception Maximization Strategies . . . . . . . . . . . . . . . . . . . . . . . . . . . . . . . . .10
Coaxial Cable . . . . . . . . . . . . . . . . . . . . . . . . . . . . . . . . . . . . . . . . . . . . . . . . . . . . .10
Channel Selection . . . . . . . . . . . . . . . . . . . . . . . . . . . . . . . . . . . . . . . . . . . . . . . . . .11
72 MHz Frequency Compatibility Table . . . . . . . . . . . . . . . . . . . . . . . . . . . . . . . . .12
216 MHz Frequency Compatibility Table . . . . . . . . . . . . . . . . . . . . . . . . . . . . . . . .13
Phonak Frequency Compatibility Table . . . . . . . . . . . . . . . . . . . . . . . . . . . . . . . . .14
Troubleshooting . . . . . . . . . . . . . . . . . . . . . . . . . . . . . . . . . . . . . . . . . . . . . . . . . . . .15
Compliance Notice . . . . . . . . . . . . . . . . . . . . . . . . . . . . . . . . . . . . . . . . . . . . . . . . .17
FCC Statement . . . . . . . . . . . . . . . . . . . . . . . . . . . . . . . . . . . . . . . . . . . . . . . . . . . .17
Warranty . . . . . . . . . . . . . . . . . . . . . . . . . . . . . . . . . . . . . . . . . . . . . . . . . . . . . . . . .18
Contact . . . . . . . . . . . . . . . . . . . . . . . . . . . . . . . . . . . . . . . . . . . . . . . . . . . . . . . . . .18
Optional Accessories . . . . . . . . . . . . . . . . . . . . . . . . . . . . . . . . . . . . . . . . . . . . . . . .19
Table of Contents

Specifications
Architectural Specifications
The stationary FM transmitter shall be capable of broadcasting on 57 channels. The transmitter shall have a
SNR of 80dB or greater. The output power shall be adjustable to quarter, half or full. Channel tuning shall
be capable of being locked. The device shall broadcast on both wide and narrow band channels. The device
shall have an audio frequency response of 63 Hz to 15k Hz, ± 3dB at 72 MHz, or of 63 Hz to 10k Hz, ± 3dB
at 216 MHz. It shall have two mixing audio inputs. The device shall have the following audio controls:
input level, mix level and an adjustable low pass filter. The device shall have an audio processor that is
capable of automatic gain control and limiting. The Listen LT-800 is specified.
Specifications
2
Specifications
S
p
ecification LT-800-072 LT-800-216
RF Fre
q
uenc
y
Ran
g
e 72.025 - 75.975 MH
z
216.025 - 216.975 MH
z
Number of Channels 57
(
17 wide, 40 narrow
)
57
(
19 wide, 38 narrow
)
Fre
q
uenc
y
Accurac
y
Transmitter Stabilit
y
Out
p
ut Powe
r
8,000uV at 3m 100mW
(
Max allowed b
y
FCC
)
Antenna
Antenna Connector BNC BNC
Com
p
liance
S
y
stem Fre
q
uenc
y
Res
p
onse 63Hz - 15kHz
(
±3dB
)
63Hz - 10kHz
(
± 3dB
)
System Signal to Noise Ratio (A
-
wei
g
hted
)
SQ enabled: 80dB; SQ disabled
60dB SQ enabled: 80dB; SQ disabled 50dB
System Distortion <2% total harmonic distortion (THD)
at 80% deviation
<2% total harmonic distortion (THD) at
80% deviation
Audio Input 1
Audio Input 2
Combined Audio Output (Mix)
Headphone Output
Front Panel
Rear Panel
Internal Adjustments
Pro
g
rammin
g
In
p
ut 1 and In
p
ut 2, Mix VU Meters
SQ and Processin
g
RF Power
Power
LCD Dis
p
la
y
Test Tone
Power Su
pp
l
y
T
yp
e
Power Su
pp
l
y
In
p
ut
Power Su
pp
l
y
Out
p
u
t
Power Su
pp
l
y
Connector
Com
p
liance
Dimensions
Unit Wei
g
ht
Unit Weight with LA-201 Power Supply
Shi
pp
in
g
Wei
g
ht
Rack Mounting
Tem
p
erature - O
p
eration
Tem
p
erature - Stora
g
e
Humidit
y
RF
+/- .005% stability 0 to 50C
50 PPM
Several available. See www.ListenTech.com for details
FCC Part 15, Industry Canada
Audio
** All system specifications are wireless end-to-end
Rear panel. Female-XLR and 1/4 in combo connector, balanced, 0/-55dBu
(line/mic) nominal input level adjustable, -30/+21dBu (mic/line) maximum
input level, impedance 20k/1k ohms (line/mic), phantom power +12VDC
Rear panel. (2) Phono connectors, unbalanced, -10/+10dBu nominal input
level adjustable, +30dBu maximum, impedance 100k ohms
Rear panel. (2) Phono connectors, unbalanced, 0dBu nominal output level,
+19dBu maximum, impedance 10 ohms.
Front panel. (1) 3.5mm connector, unbalanced, adjustable output level,
+14dBu maximum, impedance 10 ohms. 350mW, 32 ohms, 3.5mm stereo.
Controls
Power, Test Tone on/off, Channel up/down, Input Level, Mix Level, Contour,
Headset Level
Input 1 Level (Line, Mic, Mic-Phantom Power), Input 2 Level (-10/+10 dBu), RF
Power (low, mid, high)
Compression ratio for audio processor
SQ on/off, Processing on/off
Indicators
8 Green, 2 Red
Indicated by a green LED when on
Indicated on the LCD Display
Red LED illuminates when the unit is powered up
Channel designation, lock status, RF Power Level
Red LED illuminates when test tone enabled
Power
In-line power supply, Listen part number LA-201
120VAC, 60 Hz, 19 watts
15VAC, 1000m
A
.02 in (5.0mm) OD x .01 in (2.5mm) ID, barrel type
UL Listed
Physical
8.0 in (20.3cm) W x 8.0 in (20.cm) D x 1.75 in (4.45cm) H
3.0 lbs (1.4kg)
4.4 lbs (2.0kg)
5.0 lbs (2. kg)
1 rack unit, optional rack mount not included.
Order Listen part number LA-326.
Environmental
-10 C (14 F) to +40° (104 F)
-20 C (-4 F) to +50° (122 F)
0 to 95% relative humidity, non-condensing

In-Line
Power Supply
LA-201
(provided)
115VAC6
0 Hz
Top Mounted
Antenna Stud
BNC
Listen LCD Display
Backlighted
HEADPHONE
3.5MM
Stereo
15VAC, 1A
Transmitter RF Board
Power Supply
CPU Module
SQ
Companding
ProcessingPre-emphasis
POWER
On Off
PROCESS
SQ
ANTENNA
Functions controlled by the CP
U
Module
V
olume
Up
Down
Remote
Antenna
Connection
On Off
Compression Ratio
(internal adjustment)
Red
LED
Green
LED
Green
LED
CONTOUR
MIX LEVEL
CHANNEL SELECT
On OffLow High
Mid
Female XLR-1/4
"
Combo Connecto
r
Phono
2/Tip 3/Ring
Line
1/Sleeve
Mic
12VDC
Mic
Phantom Pwr
Input 1 Level Select
Mic-Phantom Pwr, Mic, Line
-10dBu+10dBu
Input 2 Level Select
+10dBu/-10dBu
Phono
Input Level
Front Panel
400Hz
TEST TONE
OFF ON
Red
LED
Test Tone Button
Front Panel
MIX OUTPUT
Input 1 VU
Meter
Input 2 VU
Meter
INPUT 2
INPUT 1
RF POWER
MIX Level
VU Meter
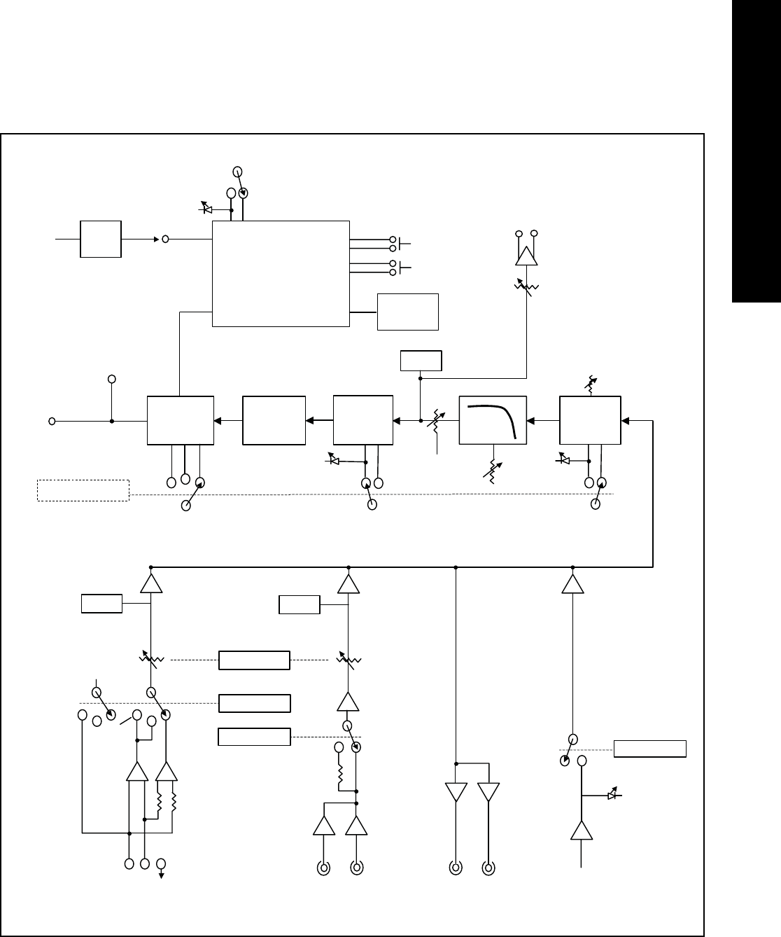
Block Diagram
3
LT-800 Block Diagram

Quick Reference
4
Quick Reference
LT-800 Front Panel: Controls & Displays
Adjust audio input levels of
Input 1 and Input 2 here.
See page 7 for more
information
Indicates audio input
level of Input 1 and
Input 2 Shows mixed
audio level
Indicates
Process Mode
is active
LCD: Shows
which channel
is selected Monitor Port: Plug
in a headset and
adjust volume
Channel Select Down:
Press for 8 seconds to
enter program mode.
See page 7 for more
information
Contour: Equalization
adjustment. Turn
counter-clockwise for
voice and clockwise for
music
Mix Level: Adjust so
the Mix Level meter
occasionally lights the
red LED
Test Tone: Activates a
tone to aid system setup
Power
ON / OFF
LT-800 Back Panel: Connections & Settings
The Listen LA-201
power supply
connects here
Set RF Power level here (¼, ½ and
Full). See page 6 for guidelines on
setting power levels
Input 2: Connect unbalanced
audio to these phono
connectors, input level -10dBu
or +10dBu
Input 2: Set switch to
match the level of your
Input 2 audio source, not
used to increase or
decrease level by ±10dBu
Input 1: Used for balanced
connection of a microphone or
line level input. This
combination connector accepts
either XLR or ¼” phono plugs
Select Line, Mic or Mic+Phantom
Power. Line is balanced 0 dBu
input level, Mic is -55dBu, +12VDC
supplied in PH Power position. If
not using input 1, leave in line
position.
Mix Output: These
connectors contain a mix of
Input 1 and Input 2. They are
unbalanced phono connectors;
and the output level is -10dBu
Remote Antenna Connection:
See page 19 or the Listen
website for details on antennas
that can be attached here
Top mount antenna connection:
Remove rubber plug and screw
antenna in place
Indicates
Super Quiet
mode is
active
Channel Select Up:
Press for 3 seconds to
lock on current
channel

Unpack the Product
Remove outer packaging and plastic cover. Inspect for
physical damage.
Mount in Rack (if necessary)
If rack mounting the unit, install the optional rack
mount kit (part LA-326) according to the instructions
included with the kit, then install the LT-800 in the
rack.
NOTE: If rack mounting, you will need to use a rear connection
antenna.
Connect Antenna
Connect the antenna (not
included) according to the
installation instructions. Only
use an antenna supplied by
Listen. If you are connecting the
antenna directly to the top of
the LT-800, you will need to
remove the rubber plug on top
of the unit. If you are using a
remote antenna connected to
the rear of the unit, do not
connect an antenna
to the top
connector. See
page 19 for
antenna options,
or refer to the Listen
website for remote
antenna options.
Connect Power
Plug the power supply into the power connector on the
back panel, then plug the power supply into an outlet.
Only use a Listen
approved power supply
(The LA-201, an in-
line transformer, is the
approved power supply
for this unit).
Select Phonak Compatibility (if necessary)
If you will be using Phonak receivers with your LT-800
(216 MHz only), the transmitter can become
completely compatible through software control.
When switched to this mode, the LT-800 transmitter
will display the Phonak channels. By integrating
Phonak channels and compatibility into the LT-800-
216, it is more convenient to use Phonak receivers
with Listen transmitters. (www.phonak.com)
To Select Phonak Mode:
Press and hold down the channel select "up" button
while powering on the unit. The LCD will display a
"P" momentarily upon power up indicating that the
transmitter is in the Phonak Channel Mode. The
channels displayed will now match Phonak channels.
To return to the Listen channel designations, repeat
this process. The LCD
will display an "L"
momentarily upon power
up indicating that you
are in the Listen
Channel Mode.
Select Channel Mode (if necessary)
Your transmitter has been shipped to you with only a
limited number of channels available (Basic Mode). If
all channels (Expanded Mode) are required, use the
following procedure.
To Select Expanded Mode:
To enable or disable the Expanded Mode, press and
hold the channel select "down" button while powering
on the unit. When the Basic Mode is enabled, "L/O"
(lockout) will be displayed on the LCD display as
shown below. This indicator is extinguished when in
the Expanded Mode.
Setup
LT-800 Setup Instructions
5
Rack Mount with dual unit installed
Shown with LR-100 and LT-800
Rack Mount with single unit installed
Shown with LT-800
rubber plug
Coax antenna connection.
Rear of LT-800 shown.
LA-122 Remote Antenna
See RF Reception Maximization
Strategies and Coaxial Cable on
page 10.
LT-800 shown with top mount antenna
connected through top of unit
(part numbers LA-101,
LA-106 (72 MHz) or
LA-102 (216 MHz)

Set SQ (Super Quiet) and Process Features
Your transmitter is shipped to you with SQ (super
quiet) enabled and Process disabled. For a detailed
description of these features and when to use them,
please refer to page 9.
To Disable or Enable SQ and Process Features:
With the unit on press and hold the channel select
"Down" button for 8 seconds. The program (PGM)
icon will appear on the LCD.
Once in the program mode,
the SQ and Process features can be turned on and off
by pressing the channel select buttons.
· Press the channel select “Up” button to toggle
between Process On and Off.
· Press the channel select “Down” button to toggle
between SQ On and Off.
If the green LED is
displayed on the front panel, that feature is enabled.
Once you have enabled or disabled the features as
desired, let the transmitter exit the program mode by
waiting 5 seconds.
Set RF Power
Set the RF POWER switch on the back of the unit to
Full, ½ or ¼ (Level is indicated on the LCD display).
The amount of transmitted RF power that you will
need depends on your application. If you are operating
multiple transmitters in the same environment, it is
best to set the transmitter’s output power to its lowest
level to reduce the possibility of interference.
Connect Audio Inputs
The LT-800 has two audio input options: Input 1 and
Input 2. Input 1 is a balanced connection using either
an XLR or ¼” phono connector. Input 2 has two
unbalanced mixing phono connectors. Use Input 1 if
you are using a microphone or if you have a balanced
connection such as from a professional audio mixer
(you can also use Input 1 for unbalanced connections).
Use Input 2 to connect to an unbalanced audio source.
Input 1
Connect the audio source(s) to one or both audio
input connections. Input 1 offers a choice of balanced
XLR or ¼” phono connector.
Plug your microphone into Input 1 and move the
input select switch to Mic (for dynamic microphones)
or Mic + PH Power (for condenser microphones).
Plug your balanced or unbalanced audio source into
Input 1. Use the following diagram.
Input 2
Plug your unbalanced audio source into Input 2 and
select the audio level switch for
-10dBu or +10dBu, to match
the audio level coming from
your equipment.
LT-800 Setup Instructions continued
Setup
6
- +
XLR Wiring ¼” Phone Wiring
Full
power
½
power
¼
power
Back of LT-800 unit
Back of LT-800 with XLR connected to Input 1
Line
Mic
Mic with
Phantom
Power
LED lit when Process
is enabled
LED lit when
SQ is enabled
Program
icon

Power Unit On
Turn power on by pressing the power button.
Select a Channel
Select the transmit channel by pressing the channel
select UP and DOWN buttons. See Channel
Selection on page 11 for more information.
Lock on Channel
Once you determine your
transmit channel, you can
lock the transmitter on that
channel. To lock a channel
hold the Channel Select “Up” button for 3 seconds
until the padlock icon appears on the display. To
unlock, repeat this process and the padlock icon will
disappear.
Test Tone (if necessary)
To broadcast a test tone, press
the test tone button. This helps
to test receivers when no audio
source is available.
Adjust Audio Input Level
Adjust the input knob counterclockwise to add gain to
Input 1. This will decrease gain to Input 2. Adjust
input knob clockwise to add gain to Input 2. This will
decrease gain to Input 1. If you have two audio
sources connected to both Input 1 and 2, adjust the
level of one input using the VU meter, then adjust the
output level of the other audio source. Adjust the
input level until the left VU meter(s) occasionally
illuminate the red LEDs. Illumination of the red LEDs
indicates the unit is in limiting. Limiting is required
so that the unit does not over-modulate the
transmitter. If you don’t want any audio limiting to
occur, make sure the red
LEDs never illuminate. If
you want a highly limited
signal, turn the audio gain
up so the red LEDs
illuminate often.
Adjust Contour
Adjust the Contour knob counterclockwise if your
audio source is mostly voice. Adjust the knob
clockwise if your audio source is mostly music. The
Contour knob adjusts the
relative equalization of the
unit. This equalization
boosts or cuts frequencies
above 5 kHz.
Adjust Mix Level
Adjust the mix level until the right VU meter
occasionally illuminates the red LED. This is the level
adjustment for the combined output from Input 1 and
Input 2.
LT-800 Operation
7
Channel Select
UP and DOWN buttons
LT-800 Operating Instructions
Press Test Tone
button here
NOTE: The LT-800 is shipped with only limited channels (Basic Mode). To
select from all channels (Expanded Mode) refer to page 5. (for a more detailed
description of Basic and Expanded Mode refer to page 9)
LT-800 Audio Control

LT-800 Compatibility
8
LT-800 Compatibility with Other Manufacturers
If you are using another manufacturers’ receivers with the LT-800, determine the frequency of their
receivers then refer to Listen’s Frequency Compatibility Tables (pages 12-14) to find the LT-800
channel that corresponds with the receiver’s frequency. We recommend verifying corresponding
channel designations on these tables to ensure compatibility and provide the best possible reception.
The LT-800 is Phonak compatible and can be set to display Phonak specific channels. See page 5 to set
Channel Mode and page 14 for specific channel designations.

Listen SQ™/Modes
9
People are accustomed to listening to low noise, high fidelity audio (delivered via
CD, DVD, etc.). FM radio systems, such as those made by Listen, have more
inherent noise compared to most sound systems. To minimize noise, Listen uses a
noise reduction technology called ListenSQ™. Both the transmitter and receiver
must have the SQ feature enabled to achieve the desired results. SQ is available
on new Listen systems, including the system you received in this shipment. If you
are planning to use this product with older Listen systems that do not have Listen
SQ, or equipment not manufactured by Listen, you must disable Listen SQ.
Your Listen LT-800 has been shipped to you with the SQ feature enabled. You may
need to disable the SQ function for one or more of the following reasons:
1. You are using your new Listen LT-800 with older version Listen receivers that
do not have the SQ function.
2. You are using your new Listen LT-800 with equipment supplied by other
manufacturers (Listen is the only manufacturer using SQ Technology).
3. You expect that end users will bring and use their own receivers that don’t
have the SQ function.
NOTE: See page 6 to enable or disable SQ (Super Quiet).
Process Mode
Process mode is used for Audio Gain Control (AGC). With the process mode
enabled, the LT-800 will automatically adjust for inconsistent signal input levels by
raising or lowering the signal level accordingly to provide a consistent sound output
level. This feature should be used in applications where a consistent sound level is
important and the input levels vary substantially. Typically you would not want to
engage the Process Mode when a speaker’s emphasis is critical to the message they
are conveying.
Basic and Expanded Mode
In the default Listen channel mode, only the most commonly used channels are
available. This is called “Basic Mode”. When the LT-800 is in Basic Mode, “L/O”
(lock-out) will be displayed on the LCD, meaning some transmission channels are
unavailable. If the channel needed is not available in Basic Mode, access to all
transmission channels is achieved in “Expanded Mode”. To access Expanded Mode
press and hold the channel select “down” button while powering on the unit. To
return to Basic Mode, repeat the same process of powering on the unit while hold-
ing the “down” button.
Listen SQ™ (Super Quiet) - Improving Your
Listening Experience
SQ Summary
· SQ is NOT squelch
· SQ improves noise
performance by at least
20dB
· SQ is NOT compatible
with older version Listen
products
· SQ is NOT compatible
with other manufacturers’
products
· To work properly, SQ
must be enabled for both
the transmitter and
receivers
· SQ can be disabled to
permit operation with
older Listen products or
other manufacturers’
products

RF Reception/Coaxial Cable
10
The antenna for the LT-800 can be mounted directly on the unit if desired.
However, you may find that the unit will provide better performance when the
antenna is located elsewhere. If you plan to mount the antenna in a different
location other than the top of the unit, you must use cable and connectors rated at
50 ohms. Although cable used for cable TV installations looks similar to this
cable, it will not work with your Listen system.
If you need to run cable over a length greater than 50 feet for 216 MHz
applications or greater than 100 feet for 72 MHz applications or to maximize
broadcast range, Listen recommends that you use RG-8 cable rather than RG-58.
RG-8 is a lower loss cable, meaning that more of your signal will reach the
antenna.
Long cable runs can result in signal degradation due to the “loss” characteristics of
the cable. When using RG-58 with a 72 MHz transmitter, there is an average* loss
of 4 dB per 100 feet of cable and at 216 MHz using RG-58 an average* loss of 8 dB
per 100 feet of cable. (A 3dB loss means half of your power has been lost.)
However, it is better to suffer coaxial power loss than to try to shoot your signal
through obstacles! Obstacles, especially metal, can create drop-outs or reflections
of your signal that will result in poor listening conditions.
*NOTE: There are many varieties of 50 ohm, RG-58 and RG-8 cables. You may
purchase a cable that is better or worse than this value. Please check with the
cable vendor or manufacturer for exact specifications.
Coaxial Cable
For proper and dependable operation, Listen receivers need to receive a strong and
consistent signal from the originating transmitter. Note that on portable receivers
the headset wire is the receiving antenna. The following strategies should be used
maximize this signal:
1. When designing and installing your system, keep in mind that the location of
both the transmitting and receiving antennas is critical to maximize broadcast
range.
2. Eliminate or minimize obstructions between the transmitting and receiving
antenna.
3. Minimize the distance between the transmitting and receiving antennas.
4. Move transmitting and receiving antennas away from metal or conductive
objects.
5. Place the transmitting antenna as high as possible.
6. Orient both transmitting and receiving antennas vertically.
7. Position the RF Power switch on the back of the LT-800 to full RF Power,
unless lower power is necessary (see page 6).
8. Keep coaxial cable from transmitter to antenna as short as possible.
CAUTION: When installing antennas, ensure the antenna is clear of power lines.
Coaxial cable, connectors, and optional antenna mounting kits are available from
Listen. See page 19, visit www.ListenTech.com or ask your dealer for details.
RF Reception Maximization Strategies

Channel Selection
11
It is important to choose channels that are free from interference to achieve proper
operation of your Listen equipment. This process is trial and error. Before turning
on the transmitter, listen to the wide band channels on the receivers (lettered
channels at 72 MHz and channels that start with a “2” for 216 MHz when using a
Listen receiver). Listen to the audio through the headphone or via the speaker and
choose a channel with the least amount of interference. Unless you are interfacing
with an existing narrowband transmission system, always use a wide band channel.
If you are using multiple channels follow this process:
1. Same Space If you are using multiple transmitters in the same space, the high-
est number of channels that will work simultaneously is six at 72 MHz and three
at 216 MHz. With all of the transmitters off, listen for interference on all the
wide band channels with a Listen receiver. Using the frequency compatibility
tables on pages 12-13, eliminate any channels that have noticeable interference.
Now choose the channels with the widest channel spacing. It is recommended
that adjacent channels be spaced at least 300k Hz apart. If there is no interfer-
ence the following channels are recommended. For a 72 MHz system, use chan-
nels A, C, E, I, J and H. For a 216 MHz system, use channels 2A, 2K and 2V.
2. Distributed Spacing If you are using transmitters that are distributed over a
large area, you can achieve more simultaneous broadcast channels. However, it
is critical that your receiver(s) be located as close to its transmitter as possible.
You can use adjacent channels (see frequency compatibility tables on pages 12-
13) in this case as long as the adjacent channel transmitter is at least 50% fur-
ther away from the receiver than the original transmitter. Example: The trans-
mitter for the receiver on channel E is 100 feet from the receiver. The adjacent
channel transmitter on channel D should be at least 150 feet away.
It is highly recommended that after channel selection has been achieved, you lock
the channel so that it cannot be changed by the user. To accomplish LOCK on the
LT-800, press the “UP” button for 3 seconds. Repeat the process to unlock.
Notes in regard to using 72 MHz and 216 MHz systems:
1. 72 MHz is a secondary frequency band. This means that other transmitters are
licensed to use these frequencies. Thus, you may experience interference from
paging transmitters and other types of transmissions. You will need to find a
clear channel by listening to all the wide band channels.
2. 216 MHz is a primary frequency band and no other types of transmissions are
authorized to use it. Thus, you will find the highest probability of clear channels
in this band. However, you may experience intermodulation of the TV Channel
13 aural carrier if there is a channel 13 transmitter in your area and you are close
to the transmitter. If you cannot find a clear channel in 216 MHz band due to
channel 13, it is recommended that you switch to a 72 MHz system.
Channel Selection
Wide Band Recommendation
Listen recommends that you always use
a wide band channel unless you need to
be compatible with existing narrow
band receivers from other
manufacturers. Wide band channels
have lower noise than their narrow
band counterparts.
At 72MHz
The LT-800 at 72 MHz operates on 17
wide band channels and 40 narrow band
channels.
·Letters= Wide Band Channels
(Example: E)
·Numbers= Narrow Band Channels
(Example: 32)
At 216MHz
The LT-800 at 216 MHz operates on 19
wide band channels and 38 narrow band
channels.
·“2” as left digit= Wide Band
Channel
(Example: 2C)
·“1” and “3” as left digits= Narrow
Band Channels (Examples: 1A; 3R)

72 MHz Compatibility Chart
12
72 MHz Compatibility Chart
*Parenthesis indicate T35 and T20 narrowband.
p
Frequency
MHz Listen
Phonic
Ear Comtek Phonak Williams* Gentner Telex Drake
72.0250 1 1 1 A1 (11, 1)
72.0500 (2) 1
72.0750 2 2 2 A2 (12, 3)
72.1000 A A A A A, (13, 4) 2 A 72.1
72.1250 3 3 3 A3 (14, 5)
72.1500 (6) 3
72.1750 4 4 4 A4 (15, 7)
72.2000 KKKKK, (8)4B72.2
72.2250 5 5 5 K5 (16, 9)
72.2500 (10) 5
72.2750 6 6 6 K6 (17, 11)
72.3000 BBBBB,(18, 12) 6 C 72.3
72.3250 7 7 7 B7 (19, 13)
72.3500 (14) 7
72.3750 8 8 8 B8 (20, 15)
72.4000 N N N N N, (16) 8 D 72.4
72.4250 9 9 9 N9 (21, 17)
72.4500 (18) 9
72.4750 10 10 10 N0 (22, 19)
72.5000 CCCCC,(23, 20) 10 E 72.5
72.5250 11 11 11 C1 (24, 21)
72.5500 (22) 11
72.5750 12 12 12 C2 (25, 33)
72.6000 O O O O O, (24) 12 F 72.6
72.6250 13 13 13 O2 (26, 25)
72.6500 (26) 13
72.6750 14 14 14 4 (27)
72.7000 D D D D D, (28) 14 G 72.7
72.7250 15 15 15 D5 (29)
72.7500 (30) 15
72.7750 16 16 16 D6 (30, 31)
72.8000 PPPPP,(32) 16 H 72.8
72.8250 17 17 17 P7 (31, 33)
72.8500 (34) 17
72.8750 18 18 18 P8 (32, 35)
72.9000 E E E E E, (33, 36) 18 I 72.9
72.9250 19 19 19 E9 (34, 37)
72.9500 (38) 19
72.9750 20 20 20 E0 (35, 39)
74.6250 33 33 33 E3 (36, 40)
74.6500 (41) 20
74.6750 34 34 34 E4 (37, 42)
74.7000 I I I I I, (38, 43) 21 O
74.7250 35 35 35 I5 (39, 44)
74.7500 (45) 22
74.7750 36 36 36 I6 (40, 46)
75.2250 37 37 37 I7 (41, 47)
75.2500 (48) 23
75.2750 38 38 38 I8 (42, 49)
75.3000 J J J J J, (43, 50) 24 P
75.3250 39 39 39 J9 (55, 51)
75.3500 (52) 25
75.3750 40 40 40 J0 (45, 53)
75.4000 R R R R R, (54) 26 Q
75.4250 21 21 21 R1 (46, 55)
75.4500 (56) 27
75.4750 22 22 22 R2 (47, 57)
75.5000 F F F F F, (48, 58) 28 J 75.5
75.5250 23 23 23 F3 (49, 59)
75.5500 (60) 29
75.5750 24 24 24 F4 (50, 61)
75.6000 S S S S S, (62) 30 K 75.6
75.6250 25 25 25 S5 (51, 63)
75.6500 (64) 31
75.6750 26 26 26 S6 (52, 65)
75.7000 G G G G G, (53, 66) 32 L 75.7
75.7250 27 27 27 G7 (54, 67)
75.7500 (68) 33
75.7750 28 28 28 G8 (55, 69)
75.8000 TTTTT,(70) 34 M 75.8
75.8250 29 29 29 T9 (56, 71)
75.8500 (72) 35
75.8750 30 30 30 T0 (57, 73)
75.9000 HHHHH,(58, 74) 36 N 75.9
75.9250 31 31 31 H1 (59, 75)
75.9500 (76) 37
75.9750 32 32 32 H2 (60, 77)
Wideband frequencies are indicated in highlighted rows.
The highlighted channels also indicated those channels
available in the “basic” mode (default). All channels can
be accessed when in the “expanded” channel mode (see
page 9 for more information).

216 MHz Compatibility Chart
13
216 MHz Compatibility Chart
Frequency
MHz Listen
Phonic
Ear Comtek Phonak Williams Gentner CSI AVR
Light
Speed
216.012
5
1
A
1 1 C01 N01
216.025
0
2
A
41 41 41 1 1
216.037
5
3
A
22
216.062
5
1B 3 21
216.075
0
2B 42 42 42 2 10
216.087
5
3B 4 4
216.112
5
1C 5 5 C05
216.125
0
2C 43 43 43 A 3 6
216.137
5
3C 6 22
216.162
5
1D 7 23
216.175
0
2D 44 44 44 B 4 14
216.187
5
3D 8 8
216.212
5
1E 9 9 C09 N09
216.225
0
2E 45 45 45 C 5 2
216.237
5
3E 10 24
216.262
5
1F 11 25
216.275
0
2F 46 46 46 D 6 11
216.287
5
3F 12 12 C12 N12
216.312
5
1G 13 13
216.325
0
2G 47 47 47 E 7 7
216.337
5
3G 14 26
216.362
5
1H 15 27
216.375
0
2H 48 48 48 F 8 15
216.387
5
3H 16 16 C18 N18
216.412
5
1J 17 17 C21
216.425
0
2J 49 49 49 G 9 18
216.437
5
3J 18 18
216.512
5
1
K
21 61
216.525
0
2
K
51 51 29 H 10 3
216.537
5
3
K
22 62
216.562
5
1
L
23 28
216.575
0
2
L
52 52 52 I 11 12
216.587
5
3
L
24 64 C24 N64
216.612
5
1M 25 65 C25
216.625
0
2M 53 53 53 J 12 8
216.637
5
3M 26 81
216.662
5
1N 27 82
216.675
0
2N 54 54 54 K 13 16
216.687
5
3N 28 68
216.712
5
1P 29 69 C29
216.725
0
2P 55 55 55 L 14 19
216.737
5
3P 30 83
216.762
5
1R 31 84
216.775
0
2R 56 56 56 15 4
216.787
5
3R 32 72 C32 N72
216.812
5
1S 33 73 C33
216.825
0
2S 57 57 57 13
216.837
5
3S 34 76
216.862
5
1
T
35 85
216.875
0
2
T
58 58 58 9
216.887
5
3
T
36 86
216.912
5
1U 37 77 C37 N77
216.925
0
2U 59 59 59 17
216.937
5
3U 38 88
216.962
5
1V 39 79 C39
216.975
0
2V 60 60 60 5
216.987
5
3V 40 80 C40 N80
Wideband frequencies are indicated in highlighted rows.
The highlighted channels also indicated those channels
available in the “basic” mode (default). All channels
can be accessed when in the “expanded” channel mode
(see page 9 for more information).

Phonak Compatibility Chart
14
Phonak Frequency Chart
Frequency
MHz
Listen Phonak
216.0125 1A 1
216.0250 2A 41
216.0375 3A 2
216.0625 1B 21
216.0750 2B 42
216.0875 3B 4
216.1125 1C 5
216.1250 2C 43
216.1375 3C 22
216.1625 1D 23
216.1750 2D 44
216.1875 3D 8
216.2125 1E 9
216.2250 2E 45
216.2375 3E 24
216.2625 1F 25
216.2750 2F 46
216.2875 3F 12
216.3125 1G 13
216.3250 2G 47
216.3375 3G 26
216.3625 1H 27
216.3750 2H 48
216.3875 3H 16
216.4125 1J 17
216.4250 2J 49
216.4375 3J 18
216.5125 1K 61
216.5250 2K 29
216.5375 3K 62
216.5625 1L 28
216.5750 2L 52
216.5875 3L 64
216.6125 1M 65
216.6250 2M 53
216.6375 3M 81
216.6625 1N 82
216.6750 2N 54
216.6875 3N 68
216.7125 1P 69
216.7250 2P 55
216.7375 3P 83
216.7625 1R 84
216.7750 2R 56
216.7875 3R 72
216.8125 1S 73
216.8250 2S 57
216.8375 3S 76
216.8625 1T 85
216.8750 2T 58
216.8875 3T 86
216.9125 1U 77
216.9250 2U 59
216.9375 3U 88
216.9625 1V 79
216.9750 2V 60
216.9875 3V 80
Wideband frequencies are indicated in highlighted rows.
The highlighted channels also indicated those channels
available in the “basic” mode (default). All channels
can be accessed when in the “expanded” channel mode
(see page 9 for more information).

Troubleshooting
15
The LT-800 has no power
Make sure the LA-201 power transformer is connected to a power source and is
connected to the jack marked “Power Input”. Make sure the POWER button is
pressed in.
There is no audio or the audio level is too low
Make sure that your audio source is properly connected to Input 1 and/or Input 2.
The Input 1 or Input 2 switches must be in the correct position for the appropriate
input level. For example: if you are using the output of a mixer on Input 2, the
switch should be in the -10dBu position. If it were to be in the +10dBu position,
the level would be too low. Also, check the Input knob to ensure it is properly
adjusted. You should be able to see the VU meter deflect on Input 1 or Input 2
corresponding with the input level of the audio source. You can listen to the audio
source by connecting a headset to the front panel jack and adjusting the Monitor
volume control.
If the level of audio into the transmitter is low and can’t be corrected using the level
input switches, the audio processor can be turned on to boost the signal (see page 6
to set, page 9 for description of Process Mode).
The audio is distorted
Check to make sure you have the input level select switches in the proper position.
You may be providing too much audio level for the input stage to handle. Make
sure the SQ mode is set correctly on both the LT-800 and the receivers you are
using. If your receivers do not have SQ, make sure the SQ mode is turned off (see
page 6).
There is hum in the audio
Make sure you have properly grounded the audio source to the LT-800. Check the
connections from the audio source to the LT-800. If you can, try to use a balanced
audio source - this will reduce the chance of creating hum. Connect a ground wire
from the LT-800 to ground and/or to the ground of the source audio.
There is a tone
The Test Tone button has been pressed (its LED light is on). Push the Test Tone
button to turn off the tone.
The Audio Input 1 sounds “tinny”
If you are using an unbalanced audio source, make sure Pin 3 on the XLR or the
ring on the ¼” plug is grounded (see page 6).
I cannot pick up the signal on the receiver
Check to make sure the receiver and the transmitter are using the same frequency
band (i.e. 72 MHz or 216 MHz) and that they are on the same channel. Make sure
the LT-800 has an antenna connected. Ensure that the receiver has an antenna
(for portable products the headset is the receiving antenna).
I can pick up the signal on the receiver, but it sounds like it’s not tuned in
Check to make sure the transmitter and receiver are on exactly the same channel.
It’s a good idea to lock the channels once they have been set. To lock the LT-800,
press the UP button for a 3 seconds (see page 7).
LT-800 Troubleshooting

LT-800 Troubleshooting
16
I’m using another brand of receiver - how do I tell which channel to use
Refer to Listen’s Frequency Compatibility Tables (pages 12-13). Adjust Listen’s
transmitter to the same frequency as the other major brand. Since Listen products
can access 57 channels, they will most likely receive on the same fixed channel or
channels of other major brands. If you are using another brand of receiver, make
sure you have turned off the SQ feature on the Listen product(s).
There is not sufficient range
First make sure that the receivers you are using are operating properly, then make
sure that you have an antenna connected either to the top of the LT-800
transmitter or connected to the back of the unit (but not both!). The antenna
should be as high as possible and free of obstacles. In addition make sure you are
using the correct antenna type for your unit. You might want to use a remote
antenna (provided by Listen) that can be mounted on a mast or wall. Try using
different frequencies to find one with less interference.
There is interference in my transmission
Ensure that the transmitter and receivers are on the same channel. Verify that
there are no other transmitters on the same channel or a close channel to the one
exhibiting interference. Try different channels until you find a clear channel. If
this does not work, try a different frequency band (i.e. if you are using 72 MHz, try
216 MHz or vice versa). Please contact Listen support for assistance and a return
authorization (RMA) number to exchange product for alternate frequency
equipment.
End users are adjusting the unit
First, lock the channel by pressing and holding the channel select UP button for 3
seconds. Consider removing the Input, Mix Level and Contour knobs. You can
order a rack mount kit from Listen which offers a security cover that will limit
access to the unit.
I am using other manufacturers’ receivers and the sound is distorted
The receiver is probably not designed to handle the +25 kHz deviation of the
Listen transmitter. This can be corrected by turning the Mix Level knob down.
Another possibility is that you have enabled the SQ function of the LT-800, and
this feature is not available in other companies’ products. You will need to disable
SQ in this event (see page 6).
If you are using Phonak receivers, the transmitter is capable of operating in the
Phonak mode (please refer to page 5).
Several transmitters are operating in the same environment
For this, you’ll need to choose your transmitting frequencies carefully. See page 11
for more details.
Can I have two antennae connected to my transmitter
No. The LT-800 transmitter can use only one antenna connection at a time. You
may connect either a top mount antenna through the top antenna port, or a
remote antenna connected to the BNC connection on the rear of the unit. If
multiple antennae are simultaneously connected to both ports the transmitter will
have extremely poor broadcast performance and range.
LT-800 Troubleshooting

Compliance/FCC
17
This device complies with part 15 of the FCC Rules. Operation is subject to the
following two conditions: (1) These devices may not cause harmful interference,
and (2) these devices must accept any interference received, including interference
that may cause undesirable operation.
Listen’s LT-800 Transmitter (216 MHz only)
Listen’s LT-800 transmitter is authorized by rule under the Low Power Radio
Service (47 C.F.R. Part 95) and must not cause harmful interference to TV
reception or United States Navy SPASUR installations. You do not need an FCC
license to operate these transmitters. These transmitters may only be used to
provide: auditory assistance to persons with disabilities, persons who require
language translation, or persons in educational settings; health care services to the
ill; law enforcement tracking services under agreement with a law enforcement
agency; or automated maritime telecommunications system (AMTS) network
control communications. Two-way voice communications and all other types of
uses not mentioned above are expressly prohibited.
This device must be installed by a trained audio professional or certified dealer of
Listen. The user can’t make any modifications to the unit without expressed
written consent of Listen Technologies Corporation. Any modifications made will
void the FCC compliance, Listen warranty and the user’s authority to operate
Listen’s equipment.
FCC Statement
This equipment has been tested and found to comply with the limits for a class B
digital device, pursuant to part 15 of the FCC Rules. These limits are designed to
provide reasonable protection against harmful interference in a residential
installation. This equipment generates, uses and can radiate radio frequency energy
and if not installed and used in accordance with the instructions, may cause
harmful interference to radio communications. However, there is no guarantee that
interference will not occur in a particular installation. If this equipment does cause
harmful interference to radio or television reception, which can be determined by
turning the equipment off and on, the user is encouraged to try to correct the
interference by one or more of the following measures:
· Reorient or relocate the receiving antenna.
· Increase the separation between the equipment and receiver.
· Connect the equipment into an outlet on a circuit different from that to which
the receiver is connected.
· Consult the dealer or an experienced radio/TV technician for help.
This equipment has been certified to comply with the limits for a class B computing
device, pursuant to FCC and IC Rules. In order to maintain compliance with FCC
and IC regulations, shielded cables must be used with this equipment. Operation
with non-approved equipment or unshielded cables is likely to result in interference
to radio and TV reception. The user is cautioned that changes and modifications
made to the equipment without the approval of manufacturer could void the user’s
authority to operate this equipment.
Compliance Notice

Warranty/Contact
18
Listen Technologies Corporation (Listen®) warrants the LT-800 Stationary
Transmitter to be free from defects in workmanship and material under normal use
and conditions for the useful lifetime of the product from date of purchase. This
warranty is only available to the original end purchaser of the product and cannot
be transferred. Warranty is only valid if warranty card has been returned within 90
days of purchase. This warranty is void if damage occurred because of misuse or if
the product has been repaired or modified by anyone other than a factory
authorized service technician. Warranty does not cover normal wear and tear on
the product or any other physical damage unless the damage was the result of a
manufacturing defect. Listen is not liable for consequential damages due to any
failure of equipment to perform as intended. Listen shall bear no responsibility or
obligation with respect to the manner of use of any equipment sold by it. Listen
specifically disclaims and negates any warranty of merchantability or fitness of use
of such equipment including, without limitation, any warranty that the use of such
equipment for any purpose will comply with applicable laws and regulations. The
terms of the warranty are governed by the laws of the state of Utah, U.S.A. Listen
will only accept returned products with prepaid shipping and with a return
merchandise authorization number (RMA). To receive a return merchandise
authorization number call 1.800.330.0891 or 1.801.233.8992. Please see
www.ListenTech.com or contact Listen for complete warranty details.
Warranty
Contacting Listen
If technical service is needed, please contact Listen. Pre-authorization is
required before returning Listen products. If products were damaged in ship-
ment, please contact the carrier, then contact Listen for replacement or repair
requirements payable by the carrier.
Listen’s corporate headquarters are located in Sandy, Utah U.S.A. and are open
Monday through Friday, 8am to 5pm Mountain Time.
AAddddrreessss::8535 South 700 West
Suite A
Sandy, UT 84070-2515
U.S.A.
PPhhoonnee::1.801.233.8992
1.800.330.0891 (North America)
FFaaxx::1.801.233.8995
WWeebb SSiittee::www.ListenTech.com
EEmmaaiill::techsupport@ListenTech.com

LA-122 Universal
Antenna Kit
The single solution for all of your indoor
remote antenna needs. Includes: 72 and 216
MHz components; flexible and rigid dipoles
and monopole radials; hardware for multiple
mounting configurations; and 25 feet (7.6m)
of RG-58 coax cable.
Optional Accessories
19
Optional Accessories
Telescoping
(Top Mount)
LA-106 for 72 MHz or
LA-102 for 216 MHz
90 Degree Helical
(Rear Mount)
LA-123 for 72 MHz or
LA-124 for 216 MHz
216 MHz Ground Plane
(Remote Mount, outdoor)
LA-107 for 216 MHz
LA-326 Rack Mounting Kit
Includes components for single and dual rack
configuration and a security cover
Antenna
Kit
for
the
LA-3326
Rack
Mount
Kit
LA-125 for 72 MHz and LA-126 for 216 MHz
(LA-326 also required)
NOTE: Rack mounted units cannot use the LA-106,
LA-102 or LA-101 top mounted antenna.
Antenna Options
72 MHz Helical
(Top Mount)
LA-101 for 72 MHz
Rack Mount Options

Optional Accessories
20
Optional Accessories continued
LA-268
Over-the-Ear
LA-268
LA-261
Lapel
LA-261
Conference
LA-277
Over-the-Head
LA-262
Collar
LA-276
Noise Cancelling
LA-270
Hand Held
LA-274
NOTE: To use Listen microphones you must use a converter (LA-280) to adapt the 3.5 mm connection to a ¼” phono
connection.
Phono
Converter
LA-280
BNC Connector
for RG-58
LA-127
Installation of BNC
Connectors
LA-114
RG-58 Coaxial
Cable
LA-112
RG-8 Coaxial
Cable
LA-113
available by the foot
BNC Connector for
RG-8
LA-128
Cable & Connectors Options
Microphone Options
Behind-the-
head
LA-278

Listen Technologies Corporation
8535 South 700 West, Suite A
Sandy, Utah 84070-2515 U.S.A.
Telephone: 1.801.233.8992
Toll Free (North America): 1.800.330.0891
Fax: 1.801.233.8995
E-mail: info@ListenTech.com