Long E Technology TA8TA10TA11 Remote Control User Manual

Long-E Technology (Shenzhen) Co., Ltd. Remote Control

Users Manual

 1AL-V10 CAR ALARM SYSTEM MANUAL Button time  Functions  Conditions 1  0.5 secs  Arm and lock doors Car finder with sound Temporarily stop alarm from sounding Remote lock doors Alarm is disarmed Alarm is being armed Alarm is sounding While driving  1   2 secs  Close window  Alarm is armed  2  0.5 secs  Disarm Remote unlock doors Stop alarm from sounding Alarm is being armed While driving Alarm is sounding 3   0.5 secs         Silent arm Car finder without sound Anti car-hijacking Alarm is disarmed Alarm is being armed While driving 3   2 secs  Leave anti car-hijacking  While in ACJ 1+2 or 4  0.5 secs  Panic  Anytime 2+3  0.5 secs  Open trunk or Engine start  Disarmed FEATURES CODE LEARNING  a. Turn ACC on, press override Switch 8 times within 8 seconds, the siren will chirp 2 times to enter code learning mode. Press any button on the transmitter within 8 seconds. The siren will chirp accordingly for confirmation as soon as the code is learned. For example, the first transmitter is learned, the siren will chirp once. The second transmitter is learned, the siren will chirp twice. If over 8 sec or turn ignition OFF, the system will exit code learning mode automatically. b. If one of the transmitters is to be programmed, the other transmitters must be reprogrammed at the same time. Up to 3 or 6 (See Function Selection 15) transmitters can be learned per module.  ARMING a. Press button 1, the siren will chirp once or no chirp (See Function Selection 10), the parking light and dome light will flash once. The door will be locked at 0.5sec or 3.5 sec (See Function Selection 1). The LED will flash slowly. If the door is not closed, the siren will chirp 5 times for warning and LED flashes quickly. Disables engine starter if starter killer Relay connected b. After 3 seconds, the system is armed. All the sensors are armed except current sensor. If the alarm is triggered within 3 sec, the siren will chirp twice and the circuit is by-passed till the triggering source is stable. After 20 sec current sensor are armed. If the current sensor is triggered while arm, the system will bypass till the current is stable for 20 sec.  c. Window Closing while arming (If your car has installed window closer module): If press and hold button 1 for 2 sec under disarm mode, the car window keep rolling up till you leave the button or the window rolling up to close directly.(See Function Selection 11) d. When the system is armed, there’s a 300mA negative output to disable engine. AUTO ARM AFTER TRIGERRING: If the alarm is triggered, the siren shall sound 30 sec to warn, then, the system returns arming again (SEE SELECTION 3). If the triggering signal is existed still, the system will bypass this zone till it returns to normal status.   DISARMING a. Press button  2. The siren will chirp 2 times or no chirp (See Function Selection 10). If siren chirp 3 times, it means the alarm has been activated. Parking lights and dome light will flash 2 times, if flash 3 times which indicates the alarm has been activated. (See Function Selection 8). After flashes, the dome light will keep ON 30 sec max or turn ignition ON the dome light is OFF. Doors will unlock at 0.5sec or 3.5sec (See Function Selection 1). b. LED is off and enables engine if starter killer Relay connected.  SILENT ARMING a. Press button 3. Parking light will flash once. Door will be locked at 0.5sec or 3.5 sec (See Function Selection 1). LED will flash slowly. If door is not closed, the siren will chirp 5 times for warning and LED flashes quickly. Disables engine starter if starter killer Relay connected.  b. After 3 seconds, the system is armed. All the sensors are armed except current sensor. If the alarm is triggered within 3 sec, the siren will chirp twice and the circuit is by-passed till the triggering source is stable. After 20 sec current sensor is armed. If the current sensor is triggered while arm, the system will bypass till the current is stable for 20 sec.  EMERGENCY DISARMING (DEFAULTED VALUE: PRESS SWITCH 5 TIMES) a. Turn ignition ON. Press valet switch at set-up value, siren will chirp 4 times which indicates the system is disarmed. This process must be finished within 8 seconds. b. Replace Set-up Emergency Disarming value:  (a) Turn ignition ON. After press valet switch 5 times within 8 sec. Siren chirp 2 times which indicates the system is in replace set-up mode  (b) Press the numbers (1-15max) as the value you prefer within 8 sec. ( If the number is over 15, the system will return back to the original set-up value)Then, siren will chirp the numbers replaced  for confirmation.    AUTOMATIC DOOR UNLOCK  When the ignition turn from ON to OFF, doors will automatically unlock. AUTOMATIC DOOR LOCK (SEE FUNCTION SELECTION 2) When the ignition turn from OFF to ON, doors will lock after 10 sec. VALET  a. Turn ignition ON, within 8 sec press and hold valet switch 3 sec once. LED will be constantly ON ; b. Leave valet mode: Turn ignition ON, press and hold valet switch 3 sec once, LED will be OFF. In Valet mode, except arming function, the others remain the same.  PANIC  Press button 1+2 or button 4, the siren will sound, parking lights and dome light will flash for 30 seconds. Press button 1or 2 to stop the panic. CAR FINDER a. The system is armed. Press button 1, the siren will chirp once, parking lights and dome light will flash 10 sec. b. Press button 3: car finder in silent mode, parking lights and dome light will flash 10 sec. c. Press button 2 to stop car finder.  DOOR OPEN WARNING In disarming mode, if the door is opened, the parking light shall flash for 30 seconds to remind other cars. ANTI CAR-HIJACKING (SEE FUNCITON SELECTION 5) a. When ACC ON and the doors are closed, press the button 3 for 0.5 seconds and open the door within 8 seconds to activate anti car-hijacking mode. If the door is not opened within 8 sec, the mode is exit.  b. Close the door to start the 30 seconds countdown. The LED flashes quickly. When the 30 sec is up, siren will chirp every 1 sec. After 20 seconds, siren sounds continuously, also parking lights will continuously flash and engine will stop (if starter killer relay connected). Siren will stop to sound & parking lights will stop to flash as long as the ignition turns OFF. After ignition is OFF, engine disables to start again (if starter killer relay connected). c. Disarm the anti car-hijacking: Press button 3 for two seconds when ignition is ON. The parking lights and siren  will act 4 times for confirmation. Use the emergency disarming way can also exit ACJ. 2-STAGE SHOCK SENSOR a. If car is lightly vibrated once, siren will sound for 2 seconds and the parking light shall flash 2 times.  b. If car receives a heavy shock, siren will sound for 30 seconds and parking lights, dome light will flash for 30 seconds OPEN TRUNK OR ENGINE STARTER Only in disarming mode, press 2+3 (with 0.5 sec 300mA negative output) to open trunk or connect to engine starter module to start engine.  DOOR LOCK CONTROL While driving: press button 1 to lock doors. The doors can be locked. Press button 2 to unlock doors. The doors can be unlocked. AUTOMATIC REARMING (SEE FUNCTION SELECTION 3)  After disarm, the system will be re-armed automatically or re-arm with door lock (See Function 4) after 30 sec if the ignition does not turn ON or the door is not opened.  PASSIVE ARMING (SEE FUNCTION SELECTION 6) a. Turn ignition OFF and close the last door. After 30sec, the system will arm automatically or arm with door lock automatically (See Function Selection 7) or arm with ACC/FULL (See Function Selection 14) b. If one of the doors is opened during the above 30sec, the system will postpone the arming till the last door is closed.   MEMORY FUNCTION The system can memorize the conditions although the power is cut off, when the power is on, it shall recover to the state before power cut off. CURRENT SENSOR (SEE FUNCTION SELECTION 12) Alarm will be activated by voltage drop such as dome light, or ignition lights etc.   Current sensor will be bypass for 20 secs detecting while arming till the current is stable for 20 sec.  OTHER TRIGGER SENSOR Other trigger sensor can be added which input is negative signal.  PARKING LIGHTS EMERGENCY FLASH In armed mode, parking lights and dome light will flash for 30 seconds if triggered. SIREN EMERGENCY SOUND In armed mode, siren or car horn (See Function Selection 13) will sound for 30 seconds if  triggered. PAGER OUTPUT There’s a pager output to warn the car driver if it is triggered. FUNCTION SELECTION Please follow the procedures listed below to programme the functions: a. Disarm the system, turn ignition from OFF to ON. Press Valet switch 6 times within 10 sec. The siren shall chirp 3 times and parking light shall flash 2 times. b. Press the switch the function numbers you would like to change within 20sec. Every press will have one siren chirp for pressing confirmation. Holding the switch for 3 seconds, the function shall be selected in the 2 options according the table list below.   Remarks: when press the last time of the function number, you could not release the switch, and need to hold it for 3 seconds to proceed the correct progamming.   For example, if you want to programme item 1, then after “step a” described above,  you can press and hold switch for 3 sec, and hear one chirp, then the 0.5 seconds are selected; if 2 chirps are heard, then the 3.5 seconds are selected.  If you want to programme item 6, then after “step a” described above,  you can press 6 times and hold switch on
 2the last press for 3 sec, and if one chirp is heard, then the last door arming is on, if hear 2 chirps, then the last door arming is off. c. Once finish the program, turn engine key to off, the system will exit the programming mode at once. Or, 20 seconds later the program mode shall exit automatically.   PRE SET VALUE( 1 CHIRP)  VARIABLE  SET-UP (2 CHIRPS) 1.LOCK/UNLOCK TIMER  0.5 SEC  3.5 SEC 2.IGNITION ON WITH DOOR LOCK  ON OFF 3. AUTO RE-ARM  ON  OFF 4.AUTO RE-ARM WITH LOCK  ON  OFF 5. ANTI-CARJACKING  ON  OFF 6. PASSIVE ARMING  ON  OFF 7. PASSIVE ARMING WITH LOCK  OFF ON 8. DOME LIGHT  SAME AS PARKING LIGHT + DISARM OUTPUT  SAME AS PARKING LIGHT 9. SILENT ARM WITH SHOCK SENSOR  SIREN/LIGHT Light only 10.ARM/DISARM WITH CHIRP  ON OFF 11. WINDOW CLOSING  WINDOW  ROLLING  UP  TILL LEAVE BUTTON 1  WINDOW ROLLING UP TO CLOSE DIRECTLY 12. CURRENT SENSOR  ON  OFF 13. SOUND  SIREN  CAR HORN 14. LAST DOOR ARMING ACC/FULL  FULL ACC 15.LEARNED TRANSMITTER PER MODULE  6 3 17. DEFAULT  YES   1. Lock/Unlock Timer Pre-set: After press arm/disarm button on the transmitter, the door is locked/ unlocked after 0.5 sec. Variable:After press arm/disarm button on the transmitter, the door is locked/ unlocked after 3.5 sec. 2. Ignition ON with door lock Pre-set: When the ignition turn from OFF to ON, doors will lock after 10 sec. Variable: When the ignition turn from OFF to ON, door will not lock.  3. Auto Re-arm Pre-set: auto rearm funtions.  Variable: No auto rearm function 4. Auto Re-arm with lock Pre-set: Auto Re-arm without lock of the door; Variable: Auto Re-arm with lock of the door This feature has to be selected under the Auto Re-arm function is selected ON. 5. Anti Car-hijacking Pre-set: Anti car-hijacking works. Variable: Delete anti car-hijacking feature. 6. Passive arming Pre-set: Turn ACC off and close the last door. After 30sec, the system will arm itself.  Variable: No passive arming. 7. Passive arming with Door Lock Pre-set: Passive arming without Door Lock.  Variable: Passive arming with Door Lock. This feature has to be selected under the passive arming function is selected ON.  8. Dome Light Pre-set: the dome light flashes accompanying with parking light. Besides, in disarming the dome light will keep ON 30 sec max or turn ignition ON, the dome light is OFF. Variable: the dome light flashes accompanying with parking light. 9. Silent arm with Shock Sensor Pre-set: In silent arming, if the shock sensor is triggered, both siren and parking light shall act to warn; Variable: In silent arming, if the shock sensor is triggered, only parking light shall flash to warn;. 10. Arm/Disarm with Chirp Pre-set: Arm/Disarm will have chirp indication.  Variable: Arm/Disarm will not have chirp indication. 11. Window Closing Pre-set: Press and hold button 1 for 2 sec, the window is rolling up till leave the button in arming and silent arming mode.  Variable: Press and hold button 1 for 2 sec, the window is rolling up directly to close in arming mode. No this function is silent mode 12. Current Sensor Pre-set: current sensor is on.  Variable: delete this feature. 13. Sound Pre-set: siren output Variable: car horn sounds 1 sec ON, 1 sec OFF, horn output  14. Passive Arming ACC/FULL Pre-set: passive arming with all sensors could activate alarm. Variable: passive arming with only ignition activates alarm. 15. Learned Transmitter per module Pre-set: 6 pcs transmitters can be learned per alarm module. Variable: 3 pcs transmitters can be learned per alarm module. 17. Default       Pre-set: Return to the factory set-up.
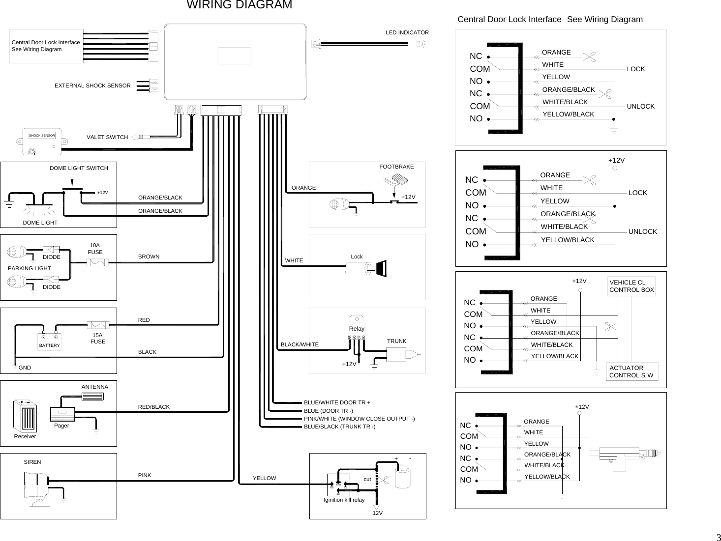
 3 EXTERNAL SHOCK SENSORDOME LIGHT SWITCHANTENNAReceiverSIRENPagerGNDBATTERYPARKING LIGHTDIODEDIODEDOME LIGHTSHOCK SENSORCentral Door Lock InterfaceSee Wiring Diagram COM WHITE/BLACK UNLOCKNO YELLOW/BLACKcutPINK YELLOWIginition kill relay3087a8612V85BLUE/BLACK (TRUNK TR -)PINK/WHITE (WINDOW CLOSE OUTPUT -)BLUE/WHITE DOOR TR +BLUE (DOOR TR -)+12VBLACKRED/BLACKRED 15AFUSEBROWN 10AFUSEBLACK/WHITEWHITECOMCOMCOMNO+NO-NCNCORANGE/BLACKWHITE/BLACKWHITEYELLOWORANGEYELLOW/BLACK+12VCOMNONCNCNORelay85868730TRUNKLockORANGE/BLACKYELLOWWHITE/BLACKWHITEORANGE+12VYELLOW/BLACKACTUATOR CONTROL S WVEHICLE CL CONTROL BOXCentral Door Lock Interface See Wiring Diagram ORANGE/BLACKORANGE/BLACK+12VVALET SWITCHORANGEWIRING DIAGRAMCOM WHITE/BLACKNCNOCOMNCNOFOOTBRAKE+12VORANGE/BLACKYELLOWORANGEWHITEYELLOW/BLACKNCNCCOMNOLED INDICATORYELLOWORANGE/BLACKORANGEWHITEUNLOCKLOCK+12VLOCK
FCC REGULATORY STATEMENT: This device complies with Part 15 of the FCC Rules. Operation is subject to the following two conditions: (1) This device may not cause harmful interference. (2) This device must accept any interference received, including interference that may cause undesired operation.  Changes or modifications not expressly approved by the party responsible for compliance could void the user's authority to operate the equipment"

Navigation menu