METRA INZENIRING D O O 0006P1429 Metra WBC-WBI RFID ISO Module User Manual Door Access Terminal Technical Manual

METRA INZENIRING D.O.O Metra WBC-WBI RFID ISO Module Door Access Terminal Technical Manual

Technical Manual

  Page 2     Metra WBC-WBI RFID ISO Module - Technical Manual Metra WBC-WBI RFID ISO Module - Technical Manual [rev.2-010318] 2017 Metra inženiring d.o.o. All Rights reserved. No part of this manual may be reproduced in any form or by any means without prior written permission of Metra inženiring d.o.o. The contents of this manual are subject to change without notice. All efforts have been made to ensure the accuracy of the contents of this manual, however, should any errors be detected, Metra inženiring would greatly appreciate being informed of them. Metra inženiring d.o.o. can assume no responsibility for any errors in this manual.  Table of contents  Metra WBC-WBI  RFID ISO Module - Technical Manual ......................................................................... 3 • Product Marking Label ..................................................................................................................... 4 • Final product labelling – Example Metra Wristband Issuer ............................................................. 5 • Product description .......................................................................................................................... 7 • Connectors Pin-out ........................................................................................................................... 7 • PCB LED Indications and Inputs ........................................................................................................ 8 • Blok Scheme ..................................................................................................................................... 9 • Technical data ................................................................................................................................ 10
  Page 3     Metra WBC-WBI RFID ISO Module - Technical Manual Metra WBC-WBI  RFID ISO Module - Technical Manual  Manufacturer: Metra inženiring d.o.o. IOC Trzin  Špruha 19 SI-1236 Trzin, Slovenia phone: fax: web: +386 1 56 10 740 +386 1 56 10 744 www.metra.si    Trade Mark: Metra MEW System Model/Type ref.: Metra WBC-WBI RFID ISO Module Part Number: 1429 FCC ID: 2ABT8000P1429 Year of Construction: 2017    NOTE  This product is for Metra internal use only! For integration into Metra products.   © 6th March 2017 Metra inženiring d.o.o.  All Rights reserved. The contents of this document are subject to change without notice.     This  product  is  in  conformity  with  the  essential  requirements  and  other  relevant  requirements  of  the following EU Directives: • Radio and Telecommunications Terminal Equipment (R&TTE) Directive 2014/53/EU • RoHS  Recast  (RoHS2)  Directive  2011/65/EU  of  the  European  Parliament  and  of  the  Council  on  the restriction of the use of certain hazardous substances in electrical and electronics equipment. • Low Voltage Directive (LVD) 2014/35/EU that ensures that electrical equipment within certain voltage limits provides a high level of protection for European citizens.    Environmental Information for EU customers – WEEE Directive Statement: This symbol indicates the product is in conformity with the protection requirements of European Council Directive 2012/19/EU.  It  requires  that  products  marked  with  this  symbol  must  not  be  disposed  of  with unsorted municipal waste.  This  product  must  be  disposed  of  separately  from  household  waste  via  designated  collection  facilities appointed  by  local  authorities.  Please  contact  your  local  authorities  or  waste  disposal  service  for  more detailed information.     Model/Type ref.: Metra WBC-WBI RFID ISO Module Part Number: 1429 FCC ID: 2ABT80006P1429   This device complies with part 15 of the FCC Rules. Operation is subject to the following two conditions: (1) This device may not cause harmful interference, and (2) this device must accept any interference received, including interference that may cause undesired operation.  This device has been tested and found to comply with the limits for a Class B digital device, pursuant to Part 15 of the FCC Rules. These limits are designed to provide reasonable protection against harmful interference in a residential installation. This equipment generates uses and can radiate radio frequency energy and, if not installed and used in accordance with the
  Page 4     Metra WBC-WBI RFID ISO Module - Technical Manual instructions, may cause harmful interference to radio communications. However, there is no guarantee that interference will not occur in a particular installation. If this equipment does cause harmful interference to radio or television reception, which can be determined by turning the equipment off and on, the user is encouraged to try to correct the interference by one or more of the following measures: • Reorient or relocate the receiving antenna. • Increase the separation between the equipment and receiver.  • Connect the equipment into an outlet on a circuit different from that to which the receiver is connected.  • Consult the dealer or an experienced radio/TV technician for help.   Any Changes or modifications not expressly approved by the party responsible for compliance could void the user's authority to operate the equipment.”  • Product Marking Label    Photo 1 – Product marking label position       Product Marking Label is attached to the front left side of the  module  housing  as  shown  on  the  photo  above. “Metra  WBC-WBI  RFID  ISO  Module”  is  Metra  internal OEM  product  to  be  integrated  to  the  Metra  final products and is not intended for free market.  Metra inženiring d.o.o. integrates “Metra WBC-WBI RFID ISO  Module”  into  different  final  products  and  is responsible for proper labelling of the final product. The final product’s  label  must  include  a  statement “Contains FCC ID: 2ABT80006P1429”.
  Page 5     Metra WBC-WBI RFID ISO Module - Technical Manual   • Final product labelling – Example Metra Wristband Issuer   Photo below shows Metra final product called “Metra Wristband Issuer”. It integrates »Metra WBC-WBI RFID ISO Module« as an OEM module.     Photo 2 – Final product »Metra Wristband Issuer«
  Page 6     Metra WBC-WBI RFID ISO Module - Technical Manual     Photo 3 – Module integration into final product     Photo 4 – Final product marking label    The same labelling principle should be applied for all other Metra final products integrating »Metra WBC-WBI RFID ISO Module«.
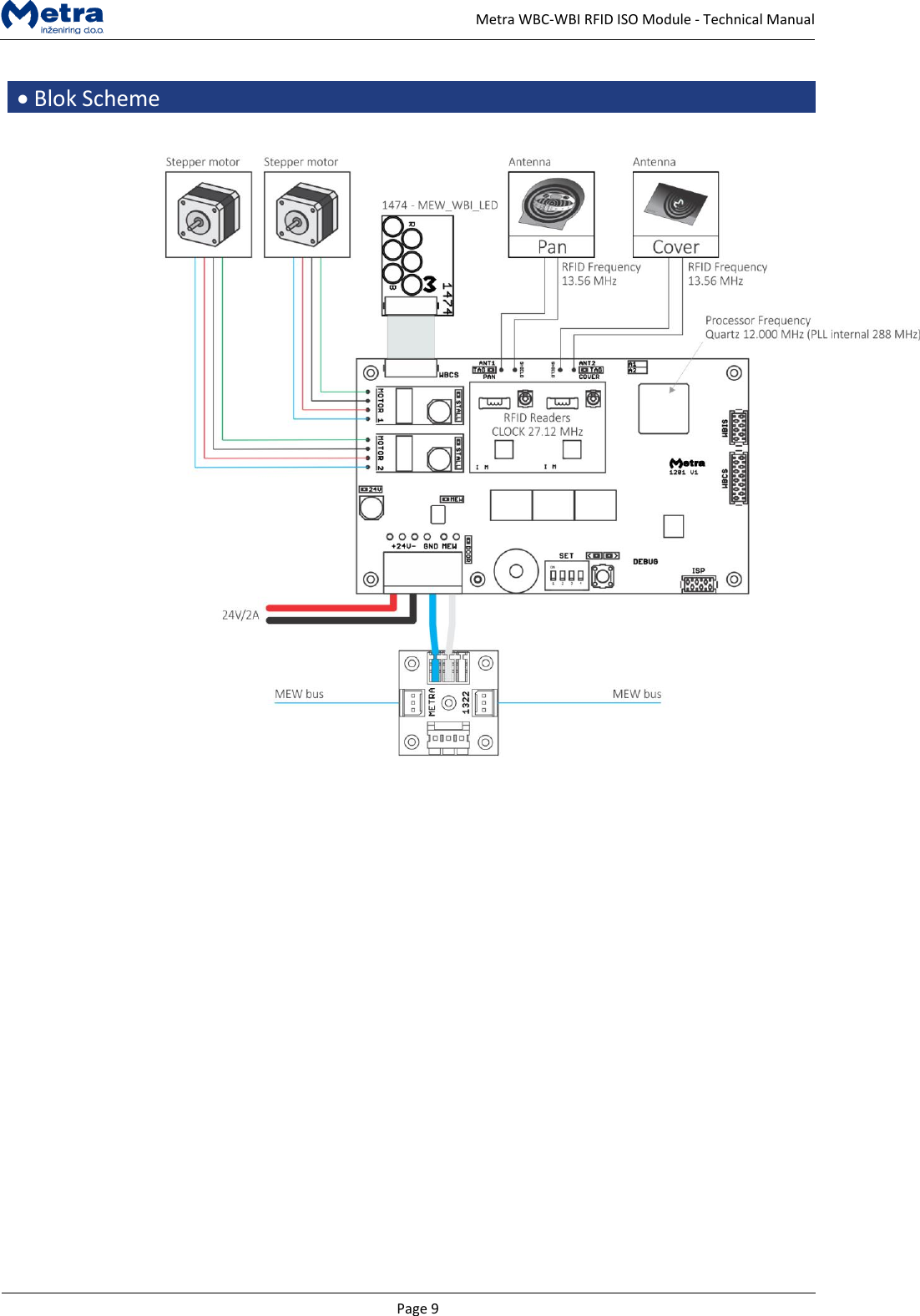
  Page 7     Metra WBC-WBI RFID ISO Module - Technical Manual   • Product description  »Metra WBC-WBI RFID ISO Module« is an Cortex-M3 microcontroller based OEM RFID transceiver module intended for internal Metra use only.   Its purpose is to use it as electronics controlled module for different products manipulating (moving through machine) Metra RFID Wristbands. For that purpose it contains specific electronic parts that enables construction of the RFID electromechanical devices. It is not intended for sale as standalone product and is integrated into Metra final products such as “Metra Wristband Issuer”.   »Metra WBC-WBI RFID ISO Module« main features are: • Cortex-M3 (NXP LPC1769) microcontroller chip. • Two L6470H fully integrated microstepping motor driver chips. • RFID reader (NXP CLRC663) connected to Passive RFID Antenna tunned to 13,56 MHz (PAN Antenna). It Reads ISO 15693, ISO 1443A, ISO 14443B compatible RFID media. • Hall proximity sensors on external PCB used for positioning control. • External PCB LED signalisation. • Internal LED and audio signalization. • MEW communication interface. • Power supply unit. DCDC converters from 24VDC to 12VDC/3V3DC/5VDC. • Door sensor input.     • Connectors Pin-out      Pin numbering for MM Connectors
  Page 8     Metra WBC-WBI RFID ISO Module - Technical Manual   CON4 and CON5: WBCS (WBC LED & Hall Sensors)  Pin number Signal Description 1 LEDWR RED LED signal output (3V3 logic output) 2 N.C. Not Connected 3 LEDWB BLUE LED signal output (3V3 logic output) 4 +24V + 24V Power Supply Output 5 HALL1 Hall Sensor 1 input (logic 3V3 tolerates 5V) 6 HALL2 Hall Sensor 2 input (logic 3V3 tolerates 5V) 7 HALL3 Hall Sensor 3 input (logic 3V3 tolerates 5V) 8 HALL4 Hall Sensor 4 input (logic 3V3 tolerates 5V) 9 +5V + 5V Power Supply Output 10 GND Ground   CON6: WBIS (WBI Hall Sensors)  Pin number Signal Description 1 SENS2 Hall Sensor 2 input (logic 3V3 tolerates 5V) 2 GND Ground 3 SENS3 Hall Sensor 3 input (logic 3V3 tolerates 5V) 4 SENS1 Hall Sensor 1 input (logic 3V3 tolerates 5V) 5 SENS4 Hall Sensor 4 input (logic 3V3 tolerates 5V) 6 +5V + 5V Power Supply Output    • PCB LED Indications and Inputs
  Page 9     Metra WBC-WBI RFID ISO Module - Technical Manual  • Blok Scheme
  Page 10     Metra WBC-WBI RFID ISO Module - Technical Manual  • Technical data   PCB dimensions    Operating voltage/Current cons. 24 VDC 0.2A average / 1.5A max Operating temperature range -10 to +50 °C External LED signalization Blue LEDs and Red LEDs on external connector Audio signalization Buzzer On board LED signalisation RFID detected, Motor Stall, PWR 24V, MEW active, Door Input Built-in RFID reader Reads ISO 15693, ISO 1443A, ISO 14443 B compatible RFID media. RFID Antenna Passive antenna tuned to 13.56MHz. Motor Drivers Two Stepper Motors max 1.5A/phase  External Inputs 4 Hall sensors, Door sensor Communication 1xMEW (LIN) Connectors 24VDC, MEW, Motors, RFID Antenna, LED&Hall Sensors PCB dimensions in mm (w/h/d) 110/66/12

Navigation menu