MTD 13AB606H730 User Manual LAWN TRACTOR Manuals And Guides 1109057L
User Manual: MTD 13AB606H730 13AB606H730 MTD LAWN TRACTOR - Manuals and Guides View the owners manual for your MTD LAWN TRACTOR #13AB606H730. Home:Lawn & Garden Parts:MTD Parts:MTD LAWN TRACTOR Manual
Open the PDF directly: View PDF
.
Page Count: 48

Operator's Manual
Automatic Lawn Tractor
Model Series 606
IMPORTANT: READ SAFETY RULES AND INSTRUCTIONS CAREFULLY
Warning: This unit is equipped with an internal combustion engine and should not be used on or near any unimproved forest-covered,
brush-covered or grass-covered land unless the engine's exhaust system is equipped with a spark arrester meeting applicable local or
state laws (if any), If a spark arrester is used, it should be maintained in effective working order by the operator, In the State of California
the above is required by law (Section 4442 of the California Public Resources Code), Other states may have similar laws, Federal laws
apply on federal lands, A spark arrester for the muffler is available through your nearest engine authorized service dealer or contact the
service department, P,O, Box 361131 Cleveland, Ohio 44136-0019,
MTD LLC, P.O. BOX 361131 CLEVELAND, OHIO 44136-0019
PRINTED IN U.S.A. FORM NO. 769-01501A.
(11/3/2004)

TABLEOFCONTENTS
Content Page
Important Safe Operation Practices ......................................................................... 3
Slope Gauge ............................................................................................................ 7
Tractor Set-up .......................................................................................................... 8
Know Your Lawn Tractor ......................................................................................... 9
Operating Your Lawn Tractor ................................................................................... 13
Making Adjustments ................................................................................................ 17
Maintaining Your Lawn Tractor ................................................................................ 19
Service ..................................................................................................................... 21
Off-Season Storage ................................................................................................. 25
Attachments & Accessories ..................................................................................... 25
Troubleshooting ....................................................................................................... 26
Parts List.................................................................................................................. 27
FINDINGMODELNUMBER
This Operator's Manual is an important part of your new lawn tractor. It will help you assemble, prepare and
maintain the unit for best performance. Please read and understand what it says.
Before you start assembling your new equipment, please locate the model plate on the
equipment and copy the information from it in the space provided below. The information on the
model plate is very important if you need help from our Customer Support Department or an
authorized dealer.
You can locate the model number by looking beneath the seat. A sample model plate is explained below. For
future reference, please copy the model number and the serial number of the equipment in the space below.
Copy the model number here:
P. O. BOX 361131
CLEVELAND,OH 44136
330-220-4683
www.mtdproducts.com 800-800-7318 .,,
Copy the serial number here:
ENGINEINFORMATION
The engine manufacturer is responsible for all engine-related issues with regards to performance, power-rating,
specifications, warranty and service. Please refer to the engine manufacturer's Owner's/Operator's Manual packed
separately with your unit for more information.
CALLINGCUSTOMERSUPPORT
If you have difficulty assembling this product or have any questions regarding the controls, operation or
maintenance of this unit, please call the Customer Support Department.
Call 1- (330) 220-4MTD (4683) or 1- (800) 800-7310 to reach a Customer Support representative.
Please have your unit's model number and serial number ready when you call. See previous section
to locate this information. You will be asked to enter the serial number in order to process your call.

SECTION1: IMPORTANTSAFEOPERATIONPRACTICES
WARNING: This symbol points out important safety instructions which, if not followed, could endanger
the personal safety and/or property of yourself and others. Read and follow all instructions in this manual
before attempting to operate this machine. Failure to comply with these instructions may result in personal
injury. When you see this symbol--heed its warning.
DANGER: This machine was built to be operated according to the rules for safe operation in this man-
ual. As with any type of power equipment, carelessness or error on the part of the operator can result in
serious injury. This machine is capable of amputating hands and feet and throwing objects. Failure to
observe the following safety instructions could result in serious injury or death.
California Proposition 65 Warning:
,_ WARNING: Engine exhaust, some of its constituents, and certain vehicle components contain
or emit chemicals known to the State of California to cause cancer and birth defects or other
reproductive harm.
GENERAL OPERATION
1. Read, understand, and follow all instructions on the
machine and in the manual(s) before attempting to
assemble and operate. Keep this manual in a safe
place for future and regular reference and for
ordering replacement parts.
2. Be familiar with all controls and their proper
operation. Know how to stop the machine and
disengage them quickly.
3. Never allow children under 14 years old to operate
this machine. Children 14 years old and over
should read and understand the operation
instructions and safety rules in this manual and
should be trained and supervised by a parent.
4. Never allow adults to operate this machine without
proper instruction.
5. To help avoid blade contact or a thrown object
injury, keep bystanders, helpers, children and pets
at least 75 feet from the machine while it is in
operation. Stop machine if anyone enters the area.
6. Thoroughly inspect the area where the equipment
is to be used. Remove all stones, sticks, wire,
bones, toys, and other foreign objects which could
be picked up and thrown by the blade(s). Thrown
objects can cause serious personal injury.
7. Plan your mowing pattern to avoid discharge of
material toward roads, sidewalks, bystanders and
the like. Also, avoid discharging material against a
wall or obstruction which may cause discharged
material to ricochet back toward the operator.
8. Always wear safety glasses or safety goggles
during operation and while performing an
adjustment or repair to protect your eyes. Thrown
objects which ricochet can cause serious injury to
the eyes.
9. Wear sturdy, rough-soled work shoes and close-
fitting slacks and shirts. Loose fitting clothes and
jewelry can be caught in movable parts. Never
operate this machine in bare feet or sandals.
10. Be aware of the mower and attachment discharge
direction and do not point it at anyone. Do not
operate the mower without the discharge cover or
entire grass catcher in its proper place.
11. Do not put hands or feet near rotating parts or
under the cutting deck. Contact with the blade(s)
can amputate hands and feet.
12. A missing or damaged discharge cover can cause
blade contact or thrown object injuries.
13. Stop the blade(s) when crossing gravel drives,
walks, or roads and while not cutting grass.
14. Watch for traffic when operating near or crossing
roadways. This machine is not intended for use on
any public roadway.
15. Do not operate the machine while under the
influence of alcohol or drugs.
16. Mow only in daylight or good artificial light.
17. Never carry passengers.
18. Disengage blade(s) before shifting into reverse.
Back up slowly. Always look down and behind
before and while backing to avoid a back-over
accident.
19. Slow down before turning. Operate the machine
smoothly. Avoid erratic operation and excessive
speed.
20. Disengage blade(s), set parking brake, stop engine
and wait until the blade(s) come to a complete stop
before removing grass catcher, emptying grass,
unclogging chute, removing any grass or debris, or
making any adjustments.
21. Never leave a running machine unattended. Always
turn off blade(s), place transmission in neutral, set
parking brake, stop engine and remove key before
dismounting.
22. Use extra care when loading or unloading the
machine into a trailer or truck. This unit should not
be driven up or down ramp(s), because the unit
could tip over, causing serious personal injury. The
unit must be pushed manually on ramp(s) to load or
unload properly.

23.Mufflerandenginebecomehotandcancausea
burn.Donottouch.
24.Checkoverheadclearancescarefullybeforedriving
underlowhangingtreebranches,wires,door
openingsetc.,wheretheoperatormaybestruckor
pulledfromtheunit,whichcouldresultinserious
injury.
25.Disengageallattachmentclutches,depressthe
brakepedalcompletelyandshiftintoneutralbefore
attemptingto startengine.
26.Yourmachineisdesignedtocutnormalresidential
grassofaheightnomorethan10".Donotattempt
to mowthroughunusuallytall,drygrass(e.g.,
pasture)orpilesofdryleaves.Drygrassorleaves
maycontacttheengineexhaustand/orbuildupon
themowerdeckpresentingapotentialfirehazard.
27.Useonlyaccessoriesandattachmentsapproved
forthismachinebythemachinemanufacturer.
Read,understandandfollowallinstructions
providedwiththeapprovedaccessoryor
attachment.
28.Dataindicatesthatoperators,age60yearsand
above,areinvolvedinalargepercentageofriding
mower-relatedinjuries.Theseoperatorsshould
evaluatetheirabilitytooperatetheridingmower
safelyenoughtoprotectthemselvesandothers
fromseriousinjury.
29.Ifsituationsoccurwhicharenotcoveredinthis
manual,usecareandgoodjudgment.Contactan
authorizedMTDServiceDealerforassistance.
SLOPE OPERATION
Slopes are a major factor related to loss of control and
tip-over accidents which can result in severe injury or
death. All slopes require extra caution. If you cannot
back up the slope or if you feel uneasy on it, do not mow
it.
For your safety, use the slope gauge included as part of
this manual to measure slopes before operating this
unit on a sloped or hilly area. If the slope is greater than
15 degrees as shown on the slope gauge, do not
operate this unit on that area or serious injury could
result.
DO:
1. Mow up and down slopes, not across. Exercise
extreme caution when changing direction on
slopes.
2. Watch for holes, ruts, bumps, rocks, or other
hidden objects. Uneven terrain could overturn the
machine. Tall grass can hide obstacles.
3. Use slow speed. Choose a low enough speed
setting so that you will not have to stop or shift while
on the slope. Tires may lose traction on slopes
even though the brakes are functioning properly.
Always keep machine in gear when going down
slopes to take advantage of engine braking action.
4. Follow the manufacturer's recommendations for
wheel weights or counterweights to improve
stability.
5. Use extra care with grass catchers or other
attachments. These can change the stability of the
machine.
6. Keep all movement on the slopes slow and gradual.
Do not make sudden changes in speed or direction.
Rapid engagement or braking could cause the front
of the machine to lift and rapidly flip over backwards
which could cause serious injury.
7. Avoid starting or stopping on a slope. If tires lose
traction, disengage the blade(s) and proceed
slowly straight down the slope.
DO NOT:
1. Do not turn on slopes unless necessary; then, turn
slowly and gradually downhill, if possible.
2. Do not mow near drop-offs, ditches or
embankments. The mower could suddenly turn
over if a wheel is over the edge of a cliff, ditch, or if
an edge caves in.
3. Do not try to stabilize the machine by putting your
foot on the ground.
4. Do not use a grass catcher on steep slopes.
5. Do not mow on wet grass. Reduced traction could
cause sliding.
6. Do not shift to neutral and coast downhill. Over-
speeding may cause the operator to lose control of
the machine resulting in serious injury or death.
7. Do not tow heavy pull behind attachments (e.g.
loaded dump cart, lawn roller, etc.) on slopes
greater than 5 degrees. When going down hill, the
extra weight tends to push the tractor and may
cause you to loose control. (e.g. tractor may speed
up, braking and steering ability are reduced,
attachment may jack-knife and cause tractor to
overturn).
CHILDREN
,Tragic accidents can occur if the operator is not
alert to the presence of children. Children are often
attracted to the machine and the mowing activity.
They do not understand the dangers. Never
assume that children will remain where you last
saw them.
a. Keep children out of the mowing area and in
watchful care of a responsible adult other
than the operator.
b. Be alert and turn machine off if a child enters
the area.
c. Before and while backing, look behind and
down for small children.
d. Never carry children, even with the blade(s)
shut off. They may fall off and be seriously
injured or interfere with safe machine
operation.

e. Useextremecarewhenapproachingblind
corners,doorways,shrubs,treesorother
objectsthatmayblockyourvisionofachild
whomayrunintothemachine.
f. Toavoidback-overaccidents,always
disengagethecuttingblade(s)before
shiftingintoreverse.The"Reverse
CautionMode" should not be used when
children or others are around.
g. Keep children away from hot or running
engines. They can suffer burns from a hot
muffler.
h. Remove key when machine is unattended to
prevent unauthorized operation.
Never allow children under 14 years old to operate
the machine. Children 14 years old and over should
read and understand the operation instructions and
safety rules in this manual and should be trained
and supervised by a parent.
,
TOWING
1. Tow only with a machine that has a hitch designed
for towing. Do not attach towed equipment except
at the hitch point.
2. Follow the manufacturers recommendation for
weight limits for towed equipment and towing on
slopes.
3. Never allow children or others in or on towed
equipment.
4. On slopes, the weight of the towed equipment may
cause loss of traction and loss of control.
5. Travel slowly and allow extra distance to stop.
6. Do not shift to neutral and coast downhill.
SERVICE
SAFE HANDLING OF GASOLINE:
To avoid personal injury or property damage
use extreme care in handling gasoline. Gasoline is
extremely flammable and the vapors are explosive.
Serious personal injury can occur when gasoline is
spilled on yourself or your clothes which can ignite.
Wash your skin and change clothes immediately.
a. Use only an approved gasoline container.
b. Never fill containers inside a vehicle or on a
truck or trailer bed with a plastic liner. Always
place containers on the ground away from
your vehicle before filling.
c. When practical, remove gas-powered
equipment from the truck or trailer and refuel
it on the ground. If this is not possible, then
refuel such equipment on a trailer with a
portable container, rather than from a
gasoline dispenser nozzle.
d. Keep the nozzle in contact with the rim of the
fuel tank or container opening at all times
until fueling is complete. Do not use a nozzle
lock-open device.
,
e. Extinguish all cigarettes, cigars, pipes and
other sources of ignition.
f. Neverfuel machine indoors.
g. Never remove gas cap or add fuel while the
engine is hot or running. Allow engine to cool
at least two minutes before refueling.
h. Never over fill fuel tank. Fill tankto no more
than _/2inch below bottom of filler neck to
allow space for fuel expansion.
i. Replace gasoline cap and tighten securely.
j. If gasoline is spilled, wipe it off the engine
and equipment. Move unit to another area.
Wait 5 minutes before starting the engine.
k. To reduce fire hazards, keep machine free of
grass, leaves, or other debris build-up. Clean
up oil or fuel spillage and remove any fuel
soaked debris.
I. Never store the machine or fuel container
inside where there is an open flame, spark or
pilot light as on a water heater, space heater,
furnace, clothes dryer or other gas
appliances.
m. Allow a machine to cool at least 5 minutes
before storing.
GENERAL SERVICE:
1. Never run an engine indoors or in a poorly
ventilated area. Engine exhaust contains carbon
monoxide, an odorless, and deadly gas.
2. Before cleaning, repairing, or inspecting, make
certain the blade(s) and all moving parts have
stopped. Disconnect the spark plug wire and
ground against the engine to prevent unintended
starting.
3. Periodically check to make sure the blades come to
complete stop within approximately (5) five
seconds after operating the blade disengagement
control. If the blades do not stop within the this time
frame, your unit should be serviced professionally
by an authorized MTD Service Dealer.
4. Check brake operation frequently as it is subjected
to wear during normal operation. Adjust and service
as required.
5. Check the blade(s) and engine mounting bolts at
frequent intervals for proper tightness. Also,
visually inspect blade(s) for damage (e.g.,
excessive wear, bent, cracked).
Replace the blade(s) with the original equipment
manufacturer's (O.E.M.) blade(s) only, listed in this
manual. "Use of parts which do not meet the
original equipment specifications may lead to
improper performance and compromise safety!"
6. Mower blades are sharp. Wrap the blade or wear
gloves, and use extra caution when servicing them.
7. Keep all nuts, bolts, and screws tight to be sure the
equipment is in safe working condition.

8. Nevertamperwiththesafetyinterlocksystemor
othersafetydevices.Checktheirproperoperation
regularly.
9. Afterstrikingaforeignobject,stoptheengine,
disconnectthesparkplugwire(s)andground
againsttheengine.Thoroughlyinspectthe
machineforanydamage.Repairthedamage
beforestartingandoperating.
10.Neverattemptto makeadjustmentsorrepairsto
themachinewhiletheengineisrunning.
11.Grasscatchercomponentsandthedischarge
coveraresubjecttowearanddamagewhichcould
exposemovingpartsorallowobjectsto bethrown.
12.
13.
14.
Forsafetyprotection,frequentlycheckcomponents
andreplaceimmediatelywithoriginalequipment
manufacturer's(O.E.M.)partsonly,listedinthis
manual."Useofpartswhichdonotmeetthe
originalequipmentspecificationsmayleadto
improperperformanceandcompromisesafety!"
Donotchangetheenginegovernorsettingsor
over-speedtheengine.Thegovernorcontrolsthe
maximumsafeoperatingspeedoftheengine.
Maintainorreplacesafetyandinstructionlabels,as
necessary.
Observeproperdisposallawsandregulationsfor
gas,oil,etc.toprotecttheenvironment.
_, ARNING: YOURRESPONSIBILITYRestricttheuseof thispowermachineto personswhoread,
understandandfollowthewarningsandinstructionsinthismanualandonthemachine.
ROTATING BLADES CAUSE
SERIOUS iNJURY OR DEATH
•DOHOTMOWWHENCHILBREHOROTHERSARE
AROUHD
• HEVERCAP_YCH&DREHEVEHWITHBLADE(S)OFF.
•LOOKDOWNAHDBEHINDBEFOREANDWHILE
BACKING.
oMOWINGiNREVERSEJSHOTRECOMMEHDED.
®

1.1.1
1.1.1
Q.
&.i
Z
1.1.1
Sight and hold this levelwith avertical tree...
15°

SECTION3: TRACTORSET-UP
AttachingtheBatteryCables
NOTE: The positive battery terminal is marked Pos.
(+). The negative battery terminal is marked Neg. (-).
• The positive cable (heavy red wire) is secured to
the positive battery terminal (+) with a hex bolt and
hex nut at the factory. Make certain that the rubber
boot covers the terminal to help protect it from
corrosion.
• Remove the hex bolt and wing nut from the
negative cable.
• Remove the black plastic cover, if present, from the
negative battery terminal and attach the negative
cable (heavy black wire) to the negative battery
terminal (-) with the bolt and wing nut.
• Make certain the hold-down strap is in position over
the battery, securing it in place. See Figure 1.
Rubber Boot
Wing Nut HexBolt
Figure 1
NOTE: If the battery is put into service after the date
shown on top of battery, charge the battery as
instructed on page 21 of this manual prior to operating
the tractor.
GasandOilFill-up
The gasoline tank is located under the hood and has a
capacity of either two or three gallons. Do not overfill.
WARNING: Use extreme care when
handling gasoline. Gasoline is extremely
flammable and the vapors are explosive.
Never fuel machine indoors or while the
engine is hot or running. Extinguish
cigarettes, cigars, pipes, and other sources of
ignition.
Service the engine with gasoline and oil as instructed in
the separate Briggs & Stratton Operator/Owner Manual
packed with your tractor. Read instructions carefully.
IMPORTANT: Your tractor is shipped with motor oil in the
engine. However, you MUST check the oil level before
operating. Be careful not to overfill.
ShippingBraceRemoval
WARNING: Make sure the riding mower's
engine is off, remove the ignition key, and set
the parking brake before removing the
shipping brace.
Locate the shipping brace, if present, and
accompanying warning tag found on the right side
of the mower, between the discharge chute and the
cutting deck. See Figure 2.
WarningTag
Figure 2
While holding the discharge chute with your left
hand, remove the shipping brace with your right
hand by grasping it between your thumb and index
finger and rotating it clockwise.
WARNING: The shipping brace, used for
packaging purposes only, must be removed
and discarded before operating your riding
mower.
WARNING: The mowing deck is capable of
throwing objects. Failure to operate the riding
mower without the discharge cover in the
proper operating position could result in
serious personal injury and/or property
damage.

SECTION4:
Bt
KNOWYOURLAWNTRACTOR
AG
H
J
CK
D
EL
M
Figure 3
-NOTE: Steering Wheel not shown for clarity,
f If so equipped
A Systems Indicator Monitor/Hour Meter G Throttle Lever
B PTO (Blade Engage) Lever1- H Cruise Control Button
PTO (Blade Engage) Knob1- I Ignition Switch Module
C Choke Knob1- J Brake Pedal
D Parking Brake Button K Drive Pedal
E Shift Lever L Deck Lift Lever
F Cup Holder MSeat Adjustment Lever
NOTE: Any reference in this manual to the RIGHT or LEFT side of the tractor is observed from operator's position.

ThrottleControlLever
The throttle control lever is located on the right side of
the tractor's dash panel. This lever controls the speed
of the engine and, on some models, when pushed all
the way forward, the choke control also. When set in a
given position, the throttle will maintain a uniform
engine speed. See Figure 4.
Choke
Position
Fast
Position
Slow
Position
Fast
Position
Slow
Position
Figure 4
IMPORTANT:When operating the tractor with the cutting
deck engaged, be certain that the throttle lever is
always in the FAST (rabbit) position.
ChokeControl
On some models, moving the
throttle lever all the way forward
activates the engine's choke
control. On all other models, the
choke control can be found on
the left side of the dash panel and
is activated by pulling the knob
outward. Activating the choke
control closes the choke plate on
the carburetor and aids in starting
the engine. Refer to StartingTheEngineon page 14 of this
manual for detailed starting instructions.
BrakePedal
The brake pedal is located on the
right front side of the tractor
above the drive pedal along the
running board. The brake pedal
can be used for sudden stops or
setting the parking brake.
NOTE: The brake pedal must
be fully depressed to activate the
safety interlock switch when
starting the tractor.
(o)
IgnitionSwitchModule
WARNING: Never leave a running machine
unattended. Always disengage PTO, move
shift lever into neutral position, set parking
brake, stop engine and remove key to prevent
unintended starting.
To start the engine, insert the key into the ignition
switch and turn clockwise to the START position.
Release the key into the NORMAL MOWING MODE
position once the engine has fired.
To stop the engine, turn the ignition key
counterclockwise to the OFF position. See Figure 5.
Stop
Position
NO CI-{ILDREN AROUND
REVERSE PUSH
BUTTON Normal
DrivingMode
Start
Position
Figure 5
IMPORTANT: Prior to operating the tractor, refer to both
SafetyInterleckSwitcheson page 13 and StartingThe Engine
on page 14 of this manual for detailed instructions
regarding the Ignition Switch Module and operating the
tractor in REVERSE CAUTION MODE.
DrivePedal
The drive pedal is located below
the brake pedal on the right front
side of the tractor along the
running board. Depress the drive
pedal with your right foot when
the tractor shift lever is in either (_)
FORWARD or REVERSE to
cause the tractor to move.
Ground speed is also controlled
with the drive pedal. The further
down the pedal is depressed, the faster the tractor will
travel. The pedal will return to its original position when
it's not depressed.
IMPORTANT: Always set the parking brake when
leaving the tractor unattended.
10

SystemsIndicatorMonitor
Your tractor is equipped with an hour meter as part of
its systems indicator monitor. Locate the monitor on the
left side of your dash panel and compare it to Figure 6.
Battery Oil
J
PTO
(BladeEngage)
Hour Meter
ParkingBrake
Figure 6
If the Brake light or PTO light illuminates when
attempting to start the unit, proceed as follows:
BRAKE -- Depress the brake pedal.
PTO -- Move PTO (Blade Engage) lever,
or PTO (Blade Engage) knob into the
disengaged (OFF) position.
NOTE: It is normal for the Oil light and the Battery light
to ifluminate while the engine is cranking, but if either
illuminate's while the engine is running, proceed as
follows:
OIL-- Stop the tractor immediately and check
the crankcase oil level as instructed in
the Briggs & Stratton Operator/Owner
Manual included with your tractor.
BATTERY-- The battery is in need of a charge, or the
engine's charging system is not
generating sufficient amperage. Refer to
the MAINTENANCEsection of this manual
for the proper battery charging procedure
or have the charging system checked by
aBriggs & Stratton engine's dealer.
The hour meter operates whenever the engine is
running and records the actual hours of tractor
operation.
ElectricPTO I
(BladeEngage)Knob
To engage the power to the
cutting deck or other (separately
available) attachments on
models equipped with an electric
PTO, pull outward on the PTO
(Blade Engage) knob. Push the
PTO (Blade Engage) knob
inward to disengage the power to the cutting deck.
NOTE: The PTO (Blade Engage) knob must be in the
disengaged (OFF) position when starting the engine,
when traveling in reverse and if the operator leaves the
seat.
PTO(BladeEngage)Lever
L IO!
OFF, PTO
PTO /BLADE ENGAGE
On models equipped with a manual PTO (Blade
Engage), the PTO (Blade Engage) lever is located on
the left side of the dashboard next to the steering
wheel. Move the PTO (Blade Engage) lever forward to
engage the power to the cutting deck or other
(separately available) attachments; move the PTO
(Blade Engage) lever rearward to disengage the power
to the attachments.
NOTE: The PTO (Blade Engage) lever must be in the
disengaged (OFF) position when starting the engine,
when traveling in reverse and if the operator leaves the
seat.
SeatAdjustmentLever
To adjust the seat forward or backward on units
equipped with a quick-adjust seat, slide the seat
adjustment lever to the left and reposition the seat to
the desired position. Once a comfortable position is
found, release the seat adjustment lever to lock the
seat in place. Refer to SeatAdjustmenton page 18 of this
manual for more detailed instructions.
DeckLift Lever
Found on your tractor's right fender, the deck lift lever is
used to change the height of the cutting deck. To use,
move the lever to the left, then place in the notch best
suited for your application.
11

ParkingBrakeButton
To set the parking brake, fully
depress the brake pedal and
push the parking brake button in.
Hold the button in while taking
your foot off the brake pedal.
Both the parking button and the
brake pedal will then stay
depressed. To release the
parking brake, depress the brake
pedal slightly. The parking brake
button will then return to its original position.
NOTE: The parking brake must be set if the operator
leaves the seat with the engine running or the engine
will automatically shut off.
IMPORTANT: Always set the parking brake when
leaving the tractor unattended.
CruiseControlButton
The cruise control button is
located on the tractor dash panel ;i_
to the left of the ignition switch.
Push the cruise control button
while traveling forward at a
desired speed. While holding the II I1_ |
button in, release pressure from
the drive pedal. This will engage
the cruise control and allow the
tractor to remain at that speed
without applying pressure to the drive pedal. Depress
the brake pedal or the drive pedal to deactivate cruise
control. Refer to SettingtheCruiseControlon page 15 this
manual for detailed instructions regarding the cruise
control feature.
NOTE: Cruise control can NOT be engaged at the
tractor's fastest ground speed. If the operator should
attempt to do so, the tractor will automatically
decelerate to the fastest optimal mowing ground speed.
ShiftLever
The shift lever is located on the left side of the fender
and has three positions, FORWARD, NEUTRAL and
REVERSE. The brake pedal must be depressed and
the tractor must not be in motion when the moving shift
lever. See Figure 7.
N
ShiftKnob
Figure 7
IMPORTANT: Never force the shift lever. Doing so may
result in serious damage to the tractor's transmission.
12

SECTION5: OPERATINGYOURLAWNTRACTOR
SafetyInterlockSwitches
This tractor is equipped with a safety interlock system
for the protection of the operator. If the interlock system
should ever malfunction, do not operate the tractor.
Contact an authorized MTD service dealer.
• The safety interlock system prevents the engine
from cranking or starting unless the parking brake is
engaged, and the PTO (Blade Engage) knob (or
lever) is in the disengaged (OFF) position.
• The engine will automatically shut off if the operator
leaves the seat before engaging the parking brake.
Modelswith ManualPTO(Blade Engage)
• The engine will automatically shut off if the operator
leaves the tractor's seat with the PTO (Blade
Engage) lever in the engaged (ON) position,
regardless of whether the parking brake is
engaged.
• The engine will automatically shut off if the operator
engages the the PTO with the parking brake ON.
• With the ignition key in the NORMAL MOWING
position, the engine will automatically shut off if the
PTO (Blade Engage) lever is moved into the
engaged (ON) position with the shift lever in
Reverse.
Modelswith ElectricPTO(Blade Engage)
• The electric PTO (Blade Engage) clutch will
automatically shut off if the operator leaves the
tractor's seat with the PTO (Blade Engage) knob in
the engaged (ON) position, regardless of whether
the parking brake is engaged.
• With the ignition key in the NORMAL MOWING
position, the electric PTO (Blade Engage) clutch
will automatically shut off if the PTO (Blade
Engage) knob is moved into the engaged (ON)
position with the shift lever in Reverse.
_, ARNING: Do not operate the tractor if the
interlock system is malfunctioning. This
system was designed for your safety and
protection.
ReverseCautionMode
WARNING: Use extreme caution while
operating the tractor in the REVERSE
CAUTION MODE. Always look down and
behind before and while backing. Do not
operate the tractor when children or others
are around. Stop the tractor immediately if
someone enters the area.
The REVERSE CAUTION MODE position of the key
switch module allows the tractor to be operated in
reverse with the blades (PTO) engaged.
IMPORTANT: Mowing in reverse is not recommended.
To use the REVERSE CAUTION MODE:
IMPORTANT:The operator MUST be seated in the
tractor seat.
1. Start the engine as previously instructed in this
Operator's Manual.
2. Turn the key from the NORMAL MOWING
(Green) position to the REVERSE CAUTION
MODE (Yellow) position of the key switch module.
See Figure 8.
3. Depress the REVERSE PUSH BUTTON (Orange,
Triangular Button) at the top, right corner of the key
switch module. The red indicator light at the top, left
corner of the key switch module will be ON while
activated. See Figure 8.
4. Once activated (indicator light ON), the tractor can
be driven in reverse with the cutting blades (PTO)
engaged.
5. Always look down and behind before and while
backing to make sure no children are around.
6. After resuming forward motion, return the key to the
NORMAL MOWING position.
IMPORTANT:The REVERSE CAUTION MODE will
remain activated until:
a. The key is placed in either the NORMAL
MOWING position or STOP position.
b. The operator leaves the seat (Models with
Electric PTO ONLY).
c. The operator engages the parking brake by
fully depressing the brake pedal and holding
it down while gently pushing the parking
brake button inward (Models with Manual
PTO ONLY).
Indicat0r
Light
Stop
Position
REVERSEPUSN
BUTTON ==4_
Reverse
PushButton
Reverse
-CautionMode
Position
Start
Position
Figure 8
13

WARNING
AVOIDSERIOUSINJURYORDEATH
• GO UP AND DOWN SLOPES, NOT ACROSS.
• AVOID SUDDEN TURNS.
• DO NOT OPERATE THE UNIT WHERE IT COULD SLIP OR TIR
• IF MACHINE STOPS GOING UPHILL, STOP BLADE(S) AND BACK
DOWNHILL SLOWLY.
• DO NOT MOW WHEN CHILDREN OR OTHERS ARE AROUND.
• NEVER CARRY CHILDREN, EVEN WITH BLADES OFR
• LOOK DOWN AND BEHIND BEFORE AND WHILE BACKING.
• KEEP SAFETY DEVICES (GUARDS, SHIELDS, AND SWITCHES) IN
PLACE AND WORKING.
• REMOVE OBJECTS THAT COULD BE THROWN BY THE BLADE(S).
• KNOW LOCATION AND FUNCTION OF ALL CONTROLS.
• BE SURE BLADE(S) AND ENGINE ARE STOPPED BEFORE PLAC-
ING HANDS OR FEET NEAR BLADE(S).
• BEFORE LEAVING OPERATOR'S POSITION, DISENGAGE
BLADE(S), PLACE THE SHIFT LEVER IN NEUTRAL, ENGAGE
BRAKE LOCK, SHUT ENGINE OFF AND REMOVE KEY.
READOPERATOR'SMANUAL
Engagingthe ParkingBrake
To engage the parking brake:
• Fully depress the brake pedal and hold it down with
your foot while gently pushing the parking brake
button inward.
• Hold the parking brake button in while removing
your foot from the brake pedal.
• Once engaged, the parking brake button and the
brake pedal will lock in the "down" position.
To disengage the parking brake:
• Slightly depress the brake pedal.
NOTE: The parking brake must be engaged if the
operator leaves the seat with the engine running or the
engine will automatically shut off.
Settingthe CuttingHeight
Select the height position of the cutting deck by placing
the deck lift lever in any of the six different cutting height
notches on the right side of the fender. Then adjust the
deck wheels so that they are between 1A-inch and _/2-
inch above the ground when the tractor is on a smooth,
flat surface such as a driveway.
,_ WARNING: Keep hands and feet away
from the discharge opening of the cutting
deck.
NOTE: The deck wheels are an anti-scalp feature of
the deck and are not designed to support the weight of
the cutting deck.
Refer to Levelingthe Deckon page 17 of this manual for
more detailed instructions regarding various deck
adjustments.
Startingthe Engine
_, WARNING: Do not operate the tractor if the
interlock system is malfunctioning. This
system was designed for your safety and
protection.
NOTE: Refer to the TRACTORSET-UPon page 8 of this
manual for Gasoline and Oil fill-up instructions.
• Insert the tractor key into the ignition switch.
• Place the PTO (Blade Engage) knob (or lever) in
the disengaged (OFF) position.
• Engage the tractor's parking brake.
• Activate the choke control.
• Turn the ignition key clockwise to the START
position. After the engine starts, release the key. It
will return to the ON position.
IMPORTANT: Do NOT hold the key in the START
position for longer than ten seconds at a time. Doing so
may cause damage to your engine's electric starter.
• After the engine starts, deactivate the choke control
and place the throttle control in the FAST position.
NOTE: Do NOT leave the choke control on while
operating the tractor. Doing so will result in a "rich" fuel
mixture and cause the engine to run poorly.
StoppingtheEngine
,_ WARNING: If you strike a foreign object,
stop the engine, disconnect the spark plug
wire(s) and ground against the engine.
Thoroughly inspect the machine for any
damage. Repair the damage before restarting
and operating
• If the blades are engaged, place the PTO (Blade
Engage) knob (or lever) in the disengaged (OFF)
position.
• Turn the ignition key counterclockwise to the OFF
position.
• Remove the key from the ignition switch to prevent
unintended starting.
DrivingTheTractor
WARNING: Avoid sudden
cessive speed and sudden stops.
starts, ex-
WARNING: Do not leave the seat of the
tractor without first placing the PTO (Blade
Engage) knob (or lever) in the disengaged
(OFF) position, depressing the brake pedal
and engaging the parking brake. If leaving the
tractor unattended, also turn the ignition key
off and remove the key.
14

• Depress the brake pedal to release the parking
brake and let the pedal up.
• Move the throttle lever into the FAST (rabbit)
position.
IMPORTANT: Do NOT use the shift lever to change the
direction of travel when the tractor is in motion. Always
use the brake pedal to bring the tractor to a complete
stop before shifting.
• To move forward, place the shift lever in the
FORWARD position, then slowly depress the drive
pedal until the desired speed is achieved.
• To move in reverse, place the shift lever in the
REVERSE position, check that the area behind is
clear then slowly depress the drive pedal.
DrivingOnSlopes
Refer to the SLOPEGAUGEon page 7 to help determine
slopes where you may operate the tractor safely.
WARNING: Do not mow on inclines with a
slope in excess of 15 degrees (a rise of
approximately 2-1/2 feet every 10 feet). The
tractor could overturn and cause serious
injury.
• Mow up and down slopes, NEVER across.
• Exercise extreme caution when changing direction
on slopes.
• Watch for holes, ruts, bumps, rocks, or other
hidden objects. Uneven terrain could overturn the
machine. Tall grass can hide obstacles.
• Avoid turns when driving on a slope. If a turn must
be made, turn down the slope. Turning up a slope
greatly increases the chance of a roll over.
• Avoid stopping when driving up a slope. If it is
necessary to stop while driving up a slope, start up
smoothly and carefully to reduce the possibility of
flipping the tractor over backward.
SettingTheCruiseControl
• Place the shift lever in the FORWARD position,
then slowly depress the drive pedal until the desired
speed is achieved.
• Lightly depress the cruise control button.
• While continuing to hold the cruise button in, lift
your foot from the drive pedal (you should feel the
cruise latch engage).
• Once engaged, the cruise control button and the
drive pedal will lock in the "down" position, and the
tractor will maintain the same forward speed.
NOTE: Cruise control can not be engaged at the
tractor's fastest ground speed. If the operator should
attempt to do so, the tractor will automatically
decelerate to the fastest optimal mowing ground speed.
Disengage the cruise control using one of the following
methods:
• Depress the brake pedal to disengage the cruise
control and stop the tractor.
• Lightly depress the drive pedal.
To change to the reverse direction when operating with
cruise control, depress the brake pedal to disengage
the cruise control and bring the tractor to a complete
stop. Then place the shift lever in the REVERSE
position and depress the drive pedal.
Engagingthe Blades
Engaging the PTO (Blade Engage) transfers power to
the cutting deck or other (separately available)
attachments. To engage the blades, proceed as
follows:
• Move the throttle control lever to the FAST (rabbit)
position.
Modelswith ManualPTO
• G rasp the PTO (Blade Engage) lever and pivot it all
the way forward into the engaged (ON) position.
Modelswith Electric PTO
• Pull the PTO (Blade Engage) knob outward into the
engaged (ON) position. See Figure 9.
Front View Pull Out Push In
Figure 9
• Keep the throttle lever in the FAST (rabbit) position
for the most efficient use of the cutting deck or other
(separately available) attachments
IMPORTANT:The engine (on models with a manual
PTO) or electric PTO clutch (on models with an electric
PTO) will automatically shut off if the PTO is engaged
with the shift lever in position for reverse travel with the
ignition key in the NORMAL MOWING position. Refer
to SafetyInterlockSwitcheson page 13.
Usingthe DeckLiftLever
To raise the cutting deck, move the deck lift lever to the
left, then place it inthe notch best suited for your
application. Refer to SettingTheCuttingHeightearlier in
this section.
15

Mowing
WARNING: To help avoid blade contact or
a thrown object injury, keep bystanders,
helpers, children and pets at least 75 feet
from the machine while it is in operation. Stop
machine if anyone enters the area.
The following information will be helpful when using the
cutting deck with your tractor.
WARNING: Plan your mowing pattern to
avoid discharge of materials toward roads,
sidewalks, bystanders and the like. Also,
avoid discharging material against a wall or
obstruction which may cause discharged
material to ricochet back toward the operator.
Do not mow at high ground speed, especially if a
mulch kit or grass collector is installed.
For best results it is recommended that the first two
laps be cut with the discharge thrown towards the
center. After the first two laps, reverse the direction
to throw the discharge to the outside for the
balance of cutting. This will give a better
appearance to the lawn.
• Do not cut the grass too short. Short grass invites
weed growth and yellows quickly in dry weather.
• Mowing should always be done with the engine at
full throttle.
• Under heavier conditions it may be necessary to go
back over the cut area a second time to get a clean
cut.
• Do NOT attempt to mow heavy brush and weeds
and extremely tall grass. Your tractor is designed to
mow lawns, NOT clear brush.
• Keep the blades sharp and replace the blades
when worn. Refer to CuttingBladeson page 21 of this
manual for proper blade sharpening instructions.
Headlights
On some models, the lamps are ON whenever the
tractor's engine is running. On other models, the lamps
are ON whenever the ignition key is moved out of the
STOP position.
On all models, the lamps turn OFF when the ignition
key is moved to the STOP position.
16

SECTION6: MAKINGADJUSTMENTS
_, WARNING: Never attempt to make any
adjustments while the engine is running,
except where specified in the operator's
manual.
LevelingtheDeck
NOTE: Check the tractor's tire pressure before
performing any deck leveling adjustments. Refer to
Tires on page 21 for information regarding tire pressure.
FrontTo Rear
The front of the cutting deck is supported by a stabilizer
bar that can adjusted to level the deck from front to rear.
The front of the deck should be between 1/4-inch and
3/8-inch lower than the rear of the deck. Adjust if
necessary as follows:
• With the tractor parked on a firm, level surface,
place the deck lift lever in the top notch (highest
position) and rotate the blade nearest the discharge
chute so that it is parallel with the tractor.
• Measure the distance from the front of the blade tip
to the ground and the rear of the blade tip to the
ground.
• The first measurement taken should be between
1/4" and 3/8" less than the second measurement.
Determine the approximate distance necessary for
proper adjustment and proceed, if necessary, to the
next step.
• Loosen the two jam nuts, if present, on the rear side
of the deck stabilizer bracket.
• Locate the two lock nuts on the front side of the
stabilizer bracket. See Figure 11. Tighten the lock
nuts to raise the front of the deck; loosen the lock
nuts to lower the front of the deck.
/........ ,
/......
Loosen
to lower deck Tighten
to raisedeck _j
Figure 10
• Retighten the two jam nuts loosened earlier when
proper adjustment is achieved.
Sideto Side
If the cutting deck appears to be mowing unevenly, a
side to side adjustment can be performed. Adjust if
necessary as follows:
• With the tractor parked on a firm, level surface,
place the deck lift lever in the top notch (highest
position) and rotate both blades so that they are
perpendicular with the tractor.
• Measure the distance from the outside of the left
blade tip to the ground and the distance from the
outside of the right blade tip to the ground. Both
measurements taken should be equal. If they're
not, proceed to the next step.
• Loosen, but do NOT remove, the hex cap screw on
the left deck hanger bracket. See Figure 11.
Adjustment Gear Hex Bolt
Figure 11
• Balance the deck by using a wrench to turn the
adjustment gear (found immediately behind the hex
cap screw just loosened) clockwise/up or
counterclockwise/down.
• The deck is properly balanced when both blade tip
measurements taken earlier are equal.
• Retighten the hex cap screw on the left deck
hanger bracket when proper adjustment is
achieved.
ParkingBrakeAdjustment
WARNING: Never attempt to adjust the
brakes while the engine is running. Always
disengage PTO, move shift lever into neutral
position, stop engine and remove key to
prevent unintended starting.
17

If the tractor does not come to a complete stop when
the brake pedal is completely depressed, or if the
tractor's rear wheels can roll with the parking brake
applied, the brake is in need of adjustment. The brake
disc can be found on the right side of the transmission
in the rear of the tractor. Adjust if necessary as follows:
• Looking at the transmission from the right side of
the tractor, locate the compression spring and
brake disc. See Figure 12.
HexNut ___
Set Gap
at .011"
Compression
Spring
NOTE: View shown from beneath tractor,
Transmission
Figure 12
• Loosen, but do NOT remove, the hex nut found on
the right side of the brake assembly. See Figure 12.
• Using a feeler gauge, set the gap between the
brake disc and the brake puck at .011"
• Re-tighten the hex nut loosened earlier.
SeatAdjustment
WARNING: Before operating this machine,
make sure the seat is engaged in the seat
stop, stand behind the machine and pull back
on seat until fully engaged into stop.
To adjust the position of the seat, move the lever to the
left and slide the seat forward or rearward. Make sure
seat is locked into position before operating the tractor.
SteeringAdjustment
If the tractor turns tighter in one direction than the other,
or if the ball joints are being replaced due to damage or
wear, the steering drag links may need to be adjusted.
Adjust the drag links so that equal lengths are threaded
into the ball joint on the left side and the ball joint on the
right side:
• Loosen the jam nut found on the drag link at the
rear of the ball joint. See Figure 13.
Hex Nut Pivot Bar
Dra_jLink
Jam Nut
Ball Joint
Figure 13
• Remove the hex nut on the top of ball joint. See
Figu re 13.
• Thread the ball joint toward the jam nut to shorten
the drag link. Thread the ball joint away from the
jam nut to lengthen the drag link.
• Replace hex nut and retighten the jam nut after
proper adjustment is achieved.
NOTE: Threading the ball joints too far onto the drag
finks will cause the front tires to "toe-in" too far. Proper
toe-in is between 1/16" and 5/16".
Front tire toe-in can be measured as follows:
• Place the steering wheel in position for straight
ahead travel.
• In front of the axle, measure the distance
horizontally from the inside of the left rim to the
inside of the right rim. Note the distance.
• Behind the axle, measure the distance horizontally
from the inside of the left rim to the inside of the
right rim. Note the distance.
• The measurement taken in front of the axle should
be between 1/16" and 5/16" less than the
measurement taken behind the axle. Adjust if
necessary.
18

SECTION7: MAINTAININGYOURLAWNTRACTOR
WARNING: Before performing any
maintenance or repairs, disengage PTO,
move shift lever into neutral position, set
parking brake, stop engine and remove key to
prevent unintended starting.
Engine
Refer to the Briggs & Stratton Operator/Owner
Manual for engine maintenance instructions.
Check engine oil level before each use as instructed in
the Briggs & Stratton Operator/Owner Manual packed
with your unit. Follow the instructions carefully.
ChangingEngineOil
NOTE: Depending on the engine model found on your
tractor, it may be necessary to remove the tractor's side
panel in order to replace the oil filter (if so equipped).
• Unscrew oil fill cap and remove dipstick from the oil
fill tube. See Figure 14.
Oil Fill Cap Oil Drain Hose ProtectiveCap
OilFillTube Oil DrainValve
DrainPert
Figure 14
• Pop open the protective cap on the end of the oil
drain valve to expose the drain port. See Figure 14.
• Push the oil drain hose (packed with this manual)
onto the oil drain port. Route the opposite end of
the hose into an appropriate oil collection container
with a capacity of no less than 64 oz.
• Push the oil drain valve in slightly, then rotate
counterclockwise and pull outward to begin
draining oil. See Figure 14.
• Service the oil filter (if so equipped) as instructed
in the separate Briggs & Stratton Operator/Owner
Manual packed with your unit.
Perform the above steps in the opposite order after oil
has finished draining.
• Refill the engine with new motor oil.
IMPORTANT:Refer to the Briggs & Stratton Operator/
Owner Manual packed with your unit for information
regarding the quantity and proper weight of motor oil.
Air Cleaner
Service the pre-cleaner, if so equipped, and cartridge/
air cleaner element as instructed in the Briggs &
Stratton Operator/Owner Manual packed with your unit.
SparkPlug(s)
The spark plug(s) should be cleaned and the gap reset
once a season. Spark plug replacement is
recommended at the start of each mowing season.
Refer to the Briggs & Stratton Operator/Owner Manual
for correct plug type and gap specifications.
Lubrication
WARNING: Before lubricating, repairing, or
inspecting, always disengage PTO, move
shift lever into neutral position, set parking
brake, stop engine and remove key to prevent
unintended starting.
Engine
Lubricate the engine with motor oil as instructed in the
Briggs & Stratton Owner Manual packed with your unit.
Pivot Points &Linkage
Lubricate all the pivot points on the drive system,
parking brake and lift linkage at least once a season
with light oil.
RearWheels
The rear wheels should be removed from the axles
once a season. Lubricate the axles and the rims well
with an all-purpose grease before re-installing them.
FrontAxles
Each end of the tractor's front pivot bar may be
equipped with a grease fitting. Lubricate with a grease
gun after every 25 hours of tractor operation.
CleaningtheEngineAndDeck
Any fuel or oil spilled on the machine should be wiped
off promptly. Do NOT allow debris to accumulate
around the cooling fins of the engine or on any other
part of the machine.
IMPORTANT:The use of a pressure washer to clean
your tractor is NOT recommended. It may cause
damage to electrical components, spindles, pulleys,
bearings or the engine.
19

DeckWash SystemTM
Your tractor's deck is equipped with a water port on its
surface as part of its deck wash system.
Use the Deck Wash System TM to rinse grass clippings
from the deck's underside and prevent the buildup of
corrosive chemicals. Complete the following steps
AFTER EACH MOWING:
1. Drive the tractor to a level, clear spot on your lawn,
near enough to a water sillcock (spigot) for your
garden hose to reach.
IMPORTANT: Make certain the tractor's discharge chute
is directed AWAY from your house, garage, parked
cars, etc.
2. Disengage the PTO (Blade Engage), move the shift
lever into the neutral position, set the parking
brake, and stop the engine.
3. Thread the hose coupler (packaged with your
tractor's Operator's Manual) onto the end of your
garden hose.
4. Attach the hose coupler to the water port on your
decks surface. See Figure 15.
5. Turn the water on.
6. While sitting in the operator's position on the
tractor, re-start the engine and place the throttle
lever in the FAST (rabbit) position.
7. If your tractor has a Manual PTO (Blade Engage),
disengage the parking brake.
8. Move the tractor's PTO (Blade Engage) into the ON
position.
Hose Coupler
Water Port
Figure 15
9. Remain in the operator's position with the cutting
deck engaged for a minimum of two minutes,
allowing the underside of the cutting deck to
throughly rinse.
10. Move the tractor's PTO (Blade Engage) into the
OFF position.
11. Turn the ignition key to the STOP position to turn
the tractor's engine off.
12. If your tractor has a Manual PTO (Blade Engage),
engage the parking brake.
13. Turn the water off and detach the hose coupler
from the water port on your decks surface.
14. Repeat steps 4-11 on the opposite side of the
cutting deck.
20

SECTION8: SERVICE
CuttingDeckRemoval
To remove the cutting deck, proceed as follows:
•Place the PTO (Blade Engage) knob (or lever) in
the disengaged (OFF) position and engage the
parking brake.
• Lower the deck by moving the deck lift lever into the
bottom notch on the right fender.
• Remove the PTO belt from around the tractor's
engine pulley (or electric PTO clutch, if so
equipped) and idler pulley(s). Refer to Figure 20.
NOTE: On models with a 46-inch deck, it may be
necessary to remove the belt keepers from around the
engine pulley, in order to removes the PTO belt.
• Looking at the cutting deck from the left side of the
tractor, locate the deck support pin on the rear left
side of the deck. See Figure 16.
Figure 16
• Pull the deck support pin outward to release the
deck from the deck lift arm.
• Rotate the pin slightly toward the rear of the tractor
and release the pin into the hole provided.
• Repeat the above steps on the tractor's right side.
• Move the deck lift lever into the top notch on the
right fender to raise the deck lift arms up and out of
the way.
NOTE: Models with a 46-inch deck are equipped with
a short cable which controls the deck spindle brake. It is
necessary to unhook this cable in order to fully remove
the cutting deck from the tractor. Be certain to reattach
the cable when re-mounting the cutting deck.
• Gently slide the cutting deck toward the front of the
tractor allowing the hooks on the deck to release
themselves from the deck stabilizer rod.
• Gently slide the cutting deck (from the right side)
out from underneath the tractor.
Tires
_, WARNING: Never exceed the maximum
inflation pressure shown on the sidewall of the
tire.
The recommended operating tire pressure is:
• Approximately 10 psi for the rear tires
• Approximately 14 psi for the front tires
IMPORTANT: Refer to the tire sidewall for exact tire
manufacturer's recommended or maximum psi. Do not
overinflate. Uneven tire pressure could cause the
cutting deck to mow unevenly.
Battery
The battery is sealed and is maintenance-free. Acid
levels cannot be checked.
• Always keep the battery cables and terminals clean
and free of corrosive build-up.
• After cleaning the battery and terminals, apply a
light coat of petroleum jelly or grease to both
terminals.
• Always keep the rubber boot positioned over the
positive terminal to prevent shorting.
IMPORTANT:If removing the battery for any reason,
disconnect the NEGATIVE (Black) wire from it's
terminal first, followed by the POSITIVE (Red) wire.
When re-installing the battery, always connect the
POSITIVE (Red) wire its terminal first, followed by the
NEGATIVE (Black) wire. Be certain that the wires are
connected to the correct terminals; reversing them
could change the polarity and result in damage to your
engine's alternating system.
Charging
If the tractor has not been put into use for an extended
period of time, charge the battery with an automotive-
type 12-volt charger for a minimum of one hour at six
amps.
WARNING: Batteries give off an explosive
gas while charging. Charge battery in a well
ventilated area and keep away from an open
flame or pilot light as on a water heater, space
heater, furnace, clothes dryer or other gas
appliances.
21

JumpStarting
,_ WARNING: When removing or installing
the battery, follow these instructions to
prevent the screwdriver from shorting against
the frame.
IMPORTANT: Never jump your tractor's dead battery
with the battery of a running vehicle.
• Connect end of one jumper cable to the positive
terminal of the good battery, then the other end to
the positive terminal of the dead battery.
• Connect the other jumper cable to the negative
terminal of the good battery, then to the frame of
the unit with the dead battery.
WARNING: Failure to use this procedure
could cause sparking, and the gas in either
battery could explode.
Cleaning
Clean the battery by removing it from the tractor and
washing with a baking soda and water solution. If
necessary, scrape the battery terminals with a wire
brush to remove deposits. Coat terminals and exposed
wiring with grease or petroleum jelly to prevent
corrosion.
BatteryFailures
Some common causes for battery failure are:
•incorrect initial activation • undercharging
• overcharging • corroded connections
• freezing
These failures are NOT covered by your tractor's
warranty.
CuttingBlades
WARNING: Be sure to shut the engine off,
remove ignition key, disconnect the spark plug
wire(s) and ground against the engine to
prevent unintended starting before removing
the cutting blade(s) for sharpening or
replacement. Protect your hands by using
heavy gloves or a rag to grasp the cutting
blade.
_, ARNING: Periodically inspect the bladespindles for cracks or damage, especially if
you strike a foreign object. Replace
immediately if damaged.
The blades may be removed as follows.
• Remove the deck from beneath the tractor, (refer to
CuttingDeckRemovalon page 21) then gently flip the
deck over to expose its underside.
• Place a block of wood between the center deck
housing baffle and the cutting blade to act as a
stabilizer. See •
Hex Flange Nut
Spindle Assembly
Figure 17
Use a 15/16" wrench to remove the hex flange nut
that secures the blade to the spindle assembly. See
Figu re 17
To properly sharpen the cutting blades, remove
equal amounts of metal from both ends of the
blades along the cutting edges, parallel to the
trailing edge, at a 25° to 30° angle. See Figure 18.
IMPORTANT: If the cutting edge of the blade has already
been sharpened to within 5/8" of the wind wing radius,
or if any metal separation is present, replace the blades
with new ones. See Figure 18.
Blade Separation
/
Worn Blade Edge
Wind Wing
Sharpen Edge Evenly
Figure 18
It is important that each cutting blade edge be ground
equally to maintain proper blade balance.
A poorly balanced blade will cause excessive vibration
and may cause damage to the tractor and result in
personal injury. The blade can be tested by balancing it
on a round shaft screwdriver. Grind metal from the
heavy side until it balances evenly.
22

When replacing the blade, be sure to install the blade
with the side of the blade marked "Bottom" (or with a
part number stamped in it) facing the ground when the
mower is in the operating position.
IMPORTANT: Use a torque wrench to tighten the blade
spindle hex flange nut to between 70 foot-pounds and
90 foot-po unds.
Fuses
Two fuses are installed in your tractor's wiring harness
to protect the tractor's electrical system from damage
caused by excessive amperage.
If the electrical system does not function, or your
tractor's engine will not crank, first check to be certain
that the fuse has not blown.
One can be found under the hood mounted behind the
top of the dash panel on the support bar.
The other can be found under the seat mounted to the
inside of the tractor frame next to the battery tray.
_, ARNING: Always use a fuse with the
same amperage capacity for replacement.
ChangingtheDeckBelt& PT0Belt
WARNING: Be sure to shut the engine off,
remove ignition key, disconnect the spark
plug wire(s) and ground against the engine to
prevent unintended starting before removing
the belt(s).
All belts on your tractor are subject to wear and should
be replaced if any signs of wear are present.
IMPORTANT:The V-belts found on your tractor are
specially designed to engage and disengage safely. A
substitute (non-OEM) V-belt can be dangerous by not
disengaging completely. For a proper working machine,
use factory approved belts.
To change or replace the deck belt and PTO belt on
your tractor, proceed as follows:
• Lower the deck by moving the deck lift lever into the
bottom notch on the right fender.
• Remove the belt guards by removing the self-
tapping screws that fasten them to the deck.
46-inch Decks
• Grasp the rearmost portion of the PTO idler bracket
and pivot it toward the discharge chute to relieve
tension on the PTO belt.
• Remove the PTO belt from around the engine
pulley (or electric PTO clutch) and from around the
PTO idler pulley(s).
• Grasp the deck idler pulley and pivot it toward the
left to relieve tension on the deck belt.
50-inch Decks
• To ease in removing the belt in later steps, loosen,
but do not remove, the bolt which secures the
pivoting idler pulley to the idler bracket.
See Figure 19.
Belt Guard
Figure 19
• Insert a 3/8"-drive ratchet wrench (set to tighten)
into the square hole found in the idler bracket on
the left side of the deck's surface. See Figure 19.
• Grasp the ratchet's handle and pivot it toward the
tractor's right side to relieve tension on the belt.
• With belt tension relieved, carefully remove the
belt from around the left-hand spindle pulley.
WARNING: Avoid the possibility of a
pinching injury. Do not place your fingers on
the idler spring or between the belt and a
pulley while removing the belt.
IMPORTANT:Carefully allow the ratchet to pivot
rearward before removing it from the square hole.
All Models
• Remove the deck belt from around all pulleys,
including the deck idler pulley.
• Route the new belts (deck belt first) as shown in
and Figure 20.
• Remount the belt guards removed earlier.
23

Engine Pulley PTO Idler Bracket
(mounted on tractor)
Y
46-inchDecks
Deck belt (Bottom)
PTO belt (Top)
)eck Idler
Right Hand Pulley
belt guard)
Left Hand _
Double Pulley
Center Pulley
]OTE: Front Deck wheels are NOT standard equippment,
Electric PTO Clutch
Pivoting Idler Pulley
Fixed Idler Pulley 50-inchDecks
Deck /PTO Belt
Idler Bracket
Right Hand Pulley
(beneath belt guard)
Grease Fitting )ing Screws
Figure 20
ChangingtheTransmissionDriveBelts
NOTE: Several components must be removed and
special tools (i.e. air/impact wrench) in order to change
the tractor's drive belts. See an authorized MTD
Service Dealer to have your drive belts replaced or
phone Customer Support as instructed on page 2 for
information on ordering an MTD Service Manual
24

SECTION9: OFF-SEASONSTORAGE
Clean and lubricate the tractor as instructed in Section7:
MAINTAININGYOURLAWNTRACTORon page 19 of this
manual before storing for an extended period.
WARNING: Drain fuel only into an
approved container outdoors, away from an
open flame. Allow engine to cool. Extinguish
cigarettes, cigars, pipes, and other sources of
ignition prior to draining fuel.
Follow the instructions in the Service, Storage &
Specifications section of the Briggs & Stratton
Operator/Owner Manual for proper engine care prior to
storing your tractor.
WARNING: Never store the machine or
fuel container indoors where there is an open
flame, spark or pilot light such as on water
heater, furnace, clothes dryer or other gas
appliance.
SECTION10: ATTACHMENTS& ACCESSORIES
The following attachments and accessories are compatible for Model Series 606 Lawn Tractors. See the retailer
from which you purchased your tractor, an authorized MTD Service Dealer or phone (800) 800-7310 for information
regarding price and availability.
NOTE: Model Series 606 Lawn Tractors are NOT designed for use with any type of ground-engaging attachments
(e.g. tiller or plow). Use of this type of equipment WILL void the tractor's warranty.
MODEL
OEM-190-118
OEM-190-193
OEM-190-182
OEM-190-192
0EM-190-215
OEM-190-603
OEM-190-607*
OEM-190-751"
OEM-190-823
OEM-190-833
DESCRIPTION
46-inch Deck Mulch Kit
50-inch Deck Mulch Kit
Twin Bagger Grass Collector (for 46-inch Decks)
Triple Bagger Grass Collector (for 50-inch Decks)
Rear Wheel Weights (62 lb.)
Grille Guard (mounts on front of tractor)
Deluxe Tractor Sunshade
Tractor Snow Cab
42-inch Two-stage Snow Thrower
46-inch Front Dozer Blade
*Not compatible with tractors equipped with a Grass Collector
25

SECTION11: TROUBLESHOOTING
Trouble Possible Cause(s)
Engine fails to start PTO engaged.
Engine runs erratic
Parking brake not engaged.
Spark plug wire(s) disconnected.
Throttle control lever not in correct
starting position.
Choke not activated
Fuel tank empty, or stale fuel.
Blocked fuel line.
Faulty spark plug.
Engine flooded.
Unit running with CHOKE applied.
Spark plug wire(s) loose.
Blocked fuel line or stale fuel.
Vent in gas cap plugged.
Water or dirt in fuel system.
Dirty air cleaner.
Engine overheats Engine oil level low.
Air flow restricted.
Engine hesitates at high RPM Spark plug(s) gap too close.
Idles poorly Spark plug(s) fouled, faulty or gap too
wide.
Dirty air cleaner.
Excessive vibration
Mower will not mulch grass
Cutting blade loose or unbalanced.
Damaged or bent cutting blade.
Engine speed too low.
Wet grass.
Excessively high grass.
Dull blade.
Uneven cut Deck not balanced properly.
Dull blade.
Uneven tire pressure.
Corrective Action
Place PTO knob (or lever) in disengaged (OFF)
position.
Engage parking brake.
Connect wire(s) to spark plug(s).
Place throttle lever to FAST position.
Pull out the CHOKE control (if so equipped) or place the
throttle control in CHOKE position.
Fill tank with clean, fresh (less than 30 days old) gas.
Clean fuel line or replace fuel filter, if so equipped.
Clean, adjust gap or replace plug.
Crank engine with throttle in FAST position.
Push CHOKE control (if so equipped) in, or move the
throttle control out of the CHOKE position.
Connect and tighten spark plug wire(s).
Clean fuel line; fill tank with clean, fresh (less than 30
days old) gasoline. Replace fuel filter, if so equipped.
Clear vent or replace cap if damaged.
Drain fuel tank. Refill with clean, fresh (less than 30
days old) gasoline.
Replace air cleaner cartridge/element or clean pre-
cleaner, if so equipped.
Fill crankcase with proper capacity and weight of oil.
Clean grass clippings and debris from around the
engine's cooling fins and blower housing.
Remove spark plug(s) and reset the gap.
Replace spark plug(s). Set plug(s) gap.
Replace air cleaner cartridge/element or clean pre-
cleaner, if so equipped.
Tighten blade and spindle. Balance blade.
Replace blade.
Place throttle control in FAST (rabbit) position.
Do not mow when grass is wet; wait until later to cut.
Mow once at a high cutting height, then mow again at
desired height or make a narrower cutting swath.
Sharpen or replace blade.
Perform side-to-side deck adjustment.
Sharpen or replace blade.
Check tire pressure in all four tires.
26

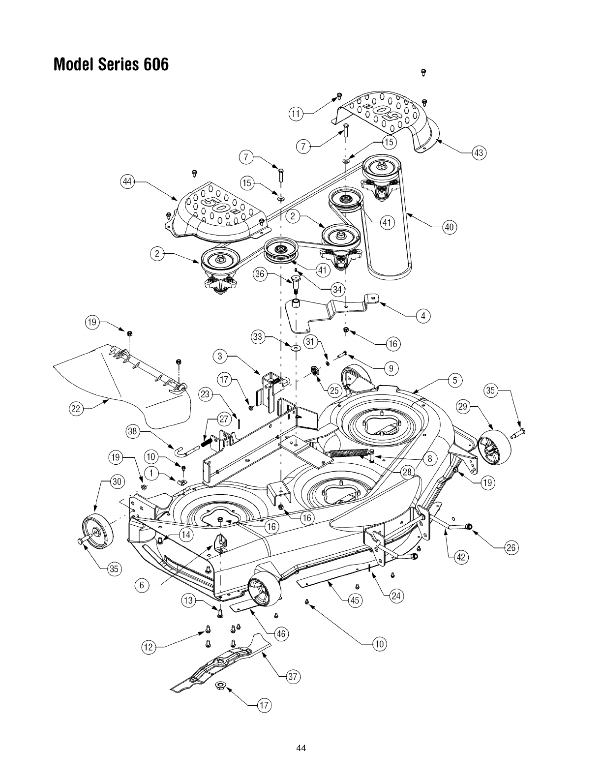
SECTION12: PARTSLIST
(for choke)_ @
(for throttle)
REF.
NO.
1
2
3
4
5
6
7
8
9
10
11
NOTE:
PART
NO.
710-0227
710-0599
710-0726
710-1237
710-1314A
710-1315
712-3017
721-0460
726-0205
725-0157
736-0300
DESCRIPTION
Screw, #8-18 x .50
Screw, 1/4-20 x .50
Screw, 5/16-18 x .750
Screw, #10-32 x .625
Socket Cap Screw, 5/16-18 x .625
Self-tapping Screw, 3/8-16 x 1.25
Hex Nut, 3/8-16
Exhaust Gasket
Hose Clamp
Cable Tie
Lock Washer, .406 x .875 x .059
REF. PART
NO. NO.
12 751B221535
13 751-0535
14 751-0564A
15 751-0616A
16 751-0650B
17 751-0651B
18 751-3140
19 751-3141
20 751-3142
21 783-0615D
22 712-0271
DESCRIPTION
Casing Clamp
Fuel Line Hose
Muffler Deflector
Muffler, Twin Inlet
RH Exhaust Pipe
LH Exhaust Pipe
Oil Drain Valve
Oil Drain Hose
Oil Drain Cap
Muffler Heat Shield
Sems Nut, 1/4-20
Tractor features vary by model. NOT all parts listed and pictured above are standard equipment.
27

ModelSeries606
28

ModelSeries606
REF.
NO.
1
2
3
4
5
6
7
8
9
10
11
12
13
14
15
16
17
18
19
20
21
22
23
24
25
26
27
28
29
30
31
32
33
34
35
36
37
PART
NO.
710-04095
710-0514
710-0643
711-1408
711-1409A
712-0214
712-04065
712-0459
712-3004A
712-0240
717-1550E
717-1554
723-0448A
736-3004
736-3084
710-0726
738-04154
738-1001A
741-0475
738-0143
783-0726D
783-0727C
783-0728
631-04008
731-04039
738-1011
734-2290A
736-0316
714-04039
719-04105
726-0341
638-04005
638-04006
711-0332
714-04023
783-0720A
634-04086
634-04087
734-1731
734-04040
634-04081
DESCRIPTION
Hex Screw, 3/8-16, 1.00, Gr5
Hex Screw, 3/8-16, 1.00, Gr5
Hex Screw, 5/16-18, 1.00, Gr5
Link, Drag, RH
Link, Drag, LH
Nut, Hex Lock, 3/8-24
Nut, Flange Lock, 3/8-16, Grf, Nylon
Nut, Flange Lock, 7/16-20
Nut, Flange Lock, 5/16-18, Gr5
Nut, Jam, 7/16-20, Gr2
Gear, Steering, 11/90 Ratio
Gear, Pinion, Steering
Ball Joint, 7/16-20, Lock
Washer, Flat, .406 x .875 x .105
Washer, Flat, .51 x 1.12x .06
Screw, 5/16-12, 0.750
Spacer, Shoulder, .38 x 1.00 x .31
Shaft, Steering, .625 OD x 24.25 Lg
Plastic Bushing .380 ID
Screw, Shoulder, .498 x .340, 3/8-16
Pivot Bracket, Support RH
Pivot Bracket, Support LH
Pivot Bracket, Bar
Steering Wheel, 13.25
Steering Wheel Cap, Round
Shoulder Screw, .5 x 2.2, 3/8-16
Deluxe Hub Cap
Flat Washer, .78 x 1.589 x .06
Cotter Pin, 5/32 x 1.25
Cast Iron Pivot Bar
Push Cap
LH Axle Assembly, .750
RH Axle Assembly, .750
Pin, Clevis, .50 x .78
Cotter Pin, Internal, .080 x 1.5625
Adjustment Bracket, Front
Wheel Assembly Complete,
15 x 6 (Models w/46" Deck)
Wheel Assembly Complete,
15 x 6 (Models w/50" Deck)
Tire Only 15 x 6 x 6 (Models w/46" Deck)
Tire Only 15 x 6 x 6 (Models w/50" Deck)
Rim Only w/Valve Stem (All Models)
NOTE: Tractor features vary by model NOT all parts listed above and pictured on the previous page are standard equipment.
29

ModelSeries606
(2_.
k4i
/
/
/
A
30

ModelSeries606
REE PART
NO. NO.
1 683-0305
2 710-0376
3 710-0599
4 710-0642
5 710-0895
6 710-0924
7 710-3015
8 712-0292
9 712-04063
10 712-04064
11 726-0201
12 731-2283A
13 731-2286
14 731-2307B
15 731-2308B
16 731-05219
17 736-0173
18 736-0342
19 736-3078
20 747-04301
21 747-2127
22 710-0726
23 710-1017
24 710-1611B
25 710-3217
26 712-0142
27 731-04213
28 731-04214
DESCRIPTION
Bracket Assembly, Hood
Hex Screw, 5/16-18, 1.00, Gr5
Screw, 1/4-20, 0.500
Screw, 1/4-20, 0.750
Screw, 1/4-15, 0.750
Screw, Machine, 1/4-20, 0.750
Hex Screw, 1/4-20, .75, Gr5
Nut, Clip, 1/4-20
Nut, Flange Lock, 5/16-18, Grf, Nylon
Nut, Flange Lock, 1/4-20, Grf, Nylon
Nut, Speed, .3125 ID
Hood
Lens
Side Panel, LH
Side Panel, RH
Plenum, Red
Washer, Flat, .28 x .74 x .063
Washer, Flat, .283 x .75 x .030
Washer, Flat, .344 x 1.0 x .063
Support, Side Panel
Rod, Hood Latch
Screw, 5/16-12, 0.750
Screw, 1/4-14, 0.625
Screw, 5/16-18, 0.750
Screw, Machine, #8-32, 0.375
Nut, Hex, #8-32
Brake Lever
Cruise Control Lever
REE PART
NO. NO.
29 731-05037
731-05002
30 731-1857
31 736-0142
32 747-1155
33 783-04285A
34 783-04323A
35 783-0462
36 751-0658E
751-0659C
37 751-0603
38 711-0332
39 714-0145
40 768-0010B
41 731-2234A
42 725-04227
43 725-04036A
44 725-0963
45 725-1649
46 725-1744
725-1745
47 746-1086
48 746-1085A
-- 629-04083
-- 629-04104
629-04105
DESCRIPTION
Dash Panel (Models w/Electric PTO)
Dash Panel (Models w/Manual PTO)
Control Knob
Washer, Flat, .281 x .50 x .063
Rod, Brake /Cruise Pivot
Support Plate, Dash, RH
Support Plate, Dash, LH
Retainer Bracket, PTO Switch
Fuel Tank, 3 Gal.
Fuel Tank, 2 Gal.
Fuel Cap (Fits either fuel tank)
Pin, Clevis, .50 x .78
Pin, Click, .092 x 1.64
Bumper
Bellow
Ignition Switch Module
Systems Indicator Monitor w/Hour Meter
Miniature Lamp, 12V
Socket, Lamp
Key, Ignition
Key w/Plastic Cover, Ignition
Throttle Cable, 39"
Choke Knob w/Cable, 37.5"
Headlight Wire Harness (All Models)
Tractor Wire Harness
(Models with Hour Meter & Manual PTO)
Tractor Wire Harness
(Models with Hour Meter & Electric PTO)
NOTE: Tractor features vary by model NOT all parts listed above and pictured on the previous page are standard equipment.
31

ModelSeries606 /
/
\\
//
Found on models
with Manual PTOonly
\
!
Left HandTransmission
Bolt Mounting
32

ModelSeries606
REF.
NO.
1
2
3
4
5
6
7
8
9
10
11
12
13
14
15
16
17
18
19
20
21
22
23
24
25
26
27
28
29
30
31
32
33
34
35
36
37
38
39
40
41
42
43
44
45
46
47
48
49
PART
NO.
17840
725-04039
17962
647-04020
710-0607
710-0726
710-0809
710-1007
710-1266
710-3144
711-0736
712-0241
712-04063
712-04065
712-0700
714-0104
714-0111
714-0209
714-0470
718-0758A
720-04028
723-3018
731-04602
731-04604
732-0384
732-0525
732-0716
732-0963
736-0169
710-0224
738-0372B
747-04146
747-04164
747-1127
748-0334
750-0566A
754-0467
754-0468
756-04002
756-0981B
783-04283
783-04360
783-04442
647-0031 B
647-0032A
683-0266
710-0650
710-1260A
710-1611B
DESCRIPTION
Mounting Bracket, Transaxle
Switch, Interlock
Plate, Switch
Lever Assembly, Shift
Screw, 5/16-18, 0.500
Screw, 5/16-12, 0.750
Screw, 1/4-20, 1.250
Screw, Sems, 3/8-16, 1.500
Screw, 5/16-18, 3.50, Gr5
Screw, 3/8-16, 2.00, Gr5
Adjustment Ferrule 1/4-20 x 1.
Nut, Hex, 3/8-24, Gr5
Nut, Flange Lock, 5/16-18, GrF, Nylon
Nut, Flange Lock, 3/8-16, GrF, Nylon
Nut, Flange, 9/16-18, Gr2
Pin, Cotter, .072 Dia. x 1.13
Pin, Cotter, 3/32, 1.0
Cotter Pin, Internal, .125 Dia.
Pin, Cotter, 1/8 x 1.25
Pulley Hub, 5/8 Spline
Knob, Shift
Ball Joint
Sleeve, .758 x .821 x 3.3125
Sleeve, .758 x .821 x 2.4375
Spring, Extension, .62 Dia x 6.12
Spring Clip, Shifter
Spring, Extension, .59 OD x 4.00
Spring, Extension, .50 Dia x 6.37
Washer, Lock, 3/8
Screw, #10-16, .50
Spacer, Shoulder, 1.00 x .38 x .38
Rod, Shift
Rod, Brake
Idler Rod, Adjustable, 3/8
Spacer, .68
Spacer, .260 x .372 x 1.030
Belt, V-Type
Belt, V-Type
Pulley, V-Type, 7.25 Dia.
Idler Pulley, Flat 2.75 OD
Bracket, Shift
Bracket, Shift, F-N-R
Idler Bracket, Center Double
Control Assembly, Brake
Control Assembly, Speed
Pedal Assembly
Screw, 5/16-18, 0.875
Screw,5/16-18, 0.750
Screw, 5/16-18, 0.750
REF.
NO.
5O
51
52
53
54
55
56
57
58
59
60
61
62
63
64
65
66
67
68
69
70
71
72
73
74
75
76
77
78
79
80
81
82
83
84
85
86
87
88
89
90
91
92
PART
NO.
711-04159B
712-3004A
732-0335
732-0955
732-0963
735-0662
735-3049
736-0187
736-0262
736-0300
736-3008
738-0155
738-0380
741-0225
741-3065B
747-04093
747-04096
748-04039B
683-04186
783-0773A
783-0780B
618-04034
683-04055A
683-04130
710-0227
710-0514
710-0604A
710-3290
712-0130
725-1644
726-0320
750-04294
756-0116A
656-04015
683-04129
710-0627
710-0642
718-04012
736-0362
741-0600
783-04707
736-0242
634-0104
634-0177
734-1730
734-1873
634-0070
DESCRIPTION
Pin, 3/8-16 x 2.68
Nut, Flange Lock, 5/16-18, Gr5
Spring, Compression, .405 x 1.17
Spring, Extension, .50 OD x 1.41
Spring, Extension, .50 OD x 6.37
Pad
Pad, Brake
Washer, Flat, .64x 1.24x .06, Ht
Washer, Flat, .385 x .870 x .092
Washer, Flat, .406 x .875 x .059
Washer, Flat, .344 x .750 x .120
Screw, Shoulder .437 Dia x. 162
Screw, Shoulder, .50 x .27 Lg, 3/8-16
Bearing, Hex Flange
Split Bearing, Hex Flange
Rod, Brake Lock
Rod, Cruise Control
Latch, Cruise Control
Bracket, Lockout
Ped, Brake
Bracket, Neutral Return
Transmission, Single Speed
Bracket Assembly, Torque
Bracket, Idler
Screw, #8-18 x .50
Screw, 3/8-16, 1.00
Screw, 5/16-18, .625
Screw, 3/8-16, 1.12
Nut, Lock, 3/8-16, Nylon
Switch Spring, Short
Plate, Insulator
Spacer, Shoulder
Pulley, V-Type, 3.06
Pulley Assembly, Variable Speed
Bracket, Pulley
Screw, 5/16-24, .750
Screw, 1/4-20, .750
Cup, Bearing
Washer, Flat
Ball Bearing
Switch Bracket, Parking Brake
Washer, Bell, .340 x .872 x .060
Wheel Assembly Complete,
20 x 8 x 8 (Models w/46" Deck)
Wheel Assembly Complete,
20 x 10 x 8 (Models w/50" Deck)
Tire Only 20 x 8 x 8 (Models w/46" Deck)
Tire Only 20 x 10 x 8 (Models w/50" Deck)
Rim Only w/Valve Stem (All Models)
NOTE: Tractor features vary by model NOT all parts listed above and pictured on the previous page are standard equipment.
33

ModelSeries606
/
/
/
/
/
34

ModelSeries606
REF.
NO.
1
2
3
4
5
6
7
8
9
10
11
12
13
14
15
16
17
18
19
20
21
22
23
24
25
26
27
28
29
30
31
32
33
34
35
PART
NO.
710-0726
710-0859
710-3157A
712-04065
717-04174
736-0277
748-0415B
756-0639A
783-04419A
783-04467
710-0703
712-0271
712-3087
725-1750A
738-1132
683-04173
710-0607
710-0642
710-3005
712-04064
712-3006
732-04035
736-0222
736-0329
738-04058
747-04121A
783-0349
783-04329A
783-04375A
710-0599
725-1426
738-1132
710-0703
712-3087
783-04612
DESCRIPTION
Screw, 5/16-12, 0.75
Screw, 3/8-16, 2.50, Gr5
Screw, 7/16-20, 3.25, Gr5, Lock
Nut, Flange Lock, 3/8-16, GrF, Nylon
PTO Clutch, Electric
Washer, Flat, 1.031 x 1.620 x.095
Spacer, .385 ID x .635 OD x 1.54
Pulley, Engine, 3.56 Diameter
Clutch Bracket
Deck Bracket, Up-Stop
Screw, Carriage, 1/4-20, .75, Gr5
Nut, Sems, 1/4-20
Nut, Wing, 1/4-20
Battery, 235 CCA
Screw, Shoulder, .250 x. 150, 1/4-20
Frame Assembly, Lower
Screw, 5/16-18, 0.500
Screw, 1/4-20, 0.750
Screw, 3/8-16, 1.25, Gr5
Nut, Flange Lock, 1/4-20, GrF, Nylon
Nut, Hex, 1/4-20, Gr5
Spring, Compression, 1.28 OD x 3.125
Washer, Lock, 1/4, External
Washer, Lock, 1/4
Spacer, Shoulder, .38 x 1.0 x .70
Hold Rod, Battery
Battery Tray
Seat Bracket, Frame
Frame, Upper
Screw, 1/4-20, 0.50
Solenoid, 12V, 100 Amp
Screw, Shoulder, .250 x .15, 1/4-20
Screw, Carriage, 1/4-20, .75
Nut, Wing, 1/4-20
Support Bracket, Steering
NOTE: Tractor features vary by model NOT all parts listed above and pictured on the previous page are standard equipment.
35

ModelSeries606
/
//
IMPORTANT: For a proper
working machine, use
Factory Approved Parts.
V-belts are designed to
engage and disengage
safely. A substitute (non
OEM) V-belt can be
dangerous by not
disengaging completely.
36

ModelSeries606
REF.
NO.
1
2
3
4
5
6
7
8
9
10
11
12
13
14
15
16
17
18
19
20
21
22
23
24
25
26
27
28
29
30
31
32
33
34
35
PART
NO.
17962
647-0064
683-0302
710-0224
710-0276
710-0347
710-04377
710-0726
710-0831
711-1428
712-0229
712-04063
712-04065
712-3004A
714-0470
726-0201
731-2111A
732-0991A
732-0944
732-1013
736-0108
736-0119
736-0140
736-0227
736-0242
736-0275
736-0300
736-0322
736-3010
738-0372B
741-0708
747-04355
747-1112D
748-0415B
750-0956
DESCRIPTION
Plate, Switch
Lever Assembly, Engagement
Plate Assembly, Engagement
Screw, #10-16, 0.500
Screw, Carriage, 5/16-18, 1.00
Screw, 3/8-16, 1.75, Gr5
Screw, 7/16-20, 2.75, Gr5
Screw, 5/16-12, 0.750
Screw, 3/8-16, 5.50, Gr5
Pin, Belt Guard, 5/16 x 5.80
Nut, Push, 3/8
Nut, Flange Lock, 5/16-18, GrF, Nylon
Nut, Flange Lock, 3/8-16, GrF, Nylon
Nut, Flange Lock, 5/16-18, Gr5
Pin, Cotter, 1/8 x 1.25
Nut, Speed, .3125 ID
Knob, PTO
Belt Guard
Spring, Extension, .75 OD x 6.75
Belt Guard
Washer, Flat, .510 x .750 x .033
Washer, Lock, 5/16
Washer, Flat, .385 x .62 x .063
Washer, Flat, .390 x 1.500 x .134
Washer, Bell, .340 x .872 x .060
Washer, Flat, .344 x .688 x .065
Washer, Flat, .406 x .875 x .059
Washer, Flat, .450 x1.250 x.164
Washer, Flat, .407 x.812 x.135
Spacer, Shldr, 1.00 x .38 x .38
Bearing, Flange, Hex Split .500 ID
Keeper Rod, Belt
Engagement Handle, Deck
Spacer, .385 ID x .635 OD x 1.54
Spacer, 1.010 x 1.400 x .825
REF. PART
NO. NO.
36 756-04142
37 756-0487
38 756-0627D
39 783-04467
40 783-0744A
41 683-04173
42 710-0607
43 710-0642
44 710-3005
45 712-04064
46 712-3006
47 732-04035
48 736-0222
49 736-0329
50 738-04058
51 747-04121A
52 783-0349
53 783-04329A
54 783-04375A
55 710-0599
56 725-1426
57 725-04039
58 17962
59 710-0224
60 710-0703
61 712-0271
62 712-3087
63 725-1750A
64 738-1132
65 783-04612
66 754-04064
67 738-1132
68 710-0703
69 712-3087
DESCRIPTION
Pulley, Engine, 3.39 x 6.12 Diameter
Pulley, Idler, V-type 5/8 x 4.0 Diameter
Pulley, Idler, 3.50 Diameter
Stop Bracket, Deck-Up
Stop Bracket, Engagement
Frame Assembly, Lower
Screw, 5/16-18, 0.500
Screw, 1/4-20, 0.750
Screw, 3/8-16, 1.25, Gr5
Nut, Flange Lock, 1/4-20, GrF, Nylon
Nut, Hex, 1/4-20, Gr5
Spring, Compression, 1.28 OD x 3.125
Washer, Lock, 1/4, External
Washer, Lock, 1/4
Spacer, Shoulder, .38 x 1.0 x .70
Hold Rod, Battery
Battery Tray
Seat Bracket, Frame
Frame, Upper
Screw, 1/4-20, 0.50
Solenoid, 12V, 100 Amp
Switch, Interlock
Plate, Switch
Screw, #10-16, .50
Screw, Carriage, 1/4-20, .75, Gr5
Nut, Sems, 1/4-20
Nut, Wing, 1/4-20
Battery, 235 CCA
Screw, Shoulder, .250 x .150, 1/4-20
Support Bracket, Steering
V-Belt, PTO
Screw, Shoulder, .250 x .15, 1/4-20
Screw, Carriage, 1/4-20, .75
Nut, Wing, 1/4-20
NOTE: Tractor features vary by model NOT all parts listed above and pictured on the previous page are standard equipment.
37

ModelSeries606
J
/
i
38

ModelSeries606
REE PART
NO. NO.
1 710-1268
2 712-04063
3 712-3027
4 720-0309A
5 726-0201
6 731-04074
7 732-0499
8 732-1184
9 736-0275
10 736-3019
11 738-0137A
12 738-0296
13 738-0966
14 783-0209C
15 783-0611
16 783-0738B
17 783-0739A
18 783-0753
19 757-04003
20 726-3046
21 735-0656
22 735-0657
23 710-0260A
24 710-0599
25 710-0726
26 710-0895
27 731-1990
28 731-2104C
29 736-3078
30 783-04333A
31 783-0677
32 783-1489A
33 710-0227
34 726-0279
35 725-1303
36 725-1439
37 726-0278
38 683-04079
39 712-04065
40 714-0104
41 714-0111
42 716-0106A
43 720-0311
44 732-0874
45 738-0138a
46 738-0380
47 741-0225
48 746-0968
49 747-04155
50 756-1154
51 783-0678A
DESCRIPTION
Screw, #10-16 x .375
Nut, Flange Lock, 5/16-18, GrF, Nylon
Nut, Flange Lock, 1/4-20
Seat Adjuster Grip
Nut, Speed, .3125 ID
Spacer
Compression Spring, .41 x 1.5
Spring, Extension, .84 Dia. x 4.6
Wash, Flat, .344 x .688 x .065
Wash, Flat, .531x 1.062 x.134
Screw, Shoulder, .340 x .285,1/4-20
Screw, Shoulder, .437 x .268, 5/16-18
Screw, Shoulder, .50 x .925, 3/8-16
Seat Bracket, Lift
Seat Stop
Seat Pivot Bracket
Seat Adjustment Lever
Seat Adjustment Selector
High Back Seat, Black
Ratchet Clip
RH Foot Pad, Rubber
LH Foot Pad, Rubber
Bolt, Carriage, 5/16-18, .62, Grl
Screw, 1/4-20, 0.500
Screw, 5/16-12, 0.750
Screw, 1/4-15, 0.750
Cover, Lift Lever
Cover, w/Cup Holder
Washer, Flat, .344 x 1.0 x .063
Fender
Adjustment Bracket, Lift
Mounting Bracket, Seat
Screw, #8-18 x .50
Plate, Insulator
Spring Switch, Inner
Spring Switch, Outer
Plate, Insulator Boss
Shaft Assembly, Lift
Nut, Flange Lock, 3/8-16, GrF, Nylon
Pin, Cotter, .072 Dia. x 1.13
Pin, Cotter, 3/32, 1.0
Ring, E Type, .625 Dia.
Grip, Handle, 1/2
Spring, Torsion
Screw, 5/16-18 x .620 Gr2
Screw, Shoulder, .50 x .27, 3/8-16
Bearing, Hex Flange
Cable, Lift, 16.16
Handle, Lift
Pulley, Roller
Arm, Lift
NOTE: Tractor features vary by model NOT all parts listed above and pictured on the previous page are standard equipment.
39

ModelSeries606 1
2
3
8
13
4
10
912
11
14
11
12
17
15
3
16
18
19
22
23
2O
J
21
J
J
J
J
28
29
27
26
25
4O

ModelSeries606
REE PART
NO. NO.
1 732-0614
2 716-0231
3 736-0336
736-0337
736-0349
4 736-0335
5 710-1325
6 719-04017
7 711-1109
8 741-0335
9 717-1464
10 716-0108
11 741-0340
12 721-0338
13 618-04041
14 741-0336
15 717-1362
16 717-1363
17 718-0228
18 736-0519
19 711-04053
20 736-0495
21 741-0337
22 611-0011
23 741-0862
24 732-0863
25 719-04018
26 717-0678
27 761-0202
28 710-1206
29 661-0001
-- 737-0148
DESCRIPTION
Ring, Wire
Ring, E Type, .750
Flat Washer, 5/8 x 1.0 x .030*
Flat Washer, 5/8 x 1.0 x .040*
Flat Washer, 5/8 x 1.0 x .020*
Washer, Thrust .635 x 1.26 x .06
Self-tapping Screw, 1/4-20 x 1.625
Upper Housing
Input Shaft
Needle Bearing, .625 x .813 x .495
14-tooth Bevel Pinion
Retaining Ring, .437
Sleeve Bearing, .75 x .1.0 x 1.0
Seal, .75 x 1.0 x .125
Differential Assembly
Flange Bearing, 5/8 x 3/4 x 3/4
42-tooth Bevel Gear
42-tooth Bevel Gear
Clutch Collar
Flat Washer, .70 x 1.125 x .031
Drive Shaft
Thrust Washer, 1.0 x .632 x .0
Flange Bearing, 5/8 x 3/4 x 15/16
Detent Shaft Assembly
Detent Ball
Compression Spring
Lower Housing
Brake Puck
Brake Disc
Self-tapping Screw, 1/4-20 x 2.375
Brake Assembly
Grease (19 oz.)
*Use applicable flat washer (12a, 12b or 12c) in this application allowing .0150/.0020 in. end-play
NOTE: If rebuilding the upper housing, include two ounces (2 oz.) of Unirex ® N3 grease (Part No. 737-0289) in the input shaft cavity.
41

ModelSeries606 __...........
A
\\\
/
i
i
i
i
i
i
i
i
i
i
i
/
/
"\\
\
\\\\
/
/
/
/
/
/
//
/
/
/
42

ModelSeries606
REF.
NO.
1
2
3
4
5
6
7
8
9
10
11
12
13
14
15
16
17
18
19
20
21
22
23
24
25
26
27
28
29
30
31
PART
NO.
17116
17258D
618-0240A
618-04134A
683-0254B
683-04104A
710-0344
710-0514
710-0528
710-0599
710-0751
710-0778
710-0805
710-1260A
710-3180
711-04069
711-0993
711-1554
712-0206
712-04063
712-04064
712-04065
712-0417A
712-0431
712-0641
712-3006
712-3010
712-3083
714-0470
717-04074
726-0233
DESCRIPTION
Brake Assembly, Deck
RH Belt Cover, Deck 46"
Spindle Assembly, 5.00 Dia.
Spindle Ass'y, Double Pulley
Hanger Bracket Assembly
Deck Weldment
Screw, 3/8-16, 1.50, Gr5
Screw, 3/8-16, 1.00, Gr5
Screw, 5/16-18, 1.25, Gr5
Screw, 1/4-20, 0.500
Screw, 1/4-20, .620, Gr5
Screw, 1/4-20, 1.500
Screw, 5/16-18, 1.50, Gr5
Screw, Ld, 5/16-18, 0.750
Screw, 5/16-18, 1.75, Gr5
Pin, Grasscatcher, 1/4-20
REF. PART
NO. NO.
32 732-0306A
33 732-0429A
34 732-0594A
35 732-1165
36 734-0973
37 736-0119
38 736-0225
39 736-0270
40 736-0418A
41 736-3084
42 731-1032B
43 738-0347
44 738-0373
45 738-04146
46 742-0611A
47 742-0612A
DESCRIPTION
Spring, Compression, .531 OD x 1.75
Spring, Extension, .50 Dia x 3.97
Spring, Extension, .91 Dia x 7.33
Spring, Extension, .50 Dia x 5.0
Wheel, Deck 5.0 x 1.38
Washer, Lock, 5/16
Washer, Lock, 5/8
Washer, Bell, .265 x.75 x .062
Washer, Flat, .34 x 2.25 x. 10
Washer, Flat, .51 x 1.12 x .06
Chute Assembly
Spacer, Shoulder, .625 ID x .169
Spacer, Shoulder, .498 x 1.53, 3/8-16
Plug, Screw, M16 x 1.5
Blade, 16.28", Star 3-in-One
Blade, 14.88", Star 3-in-One
Belt
Pin,
Nut,
Nut,
Nut,
Nut,
Nut,
Nut,
Nut,
Nut,
Nut,
Nut,
Pin, Cot, 1/8x 1.25
Adjustment Gear, Deck
Nut, Push, .25 ID x .50 OD
Guard Pin 1/4 Diax 1.43
1/4-20, 3/8 x 2.0
Hex, 1/2-13, Gr5
Flange Lock, 5/16-18, GrF, Nylon
Flange Lock, 1/4-20, GrF, Nylon
Flange Lock, 3/8-16, GrF, Nylon
Flange, 5/8-18
Flange Lock, 3/8-16, GrF
Hex, M16-1.5
Hex, 1/4-20, Gr5
Hex, 5/16-18, Gr5
Hex Lock, 1/2-13, Gr8, Nylon
48 746-1107
49 747-1116
50 747-1130B
51 748-0234
52 750-0566A
53 750-1320
54 754-0349
55 754-04064
56 756-04129
57 783-1348B
58 783-0141
59 783-0142
60 783-04641
61 783-1025
Cable, 12.00"
Rod, Deck Release
Rod, Deck
Shoulder Spacer
Spacer, .260 x .372 x 1.030
Spacer, .375 x .63 x .595
Belt, V-Type, Poly
Belt, V-Type
Pulley, Idler, 4.25" Dia.
Belt Cover, LH
Deck Skirt, Center
Deck Skirt, RH
Bracket, Idler
Stop, Chute
IMPORTANT: For a proper
working machine, use
Factory Approved Parts.
V-belts are designed to
engage and disengage
safely. A substitute (non
OEM) V-belt can be
dangerous by not
disengaging completely.
NOTE: Tractor features vary by model. NOT aft parts listed above and pictured on the previous page are standard equipment.
43

ModelSeries606
44

ModelSeries606
REF.
NO.
1
2
3
4
5
6
7
8
9
10
11
12
13
14
15
16
17
18
19
20
21
22
23
PART
NO.
16606
618-04125
683-0254B
683-04098
683-04075
703-3279
710-0347
710-3103
710-0528
710-0599
710-0726
710-1260A
710-3168
710-3178
736-0300
712-04065
712-0417A
712-04063
712-0431
712-3010
712-3019
631-04070
714-0470
DESCRIPTION
Hook, Retainer
Spindle Assembly
Hanger Bracket Assembly
Idler Bracket
Weldment, 50-inch Deck
Chute Stop
Screw, 3/8-16, 1.75
Screw, 5/16-18 x 2.00
Screw, 5/16-18, 1.25, Gr5
Screw, 1/4-20 x 0.5
Screw, 5/16-18 x.625
Screw, 5/16-18 x .75
Screw, Carriage, 3/8-16 x 1.0
Screw, Carriage, 3/8-16 x .75
Washer, Flat, .406 x .875 x .059
Nut, Nylon Lock, 3/8-16
Nut, Hex, Flange, 5/8-18
Nut, Nylon Lock, 5/16-18
Nut, Flange Lock, 3/8-16
Nut, Hex, 5/16-18, Gr5
Nut, 7/16-14
Chute Assembly, Side Discharge
Pin, Cotter, 1/8 x 1.25
REF.
NO.
24
25
26
27
28
29
30
31
32
33
34
35
36
37
38
39
40
41
42
43
44
45
46
PART
NO.
714-3004
717-04074
712-3083
732-0306A
732-0459B
734-04039
734-0973
736-0119
736-0407
736-0406
737-3000
738-0373
738-3005
742-04053A
747-1116
750-0151
754-04048
756-04129
747-1324
783-04399
783-04400
783-04414
783-04415
DESCRIPTION
Pin, Cotter, 3/32 x 1.25
Deck Adjustment Gear
Lock Nut, Hex, 1/2-13, Nylon
Spring, Compression, .531 x 1.75
Spring, Extension, .94 x 6.74
Deck Wheel, 5.0
Deck Wheel, 5.0
Washer, Lock, 5/16, Regular Duty
Washer, Bell, .45 x 1.0 x .062
Washer, Flat, .442 x 1.38 x .060
Fitting, Lube, 3/16
Shoulder Screw
Screw, Shoulder, .68 x 1.59
Blade
Rod, Handle, Deck Release .375 Dia
Spacer, .550 x .755 x 1.1
Belt, V-Type, Aramid
Pulley, Idler, 3.5"
Rod, Deck Adjustment
LH Belt Cover
RH Belt Cover
Deck Skirt, Center
Deck Skirt, RH
IMPORTANT: For a proper
working machine, use
Factory Approved Parts.
V-belts are designed to
engage and disengage
safely. A substitute (non
OEM) V-belt can be
dangerous by not
disengaging completely.
NOTE: Tractor features vary by model NOT all parts listed above and pictured on the previous page are standard equipment.
45

NOTES
46

NOTES
47

MANUFACTURER'S LIMITED WARRANTY FOR:
The limited warranty set forth below is given by MTD LLC with
respect to new merchandise purchased and used in the
United States, its possessions and territories.
"MTD"warrants this product against defects in material and
workmanship for a period of two (2) years commencing on the
date of original purchase and will, at its option, repair or
replace, free of charge, any part found to be defective in
materials or workmanship. This limited warranty shall only
apply if this product has been operated and maintained in
accordance with the Operator's Manual furnished with the
product, and has not been subject to misuse, abuse,
commercial use, neglect, accident, improper maintenance,
alteration, vandalism, theft, fire, water, or damage because of
other peril or natural disaster. Damage resulting from the
installation or use of any part, accessory or attachment not
approved by MTD for use with the product(s) covered by this
manual will void your warranty as to any resulting damage.
Normal wear parts are warranted to be free from defects in
material and workmanship for a period of thirty (30) days from
the date of purchase. Normal wear parts include, but are not
limited to items such as: batteries, belts, blades, blade
adapters, grass bags, rider deck wheels, seats, snow thrower
skid shoes, shave plates, auger spiral rubber and tires.
HOW TO OBTAIN SERVICE: Warranty service is available,
WITH PROOF OF PURCHASE, through your local authorized
service dealer. To locate the dealer in your area, check your
Yellow Pages, or contact MTD LLC at P.O. Box 361131,
Cleveland, Ohio 44136-0019, or call 1-800-800-7310 or 1-
330-220-4683 or log on to our Web site at
www.mtdproducts.com.
This limited warranty does not provide coverage in the
following cases:
a. The engine or component parts thereof. These items
may carry a separate manufacturer's warranty. Refer
to applicable manufacturer's warranty for terms and
conditions.
b. Log splitter pumps, valves, and cylinders have a
separate one year warranty.
c. Routine maintenance items such as lubricants, filters,
blade sharpening, tune-ups, brake adjustments, clutch
adjustments, deck adjustments, and normal
deterioration of the exterior finish due to use or
exposure.
d. Service completed by someone other than an
authorized service dealer.
e,
f,
g.
MTD does not extend any warranty for products sold or
exported outside of the United States, its possessions
and territories, except those sold through MTD's
authorized channels of export distribution.
Replacement parts that are not genuine MTD parts.
Transportation charges and service calls.
No implied warranty, including any implied warranty of
merchantability of fitness for a particular purpose,
applies after the applicable period of express written
warranty above as to the parts as identified. No other
express warranty, whether written or oral, except as
mentioned above, given by any person or entity,
including a dealer or retailer, with respect to any product,
shall bind MTD. During the period of the warranty, the
exclusive remedy is repair or replacement of the product
as set forth above.
The provisions as set forth in this warranty provide the
sole and exclusive remedy arising from the sale. MTD
shall not be liable for incidental or consequential loss or
damage including, without limitation, expenses incurred
for substitute or replacement lawn care services or for
rental expenses to temporarily replace a warranted
product.
Some states do not allow the exclusion or limitation of
incidental or consequential damages, or limitations on how
long an implied warranty lasts, so the above exclusions or
limitations may not apply to you.
In no event shall recovery of any kind be greater than the
amount of the purchase price of the product sold. Alteration
of safety features of the product shall void this warranty.
You assume the risk and liability for loss, damage, or injury to
you and your property and/or to others and their property
arising out of the misuse or inability to use the product.
This limited warranty shall not extend to anyone other than the
original purchaser or to the person for whom it was purchased
as a gift.
HOW STATE LAW RELATES TO THIS WARRANTY: This
limited warranty gives you specific legal rights, and you may
also have other rights which vary from state to state.
IMPORTANT:Owner must present Original Proof of
Purchase to obtain warranty coverage.
MTD LLC, P.O.BOX361131CLEVELAND,OHIO44136-0019; Phone:1-800-800-7310,1-330-220-4683