MTD 21AB45M8799 User Manual REAR TINE TILLER Manuals And Guides 1206441L
User Manual: MTD 21AB45M8799 21AB45M8799 MTD REAR TINE TILLER - Manuals and Guides View the owners manual for your MTD REAR TINE TILLER #21AB45M8799. Home:Lawn & Garden Parts:MTD Parts:MTD REAR TINE TILLER Manual
Open the PDF directly: View PDF
.
Page Count: 72

Operator's Manual
I:Rl FI'SlVl N
208cc Engine
Rear Tine Tiller
Model No. 247.299321
CAUTION: Before using
this product, read this
manual and follow aJl
safety rules and operating
instructions.
*SAFETY
*ASSEMBLY
*OPERATION
*MAINTENANCE
*PARTS LIST
*ESPANOL
Sears Brands Management Corporation, Hoffman Estates, IL 60179, U.S.A.
Visit our web site: www.craftsman.com
FORMNO.769-08106A
5/29/2012

WarrantyStatement..................................Pac
Safetyinstructions....................................Pac
Assembly..................................................Pac
Operation..................................................Pac
ServiceandMaintenance.........................Pac
Off-SeasonStorage..................................Pac
Troubleshooting........................................Pac
e2
es3-6
es7-10
es11-16
es17-22
e23
e24
PartsList...................................................Page26-40
Labels.......................................................Page41
RepairProtectionAgreement...................Page44
Espa_ol.....................................................Page45
ServiceNumbers......................................BackCover
CRAFTSMAN TWO YEAR FULL WARRANTY
FORTWOYEARSfromthe dateof purchase,this productis warrantedagainstanydefectsin materialor workmanship,A defectiveproductwill
receivefree repairor replacementif repairis unavailable,
For warranty coverage details to obtain free repairor replacement,visit the web site: www.craftsman.com
This warranty covers ONLYdefects in material andworkmanship. Warranty coverage does NOTinclude:
• Expendableitemsthatcan wearoutfromnormalusewithinthewarrantyperiod,suchas the blades,tines, orbelts.
• Productdamageresultingfromuserattemptsat productmodificationor repairorcausedby productaccessories.
• Repairsnecessarybecauseof accidentorfailureto operateor maintainthe productaccordingto all suppliedinstructions.
• Preventivemaintenance,or repairsnecessarydueto improperfuel mixture,contaminatedor stalefuel.
Thiswarrantyis void if thisproductis everusedwhile providingcommercialservicesor if rentedto anotherperson.
Thiswarrantygivesyou specificlegalrights,andyou mayalso haveotherrightswhichvaryfromstateto state.
Sears Brands Management Corporation, Hoffman Estates, IL 60179
EngineSeries: 208cc
EngineOilType: 10w30
EngineOilCapacity: 20ounces
Fuel: UnleadedGasoline
SparkPlug: F6RTC
SparkPlugGap: .030"
ModelNumber.................................................................
Serial Number .................................................................
Dateof Purchase.............................................................
Recordthe modelnumber,serialnumber
anddateof purchaseabove
©SearsBrands,LLC 2

Thissymbolpointsout importantsafetyinstructionswhich,if not
followed,couldendangerthe personalsafetyand/orpropertyof
yourselfandothers. Readandfollowall instructionsin thismanual
beforeattemptingto operatethismachine.Failureto complywith
theseinstructionsmayresultin personalinjury.Whenyou seethis
symbol,HEEDITSWARNING!
CALIFORNIA PROPOSITION 65
EngineExhaust,someof itsconstituents,andcertainvehicle
componentscontainoremitchemicalsknownto Stateof California
to causecancerandbirthdefectsorother reproductiveharm.Bat-
tery posts,terminals,andrelatedaccessoriescontainleadand lead
compounds,chemicalsknownto the Stateof Californiato cause
cancerandreproductiveharm.Washhandsafterhandling.
Thismachinewasbuilt to beoperatedaccordingto the safeopera-
tion practicesin thismanual.As withany typeof powerequipment,
carelessnessorerroronthe part of the operatorcan resultin
seriousinjury.Thismachineis capableof amputatingfingers,hands,
toesandfeetandthrowingdebris.Failureto observethe following
safetyinstructionscouldresultin seriousinjuryordeath.
Your Responsibility--Restrictthe use of thispowermachineto
personswho read,understandandfollowthewarningsand instruc-
tionsin thismanualandon the machine.
SAVETHESEINSTRUCTIONS!
TRAINING
•Read,understand,andfollowall instructionson the machineand
in themanual(s)beforeattemptingto assembleandoperate.
Keepthis manualina safeplacefor futureand regularreference
andfor orderingreplacementparts.
• Readthe Operator'sManualand followallwarningsand safety
instructions.Failureto doso can resultin seriousinjuryto the
operatorand/or bystanders.Forquestions,call 1-800-4MY-HOME.
• Befamiliarwithall controlsandtheir properoperation.Knowhow
to stopthe machineanddisengagethemquickly.
• Neverallowchildrenunder14yearsof ageto operatethis
machine.Children14andover shouldreadandunderstandthe
instructionsandsafeoperationpracticesin thismanualandon
the machineandbe trainedandsupervisedby anadult.
• Neverallowadultsto operatethis machinewithoutproper
instruction.
• Keepbystanders,pets,andchildrenat least75feetfromthe
machinewhile it is in operation.Stopmachineif anyoneenters
the area.
• Neverrunanengineindoorsor ina poorlyventilatedarea.Engine
exhaustcontainscarbonmonoxide,anodorlessanddeadlygas.
PREPARATION
•Thoroughlyinspecttheareawherethe equipmentis to beused.
Removeall rocks,bottles,cans,or otherforeignobjectswhich
could bepickedupor thrownandcausepersonalinjuryor
damageto the machine.
• Alwayswear safetyglassesor safetygogglesduringoperation
andwhile performingan adjustmentor repair,to protectyour
eyes.Thrownobjectswhichricochetcan causeseriousinjuryto
the eyes.
• Wearsturdy,rough-soledworkshoesandclose-fittingslacksand
shirts.Loosefittingclothesor jewelrycan becaughtin movable
parts.Neveroperatethismachineinbarefeetorsandals.
• Beforestarting,checkallboltsandscrewsfor propertightnessto
besurethe machineis insafeworkingcondition.Also,visually
inspectmachinefor any damageat frequentintervals.
• Disengageclutchleversandshift (if provided)into neutral("N")
beforestartingtheengine.
• Neverleavethismachineunattendedwiththe enginerunning.
• Neverattemptto makeanyadjustmentswhilethe engineis
running,exceptwherespecificallyrecommendedinthe operator's
manual.
• Maintainor replacesafetyandinstructionslabels,as necessary.
3

Safe Handling of Gasoline:
Toavoidpersonalinjuryor propertydamageuseextremecare in
handlinggasoline.Gasolineis extremelyflammableandthe vaporsare
explosive.Seriouspersonalinjurycan occurwhengasolineis spilled
onyourselfor yourclotheswhichcan ignite.Washyour skinand
changeclothesimmediately.
• Useonlyan approvedgasolinecontainer.
• Neverfill containersinsidea vehicleor ona truckor trailerbed
witha plasticliner.Alwaysplacecontainersonthe groundaway
fromyour vehiclebeforefilling.
• Whenpractical,removegas-poweredequipmentfromthe truck
ortrailerand refuelitonthe ground.Ifthisis notpossible,then
refuelsuchequipmenton a trailerwitha portablecontainer,rather
thanfroma gasolinedispensernozzle.
• Keepthe nozzleincontactwiththe rimof the fuel tankor
containeropeningat alltimes untilfuelingis complete.Do not use
a nozzlelock-opendevice.
• Extinguishallcigarettes,cigars,pipesandother sourcesof
ignition.
• Neverfuel machineindoors.
• Neverremovegas capor addfuel whilethe engineishot or run-
ning.Allowengineto cool at leasttwo minutesbeforerefueling.
• Neveroverfill fueltank. Fill tankto nomorethan1/2inchbelow
bottomof filler neckto allowspacefor fuel expansion.
• Replacegasolinecapandtightensecurely.
• Ifgasolineisspilled,wipe itoff theengineandequipment.Move
unitto anotherarea.Wait5 minutesbeforestartingthe engine.
• To reducefire hazards,keepmachinefreeof grass, leaves,or
otherdebrisbuild-up.Cleanupoil orfuel spillageand removeany
fuel soakeddebris.
• Neverstorethe machineorfuel containerinsidewherethereis an
openflame,sparkor pilotlightas on awaterheater,spaceheater,
furnace,clothesdryer orothergas appliances.
OPERATION
•Do not puthandsorfeetnear rotatingparts.Contactwiththe
rotatingpartscan amputatehandsand feet.
• Do notoperatemachinewhileunderthe influenceof alcoholor
drugs.
• Neveroperatethismachinewithoutgoodvisibilityor light.Always
be sureof yourfootingandkeepa firmholdonthe handles.
• Keepbystandersawayfromthe machinewhileit isinoperation.
Stopthe machineif anyoneentersthe area.
• Becarefulwhentilling inhardground.Thetines maycatchinthe
groundandpropelthe tillerforward.Ifthis occurs,let goof the
handlebarsanddo not restrainthe machine.
• Exerciseextremecautionwhenoperatingonor crossinggravel
surfaces.Stayalert for hiddenhazardsortraffic. Do notcarry
passengers.
• Neveroperatethe machineat hightransportspeedson hardor
slipperysurfaces.
• Exercisecautionto avoidslippingor falling.
• Lookdownand behindandusecare whenin reverseor pulling
machinetowardsyou.
• Startthe engineaccordingto the instructionsfoundinthis manual
and keepfeetwell awayfromthe tinesat all times.
• Afterstrikingaforeignobjector ifyour machineshouldstart mak-
inganunusualnoiseor vibration,immediatelyshutthe engineoff.
Disconnectthe sparkplugwire,grounditagainstthe engineand
performthe followingsteps:
a. Inspectfor damage.
b. Repairor replaceanydamagedparts.
c. Checkfor anyloose partsandtightento assurecontinued
safeoperation.
• Disengageall clutchlevers(if fitted)and stopenginebeforeyou
leavethe operatingposition(behindthe handles).Waituntil
the tinescometo a completestopbeforeuncloggingthe tines,
makingany adjustments,or inspections.
• Neverrunanengineindoorsorina poorlyventilatedarea.Engine
exhaustcontainscarbonmonoxide,an odorlessanddeadlygas.
• Mufflerandenginebecomehot andcancausea burn.Do not
touch.
• Usecautionwhentillingnearfences,buildingsandunderground
utilities.Rotatingtinescan causepropertydamageor personal
injury.
• Donot overloadmachinecapacityby attemptingto till soil too
deepat too fastof a rate.
• Ifthe machineshouldstart makinganunusualnoiseor vibration,
stopthe engine,disconnectthe spark plugwire andgroundit
againstthe engine.Inspectthoroughlyfor damage.Repairany
damagebeforestartingandoperating.
• Keepallshields,guards,and safetydevicesinplaceandoperat-
ing properly.
• Neverpick uporcarrymachinewhilethe engineis running.
• Useonly attachmentsandaccessoriesapprovedby the manu-
factureras listedin the PartsListpagesof thisoperator'smanual.
Failureto doso can resultin personalinjury.
• Ifsituationsoccurwhichare notcoveredinthis manual,use care
andgoodjudgement.ContactCustomerSupportat 1-800-4MY-
HOMEfor assistanceandthe nameof thenearestservicedealer
MAINTENANCE & STORAGE
•Keepthe machine,attachmentsandaccessoriesin safeworking
order.
•Allowthe machineto coolat leastfiveminutesbeforestoring.
Nevertamperwithsafetydevices.Checktheirproperoperation
regularly.
•Checkboltsandscrewsfor propertightnessat frequentintervals
to keepthe machineinsafeworkingcondition.Also,visually
inspectmachineforany damage.
• Beforecleaning,repairing,or inspecting,stopthe engineand
makecertainthetinesandall movingpartshavestopped.
Disconnectthe sparkplugwireandgrounditagainstthe engineto
preventunintendedstarting.
4

• Do notchangethe enginegovernorsettingsor over-speedthe
engine.Thegovernorcontrolsthemaximumsafeoperatingspeed
of engine.
Maintainor replacesafetyandinstructionlabels,as necessary.
Followthis manualfor safeloading,unloading,transporting,and
storageof thismachine.
Alwaysreferto theoperator'smanualfor importantdetailsif the
machineis to bestoredforan extendedperiod.
If thefuel tankhasto be drained,do thisoutdoors.
Observeproperdisposallawsandregulationsfor gas,oil, etc.to
protectthe environment.
Accordingto the ConsumerProductsSafetyCommission(CPSC)
andthe U.S.EnvironmentalProtectionAgency(EPA),thisproduct
hasan AverageUsefulLifeof seven(7)years,or 130hoursof
operation.At the endof theAverageUsefulLifehavethe machine
inspectedannuallyby anauthorizedservicedealerto ensurethat
allmechanicalandsafetysystemsareworkingproperlyandnot
wornexcessively.Failureto do so can resultinaccidents,injuries
ordeath.
DO NOT MODIFY ENGINE
Toavoidseriousinjuryordeath,donot modifyenginein anyway.
Tamperingwiththe governorsettingcan leadto a runawayengineand
causeit to operateat unsafespeeds.Nevertamperwithfactorysetting
of enginegovernor.
NOTICE REGARDING EMISSIONS
EngineswhicharecertifiedtocomplywithCaliforniaandfederal
EPAemissionregulationsfor SORE(SmallOff RoadEquipment)are
certifiedto operateon regularunleadedgasoline,and mayinclude
the followingemissioncontrolsystems:EngineModification(EM),
OxidizingCatalyst(CO),SecondaryAirInjection(SAI)and ThreeWay
Catalyst(TWO)if so equipped.
SPARK ARRESTOR
Thismachineis equippedwithan internalcombustionengineand
shouldnotbe usedonor nearanyunimprovedforest-covered,
brushcoveredor grass-coveredlandunlessthe engine'sexhaust
systemis equippedwitha sparkarrestormeetingapplicablelocal or
statelaws(if any)
Ifa sparkarrestoris used,it shouldbe maintainedin effectiveworking
orderby theoperator.Inthe Stateof Californiathe aboveis required
bylaw (Section4442of the CaliforniaPublicResourcesCode).Other
statesmayhavesimilarlaws. Federallawsapplyonfederallands.
A sparkarrestorfor the muffleris availablethroughyournearestSears
PartsandRepairServiceCenter.

SAFETY SYMBOLS
Thispagedepictsanddescribessafetysymbolsthatmayappearonthisproduct. Read,understand,andfollowall instructionson the machine
beforeattemptingto assembleandoperate.
ii
READ THE OPERATOR'S MANUAL(S)
Read, understand, and follow all instructions in the manual(s) before attempting to assemble and
operate
WARNING-- ROTATING TINES
Do not put hands or feet near rotating parts. Contact with the rotating parts can amputate
hands and feet.
WARNING-- ROTATING TINES
Do not put hands or feet near rotating parts. Contact with the rotating parts can amputate
hands and feet.
WARNING--GASOLINE IS FLAMMABLE
Allow the engine to cool at least two minutes before refueling.
WARNING-- CARBON MONOXIDE
Never run an engine indoors or in a poorly ventilated area. Engine exhaust contains carbon
monoxide, an odorless and deadly gas.
WARNING-- HOT SURFACE
Engine parts, especially the muffler, become extremely hot during operation. Allow engine
and muffler to cool before touching.
WARNING: YourResponsibility--Restrictthe useof this powermachineto personswho read,understandandfollowthe
warningsand instructionsinthis manualandonthe machine.
SAVETHESEINSTRUCTIONS!
6

NOTE:Thisunitis shippedwithoutgasolineor oil inthe engine.Be
certainto serviceenginewithgasolineandoil as instructedin the
Operationsectionof this manualbeforeoperatingyourmachine.
NOTE:Referenceto rightand lefthandsideof the tiller is observed
fromthe operatingposition.
OPENING CARTON
1. Removethe staples,breakthe glueonthe top flaps,orcut the
tapeat the endof the cartonand peelit alongthe top flapto open.
2. Removeall looseparts.
3. Cutthe cornersandlaythe cartondown fiat.
4. Removeloosepackingmaterial.
REMOVING UNIT FROM CARTON
1. Usethe handlebarto liftand pullthe tiller backwardsto a flat
area.Checkthecartonthoroughlyfor looseparts.
2. Extendthe controlcableandlay it on thefloor.Becarefulnot to
bendor kinkthe controlcable.
LOOSE PARTS IN CARTON
• HandlebarAssembly
• Tiller
• EngineOil
• Operator'sManual
• ShiftRod
• DepthStake
ATTACHING THE DEPTH STAKE
Beforeassembly,disconnectthe sparkplugwireandgroundit
againstthe engineto preventunintendedstarting.
1. Tipthe tiller forwardso thatit restson thefrontcounterweight.
2. Unthreadthe "T" knobfromthe topof the depthstakeand remove
theflat washerand hexbolt. Removethecotter pinfromtheclevis
pin. SeeFigure1.
Cotter Pin
Fiat Washer
Hex
Bolt
Depth
Stake
Figure1
3. Raisethefine shieldhingeflapassemblyand insertthe depth
stakeassemblyinthe slot, underthe fineshieldandup through
the tine shieldassembly.
4. Insertthe clevispinthroughthe fineshieldanddepthstake
assemblies.Secureit withthe cotterpin.
5. Insertthe hex bolt intothe top holeof the depthstakeassembly.
Placethe flatwasheronthe hex boltandthreadthe T-knobonto
the hex bolt.Tightensecurely.SeeFigure1.
6. Tip the tiller backdownso thatit restsonthe tines.
ATTACHING THE HANDLE ASSEMBLY
1. Removethe toptwo boltsand flangelocknutsfromthe handle
mountingbrackets,but do not removethe bottombolt andnut.
See Figure2.
f
.................. _,_i"_i_:...........
................... " Hex Screws
Flange LockNuts
Figure2
2. Placethe handleassemblyin positionbetweenthe handlemount-
ing brackets.See Figure3.
Handle Assembly.
Screws
7
J
Figure3
3. Lineup the holesinthe handlewiththe holesin the bracketand
securewiththe hardwarepreviouslyremoved.

ATTACHING THE CONTROL ROD
1. Makesurethe handleassemblyis inthe highestposition.Referto
the OperationSection.
2. Removethehairpinclipsfromthe controlrod,putthe rubber
washersin place.
3. Insertthe shorter,angledendof the controlrodthroughthe
indicatorbracketonthe shiftcoverandsecureit withthe previ-
ouslyremovedhairpinclip.SeeFigure4.
Rubb_
Washers
Figure4
4. Insertthe longerendof the controlrodthroughthe holeinthe
gearselectorhandleandsecurewitha cotterpin. SeeFigure5.
Gear Selector
Handle
Cotter Pin
Figure5
ATTACHING THE CLUTCH CABLE
1. Removethethreadedeyeboltandnut fromthe cableend.
2. Routethe clutchcableto the rightside of the handlemounting
bracketsandunderneaththe handle.
3. Pushthe cablethroughthe holein the centerof the handleand
snapinthe plasticfitting.SeeFigure6.
Threaded Tube
Figure6
Removethe machinescrew,flangelocknut andtwoflatwashers
fromthe clutchbail.See Figure7.
Machine Screw
Clutch Control Flat Washer
Range
Nut
internally
Threaded
Tu be
Figure7
5. Fastenthe threadedeyeboltontothe bail by securingit from the
top withthe machinescrew,flatwashersandflangelocknut.
6. Threadtheeyeboltandnut removedearlierinto the internally
threadedtube atthe endof thecable.Thethreadengagement
shouldbe about3/4".Tightenthe nutagainstthe tubeat the end
of the cable.SeeFigure7.
NOTE:Donot overtightentheclutchcable.Toomuchtensionmay
causeit to break.Becertainto checkthe clutchcableadjustment
beforeoperatingthe tiller.Seepage10for cableadjustmentinstruc-
tions.
8

SET-UP
Tire Pressure
Checkthe air pressureinbothtires.The airpressureshouldbe
between15-20PSI.Keepbothtiresequallyinflatedto helpprevent
machinefrompullingto one side.
Checking and Adding Oil
Theengineis shippedwithoutoil in theengine.Youmustfill the
enginewithoil beforeoperating.Runningthe enginewithinsufficient
_o can causeserous engnedamageandvo d the productwarranty.
Initial Use
1. Removethe oil fill dipstick.
2. Placethetiller on levelground,usea funnelto emptyentire
contentsof the oil bottleprovidedwiththe unit intothe engine.
3. Replacethe oil fill dipstickandtighten.
Checkingand adding oil
1. Placethetiller ona flat, levelsurface.
2. Removethe oil fillercap/dipstickandwipethe dipstickclean.See
Figure8.
Figure8
3. Insertthe cap/dipstickintothe oilfiller neck,butdo not screwitin.
4. Removethe oil fillercap/dipstick.Ifthe levelislow,slowlyaddoil
untiloil levelregistersbetweenhigh(H) and low(L), Figure8.
NOTE: Donot overfill.Overfillingwithoil maycausesmoking,hard
starting,or sparkplugfouling.
5. Replaceandtightencap/dipstickfirmlybeforestartingengine.
NOTE: DONOTallowoil levelto fall belowthe"L"markon the
dipstick.Doingso mayresultinequipmentmalfunctionsordamage.
NOTE:Tochangethe oilon yourengine,see the Sericeand
Maintenancesectionof thismanual.
Fuel Recommendations
Useautomotivegasoline(unleadedor lowleadedto minimizecombus-
tion chamberdeposits)witha minimumof 87 octane.Gasolinewith
up to 10%ethanolor 15%MTBE(MethylTertiaryButylEther)can be
used.Neverusean oil/gasolinemixtureordirty gasoline.Avoidgetting
dirt, dust,or waterinthe fuel tank.DO NOTuse E85gasoline.
*Refuelina well-ventilatedareawiththe enginestopped.Do not
smokeorallowflamesor sparksin the areawherethe engineis
refueledor wheregasolineisstored.
.Donot overfillthe fueltank.After refueling,makesurethe tank
cap is closedproperlyandsecurely.
.Becarefulnotto spillfuel whenrefueling.Spilledfuel orfuel vapor
mayignite.Ifany fuelis spilled,makesurethe areaisdry before
startingthe engine.
.Avoidrepeatedor prolongedcontactwithskinorbreathingof vapor.
Adding Fuel
Useextremecare whenhandlinggasoline.Gasolineisextremely
flammableandthevaporsareexplosive.Neverfuel the machine
indoorsorwhilethe engineishotor running.Extinguishcigarettes,
cigars,pipesandothersourcesof ignition.
1. Besureengineis outdoorsandina well-ventilatedarea.
2. Cleanareaaroundthefuelfill capandremovethefuelfill cap.
3. UsinganapprovedredGASOLINEcontainer,addfuelslowly,being
carefulto avoidspilling.
4. Fillthe tankuntilthe fuelreachesthe "fuelfull" indicatormark.See
Figure9.
FuelLevelIndicator
TopView
\\
.
Figure9
Replacethe fuelcapandtightensecurely.Wipeupspilledfuel
beforestartingengine.IffuelisspilledDO NOTstartengine.Move
machineawayfromareaof spillage.Avoidcreatinganysourceof
ignitionuntilfuelvaporsaregone.
9

ADJUSTMENTS
Priorto operatingyour tiller,carefullyreadandfollowall instructions
below.Performall adjustmentsto verifyyourtiller is operatingsafely
andpropery.
Clutch Cable
NOTE:Servicethe enginewithoil andgasolinebeforecheckingthis
adjustment.Referto the separateEngineOperator'sManualpacked
withyourtillerfor properfuel andengineoil recommendations.
1. Positionthe tiller so thefrontcounterweightis againsta solid
object,suchas a wall.
2. Withthegearselectionleverin NEUTRAL,start theengine.Refer
to the separateEngineOperator'sManual.
3. Standingonthe right sideof the tiller,examinethe belt (insidethe
beltcover).It shouldnot beturning.
.
Donot putyourfingersunderthe belt cover.
f
If the beltturnswithoutthe bailengaged,adjustit by un-threading
the internallythreadedtubeat the endof the cablea fewturns
clockwise-- when standingin theoperator'sposition-- andthen
retightenthe nut againstthetube.SeeFigure10.
Internally
ThreadedTube
Handle
The handleshouldbeadjustedso thatwhenthe tiller is digging3-4"
intothe soil,the handlefallsto aboutwaste-high.Rotatethe handle
adjustmentlock rearward,movethe handleto thedesiredpositionand
then lockintoplace by rotatingthe handleadjustmentlockforwardto
securethe handle.SeeFigure11.
Loosen
tighten
Handle
ustment
Lock
Figure11
Figure10
5. Nowmovethe shiftleverto the FORWARDposition.
6. Carefullyengagethe clutchby liftingtheclutchcontrolbailagainst
the handle.Thewheelsshouldspin.
7. If thewheelsdo not spinwiththe tiller inforward,adjustby
unthreadingthe tube at the endof the cablea fewturnscounter-
clockwise-- when standingin operator'sposition-- andthen
retightenthe nut againstthetube.
8. Recheckbothadjustments,andreadjustas necessary.
9. Aftertilling,if the tinesstopmoving,re-adjustthe cables.
NOTE:A secondarycableadjustmentis availableif you reachthe
pointthatadditionaladjustmentis needed.Seethe Serviceand
Maintenancesectionfor secondaryadjustmentinstructions.
10

Gear Selection
Handle Adjustment
Shift Lever indicator
_th Stake
Clutch Control
Air Filter..
Choke
Contro_
Throttlej
Control
l
Rear Tine Shield
Fuel _p
OUFillCap
Recoil Starter
Handle
Shield
Figure12
Nowthat youhavesetup yourtillerfor operation,get acquaintedwith TH BOTTLE CONTROL
itscontrolsandfeatures.Thesearedescribedon the nexttwopages
andillustratedon thispage.Thisknowledgewill allowyou to useyour
newequipmentto itsfullestpotential.
Theoperationof anytillercanresultinforeignobjectsbeingthrowninto
theeyes,whichcandamageyoureyesseverely.Alwayswearsafety
assesdurn o eratonorwh e erformn an adustmentsorre a rs.
RECOIL STARTER HANDLE
Thishandleisusedto startthe engine.
AiR FILTER
The throttlecontrolregulatesthe speedof the engineandwill shutoff
the enginewhenit ismovedintothe stop_ position.Thethrottle
controlmovesbetweenthe FAST,_ (rabbit),SLOW_ (turtle)and
STOP_ positions.
CHOKE CONTROL
Theair filterisadeviceonthe engineair intakethatpreventsdustand
dirt enteringthe engine.SeeFigure12.
MUFFLER
Engineexhaustexitsthe enginevia the muffler.SeeFigure12.
CLUTCH CONTROL
Theclutchcontrolislocatedbeneaththe handle.Squeezingthe clutch
handleagainstthe handleengagesthewheeland thedrive mecha-
nisms.SeeFigure12.
Activatingthe chokecontrolclosesthe chokeplateon carburetorand
aids in startingengine.The chokeleverslidesbetweenthe RUNI{I
and CHOKEIJl positions.
Meets ANSi Safety Standards
CraftsmanTillersconformto the safetystandardof the AmericanNationalStandardsInstitute(ANSI)
11

OiL FiLL CAP & DIPSTICK
Engineoil levelcan becheckedand oiladdedthroughtheoil fill. See
Figure12.
NOTE:ThisunitwasshippedWITHOUToil inthe engine.Oilis
includedinthe plasticbag packedwiththe manualinwiththe unit.
Addtheoil as directedintheGas & OilFill Up section.Checkthe oil
levelbeforeeachoperationto ensureadequateoil is inthe engine.
Forfurtherinstructions,referto the stepsinthe EngineMaintenance
sectionof thismanual.
GEAR SELECTION HANDLE
Thegearselectionhandleislocatedonthe frontof thehandle
assembly.It is usedto select NEUTRAL,REVERSE,oroneof the
FORWARDmodeson the shiftleverindicator. SeeFigure12.
DEPTH STAKE
Thislevercontrolsthe tillingdepthof the tines.Pullthecotter pinout
fromtheclevis pinto adjustthe tillingdepthto fivedifferentsettings.
SeeFigure12.
HANDLE ADJUSTMENT LOCK
Thehandlemaybe adjustedto the heightdesiredby unlockingthe
HandleAdjustmentLock,then movingthe handlebars to thedesired
positionandthen re-lockingthe HandleAdjustmentLock.SeeFigure
12.Referto the Assemblysectionof thismanualfor moreinformation.
REAR TiME SHIELD
The reartine shieldprotectsthe operatorfromflyingdebriswhilealso
smoothingout freshlytilledsoil.SeeFigure12.
SIDE SHIELD
Theside shieldis usedto maintainclearevenrowsandmaybe
adjustedto oneof fivedifferentpositions.SeeFigure12.
TINES
Yourtiller'stinesarea seriesof hoesarrangedona revolvingpower-
drivenshaft.
TO START ENGINE
1. Attachsparkplugwireandrubberboot to sparkplug.
2. Filltankto no morethan 1/2" belowbottomof fillerneckto
providespacefor fuelexpansion.
3. Placethe gearselectionleverin NEUTRAL.
4. Movethe chokeleveron the engineto CHOKEI."1position(A
warmenginemaynotrequirechoking.)SeeFigure13.
Choke
Figure13
5. Movethrottlecontrolto FAST_ position.SeeFigure13.
6. Standingon the sideof the unit,graspstarterhandleandpull
ropeout untilyou feela drag.
7. Pullthe ropewitha rapid,continuous,full arm stroke.Keepafirm
gripon the starterhandle.Letthe roperewindslowly.
8. Repeat,if necessary,untilenginestarts.Whenenginestarts,
movechokecontrolgraduallytowardthe RUNI _'I position..
9. Ifenginefalters,movechokecontrolbacktowardthe CHOKEIJl
positionand repeatsteps5 though8.
10. ALWAYSkeepthe throttlecontrolin the FAST_ positionwhen
operatingthe tiller.
TO STOP ENGINE
1. To stopthe wheelsandtines, releasetheClutchControl.
2. Movethrottlecontrolleverto slow_ position.Whenever
possible,graduallyreduceenginespeedbeforestoppingengine.
3. Movethrottlecontrolleverto STOP position.
4. Disconnectsparkplugwireandgroundit againsttheengineto
preventaccidentalstartingwhilethe equipmentis unattended.
12

TO ENGAGE DRIVE & TINES
Do not pushdownon the handlebarsto try to makethe tillertill more
deeply.This preventsthe wheelsfromholdingthetiller backandcan
allowthe tinesto rapidlypropelthetiller,whichcould resultin lossof
control,propertydamage,orpersonalinjury.
To moveforward:
1. Forforwardmotionof thewheelsusethe gearselectionhandle
andfor powertothe tinespullthe clutchcontrolupagainstthe
handlebar.
2. Whentilling,letthe wheelspullthe machinewhile thetinesdig.
Walkslowlybehindthe tillerallowingit to moveat its ownpace
whilekeepinga securegripon the handlebarwithyourelbows
flexed.
3. Releasethe bailto stopthe wheelsandtines.
To moveinreverse:(Do not till in reverse)
1. Releasethe ClutchControl.Then liftthe handlebaruntilthe tines
areoff the ground.
2. Pullbackonthe gearselectionhandle,andwalkbackwardswith
the machine.
NOTE: In reversemode,the tineswill reverserotation.
TURNING THE TILLER
1. Practiceturningthetiller in a level,openarea.Beverycarefulto
keepyourfeetandlegs awayfromthe tines.
2. To begina turn,liftthe handlebarsuntilthe tinesareout of the
groundandthe engineandtinesarebalancedoverthe wheels.
3. Withthe tillerbalanced,pushsidewayson the handlebarto steer
in the directionof the turn.Afterturning,slowlylowerthe tinesinto
the soil to resumetilling.
SETTING THE DEPTH
Tillingdepthis controlledbythe depthstakewhichcan be adjustedto
fivedifferentsettings.Adjustthe sideshieldsas you adjustthe depth
stake.
• Whenusingthe tillerfor the firsttime, usethe secondadjustment
holefromthetop (1"of tillingdepth).
• Whenbreakingup sodandfor shallowcultivation,usethe setting
whichgives1"of tillingdepth (secondholefromthe top). Place
the sideshieldsintheir lowestposition.
• Forfurtherdepth,raisethe depthstakeandside shieldsandalso
makeoneor twomorepassesoverthearea.
• Whentillingloosesoil,the depthstakemayberaisedto its
highestposition(use bottomadjustmenthole)to givethe deepest
tillingdepth.Raisethe sideshieldsto their highestposition.
• Totransporttiller,lowerthedepth stake(use topadjustment
hole).
Toadjustthedepth stake,removethe clevispinandcotterpin. Move
the depthstaketo the desiredsettingandsecurewiththe clevispin
andcotter pin.SeeFigure14.
j_
Depth Stake
Figure14
Toadjustthe sideshields,removethe wingnuts. Movethe side shield
to the desiredpositionand replacethe wingnuts.Tightensecurely.
See Figure15.
fJ
Side Shield Wing Nut
/
!
_h J
Figure15
ADJUSTING THE HANDLE HEIGHT
The handleshouldbeadjustedsothat whenthe tiller is digging3-4"
into the soil,thehandlefallsto aboutwaste-high.Referto the As-
semblysectionof this manualfor instructionson adjustingthe handle.
13

CLEARING THE TINES
Beforeclearingthetinesby hand,stoptheengine,allowall moving
partsto stopanddisconnectthe sparkplugwire.Failureto followthis
warningcouldresultinpersonalinjury.
•Thetines havea self-clearingactionwhicheliminatesmostof the
tanglingof debris.However,occasionallydry grass,stringystalks
ortough vinesmaybecometangled.Followtheseproceduresto
helpavoidtanglingandto clearthe tines, ifnecessary.
•To reducetangling,setthedepth regulatordeepenoughto get
maximum"chopping"actionas the tineschopthe materialagainst
the ground.Also,tryto till undercrop residuesor covercrops
whiletheyaregreen,moistandtender.
•Whiletilling,try swayingthe handlebarsfromsideto side(about
6" to 12").This"fishtailing"actionoftenclearsthe tinesof debris.
TILLING TiPS & TECHNIQUES
Beforetilling,contactyourtelephoneor utilitiescompanyandinquire
lifundergroundequipmentor linesareusedon yourproperty.Do not
[till nearburiedelectriccables,telephonelines,pipesor hoses.
Tilling Depth
•Thisisa DDT(dual-directiontine)tiller.Asthewheelspullforward,
thetinesrotatebackward.As thewheelspullrearward,the tines
rotateforward.Thiscreatesan "uppercut"fineactionwhichdigs
deeply,uprootingsoilandweeds.Don'toverloadtheengine,butdig
as deeplyas possibleoneachpassOnlaterpasses,thewheels
maytendto spininthe softdirt.Helpthemalongbyliftingup
slightlyonthehandlebar(onehand,palmup,worksmosteasily).
•Avoidthetemptationto pushdown onthe handlebarsinan
attemptto forcethetiller to digdeeper.Doingso takesthe weight
off the poweredwheels,causingthemto losetraction.Without
the wheelsto holdthe tillerback,the tineswill attemptto propel
towardsthe operatororawayfromthe operator.
Whencultivating(breakingupthesurfacesoilaroundthe plants
todestroyweeds,SeeFigure16),adjustthe tinesto digonly1"to
2"deep.Usingthe shallowtillingdepthhelpspreventinjuryto the
plantswhoserootsoftengrowclosetothe surface.Ifneeded,lift
uponthe handlebarsslightlyto preventthetinesfromdiggingtoo
deeply.(Cultivatingona regularbasisnotonlyeliminatesweeds,it
alsoloosensandaeratesthesoil forbettermoistureabsorptionand
fasterplantgrowth.)Wateringthegardenareaafewdayspriorto
tillingwillmaketillingeasier,as willlettingthenewlyworkedsoilset
fora dayortwobeforemakingafinal,deeptillingpass.
,j
Figure16
Choosing the Correct Wheel & Tine Speeds
Withexperience,you willfindthetillingdepthandtillingspeedcombina-
tionthatisbestfor yourgarden.Setthe enginethrottleleverat a speed
togivetheengineadequatepowerandyetallowit tooperateatthe slow-
estpossiblespeeduntilyou haveachievedthe maximumtillingdepth
youdesire.Fasterenginespeedsmaybedesirablewhenmakingfinal
passesthroughtheseedbedor whencultivating.Selectionofthe correct
enginespeed,inrelationto thetillingdepth,willensurea sufficientpower
levelto dothejobwithoutcausingtheengineto labor.
14

Suggested Tilling Patterns
• Whenpreparinga seedbed,gooverthe samepathtwice inthe
first row,thenoverlapone-halfthetiller widthonthe restof the
passes.SeeFigure17.
• Ifthe gardensizewill notpermitlengthwiseandthencrosswise
tilling,thenoverlapthe first passesby one-halfa tiller width,fol-
lowedby successivepassesat one-quarterwidth.SeeFigure19.
Figure17
Whenfinishedinonedirection,makea secondpassat a right
angle,SeeFigure18.Overlapeachpassfor the bestresults(in
veryhardground,it maytakethreeorfour passesto thoroughly
pulverizethe soil.)
J
== ==== ==d
Figure18
J
Figure19
Tilling on a Slope
Donotoperatethetiller ona slopetoo steepfor safeoperation.Till
slowlyandbesureyou havegoodfooting.Neverpermitthe tillerto
freewheeldownslopes.Failureto followthiswarningcould resultin
personalinjury.
1. Till onlyon moderateslopes,neveron steepgroundwherethe
footingisdifficult.
2. Tillingupand downslopesis recommendedoverterracing.Tilling
verticallyon aslopeallowsmaximumplantingareaandalso
leavesroomfor cultivating.
NOTE:Whentillingon slopes,be surethe correctoil levelismain-
tainedin theengine(checkeveryone-halfhourof operation).The
inclineof the slopewill causethe oilto slantawayfromitsnormal
levelandthis canstarveenginepartsof requiredlubrication.Keepthe
motoroil levelat the full pointat all times.
Tilling Up and Down a Slope
1. To keepsoilerosionto a minimum,besureto addenoughorganic
matterto the soil sothat it has goodmoisture-holdingtextureand
try to avoidleavingfootprintsor wheelmarks.
2. Whentillingvertically,try to makethe first passuphillas thetiller
digs moredeeplygoinguphillthanit doesdownhill.Insoft soil or
weeds,youmayhaveto liftthe handlebarsslightlywhilegoingup-
hill. Whengoingdownhill,overlapthefirst passby aboutone-half
the widthof the tiller.
15

Terrace Gardening
1. Tocreatea terrace,start at thetop of the slopeandworkdown
Gobackandforthacrossthe first row.See Figure20.
f
to,
O
tI'REPEAT
.
J
Figure20
Eachsucceedinglowerterraceis startedby walkingbelowthe
terraceyouarepreparing.Foraddedstabilityof thetiller,always
keepthe uphillwheelin the soft,newlytilled soil.Donot till the
last 12"or moreof thedownhilloutsideedgeof each terrace.This
untilledstriphelps preventtheterracesfrombreakingapart and
washingdownhill.Italso providesa walkingpathbetweenthe
rOWS.
Loading & Unloading the Tiller
Loadingandunloadingthe tillerintoa vehicleis potentiallyhazard-
I ous anddoingso is not recommendedunlessabsolutelynecessary,
las thiscould resultin personalinjuryorpropertydamage.
Ifyou mustloadorunloadthe tiller,followthe guidelinesgivenbelow:
• Beforeloadingorunloadingthe tiller,stopthe engine,waitfor all
partsto stopmoving,disconnectthe sparkplugwireandlet the
engineand mufflercool.
• The tilleris tooheavyand bulkyto besafelyliftedbyone person.
Twoor morepeopleshouldsharethe load.
•Usesturdyrampsand manually-- withthe engineshutoff-- roll
the tiller intoandout of the vehicle.Twoor morepeopleare
neededto do this.
• The rampsmustbe strongenoughto supportthe combined
weightof the tiller andanyhandlers.The rampsshouldprovide
goodtractionto preventslipping;theyshouldalsohaveside rails
to guidethe tilleralongthe ramps;andtheyshouldhavea locking
deviceto securethemto the vehicle.
• The handlersshouldwearsturdyfootwearthatwill helpto prevent
slipping.
• Positionthe loadingvehicleso thatthe rampangleis as flat
as possible(the lessinclineto the ramp,the better).Turnthe
vehicle'sengineoff andapplythe parkingbrake.
• Whengoingupthe ramps,standin the normaloperatingposition
and pushthetiller aheadof you.Havea personat each sideto
turn the wheels.
• Whengoingdownthe ramps,walk backwardwiththe tiller
followingyou.Keepalertfor anyobstaclesbehindyou.Positiona
personat eachwheelto controlthe speedof the tiller.Nevergo
downthe rampstiller-first,as the tillercouldtip forward.
• Placewoodenblockson thedownhillsideof the wheelsif you
needto stopthe tillerfromrollingdownthe ramp.Also,usethe
blocksto temporarilykeepthe tiller in placeon the ramps(if
necessary),andto chockthe wheelsin placeafterthe tiller is in
the vehicle.
• Afterloadingthe tiller,preventit fromrollingchockingthe wheels
with blocksandsecurelytie the tillerdown.
16

MAINTENANCE SCHEDULE
Beforeperforminganytypeof maintenance/service,disengageall
controlsandstoptheengine.Waituntilallmovingpartshavecometo
acompletestop.Disconnectsparkplugwireandgrounditagainstthe
enginetopreventunintendedstarting.Alwayswearsafetyglassesduring
operationor whileperforminganyadjustmentsor repairs.
Followthe maintenanceschedulegivenbelow.Thischartdescribes
serviceguidelinesonly.Usethe ServiceLogcolumnto keeptrackof
completedmaintenancetasks.To locate the nearest Sears Service
Centeror to scheduleservice,simplycontactSears at
1-800-4-MY-HOME®.
EachUse
1st2 hours
1st5 hours
Every10hours
Every25 hours
Every30 hours
Every50 hours
Every100hours
BeforeStorage
1. Engineoillevel
2. Looseormissinghardware
3. Engineandaroundmuffler
4. Aircleaner
1. Drivebelt tension
2. Nutsand Bolts
1. Engineoil
1. Drivebelt tension
2. Unit
1. Sparkplug
2. Tinesfor wear
3. Tirepressure
1. Engineoi11-
1. Aircleaner
2. SparkPlug
1. Fuelsystem
= =
1. Check
2. Tightenor_place
3. Clean
4. Check
1. Check
2. Check
1. Change
1. Check
2. Lubricate
1. Check
1. Check
2. Check
1. Change
1. Change
2. Change
1. Runengineuntilit stopsfromlackof
fuel oradda gasolineadditiveto the
gas in thetank.
Changeoileverytwentyfivehourswhenoperatingengineunderheavyloadorin hightemperatures.
ENGINE MAINTENANCE
Alwaysstopengineanddisconnectsparkplugwirebeforeperforming
lany maintenanceor adjustments.Alwayswearsafetyglassesduring
_operationorwhile performingany adjustmentsor repairs.
GENERAL RECOMMENDATIONS
•Alwaysobserveallsafetyrulesfoundonproductlabelsandin
thisoperator'smanualwhenperformingany maintenance.Safety
rulescan befoundonthe productlabelsandin thisOperator's
Manualbeginningon page3.
• Thewarrantyon thistillerdoes notcoveritemsthathavebeen
subjectedto operatorabuseor negligence.Toreceivefull value
fromwarranty,operatormust maintainthe equipmentas
instructedhere.
• Someadjustmentswillhaveto be madeperiodicallyto maintain
yourunit properly.
• Periodicallycheckall fastenersand makesurethesearetight.
Ifthe enginehas beenrunning,the mufflerwill beveryhot. Becareful
notto touchthe muffler.
Checking the Spark Plug
DO NOTcheckfor sparkwithsparkplugremoved.DO NOTcrank
enginewithsparkplug removed.
Toensureproperengineoperation,the sparkplugmustbeproperly
gappedandfree of deposits.Checkthe sparkplugevery25hoursand
replaceit every100hours.
17

.
.
.
Removethesparkplugbootanduse a sparkplugwrenchto
removethe plug.See Figure21.
Figure21
Visuallyinspectthe spark plug.Discardthe sparkplugif thereis
apparentwear,orif the insulatoris crackedor chipped.Cleanthe
sparkplugwitha wirebrush if it is to be reused.
Measurethe pluggapwitha feelergauge.Correctas necessary
by bendingsideelectrode.SeeFigure18.The gapshouldbeset
to 0.030in.
Servicing the Air Cleaner
Neverusegasolineor lowflashpoint solventsfor cleaningtheair
cleanerelement.A fireor explosioncould result.
The aircleanerpreventsdamagingdirt, dust,etc.,from enteringthe
carburetorandbeingforcedintothe engineandis importantto engine
lifeandperformance.Neverrunthe enginewithoutanair cleaner
completelyassembled.Checkthe air cleanerbeforeeachuse.
Paperfilterscannotbecleanedand mustbereplacedoncea year
or every100operatinghours;moreoftenif usedinextremelydusty
conditions.
1. Pressthetab onthe air filtercover,liftthe coverand removethe
air filter.SeeFigure23.
..........
Air Filter
Cover
Filter
Figure22
4. Checkthatthe sparkplugwasheris ingoodconditionandthread
the sparkplugin by handto preventcross-threading.
5. Afterthesparkplugis seated,tightenwitha sparkplugwrenchto
compressthe washer.
NOTE:Wheninstallinga newsparkplug,tighten1/2turnafterthe spark
plugseatstocompressthewasher.Whenreinstallinga usedsparkplug,
tighten1/8-1/4turnafterthesparkplugseatsto compressthewasher.
The sparkplugmustbe securelytightened.An improperlytightened
sparkplugcan becomeveryhot andmaydamagethe engine.
Figure23
2. Discardoldair filter.
3. Installnewair filter.
4. Closethe cover.
NOTE:Ifthe filteris tornor damagedinany way,replaceit.
Cleaning the Engine
Do notsprayenginewithwaterto cleanbecausewatercould
contaminatefuel.Usinga gardenhoseor pressurewashingequip-
mentcan alsoforcewaterintothe muffleropening.Waterthatpasses
throughthe mufflercan enterthe cylinder,causingdamage.
Accumulationof debrisaroundmufflercouldcausea fire. Inspectand
clean beforeevery use.
Ifthe enginehas beenrunning,allow it to coolfor at leasthalf anhour
beforecleaning.Periodicallyremovedirt build-upfromthe engine.
Cleanaroundthe muffler.Cleanwitha brushor compressedair.

Check Engine Oil
1. Checkoilbeforeeachuse.Stopengineandwaitseveralminutes
beforecheckingoillevel.Withengineonlevelground,theoilmust
betoFULLmarkondipstick.
2. RefertotheAssemblysectionofthismanualforinstructionson
checkingthe oil.
Change Engine Oil
•Referto the viscositychart(Figure24)for oil recommendations.
Do notover-fill.Usea4-stroke,oran equivalenthighdetergent,
premiumqualitymotoroilcertifiedto meetorexceedU.S.auto-
mobilemanufacturer'srequirementsfor serviceclassificationof a
minimumlevelSFor SG(higherletterratingsareacceptablesuch
as SJ, SLand SMgrades).Motoroil will displaythis designation
onthe container.
o
F-
©
C
V
V
mm Iml
Lf_
_u
--J t-
(°C) =30° -20o =I0o 0o 100 200 300 400
(oF)-20 o0o 150 300 500 700 850 1050 J
Figure24
NOTE: Donot use non-detergentoil or2-strokeengineoil. Itcould
shortentheengine'sservicelife.
• Changeengineoil afterthefirst fiveto eight hoursof operation,
andeveryfifty hoursoreveryseasonthereafter.Changeoil every
twentyfivehourswhenoperatingengineunderheavyloadorin
hightemperatures.
To Drain Oil
Beforetippingengineor equipmentto drainoil, drainfuel fromtank by
runningengineuntilfuel tankisempty.
Usedmotoroil maycauseskincancerifrepeatedlyleftincontactwith
the skinfor prolongedperiods.Althoughthis isunlikelyunlessyou
handleusedoil ona daily basis,itis stilladvisableto thoroughlywash
yourhandswithsoapandwateras soonas possibleafter handling
usedoil.
2. WithengineOFFbut stillwarm,disconnectsparkplugwireand
keep itawayfromsparkplug.
3. Placea funnelunderthe oildrainto avoidgettingoil onthe tiller
frame.SeeFigure25.
Drain
Figure25
4. Removeoil drainendcap locatedat the baseof the engine,and
drainoil intoanappropriatereceptacle.See Figure25.
Usedoil isa hazardouswasteproduct.Disposeof usedoil properly
IDo notdiscardwithhouseholdwaste.Checkwithyour localauthori-
lties or SearsServiceCenterfor safedisposal/recyclingfacilities.
5. Replaceandtightenthe oildrainendcap.
6. Whenengineisdrainedof all oil, placeenginelevel.Refillwith
approximately20oz.of freshoil. Fillto FULLlineondipstick.Do
not overfill.Referto CheckingandAddingOilinthismanuals
Assemblysection.
7. Wipeoff anyexcessoil onthe frameandengine.
8. Replacesparkplugwire beforestarting.
Transmission Lubrication
The transmissionis pre-lubricatedandsealedat thefactory.It requires
no checkingunlessthe transmissionisdisassembled.Tofill with
grease,lay the righthalfof thetransmissionon itsside,add22ounces
of Benalene920grease,andassemblethe lefthalf to it. Seean
authorizedSearsServiceCenterto havethe transmissionlubricatedor
to scheduleservice,simplycontactSearsat 1-800-4-MY-HOME®.
1. Drainthe fuelfromthe tankby runningthe engineuntil thefuel
tankis empty.Besurefuel fill cap is secure.
19

LUBRiCATiON
Afterevery10operatinghours,oilor greasethe lubricationpoints.Use
cleanlubricatingoil (#30weightmotoroil is suitable)andcleangeneral
purposegrease(greasecontaininga metallubricantis preferred,if
available).SeeFigure26.
_'_ Handlebar
Hardware Regulator
Figure26
•Removethewheels,clean thewheelshaft andapplya thin
coatingof grease.
•Greasethe back,frontandsidesof the depth regulatorlever.
•Removethetinesandcleanthe fine shaft.Usea file or sandpa-
perto gentlyremoveany rust,burrsor roughspots(especially
aroundthe holesinthe shaft).Applygreaseto the endsof the
shaftbeforeinstallingthe tines.
•Oilthe threadsonthe handlebaradjustmentlockandthe
handlebarattachingscrews.
•Oilthe pivotpointonthe clutchhandleandthe clutchcable.
TiRE PRESSURE
Checktheair pressurein bothtires.The airpressureshouldbe
between15-20PSI.Keepbothtiresequallyinflatedto helpprevent
machinefrompullingto one side.
HARDWARE
Beforeperformingany typeof maintenanceonthe machine,waitfor
all partsto stopmovinganddisconnectthe sparkplugwire.Failure
to followthis instructioncouldresultinpersonalinjuryor property
damage.
Checkfor looseor missinghardwareafterevery10operatinghours
andtightenor replace-- as needed-- beforereusingthe tiller.Be
sureto checkthe screwsunderneaththe tillerhoodthatsecurethe
transmissioncoverandthe DepthRegulatorLeverto thetransmission.
BELT REPLACEMENT
Yourtiller hasbeenengineeredwith a beltdesignedfor longlife
andoptimalperformance.Useonly a factoryauthorizedbeltas an
"over-the-counter"belt maynot performsatisfactorily.The procedure
requiresaveragemechanicalabilityandcommonlyavailabletools.
To replacethe Drivebelt,followthesesteps:
1. Removethe beltcoverfromthe left sideof the tiller by removing
the two hexwasherscrewsfromthe topof the beltcover.See
Figure27.
Hex Washer Screw
He× Washel Cap Nut &
Screw Flat Washer
Figure27
Removethe cap nutandflatwasherfromthe frontsideof the belt
cover.Removethe hexwasherscrewat the backof the cover.
SeeFigure27.
Removethe belt keeperassemblylocatedbehindthe engine
pulleyby removingthe twohex boltsand lockwashers.See
Figure28.
...............................
/7\
...........!..... Idler Pulley
Figure28
2O

4. Removethe idlerpulleyby removingthe boltand nut.
SeeFigure27.
5. Removethe old beltandinstallthe newbelt.Followthe instruc-
tionsin reverseorderto re-installthe belt keeperandbelt cover.
SeeFigure27.
NOTE: Uponreassernbly,makecertainthe belt is routedoverthe idler
pulleyandinsideof the beltkeepersbythe enginepulley.
TINES
Thetineswillwearwithuseandshouldbeinspectedat thebeginningof
eachtillingseasonandafterevery30operatinghours.Thetinescan be
replaced.Referto thePartsListsectionof thismanualforpartnumbers.
Tine Inspection
Withuse,the tineswill becomeshorter,narrowerandpointed.Badly
worntineswill resultina lossof tillingdepth,andreducedeffective-
nesswhen choppingupandturningunderorganicmatter.
Removing/Installing aTine Assembly
1. Removethe tine shieldendcoversand sideshieldsby removing
thethree wingnutsoneach sidethatsecurethem.
2. Afine assemblyconsistsof a lefthandfineanda righthandfine.
NOTE:Thefine assemblymovesina counter-rotatingmotionwith
the sharpedgesof thetinespositionedto enterthe soil firstwhen
counter-rotating.Notethis positionof thetinesfor reinstallationof the
newfine assemblies.
3. To removeafine assembly,simplyremovethe internalcotter pin
securingthe clevispin. SeeFigure29.
• ® Clevis Pin
/
_J
Figure29
4. Removethe clevispin andslidethe assemblyto the outsideof
the unitandoff of the fine shaft.
5. Beforereinstallingthe fineassembly,inspectthe tine shaftfor
rust, roughspotsorburrs.Lightlyfile or sand,as needed.Applya
thincoatof greaseto the shaft.
6. Installeachfine assemblyso thatthe cutting(sharp)edgeof the
tineswillenterthesoilfirstwhenthetillermovesforward.Keepin
mindthatthesetinesarecounter-rotating,so securethetine as-
semblytothe tineshaftusingthe clevispinandinternalcotterpin.
ADJUSTMENTS
Handle
The handlemaybeadjustedto thedesiredheight.Referto the
Assemblysectionfor details.
Secondary Clutch Cable Adjustment
Ifadditionaladjustmentis necessaryafterthe primaryadjustmentfrom
the Assemblysectioncan nolongerbe used,the secondaryadjust-
mentcan beperformedas follows:
1. Removethe beltcoveras instructedthe Belt Replacementon
page21.
2. Locatethe springat the endof the cable.SeeFigure30.
.
4.
Figure30
Loosenthe uppernut,thentightenor loosenthe lowernut until
the propertensionis reached.
Once thepropertensionis reached,re-tightenthe uppernutto
securethe cable.
21

idler Pulley Rod
Afterthe belttensionhasbeenadjusted,ifthebeltis excessivelystretched,
youmayneedtoadjustthe idlerpulleyrod.Thiscanbecheckedeasily.
Withtheengineoff andthe clutchcontrolbaildisengaged,shiftthe
gearselectionhandleto eachforwardmode.Ifthe indicatorbracket
touchesthe idlerpulleyrodwiththeclutchcontrolbaildisengaged,
thenan adjustmentis necessary.
1. Disconnectandgroundthe sparkplugwire againsttheengine.
2. Removethebelt coveras describedunderBelt Replacement
earlierinthissection.
3. Removethecotterpin andspringwasherfromthe idlerpulleyrod.
SeeFigure31.
F
idler Pulley
Pin
idler Pulley
Figure31
4. Movethe idlerpulleyrodto the lowerholeinthe idlerbracket.
5. Replacethespringwasherandhairpinclip.
6. Checktheclearanceof the idlerpulleyrodto the indicatorbracket
by shiftingto each forwardmode.
22

Neverstoretiller withfuel in tankindoorsor in poorlyventilatedareasI
wherefuel fumesmayreachanopenflame,spark,or pilotlightas on
a furnace,waterheater,c othesdryer,orgas app ance. 1
PREPARING THE ENGINE
Enginesstoredbetween30and 90daysneedto betreatedwitha
gasolinestabilizerandenginesstoredover90daysneedto bedrained
of fuel to preventdeteriorationandgumfromforminginfuel systemor
on essentialcarburetorparts.Ifthe gasolineinyourenginedeterio-
ratesduringstorage,you mayneedto havethecarburetor,andother
fuel systemcomponents,servicedor replaced.
1. Removeallfuel fromtankby runningengineuntilit stopsfrom
lackof fuel.
Neverleaveengineunattendedwhileit is running.
2. Changethe oil. SeeChangeEngineOil inSERVICEAND
MAINTENANCEsection.
3. Removesparkplugand pourabouta 1/2ounceof engineoilinto
the cylinder.Replacesparkplugandcrankit slowlyto distribute
oil.
4. Cleandebrisfromaroundtheengineandthe muffler.Touchup
any damagedpaint,andcoatotherareasthatmayrustwitha light
filmof oil.
5. Storein a clean,dry andwellventilatedareaawayfromany ap-
pliancethatoperateswitha flameorpilot light,suchas a furnace,
waterheater,orclothesdryer.Alsoavoidany areawitha spark
producingelectricmotor,orwherepowertoolsare operated.
6. Ifpossible,also avoidstorageareaswithhighhumidity,because
that promotesrustandcorrosion.
7. Keeptheenginelevelinstorage.Tiltingcan causefuel or oil
leakage.
PREPARING THE TILLER
Whenthe tillerwon't be usedfor an extendedperiod,prepareit for
storageas follows:
1. Cleanthe tillerandengine.
2. Followthe lubricationrecommendationsandcheckfor looseparts
and hardware.
3. Storethe tiller ina clean,dry area.
4. Neverstorethe tillerwithfuel inthe fuel tankinan enclosedarea
wheregas fumescould reachan openflameor spark,or where
ignitionsourcesare present(spaceheaters,hot waterheaters,
furnaces,etc.).
23

Beforeperforminganytypedmaintenance/service,disengageallcontrolsandstoptheengine.Waituntilall
movingpartshavecometo acompletestop.Disconnectsparkplugwireandgroundit againsttheenginetoprevent
unintendedstarting.Alwayswearsafetyglassesduringoperationorwhileperforminganyadjustmentsorrepairs.
Enginefailsto start
Enginerunserratically
Engineoverheats
Enginedoesnot shutoff
Wheels/Tineswill notturn
Tinesturn, butwheelsdon't
Wheelsturn,buttinesdon't
Poortilling performance
1. Sparkplugwire disconnected.
2. EngineThrottleControlLeverincorrectlyset.
3. Fueltankemptyor stalefuel.
4. Dirtyairfilter.
5. Defectiveor incorrectlygappedsparkplug.
6. Misadjustedthrottlecontrol.
7. Dirtorwaterinfuel tank.
1. Defectiveor incorrectlygappedsparkplug.
2. Dirtyairfilter(s).
3. Carburetorout of adjustment.
4. Stalegasoline.
5. Dirtorwaterinfuel tank.
6. Enginecoolingsystemclogged.
1. Enginecoolingsystemclogged.
2. Carburetorout of adjustment.
3. Oillevelis low.
1. Misadjustedthrottlecontrolor ignitionswitch.
1. Improperuse of controls.
2. Worn,broken,or misadjusteddrive belt(s).
3. Internaltransmissionwearor damage.
4. Bolt looseintransmissionpulley.
1. Bolt looseintransmissionpulley.
2. Internaltransmissionwearor damage.
1. Tine holdermountinghardwaremissing.
2. Bolt looseintransmissionpulley.
3. Internaltransmissionwearor damage.
1. Worntines.
2. ImproperDepthRegulatorsetting.
3. Incorrectthrottlesetting.
4. ForwardDriveBeltslipping.
1. Reconnectwire.
2. Putleverin STARTposition.
3. Filltankwithclean,freshgasoline.
4. Cleanor replacefilter.
5. Clean,adjustgap,or replace.
6. Contactyour SearsParts& RepairCenter.
7. Contactyour SearsParts& RepairCenter.
1. Clean,adjustgap,or replace.
2. Cleanor replace.
3. Contactyour SearsParts& RepairCenter.
4. Replacewithfreshgasoline.
5. Contactyour SearsParts& RepairCenter.
6. Cleanair coolingsystem.
1. Cleanair coolingarea.
2. Contactyour SearsParts& RepairCenter.
3. Checkoil level.
1. Contactyour SearsParts& RepairCenter.
1. ReviewOperationsection.
2. Replaceor adjustbelts.
3. Contactyour SearsParts& RepairCenter.
4. Tightenbolt.
1. Tightenbolt.
2. Contactyour SearsParts& RepairCenter.
1. Replacehardware.
2. Tightenbolt.
3. Contactyour SearsParts& RepairCenter.
1. ReplaceTines.
2. See"TillingTips& Techniques."
3. SeeService& MaintenanceSection.
4. SeeService& MaintenanceSection.
NEED MORE HELP?
Yolf[_ _w_ @e a_swe_ at@ more o_ _a_a_e_y_ife_¢:em _ fe_' free_
Findthis and aLLyour other product manuals online.
Get answers from our team of home experts.
Get a personalized maintenance plan for your home.
Find information and tools to help with home projects.
managemyli[e
b:_o_g_'_t to yo'a b_,_$ea_r_
24

25

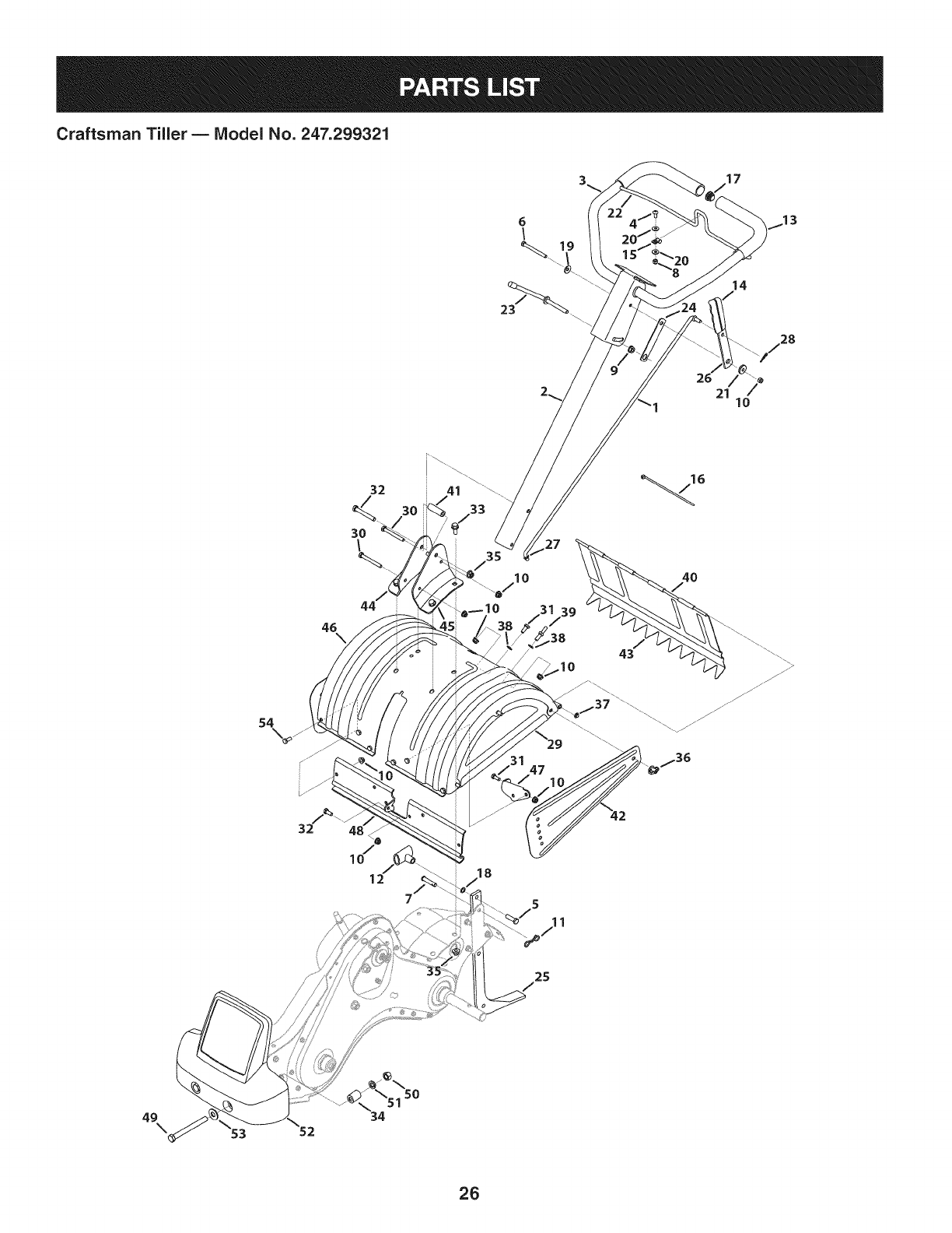
Craftsman Tiller BIViodel No. 247.299321
17
6
23
21
14
_\\ 7 28
/
7
10
46\
32
3O
\
44
3O
_10
27
10
39
/
43
10
4O
54
/-" p_36
18
25
49\
-_\51 50
34
26

Craftsman Tiller B Model No. 247.299321
747-1152 ShiftRod
2 649-0034-0691 LowerHandleTubeAssembly 28
3 649-0041A-0691 UpperHandleAssembly 29
4 710-0946 Screw,1/4-20x 0.625 30
5 710-3005 HexScrew,3/8-16:1.25 31
6 710-3056 HexScrew,5/16-18x 3.25 32
7 911-0415 ClevisPin,.375X 1.75 33
8 712-04064 HexLockNut,1/4-20 34
9 712-0379 FlangeLockNut,3/8-24 35
10 712-04063 HexLockNut,5/16-18 36
11 714-04043 CotterPin 37
12 720-0210A SmallTee Knob 38
13 720-0278A FoamGrip,.970x 11.0
14 720-0313 Grip,.1875x 1.00 40
15 726-0273 BatteryClamp,5/16 41
16 726-0317 CableTie,8.5 42
17 735-0246A EndPlug 43
18 936-0117 FiatWasher,.385x.620x.033 44
19 736-0242 BellWasher,.340x.872x.060 45
20 736-3090 FiatWasher,.260x.720x.060 46
21 938-0958 Spacer,.50x.190x.360 47
22. 747-1219A-0637 ClutchBail 48
23 784-0190 HandleAdjustmentCrank 49
24 784-0191 HexNutRetainerBracket 50
25 786-0120-0637 TillerDepthControl 51
26 786-0181-0691 ShaftRodLever 52
735-0127
914-0104
686-0044B-0691
710-0176
710-0376
710-3022
710-04482
750-0194
712-04065
712-0421
926-0106
736-0204
Washer,.33x.87x.125
CotterPin, .072x 1.12
EndCoverAssembly
HexScrew,5/16-18x 2.75
HexScrew,5/16-18x 1.00
HexScrew,3/8-16x 2.75
HexFlange,3/8-16x .875
Hub,.636x 1.00x .94
FlangeLockNut,3/8-16
Wing Nut,5/16-18
SpeedNutCap,1/4
FiatWasher,.344x.62x.033
39 938-0849
747-0432
750-0885A
786-0090A-0691
786-0113A-0691
786-0176-0691
786-0177-0691
786-0178A-0691
Screw,Hex,5/16-18x .75
Tiller FlapRod
Spacer,.322x.625x 2.00
SideShield
RearTine Shield
RH HandleMountBracket
LH HandleMountBracket
TineShield
786-0179-0637
786-0180-0637
710-0506
712-3058
736-0326
731-1595
FRTTine ShieldBracket
FRTTine ShieldSpacerBracket
HexScrew,1/2-20x 5.50
HexLockNut, 1/2-20
FiatWasher,1/2x 1.25x .10
Counterweight
27

Craftsman Tiller- IViodel No. 247.299321
/
48
28
©
38
44
,\\
6
iO
/
30
22
24
/42
26
14 4
18
2
34
28

Craftsman Tiller BIViodel No. 247.299321
686-0111-0637 BeltCoverBracketAssembly
2 710-1039 HexScrew,3/8-24 x 1.00
3 710-0170 HexLockScrew,5/16-24x .625
4 710-0513 HexLockScrew,1/4-28x .625 30
5 710-0502A Screw,3/8-16x 1.250 31
6 710-1652 HexWasherScrew,1/4-20x 0.625 32
7 710-3005 HexScrew,3/8-16x 1.25 33
8 938-0688 ShoulderScrew,3/8-24x 1/2 x .325 34
9 712-0266A JamLockNut, 3/8-16 35
10 742-0305A-0637 ArticulatingTine 36
11 914-0104 CotterPin,.072x 1.13 37
12 938-0689 ShoulderScrew,3/8-24x 1/2 x .180 38
13 712-04063 FlangeLockNut,5/16-18 39
14 936-0176 FiatWasher,.265x.938x.120 40
15 984-0160-0637 TineAdaptorAssembly 41
16 936-0271 Washer,Spring,.317x.625x.020 42
17 731-07556 Cap 43
18 936-0452 BellWasher,.396x 1.140x .095 44
19 938-0876 ShoulderNut,7/16-20 45
20 746-1117 ClutchCable
21 747-1159 IdlerPulleyRod
22 954-0434 Belt
23 756-0405 FiatIdlerPulley,3.75
24 756-0971 EnginePulley,InnerHalf
25 756-0972 EnginePulley,OuterHalf
26 756-1162 input Pulley,4 x 8.594
786-0064A Idler PulleyBracket
28 786-0185A-0637 Belt KeeperBracket
29 786-0187-0637 ShiftCoverBracket
786-0193-0637
686-0109A
710-0653
936-0253
712-0392
915-0120
936-3020
784-0158A-0691
784-0208D-0691
634-04654
710-05289
712-04064
911-0415
714-04043
986-04074A
712-3054
Idler BeltKeeper
ShiftCrankAssembly
Screw,1/4-20:0.375
BellWasher,.525x 1.00x .050
LockNut, 1/4-28
SpiralPin,3/16x 1.00
FiatWasher,.271x.630x.065
Belt Cover
ShiftCover
Wheel,16x 4.6 x 8
HexScrew,1/4-20x 1.50
FlangeLockNut,1/4-20
ClevisPin, .375x 1.75
CotterPin
CompleteGearCaseAssembly
HexLockNut,3/8-24
46 936-0169 LockWasher,3/8
47 936-0208 FiatWasher,.51x 1.5x 0.07
48 737-04355A HexCap
49 737-04356A StraightPipe
50 737-04357A ElbowAdapter
51 952Z170-VU ReplacementEngine
29

Craftsman Tiller B IViodel No. 247.299321
16
29\_ 37
.\
10
11
/
50
46
.\
_13
/
4O
42
/
16
29
12
/
30 16
3O

Craftsman Tiller BIViodel No. 247.299321
611-0021 TineShaftAssembly
2 611-0128 JackShaftAssembly 28
3 611-0129 Shif InputShaftAssembly 29
4 611-04074A WheelShaftAssembly,33T 30
5 617-0058 ReverseIdlerGearAssembly,30T 31
6 617-0059 TineIdler GearAssembly,30T 32
7 617-0060 Tineinput SprocketAssembly,9T 33
8 617-0061 WheelinputSprocketAssembly,10T 34
9 617-0062 GearAssembly,11T 35
10 686-0108A-0637 RHChainCaseHousingAssembly 36
11 710-0376 HexHeadScrew,5/16-18x 1.00 37
12 710-1652 HexWasherScrew,1/4-20x .625 38
13 710-04484 HexWasherScrew,5/16-18x .750 39
14 750-0664 Spacer,.505x.88 x.440 40
15 711-1349A input Shaft,.75 41
16 712-0378 HexNut,7/16-20 42
17 712-04063 FlangeLockNut,5/16-18 43
18 913-0367 EndlessChain,#420x 50 44
19 913-0484 EndlessChain,#50 x 54 45
20 716-0865 SnapRing,.500 46
21 717-0853A ClutchCollar 47
22 717-1582A GearSpur,44T 48
23 717-1583 GearSpur,30T
24 717-1584 GearSpur,30T
25 717-1585 GearSpur,44T
26 717-1587 GearSpur,44T
717-1594 GearSpur,16T
921-0378 ShaftSeal, 1.0
721-0379 ShaftSeal,.75
786-0238 PositionerGearBracket
726-0277 TaperedCap Plug
732-04778 CompressionSpring,.230
936-0163
936-0171
936-0226
936-0351
736-0407
736-0518
736-3088
686-04129-0637
950-0671
738-0645
738-0648
738-04424A
741-0124A
941-0420
741-0421
941-0563
FiatWasher,1.03x 1.62x .03
LockWasher,7/16
FiatWasher,.474x .879x.064
FiatWasher,.760x 1.50
BellWasher,.45x 1.00x .062
ThrustWasher,.445x 1.92x .060
FiatWasher,1.595x .635x.062
LHChainCaseHousing
Spacer,.75x 2.0 x .50
ShaftDetent,.5 DIA
Jack Shaft,.625x 2.385
Jack Shaft,.6250x 5.0050
BallBearing,17x 40 x 12
FlangeBearing,1.0x 2.5 x 1.38
FlangeBearing,.75x 2.5 x 1.38
BallBearing,17x 40 x 12:6203
49 741-0862 DetentBall,.250
50 750-0258 Spacer,.315x.750x.375
51 950-0570 Spacer,1.0x 2.0x .5
-- 986-04074B CompleteGearCase
31

Craftsman Engine Model 170=VU For Tiller Model 247.299321
951-10806
712-04213
951-14068
951-14069
951-14070
750-05314
D = I! I!
AirCleanerHousing
Nut
Self-TappingBoltM4.2x16
CarbonCanister
SilencerPlate
RubberShockPad
951-10794
951-14071
951-14072
951-14073
951-14074
AirFilterAssembly
AirFilterCover
PrimerHose
Clamp
ExhaustPiping
32

Craftsman Engine IViodel 170-VU For Tiller IViodel 247.299321
28
32--
127 - Carburetor Kit - Major
d
m
28
29
30
31
32
33
127
a
b
C
d
e
f
g
h
710-05101
951-11567
951-11568
951-11569A
951-12124
951-11571
951-12119A
D = 0 O
Stud M6x110
CarburetorInsulatorGasket
CarburetorInsulator
CarburetorGasket
CarburetorAssembly
CarburetorGasketPlate
CarburetorKit- Major
(Incl.h,l,j,m,n,o,p,q,r,s,u,w)
951-11177
n/a
n/a
n/a
n/a
n/a
736-04638
n/a
ControlLever,Choke
ChokeShaft
ChokePlate
ThrottleShaft
ThrottlePlate
ScrewM3x5
LockWasher
IdleJetAssembly
m
m
]
k
I
m
n
o
P
q
r
s
t
U
V
W
X
n/a
n/a
n/a
n/a
n/a
n/a
n/a
n/a
n/a
n/a
951-11589
n/a
951-11348
710-04945
951-11349
710-04938
m = O O
Gasket,ThrottlePlate
IdleSpeedAdjustingScrew
MixtureScrew
CarburetorBody
FloatPin
EmulsionTube
NeedleValve
MainJet
NeedleValveSpring
Float
FuelBowlGasket
FuelBowl
FuelBowlGasket
FuelBowlMountingBolt
FuelDrainPlugGasket
FuelDrainPlug
33

Craftsman Engine Model 170=VU For Tiller Model 247.299321
72 71
129 - Gasket Kit - External
130 - Gasket Kit - Complete
131 -Complete Engine 61_
60-_
75
77
34

Craftsman Engine IViodel 170=VU For Tiller IViodel 247.299321
m
52
53
54
55
56
57
58
59
6O
61
62
63
64
65
66
67
68
69
7O
71
72
73
74
75
76
77
129
130
131
951-12111
951-11632
951-12007
951-11633
710-04915
951-11113
951-11573
951-11356
736-04461
951-11574
714-04074
951-11575
951-11369
951-12160
951-10307
951-11576
715-04092
715-04089
951-11371
951-12125
710-04932
951-11283
951-11578
951-12551
951-12514
951-12126
951-12573
951-12572
952Z170-VU
m = O O
PistonRingSet
PistonPinSnapRing
Piston
PistonPin
Bolt M6x12
Air Shield
ConnectingRodAssembly
GovernorArm Shaft
Washer5.2xl.9
GovernorSeal
CotterPin
CamshaftAssy.
RadialBallBearing,6205
CrankshaftAssembly
WoodruffKey
GovernorGear/ShaftAssembly
DowelPin7x14
DowelPin9x14
CrankcaseCoverGasket
CoverComp,LeftCrankcase
Bolt M8x32
OilPlug
OilSeal,25x41.25x6
ShortBlock
(Incl.6,22,29,30,46,48,49,
52,53,55,58-72,74-77)
OilDrain Plug
OilSeal25x41.25x6
GasketKit- External
(Incl.6,22,29-31,33)
GasketKit- Complete
(Incl.6,22,29-31,33,46,
60,61,70,74,77)
CompleteEngine
35

Craftsman Engine Model 170-VU For Tiller Model 247.299321
128 - Cylinder Head Service Kit
129 - Gasket Kit - External
130 - Gasket Kit - Complete
131 - Complete Engine
126
2 _
1
1
2O
\
7
36

Craftsman Engine IViodel 170=VU For Tiller IViodel 247.299321
m
1
2
3
4
6
7
8
9
10
11
12
13
14
15
16
17
18
19
710-04968
951-11054
726-04101
731-07059
951-11565
951-11892
751-11124
751-11123
951-11893
710-04902
951-11895
951-12000
951-12002
951-12003
951-12004
951-11894
710-04933
951-10722A
D = B 0
BoltM6x16
ValveCover
BreatherHoseClamp
ExhaustPiping
ValveCoverGasket
RockerArmAssembly
Nut,PivotLocking
AdjustingNut,Valve
RockerArm
Bolt,Pivot
PushRodGuide
Retainer,In.ValveSpring
Adjuster,ExhValve
Retainer,Ex.ValveSpring
ValveSpring
IntakeValveSeal
BoltM8x55
CylinderHeadAssembly
m
2O
46
47
48
49
5O
51
126
128
129
130
131
951-10292
951-11572
951-10648
951-11899
715-04108
951-10647A
951-10647A
951-11063A
951-10819
951-12573
951-12572
952Z170-VU
D = O
(Incl6,8-17,19,22,29,
30,46,50,51)
SparkPlug/F6Rtc
Gasket,CylinderHead
PushRodKit
Tappet
DowelPin10x16
ValveKit
ValveKit
ValveCoverKit
CylinderHeadServiceKit
(Incl.6,17,18,46)
GasketKit- External
(Incl.6,22,29-31,33)
GasketKit- Complete
(Incl.6,22,29-31,33,46,
60,61,70,74,77)
CompleteEngine
37

Craftsman Engine Model 170-VUFor Tiller Model 247.299321
78
82
_124
8 -o
m
78
79
8O
81
82
83
84
85
86
88
89
90
91
124
125
951-11110
710-04940
951-10792
710-04919
951-10805
951-10934
951-10911
712-04209
710-04915
951-11583
736-04455
710-04974
951-12418
710-04918
951-11109
D = " O O
Air FlowShield
BoltM6xlO
IgnitionCoil Assembly
BoltM6x25
Flywheel
Fan,Cooling
Pulley,Starter
Nut,Special,M14x1.5
BoltM6x12
BlowerHousing
Washer
BoltM6xlO
RecoilStarter
BoltM6x20
BlowerHousingShield
38

Craftsman Engine IViodel 170-VU For Tiller IViodel 247.299321
20
m
1
3
92
93
94
95
96
97
99
100
101
102
103
104
105
710-04968
726-04101
951-11067
951-12131
710-05103
951-11585
951-10664
951-10665
951-11106
712-04212
710-04908
951-10650
951-11700
710-04915
951-14075
m = B
BoltM6x16
BreatherHoseClamp
ThrottleControlKnob
PrimerBracket
BoltM6x12
GovernorSpring
ThrottleLinkageSpring
ThrottleLinkage
GovernorArm
NutM6
GovernorArmBolt
FuelLineKit
FuelHoseClamp
BoltM6x12
RolloverValve
m
106
107
108
109
110
111
112
113
114
115
116
120
121
122
123
951-11914
710-04905
710-04915
951-12482
951-11381
951-11913
951-11904
951-11912
951-12535
951-14076
751-14139
951-14077
951-11933
951-10651
712-04212
D = O e
DipstickDecorationCover
Bolt
Bolt M6x12
DipstickAssembly
Oil FillTubeO-Ring
Oil FillTubeAssembly
Oil FillTubeO-Ring
DipstickGuage
CapComp,Fuel
Tether
PrimerLineKit
FuelTankAssembly
FuelLevelIndicator
FuelTankNipple
Nut, M6
39

Craftsman Engine IViodel 170=VU For Tiller IViodel 247.299321
26
23
27
22
24
21
m
21
22
23
24
25
26
27
951-14063
951-11289
712-04214
951-14067
951-14078
951-14079
951-12865
D = W O
StudM8x38
ExhaustPipeGasket
Nut,M8
MufflerAssembly
ExhaustPipeShield
DuctBolt
SecondaryAirValve
4O

Craftsman Tiller Model No. 247.299321
777D15445
777120451 777D15446
777S33508
777S33612
Operation Of This Equipment May Cre_e Sparks That
Start Fires Around Dry Vegetattsn. A Spark Arrestor May Be
Required, The Operator Should Contact Local Fire Agencies
For Laws Or Regulations TO Fire Prevention Requirements.
777120358
777D15447
777123259
777123174
777D15452
777123106
777X43688
DONOT
USEE85 ORFUEL
CONTAININGMORE
THAN10% ETHANOL
41

(Thispageapplicableinthe U.S.A.and Canadaonly.)
Sears Brands Management Corporation (Sears), the California Air Resources Board (CARD)
and the United States Environmental Protection Agency (U.S. EPA)
Emission Control System Warranty Statement (Owner's Defect Warranty Rights and Obligations)
EMISSIONCONTROLWARRANTYCOVERAGEISAPPLICABLETOCERTI-
FIEDENGINESPURCHASEDINCALIFORNIAIN1995ANDTHEREAF-
TER,WHICHARE USEDINCALIFORNIA,ANDTOCERTIFIEDMODEL
California and United States Emission
The CaliforniaAir ResourcesBoard(CARD),U.S.EPAand Searsare pleased
to explainthe EmissionControlSystemWarrantyonyour modelyear2000and
latersmalloff-roadengine(SORE).InCalifornia,newsmall off-roadengines
mustbedesigned,builtand equippedto meettheState'sstringentanti-smog
standards.Elsewherein theUnitedStates,newnon-road,spark-ignition
enginescertifiedfor modelyear 1997and latermustmeetsimilarstandardsset
forthbythe U.S.EPA.Searsmustwarranttheemissioncontrol systemonyour
YEAR1997ANDLATERENGINESWHICHARE PURCHASEDANDUSED
ELSEWHEREINTHEUNITEDSTATES(ANDAFTERJANUARY1,2001 IN
CANADA).
Control Defects Warranty Statement
enginefor theperiodsoftime listedbelow,providedtherehasbeen noabuse,
neglector impropermaintenanceof your smalloff-roadengine.Youremis-
sion controlsystemincludespartssuch as thecarburetor,air cleaner,ignition
system,mufflerand catalyticconverter.Also includedmaybeconnectorsand
otheremissionrelatedassemblies.Wherea warrantableconditionexists,Sears
will repairyour smalloff-roadengineat no costto you includingdiagnosis,parts
and labor.
Sears Emission Control Defects Warranty Coverage
Smalloff-roadenginesarewarrantedrelativeto emissioncontrolpartsdefects
fora periodof one year,subjectto provisionsset forthbelow.Ifanycovered
Owner's Warranty
Asthe smalloff-roadengineowner,you are responsiblefor theperformanceof
therequiredmaintenancelistedin yourOperatingand MaintenanceInstruc-
tions.Searsrecommendsthatyouretainallyourreceiptscoveringmaintenance
onyoursmalloff-roadengine,butSearscannotdenywarrantysolelyfor the
lackof receiptsorfor yourfailureto ensurethe performanceof all scheduled
maintenance.As the smalloff-roadengineowner,youshouldhoweverbe
awarethat Searsmaydenyyou warrantycoverageifyour smalloff-roadengine
ora part hasfaileddueto abuse,neglect,impropermaintenanceor unap-
parton yourengineis defective,the partwillbe repairedorreplacedbySears.
Responsibilities
provedmodifications.Youare responsiblefor presentingyour smalloff-road
engineto anAuthorizedSearsServiceDealeras soonas a problemexists.The
undisputedwarrantyrepairsshouldbe completedina reasonableamountof
time,notto exceed30 days.Ifyouhaveanyquestionsregardingyourwarranty
rightsand responsibilities,you shouldcontacta SearsService Representative
at 1-800-469-4663.The emissionwarrantyis a defectswarranty.Defectsare
judgedon normalengineperformance.The warrantyis notrelatedto an in-use
emissiontest.
Sears Emission Control Defects Warranty Provisions
ThefollowingarespecificprovisionsrelativetoyourEmissionControlDefectsWarrantyCoverage.ItisinadditiontotheSearsenginewarrantyfornon-regulated
enginesfoundin theOperatingand MaintenanceInstructions.
1. WarrantedParts
Coverageunderthis warrantyextendsonly to the parts listedbelow(the
emissioncontrolsystemsparts)to the extentthese partswere presenton
theenginepurchased.
a. FuelMeteringSystem
•Cold start enrichmentsystem
•Carburetorand internalparts
•FuelPump
b. AirlnductionSystem
•Aircleaner
•Intakemanifold
c. IgnitionSystem
•Sparkplug(s)
•Magnetoignitionsystem
d. CatalystSystem
•Catalyticconverter
•Exhaustmanifold
•Air injectionsystemor pulsevalve
e. MiscellaneousItemsUsedin AboveSystems
•Vacuum,temperature,position,timesensitivevalves
andswitches
• Connectorsandassemblies
2. Lengthof Coverage
Searswarrantsto the initialownerand eachsubsequentpurchaserthat
theWarrantedPartsshallbefree fromdefects in materialsandworkman-
shipwhich causedthefailure of the WarrantedPartsfor a periodof one
yearfromthe datethe engineis deliveredto a retailpurchaser.
3. NoCharge
Repairor replacementof anyWarrantedPartwill beperformedat no
chargeto the owner,includingdiagnosticlabor whichleadsto the
determinationthata WarrantedPartisdefective,ifthe diagnosticworkis
performedat an AuthorizedSears ServiceDealer.Foremissionswarranty
servicecontact yournearestAuthorizedSears ServiceDealeras listed in
the "YellowPages"under"Engines,Gasoline,""GasolineEngines,""Lawn
Mowers,"orsimilarcategory.
4. Claimsand CoverageExclusions
Warrantyclaimsshall be filed in accordancewiththe provisionsof the
SearsEngineWarrantyPolicy.Warrantycoverageshall be excludedfor
failuresof WarrantedPartswhichare notoriginal Searspartsor because
of abuse,neglector impropermaintenanceas setforth inthe Sears
EngineWarrantyPolicy.Sears is notliableto coverfailuresof Warranted
Partscausedby theuseof add-on,non-original,or modifiedparts.
5. Maintenance
Any WarrantedPart whichis notscheduledfor replacementas required
maintenanceor whichis scheduledonly for regularinspectionto the effect
of "repairor replaceas necessary"shallbe warrantedas to defectsfor the
warrantyperiod.Any WarrantedPartwhich isscheduledfor replacement
as requiredmaintenanceshallbe warrantedas to defectsonly forthe
periodof time up to the first scheduledreplacementfor that part. Any
replacementpartthat is equivalentin performanceand durabilitymay
be usedin the performanceof any maintenanceor repairs.The owneris
responsibleforthe performanceof all requiredmaintenance,as definedin
the SearsOperatingand MaintenanceInstructions.
6. ConsequentialCoverage
Coveragehereundershallextend to thefailure of any enginecomponents
caused bythe failureof any WarrantedPartstill underwarranty.
Inthe USAandCanada,a 24 hourhotline, 1-800-469-4663,has a menu of pre-recordedmessagesofferingyou enginemaintenanceinformation.
GDOC-100188Rev.B
42

Look For Relevant Emissions Durability Period and
Air index information On Your Engine Emissions Label
Engines that are certified to meet the California Air Resources Board (CARB) Tier 2 Emission Standards must
display information regarding the Emissions Durability Period and the Air Index. Sears Brands Management
Corporation makes this information available to the consumer on our emission labels.
The Emissions Durability Period describes the number of hours of actual running time for which the engine is
certified to be emissions compliant, assuming proper maintenance in accordance with the Operating & Mainte-
nance Instructions. The following categories are used:
Moderate: Engine is certified to be emission compliant for 125 hours of actual engine running time.
Intermediate: Engine is certified to be emission compliant for 250 hours of actual engine running time.
Extended: Engine is certified to be emission compliant for 500 hours of actual engine running time.
For example, a typical walk-behind lawn mower is used 20 to 25 hours per year. Therefore, the Emissions
Durability Period of an engine with an intermediate rating would equate to 10 to 12 years.
The Air index is a calculated number describing the relative level of emissions for a specific engine family. The
lower the Air Index, the cleaner the engine. This information is displayed in graphical form on the emissions label.
After July 1,2000, Look For Emissions Compliance Period
On Engine Emissions Compliance Label
After July 1, 2000 certain Sears Brands Management Corporation engines will be certified to meet the United
States Environmental Protection Agency (USEPA) Phase 2 emission standards. For Phase 2 certified engines, the
Emissions Compliance Period referred to on the Emissions Compliance label indicates the number of operating
hours for which the engine has been shown to meet Federal emission requirements.
For engines less than 225 cc displacement, Category C = 125 hours, B = 250 hours and A = 500 hours.
For engines of 225 cc or more, Category C = 250 hours, B = 500 hours and A = 1000 hours.
This is ageneric representation of the emission label typically found on a certified engine.
FAMILYYBSXS.3192VA 274812
GDOC-100182Rev.B
43

Congratulations on making a smart purchase. Your new Craftsman® product is designed and
manufactured for years of dependable operation. But like all products, it may require repair
from time to time. That's when having a Repair Protection Agreement can save you money and
aggravation.
Here's what the Repair Protection Agreement* includes:
[] Expert service by our 10,000 professional repair specialists
[] Unlimited service and no charge for parts and labor on all covered repairs
[] Product replacement up to $1500 if your covered product can't be fixed
[] Discount of 25% from regular price of service and related installed parts not covered by the
agreement; also, 25% off regular price of preventive maintenance check
[] Fast help by phone - we call it Rapid Resolution - phone support from a Sears representative.
Think of us as a "talking owner's manual."
Once you purchase the Repair Protection Agreement, a simple phone call is all that it takes for you
to schedule service. You can call anytime day or night, or schedule a service appointment online.
The Repair Protection Agreement is a risk-free purchase. If you cancel for any reason during the
product warranty period, we will provide a full refund. Or, a prorated refund anytime after the
product warranty period expires. Purchase your Repair Protection Agreement today!
Some limitations and exclusions apply. For prices and additional information in the U.S.A.
call 1=800=827=6655.
*Coverage in Canada varies on some items. For full details call Sears Canada at 1=800=361=
6665.
Sears Installation Service
For Sears professional installation of home appliances, garage door openers, water heaters, and
other major home items, in the U.S.A. or Canada call 1=800=4=MY=HOME®.
44

Declaraci6n de garantia ........................ Pb,gina 45
Medidas importantes de seguridad ..... Pb,ginas 46-49
Armado ................................................. Pb,ginas 50-53
Funcionamiento .................................... Pb,ginas 54-59
Servicio y Mantenimiento ..................... P_.ginas 60-65
Almacenamiento fuera de temporada.. Pb,gina 66
Soluci6n de problemas ......................... P_,gina 67
Acuerdo de protecci6n para reparaciones Pb,gina 71
NQmero de servicio ............................... Cubierta posterior
CRAFTSMAN DOS AltOS DE GARANTJA
Durantedos aSosdesdela fechade compra,esteproductoest_garantizadocontracualquierdefectode materialeso manodeobra. Un
productodefectuosorecibir_la reparaci6no sustituci6ngratuitasi la reparaci6nnoest_disponible.
Paradetalles sobre la garantia de coberturaparaobtener reparaci6ngratuita o reemplazo,visite el sitio web: www.craftsman.com
Esta garantias61ocubre defectos en rnateriaiesy mano de obra. Cobertura de lagarantiano ineiuye:
• Bienesfungiblesquepuedendesgastarsecon el usonormalenel periodode garantia,comolas cuchillas,dientes,o cinturones.
• DaSosenel productoresultantede los intentosdel usuariode modificaci6ndel productoo la reparaci6no causadosporaccesoriosde
productos.
• Las reparacionesnecesariasdebidoa un accidenteo falla paraoperaro mantenerel productoseg0nlas instruccionessuministradas.
• Mantenimientopreventivoo reparacionesnecesariasdebidoa la mezcladecombustibleinadecuado,eJcombustiblecontaminadoo viciado.
Estagaranfiaser_nulasi el productoes utilizadoalgunavez, mientrasquela prestaci6nde servicioscomercialo si se alquilaa otra persona.
Estagaranfiale otorgaderechoslegalesespecificos,y ustedtambi_npuedetenerotrosderechosquevariandeestadoa estado.
Sears Brands Management Corporation, Hoffman Estates, IL 60179
Seriedel motor: 208cc
Tipodeaceitedelmotor: 10W30
Capacidadde aceitedel motor: 20onzas
Combustible: GasoJinasin plomo
Bujia: F6RTC
Separaci6ndelas bujias: .030"
NSmerode modelo ..........................................................
NSmerode serie ..............................................................
Fechade compra .............................................................
Registreel n0merodemodelo,nQmerode serie
y fechade compram_sarriba
@Sears Brands,LLC 45

Lapresenciadeestesimboloindicaquesetratadeinstruccionesde
seguridadimportantesquesedebenrespetarparaevitarponerenpeligro
suseguridadpersonaly/omaterialyladeotraspersonas.Leaycumpla
todaslasinstruccionesdeestemanualantesdeintentaroperaresta
m&quina.Sinorespetaestasinstruccionespuedeprovocarlesiones
personales.Cuandoveaestesimbolo,ipresteatenci6nalaadvertencia!
Estam&quinaest&diseSadaparaserutilizadarespetandolasnormas
deseguridadcontenidasenestemanual.AIigualqueconcualquiertipo
deequipomotorizado,undescuidooerrorporpartedeloperadorpuede
producirlesionesgraves.Estam_quinaescapazdeamputardedos,
manosypiesydearrojarresiduos.Denorespetarlasinstruccionesde
seguridadsiguientessepuedenproducirlesionesgravesolamuerte.
PROPOSICION 65 DE CALiFORNiA
Elescapedel motorde esteproducto,algunosdesus componentesy
algunoscomponentesdel vehiculocontieneno liberansustanciasquimicas
que el estadode Californiaconsideraque puedenproducircancer,
defectosdenacimientou otrosproblemasreproductivos.Loshomesdela
bateriaylos accesoriosalinescontienenplomoy compuestosde plomo,
sustanciasquimicasque segQnIo establecidopor el Estadode California
causanc&ncery daSosen el sistemareproductivo.L&veselas manos
despuesdeestar encontactoconestoscomponentes.
Su responsabilidad--Lirnite el uso deestarn_.quinarnotorizada
a las personasque lean,cornprendany curnplanlas advertenciase
instruccionesqueaparecenenestemanualyen larn_.quina.
i6UARI)E ESTASINSTRUCCIONES!
CAPACITACION
• Lea,cornprenday respetetodaslas instruccionesquefiguranen
la rn_.quinayen el o los rnanualesantesde procederaarrnarlay
hacerlafuncionar.Guardeestemanualen un lugarseguropara
consultasfuturasy peri6dicas,asi cornoparasolicitarrepuestos.
• Leael manualdeloperadory sigatodaslas advertenciase
instruccionesdeseguridad.De nohacerlo,puedeocasionar
heridasde gravedadal operadory/oa los observadores.Ante
cualquierduda,Ilarneal 1-800-4MY-HOME.
•Farniliaricesecontodoslos controlesy su correcto
funcionarniento.Sepac6rnodetenerla rn_.quinay c6rno
desconectarloscontrolesr_.pidarnente.
• No perrnitanuncaque losni_os rnenoresde 14a_osutilicen
estarn_.quina.Los ni_osde 14a_osenadelantedebenleery
entenderlas instruccionesde operaci6ny norrnasdeseguridad
contenidasen estemanualyen larn_.quinay debenser
entrenadosy supervisadosporun adulto.
•Nuncaperrnitaquelosadultosoperenestarn_quinasin recibir
antesla instrucci6napropiada.
• Mantengaa los observadores,rnascotasy ni_osal rnenosa 25
metrosde la rn_.quinarnientrasest,.en funcionarniento.Detenga
la rn_.quinasi alguienseacerca.
• Nuncaenciendael motorenespacioscerradoso enunazona
con pocaventilaci6n.Elescapedel motorcontienernon6xidode
carbono,un gasinodoroy letal.
PREPARATIVOS
•Reviserninuciosarnenteel &readondese va a usarel equipo.
Retiretodaslas piedras,botellas,latasy otrosobjetosextra_os
que puedanserlevantadoso arrojadoscausandolesiones
personaleso da_osa larn_.quina.
•Paraprotegerselosojos,utilicesiernpregalas o anteojosde
seguridadrnientrasoperala rn_.quinao rnientraslaajustao
repara.Losobjetosarrojadosquerebotanpuedenproducir
lesionesocularesgraves.
•Utilicezapatosde trabajoresistentes,desuelafuerte,y
pantalonesy carnisasajustados.Las prendassueltasy las
alhajasse puedenengancharen las piezasrn6viles.Nuncaopere
estarn_.quinaestandodescalzoocon sandalias.
•Antesde encenderla rn_quinacontrolequetodoslos pernosy
tornillosest_nbienajustadosparagarantizarquela rn_.quinase
encuentraen condicionessegurasdeoperaci6n.Adern_.s,realice
una inspecci6nvisualde la rn_.quinaa intervalosfrecuentespara
controlarsi la rnisrnaest,.da_ada.
•Antesde arrancarel motor,desenganchelas palancasdel
ernbraguey despl_.celas(en casode haber)a la posici6nneutral
("N").
•Nuncadejelarn_.quinaen funcionarnientosin vigilancia.
•Nuncaintenterealizarajustesrnientrasel motorest,.enrnarcha,
exceptoen los casosespedficarnenterecornendadosenel
manualdel operador.
•Mantengao reernplacelas etiquetasdeseguridade instrucciones
segQnsea necesario.
46

Manejo seguro de la gasolina:
Paraevitar lesionespersonalesy da_os materialestenga muchocuidadoal
manipularla gasolina.Lagasolinaes sumamenteinflamableysus vapores
puedencausarexplosiones.Si se derramagasolinaencimao sobrela ropa
se puedelesionargravementeya que se puedeincendiar. Lavesela piely
c_mbiesede ropade inmediato.
• Utilices61olosrecipientesparagasolinaautorizados.
• NuncaIlenelosrecipientesenel interiorde unvehiculoo cami6n o
cajade remolquecon un recubrimientopl_stico.Coloquesiemprelos
recipientesen el pisoy lejosdel vehiculoantes de Ilenarlos.
• Cuandosea factible,retireel equipo a gasolinadel cami6no remolquey
Ileneloenel suelo.Siesto no es posible,Ileneel equipoen unremolque
concontenedorport_til,en vezde desdeuna boquilladispensadorade
gasolina.
• Mantengala boquillaencontactocon el hordedel tanquede
combustibleo de laabertura del recipienteen todo momento,hasta
terminarde cargar.Noutilice un dispositivoparaabrir/cerrarla boquilla.
• Apaguetodos los cigarrillos,cigarros,pipasy otrasfuentesde
combusti6n.
• Nuncacarguecombustibleen la m_quinaen unespacio cerrado.
• Nuncasaquela tapade la gasolinani agreguecombustiblemientrasel
motorest_calienteo en marcha.Permitaque el motorse enfriepot Io
menosdos minutosantesde volvera cargar combustible.
• Nuncalleneen excesoel tanquede combustible.Lleneel tanque no
m_sde Y2pulgadapor debajo dela basedel cuello del tap6ndecarga,
paradejarespacio para laexpansi6ndel combustible.
• Vuelvaa colocarla tapadel combustibleyajOstelabien.
• Limpiela gasolinaquese puedahaberderramadosobreel motoro el
equipo.Trasladela m_quinaa otra zona.Espere5 minutosantesde
encenderel motor.
• Parareducirel riesgode incendio,mantengala m_quinalimpiade
pasto,hojasy de acumulaci6nde otrosescombros.Limpie losderrames
deaceiteo combustibleysaque todoslos escombrosembebidosde
combustible.
• Nuncaguardela m_quinao el recipientede combustibleen unespacio
cerradodonde hayafuego,chispaso luzpiloto,como porejemplode
calentadoresde agua,calefactoresde ambientes,hornos,secadoresde
ropau otrosaparatosa gas.
FUNCIONAlVlIENTO
•Nocoloquelas manosni los piescerca depiezasgiratorias.Elcontacto
conlas piezasgiratoriaspuedeocasionaren la amputaci6ndemanos
o pies.
• No utilicela m_quinabajola influenciadel alcoholo lasdrogas.
• Nuncaopereestam_quinasi no haybuenavisibilidado iluminaci6n.
Siempredebe estarsegurode queest_ bienafirmadoysujetando
firmementelas manijas.
• Mantengaa los transeL]ntesalejadosde la m_quinamientrasla misma
est_en funcionamiento.Detengala m_quinasi alguiense acerca.
• Tengacuidadoal labrarunterrenoduro.Los dientespuedenclavarseen
latierra e impulsarlacultivadorahaciaadelante.Si estoocurre, suelteel
manubrioy dejela m_quinalibre.
• Seasumamenteprecavidocuandoopere la m_quinasobreuna
superficiecongrava o al cruzarla.Mantengasealertapor si se
presentanpeligrosocultoso tr_nsito.Notransportepasajeros.
• Nuncautilicela m_quinaa altasvelocidadesde desplazamientosobre
superficiesduraso resbaladizas.
• Tengacuidadoparaevitarresbalaro caerse.
• Mire haciaabajo y haciaarrasy tengacuidadocuandose desplaceen
marchaarraso cuandojale de la m_quinahaciausted.
• Arranqueel motorde acuerdocon lasinstruccionesdel manualy aleje
los piesde losdientesen todo momento.
•Si golpeaalgQnun objetoextra_oo si la m_quinacomienzaa emitir
unsonidopococomL]no a vibrar,apagueel motordeinmediato.
Desconecteel cablede labujia, p6ngalohaciendomasacontrael motor
y siga los pasossiguientes:
a. Inspeccionela m_quinaparavet si est_da6ada.
b. Repareo reemplacelas piezasda_adas.
c. Controlesi hay piezasflojas y ajQstelaspara asegurarque la
m_quinafuncionede maneraseguray continua.
• Desenganchetodaslas palancasdeembrague(si lashay)y detengael
motorantes de dejarla posici6nde operaci6n(detr_sde las manijas).
Esperehastaque los dientesse detengancompletamenteantes de
limpiarlos,haceralgQnajusteo inspeccionarlos.
• Nuncaenciendael motorenespacioscerradoso en unazonacon poca
ventilaci6n.Elescape del motorcontienemon6xidode carbono,un gas
inodoroy letal.
• Elsilenciadory el motorse calientany puedencausarquemaduras.No
lostoque.
• Tengaprecauci6ncuandolabreterrenocercade vallas,edificiosy
serviciossubterr_neos.LosdientesrotatoriospuedencausardaSos
materialeso lesionespersonales.
• Nosobrecarguela capacidaddela m_quinaintentandolabrarel sueloa
unniveldemasiadoprofundoo a unavelocidaddemasiador@ida.
• Si la m_quinaarrancahaciendoun sonidoo unavibraci6nrata, detenga
el motor,desconecteelcablede la bujia ycon@teloa masacontrael
motor.Inspeccionela m_quinaminuciosamenteparaver si est_ da6ada.
Reparetodos los da_osantes de encendery operarla m_quina.
• Mantengatodos los escudos,protectoresy dispositivosdeseguridaden
su lugaryen correctofuncionamiento.
• Nuncalevanteo transportela m_quinacuandoel motorest_encendido.
• Utilices61odispositivosdesujeci6no accesoriosaprobadosporel
fabricanteque figuranen laspaginasde la listade piezasdeeste
manualdel operador.Si noIo hace,puedenproducirselesiones
personales.
• Si se presentansituacionesque noest_n previstasen estemanual,sea
cuidadosoy useel sentidocomL]n.P6ngaseencontactocon Asistencia
al Clienteparasolicitarayuday el hombredel distribuidordeservicio
m_scercano.
iVlANTENllVIIENTO YALIViACENAIVlIENTO
•Mantengala m_quina,losaditamentosy accesoriosen condicionesde
funcionamientoseguro.
• Dejequela m_quinase enfrie por Io menoscincominutosantes
de guardarla.Nuncaalterelosdispositivosdeseguridad.Controle
peri6dicamentequefuncionancorrectamente.
• Verifiquefrecuentementeque lospernosytornillosestenajustados
correctamenteparaasegurarsede que la m_quinaestetrabajandode
manerasegura.Adem_s,hagaunainspecci6nvisualde lam_quinapara
verificarsiest_da_ada.
• Antesde limpiar,repararo revisar,detengael motoryasegQresedeque
losdientesytodas laspartesm6vilesse hartdetenido.Desconecteel
cablede la bujiay p6ngalohaciendomasacontrael motorparaevitarque
se enciendaaccidentalmente.
• Nocambielaconfiguraci6ndel reguladordel motor niIo hagafuncionar
a demasiadavelocidad.Elreguladordel motorcontrolala velocidad
m_ximade funcionamientosegurodel motor.
• Mantengao reemplacelasetiquetasde seguridady deinstrucciones
segQnsea necesario.
• Sigalas instruccionesdeestemanualparacargar,descargar,transportar
y almacenardemaneraseguraesta m_quina.
• Si la m_quinase va a almacenarpor unperiodoprolongado,consulte
siempreel manualdel operadorpara obtenerinformaci6nimportante.
• Si debevaciareltanquede combustible,h_galoalaire libre.
47

,, Observelareglamentaci6nylasnormasrespectoalaeliminaci6n
correctadegasolina,aceite,etc.paraprotegerelmedicambiente.
• SegQnlaComisi6ndeSeguridaddeProductosparaelConsumidorde
losEstadosUnidos(CPSC)ylaAgenciadeProtecci6nAmbientaldelos
EstadosUnidos(EPA),esteproductotieneunavidaQtilmediadesiete
(7)a_os6130horasdefuncionamiento.AIfinalizarlavidaQtilmedia
hagainspeccionaranualmenteestaunidadporundistribuidordeservicio
autorizadoparacerciorarsedequetodoslossistemasmec_nicosyde
seguridadfuncionancorrectamenteynotienenexcesivodesgaste.Sino
Iohace,puedenproducirseaccidentes,lesionesolamuerte.
NO MODIFIQUE EL MOTOR
Paraevitarlesionesgraveso la muerte,no modifiqueel motorbajo ninguna
circunstancia.Si alteralaconfiguraci6ndel regulador,el motorse puede
desbocary funcionara velocidadesqueno son seguras. Nuncamodifiquela
configuraci6nde f_bricadel reguladordel motor.
AVISO REFERIDO AEMISIONES
Los motoresque est_ncertificadosy cumplenconlas regulacionesde
emisionesfederales EPAy de Californiapara SORE (EquiposSmall Off Road
Equipment)est_ncertificadosparaoperarcongasolinacomL]nsin plomoy
pueden incluirlos siguientessistemasde controlde emisiones:Modificaci6n
de motor(EM), catalizadoroxidante(OC), inyecci6nde airesecundaria(SAI)
y catalizadordetres vias (TWO)si est_nequipadosdeesa manera.
AMORTIGUADOR DE CHISPAS
Estam&quinaest&equipadaconunmotorde combusti6ninternay no
debeser utilizadaen unterrenoagrestecubiertopot bosque,malezaso
hierbani cercadel mismoexceptoque el sistemade escapedel motor
esteequipadoconunamortiguadordechispasquecumpla conlas leyes
localeso estatalescorrespondientes(encasode existir).
Si se utilizaun amortiguadorde chispasel operadorIo debe manteneren
condicionesde usoadecuadas.Enel Estadode Californialas medidas
anteriormentemencionadasson exigidaspor ley (Arficulo4442del C6digode
RecursosPQblicosde California).Es posibleque existanleyessimilaresen
otrosestados.Lasleyesfederalesse aplicanen territoriosfederales.
Podr_obtenerunamortiguadordechispasparael silenciadoren el centrode
serviciode piezasy reparacionesSearsm_scercano.
48

SiIVIBOLOS DE SEGURIDAD
Enestap&ginase presentany describenlos simbolosde seguridadquepuedenaparecerenesteproducto. Lea,entienday cumplatodaslas
instruccionesincluidasen la m_quinaantesdeintentararmarlay utilizarla.
-'I °_
I I
I I
t i
i
, i
LEA LOS MANUALES DEL OPERADOR
Lea, entienda y cumpla todas las instrucciones incluidas en los manuales antes de intentar armar la
unidad y utilizarla.
ADVERTENCIA- DIENTES GIRATORIOS
No coloque las manos ni los pies cerca de piezas giratorias. El contacto con las piezas giratorias puede
ocasionar en la amputaci6n de manos o pies.
ADVERTENCIA- DIENTES GIRATORIOS
No coloque las manos ni los pies cerca de piezas giratorias. El contacto con las piezas giratorias puede
ocasionar en la amputaci6n de manos o pies.
ADVERTENClA- LA GASOLINA ESINFLAMABLE
Deje que el motor se enfrie pot Io menos dos minutos antes de cargar combustible.
ADVERTENCIA - MONOXIDO DE CARBONO
Nunca encienda el motor en espacios cerrados o en una zona con poca ventilaci6n. El escape del
motor contiene mon6xido de carbono, un gas inodoro y letal.
ADVERTENCIA- SUPERFIClE CALIENTE
Las piezas del motor, especialmente el silenciador, se recalientan durante la operaci6n. Deje que el
motor y el silenciador se enfrien antes de tocarlos.
ADVERTENCIA: Su responsabilidad--Limiteel uso deestam_quinamotorizadaa las personasquelean,comprendany
cumplanlas advertenciase instruccionesqueaparecenen estemanualy en la m_quina.
iGUARDEESTASINSTRUCCIONES!
49

NOTA:Estaunidadse envfasingasolinaniaceiteen el motor.Antes
deoperarlam_.quinacargueel motorcongasolinay aceitecomose
indicaen lasecci6nFuncionamientode estemanual.
NOTA:Lasreferenciasa los ladosderechoe izquierdodela cultiva-
dorase hacenobservandola m&quinadesdelaposici6nde operaci6n.
APERTURA DE LA CAJA DE CARTON
1. Retirelas grapas,rompael pegamentodelas aletassuperiores
ocorte lacintadelextremodela cajay tire a Io largode la aleta
superiorparaabrirla.
2. Saquetodaslaspiezassueltas.
3. Cortea Iolargodelas esquinas,extiendalacaja haciaabajoen
formaplana.
4. Quiteel materialdeempaquesuelto.
C61VlO SACAR LA UNIDAD DE LA CAJA
1. Usela barradecontrolparaelevary tirar dela cultivadorahacia
atr_.shastaunAreaplana.Inspeccioneminuciosamentela caja
paradetectarsi hay piezassueltas.
2. Estireel cablede controly exti_ndaloenel piso.Tengacuidado
de nodoblarni torcerel cabledecontrol.
PIEZAS SUELTAS DENTRO DE LA CAJA
• Montajede las barrasde control
• Cultivadora
• Aceitedel motor
• Manualdel Operador
• Varillade cambio
• Estacade profundidad
ACOPLE DE LA ESTACA DE PROFUNDIDAD
Antesdelmontaje,desconecteel cablede labujfay p6ngalohaciendo
masacontrael motorparaevitarquese enciendaaccidentalmente.
1. Inclinela cultivadorahaciaadelantehastaquedescansesobreel
contrapesofrontal.
2. Desenrosquela perillaen "T"dela partesuperiorde laestacade
profundidady retirelaarandelaplanay el pernohexagonal.Saque
elchavetadel pasadordehorquilla.Veala Figura1.
Aranclela Chaveta
plana
hexagonal
Chaveta de
3. Levanteel montajede laaletacon bisagrasdel protectorde
dientese inserteel montajedela estacade profundidaden la
ranura,debajodel protectory paraarribaatravesdelmontaje
protectorde dientes.
4. Inserteel pasadordehorquillaenlosmontajesdelprotectordedientes
y delaestacadeprofundidad.Asegureconelpasadordechaveta.
5. Inserteun pernohexagonalenel orificiosuperiordelmontaje
de laestacade profundidad.Coloquela arandelaplanasobre
el pernohexagonaly enrosquela periNaen "T"en el perno
hexagonal.Ajustebien.Veala Figura1.
6. Inclinelacultivadorahaciaatr&snuevamentehastaquedescanse
sobrelos dientes.
INSTALACION DE LA IVIANIJA
1. Retirelosdos pernossuperioresy las tuercasde seguridadcon
rebordede los soportesdemontajede lamanija,perono retireel
pernoy la tuercainferiores.Veala Figura2.
Tornillos
.................. 7_;i__.....................de cabeza
.... -.... _ ........ ............hexagonal
....................Brida de las '
tuercas de
fijaci6n
.
f
Figure2
Posicionelaunidadde la manijaentrelas m_nsulasde montaje
de la manija.Veala Figura3.
Tomillos de
he×m onal
50
tuercas de
f!jaci6n
Figure3

3. Alineelosorificiosenlamanijaconlosorificiosenlam_nsulay
fijelosconlosherrajesqueacabadeextraer.
ACOPLE DE LA VARILLA DE CONTROL
.
2.
3.
AsegQresede quela unidadde lamanijaestaenla posici6nm_.s
alta.Remitasea la Secci6nde Funcionamiento.
Retirelos brochesdehorquilladela varilladecontrol,coloquelas
arandelasde gornaen sulugar.
Inserteel extrernom_.scorto,anguladode la varillade controla
travesde la m_nsuladel indicadorsobrela cubiertadecambios
y asegurecon el brochede horquillaquequitaraanteriormente.
Veala Figura4.
Empujeelcablea travesdelorificiodel centrode lamanijae
introduzcaa presi6nel accesoriopl_tstico.Veala Figura6.
Accesorio
_l_sti¢o
Arandel
de goma
J
Figure4
4. Inserteel extrernom_.slargodela varilladecontrola traves
delorificiode la manijaselectorade carnbiosy asegurecon un
pasadordechaveta.Veala Figura5.
ManUa
selectora de)
eatables
Chaveta
Soportedel indicador
Figure5
ACOPLE DEL CABLE DEL EMBRAGUE
1. Quiteel pernodeojo roscadoy la tuercadelextremodel cable.
2. Conduzcael cabledelembragueporel ladoderechode las
m_nsulasde montajedela manijay pordebajode lamanija.
Figure6
Retireeltornillodecabezaranurada,latuercay las dos arande-
lasplanasdelganchodelembrague.Veala Figura7.
Arandelas
Control de _lanas
embrague
Tubocon
rosca
interna
Figure7
5. Fijeel pernodeojo roscadoal ganchosujet_.ndolodesdearriba
con el tornillode cabezaranurada,las arandelasplanasy la
tuercadeseguridad.
6. Enrosqueel pernodeojo y la tuercaquequitaraanteriormenteen
el tubocon roscainternaqueest,.en elextremodel cable.Debe
enroscaruntrozodealrededorde 3/4".Aprietela tuercacontrael
tubo enel extremodelcable.Veala Figura7.
NOTA:No ajustedemasiadoelcable deembrague.Demasiada
tensi6npodriaromperlo.AsegQresedecomprobarel ajustedelcable
de ernbragueantesdehacerfuncionarlacultivadora.Consultela
p_.gina52 paraobtenerinstruccionesdeajustedel cable.
51

CONFIGURACION
El control y la Adici6n de Aceite
Elmotorseenvia sinaceiteenel motor.Usteddebe Ilenarel motor
conaceiteantesde operar.Elfundonamientodel motorcon elaceite
Ique podriaprodudr undaSoserioal motory anularla garantiadel
LProducto.
El UsoInicial
1. Retirela varillade nivelde Ilenadode aceite.
2. Coloqueel fim6na niveldel suelo,el usode unembudopara
vadar todoel contenidode la botellade aceitesuministradacon
la unidadenel motor.
3. Vuelvaa colocarla varillade nivelde Ilenadode aceitey apriete.
El control y la adici6n de aceite
1. Coloqueel manillarenuna superfidephna y nivelada.
2. Retireel tap6ndeIlenado/varillademedidSny Limpielavarilla.
V6asela Figura8.
r
Se debe
cargarentre
las marcas
denivelalto
y bajo.
Figura8
3. Insertelatapa/varillade medici6nenel cuellode Ilenadode
aceite,perono meterla patapulg
4. Retireel tap6ndeIlenado/varillademedici6n.Siel nivelesta
bajo,agreguelentamenteel aceitehastael niveldeaceiteentre
los registrosdealta (H) y baja(L),la Figura8.
NOTA: NoIleneen exceso.Sobrellenadode aceitepuedecausar
eltabaquismo,problemasde arranque,o unachispaincrustaciones
enchufe.
5. Vuelvaa colocary aprietelatapa /varillacon firmezaantesde
arrancarel motor.
NOTA: Nopermitaqueel niveldeaceitecaiga pordebajode lamarca
"L"en lavarilla.SiIo hace,puederesultaren realfuncionamientodel
equipoo daSos.
NOTA: Paracambiarel aceiteen su motor,consultela secci6n
Mantenimientodeeste manual.
Recomendaciones sobre el combustible
Utilicegasolinaparaautom6viles(sinplomoo bajocontenidode
plomoparaminimizarlosdepSsitosen lacAmaradecombusti6n)con
un minimode87 octanos.Sepuedeusargasolinacon hastaun 10%
de etanolo un 15%de MTBE(etermetilicoterciario-butilico).Nunca
use unamezdade aceitey gasolinanigasolinasucia.Evitequese
introduzcasuciedad,polvoo aguaenel tanquedecombustible.NO
utilicegasolinaE85.
• Carguecombustibleen unAreabienventiladay con el motor
apagado.No fumenipermitallamaso chispasen el lugardonde
se cargacombustibleo se almacenalagasolina.
• NoIleneenexcesoel dep6sitodecombustible.Despu_sde
cargarcombustible,asegQresedequeel tap6ndeldep6sitoest_
biencerradoy asegurado.
• Tengacuidadodeno derramarcombustibleal realizarla recarga.
Elcombustiblederramadoo susvaporesse puedenincendiar.
Si se derramacombustible,asegQresede queel Areaest_seca
antesdearrancarel motor.
• Eviteelcontactorepetidoo prolongadocon lapiely la inhalaci6n
de los vapores.
Carga de combustible
Tengamuchocuidadoaltrabajarcongasolina.Lagaso%aes
sumamenteinflamabley susvaporespuedencausarexplosiones.
Nuncaagreguecombustiblea lamAquinaen interioresni mientrasel
motorestAcalienteo enfuncionamiento.Apaguecigarrillos,cigarros,
pipasy otrasfuentesdecombusti6n.
1. AsegQresede motoralaire libreyen un Areabienventilada.
2. Limpieel Areaalrededordela tapade Ilenadodecombustibley
retirarel tap6ndeIlenadode combustible.
3. Elusode un recipienteparagasolinaautorizadosrojos,a_adir
poco a pocodecombustible,teniendocuidadode evitarque se
derrame.
4. Llenarel tanquehastaqueel combustibleIleguea la "llenode
combustible"marcadel indicador.Wa la Figura9.
VerArriba
52 Figure9

5. Vuelvaacolocarlatapadecombustibleyaprietebien.Lirnpie
losderrarnesdecombustibleantesdearrancarelmotor.Sise
derrarnacombustibleNOarranqueelmotor.Muevala rn_.quina
fueradel_.readederrarne.Evitarla creaci6nde cualquierfuente
deignici6nhastaque losvaporesdecombustiblese banido.
AJUSTES
Antesde operarsu cultivadora,leaatentarnentey curnplatodas
las instruccionesqueaparecena continuaci6n.Realicetodoslos
ajustesparaverificarque launidadest,.operandocon seguridady
correctarnente.
Cable del embrague
NOTA:El serviciodel motorconel aceitey la gasolinaantesde
cornprobarelajuste.Consulteel manualdeloperadordel motor
separadase incluyecon su tirn6ndecombustibleadecuadoy las
recornendacionesdeaceitedel motor.
1. Laposici6ndeltirn6nparaqueelcontrapesodelanterocontraun
objetos61ido,cornounapared.
2. Conlapalancadeselecci6ndernarchasenpuntornuerto,rnarchael
motor.Consulteelmanualdeloperadordelmotorpot separado.
3. Depieenel ladoderechodelacultivadora,examineelcintur6n(el
interiorde lacubiertadelacorrea).Nohayquegirar.
Nopongalos dedosbajola cubiertadela correa.
.Silacorreagirasinfianzacomprornetida,sedebeajustarpotdesen-
roscareltuboconroscainternaenelextrernodelcabledeunparde
vueltashacialaderecha-alestardepieenlaposici6ndeloperador-y
luegovolvera apretarlatuercacontraeltubo.WaselaFigura10.
7. Silas ruedasnogirancon el tirn6nen adelante,ajustepor
desenroscarel tuboen elextrernodelcablede unparde vueltas
a la izquierda-al estarde pieenla posici6ndeloperador-y
luegovolvera apretarla tuercacontrael tubo.
8. Vuelvaa revisarlosajustes,y reajustarsi es necesario.
9. Despu_sde cultivar,si losdientesdejande rnoverse,volvera
ajustarlos cables.
NOTA:Unajustedel cablesecundarioest,.disponiblesi se Ilega
al puntodequeel ajusteadicional.Veala secci6nde Servicioy
Mantenirnientode las instruccionesdeajustesecundario.
Manejar
Elmangodebeset ajustadode rnaneraquecuandolaca_aest,.
cavando3-4"enel suelo,el mangocaesobrelos residuosdealta.
Gireel controladorde ajustehaciaatr_.sde bloqueo,rnuevala palanca
a la posici6ndeseaday luegocolocadoen su sitiogirandoelbloqueo
de ajustede palancahaciaadelanteparaasegurarla rnanija.Wase la
Figura11.
Aflo
Bloqueo de
la Manija
de Ajuste
Figura11
.
6.
Figura10
Ahorarnuevala palancadecarnbiosa laposici6ndelantera.
Cuidadosarnenteel ernbraguernedianteel levantarnientode la
fianzade controldeernbraguecontrael larguero.Las ruedas
debengirar.
53

Manijaselectora
decambios
Traba de ajuste de
manija embrague
Silenciador
Filtro de aire
Tap6n de
Estaca de
profundidad
Tap6n de
Ilenado y varilla
del nivel de
aceite Protector
lateral
Protector de
dientes trasero
Ahoraquetiene lacultivadorapreparadaparafuncionar,farniliaricese
con loscontrolesy funciones.Encontrar_.lasdescripcionesen las
siguientesdos p_.ginasy las ilustracionesen_sta. Esteconocirniento
le perrnitir_,utilizarsu nuevoequipoa su rn_.xirnacapacidad.
AIoperarunacultivadoraes posiblequearrojeobjetosextra_osa
los ojos,Io cual podriacausarleslesionesgraves.Utilicesiernpre
los anteojosde seguridadcon estaunidado protectoresparaojos
lrn entras abray rnentrastea za ajusteso reparacones.
Figura12
CONTROL DEL ACELERADOR
MANIJA DEL ARRANCADOR DE RETROCESO
Estarnanijase utilizaparaarrancarel motor.
FILTRO DE AIRE
Elfiltrode airees undispositivode latornadeairedel motorque
irnpidelaentradadepolvoy suciedadenel motor.Veala Figura12.
SILENCIADOR
Elescapedelmotorsaledelmotoratravesdelsilenciador.VealaFigura12.
CONTROL DE EIVIBRAGUE
Elcontroldel ernbragueest,.ubicadodebajodela rnanija.Para
engranarlos rnecanisrnosdelas ruedasy de latransrnisi6nse aprieta
elcontroldelernbraguecontrala rnanija.Veala Figura12.
J
Elcontroldelaceleradorqueregulala velocidaddelmm_otory se apaga
el motorcuandose rnueveen la posici6nde parada_. Elcontroldel
aceleradorse rnueveentree_apido ,_t(conejo), lento_ (tortuga)
y las posicionesde parada_.
CONTROL DE OBTURADOR
Activarelcontroldelobturadorsecierra lav_.lvuladelestrangulador
del carburadory ayudaa arrancarel motor.Lasdiapositivaspalanca
obturadorentrecarrera! Y pos c onesestrangu adorII I
Cumple con los est_ndares de seguridad de ANSI
LascultivadorasCraftsmancurnplencon las norrnasde seguridaddel InstitutoNacionalArnericanode Norrnalizaci6n(ANSI).
54

TAPON DE LLENADO YVARILLA DEL NIVEL
DE ACEITE
Es posiblecontrolarel niveldeaceitedel motor,asi cornotarnbi_n
agregaraceite,a travesdel Ilenadode aceite.Veala Figura12.
NOTA:EstaunidadseentregaSINaceiteenel motor.Se incluye
aceiteen la bolsapl_sticaernpacadaconel manualde la unidad.
Agregueaceitecornose indicaen lasecci6nCargade gasolinay
deaceite.Controleel nivelde aceiteantesde cadaoperaci6npara
asegurarsede quehayaaceitesuficienteen el motor.Pararn_s
inforrnaci6n,consultelas instruccionesdela secci6nMantenirniento
delmotorde estemanual.
MANIJA SELECTORA DE CAMBIOS
PARA ARRANCAR EL MOTOR
1. Conectecable dela bujiay la botade gornaa labujfa.
2. Lleneel tanquea no rn_.sde 1/2 "debajodelrondodelcuello
de Ilenadoparaproporcionarespacioparala expansi6ndel
combustible.
3. Coloquelapalancadeselecci6nde rnarchasen puntornuerto.
4. Moverlapalancadel estranguladoren el motorse estrangulador
_/_iP°sici6n' (Un puedenorequerir asfixia.)
motorcaliente de
ase elgr_.fico13.
........................... i
La rnanijaselectoradecarnbiosestAubicadaenla partefrontal
delrnontajede larnanija.SeutilizaparaseleccionarNEUTRAL,
REVERSE(Marchaatr_s),o unode losrnodosde FORWARD
(Marchadirecta).Veala Figura12.
ESTACA DE PROFUNDIDAD
Estapalancacontrolala profundidadde labranzade losdientes.Tire
delpasadorde chavetahaciaafueradel pasadorde horquillapara
ajustarle profundidadde la labranzaacincoajustesdiferentes.Veala
Figura12.
TRABA DE AJUSTE DE LA MANIJA
La rnanijapuedeajustarsea la alturadeseadadestrabandola traba
deajustede la rnanija,luegornoviendolasbarrasdela rnanijaa la
posici6ndeseaday luegovolviendoa trabarlatrabade ajustede la
rnanija. Veala Figura12.
PROTECTOR DE DIENTES TRASERO
Elprotectorde dientestraseroprotegealoperadordelos deshechos
quevuelany al rnisrnotiernpoaplananel sueloreci_nlabrado.Veala
Figura12.
PROTECTOR LATERAL
Elprotectorlateralsirvepararnantenerhilerasdefinidasy parejasy se
puedeajustaren unadecincoposicionesdiferentes.Veala Figura12.
DIENTES
Losdientesde lacultivadorason unaseriedeazadasalineadasenun
ejegiratoriode potencia.
Aceleradorl ............
...........
Estrangulado=
J
Figura13
5. Muevael controldelaceleradora laposici6nde rapido_ .Vea
laFigura13.
6. Depieen el ladode la unidad,sujetelarnanillade arranquey tire
de lacuerdahastaquese sientaunacarga.
7. Tirar dela cuerdacon unarespuestar&pida,carreracontinua,
todo el brazo.MantenerunfirrnecontrolsobrelaernpuSadurade
arranque.Dejequela cuerdase retraigalentarnente.
8. Repitasi es necesario,hastaqueel motorarranque.Cuandoel
motorarranca,se rnuevenestranguladorgradualrnentehaciala
posici6nrnarcha14'I.
9. Siel motorfalla,se rnuevenestranguladorhaciala posici6nde
estranguladory repitalos pasosdel5 al 8.
10. SIEMPRErnantengael controldelacelerador_ enla posici6n
rapidoduranteel usodeltirn6n.
PARA DETENER EL MOTOR
1. Paradetenerlasruedasy losdientes,suelteelcontroldelembrague.
2. Moverla_alancade controldelaceleradoren la posici6nde
parada_. Siernpreque seaposible,reducirgradualrnentela
velocidaddelmotorantesdepararel motor.
3. Moverlapalancade controldelaceleradora laposici6nde
parada_.
4. Desconecteel cablede la bujiay tierracontrael motorparaevitar
unarranqueaccidentalrnientraselequipoest&sinvigilancia.
55

PARA ENGRANAR LA TRANSMISION YLOS DIENTES
Noempujehaciaabajosobrelasbarrasde controlparaintentarhacel
quelacultivadoralabremAsprofundo.Estoevitaquelas ruedas
retenganlacultivadoray puedapermitira los dientespropulsarla
cultivadorar_.pidamentehaciaadelante,Io cual podriaocasionarla
perdidadecontrol,daSosmaterialeso lesionespersonales.
1. Paraun movimientohaciaadelantede las ruedas,utilicela
manijaselectorade cambiosy parapropulsarlos dientestire del
controldelembraquehaciaarribacontralabarradecontrol.
2. Cuandorealicelalabranza,dejeque las ruedastirende la
m_.quinamientraslosdientescavan.Caminelentamentedetr_.s
de lacultivadorapermitiendoquese muevaa su propioritmo
manteniendola barradecontrolbiensujetacon loscodos
fiexionados.
3. Sueltelamanijaparadetenerlas ruedasy losdientes.
Paraconducirhaciaatr_.s:(No realicelabranzamientrasse desplaza
marchaatr_.s.)
1. Libereel controldelembrague.Luegolevantela barradecontrol
hastaque losdientesse separendel suelo.
2. Tire haciaatr_.sde lamanijaselectoradecambiosy camine
retrocediendocon lam_.quina.
NOTE: Enmodomarchaatr_.s,los dientesinvertir_.nla rotaci6n.
DAR LA VUELTA CON LA CULTIVADORA
1. Practiquedarla vueltacon la cultivadoraenun _.reaabiertay
nivelada.Tongacuidadoparamantenerlos pies y las piernas
lejosde losdientes.
2. Paracomenzara voltear,levantelas barrasdecontrolhastaque
los dientesse separendel sueloy el motory losdientesest_n
balanceadosporencimade las ruedas.
3. Con lacultivadoraequilibrada,empujehaciael costadosobrela
barrade controlen ladireccidnenquese est,.volteando.Luego
dedar lavuelta,introduzcalentamentelos dientesen elsuelo
parareiniciarla labranza.
AJUSTE DE LA PROFUNDIDAD
La profundidadde labranzaest,.controladaporla estacade
profundidadquese puederegularen cincoposicionesdiferentes.
Ajustelos protectoreslateralesal regularlaestacadeprofundidad.
•Cuandouse la cultivadoraporprimeravez,utiliceel segundo
orificiode ajustedearriba(1"de profundidadde labranza).
Parafracturarel c_spedy paracultivosuperficial,utilicela
posicidnqueofrece1"de profundidaddelabranza(segundo
orificiode arriba).Coloquelos protectoreslateralesen su
posici6nm_.sbaja.
• Paramayorprofundidad,levantela estacay los protectores
lateralesy tambi_nhagaunao dos pasadasm_.ssobreel _.rea.
• Paralabrartierrasuelta,puedelevantarlaestacadeprofundidad
a su posicidnm_.salta (utiliceel orificiode regulacidninferior)
paraobtenerla mayorprofundidadde labranza.Subalos
protectoreslateralesa su posici6nm_.salta.
• Paratransportarla cultivadora,bajela estacade profundidad
(utiliceel orificiode de regulacidnsuperior).
Pararegularlaestacadeprofundidad,retireel pasadorde horquillay
el pasadordechaveta.Muevalaestacadeprofundidada la posici6n
deseaday fije con el pasadode horquillay el pasadordechaveta.Vea
la Figura10.
Pararegularlos protectoreslaterales,saquelastuercasde mariposa.
Muevael protectorlaterala la posici6ndeseaday vuelvaa colocarlas
tuercasdemariposa.Ajustebien.Veala Figura14.
Figure14
Paraajustarla protecci6nlateral,quitarlas tuercasde mariposa.
Moverla protecci6nlaterala la posici6ndeseaday vuelvaa colocar
las tuercasde mariposa.Ajustecon firmeza.Consultela Figura15.
/
Tuerca de
Escudo de
:' mariposa
,' lado
Figure15
AJUSTE DE LA ALTURA DE LA lVlANIJA
Elmangodebeser ajustadode rnaneraquecuandolaca_aest,.
cavando3-4 "onel suelo,el mangocae sobrelos residuosde alta.
Consultela secci6nde la Asambleadeestemanualparaobtener
instruccionessobrec6moajustarelmango.
56

ELIMINACION DE LOS DIENTES
Antesdedespejarlosdientesa mano,detengael motor,dejeque
todaslas partesen movimientose detengany desconecteel cable
de la bujia.Si nose observaestaadvertenciase puedenproducir
lesionespersonales.
•Losdientestienenunaacci6nde auto-limpiezaqueeliminala
mayorpartedeIo intrincadode los escombros.Sinembargo,la
hierbasecadevezen cuando,lostallosfibrososo enredaderas
resistentespuedenenredarse.Sigaestospasosparaayudara
evitarque seenredey paralimpiarlos dientes,si es necesario.
•Parareducirenredos,ajusteel reguladorde profundidadIo
suficientementeprofundoparaobtenerel mnaximo"cortar"la ac-
ci6ncomolos dientescortanel materialcontrael suelo.AdernAs,
tratehastaen residuosde cosechao loscultivosde cobertura,
mientrasquesonde colorverde,hOmedoy blando.
•Mientrasquela labranza,tratede vaivendel manillarde ladoa
lado(alrededorde6 "a 12").Este"coleando"laacci6na menudo,
mejoralos dientesde losescombros.
SUGERENCIAS Y TleCNICAS DE LABRANZA
Antesde lalabranza,p6ngaseencontactocon la compa_ia
telef6nicao de serviciosy preguntesi se encuentraequipamiento
o lineassubterr_neasen suterreno.No realicelabranzacercade
dondehaycablesel_ctricos,lineastelef6nicas,ca_oso mangueras
enterrados.
la profundidad de la labranza
• Estaes unacultivadoradelabranzacon dobledirecci6n(DDT).
A medidaquelas ruedastiran haciaadelante,los dientesrotan
haciaatr&s.A medidaquelas ruedastiran haciaatr&s,los
dientesrotanhaciaadelante.Estocreaunaacci6nde "gancho"
delos dientesquecavanen profundidad,arrancandode raiz
sueloy malezas.1/osobrecargueel motor,encambiocave
tan profundamentecomopuedaen cadapasada.Enpasadas
posterioreslas ruedaspuedentendera girarsobrelatierra
suelta.AyOdelaslevantandoligeramentelabarradecontrol(una
mano,la palmahaciaarriba,funcionacon muchafacilidad).
• Evitelatentaci6ndehacerpresi6nsobrelas barrasdecontrol
paraforzara lacultivadoraacavarm&sprofundo.Estoquita
pesoalas ruedascon potencia,haci_ndolesperdertracci6n.
Sinlas ruedaspararetenerlacultivadora,los dientesintentar&n
propulsarlacultivadorahaciaeloperadorodistanci&ndosedel
operador.
AI realizartareasde labranza(rompiendola superficiede suelo
alrededordelas plantasparadestruirlasmalezas,veala Figura
16),ajustelos dientesparacavarOnicamentea unaprofundidad
de 1a 2pulgadas.Lalabranzaa pocaprofundidadayudaa
evitarlesionesalas plantascuyasraicesa menudocrecen
cercade lasuperficie.Sies necesario,levantelas barrasde
controlligeramenteparaevitarquelos dientescavendemasiado
profundo.(Lalabranzaregularno s61oeliminamalezas,sino
queadem&saflojay aireael sueloparamejorabsorci6nde la
humedady crecimientom_.sr&pidode las plantas).Si se riega
el _.readeljardinunoscuantosdfasantesde la labranzase
facilitar&estatarea;tambi_nse contribuyepermitiendoalsuelo
reci_ntrabajadoasentarseporunoo dosdias antesde la pasada
final,profunda,de lacultivadora.
Figure16
Elecci6n de la velocidad correcta para las ruedas
ylos dientes
Conexperiencia,podr_encontrarlacombinaci6nde profundidady
velocidaddelabranzam&sadecuadaalas necesidadesde sujardin.
Ajustelapalancadel reguladordel motora unavelocidadqued_al
motoradecuadapotenciay queal mismotiempole permitafuncionar
a la menorvelocidadposiblehastaquehayaalcanzadola m_.xima
profundidadde labranzadeseada.AI realizarlas pasadasfinales
a travesdellechode siembrao al realizarla labranzatal vezsea
deseableutilizarvelocidadesm&sr&pidasdelmotor.Laselecci6n
de lavelocidadcorrectadel motor,en relaci6ncon la profundidadde
labranza,asegurar&un niveldepotenciasuficienteparahacerlatarea
sinsometeral motora excesivaexigencia.
57

IViodelos de labranza sugeridos
• AI prepararel lechodesiernbra,recorrala rnisrnasendados
vecesenla prirnerahilera,luegotraslapela rnitaddel anchode la
cultivadoraen el restodelas pasadas.VealaFigura17.
Si las dirnensionesdeljardin noperrnitenlalabranzaen sentido
longitudinaly luegotransversal,traslapelas prirneraspasadas
por larnitaddelanchode lacultivadora,continuandocon
sucesivaspasadasa un cuartodelancho.Veala Figura19.
Figure17
Cuandoterrnineenunadirecci6n,realiceunasegundapasada
en_.ngulorecto,vea la Figura18.Traslapecada pasadapara
obtenerel rnejorresultado(enterrenornuyduro, puedeser
necesariorealizartreso cuatropasadasparapulverizarel suelo
afondo).
tmmmm m
_m_m
_ _ m m
Figure18
Figure19
Labranza en pendiente
Nooperelacultivadoraen unapendientedernasiadoernpinadapara
unaoperaci6nsegura.Realicelalabranzalentarnentey asegQrese
deestarfirrnernenteparado.Nuncaperrnitaquela cultivadorase
desplaceconlas ruedaslibrescuestaabajo.Si nose observaesta
advertenciase puedenproducirlesionespersonales.
1. Realicela labranzaQnicarnenteen pendientesrnoderadas,nunca
en terrenodernasiadoernpinadodondeseadificil rnantenerla
estabilidad.
2. Se recorniendalabrarsubiendoy bajandolas pendientesen lugar
de hacerloen forrnadeterrazas.La labranzaverticalen una
pendienteperrniteun_.reamaximade plantaci6ny adern_.sdeja
espacioparael cultivo.
NOTA:Cuandorealicelalabranzaenpendientes,aseguresedernantener
el niveldeaceitecorrectoenel motor(controlecadamediahorade
funcionarniento).Lainclinaci6ndelapendientehacequeelaceitese
rnuevaensentidooblicuorespectodesunivelnormaly estopuede
subalirnentarciertaspartesdelmotorquerequierenlubricaci6n.Mantenga
el niveldeaceitedemotorenelpuntorn_.saltoentodornornento.
Labranza cuesta arriba y cuesta abajo
1. Pararnantenerlaerosi6ndelsueloal rninirno,asegQresede
agregarsuficienternateriaorg_.nicaal sueloparaque rnantenga
un nivelde hurnedadadecuado,y tratedeevitardejarpisadaso
rnarcasde ruedas.
2. AI realizarla labranzaverticalrnente,tratede hacerlaprirnera
pasadahaciaarribaya quela cultivadoracavaconmayor
profundidadcuandosubequecuandobaja.Ensueloblandoo
dondehayrnalezas,puedesernecesarioquelevantelas barras
de controllevernenteal ir cuestaarriba.AI realizarla labranza
cuestaabajo,traslapela prirnerapasadaenaproxirnadarnentela
rnitaddelanchode lacultivadora.
58

Jardineria en terrazas
1. Paracrearunaterraza,cornienceen la cirnadela pendientey
trabajehaciaabajo. Recorrala prirnerahilerahaciaatr_.sy hacia
adelante.Veala Figura20.
\
2.
!q, ,O
O
|_ REPITA
Figure20
Eltrabajoencada terrazainferiorsucesivacornienzacarninando
enla terrazadebajode laqueest,.preparando.Paramayor
estabilidaddela cultivadora,siernprernantengala ruedacuesta
arribaen el sueloblando,reci_nlabrado.No realicela labranza
enlas Qltirnas12"o rn_.sdel bordeexteriorcuestaabajode cada
terraza.Estafranjasin labrarayudaa evitarquelas terrazasse
quiebreny desintegrencuestaabajo.Tarnbi_nproporcionauna
sendaparacarninarentrelas hileras.
Carga ydescarga de la cultivadora
Lacargay descargade la cultivadoraenun vehiculoes
potencialrnentepeligrosay nose recorniendaa rnenosque sea
absolutarnentenecesario,ya queestopodriaresultarenlesiones
personaleso da_osrnateriales.
Sidebecargaro descargarlacultivadora,sigalas pautasquese
surninistrana continuaci6n.
• Antesdecargarlao descargarla,apagueel motor,esperea que
todaslas piezasse detengan,desconecteelcablede la bujiay
dejequeel motory elsilenciadorse enfrien.
• Lacultivadoraes dernasiadopesaday volurninosaparaque una
personala levantecon seguridad.Doso rn_.spersonasdeben
repartirselacarga.
• Userarnpasresistentesy hagarodarlacultivadorarnanualrnente
(conel motorapagado)parasubirlao bajarladel vehiculo.Para
realizarestose necesitandos o rn_.spersonas.
• Lasrarnpasdebenser Io suficienternentefuertescornopara
soportarel pesocornbinadode lacultivadoray de loscargadores.
Lasrarnpasdebenproporcionarbuenatracci6nparaevitar
resbalones,debentenerrieleslateralesparaguiarlacultivadora
a Io largodelas misrnasy debenestarequipadascon un
dispositivode sujeci6nquelas sujetealvehiculo.
• Loscargadoresdebenusarcalzadoresistentequelos ayudea
evitarresbalones.
• Posicioneel vehiculodecargade rnodoqueel _.ngulodela
rarnpasea Iorn_.spianoposible(cuantornenosinclinadaseala
tampa,rnejor).Apagueel motordel vehiculoy pongael frenode
estacionarniento.
• AI subir rarnpas,p_.reseenposici6nde funcionarnientonormal
detr_.sdela cultivadoray ernpQjela.Unapersonaa cadalado
debehacergirarlas ruedas.
• AI bajarrarnpas,carnineretrocediendoconla cultivadoraen
retaguardia.Mant_ngasealerta porsi hayalgQnobst_.culodetr_.s.
Posicioneunapersonaencada ruedaparacontrolarla velocidad
de lacultivadora.Nuncabajelatampaconla cultivadoraen
primerlugar,ya quela rn_.quinapodriavoltearsehaciaadelante.
• Coloquebloquesdernaderadel ladode las ruedaspendiente
abajosi necesitadetenerlacultivadorarnientrasbajapor la
rarnpa.Adern_.s,use los bloquespararnantenerlacultivadora
ternporariarnenteen su lugaren las rarnpas(encasode ser
necesario),y paracalzarlas ruedasen sulugarunavezquela
cultivadorase encuentreen el vehiculo.
• Despu_sde cargarlacultivadora,eviteque larnisrnase
rnuevatrabandolas ruedasconbloquesy ajustefirrnernentela
cultivadorahaciaabajo.
59

PROGRAMA DE MANTENIMIENTO
Antesderealizarcualquiertipodemantenirnientoo servicio,
desenganchetodosloscontrolesy detengael motor.Esperea quese
detengancornpletarnentetodaslaspiezasrn6viles.Desconecteelcable
delabujfay p6ngalohaciendornasacontrael motorparaevitarquese
enciendaaccidentalrnente.Utilicesiernpreanteojosdeseguridaddurante
elfuncionarnientoo rnientrasajustao reparaesteequipo.
Cadauso 1. Nivelde aceitedel motor
1ras 2 horas
l ras5 horas
Cada 10horas
Cada25 horas
Cada30 horas
Cada50 horas
Cada 100horas
Antesde alrnacenar
2. Piezassueltasofaltantes
3. Motory alrededordelsilenciador
4. Purificadordeaire
1. Tensi6ndela correadetransrnisi6n
2. Tuercasy pernos
1. Aceitedel motor
1. Tensi6ndela correadetransrnisi6n
2. Unidad
1. Bujiadeencendido
1. Desgastedelosdientes
2. Presi6nde losneurn_.ticos
1. Aceitedel rnotort
1. Purificadordeaire
2. Bujfadeencendido
1. Sisternadecombustible
Carnbieel aceitecadaveinticincohorassi el motortrabajacon carga
siernpredetengael motory desconecteel cablede labujiaantes
de hacercualquiertipo de rnantenirnientooajustes.Utilicesiernpre
lanteojosdeseguridadduranteel funcionarnientoo rnientrasajustao
[reparaesteequipo.
RECOMENDAClONES GENERALES
•Siernpreobservetodaslas reglasde seguridadquese
encuentranen las etiquetasdel productoyen el manualdel
operadorcuandovaa realizarrnantenirniento.Las reglasde
seguridadseencuentranen lasetiquetasdel productoyen este
manualdeloperadora partirde laCgina 3.
•Lagarantiadeestacultivadornocubreelernentosquehan
estadosujetosal rnalusoo negligenciadel operador.Pararecibir
el reintegrototalde lagarantia,el operadordeber_,rnantener
elequipotal cornose indicaen estemanual.
•Algunosajustesdebenser realizadosperi6dicarnenteparael
mantenirnientoadecuadodela unidad.
•Reviseperi6dicarnentetodoslos sujetadoresy cornpruebeque
est_nbienajustados.
Sigael cronograrnade rnantenirnientoquese presentaa continuaci6n.
Estatabla s61odescribepautasdeservicio.Utilicelacohrnna Registro
de Servicioparahacerel seguirnientode lastareasdernantenirniento
cornpletadas.Paraubicar el Centro de Servicio Sears m_s cercano
oparaprograrnarun servicio, simplemente comuniquese con
Sears al tel_fono
1-800-4-MY-HOME®.
1. Verificar
2. Ajusteo reernplace
3. Lirnpieza
4. Verificar
1. Verificar
2. Verificar
1. Carnbiar
1. Verificar
2. Lubrique
1. Verificar
1. Verificar
2. Verificar
1. Carnbiar
1. Carnbiar
2. Carnbiar
1. Hacerfuncionarel motorhastaque sedetenga
porfaltade combustibleo agregaraditivopara
gasolinaa la quese encuentraenel tanque.
)esadao a ternperaturaselevadas.
MANTENIMIENTO DEL MOTOR
NOpruebelachispasi noest,.la bujiade encendido.NOd_
arranqueal motorsi noest,. labujiade encendido.
Control de la bujia de encendido
Siel motorha estadofuncionando,el silenciadorestar_,rnuycaliente.
Tengacuidadode notocarel silenciador.
Paraasegurarsede queel motorfuncionebien,la bujiadebetener
una separaci6ncorrectay debeestarlibrededep6sitos.Controlela
bujiacada 25horasy reernpl_.celacada100horas.
6O

Retirela fundadebujiay utiliceunaIlaveparabujiasparaextraer
la bujia.Veala Figura26.
Bujia de
encendido
IVlantenimiento del filtro de aire.
Nuncausegasolinao solventesde puntodeencendidobajopara
lirnpiarel elernentodeldepuradorde aire. Podriaproducirseun
incendioo exjolosi6n.
Elfiltrodeaireevitaelingresoalcarburadordesuciedad,polvo,etc.
perjudicialesy evitaquelosrnisrnosseanintroducidosdentrodelmotor.
Adern_.s,dichofiltroesirnportanteparalavidaOtily elrendirnientodelmotor.
Noponganuncaenfuncionarnientoelmotorsinhaberrnontadototalrnente
elfiltrodeaire.Verifiqueeldepuradordeaireantesdecadauso.
Losfiltrosde papelno sepuedenlirnpiar.Sedebenreernplazar
unavezal aEoo cada 100horasdefuncionarnientoy con mayor
frecuenciasi seutilizanen lugaresdondehay grancantidadde polvo.
1. Oprirnala pesta_ade latapa delfiltrode aire,levantelatapay
retireel filtro.Veala Figura23.
.
.
Figura21
Inspeccionevisualrnentela bujfa.Elirninela bujfasi presenta
rnuchodesgaste,o si el aislanteest,.agrietadoo astillado.Lirnpie
la bujfacon un cepillode alarnbresi seva a reutilizar.
Midala separaci6ndebujiacon uncalibrador.Corrijade ser
necesariotorciendoel electrodolateral.Veala Figura22. La
separaci6ndebeestablecerseen0,030pulg.
Electrodo
0,02=0,03 pulg.
====_= _====== 0.60=0.80 mm
Figura22
4. Verifiquequelaarandeladela bujfaest_en buenascondicionesy
coloquelabujiaenrosc_.ndolaa rnanoparanoestropearla rosca.
5. Unavezquela bujiaest,.asentadaen sulugar,ajustecon una
Ilaveparabujiaparacornprirnirlaarandela.
NOTA:Cuandoinstaleunabujfanueva,unavezasentadalabujia,ajuste1/2
vueltaparacomprirnirlaarandela.Cuandovuelvaacolocarunabujiausada,
unavezasentadalabujiaajuste1/8-1/4devueltaparacornprirnirlaarandela.
Labujiadebeestarfirrnernenteasegurada.Si la bujianoest,.bien
aseguradapuedecalentarsernuchoy da_arel motor.
Elemento de
espuma
Tapa del
filtro de Filtro
aire deaire
Figura23
2. Desecheel filtrodeaire usado.
3. Instaleel filtrodeairenuevo.
4. Cierrelacubierta.
NOTA:si el filtroest,.rotoo daSado,c_.rnbielo.
Limpieza del motor
No rode el motorconaguaparalirnpiarloporqueel aguapodria
contarninarelcombustible.Sise utilizauna rnangueradejardino
equipodelavadoa presi6ntarnbi_npuedeentraraguadentrode la
aberturadelsilenciador.Elaguaquepasaporel silenciadorpuede
ingresarenel cilindro,causandodaSos.
Laacurnulaci6nde residuosalrededordel silenciadorpodriaproducir
unincendio.Inspecci6neloy lirnpieloantesdecada uso.
Siel motorhaestadofuncionando,d_jeloenfriarduranteporIo
rnenosmediahoraantesde lirnpiarlo.Dernaneraregular,elirninela
acurnulaci6nde suciedaddel motor.Lirnpiealrededordel silenciador.
61 Lirnpiecon uncepilloo airecornprirnido.

Inspeccione el aceite del motor
1. Reviseel aceiteantesdecadauso.Pareel motory espereunos
rninutosantesde cornprobarelnivelde aceite.Conel motora
niveldelsuelo,el aceitedebeser de rnarcaFULLen lavarilla.
2. Consultela secci6nde laAsarnbleade estemanualparaobtener
instruccionessobreel controlde la petrolera.
Cambie el aceite del motor
• Consultelatabladeviscosidad(Figura24)paralas
recornendacionesdelpetr61eo.NoIlenedernasiado.Useun4
tiernpos,o undetergentedealtaequivalente,de prirneracalidadel
aceitede motorcertificadoparacurnpliro excederlos requisitosde
EE.UU.fabricantedeautorn6vilesparala clasificaci6nde servicios
deunnivelrninirnodeSF o SG(calificacionesrn_.saltasNota
es aceptablecornoSJ, SLy losgradosSM). Elaceitedemotor
rnostrar_,estadenorninaci6nenelenvase.
o
F-
0
Cvl
Lt_
.__z __ i12;__1
_u
_J .'_
(°C) =30°=20o=10o 0o 100 200 300 400
(oF)-200 0o150 300 500 700 850 1050 j
Figura24
NOTA: Noutiliceaceitesin detergenteo aceitede 2 tiernposmotor.Se
podriaacortarlavida delmotorde servicio.
• Cambiarelaceitedelmotordespuesdelosprimeroscincoaochohoras
deoperaci6n,ycadacincuentahoraso cadatemporadaapartirde
entonces.Cambiodeaceitecadaveinticincohorasalfuncionamientodel
motorbajocargapesadaoenaltastemperaturas.
Drenaje del aceite
vacio.
Elaceiteusadodelmotorpuedecausarcancerde pielsi entraen
contactoconla pieldernanerareiteraday porperiodosprolongados.Si
bienestoes improbablearnenosquernanipuleaceiteusadotodoslos
dfas,sinembargoes recornendablelavarsebienlasrnanoscon aguay
1. Dreneel combustibledeltanquehaciendofuncionarel motor
hastaqueel tanqueest_vado. AsegQresedeque latapa de
Ilenadodecombustiblees seguro.
2. Con el motorapagadoperoaQncaliente,desconecteelcablede
bujiay rnant_ngaloalejadode labujia.
3. Coloqueunernbudoen eldrenajedeaceiteparaevitarqueel
aceiteenel marcodetirn6n.Wase la Figura25.
Drenaje
del aceite
Figura25
4. Elirninarde drenajede aceitetapa situadaenla basedelmotor,y
drenarel aceiteen un recipienteapropiado.Wase la Figura25.
Elaceiteusadoes un residuopeligroso.Desecheel aceiteusadocot-I
rectarnente,no se deshagadela basuradorn_stica.Consultecon las
autoridadeslocaleso Centrode ServicioSearsparala elirninaci6n I
se ura/recc ado.
5. Vuelvaa colocary aprietela tapade drenajedeaceite.
6. Cuandoel motorsevaciadetodo el aceite,el nivelde motorde
su lugar.Vuelvaa Ilenarcon aproxirnadarnente20oz de aceite
nuevo.Llenehastala lineaFULLen lavarilla.NoIleneenexceso.
Consultela secci6nCornprobaci6ny adici6ndeaceiteen esta
secci6ndela Asarnblearnanuales.
7. Lirnpieel excesodeaceitesobreelbastidory motor.
8. Vuelvaa colocarel cablede bujfaantesde cornenzar.
Lubricaci6n de la transmisi6n
Latransrnisi6nseentregapreviarnentelubricaday selladaenf&brica.
No requiereverificaci6na rnenosque sedesarrnelatransrnisi6n.Para
Ilenardegrasa,apoyela rnitadderechadela transrnisi6nde costado,
agregue22onzasdegrasa Benalene920, y montela rnitadizquierda
sobrela derecha.Vayaa unCentrode ServicioSearsautorizado
paraquele carnbienel aceitede la transrnisi6no paraprograrnar
un servicio,sirnplernentecornuniquesecon Searsal tel_fono
1-800-4-MY-HOME®.
62

LUBRICACION
Despu_sde cada 10horasde funcionarniento,aceiteo engraselos
puntosde lubricaci6n-Useaceitelubricantelirnpio(esadecuado
el aceitepararnotoresde peso#30) y grasade usogenerallirnpia
(es preferiblegrasaquecontengaunlubricantede metal,si hay
disponible).Veala Figura26.
la barra de
control Palanca del
ulador de
profundidad
Eje de las
ruedas Eje de los
di_nt_ J
Figura26
•Retirelas ruedas,lirnpieeleje delas ruedasy apliqueleunacapa
delgadadegrasa.
•Engrasela parteposterior,el frentey los ladosde la palancadel
reguladorde profundidad.
•Retirelos dientesy lirnpieel ejede losdientes.Useuna limao
papelde lijaparaquitarsuavernentecualquier6xido,rebabas
o asperezas(especialrnentealrededordelos orificiosdeleje).
Apliquegrasaa losextrernosdelejeantesdeinstalarlos dientes.
•Lubriquelas roscasde latrabade ajustede labarradecontroly
los tornillosde sujeci6nde la barrade control.
•Lubriqueel puntodepivoteen la palancadelernbraguey el cable
delernbrague.
PRESION DE LOS NEUiVlATICOS
Verifiquela presi6ndeaireenlos dosneurn_.ticos.Lapresi6ndeaire
sedebeencontrarentre15PSIy 20 PSI.Mantengalosdosneurn_.ticos
infladosdeforrnaparejaparaevitarquelarn_.quinatire haciaunlado.
HARDWARE
Antesde Ilevara cabo alg_ntipo de rnantenirnientoenla rn_.quina,
dejequetodaslas piezassedetengany desconecteel cablede la
bujia. Sino seobservanestasinstruccionesse puedenproducir
lesionespersonaleso daEosrnateriales.
Verifiquesi hayherrajessueltoso faltantescada 10horasde
operaci6ny ajQsteloso c_.rnbielos(segQnsea necesario)antesde
volvera usarla cultivadora.AsegOresede inspeccionarlostornillos
queest_.ndebajode la cubiertadela cultivadoraquesujetanla
cubiertade latransrnisi6ny la palancadel reguladordeprofundidada
la transrnisi6n.
CANIBIO DE CORREA
Sucultivadoraha sidoequipadacon unacorreadise_adaparauna
vida Otilprolongaday un6ptirnorendirniento.UseOnicarnentecorreas
autorizadasporel fabricante,ya quelas correasgen_ricaspuedenno
desernpe_arsesatisfactoriarnente.El procedirnientorequierehabilidad
rnec_.nicamediay herrarnientashabitualrnentedisponibles.
Parareernplazarlacorreadetransrnisi6n,sigaestospasos:
1. Saquelacubiertade lacorreadesdeel ladoizquierdode la
cultivadoraextrayendolosdos tornillosde lapartesuperiorde la
cubierta.Veala Figura27.
Tornillos
Tornillo Tuerca y arandela
Figura27
Retireconcuidadolatuercahexagonaly la arandelaplanadel
ladofrontaldela cubiertadela correa.Extraigael tornillode
cabezahexagonalen la parte )osteriorde lacubierta.Veala
Figura27.
Retireelconjuntodelguardacorreasdela correaubicadodetr_.s
de la _oleadelmotorextrayendolosdos pernoshexagonalesy
lasarandelasdeseguridad.Veala Figura28.
Correa
//
motor
Polea Iota
J
63 Figura28

4. ExtraigalapoleaIocaretirandoelpernoylatuerca.
VealaFigura28.
5. Extraigalacorreausadaeinstaleunanueva.Sigalasinstruc-
cionesenordeninversaparareinstalarelguardacorreasyla
cubiertadelacorrea.VealaFigura28.
NOTA:AIvolveraarrnar,cerci6resedequelacorreapasesobrela
poleaIocayperdentrodelosguardacorreasjuntoalapoleadelmotor.
DIENTES
Losdientesse desgastanconel use y se los debeinspeccionaral
cornienzode cadaternporadade labranzay a intervalosde 30betas
defuncionarniento.Losdientesse puedenreernplazar.Consulteel
n_rnerode piezaen la secci6nListade piezasde estemanual.
Inspecci6n de los dientes
Conel use,losdientesseacortan,se angostany vuelven
puntiagudos.Elusede dientesrnuydesgastadosresultar_,en p_rdida
de profundidadde la labranzayen rnenoreficaciaparacortary girar
debajode larnateriaorg_.nica.
Retiro/Instalaci6n de un conjunto de dientes
1. Retirelas cubiertasde losextremesy los protectoreslateralesdel
protectordelos dientessacandolastrestuercasrnariposaqueIo
sujetana cadalade.
2. Unconjuntode dientesconstade unconjuntode dientes
izquierdoy unconjuntodedientesderecho.
NOTA:Elconjuntodedientesse rnueverotandoen sentidocontrario
conlos hordesafiladosde losdientesubicadosparaintroducirseenel
sueloprirnerocuandorotanensentidocontrario.Observeestaposici6n
delos dientesparapoderreinstalarlosconjuntosdedientesnuevos.
3. Pararetirarunconjuntodedientes,sirnplernentesaquela
chavetade ret_ninternaque sujetala chavetadehorquilla.Vea
la Figura29.
Pasador
interne
Pasadorde
herquilla
/
Figura29
J
.
5.
Retirela chavetadehorquillay desliceel conjuntohaciaafuera
de launidady lejosdelejede los dientes.
Antesde volvera instalarel conjuntodedientes,inspeccione
eleje delos dientesparaverificarsi hay 6xido,asperezaso
rebabas.Limeo lije ligerarnente,segQnsea necesario.Apliqueal
ejeunacapadelgadade grasa.
6. Instalecadaconjuntodedientesde modeque elbordecortante
(filoso)delos dientespenetreel sueloprirnerocuandola
cultivadorase rnuevahaciaadelante.Recuerdequeestosdientes
rotanen sentidocontrario,asi queasegureelconjuntodedientes
al ejede los dientesconel pasadorde horquillay el pasadorde
chavetainterne.
AJUSTES
Manija
Se puedeajustarla rnanijaa la alturadeseada.Consultela secci6nde
Funcionarnientoparaobtenerdetalles.
Ajuste del cable del embrague secundario
Si el ajusteadicionales necesariadespu_sdequeel ajusteprirnario
de la secci6nde laAsarnbleaya no puedeser utilizado,el ajuste
secundariose puederealizardela siguienternanera:
1. Retirelatapa dela correacomese indicala sustituci6nde la
correaen lap_.gina21.
2. Localizarel rnuelleenel extremedel cable.Consultela Figura30.
Tuerca
Figure30
3. Aflojarla tuercasuperiory luegoapretaro aflojarla tuercarn_.s
bajahastaquelatensi6nadecuadase alcanza.
4. Unavezquelatensi6nadecuadase alcanza,velveta apretarla
tuercasuperiorparaasegurarel cable.
Varilla de la polea Iota
Consultela secci6nMontajeparavet lasinstruccionesdelajustede la
varillade lapoleaIoca.
64

Polea Ioca de Rod
Despu_sdela tensi6nde lacorrease haajustado,si la correaestA
demasiadoextendido,es posiNequenecesiteajustarla barrade la
poleaIoca. Estose puedecomprobarf_.cilmente.
Conel motorapagadoy la libertadbajofianzadecontrolmotor
desembragado,cambiarel manejadorde selecci6ndeequipos
paracadamododeavance.Si el soportedelindicadortocala barra
dela poleaIocacon la libertadbajofianzade controlde motor
desembragado,a continuaci6n,un ajustees necesario.
1. Desconectey conecteelcablede la bujfacontrael motor.
2. Retirela tapade lacorreacomosedescribeen sustituci6nde la
correaantesenestasecci6n.
3. Quitela chavetay laarandelade lavarillade lapoleaIoca.
Consultela Figura31.
f
Polea
Iota
Soporte
de la
Polea Loca polea Iota
Chaveta
/
Polea Loca
Soporte
dela
polea Iota
Figure31
4. Muevelabarrade lapoleatensoraparael orifido inferiordel
soportede rodillos.
5. Vuelvaa colocarla arandelay el clip de horquilla.
6. Controlareljuegode la barrade poleaenel soporteindicador
cambiandoa cadamododeavance.
65

Nuncaalrnacenela cultivadoraconcombustibleenel tanqueenun
espaciocerradoo en_.reaspocoventiladasdondelos gasesdel
combustiblepuedanNegara una Narnaexpuesta,unachispao un
pilotocornoel quetienenalgunoshornos,calentadoresde agua,
secadoresde ropao algQnartefactoa gas.
Nuncadejeel motorsin vigilanciarnientrasest,.en funcionarniento.
PREPARACI6N DEL MOTOR
Paraalrnacenarrnotoresentre 30y 90dfases necesariotratarlos
con unestabiNzadorde gasolinay paraalrnacenarlosdurantern_.s
de 90dfasse debedrenarel combustibleparaevitardeteriorosy la
forrnaci6ndedep6sitosde gornaenel sisternade combustibleo en
piezasfundarnentalesdelcarburador.Sila gasolinaen su motorse
deterioraduranteel alrnacenarniento,es posiblequedebareparar
o reernplazarel carburadory otroscornponentesdelsisternade
combustible.
1. Extraigatodo elcombustibledeldep6sitohaciendofuncionarel
motorhastaquese detengaporfaltade combustible.
2. Carnbieel aceite.Consulteel Carnbiode aceiteen la secci6n
SERVlCIOY MANTENIMIENTO.
3. Retirelabujfay viertacercade 1/2onzade aceiteparamotor
en elciNndro.Vuelvaa colocarla bujfay d_ rnarchaalmotor
lentarnenteparadistribuirelaceite.
4. Lirnpiela suciedadde las _.reasdel motory del silenciador.
RetoquelapinturadaSada,y revistaotras_.reasque puedan
oxidarsecon unapelfculadelgadadeaceite.
5. Alrnaceneen unsectorlirnpio,secoy bienventilado,lejosde
cualquierartefactoquefuncionecon unaNarnao luz pilotocorno
un homo,calentadorde aguao secadorde ropa.Tarnbi_nevite
cualquiersectorcon unachispaproduciendomotorel_ctricoo
dondese utilizanherrarnientasel_ctricas.
6. Deser posible,tarnbi_nevita_.reasdealrnacenarnientocon
rnuchahurnedadparaevitaroxidaci6ny corrosi6n.
7. Mantengael motorniveladocuandoIoalrnacene.Lainclinaci6n
del motorpuederesultarenfugasdecombustibleo aceite.
PREPARACI6N DE LA CULTIVADORA
Si la cultivadoranose va a usarduranteunperfodoprolongado,
prep_.relaparael alrnacenarnientodela siguienteforrna:
1. Lirnpiela cultivadoray el motor.
2. Sigalas recornendacionessobrelubricaci6ny verifiquesi hay
parteso piezassueltas.
3. Alrnacenelacultivadoraen un_.realirnpiay seca.
4. Nuncaalrnacenelacultivadoraconcombustibleenel tanqueen
un _.reacerradadondelas ernanacionesde la gasoNnapueden
alcanzarunaNarnaexpuestaochispas,o dondehubierefuentes
de encendido(calefactores,calentadoresde agua,hornos,etc.).
66

Antesde realizarcualquiertipodernantenirnientooservicio,desenganchetodosloscontrolesy detengael
motor.Espereaquesedetengancornpletarnentetodaslaspiezasrn6viles.Desconecteel cabledelabujfay
p6ngalohaciendornasacontraelmotorparaevitarqueseenciendaaccidentalrnente.Utilicesiernpreanteojosde
seguridaddurantelaoperaci6no rnientrasrealizaajusteso reparaciones.
El motor no arranca
El motorfunciona de manera erratica
1. Reconecteel cable.
2. Coloque la palancaen la posici6nSTART(arranque).
3. Lleneel tanquecon gasolinalimpiay nueva.
1. Se ha desconectadoel cable de la bujfa.
2. Ajusteincorrecto de la palancade control del regulador
delmotor.
3. Eldep6sito de combustibleestavacfo o elcombustible
seha echado a perder.
4. Filtrode aire sucio.
5. Separaci6ndefectuosao incorrectaen la bujia.
6. Ajusteincorrecto delcontroldel regulador.
7. Aguao suciedaden el tanque del combustible.
1. Separaci6ndefectuosao incorrectaen la bujia.
2. Filtro(s) de aire sucio(s).
3. Esnecesario regularel carburador.
4. Gasolinavieja.
5. Aguao suciedaden el tanque del combustible.
6. Sistemade enfriamientodelmotor tapado.
1. Sistemade enfriamientodelmotor tapado.
2. Esnecesario regularel carburador.
3. Nivelde aceite bajo.
1. Ajusteincorrecto delcontrol del reguladoro del
interruptorde encendido.
1. Usoincorrecto de los controles.
2. Correa(s)de transmisi6ndesgastada(s),rota(s) o mal
ajustada(s).
3. Trasmisi6ninternadesgastada o dafiada.
4. Pernosuelto en la polea de transmisi6n.
1. Pernosuelto en la polea de transmisi6n.
2. Trasmisi6ninternadesgastada o dafiada.
1. Falta piezametalicapara montarel soportede dientes.
2. Pernosuelto en la polea de transmisi6n.
3. Trasmisi6ninternadesgastada o dafiada.
1. Dientesdesgastados.
2. Configuraci6nincorrecta del reguladorde profundidad.
3. Configuraci6nincorrecta del regulador.
4. Deslizamientode la correa de transmisi6nde marcha
directa.
El motor recalienta
El motor no seapaga. Contacte con su centrode piezasy reparacionesSears.
Las ruedasy los dientesno giran
Los dientesgiran, lasruedas no.
Las ruedasgiran, los dientes no.
Rendimientodeficiente de la labranza
4. Limpieo cambieel filtro.
5. Limpiela, ajuste ladistancia disruptiva o cambiela.
6. Contactecon su centrode piezasy reparacionesSears.
7. Contactecon su centrode piezasy reparacionesSears.
1. Limpie,ajuste la separaci6n,o cambie la bujia.
2. Limpieo reemplace
3. Contactecon su centrode piezasy reparacionesSears.
4. Cambiela porgasolinafresca.
5. Contactecon su centrode piezasy reparacionesSears.
6. Limpieel sistemade enfriamientodel motor
1. Limpieel Areade enfriamientodel motor
2. Contactecon su centrode piezasy reparacionesSears.
3. Reviseel nivelde aceite.
1.
1. Revisela secci6n de Funcionamiento
2. Reemplaceo ajuste las correas.
3. Contactecon su centrode piezasy reparacionesSears.
4. Ajuste el perno.
1. Ajuste el perno.
2. Contactecon su centrode piezasy reparacionesSears.
1. Reemplacela piezametalica.
2. Ajuste el perno.
3. Contactecon su centrode piezasy reparacionesSears.
1. Reemplacelosdientes.
2. Yea "Sugerenciasy t_cnicas parala labranza".
3. Consulte la secci6n Servicio y Mantenimiento
4. Consulte la secci6n Servicio y Mantenimiento
67

68

(Esta p_.ginase aplica s61oen EE.UU. y Canada.).
Sears Brands Management Corporation, el Consejo de Recursos Ambientales de California (CARB)
y la Agencia de Protecci6n Ambiental de los Estados Unidos (EPA)
Declaraci6n de garantia del sistema de control de emisiones (derechos y obligaciones de la garanfia de defectos del propi=
etario)
LACOBERTURADE LAGARANTJADECONTROLDEEMISIONESES Y PARALOSMODELOSCERTIFICADOSDELANO 1997YPOSTERIORES,
APLIOABLEA LOSMOTORESCERTIFICADOSCOMPRADOSENCALIFOR- QUESE COMPRENY UTILICENENCUALQUIERPARTEDE LOSESTADOS
NIA EN1995Y POSTERIORMENTE,QUESE UTILIZANENCALIFORNIA, UNIDOS(Y A PARTIRDEL 1 DE ENERODE2001 ENCANADA).
Declaraci6n de garanfia sobre defectos en el control de emisiones para California y los Estados Unidos
ElConsejode RecursosAmbientalesde California(CARB),la EPA(Agencia
de Protecci6nAmbientalde los EE.UU.)y Searstienenel gusto deexplicarla
garantiadel sistemade controlde emisionesparamotoresdela_o 2000y para
elfuturo con relaci6na motorespeque_ostodo terreno(SORE).En California,
los nuevosmotorespeque_ostodo terrenodebenestardise_ados,construidos
y equipadosparacumplirconlas rigurosasnormasanti-smogdelestado.En
el restode los EstadosUnidos,losmotoresnuevostodoterrenode encendido
porchispacertificadosparael a_o 1997debencumplirest_ndaressimilares
establecidospot la EPA.Sears debegarantizarel sistemadecontrolde emis-
ionesde su motorparalosperiodosdetiempoenumeradosa continuaci6n,
siemprequeno hayaabuso,negligenciao mantenimientoindebidode su
motortodoterrenopeque_o.Susistemade controldeemisionespuedeincluir
piezastalescomoel carburador,el filtrodeaire, elsistemadeencendido,el
silenciadoryel conversorcatalitico.Tambienpuedeincluirconectoresyotras
unidadesrelacionadascon lasemisiones.Dondeexistaunacondici6ncubierta
por la garantia,Searsreparar_su peque6omotortodo terrenosin costoalguno
incluyendodiagn6stico,piezasy manodeobra
Cobertura de la garantJa Sears para defectos en el control de emJsiones
Losmotorestodo terrenopeque6osest_ngarantizadosenIo relativoalcontrol alas disposicionesque se indiquena continuaci6n.Si una partedesu motor
deemisionesparadefectosenpiezasduranteunperiodode dosa_os,sujeto cubiertapot lagaranfiaes defectuosa,Sears reparar_o sustituir_dichaparte.
Responsabilidades del propietario en relacibn con la garantia
Comopropietariodel motortodo terrenopeque_o,Ud.es responsablede la
realizaci6ndel mantenimientorequeridoquese incluyeenlas instrucciones
deoperaci6ny mantenimiento.Searsrecomiendaquese conserventodoslos
recibosrelativosal mantenimientode su motortodoterrenopeque_o,pero
nopude denegarla garantiasimplementepor la faltade los mismos,o por su
incumplimientodel mantenimientoprogramatic.Comopropietariodel motor
peque_otodoterrenodebe saberque, sinembargo,Sears lepuedenegar
lacoberturade lagarantiasi su motortodoterrenopeque6oouna piezadel
mismohanfalladodebidoa abuso,negligencia,mantenimientoindebidoo
a modificacionesnoaprobadas.Ud.es responsabledepresentarsu motor
todoterrenopeque6oa undistribuidorde serviciosSearsautorizadotan pronto
comoaparezcaun problema.Lasreparacionesdela garantiasinconfiicto
debencompletarseen unplazodetiemporazonable,nosuperiora 30dias.Si
tienealgunapreguntarespectoa sus derechosy responsabilidadesreferen-
tes a la garantia,debe contactarcon un representantede serviciosSearsal
1--800--469--4663.La garantiadeemisioneses unagarantiapor defectos.Los
defectosse juzgande acuerdoconelfuncionamientonormalde un motor.La
garantiano est_relacionadaconunapruebade emisionesen uso.
Disposiciones de la garantJa Sears para defectos en el control de emJsiones
Lassiguientessondisposicionesespecificasrelacionadasconla coberturade lagarantiaparadefectosenel controldeemisiones.Esun a_adidoa lagarantiade
motorSearsparamotoresnoreguladosque seencuentraen lasinstruccionesdefuncionamientoy mantenimiento.
1. Piezascongarantia
Lacoberturadeesta garantiase extiendeL]nicamentealas piezas
queaparecena continuaci6n(las partesde lossistemasdecontrolde
emisiones),siempreque dichaspiezasestuvieranya enel motoren el
momentode su compra.
a. Sistemademedici6nde combustible
•Sistemadeenriquecimientoparaarranqueenfrio
•Carburadory partesinternas
•Bombade combustible
b. Sistemadeinducci6nde aire
•Filtrode aire
•Colectorde admisi6n
c. Sistemadeencendido
•Bujia(s)de encendido
•Sistemadeencendidomagneto
d. Sistemadelcatalizador
•Convertidorcatalitico
•Colectorde escape
•Sistemadeinyecci6nde aireo v_lvulade impulsos
e. Elementosvariadosusadosen lossistemasanteriores
•Wlvulas devacio,sensiblesa temperatura,posici6ny tiempo
e interruptores
•Conectoresy montajes
2. AIcancedela cobertura
Searsgarantizaal poseedorinicialy a loscompradoressubsiguientes
quelas piezascon garantianotendr_ndefectosen materialesni mano
deobraque provoquenla falla delas mismasduranteun periodode
dosaSosa partirde la fechaen queel motorse entregaa uncomprador
particular.
3. Sin cargo
Lareparaci6no reemplazode cualquierpartecon garantiase realizar_
sin cargoalgunoparael poseedor,incluyendotareasdediagn6sticoque
permitandeterminarsi una partecongarantiaes defectuosa,siempreque
dichodiagn6sticose realiceen undistribuidordeserviciosSearsautoriza-
do. Parael serviciode lagarantiadeemisiones,contacteal distribuidorde
serviciosSearsautorizadom_scercanoincluidoen las"P_ginasamarillas"
en lascategorias"Motores,gasolina","Motoresdegasolina","Podadoras
de cesped",o similares.
4. Reclamacionesyexclusionesa la cobertura
Las reclamacionesde lagarantia debenenviarsedeacuerdocon las
disposicionesdela politicade garantiaparamotoresSears.Lacobertura
de lagarantiaexcluir_defectosen piezascon garantiaquenoscan partes
originalesSears,o abuso,negligenciao mantenimientoincorrecto,tal y
como se estableceen lapolitica degarantia paramotoresSears.Searsno
es responsablede lasfallas en piezascon garantiaprovocadaspor el uso
de partesa6adidas,que noscan originaleso quese hayan modificado.
5. Mantenimiento
Cualquierpartecon garantiaque noesteprogramadaparaserreem-
plazadacomomantenimientorequerido,o que s61odebainspeccionarse
regularmentealefectode "inspeccioneo reemplacesegL]nsea necesario",
estar_garantizadacontradefectosduranteel periodode la garantia.Todas
las piezasgarantizadasqueesten programadasparasu reemplazopara
cumplircon los requisitosdemantenimientoestar_ngarantizadass61o
por el periodoanterioral primerreemplazoprogramaticparadicha pieza.
Cualquierpiezade recambioqueseaequivalenteenfuncionamientoy
durabilidadpuedeusarsepararealizarmantenimientoo reparaciones.El
propietarioes responsablederealizartodoel mantenimientorequerido,tal
y comose define enlas instruccionesde funcionamientoy mantenimiento
Sears
6. Coberturaindirecta
Porla presente,la coberturase extiendea la fallade cualquiercomponente
de motorprovocadapot lafalla de unapiezacongarantiaque estetodavia
en periododegarantia.
Enlos EstadosUnidosy Canad_hayunalineade atenci6nde24 horas,1-800-469--4GG3,quecuentacon unmenL]con mensajespre-grabadosque contienen
informaci6nparael mantenimientode motores.

Busque el periodo de duraci6n de emisiones importantes yla informaci6n de clasificaci6n de aire en
la etiqueta de emisiones de su motor
Los motores cuyo cumpiimiento con los estAndares de emisi6n Tier 2 de la Comisi6n de Recursos Ambientales de California (CARB)
est6 certificado deben exhibir la informaci6n relacionada con el periodo de duraci6n de ias emisiones y la clasificaci6n de aire. Sears
Brands Management Corporation ponen esta informaci6n a disposici6n del consumidor en nuestras etiquetas de emisiones.
Ei Periodo de Duraci6n de las Emisiones describe el nQmero de horas de tiempo real de funcionamiento para el cuai se certifica que
el motor cumpie con ias reglas de emisi6n, descontando el mantenimiento adecuado del mismo segQn las instrucciones de oper-
aci6n y mantenimiento. Se utilizan las siguientes categonas:
Moderado:Se certifica que el motor cumpie con las reglas de emisi6n durante 125 horas de tiempo real de funcionamiento del motor.
Inmediato:Se certifica que el motor cumpie con las reglas de emisi6n durante 250 horas de tiempo real de funcionamiento del motor.
Extendido:Se certifica que el motor cumpie con las reglas de emisi6n durante 500 horas de tiempo real de funcionamiento del motor.
Por ejemplo, una cortadora de c6sped tJpica que se empuja desde arras se usa entre 20 y 25 horas por aSo. Por Io tanto, el Periodo
de Duraci6n de Emisiones de un motor con una clasificaci6n intermedia sena equivaiente a entre 10 y 12 aSos.
Laciasificaci6n de aire es un nQmero calculado para describir el nivel relativo de emisiones para un grupo de motores en particular.
Cuanto menor sea la clasificaci6n de aire, mayor es la limpieza del motor. La informaci6n se presenta de forma grAfica en la etiqueta
de emisiones.
Despu_s del 1 de julio de 2000, busque el periodo de cumplimiento de las reglas de
emisiones en la etiqueta de cumplimiento de las reglas de emisiones del motor
Despu6s del 1 de julio de 2000 se certificarA que determinados motores Sears Brands Management Corporation cumplen
con los estAndares de emisiones de la fase 2 de la Agencia de Protecci6n Ambientai de los Estados Unidos (USEPA). Para
los motores certificados para la etapa 2, el periodo de cumplimiento con ias reglas de emisiones al cual se hace referencia
en la etiqueta de cumplimiento con las reglas de emisiones indica el nQmero de horas de funcionamiento para el cual se ha
demostrado que el motor cumple con los requerimientos federales de emisi6n.
Para los motores con desplazamiento inferior a 225 cc, Categoria C = 125 horas, B = 250 horas y A = 500 horas.
Para los motores con desplazamiento de 225 cc o mAs, Categoria C = 250 horas, B = 500 horas y A = 1000 horas.
El desplazamiento de los motores de la serie modelo 150112 es 249 cc.
La presente es una representaci6n gen_rica de la etiqueta de emisi6n que se encuentra generaimente en un
motor certificado.
FAMILYYBSXS.3192VA 274812
GDOC-100182Rev.A
70

Felicitaciones por haber realizado una adquisici6n inteligente. El producto Craftsman® que ha
adquirido esta diseSado y fabricado para brindar muchos aSos de funcionamiento confiable. Pero
como todos los productos a veces puede requerir de reparaciones. Es en ese momento cuando el
disponer de un Acuerdo de protecci6n para reparaciones le puede ahorrar dinero y problemas.
A continuaci6n se detallan los puntos incluidos en el Acuerdo:
[] Servicio experto prestadopor nuestros 10,000 especialistas en reparacionesprofesionales
[] Servicio ilirnitado sin cargo para las piezasy la mano de obra en todas las reparacionescubiertas
[] Reernplazo del producto hasta 1500 d61aressi no es posible reparar el producto cubierto
[] Descuento de 25% del precio normal del servicio y de las piezas relacionadascon el mismo que no esten cubiertas
por el acuerdo; ademas, 25% del precio normal de laverificaci6n de mantenimientopreventivo
[] Ayuda r_pida pot tel_fono - Io IlamamosResoluci6n RApida- el apoyo telef6nico de un Chamusca al representante.
Piense en nosotros como el manual "de un dueSohablador."
Una vezadquirido el Acuerdo, puede programar el servicio con tan s61orealizar una Ilamadatelef6nica. Puede Ilamaren
cualquier momentodel dia o de la noche o programar un servicio en linea.
ElAcuerdo de Protecci6nde Reparaci6nes unacompra sin riesgo. Si usted anulapor alguna raz6n duranteel periodo de
garantia de producto,proporcionaremos un reembolso Ileno.O, un reembolsoprorrateadoen cualquier momentodespues
del periodode garantia de producto expira, iAdquiera hoy su acuerdode protecci6n para reparaciones!
Se aplican determinadas limitaciones y exclusiones. Para obtener informaciTn adicional y precios en los Estados
Unidos Ilame al 1-800-827-6655.
El *Coverage en Canad_ivaria en algunos articulos. Para detalles Ilenos la Ilamada Chamusca Canad_ien 1-800-
361-8885.
Servicio de instalaci6nde Sears
Si desea solicitar la instalaci6n profesionalde Sears de aparatosdomesticos, dispositivos paraabrir portones, calentado-
res de agua y otros articulos domesticosimportantes, en los Estados Unidos o Canada flame al 1-800-4-MY-HOME®.
71

Your Home
For troubleshooting, product manuals and expert advice:
managernylife
www.managemylife.com
For repair - in your home - of all major brand appliances,
lawn and garden equipment, or heating and cooling systems,
no matter who made it, no matter who sold it!
For the replacement parts, accessories and
owner's manuals that you need to do-it-yourself.
For Sears professional installation of home appliances
and items like garage door openers and water heaters.
1-800-4-MY-HOME ®(1-800-469-4663)
Call anytime, day or night (U.S.A. and Canada)
www.sears.com www.sears.ca
Our Home
For repair of carry-in items like vacuums, lawn equipment,
and electronics, call anytime for the location of your nearest
Sears Parts & Repair Service Center
1-800-488-1222 (U.S.A.) 1-800-469-4663 (Canada)
www.sears.com www.sears.ca
To purchase a protection agreement on a product serviced by Sears:
1-800-827-6655 (U.S.A.) 1-800-361-6665 (Canada)
Para pedir servicio de reparaci6n
a domicilio, y para ordenar piezas:
1-888-SU-HOGAR ®
(1-888-784-6427)
www.sears.com
Au Canada pour service en frangais:
1-800-LE-FOYER Mc
(1-800-533-6937)
www.sears.ca
® Registered Trademark /TMTrademark of KCD IP, LLC in the United States, or Sears Brands, LLC in other countries
® Marca Registrada !TMMarca de Fabrica de KCD IP, LLC en Estados Unidos, o Sears Brands, LLC in otros paises
MCMarque de commerce !MDMarque deposee de Sears Brands, LLC