Marquardt DC07 Transceiver User Manual Manual Keyless
Marquardt GmbH Transceiver Manual Keyless
Contents
- 1. Manual Basis
- 2. Manual Keyless
Manual Keyless

Annex No.5
Page 1 of 10
Functional Description / User manual
BR212 Keyless Go

Technical Description
Remote control vehicle key
BR212
PN: 3333
Author: Uwe Schwalm
Department: C1E12
Tel. : 07424/99 – 1975
Fax. : 07424/99 – 2541
Email: Uwe. Schwalm@Marquardt.de
First draft: 12.03.02008
Change status:
Version : 1.0

First draft 12..03.2008 Version 1.0
Department C1E12 File
Author U. Schwalm Doc. no.
MARQUARDT GmbH
Schloßstraße 16
D 78 604 Rietheim – Weilheim
Date 12.03.2008 Page Page 2 of 9
Vehicle key BR212 – techn. description
.
Weitergabe sowie Vervielfältigung dieser Unterlage, Ver
-
wertung und Mitteilung ihres Inhalts nicht gestattet, soweit
nicht ausdrücklich zugestanden. Zuwiderhandlungen ver
-
pflichten zu Schadenersatz. Alle Rechte vorbehalten, insbe-
sondere für den Fall der Patenterteilung oder GM-Eintragung
.
Proprietary data, company confidential. All rights reserved.
Confié à titre de secret d'entreprise. Tous droits réservés.
Comunicado como segr edo empresarial. Reservados todos os direitos.
Confidado como secreto industrial. Nos reservamos todos los derechos.
form 659.02
1.1 Remote control vehicle locking
The locking and drive permission system BR212 (3333) incorporates a function which enables the locking
and unlocking of the doors.
All vehicles with a boot lid can also be equipped with the function for unlocking the boot lid, and it is also
possible to provide a button to activate the “PANIC” function for vehicles intended for the US market.
The function is activated by pushing a button, the method of button pushing determines the function
activated on the vehicle, e.g. prolonged pressure on the button initiates an IR comfort function.
If messages are discharged from the key, the access permission information is sent via radio waves (HF)
and redundantly via infrared (IR) from the key to the vehicle. The so-called comfort signals are special
functions which require visual contact with the vehicle. Upon pressing the button for an extended period,
these signals are sent via IR signal only after the standard access permission message.
HF communication via 3-channel operation:
The access permission message is sent sequentially on 3 radio channels adjacent to one another within the
permissible ISM band. The radio receiver installed within the vehicle is able to receive the message
discharged from the key on all 3 channels, evaluate it and send an appropriate control message to the
central locking system.
1.2 Keyless operation
The principle keyless go functionality facilitates full utilisation of the drive permission system function on the
vehicle without active operation of the key. This means that one can lock and unlock the vehicle (access
permission) without operating the key and activate and deactivate the immobiliser (drive permission) without
placing the key in the ignition switch. It is only necessary to carry the key in order to be identified as an
authorised vehicle user.
In addition to the basic variant, the keyless go key is expanded to include an LF receiver component,
comprising of inductive antennae which create the three spatial directions x, y and z, and an associated LF
receiver ASIC. Additionally, the keyless go variant of the key is equipped with a special HF ASIC, which
facilitates bidirectional HF communication.
In addition to the keyless go functionalities described, the keyless go key is also equipped with all of the
basic variant functions.
1.2.1 Access permission with keyless entry
The keyless access permission (keyless entry) is initiated by the vehicle user activating the vehicle door
handle. This causes the vehicle to send an inductive wake up message. On receiving this, the key starts in
active mode.
The vehicle now sends further unmodulated, inductive fields which enable the key to ascertain its position in
relation to the vehicle on the basis of field strength measurements.
Bidirectional HF communication follows, in which cryptographically encrypted authentication data is
transferred between the key and the vehicle.
If the key is outside the vehicle, the vehicle is locked or unlocked following transferral of the correct data.

First draft 12..03.2008 Version 1.0
Department C1E12 File
Author U. Schwalm Doc. no.
MARQUARDT GmbH
Schloßstraße 16
D 78 604 Rietheim – Weilheim
Date 12.03.2008 Page Page 3 of 9
Vehicle key BR212 – techn. description
.
Weitergabe sowie Vervielfältigung dieser Unterlage, Ver
-
wertung und Mitteilung ihres Inhalts nicht gestattet, soweit
nicht ausdrücklich zugestanden. Zuwiderhandlungen ver
-
pflichten zu Schadenersatz. Alle Rechte vorbehalten, insbe-
sondere für den Fall der Patenterteilung oder GM-Eintragung
.
Proprietary data, company confidential. All rights reserved.
Confié à titre de secret d'entreprise. Tous droits réservés.
Comunicado como segr edo empresarial. Reservados todos os direitos.
Confidado como secreto industrial. Nos reservamos todos los derechos.
form 659.02
1.2.2 Drive permission with keyless go
In principle, when activating the start/stop switch for a keyless engine start, the same process runs as that
described for access permission. The difference here is that the key must be located inside the vehicle.
The presence of the key inside the vehicle is verified on every 5km driven, and on driving away. The
process that runs here is similar to the engine start process, although shorter.
1.2.3 LF / HF transferral
The inductive wake-up message is sent in a phase-modulated (PSK) format through the vehicle on the
frequency 21.845 kHz with a data rate of 5.461 kBd.
With respect to bidirectional HF communications, these are processed in a frequency-modulated (FSK)
format, in the ISM band on 433.92 MHz in Europe and 315 MHz in the USA. The rate of data transferral is 10
kBd.
1.2.4 Operating frequencies of HF transferral
1.2.5 1-channel
In 1-channel operation, the mid-frequency of the channel is:
ECE: 433.92 MHz
USA, Japan: 315.00 MHz
1.2.5.1 3-channel
The following table shows the mid-frequency of the individual channels for each frequency
band.
Channel name
Name Abbreviated
ID
Channel mid-frequency
Channel 1 CH1 USA: 314.00 MHz
ECE: 433.47 MHz
Channel 2 CH2 USA: 314.90 MHz
ECE: 434.37 MHz
Channel 3 CH3 USA: 314.45 MHz
ECE: 433.92 MHz

First draft 12..03.2008 Version 1.0
Department C1E12 File
Author U. Schwalm Doc. no.
MARQUARDT GmbH
Schloßstraße 16
D 78 604 Rietheim – Weilheim
Date 12.03.2008 Page Page 4 of 9
Vehicle key BR212 – techn. description
.
Weitergabe sowie Vervielfältigung dieser Unterlage, Ver
-
wertung und Mitteilung ihres Inhalts nicht gestattet, soweit
nicht ausdrücklich zugestanden. Zuwiderhandlungen ver
-
pflichten zu Schadenersatz. Alle Rechte vorbehalten, insbe-
sondere für den Fall der Patenterteilung oder GM-Eintragung
.
Proprietary data, company confidential. All rights reserved.
Confié à titre de secret d'entreprise. Tous droits réservés.
Comunicado como segr edo empresarial. Reservados todos os direitos.
Confidado como secreto industrial. Nos reservamos todos los derechos.
form 659.02
1.3 HF protocol
1.3.1 3-channel operation
Träger
aus
obere
Sendefrequenz
untere
Sendefrequenz
Nachlauf
Start-
bit
Vorimpulse Daten
Träger einschalten
"0" "0""0" "0""0" "1" "X"
X = beliebig
(abhängig vom Dateninhalt)
0 ms
Stop-
bit
"1""X""X" "X"
d
d+e
-b-c-a-b-c d+e+f
- -c
a b c d e f
h
Kanal-
umschaltung Start-
bit
Vorimpulse
Träger einschalten
"0" "0""0" "1"
a b c
g
d+e+f+g a+d+e+f+g
a+b+d
+e+f+g
a+b+c+
d+e+f+g
f
t
CH 1
CH 2
CH 3
m
i = a + b + c + d + e + f
Nachlauf
Stop-
bit
"1"
e f
Kanal-
umschaltung Start-
bit
Vorimpulse
Träger einschalten
"0" "0""0" "1"
a b c
g
Daten
d
Nachlauf
Stop-
bit
e f
Nachlauf
Stop-
bit
"1"
e f
d
Nachlauf
Stop-
bit
e f
t
p12 p23
p13
i i
Parameter Beschreibung Zeit zul.
Toleranz
aTräger einschalten auf unterer Sendefrequenz 0,150ms ±50µs
bVorimpulse (550 Stück) 55,000ms ±550µs
cStartbit 0,100ms ±1µs
dDaten (120Bit =14Byte + 1Byte Checksumme) 12,000ms ±120µs
eStopbit 0,100ms ±1µs
fNachlauf 0,150ms ±50µs
gKanalumschaltung (Träger ausgeschaltet) 0,600ms ±50µs
hPeriodendauer eines Bit 0,100ms ±1µs
i=a+b+c+d+e+f 67,500ms ±772µs
p
12
=d+e+f+g+a+b+c+d+e 80,200ms ±943µs
p
23
=f+g+a+b+c+d+e 68,100ms ±822µs
p
13
=p
12
+p
23
148,300ms ±1.765µs
mFunkprotokoll gesamt (=2*g+3*i) 203,700ms ±2.416µs

First draft 12..03.2008 Version 1.0
Department C1E12 File
Author U. Schwalm Doc. no.
MARQUARDT GmbH
Schloßstraße 16
D 78 604 Rietheim – Weilheim
Date 12.03.2008 Page Page 5 of 9
Vehicle key BR212 – techn. description
.
Weitergabe sowie Vervielfältigung dieser Unterlage, Ver
-
wertung und Mitteilung ihres Inhalts nicht gestattet, soweit
nicht ausdrücklich zugestanden. Zuwiderhandlungen ver
-
pflichten zu Schadenersatz. Alle Rechte vorbehalten, insbe-
sondere für den Fall der Patenterteilung oder GM-Eintragung
.
Proprietary data, company confidential. All rights reserved.
Confié à titre de secret d'entreprise. Tous droits réservés.
Comunicado como segr edo empresarial. Reservados todos os direitos.
Confidado como secreto industrial. Nos reservamos todos los derechos.
form 659.02
1.3.2 1-channel operation

First draft 12..03.2008 Version 1.0
Department C1E12 File
Author U. Schwalm Doc. no.
MARQUARDT GmbH
Schloßstraße 16
D 78 604 Rietheim – Weilheim
Date 12.03.2008 Page Page 6 of 9
Vehicle key BR212 – techn. description
.
Weitergabe sowie Vervielfältigung dieser Unterlage, Ver
-
wertung und Mitteilung ihres Inhalts nicht gestattet, soweit
nicht ausdrücklich zugestanden. Zuwiderhandlungen ver
-
pflichten zu Schadenersatz. Alle Rechte vorbehalten, insbe-
sondere für den Fall der Patenterteilung oder GM-Eintragung
.
Proprietary data, company confidential. All rights reserved.
Confié à titre de secret d'entreprise. Tous droits réservés.
Comunicado como segr edo empresarial. Reservados todos os direitos.
Confidado como secreto industrial. Nos reservamos todos los derechos.
form 659.02
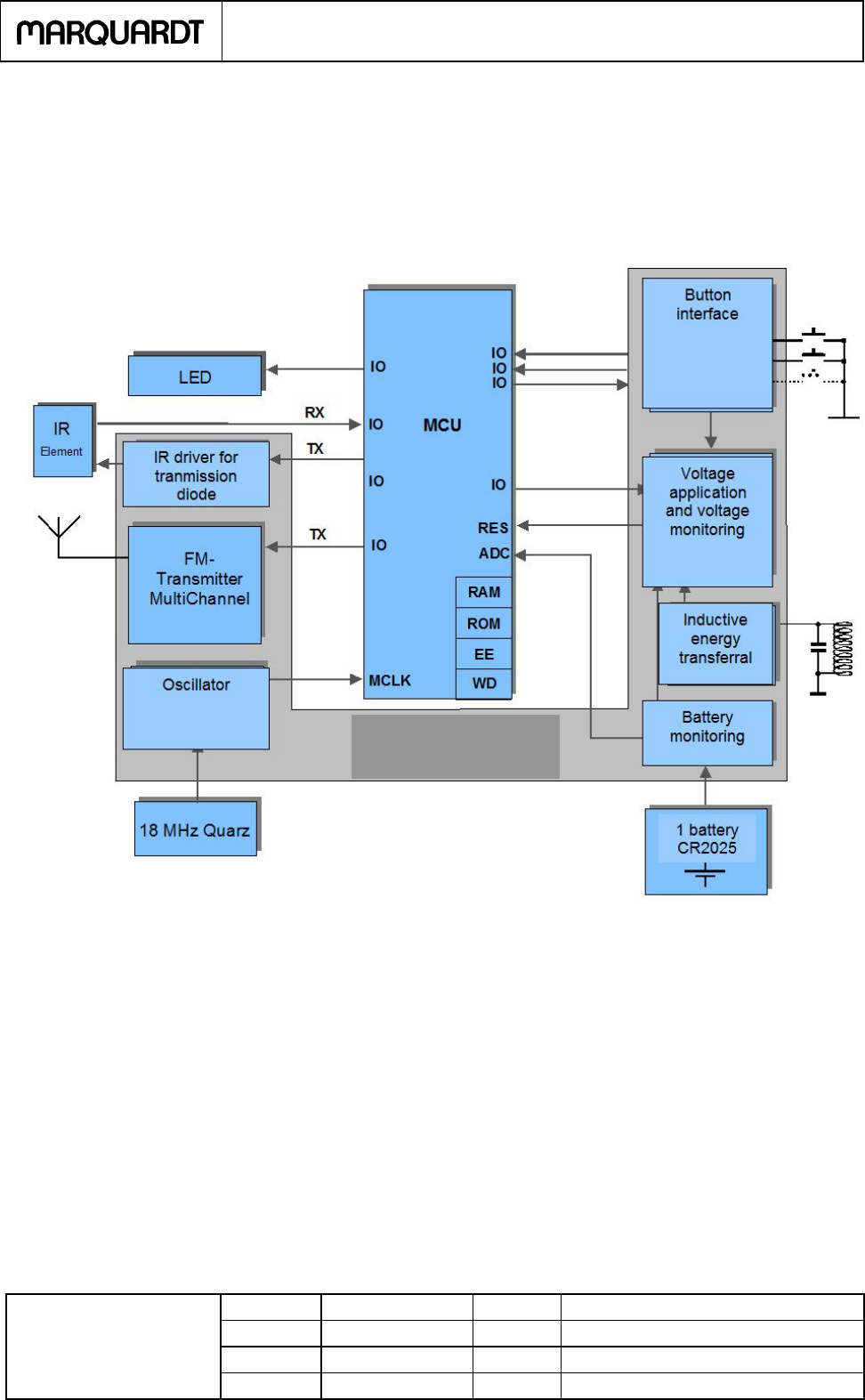
1.4 Block diagrams for key variants
1.4.1 Basic variant (remote controlled locking only)
HF transceiver with
power management

First draft 12..03.2008 Version 1.0
Department C1E12 File
Author U. Schwalm Doc. no.
MARQUARDT GmbH
Schloßstraße 16
D 78 604 Rietheim – Weilheim
Date 12.03.2008 Page Page 7 of 9
Vehicle key BR212 – techn. description
.
Weitergabe sowie Vervielfältigung dieser Unterlage, Ver
-
wertung und Mitteilung ihres Inhalts nicht gestattet, soweit
nicht ausdrücklich zugestanden. Zuwiderhandlungen ver
-
pflichten zu Schadenersatz. Alle Rechte vorbehalten, insbe-
sondere für den Fall der Patenterteilung oder GM-Eintragung
.
Proprietary data, company confidential. All rights reserved.
Confié à titre de secret d'entreprise. Tous droits réservés.
Comunicado como segr edo empresarial. Reservados todos os direitos.
Confidado como secreto industrial. Nos reservamos todos los derechos.
form 659.02
1.4.2 Keyless go variant

First draft 12..03.2008 Version 1.0
Department C1E12 File
Author U. Schwalm Doc. no.
MARQUARDT GmbH
Schloßstraße 16
D 78 604 Rietheim – Weilheim
Date 12.03.2008 Page Page 8 of 9
Vehicle key BR212 – techn. description
.
Weitergabe sowie Vervielfältigung dieser Unterlage, Ver
-
wertung und Mitteilung ihres Inhalts nicht gestattet, soweit
nicht ausdrücklich zugestanden. Zuwiderhandlungen ver
-
pflichten zu Schadenersatz. Alle Rechte vorbehalten, insbe-
sondere für den Fall der Patenterteilung oder GM-Eintragung
.
Proprietary data, company confidential. All rights reserved.
Confié à titre de secret d'entreprise. Tous droits réservés.
Comunicado como segr edo empresarial. Reservados todos os direitos.
Confidado como secreto industrial. Nos reservamos todos los derechos.
form 659.02
1.5 Technical data
1.5.1 General HF specification
• Operating frequencies, tolerance
Single channel operation:
f op1 = 315MHz (USA, Japan)
f op2 = 433.92MHz (ECE)
3-channel operation:
f op1 = 314.00MHz / 314.45MHz / 314.9MHz (USA, Japan)
f op2 = 433.47MHz / 433.92MHz / 434.37MHz (ECE)
Temperature shift –20° to +65° C: +/-35ppm
Ageing: +/-10ppm
Remaining deviation after adjustment: +/-2ppm
Voltage dependency and drift XTO: +/-3ppm
Total tolerances remaining after
adjustment of the initial frequency +/-50ppm
1.5.2 HW_000210 - Specification of the HF transmitter
• Transmission power EIRP:
ECE*: -14,4dBm….-22dBm
USA/Canada ** -19.6dBm….-24dBm
Japan(TELEC-T244)***: -19.6dBm….-24dBm
Japan(ELPD 315MHz)**** -44dBm……-41dBm
* maximum transmission power limit Taiwan : 80.83dbµV/m at a distance of 3m.
With isotopic propagation, the maximum transmission power is –14.4dBm.
** maximum transmission power limit according to FCC section15/Canada RSS-210:
3.75…12.5mV/m in the 260-470MHz range at a distance of 3m
At 315MHz the figure is 6.042mV/m, which relates to a transmission power of –19.63dBm with
isotopic propagation.
*** Use of the USA variant
taken from the new TELEC-T244 Japanese standard
Limit max. 25µW with transmission frequency of up to 315.25MHz, this relates to -16dBm
Use of the USA variant
****Extremely low power devices
At a limit of 500µV/m and a distance of 3m with isotopic propagation, this reflects a transmission
power of –41.25dBm

First draft 12..03.2008 Version 1.0
Department C1E12 File
Author U. Schwalm Doc. no.
MARQUARDT GmbH
Schloßstraße 16
D 78 604 Rietheim – Weilheim
Date 12.03.2008 Page Page 9 of 9
Vehicle key BR212 – techn. description
.
Weitergabe sowie Vervielfältigung dieser Unterlage, Ver
-
wertung und Mitteilung ihres Inhalts nicht gestattet, soweit
nicht ausdrücklich zugestanden. Zuwiderhandlungen ver
-
pflichten zu Schadenersatz. Alle Rechte vorbehalten, insbe-
sondere für den Fall der Patenterteilung oder GM-Eintragung
.
Proprietary data, company confidential. All rights reserved.
Confié à titre de secret d'entreprise. Tous droits réservés.
Comunicado como segr edo empresarial. Reservados todos os direitos.
Confidado como secreto industrial. Nos reservamos todos los derechos.
form 659.02
• Settling time for the transmission frequency (PLL)
tStartUp = 500µs
t
lock ≤ 200µs with Δf = 600kHz with ferror ≤ 10kHz
• Modulation, baud rate:
Single channel operation: 10 kBaud Manchester keyless go
3-channel operation: 10 kBaud Manchester
Tolerances: ≤ ±1.0 %
• Modulation type, range:
2-FSK: +/-15kHz to +/-17kHz basic key
2-FSK: +/-15kHz to +/-21kHz keyless go key
• Emitted interference
o Harmonics & spurious
315MHz: ≤: -49dBm @ ≤ 960MHz (*
≤: -41dBm @ > 960MHz (**
(* This reflects the limit of 200µV/m as per FCC section 15, with isotopic propagation
(** This reflects the limit of 500µV/m as per FCC section 15, with isotopic propagation
433.92MHz:
≤: -36dBm @ ≤ 1 GHz
≤: -30dBm @ > 1GHz
all frequency bands:
≤? -54dBm @ UKW & TV bands (EN300220)
47 -74MHz
87.5 –118MHz
174 –240MHz
470 – 862MHz
• Modulation quality:
Overshoot: Max. 100% of the nominal value
Max. duration of the overshoot:
≤ 6µs at 10 kBaud
Build / fall times: 0 % to 100% nominal value:
≤ 6µs at 10 kBaud
The shift times are determined with a measuring receiver, the reception bandwidth of which lies as close as
possible to the receiver in the application:
Remote control vehicle locking: BWRx= 600kHz
Keyless go operation: BWRx= 200kHz