MS Connect 210 Ethernet Quick Start Guide Msconnect210quickstartguide
2009-05-25
: Microscan Msconnect210Quickstartguide msconnect210quickstartguide 3d69ac70-894c-490a-a045-eaca78575f5b _att
Open the PDF directly: View PDF
.
Page Count: 8

MS-Connect
210
Ethernet Quick Start Guide
P/N 83-212212 Rev A

2-2 MS-Connect 210 Ethernet Quick Start Guide
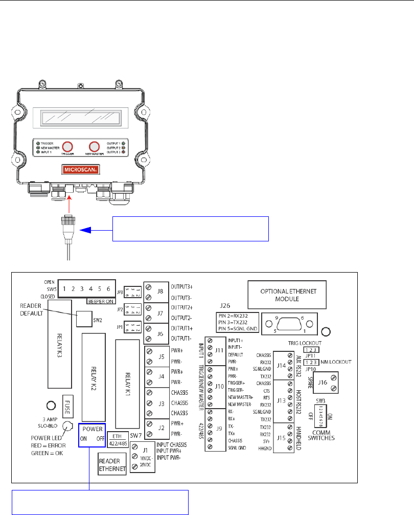
Power-On the System
Step 1 — Power-On the System
When your reader is connected to the MS-Connect 210 and all other cabling is connected
and secured, it is safe to turn on the system.
Set the Power switch to ON to cycle power.
Power supply cable (97-100004-15)

MS-Connect 210 Ethernet Quick Start Guide 2-3
MS-Connect 210 Ethernet Quick Start Guide
Step 2 — Select and Identify Device Using ESP
When you run ESP, you will see the model menu shown below. Select the MS-Connect
210 by double clicking on the MS-Connect 210 button, or by clicking it once and then
clicking OK.
The MS-Connect 210 view (shown below) will then appear.
Click the button showing
the MS-Connect 210.
Click Search to locate your MS-Connect 210.
The MS-Connect
210’s IP address
and MAC address
will appear in this
field.
Important: The
unit’s MAC address
is printed on the top
of the Ethernet
module inside the
box.
Click Revert to match all settings to the
selected MS-Connect 210’s current settings.

2-4 MS-Connect 210 Ethernet Quick Start Guide
Set Network Parameters
Step 3 — Set Network Parameters
You can use ESP to change Ethernet settings. Clicking Send and Save updates the settings
in the MS-Connect 210’s Ethernet module.
The firmware version, MAC
address, and IP address
will automatically populate
the fields shown at left.
Select the appropriate
Subnet Mask, Gateway
address, and TCP port.
Send and Save network parameters.

MS-Connect 210 Ethernet Quick Start Guide 2-5
MS-Connect 210 Ethernet Quick Start Guide
Step 4 — Set COM Port Parameters
The serial port settings of the MS-Connect 210 must match those of the reader for Ethernet
communication to be successful.
Set Baud Rate, Parity, Stop
Bits, and Data Bits to match
the corresponding settings in
the connected reader.
Send and Save COM port
parameters.
Click here to communicate
with readers via TCP/IP
connection.
Note: This option can also
be configured in the ESP
Preferences dialog.

2-6 MS-Connect 210 Ethernet Quick Start Guide
Select Reader Model and Connect
Step 5 — Select Reader Model and Connect
Once the MS-Connect 210’s Ethernet and serial port settings are configured, click the
Switch Model button and select your reader model from the dropdown menu.
If your reader model does not appear on the dropdown menu, select New Model to bring
up the model menu shown below.
When your reader is selected, select Settings from the Connect dropdown menu in
ESP’s menu toolbar.
In the Connection Settings
dialog, select the TCP/IP tab,
set the previously configured
IP address and TCP port, and
click Connect.
When a connection is established,
you can begin configuring the
reader in
ESP
.

MS-Connect 210 Ethernet Quick Start Guide 2-7
MS-Connect 210 Ethernet Quick Start Guide
Step 6 — Configure the Connected Reader
Each Microscan reader has different configuration requirements. Refer to the User’s Manual
for the Microscan reader or readers being used in your application.
Once the reader is configured, you can begin communicating via Ethernet.
Important: If the reader’s settings for baud rate, parity, stop bits, or data bits are
changed, you must reconfigure those settings in the MS-Connect 210 to match the new
settings in the reader. See Set COM Port Parameters.
Step 7 — Begin Active Operation of System
For detailed information about customizing MS-Connect 210 settings for EtherNet/IP™,
assigning an IP address without using ESP, or using a star network topology in industrial
automation applications, refer to the MS-Connect 210 User’s Manual.
For further details about implementing EtherNet/IP, visit the Open DeviceNet Vendor
Association (ODVA™) website:
http://www.odva.org/default.aspx
For additional information about the MS-Connect 210, a specific Microscan reader,
Microscan software, application information, or any other questions or concerns, you can
submit a Helpdesk Request on the Microscan website:
http://www.microscan.com/support/helprequest.htm

2-8 MS-Connect 210 Ethernet Quick Start Guide
Begin Active Operation of System