QX 870 Industrial Raster Scanner User's Manual Qx870manual
2009-10-08
: Microscan Qx870Manual qx870manual 37135276-54a7-4a48-9b5c-ae6ba94014c1 _att
Open the PDF directly: View PDF
.
Page Count: 388 [warning: Documents this large are best viewed by clicking the View PDF Link!]
- QX-870 Industrial Raster Scanner User’s Manual
- Table of Contents
- About the QX-870 Industrial Raster Scanner
- Scanner Communication
- Warning and Caution Summary
- Statement of Agency Compliance
- Statement of RoHS Compliance
- 1 Quick Start
- 2 Using ESP
- 3 Hardware Integration
- 4 Scanner Setup
- 5 Scanner Parameters
- 6 Terminal
- 7 Utilities
- Appendices
- Appendix A — General Specifications
- Appendix B — Electrical Specifications
- Appendix C — Ground and Shield Considerations
- Appendix D — Flying Lead Cordset Pinouts
- Appendix E — Serial Commands
- Appendix F — Protocol Commands
- Appendix G — ASCII Table
- Appendix H — Configuring Ethernet TCP/IP
- Appendix I — Using EtherNet/IP
- Appendix J — Operating the Serial Gateway Data Fields in the QX-870 EtherNet/IP (CIP) Interface Object
- Appendix K — Interface Standards
- Appendix L — Glossary of Terms

QX-870 Industrial Raster
Scanner User’s Manual
P/N 83-000870 Rev B

ii QX-870 Industrial Raster Scanner User’s Manual
Copyright and Disclaimer
Copyright ©2009
by Microscan Systems, Inc.
ISO 9001:2000 Certified Quality Management System
Issued by TUV USA Inc., Member of TUV NORD Group, Cert. No. 06-1080
All rights reserved. The information contained herein is proprietary and is provided solely for the purpose
of allowing customers to operate and/or service Microscan manufactured equipment and is not to be
released, reproduced, or used for any other purpose without written permission of Microscan.
Throughout this manual, trademarked names might be used. Rather than place a trademark (™) symbol
at every occurrence of a trademarked name, we state herein that we are using the names only in an editorial
fashion, and to the benefit of the trademark owner, with no intention of infringement.
Disclaimer
The information and specifications described in this manual are subject to change without notice.
Latest Manual Version
For the latest version of this manual, see the Download Center on our web site at:
www.microscan.com.
Technical Support
For technical support, email: helpdesk@microscan.com.
Microscan Systems, Inc.
Renton Headquarters
Tel: 425.226.5700 / 800.762.1149
Fax: 425.226.8250
Nashua Office
Tel: 603.598.8400
Fax: 603.577.5947
Microscan Europe
Tel: 011 31 172 423360
Fax: 011 31 172 423366
Microscan Asia Pacific
Tel: 65 6846 1214
Fax: 65 6846 4641

QX-870 Industrial Raster Scanner User’s Manual iii
Introduction
Microscan Limited Warranty Statement and Exclusions
What Is Covered?
Microscan Systems Inc. warrants to the original purchaser that products manufactured by it will be free
from defects in material and workmanship under normal use and service for a period of one year from the
date of shipment. This warranty is specifically limited to, at Microscan’s sole option, repair or replacement
with a functionally equivalent unit and return without charge for service or return freight.
What Is Excluded?
This limited warranty specifically excludes the following: (1) Any products or parts that have been subject
to misuse, neglect, accident, unauthorized repair, improper installation, or abnormal conditions or operations;
(2) Customer mis-adjustment of settings contrary to the procedure described in the Microscan Systems
Inc. owners manual; (3) Upgrading software versions at customer request unless required to meet specifications
in effect at the time of purchase; (4) Units returned and found to have no failure will be excluded; (5)
Claims for damage in transit are to be directed to the freight carrier upon receipt. Any use of the product is
at purchaser’s own risk. This limited warranty is the only warranty provided by Microscan Systems Inc.
regarding the product. Except for the limited warranty above, the product is provided “as is.” To the maximum
extent permitted by law, this express warranty excludes all other warranties, express or implied, including
but not limited to, implied warranties of merchantability and. Technical support questions may be directed
to: helpdesk@microscan.com Register your product with Microscan: www.microscan.com/register fitness
for a particular purpose. Microscan Systems Inc. does not warrant that the functions contained in the
product will meet any requirements or needs purchaser may have, or that the product will operate error
free, or in an uninterrupted fashion, or that any defects or errors in the product will be corrected, or that the
product is compatible with any particular machinery.
Limitation of Liability
In no event shall Microscan Systems Inc. be liable to you or any third party for any special, incidental, or
consequential damages (including, without limitation, indirect, special, punitive, or exemplary damages for
loss of business, loss of profits, business interruption, or loss of business information), whether in contract,
tort, or otherwise, even if Microscan Systems Inc. has been advised of the possibility of such damages.
Microscan Systems Inc.’s aggregate liability with respect to its obligations under this warranty or otherwise
with respect to the product and documentation or otherwise shall not exceed the amount paid by you for
the product and documentation. Some jurisdictions do not allow the exclusion or limitation of incidental or
consequential damages or limitations on an implied warranty, so the above limitation or exclusion may not
apply to you. This warranty gives you specific legal rights, and you may also have other rights which may
vary from state to state.
Tel: 425.226.5700 | Fax: 425.226.8250 | helpdesk@microscan.com

iv QX-870 Industrial Raster Scanner User’s Manual
Table of Contents
Table of Contents
Chapter 1 Quick Start
Step 1 Check Hardware .......................................................................... 1-2
Step 2 Connect the System..................................................................... 1-3
Step 3 Position Scanner and Symbol ...................................................... 1-4
Step 4 Install ESP ................................................................................... 1-5
Step 5 Select Model ................................................................................ 1-6
Step 6 Connect........................................................................................ 1-7
Step 7 Test Read Rate.......................................................................... 1-10
Step 8 Configure the Scanner ............................................................... 1-11
Step 9 Save Changes in ESP ............................................................... 1-12
Chapter 2 Using ESP
EZ Mode.................................................................................................. 2-2
App Mode ................................................................................................ 2-3
Menu Toolbar .......................................................................................... 2-4
Navigating in ESP ................................................................................ 2-15
Send/Receive Options.......................................................................... 2-16
Chapter 3 Hardware Integration
Connectors .............................................................................................. 3-2
Cordsets .................................................................................................. 3-3
QX-870 and QX-1.................................................................................... 3-4
Power and Trigger Switching .................................................................. 3-6
Port Routing ............................................................................................ 3-7
Application Examples .............................................................................. 3-8
Chapter 4 Scanner Setup
Calibration ............................................................................................... 4-2
Configuration Database........................................................................... 4-4
Ordered Output ....................................................................................... 4-6
Output Format ....................................................................................... 4-10
Chapter 5 Scanner Parameters
Communication ....................................................................................... 5-2
Read Cycle............................................................................................ 5-43
Symbologies.......................................................................................... 5-70
I/O Parameters .................................................................................... 5-107
Matchcode........................................................................................... 5-168
Diagnostics.......................................................................................... 5-177
Chapter 6 Terminal
Terminal Window..................................................................................... 6-2
Find ......................................................................................................... 6-3
Send ........................................................................................................ 6-4
Macros..................................................................................................... 6-5

QX-870 Industrial Raster Scanner User’s Manual v
Introduction
Terminal Window Menus ......................................................................... 6-6
Chapter 7 Utilities
Serial Utility Commands .......................................................................... 7-2
Read Rate ............................................................................................... 7-4
Counters .................................................................................................. 7-6
Device Control .........................................................................................7-8
Differences from Default.......................................................................... 7-9
Master Database ................................................................................... 7-10
Digital Bar Code ....................................................................................7-16
Firmware................................................................................................ 7-17
Default/Reset/Save................................................................................ 7-20
Scanner Status Requests......................................................................7-22
Other Serial Utility Commands .............................................................. 7-23
Embedded Menus ................................................................................. 7-28
Appendices
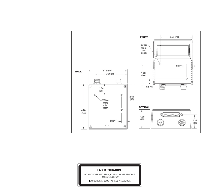
Appendix A General Specifications .........................................................A-2
Appendix B Electrical Specifications .......................................................A-6
Appendix C Ground and Shield Considerations ......................................A-8
Appendix D Flying Lead Cordset Pinouts..............................................A-10
Appendix E Serial Commands...............................................................A-11
Appendix F Protocol Commands...........................................................A-77
Appendix G ASCII Table .......................................................................A-86
Appendix H Configuring Ethernet TCP/IP .............................................A-87
Appendix I Using EtherNet/IP................................................................A-90
Appendix J Operating EtherNet/IP Serial Gateway Data Fields ............A-97
Appendix K Interface Standards............................................................A-99
Appendix L Glossary of Terms ............................................................A-100

vi QX-870 Industrial Raster Scanner User’s Manual
About the QX-870 Industrial Raster Scanner
About the QX-870 Industrial Raster Scanner
The key features of the QX-870 Industrial Raster Scanner are:
• Quick and easy configuration with Ultra-Lock™ cables and connectors
• X-Mode™ symbol reconstruction and aggressive decode algorithm
• Embedded Ethernet TCP/IP and EtherNet/IP™
• Ultra-high-performance processing
• Real-time decoding
• A green flash (visible from all angles) to signal a successful read
• LED array for performance, communication, and I/O user feedback
• EZ Button for setup and testing
• Compact size for easy integration into a wide variety of applications
• True IP65 sealing
Scanner Communication
There are three ways to configure and test the QX-870:
• Microscan’s Windows-based ESP Software (Easy Setup Program), which offers
point-and-click ease of use and visual responses to user adjustments.
• Serial commands, such as <K100,1>, that can be sent from ESP’s Terminal or another
terminal program.
•The EZ Button on the side of the scanner.
“Ultra-Lock” is a trademark of Woodhead (Molex).
“EtherNet/IP” is a trademark of the Open DeviceNet Vendors Association.

QX-870 Industrial Raster Scanner User’s Manual vii
Introduction
Warning and Caution Summary
This equipment has been tested and found to comply with the limits for a Class A digital
device, pursuant to part 15 of the FCC Rules. These limits are designed to provide reasonable
protection against harmful interference in a residential installation. This equipment generates,
uses, and can radiate radio frequency energy, and, if not installed and used in accordance
with the instructions, may cause harmful interference to radio communication. However,
there is no guarantee that interference will not occur in a particular installation. If this
equipment does cause harmful interference to radio or television reception, which can be
determined by turning the equipment off and on, the user is encouraged to try to correct
the interference by one or more of the following measures:
• Reorient or relocate the receiving antenna;
• Increase the separation between the equipment and receiver;
• Connect the equipment into an outlet on a circuit different from that to which the receiver
is connected;
• Consult the dealer or an experienced radio/TV technician for help.
For connection to a UL-listed direct plug-in power unit marked Class II and rated 10 to 28
VDC at 5 watts or greater.
European models must use a similarly rated Class I or Class II power supply that is certified
to comply with standard for safety EN 60950.
Use of controls, adjustments, or performance of procedures other than those specified
herein may result in hazardous laser light radiation exposure.
There are no user-serviceable parts in the scanner. Opening the scanner voids the Microscan
Systems, Inc. warranty and could expose the user to laser diode power of up to 7mW.
The laser beam can be harmful to eyesight. Avoid eye contact with the laser beam. Never
point the beam at other people, or in a direction where people may be passing.

viii QX-870 Industrial Raster Scanner User’s Manual
Statement of Agency Compliance
Statement of Agency Compliance
The QX-870 has been tested for compliance with FCC (Federal Communications
Commission)
regulations and has been found to conform to all applicable FCC Rules and Regulations.
To comply with FCC RF exposure compliance requirements, this device must not be co-located
or operate in conjunction with any other antenna or transmitter.
Changes or modifications not expressly approved by the party responsible for compliance
could void the user’s authority to operate the equipment.
The QX-870 has been tested for compliance with CE (Conformité Européenne) standards
and guidelines, and has been found to conform to applicable CE standards, specifically
the following requirements:
Heavy Industrial: EN 61000-6-2:2005
Radiated Emissions: EN 55022:2006 Class A 30-1000 MHz
Conducted Emissions: EN 55022:2006 Class A .15-30 MHz
The QX-870 has been tested by an independent electromagnetic compatibility laboratory
in accordance with the applicable specifications and instructions.

QX-870 Industrial Raster Scanner User’s Manual ix
Introduction
Statement of RoHS Compliance
All Microscan readers with a ‘G’ suffix in the FIS number are RoHS-Compliant. All compliant
readers were converted prior to March 1, 2007. All standard accessories in the Microscan
Product Pricing Catalog are RoHS-Compliant except 20-500013-01 and 98-000039-02.
These products meet all the requirements of the European Parliament and the Council of
the European Union for RoHS compliance. In accordance with the latest requirements, our
RoHS-compliant products and packaging do not contain intentionally added Deca-BDE,
Perfluorooctanes (PFOS) or Perfluorooctanoic Acid (PFOA) compounds above the maximum
trace levels. To view the documents stating these requirements, please visit:
http://eur-lex.europa.eu/LexUriServ/LexUriServ.do?uri=CELEX:32002L0095:EN:HTML
and
http://eur-lex.europa.eu/LexUriServ/LexUriServ.do?uri=OJ:L:2006:372:0032:0034:EN:PDF
Please contact your sales manager for a complete list of Microscan’s RoHS-Compliant products.
This declaration is based upon information obtained from sources which Microscan believes to be reliable, and
from random sample testing; however, the information is provided without any representation of warranty,
expressed or implied, regarding accuracy or correctness. Microscan does not specifically run any analysis on our
raw materials or end product to measure for these substances.
The information provided in this certification notice is correct to the best of Microscan’s knowledge at the date of
publication. This notice is not to be considered a warranty or quality specification. Users are responsible for
determining the applicability of any RoHS legislation or regulations based on their individual use of the product.

xQX-870 Industrial Raster Scanner User’s Manual
Statement of RoHS Compliance

QX-870 Industrial Raster Scanner User’s Manual 1-1
1 Quick Start
Contents
This section explains how to set up and test the QX-870 quickly using
ESP
(Easy Setup Program).
Detailed setup information for installing the scanner into an application can be found in
subsequent sections.
Step 1 Check Hardware................................................................................................................ 1-2
Step 2 Connect the System .......................................................................................................... 1-3
Step 3 Position Scanner and Symbol ........................................................................................... 1-4
Step 4 Install ESP......................................................................................................................... 1-5
Step 5 Select Model...................................................................................................................... 1-6
Step 6 Connect ............................................................................................................................. 1-7
Step 7 Test Read Rate .............................................................................................................. 1-10
Step 8 Configure the Scanner.................................................................................................... 1-11
Step 9 Save Changes in ESP.................................................................................................... 1-12

1-2 QX-870 Industrial Raster Scanner User’s Manual
Check Hardware
Step 1 — Check Hardware
Note: The QX-870 does not require an Ethernet crossover cordset, because the scanner
itself performs automatic internal crossover (transmit-to-receive switching). Microscan
offers a standard straight-through (un-crossed) Ethernet cordset (61-000160-01).
Important: Do not attempt to power more than four scanners with a single power supply
in a daisy chain configuration. Add a QX-1 and one power supply for every four additional
scanners in the daisy chain.
Item Description Part Number
1QX-870 Industrial Raster Scanner FIS-0870-XXXXG
2QX-1 Interface Device 98-000103-01
3
QX Cordset, Common, M12 12-pin Plug to M12 12-pin Socket, 1 m
61-000162-01
4QX Cordset, Host, Serial, M12 12-pin Plug to DB9, 1 m 61-000152-01
5QX Cordset, Host, Serial, M12 12-pin Socket to DB9, 1 m 61-000153-01
6QX Power Supply, M12 12-pin Socket, 1.3 m 97-000003-01
7QX Cordset, Host, Ethernet, M12 8-pin Plug to RJ45, 1 m 61-000160-01
8QX Photo Sensor, M12 4-pin Plug, NPN, Dark On, 2 m 99-000020-02
Note:
Additional cordsets and accessories are available in the Microscan Product Pricing Catalog.
Hardware Required
Caution: Be sure that all connections are secure BEFORE applying power to
the system. Always power down BEFORE disconnecting any cables.
Standalone (with QX-1) Standalone (without QX-1)Standalone (without QX-1)

QX-870 Industrial Raster Scanner User’s Manual 1-3
Quick Start
Step 2 — Connect the System
Important: When connecting Ultra-Lock cordsets to the QX-870 and QX-1, align the pins
first and then push the connector into place. Do not twist the connectors, as this will bend
the pins.
Important: Do not attempt to power more than four scanners with a single power supply in
a daisy chain configuration. Add a QX-1 and one power supply for every four additional
scanners in the daisy chain.
RS-232
• Connect the Serial Communication Cable from “A” on the QX-870 to “2” on the QX-1.
• Connect the host cable from “1” on the QX-1 to the host computer.
• Connect the photo sensor to “T” on the QX-1.
• Connect the power supply to “3” on the QX-1.
• Plug in the power supply.
Ethernet
Note: The QX-870 does not require an Ethernet crossover cordset, because the scanner
itself performs automatic internal crossover (transmit-to-receive switching). Microscan
offers a standard straight-through (un-crossed) Ethernet cordset (61-000160-01).
• Connect the Ethernet Cable from “B” on the QX-870 to the network.
• Connect the photo sensor to “T” on the QX-1.
• Connect the power supply to “A” on the QX-870.
• Plug in the power supply.
Standalone (with QX-1) Standalone (without QX-1)

1-4 QX-870 Industrial Raster Scanner User’s Manual
Position Scanner and Symbol
Step 3 — Position Scanner and Symbol
• Place a test symbol in a location with as little ambient light as possible.
• Position the scanner at the focal distance used in the application.
• Align the test symbol with the scanner’s field of view.
• Tip the scanner relative to the test symbol to avoid glare from specular reflection.
Pitch
axis
Bar code
label
Tilt
axis
axis
Scan line
Scanner
Pitch
Tilt
Skew
Symbol
Scanner
Maximum
skew, tilt,
and pitch:
±30°

QX-870 Industrial Raster Scanner User’s Manual 1-5
Quick Start
Step 4 — Install ESP
ESP Software can be found on the Microscan Tools CD that is packaged with the QX-870.
1. Follow the prompts to install ESP from the CD.
2. Click on the ESP icon to run the program.
Note: ESP can also be installed from the Download Center at www.microscan.com.
Minimum System Requirements
• 166 MHz Pentium processor (Pentium II processor recommended)
• Windows Vista, XP, or 2000 operating system
• Internet Explorer 5.0 or higher
• 64 MB minimum RAM (128+ MB RAM recommended)
• 80 MB hard drive space
• 800 x 600 minimum 256 color display (1024 x 768 32-bit color recommended)

1-6 QX-870 Industrial Raster Scanner User’s Manual
Select Model
Step 5 — Select Model
When ESP is opened, the following menu will appear:
1. Click the button showing the QX-870.
2. Click OK.
Note:
The QX-870 can also be selected by double-clicking the button showing the QX-870.
3. Click Yes when this dialog appears:
Note: To select another model later, click the Switch Model button near the top of the
screen or use Model > New Model in the menu toolbar.

QX-870 Industrial Raster Scanner User’s Manual 1-7
Quick Start
Step 6 — Connect
Connection Wizard
To connect using the Connection Wizard:
• Click Connect on the menu toolbar, and then select Connection Wizard.
•Select RS-232 or Ethernet to activate the appropriate display.
• Configure RS-232 or Ethernet settings as required by the application, and click Connect.
• When a connection is established, the green indicator in the status bar at the bottom
right of the screen will be visible:
Important: The scanner is in Continuous Read Mode by default. For best connection
results, be sure that no decodable symbols are within the scanner’s field of view while
attempting to connect.
RS-232 Connection Wizard Ethernet Connection Wizard

1-8 QX-870 Industrial Raster Scanner User’s Manual
Connect (cont.)
Step 6 — Connect (cont.)
Ethernet TCP/IP
Once the QX-870 is connected, incoming symbol data can be displayed in the Terminal, as
shown below.

QX-870 Industrial Raster Scanner User’s Manual 1-9
Quick Start
Step 7 — Test Read Rate
Read Rate indicates the number or percentage of successful decodes per second achieved
by the scanner.
1. Click the Test button in ESP’s EZ Mode to start the Read Rate test.
Symbol data and read rate percentage information should appear in the Symbol
Information table in the bottom portion of the view. The Read Rate LEDs on the
side of the QX-870 will indicate the percentage of successful decodes per second.
2. Click Stop to end the Read Rate test.
Note: Read Rate can also be tested using the Read Rate interface in Utilities.

1-10 QX-870 Industrial Raster Scanner User’s Manual
Configure the Scanner
Step 8 — Configure the Scanner
Click the App Mode button to make configuration changes to the scanner.
The following modes are accessible by clicking the buttons at the top of the screen:
• Click the EZ Mode button to return to EZ Mode.
• Click the Autoconnect button to establish communication.
• Click the Send/Recv button to send or receive commands.
• Click the Switch Model button to open the model menu, or to return to a previous model.
• Click the Parameters button to show the tabbed tree control views.
• Click the Setup button to show the tabbed interface views.
• Click the Terminal button to display decoded symbol data and to send serial commands.
• Click the Utilities button to access Read Rate, Counters, Device Control, Differences
from Default, Master Database, Digital Bar Code, and Firmware.
For further details, see Microscan ESP Help in the dropdown Help menu.

QX-870 Industrial Raster Scanner User’s Manual 1-11
Quick Start
Step 9 — Save Changes in ESP
To make changes to a configuration setting:
Saving Options
•Send, No Save. Changes will be lost when power is re-applied to the scanner.
•Send and Save. This activates all changes in current memory and saves to the scanner
for power-on.
1. Left-click on the +
to expand the
desired tree.
2. Double-click on the
desired parameter
and click once in the
selection box to view
options.
5. Right-click on the open
screen and select Save to
Reader to implement the
command in the scanner.
4. Left-click again
on the open
screen to complete
the selection.
3. Place the cursor in the
selection box, scroll
down to the setting to be
changed, and click once
on the setting.

1-12 QX-870 Industrial Raster Scanner User’s Manual
Save Changes in ESP

QX-870 Industrial Raster Scanner User’s Manual 2-1
2 Using ESP
Contents
This section explains the basic structure and elements of ESP (Easy Setup Program).
When ESP is opened, unless otherwise specified in ESP Preferences, the EZ Mode view
will appear. App Mode contains several configuration menus (Communication, Read
Cycle, Symbologies, I/O Parameters, Matchcode, and Diagnostics), a Setup interface,
a Terminal interface, and a Utilities interface.
ESP can be used to configure the QX-870 in three different ways:
•Graphic User Interfaces: Scanner settings can be configured using such point-and-click
tools as buttons, spin boxes, check boxes, and drag-and-drop functions.
•Tree Controls: Each configuration menu contains a list of all option settings that pertain
to that specific area of scanner operation. For example, the Read Cycle menu shows a
Laser Setup command, and then a list of the parameters Laser On/Off, Laser Framing
Status, Laser On Position, Laser Off Position, and Laser Power. Each parameter
can be configured using dropdown menus or fields where characters can be entered.
•
Terminal: ESP
’s
Terminal
allows the user to send serial configuration and utility commands
directly to the scanner by typing them in the provided field.
Information about using specific commands in ESP is provided in subsequent sections.
For ESP system requirements, see Minimum System Requirements in Chapter 1, Quick
Start.
EZ Mode........................................................................................................................................2-2
App Mode......................................................................................................................................2-3
Menu Toolbar................................................................................................................................2-4
Navigating in ESP .......................................................................................................................2-15
Send/Receive Options ................................................................................................................2-16

2-2 QX-870 Industrial Raster Scanner User’s Manual
EZ Mode
EZ Mode
EZ Mode allows the user to test read rate and calibrate the scanner. After connecting to
the scanner, the EZ Mode view will appear. On-screen instructions assist the user with
positioning, testing, and calibration.
Test
Click the Test button to start the read rate test for a quick indication of the scanner’s read
capabilities and the limits of the application. When Decodes per Second is unchecked,
the test will count the percentage of decodes relative to the number of actual scans. Click
Stop to end the test.
Calibrate
The calibration routine that will optimize the scanner by comparing Read Rates at various
camera and image processing settings.
Click the App Mode button
to access configuration trees
and other setup features.
Starts Read Rate test.
Click Calibrate to begin the calibration
routine. Calibration is explained at the
left of the EZ Mode screen, and also
in Quick Start.

QX-870 Industrial Raster Scanner User’s Manual 2-3
Using ESP
App Mode
From EZ Mode, click on the App Mode button to access the tabbed tree controls in
Parameters, the intuitive user interfaces in Setup, the Terminal interface, and the Utilities
interface.
Note: The App Mode and EZ Mode buttons appear in the same position to allow easy
switching between these primary modes.
Click here to open
the Terminal view.
Menu toolbar
Click this icon to
return to EZ Mode.
Read Rate,
Counters, Device
Control, Differences
from Default, Master
Database, Digital
Bar
Code, Firmware
Tabbed tree
controls
Calibration, Configuration Database,
Ordered Output, Output Format
Autoconnect to the
scanner, Send and
Receive
command settings,
and Switch Model

2-4 QX-870 Industrial Raster Scanner User’s Manual
Menu Toolbar
Menu Toolbar
File
New
Whenever New is selected, the default configuration of ESP is
loaded.
Open/Save
When Save or Save As is selected, the ESP configuration is
saved to the host computer’s hard drive and available whenever
the same file is selected under Open.
Important: When configuration changes are saved to the hard
drive, these changes are not automatically saved to the scanner.
The illustration below shows how settings can be saved and
received between ESP and the scanner, and ESP and the host
hard drive.
Import/Export
Import converts the ASCII settings from a text file to ESP configuration settings.
Export converts the active ESP configuration settings to an ASCII text file.
(Save to Scanner)
(Receive Scanner
Settings)

QX-870 Industrial Raster Scanner User’s Manual 2-5
Using ESP
Model
The Model dropdown menu shows a list of recent scanners that have been used with ESP.
When a different model is chosen, the connection to the present model is terminated.
To connect to another model, select New Model, choose a new model from the pop-up
menu that appears, and click OK.
Note: When an ESP file is saved, the settings of all the models defined in that file are saved.

2-6 QX-870 Industrial Raster Scanner User’s Manual
Menu Toolbar
Options
The Options menu allows the user to save memos and set up
ESP Preferences.
Note: Preferences will be saved and loaded into ESP whenever
ESP is opened next, whether or not the ESP file is saved.
Preferences > General Tab
Reload Last File
At startup, reloads the last file saved to the host computer’s hard drive.
Show Model Prompt
At startup, shows the model menu displaying all supported scanners.
Show Connect Prompt
At startup, displays the Would you like to connect to the QX-870? prompt.
Receive After Connect
At startup, loads the scanner’s settings into ESP. (This is not recommended if ESP settings
are needed for future use.)
Skip EZ Mode
At startup, skips EZ Mode and opens directly in App Mode.
Enable ‘Send and Save as Customer Defaults’
At startup, enables the Send and Save as Customer Defaults option in the Send/Recv
command.
The Toolbar Style
options allow the user
to determine how ESP
will display the mode
options in the two rows
at the top of the screen.

QX-870 Industrial Raster Scanner User’s Manual 2-7
Using ESP
Preferences > Terminal Tab
Show Non-Printable Characters
When Show Non-Printable Characters is enabled, characters such as “CRLF” will be
displayed in the Terminal window. When Enhanced Format is checked, the characters
are displayed with more detailed formatting.
Change Keyboard Macros
Clicking the Change Keyboard Macros button brings
up the Function Keys dialog. In this dialog, select the
desired function key and then enter the macro keystrokes
in the associated key map. For example, to make
Ctrl-F2
the keystroke to send a trigger character, select F2, then
in the Ctrl row, enter <trigger character> and click OK.
Then whenever the Ctrl-F2 keystroke is pressed, the
trigger character will start the read cycle.
Note: The F1 key is reserved for opening ESP Help
and the F3 key is reserved for the Find Next function.
Change Font
Allows the user to modify the font used for decode data received from the scanner on the Terminal.
Change Echo Font
Allows the user to modify the font used for command characters typed into the Terminal.
Enable Echo
Allows the user to enter command characters in Terminal.
Display Incoming Data Even When Not in Focus
When Display Incoming Data Even When Not in Focus is enabled, data from the
scanner will continue to appear in the Terminal even when ESP is not the top window.

2-8 QX-870 Industrial Raster Scanner User’s Manual
Menu Toolbar
Preferences > Bar Code Options Tab
Sizing Information
Sets the bar height (in inches) and bar width (in
mils
, or thousandths of an inch) of user-created
symbols.
Example: A bar width of 13 mils is 0.013 inches.
Caption
Allows the user to define a caption for the symbol, and to determine the alignment of the
caption in relation to the symbol.

QX-870 Industrial Raster Scanner User’s Manual 2-9
Using ESP
Preferences > Advanced Tab
The Auto Sync options at the top of the Advanced tab allow the user to determine
whether Auto Sync will be enabled automatically in sections of ESP where it is used, or if it
will ask before it enables Auto Sync functions.
Always Ask Before Auto Sync Occurs
If this option box is checked, specific Auto Sync functions can be enabled.
Receive Settings
from the Reader will automatically send the scanner’s settings to ESP when Auto Sync is
enabled.
Send ESP Settings to the Reader
will automatically send all scanner configuration
settings chosen in ESP to the scanner. Do Not Send or Receive Settings creates a
condition in which Auto Sync will not automatically send scanner settings to ESP, or send
ESP settings to the scanner.
Send XON with Autoconnect
Sends an XON (Begin Transmission) command to the scanner before starting the
Autoconnect routine.

2-10 QX-870 Industrial Raster Scanner User’s Manual
Menu Toolbar
Preferences > Advanced Tab (cont.)
Ask to Save ESP File when Quitting
When enabled, prompts the user to save a .esp file when ending a session.
The .esp file will be saved in the location specified by the user.
Connect to Readers via TCP/IP
When enabled, shows the TCP/IP Connection Wizard by default.
Use Default Storage Location
When enabled, automatically stores data in ESP’s Application Data folder.

QX-870 Industrial Raster Scanner User’s Manual 2-11
Using ESP
Document Memo
The information entered in the Document Memo field will appear in a context-sensitive text
box whenever the cursor hovers over the Document Memo item on the Options menu.
Model Memo
Similar to Document Memo, the information entered in the Model Memo field will appear in
a context-sensitive text box whenever the cursor hovers over the Model Memo item on the
Options menu. Memos created in Model Memo are specific to the model enabled when
the message was created.
Note: Memos must be saved in a .esp file to make them available in the next session. If
the current session is not saved, any memos that have been entered during the session
will be discarded, and will be unavailable in the next session.

2-12 QX-870 Industrial Raster Scanner User’s Manual
Menu Toolbar
Connect
The Connect dropdown menu allows the user to access the Connection Wizard, as well
as the Autoconnect and Configure Multidrop dialogs. Connect and Disconnect can
also be performed directly from the dropdown menu without opening a dialog.
Connection Wizard
To connect using the Connection Wizard:
• Click Connect on ESP’s menu toolbar, and then select Connection Wizard.
• Select RS-232 or Ethernet to activate the appropriate display.
• Configure RS-232 or Ethernet settings as required by the application, and click Connect.
• When a connection is established, the green indicator in the status bar at the bottom
right of the screen will be visible:
RS-232 Connection Wizard Ethernet Connection Wizard
Click the Search
button to locate
scanners on the
network.

QX-870 Industrial Raster Scanner User’s Manual 2-13
Using ESP
Autoconnect
•
If the RS-232 connection attempt fails, use
Autoconnect
to establish a connection
between
the scanner and the host.
• If the communication port is not the default COM1, use the dropdown menu to change
the port.
• When a connection is established, the green indicator in the status bar at the bottom
right of the screen will be visible.
• Once the correct
port is chosen,
click Start to
connect.

2-14 QX-870 Industrial Raster Scanner User’s Manual
Menu Toolbar
View
The View menu allows the user to move quickly between the
Setup, Terminal, and Utilities interfaces without using the icon
buttons on the App Mode toolbar. It also allows the user to
access the Bar Code Dialog, shown below.
Bar Code Dialog
Symbols can be created in the Bar Code Dialog by typing the
text to be encoded. This is a useful tool for creating configuration
symbols, allowing the user to configure the scanner by reading
the user-created symbols.
Drag specific configuration
values from the control tree
directly into this field to
encode new symbols.
Choose a spatial
orientation for the
new symbol.
Create a caption
for the symbol
that matches or
describes the
encoded data.
The symbol will be
displayed in the field
at the bottom of the
Bar Code Dialog.

QX-870 Industrial Raster Scanner User’s Manual 2-15
Using ESP
Navigating in ESP
To change scanner settings, or to access the Setup, Terminal, or Utilities views, click the
App Mode button.
To return to EZ Mode, click the EZ Mode button.
To make changes to configuration settings in the tree controls:
1. Left-click on the + to expand
menu items.
2. Double-click the desired
parameter and single-click
in the selection box to view
options.
3. Place the cursor in the
selection box, scroll down
to the desired setting, and
single-click the setting.
4. Left-click again on the open screen to complete the
selection.
5. Right-click on the open screen and select Save to
Reader to implement the command in the scanner.
The command can be sent without saving, or sent
and saved simultaneously.
The X
indicates
that the
setting is
default.

2-16 QX-870 Industrial Raster Scanner User’s Manual
Send/Receive Options
Send/Receive Options
To access Receive, Save, and Default options, click the Send/Recv button. These
options can also be reached by right-clicking in any of the configuration views.
Receiving
From the Send/Recv menu, select Receive Reader Settings.
Caution: Selecting this option will upload the scanner’s settings. If the ESP file has a
number of custom settings that must be maintained and downloaded into the scanner,
these settings will be lost.
This function is useful for receiving (uploading) the scanner’s settings and saving them as
a file for future use. For example, if the scanner has settings that must not change,
Receive Reader Settings would load those settings to ESP and save them in an ESP file
for later retrieval.
Receiving the scanner’s settings will also assure that any unwanted subsequent changes
in ESP will not be saved.
Saving
Send, No Save (<A>)
Saves ESP settings to current
memory.
Send and Save (<Z>)
Activates all changes in current
memory and saves to the scanner
for power-on.
Send and Save as Customer Defaults (<Zc>)
Saves default settings for quick retrieval.
This option will be visible only if Enable ‘Send and Save as Customer Defaults’ is
checked in ESP Preferences.

QX-870 Industrial Raster Scanner User’s Manual 2-17
Using ESP
Defaulting
When Default Current Menu Settings or Default all ESP Settings are selected, only the
ESP settings are defaulted.
Advanced Options
Send Current View
This is the same as
Save to Reader
>
Send No Save
except that only the
commands in the current configuration
tree are sent.
Send Current Command
This is the same as
Send Current
View
, except that it saves only the
command that is currently selected.
Add/Remove Exception
After a Receive Reader Settings command is performed1 and the Add Exception option
is selected, a list of serial commands may appear. These are commands that may be in
the scanner’s firmware, but are not included in, or are different from, the current version of
ESP
.
These commands can be edited by double-clicking them and changing them as needed.
It is important to note that these commands will be saved to the scanner whenever a Save
to Reader command is sent, or when an <A> or a <Z> command is sent.
Also, if there is a corresponding ESP menu item, the ESP Value column for that item will
be blank following a Receive Reader Settings command.
1. From the Send/Recv button or by right-clicking in any blank section of a tree control view.

2-18 QX-870 Industrial Raster Scanner User’s Manual
Send/Receive Options

QX-870 Industrial Raster Scanner User’s Manual 3-1
3 Hardware Integration
Contents
This section introduces the details of QX-870 hardware, and explains how that hardware
can be integrated in an application.
Connectors ................................................................................................................................... 3-2
Cordsets ....................................................................................................................................... 3-3
QX-870 and QX-1 Connectors and Pinouts.................................................................................. 3-4
Power and Trigger Switching........................................................................................................ 3-8
Port Routing.................................................................................................................................. 3-9
Application Examples ................................................................................................................. 3-10

3-2 QX-870 Industrial Raster Scanner User’s Manual
Connectors
Connectors
Industrial cabling and connectivity schemes must be able to withstand environmental
extremes of heat, cold, and moisture, and be secure enough not to be disconnected or
damaged inadvertently in the course of day-to-day operation.
The current industry standard for connectivity is a sealed, circular connector such as the
M12. The International Electrotechnical Commission (IEC) standard for M12 connectors
describes them as fixed
and free screw-locking connectors. This type of connector is widely
available off-the-shelf from manufacturers
such as Turck, Lumberg, Phoenix Contact,
Molex, or Binder.
The QX-870 uses sealed, circular connectors with Ultra-Lock™ technology. Ultra-Lock
connectors are more resistant to harsh industrial conditions, and are easy to connect.
Ultra-Lock Connectors
Microscan has adopted Ultra-Lock connectivity because of speed, ease-of-use, and
ingress protection considerations. The main advantage of the Ultra-Lock system is that
only two steps are required at every connection point:
1. Align the connector and receptacle keys;
2. Push the connector into place. (Do not twist the connector, as this can bend the pins.)
Ultra-Lock connectors are “operator-independent”. This means that they are not subject to
under-tightening or over-tightening, both of which are common problems with screw-down
connectors, and both of which undermine the moisture-resistant seal.
Another advantage of the QX-870’s Ultra-Lock connectivity scheme is that the Ultra-Lock
receptacles on the scanners and the QX-1 Interface Device also accept screw-down
connectors, giving users the flexibility to use either Ultra-Lock or screw-down connectors.
“Ultra-Lock” is a trademark of Woodhead (Molex).
Ultra-Lock Connector Traditional Threaded Connectors

QX-870 Industrial Raster Scanner User’s Manual 3-3
Hardware Installation
Cordsets
The terms “cordset” and “cable” are both applicable to industrial connectivity, but they are
not synonymous. Cordsets enable communications and power between scanners and
interface devices. Cordsets have an M12 Ultra-Lock connector at one or both ends.
Examples of cordsets are shown below.
Cables do not have M12 Ultra-Lock connectors at either end. An example of a cable is
shown below.
M12 Ultra-Lock to RJ45 (Ethernet) Cordset
M12 Ultra-Lock to M12 Ultra-Lock Cordset
M12 Ultra-Lock to Photo Sensor Cordset
Cable with flying leads

3-4 QX-870 Industrial Raster Scanner User’s Manual
QX-870 and QX-1 Connectors and Pinouts
QX-870 and QX-1 Connectors and Pinouts
When deploying a network of scanners and interface devices in an industrial setting, it is
important to use components whose pin assignments are arranged in a way that avoids
communication errors and equipment damage. This can be achieved with components
that are designed in a logical, consistent, and easy-to-implement way.
The QX-870 has a very simple pin assignment methodology. The clearly identified connectors
at the back of the unit can be used to receive and bus power, and also to send and receive
data and commands.
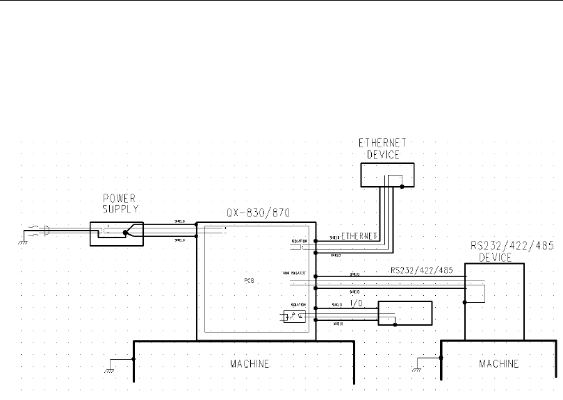
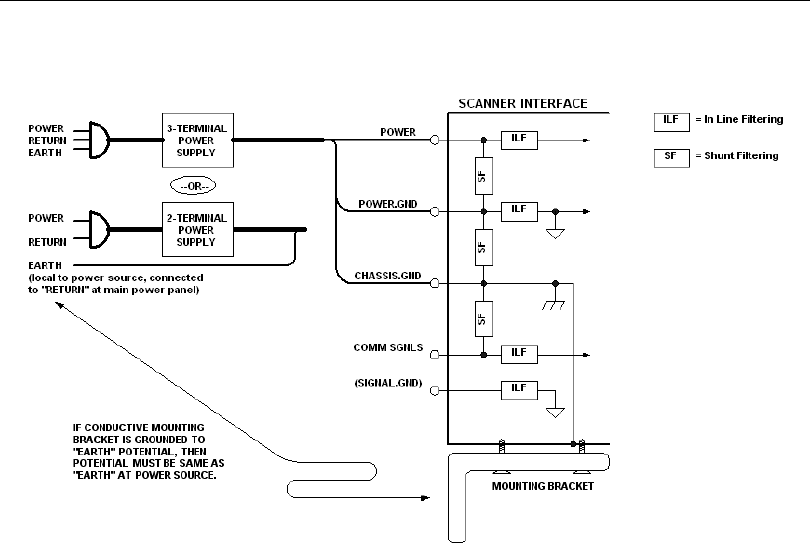
See Appendix C – Ground and Shield Considerations for information about grounding
the scanner correctly.
Ground
Output 3
Output 1
Output 2
New Master Default
Power
Input Common
Output Common
RS-232 RxD
Trigger
RS-232
TxD
QX-870 (Base View)
Input
Common
RS-422/485 RxD (–)
RS-232 TxD/
RS-232 RTS
Trigger
RS-232 RxD/
RS-232 CTS
Power
Ground
RS-422/485
RxD (+)
RS-422/485
TxD (+)
RS-422/485 TxD (–)
Input 1 Term i n a t ed
A (Serial) M12 12-pin Plug
B (Serial) M12 12-pin Socket
A is a serial M12 12-pin plug.
B is a serial M12 12-pin socket or an
Ethernet M12 8-pin socket.
P/M is a serial M12 12-pin plug.
T is a 4-pin Micro-Change socket
(identical to the QX-1 trigger connector).
TX (+)
RX (–)
RX (+)
TX (–)
Terminated
Terminated
B (Ethernet) M12 8-pin Socket
Terminated
Termina t e d
AB
P/M
T
N/C
RS-422/485 RxD (–)
N/C
N/C
N/C
Power
Ground
RS-422/485
RxD (+)
RS-422/485
TxD (+)
RS-422/485 TxD (–)
N/C N/C
P/M (Serial) M12 12-pin Plug

QX-870 Industrial Raster Scanner User’s Manual 3-5
Hardware Installation
Grounding the QX-870
Proper grounding is necessary for operator safety, noise reduction, and the protection of
equipment from voltage transients. Buildings, including any steelwork, all circuits, and all
junction boxes must be grounded directly to an earth ground in compliance with local and
national electrical codes.
Ground Loops
Ground loops (signal degradation due to different ground potentials in communicating
devices) can be eliminated or minimized by ensuring that both the host, scanner, and their
power supplies are connected to a common earth ground.
An earth ground is provided through the cable shields and chassis of the scanner.

3-6 QX-870 Industrial Raster Scanner User’s Manual
QX-870 and QX-1 Connectors and Pinouts
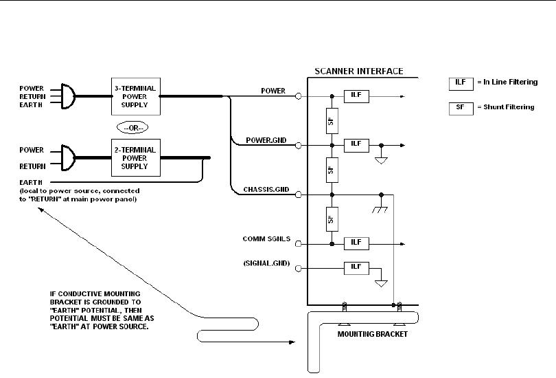
Expected Power and Ground Connections for Proper Operation
Notes:
• Ensure that mounting bracket “Earth” is at the same potential as power source “Earth”.
• Supply “Return” and “Earth” ground must be stable, low-impedance reference points.
• “2-Terminal Power Supply” must still provide an “Earth” connection to the scanner.
• “Signal Ground” can be used for communications and/or discrete signal ground reference.
It must not be used as Power Ground or Earth Ground.

QX-870 Industrial Raster Scanner User’s Manual 3-7
Hardware Installation
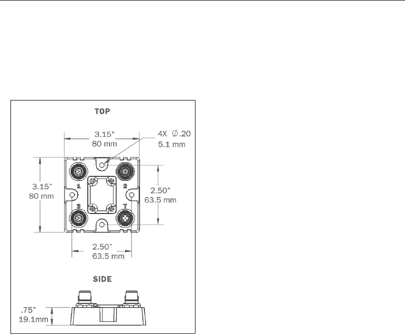
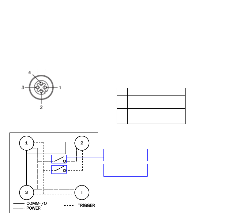
QX-1 Interface Device
The QX-1 Interface Device’s receptacles are physically the same as those on the QX-870,
but they do not have explicit pin assignments. The QX-1 allows users to bus power and
communications as required by the application.
Connectors 1 and 3 are 12-pin plugs, and Connector 2 is a 12-pin socket.
All three connectors can be assigned to bus power and data as required by
the application.
The two switches at the center of the device allow the user to route signals
as needed.
Pin Assignment
1 + 10-28V
2Trig/NM/Input 1
Common
3 Ground
4 Trigger
QX-1 Interface Device
QX-1 Trigger Connector 4-pin Socket
PWR
TRIG
1, 3,
T
1, 2,
3, T
1, 2,
3
1, 3
This simple diagram (shown on the base of the QX-1) illustrates how
power, communications, I/O, and trigger signal can be routed through
the QX-1 device depending on the needs of the application. The
switches greatly increase signal routing flexibility.
QX-1 Communications - I/O -
Power - Trigger

3-8 QX-870 Industrial Raster Scanner User’s Manual
Power and Trigger Switching
Power and Trigger Switching
PWR
TRIG
1, 3,
T
1, 2,
3, T
1, 2,
3
1, 3
Power can be bussed between scanners and interface
devices. At each location on a network where a new power
supply is added, the Power switch on the QX-1 can be
used to break power between Connector 2 and Connectors
1, 3, and T.
The Trigger signal between Connector 2 and Connectors
1, 3, and T can be broken using the Trigger switch. This
isolates trigger signals as required by the application.

QX-870 Industrial Raster Scanner User’s Manual 3-9
Hardware Installation
Port Routing
The physical advantages created by flexible signal routing and switching are enhanced
further by Port Routing, which can be configured in ESP. Port Routing eliminates the
need for dedicated “Host” and “Aux” ports in a traditional sense. With Port Routing, any
port can be defined as a Host or Aux port. Port Routing also allows users to define the
data types that are accessible from specific ports.
The primary benefit of Port Routing is that any type of data can be routed to any port, and
can be sent through multiple ports simultaneously. Multiple types of data can also be
appended to the symbol data that is output from the scanner to the host. Command data,
symbol data, extra symbol information, and diagnostic data are enabled by default in the QX-870.
The table below lists different types of data, with examples for each data type.
The screen capture below (from ESP) shows the QX-870’s four communications ports and
the parameters for each.
Data Type Example
Command Data Serial commands; scanner responses to serial commands.
Symbol Data Any string of data encoded in a symbol.
Extra Symbol Information Decodes per trigger, decode direction, configuration database index number.
Diagnostic Data Laser status, temperature, service message.
RS-232 A, RS-232 B, and RS-422 are
serial. RS-232 A is always enabled. RS-232
B and RS-422 can be enabled or disabled to
match the physical requirements of the
application. Ethernet can also be enabled
or disabled as required.
RS-232 A, RS-232 B, and RS-422 can be
configured for Baud Rate, Parity, Stop Bits,
Data Bits, Symbol Data Output, Extra Symbol
Information (Decodes Before Output, Symbol
Position Output, etc.), Diagnostics Output,
and External Source Processing Mode
(Command or Data).
Ethernet can be configured for IP Address,
Subnet Mask, Gateway, IP Address Mode
(Primary or Secondary TCP Port), Symbol
Data Output, Extra Symbol Information,
Diagnostics Output, and External Source
Processing Mode.

3-10 QX-870 Industrial Raster Scanner User’s Manual
Application Examples
Application Examples
The following examples demonstrate how the components described in previous pages
can be deployed in industrial applications.
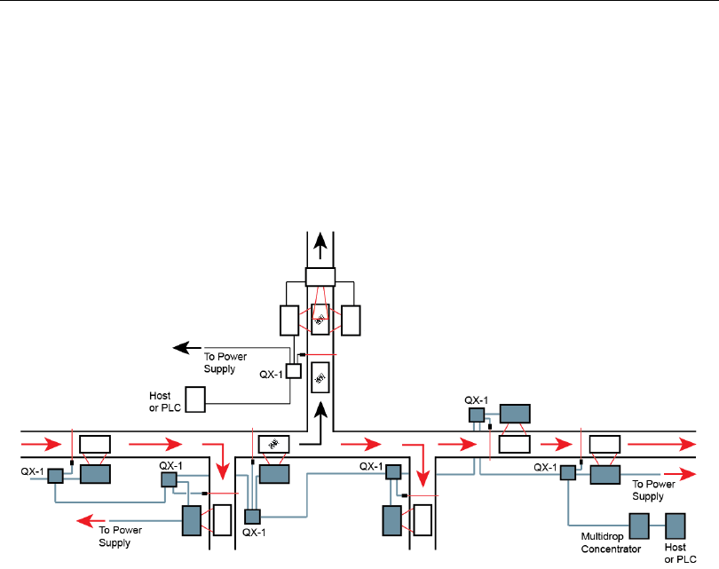
Daisy Chain
Daisy chain configurations are used in applications such as product packaging, where
single items have multiple symbols. For example, a box with one symbol on the top and
symbols on either side requires at least three scanners to ensure that all symbols will be
decoded.
The highlighted areas below demonstrate how a daisy chain can be arranged. One scanner
is placed above the conveyor line and one scanner is placed on each side of the line. The
three scanners essentially function as a single scanner, and data is sent from the primary
scanner to the host or PLC.
Important: Do not attempt to power more than four scanners with a single power supply in
a daisy chain configuration. Add a QX-1 and one power supply for every four additional
scanners in the daisy chain.

QX-870 Industrial Raster Scanner User’s Manual 3-11
Hardware Installation
Multidrop
Multidrop networks are used in applications where it is necessary to decode symbols at
multiple locations within an industrial process. Scanners are placed at stations located
between manufacturing steps, and data from those scanners is directed to a multidrop
concentrator before being sent to a host. An example of this type of application is food
packaging, in which part number data is collected and tracked throughout the packaging
process.
The highlighted areas below demonstrate how a multidrop network can be arranged.

3-12 QX-870 Industrial Raster Scanner User’s Manual
Application Examples
Ethernet TCP/IP and EtherNet/IP
Ethernet TCP/IP is the standard Ethernet interface used to connect multiple locations in a
network, such as computers in an office network. It can also be used to network other
communications devices, such as scanners and PLCs on a factory floor.
EtherNet/IP™ is a protocol developed and governed by ODVA (Open DeviceNet Vendors
Association). It is based on the Common Industrial Protocol (CIP™). The CIP layer is an
additional layer within the standard Ethernet interface (Ethernet TCP/IP). EtherNet/IP is
common in control systems and PLCs, especially in the United States.
The highlighted areas below demonstrate how an Ethernet daisy chain can be arranged.
Ethernet-enabled scanners can also be set up in standalone configurations, or multiple
Ethernet-enabled scanners along a production or packaging line can be connected to Ethernet.
“EtherNet/IP” and “CIP” are trademarks of the Open DeviceNet Vendors Association.

QX-870 Industrial Raster Scanner User’s Manual 4-1
4 Scanner Setup
Contents
This section describes ESP’s four Setup interfaces: Calibration, Configuration Database,
Ordered Output, and Output Format. Each interface allows the user to make changes to
scanner configuration quickly and easily.
Calibration..................................................................................................................................... 4-2
Configuration Database................................................................................................................ 4-4
Ordered Output............................................................................................................................. 4-6
Output Format............................................................................................................................. 4-10

4-2 QX-870 Industrial Raster Scanner User’s Manual
Calibration
Calibration
The settings in the Calibration interface can also be configured using the <@> and
<@CAL> serial commands, and the Calibration Options command.
Click the Setup button and then the Calibration tab
to display the Calibration view.
Scan Speed, Gain,
Tracking, Laser
Power, and Raster
Options can also
be configured in the
Reader Setup
command.
Click Save to save calibration
settings, or Stop to cancel the
calibration process.
Top Offset, Bottom Offset, Sweep and other raster functions
can be set using the fields below, and top and bottom offset
can also be set by clicking and dragging the edges of the laser
arc in the picture.
The Test and Calibrate features
are also available in EZ Mode.

QX-870 Industrial Raster Scanner User’s Manual 4-3
Scanner Setup
Laser Off Position
Percentage of the full scan arc that the scan beam moves through before the laser turns off.
The combined values of Laser On Position and Laser Off Position cannot exceed 100
percent, the total arc of one scan.
Laser Off Position must always exceed the value of Laser On Position for a scan to
take place.
Laser On Position
Percentage of the full scan arc that the scan beam moves through before the laser turns
on. For example, if set to 30, the laser will be off during the first 30 percent of the scan.
When Laser Framing is disabled, the laser is on for 100 percent of the full scan.
Laser Off Position
Laser On Position

4-4 QX-870 Industrial Raster Scanner User’s Manual
Configuration Database
Configuration Database
Configuration Database settings can also be configured by using the Configuration
Database serial commands.
Click the Setup button and then the Configuration Database tab
to display the Configuration Database view.
Double-clicking on an
Index will bring up the
Configuration Database
Settings dialog.
Use the Number of Active
Indexes field to determine how
many database indexes will be used.
Use the Number of Database
Cycles to determine how many
times the active indexes will be
repeated.
Use the Switch Timing field to
determine the amount of time
between active indexes.

QX-870 Industrial Raster Scanner User’s Manual 4-5
Scanner Setup
Configuration Database Settings
Double-clicking an Index will bring up the Configuration Database Settings dialog for
that database index.
The settings shown above can be
configured differently for every active
index. Once all active database
indexes are configured, the index can
be concatenated and cycled for the
number of times specified in Number
of Database Cycles.

4-6 QX-870 Industrial Raster Scanner User’s Manual
Ordered Output
Ordered Output
Output filtering is a method of providing a set of good read qualifiers and also providing
ordered output. There is a filter for up to the first 10 positions in a multisymbol output. The
first filter corresponds to the first symbol output at
the end of the read cycle. Each filter has
settings for the following six parameters: Filter Number, Symbology Type, Length,
Wildcard, Placeholder, Matching Data, Decode Direction, and Database Number.
Click the Setup button and then the Ordered Output tab
to display the Ordered Output view.
Number of Filters refers to the number of active output
filters. 0 disables all output filters. Any non-zero numeral
will enable output filtering to be performed using the filter
indexes covered by this value.
For example, if the number of filters is 5, then filter
indexes 1, 2, 3, 4, and 5 will be applied.
Filter Number, Symbology Type, Length, Wildcard, Placeholder, and Matching Data are
all displayed in the table below. Double-clicking on any row of the table will display the Ordered
Output Filter Settings dialog, where settings can be changed.
Receive settings from the scanner, Send settings
to the scanner, or Send and Save settings.

QX-870 Industrial Raster Scanner User’s Manual 4-7
Scanner Setup
Filter Number
This is the filter index number that represents the position of the symbol in the data output
at the end of the read cycle. This index number should be entered along with the following
filter settings for the predetermined symbol position.
Symbology Type
Specifies the symbology type allowed to occupy this location in multisymbol output.
Note: To filter or order a symbol, the symbol must meet all the requirements of the
selected filter index.
Length
Specifies the length of the decoded symbol allowed to occupy this location in multisymbol
output.
Note: To filter or order a symbol, the symbol must meet all requirements of the selected
filter index.
Wildcard
This is the character to be used in the data output field when performing a data filter
comparison. The wildcard character represents the end of matching, and allows for variable
lengths of symbol output.
Placeholder
The placeholder character requires a character to be present, but does not compare the
data value.
Matching Data
This is the data string to be used when comparing symbol data for output filtering and
ordering. This data string may also contain wildcard and placeholder characters to facilitate
matching. Remember that in order to filter or order symbol data, it must meet all the
requirements of the selected filter index.
Examples:
• Filter data = “123*”. This will match data strings of “123”, “123456”, and “123ABC”, but
not “12”.
• Filter data = “123*AB?C”. This will be interpreted as “123*”.
• Filter data = “123?”. This will match “1234” and “123A”, but not “123”, “12345”, or
“1234C”.
• Filter data = “123?A”. This will match “1234A” and “123BA”, but not “123”, “1234C”, or
“1234ABCD”.
• Filter data = “123?A?”. This will match “1234AB” and “123BAT”, but not “1234A” or
“123BATS”.
• Filter data = “12??*”. This will match “1234”, “123456”, and “123ABC”, but not “12” or
“123”.
• Filter data = “123?A*”. This will match “1234A”, “123BA”, and “123BATS”, but not “1234”
or “1234C”.

4-8 QX-870 Industrial Raster Scanner User’s Manual
Ordered Output
Ordered Output Filter Settings
Double-clicking on a row in the
Ordered Output table brings up the
Ordered Output Filter Settings
dialog.
Use these settings to determine
Symbology Type, Length of the
symbol, a user-defined Matching
String, ASCII Lookup, Wildcard
Character
,
Placeholder Character
,
Database Number, and Decode
Direction. Click Apply to save the
settings to the corresponding filter.

QX-870 Industrial Raster Scanner User’s Manual 4-9
Scanner Setup
Rules for Output Filter Configuration
Output Filter Configuration Rule # 1
Each symbol that is decoded must match one of the filters before it can be saved to a read
cycle record. There is an exception to this rule, however, when the number of symbols
required for a read cycle exceeds the number of active filters. In such a case, unfiltered
symbols can be placed into unfiltered output positions.
For example, if the number of symbols required is 6 but there are only 5 active filters, the
last position can be filled by any (unfiltered) qualified symbol.
Output Filter Configuration Rule # 2
The same filter setup can be used multiple times.
For example, filters 1, 2, and 3 can be set up to filter Code 39 symbols, and the output will
occur in the order the symbols are decoded.
Output Filter Configuration Rule # 3
All qualified symbols will be sorted and output in the matching filter position. If a symbol
matches filter 3, it will be output as the third symbol. If a filter does not have a matching
qualified symbol, a No Read message will be output in place of the symbol (assuming the
No Read message is enabled).
For example, if there is not a symbol that meets filter 3’s requirements, then a No Read
message will be output in the third output position.

4-10 QX-870 Industrial Raster Scanner User’s Manual
Output Format
Output Format
Enable Output Format
This is a global enable/disable parameter. Use Set Number of Symbols and Output
Phrase to assign symbols for formatting, and Symbol Parse to determine the specific
output content for the assigned symbols.
Click the Setup button and then the Output Format tab
to display the Output Format view.
On the Output Format tab, check the Enable Output Format box.

QX-870 Industrial Raster Scanner User’s Manual 4-11
Scanner Setup
Set Number of Symbols
Number of Symbols
determines the number of symbols to which output formatting will apply.
Output Phrase
Output Phrase refers to the user-defined Preamble, selected symbols, and Postamble
sequence in the read cycle result.
Check the
Parse boxes
beneath the
symbols to
be formatted.
Use the Set Number of Symbols spin box to
determine the number of symbols to be included
in the output phrase.
Enter Postamble characters by
double-clicking in the text field and
then using the Postamble calculator.
Enter Postamble characters by
double-clicking in the text field and
then using the Postamble calculator.

4-12 QX-870 Industrial Raster Scanner User’s Manual
Output Format
Symbol Parse
Extract
Output Index
Output Index
refers to the database entry to be modified with this command.
A formatted
output is built by extracting data from a symbol’s original data output and/or inserting
user-defined characters.
It may be helpful to think of individual indexes as positions in the final formatted output.
Starting with index # 1, enter either an extract or insert command to begin building the
desired output string. Then, with the next index number, enter either an extract or insert
command to continue building the output string. Continue this process until the string is
built.
Start Location
Defines the location within the symbol data where the character extraction will begin. The
first character extracted will also be the first character in the sequence displayed in user-defined
output.
Length
Defines the length (in consecutive characters) that will be extracted and placed in user-defined
output.
Multiple character sequences can be extracted and inserted using Symbol Parse. In this example,
the selected extraction range is characters 2-4. The “Sample Symbol” example on the Symbol
Parse
dialog shows the selected character positions extracted and output as desired. Simultaneously,
the data string from the selected symbol is displayed at the bottom left of the Parse Table, followed
by the user-defined extracted output.
The Extract Range
function corresponds to
the Start Location and
Length parameters in
the Format Extract
serial command.

QX-870 Industrial Raster Scanner User’s Manual 4-13
Scanner Setup
Insert
The Insert process is very similar to the
Extract process, except that Insert
allows the user to enter characters using
the Insert calculator (shown above).
Notice that Extract
and Insert share the
same Parse Table.

4-14 QX-870 Industrial Raster Scanner User’s Manual
Output Format

QX-870 Industrial Raster Scanner User’s Manual 5-1
5 Scanner Parameters
Contents
This section explains the function and purpose of the Parameters commands in ESP’s
tabbed tree controls.
Important: Unless otherwise specified, command settings shown in this section are the
default settings.
Communication.............................................................................................................................5-2
Read Cycle .................................................................................................................................5-43
Symbologies ...............................................................................................................................5-70
I/O Parameters..........................................................................................................................5-107
Matchcode ................................................................................................................................5-168
Diagnostics ...............................................................................................................................5-177

5-2 QX-870 Industrial Raster Scanner User’s Manual
Communication
Communication
Note: Communication settings can also be sent to the scanner from ESP’s Terminal using
Microscan’s K command format. Refer to the Communication section of Appendix D.
Click the App Mode button and then the Parameters button to display the
tree control tabs.
Then click the Communication tab to display the Communication tree control.
To open nested options,
single-click the +.To change a setting, double-click the
setting and use the cursor to scroll
through the options.
The * indicates
that the setting
is the default.

QX-870 Industrial Raster Scanner User’s Manual 5-3
Scanner Parameters
Port Routing
The QX-870 features a communication system based on Port Routing instead of traditional,
dedicated serial ports. Decisions can be made about the direction and content of communication
between ports based on different Data Types. Any available port can be used in any
combination.
The fundamental concept of Port Routing is that communication design can be based
upon Data Types rather than ports. The advantage of this is the ability to map different
data types to different ports—the user is no longer limited to a “Host Port” and “Aux Port”
for specific types of input and output. Since each port is independent instead of fixed for a
particular purpose, the scanner behaves more like a data switch.
Port Routing Advantages
• Data can be routed in on one port and out on the same port or a different port like a
switch or router. Transparent Mode, Half Duplex Mode, Full Duplex Mode, and
Custom Mode.
• External Data Routing still follows the “To/From Host/Aux” paradigm. The new capability
allows the customer to define the data direction—which port behaves as the “Host Port”
and which port behaves as the “Aux Port”.
• Only one daisy chain setup required per system.
• Minimal configuration required for each port, with similar items grouped together.

5-4 QX-870 Industrial Raster Scanner User’s Manual
Communication
RS-232 A
The following settings define the basic transmission speeds and digital standards that
ensure common RS-232 formatting.
Baud Rate
Can be used to transfer data faster or to match host port settings.
The rate at which the scanner and host transfer data back and forth.
Parity
Only changed if necessary to match host setting.
An error detection routine in which one data bit per character is set to 1 or 0 so that the
total number of bits in the data field is either even or odd.
Stop Bits
Only changed if necessary to match host setting.
One or two bits added to the end of each character to indicate the end of the character.

QX-870 Industrial Raster Scanner User’s Manual 5-5
Scanner Parameters
Data Bits
Only changed if necessary to match host setting.
One or two bits added to the end of each character to indicate the end of the character.
Symbol Data Output
Enables or disables decoded symbol data output from the scanner.
Extra Symbol Information
Enables or disables extra symbol information output from the scanner.
Diagnostics Output
Enables or disables diagnostics output from the scanner.

5-6 QX-870 Industrial Raster Scanner User’s Manual
Communication
External Source Processing Mode
Enables or disables processing of commands or data from sources external to the scanner.
Command
Command enables command processing in the scanner.
Note: Command processing is always enabled for RS-232 A.
Data
Data enables RS-232 A as a data source port.
Note: The data path between in the source port and out the source port is always two-way.
Data is copied from source data ports and all those source ports’ data is transmitted to the
destination port, and from the destination port to the source port.

QX-870 Industrial Raster Scanner User’s Manual 5-7
Scanner Parameters
RS-232 B
The following settings define the basic transmission speeds and digital standards that
ensure common RS-232 formatting.
Baud Rate
Can be used to transfer data faster or to match host port settings.
The rate at which the scanner and host transfer data back and forth.
Parity
Only changed if necessary to match host setting.
An error detection routine in which one data bit per character is set to 1 or 0 so that the
total number of bits in the data field is either even or odd.
Stop Bits
Only changed if necessary to match host setting.
One or two bits added to the end of each character to indicate the end of the character.

5-8 QX-870 Industrial Raster Scanner User’s Manual
Communication
Data Bits
Only changed if necessary to match host setting.
One or two bits added to the end of each character to indicate the end of the character.
Symbol Data Output
Enables or disables decoded symbol data output from the scanner.
Extra Symbol Information
Enables or disables extra symbol information output from the scanner.
Diagnostics Output
Enables or disables diagnostics output from the scanner.

QX-870 Industrial Raster Scanner User’s Manual 5-9
Scanner Parameters
External Source Processing Mode
Enables or disables processing of commands or data from sources external to the scanner.
Command
Command enables command processing in the scanner.
Data
Data enables RS-232 B as a data source port.
Note: The data path between in the source port and out the source port is always two-way.
Data is copied from source data ports and all those source ports’ data is transmitted to the
destination port, and from the destination port to the source port.

5-10 QX-870 Industrial Raster Scanner User’s Manual
Communication
RS-422
The following settings define the basic transmission speeds and digital standards that
ensure common RS-422 formatting.
Baud Rate
Can be used to transfer data faster or to match host port settings.
The rate at which the scanner and host transfer data back and forth.
Parity
Only changed if necessary to match host setting.
An error detection routine in which one data bit per character is set to 1 or 0 so that the
total number of bits in the data field is either even or odd.
Stop Bits
Only changed if necessary to match host setting.
One or two bits added to the end of each character to indicate the end of the character.

QX-870 Industrial Raster Scanner User’s Manual 5-11
Scanner Parameters
Data Bits
Only changed if necessary to match host setting.
One or two bits added to the end of each character to indicate the end of the character.
Symbol Data Output
Enables or disables decoded symbol data output from the scanner.
Extra Symbol Information
Enables or disables extra symbol information output from the scanner.
Diagnostics Output
Enables or disables diagnostics output from the scanner.

5-12 QX-870 Industrial Raster Scanner User’s Manual
Communication
External Source Processing Mode
Enables or disables processing of commands or data from sources external to the scanner.
Command
Command enables command processing in the scanner.
Data
Data enables RS-422 as a data source port.
Note: The data path between in the source port and out the source port is always two-way.
Data is copied from source data ports and all those source ports’ data is transmitted to the
destination port, and from the destination port to the source port.

QX-870 Industrial Raster Scanner User’s Manual 5-13
Scanner Parameters
Ethernet Status
Enables or disables Ethernet connectivity in the scanner.
Important: For further information about setting up TCP/IP with a PC, see Appendix G –
Configuring Ethernet TCP/IP.

5-14 QX-870 Industrial Raster Scanner User’s Manual
Communication
IP Address
Enter the IP address of the scanner in this field.

QX-870 Industrial Raster Scanner User’s Manual 5-15
Scanner Parameters
Subnet
Enter the Subnet address of the scanner in this field.

5-16 QX-870 Industrial Raster Scanner User’s Manual
Communication
Gateway
Enter the Gateway address of the scanner in this field.

QX-870 Industrial Raster Scanner User’s Manual 5-17
Scanner Parameters
IP Address Mode
Determines how the scanner’s IP address will be defined.
Static
In Static Mode, the scanner uses the user-defined IP address entered in ESP.
DHCP
In DHCP Mode, the scanner automatically acquires the IP address, Subnet, and Gateway
addresses from a DHCP or BOOTP server.

5-18 QX-870 Industrial Raster Scanner User’s Manual
Communication
TCP Port 1
One of two TCP ports for Ethernet communication with the scanner. The default setting is
2001
.
Symbol Data Output
Enables or disables decoded symbol data output from the scanner.
Extra Symbol Information
Enables or disables extra symbol information output from the scanner.
Diagnostics Output
Enables or disables diagnostics output from the scanner.
External Source Processing Mode
Enables or disables processing of commands or data from sources external to the scanner.
Command
Command enables command processing in the scanner.
Data
Data enables Ethernet TCP Port 1 as a data source port.
Note: The data path between in the source port and out the source port is always two-way.
Data is copied from source data ports and all those source ports’ data is transmitted to the
destination port, and from the destination port to the source port.

QX-870 Industrial Raster Scanner User’s Manual 5-19
Scanner Parameters
TCP Port 2
One of two TCP ports for Ethernet communication with the scanner. The default setting is
2003
.
Symbol Data Output
Enables or disables decoded symbol data output from the scanner.
Extra Symbol Information
Enables or disables extra symbol information output from the scanner.
Diagnostics Output
Enables or disables diagnostics output from the scanner.
External Source Processing Mode
Enables or disables processing of commands or data from sources external to the scanner.
Command
Command enables command processing in the scanner.
Data
Data enables Ethernet TCP Port 2 as a data source port.
Note: The data path between in the source port and out the source port is always two-way.
Data is copied from source data ports and all those source ports’ data is transmitted to the
destination port, and from the destination port to the source port.

5-20 QX-870 Industrial Raster Scanner User’s Manual
Communication
EtherNet/IP
Enables or disables EtherNet/IP operation in the scanner.
Important:
See Appendix H,
Using EtherNet/IP
, for detailed information about implementing
EtherNet/IP in an application.
Symbol Data Output
Enables or disables decoded symbol data output from the scanner.
Extra Symbol Information
Enables or disables extra symbol information output from the scanner.
Diagnostics Output
Enables or disables diagnostics output from the scanner.
External Source Processing Mode
Enables or disables processing of commands or data from sources external to the scanner.
Command
Command enables command processing in the scanner.
Data
Data enables EtherNet/IP as a data source port.
Note: The data path between in the source port and out the source port is always two-way.
Data is copied from source data ports and all those source ports’ data is transmitted to the
destination port, and from the destination port to the source port.

QX-870 Industrial Raster Scanner User’s Manual 5-21
Scanner Parameters
Protocol Selection
In general, the point-to-point protocols will work well in most applications. They require no
address and must use RS-232 or RS-422 communication standards.
Protocols define the sequence and format in which information is transferred between the
scanner and the host, or in the case of
Multidrop
, between the scanners and a concentrator.
Note: In all protocol modes, the Preamble and Postamble character strings can be used
to frame the decoded data, and both are included in calculating the LRC (Longitudinal
Redundancy Check).

5-22 QX-870 Industrial Raster Scanner User’s Manual
Communication
Protocol Options
Point-to-Point (Standard)
Used only with RS-232 or RS-422.
Standard Point-to-Point requires no address and sends the data to the host whenever it
is available, without a request or handshake from the host.
Point-to-Point with RTS/CTS
A scanner initiates a data transfer with an RTS (request-to-send) transmission. The host,
when ready, responds with a CTS (clear-to-send) and the data is transmitted. RTS and
CTS signals are transmitted over two dedicated wires as defined in the RS-232 standard.
Used only with RS-232.
Point-to-Point with RTS/CTS (request-to-send/clear-to-send) is a simple hardware
handshake protocol that allows a scanner to initiate data transfers to the host.
Point-to-Point with XON/XOFF
If an XOFF has been received from the host, data will not be sent to the host until the host
sends an XON. During the XOFF phase, the host is free to carry on other chores and accept
data from other devices. Used only with RS-232.
This option enables the host to send the XON and XOFF command as a single byte
transmission command of start (^Q) or stop (^S).
Point-to-Point with RTS/CTS and XON/XOFF
Used only with RS-232.
This option is a combination of Point-to-Point with RTS/CTS and Point-to-Point with
XON/XOFF.
ACK/NAK
See ACK / NAK Options.
Polling Mode
See Polling Mode Options.

QX-870 Industrial Raster Scanner User’s Manual 5-23
Scanner Parameters
Address
The Protocol Address can be any number between 1 and 50.
Protocol Port
RS-232 A or RS-422 can be used as Protocol Ports.

5-24 QX-870 Industrial Raster Scanner User’s Manual
Communication
ACK / NAK Options
These parameters take effect for ACK/NAK on the main RS-232 or RS-422 ports (not on
the Auxiliary Port), and are completely independent of the Polling Mode Options.
The scanner always follows the protocol in both directions (to and from the host). There is
no option to disable it from either direction.
RES-NAK Defaults
RES: (Reset) NUL (0x00)
REQ: (Request) NUL (0x00)
STX: (Start of Text) NUL (0x00)
ETX: (End of Text) NUL (0x00)
ACK: (Acknowledge) ACK (0x06)
NAK: (Negative Acknowledge) NAK (0x15)

QX-870 Industrial Raster Scanner User’s Manual 5-25
Scanner Parameters
ACK/NAK Protocol
The following are general outlines of the ACK/NAK protocol. Items that are framed by
brackets ( [ ] ) can either be disabled or enabled. LRC does not include STX, but it does
include preamble, postamble, and ETX.
Symbol Data Output
TX to host: [STX] [preamble] SYMBOL DATA [postamble] [ETX] [LRC]
Response from host: ACK/NAK. Sent when LRC, ETX, postamble, or timeout (waiting
for more data) are detected (if REQ is disabled) depending on what is enabled.
Commands from Host to Scanner
TX to Scanner: [STX] <command> [ETX] [LRC]
Response from Scanner: ACK/NAK. Sent when LRC, ETX, or command-ending angle
bracket ‘>’ are received, depending on what is enabled.
Command Response from Scanner to Host
TX to host: [STX] [preamble] COMMAND RESPONSE DATA [postamble] [ETX] [LRC]
Response from host: ACK/NAK. Sent when LRC, ETX, postamble, command-ending
angle bracket ‘>’, or timeout (waiting for more data) are detected, depending on what is
enabled.
As with Polling Mode <K140,5>, the scanner can optionally perform the REQ and RES
event sequences in ACK/NAK mode. If the sender does not receive an ACK or NAK, it will
send REQ to request such a response (if enabled). When the sender receives an ACK, too
many NAKs, or times out (if already enabled), it will send a RES (if enabled) to terminate the
transaction.
Note:
See
ACK/NAK Data Flow Examples
in Appendix E for sample ACK/NAK communication
scenarios.

5-26 QX-870 Industrial Raster Scanner User’s Manual
Communication
Polling Mode Options
These parameters only take effect for Polling Mode <K140,5> on the main RS-232 or
RS-422 ports (not on the Auxiliary Port), and are completely independent of the ACK/NAK
Options <K147>.
The values of protocol characters can be changed, but the protocol events cannot be
disabled. The polling mode address is configured in the <K140> command.
To enable true multidrop protocol, the RS422/485 port must be enabled, <K102,1>, in
order to turn the transmitter on and off. If RS-232 is enabled instead of RS422/485,
<K102,0>, then Polling Mode will operate as a Point-to-Point polling protocol. This is
because the RS-232 transmitter is always left on when enabled.
Note: See ACK/NAK Data Flow Examples in Appendix E for sample Polling Mode
communication scenarios.
RES-NAK Defaults
RES: (Reset) EOT (0x04)
REQ: (Request) ENQ (0x05)
STX: (Start of Text) STX (0x02)
ETX: (End of Text) ETX (0x03)
ACK: (Acknowledge) ACK (0x06)
NAK: (Negative Acknowledge) NAK (0x15)

QX-870 Industrial Raster Scanner User’s Manual 5-27
Scanner Parameters
Response Timeout
Only used when a response is required from the host. While in Multidrop, if the scanner
does not receive an ACK or NAK from the host after sending polled data, it will act on a
fault. The scanner can be set to wait indefinitely by setting Response Timeout to zero.
The time that the scanner will wait before timing out if ACK, NAK, and ETX are enabled,
and a host response is expected.

5-28 QX-870 Industrial Raster Scanner User’s Manual
Communication
LRC Status
Used when extra data integrity is required.
An error-checking routine that verifies the accuracy of transmissions. It is the exclusive OR
of all characters following the STX (start of text) up to and including the ETX (end of text).
What this means is that the binary representation of all the characters in a transmission
are cumulatively added in a column and each resulting odd integer is assigned a 1 and
each even integer a 0 (two 1s = 0, two 0s = 0, a 1 and a 0 = 1). The extra LRC character is
then appended to the transmission, and the receiver (usually the host) performs the same
addition and compares the results.

QX-870 Industrial Raster Scanner User’s Manual 5-29
Scanner Parameters
External Data Routing
External Data Routing
settings configure the global operation of all external data port settings.
External Data Routing Options

5-30 QX-870 Industrial Raster Scanner User’s Manual
Communication
Transparent Mode
When Transparent Mode is enabled, the following conditions apply:
Symbol Data to Source = Fixed to Enabled
Ambles to Source = Fixed to Disabled
Echo to Source = Fixed to Enabled
Output at End of Read Cycle = Fixed to Enabled
Output at ETX = Fixed to Enabled with user-defined characters. Default character will be
used if this setting is set to Disabled.
Output at Timeout = Fixed to Enabled with user-defined timeout. Default time will be
used if this setting is set to Disabled.
Mode of Operation
• Source Port data will echo back to itself.
• Source Port data will always pass through even when the Destination Port is in Polling
Mode with the host.
• Whenever ETX is received on the Source Port or symbol data is generated, the data will
be send to the Destination Port with its data appearing between the Preamble and
symbol data.
• Source Port data will always be sent to the Destination Port with a Preamble and Postamble.
•
Symbol data will be sent to the Source Port on a good read without Preamble or Postamble
in Point-to-Point protocol even if the Destination Port is in Polling Mode with the host.
• Destination Port data always echoes to the Source Port even if the Destination Port is in
Polling Mode.

QX-870 Industrial Raster Scanner User’s Manual 5-31
Scanner Parameters
Half Duplex Mode
When Half Duplex Mode is enabled, the following conditions apply:
Symbol Data to Source = Fixed to Enabled
Ambles to Source = Fixed to Enabled
Echo to Source = Fixed to Disabled
Output at End of Read Cycle = Fixed to Disabled
Output at ETX = Fixed to Disabled with user-defined characters. Default character will be
used if this setting is set to Disabled.
Output at Timeout = Fixed to Disabled with user-defined timeout. Default time will be
used if this setting is set to Disabled.
Mode of Operation
• Source Port data is not echoed back to itself.
• Source Port data is ignored when the Destination Port is in Polling Mode.
• Source Port data or symbol data is sent to the Destination Port whenever it is received.
• Source Port data is sent to the Destination Port without a Preamble or Postamble.
• Symbol data is sent to the Source Port and the Destination Port at the same time, and
conforms to the communication parameters.
• Destination Port data is echoed to the Source Port in an un-polled mode.

5-32 QX-870 Industrial Raster Scanner User’s Manual
Communication
Full Duplex Mode
When Full Duplex Mode is enabled, the following conditions apply:
Symbol Data to Source = Fixed to Disabled
Ambles to Source = Fixed to Disabled
Echo to Source = Fixed to Disabled
Output at End of Read Cycle = Fixed to Disabled
Output at ETX = Fixed to Disabled with user-defined characters. Default character will be
used if this setting is set to Disabled.
Output at Timeout = Fixed to Disabled with user-defined timeout. Default time will be
used if this setting is set to Disabled.
Mode of Operation
• Source Port data is not echoed back to itself.
• Source Port data is ignored when the Destination Port is in Polling Mode.
• Source Port data or symbol data is sent to the Destination Port whenever it is received.
• Source Port data is always sent to the Destination Port without a Preamble or Postamble.
• Symbol data is not sent to the Source Port.
• Destination port data is echoed to the source port in an un-polled mode.
Custom Mode
Custom allows for user-defined communication (Ambles to Source, Echo to Source, Output
at End of Read Cycle, Output at ETX, Output at Timeout).

QX-870 Industrial Raster Scanner User’s Manual 5-33
Scanner Parameters
Destination Port
Determines the port to which data will be sent.
Ambles to Source
Enables or Disables the ability to send Preambles and Postambles to the Source port.
Echo to Source
Enables or Disables the ability to send an Echo to the Source port.
Output at End of Read Cycle
Enables or Disables the ability to output data at the end of read cycle.

5-34 QX-870 Industrial Raster Scanner User’s Manual
Communication
Output at ETX
Determines the output at ETX.
Output at Timeout
Determines the Timeout value for output.

QX-870 Industrial Raster Scanner User’s Manual 5-35
Scanner Parameters
Array Communication Modes
Mode
Daisy Chain
When set to Daisy Chain, follows Microscan Daisy Chain protocol.
Note: Daisy Chain can also be autoconfigured by sending the Daisy Chain Autoconfigure
serial command.
Source
Defines the communication port.
Daisy Chain ID Status
When enabled, the scanner will append a two-character prefix to each scanner in the
array. This allows the user to identify which scanner sent the data.
Note:
Daisy Chain ID will automatically disable Symbol Data Output, Extra Symbol Information,
and Diagnostics Output for the Source Port.
Symbol Data Output will be automatically enabled, Extra Symbol Information will be
automatically enabled, and Diagnostics Output will be automatically disabled for the
Destination Port.

5-36 QX-870 Industrial Raster Scanner User’s Manual
Communication
Daisy Chain ID
The Daisy Chain ID is a two-character identifier.

QX-870 Industrial Raster Scanner User’s Manual 5-37
Scanner Parameters
Daisy Chain Autoconfigure
For quick setup of a daisy chain configuration.
The command to Autoconfigure the daisy chain is sent to the primary scanner and the
software responds in the following ways:
• Counts the number of secondary scanners in the daisy chain.
•
Assigns an internal ID number (1...n) to each secondary scanner, where the first secondary
scanner is number 1 (the primary scanner’s ID being a 0).
• Propagates the communication settings and the relevant operating modes of the primary
scanner to the ports of each secondary scanner.
• Resets each secondary scanner.
• Confirms that each secondary scanner has acquired the new settings.
When setting up a daisy chain operation, perform the following steps:
1. Set the primary scanner (the one connected to the host) to Serial Data Trigger Mode.
This sets all the scanners in the chain to Serial Data when the command is executed.
Important: All secondary scanners must be set to Serial Data Trigger Mode for Daisy
Chain to function.
Before Autoconfigure, the primary scanner must be set to Serial (S):
2. Send the <K150DAISY> command from ESP’s Terminal.
3. If necessary, set the primary scanner to External Edge.
After
Autoconfigure
, the primary scanner can be set to
External Edge
(
E
), but the other
scanners must remain in
Serial
(
S
):
Important: If the scanner is Ethernet-enabled, first check to determine if RS-232 B is
available. If it is available, set RS-232 B as the Source port in Array Communication
Modes. Otherwise, set RS-232 A as the Source port. Port Routing for Symbol Data
Output and Extra Symbol Information will be disabled on the Source port.
Host Primary
Scanner Secondary
Scanner Secondary
Scanner
SSS
Host Primary
Scanner Secondary
Scanner Secondary
Scanner
ESS

5-38 QX-870 Industrial Raster Scanner User’s Manual
Communication
Preamble
Useful for identifying and controlling incoming data. For example, defining the preamble as
a carriage return and a line feed causes each decoded message to be displayed on its
own line.
Preamble Characters
Allows the user to define up to four postamble characters that can be added to the end of
the decoded data

QX-870 Industrial Raster Scanner User’s Manual 5-39
Scanner Parameters
Postamble
Useful for identifying and controlling incoming data. For example, defining the postamble
as a carriage return and a line feed causes each decoded message to be displayed on its
own line.
Postamble Characters
Allows the user to define up to four postamble characters that can be added to the end of
the decoded data.

5-40 QX-870 Industrial Raster Scanner User’s Manual
Read Cycle
Read Cycle
Note: Read Cycle settings can also be sent to the scanner from ESP’s Terminal using
Microscan’s K command format. Refer to the Read Cycle section of Appendix D.
To open nested options,
single-click the +.To change a setting, double-click the
setting and use the cursor to scroll
through the options.
Click the App Mode button and then the Parameters button to display
the tree control tabs.
Then click the Read Cycle tab to display the Read Cycle tree control.
The * indicates
that the setting
is the default.

QX-870 Industrial Raster Scanner User’s Manual 5-41
Scanner Parameters
Read Cycle Setup
Setting up read cycle and triggering parameters involves a series of decisions based on
the particular application, as follows:
1. Select the number of symbols to be read in a single cycle.
2. Decide on the trigger type to be used: if serial, choose a serial character; if external,
choose either External Level or External Edge.
3. Designate how the read cycle should end (Timeout, New Trigger).

5-42 QX-870 Industrial Raster Scanner User’s Manual
Read Cycle
Multisymbol
Multisymbol is commonly used in shipping applications where a shipping symbol contains
individual symbols for part number, quantity, etc. This feature allows one trigger to pick
up all the symbols.
Multisymbol allows the user to define up to 100 symbols that can be read in a single
read cycle.
The following conditions apply:
• Each symbol must be different to be decoded.
• The maximum number of characters in a read cycle is 3,000 for all symbols.
• All No Read messages are posted at the end of the data string, unless output filtering is
enabled.
• If more than one symbol is within the field of view at the same time, symbol data may not
be displayed in the order of appearance.
•
If
Matchcode Type
is set to
Sequential
or if
Trigger
is set to
Continuous Read 1 Output,
the scanner will behave as if Number of Symbols were set to 1, regardless of the
user-defined configuration.
Number of Symbols
Number of Symbols is the number of different symbols that can be read in a single
read cycle.
Multisymbol Separator
Multisymbol Separator is used to delimit or separate data fields with a user-defined
character.
The Multisymbol Separator can be any valid ASCII character, inserted between each
symbol read when Number of Symbols is set to any number greater than 1.

QX-870 Industrial Raster Scanner User’s Manual 5-43
Scanner Parameters
Trigger
The Trigger is the event that initiates a read cycle.
Note: When calibrating the scanner or testing read rate, the current trigger setting will be
disregarded.
Trigger Mode
Continuous Read
Continuous Read is useful in testing symbol readability or scanner functions. It is not
recommended for normal operations.
In Continuous Read, trigger input options are disabled, the scanner is always in the read
cycle, and it will attempt to decode and transmit data for every symbol. If a single symbol
stays within read range for multiple read cycles, its data will be transmitted repeatedly until
it leaves the read range.
The scanner sends replies to serial commands that require responses when symbol data
is transmitted, or read cycle timeout is enabled and a timeout occurs
. Depending on the
combination of enabled symbologies
and the Threshold Mode setting, the scanner may
take longer than the timeout to process symbol data.
Note: When to Output and No Read options have no affect on Continuous Read.

5-44 QX-870 Industrial Raster Scanner User’s Manual
Read Cycle
Continuous Read 1 Output
Continuous Read 1 Output can be useful in applications where it is not feasible to use a
trigger and all succeeding symbols contain different information. It is also effective in
applications
where the objects are presented
by hand.
In Continuous Read 1 Output the scanner self-triggers whenever it decodes a new symbol
or a timeout occurs.
If End of Read Cycle Mode is set to Timeout and the symbol doesn’t change, the output
is repeated at the end of each timeout period. For example, if Timeout is set to one second,
the scanner sends the symbol data immediately
and repeats the output at intervals of one
second for as long as the symbol remains in the field of view.
If End of Read Cycle Mode is set to New Trigger, the scanner will send the current symbol
data immediately, but only once. A new symbol appearing in the scanner’s range will be
read and sent immediately, provided it is not identical to the previous symbol.
Caution: In automated environments, Continuous Read 1 Output is not recommended
because there is typically no reliable way to verify that a symbol was missed.
Note: If Trigger Mode is set to Continuous Read 1 Output, the scanner will behave as if
Number of Symbols were set to 1, regardless of the user-defined configuration.

QX-870 Industrial Raster Scanner User’s Manual 5-45
Scanner Parameters
External Level
This mode is effective in an application where the speeds of the conveying apparatus are
variable and the time the scanner spends reading each object is not predictable. It also
allows the user to determine if a No Read has occurred.
External Level allows the read cycle (active state) to begin when a trigger (change of
state) from an external sensing device is received. The read cycle persists until the object
moves out of the sensor range and the active trigger state changes again.
Important: Level and Edge apply to the active logic state (Negative or Positive) that
exists while the object is in a read cycle, between the rising edge and the falling edge.
Rising edge is the trigger signal associated with the appearance of an object. Falling edge
is the trigger signal associated with the subsequent disappearance of the object. This
applies both to External Level and External Edge.
External Edge
This mode is highly recommended in any application where conveying speed is constant,
or if spacing, object size, or read cycle timeouts are consistent.
External Edge, as with Level, allows the read cycle (active state) to begin when a trigger
(change of state) from an external sensing device is received. However, the passing of an
object out of sensor range does not end the read cycle. The read cycle ends with a good
read output, or, depending on the End of Read Cycle Mode setting, a timeout or new
trigger occurs.
Initiate Read Cycle:
Object #1, moving in front of the
detector beam, causes a
change in the trigger state,
which initiates the read cycle.
End Read Cycle:
The same object, moving out of
the detector beam, causes
another change in the trigger
state, which ends the read cycle.
Initiate Read Cycle:
Object # 1, moving in front of the
detector beam, causes a change in
the trigger state, which initiates the
read cycle.
Initiate Second Read Cycle:
Object # 2, moving in front of the
detector beam, causes another
change in the trigger state. This sig-
nal initiates a new read cycle and
ends the previous read cycle unless
Timeout
is enabled and a good read
or timeout has not occured.

5-46 QX-870 Industrial Raster Scanner User’s Manual
Read Cycle
Serial Data
Serial Data is effective in a highly controlled environment where the host knows precisely
when the object is in the field of view. It is also useful in determining if a No Read has
occurred.
In Serial Data, the scanner accepts an ASCII character from the host or controlling
device as a trigger to start a read cycle. A Serial Data trigger behaves the same as an
External Edge trigger.
Serial commands are entered inside angle brackets, as shown here: <n>.
Note: In Serial Data, sending a non-delimited start serial character will start a read cycle;
however, a non-delimited stop serial character has no effect.
Serial Data and Edge
Serial Data and Edge is seldom used but can be useful in an application that primarily
uses an external sensing device but occasionally needs to be triggered manually.
An auxiliary terminal can be connected to the auxiliary port so the user can send the serial
trigger character through the scanner to the host.
In this mode the scanner accepts either a serial ASCII character or an external trigger
pulse to start the read cycle.
Note: In Serial Data, sending a non-delimited start serial character will start a read cycle;
however, a non-delimited stop serial character has no effect.
Trigger Filter Duration
Leading Edge
Used to ignore accidental triggers when
Trigger Mode
is set to
External Edge
or
External Level
.
To consider a change in state on the trigger input, the level must be stable for the trigger
filter duration. In an edge mode, the scanner will trigger a read cycle if the active state has
been uninterrupted for the entire trigger filter duration. In a level mode, the leading edge is
filtered such that on an active edge, the state must be held interrupted for the trigger filter
duration before a trigger will occur.

QX-870 Industrial Raster Scanner User’s Manual 5-47
Scanner Parameters
Trailing Edge
Used to ignore accidental triggers when
Trigger Mode
is set to
External Edge
or
External Level
.
To consider a change in state on the trigger input, the level must be stable for the trigger
filter duration. In an edge mode, the scanner will trigger a read cycle if the active state has
been uninterrupted for the entire trigger filter duration. In a level mode, the trailing edge is
filtered such that on the falling edge, the state must be held for the trigger filter duration
before the trigger will be deemed inactive.
External Trigger State
Allows users to select the trigger polarity that will be used in their application.
Determines the active state of the trigger signal applied to the cable input of the scanner.

5-48 QX-870 Industrial Raster Scanner User’s Manual
Read Cycle
Serial Trigger
Allows the user to define the trigger character and delimiters that start and stop the read cycle.
A serial trigger is considered an online host command and requires the same command
format as all host commands. It must be entered within angle bracket delimiters < and >
or, in the case of non-delimited triggers, it must define individual start and stop characters.
Character (Delimited)
Allows the user to define the trigger character that initiates the read cycle.
A single ASCII host serial trigger character that initiates the read cycle.
A delimited trigger character is one that either starts or ends the read cycle and is
enclosed by delimiters such as < and >.
Note: Serial Data or Serial Data and Edge trigger mode must be enabled for Serial
Trigger Character to function.

QX-870 Industrial Raster Scanner User’s Manual 5-49
Scanner Parameters
Start Character (Non-Delimited)
Useful in applications where different characters are required to start a read cycle.
A single ASCII host serial trigger character that starts the read cycle and is not enclosed
by delimiters such as < and >.
Non-delimited
Start
characters can be defined and will function according to the trigger event.
When defining Start trigger characters, the following rules apply:
•In External Edge the scanner looks only for the Start trigger character and ignores any
Stop trigger character that may be defined.
•In External Level the Start trigger character begins the read cycle and the Stop trigger
character ends it. Note that even after a symbol has been decoded and the symbol data
transmitted, the scanner remains in External Level trigger read cycle until a Stop
character is received.
•In Serial Data and Edge trigger mode, either a Start trigger character or a hardware
trigger can start an edge trigger read cycle.

5-50 QX-870 Industrial Raster Scanner User’s Manual
Read Cycle
Stop Character (Non-Delimited)
Useful in applications where different characters are required to end a read cycle.
A single ASCII host serial trigger character that ends the read cycle and is not enclosed by
delimiters such as < and >.
Non-delimited Stop characters can be defined and will function according to the trigger
event.
When defining Stop trigger characters, the following rules apply:
•In External Edge the scanner looks only for the Start trigger character and ignores any
Stop trigger character that may be defined.
•In External Level the Start trigger character begins the read cycle and the Stop trigger
character ends it. Note that even after a symbol has been decoded and the symbol data
transmitted, the scanner remains in External Level trigger read cycle until a Stop
character is received.
•In Serial Data and Edge trigger mode, either a Start trigger character or a hardware
trigger can start an edge trigger read cycle.

QX-870 Industrial Raster Scanner User’s Manual 5-51
Scanner Parameters
Decodes Before Output
Decodes Before Output specifies the number of times a symbol needs to be decoded to
qualify as a good read.
Decodes Before Output Mode
Non-Consecutive
In Non-Consecutive mode, decodes will be counted in any order. Multiple symbols can
be decoded in any order.
Consecutive
In Consecutive mode, all decodes must be identical until the good read count is satisfied.
Only one unique symbol can be qualified at a time.
Number Before Output
The number of successful decodes performed by the scanner before symbol data is output.

5-52 QX-870 Industrial Raster Scanner User’s Manual
Read Cycle
End of Read Cycle
The read cycle is the time during which the scanner will attempt to decode a symbol. A
read cycle can be ended by a timeout or a new trigger, or a combination of the two.
End of Read Cycle Mode
Note: When operating in Continuous Read or Continuous Read 1 Output, the scanner
is always in the read cycle.
Timeout
Typically used with Continuous Read 1 Output and Serial Data and Edge.
It is effective in highly controlled applications when the maximum length of time between
objects can be predicted. It assures that a read cycle ends before the next symbol
appears, giving the system extra time to decode and transmit the data to the host.
Timeout ends the read cycle, causing the scanner to stop reading symbols
and send the
symbol data or No Read message when the time set in
Timeout
elapses (times out), if
When to Output Symbol Data is set to End of Read Cycle.
If in Continuous Read 1 Output, a timeout initiates a new read cycle and allows the same
symbol to be read again.
With External Edge, Serial Data, or Serial Data and Edge enabled, a timeout ends the
read cycle and symbol data or a No Read message is sent to the host.
With External Level enabled, the read cycle does not end until the falling edge trigger
occurs or a timeout occurs. The next read cycle does not begin until the next rising edge trigger.

QX-870 Industrial Raster Scanner User’s Manual 5-53
Scanner Parameters
New Trigger
New Trigger is an effective way to end a read cycle when objects move past the scanner
at irregular intervals (not timing-dependent).
New Trigger ends the current read cycle and initiates a new one when a new trigger
occurs. New Trigger refers only to a rising edge trigger.
With External Edge, Serial Data, or Serial Data and Edge enabled, an edge or serial
trigger ends a read cycle and initiates the next read cycle.
In the case of External Level, a falling edge trigger ends the read cycle but the next read
cycle does not begin until the occurrence of the next rising edge trigger.
Timeout or New Trigger
Useful in applications that require an alternative way to end the read cycle. For example, if
an assembly line should stop completely or the intervals between objects are highly irregular.
Timeout or New Trigger is identical to Timeout except that a timeout or a new trigger
(whichever occurs first) ends the read cycle.
Last Frame
Useful in applications in which the timeout duration varies.
Last Frame or New Trigger
Useful in applications in which line speeds are irregular and a new object could appear
before the last frame in the sequence.
Last Frame or New Trigger is identical to New Trigger except that a new trigger or last
frame (whichever occurs first) ends the read cycle.

5-54 QX-870 Industrial Raster Scanner User’s Manual
Read Cycle
Read Cycle Timeout
Read Cycle Timeout determines the duration of the read cycle.

QX-870 Industrial Raster Scanner User’s Manual 5-55
Scanner Parameters
Processing Timeout
Useful in higher speed applications with long processing times.
Note: If a timeout occurs during processing and no symbols in the field of view have been
decoded, the result will be a No Read. For this reason, a longer timeout should be tried to
ensure that the symbol is decoded successfully.

5-56 QX-870 Industrial Raster Scanner User’s Manual
Read Cycle
Reader Setup
Reader Setup parameters allow the user to configure Gain Level, Tracking, and Scan
Speed parameters, as well as various Automatic Gain Control parameters.
Gain Level
Gain Level can be used in two different ways, depending on the AGC Sampling Mode.
When AGC Sampling Mode is set to Disabled: Gain Level is used as a “Fixed Gain”.
The analog signal is amplified by this gain value. For Fixed Gain operation, changes to
gain adjustment setting should be performed in Auto Calibration.
When AGC Sampling Mode is set to Leading Edge or Continuous: Gain Level defines
the “set point” analog signal level. The AGC system will attempt to hold the analog signal
at this level by automatically raising and lowering the gain as needed.

QX-870 Industrial Raster Scanner User’s Manual 5-57
Scanner Parameters
Tracking
Useful in fine-tuning tracking or when conditions of poor contrast or blurred bar edges exist.
Tracks peak signals and selects an amplitude reference point to sample the analog signals
for converting to digital.
Note: Tracking is optimized at the factory before shipment; in some cases the default value
might not be 40.
Scan Speed
Allows the user to set the number of scans per second by controlling the motor speed of
the spinning mirror in the scanner.

5-58 QX-870 Industrial Raster Scanner User’s Manual
Read Cycle
Automatic Gain Control
AGC Sampling Mode
Disabled (Fixed Gain)
When AGC Sampling Mode is Disabled, the first parameter in the Gain Level command
defines the Fixed Gain used to amplify the analog signal. In most applications, when
changing the sampling mode to Disabled, the Gain Level will need to be changed. For
Fixed Gain operation, changes to gain adjustment settings can be performed in
Auto Calibration
.
Leading Edge
Leading Edge
uses only the first signal sample to calculate gain adjustments. The
Transition
Counter value is used to determine which transition triggers the sample.
Important: This option should only be used if recommended by a Microscan Sales or
Applications representative, as the other AGC modes cover most application requirements.
Continuous
Continuous will take the highest value among any samples within a scan and use that
value to make adjustments.

QX-870 Industrial Raster Scanner User’s Manual 5-59
Scanner Parameters
AGC Minimum
Sets a gain limit that AGC cannot go below when not in Fixed Gain operation.
AGC Maximum
Sets a gain limit that AGC cannot exceed when not in Fixed Gain operation.

5-60 QX-870 Industrial Raster Scanner User’s Manual
Read Cycle
Symbol Detect Status
When Symbol Detect Status is enabled, Bad Symbol/No Symbol is output depending on
whether or not there were enough transition counts, rather than based on a simple No Read.
Note: Symbol detection can only be used when AGC Sampling Mode is set to Disabled
(Fixed Gain).
Transition Counter
Number of bar/space transitions required for an AGC sample. When multiple samples take
place within a scan, the largest value is used.
If symbol detection is enabled, the transition counter defines the minimum number of
transitions required for a scan to qualify as a No Symbol (number of transitions < transition
counter), or Bad Symbol (number of transitions > or = transition counter and no decode).

QX-870 Industrial Raster Scanner User’s Manual 5-61
Scanner Parameters
Maximum Element
Maximum Element
is the maximum bar (element) size before a reset. Value is in increments
of 0.01% of the scanner’s full scan width, not increments of the framed scan width.
Scan Width Enhance
The scanner can adjust for Gain differences across the entire scan width. This is a useful
feature for long symbols that use most of the scan width available.
Note: This command is intended for applications in which symbols are three inches or
more from the scanner.
Disabled
The scanner will not adjust for scan width variation.
Enabled
The scanner will adjust for scan width variation.

5-62 QX-870 Industrial Raster Scanner User’s Manual
Read Cycle
Additional Information about Gain, Tracking, and Transition Counter
Gain
The QX-870 Industrial Raster Scanner is an optical device. Optical devices deal with a
wide range of brightness, in a way similar to a camera. If the image is too bright, the
exposure must be reduced. If the image is too dark, the exposure must be increased. The
scanner will only work properly if it is within the range of brightness that can resolve light
and dark changes, or “transitions”, in the field of view. If the gain is too low, the entire
symbol looks like a dark bar to the scanner. If the gain is too high, the entire symbol looks
like a white bar to the scanner. Brightness conditions can be affected by the distance
between the symbol and scanner, or by the consistency of the material on which the
symbol is printed.
The AGC Sampling Mode command has two primary functions: AGC (either Leading
Edge or Continuous) and Disabled (Fixed Gain).
AGC (Leading Edge or Continuous)
AGC self-adjusts the optical-electrical gain to hold brightness to one range for all materials
and distances. The Auto Calibration menu shows what AGC is doing to control brightness,
as in the example shown here:
The value –35.0 indicates that brightness has been reduced by 35 dB. The symbol used in
this example was very close to the scanner, using high laser power. As the laser power is
lowered and/or the symbol is moved farther from the scanner, the attenuation (brightness
reduction) value becomes lower. The user does nothing to adjust the gain in order to keep
the scanner decoding; AGC performs the task of raising gain to accommodate the greater distance.
The actual attenuation factor is determined by the return light from the symbol and the
“SETPOINT” value that the control system is attempting to hold. (SETPOINT is an
abstracted number range that has to do with the feedback system’s dynamic range.) A
very low SETPOINT value of 0-20 would tend to keep the symbol amplitude low. A very
high SETPOINT value of 150-255 would tend to keep the symbol amplitude high. The gain
will change to hold the feedback value equal to the user SETPOINT setting of amplitude
(Gain Level) at all times.
Disabled (Fixed Gain)
Fixed Gain is a gain mode in which there are no changes in the gain system. The system
takes the total gain range and divides it into 255 steps. Then the value of the Gain Level
setting is converted directly into the gain value. Nothing will change this value unless the
user changes the Gain Level setting.

QX-870 Industrial Raster Scanner User’s Manual 5-63
Scanner Parameters
When To Use Fixed Gain vs. AGC
The AGC settings (Leading Edge or Continuous) are preferable for most applications,
as they provide the best overall scannable area. However, there are times when AGC will
have difficulty locking onto the symbol of interest, especially when extraneous non-symbol
objects in the field of view appear to be symbols. AGC can only base its measurements on
one object. If that object is not the actual symbol, AGC performance and consistency are
adversely affected.
Leading Edge bases its calculations on the first object it detects, even if the first object is
not a symbol. This is helpful if the symbol is always at the leading edge of the decode direction.
Continuous is the recommended setting for Microscan scanners. Continuous always
samples throughout the entire scan but is most interested in the object with the most
sharply-defined bars. This can occasionally mislead the scanner when bar-like objects or
specular reflection enter the field of view.
Fixed Gain is preferable if AGC repeatedly fails to choose the correct Gain Level setting
for the application. In some applications, symbols might be surrounded by a greater number
of symbol-like false candidates than actual symbols. The Fixed Gain setting will never
change its value, so once it is set, surrounding objects in the field of view will not distract
the scanner from decoding actual symbols.
Fixed Gain is also useful in applications using symbols that have very low bar counts, or in
applications using Symbol Reconstruction on symbols with tilted or skewed placement.
The AGC Minimum and AGC Maximum parameters are useful in applications with depth
of field limitations that are not conducive to Fixed Gain operation.
To determine the appropriate minimum and maximum gain:
•Set AGC Sampling Mode to Disabled (Fixed Gain) and find the range of gain levels
that yields successful decodes in the application (both the lowest and the highest gain
levels).
• Enter those values in the AGC Minimum and AGC Maximum fields. This will leave the
scanner room for gain changes to increase depth of field (within the limitations of what
works for the application).
Maximum gain may be too high for symbols on white backgrounds, because it may
attempt to process false bars. Especially in applications using symbologies that require
more processing, setting gain too high can slow decode performance substantially.
Setting a minimum gain can prevent the system from occasionally “under-gaining”
because of previous false candidates that appear very bright.

5-64 QX-870 Industrial Raster Scanner User’s Manual
Read Cycle
Tracking
Tracking is the frequency detection value that determines the threshold between a white
bar and a black bar. This is a range of frequencies that have been divided into 127 steps.
For most applications, the default tracking value (40) is robust enough to deal with most
marginal signals. However, in some instances, symbols are printed on a “noisy” substrate,
or symbols are relatively distant from the scanner and the signal-to-noise ratio and optical
focus are not ideal. In such cases, using a combination of Gain Level and Tracking can
improve decode performance by rejecting “noise” and correctly recognizing the bars of the
candidate symbol.
Transition Counter
Transition Counter is an integral part of the AGC system. Transition Counter determines
the number of black bars that will be counted before an AGC sample is taken. Setting a
Transition Counter value lower than the default of 14 gives the scanner less integration
time for the candidate symbol, and makes the scanner more susceptible to false objects.
A Transition Counter value greater than 14 requires more bars to be present for the symbol
even to qualify as an object. When setting the Transition Counter value, it is important to
keep in mind what occurs when the symbol is first presented to the scanner—before gain
is applied to the symbol. A few bars are usually missed due to distortion at first. Setting
Transition Counter to the same value as the number of bars contained in the symbol can
cause the scanner not to take an AGC sample at all. The value of 14 is optimal except in
the case of low bar count due to:
• Symbols that are tilted so that only 10 bars or fewer are available in a single scan line.
(See Symbol Reconstruction).
• Symbologies with typically low bar counts, such as Pharmacode. Applications using
symbols with fewer than 10 bars should use Fixed Gain operation.

QX-870 Industrial Raster Scanner User’s Manual 5-65
Scanner Parameters
Laser Setup
Laser Setup allows the user to configure Laser On/Off, Laser Framing Status, Laser
On Position, Laser Off Position, and Laser Power.
Laser On/Off
When Enabled, the laser is On only during the read cycle. When Disabled, the laser
operates continuously.
Note: A serial trigger or external trigger must be enabled for Laser On/Off to take effect.
Laser Framing Status
When Enabled, the laser will be off for the duration of the Laser Off time (beginning from
the start of the read cycle), and the laser will then be
on
for the duration of the
Laser On
time.
Laser On Position
The duration of Laser Off time. Laser On Position is a ratio of the total scan width, with
increments equal to 1/100th of the total scan width.

5-66 QX-870 Industrial Raster Scanner User’s Manual
Read Cycle
Laser Off Position
The duration of Laser On time. Laser Off Position is a ratio of the total scan width, with
increments equal to 1/100th of the total scan width.
Laser Power
Allows the user to select the Laser Power setting as follows:
Low: Laser Power = ~0.6mW. Typically only needed for decoding high density symbols
located close to the scanner.
Medium: Laser Power = ~1.0mW.
High: Laser Power = ~1.5mW. Typically used for decoding lower density symbols located
far from the scanner.

QX-870 Industrial Raster Scanner User’s Manual 5-67
Scanner Parameters
Raster Setup
Raster Setup allows the user to configure Top Offset, Bottom Offset, Sweep Rate, and
Read Cycle On/Off.
Top Offset
A value of 0 = the side opposite the scanner connectors (the top of the scanner). A value
of 255 = the side with the connectors (the bottom of the scanner).
If Top Offset is greater than Bottom Offset, then Top defines the raster position in a
straight line only. If Top is less than Bottom, then the raster will sweep back and forth
between the Top and Bottom offsets if the sweep rate is greater than 0.
The Top Offset is considered the “home” position.
Bottom Offset
A value of 0 = the side opposite the scanner connectors (the top of the scanner). A value
of 255 = the side with the connectors (the bottom of the scanner).
If Top Offset is greater than Bottom Offset, then Top defines the raster position in a
straight line only. If Top is less than Bottom, then the raster will sweep back and forth
between the Top and Bottom offsets if the sweep rate is greater than 0.

5-68 QX-870 Industrial Raster Scanner User’s Manual
Read Cycle
Sweep Rate
Sweep rate defines how many times per second the raster passes between the Top Offset
and Bottom Ooffset.
For example, if sweep rate is set to 3, and the raster is starting at the Top Offset, it will
reach the bottom offset in 1/3 of a second.
Read Cycle On/Off
Always start a read cycle with the raster at the Top Offset, then enable the Read Cycle
On/Off parameter.
Note: The sweep rate must be significantly faster than the triggering rate in order for this
feature to be effective.

QX-870 Industrial Raster Scanner User’s Manual 5-69
Scanner Parameters
Symbologies
Note: Symbologies settings can also be sent to the scanner from ESP’s Terminal using
Microscan’s K command format. Refer to the Symbologies section of Appendix D.
To change a setting,
double-click the
setting and use the
cursor to scroll
through the options.
Click the App Mode button and then the Parameters button to display
the tree control tabs.
Then click the Symbologies tab to display the Symbologies tree control.
To open nested options,
single-click the +.
The * indicates
that the setting
is the default.

5-70 QX-870 Industrial Raster Scanner User’s Manual
Symbologies
Code 39
Code 39 is considered the standard for non-retail 1D symbology.
An alphanumeric symbology with unique start/stop code patterns, composed of 9 black and
white elements per character, of which 3 are wide.
Check Character Status
Enables or Disables the check character.
Check Character Output Status
Check Character Output Status, when added to the symbol, provides additional data
security.
When enabled, the check character character is read and compared along with the symbol
data. When disabled, symbol data is sent without the check character.
Note: With Check Character Output Status enabled and an External Edge, External
Level, or Serial Data trigger option enabled, an invalid check character calculation will
cause a No Read Message to be transmitted at the end of the read cycle.
Large Intercharacter Gap
Large Intercharacter Gap
is helpful for reading symbols that are printed out of specification.
When enabled, the scanner can read symbols with gaps between symbol characters that
exceed three times (3x) the narrow element width.
Important: Do not use Large Intercharacter Gap with Narrow or Narrow, Enhanced
Quiet Zone enabled, because a large intercharacter gap (over 3x) could cause a narrow
quiet zone (5x) to be interpreted as an intercharacter gap.

QX-870 Industrial Raster Scanner User’s Manual 5-71
Scanner Parameters
Fixed Symbol Length Status
When enabled, the scanner will check the symbol length against the symbol length field. If
disabled, any length will be considered valid.
Fixed Symbol Length
Fixed Symbol Length helps prevent truncations and increases data integrity by ensuring
that only one symbol length will be accepted.
Specifies the exact number of characters that the scanner will recognize (this does not
include start and stop and check character characters). The scanner ignores any symbology
that does not match the specified length.
Full ASCII Set
Must be enabled when reading characters outside the standard character set (0-9, A-Z, etc.)
The user must know in advance whether or not to use the Full ASCII Set option. Since
Full ASCII Set requires two code words to encode one character, it is less efficient.
Standard Code 39 encodes 43 characters; zero through nine, capital “A” through capital
“Z”, minus symbol, plus symbol, forward slash, space, decimal point, dollar sign, and percent
symbol. When Full ASCII Set is enabled, the scanner can read the full ASCII character
set, from 0 to 255.

5-72 QX-870 Industrial Raster Scanner User’s Manual
Symbologies
Code 128
Code 128 is a smaller symbology useful in applications with limited space and high-security
requirements.
A very dense alphanumeric symbology. It encodes all 128 ASCII characters, it is continuous,
has variable length, and uses multiple element widths measured edge to edge.
Fixed Symbol Length Status
When enabled, the scanner will check the symbol length against the symbol length field. If
disabled, any length will be considered a valid symbol.
Fixed Symbol Length
Fixed Symbol Length helps prevent truncations and increases data integrity by ensuring
that only one symbol length will be accepted.
This specifies the exact number of characters that the scanner will recognize (this does not
include start, stop, and check character characters). The scanner ignores any symbol not
having the specified length.

QX-870 Industrial Raster Scanner User’s Manual 5-73
Scanner Parameters
EAN Status
When this field is disabled, the scanner will not check any Code 128 labels for conformance
to EAN requirements, or perform any special formatting.
When enabled, the scanner can read symbols with or without a function 1 character in the
first position. If a symbol has a function 1 character in the first position, it must conform to
EAN format. Symbols that conform to EAN format will also be subject to the special output
formatting options available in this command.
If EAN status is required, the scanner will only decode symbols that have a function 1
character in the first position and that conform to EAN format. All symbols read will be
subject to the special output formatting options available in this command.
Note: Code 128 status must be enabled for EAN status to be active.
Output Format
In Standard, the scanner will not apply special EAN output formatting options.
In Application, the scanner will apply the special EAN output formatting options to
decoded EAN-conforming symbols.

5-74 QX-870 Industrial Raster Scanner User’s Manual
Symbologies
Application Record Separator Status
When enabled, an EAN separator will be inserted into the output between fields whenever
an EAN-conforming symbol is decoded and EAN output formatting applies.
Application Record Separator Character
This is an ASCII character that serves as an EAN separator in formatted EAN output.
Application Record Brackets
If an EAN-conforming symbol is decoded and EAN formatting applies, this feature places
bracket characters around the application identifiers in the formatted output.
Application Record Padding
This feature causes the scanner to pad variable-length application fields with leading
zeroes. This is not done for the last field of a symbol.

QX-870 Industrial Raster Scanner User’s Manual 5-75
Scanner Parameters
Separation Factor
Normal
No limits are placed on bar ratio accuracy.
High
The scanner will enforce a higher level of accuracy on bar ratios. If the symbol falls outside
this limit, it will be rejected.
Highest
The scanner will enforce the highest level of accuracy on bar ratios. If the symbol falls
outside this limit, it will be rejected.

5-76 QX-870 Industrial Raster Scanner User’s Manual
Symbologies
Interleaved 2 of 5
Interleaved 2 of 5 has been popular because it is the most dense symbology for printing
numeric characters less than 10 characters in length; however, Microscan does not recommend
this symbology for any new applications because of inherent problems such as symbol
truncation.
A dense, contimuous, self-checking, numeric symbology. Characters are paired together
so that each character has five elements, two wide and three narrow, representing numbers
0 through 9, with the bars representing the first character and the interleaved spaces
representing the second character. (A check character is highly recommended).
Check Character Status
This option is not typically used, but it can be enabled for additional security
in applications
where the host requires redundant check character verification.
An error correcting routine in which the check character character is added.
Check Character Output Status
When enabled, a check character character is sent along with the symbol data for added
data security.

QX-870 Industrial Raster Scanner User’s Manual 5-77
Scanner Parameters
Symbol Length 1
Useful in applications where Interleaved 2 of 5 symbols of a specific length are required.
The Symbol Length 1 field is one of two fields against which the decoded symbol is
compared before accepting it as valid or rejecting it.
Important: If Range Mode Status is set to Disabled, the length of the symbol must match
either Symbol Length 1 or Symbol Length 2 to be considered a valid symbol.
If Range Mode Status is set to Enabled, Symbol Length 1 and Symbol Length 2 form a
range into which the length of the symbol must fall to be considered valid.
Symbol Length 2
Useful in applications where Interleaved 2 of 5 symbols of a specific length are required.
The Symbol Length 2 field is one of two fields against which the decoded symbol is
compared before accepting it as valid or rejecting it.
Important: If Range Mode Status is set to Disabled, the length of the symbol must match
either Symbol Length 2 or Symbol Length 1 to be considered a valid symbol.
If Range Mode Status is set to Enabled, Symbol Length 2 and Symbol Length 1 form a
range into which the length of the symbol must fall to be considered valid.
Guard Bar
Note: Whenever Guard Bar is enabled, the presence of guard bars is required for decoding
to take place.
Useful when Interleaved 2 of 5 multisymbols are enabled to prevent false data output. This
typically occurs with highly tilted or skewed symbols.
A guard bar is a heavy bar, at least twice the width of the wide bar, surrounding
the printed
Interleaved 2 of 5 symbol and helping to prevent false reads.

5-78 QX-870 Industrial Raster Scanner User’s Manual
Symbologies
Range Mode Status
Important: Unless Range Mode is enabled, Symbol Length must be set to decode
Interleaved 2 of 5 symbols.
Useful in applications where Interleaved 2 of 5 symbols of a specific length are required.
When Range Mode is disabled, the scanner checks the value of the symbol length
against the values set in Symbol Length 1 and Symbol Length 2. If the symbol length
does not match either of the preset values, then it is rejected as invalid.
When Range Mode is enabled, Symbol Length 1 and Symbol Length 2 are combined to
form a range of valid symbol lengths. Any symbol length that does not fall into this range is
rejected as an invalid symbol. Either of the preset symbol length values in the Symbol
Length 1 and Symbol Length 2 fields can form the start or end of the range.

QX-870 Industrial Raster Scanner User’s Manual 5-79
Scanner Parameters
Codabar
Used in photo-finishing and library applications. Previously used in medical applications,
but not typically used in newer medical applications.
Codabar is a 16-bit character set (0 through 9, and the characters $, :, /, ., +, and –) with
start/stop codes and at least two distinctly different bar widths.
Start and Stop Match Status
When disabled, the scanner will decode Codabar symbols whether or not the start and
stop characters are the same.
When enabled, the scanner will not decode Codabar symbols unless the start and stop
characters are the same.
Start and Stop Output Status
When disabled, the start and stop characters will not be present in the data output of the
decoded symbol.
When enabled, the start and stop characters will be present in the data output of the
decoded symbol.
Note: Because the start and stop characters are included as part of the data, the characters
must be included as part of the length in a fixed length mode of operation.

5-80 QX-870 Industrial Raster Scanner User’s Manual
Symbologies
Large Intercharacter Gap
When disabled, the spaces between characters, or the “intercharacter gap”, are ignored
during the decode process.
Note: If the intercharacter space is large enough to be considered a margin, the symbol
will not decode, regardless of this parameter’s setting.
Fixed Symbol Length Status
When disabled, the scanner will accept any Codabar symbol provided it doesn’t exceed
the system’s maximum capabilities.
When enabled, the scanner will reject any Codabar symbol that doesn’t match the fixed
length.
Fixed Symbol Length
This is the value against which all Codabar symbol lengths will be compared.
Check Character Type
When disabled, the scanner will not perform any character checking calculations on
decoded Codabar symbols.
When set to Mod 16, the scanner will perform a modulus 16 check character calculation
on the symbol. If the symbol does not pass this calculation, it will not be decoded.
When set to
NW 7
, the scanner will perform an NW7 modulus 11 check character calculation
on the symbol. If the symbol does not pass this calculation, it will not be decoded.
When set to Both, the scanner will perform both the Mod 16 and NW7 modulus 11 check
character calculations on the symbol. If the symbol does not pass either calculation, it will
not be decoded.

QX-870 Industrial Raster Scanner User’s Manual 5-81
Scanner Parameters
Check Character Output Status
When this field is disabled and a check character calculation is enabled, the scanner will
strip the verified check character from the symbol data output. This condition must be
accounted for if a fixed length is also being used.
When enabled, the scanner will output the check character as part of the symbol data.
This condition must be accounted for if a fixed length is also being used.

5-82 QX-870 Industrial Raster Scanner User’s Manual
Symbologies
UPC/EAN
Used primarily in point-of-sale applications in the retail industry. It is commonly
used with
Microscan scanners in applications in combination with Matchcode when there is a need to
verify that the right product is being placed in the right packaging.
UPC (Universal Product Code) is a fixed length, numeric, continuous symbology. UPC
can have two- or five-digit supplemental data following the normal symbol. The UPC Version
A (UPC, A) symbol is used to encode a 12 digit number. The first digit is the number system
character, the next five are the manufacturer number, the next five are the product number,
and the last digit is the checksum character.
When enabled, the scanner will read UPC Version A and UPC Version E only.
EAN Status
EAN is the European version of the UPC symbology and is used in European retail
applications.
Note: UPC must be enabled for EAN to take effect.
EAN is a subset of UPC. When enabled, the scanner will read UPC Version A, UPC Version
E, EAN 13, and EAN 8. It also appends a leading zero to UPC Version A symbol information
and transmits 13 digits. If transmitting 13 digits when reading UPC Version A symbols is
not desired, disable EAN.
Note: The extra character identifies the country of origin.

QX-870 Industrial Raster Scanner User’s Manual 5-83
Scanner Parameters
Supplementals Status
Reads Supplementals typically used in publications and documentation.
A supplemental is a 2 to 5 digit symbol appended to the main symbol. When set to
Enabled or Required, the scanner reads supplemental code data that has been
appended to the standard UPC or EAN codes.
Disabled
UPC Supplementals will not be decoded.
Enabled
When enabled, the scanner will try to decode a main and a supplemental. However, if a
supplemental is not decoded, the main will be sent by itself at the end of the read cycle.
Required
When set to Required, both the main and the supplemental symbols must be read or a
single No Read condition results.
For example, if Supplementals is set to Required, Separator is enabled, and an asterisk
is defined as the UPC separator character. Then the data is displayed as:
MAIN * SUPPLEMENTAL.
Note: Under no circumstances will the supplemental symbol data be sent without a main
symbol.
Note: If additional symbols—other than the main or supplemental—will be read in the
same read cycle, Number of Symbols should be set accordingly.
Separator Status
Allows users to distinguish between the main and Supplemental symbols.
A character can be inserted between the standard UPC or EAN symbology and the supplemental
symbology when Supplementals is set to Enabled or Required.

5-84 QX-870 Industrial Raster Scanner User’s Manual
Symbologies
Separator Character
As required by the application.
Allows the user to change the separator character from a comma to a new character.
Note: Whenever Separator Character is defined as a comma ( , ) sending a <K473,s?>
command from ESP’s Terminal will return the current settings, including the separator
character comma which appears after the separator status comma.
Supplementals Type
As required by symbology used in application.
Allows the user to select 2 character or 5 character supplements, or both.
Both
Either 2 character or 5 character supplementals will be considered valid.
Two Characters Only
Only two character supplementals will be considered valid.
Five Characters Only
Only five character supplementals will be considered valid.

QX-870 Industrial Raster Scanner User’s Manual 5-85
Scanner Parameters
UPC-E as UPC-A
When disabled, the scanner will output the version E symbols in their encoded 6-character format.
When enabled, the scanner will format the symbol as either a 12-character UPC-A symbol
or an EAN-13 symbol, depending on the state of the EAN status parameter. This formatting
reverses the zero suppression that is used to generate the symbol in the UPC specification.

5-86 QX-870 Industrial Raster Scanner User’s Manual
Symbologies
Code 93
Used in some clinical applications.
Code 93 is a variable-length, continuous symbology employing four element widths. Each
Code 93 character has nine modules that may be either black or white. Each character
contains three bars and three spaces.
Fixed Symbol Length Status
When disabled, the scanner will accept any Code 93 symbol provided is doesn’t exceed
the system’s maximum capabilities.
When enabled, the scanner will reject any Code 93 symbol that doesn’t match the fixed
symbol length.
Fixed Symbol Length
This is the symbol length value against which all Code 93 symbols will be compared.

QX-870 Industrial Raster Scanner User’s Manual 5-87
Scanner Parameters
Pharmacode
Used mostly in pharmaceutical packaging.
Encodes up to five different numbers, each with its own color, which may be entered in
decimal or “binary” format with a 1 represented by a thick bar and a 0 represented by a
thin bar. Bar width is independent of height.
In decimal format, each part can be up to 999,999.
In binary format, each input can have up to 19 ones and zeros.
Important:
When Pharmacode is enabled, other linear symbologies will not decode properly.
Disable Pharmacode before reading other linear symbologies.
Fixed Symbol Length Status
When enabled, the scanner will check the symbol length against the symbol length field. If
disabled, any length will be considered valid.
Fixed Symbol Length
Specifies the exact number of bars that must be present for the scanner to recognize and
decode the Pharmacode symbol.
Minimum Bars
Sets the minimum number of bars that a Pharmacode symbol must have to be considered valid.
Note: The minimum allowed bar count is 4.

5-88 QX-870 Industrial Raster Scanner User’s Manual
Symbologies
Bar Width Status
If set to Mixed, the scanner will autodiscriminate between narrow bars and wide bars. If
set to All Narrow, all bars will be considered as narrow bars. If set to All Wide, all bars will
be considered as wide bars. If set to Fixed Threshold, it will use the fixed threshold value
to determine whether the bars are narrow or wide. The Bar Width Status setting will be
ignored when the scanner is able to tell the difference between the narrow and the wide bars.
Direction
Specifies the direction in which a symbol can be read.
Fixed Threshold Value
Used when Bar Width Status is set to Fixed Threshold. Defines the minimum difference
in pixels that will distinguish a narrow bar from a wide bar.

QX-870 Industrial Raster Scanner User’s Manual 5-89
Scanner Parameters
GS1 DataBar
Note: GS1 DataBar symbologies were previously known as “Reduced Space Symbology”
or “RSS”.
DataBar Expanded
Note: DataBar Expanded was previously known as “RSS Expanded”.
Used to encode primary and supplementary data in retail point-of-sale and other applications.
DataBar Expanded is a variable length symbology that can encode supplementary
information in
addition to the 14-digit EAN item identification number and is capable of encoding up to 74
numeric or 41 alphabetic characters.
Where appropriate, use 1 (non-stacked) for better performance over 2 (stacked and non-stacked).
Fixed Symbol Length Status
When enabled, the scanner will check the symbol length against the symbol length field,
minus the embedded check character. If disabled, any length would be considered valid.
Fixed Symbol Length
Fixed Symbol Length helps prevent truncations and increases data integrity by ensuring
that only one symbol length will be accepted.
Specifies the exact number of characters that the scanner will recognize (this does not
include start, stop, and check character characters). The scanner ignores any symbol not
having the specified length.

5-90 QX-870 Industrial Raster Scanner User’s Manual
Symbologies
DataBar Limited
Note: DataBar Limited was previously known as “RSS Limited”.
DataBar Limited is designed to be read by laser scanners and CCD imagers. It is not
recommended for omnidirectional slot scanners.
Encodes a smaller 14-digit symbol (74 modules wide) that is not omnidirectional.
DataBar Omnidirectional
Note: DataBar Omnidirectional was previously known as “RSS-14”.
Used in the grocery, retail, and prescription drug industries where 14-digit EAN item
identification may be needed.
DataBar-14 is a fixed symbol length symbology that encodes 14 digits, including a 1-digit
indicator. DataBar-14 is 96 modules wide. It can be stacked in two rows, it can read
omnidirectionally if printed in full height, or horizontally if height-truncated for small marking.
Note: Where appropriate, use 1 (non-stacked) for better performance instead of 2
(stacked; decode both stacked and non-stacked).

QX-870 Industrial Raster Scanner User’s Manual 5-91
Scanner Parameters
PDF417
Used in applications where a large amount of information (over 32 characters
)
needs to be
encoded within a symbol, typically where the symbol is transported
from one facility to another.
For example, an automobile assembly line might use a single symbol with multiple fields of
information that will be read at several stations along the way, without reference to a
database.
A two-dimensional, multi-row (3 to 90), continuous, variable-length symbology
that has high
data capacity (up to 2,700 numeric characters, 1,800 printable ASCII characters, or 1,100
binary characters per symbol). Each symbol character consists of 4 bars and 4 spaces in a
17-module structure.
Note: Sending <a1> from ESP’s Terminal will cause PDF417 data to be prefaced with
information consisting of error correction level (ECC Level n), number of rows (n Rows),
number of columns (n Columns), number of informative code words (n Info Code Words)
and the number of data characters (n Data Characters). This feature can be disabled by
re-sending <a1>.
Scan Count (Raster Sweep Count)
Determines the number of raster sweeps before any in-process stacked symbol decode
attempt is abandoned.
Fixed Symbol Length Status
When Enabled, the scanner will reject any PDF417 symbol that does not match the Fixed
Symbol Length.
Fixed Symbol Length
Used to increase data integrity by ensuring that only one symbol length will be accepted.
When enabled, the PDF symbol must contain the same number of characters
as the symbol
length setting before it can be considered a good read. The scanner will ignore any symbol
not having the specified length.
Note: Fixed Symbol Length Status
must be enabled for
Fixed Symbol Length
to take effect.

5-92 QX-870 Industrial Raster Scanner User’s Manual
Symbologies
Decode at End of Read
Disabled
The scanner will attempt to decode the PDF417 symbol whenever the algorithm determines
that there are enough error correction code words.
Enabled
The scanner will not attempt to decode the PDF417 symbol until the end of the read cycle.

QX-870 Industrial Raster Scanner User’s Manual 5-93
Scanner Parameters
MicroPDF417
Used for labelling small items that need large data capacity.
A variant of PDF417, a very efficient and compact stacked symbology that can encode up
to 250 alphanumeric characters or 366 numeric characters per symbol.
Scan Count (Raster Sweep Count)
Determines the number of raster sweeps before any in-process stacked symbol decode
attempt is abandoned.
Fixed Symbol Length Status
When Enabled, the scanner will reject any MicroPDF417 symbol that does not match the
Fixed Symbol Length.
Fixed Symbol Length
Used to increase data integrity by ensuring that only one symbol length will be accepted.
When enabled, the MicroPDF417 symbol must contain the same number of characters as
the symbol length setting before it can be considered a good read. The scanner will ignore
any symbol not having the specified length.
Note: Fixed Symbol Length Status
must be enabled for
Fixed Symbol Length
to take effect.

5-94 QX-870 Industrial Raster Scanner User’s Manual
Symbologies
Composite
When set to Enabled or Required, will decode the 2D composite component of a linear
symbol. The linear symbol can be DataBar-14, DataBar Expanded, DataBar Limited,
EAN-128, UPC-A, EAN-13, EAN-8, and UPC-E.
Enabled
If Composite is set to Enabled, the scanner will decode both the 2D composite and linear
components. However, if the 2D composite component is not decoded, the linear data will
be sent by itself at the end of the read cycle.
Required
If set to Required, the scanner must decode both components, or a No Read will occur.
Separator Status
Allows the user to distinguish between the main and Supplemental symbols.
Separates the linear and the composite component.
Separator
The Separator Character will be the same as the character defined in the Multisymbol
Separator field.
As required by the application.
Allows the user to change the separator character from a comma to a new character.

QX-870 Industrial Raster Scanner User’s Manual 5-95
Scanner Parameters
AIAG
AIAG is a standard controlled by the Automotive Industry Action Group. AIAG is used in
automotive applications.
When AIAG is Enabled, each Status field can be Enabled or Disabled, and an ID can be
defined for each status.

5-96 QX-870 Industrial Raster Scanner User’s Manual
Symbologies
Quiet Zone
Used when the leading and trailing edges of the symbols are smaller than the standard
margin or other objects encroach into the margins.
Allows the scanner to read 1D symbols with quiet zones less than 8 times the width of the
narrow bar element. The Quiet Zone is the space at the leading and trailing ends of a
symbol. Each quiet zone can be as narrow as only five times the width of the narrow bar
element when Quiet Zone is Enabled and set to Narrow or Narrow, Enhanced.
Note: Do not use Narrow or Narrow, Enhanced when Large Intercharacter Gap is
enabled for Code 39, unless Symbol Reconstruction is also enabled.
Note: Any Quiet Zone setting other than Standard will increase processing requirements.
Standard
The scanner locates symbols using a standard 8x Quiet Zone requirement.
Narrow
The scanner locates symbols using a 5x Quiet Zone requirement.
Standard, Enhanced
The scanner locates symbols using an enhanced algorithm for standard 8x Quiet Zones.
The enhanced algorithm has a higher tolerance for leading-edge “noise”, and is particularly
useful for high density symbols.
Narrow, Enhanced
The scanner locates symbols using an enhanced algorithm for 5x Quiet Zones. The
enhanced algorithm has a higher tolerance for leading-edge “noise”, and is particularly
useful for high density symbols.
This setting is the Default because it overcomes many symbol quality issues, such as
printing and placement inconsistencies.

QX-870 Industrial Raster Scanner User’s Manual 5-97
Scanner Parameters
Symbology Identifier
Symbology Identifier is a standard prefix set of characters that identifies the symbol type.
When enabled, the scanner analyzes and identifies the symbology and adds a three-character
identifying prefix to the data:
•] (closed bracket character) indicating the presence of a symbology identifier.
•A, C, E, F, G, I, L, e, or p
• (A = Code 39; C = Code 128; E = UPC/EAN; F = Codabar; G = Code 93; I = Interleaved
2 of 5; L = PDF417 and MicroPDF417; e = GS1 DataBar (RSS); p = Pharmacode)
• Modifier
Example: ]C indicates a Code 128 symbol.
Disabled
When set to Disabled, symbol data output does not contain Symbology Identifier information.
Enabled AIM ID
When set to
Enabled AIM ID
, symbol data output contains a three-character AIM Symbology
Identifier sequence.
Enabled Readable ID
When set to Enabled Readable ID, symbol data output contains a human-readable description
of the decoded symbology.
Examples:
]CODE39
]CODE128
]UPCA
]UPCEAN13

5-98 QX-870 Industrial Raster Scanner User’s Manual
Symbologies
Explanation of Modifiers for Code 39, Codabar, and Interleaved 2 of 5
• For Code 39, Codabar, and Interleaved 2 of 5, the modifier indicates Check Character
and Check Character Output status.
• For Code 39 only, Full ASCII must be enabled to see modifiers 4, 5, and 7.
Example: ]A5 indicates a Code 39 symbol with Check Character and Check Character
Output enabled and Full ASCII conversion performed.
Explanation of Modifiers for Other Symbologies
• For Code 128, a 1 indicates EAN 128; otherwise the modifier is 0.
• For all other symbologies, the modifier is 0.
Modifier Check
Character
Check
Character
Output
Full ASCII Conversion
(Code 39 Only)
0Disabled N/A No
1Enabled Enabled No
3Enabled Disabled No
4Disabled N/A Yes
5Enabled Enabled Yes
7Enabled Disabled Yes

QX-870 Industrial Raster Scanner User’s Manual 5-99
Scanner Parameters
Background Color
Symbol backgrounds are often White, or other very light colors. If the
background is
darker than the symbol,
Black
background should be enabled.
Allows the user to specify the symbol background used in the application.
White
When White background is enabled, the bars of linear symbols and the elements of 2D
symbols are recognized as dark on a light background.
Black
When Black background is enabled, the bars of linear symbols and the elements of 2D
symbols are recognized as light on a dark background.

5-100 QX-870 Industrial Raster Scanner User’s Manual
Symbologies
Depth of Field Enhance
The Default Depth of Field Enhance setting of Medium will be ideal for 75% of all depth
of field issues. Low and High account for the other 25%.
Note: Any setting other than Disabled will increase processing requirements.
Disabled
No extra processing of elements is performed to extend depth of field.
Low
Minimal additional processing of elements is performed to extend depth of field. The Low
setting is not recommended for most applications that require Depth of Field Enhance.
However, some focus and printing issues may make this the optimal setting.
Medium
Some additional processing of elements is performed to extend depth of field. The
Medium setting is the most likely to be useful in applications that require Depth of Field
Enhance.
High
Additional processing of elements is performed to extend depth of field. The High setting
is not recommended for most applications that require Depth of Field Enhance. However,
some focus and printing issues may make this the optimal setting.

QX-870 Industrial Raster Scanner User’s Manual 5-101
Scanner Parameters
Symbol Reconstruction
Industrial environments present many data capture challenges, some of which are damaged
symbols, partially covered symbols, poorly printed symbols, and variation of label placement.
Symbol quality, location, and orientation cannot always be controlled. Labels containing
linear symbols (Code 39, Code 128, Interleaved 2 of 5, and UPC/EAN, for example) can
be torn, partially obscured, overprinted, or underprinted due to variations in print mechanisms.
For industrial tracking and traceability to be reliable, symbols must be decoded regardless
of damage, label tilt, or any other discontinuities.
The QX-870 features X-Mode™ technology, which allows the scanner to reconstruct data
from damaged or poorly positioned symbols by “stepping though” the elements (bars) in
multiple stages and then combining the successfully decoded regions into completed
symbol data output, as shown in the simplified example below.

5-102 QX-870 Industrial Raster Scanner User’s Manual
Symbologies
Symbol Reconstruction Redundancy
Disabled
When Symbol Reconstruction Redundancy is Disabled, the scanner will not attempt to
reconstruct symbols across multiple scan lines.
Low
When Symbol Reconstruction Redundancy is set to Low, the scanner will attempt to
reconstruct symbols across multiple scan lines. Only the minimum amount of redundancy
checking will be applied to qualify the reconstruction result. This can limit the Effort level
required to decode. However, this is the lowest level of proof required, so occasionally the
symbol’s level of data integrity may lead to a misread.
Note: Applications with low area coverage may be forced to use this setting.
Medium
When Symbol Reconstruction Redundancy is set to Medium, the scanner will attempt to
reconstruct symbols across multiple scan lines. A larger amount of redundancy checking
will be applied to qualify the reconstruction result. This may require the decode Effort level
to be increased. This level of redundancy checking is helpful in avoiding misreads.
Occasionally the symbol’s level of data integrity may lead to a misread, but this setting
requires enough matching data to protect the majority of data.
Note: Applications with average area coverage can use this setting.
High
When Symbol Reconstruction Redundancy is set to High, the scanner will attempt to
reconstruct symbols across multiple scan lines. A very large amount of redundancy
checking will be applied to qualify the reconstruction result. This will require the effort level
to rise to achieve a decode. This level of redundancy checking is helpful in avoiding misreads.
Occasionally the symbol’s level of data integrity may lead to a misread, but this setting
requires enough matching data to protect the majority of data.
Note: Applications with a large amount of area coverage can use this setting. However, as
aspect ratio decreases and line speed increases, High may not provide enough decodes
to be useful. The Effort level may also require more time in some cases.

QX-870 Industrial Raster Scanner User’s Manual 5-103
Scanner Parameters
Symbol Reconstruction Effort
Minimum
When Symbol Reconstruction Effort is set to Minimum, the scanner will attempt to
reconstruct symbols across multiple scan lines. However, the required processing time will
be limited to a minimum level, so candidate symbols that are not valid will be rejected quickly.
Moderate
When Symbol Reconstruction Effort is set to Moderate, the scanner will attempt to
reconstruct symbols across multiple scan lines. The required processing time will be limited
to a level that is expected to work optimally for most applications. Moderate is the appropriate
setting for most symbol reconstruction scenarios. Moderate can still reject candidate
symbols, but there may be a noticeable pause in throughput. Usually, candidate symbols
will either decode or self-eliminate before the effort level is reached.
Maximum
When Symbol Reconstruction Effort is set to Maximum, the scanner will attempt to
reconstruct symbols across multiple scan lines. However, if a large amount of processing
is required, reconstruction is allowed to attempt all decode possibilities. This Effort level
may cause the system to stall on the present data as it attempts to decode all possibilities.

5-104 QX-870 Industrial Raster Scanner User’s Manual
Symbologies
Symbol Ratio Mode
Symbol Ratio Mode is useful for determining how much quality and data security validation
will be applied when decoding a Code 39, Codabar, or Interleaved 2 of 5 symbol.
Tight ratios will only decode a high-quality symbol.
Standard ratios will decode most symbols.
Aggressive ratios will not validate the entire symbol before decoding. The ratios are
“loosened” to read poor-quality symbols. This setting is not recommended unless users
understand the potential ramifications: character substitution rate may increase dramatically
when Symbol Ratio Mode is set to Aggressive.
Code 39
Tight
Maximum ratio is set to 3.6:1. A Validate function, which compares the ratio between the
maximum and minimum bars in the symbol, is used for additional security. A Validate Bars
function minimizes the acceptance of skewed symbols.
Standard
Maximum ratio is set to 4.0:1. A Validate function, which compares the ratio between the
maximum and minimum bars in the symbol, is used for additional security.
Aggressive
Maximum ratio is set at 5.5:1. A Validate function is not used in this mode. This method
may be useful on long symbols where the spot velocity can change throughout the symbol
and effect the minimum and maximum bar values.

QX-870 Industrial Raster Scanner User’s Manual 5-105
Scanner Parameters
Codabar
Tight
Maximum ratio is set to 3.6:1. A Validate function, which compares the ratio between the
maximum and minimum bars in the symbol, is used for additional security. A Validate Bars
function minimizes the acceptance of skewed symbols.
Standard
Maximum ratio is set to 4.0:1. A Validate function, which compares the ratio between the
maximum and minimum bars in the symbol, is used for additional security.
Aggressive
Maximum ratio is set at 5.8:1. A Validate function is not used in this mode. This method
may be useful on long symbols where the spot velocity can change throughout the symbol
and effect the minimum and maximum bar values.
Interleaved 2 of 5
Tight
Maximum ratio is set to 3.6:1. A Validate function, which compares the ratio between the
maximum and minimum bars in the symbol, is used for additional security. A Validate Bars
function minimizes the acceptance of skewed symbols.
Standard
Maximum ratio is set to 4.8:1. A Validate function, which compares the ratio between the
maximum and minimum bars in the symbol, is used for additional security.
Aggressive
Maximum ratio is set at 6.1:1. A Validate function is not used in this mode. This method
may be useful on long symbols where the spot velocity can change throughout the symbol
and effect the minimum and maximum bar values.

5-106 QX-870 Industrial Raster Scanner User’s Manual
I/O Parameters
I/O Parameters
Note: I/O Parameters settings can also be sent to the scanner from ESP’s Terminal using
Microscan’s K command format. Refer to the I/O Parameters section of Appendix D.
To open nested options,
single-click the +.To change a setting, double-click the
setting and use the cursor to scroll
through the options.
Click the App Mode button and then the Parameters button to display
the tree control tabs.
Then click the I/O tab to display the I/O Parameters tree control.
The * indicates
that the setting
is the default.

QX-870 Industrial Raster Scanner User’s Manual 5-107
Scanner Parameters
Symbol Data Output
Symbol Data Output relates to data and should not be confused with Outputs 1, 2, and 3
listed in the Output Parameters which describe output states and functions.
Useful when the host needs symbol data only under certain conditions.
Defines the conditions under which decoded symbol data is transmitted to the host.
Note: Symbol Data Output Status, if set to Match or Mismatch, will not take effect
unless Matchcode Type is enabled and a master symbol is loaded into memory.
Symbol Data Output Status
Disabled
It is useful when an application only needs to use the discrete outputs and can allow the
scanner to do the decision-making. When Disabled, the host does not need the symbol
data and the communication lines are used only for setup and status checks.
When set to
Disabled
, the scanner will not transmit any data that is generated
during a read
cycle (symbols, No Reads, etc.)
Match
Match is used in an application that requires specific symbol information and needs to
sort, route, or verify based on matching the specific symbol data.
When set to Match, the scanner transmits symbol data whenever a symbol matches a
master symbol. However, if Matchcode Type is Disabled, it transmits on any good read.
Note: A No Read can still be transmitted if Enabled.
Mismatch
Mismatch is typically used as a flag within the host system to prevent an item from being
routed in the wrong container.
With Mismatch enabled, the scanner transmits symbol data whenever the symbol data
information does NOT match the master symbol.
Note: A No Read can still be transmitted if Enabled.
Good Read
Good Read is used when an application requires all symbol data to be transmitted. It’s
typically used in tracking applications in which each object is uniquely identified.
With Good Read enabled, the scanner transmits symbol data on any good read regardless
of Matchcode Type setting.
Note: A No Read can still be transmitted if Enabled.

5-108 QX-870 Industrial Raster Scanner User’s Manual
I/O Parameters
When to Output Symbol Data
This command allows the user to choose when symbol data can be sent to the host.
As Soon As Possible
As Soon As Possible is useful in applications in which symbol data needs to be moved
quickly to the host, typically when the host is making decisions based on symbol data.
Note: More than one decode might in fact be required to qualify as a good read, depending
on how Decodes Before Output is set.
Enabling As Soon As Possible causes symbol data to be sent to the host immediately
after a symbol has been successfully decoded.
End of Read Cycle
End of Read Cycle is useful in timing-based systems in which the host is not ready to
accept data at the time that it is decoded.
Enabling End of Read Cycle means that symbol data does not get sent to the host until
the read cycle ends with a timeout or new trigger.
Read cycle duration
Start of read cycle End of read cycle
This is when host
expects output
Host
activates trigger

QX-870 Industrial Raster Scanner User’s Manual 5-109
Scanner Parameters
No Read Message
Used in applications where the host needs serial verification that a symbol has not been
read and especially useful in new print verification.
When enabled, and if no symbol has been decoded before timeout or the
end of the read
cycle, the No Read message will be transmitted to the host.
No Read Message Status
Disabled
Only symbol data is output after a read cycle.
Enabled
When the scanner is in a triggered mode, a No Read message will be appended for each
failed read attempt.
Message
Any combination of ASCII characters can be defined as the No Read message.
Note: No Read Message will only be transmitted if Symbol Data Output is set to Match,
Mismatch, or Good Read. No Read Message can be set to any ASCII character.

5-110 QX-870 Industrial Raster Scanner User’s Manual
I/O Parameters
Bad Symbol Message
Useful in determining if a symbol is present and if user defined requirements for that
symbol are met. Can tell the user if a qualified symbol is present but not decodable.
Sets the requirements that will qualify an object or a symbol before outputting a decode or
message. When enabled, sends a message to the host whenever an object meets the
qualifications setup but is not decoded.
Note: When Symbology Identifier is enabled, the Bad Symbol Message is preceded by
the identifier for the symbology being used.
Message
Any combination of ASCII characters can be defined as the Bad Symbol Message.

QX-870 Industrial Raster Scanner User’s Manual 5-111
Scanner Parameters
No Symbol Message
Useful in determining if a symbol is present and if user defined requirements for that
symbol are met. Can tell the user if an object does not qualify as a symbol.
Sets the requirements that will qualify an object or a symbol before outputting a decode or
message. When enabled, sends a message to the host whenever an object meets the
qualifications setup but is not decoded.
Note: When Symbology Identifier is enabled, the No Symbol Message is preceded by
the identifier for the symbology being used.
Message
Any combination of ASCII characters can be defined as the No Symbol Message.

5-112 QX-870 Industrial Raster Scanner User’s Manual
I/O Parameters
Read Duration Output
Useful in evaluating actual read cycle timing results, especially when initially setting up
an application to determine maximum line speed (obtainable based on spacing between
symbols.)
When enabled the duration of the read cycle (in milliseconds) is appended to the symbol data.
The read duration is the time from the beginning of the read cycle until data is output.
Important: To measure the entire read cycle when in External Level trigger mode, set
When to Output Symbol Data to End of Read Cycle.
This output can measure over 49 days’ worth of duration; if exceeded, the “OVERFLOW”
message will be output in place of the duration.
Separator
User-defined character that separates the symbol information from the Read Duration
Output.

QX-870 Industrial Raster Scanner User’s Manual 5-113
Scanner Parameters
Output Indicators
The QX-870 has a beeper and two LED arrays, as follows:
1. An array of green LEDs projected from the front of the scanner that can be programmed
to flash in response to user-defined conditions.
2. An array of status LEDs on the side of the scanner.
Green Flash Mode
Used as a visual verification that a good read has occurred.
An array of green LEDs in the front of the scanner can be programmed to flash in
response to user-defined conditions.
Disabled
Green flash LEDs are disabled.
On Good Read
Green flash LEDs will flash when a good read condition is met or when Matchcode is
enabled and a match occurs.

5-114 QX-870 Industrial Raster Scanner User’s Manual
I/O Parameters
Static Presentation
Static Presentation Mode is used in conjunction with Continuous Read mode.
When operating in Static Presentation Mode, the red LEDs will illuminate while the
scanner is searching for a symbol in Continuous Read mode. When a symbol is placed
in the field of view and a good read occurs, the green LEDs will illuminate and stay on for
the duration of time set in Green Flash Duration. Only one read will occur during that time
unless more than one symbol is enabled in Number of Symbols.
Note: If Static Presentation Mode is selected but the scanner is not in Continuous
Read, the Green Flash will not occur.
To use Static Presentation:
1. Enable Continuous Read.
2. Select the number of symbols.
3. Enable Static Presentation in Green Flash Mode.
4. Select the read time in Green Flash Duration.
Match
The green LEDs will flash when a match condition is met. If multisymbol is enabled, then
green flash LEDs will illuminate only if all symbols qualify as a match. If matchcode is
disabled, then this mode will activate the LEDs on a good read.
Mismatch
Same as Match, except that LEDs will illuminate on a mismatch.

QX-870 Industrial Raster Scanner User’s Manual 5-115
Scanner Parameters
Green Flash Duration
Provides visual verification that a good read has occurred.
When a good read occurs, the green LEDs will illuminate and stay on for the time set in
the Green Flash Duration value.
Beeper
An audible verification that either a good read or a No Read has occurred.
A beep is emitted after each good read or No Read.
Note: The beeper will also sound at any of the following times:
• When the scanner is defaulted.
• When a Send and Save command is sent from ESP.
• At the conclusion of an Auto Calibration procedure.
• When a <Z>, <Zp>, <Zrd>, or <K701,,1> command is sent from ESP’s Terminal.

5-116 QX-870 Industrial Raster Scanner User’s Manual
I/O Parameters
Serial Verification
Allows the user to verify configuration command status.
Serial Command Echo Status
This command is useful in removing any doubt about the scanner’s interpretation of any
configuration command.
For example, if the current preamble is “SOM” and <K701,1,START> is entered, the
scanner will echo back <K701,SOM> since the attempted entry “START” exceeds the
four character limit for that command. Therefore, it is rejected and the existing “SOM”
message is echoed back and remains the preamble message.
When enabled, a configuration command received from the
host is echoed back to the host with the resultant settings.
If a command with multiple fields is processed, some of the
fields may have been processed properly while others were
not. The changes will appear in the string echoed back so that the user will know which
fields did or did not change.
Serial Command Beep Status
Used to audibly verify the acceptance and validity of a command.
Causes the scanner to beep once whenever a K command is entered to indicate that the
command was accepted and processed.
If an invalid command is entered, the scanner beeps 5 times to indicate an invalid entry.
However, this does not necessarily mean that all data fields have been entered incorrectly.
Only one bad field needs to be found in order to activate the 5 beep response.
Scanner
Host

QX-870 Industrial Raster Scanner User’s Manual 5-117
Scanner Parameters
Control / Hex Output
Useful for viewing settings with binary characters when using serial commands
on a terminal.
Determines the response to a Serial Command Echo or status request command.
When set to
Control
, two characters are transmitted to represent a non-displayable
character. For
example, a carriage return will be shown as: ^M.

5-118 QX-870 Industrial Raster Scanner User’s Manual
I/O Parameters
EZ Button
Serves as a master switch to enable/disable the EZ Button status.
The EZ Button has four positions: Single Beep, Two Beeps, Three Beeps, and Four
Beeps, selectable by the length of time the button is held down, and indicated by one,
two, three, and four beeps in succession. Each position can be programmed for any of
eight EZ Button Modes.

QX-870 Industrial Raster Scanner User’s Manual 5-119
Scanner Parameters
EZ Button Status
Disabled
When set to Disabled, the EZ Button does not function.
Enabled
When selected, the EZ Button is enabled and the function of each button position is
selected by the EZ Button Modes command.
Trigger
When selected, the EZ Button acts as a trigger for the scanner to start and end read
cycles. All other button operations are inactive.
Unlatch Outputs
In this configuration, the EZ Button will unlatch any logic outputs that have been latched.
Parameter Switch
The parameter switch toggles between custom defaults and power-on settings. The condition
is the same as that achieved by sending the
<Arc>
and
<Arp>
commands consecutively.
Default on Power-On
When enabled, if the EZ Button is held down on power-on, the scanner will default to
customer defaults and save for power-on. This is the same as sending a <Zrc> command
from ESP’s Terminal.
In External
Level: The read cycle endures for as long as the EZ Button is pressed, unless a
timeout occurs and End of Read Cycle Mode is set to Timeout.
In External
Edge: As with External Level, External Edge allows a read cycle to be initiated
by pressing the EZ Button, but unlike External Level, the read cycle ends
with a good read output, a timeout, or a new trigger.

5-120 QX-870 Industrial Raster Scanner User’s Manual
I/O Parameters
EZ Button Modes
Useful for performing multiple, repetitive tasks at the work site.
Allows the user to program each of the EZ Button’s
4
positions from a selection
of 8 modes.
Single Beep
Hold down button until a single beep is heard (and the 20% LED illuminates).
Disabled
When set to Disabled, the associated button position will have no function associated with
it, and the position will be skipped over.
Read Rate
Read Rate is initiated when the associated button position is selected. Read Rate will
perform decodes/second and is the same as sending a <C> from ESP’s Terminal. To exit
Read Rate, quickly press and release the EZ Button.
Calibration
Calibration
is initiated when the associated button position is selected. To cancel Calibration
,
quickly press and release the EZ Button.
Save for Power-On
All scanner settings will be saved to non-volatile memory to be recalled on power-on
whenever the associated button position is selected. This is the same as sending a <Z>
from ESP’s Terminal.
Auto Framing
Auto Framing is initiated when this button position is selected. To cancel Auto Framing,
quickly press and release the EZ Button.
Load New Master
Functions in the same way as New Master Pin input whenever the associated button
position is selected.
Sleep Mode
When Sleep Mode is selected, the scanner will shut the motor and laser off when this
button position is selected. To cancel Sleep Mode, quickly press and release the EZ Button.
Bar Code Configuration
Enables Bar Code Configuration Mode whenever the associated button position is
selected. When enabled, the scanner can accept configuration commands from symbols.
To disable, quickly press and release the EZ Button.

QX-870 Industrial Raster Scanner User’s Manual 5-121
Scanner Parameters
Two Beeps
Hold down button until two quick beeps are heard (and the 20% and 40% LEDs illuminate.)
Disabled
When set to Disabled, the associated button position will have no function associated with
it, and the position will be skipped over.
Read Rate
Read Rate is initiated when the associated button position is selected. Read Rate will
perform decodes/second and is the same as sending a <C> from ESP’s Terminal. To exit
Read Rate, quickly press and release the EZ Button.
Calibration
Calibration
is initiated when the associated button position is selected. To cancel Calibration
,
quickly press and release the EZ Button.
Save for Power-On
All scanner settings will be saved to non-volatile memory to be recalled on power-on
whenever the associated button position is selected. This is the same as sending a <Z>
from ESP’s Terminal.
Auto Framing
Auto Framing is initiated when this button position is selected. To cancel Auto Framing,
quickly press and release the EZ Button.
Load New Master
Functions in the same way as New Master Pin input whenever the associated button
position is selected.
Sleep Mode
When Sleep Mode is selected, the scanner will shut the motor and laser off when this
button position is selected. To cancel Sleep Mode, quickly press and release the EZ Button.
Bar Code Configuration
Enables Bar Code Configuration Mode whenever the associated button position is
selected. When enabled, the scanner can accept configuration commands from symbols.
To cancel Bar Code Configuration, quickly press and release the EZ Button.

5-122 QX-870 Industrial Raster Scanner User’s Manual
I/O Parameters
Three Beeps
Hold down button until three quick beeps are heard (and the 20%, 40%, and 60% LEDs
illuminate).
Disabled
When set to Disabled, the associated button position will have no function associated with
it, and the position will be skipped over.
Read Rate
Read Rate is initiated when the associated button position is selected. Read Rate will
perform decodes/second and is the same as sending a <C> from ESP’s Terminal. To exit
Read Rate, quickly press and release the EZ Button.
Calibration
Calibration
is initiated when the associated button position is selected. To cancel Calibration
,
quickly press and release the EZ Button.
Save for Power-On
All scanner settings will be saved to non-volatile memory to be recalled on power-on
whenever the associated button position is selected. This is the same as sending a <Z>
from ESP’s Terminal.
Auto Framing
Auto Framing is initiated when this button position is selected. To cancel Auto Framing,
quickly press and release the EZ Button.
Load New Master
Functions in the same way as New Master Pin input whenever the associated button
position is selected.
Sleep Mode
When Sleep Mode is selected, the scanner will shut the motor and laser off when this
button position is selected. To cancel Sleep Mode, quickly press and release the EZ Button.
Bar Code Configuration
Enables Bar Code Configuration Mode whenever the associated button position is
selected. When enabled, the scanner can accept configuration commands from symbols.
To disable, quickly press and release the EZ Button.

QX-870 Industrial Raster Scanner User’s Manual 5-123
Scanner Parameters
Four Beeps
Hold down button until four quick beeps are heard (and the 20%, 40%, 60%, and 80%
LEDs illuminate).
Disabled
When set to Disabled, the associated button position will have no function associated with
it, and the position will be skipped over.
Read Rate
Read Rate is initiated when the associated button position is selected. Read Rate will
perform decodes/second and is the same as sending a <C> from ESP’s Terminal. To exit
Read Rate, quickly press and release the EZ Button.
Calibration
Calibration
is initiated when the associated button position is selected. To cancel Calibration
,
quickly press and release the EZ Button.
Save for Power-On
All scanner settings will be saved to non-volatile memory to be recalled on power-on
whenever the associated button position is selected. This is the same as sending a <Z>
from ESP’s Terminal.
Auto Framing
Auto Framing is initiated when this button position is selected. To cancel Auto Framing,
quickly press and release the EZ Button.
Load New Master
Functions in the same way as New Master Pin input whenever the associated button
position is selected.
Sleep Mode
When Sleep Mode is selected, the scanner will shut the motor and laser off when this
button position is selected. To cancel Sleep Mode, quickly press and release the EZ Button.
Bar Code Configuration
Enables Bar Code Configuration Mode whenever the associated button position is
selected. When enabled, the scanner can accept configuration commands from symbols.
To disable, quickly press and release the EZ Button.

QX-870 Industrial Raster Scanner User’s Manual 5-125
Scanner Parameters
Status Indicators
The side of the QX-870 features an array of LEDs that indicate various aspects of scanner activity.
Controls the operation of the MOD/ACT and NET/LNK LEDs.
Note: MOD and ACT function as one combined LED, as do NET and LNK.
Disabled
When set to Disabled, the MOD/ACT and NET/LNK LEDs are always off.
Note: All green and red LEDs will turn on briefly during power-on or reset to confirm that
they are functioning.
PHY Activity
If Ethernet is available:
LNK = Solid green when transceiver is linked.
ACT = Blinking green when transceiver detects Tx or Rx activity.
Otherwise, for all RS232 and RS422/485 activity:
LNK = Blinking green with Tx data activity.
ACT = Blinking green with Rx data activity.
Note: Red is never turned on.
Protocol Activity
If EtherNet/IP is enabled:
MOD = Module status, per EtherNet/IP specification
NET = Network status, per EtherNet/IP specification
Otherwise, the MOD and NET LEDs are always off.

5-126 QX-870 Industrial Raster Scanner User’s Manual
I/O Parameters
Bar Graph
Read Rate, Auto Calibration, Bar Code Configuration, and Read Cycle Result all share the
Bar Graph (20% – 100%) LEDs.
I/O 1
I/O 1 always shows the combined state of the discrete outputs. If any output is active,
the I/O 1 LED will be on.
I/O 2
I/O 2 always shows the state of the hardware input trigger. If the trigger is active, I/O 2 will
be on.

QX-870 Industrial Raster Scanner User’s Manual 5-127
Scanner Parameters
Calibration Options
Calibration Options
specifies the operation of the calibration feature. The default configuration
is set up to perform calibration on Gain, Focus and Symbol Type.
Video
When set to Calibrate, there will be an attempt to change Video settings (Gain and
Tracking). Video settings include Gain and Tracking.
Scan Speed
When set to Calibrate, there will be an attempt to change Scan Speed. If a better read
rate at a different speed is found, the new speed will be the calibration result for Scan Speed.
Laser Power
When set to Calibrate, there will be an attempt to change Laser Power. If a better read
rate at a higher power is found, or if the same read rate at a lower power is found, the new
power level will be the calibration result for Laser Power.

5-128 QX-870 Industrial Raster Scanner User’s Manual
I/O Parameters
Laser Framing
When set to Calibrate, there will be an attempt to frame the symbol automatically. Framing
is based on symbol readability. The frame line will be decreased until a drop in read performance
is detected. Once the line length is found then a small margin is added to account for variation.
Symbol Type
When set to Calibrate, all supported symbologies (except PDF417 and Pharmacode) will
be attempted during calibration. Symbol lengths are not detected. Any new symbologies
successfully decoded during calibration will remain enabled at the end of the process. All
enabled symbologies will remain enabled.
For example, assume that only Code 39 is enabled at the beginning of calibration. If a
Code 128 symbol is read during calibration, then Code 128 as well as Code 39 will be
enabled at the end of calibration.

QX-870 Industrial Raster Scanner User’s Manual 5-129
Scanner Parameters
Database Identifier Output
Useful in tracking which database entries read which symbols.
Database Identifier Output Status
Disabled
When this command is disabled, no database identifier information will be output.
Enabled
When this command is enabled, the scanner will append a two-digit number and the
characters “DB” to the data output following the separator for each symbol decoded using
Configuration Database. For example, if the separator is an underscore character and
the second database entry reads a symbol encoded with “data capture” during the read
cycle, the symbol data output will be “data capture_DB02”. If the database is not active,
no identifiers will be attached to output.
Separator Character
The separator character separates the symbol data from the database identifier.

5-130 QX-870 Industrial Raster Scanner User’s Manual
I/O Parameters
Input 1
Input Mode
Determines the function of the Input pin.
Disabled
When set to Disabled, the Input pin has no impact on operation.
Reset Counts
When set to Reset Counts, a transition to the active state of the Input will cause the
scanner to reset the internal counters.
Unlatch Output
This setting is used in combination with any of the three outputs in Latch Mode 1 (Unlatch
Input # 1 Pin). A transition to the active state will clear any of the three outputs that were
previously latched.
Active State
Active Open
Input function is activated when input state is de-energized.
Active Closed
Input function is activated when input state is energized.

QX-870 Industrial Raster Scanner User’s Manual 5-131
Scanner Parameters
Output 1 Parameters
Output On
Output On provides discrete signalling to host software to control external devices such
as PLCs and relays. It is useful for routing, sorting, and to prevent mis-packaging and
mis-routing.
Sets the discrete output functions for specific user-selected conditions. Allows the user to
set the conditions under which an output (or outputs) will be activated.
Note: If Output On is set to Match or Mismatch, a transition (switching) will not occur
unless Matchcode Type is enabled and a master symbol is loaded into memory.
Mismatch or No Read
Activates discrete output when the data does not match that of the master symbol or the
symbol has not been decoded before the end of the read cycle.
Good Read / Match
Activates a discrete output when the symbol data matches the master symbol.
Note: To output on Good Read when Matchcode is not enabled, enable any output for
Match.
Mismatch
Activates a discrete output whenever the symbol data does not match that of the master
symbol.
No Read
Activates a discrete output whenever the symbol data is not decoded before the end of the
read cycle.
Trend Analysis
Typically used when successful decodes are occurring but a discrete output is needed to
flag a trend in quality issues.
Activates discrete output when a trend analysis condition is met, depending on the trend
analysis option enabled.

5-132 QX-870 Industrial Raster Scanner User’s Manual
I/O Parameters
Diagnostic Warning
Typically used when a discrete indication of a diagnostic condition is needed.
Activates discrete output when a diagnostic warning condition is met, depending on the
diagnostic option enabled.
In Read Cycle
Activates a discrete output when the scanner is in a read cycle.
Read Cycle Data Valid
Activates discrete output when all the data generated in the read cycle has left the scanner.

QX-870 Industrial Raster Scanner User’s Manual 5-133
Scanner Parameters
Output State
Sets the active electrical state of the discrete output.
Pulse Width
Sets the time in 10 ms increments that the discrete output remains active.

5-134 QX-870 Industrial Raster Scanner User’s Manual
I/O Parameters
Output Mode
Sets the condition in which the discrete output is de-activated.
Pulse
This is the default mode of operation in which the programmable output is activated when
the Output On condition has been met and held active for the duration of the selected
pulse width.
Latch Mode 1 (Unlatch Input # 1 Pin)
The programmable output is activated when the Output On condition has been met and
held active until the Input # 1 Pin transitions.
Note: Input 1 must be set to Unlatch Output for Latch Mode 1 to function.
If the Output Condition is set to Read Cycle Data Valid, then the read cycle will wait for
Input 1 to unlatch the output before continuing on. This is to provide system handshake
ability despite communication channel. The read cycle data must leave all channels before
Read Cycle Data Valid will output.
Latch Mode 2 (Unlatch Opposite Condition)
The programmable output is activated when the Output On condition has been met and
held active until the opposite condition selected under Output On has been met.
For example, if No Read is enabled under Output On, the programmable output will go
active on a No Read and remain active until the opposite condition, a good read, occurs.
If the Output Condition is set to Read Cycle Data Valid, then the read cycle will continue
but every new Read Cycle Data Valid event causes the output to change state to the
opposite condition. This provides a toggle event per every read cycle output. The only
known outout state will be the on a power-on or reset. After reading begins, the state
becomes undetermined. Only the state change itself has meaning—not the absolute value.

QX-870 Industrial Raster Scanner User’s Manual 5-135
Scanner Parameters
Latch Mode 3 (Unlatch Re-enter Read Cycle)
The programmable output is activated when the Output On condition has been met and
held active until a new read cycle begins.
Note: All of the Output On modes are inhibited when any Diagnostic Warning is active
for Output 1.
Trend Analysis
Note: Output On
under
Output 1 Parameters
must be set to
Trend Analysis
for this output
to function.
Under Output 1 Parameters, expand the Trend Analysis tree.
Useful in cases where the user doesn’t want to shut down for one condition but wants to
monitor quality and read conditions.
Applies Trend Analysis settings to Output 1.
With Trend Analysis, the user can track the occurrences and frequency of mismatches,
No Reads, and the number of reads per trigger, and output the results to any of three outputs.
Trend Analysis Mode = No Read
Trigger Evaluation Period = 25 triggers (read cycles)
Number to Output On = 4
In this example, the scanner will activate an output when 4 No Reads occur within a period
of 25 triggers (read cycles).

5-136 QX-870 Industrial Raster Scanner User’s Manual
I/O Parameters
Trend Analysis Mode
Sets the trend condition (Mismatch, No Read, Decodes per Trigger, Bad Symbol, or No
Symbol) that will activate the output.
Mismatch
Output will be activated when the number of mismatches equals the value entered for
Number to Output On within the trigger window selected in Number of Triggers.
No Read
Output will be activated when the number of No Reads equals the value entered for
Number to Output On within the trigger window selected in Number of Triggers.
Decodes per Trigger
Output will be activated when the number of decodes equals the value entered for Number
to Output On within the trigger window selected in Number of Triggers.
Bad Symbol
Output will be activated when the number of Bad Symbol occurrences equals the value
entered for Number to Output On within the trigger window selected in Number of
Triggers.
No Symbol
Output will be activated when the number of No Symbol occurrences equals the value
entered for Number to Output On within the trigger window selected in Number of
Triggers.

QX-870 Industrial Raster Scanner User’s Manual 5-137
Scanner Parameters
Number of Triggers
The number of triggers to examine for the trend analysis condition.
Number to Output On
Example: If Number to Output On is set to 3 and Trend Analysis Mode is set to No
Read, then the output will not be activated until 3 No Reads have occurred.
Sets the number of Trend Analysis Mode events (mismatches, No Reads, or reads/trigger
as configured by Trend Analysis Mode) to occur within the trigger evaluation period
before activating the associated output.

5-138 QX-870 Industrial Raster Scanner User’s Manual
I/O Parameters
Decodes per Trigger
When set to this mode, and when the appropriate output is set to output on trend analysis,
the scanner will function in a Decodes per Trigger mode during
the read cycle and the
trend analysis operation. Output will be activated
based on whether or not the symbol
decode count at the end of the read cycle crosses the decodes per trigger threshold.
Note: Although this setup causes the scanner to function in a Decodes per Trigger
mode, the decode count will only be appended to the symbol data if the status of the
Decodes per Trigger command is enabled.

QX-870 Industrial Raster Scanner User’s Manual 5-139
Scanner Parameters
Diagnostics
Note: Output On under Output 1 Parameters must be set to Diagnostic Warning for
this output to function.
Under Output 1 Parameters, expand the Diagnostics tree.
When Diagnostic Warning is enabled, the Output On configuration has no effect. The
output will remain active as long as one of the diagnostic warning conditions is met. The
output will become inactive once it detects that there are no diagnostic warning conditions.
High Temperature
Activates output when the temperature exceeds factory-defined upper limits.

5-140 QX-870 Industrial Raster Scanner User’s Manual
I/O Parameters
Service Unit
Allows the user to set up the output to toggle to active when the service timer has expired.
This condition will only be held for one service timer click.
Note: This feature cannot be used if the scanner is in Continuous Read.
When Service Unit is enabled, a message of up to 10 ASCII characters is sent whenever
the system detects that the service timer’s limit has been reached. The service timer is
reset at power-on, meaning that the service timer’s limit is the amount of time since last
reset. Service timer increments can be set in seconds or minutes.
Laser Current High
Activates output when the laser current exceeds factory-defined upper limits.

QX-870 Industrial Raster Scanner User’s Manual 5-141
Scanner Parameters
Laser Current Low
Activates output when the laser current drops below factory-defined lower limits.
Low Temperature
Activates output when the temperature drops below factory-defined lower limits.

5-142 QX-870 Industrial Raster Scanner User’s Manual
I/O Parameters
Output 2 Parameters
Output 2 has the same parameters and default settings as Output 1.
Output On
Output On provides discrete signalling to host software to control external devices such
as PLCs and relays. It is useful for routing, sorting, and to prevent mis-packaging and
mis-routing.
Sets the discrete output functions for specific user-selected conditions. Allows the user to
set the conditions under which an output (or outputs) will be activated.
Note: If Output On is set to Match or Mismatch, a transition (switching) will not occur
unless Matchcode Type is enabled and a master symbol is loaded into memory.

QX-870 Industrial Raster Scanner User’s Manual 5-143
Scanner Parameters
Mismatch or No Read
Activates discrete output when the data does not match that of the master symbol or the
symbol has not been decoded before the end of the read cycle.
Good Read / Match
Activates a discrete output when the symbol data matches the master symbol.
Note: To output on Good Read when Matchcode is not enabled, enable any output for
Match.
Mismatch
Activates a discrete output whenever the symbol data does not match that of the master
symbol.
No Read
Activates a discrete output whenever the symbol data is not decoded before the end of the
read cycle.
Trend Analysis
Typically used when successful decodes are occurring but a discrete output is needed to
flag a trend in quality issues.
Activates discrete output when a trend analysis condition is met, depending on the trend
analysis option enabled.
Diagnostic Warning
Typically used when a discrete indication of a diagnostic condition is needed.
Activates discrete output when a diagnostic warning condition is met, depending on the
diagnostic option enabled.
In Read Cycle
Activates a discrete output when the scanner is in a read cycle.
Read Cycle Data Valid
Activates discrete output when all the data generated in the read cycle has left the scanner.

5-144 QX-870 Industrial Raster Scanner User’s Manual
I/O Parameters
Output State
Sets the active electrical state of the discrete output.
Pulse Width
Sets the time in 10 ms increments that the discrete output remains active.

QX-870 Industrial Raster Scanner User’s Manual 5-145
Scanner Parameters
Output Mode
Sets the condition in which the discrete output is de-activated.
Pulse
This is the default mode of operation in which the programmable output is activated when
the Output On condition has been met and held active for the duration of the selected
pulse width.
Latch Mode 1 (Unlatch Input # 1 Pin)
The programmable output is activated when the Output On condition has been met and
held active until the Input # 1 Pin.
Note: Input 1 must be set to Unlatch Output for Latch Mode 1 to function.
If the Output Condition is set to Read Cycle Data Valid, then the read cycle will wait for
Input 1 to unlatch the output before continuing on. This is to provide system handshake
ability despite communication channel. The read cycle data must leave all channels before
Read Cycle Data Valid will output.
Latch Mode 2 (Unlatch Opposite Condition)
The programmable output is activated when the Output On condition has been met and
held active until the opposite condition selected under Output On has been met.
For example, if No Read is enabled under Output On, the programmable output will go
active on a No Read and remain active until the opposite condition, a good read, occurs.
If the Output Condition is set to Read Cycle Data Valid, then the read cycle will continue
but every new Read Cycle Data Valid event causes the output to change state to the
opposite condition. This provides a toggle event per every read cycle output. The only
known outout state will be the on a power-on or reset. After reading begins, the state
becomes undetermined. Only the state change itself has meaning—not the absolute value.

5-146 QX-870 Industrial Raster Scanner User’s Manual
I/O Parameters
Latch Mode 3 (Unlatch Re-enter Read Cycle)
The programmable output is activated when the Output On condition has been met and
held active until a new read cycle begins.
Note: All of the Output On modes are inhibited when any Diagnostic Warning is active
for Output 2.
Trend Analysis
Note: Output On under Output 2 Parameters must be set to Trend Analysis for this
output to function.
Under Output 2 Parameters, expand the Trend Analysis tree.
Useful in cases where the user doesn’t want to shut down for one condition but wants to
monitor quality and read conditions.
Applies Trend Analysis settings to Output 2.
With Trend Analysis, the user can track the occurrences and frequency of mismatches,
No Reads, and the number of reads per trigger, and output the results to any of three outputs.
Trend Analysis Mode = No Read
Trigger Evaluation Period = 25 triggers (read cycles)
Number to Output On = 4
In this example, the scanner will activate an output when 4 No Reads occur within a period
of 25 triggers (read cycles).

QX-870 Industrial Raster Scanner User’s Manual 5-147
Scanner Parameters
Trend Analysis Mode
Sets the trend condition (Mismatch, No Read, Decodes per Trigger, Bad Symbol, or No
Symbol) that will activate the output.
Mismatch
Output will be activated when the number of mismatches equals the value entered for
Number to Output On within the trigger window selected in Number of Triggers.
No Read
Output will be activated when the number of No Reads equals the value entered for
Number to Output On within the trigger window selected in Number of Triggers.
Decodes per Trigger
Output will be activated when the number of decodes equals the value entered for Number
to Output On within the trigger window selected in Number of Triggers.
Bad Symbol
Output will be activated when the number of Bad Symbol occurrences equals the value
entered for Number to Output On within the trigger window selected in Number of
Triggers.
No Symbol
Output will be activated when the number of No Symbol occurrences equals the value
entered for Number to Output On within the trigger window selected in Number of
Triggers.

5-148 QX-870 Industrial Raster Scanner User’s Manual
I/O Parameters
Number of Triggers
The number of triggers to examine for the trend analysis condition.
Number to Output On
Example: If Number to Output On is set to 3 and Trend Analysis Mode is set to No
Read, then the output will not be activated until 3 No Reads have occurred.
Sets the number of Trend Analysis Mode events (mismatches, No Reads, or reads/trigger
as configured by Trend Analysis Mode) to occur within the trigger evaluation period
before activating the associated output.

QX-870 Industrial Raster Scanner User’s Manual 5-149
Scanner Parameters
Decodes per Trigger
When set to this mode, and when the appropriate output is set to output on trend analysis,
the scanner will function in a Decodes per Trigger mode during
the read cycle and the
trend analysis operation. Output will be activated
based on whether or not the symbol
decode count at the end of the read cycle crosses the decodes per trigger threshold.
Note: Although this setup causes the scanner to function in a Decodes per Trigger
mode, the decode count will only be appended to the symbol data if the status of the
Decodes per Trigger command is enabled.

5-150 QX-870 Industrial Raster Scanner User’s Manual
I/O Parameters
Diagnostics
Note: Output On under Output 2 Parameters must be set to Diagnostic Warning for
this output to function.
Under Output 2 Parameters, expand the Diagnostics tree.
When Diagnostic Warning is enabled, the Output On configuration has no effect. The
output will remain active as long as one of the diagnostic warning conditions is met. The
output will become inactive once it detects that there are no diagnostic warning conditions.
High Temperature
Activates output when the temperature exceeds factory-defined upper limits.

QX-870 Industrial Raster Scanner User’s Manual 5-151
Scanner Parameters
Service Unit
Allows the user to set up the output to toggle to active when the service timer has expired.
This condition will only be held for one service timer click.
Note: This feature cannot be used if the scanner is in Continuous Read.
When Service Unit is enabled, a message of up to 10 ASCII characters is sent whenever
the system detects that the service timer’s limit has been reached. The service timer is
reset at power-on, meaning that the service timer’s limit is the amount of time since last
reset. Service timer increments can be set in seconds or minutes.
Laser Current High
Activates output when the laser current exceeds factory-defined upper limits.

5-152 QX-870 Industrial Raster Scanner User’s Manual
I/O Parameters
Laser Current Low
Activates output when the laser current drops below factory-defined lower limits.
Low Temperature
Activates output when the temperature drops below factory-defined lower limits.

QX-870 Industrial Raster Scanner User’s Manual 5-153
Scanner Parameters
Output 3 Parameters
Output 3 has the same parameters and default settings as Output 1 and Output 2.
Output On
Output On provides discrete signalling to host software to control external devices such
as PLCs and relays. It is useful for routing, sorting, and to prevent mis-packaging and
mis-routing.
Sets the discrete output functions for specific user-selected conditions. Allows the user to
set the conditions under which an output (or outputs) will be activated.
Note: If Output On is set to Match or Mismatch, a transition (switching) will not occur
unless Matchcode Type is enabled and a master symbol is loaded into memory.

5-154 QX-870 Industrial Raster Scanner User’s Manual
I/O Parameters
Mismatch or No Read
Activates discrete output when the data does not match that of the master symbol or the
symbol has not been decoded before the end of the read cycle.
Good Read / Match
Activates a discrete output when the symbol data matches the master symbol.
Note: To output on Good Read when Matchcode is not enabled, enable any output for
Match.
Mismatch
Activates a discrete output whenever the symbol data does not match that of the master
symbol.
No Read
Activates a discrete output whenever the symbol data is not decoded before the end of the
read cycle.
Trend Analysis
Typically used when successful decodes are occurring but a discrete output is needed to
flag a trend in quality issues.
Activates discrete output when a trend analysis condition is met, depending on the trend
analysis option enabled.
Diagnostic Warning
Typically used when a discrete indication of a diagnostic condition is needed.
Activates discrete output when a diagnostic warning condition is met, depending on the
diagnostic option enabled.
In Read Cycle
Activates a discrete output when the scanner is in a read cycle.
Read Cycle Data Valid
Activates discrete output when all the data generated in the read cycle has left the scanner.

QX-870 Industrial Raster Scanner User’s Manual 5-155
Scanner Parameters
Output State
Sets the active electrical state of the discrete output.
Pulse Width
Sets the time in 10 ms increments that the discrete output remains active.

5-156 QX-870 Industrial Raster Scanner User’s Manual
I/O Parameters
Output Mode
Sets the condition in which the discrete output is de-activated.
Pulse
This is the default mode of operation in which the programmable output is activated when
the Output On condition has been met and held active for the duration of the selected
pulse width.
Latch Mode 1 (Unlatch Input # 1 Pin)
The programmable output is activated when the Output On condition has been met and
held active until the Input # 1 Pin.
Note: Input 1 must be set to Unlatch Output for Latch Mode 1 to function.
If the Output Condition is set to Read Cycle Data Valid, then the read cycle will wait for
Input 1 to unlatch the output before continuing on. This is to provide system handshake
ability despite communication channel. The read cycle data must leave all channels before
Read Cycle Data Valid will output.
Latch Mode 2 (Unlatch Opposite Condition)
The programmable output is activated when the Output On condition has been met and
held active until the opposite condition selected under Output On has been met.
For example, if No Read is enabled under Output On, the programmable output will go
active on a No Read and remain active until the opposite condition, a good read, occurs.
If the Output Condition is set to Read Cycle Data Valid, then the read cycle will continue
but every new Read Cycle Data Valid event causes the output to change state to the
opposite condition. This provides a toggle event per every read cycle output. The only
known outout state will be the on a power-on or reset. After reading begins, the state
becomes undetermined. Only the state change itself has meaning—not the absolute value.

QX-870 Industrial Raster Scanner User’s Manual 5-157
Scanner Parameters
Latch Mode 3 (Unlatch Re-enter Read Cycle)
The programmable output is activated when the Output On condition has been met and
held active until a new read cycle begins.
Note: All of the Output On modes are inhibited when any Diagnostic Warning is active
for Output 3.
Trend Analysis
Note: Output On under Output 3 Parameters must be set to Trend Analysis for this
output to function.
Under Output 3 Parameters, expand the Trend Analysis tree.
Useful in cases where the user doesn’t want to shut down for one condition but wants to
monitor quality and read conditions.
Applies Trend Analysis settings to Output 3.
With Trend Analysis, the user can track the occurrences and frequency of mismatches,
No Reads, and the number of reads per trigger, and output the results to any of three outputs.
Trend Analysis Mode = No Read
Trigger Evaluation Period = 25 triggers (read cycles)
Number to Output On = 4
In this example, the scanner will activate an output when 4 No Reads occur within a period
of 25 triggers (read cycles).

5-158 QX-870 Industrial Raster Scanner User’s Manual
I/O Parameters
Trend Analysis Mode
Sets the trend condition (Mismatch, No Read, Decodes per Trigger, Bad Symbol, or No
Symbol) that will activate the output.
Mismatch
Output will be activated when the number of mismatches equals the value entered for
Number to Output On within the trigger window selected in Number of Triggers.
No Read
Output will be activated when the number of No Reads equals the value entered for
Number to Output On within the trigger window selected in Number of Triggers.
Decodes per Trigger
Output will be activated when the number of decodes equals the value entered for Number
to Output On within the trigger window selected in Number of Triggers.
Bad Symbol
Output will be activated when the number of Bad Symbol occurrences equals the value
entered for Number to Output On within the trigger window selected in Number of
Triggers.
No Symbol
Output will be activated when the number of No Symbol occurrences equals the value
entered for Number to Output On within the trigger window selected in Number of
Triggers.

QX-870 Industrial Raster Scanner User’s Manual 5-159
Scanner Parameters
Number of Triggers
The number of triggers to examine for the trend analysis condition.
Number to Output On
Example: If Number to Output On is set to 3 and Trend Analysis Mode is set to No
Read, then the output will not be activated until 3 No Reads have occurred.
Sets the number of Trend Analysis Mode events (mismatches, No Reads, or reads/trigger
as configured by Trend Analysis Mode) to occur within the trigger evaluation period
before activating the associated output.

5-160 QX-870 Industrial Raster Scanner User’s Manual
I/O Parameters
Decodes per Trigger
When set to this mode, and when the appropriate output is set to output on trend analysis,
the scanner will function in a Decodes per Trigger mode during
the read cycle and the
trend analysis operation. Output will be activated
based on whether or not the symbol
decode count at the end of the read cycle crosses the decodes per trigger threshold.
Note: Although this setup causes the scanner to function in a Decodes per Trigger
mode, the decode count will only be appended to the symbol data if the status of the
Decodes per Trigger command is enabled.

QX-870 Industrial Raster Scanner User’s Manual 5-161
Scanner Parameters
Diagnostics
Note: Output On under Output 3 Parameters must be set to Diagnostic Warning for
this output to function.
Under Output 3 Parameters, expand the Diagnostics tree.
When Diagnostic Warning is enabled, the Output On configuration has no effect. The
output will remain active as long as one of the diagnostic warning conditions is met. The
output will become inactive once it detects that there are no diagnostic warning conditions.
High Temperature
Activates output when the temperature exceeds factory-defined upper limits.

5-162 QX-870 Industrial Raster Scanner User’s Manual
I/O Parameters
Service Unit
Allows the user to set up the output to toggle to active when the service timer has expired.
This condition will only be held for one service timer click.
Note: This feature cannot be used if the scanner is in Continuous Read.
When Service Unit is enabled, a message of up to 10 ASCII characters is sent whenever
the system detects that the service timer’s limit has been reached. The service timer is
reset at power-on, meaning that the service timer’s limit is the amount of time since last
reset. Service timer increments can be set in seconds or minutes.

QX-870 Industrial Raster Scanner User’s Manual 5-163
Scanner Parameters
Laser Current High
Activates output when the laser current exceeds factory-defined upper limits.
Laser Current Low
Activates output when the laser current drops below factory-defined lower limits.

5-164 QX-870 Industrial Raster Scanner User’s Manual
I/O Parameters
Low Temperature
Activates output when the temperature drops below factory-defined lower limits.

QX-870 Industrial Raster Scanner User’s Manual 5-165
Scanner Parameters
Quality Output
Quality Output Separator
The separator character separates quality output data from symbol data.
Decodes per Trigger Status
When Enabled, the scanner enters a state where it processes frames as configured
until
the end of a read cycle, with or without a successful
symbol decode. When the read cycle
ends, the scanner outputs any decoded symbol data along with the decodes per trigger count.
Decode Direction Output
When Enabled, compares the symbol decode direction to the direction specified in Output
Filter Configuration.

5-166 QX-870 Industrial Raster Scanner User’s Manual
I/O Parameters
Symbol Position Output
Raster Status
Scan Status
When Enabled, the location of the symbol within the scan line is appended to the symbol
data output. The scan position is formatted with a leading identifier of “SP” plus two
zero-padded three digit numbers (corresponding to the first and last bar of the symbol for
most symbologies), separated by a colon. The scan position values correspond to the
configurable Laser On/Off position values in the Laser Setup command.
Example: Assume a symbol with the data “HELLO” is read when its first bar is at 25% of
the scan width and its last bar is at 85% of the scan width. The data output would be
HELLO SP025:085, assuming that no other outputs or formatting were enabled.
Separator
This character separates all other symbol information from the Scan Status data field.

QX-870 Industrial Raster Scanner User’s Manual 5-167
Scanner Parameters
Matchcode
Note: Matchcode settings can also be sent to the scanner from ESP’s Terminal using
Microscan’s K command format. Refer to the Matchcode section of Appendix D.
To open nested options,
single-click the +.To change a setting, double-click
the setting and use the cursor to
scroll through the options.
Click the App Mode button and then the Parameters button to display
the tree control tabs.
Then click the Matchcode tab to display the Matchcode tree control.
The * indicates
that the setting
is the default.

5-168 QX-870 Industrial Raster Scanner User’s Manual
Matchcode
Overview of Matchcode
Matchcode allows the user to store master symbol data in the scanner’s memory, compare
that data against other symbol data, and define how symbol data and/or discrete signal
output will be directed.
A master symbol database can be set up for up to 10 master symbols.
Note: Matchcode will function with multiple symbols; however, if Matchcode Type is set
to Sequential or if Trigger Mode is set to Continuous Read 1 Output, the scanner
will
behave as if
Number of Symbols
were set to
1
, regardless of the user-defined configuration.
Matchcode is used in applications to sort, route, or verify data based on matching the
specific symbol in a variety of ways as defined in this section. For example, a manufacturer
might sort a product based on dates that are embedded in the symbol.
Steps for Entering and Using Master Symbols
1. Set Trigger Mode to External Level, External Edge, or Serial Data.
2. Choose the method of symbol comparison that fits the application.
3. Define the type of output required with Matchcode setup:
a. Symbol data output
b. Discrete output
4. Select the number of master symbols required.
5. Decide how the master symbol(s) will be entered:
a. Use ESP to type master symbol data directly.
b. Send a serial command with symbol data in the form of
<M231,master symbol#, data>
.
c. Send a <G> (Read Next Symbol as Master Symbol) command.
d. Enable the New Master Pin command and activate the discrete input to store the
next symbol read as the master symbol.

QX-870 Industrial Raster Scanner User’s Manual 5-169
Scanner Parameters
Matchcode Type
Allows the user to choose the way that master symbols will be compared with subsequently
read symbols.
Note: First set Trigger Mode to External Level, External Edge, or Serial Data.
Sequential
Instructs the scanner to compare symbols or portions of symbols with the master symbol.
Instructs the scanner to sequence after each match (numeric only) and compare symbols
or portions of symbols for sequential numbers.
Wild Card
Allows the user to enter user-defined wild card characters in the master symbol.
Note: If Matchcode Type is set to Sequential, the scanner will behave as if Number of
Symbols were set to 1, regardless of the user-defined configuration.
Sequential Matching
Useful in tracking product serial numbers that increment or decrement sequentially.
With Sequential enabled, Sequential Matching determines if a count is in ascending
(incremental) or descending (decremental) order.

5-170 QX-870 Industrial Raster Scanner User’s Manual
Matchcode
Match Start Position
Match Start Position is useful in defining specific portions of a symbol
for comparison. For
example, if a symbol contains a part number, manufacturing
date, and lot code info, but only the
part number information is needed, set the scanner to sort only the part number and to
ignore the other characters.
Match Start Position determines the portions of symbols that will be matched by defining
the first character in the symbol (from left to right) that will be compared with those of the
master symbol, when Matchcode Type is set to Enabled or Sequential.
For example, if Match Start Position is set to 3, the first 2 characters read in the symbol
will be ignored and only the 3rd and subsequent characters to the right will be compared,
up to the number of characters specified by Match Length.
Note: Match Start Position must be set to 1 or greater to enable this feature. A 0 setting
will disable this feature.
Match Length
Example: If Match Length is set to 6 in a 10-character symbol, and Match Start Position
is set to 2, only the 2nd through 7th characters (from left to right) will be compared.
Defines the length of the character string that will be compared with that of the master
symbol when Match Start Position is set to 1 or greater. When Match Start Position is
set to 0, no comparison will occur.

QX-870 Industrial Raster Scanner User’s Manual 5-171
Scanner Parameters
Wild Card
Example: With Wild Card Character defined as the default asterisk, defining CR*34 as
the master symbol will result in matches for CR134 and CR234, but not CR2345. Entering
the wild card at the end of the master symbol, as in CR*, will result in matches for variable
symbol lengths such as CR1, CR23, CR358, etc.
Wild Card Character allows a user to define a wild card character as part of the master symbol.

5-172 QX-870 Industrial Raster Scanner User’s Manual
Matchcode
Sequence on No Read
Sequence on No Read is useful when the scanner needs to stay in sequence even if no
decode occurs.
When Sequence on No Read is Enabled and Matchcode Type is set to Sequential,
the scanner sequences the master symbol on every match or No Read. When disabled, it
does not sequence on a No Read.
Consider the following decodes as an example of Sequence on No Read Enabled:
Consider the following decodes as an example of Sequence on No Read Disabled:
Master Symbol Decoded Symbol Master Symbol after Decode
001 001 002
002 002 003
003 No Read 004 (sequence on No Read)
004 004 005
005 No Read 006 (sequence on No Read)
006 No Read 007 (sequence on No Read)
007 007 008
Master Symbol Decoded Symbol Master Symbol after Decode
001 001 002
002 002 003
003 No Read 003 (not sequenced)
003 003 004
004 No Read 004 (not sequenced)
004 No Read 004 (not sequenced)
004 004 005

QX-870 Industrial Raster Scanner User’s Manual 5-173
Scanner Parameters
Sequence on Mismatch
Note: Matchcode Type must be set to Sequential for this command to function.
Enable this parameter if every trigger event should have a decode and more than one
consecutive mismatch may occur. When set to Enabled, the master symbol sequences on
every decode, match, or mismatch.
Disable this parameter if every trigger event should have a decode but no more than one
consecutive mismatch may occur. When set to Disabled, the master symbol will not
sequence whenever consecutive mismatches occur.
The scanner will sequence the master to one more or one less than the decoded symbol.
Consider the following decodes as an example of Sequence on Mismatch Enabled:
Consider the following decodes as an example of Sequence on Mismatch Disabled:
Master Symbol Decoded Symbol Master Symbol after Decode
001 001 002
002 002 003
003 abc 004 (sequence on mismatch)
004 004 005
005 def 006 (sequence on mismatch)
006 ghi 007 (sequence on mismatch)
007 007 008
Master Symbol Decoded Symbol Master Symbol after Decode
001 001 002
002 002 003
003 abc 004 (sequenced because of previous match)
004 004 005
005 def 006 (sequenced because of previous match)
006 ghi 006 (not sequenced)
006 006 007

5-174 QX-870 Industrial Raster Scanner User’s Manual
Matchcode
Sequence Step
When the master symbol is sequenced (incremented/decremented), Sequence Step
defines the magnitude of change.
New Master Pin
If Matchcode and New Master Pin are enabled and the new master pin is momentarily
connected to ground (must be held low for a minimum of 10 ms), master symbol information
will be loaded into the database based on the next read cycle that achieves a Good Read,
starting with Index 1. The Master Database will be loaded with all symbols decoded in the
read cycle as long as it does not exceed the Master Symbol Database Size parameter.
New Master Load Status
The new master status responds with the number of the next master position to be loaded,
where 0 represents “idle” or “no master to be loaded.”
Example: If the user has the Master Symbol Database Size set to 1, and then either
sends a <G> or toggles an active New Master Pin, the state will be 1, and prior to reading
and effectively loading position 1, the response to <NEWM> would be <NEWM/1>. Once a
symbol has been read and loaded, the status will be cleared: <NEWM/0>.

QX-870 Industrial Raster Scanner User’s Manual 5-175
Scanner Parameters
Match Replace
Provides a convenient shortcut for applications that need to output a predefined text
string whenever a symbol matches a master symbol.
Outputs a user-defined data string whenever a match occurs and Matchcode is
enabled.
Replacement String
User-defined data string that, when enabled, replaces symbol data whenever a match
occurs.
Mismatch Replace
Provides a convenient shortcut for applications that need to output a predefined text
string whenever a symbol does not match a master symbol.
Outputs a user-defined data string whenever a mismatch occurs and Matchcode is
enabled.
Replacement String
User-defined data string that, when enabled, replaces symbol data whenever a mismatch
occurs.

5-176 QX-870 Industrial Raster Scanner User’s Manual
Diagnostics
Diagnostics
Note: Matchcode settings can also be sent to the scanner from ESP’s Terminal using
Microscan’s K command format. Refer to the Diagnostics section of Appendix D.
To open nested options,
single-click the +.To change a setting, double-click
the setting and use the cursor to
scroll through the options.
Click the App Mode button and then the Parameters button to display
the tree control tabs.
Then click the Diagnostics tab to display the Diagnostics tree control.
The * indicates
that the setting
is the default.

QX-870 Industrial Raster Scanner User’s Manual 5-177
Scanner Parameters
Counts (Read-only)
Power-On
16-bit counter that increments on scanner power-on.
Used for detecting unwanted resets caused by power supply problems or ESD transients.
Returns the number of times the scanner has been re-powered or a watchdog reset
occurs.
0 to 65,535 power-ons.
Resets
16-bit counter that increments every time the scanner is reset. Value is reset on power-on.
Used for detecting unwanted resets caused by power supply problems or ESD transients.
Resets include watchdog reset, <A>, <Z>, <Zd>, and hardware defaults. A watchdog
reset is a reset that is forced whenever the software locks up.
0 to 65,535 resets.
Power-On Saves
16-bit counter that increments every time a scanner setting is saved for power-on.
Custom Default Saves
16-bit counter that increments every time a scanner setting is saved to the customer
parameter section of flash memory.

5-178 QX-870 Industrial Raster Scanner User’s Manual
Diagnostics
Hours Since Reset (Read-only)
Used as a troubleshooting tool that can help pinpoint the cause of a reset.
Records the number of hours and minutes of operation since the last system reset.
Hours
16-bit counter that increments every 60 minutes.
Range: 0 to 23 hours.
Minutes
16-bit counter that increments every 60 seconds.
Range: 0 to 59 minutes.

QX-870 Industrial Raster Scanner User’s Manual 5-179
Scanner Parameters
Laser High
When Enabled, a Laser High message is transmitted whenever the laser current exceeds
a factory-calibrated reference value which cannot be altered. The message repeats once
every 30 minutes until the condition is corrected.
Alerts the user to impending laser failure. (Contact Microscan Service.)
Status
Allows the user to Enable or Disable the Laser High message.
Message
Defines the Laser High message.

5-180 QX-870 Industrial Raster Scanner User’s Manual
Diagnostics
Laser Low
When Enabled, a Laser Low message is transmitted whenever the laser current falls
below a factory-calibrated reference value which cannot be altered. The message repeats
once every 30 minutes until the condition is corrected.
Alerts the user to impending laser failure. (Contact Microscan Service.)
Status
Allows the user to Enable or Disable the Laser Low message.
Message
Defines the Laser Low message.

QX-870 Industrial Raster Scanner User’s Manual 5-181
Scanner Parameters
High Temperature Threshold
A message can be defined that will display when a user-defined High Temperature
Threshold has been reached. The message repeats once every 30 minutes until the
condition is corrected. This value is a reference to the external ambient temperature in the
environment around the scanner.
Helps ensure that the scanner is being used within its temperature specification. Also,
since hotter environments tend to shorten the life of electronics components, a user may
want to set the temperature threshold closer to the nominal temperature of 25° F.
A user can set a temperature value that when exceeded will cause a high temperature
message to be displayed. If High Temperature Threshold is set to zero, the warning
message is disabled.
Status
Allows the user to Enable or Disable the High Temperature Threshold.
Message
The user can enter a message of up to 10-characters that will be displayed whenever
High Temperature Threshold is exceeded.

5-182 QX-870 Industrial Raster Scanner User’s Manual
Diagnostics
Low Temperature Threshold
A message can be defined that will display when a user-set Low Temperature Threshold
has been reached. The message repeats once every 30 minutes until the condition is
corrected. This value is a reference to the external ambient temperature in the environment
around the scanner.
Helps ensure that the scanner is being used within its temperature specification.
The user can set a low temperature value that, whenever the ambient temperature falls
below it, causes a low temperature message to be displayed. If Low Temperature
Threshold is set to zero, the warning message will be disabled.
Status
Allows the user to Enable or Disable the Low Temperature Threshold.
Message
The user can enter a message of up to 10-characters that will be displayed whenever the
ambient temperature falls below the Low Temperature Threshold.

QX-870 Industrial Raster Scanner User’s Manual 5-183
Scanner Parameters
Service Message
Status
When Enabled, a Service Message of up to 128 characters is sent whenever the system
detects that the service time has expired.
Service Message
Allows the user to define a service message of up to 128 characters.
Threshold
Allows the user to determine the length of time until the service message will be sent.
Resolution
The service timer has a resolution field for setting up the timer increment. Options are
increments of seconds or minutes.

5-184 QX-870 Industrial Raster Scanner User’s Manual
Diagnostics
User-Defined Name
User-Defined Name allows the user to enter any combination of ASCII characters to
identify the scanner.

QX-870 Industrial Raster Scanner User’s Manual 6-1
6
Terminal
Contents
This section describes the multiple functions of ESP’s Terminal interface.
Terminal Window.......................................................................................................................... 6-2
Find .............................................................................................................................................. 6-3
Send............................................................................................................................................. 6-4
Macros.......................................................................................................................................... 6-5
Terminal Window Menus.............................................................................................................. 6-6

6-2 QX-870 Industrial Raster Scanner User’s Manual
Terminal Window
Terminal Window
The Terminal interface allows the user to send serial commands to the scanner by using
macros, by copying and pasting, or by typing commands in the Send text field.
The Terminal also displays symbol data or information from the scanner.
Right-clicking on the Terminal screen displays a menu of additional options.
Click this button to display the Terminal view.
Click on desired
Macro to run.
Click on Macros arrow to Add Macro,
Remove Macro, or Edit Macro.
Copy, paste, save Type text here to
find matching text
in the Terminal
window.
Type serial
commands
here.
Macros listed
on this bar
Clear screen
Terminal
screen

QX-870 Industrial Raster Scanner User’s Manual 6-3
Terminal
Find
The Find function allows the user to enter text strings to be searched for in the Terminal.
For example:
1. Type “ABC” into the Find box.
2. Press Enter.
The first instance of “ABC” will be highlighted in the Terminal window.
3. Click the Find button to the left of the text field to locate additional instances of “ABC”.

6-4 QX-870 Industrial Raster Scanner User’s Manual
Send
Send
The
Send
function allows the user to enter serial commands and then send them to the scanner.
1. Type the command into the Send box.
2. Press Enter.
3. Click the Send button to the left of the text field to send the command additional times.

QX-870 Industrial Raster Scanner User’s Manual 6-5
Terminal
Macros
Macros can be stored in a macro selection bar, edited in a separate window, and executed
by clicking on the macro name.
Click a macro button to execute it in the Terminal.
If the macro is a command, it is sent to the scanner at the same time that it is displayed.
Editing a Macro
Click the arrow next to any macro and select Edit to display the following dialog:
Edit the macro value or type a new Macro Name in the text field provided and define it in
the Macro Value field. Click OK to save the entry.
Click on Next
Row to see the
next row of
macros
Click on the first arrow here to see Add
Macro or Default Macros.
When macros are defaulted, the entire
macro set is restored to the original
macro commands.
Click on subsequent
arrows to edit macros.

6-6 QX-870 Industrial Raster Scanner User’s Manual
Terminal Window Menus
Terminal Window Menus
Right-click on the Terminal window to display the following menu:
Terminal Dropdown Menu
The dropdown Terminal menu has Capture Text, Save Current Text, Send File, Find
Next, and Find Previous functions, as well as the same functions defined above.
•Copy selected text to clipboard.
•Paste from Terminal or other text.
•Clear all text in Terminal window.
•Select All text in the Terminal window.
•Save... brings up a Save As dialog.
•Change Font... of text in Terminal; brings up a Font dialog.
•Change Echo Font... to change typed text; brings up a Font
dialog.
•Enable Echo enables Echo text (typed by user).
•Change Background Color of Terminal window.
•
Non-Printable Characters
allows the user to hide non-printable
characters, or to show them in Standard or Enhanced format.
•Default Settings returns all the above settings to default.
•Keyboard Macros allows the user to create new keyboard
macro commands that can be sent from function keys (F2, F4, F5, etc.)
•Capture Text... allows the user to append data in
real time to a text file. While in operation, the text file
cannot be opened. Pause interrupts the capture flow
and Stop ends the flow and opens the file.
•Save Current Text... saves all text in the Terminal
window to a text file.
•Find Next searches for a user-defined section of text
in the Terminal.
•Find Previous operates in the same way as Find
Next, but searches backward through Terminal text.

QX-870 Industrial Raster Scanner User’s Manual 7-1
7
Utilities
Contents
This section explains the function and purpose of serial utility commands, which are
generally performed during scanner operation.
Serial Utility Commands ............................................................................................................... 7-2
Read Rate .................................................................................................................................... 7-4
Counters....................................................................................................................................... 7-6
Device Control.............................................................................................................................. 7-8
Differences from Default............................................................................................................... 7-9
Master Database ........................................................................................................................ 7-10
Digital Bar Code ......................................................................................................................... 7-16
Firmware..................................................................................................................................... 7-17
Default/Reset/Save..................................................................................................................... 7-20
Scanner Status Requests........................................................................................................... 7-22
Other Serial Utility Commands...................................................................................................7-23
Embedded Menus ...................................................................................................................... 7-28

7-2 QX-870 Industrial Raster Scanner User’s Manual
Serial Utility Commands
Serial Utility Commands
Note: For a list of all K commands, see Serial Commands on page A-10.
Type Command Name
Read Rate
<C> Enter Decodes/Second Test
<Cp> Enter Decode Percent Test
<J>
Exit Decodes/Second and Decode Percent Tests
<a1> PDF417 Information
Counters
<N> No Read Counter
<O> No Read Counter Reset
<T> Trigger Counter
<U> Trigger Counter Reset
<V> Good Read/Match Counter
<W> Good Read/Match Counter Reset
<X> Mismatch Counter
<Y> Mismatch Counter Reset
Device Control
<L1> Programmable Output 1
<L2> Programmable Output 2
<L3> Programmable Output 3
<I> Disable Scanner
<H> Enable Scanner
<G> Store Next Symbol Read to Database Index 1
Master Database
<Gn> Store Next Symbol Read to Database Index n
<NEWM> New Master Load Status
Part Number /
Checksum
<#> Display All Firmware Part Numbers
<#a> Display Application Code Part Number
<#b> Display Boot Code Part Number
<#f> Display FPGA Code Part Number
<!>
Display All Available Firmware Checksums
<!a> Display Application Code Code Checksum
<!b> Display Boot Code Checksum
<!f> Display FPGA Code Checksum
<Z> Save Current Settings for Power-On
<Zc>Save Current Settings as Customer Default
Parameters for Power-On
Default/Reset/Save <Zrc>Recall Customer Default Settings and Save for
Power-On
<Zrd>Recall Microscan Default Settings and Save for
Power-On (Will not default “sticky settings”)

QX-870 Industrial Raster Scanner User’s Manual 7-3
Utilities
<Zrdall>Recall Microscan Default Settings and Save for
Power-On (Will also default “sticky settings”)
Default/Reset/Save <A> Reset (Will not save for power-on)
<Arp> Reset and Recall Power-On Parameters
<Arc>
Reset and Recall Customer Default Parameters
<Ard>
Reset and Recall Microscan Default Parameters
Scanner Status
Request Commands
<K?> All Status Request
<K??> All Descriptor Status Request
<K?#> All Range Status Request
<Knnn?> Single Status Request
<Knnn??> Single Descriptor Status Request
<Knnn?#> Single Range Status Request
<Knnnd> Default Customer Parameter
Other Serial Utility
Commands
<@CAL> Calibrate without Menu
<@> Calibrate with Menu
<BCCFG> Enter Bar Code Configuration

7-4 QX-870 Industrial Raster Scanner User’s Manual
Read Rate
Read Rate
Important: When Read Rate is enabled, the Configuration Database is not active,
regardless of how the scanner is configured.
Click the Utilities button and then the Read Rate tab
to display the Read Rate view.
To see the number of decodes per second,
click the Decodes/sec radio button and
then the Start button.
To see the
percentage
of decodes, click
the
Percent
radio button and then the
Start
button.
To end a Read Rate test, click the Stop
button (the Start button becomes a Stop
button during an active Read Rate test.)
Read Rate information is displayed in
the lower portion of the Utilities view.
Serial commands can also be sent to
the scanner from this screen.

QX-870 Industrial Raster Scanner User’s Manual 7-5
Utilities
Read Rate Serial Utility Commands
Enter Decodes / Second Test
Sending <C> instructs the scanner to transmit the decodes per second and symbol data
(if any). The decode rate can vary dramatically due to the angle and location of the symbol
in relation to the field of view. This test is very useful in aligning and positioning the scanner
during setup.
Enter Decode Percent Test
Sending <Cp> instructs the scanner to transmit the percentage of decodes and any
decoded symbol data.
End Decodes / Second and Decode Percent Tests
Sending <J> ends both the Percent test and the Decodes/Second test.
PDF417 Information
Sending <a1> causes PDF417 data that is decoded in a triggered read cycle to be prefaced
with information about the symbol’s level of error correction (error correction level n),
number of rows (n rows), number of columns (n columns), number of informative code
words (n code words), and number of data bits (n data bits). This feature can be disabled
by sending <a1> again.

7-6 QX-870 Industrial Raster Scanner User’s Manual
Counters
Counters
Counter commands can be a numeric value from 00000 to 65535. After reaching the
maximum numeric limit of 65535, an error message will be displayed and the counter will
automatically roll over and start counting again at 00000. To obtain the cumulative total of
counts after the rollover has occurred, add 65536 per each rollover (the scanner does not
keep track of the number of rollovers) to the current count.
Note: All counter values will be lost if power is recycled to the scanner, or if the scanner
receives a Reset or Save command.
Click the Request button to display the appropriate count or Clear to set the counter to zero.
Click the Utilities button and then the Counters tab
to display the Counters view.
Trigger, Good Read, No
Read, and Mismatch
counters can be
requested and cleared
simultaneously (Request
All and Clear All buttons)
or individually (Request
and Clear buttons to the
left of each item).

QX-870 Industrial Raster Scanner User’s Manual 7-7
Utilities
Counters Serial Utility Commands
No Read Counter
Sending <N> displays the total number of No Reads that have occurred since the last
reset.
No Read Counter Reset
Sending <O> sets the No Read Counter to 00000.
Trigger Counter
Sending <T> displays the total number of triggers since the last reset.
Trigger Counter Reset
Sending <U> sets the trigger counter to 00000.
Good Read / Match Counter (or Good Read Counter)
Sending <V> displays the total number of good reads matching the master symbol, or, if
Master Symbol is not enabled, the number of good reads since the last reset. This
counter is always enabled, but will only work as a match count when Master Symbol is
enabled. If Master Symbol is not enabled, this counter records the number of good reads.
This count can be requested at any time.
Good Read / Match Counter Reset
Sending <W> sets the Match Counter to 00000.
Mismatch Counter
Sending <X> displays the number of decoded symbols since the last reset that do not
match the master symbol.
Mismatch Counter Reset
Sending <Y> sets the Mismatch Counter to zero.

7-8 QX-870 Industrial Raster Scanner User’s Manual
Device Control
Device Control
Device Control Serial Utility Commands
Output 1 Pulse
Sending <L1> activates the link between Output 1 (+) and Output 1 (–) of the host connector
(regardless of Master Symbol or Output 1 status).
Output 2 Pulse
Sending <L2> activates the link between Output 2 (+) and Output 2 (–) of the host connector
(regardless of Master Symbol or Output 2 status).
Output 3 Pulse
Sending <L3> activates the link between Output 3 (+) and Output 3 (–) of the host connector
(regardless of Master Symbol or Output 3 status).
Disable Reader
Sending <I> will turn the scanner OFF, end the current read cycle, and will not allow the
scanner to enter another read cycle until turned ON. This feature is useful during extended
periods of time when no symbols are being decoded, or the scanner is being configured.
Disabling the scanner will not affect any commands that have already been downloaded.
Enable Reader
Sending <H> will turn the scanner ON and allow it to enter read cycles.
Click the Utilities button and then the Device Control tab
to display the Device Control view.
The Output 1 Pulse, Output 2
Pulse, and Output 3 Pulse buttons
activate the link between the + and –
of the host connector. The buttons in
the Extras section can Disable or
Enable the reader, or deactivate and
reactivate the motor.

QX-870 Industrial Raster Scanner User’s Manual 7-9
Utilities
Differences from Default
Clicking the
Differences from Default
button will cause
ESP
to check all stored configuration
settings and compare them to default settings. All settings that are different than default
will appear in the left column (shown below), and descriptions of those settings will appear
in the right column.
• To create a symbol containing any of the command settings in the table, click Generate
Barcode.
• To save the Differences from Default report, either as plain text or as a tab-delimited
text file, click Save As.
• Click Send and Save to send the settings to the scanner and save them, or Send to
Reader to send the settings without saving them.
Important: To use Differences from Default, connect to the scanner and Receive
Reader Settings via the Send/Recv button on the toolbar.
Click the Utilities button and then the Differences tab
to display the Differences from Default view.
Click this button for a list of ESP
configuration settings that are
different than default settings.
Click Generate Barcode to display the
Bar Code
Dialog
. Then create configuration
symbols containing
the required configuration commands.
Send configuration settings to
the scanner without saving by
clicking Send to Reader.
Click Save As to save the
report as plain text or a
tab-delimited text file.
Send configuration settings to the
scanner and save in ESP by
clicking
Send and Save
.

7-10 QX-870 Industrial Raster Scanner User’s Manual
Master Database
Master Database
Important: The Master Database is used for all Matchcode modes except Sequential
and Wild Card, both of which use Master Database Index # 1.
Master Database Overview
Used where more than one master symbol is required, as in a Multisymbol setup, for
matching and other Matchcode operations.
Allows the user to define up to 10 master symbols as the master symbol database, which
can be entered by keyboard, scanned in, displayed, or deleted by serial or ESP commands.
1. Click the Master Database tab.
2. Enable Matchcode Type.
3. Set the Master Symbol Database Size.
4. Select the database index in which the master symbol will be entered.
5. Do one of the following to enter master symbol data:
a. Double-click the index row to type data directly into the index.
b. Click the Read Symbol into Selected Index to enter the next decoded symbol.
Click the Utilities button and then the Master Database tab
to display the Master Database view.
Set Master Symbol
Database Size here.
Loads the scanner’s saved
master symbols into ESP.
Double-click a row to enter data into popup text box.
Loads the next symbol decoded
into the selected index.
Saves the
database to
the scanner.

QX-870 Industrial Raster Scanner User’s Manual 7-11
Utilities
Master Symbol Database Size
Master Symbol Database Size allows the user to select 1 to 10 master symbols for the
master symbol database.
Important: Since the total number of characters available for the master symbol database
is 3000, changes to the Master Symbol Database Size will re-allocate the number of
characters available for each master symbol and could cause existing master symbols to
be deleted (except master symbol #1, unless it also exceeds the size limitation).
The table below specifies the maximum number of characters available to each symbol
according the number of master symbols defined, from 1 to 10.
Master Symbol
Number Maximum
Characters
# 1 3000
# 2 1500
# 3 1000
# 4 750
# 5 600
# 6 500
# 7 428
# 8 375
# 9 333
# 10 300
Set Master Symbol
Database Size here.

7-12 QX-870 Industrial Raster Scanner User’s Manual
Master Database
Enter Master Symbol Data
Allows the user to enter master symbol data for any enabled master symbol index number
(1 to 10), provided the total number of characters does not exceed the maximum allowed.
Enter data for 1 to 10 master symbols.
Caution: If no data is entered, the existing data will be deleted.
1. Open the Utilities menu.
2. Set the number of master symbols to be created in Master Symbol Database Size.
3. Double-click on each master symbol number in the table, type master symbol data in
the popup dialog that appears, and click OK.
4. When all master symbol data has been entered, click the Send Database to the
Reader button.
Enter master symbol data in this field.

QX-870 Industrial Raster Scanner User’s Manual 7-13
Utilities
Request Master Symbol Data
Returns master symbol data for any enabled master symbols from 1 to 10.
1. Click the Utilities button and the Master Database tab.
2. Click the Receive Reader’s Database button.
Read Next Symbol as Master Symbol
After the size of the database is set, the scanner can read the next symbol as the master
symbol for any given master symbol number.
<Gmaster symbol number>
To store the next symbol decoded as master symbol # 1, send:
<G> or <G1>.
To store the next symbol decoded as the master symbol for any other master symbol
database number, send:
<Gmaster symbol number [1-10]>.
For example, <G5> will cause the next symbol read to be entered as master symbol # 5.
In the Master Database tab,
1. Select the master symbol index number in which new symbol data will be stored.
2. Click the Read Symbol into Selected Index button.
Caution: If an index with existing data is selected, that data will be overwritten by the
new decoded data when this command is used.

7-14 QX-870 Industrial Raster Scanner User’s Manual
Master Database
Request New Master Status
Informs the user when a new master symbol is pending and which position it is in.
Returns the position in the master symbol database that will be loaded on the next read.
Send the <NEWM> command from ESP’s Terminal.
The scanner returns: <NEWM/next master to load>
Once a symbol has been read and loaded, the status will be cleared and the response will
be <NEWM/0>.

QX-870 Industrial Raster Scanner User’s Manual 7-15
Utilities
Delete Master Symbol Data
Master symbol data can be deleted using ESP.
1. Click the Utilities button to access the master symbol.
2. Click the Master Database tab and double-click the symbol number to be deleted.
3. Delete text and click OK.

7-16 QX-870 Industrial Raster Scanner User’s Manual
Digital Bar Code
Digital Bar Code
Click the Digital Bar Code tab and the Start button to view a digitized representation of
the symbol in front of the scanner.
This routine is useful for conveying a sense of the symbol’s readability and graphically
indicating bad or unreadable portions of symbols or extraneous “noise”. A green waveform
indicates a decoded symbol; a red waveform indicates an undecoded symbol or other object.
The red triangles represent the width of the scan beam relative to the symbol. The upward
pointing arrows indicate the symbol’s quiet zone.
Zoom In / Zoom Out
Increase the zoom level by sliding the Zoom lever to the right. It may be necessary to
scroll right or left to view the symbol’s waveform in its entirety.
Click the Utilities button and then the Digital Bar Code tab
to display the Digital Bar Code view.

QX-870 Industrial Raster Scanner User’s Manual 7-17
Utilities
Firmware
Firmware Update
Firmware Update is used to download application code to the scanner. Application code
versions are specific to the scanner. Consult with a sales representative before downloading
application code. If needed, application/boot code in the form of a *.mot file can be
requested.
To download application code:
1. First, be sure that the scanner is connected to the host computer.
2. Apply power to the scanner.
3. In the Firmware Update dropdown menu, select App Code. This will open a dialog
that allows the user to browse for the application code file.
4. Navigate to where the application code file (a
*.mot
file) is located on the host computer.
5. Allow approximately a minute for firmware to download.
As the application code begins to download, the scanner will be silent, the LEDs will
flash intermittently, and a progress indicator at the bottom of the ESP window will
show when the download is complete.
Caution: Do not interrupt power or disconnect the host cable while download is in progress.
Click the Utilities button and then the Firmware tab
to display the Firmware view.

7-18 QX-870 Industrial Raster Scanner User’s Manual
Firmware
Firmware Verification
Request Part Number
Send a request to the scanner for application code, boot code, or FPGA code part numbers.
1. Click the Firmware tab.
2. Select App Code, Boot Code, or FPGA Code from the dropdown menu to the left of
the Request Part No. button.
3. Click the Request Part No. button to see the part number displayed in the text field
to the right.
Request Part Number by Serial Command
• When <#> (a request for all product part numbers) is sent, the scanner returns:
<#b/BOOT_P/N><#a/APP_P/N><#p/PROFILE_P/N>.
• When <#a> (a request for the application code part number) is sent, the scanner returns:
<#a/APP_P/N>.
• When <#b> (a request for the boot code part number) is sent, the scanner returns:
<#b/BOOT_P/N>.
• When <#f> (a request for the FPGA code part number) is sent, the scanner returns:
<#f/FPGA_P/N>.

QX-870 Industrial Raster Scanner User’s Manual 7-19
Utilities
Request Checksum
Send a request to the scanner for application code, boot code, or FPGA code checksums.
1. Click the Firmware tab.
2. Select App Code, Boot Code, or FPGA Code from the dropdown menu to the left of
the Request Checksum button.
3. Click the Request Checksum button to see the part number displayed in the text
field to the right.
Request Checksum by Serial Command
• When <!> (a request for all available firmware checksums) is sent, the scanner returns:
<!b/BOOT_CHECKSUM><!a/APP_CHECKSUM><!p/PROFILE_CHECKSUM>
• When <!a> (a request for the application code checksum) is sent, the scanner returns:
<!a/APP_CHECKSUM>
• When <!b> (a request for the boot code checksum) is sent, the scanner returns:
<!b/BOOT_CHECKSUM>
• When <!f> (a request for the FPGA code checksum) is sent, the scanner returns:
<!f/FPGA_CHECKSUM>

7-20 QX-870 Industrial Raster Scanner User’s Manual
Default / Reset / Save
Default / Reset / Save
Understanding and controlling the scanner’s active, saved, and default settings is critical
to its successful operation.
Resets
Resets (“A” commands) affect only the current settings (active memory) and are not saved
for power-on.
Saved for Power-on
Power-on parameters (“Z” commands) are saved to NOVRAM and recalled and loaded
into current parameters when power is cycled to the scanner or the <Arp> command is
issued.
Defaults
Defaults are Microscan firmware settings or saved customer settings that can be recalled,
either by software or hardware reset.
Function Serial
Cmd ESPa
a. When right-clicking in a tree control to select Default Current Menu Settings or Default All ESP
Settings, it is important to note that only ESP settings are defaulted. To save these defaults to the
scanner itself, follow up with a Save to Reader, Send and Save command.
EZ Button
Resets
(not saved
for power-on)
Reset (Will not save for power-on) <A>Save to Reader,
Send No Save No
Reset and Recall Power-On Parameters
<Arp> Send <Arp> from Terminal No
Reset and Recall Customer Default
Parameters <Arc> Send <Arc> from Terminal No
Reset and Recall Microscan Default
Parameters <Ard> Send <Ard> from Terminal No
Saved for Power-on
Save Current Settings for Power-On <Z>Save to Reader,
Send and Save No
Save Current Settings as Customer
Default Parameters for Power-On <Zc>Save to Reader,
Send and Save Customer
Defaults for Power-Onb
b. Only available in ESP if enabled in
Preferences
(
General
tab), accessible from the Options dropdown menu.
No
Recall Customer Default Settings
and Save for Power-On <Zrc> Send <Zrc> from Terminal
Press and
hold while
powering
on scanner
Recall Microscan Default Settings
and Save for Power-On (Will not
default “sticky settings”) <Zrd> Send <Zrd> from Terminal No
Recall Microscan Default Settings
and Save for Power-On (Will also
default “sticky settings”) <Zrdall>
Send <
Zrdall
> from Terminal
No

QX-870 Industrial Raster Scanner User’s Manual 7-21
Utilities
Customer Default Parameters
Customer default parameters (saved by <Zc>) are the same set of parameters as power-on
parameters but are saved in a different, isolated section of NOVRAM. This allows a user
essentially to create a back-up set of parameters that can be recalled in the event that the
current parameters or power-on parameters have been accidentally changed or are no
longer desired.
It is important to note that a hardware default does not affect customer default parameters.
For example, a user that has inadvertently changed communication settings and saved
them with a <Z> command, may not know the correct settings or have the capability to
communicate within those settings. By first doing an EZ Button default to restore the
known Microscan
defaults, the user can then recall the previous customer-saved
settings
with an <Arc> or <Zrc> command.
Microscan Default Parameters
Microscan default parameters are contained in the firmware and cannot be changed.
Software Defaults
Microscan default parameters can be recalled (loaded into current settings) with the
<Ard> command or recalled and saved for power-on with the <Zrd> command.
Default on Power-On
Use the EZ Button to default the scanner by holding it down while applying power to the
scanner (if this feature is enabled).

7-22 QX-870 Industrial Raster Scanner User’s Manual
Scanner Status Requests
Scanner Status Requests
<K?> All Status Request
This is the fastest way to learn the scanner’s current configuration. Sending this request
will return the current settings of all commands, starting with the lowest K command value
and ending with the highest K command value.
<K??> All Descriptor Status Request
This request will return all current descriptors for every K command, starting with the lowest
K command value and ending with the highest K command value.
<K?#> All Range Status Request
This request will return the current settings of all commands within the user-defined range,
starting with the lowest user-defined K command value and ending with the highest
user-defined K command value.
<Knnn?> Single Status Request
This request will return the value of the variables associated with the requested K command.
The request of a single entry of a database command cannot exceed the number of database
slots for the specific command.
<Knnn??> Single Descriptor Status Request
This request returns the basic functional description of all fields in the requested K command.
<Knnn?#> Single Range Status Request
This request will return the value range and storage type description of all fields in the
requested K command.
<Knnnd> Default Customer Parameter
This request will default a single K command if the command has customer-defined
parameters rather than factory-defined parameters.

QX-870 Industrial Raster Scanner User’s Manual 7-23
Utilities
Other Serial Utility Commands
Calibration without Menu
Sending the <@CAL> command from ESP’s Terminal initiates auto-calibration without
entering the auto-calibration menu. The calibrated parameters are determined by the
settings of the Calibration Options command.
Calibration with Menu
Sending the <@> command from ESP’s Terminal enters the auto-calibration menu. The
initial state of the menu is determined by the settings of the Calibration Options command.
When the Auto Calibration menu is entered, or when calibration is beginning, all NOVRAM
settings that will be calibrated, manipulated during the calibration process, or configured
by the calibration menu are saved to an “initial” settings buffer:
•AGC Mode
•Gain
• Tracking
• Motor Speed
• Laser On Position
• Laser Off Position
• Laser Framing Status
• Laser Power
• Laser On/Off Status
• Raster Top Offset
• Raster Bottom Offset
• Raster Status
• Raster On/Off Status
Note: Calibration Options and symbology status are not backed up. Any changes made
to Calibration Options, or any new symbologies detected, can only be restored by cycling
power or sending a “Recall” command: <Arp>, <Arc>, <Zrd>, or <Zrc>.

7-24 QX-870 Industrial Raster Scanner User’s Manual
Other Serial Utility Commands
Calibration Progress Indicators
The calibration process occurs in five phases: Quick Focus, Search Pass, Focus Pass,
Medium Pass, and Fine-Tune Pass. The scanner quickly locates the configuration setup,
defines a calibration range for the parameters, and then tunes the parameters for optimal
performance.
During the calibration process, the scanner has a number of ways to communicate its
progress to the user. The following three types of feedback are the primary ways that the
scanner communicates calibration progress.
Beeper/Green Flash
The beeper and green LED flash are used to indicate calibration status as shown in the
table below:
LEDs Calibration Progress
20% Search Pass in progress
20%, 40% Locate Center Focus in progress
20%, 40%, 60% Medium Pass in progress
20%, 40%, 60%, 80% Fine-Tune Pass in progress
20%, 40%, 60%, 80%, 100% Calibrated Successfully (holds for green flash duration)
Indicator Status
2 quick beeps Calibration has started
5 quick beeps Calibration has failed
1 long beep Calibration has been completed successfully
1 sec. Green Flash Calibration has been completed successfully

QX-870 Industrial Raster Scanner User’s Manual 7-25
Utilities
Outline of Full Auto Calibration Process
Auto Calibration runs a calibration cycle for the scanner to optimize basic symbol decoding
parameters. Focus, Gain, Shutter Speed, and Symbol Type are all configured during
Auto Calibration. To configure the operation of Auto Calibration see Calibration Options.
The calibration cycle can be entered either through ESP, serial command, or the EZ Button.
1. If laser framing is enabled, set scan line to full.
2. If laser power calibration is enabled, set laser power to factory default.
3. If motor speed calibration is enabled, set motor speed to factory default.
4. If video calibration is enabled, set gain and tracking to default.
5. If symbology detection is enabled: initialize symbology detection array with current
symbology status configuration; enable all symbologies (except PDF417 and Pharmacode);
symbology detection continues to operate concurrently with all remaining calibration
processes.
6. Set LEDs to display 20% LED on, all others off.
7. Pre-position the raster: As-Is: no change; Straight: set raster straight out; Search or
Frame: sweep the raster through full sweep angle. If a symbol is found, place raster in
the middle of the symbol. If no symbol is found, set raster straight out.
8. Set LEDs to display 40% LED on, all others off.
9. Perform one pass of symbology detection (100 scans are decoded).
10. Perform motor and laser calibration (if enabled).
11. If motor speed calibration is enabled, motor speed starts at 300 sps, and is increased
by 50 sps until 500 sps. After 500 sps, motor speed is increased by 100 sps until 1,000
sps. Motor speed calibration is limited to a maximum of 1000 sps, or motor speed is
not changed.
12. If laser power calibration is enabled, at each motor speed increment, laser power is
cycled between low, medium, and high power settings, or laser power is not changed.
13. If video calibration is enabled, and AGC is enabled (not in Fixed Gain operation),
several gain and tracking pairs are used at each motor speed and laser power combination,
or video settings are unchanged.
14. A “best-ever” read rate value is initialized to 0 to start the calibration process.
15. At each motor speed/laser power/video combination, a new read rate is acquired. The
settings used to acquire the new read rate are recorded as the new “best” if:
• The new read rate is better than 95%. Go to the next motor speed.
• The new read rate is greater than the best read rate. Go to the next laser power.
• The new read rate is equal to the best read rate, and the motor speed is greater. Go to
the next laser power.
• The new read rate is equal to the best read rate, and the laser power is less. Go to the
next laser power.
16. Set LEDs to display 60% LED on, all others off.
17. Restore user-configured video (gain and tracking) settings.

7-26 QX-870 Industrial Raster Scanner User’s Manual
Other Serial Utility Commands
18. Perform video calibration, (if enabled): take initial read rate at current settings; calibrate
video, select new gain and tracking; take final read rate with new gain and tracking; if
final read rate is < 2%, video calibration fails; if final read rate is > or = initial read rate,
video calibration passes and new settings take effect; if final read rate is < initial read
rate, video settings revert to pre-calibration values (this is not considered a “failure”; all
other settings calibrated by other calibration processes like motor speed and laser power).
19. Perform raster framing if the raster parameter of the calibration command is set to
“Frame”.
20. Perform laser framing, if enabled.
21. If symbology detection is enabled, update user NOVRAM with any new symbologies
detected during calibration.
Notes:
If any step in the calibration process fails, of if the user cancels calibration, the remainder
of calibration is canceled and all settings are restored to their previous state. This does not
apply to symbology status when symbology detection is enabled. Any symbols that are
decoded during calibration will be enabled, even if any other calibration processes fail or
are canceled.

QX-870 Industrial Raster Scanner User’s Manual 7-27
Utilities
Bar Code Configuration Mode
Bar Code Configuration Mode is a way of programming the scanner by using symbols.
Bar Code Configuration Mode can be entered two different ways:
1. By forcing the scanner into Bar Code Configuration Mode by serial command
<BCCFG>.
2. By configuring one of the four EZ Button positions (Single Beep, Two Beeps, Three
Beeps, Four Beeps) to Bar Code Configuration Mode.
Once Bar Code Configuration Mode has been entered, symbols can be thought of as
serial data. Configure the scanner by printing symbols in Microscan’s serial command
format. Commands are processed as if the data were streamed in through the serial port.
The scanner will acknowledge the symbol with a beep, green flash, and echo the serial
data to the host. If the command causes the scanner to produce more serial output, such
as serial verification or counter requests, the data will be routed to the host.
Bar Code Configuration Mode can be exited by any reset <A> or <Z> command as well
as a <J> or a quick press and release of the EZ Button.
The command to exit Bar Code Configuration Mode can be included as part of the
symbol. For example, try encoding <K200,4><K220,1><J> into a symbol. This configures
the scanner to enable Serial Trigger Mode, to program a new trigger to end the read
cycle, and to exit Bar Code Configuration Mode with <J>.
To end all EZ Button functions, press the EZ Button once and quickly release.

7-28 QX-870 Industrial Raster Scanner User’s Manual
Embedded Menus
Embedded Menus
The QX-870 contains Embedded Menus to provide easy configuration in situations where
a ESP Software may not be available or applicable.
The Embedded Menus consist of a Main Menu and a sub-menu for every group of commands.
The following example shows how a user can operate the QX-870’s Embedded Menus.
Main Menu
For the purpose of this example, assume the user wants to navigate to the Symbologies
menu. The user would select C from the list.
=========================[MAIN MENU]============================
A) COMMUNICATION
B) SCANNER SETUP
C) SYMBOLOGIES
D) SCANNER I/O SETUP
E) DIAGNOSTICS SETUP
F) CONFIG IP DATABASE
G) OUTPUT ORDER FILTER
H) MATCHCODE
-- PLEASE PRESS A-H TO EDIT, ESC TO EXIT |
Command Menu
The user then selects B to navigate to the Code 128 menu.
=======================[SYMBOLOGIES]============================
---- Code Type --------------------- Status ----------
A) CODE 39 ENABLE
B) CODE 128 DISABLE
C) CODE I 2 OF 5 DISABLE
D) CODABAR DISABLE
E) UPC DISABLE
F) CODE 93 DISABLE
G) PHARMA CODE DISABLE
H) PDF417 DISABLE
------------- Global Parameters -------------
I) Quiet Zone Status = DISABLE
J) Symbology Identifier Status = DISABLE
K) Background Color = White
-- PLEASE PRESS A-K TO EDIT, 1=MAIN MENU, 2=PREVIOUS MENU, ESC TO EXIT |

QX-870 Industrial Raster Scanner User’s Manual 7-29
Utilities
Parameter Menu
The user then selects B to configure the Fixed Symbol Length Status parameter.
===========================[CODE 128]============================
A) Code 128 Status = DISABLE
B) Fixed Symbol Length Status = DISABLE
C) Symbol Length = 10
D) EAN-128 Status = DISABLE
E) Output Format = Standard
F) Application Record Separator Status = DISABLE
G) Application Record Separator Character = ,
H) Application Record Brackets = DISABLE
I) Application Record Padding = DISABLE
-- PLEASE PRESS A-I TO EDIT, 1=MAIN MENU, 2=PREVIOUS MENU, ESC TO EXIT |
Parameter Options Menu
At this level, the current setting and system default are both shown. The user can select
the desired option and go back to the previous menu, or press Enter or ESC to return to
the previous menu without any change to the parameter.
==================[Fixed Symbol Length Status]===================
A) DISABLE [CURRENT] [DEFAULT]
B) ENABLE
-- PLEASE PRESS A-B TO CHANGE THE PARAMENTER, ESC TO CANCEL |
Another example of a Parameter Options-level menu is the Symbol Length, shown
below. In this menu, the user is prompted to enter a desired value in a range from 1 to 128,
and the menu shows a system default of 10. After a desired value has been entered, the
user must press Enter to confirm that the value is valid and return to the previous menu, or
press ESC to return to the previous menu without any change to the parameter. The user
could also return to the previous menu by pressing Enter when no value has been entered.
=======================[Symbol Length]===========================
A) Symbol Length = 10
Rang: 1 - 128
System Default: 10
-- PLEASE TYPE THE NEW VALUE, THEN ENTER, ESC TO CANCEL
-- NEW VALUE = |

7-30 QX-870 Industrial Raster Scanner User’s Manual
Embedded Menus

QX-870 Industrial Raster Scanner User’s Manual A-1
Appendices
Contents
Appendix A General Specifications .............................................................................................. A-2
Appendix B Electrical Specifications ............................................................................................A-6
Appendix C Ground and Shield Considerations........................................................................... A-8
Appendix D Flying Lead Cordset Pinouts................................................................................... A-10
Appendix E Serial Commands ................................................................................................... A-11
Appendix F Protocol Commands................................................................................................ A-77
Appendix G ASCII Table ............................................................................................................ A-86
Appendix H Configuring Ethernet TCP/IP .................................................................................. A-87
Appendix I Using EtherNet/IP..................................................................................................... A-90
Appendix J Operating EtherNet/IP Serial Gateway Data Fields................................................. A-97
Appendix K Interface Standards................................................................................................. A-99
Appendix L Glossary of Terms ................................................................................................. A-100

A-2 QX-870 Industrial Raster Scanner User’s Manual
General Specifications
Appendix A — General Specifications
Mechanical
Height: 4.59" (109 mm)
Width: 3.74" (95 mm)
Depth: 1.76" (45 mm)
Weight: 16 oz. (453 g)
Environmental
Enclosure: Die-cast aluminum,
IP65 rated
Operating Temperature: 0° to 50°
C (32° to 122° F)
Storage Temperature: –50° to 75°
C (–63° to 167° F)
Humidity:
up to 90% (non-condensing)
Emissions
Heavy Industrial:
EN 61000-6-2:2005
Radiated Emissions
: EN
55022:2006 Class A 30-1000 MHz
Conducted Emissions
: EN
55022:2006 Class A .15-30 MHz
Communication Interface
Standard Interfaces: RS-232,
RS-422, RS-485, Ethernet
Symbologies
Standard Offering: Code 39,
Codabar,
Code 93, Interleaved 2 of
5, Code 128, PDF417, MicroPDF417, Pharmacode,
UPC, GS1 DataBar
Applications Standards:
EAN-128,
AIAG
Laser Light
Type: Laser diode
Output Wavelength: 655 nm nominal
Operating Life: 50,000 hours @ 25° C
Safety Class: Visible laser: CDRH
Class II, 655 nm
Scanning Parameters
Mirror Type: Rotating, 10-faceted
Scan Rate: Adjustable from 300 to 1,400 scans per second
Scan Width Angle: Typically 60°
Pitch: ±50° max.
Skew: ±40° max.
Symbol Contrast: 25% min. absolute dark-to-light differential at 655 nm wavelength
Raster Mirror Performance: 1° - 10°: 80 sweeps per second; 11° - 20°: 60 sweeps per second; 21° - 34° (max.):
40 sweeps per second; 35° - 36° (max.): 20 sweeps per second
Protocols
Point-to-Point, Point-to-Point with RTS/CTS, Point-to-Point with XON/XOFF, Point-to-Point with RTS/CTS and
XON/XOFF, Multidrop, Daisy Chain, User-Defined Multidrop, Ethernet TCP/IP, EtherNet/IP
Discrete I/O
Input 1 (Trigger / New Master):
Optoisolated, 4.5–28V rated (13 mA at 24VDC); New Master is (–) to signal ground
Outputs (1, 2, 3): Optoisolated, 1–28V rated (ICE < 100 mA at 24VDC, current limited by user)
QX-870 Dimensions

QX-870 Industrial Raster Scanner User’s Manual A-3
Appendices
QX-1 Interface Device
Mechanical
Height: .75" (19.1 mm)
Width: 2.50" (83.5 mm)
Depth: 3.15" (80 mm)
Weight: 7 oz. (200 g)
QX-1 Dimensions

A-4 QX-870 Industrial Raster Scanner User’s Manual
General Specifications
Read Ranges
Narrow Bar Width Read Range
Low Density
.0075" (.191 mm) 10 to 12" (254 mm to 305 mm)
.010" (.254 mm) 7 to 16" (178 mm to 406 mm)
.015" (.381 mm) 6 to 19" (152 mm to 483 mm)
.020” (.508 mm) 5 to 22” (127 to 558 mm)
.040” (1.02 mm) 4 to 30” (102 to 762 mm)
Medium Density
.0075" (.191 mm) 10 to 12" (254 mm to 305 mm)
.010" (.254 mm) 7 to 16" (178 mm to 406 mm)
.015" (.381 mm) 6 to 19" (152 mm to 483 mm)
.020” (.508 mm) 5 to 22” (127 to 558 mm)
.030” (.762 mm) 1.0 to 12” (25 to 304 mm)
High Density
.0033” (.084 mm) Call Microscan
.005” (.127 mm) 4 to 5.0” (102 to 127 mm)
.0075" (.191 mm) 10 to 12" (254 mm to 305 mm)
.010" (.254 mm) 7 to 16" (178 mm to 406 mm)
.015" (.381 mm) 6 to 19" (152 mm to 483 mm)
Low Density Medium Density High Density

QX-870 Industrial Raster Scanner User’s Manual A-5
Appendices
FIS Options
Safety Certifications
CDRH, FCC, UL/cUL, CE, CB, BSMI, RoHS/WEEE
ISO Certification
ISO 9001:2000 Certified Quality Management System
Issued by TUV USA Inc., Member of TUV NORD Group, Cert. No. 06-1080
©2009 Microscan Systems, Inc.
All rights reserved. Specifications subject to change.
Product specifications are given for typical performance at 25°C (77°F) using grade A labels. Performance
characteristics may vary at high temperatures or other environmental extremes. Warranty–One year limited
warranty
on parts and labor. Extended warranty available.
QX-870
FIS-0870-0001G Industrial Raster Scanner, Low Density, Sweeping Raster, Serial
FIS-0870-0002G Industrial Raster Scanner, Medium Density, Sweeping Raster, Serial
FIS-0870-0003G Industrial Raster Scanner, High Density, Sweeping Raster, Serial
FIS-0870-1001G Industrial Raster Scanner, Low Density, Sweeping Raster, Serial / Ethernet
FIS-0870-1002G Industrial Raster Scanner, Medium Density, Sweeping Raster, Serial / Ethernet
FIS-0870-1003G Industrial Raster Scanner, High Density, Sweeping Raster, Serial / Ethernet

A-6 QX-870 Industrial Raster Scanner User’s Manual
Electrical Specifications
Appendix B — Electrical Specifications
QX-870 Connectors
Power Requirement 9 Watts (max.), 10-28VDC, 200 mV p-p max. ripple, 270mA at
24VDC (typ.)
Ground
Output 3
Output 1
Output 2
New Master Default
Power
Input Common
Output Common
RS-232 RxD
Trigger
RS-232
TxD
Input
Common
RS-422/485 RxD (–)
RS-232 TxD/
RS-232 RTS
Trigger
RS-232 RxD/
RS-232 CTS
Power
Ground
RS-422/485
RxD (+)
RS-422/485
TxD (+)
RS-422/485 TxD (–)
Input 1 Terminat e d
A (Serial) M12 12-pin Plug
B (Serial) M12 12-pin Socket
TX (+)
RX (–)
RX (+)
TX (–)
Termina t e d
Te r m i n a t e d
B (Ethernet) M12 8-pin Socket
Termin a t e d
Terminated
N/C
RS-422/485 RxD (–)
N/C
N/C
N/C
Power
Ground
RS-422/485
RxD (+)
RS-422/485
TxD (+)
RS-422/485 TxD (–)
N/C N/C
P/M (Serial) M12 12-pin Plug

QX-870 Industrial Raster Scanner User’s Manual A-7
Appendices
QX-1 Connectors
Connector T on the QX-1 Interface Device is the Trigger connector.
Connectors 1, 2, and 3 can be used to bus power and data as required by the application.
The connectors on the QX-1 interface device physically mirror those on the QX-870 scanner,
but they do not have explicit pin assignments. The QX-1 connectors take on the communications
and power roles that are assigned to them.
Connectors 1 and 3 are 12-pin plugs, and Connector 2 is a 12-pin schprocket. All
three connectors can be assigned to bus power and data.
The two switches at the center of the device allow the user to route signals as needed.
The simple diagram above (also shown on the base of the QX-1) illustrates how power,
communications, I/O, and trigger signal can be routed through the QX-1 device.
Power can be bussed between scanners and interface devices. At each location on a
network where a new power supply is added, the Power switch on the QX-1 can be
used to break power between Connector 2 and Connectors 1, 3, and T.
The Trigger signal between Connector 2 and Connectors 1, 3, and T can be broken
using the Trigger switch. This isolates trigger signals as required.
+10-28V
Trigger
Ground
Trigger/New Master / Input 1 Common
QX-1 Trigger Connector
4-pin Socket
1+10-28V
2Trigger / New Master /
Input 1 Common
3Ground
4Trigger
QX-1 Wiring Diagram
Power Switch
Trigger Switch

A-8 QX-870 Industrial Raster Scanner User’s Manual
Ground and Shield Considerations
Appendix C — Ground and Shield Considerations
Proper grounding is necessary for operator safety, noise reduction, and the protection of
equipment from voltage transients. Buildings, including any steelwork, all circuits, and all
junction boxes must be grounded directly to an earth ground in compliance with local and
national electrical codes.
Ground Loops
Ground loops (signal degradation due to different ground potentials in communicating
devices) can be eliminated or minimized by ensuring that both the host, scanner, and their
power supplies are connected to a common earth ground.
An earth ground is provided through the cable shields and chassis of the scanner.

QX-870 Industrial Raster Scanner User’s Manual A-9
Appendices
Expected Power and Ground Connections for Proper Operation
Notes:
• Ensure that mounting bracket “Earth” is at the same potential as power source “Earth”.
• Supply “Return” and “Earth” ground must be stable, low-impedance reference points.
• “2-Terminal Power Supply” must still provide an “Earth” connection to the scanner.
• “Signal Ground” can be used for communications and/or discrete signal ground reference.
It must not be used as Power Ground or Earth Ground.

A-10 QX-870 Industrial Raster Scanner User’s Manual
Flying Lead Cordset Pinouts
Appendix D — Flying Lead Cordset Pinouts
Microscan offers two flying leads cordsets—61-000166-01 and 61-000167-01—for use in
QX hardware configurations. The diagrams below show the correspondence of wire colors
to pins.
61-000166-01 — QX Cordset, M12 12-Pin Plug, Flying Leads
The 61-000166-01 cordset connects to QX-870 Connector B (serial) and QX-1 Connector 2.
61-000167-01 — QX Cordset, M12 12-Pin Socket, Flying Leads
The 61-000167-01 cordset connects to QX-870 Connectors A and P/M, and QX-1 Connectors
1 and 3.

QX-870 Industrial Raster Scanner User’s Manual A-11
Appendices
Appendix E — Serial Commands
Note: For a list of utility commands such as defaults, read rate requests, device control
options, and scanner status requests, see Serial Utility Commands on page A-68.
Communication
RS-232 A <K100,baud rate,parity,stop bits,data bits>
RS-232 B <K101,status,baud rate,parity,stop bits,data bits>
RS-422 <K102,status,baud rate,parity,stop bits,data bits>
Ethernet <K126,status,IP address,subnet,gateway,IP address mode>
Ethernet TCP Ports <K127,TCP Port 1,TCP Port 2>
EtherNet/IP <K129,status>
RS-232 A Data Type <K130,symbol data output,extra symbol information,diagnostic
output,external source processing mode>
RS-232 B Data Type <K131,symbol data output,extra symbol information,diagnostic
output,external source processing mode>
RS-422 Data Type <K132,symbol data output,extra symbol information,diagnostic
output,external source processing mode>
Ethernet TCP Port 1 Data Type <K133,symbol data output,extra symbol information,diagnostic
output,external source processing mode>
Ethernet TCP Port 2 Data Type <K134,symbol data output,extra symbol information,diagnostic
output,external source processing mode>
EtherNet/IP Data Type <K136,symbol data output,extra symbol information,diagnostic
output,external source processing mode>
Preamble <K141,status,preamble>
Postamble <K142,status,postamble>
Response Timeout <K143,response timeout>
LRC Status <K145,status>
ACK/NAK Options <K147,RES,REQ,STX,ETX,ACK,NAK>
Polling Mode Options <K148,RES,REQ,STX,ETX,ACK,NAK>
Autoconfiguration Daisy Chain <K150DAISY>
Protocol Selection <K160,protocol,address,protocol port>
External Data Routing <K161,mode,destination port,ambles to source,echo to
source,output at end of read cycle,output at ETX,output at timeout>
Array Communication Modes <K162,mode,source,daisy chain i.d. status,daisy chain i.d.>
Read Cycle
Trigger Mode / Trigger Filter Duration <K200,trigger mode,leading edge trigger filter duration,trailing
edge trigger filter duration>
Serial Trigger Character <K201,serial trigger character>
External Trigger State <K202,external trigger state>
End of Read Cycle <K220,mode,read cycle timeout>
Decodes Before Output <K221,mode,number before output>
Multisymbol <K222,number of symbols,multisymbol separator>
Serial Trigger Start Character <K229,start character>

A-12 QX-870 Industrial Raster Scanner User’s Manual
Serial Commands
Serial Trigger Stop Character <K230,stop character>
Processing Timeout <K245,processing timeout>
Scan Speed <K500,scan speed>
Maximum Element <K502,maximum element>
Automatic Gain Control <K504,gain level,AGC sampling mode,AGC minimum,AGC
maximum>
Symbol Detect Status / Transition
Counter <K505,symbol detect status,transition counter>
Raster Framing
<
K506,
status,top offset,bottom offset,sweep rate,read cycle on/off>
Scan Width Enhance <K511,status>
AGC Tracking <K520,tracking>
Laser Setup <K700,laser on/off,laser framing status,laser on position,laser off
position,laser power>
Configuration Database
Number of Active Indexes <K252,number of active indexes,number of database cycles>
Configuration Database
<K253,index,gain,AGC mode,tracking,raster top,raster bottom,
raster speed,framing status,laser on position,laser off position,
laser power,background color>
Switch Timing <K254,switch mode,frame count/time>
Symbologies
Quiet Zone <K450,quiet zone status>
Background Color <K451,background color>
Symbol Ratios <K452,Code 39,Codabar,Interleaved 2 of 5>
Composite <K453,symbology status,separator status,separator>
AIAG
<K454,status,ID1,status1,ID2,status2,ID3,status3,ID4,status4,
ID5a,ID5b,ID5c,status5, ID6,status6,ID7,status7,ID8, status8,
ID9,status9,ID10,status10,ID11,status11,ID12,status12>
Depth of Field Enhance <K456,
DOF Enhance mode>
Code 39
<
K470,
status,check character status,check character output status,
large intercharacter gap,fixed symbol length status,fixed symbol
length,full ASCII set>
Codabar
<K471,status,start/stop match status,start/stop output status,
large intercharacter gap,fixed symbol length status,fixed symbol
length,check character type,check character output status>
Interleaved 2 of 5
<
K472,
status,check character status,check character output status,
symbol
length 1,symbol length 2,guard bar,range mode status>
UPC/EAN <K473,mode,EAN status,supplementals
status,separator status,
separator
character,supplementals type,UPC-E as UPC-A>
Code 128 / EAN 128
<K474,status,fixed symbol length status,fixed symbol length,
EAN status,output format,application record separator status,
application
record separator character,application record brackets,
application record padding,separation factor>
Code 93 <K475,mode,fixed symbol length status,symbol length>
PDF417 <K476,status,raster sweep count,fixed symbol length status,
fixed symbol length,unused,codeword collection>

QX-870 Industrial Raster Scanner User’s Manual A-13
Appendices
Pharmacode <K477,status,fixed bar count status,fixed bar count,minimum bar
count,bar width mode,direction,fixed threshold value>
DataBar Omnidirectional (RSS-14) <K482,status>
DataBar Limited (RSS Limited) <K483,status>
DataBar Expanded (RSS Expanded) <K484,status,fixed symbol length status,fixed symbol length>
MicroPDF417 <K485,status,raster sweep count,fixed symbol length status,
fixed symbol length>
Symbol Reconstruction <K496,symbol reconstruction redundancy,symbol reconstruction
effort>
I/O Parameters
Calibration Options <K521,raster framing,video,scan speed,laser power,laser framing,
symbology>
Serial Verification
<
K701,
serial command echo status, serial command beep status,
control/hex
output>
Beeper <K702,status>
Quality Output <K704,quality output separator, decodes per trigger status,
decode direction output>
Symbol Data Output <K705,symbol data output status, when to output symbol data,
symbology identifier status>
Read Duration Output <K706,status,separator>
No Read Message <K714,status,message>
Bad Symbol Message <K715,status,message>
No Symbol Message <K716,status,message>
Input 1 <K730,input mode,active state>
Green Flash LED
<
K750,
green flash mode,unused,green flash duration>
Status Indicators <K751,status,bar graph,I/O 1,I/O 2>
Symbol Position Output <K758,raster position output status,scan position output status,
separator>
Database Identifier Output <K759,status,separator character>
EZ Button <K770,status,default on power-on>
EZ Button Modes <K771,single beep,two beeps,three beeps,four beeps>
Auto Framing Options
<K773,laser framing>
Trend Analysis Output 1 <K780,trend analysis mode,number of triggers,number to output
on,decodes per trigger>
Trend Analysis Output 2 <K781,trend analysis mode,number of triggers,number to output
on,decodes per trigger>
Trend Analysis Output 3 <K782,trend analysis mode,number of triggers,number to output
on,decodes per trigger>
Diagnostics Output 1 <K790,high temperature,service unit,unused,laser current high,
laser current low,low temperature>
Diagnostics Output 2 <K791,high temperature,service unit,unused,laser current high,
laser current low,low temperature>
Diagnostics Output 3 <K792,high temperature,service unit,unused,laser current high,
laser current low,low temperature>
Output 1 Parameters <K810,output on,output state,pulse width,output mode>

A-14 QX-870 Industrial Raster Scanner User’s Manual
Serial Commands
Output 2 Parameters <K811,output on,output state,pulse width,output mode>
Output 3 Parameters <K812,output on,output state,pulse width,output mode>
Matchcode
Matchcode <K223,matchcode type,sequential matching,match start position,
match length,wild card,sequence on no read,sequence on mismatch>
Master Symbol Database Size <K224,number of master symbols>
New Master Pin <K225,status>
Sequence Step <K228,sequence step>
Master Symbol <K231,index,master symbol data>
Match Replace <K735,status,replacement string>
Mismatch Replace <K736,status,replacement string>
Diagnostics
High Temperature Threshold <K402,status,message>
Low Temperature Threshold <K403,status,message>
Counts (Read-only) <K406> (returns: power-on,resets,
power-on saves,custom default
saves)
Hours Since Reset (Read-only) <K407> (returns: hours,minutes)
Service Message <K409,status,service message, threshold,resolution>
Laser Current Warning Message <K411,laser high status,laser high message,laser low status,
laser low message>
User-Defined Name <K412,user-defined name>
Output Format
Format Extract <K740,output index,start location,length>
Format Insert <K741,output index,length,hex string>
Format Assign <K742,symbol number,status>
Output Format Status <K743,output format status>
Output Filter Configuration <K744,filter number,symbology,length,wildcard,placeholder,
data,decode direction,database index>
Output Filter Enable <K745,number of filters>

QX-870 Industrial Raster Scanner User’s Manual A-15
Appendices
Serial Command Format
Microscan readers are controlled by two types of serial commands: configuration commands
and utility commands.
Rules that apply to both configuration and utility commands
• Less than ‘<‘ and greater than ‘>’ angle bracket characters enclose the commands.
• Commands and data are case sensitive. Characters must be entered as upper or lower
case, as specified.
Serial Utility Commands
Serial Utility Commands are sent during operations and are not followed by <A> or <Z>.
Serial Configuration Commands (K Commands)
Microscan’s serial configuration commands begin with a single “K” character followed by a
3-digit numeric character, comma-separated command fields, and an initializing command,
as follows:
<Knumeric character,data,data,...etc.><initializing command>
An initializing command <Z> or <A> may follow the command.
•<Z> initializes the scanner’s memory and saves for power-on.
•<A> initializes the scanner’s memory but does not save for power-on.
For example, to enable UPC and save the change for power-on, send <K473,1><Z>.
To change Baud Rate and reset without saving changes for power-on, send
<K100,3><A>.
Serial Configuration Command Conventions
• All command fields (except the last) must be followed by a comma (without a space).
• NULL cannot be used. The characters <, >, and , can be used, but only if entered as
hex pairs (see ASCII Character Entry Modifier).
• All fields preceding a modified field must be included.
• If there is no change in preceding fields, then commas alone can be entered in these
fields. For example, if only the last field in the following command is changing,
<K100,4,1,0,0> can be entered as <K100,,,,0>.
• All fields following a modified field can be omitted. For example, to change Baud Rate
only, send <K100,3>.

A-16 QX-870 Industrial Raster Scanner User’s Manual
Serial Commands
Concatenating Configuration Commands
Commands can be concatenated (added together) in a single string. For example,
<K145,1><K220,1><K450,1><A> enables LRC, sets End of Read Cycle mode to New
Trigger, enables Narrow Quiet Zone, and resets the data buffers without saving the
changes for power-on.
Serial Command Status Request
To ensure that any command was received and accepted, send the Show Reader Status
command: <?>.
The status of a specific serial command can be requested by entering the command followed
by a question mark. For example, send <K142?> to request the status of Postamble.
Entering Control Characters in Serial Commands
To enter control characters within a serial command, hold down the Ctrl key while typing the
desired character.
Example: To enter a carriage return and line feed (^M^J), enter <K141,1,CNTL-m CNTL-j>

QX-870 Industrial Raster Scanner User’s Manual A-17
Appendices
Serial Configuration Commands
The following serial commands can be entered through ESP’s Terminal to control QX-870
functions. Detailed descriptions of command parameters are available in Chapter 5,
Scanner Parameters.
Communication
RS-232 A <K100,baud rate,parity,stop bits,data bits>
RS-232 B <K101,status,baud rate,parity,stop bits,data bits>
RS-422 <K102,status,baud rate,parity,stop bits,data bits>
Ethernet <K126,status,IP address,subnet,gateway,IP address mode>
Ethernet TCP Ports <K127,TCP Port 1,TCP Port 2>
EtherNet/IP <K129,status>
RS-232 A Data Type <K130,symbol data output,extra symbol information,diagnostic
output,external source processing mode>
RS-232 B Data Type <K131,symbol data output,extra symbol information,diagnostic
output,external source processing mode>
RS-422 Data Type <K132,symbol data output,extra symbol information,diagnostic
output,external source processing mode>
Ethernet TCP Port 1 Data Type <K133,symbol data output,extra symbol information,diagnostic
output,external source processing mode>
Ethernet TCP Port 2 Data Type <K134,symbol data output,extra symbol information,diagnostic
output,external source processing mode>
EtherNet/IP Data Type <K136,symbol data output,extra symbol information,diagnostic
output,external source processing mode>
Preamble <K141,status,preamble>
Postamble <K142,status,postamble>
Response Timeout <K143,response timeout>
LRC Status <K145,status>
ACK/NAK Options <K147,RES,REQ,STX,ETX,ACK,NAK>
Polling Mode Options <K148,RES,REQ,STX,ETX,ACK,NAK>
Autoconfiguration Daisy Chain <K150DAISY>
Protocol Selection <K160,protocol,address,protocol port>
External Data Routing <K161,mode,destination port,ambles to source,echo to
source,output at end of read cycle,output at ETX,output at timeout>
Array Communication Modes <K162,mode,source,daisy chain i.d. status,daisy chain i.d.>

A-18 QX-870 Industrial Raster Scanner User’s Manual
Serial Commands
RS-232 A
Baud Rate, RS-232 A
Parity, RS-232 A
Stop Bits, RS-232 A
Data Bits, RS-232 A
RS-232 B
Status, RS-232 B
Baud Rate, RS-232 B
Serial Cmd: <K100,baud rate,parity,stop bits,data bits>
Default: 8 = 115.2K
Options: 0 = 600 1 = 1200 2 = 2400
3 = 4800 4 = 9600 5 = 19.2K
6 = 38.4K 7 = 57.6K 8 = 115.2K
9 = 230K
Serial Cmd: <K100,baud rate,parity,stop bits,data bits>
Default: 0 = None
Options: 0 = None 1 = Even 2 = Odd
Serial Cmd: <K100,baud rate,parity,stop bits,data bits>
Default: 0 = One
Options: 0 = One 1 = Two
Serial Cmd: <K100,baud rate,parity,stop bits,data bits>
Default: 1 = Eight
Options: 0 = Seven 1 = Eight
Serial Cmd: <K101,status,baud rate,parity,stop bits,data bits>
Default: 1 = Enabled
Options: 0 = Disabled 1 = Enabled
Serial Cmd: <K101,status,baud rate,parity,stop bits,data bits>
Default: 8 = 115.2K
Options: 0 = 600 1 = 1200 2 = 2400
3 = 4800 4 = 9600 5 = 19.2K
6 = 38.4K 7 = 57.6K 8 = 115.2K
9 = 230K

QX-870 Industrial Raster Scanner User’s Manual A-19
Appendices
Parity, RS-232 B
Stop Bits, RS-232 B
Data Bits, RS-232 B
RS-422
Status, RS-422
Baud Rate, RS-422
Parity, RS-422
Stop Bits, RS-422
Serial Cmd: <K101,status,baud rate,parity,stop bits,data bits>
Default: 0 = None
Options: 0 = None 1 = Even 2 = Odd
Serial Cmd: <K101,status,baud rate,parity,stop bits,data bits>
Default: 0 = One
Options: 0 = One 1 = Two
Serial Cmd: <K101,status,baud rate,parity,stop bits,data bits>
Default: 1 = Eight
Options: 0 = Seven 1 = Eight
Serial Cmd: <K102,status,baud rate,parity,stop bits,data bits>
Default: 0 = Disabled
Options: 0 = Disabled 1 = Enabled
Serial Cmd: <K102,status,baud rate,parity,stop bits,data bits>
Default: 8 = 115.2K
Options: 0 = 600 1 = 1200 2 = 2400
3 = 4800 4 = 9600 5 = 19.2K
6 = 38.4K 7 = 57.6K 8 = 115.2K
9 = 230K
Serial Cmd: <K102,status,baud rate,parity,stop bits,data bits>
Default: 0 = None
Options: 0 = None 1 = Even 2 = Odd
Serial Cmd: <K102,status,baud rate,parity,stop bits,data bits>
Default: 0 = One
Options: 0 = One 1 = Two

A-20 QX-870 Industrial Raster Scanner User’s Manual
Serial Commands
Data Bits, RS-422
Ethernet
IP Address
Subnet
Gateway
IP Address Mode
Ethernet TCP Ports
TCP Port 1
TCP Port 1
Serial Cmd: <K102,status,baud rate,parity,stop bits,data bits>
Default: 1 = Eight
Options: 0 = Seven 1 = Eight
Serial Cmd: <K126,status,IP address,subnet,gateway,IP address mode>
Default: 1 = Enabled
Options: 0 = Disabled 1 = Enabled
Serial Cmd: <K126,status,IP address,subnet,gateway,IP address mode>
Default: 192.168.0.100
Options: 0.0.0.0 – 255.255.255.255
Serial Cmd: <K126,status,IP address,subnet,gateway,IP address mode>
Default: 255.255.0.0
Options: 0.0.0.0 – 255.255.255.255
Serial Cmd: <K126,status,IP address,subnet,gateway,IP address mode>
Default: 0.0.0.0
Options: 0.0.0.0 – 255.255.255.255
Serial Cmd: <K126,status,IP address,subnet,gateway,IP address mode>
Default: 1 = DHCP
Options: 0 = Static 1 = DHCP
Serial Cmd: <K127,TCP Port 1,TCP Port 2>
Default: 2001
Options: 1024 – 65535
Serial Cmd: <K127,TCP Port 1,TCP Port 2>
Default: 2003
Options: 1024 – 65535

QX-870 Industrial Raster Scanner User’s Manual A-21
Appendices
EtherNet/IP
RS-232 A Data Type
Symbol Data Output, RS-232 A
Extra Symbol Information, RS-232 A
Diagnostic Output, RS-232 A
External Source Processing Mode, RS-232 A
RS-232 B Data Type
Symbol Data Output, RS-232 B
Extra Symbol Information, RS-232 B
Serial Cmd: <K129,status>
Default: 1 = Enabled
Options: 0 = Disabled 1 = Enabled
Serial Cmd: <K130,symbol data output,extra symbol information,diagnostic output,
external source processing mode>
Default: 1 = Enabled
Options: 0 = Disabled 1 = Enabled
Serial Cmd: <K130,symbol data output,extra symbol information,diagnostic output,
external source processing mode>
Default: 1 = Enabled
Options: 0 = Disabled 1 = Enabled
Serial Cmd: <K130,symbol data output,extra symbol information,diagnostic output,
external source processing mode>
Default: 1 = Enabled
Options: 0 = Disabled 1 = Enabled
Serial Cmd: <K130,symbol data output,extra symbol information,diagnostic output,
external source processing mode>
Default: 1 = Command
Options: 0 = Disabled 1 = Command 2 = Data
Serial Cmd: <K131,symbol data output,extra symbol information,diagnostic output,
external source processing mode>
Default: 1 = Enabled
Options: 0 = Disabled 1 = Enabled
Serial Cmd: <K131,symbol data output,extra symbol information,diagnostic output,
external source processing mode>
Default: 1 = Enabled
Options: 0 = Disabled 1 = Enabled

A-22 QX-870 Industrial Raster Scanner User’s Manual
Serial Commands
Diagnostic Output, RS-232 B
External Source Processing Mode, RS-232 B
RS-422 Data Type
Symbol Data Output, RS-422
Extra Symbol Information, RS-422
Diagnostic Output, RS-422
External Source Processing Mode, RS-422
Serial Cmd: <K131,symbol data output,extra symbol information,diagnostic output,
external source processing mode>
Default: 1 = Enabled
Options: 0 = Disabled 1 = Enabled
Serial Cmd: <K131,symbol data output,extra symbol information,diagnostic output,
external source processing mode>
Default: 1 = Command
Options: 0 = Disabled 1 = Command 2 = Data
Serial Cmd: <K132,symbol data output,extra symbol information,diagnostic output,
external source processing mode>
Default: 1 = Enabled
Options: 0 = Disabled 1 = Enabled
Serial Cmd: <K132,symbol data output,extra symbol information,diagnostic output,
external source processing mode>
Default: 1 = Enabled
Options: 0 = Disabled 1 = Enabled
Serial Cmd: <K132,symbol data output,extra symbol information,diagnostic output,
external source processing mode>
Default: 1 = Enabled
Options: 0 = Disabled 1 = Enabled
Serial Cmd: <K132,symbol data output,extra symbol information,diagnostic output,
external source processing mode>
Default: 1 = Command
Options: 0 = Disabled 1 = Command 2 = Data

QX-870 Industrial Raster Scanner User’s Manual A-23
Appendices
Ethernet TCP Port 1 Data Type
Symbol Data Output, Ethernet TCP Port 1
Extra Symbol Information, Ethernet TCP Port 1
Diagnostic Output, Ethernet TCP Port 1
External Source Processing Mode, Ethernet TCP Port 1
Ethernet TCP Port 2 Data Type
Symbol Data Output, Ethernet TCP Port 2
Extra Symbol Information, Ethernet TCP Port 2
Serial Cmd: <K133,symbol data output,extra symbol information,diagnostic output,
external source processing mode>
Default: 1 = Enabled
Options: 0 = Disabled 1 = Enabled
Serial Cmd: <K133,symbol data output,extra symbol information,diagnostic output,
external source processing mode>
Default: 1 = Enabled
Options: 0 = Disabled 1 = Enabled
Serial Cmd: <K133,symbol data output,extra symbol information,diagnostic output,
external source processing mode>
Default: 1 = Enabled
Options: 0 = Disabled 1 = Enabled
Serial Cmd: <K133,symbol data output,extra symbol information,diagnostic output,
external source processing mode>
Default: 1 = Command
Options: 0 = Disabled 1 = Command 2 = Data
Serial Cmd: <K134,symbol data output,extra symbol information,diagnostic output,
external source processing mode>
Default: 1 = Enabled
Options: 0 = Disabled 1 = Enabled
Serial Cmd: <K134,symbol data output,extra symbol information,diagnostic output,
external source processing mode>
Default: 1 = Enabled
Options: 0 = Disabled 1 = Enabled

A-24 QX-870 Industrial Raster Scanner User’s Manual
Serial Commands
Diagnostic Output, Ethernet TCP Port 2
External Source Processing Mode, Ethernet TCP Port 2
EtherNet/IP Data Type
Symbol Data Output, EtherNet/IP
Extra Symbol Information, EtherNet/IP
Diagnostic Output, EtherNet/IP
External Source Processing Mode, EtherNet/IP
Preamble
Preamble Status
Serial Cmd: <K134,symbol data output,extra symbol information,diagnostic output,
external source processing mode>
Default: 1 = Enabled
Options: 0 = Disabled 1 = Enabled
Serial Cmd: <K134,symbol data output,extra symbol information,diagnostic output,
external source processing mode>
Default: 1 = Command
Options: 0 = Disabled 1 = Command 2 = Data
Serial Cmd: <K136,symbol data output,extra symbol information,diagnostic output,
external source processing mode>
Default: 1 = Enabled
Options: 0 = Disabled 1 = Enabled
Serial Cmd: <K136,symbol data output,extra symbol information,diagnostic output,
external source processing mode>
Default: 1 = Enabled
Options: 0 = Disabled 1 = Enabled
Serial Cmd: <K136,symbol data output,extra symbol information,diagnostic output,
external source processing mode>
Default: 1 = Enabled
Options: 0 = Disabled 1 = Enabled
Serial Cmd: <K136,symbol data output,extra symbol information,diagnostic output,
external source processing mode>
Default: 1 = Command
Options: 0 = Disabled 1 = Command 2 = Data
Serial Cmd: <K141,status,preamble character(s)>
Default: 0 = Disabled
Options: 0 = Disabled 1 = Enabled

QX-870 Industrial Raster Scanner User’s Manual A-25
Appendices
Preamble Characters
Postamble
Postamble Status
Postamble Characters
Response Timeout
LRC Status
ACK/NAK Options
RES-NAK Defaults
Serial Cmd: <K141,status,preamble character(s)>
Default: CR (0x0D)
Options: 1 – 4 ASCII characters
Serial Cmd: <K142,status,postamble character(s)>
Default: 1 = Enabled
Options: 0 = Disabled 1 = Enabled
Serial Cmd: <K142,status,postamble character(s)>
Default: CR LF (0x0D 0x0A)
Options: 1 – 4 ASCII characters
Serial Cmd: <K143,response timeout>
Default: 5 (x10 ms = 50)
Options: 0 to 255 (x10 ms)
Serial Cmd: <K145,status>
Default: 0 = Disabled
Options: 0 = Disabled 1 = Enabled
Serial Cmd: <K147,RES,REQ,STX,ETX,ACK,NAK>
RES: (Reset) 00 (disabled)
REQ: (Request) 00 (disabled)
STX: (Start of Text) 00 (disabled)
ETX: (End of Text) 00 (disabled)
ACK: (Acknowledge) 06
NAK: (Negative Acknowledge) 15

A-26 QX-870 Industrial Raster Scanner User’s Manual
Serial Commands
Polling Mode Options
RES-NAK Defaults
Autoconfiguration Daisy Chain
ASCII Character Entry Modifier
Commands that require ASCII text fields, such as Preamble and Postamble commands,
can be sent to the scanner as hex pairs (see Appendix E, ASCII Table, for conversions).
To enter ASCII fields as hex values (00 to FF), add a lower-case
h
directly after the command’s
K
number, and then enter the hex value that corresponds with the desired ASCII character.
Example:
The ASCII characters <, >, and , can only be entered as hex pairs. So, to make > the
postamble in the symbol decode output, enter the Postamble command as follows:
<K142h,,3E>
Note that the “status” field contains only a , . This is because the only field that is being
changed is the “postamble character(s)” field. (See Serial Configuration Command
Conventions for a more detailed explanation of this command shortcut.)
Protocol Selection
Protocol
Serial Cmd: <K148,RES,REQ,STX,ETX,ACK,NAK>
RES: (Reset) 04
REQ: (Request) 05
STX: (Start of Text) 02
ETX: (End of Text) 03
ACK: (Acknowledge) 06
NAK: (Negative Acknowledge) 15
Serial Cmd: <K150DAISY>
Serial Cmd Format: <Knnnh,00-FF>
Serial Cmd: <K142,status,postamble character(s)>
Serial Cmd: <K160,protocol,address,protocol port>
Options: 0 = Point-to-Point
1 = Point-to-Point with RTS/CTS
2 = Point-to-Point with XON/XOFF
3 = Point-to-Point with RTS/CTS and XON/XOFF
4 = ACK/NAK
5 = Polling Mode

QX-870 Industrial Raster Scanner User’s Manual A-27
Appendices
Address
Protocol Port
External Data Routing
Mode
Destination Port
Serial Cmd: <K160,protocol,address,protocol port>
Default: 1
Options: 1 – 50
1 = Poll address 0x1C, select address 0x1D
2 = Poll address 0x1E, select address 0x1F
...
50 = Poll address 0x7E, select address 0x7F
Serial Cmd: <K160,protocol,address,protocol port>
Default: 0
Options: 0 – 1
0 = Main RS-232 on QX-870 Connector A
1 = RS-422/485 on QX-870 Connector B
Serial Cmd: <K161,mode,destination port,ambles to source,echo to source,output at
end of read cycle,output at ETX,output at timeout>
Default: 0 = Disabled
Options: 0 = Disabled
1 = Transparent
2 = Half Duplex
3 = Full Duplex
4 = Customized
Serial Cmd: <K161,mode,destination port,ambles to source,echo to source,output at
end of read cycle,output at ETX,output at timeout>
Default: 0 = RS-232 on QX-870 Connector A
Options: 0 = RS-232 on QX-870 Connector A
1 = RS-232 on QX-870 Connector B
2 = RS-422 on QX-870 Connector B
4 = Ethernet TCP Port 1
5 = Ethernet TCP Port 2
6 = EtherNet/IP

A-28 QX-870 Industrial Raster Scanner User’s Manual
Serial Commands
Ambles to Source
Echo to Source
Output at End of Read Cycle
Output at ETX
Output at Timeout
Array Communication Modes
Mode
Serial Cmd: <K161,mode,destination port,ambles to source,echo to source,output at
end of read cycle,output at ETX,output at timeout>
Default: 0 = Disabled
Options: 0 = Disabled 1 = Enabled
Serial Cmd: <K161,mode,destination port,ambles to source,echo to source,output at
end of read cycle,output at ETX,output at timeout>
Default: 0 = Disabled
Options: 0 = Disabled 1 = Enabled
Serial Cmd: <K161,mode,destination port,ambles to source,echo to source,output at
end of read cycle,output at ETX,output at timeout>
Default: 0 = Disabled
Options: 0 = Disabled 1 = Enabled
Serial Cmd: <K161,mode,destination port,ambles to source,echo to source,output at
end of read cycle,output at ETX,output at timeout>
Default: CR (0x0D)
Options: Any 7-bit ASCII character
Serial Cmd: <K161,mode,destination port,ambles to source,echo to source,output at
end of read cycle,output at ETX,output at timeout>
Default: 200 (x10 ms = 2 seconds)
Options: 0 – 65535
Serial Cmd: <K162,mode,source,daisy chain i.d. status,daisy chain i.d.>
Default: 0 = Disabled
Options: 0 = Disabled 1 = Daisy Chain

QX-870 Industrial Raster Scanner User’s Manual A-29
Appendices
Source
Daisy Chain ID Status
Daisy Chain ID
Serial Cmd: <K162,mode,source,daisy chain i.d. status,daisy chain i.d.>
Default: 1 = RS-232 on QX-870 Connector B
Options: 0 = RS-232 on QX-870 Connector A
1 = RS-232 on QX-870 Connector B
2 = RS-422 on QX-870 Connector B
4 = Ethernet TCP Port 1
5 = Ethernet TCP Port 2
Serial Cmd: <K162,mode,source,daisy chain i.d. status,daisy chain i.d.>
Default: 0 = Disabled
Options: 0 = Disabled 1 = Enabled
Serial Cmd: <K162,mode,source,daisy chain i.d. status,daisy chain i.d.>
Default: 1/
Options: One or two ASCII characters.

A-30 QX-870 Industrial Raster Scanner User’s Manual
Serial Commands
Read Cycle
Trigger Mode / Filter Duration
Trigger Mode
Leading Edge Trigger Filter
Trailing Edge Trigger Filter
Trigger Mode / Trigger Filter Duration <K200,trigger mode,leading edge trigger filter duration,trailing
edge trigger filter duration>
Serial Trigger Character <K201,serial trigger character>
External Trigger State <K202,external trigger state>
End of Read Cycle <K220,mode,read cycle timeout>
Decodes Before Output <K221,mode,number before output>
Multisymbol <K222,number of symbols,multisymbol separator>
Serial Trigger Start Character <K229,start character>
Serial Trigger Stop Character <K230,stop character>
Processing Timeout <K245,processing timeout>
Scan Speed <K500,scan speed>
Maximum Element <K502,maximum element>
Automatic Gain Control <K504,gain level,AGC sampling mode,AGC minimum,AGC
maximum>
Symbol Detect Status / Transition
Counter <K505,symbol detect status,transition counter>
Raster Framing
<
K506,
status,top offset,bottom offset,sweep rate,read cycle on/off>
Scan Width Enhance <K511,status>
AGC Tracking <K520,tracking>
Laser Setup <K700,laser on/off,laser framing status,laser on position,laser off
position,laser power>
Serial Cmd: <K200,trigger mode,leading edge trigger filter,trailing edge trigger filter>
Default: 0 = Continuous Read
Options: 0 = Continuous Read
1 = Continuous Read 1 Output
2 = External Level
3 = External Edge
4 = Serial Data
5 = Serial Data and Edge
Serial Cmd: <K200,trigger mode,leading edge trigger filter,trailing edge trigger filter>
Default: 313 (~10 ms)
Options: 1 to 65535 (x 32.0 µs)
Serial Cmd: <K200,trigger mode,leading edge trigger filter,trailing edge trigger filter>
Default: 313 (~10 ms)
Options: 1 to 65535 (x 32.0 µs)

QX-870 Industrial Raster Scanner User’s Manual A-31
Appendices
Serial Trigger Character (Delimited)
External Trigger State
End of Read Cycle
End of Read Cycle Mode
Read Cycle Timeout
Decodes Before Output
Decodes Before Output
Mode
Multisymbol
Number of Symbols
Serial Cmd: <K201,serial trigger character>
Default: Space (0x20)
Options: Any 7-bit ASCII character
Serial Cmd: <K202,active state>
Default: 1 = Positive
Options: 0 = Negative 1 = Positive
Serial Cmd: <K220,end of read cycle,read cycle timeout>
Default: 0 = Timeout
Options: 0 = Timeout
1 = New Trigger
2 = Timeout or New Trigger
3 = Last Frame
4 = Last Frame or New Trigger
Serial Cmd: <K220,end of read cycle,read cycle timeout>
Default: 100 (x10 ms = 1 second)
Options: 1 to 65535
Serial Cmd: <K221,decodes before output,mode>
Default: 1
Options: 1 to 255
Serial Cmd: <K221,decodes before output,mode>
Default: 0 = Non-Consecutive
Options: 0 = Non-Consecutive 1 = Consecutive
Serial Cmd: <K222,number of symbols,multisymbol separator>
Default: 1
Options: 1 to 100

A-32 QX-870 Industrial Raster Scanner User’s Manual
Serial Commands
Multisymbol Separator
Start Trigger Start Character (Non-Delimited)
Stop Trigger Stop Character (Non-Delimited)
Processing Timeout
Scan Speed
Maximum Element
Automatic Gain Control
AGC Level
AGC Mode
Serial Cmd: <K222,number of symbols,multisymbol separator>
Default: , (comma)
Options: Any 7-bit ASCII character
Serial Cmd: <K229,start character>
Default: NULL (0x00)
Options:
Two hex digits representing any ASCII character except
<
,
>
,
XON
, and
XOFF
.
Serial Cmd: <K230,stop character>
Default: NULL (0x00)
Options:
Two hex digits representing any ASCII character except
<
,
>
,
XON
, and
XOFF
.
Serial Cmd: <K245,processing timeout>
Default: 200 (0.2 seconds)
Options: 1 to 65535
Serial Cmd: <K500,scan speed>
Default: 30 (300 scans per second)
Options: 30 to 140 (x10 scans per second)
Serial Cmd: <K502,maximum element>
Default: 400 (x 0.01% of scan)
Options: 50 to 5000
Serial Cmd: <K504,AGC level,AGC mode,minimum gain,maximum gain>
Default:
40 (QX-870 model-dependent – see Microscan Product Pricing Catalog)
Options: 0 to 255
Serial Cmd: <K504,AGC level,AGC mode,minimum gain,maximum gain>
Default: 2 = Continuous
Options: 0 = Disabled 1 = Leading Edge 2 = Continuous

QX-870 Industrial Raster Scanner User’s Manual A-33
Appendices
Minimum Gain
Maximum Gain
Symbol Detect Status / Transition Counter
Symbol Detect Status
Transition Counter
Raster Framing
Raster Framing Status
Top Offset
Bottom Offset
Sweep Rate
Serial Cmd: <K504,AGC level,AGC mode,minimum gain,maximum gain>
Default: 0
(QX-870 model-dependent – see Microscan Product Pricing Catalog)
Options: 0 to 255
Serial Cmd: <K504,AGC level,AGC mode,minimum gain,maximum gain>
Default:
255 (QX-870 model-dependent – see Microscan Product Pricing Catalog)
Options: 0 to 255
Serial Cmd: <K505,symbol detect status,transition counter>
Default: 0 = Disabled
Options: 0 = Disabled 1 = Enabled
Serial Cmd: <K505,symbol detect status,transition counter>
Default: 14
Options: 1 to 255
Serial Cmd: <K506,status,top offset,bottom offset,sweep rate,read cycle on/off>
Default: 1 = Enabled
Options: 0 = Disabled 1 = Enabled
Serial Cmd: <K506,status,top offset,bottom offset,sweep rate,read cycle on/off>
Default: 88
Options: 0 - 255
Serial Cmd: <K506,status,top offset,bottom offset,sweep rate,read cycle on/off>
Default: 167
Options: 0 - 255
Serial Cmd: <K506,status,top offset,bottom offset,sweep rate,read cycle on/off>
Default: 10
Options: 0 - 80

A-34 QX-870 Industrial Raster Scanner User’s Manual
Serial Commands
Read Cycle On/Off
Scan Width Enhance
AGC Tracking
Laser Setup
Laser On/Off Status
Laser Framing Status
Laser On Position
Laser Off Position
Serial Cmd: <K506,status,top offset,bottom offset,sweep rate,read cycle on/off>
Default: 0 = Disabled
Options: 0 = Disabled 1 = Enabled
Serial Cmd: <K511,status>
Default: 0 = Disabled
Options: 0 = Disabled 1 = Enabled
Serial Cmd: <K520,tracking value>
Default:
40 (QX-870 model-dependent – see Microscan Product Pricing Catalog)
Options: 5 to 127
Serial Cmd: <K700,laser on/off status,laser framing status,laser on position,laser off
position,laser power>
Default: 0 = Disabled
Options: 0 = Disabled 1 = Enabled
Serial Cmd: <K700,laser on/off status,laser framing status,laser on position,laser off
position,laser power>
Default: 0 = Disabled
Options: 0 = Disabled 1 = Enabled
Serial Cmd: <K700,laser on/off status,laser framing status,laser on position,laser off
position,laser power>
Default: 10
Options: 10 to 90
Serial Cmd: <K700,laser on/off status,laser framing status,laser on position,laser off
position,laser power>
Default: 95
Options: 15 to 95

QX-870 Industrial Raster Scanner User’s Manual A-35
Appendices
Laser Power
Serial Cmd: <K700,laser on/off status,laser framing status,laser on position,laser off
position,laser power>
Default: 1 = Medium
Options: 0 = Low 1 = Medium 2 = High

A-36 QX-870 Industrial Raster Scanner User’s Manual
Serial Commands
Configuration Database
Number of Active Indexes
Number of Active Indexes
Number of Database Cycles
Configuration Database
Index
Gain
AGC Mode
Number of Active Indexes <K252,number of active indexes,number of database cycles>
Configuration Database
<K253,index,gain,AGC mode,tracking,raster top,raster bottom,raster
speed,framing status,laser on position,laser off position,laser power,
background color>
Switch Timing <K254,switch mode,frame count/time>
Serial Cmd: <K252,number of active indexes,number of database cycles>
Default: 0 (Disabled)
Options: 0 to 10
Serial Cmd: <K252,number of active indexes,number of database cycles>
Default: 0 (Disabled)
Options: 0 to 255
Serial Cmd:
<
K253,index
,gain,AGC mode,tracking,raster top,raster bottom,raster
speed,framing status, laser on position,laser off position,laser power,
background color>
Options: 1 to 10 (database index number)
Serial Cmd:
<
K253,
index,
gain
,AGC mode,tracking,raster top,raster bottom,raster
speed,framing status, laser on position,laser off position,laser power,background
color>
Default: 40
Options: 0 to 255
Serial Cmd:
<
K253,
index,gain,
AGC mode
,tracking,raster top,raster bottom,raster speed,
framing status,
laser on position,laser off position,laser power,background
color>
Default: 2 = Continuous
Options: 0 = Disabled 1 = Leading Edge 2 = Continuous

QX-870 Industrial Raster Scanner User’s Manual A-37
Appendices
Tracking
Raster Top
Raster Bottom
Raster Speed
Framing Status
Laser On Position
Serial Cmd:
<
K253,
index,gain,AGC mode,
tracking
,raster top,raster bottom,raster
speed,framing status,
laser on position,laser off position,laser power,
background color>
Default: 40
Options: 5 to 127
Serial Cmd:
<
K253,
index,gain,AGC mode,
tracking
,
raster top
,raster bottom,raster
speed,framing status,
laser on position,laser off position,laser power,
background color>
Default: 88
Options: 0 to 255
Serial Cmd:
<
K253,
index,gain,AGC mode,
tracking
,raster top,
raster bottom
,raster
speed,framing status,
laser on position,laser off position,laser power,
background color>
Default: 167
Options: 0 to 255
Serial Cmd:
<
K253,
index,gain,AGC mode,
tracking
,raster top,raster bottom,
raster
speed
,framing status,
laser on position,laser off position,laser power,
background color>
Default: 10
Options: 0 to 80
Serial Cmd:
<
K253,
index,gain,AGC mode,tracking,raster top,raster bottom,raster
speed,
framing status
, laser on position,laser off position,laser power,background
color>
Default: 0 = Disabled
Options: 0 = Disabled 1 = Enabled
Serial Cmd:
<
K253,
index,gain,AGC mode,tracking,raster top,raster bottom,raster
speed,framing status,
laser on position,laser off position,laser power,
background color>
Default: 10
Options: 10 to 90

A-38 QX-870 Industrial Raster Scanner User’s Manual
Serial Commands
Laser Off Position
Laser Power
Background Color
Switch Timing
Switch Mode
Frame Count/Time
Serial Cmd:
<
K253,
index,gain,AGC mode,tracking,raster top,raster bottom,raster
speed,framing status,
laser on position,laser off position,laser power,
background color>
Default: 95
Options: 15 to 95
Serial Cmd:
<
K253,
index,gain,AGC mode,tracking,raster top,raster bottom,raster
speed,,framing status, laser on position,laser off position,
laser power
,background
color>
Default: 1 = Medium
Options: 0 = Low 1 = Medium 2 = High
Serial Cmd:
<
K253,
index,gain,AGC mode,tracking,raster top,raster bottom,raster
speed,framing status, laser on position,laser off position,laser power,
background
color>
Default: 0 = White
Options: 0 = White 1 = Black
Serial Cmd: <K254,switch mode,frame count/time>
Default: 0 = Time
Options: 0 = Time
1 = Number of raster sweeps
Serial Cmd: <K254,switch mode,frame count/time>
Default: 10 (100 ms)
Options: 1 to 65535 (in 10 ms increments)

QX-870 Industrial Raster Scanner User’s Manual A-39
Appendices
Symbologies
Quiet Zone
Quiet Zone <K450,quiet zone status>
Background Color <K451,background color>
Symbol Ratios <K452,Code 39,Codabar,Interleaved 2 of 5>
Composite <K453,symbology status,separator status,separator>
AIAG
<K454,status,ID1,status1,ID2,status2,ID3,status3,ID4,status4,
ID5a,ID5b,ID5c,status5, ID6,status6,ID7,status7,ID8, status8,
ID9,status9,ID10,status10,ID11,status11,ID12,status12>
Depth of Field Enhance <K456,
DOF Enhance mode>
Code 39
<
K470,
status,check character status,check character output status,
large intercharacter gap,fixed symbol length status,fixed symbol
length,full ASCII set>
Codabar
<K471,status,start/stop match status,start/stop output status,
large intercharacter gap,fixed symbol length status,fixed symbol
length,check character type,check character output status>
Interleaved 2 of 5
<
K472,
status,check character status,check character output status,
symbol
length 1,symbol length 2,guard bar,range mode status>
UPC/EAN <K473,mode,EAN status,supplementals
status,separator status,
separator
character,supplementals type,UPC-E as UPC-A>
Code 128 / EAN 128
<K474,status,fixed symbol length status,fixed symbol length,
EAN status,output format,application record separator status,
application
record separator character,application record brackets,
application record padding,separation factor>
Code 93 <K475,mode,fixed symbol length status,symbol length>
PDF417 <K476,status,raster sweep count,fixed symbol length status,
fixed symbol length,unused,codeword collection>
Pharmacode <K477,status,fixed bar count status,fixed bar count,minimum bar
count,bar width mode,direction,fixed threshold value>
DataBar Omnidirectional (RSS-14) <K482,status>
DataBar Limited (RSS Limited) <K483,status>
DataBar Expanded (RSS Expanded) <K484,status,fixed symbol length status,fixed symbol length>
MicroPDF417 <K485,status,raster sweep count,fixed symbol length status,
fixed symbol length>
Symbol Reconstruction <K496,symbol reconstruction redundancy,symbol reconstruction
effort>
Serial Cmd: <K450,quiet zone status>
Default: 3 = Narrow, Enhanced
Options: 0 = Standard
1 = Narrow
2 = Standard, Enhanced
3 = Narrow, Enhanced

A-40 QX-870 Industrial Raster Scanner User’s Manual
Serial Commands
Background Color
Symbol Ratios
Code 39
Codabar
Interleaved 2 of 5
Composite
Symbology Status (Composite)
Separator Status (Composite)
Serial Cmd: <K451,background color>
Default: 0 = White
Options: 1 = Black
Serial Cmd: <K452,Code 39,Codabar,Interleaved 2 of 5>
Default: 1 = Standard
Options: 0 = Tight
1 = Standard
2 = Aggressive
Serial Cmd: <K452,Code 39,Codabar,Interleaved 2 of 5>
Default: 1 = Standard
Options: 0 = Tight
1 = Standard
2 = Aggressive
Serial Cmd: <K452,Code 39,Codabar,Interleaved 2 of 5>
Default: 1 = Standard
Options: 0 = Tight
1 = Standard
2 = Aggressive
Serial Cmd: <K453,symbology status,separator status,separator>
Default: 0 = Disabled
Options: 0 = Disabled 1 = Enabled 2 = Required
Serial Cmd: <K453,symbology status,separator status,separator>
Default: 0 = Disabled
Options: 0 = Disabled 1 = Enabled

QX-870 Industrial Raster Scanner User’s Manual A-41
Appendices
Separator (Composite)
AIAG
Depth of Field Enhance
Code 39
Check Character Status (Code 39)
Check Character Output Status (Code 39)
Serial Cmd: <K453,symbology status,separator status,separator>
Default: , (comma)
Options: Any 7-bit ASCII character
Serial Cmd: <K454,status,ID1,status1,ID2,status2,ID3,status3,ID4,status4,ID5a,ID5b,
ID5c,status5,ID6,status6,ID7,status7,ID8,status8,ID9, status9,ID10, status10,
ID11,status11,ID12,status12>
Default: 0 = Disabled
Options: 0 = Disabled 1 = Enabled
Serial Cmd: <K456,mode>
Default: 2 = Medium
Options: 0 = Disabled
1 = Low
2 = Medium
3 = High
Serial Cmd: <K470,status,check character status,check character output status,large
intercharacter gap,fixed symbol length status,fixed symbol length,full ASCII
set>
Default: 1 = Enabled
Options: 0 = Disabled 1 = Enabled
Serial Cmd:
<
K470,
status,
check character status
,check character output status,large
intercharacter
gap,fixed symbol length status,fixed symbol length,full ASCII
set>
Default: 0 = Disabled
Options: 0 = Disabled 1 = Enabled
Serial Cmd:
<
K470,
status,check character status,
check character output status
,large
intercharacter
gap,fixed symbol length status,fixed symbol length,full ASCII
set>
Default: 0 = Disabled
Options: 0 = Disabled 1 = Enabled

A-42 QX-870 Industrial Raster Scanner User’s Manual
Serial Commands
Large Intercharacter Gap (Code 39)
Fixed Symbol Length Status (Code 39)
Fixed Symbol Length (Code 39)
Full ASCII Set (Code 39)
Codabar
Start/Stop Match (Codabar)
Serial Cmd:
<
K470,
status,check character status,check character output status,
large
intercharacter
gap,fixed symbol length status,fixed symbol length,full
ASCII set>
Default: 0 = Disabled
Options: 0 = Disabled 1 = Enabled
Serial Cmd: <K470,status,check character status,check character output status,large
intercharacter gap,fixed symbol length status,fixed symbol length,full
ASCII set>
Default: 0 = Disabled
Options: 0 = Disabled 1 = Enabled
Serial Cmd: <K470,status,check character status,check character output status,large
intercharacter gap,fixed symbol length status,fixed symbol length,full
ASCII set>
Default: 10
Options: 1 to 128
Serial Cmd: <K470,status,check character status,check character output status,large
intercharacter gap,fixed symbol length status,fixed symbol length,
full ASCII set
>
Default: 0 = Disabled
Options: 0 = Disabled 1 = Enabled
Serial Cmd: <K471,status,start/stop match,start/stop output,large intercharacter
gap,fixed symbol length status,symbol length,check character type,check
character output>
Default: 0 = Disabled
Options: 0 = Disabled 1 = Enabled
Serial Cmd: <K471,status,start/stop match,start/stop output,large intercharacter
gap,fixed symbol length status,symbol length,check character type,check
character output>
Default: 1 = Enabled
Options: 0 = Disabled 1 = Enabled

QX-870 Industrial Raster Scanner User’s Manual A-43
Appendices
Start/Stop Output (Codabar)
Large Intercharacter Gap (Codabar)
Fixed Symbol Length Status (Codabar)
Symbol Length (Codabar)
Check Character Type (Codabar)
Serial Cmd: <K471,status,start/stop match,start/stop output,large intercharacter
gap,fixed symbol length status,symbol length,check character type,check
character output>
Default: 1 = Enabled
Options: 0 = Disabled 1 = Enabled
Serial Cmd: <K471,status,start/stop match,start/stop output,large intercharacter
gap,fixed symbol length status,symbol length,check character type,check
character output>
Default: 0 = Disabled
Options: 0 = Disabled 1 = Enabled
Serial Cmd:
<
K471,
status,start/stop match,start/stop output,large intercharacter gap,
fixed
symbol length status
,symbol length,check character type,check character
output>
Default: 0 = Disabled
Options: 0 = Disabled 1 = Enabled
Serial Cmd: <K471,status,start/stop match,start/stop output,large intercharacter gap,fixed
symbol length status,symbol length,check character type,check character
output>
Default: 10
Options: 1 to 128
Serial Cmd: <K471,status,start/stop match,start/stop output,large intercharacter gap,fixed
symbol length status,symbol length,check character type,check character
output>
Default: 0 = Disabled
Options: 0 = Disabled
1 = Mod 16
2 = NW7 (Mod 11)
3 = Both Mod 16 and NW7 (Mod 11)

A-44 QX-870 Industrial Raster Scanner User’s Manual
Serial Commands
Check Character Output (Codabar)
Interleaved 2 of 5
Check Character Status (Interleaved 2 of 5)
Check Character Output Status (Interleaved 2 of 5)
Symbol Length #1 (Interleaved 2 of 5)
Symbol Length #2 (Interleaved 2 of 5)
Guard Bar Status (Interleaved 2 of 5)
Serial Cmd: <K471,status,start/stop match,start/stop output,large intercharacter gap,fixed
symbol length status,symbol length,check character type,check character
output>
Default: 0 = Disabled
Options: 0 = Disabled 1 = Enabled
Serial Cmd: <K472,status,check character status,check character output status,symbol
length #1,symbol length #2,guard bar status,range mode status>
Default: 1 = Enabled
Options: 0 = Disabled 1 = Enabled
Serial Cmd: <K472,status,check character status,check character output status,symbol
length #1,symbol length #2,guard bar status,range mode status>
Default: 0 = Disabled
Options: 0 = Disabled 1 = Enabled
Serial Cmd:
<
K472,
status,check character status,
check character output status
,symbol
length #1,symbol length #2,guard bar status,range mode status>
Default: 0 = Disabled
Options: 0 = Disabled 1 = Enabled
Serial Cmd: <K472,status,check character status,check character output,symbol length
#1,symbol length #2,guard bar status,range mode status>
Default: 16
Options: 0 to 128
Serial Cmd: <K472,status,check character status,check character output,symbol length
#1,symbol length #2,guard bar status,range mode status>
Default: 6
Options: 0 to 128
Serial Cmd: <K472,status,check character status,check character output,symbol length
#1,symbol length #2,guard bar status,range mode status>
Default: 0 = Disabled
Options: 0 = Disabled 1 = Enabled

QX-870 Industrial Raster Scanner User’s Manual A-45
Appendices
Range Mode Status (Interleaved 2 of 5)
UPC/EAN
EAN Status
Supplementals Status (UPC/EAN)
Separator Status (UPC/EAN)
Separator Character (UPC/EAN)
Serial Cmd: <K472,status,check character status,check character output,symbol length
#1,symbol length #2,guard bar status,range mode status>
Default: 1 = Enabled
Options: 0 = Disabled 1 = Enabled
Serial Cmd: <K473,UPC status,EAN status,supplementals status,separator status,
separator character,supplemental type,format UPC-E as UPC-A>
Default: 3 = Both Standard and Edge-to-Edge
Options: 0 = Disabled
1 = Standard
2 = Edge-to-Edge
3 = Both Standard and Edge-to-Edge
Serial Cmd: <K473,UPC status,EAN status,supplementals status,separator status,
separator character,supplemental type,format UPC-E as UPC-A>
Default: 1 = Enabled
Options: 0 = Disabled 1 = Enabled
Serial Cmd: <K473,UPC status,EAN status,supplementals status,separator status,
separator character,supplemental type,format UPC-E as UPC-A>
Default: 0 = Disabled
Options: 0 = Disabled 1 = Enabled 2 = Required
Serial Cmd: <K473,UPC status,EAN status,supplementals status,separator status,
separator character,supplemental type,format UPC-E as UPC-A>
Default: 0 = Disabled
Options: 0 = Disabled 1 = Enabled
Serial Cmd: <K473,UPC status,EAN status,supplementals status,separator status,
separator character,supplemental type,format UPC-E as UPC-A>
Default: , (comma)
Options: Any 7-bit ASCII character

A-46 QX-870 Industrial Raster Scanner User’s Manual
Serial Commands
Supplemental Type (UPC/EAN)
Format UPC-E as UPC-A (UPC/EAN)
Code 128/EAN 128
Fixed Symbol Length Status (Code 128/EAN 128)
Fixed Symbol Length (Code 128/EAN 128)
Serial Cmd: <K473,UPC status,EAN status,supplementals status,separator status,
separator character,supplemental type,format UPC-E as UPC-A>
Default: 0 = Both
Options: 0 = Both 1 = 2 characters only 2 = 5 characters only
Serial Cmd: <K473,UPC status,EAN status,supplementals status,separator status,
separator character,supplemental type,format UPC-E as UPC-A>
Default: 0 = Disabled
Options: 0 = Disabled 1 = Enabled
Serial Cmd:
<
K474,status
,fixed symbol length status,fixed symbol length,EAN 128 status
,
output format,application record separator status,application record separator
character,application record brackets,application record padding
,separation
factor>
Default: 3 = Both Standard and Edge-to-Edge
Options: 0 = Disabled
1 = Standard
2 = Edge-to-Edge
3 = Both Standard and Edge-to-Edge
Serial Cmd:
<
K474,
status,
fixed symbol length status
,fixed symbol length,EAN 128 status
,
output format,application record separator status,application record separator
character,application record brackets,application record padding
,separation
factor>
Default: 0 = Disabled
Options: 0 = Disabled 1 = Enabled
Serial Cmd: <K474,status,fixed symbol length status,fixed symbol length,EAN 128
status,output format,application record separator status,application record
separator character,application record brackets,application record padding
,
separation
factor>
Default: 10
Options: 1 to 128

QX-870 Industrial Raster Scanner User’s Manual A-47
Appendices
EAN 128 Status (Code 128/EAN 128)
Output Format (Code 128/EAN 128)
Application Record Separator Status
(Code 128/EAN 128)
Application Record Separator Character
(Code 128/EAN 128)
Application Record Brackets (Code 128/EAN 128)
Serial Cmd:
<
K474,
status,fixed symbol length status,fixed symbol length,
EAN 128 status
,
output format,application record separator status,application record separator
character,application record brackets,application record padding
,separation
factor>
Default: 1 = Enabled
Options: 0 = Disabled 1 = Enabled 2 = Required
Serial Cmd: <K474,status,fixed symbol length status,fixed symbol length,EAN 128 status,
output format
,application record separator status,application record separator
character,application record brackets,application record padding
,separation
factor>
Default: 0 = Standard
Options: 0 = Standard 1 = Application
Serial Cmd: <K474,status,fixed symbol length status,fixed symbol length,EAN 128 status,
output format,
application record separator status
,application record separator
character,application record brackets,application record padding
,separation
factor>
Default: 0 = Disabled
Options: 0 = Disabled 1 = Enabled
Serial Cmd: <
K474,
status,fixed symbol length status,fixed symbol length,EAN 128 status,
output format,application record separator status,
application record separator
character
,application record brackets,application record padding
,separation
factor>
Default:
, (comma)
Options:
Any 7-bit ASCII character
Serial Cmd: <K474,status,fixed symbol length status,fixed symbol length,EAN 128 status,
output format,application record separator status,application record separator
character,
application record brackets
,application record padding,separation
factor>
Default: 0 = Disabled
Options: 0 = Disabled 1 = Enabled

A-48 QX-870 Industrial Raster Scanner User’s Manual
Serial Commands
Application Record Padding (Code 128/EAN 128)
Separation Factor
Code 93
Fixed Symbol Length Status (Code 93)
Symbol Length (Code 93)
PDF417
Serial Cmd: <K474,status,fixed symbol length status,fixed symbol length,EAN 128 status,
output format,application record separator status,application record separator
character,application record brackets,
application record padding
,separation
factor>
Default: 0 = Disabled
Options: 0 = Disabled 1 = Enabled
Serial Cmd: <K474,status,fixed symbol length status,fixed symbol length,EAN 128 status,
output format,application record separator status,application record separator
character,application record brackets,application record padding,separation
factor>
Default: 0 = Normal
Options: 0 = Normal
1 = High
2 = Highest
Serial Cmd: <K475,status,fixed symbol length status,symbol length>
Default: 3 = Both Standard and Edge-to-Edge
Options: 0 = Disabled
1 = Standard
2 = Edge-to-Edge
3 = Both Standard and Edge-to-Edge
Serial Cmd: <K475,status,fixed symbol length status,symbol length>
Default: 0 = Disabled
Options: 0 = Disabled 1 = Enabled
Serial Cmd: <K475,status,fixed symbol length status,symbol length>
Default: 10
Options: 1 to 128
Serial Cmd: <K476,status,raster sweep count,fixed symbol length status,fixed symbol
length,unused,decode at end of read cycle>
Default: 0 = Disabled
Options: 0 = Disabled 1 = Enabled

QX-870 Industrial Raster Scanner User’s Manual A-49
Appendices
Raster Sweep Count
Fixed Symbol Length Status (PDF417)
Fixed Symbol Length (PDF417)
Decode at End of Read Cycle (PDF417)
Pharmacode
Fixed Symbol Length Status (Pharmacode)
Fixed Symbol Length (Pharmacode)
Serial Cmd: <K476,status,raster sweep count,fixed symbol length status,fixed symbol
length,unused,decode at end of read cycle>
Default: 65535
Options: 1 to 65535
Serial Cmd: <K476,status,raster sweep count,fixed symbol length status,fixed symbol
length,unused,decode at end of read cycle>
Default: 0 = Disabled
Options: 0 = Disabled 1 = Enabled
Serial Cmd: <K476,status,raster sweep count,fixed symbol length status,fixed symbol
length,unused,decode at end of read cycle>
Default: 10
Options: 1 to 2710
Serial Cmd: <K476,status,raster sweep count,fixed symbol length status,fixed symbol
length,unused,decode at end of read cycle>
Default: 0 = Disabled
Options: 0 = Disabled 1 = Enabled
Serial Cmd: <K477,status,fixed symbol length status,fixed symbol length,minimum
bars,bar width status,direction,fixed threshold value>
Default: 0 = Disabled
Options: 0 = Disabled 1 = Enabled
Serial Cmd: <K477,status,fixed symbol length status,fixed symbol length,minimum
bars,bar width status,direction,fixed threshold value>
Default: 0 = Disabled
Options: 0 = Disabled 1 = Enabled
Serial Cmd: <K477,status,fixed symbol length status,fixed symbol length,minimum
bars,bar width status,direction,fixed threshold value>
Default: 10
Options: 1 to 16

A-50 QX-870 Industrial Raster Scanner User’s Manual
Serial Commands
Minimum Bars (Pharmacode)
Bar Width Status (Pharmacode)
Direction (Pharmacode)
Fixed Threshold Value (Pharmacode)
Serial Cmd: <K477,status,fixed symbol length status,fixed symbol length,minimum
bars,bar width status,direction,fixed threshold value>
Default: 4
Options: 1 to 16
Serial Cmd: <K477,status,fixed symbol length status,fixed symbol length,minimum
bars,bar width status,direction,fixed threshold value>
Default: 0 = Mixed
Options: 0 = Mixed
1 = All Narrow
2 = All Wide
3 = Fixed Threshold
Serial Cmd: <K477,status,fixed symbol length status,fixed symbol length,minimum
bars,bar width status,direction,fixed threshold value>
Default: 0 = Forward
Options: 0 = Forward 1 = Reverse
Serial Cmd: <K477,status,fixed symbol length status,fixed symbol length,minimum
bars,bar width status,direction,fixed threshold value>
Default: 400
Options: 1 to 65535

QX-870 Industrial Raster Scanner User’s Manual A-51
Appendices
GS1 DataBar (RSS)
DataBar Omnidirectional (RSS-14)
DataBar Limited (RSS Limited)
DataBar Expanded (RSS Expanded)
Fixed Symbol Length Status (DataBar Expanded)
Fixed Symbol Length (DataBar Expanded)
Serial Cmd: <K482,status>
Default: 0 = Disabled
Options: 0 = Disabled 1 = Enabled
Serial Cmd: <K483,status>
Default: 0 = Disabled
Options: 0 = Disabled 1 = Enabled
Serial Cmd: <K484,status,fixed symbol length status,fixed symbol length>
Default: 0 = Disabled
Options: 0 = Disabled 1 = Enabled
Serial Cmd: <K484,status,fixed symbol length status,fixed symbol length>
Default: 0 = Disabled
Options: 0 = Disabled 1 = Enabled
Serial Cmd: <K484,status,fixed symbol length status,fixed symbol length>
Default: 14
Options: 1 to 74

A-52 QX-870 Industrial Raster Scanner User’s Manual
Serial Commands
MicroPDF417
Raster Sweep Count (MicroPDF417)
Fixed Symbol Length Status (MicroPDF417)
Fixed Symbol Length (MicroPDF417)
Serial Cmd: <K485,status,raster sweep count,fixed symbol length status,fixed symbol
length>
Default: 0 = Disabled
Options: 0 = Disabled 1 = Enabled
Serial Cmd: <K485,status,raster sweep count,fixed symbol length status,fixed symbol
length>
Default: 65535
Options: 1 to 65535
Serial Cmd: <K485,status,raster sweep count,fixed symbol length status,fixed symbol
length>
Default: 0 = Disabled
Options: 0 = Disabled 1 = Enabled
Serial Cmd: <K485,status,raster sweep count,fixed symbol length status,fixed symbol
length>
Default: 10
Options: 1 to 366

QX-870 Industrial Raster Scanner User’s Manual A-53
Appendices
Symbol Reconstruction
Symbol Reconstruction Redundancy
Symbol Reconstruction Effort
Serial Cmd: <K496,symbol reconstruction redundancy,symbol reconstruction effort>
Default: 0 = Disabled
Options: 0 = Disabled
1 = Low
2 = Medium
3 = High
Serial Cmd: <K496,symbol reconstruction redundancy,symbol reconstruction effort>
Default: 0 = Minimum
Options: 0 = Minimum
1 = Moderate
2 = Maximum

A-54 QX-870 Industrial Raster Scanner User’s Manual
Serial Commands
I/O Parameters
Calibration Options <K521,raster framing,video,scan speed,laser power,laser framing,
symbology>
Serial Verification
<
K701,
serial command echo status, serial command beep status,
control/hex
output>
Beeper <K702,status>
Quality Output <K704,quality output separator, decodes per trigger status,
decode direction output>
Symbol Data Output <K705,symbol data output status, when to output symbol data,
symbology i.d. output status>
Read Duration Output <K706,status,separator>
No Read Message <K714,status,message>
Bad Symbol Message <K715,status,message>
No Symbol Message <K716,status,message>
Input 1 <K730,input mode,active state>
Green Flash LED
<
K750,
green flash mode,unused,green flash duration>
Status Indicators <K751,status,bar graph,I/O 1,I/O 2>
Symbol Position Output <K758,raster position output status,scan position output status,
separator>
Database Identifier Output <K759,status,separator character>
EZ Button <K770,status,default on power-on>
EZ Button Modes <K771,single beep,two beeps,three beeps,four beeps>
Auto Framing Options
<K773,laser framing>
Trend Analysis Output 1 <K780,trend analysis mode,number of triggers,number to output
on,decodes per trigger>
Trend Analysis Output 2 <K781,trend analysis mode,number of triggers,number to output
on,decodes per trigger>
Trend Analysis Output 3 <K782,trend analysis mode,number of triggers,number to output
on,decodes per trigger>
Diagnostics Output 1 <K790,high temperature,service unit,unused,laser current high,
laser current low,low temperature>
Diagnostics Output 2 <K791,high temperature,service unit,unused,laser current high,
laser current low,low temperature>
Diagnostics Output 3 <K792,high temperature,service unit,unused,laser current high,
laser current low,low temperature>
Output 1 Parameters <K810,output on,output state,pulse width,output mode>
Output 2 Parameters <K811,output on,output state,pulse width,output mode>
Output 3 Parameters <K812,output on,output state,pulse width,output mode>

QX-870 Industrial Raster Scanner User’s Manual A-55
Appendices
Calibration Options
Raster Framing
Video
Scan Speed
Laser Power
Laser Framing
Symbology
Serial Verification
Serial Command Echo Status
Serial Cmd:
<
K521,raster framing
,video,scan speed,laser power,laser framing,symbology>
Default: 1 = Raster Frame
Options: 0 = As-Is 1 = Raster Frame 2 = Raster Search
2 = Raster Straight Line
Serial Cmd:
<
K521,
raster framing,
video
,scan speed,laser power,laser framing,symbology>
Default: 1 = Calibrate
Options: 0 = Don’t Calibrate 1 = Calibrate
Serial Cmd:
<
K521,
raster framing,video,
scan speed
,laser power,laser framing,symbology>
Default: 1 = Calibrate
Options: 0 = Don’t Calibrate 1 = Calibrate
Serial Cmd:
<
K521,
raster framing,video,scan speed,
laser power
,laser framing,symbology>
Default: 1 = Calibrate
Options: 0 = Don’t Calibrate 1 = Calibrate
Serial Cmd:
<
K521,
raster framing,video,scan speed,laser power,
laser framing
,symbology>
Default: 0 = Don’t Calibrate
Options: 0 = Don’t Calibrate 1 = Calibrate
Serial Cmd:
<
K521,
raster framing,video,scan speed,laser power,laser framing,
symbology
>
Default: 1 = Calibrate
Options: 0 = Don’t Calibrate 1 = Calibrate
Serial Cmd: <K701,serial command echo status,serial command beep status,
control/hex output>
Default: 0 = Disabled
Options: 0 = Disabled 1 = Enabled

A-56 QX-870 Industrial Raster Scanner User’s Manual
Serial Commands
Serial Command Beep Status
Control/Hex Output
Beeper
Quality Output
Separator
Decodes per Trigger Status
Symbol Data Output
Symbol Data Output Status
When to Output Symbol Data
Serial Cmd: <K701,serial command echo status,serial command beep status,
control/hex output>
Default: 0 = Disabled
Options: 0 = Disabled 1 = Enabled
Serial Cmd: <K701,serial command echo status,serial command beep status,control/hex
output>
Default: 0 = Control
Options: 0 = Control 1 = Hex
Serial Cmd: <K702,beeper status>
Default: 1 = Good Read
Options: 0 = Disabled 1 = Good Read 2 = No Read
Serial Cmd: <K704,separator,decodes per trigger status>
Default: , (comma)
Options: Any 7-bit ASCII character
Serial Cmd: <K704,separator,decodes per trigger status>
Default: 0 = Disabled
Options: 0 = Disabled 1 = Enabled
Serial Cmd: <K705,symbol data output status,when to output,symbology i.d. output
status>
Default: 3 = Good Read
Options: 0 = Disabled 1 = Match 2 = Mismatch
3 = Good Read
Serial Cmd: <K705,symbol data output status,when to output,symbology i.d. output
status>
Default: 0 = As Soon As Possible
Options: 0 = ASAP 1 = End of Read Cycle

QX-870 Industrial Raster Scanner User’s Manual A-57
Appendices
Symbology ID Output Status
Read Duration Output
Read Duration Output Mode
Read Duration Output Separator
No Read Message
No Read Message Status
No Read Message
Bad Symbol Message
Bad Symbol Message Status
Bad Symbol Message
Serial Cmd: <K705,symbol data output status,when to output,symbology i.d. output
status>
Default: 0 = Disabled
Options: 0 = Disabled 1 = Enabled (AIM-Defined ID) 2 = Readable ID
Serial Cmd: <K706,status,separator>
Default: 0 = Disabled
Options: 0 = Disabled 1 = Enabled
Serial Cmd: <K706,status,separator>
Default: Space (0x20)
Options: Any 7-bit ASCII character
Serial Cmd: <K714,No Read message status,No Read message>
Default: 1 = Enabled
Options: 0 = Disabled 1 = Enabled
Serial Cmd: <K714,no read message status,No Read message>
Default: NOREAD
Options: Any valid ASCII string up to 128 characters
Serial Cmd: <K715,bad symbol message status,message>
Default: 0 = Disabled
Options: 0 = Disabled 1 = Enabled
Serial Cmd: <K715,bad symbol message status,message>
Default: BAD_SYMBOL
Options: Any valid ASCII string up to 128 characters

A-58 QX-870 Industrial Raster Scanner User’s Manual
Serial Commands
No Symbol Message
No Symbol Message Status
No Symbol Message
Input 1
Active State
Green Flash LED
Green Flash Mode
Green Flash Duration
Serial Cmd: <K716,no symbol message status,message>
Default: 0 = Disabled
Options: 0 = Disabled 1 = Enabled
Serial Cmd: <K716,no symbol message status,message>
Default: NO_SYMBOL
Options: Any valid ASCII string up to 128 characters
Serial Cmd: <K730,status,active state>
Default: 0 = Disabled
Options: 0 = Disabled
1 = Reset Counts
2 = Unlatch Output
Serial Cmd: <K730,status,active state>
Default: 0 = Active Open
Options: 0 = Active Open 1 = Active Closed
Serial Cmd: <K750,green flash mode,unused,green flash duration>
Default: 1 = Good Read
Options: 0 = Disabled
1 = Good Read
2 = Static Presentation
3 = Match
4 = Mismatch
5 = Strobe
Serial Cmd: <K750,green flash mode,unused,green flash duration>
Default: 100 (1 second)
Options: 0 to 65535 (in 10 ms increments)

QX-870 Industrial Raster Scanner User’s Manual A-59
Appendices
Status Indicators
Bar Graph
I/O 1
I/O 2
Symbol Position Output
Raster Position Output Status
Scan Position Output Status
Serial Cmd: <K751,status,bar graph,I/O 1,I/O 2>
Default: 1 = PHY Activity
Options: 0 = Disabled
1 = PHY Activity
2 = Protocol Activity
Serial Cmd: <K751,status,bar graph,I/O 1,I/O 2>
Default: 1 = Read Rate / Good Read
Options: 0 = Disabled
1 = Read Rate / Good Read
Serial Cmd: <K751,status,bar graph,I/O 1,I/O 2>
Default: 1 = Output Active
Options: 0 = Disabled
1 = Output Active
2 = Input Active
Serial Cmd: <K751,status,bar graph,I/O 1,I/O 2>
Default: 2 = Input Active
Options: 0 = Disabled
1 = Output Active
2 = Input Active
Serial Cmd: <K758,raster position output status,scan position output status,separator>
Default: 0 = Disabled
Options: 0 = Disabled 1 = Enabled
Serial Cmd: <K758,raster position output status,scan position output status,separator>
Default: 0 = Disabled
Options: 0 = Disabled 1 = Enabled

A-60 QX-870 Industrial Raster Scanner User’s Manual
Serial Commands
Separator
Database Identifier Output
Separator
EZ Button
Global Status
Default on Power-On
Serial Cmd: <K758,raster position output status,scan position output status,separator>
Default: Space (0x20)
Options: Any 7-bit ASCII character
Serial Cmd: <K759,status,separator>
Default: 0 = Disabed
Options: 0 = Disabled 1 = Enabled
Serial Cmd: <K759,status,separator>
Default: Space (0x20)
Options: Any 7-bit ASCII character
Serial Cmd: <K770,global status,default on power-on>
Default: 1 = Enabled
Options: 0 = Disabled
1 = Enabled
2 = Trigger
3 = Unlatch Outputs
4 = Parameter Switch
Serial Cmd: <K770,global status,default on power-on>
Default: 1 = Enabled
Options: 0 = Disabled 1 = Enabled

QX-870 Industrial Raster Scanner User’s Manual A-61
Appendices
EZ Button Modes
Serial Cmd: <K771,single beep,two beeps,three beeps,four beeps>
Options: 0 = Disabled 1 = Enabled
Single Beep Two Beeps Three Beeps Four Beeps
0 = Disabled 0 = Disabled 0 = Disabled 0 = Disabled
1 = Read Rate 1 = Read Rate 1 = Read Rate 1 = Read Rate
2 = Auto Calibration 2 = Auto Calibration 2 = Auto Calibration 2 = Auto Calibration
3 = Save for Power-On 3 = Save for Power-On
3 = Save for Power-On
3 = Save for Power-On
4 = Auto Framing 4 = Auto Framing 4 = Auto Framing 4 = Auto Framing
5 = Load New Master 5 = Load New Master 5 = Load New Master 5 = Load New Master
6 = Sleep Mode 6 = Sleep Mode 6 = Sleep Mode 6 = Sleep Mode
7 = Unused 7 = Unused 7 = Unused 7 = Unused
8 = Unused 8 = Unused 8 = Unused 8 = Unused
9 = Bar Code Config. 9 = Bar Code Config. 9 = Bar Code Config. 9 = Bar Code Config.

A-62 QX-870 Industrial Raster Scanner User’s Manual
Serial Commands
Auto Framing Options
Laser Status
Trend Analysis Output 1
Trend Analysis Mode
Trigger Evaluation Period
Number to Output On
Decodes per Trigger Threshold
Trend Analysis Output 2
Trend Analysis Output 3
Serial Cmd: <K773,unused,laser status>
Default: 1 = Enabled
Options: 0 = Disabled 1 = Enabled
Serial Cmd:
<
K780,trend analysis mode
,trigger evaluation period,number to output on,
decodes per trigger threshold>
Default: 1 = No Read
Options: 0 = Mismatch
1 = No Read
2 = Decodes per Trigger
3 = Bad Symbol
4 = No Symbol
Serial Cmd:
<
K780,
trend analysis mode,
trigger evaluation period
,number to output on,
decodes per trigger threshold>
Default: 0
Options: 0 to 255
Serial Cmd:
<
K780,
trend analysis mode,trigger evaluation period,
number to output on
,
decodes per trigger threshold>
Default: 0
Options: 0 to 255
Serial Cmd:
<
K780,
trend analysis mode,trigger evaluation period,number to output on,
decodes per trigger threshold
>
Default: 0
Options: 0 to 65535
Serial Cmd:
<
K781,
trend analysis mode,trigger evaluation period,number to output on>
Serial Cmd:
<
K782,
trend analysis mode,trigger evaluation period,number to output on>

QX-870 Industrial Raster Scanner User’s Manual A-63
Appendices
Diagnostics Output 1
High Temperature
Service Unit
Laser Current High
Laser Current Low
Low Temperature
Diagnostics Output 2
Diagnostics Output 3
Serial Cmd:
<
K790,high temperature
,service unit,unused,laser current high,laser current
low,low temperature>
Default: 0 = Disabled
Options: 0 = Disabled 1 = Enabled
Serial Cmd: <K790,high temperature,service unit,unused,laser current high,laser current
low,low temperature>
Default: 0 = Disabled
Options: 0 = Disabled 1 = Enabled
Serial Cmd:
<
K790,
high temperature,service unit,unused,
laser current high
,laser current
low,low temperature>
Default: 0 = Disabled
Options: 0 = Disabled 1 = Enabled
Serial Cmd: <K790,high temperature,service unit,unused,laser current high,laser current
low,low temperature>
Default: 0 = Disabled
Options: 0 = Disabled 1 = Enabled
Serial Cmd: <K790,high temperature,service unit,unused,laser current high,laser current
low,low temperature>
Default: 0 = Disabled
Options: 0 = Disabled 1 = Enabled
Serial Cmd: <K791,high temperature,service unit,unused,laser current high,laser current
low,low temperature>
Serial Cmd: <K792,high temperature,service unit,unused,laser current high,laser current
low,low temperature>

A-64 QX-870 Industrial Raster Scanner User’s Manual
Serial Commands
Output 1 Parameters
Output On
Output State
Pulse Width
Output Mode
Output 2 Parameters
Configurable Output 3
Serial Cmd:
<
K810,output on
,output state,pulse width,output mode>
Default: Mismatch or No Read
Options: 0 = Mismatch or No Read
1 = Match or Good Read
2 = Mismatch
3 = No Read
4 = Trend Analysis
5 = Validation
6 = Diagnostic Warning
7 = In Read Cycle
8 = Read Cycle Data Valid
Serial Cmd:
<
K810,
output on,
output state
,pulse width,output mode>
Default: 0 = Normally Open
Options: 0 = Normally Open 1 = Normally Closed
Serial Cmd:
<
K810,
output on,output state,
pulse width
,output mode>
Default: 50 (50 ms)
Options: 1 to 65535 (in 1 ms increments)
Serial Cmd:
<
K810,
output on,output state,pulse width,
output mode
>
Default: 0 = Pulse
Options: 0 = Pulse
1 = Latch Mode 1 (Unlatch Input 1 Pin)
2 = Latch Mode 2 (Unlatch Opposite Condition)
3 = Latch Mode 3 (Unlatch Re-Enter Read Cycle)
Serial Cmd:
<
K811,
output on,output state,pulse width,output mode>
Serial Cmd:
<
K812,
output on,output state,pulse width,output mode>

QX-870 Industrial Raster Scanner User’s Manual A-65
Appendices
Matchcode
Matchcode
Matchcode Type
Sequential Matching
Match Start Position
Match Length
Matchcode <K223,matchcode type,sequential matching,match start position,
match length,wild card,sequence on no read,sequence on mismatch>
Master Symbol Database Size <K224,number of master symbols>
New Master Pin <K225,status>
Sequence Step <K228,sequence step>
Master Symbol <K231,index,master symbol data>
Match Replace <K735,status,replacement string>
Mismatch Replace <K736,status,replacement string>
Serial Cmd: <K223,matchcode type,sequential matching,match start position,
match length,wild card character,sequence on No Read,sequence on
mismatch>
Default: 0 = Disabled
Options: 0 = Disabled
1 = Enabled
2 = Wild Card
3 = Sequential
Serial Cmd: <K223,matchcode type,sequential matching,match start position,match
length,wild card character,sequence on No Read,sequence on mismatch>
Default: 0 = Increment
Options: 0 = Increment 1 = Decrement
Serial Cmd: <K223,matchcode type,sequential matching,match start position,
match length,wild card character,sequence on No Read,sequence on
mismatch>
Default: 0
Options: 0 to 3000
Serial Cmd: <K223,matchcode type,sequential matching,match start position,match
length
,wild card character,sequence on No Read,sequence on mismatch>
Default: 1
Options: 1 to 3000

A-66 QX-870 Industrial Raster Scanner User’s Manual
Serial Commands
Wild Card Character
Sequence on No Read
Sequence on Mismatch
Master Symbol Database Size
New Master Pin
Sequence Step
Master Symbol
Index
Master Symbol Data
Serial Cmd: <K223,matchcode type,sequential matching,match start position,match
length,
wild card character
,sequence on No Read,sequence on mismatch>
Default: * (asterisk)
Options: Any 7-bit ASCII character
Serial Cmd: <K223,matchcode type,sequential matching,match start position,match
length,wild card character,
sequence on No Read
,sequence on mismatch>
Default: 1 = Enabled
Options: 0 = Disabled 1 = Enabled
Serial Cmd: <K223,matchcode type,sequential matching,match start position,match
length,wild card character,sequence on No Read,
sequence on mismatch
>
Default: 0 = Disabled
Options: 0 = Disabled 1 = Enabled
Serial Cmd: <K224,
number of master symbols
>
Default: 1
Options: 1 to 10
Serial Cmd: <K225,status>
Default: 0 = Disabled
Options: 0 = Disabled 1 = Enabled
Serial Cmd: <K228,sequence step>
Default: 1
Options: 1 to 32768
Serial Cmd: <K231,index,master symbol data>
Options: 1 to 32768
Serial Cmd: <K231,index,master symbol data>
Options: Any valid ASCII string

QX-870 Industrial Raster Scanner User’s Manual A-67
Appendices
Match Replace
Replacement String
Mismatch Replace
Replacement String
Serial Cmd: <K735,status,replacement string>
Default: 0 = Disabled
Options: 0 = Disabled 1 = Enabled
Serial Cmd: <K735,status,replacement string>
Default: MATCH
Options: Any valid ASCII string up to 128 characters
Serial Cmd: <K736,status,replacement string>
Default: 0 = Disabled
Options: 0 = Disabled 1 = Enabled
Serial Cmd: <K736,status,replacement string>
Default: MISMATCH
Options: Any valid ASCII string up to 128 characters

A-68 QX-870 Industrial Raster Scanner User’s Manual
Serial Commands
Diagnostics
High Temperature Threshold
Message
Low Temperature Threshold
Message
Counts (Read-only)
Power-On
Resets
High Temperature Threshold <K402,status,message>
Low Temperature Threshold <K403,status,message>
Counts (Read-only) <K406> (returns: power-on,resets,
power-on saves,custom default
saves)
Hours Since Reset (Read-only) <K407> (returns: hours,minutes)
Service Message <K409,status,service message, threshold,resolution>
Laser Current Warning Message <K411,laser high status,laser high message,laser low status,
laser low message>
User-Defined Name <K412,user-defined name>
Serial Cmd: <K402,status,message>
Default: 0 = Disabled
Options: 0 = Disabled 1 = Enabled
Serial Cmd: <K402,status,message>
Default: HIGH_TEMP
Options: Any valid ASCII string up to 128 characters
Serial Cmd: <K403,status,message>
Default: 0 = Disabled
Options: 0 = Disabled 1 = Enabled
Serial Cmd: <K403,status,message>
Default: LOW_TEMP
Options: Any valid ASCII string up to 128 characters
Serial Cmd: <K406,power-on,resets,power-on saves,power-on flash saves>
16-bit counter that increments on scanner power-on.
Serial Cmd: <K406,power-on,resets,power-on saves,power-on flash saves>
16-bit counter that increments on scanner reset. Value is reset on power-on.

QX-870 Industrial Raster Scanner User’s Manual A-69
Appendices
Power-On Saves
Custom Default Saves
Hours Since Reset (Read-only)
Hours
Minutes
Service Message
Service Message
Threshold
Resolution
Serial Cmd: <K406,power-on,resets,power-on saves,power-on flash saves>
16-bit counter that increments when a scanner setting is saved for power-on
(<Z> command).
Serial Cmd: <K406,power-on,resets,power-on saves,power-on flash saves>
16-bit counter that increments when a scanner setting is saved to the customer
parameter section of flash memory (<Zc> command).
Serial Cmd: <K407,hours,minutes>
16-bit counter (0 to 65535)
Serial Cmd: <K407,hours,minutes>
16-bit counter (0 to 60)
Serial Cmd: <K409,status,service message,threshold,resolution>
Default: 0 = Disabled
Options: 0 = Disabled 1 = Enabled
Serial Cmd: <K409,status,service message,threshold,resolution>
Default: SERVICE
Options: Any valid ASCII string up to 128 characters
Serial Cmd: <K409,status,service message,threshold,resolution>
Default: 300 (5 minutes)
Options: 1 to 65535
Serial Cmd: <K409,status,service message,threshold,resolution>
Default: 0 = Seconds
Options: 0 = Seconds 1 = Minutes

A-70 QX-870 Industrial Raster Scanner User’s Manual
Serial Commands
Laser Current Warning Message
High Current Status
High Current Message
Low Current Status
Low Current Message
User-Defined Name
Serial Cmd: <K411,high current status,high current message,low current status,low
current message>
Default: 0 = Disabled
Options: 0 = Disabled 1 = Message
Serial Cmd: <K411,high current status,high current message,low current status,low
current message>
Default: HIGH_LASER
Options: Any valid ASCII string up to 128 characters
Serial Cmd: <K411,high current status,high current message,low current status,low
current message>
Default: 0 = Disabled
Options: 0 = Disabled 1 = Message
Serial Cmd: <K411,high current status,high current message,low current status,low
current message>
Default: LOW_LASER
Options: Any valid ASCII string up to 128 characters
Serial Cmd: <K412,user-defined name>
Default: QX-870
Options: Any valid ASCII string up to 50 characters

QX-870 Industrial Raster Scanner User’s Manual A-71
Appendices
Output Format
Format Extract
Output Index
Start Location
Length
Format Insert
Output Index
Output Index refers to the database entry to be modified with this command. A formatted
output is built by extracting data from a symbol’s original data output and/or inserting
user-defined characters.
It may be helpful to think of individual indexes as positions in the final formatted output.
Starting with index # 1, enter either an extract or insert command to begin building the
required output string. Then, with the next index number, enter either an extract or insert
command to continue building the output string. Continue this process until the string is
complete.
Format Extract <K740,output index,start location,length>
Format Insert <K741,output index,length,hex string>
Format Assign <K742,symbol number,status>
Output Format Status <K743,output format status>
Output Filter Configuration <K744,filter number,symbology,length,wildcard,placeholder,
data,decode direction,database index>
Output Filter Enable <K745,number of filters>
Serial Cmd: <K740,output index,start location,length>
Options: 1 to 100
Serial Cmd: <K740,output index,start location,length>
Default: 0
Options: 1 to n (maximum number of characters in the symbol data).
Serial Cmd: <K740,output index,start location,length>
Default: 0 (Disabled; end of format cell array)
Options: 1 to n (maximum number of characters in the symbol data).
Serial Cmd: <K741,output index,length,hex string>
Options: 1 to 100

A-72 QX-870 Industrial Raster Scanner User’s Manual
Serial Commands
Length
Specifies the length of the user-defined character string that will be inserted. This function
is limited to 4 characters per output index, so multiple indexes must be entered in order to
insert longer character sequences.
For example, to insert a 10-character sequence in user-defined output, three commands
with consecutive index numbers would be required, where the first two character sequence
lengths were 4 and the third was 2.
Hex String
Specifies a character string that represents ASCII characters to be inserted in the database
entry. Two hex characters are required for every ASCII character to be inserted in the
user-defined output string. These two characters comprise the hex (base 16) value of the
ASCII character.
For example, to enter the three-character sequence “Hi!”, 3 would indicate the length of
the string, and a hex sequence of 486921 would be the ASCII sequence to be inserted.
(48 = H; 69 = i; 21 = !)
Important: Each pair of hex characters represents one ASCII character. Hex character
pairs range from 00 to FF. Since there is a limit of 4 ASCII characters per insertion per
database entry, there is a limit of 8 hex characters per insertion per database entry.
Format Assign
Symbol Number
Status
Serial Cmd: <K741,output index,length,hex string>
Default: 0 (Disabled; end of format cell array)
Options: 1 to 4
Serial Cmd: <K741,output index,length,hex string>
Default: NULL (0x00)
Options: 00 to FF (As many as 4 bytes, or hex pairs.)
Serial Cmd: <K742,symbol number,status>
Options: 1 to 10
1 = Formatted output status for symbol # 1.
2 = Formatted output status for symbol # 2.
...
...
10 = Formatted output status for symbol # 10.
Serial Cmd: <K742,symbol number,status>
Default: 0 = Disabled
Options: 0 = Disabled
1 = Enabled (Assign parameters to specified symbol.)

QX-870 Industrial Raster Scanner User’s Manual A-73
Appendices
Output Format Status
Output Filter Configuration
Filter Number
Symbology Type
Length
Wildcard
Serial Cmd: <K743,output format status>
Default: 0 = Disabled
Options: 0 = Disabled
1 = Enabled
Serial Cmd: <K744,filter number,symbology type,length,wildcard,placeholder,data,
decode direction,database index>
Options: 1 to 10
Serial Cmd: <K744,filter number,symbology type,length,wildcard,placeholder,data,
decode direction,database index>
Default: 0
Options: 0 = Any type
1 = Interleaved 2 of 5
2 = Code 39
3 = Code 128
4 = Codabar
5 = UPC
6 = PDF417
7 = EAN 128
8 = Code 93
9 = Pharmacode
10 = GS1 DataBar (RSS)
11 = MicroPDF417
12 = Composite
Serial Cmd: <K744,filter number,symbology type,length,wildcard,placeholder,data,
decode direction,database index>
Default: 0
Options: 0 to 128
Serial Cmd: <K744,filter number,symbology type,length,wildcard,placeholder,data,
decode direction,database index>
Default: * = (0x2A)
Options: Any ASCII input in the form of a pair of hex characters

A-74 QX-870 Industrial Raster Scanner User’s Manual
Serial Commands
Placeholder
Data
Decode Direction
Database Index
Output Filter Enable
Serial Cmd: <K744,filter number,symbology type,length,wildcard,placeholder,data,
decode direction,database index>
Default: ? = (0x3F)
Options: Any ASCII input in the form of a pair of hex characters
Serial Cmd: <K744,filter number,symbology type,length,wildcard,placeholder,data,
decode direction,database index>
Default: NULL (0x00)
Options: Any ASCII input in the form of a pair of hex characters
Serial Cmd: <K744,filter number,symbology type,length,wildcard,placeholder,data,
decode direction,database index>
Default: 0 = Any Direction
Options: 0 = Any Direction
1 = Forward
2 = Reverse
Serial Cmd: <K744,filter number,symbology type,length,wildcard,placeholder,data,
decode direction,database index>
Default: 0 (any index)
Options: 0 to 10
Serial Cmd: <K745,number of filters>
Default: 0
Options: 0 to 10

QX-870 Industrial Raster Scanner User’s Manual A-75
Appendices
Serial Utility Commands
Type Command Name
Read Rate
<C> Enter Decodes/Second Test
<Cp> Enter Decode Percent Test
<J> Exit Decodes/Second and Decode Percent Tests
<a1> PDF417 Information
Counters
<N> No Read Counter
<O> No Read Counter Reset
<T> Trigger Counter
<U> Trigger Counter Reset
<V> Good Read/Match Counter
<W> Good Read/Match Counter Reset
<X> Mismatch Counter
<Y> Mismatch Counter Reset
Device Control
<L1> Programmable Output 1
<L2> Programmable Output 2
<L3> Programmable Output 3
<I> Disable Scanner
<H> Enable Scanner
<G> Store Next Symbol Read to Database Index 1
Master Database <Gn> Store Next Symbol Read to Database Index n
<NEWM> New Master Load Status
Part Number /
Checksum
<#> Display All Firmware Part Numbers
<#a> Display Application Code Part Number
<#b> Display Boot Code Part Number
<#f> Display FPGA Code Part Number
<!> Display All Available Firmware Checksums
<!a> Display Application Code Code Checksum
<!b> Display Boot Code Checksum
<!f> Display FPGA Code Checksum
<Z> Save Current Settings for Power-On
<Zc>
Save Current Settings as Customer Default Parameters
for Power-On
<Zrc>Recall Customer Default Settings and Save for
Power-On
Default/Reset/Save <Zrd>Recall Microscan Default Settings and Save for
Power-On (Will not default “sticky settings”)
<Zrdall>Recall Microscan Default Settings and Save for
Power-On (Will also default “sticky settings”)
<A> Reset (Will not save for power-on)
<Arp> Reset and Recall Power-On Parameters

A-76 QX-870 Industrial Raster Scanner User’s Manual
Serial Commands
Default/Reset/Save <Arc> Reset and Recall Customer Default Parameters
<Ard> Reset and Recall Microscan Default Parameters
Scanner Status
Request Commands
<K?> All Status Request
<K??> All Descriptor Status Request
<K?#> All Range Status Request
<Knnn?> Single Status Request
<Knnn??> Single Descriptor Status Request
<Knnn?#> Single Range Status Request
<Knnnd> Default Customer Parameter
Other Serial Utility
Commands
<@CAL> Calibrate without Menu
<@> Calibrate with Menu
<BCCFG> Enter Bar Code Configuration

QX-870 Industrial Raster Scanner User’s Manual A-77
Appendices
Appendix F — Protocol Commands
Communication Protocol Command Table
Protocol Command
(Mnemonic displayed on menu)
Control Characters
(Entered in menu or
serial command)
Hex
Value Effect of Command
RES ^D 04 Reset
REQ ^E 05 Request
EOT ^D 04 Reset
STX ^B 02 Start of Text
ETX ^C 03 End of Text
ACK ^F 06 Acknowledge
NAK ^U 15 Negative Acknowledge
XON ^Q 11 Begin Transmission
XOFF ^S 13 Stop Transmission

A-78 QX-870 Industrial Raster Scanner User’s Manual
Protocol Commands
ACK/NAK Data Flow Examples
Setup 1
Transfer 1
Transfer 2
Error Condition
Transfer 1
Transfer 2
RES 0x00 (disabled)
REQ 0x00 (disabled)
STX 0x00 (disabled)
ETX 0x00 (disabled)
ACK 0x06
NAK 0x15
LRC disabled
HOST_TX <K141,0>
SCANNER_TX ‘ACK’
HOST_TX <K141?>
SCANNER_TX ‘ACK’
SCANNER_TX <K141,0>
HOST_TX ‘ACK’
SCANNER_TX symbol data
HOST_TX ‘NAK’ (host rejects)
SCANNER_TX symbol data (resend data)
HOST_TX ‘ACK’ (transaction complete)
HOST_TX <K141?>
SCANNER_TX ‘ACK’
SCANNER_TX <K141,0>
timeout reached...
timeout reached...
timeout reached...
Timeout Reached
transaction aborted, data is flushed

QX-870 Industrial Raster Scanner User’s Manual A-79
Appendices
Setup 2
Transfer 1
Transfer 2
Error Condition
Transfer 1
RES 0x00 (disabled)
REQ 0x00 (disabled)
STX 0x00 (disabled)
ETX 0x00 (disabled)
ACK 0x06
NAK 0x15
LRC enabled
HOST_TX <K141,0>a
SCANNER_TX ‘ACK’
HOST_TX <K141?>B
SCANNER_TX ‘ACK’
SCANNER_TX <K141,0>a
HOST_TX ‘ACK’
HOST_TX <k141,0>x (BAD LRC)
SCANNER_TX ‘NAK’
HOST_TX <K141,0>a (GOOD LRC)
SCANNER_TX ‘ACK’

A-80 QX-870 Industrial Raster Scanner User’s Manual
Protocol Commands
Setup 3
Transfer 1
Transfer 2
RES 0x00 (disabled)
REQ 0x00 (disabled)
STX 0x28 ‘(‘
ETX 0x29 ‘)’
ACK 0x06
NAK 0x15
LRC enabled
HOST_TX (<K141,0>)H
SCANNER_TX ‘ACK’
HOST_TX (<K141?>)k
SCANNER_TX ‘ACK’
SCANNER_TX (<K141,^M>)w
HOST_TX ‘ACK’

QX-870 Industrial Raster Scanner User’s Manual A-81
Appendices
Setup 4
Transfer 1
Transfer 2
Error Condition
Transfer 1
RES 0x21 ‘!’
REQ 0x3D ‘=’
STX 0x28 ‘(‘
ETX 0x29 ‘)’
ACK 0x06
NAK 0x15
LRC enabled
HOST_TX (<K141,0>)H
SCANNER_TX ‘ACK’
HOST_TX (<K100?>)n
SCANNER_TX ‘ACK’
HOST_TX ‘!’
SCANNER_TX (<K100,8,0,0,1>)X
HOST_TX ‘ACK’
SCANNER_TX ‘!’
HOST_TX (<K141,0>)H
SCANNER_TX ‘ACK’
HOST_TX (<K100?>)n
SCANNER_TX ‘ACK’
HOST_TX ‘!’
SCANNER_TX (<K100,8,0,0,1>)X
timeout reached...
SCANNER_TX ‘=’
timeout reached...
SCANNER_TX ‘=’
timeout reached...
SCANNER_TX ‘=’
timeout reached...
SCANNER_TX ‘!’

A-82 QX-870 Industrial Raster Scanner User’s Manual
Protocol Commands
Polling Mode Data Flow Examples
Setup 1
Transfer 1
Transfer 2
Starting with a ‘RES’ ensures a clean transaction, without “leftovers” from the previous
transaction.
Error Condition 1
Address 0x01 (translates to) Poll Req @ ‘0x1C’, Unit Select @ ‘0x1D’
RES 0x04
REQ 0x05
STX 0x02
ETX 0x03
ACK 0x06
NAK 0x15
LRC disabled
HOST_TX ‘RES’ ‘0x1D’ ‘REQ’ (Select Unit 1 to receive data)
SCANNER_TX ‘0x1D’ ‘ACK’ (Unit responds with its address)
HOST_TX ‘STX’ <T> ‘ETX’
SCANNER_TX ‘0x1D’ ‘ACK’ (Unit responds with its address)
HOST_TX ‘RES’ (Terminate Transfer 2)
HOST_TX ‘RES’ ‘0x1C’ ‘REQ’ (Poll Unit 1 for data)
SCANNER_TX ‘0x1C’ ‘STX’ <T/00000> ‘ETX’
HOST_TX ‘ACK’
SCANNER_TX ‘RES’ (Terminate Transfer 1)
HOST_TX ‘RES’ ‘0x1C’ ‘REQ’ (Poll Unit 1 for data)
SCANNER_TX ‘0x1C’ ‘STX’ <T/00000> ‘ETX’
HOST_TX ‘Nothing’ (Host should ‘ACK’ here)
timeout reached...
SCANNER_TX ‘REQ’ (Unit requests an ‘ACK’ again)
timeout reached...
SCANNER_TX ‘REQ’ (Unit requests an ‘ACK’ again)
timeout reached...
SCANNER_TX ‘REQ’ (Unit requests an ‘ACK’ again)
timeout reached...
SCANNER_TX ‘RES’ (Terminate Transfer 1, data is flushed)

QX-870 Industrial Raster Scanner User’s Manual A-83
Appendices
Error Condition 2
The protocol makes 3 retry attempts before data is flushed and transfer is aborted.
HOST_TX ‘RES’ ‘0x1C’ ‘REQ’ (Poll Unit 1 for data)
SCANNER_TX ‘0x1C’ ‘STX’ <T/00000> ‘ETX’
HOST_TX ‘Nothing’ (Host should ‘ACK’ here)
timeout reached...
SCANNER_TX ‘REQ’ (Unit requests an ‘ACK’ again)
HOST_TX ‘NAK’ (Host rejects data frame)
(Retry Event)
SCANNER_TX ‘0x1C’ ‘STX’ <T/00000> ‘ETX’ (Unit sends again)
HOST_TX ‘ACK’ (Host receives data)
SCANNER_TX ‘RES’ (Terminate Transfer 1)

A-84 QX-870 Industrial Raster Scanner User’s Manual
Protocol Commands
Setup 2
Transfer 1
Transfer 2
Starting with a ‘RES’ ensures a clean transaction, without “leftovers” from the previous
transaction.
Error Condition 1
Address 0x01 (translates to) Poll Req @ ‘0x1C’, Unit Select @ ‘0x1D’
RES 0x04
REQ 0x05
STX 0x02
ETX 0x03
ACK 0x06
NAK 0x15
LRC enabled
HOST_TX ‘RES’ ‘0x1D’ ‘REQ’ (Select Unit 1 to receive data)
SCANNER_TX ‘0x1D’ ‘ACK’ (Unit responds with its address)
HOST_TX ‘STX’ <T> ‘ETX’ ‘LRC’
SCANNER_TX ‘0x1D’ ‘ACK’ (Unit responds with its address)
HOST_TX ‘RES’ (Terminate Transfer 2)
HOST_TX ‘RES’ ‘0x1C’ ‘REQ’ (Poll Unit 1 for data)
SCANNER_TX ‘0x1C’ ‘STX’ <T/00000> ‘ETX’ ‘LRC’
SCANNER_TX ‘ACK’
HOST_TX ‘RES’ (Terminate Transfer 1)
HOST_TX ‘RES’ ‘0x1C’ ‘REQ’ (Poll Unit 1 for data)
SCANNER_TX ‘0x1C’ ‘STX’ <T/00000> ‘ETX’ ‘LRC’
HOST_TX ‘Nothing’ (Host should ‘ACK’ here)
timeout reached...
SCANNER_TX ‘REQ’ (Unit requests an ‘ACK’ again)
timeout reached...
SCANNER_TX ‘REQ’ (Unit requests an ‘ACK’ again)
timeout reached...
SCANNER_TX ‘REQ’ (Unit requests an ‘ACK’ again)
timeout reached...
SCANNER_TX ‘RES’ (Terminate Transfer 1, data is flushed)

QX-870 Industrial Raster Scanner User’s Manual A-85
Appendices
Error Condition 2
Error Condition 3
The protocol makes 3 retry attempts before data is flushed and transfer is aborted.
HOST_TX ‘RES’ ‘0x1C’ ‘REQ’ (Poll Unit 1 for data)
SCANNER_TX ‘0x1C’ ‘STX’ <T/00000> ‘ETX’ ‘LRC’
HOST_TX ‘Nothing’ (Host should ‘ACK’ here)
timeout reached...
SCANNER_TX ‘REQ’ (Unit requests an ‘ACK’ again)
HOST_TX ‘NAK’ (Host rejects data frame)
(Retry Event)
SCANNER_TX ‘0x1C’ ‘STX’ <T/00000> ‘ETX’ ‘LRC’ (Unit sends again)
HOST_TX ‘ACK’ (Host receives data)
SCANNER_TX ‘RES’ (Terminate Transfer 1)
HOST_TX ‘RES’ ‘0x1C’ ‘REQ’ (Poll Unit 1 for data)
SCANNER_TX ‘0x1C’ ‘STX’ <T/00000> ‘ETX’ ‘BAD LRC’
HOST_TX ‘NAK’ (Host rejects bad LRC data)
(Retry Event)
SCANNER_TX ‘0x1C’ ‘STX’ <T/00000> ‘ETX’ ‘GOOD LRC’ (Unit sends again)
HOST_TX ‘ACK’ (Host receives data)
SCANNER_TX ‘RES’ Terminate Transfer 1)

A-86 QX-870 Industrial Raster Scanner User’s Manual
ASCII Table
Appendix G — ASCII Table
Dec Hex Mne Ctrl Dec Hex Ch Dec Hex Ch Dec Hex Ch
00 00 NUL ^@ 32 20 SP 64 40 @ 96 60 `
01 01 SOH ^A 33 21 ! 65 41 A 97 61 a
02 02 STX ^B 34 22 “ 66 42 B 98 62 b
03 03 ETX ^C 35 23 # 67 43 C 99 63 c
04 04 EOT ^D 36 24 $ 68 44 D 100 64 d
05 05 ENQ ^E 37 25 % 69 45 E 101 65 e
06 06 ACK ^F 38 26 & 70 46 F 102 66 f
07 07 BEL ^G 39 27 ' 71 47 G 103 67 g
08 08 BS ^H 40 28 ( 72 48 H 104 68 h
09 09 HT ^I 41 29 ) 73 49 I 105 69 i
10 0A LF ^J 42 2A * 74 4A J 106 6A j
11 0B VT ^K 43 2B + 75 4B K 107 6B k
12 0C FF ^L 44 2C , 76 4C L 108 6C l
13 0D CR ^M 45 2D - 77 4D M 109 6D m
14 0E SO ^N 46 2E . 78 4E N 110 6E n
15 0F SI ^O 47 2F / 79 4F O 111 6F o
16 10 DLE ^P 48 30 0 80 50 P 112 70 p
17 11 DC1 ^Q 49 31 1 81 51 Q 113 71 q
18 12 DC2 ^R 50 32 2 82 52 R 114 72 r
19 13 DC3 ^S 51 33 3 83 53 S 115 73 s
20 14 DC4 ^T 52 34 4 84 54 T 116 74 t
21 15 NAK ^U 53 35 5 85 55 U 117 75 u
22 16 SYN ^V 54 36 6 86 56 V 118 76 v
23 17 ETB ^W 55 37 7 87 57 W 119 77 w
24 18 CAN ^X 56 38 8 88 58 X 120 78 x
25 19 EM ^Y 57 39 9 89 59 Y 121 79 y
26 1A SUB ^Z 58 3A : 90 5A Z 122 7A z
27 1B ESC ^[ 59 3B ; 91 5B [ 123 7B {
28 1C FS ^\ 60 3C < 92 5C \ 124 7C |
29 1D GS ^] 61 3D = 93 5D ] 125 7D }
30 1E RS ^^ 62 3E > 94 5E ^ 126 7E ~
31 1F US ^_ 63 3F ? 95 5F _ 127 7F D

QX-870 Industrial Raster Scanner User’s Manual A-87
Appendices
Appendix H — Configuring Ethernet TCP/IP
When using Ethernet to deploy QX-870s in an application, the host computer must be in
the same IP range as the devices. Network settings are accessible in Windows from the
Control Panel. The steps below show how TCP/IP settings can be configured.
1. From the Windows Start Menu, open Control Panel and double-click Network
Connections.
2. The Network Connections dialog will appear. Double-click the icon for the Local Area
Connection being used in the application.

A-88 QX-870 Industrial Raster Scanner User’s Manual
Configuring Ethernet TCP/IP
Configuring Ethernet TCP/IP (cont.)
3. The Local Area Connection Status dialog will appear. To check the host computer’s
connection settings, click Details on the Support tab.
4. A connected QX-870’s default address information can be verified in ESP by clicking
the Search button in the Connection Wizard. Compare the scanner’s IP address to
the host’s IP address to determine whether or not they are in the same subnet range
(this can be determined by your I.T. department if you are unsure).
On the Support tab, click the Details
button to bring up a list of Network
Connection Details.
To verify connection status:

QX-870 Industrial Raster Scanner User’s Manual A-89
Appendices
Configuring Ethernet TCP/IP (cont.)
5.
To change the host computer’s connection settings, click
Properties
on the
General
tab.
6. The Internet Protocol (TCP/IP) Properties dialog will appear.
To change TCP/IP settings:
On the
General
tab, click the
Properties
button to bring up a list of items being used by the current connection.
On the Local Area Connection Properties dialog, double-click Internet Protocol (TCP-IP).
Select Use the following IP address to set
the IP Address, Subnet, and Gateway.

A-90 QX-870 Industrial Raster Scanner User’s Manual
Using EtherNet/IP
Appendix I — Using EtherNet/IP
This Appendix describes the Microscan Serial Interface Object Model. Throughout this
document, this port will referred to as the “EIP”.
Overview
The EIP interface will be identified as a Generic Device (0x00). The interface is designed
to support remote serial transmit and receive using explicit unconnected messaging.
Necessary Tools
The following tools are necessary for configuring the EIP:
• EtherNet/IP Messaging Tool – can be a PLC or Software Tool, must be capable of
establishing an explicit messaging connection and sending the vendors-specific
“Send_With_Response” explicit messages.
• Terminal emulation or serial communication tool that can connect to a TCP socket, such
as HyperTerminal.
• ESP – Microscan’s Easy Setup Program. This tool has the ability to find Microscan
products on the network, configure their ip address, then configure all application
parameters.
EtherNet/IP Terms of Use
EtherNet/IP Technology is governed by the Open DeviceNet Vendor Association, Inc
(ODVA). Any person or entity that makes and sells products that implement EtherNet/IP
Technology must agree to the Terms of Usage Agreement issued by ODVA. See
www.odva.org for details.
Object Model
The EIP has the following features:
•
Supports Explicit Messaging, UCMM, and Class 3 connection access to serial communication
data.
• Serial master command-response handling with one request.
• Packing parameters available in each read request.
Device Type
The EtherNet/IP device type is 0x00, Generic Device.
Vendor ID
Microscan’s Vendor ID is 1095.

QX-870 Industrial Raster Scanner User’s Manual A-91
Appendices
Service-Object Summary
EtherNet/IP Serial Interface (Class 0x68)
Data is sent and received through the Serial Interface using explicit messaging. “Send”,
“Get”, and “Receive” are from the EIP master scanner perspective. That is “Send” is data
transferred from the EIP master to the scanner. “Get” and “Receive” is data transferred
from the scanner to the EIP master.
The host should issue a vendor specific service Send_with_Response (0x45) to vendor
specific Object Class 104 (0x68), Instance 1, Attribute 106 (0x6A). This service includes a
16 byte header that specifies parameters for control of the serial interface.
UINT = unsigned 16 integer
USINT = unsigned 8 bit integer
All UINTs are sent little endian with the least significant byte, or USINT, sent first, followed
by the most significant byte.
Service Code Class ID Instance ID Attribute ID Description
0x45 104 (0x68) 1 106 (0x6A) Serial Interface
Get with
Response
Attribute
ID (dec) Access Name Data Type Description
106 Send with
Response
Serial
Interface Struct. of:
UINT Send length (0-470)
UINT Receive length (0-470)
UINT Receive timeout [ms]
USINT [3] Reserved
USINT Receive Request Flags
USINT Receive Response Flags
USINT [5] Reserved
USINT
[0-470] Serial Data

A-92 QX-870 Industrial Raster Scanner User’s Manual
Using EtherNet/IP
Send Length
This parameter specifies the length of the data sent from the EIP master scanner to the
scanner. The maximum number of bytes that can be sent in one message is 470 bytes.
Receive Length
This parameter specifies the largest amount of receive data the EIP master scanner host
can accept from the scanner. The maximum number of bytes that can be received in one
message is 470 bytes.
Receive Timeout
This parameter specifies the longest amount of time in milliseconds (ms) the EIP master
scanner host is willing to wait for a new message. A value of 0 is used for an immediate
timeout. When the scanner responds to the EIP master scanner, the Receive Timeout indi-
cates the number of ms that passed from the time the request was received to the when
the response is sent.
Caution: The time frame defined by this serial interface object field must be less than the
unconnected message timeout.
Caution: If the Receive Flag “Clear Before Receive” is used, see Receive Flags for proper
operation.
Receive Request Flags
The Receive Request Flags field gives the host additional controls over the serial input.
Flushing the input queue allows the EIP master to remove irrelevant data that was collected
by the scanner.
Caution: If the “Clear Before Receive” bit is used with a receive timeout of zero (0), the
scanner will respond with an “Object State Conflict” error. When using the “Clear Before
Receive” bit, always specify a non-zero timeout so the device will have a chance to generate
a response to any commands in the data field.
Bit (0 = LSB) Description
0Clear Before Receive — Clear the serial input queue before
receiving new incoming data.
1-7 Reserved

QX-870 Industrial Raster Scanner User’s Manual A-93
Appendices
Receive Response Flags
The Receive Response Flags field gives the host additional information about the serial input.
Bit 0 – First Frame of Message
When set, this frame contains the beginning of a new message.
If both the “First frame” and “Last frame” bits are set, then this frame contains the whole
message.
If both the “First frame” and “Last frame” bits are clear, then this frame contains the middle
portion of a message.
Bit 1 – Last Frame of Message
When set, this frame contains the end of a message.
If both the “First frame” and “Last frame” bits are set, then this frame contains the whole
message.
If both the “First frame” and “Last frame” bits are clear, then this frame contains the middle
portion of a message.
Bit 2 – Previous Message(s) Lost
The Previous message(s) lost bit will be set when:
• The scanner attempts to buffer more than 100 messages, or 8000 characters;
• The next response to Send_with_Response includes receive data.
The scanner is capable of generating data faster than EtherNet/IP can request. The scanner
can buffer a maximum of 100 messages, and a total of 8,000 characters. If the EtherNet/IP
master cannot extract data from the scanner fast enough, messages will be lost.
Bit (0 = LSB) Description
0First frame of message
1Last frame of message
2Previous message(s) lost
3-7 Reserved

A-94 QX-870 Industrial Raster Scanner User’s Manual
Using EtherNet/IP
Serial Data
The Data field contains the serial message characters (USINT, 8 bit bytes) that will be
transferred. The length of this field should at least equal the amount of data specified in
Send Length, but can be longer to simplify programming.
All messages sent to the EIP master are kept as coherent as possible, given the constraints
of maximum message size. The following rules apply for each data frame sent to the
master:
• Preamble and postamble strings are attached to the message per <K141> and
<K142> configuration.
• One message is sent for every receive transaction. Even if more than one message will
fit into the Receive Length specified, only one message will be sent.
• If the entire message fits within the Receive Length specified, then the whole message
will be sent in one transaction.
• If a message is larger than the specified Receive Length, then the message will be
fragmented and sent over multiple receive requests. In response to the first request, the
beginning of the message is sent. Subsequent responses will send the middle portions
of the message, until the end of the message is reached. To assist de-fragmentation of
the message, process the Receive Response Flags, and enable pre- and post-amble
strings.
Input (T->O) Assembly Object (Class 0x04, Instance 0x64)
The Assembly Object is not implemented. On Allen Bradley PLCs, select “Inhibit Module”
to disable I/O connections.
Output (O->T) Assembly Object (Class 0x04, Instance 0x65)
The Assembly Object is not implemented. On Allen Bradley PLCs, select “Inhibit Module”
to disable I/O connections.
Configuration Assembly Object
The Assembly Object is not implemented. On Allen Bradley PLCs, select “Inhibit Module”
to disable I/O connections.

QX-870 Industrial Raster Scanner User’s Manual A-95
Appendices
NET and MOD LED Indicators
MOD (Module)
Indicator State Summary Requirement Microscan
Implementation
Steady OFF No power If no power is supplied to the device, the
module status indicator will be steady
OFF
.
Per requirement
Steady GREEN Device
operational
If the device is operating correctly, the
module status indicator will be steady
GREEN.
Per requirement
Flashing
GREEN Standby
If the device has not been configured, the
module status indicator will be flashing
GREEN.
When operating
with default
parameters.
Default status is
updated at reset.
Flashing RED Minor fault
If the device has detected a recoverable
minor fault, the module status indicator
will be flashing RED.
1. Temperature
warning.
2. Scan sync
missing. This
may occur briefly
when the scan
motor starts and
stops.
Steady RED Major fault
If the device has detected a non-recover-
able minor fault, the module status indi-
cator will be steady RED.
1. Laser current
warning.
2. Safe Mode:
Basic comm. only.
Scanning system
is non-functional.
Flashing
GREEN / RED Self-test
While the device is performing its power-
up testing, the module status indicator
will be flashing GREEN / RED.
Per requirement,
but unlikely to be
seen.

A-96 QX-870 Industrial Raster Scanner User’s Manual
Using EtherNet/IP
NET (Network)
Indicator State Summary Requirement Microscan
Implementation
Steady OFF No power, no
IP address
If the device does not have an IP
address (or is powered off), the network
status indicator will be steady OFF
.
Per requirement.
Before device has
acquired an IP
address via
DHCP.
Flashing
GREEN
No connections
If the device has no established connections,
but has obtained an IP address, the
network status indicator will be flashing
GREEN.
Per requirement.
After device has
acquired an IP
address (static or
DHCP).
Steady GREEN Connected
If the device has at least one established
connection (even to the Message
Router), the network status indicator
will be steady GREEN.
Per requirement.
Flashing RED Connection
timeout
If one or more of the connections
in
which the device is the target has
timed out, the network status indicator
will be flashing RED.
Per requirement,
but limited. Flashing
RED will only last
for 3 seconds,
then will revert to
flashing GREEN.
Steady RED Duplicate IP
If the device has detected that its IP
address is already in use, the network
status indicator will be steady RED.
Not implemented.
Flashing
GREEN / RED Self-test
While the device is performing its
power-up testing, the module status
indicator will be flashing
GREEN / RED
.
Per requirement,
but unlikely to be
seen.

QX-870 Industrial Raster Scanner User’s Manual A-97
Appendices
Appendix J — Operating the Serial Gateway
Data Fields in the QX-870 EtherNet/IP (CIP)
Interface Object
This appendix outlines a rough pseudo-code description of how to operate the serial gateway
data fields in the QX-870 EtherNet/IP (CIP) interface object.
Service Code
All EtherNet/IP (CIP) data com transactions with the QX-870, both send and receive, are
performed with Service Code=0x45, Class ID=0x68, Instance=1, Attribute ID=0x6A. Each
transaction can send data, receive data, or both. Attribute 0x6A has a variable size, with a
minimum of 16 bytes, and the maximum 486 bytes. The first 16 bytes are a header with
several fields that enable serial gateway-style functionality. The remainder of the data
packet can be 0 to 470 bytes, and contains the serial data. The usage of these fields, and
the serial data, is described below.
To send a command to the QX-870:
1. Populate the Serial Data field with a serial command.
2. Populate the Send Length field with the string length of the serial command.
3. If only sending a command, and not waiting for a response in the same transaction:
• Populate the Receive Timeout field with 0.
• Populate the Receive Length field with 0.
If sending a command and waiting for a response in the same transaction:
• If sending a serial trigger, and expecting symbol data output:
Populate the Receive Timeout with a value equal to the device’s read cycle timeout
<K220,,timeout>, plus 20 (milliseconds).
• If sending a command that requests data, like a read of the counters
<T><V><X><N>:
Populate the Receive Timeout with a value of 10 (milliseconds) or greater.
Populate the Receive Length field with a value set to the maximum length of data
the PLC can handle in one transaction, up to 470. If set too small, the device will
fragment the response over multiple transactions.
4. Populate the Receive Request Flags with 0x1, if needed, to delete all pending data
from the device before it sends a response to the command.
5. Initiate the transaction.
6. When the transaction is complete, check the Receive Length field:
• If Receive Length is 0, no data has been received.

A-98 QX-870 Industrial Raster Scanner User’s Manual
Operating the Serial Gateway Data Fields in the QX-870 EtherNet/IP (CIP) Interface Object
• If Receive Length is non-zero, then new data has been received.
Process the Serial Data field up to the value of Receive Length, and manage any fragmentation
per standard programming technique. Check the Receive Response Flags. If the value is
not 3, then the string sitting in the Serial Data field in not a complete message. It is a
fragment of a larger message.
To receive data from the QX-870:
1. Populate the Send Length field with 0.
2. Populate the Receive Length field with a value set to the maximum length of data
the PLC can handle in one transaction, up to 470. If set too small, the device will
fragment the response over multiple transactions.
3. Populate the Receive Timeout field with a value that the PLC is willing to wait for the
transaction to complete. When receiving bar code data, this would typically be set to
the read cycle timeout <K220,,timeout>, plus 20 milliseconds or so. When checking
for a command response, set this to at least 10 milliseconds.
4. Populate the Receive Request Flags with 0x1, if needed, to delete all pending data
from the device, and only respond with data generated by the device after this
request is received.
5. Initiate the transaction.
6. When the transaction is complete, check the Receive Length field:
• If Receive Length is 0, no data has been received.
• If Receive Length is non-zero, then new data has been received:
Process the Serial Data field up to the value of Receive Length, and manage any
fragmentation per standard programming technique. Check the Receive Response
Flags. If the value is not 3, then the string sitting in the Serial Data field in not a
complete message. It is a fragment of a larger message.

QX-870 Industrial Raster Scanner User’s Manual A-99
Appendices
Appendix K — Interface Standards
Interface Standards, established by the Electronic Industries Association (EIA), specify
such things as the signaling voltage levels, maximum cable lengths, and number of drivers.
In the QX-870, selection of interface is made by pin assignment and, in the case of host
communication, by software switching between RS-232 and RS-422/RS-485.
RS-232
RS-232 defines an interface between two devices such as, for example, the scanner and
host. It differs from the other interfaces by dedicating individual pins to specific functions
and by requiring both devices to share a common ground line. Since both device chassis
are connected to a common ground, a ground loop potential and the possibility of noise
interference exists. Therefore cable lengths are limited to a maximum of 50 feet (19.7m).
Despite being the most limited, this interface is used frequently because of the large
installed base of RS-232 equipment.
RS-422/RS-485
RS-422, unlike RS-232, measures signals deferentially; that is, the receiver looks at the
potentials between the two receive (or transmit) wires rather than the potential between
signal and ground. As a result, cables, if shielded, can be up to 4000 feet (1219m) in
length. Like RS-232, RS-422 communication is designed for only two devices on a single
line and must have a common ground. It can be used wherever RS-232 is used.
Ethernet TCP/IP and EtherNet/IP
TCP/IP and EtherNet/IP protocols are supported over Ethernet. A 6-byte hardware address
is used, which is divided into a 3-byte vendor ID and a 3-byte vendor-defined field. Ethernet-enabled
device manufacturers are assigned a unique vendor ID, and are then responsible for insuring
that all of their devices have unique addresses in the last 3 bytes.

A-100 QX-870 Industrial Raster Scanner User’s Manual
Glossary of Terms
Appendix L — Glossary of Terms
AGC — See Automatic Gain Control.
Analog — A smooth, continuous voltage or current signal or function whose magnitude
(value) is the information.
Automatic Gain Control (AGC) — Adjustment to signal strength that seeks to maintain a
constant level regardless of the distance between a scanner and symbol.
Baud Rate — The number of discrete signal events per second; bits per second.
Check Character — A Modulus 43 or Modulus 10 character that is added to encoded
symbol data for additional data integrity.
Connector — A plug or socket on a device or cable providing in/out connectivity for various
circuits and pins.
Concentrator
— Intermediary device that relays data from scanners to a host and commands
from the host to the scanners or other devices.
Counter — Memory space allocated to keep track of scanner events.
Daisy Chain — Linkage of primary and secondary scanners allowing data to be sent to
the host.
Decode — A good read. The successful interpretation and output of the information
encoded in a symbol.
Default — Restores non-volatile or flash memory settings, initializes serial commands,
and resets all counters.
Delimited — A delimited command or field is bracketed by predefined characters.
Decode Rate — The number of good reads per second ahieved by a scanner.
Discrete I/O — Inputs and outputs characterized by discrete signal transitions from one
voltage level to another so that digital switching can occur.
End of Read Cycle — The time or condition at which the scanner stops expecting symbol
information to decode.
External Edge — Allows a read cycle to be initiated by a trigger signal from an object
detector when it detects the appearance of an object. The read cycle ends with a good
read, a timeout, or a new trigger.
External Level — Allows a read cycle to be initiated by a trigger signal from a photo
sensor. The read cycle ends when the object moves out of the detector’s range.
Firmware — Software hard-coded in non-volatile memory and closely tied to specific
pieces of hardware.
Fixed Symbol Length — Increases data integrity by ensuring that only one symbol length
will be accepted.
Full Duplex — A communication system in which signals can travel simultaneously
between devices.
Gain — Optimal signal strength.
Good Read — A decode. The successful scanning and decoding of the information
encoded in a symbol.

QX-870 Industrial Raster Scanner User’s Manual A-101
Appendices
Half Duplex — A communication system in which signals can travel between devices in
both directions, but not simultaneously.
Host — A computer, PLC, or other device that is used to execute commands and process
data and discrete signals.
Initialize — Implement serial configuration commands into the scanner’s active memory.
Input — A channel or communication line. Decoded data or a discrete signal that is
received by a device.
Ladder Orientation — A linear symbol orientation in which the bars are parallel to the
symbol’s direction of travel.
LED — See Light-Emitting Diode.
Light-Emitting Diode (LED) — A semiconductor device that emits light when conducting
current.
Multidrop — A communication protocol for networking two or more scanners or other
devices with a concentrator (or controller) and characterized by the use of individual
device addresses and the RS-485 standard.
Noise — The same as static in a phone line or “snow” in a television picture, noise is any
unwanted electrical signal that interferes with the symbol data being decoded and transmitted
by the scanner.
Normally Closed — A discrete output state that is only active when open.
Normally Open — A discrete output state that is only active when closed.
Output — A channel or communication line. Data or discrete signals that are transmitted
or displayed by a device.
Parity — An error detection routine in which one data bit in each character is set to 1 or 0
so that the total number of 1 bits in the data field is even or odd.
Picket Fence Orientation — A linear symbol orientation in which the bars are perpendicular
to the symbol’s direction of travel.
Pitch — Rotation of a symbol around an axis parallel to the symbol length on the substrate.
See the illustration below.
PLC — See Programmable Logic Controller.
Port — Logical circuit for data entry and exit. (One or more ports may be included within a
single connector.)
Pitch
axis
Bar code
label
Tilt
axis
axis
Scan line
Scanner
Pitch
Tilt
Skew
Symbol
Scanner

A-102 QX-870 Industrial Raster Scanner User’s Manual
Glossary of Terms
Programmable Logic Controller (PLC)
— An electronic device used in industrial automation
environments such as factory assembly lines and automotive manufacturing facilities.
Protocol — The rules for communication between devices, providing a means to control
the orderly flow of information between linked devices.
Read Cycle — A programmed period of time or condition during which a scanner will accept
symbol input.
Skew — Rotation of a symbol around an axis parallel to the symbol height on the substrate.
See the illustration under the definition of Pitch.
Substrate — The surface upon which a symbol is printed, stamped, or etched.
Symbol Transitions — The transition of bars and spaces on a symbol, used to detect the
presence of a symbol on an object.
Symbology — A symbol type, such as Code 39 or Code 128, with special rules to define
the widths and positions of bars and spaces to represent specific numeric or alphanumeric
information.
Tilt
— Rotation of a symbol around an axis perpendicular to the substrate. See the illustration
under the definition of Pitch.
Trigger — A signal, transition, or character string that initiates a read cycle.
Very Large-Scale Integration (VLSI)
— The creation of integrated circuits by combining
thousands
of transistor-based circuits on a single chip.
VLSI — See Very Large-Scale Integration.
