Mitsubishi Electronics Digital Car Amplifier Mr J3 B Users Manual □B Instruction
MR-J3-B to the manual 76c7a409-5962-44be-a79b-fad4dbd4bfef
2015-02-09
: Mitsubishi-Electronics Mitsubishi-Electronics-Mitsubishi-Digital-Electronics-Car-Amplifier-Mr-J3-B-Users-Manual-556530 mitsubishi-electronics-mitsubishi-digital-electronics-car-amplifier-mr-j3-b-users-manual-556530 mitsubishi-electronics pdf
Open the PDF directly: View PDF
.
Page Count: 422 [warning: Documents this large are best viewed by clicking the View PDF Link!]
- Safety Instructions
- About processing of waste
- COMPLIANCE WITH EC DIRECTIVES
- CONFORMANCE WITH UL/C-UL STANDARD
- About the manuals
- CONTENTS
- 1. FUNCTIONS AND CONFIGURATION
- 2. INSTALLATION
- 3. SIGNALS AND WIRING
- 3.1 Input power supply circuit
- 3.2 I/O signal connection example
- 3.3 Explanation of power supply system
- 3.4 Connectors and signal arrangements
- 3.5 Signal (device) explanations
- 3.6 Alarm occurrence timing chart
- 3.7 Interfaces
- 3.8 Treatment of cable shield external conductor
- 3.9 SSCNET III cable connection
- 3.10 Connection of servo amplifier and servo motor
- 3.11 Servo motor with an electromagnetic brake
- 3.12 Grounding
- 3.13 Control axis selection
- 4. STARTUP
- 5. PARAMETERS
- 6. GENERAL GAIN ADJUSTMENT
- 7. SPECIAL ADJUSTMENT FUNCTIONS
- 8. TROUBLESHOOTING
- 9. OUTLINE DRAWINGS
- 10. CHARACTERISTICS
- 11. OPTIONS AND AUXILIARY EQUIPMENT
- 11.1 Cable/connector sets
- 11.2 Regenerative options
- 11.3 FR-BU2-(H) Brake unit
- 11.4 Power regeneration converter
- 11.5 Power regeneration common converter
- 11.6 External dynamic brake
- 11.7 Junction terminal block PS7DW-20V14B-F (recommended)
- 11.8 MR Configurator
- 11.9 Battery MR-J3BAT
- 11.10 Heat sink outside mounting attachment (MR-J3ACN)
- 11.11 Selection example of wires
- 11.12 No-fuse breakers, fuses, magnetic contactors
- 11.13 Power factor improving DC reactor
- 11.14 Power factor improving AC reactors
- 11.15 Relays (recommended)
- 11.16 Surge absorbers (recommended)
- 11.17 Noise reduction techniques
- 11.18 Leakage current breaker
- 11.19 EMC filter (recommended)
- 12. ABSOLUTE POSITION DETECTION SYSTEM
- 13. SERVO AMPLIFIERS WITH A LARGE CAPACITY (30k TO 55kW)
- 13.1. Functions and menus
- 13.1.1 Function block diagram
- 13.1.2 Packing list
- 13.1.3 Standard specifications
- 13.1.4 Model definition
- 13.1.5 Combinations of converter units, drive unit and servo motors
- 13.1.6 Parts identification
- 13.1.7 Removal and reinstallation of the terminal block cover
- 13.1.8 Servo system with auxiliary equipment
- 13.2 Installation
- 13.3 Signals and wiring
- 13.4 Display section and operation section of the converter unit
- 13.5. Parameters for converter unit
- 13.6 Troubleshooting
- 13.7 Outline drawings
- 13.8 Characteristics
- 13.9 Options
- 13.9.1 Cables and connectors
- 13.9.2 Regenerative option
- 13.9.3 External dynamic brake
- 13.9.4 Selection example of wires
- 13.9.5 No-fuse breakers, fuses, magnetic contactors.
- 13.9.6 Power factor improving DC reactor
- 13.9.7 Line noise filter (FR-BLF)
- 13.9.8 Leakage current breaker
- 13.9.9 EMC filter (recommended)
- 13.9.10 FR-BU2-(H) Brake Unit
- 13.1. Functions and menus
- APPENDIX
- REVISIONS

SH (NA) 030051-D (0806) MEE Printed in Japan Specifications subject to change without notice.
This Instruction Manual uses recycled paper.
MODEL
MODEL
CODE
General-Purpose AC Servo
MODEL
MR-J3- B
SERVO AMPLIFIER
INSTRUCTION MANUAL
SSCNET Compatible
J3 Series
D
HEAD OFFICE : TOKYO BLDG MARUNOUCHI TOKYO 100-8310
J3 Series MR-J3- B Servo Amplifier Instruction Manual D
1CW202
MR-J3-B INSTRUCTIONMANUAL

A - 1
Safety Instructions
(Always read these instructions before using the equipment.)
Do not attempt to install, operate, maintain or inspect the converter unit, servo amplifier (drive unit) and servo
motor until you have read through this Instruction Manual, Installation guide, Servo motor Instruction Manual
(Vol.2) and appended documents carefully and can use the equipment correctly. Do not use the converter unit,
servo amplifier (drive unit) and servo motor until you have a full knowledge of the equipment, safety information
and instructions.
In this Instruction Manual, the safety instruction levels are classified into "WARNING" and "CAUTION".
WARNING Indicates that incorrect handling may cause hazardous conditions,
resulting in death or severe injury.
CAUTION Indicates that incorrect handling may cause hazardous conditions,
resulting in medium or slight injury to personnel or may cause physical
damage.
Note that the CAUTION level may lead to a serious consequence according to conditions. Please follow the
instructions of both levels because they are important to personnel safety.
What must not be done and what must be done are indicated by the following diagrammatic symbols.
: Indicates what must not be done. For example, "No Fire" is indicated by .
: Indicates what must be done. For example, grounding is indicated by .
In this Instruction Manual, instructions at a lower level than the above, instructions for other functions, and so
on are classified into "POINT".
After reading this installation guide, always keep it accessible to the operator.

A - 2
1. To prevent electric shock, note the following
WARNING
Before wiring or inspection, turn off the power and wait for 15 minutes or more (20 minutes or for drive
unit 30kW or more) until the charge lamp turns off. Then, confirm that the voltage between P( ) and
N( ) (L and L for drive unit 30kW or more) is safe with a voltage tester and others. Otherwise, an
electric shock may occur. In addition, always confirm from the front of the servo amplifier (converter unit),
whether the charge lamp is off or not.
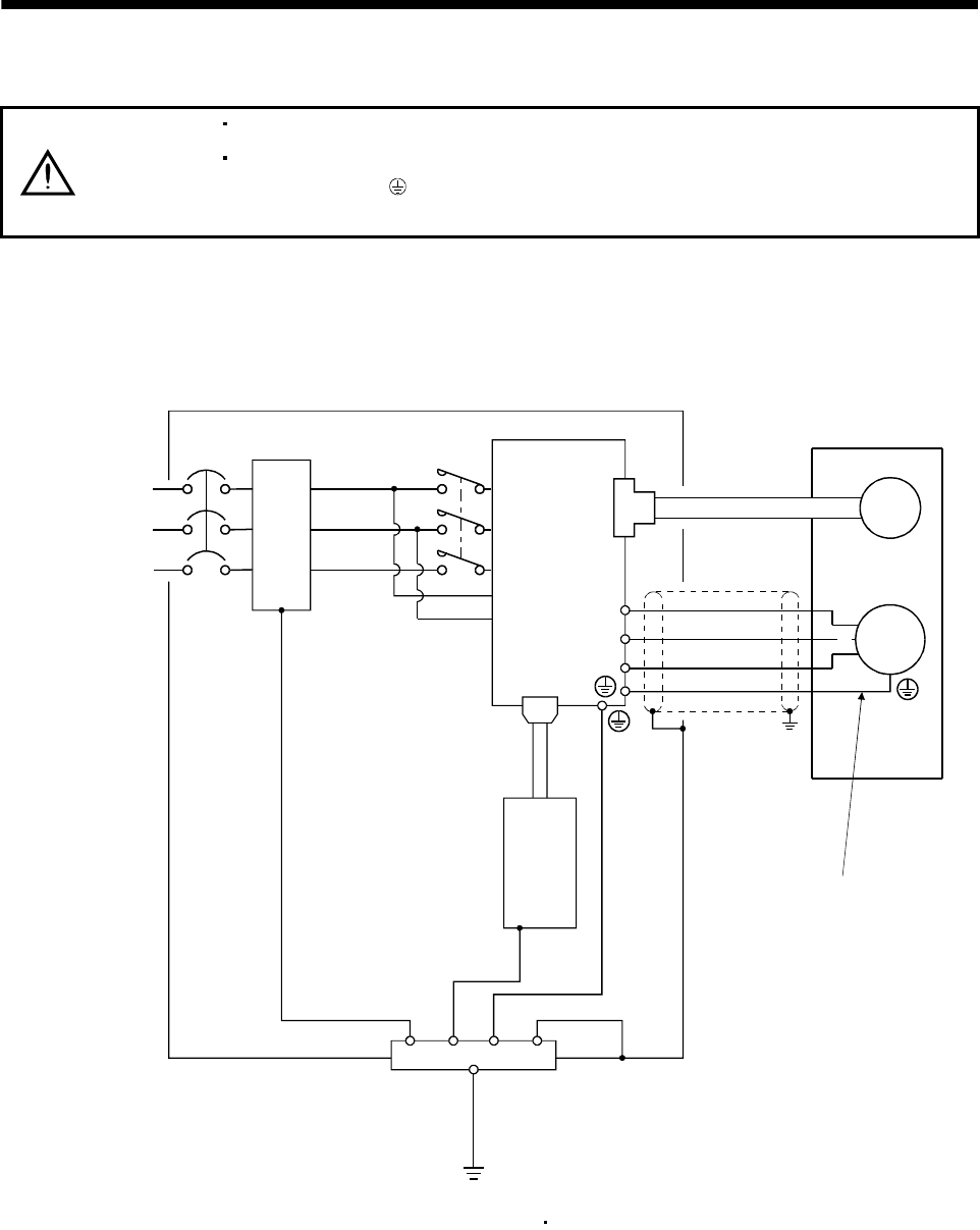
Connect the converter unit, servo amplifier (drive unit) and servo motor to ground.
Any person who is involved in wiring and inspection should be fully competent to do the work.
Do not attempt to wire the converter unit, servo amplifier (drive unit) and servo motor until they have been
installed. Otherwise, you may get an electric shock.
Operate the switches with dry hand to prevent an electric shock.
The cables should not be damaged, stressed loaded, or pinched. Otherwise, you may get an electric
shock.
During power-on or operation, do not open the front cover. You may get an electric shock.
Do not operate the converter unit and servo amplifier (drive unit) with the front cover removed. High-
voltage terminals and charging area are exposed and you may get an electric shock.
Except for wiring or periodic inspection, do not remove the front cover even if the power is off. The servo
amplifier (drive unit) is charged and you may get an electric shock.
2. To prevent fire, note the following
CAUTION
Install the converter unit, servo amplifier (drive unit), servo motor and regenerative resistor on
incombustible material. Installing them directly or close to combustibles will lead to a fire.
Always connect a magnetic contactor (MC) between the main circuit power supply and L1, L2, and L3 of
the converter unit, servo amplifier (drive unit), and configure the wiring to be able to shut down the power
supply on the side of the converter unit, servo amplifier (drive unit) power supply. If a magnetic contactor
(MC) is not connected, continuous flow of a large current may cause a fire when the converter unit, servo
amplifier (drive unit) malfunctions.
When a regenerative resistor is used, use an alarm signal to switch main power off. Otherwise, a
regenerative transistor fault or the like may overheat the regenerative resistor, causing a fire.
3. To prevent injury, note the follow
CAUTION
Only the voltage specified in the instruction manual should be applied to each terminal, Otherwise, a burst,
damage, etc. may occur.
Connect the terminals correctly to prevent a burst, damage, etc.
Ensure that polarity ( ,) is correct. Otherwise, a burst, damage, etc. may occur.
Take safety measures, e.g. provide covers, to prevent accidental contact of hands and parts (cables, etc.)
with the converter unit and servo amplifier (drive unit) heat sink, regenerative resistor, servo motor, etc.
since they may be hot while power is on or for some time after power-off. Their temperatures may be high
and you may get burnt or a parts may damaged.
During operation, never touch the rotating parts of the servo motor. Doing so can cause injury.

A - 3
4. Additional instructions
The following instructions should also be fully noted. Incorrect handling may cause a fault, injury, electric shock,
etc.
(1) Transportation and installation
CAUTION
Transport the products correctly according to their weights.
Stacking in excess of the specified number of products is not allowed.
Do not carry the servo motor by the cables, shaft or encoder.
Do not hold the front cover to transport the converter unit and servo amplifier (drive unit). The converter
unit and servo amplifier (drive unit) may drop.
Install the converter unit and servo amplifier (drive unit) in a load-bearing place in accordance with the
Instruction Manual.
Do not climb or stand on servo equipment. Do not put heavy objects on equipment.
The converter unit, servo amplifier (drive unit), and servo motor must be installed in the specified
direction.
Leave specified clearances between the converter unit, servo amplifier (drive unit), and control enclosure
walls or other equipment.
Do not install or operate the converter unit, servo amplifier (drive unit), and servo motor which has been
damaged or has any parts missing.
When you keep or use it, please fulfill the following environmental conditions.
Conditions
Environment
Converter unit servo amplifier (drive unit) Servo motor
[] 0 to 55 (non-freezing) 0 to 40 (non-freezing)
In
operation [] 32 to 131 (non-freezing) 32 to 104 (non-freezing)
[] 20 to 65 (non-freezing) 15 to 70 (non-freezing)
Ambient
temperature
In storage
[] 4 to 149 (non-freezing) 5 to 158 (non-freezing)
In operation 90%RH or less (non-condensing) 80%RH or less (non-condensing)
Ambient
humidity In storage 90%RH or less (non-condensing)
Ambience Indoors (no direct sunlight) Free from corrosive gas, flammable gas, oil mist, dust and dirt
Altitude Max. 1000m (3280 ft) above sea level
HF-MP series HF-KP series X, Y: 49 m/s2
HF-SP51 81 HF-SP52 to 152
HF-SP524 to 1524 HC-RP Series
HC-UP72 152
X, Y: 24.5 m/s2
HF-SP121 201 HF-SP202 352
HF-SP2024 3524 HC-UP202 to 502 X: 24.5 m/s2 Y: 49 m/s2
HF-SP301 421 HF-SP502 702
HF-SP5024 7024 X: 24.5 m/s2 Y: 29.4 m/s2
HC-LP52 to 152 X: 9.8 m/s2 Y: 24.5 m/s2
HC-LP202 to 302 X: 19.6 m/s2 Y: 49 m/s2
HA-LP601 to 12K1 HA-LP701M to 15K1M
HA-LP502 to 22K2 HA-LP6014 12K14
HA-LP701M4 15K1M4 HA-LP11K24 to 22K24
X: 11.7 m/s2 Y: 29.4 m/s2
(Note)
Vibration [m/s2] 5.9 or less
HA-LP15K1 to 37K1 HA-LP22K1M to 37K1M
HA-LP30K2 37K2 HA-LP15K14 to 37K14
HA-LP22K1M4 to 50K1M4 HA-LP30K24 to 55K24
X, Y: 9.8 m/s2
Note. Except the servo motor with reduction gear.

A - 4
CAUTION
Provide adequate protection to prevent screws and other conductive matter, oil and other combustible
matter from entering the converter unit, servo amplifier (drive unit), and servo motor.
Do not drop or strike converter unit, servo amplifier (drive unit), or servo motor. Isolate from all impact
loads.
Securely attach the servo motor to the machine. If attach insecurely, the servo motor may come off during
operation.
The servo motor with reduction gear must be installed in the specified direction to prevent oil leakage.
Take safety measures, e.g. provide covers, to prevent accidental access to the rotating parts of the servo
motor during operation.
Never hit the servo motor or shaft, especially when coupling the servo motor to the machine. The encoder
may become faulty.
Do not subject the servo motor shaft to more than the permissible load. Otherwise, the shaft may break.
When the equipment has been stored for an extended period of time, consult Mitsubishi.
(2) Wiring
CAUTION
Wire the equipment correctly and securely. Otherwise, the servo motor may operate unexpectedly.
Do not install a power capacitor, surge absorber or radio noise filter (FR-BIF (-H) option) between the
servo motor and servo amplifier (drive unit).
Connect the wires to the correct phase terminals (U, V, W) of the servo amplifier (drive unit) and servo
motor. Otherwise, the servo motor does not operate properly.
Connect the servo motor power terminal (U, V, W) to the servo motor power input terminal (U, V, W)
directly. Do not let a magnetic contactor, etc. intervene.
U
Servo motor
M
V
W
U
V
W
U
M
V
W
U
V
W
Servo amplifier
(drive unit) Servo motor
Servo amplifier
(drive unit)
Do not connect AC power directly to the servo motor. Otherwise, a fault may occur.
The surge absorbing diode installed on the DC output signal relay of the servo amplifier (drive unit) must
be wired in the specified direction. Otherwise, the forced stop (EM1) and other protective circuits may not
operate.
Control
output
signal
Control
output
signal RA
DOCOM
DICOM
24VDC
RA
DOCOM
DICOM
24VDC
Servo amplifier
(drive unit) Servo amplifier
(drive unit)
When the cable is not tightened enough to the terminal block (connector), the cable or terminal block
(connector) may generate heat because of the poor contact. Be sure to tighten the cable with specified
torque.

A - 5
(3) Test run adjustment
CAUTION
Before operation, check the parameter settings. Improper settings may cause some machines to perform
unexpected operation.
The parameter settings must not be changed excessively. Operation will be insatiable.
(4) Usage
CAUTION
Provide an external emergency stop circuit to ensure that operation can be stopped and power switched
off immediately.
Any person who is involved in disassembly and repair should be fully competent to do the work.
Before resetting an alarm, make sure that the run signal of the servo amplifier (drive unit) is off to prevent
an accident. A sudden restart is made if an alarm is reset with the run signal on.
Do not modify the equipment.
Use a noise filter, etc. to minimize the influence of electromagnetic interference, which may be caused by
electronic equipment used near the converter unit and servo amplifier (drive unit).
Burning or breaking a converter unit and servo amplifier (drive unit) may cause a toxic gas. Do not burn or
break a converter unit and servo amplifier (drive unit).
Use the converter unit and servo amplifier (drive unit) with the specified servo motor.
The electromagnetic brake on the servo motor is designed to hold the motor shaft and should not be used
for ordinary braking.
For such reasons as service life and mechanical structure (e.g. where a ball screw and the servo motor
are coupled via a timing belt), the electromagnetic brake may not hold the motor shaft. To ensure safety,
install a stopper on the machine side.

A - 6
(5) Corrective actions
CAUTION
When it is assumed that a hazardous condition may take place at the occur due to a power failure or a
product fault, use a servo motor with an electromagnetic brake or an external brake mechanism for the
purpose of prevention.
Configure the electromagnetic brake circuit so that it is activated not only by the servo amplifier (drive unit)
signals but also by an external forced stop (EM1).
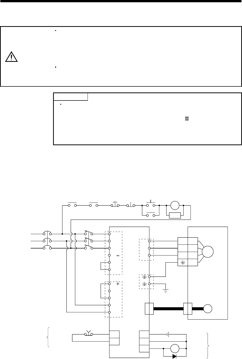
EM1RA
24VDC
Contacts must be open when
servo-off, when an trouble (ALM)
and when an electromagnetic brake
interlock (MBR).
Electromagnetic brake
Servo motor
Circuit must be
opened during
forced stop (EM1).
When any alarm has occurred, eliminate its cause, ensure safety, and deactivate the alarm before
restarting operation.
When power is restored after an instantaneous power failure, keep away from the machine because the
machine may be restarted suddenly (design the machine so that it is secured against hazard if restarted).
(6) Maintenance, inspection and parts replacement
CAUTION
With age, the electrolytic capacitor of the converter unit and servo amplifier (drive unit) will deteriorate. To
prevent a secondary accident due to a fault, it is recommended to replace the electrolytic capacitor every
10 years when used in general environment.
Please consult our sales representative.
(7) General instruction
To illustrate details, the equipment in the diagrams of this Specifications and Instruction Manual may have
been drawn without covers and safety guards. When the equipment is operated, the covers and safety
guards must be installed as specified. Operation must be performed in accordance with this Specifications
and Instruction Manual.

A - 7
About processing of waste
When you discard converter unit and servo amplifier (drive unit), a battery (primary battery), and other option
articles, please follow the law of each country (area).
FOR MAXIMUM SAFETY
These products have been manufactured as a general-purpose part for general industries, and have not
been designed or manufactured to be incorporated in a device or system used in purposes related to
human life.
Before using the products for special purposes such as nuclear power, electric power, aerospace,
medicine, passenger movement vehicles or under water relays, contact Mitsubishi.
These products have been manufactured under strict quality control. However, when installing the product
where major accidents or losses could occur if the product fails, install appropriate backup or failsafe
functions in the system.
EEP-ROM life
The number of write times to the EEP-ROM, which stores parameter settings, etc., is limited to 100,000. If
the total number of the following operations exceeds 100,000, the converter unit, servo amplifier (drive unit)
and/or converter unit may fail when the EEP-ROM reaches the end of its useful life.
Write to the EEP-ROM due to parameter setting changes
Write to the EEP-ROM due to device changes
Precautions for Choosing the Products
Mitsubishi will not be held liable for damage caused by factors found not to be the cause of Mitsubishi;
machine damage or lost profits caused by faults in the Mitsubishi products; damage, secondary damage,
accident compensation caused by special factors unpredictable by Mitsubishi; damages to products other
than Mitsubishi products; and to other duties.

A - 8
COMPLIANCE WITH EC DIRECTIVES
1. WHAT ARE EC DIRECTIVES?
The EC directives were issued to standardize the regulations of the EU countries and ensure smooth
distribution of safety-guaranteed products. In the EU countries, the machinery directive (effective in January,
1995), EMC directive (effective in January, 1996) and low voltage directive (effective in January, 1997) of the
EC directives require that products to be sold should meet their fundamental safety requirements and carry the
CE marks (CE marking). CE marking applies to machines and equipment into which servo have been installed.
(1) EMC directive
The EMC directive applies not to the servo units alone but to servo-incorporated machines and equipment.
This requires the EMC filters to be used with the servo-incorporated machines and equipment to comply
with the EMC directive. For specific EMC directive conforming methods, refer to the EMC Installation
Guidelines (IB(NA)67310).
(2) Low voltage directive
The low voltage directive applies also to servo units alone. Hence, they are designed to comply with the low
voltage directive.
This servo is certified by TUV, third-party assessment organization, to comply with the low voltage directive.
(3) Machine directive
Not being machines, the converter unit, servo amplifiers (drive unit) need not comply with this directive.
2. PRECAUTIONS FOR COMPLIANCE
(1) Converter unit, servo amplifiers (drive unit), and servo motors used
Use the converter unit, servo amplifiers (drive unit), and servo motors which comply with the standard
model.
Converter unit series :MR-J3-CR55K
MR-J3-CR55K4
Servo amplifier (drive unit) series :MR-J3-10B to MR-J3-22KB
MR-J3-10B1 to MR-J3-40B1
MR-J3-60B4 to MR-J3-22KB4
MR-J3-DU30KB to MR-J3-DU37KB
MR-J3-DU30KB4 to MR-J3-DU55KB4
Servo motor series :HF-MP
HF-KP
HF-SP
(Note)
HF-SP
4 (Note)
HC-RP
HC-UP
HC-LP
HA-LP
(Note)
HA-LP
4 (Note)
Note. For the latest information of compliance, contact Mitsubishi.

A - 9
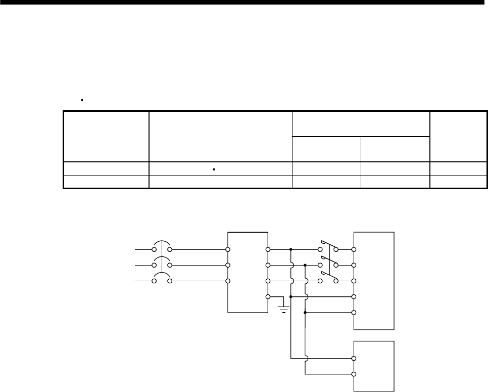
(2) Configuration
The control circuit provide safe separation to the main circuit in the converter unit and servo amplifier (drive
unit).
(a) MR-J3-22KB(4) or less
NFB MC
24VDC
power
supply
Servo
amplifier
Reinforced
insulating type
Control box
Servo
motor
No-fuse
breaker
Magnetic
contactor
M
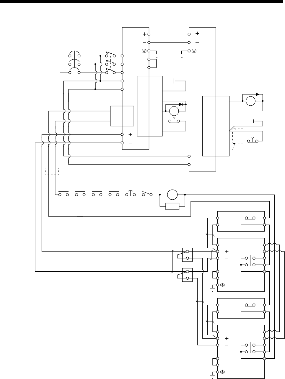
(b) MR-J3-DU30KB(4) or more
NFB MC
24VDC
power
supply
Control box
No-fuse
breaker
Magnetic
contactor
Converter
unit
Servo
motor
M
Drive
unit
Reinforced
insulating type
(3) Environment
Operate the converter unit and servo amplifier (drive unit) at or above the contamination level 2 set forth in
IEC60664-1. For this purpose, install the converter unit and servo amplifier (drive unit) in a control box
which is protected against water, oil, carbon, dust, dirt, etc. (IP54).
(4) Power supply
(a) This converter unit and servo amplifier (drive unit) can be supplied from star-connected supply with
earthed neutral point of overvoltage category III set forth in IEC60664-1. However, when using the
neutral point of 400V class for single-phase supply, a reinforced insulating transformer is required in the
power input section.
(b) When supplying interface power from external, use a 24VDC power supply which has been insulation-
reinforced in I/O.
(5) Grounding
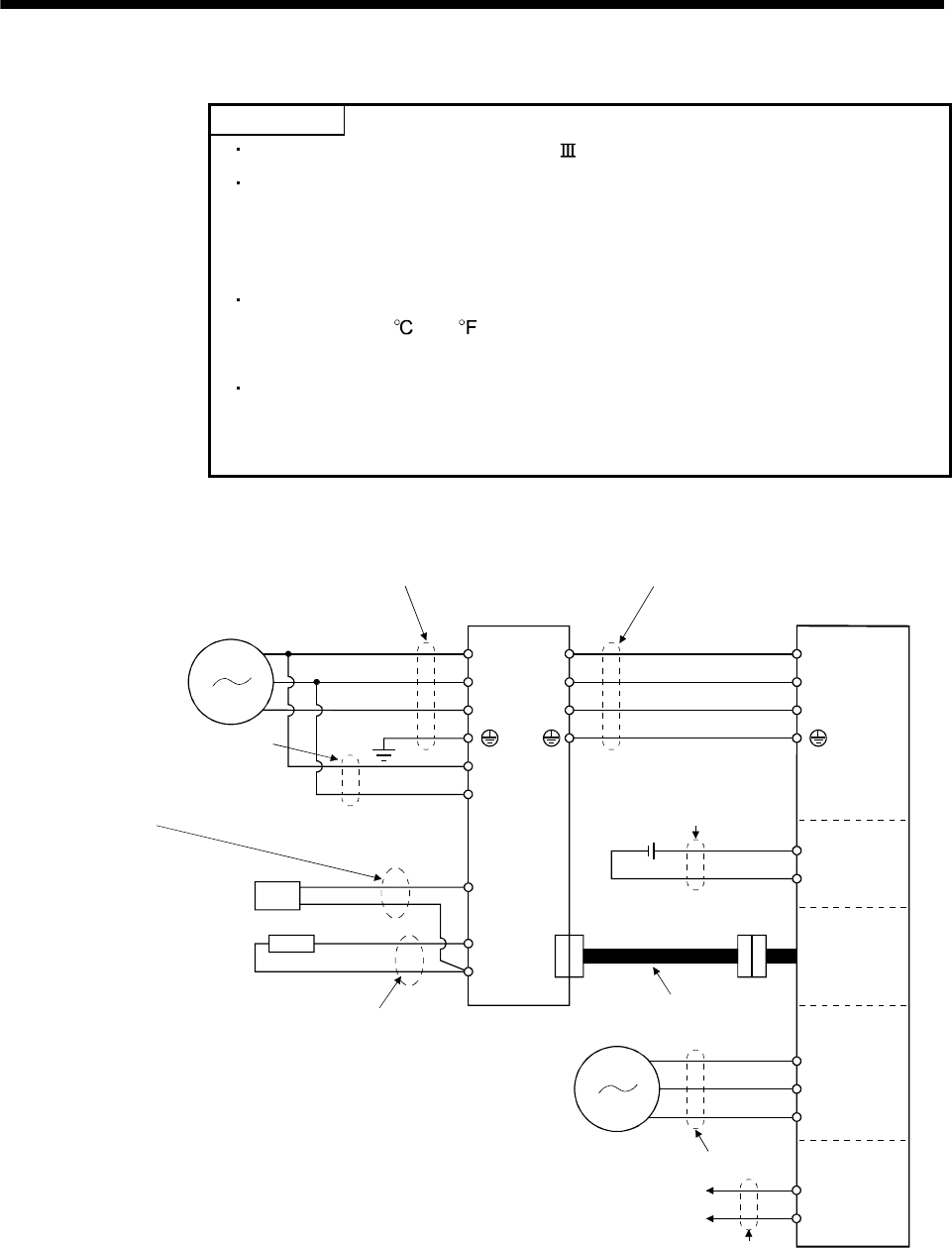
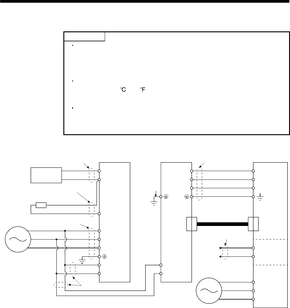
(a) To prevent an electric shock, always connect the protective earth (PE) terminals (marked ) of the
converter unit and servo amplifier (drive unit) to the protective earth (PE) of the control box.

A - 10
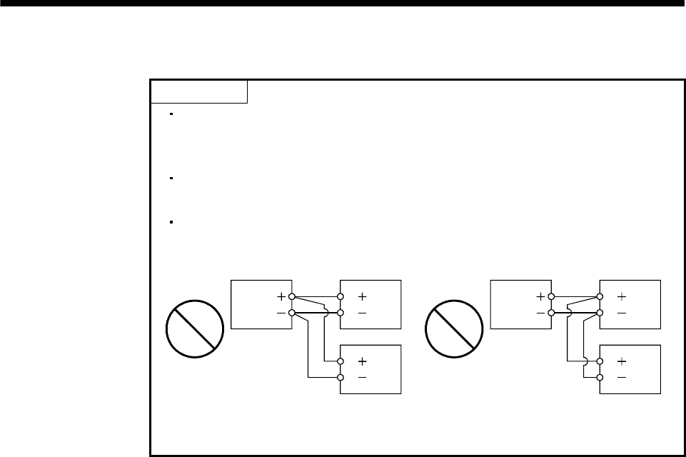
(b) Do not connect two ground cables to the same protective earth (PE) terminal. Always connect the
cables to the terminals one-to-one.
PE terminals PE terminals
(c) If a leakage current breaker is used to prevent an electric shock, the protective earth (PE) terminals of
the converter unit and servo amplifier (drive unit) must be connected to the corresponding earth
terminals.
(6) Wiring
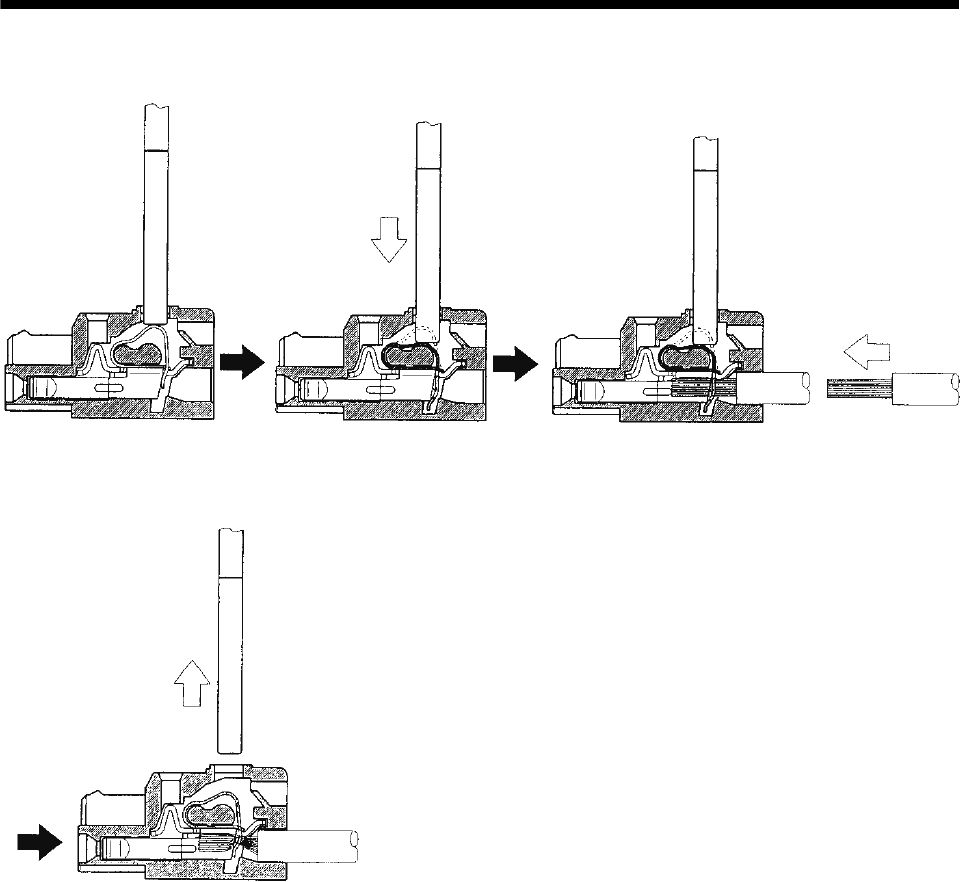
(a) The cables to be connected to the terminal block of the converter unit and servo amplifier (drive unit)
must have crimping terminals provided with insulating tubes to prevent contact with adjacent terminals.
Crimping terminal
Insulating tube
Cable
(b) Use the servo motor side power connector which complies with the EN Standard. The EN Standard
compliant power connector sets are available from us as options. (Refer to section 11.1)
(7) Auxiliary equipment and options
(a) The no-fuse breaker and magnetic contactor used should be the EN or IEC standard-compliant
products of the models described in section 11.12 (Section 13.9.5 for 30kW or more).
Use a type B (Note) breaker. When it is not used, provide insulation between the converter unit, servo
amplifier (drive unit) and other device by double insulation or reinforced insulation, or install a
transformer between the main power supply, converter unit and servo amplifier (drive unit).
Note. Type A: AC and pulse detectable
Type B: Both AC and DC detectable
(b) The sizes of the cables described in section 11.8 meet the following requirements. To meet the other
requirements, follow Table 5 and Appendix C in EN60204-1.
Ambient temperature: 40 (104) [°C (°F)]
Sheath: PVC (polyvinyl chloride)
Installed on wall surface or open table tray
(c) Use the EMC filter for noise reduction.
(8) Performing EMC tests
When EMC tests are run on a machine/device into which the converter unit and servo amplifier (drive unit)
has been installed, it must conform to the electromagnetic compatibility (immunity/emission) standards after
it has satisfied the operating environment/electrical equipment specifications.
For the other EMC directive guidelines on the converter unit and servo amplifier (drive unit), refer to the
EMC Installation Guidelines(IB(NA)67310).

A - 11
CONFORMANCE WITH UL/C-UL STANDARD
(1) Converter unit, servo amplifiers (drive unit) and servo motors used
Use the converter unit, servo amplifiers (drive unit) and servo motors which comply with the standard model.
Converter unit series :MR-J3-CR55K
MR-J3-CR55K4
Servo amplifier (drive unit) series :MR-J3-10B to MR-J3-22KB
MR-J3-10B1 to MR-J3-40B1
MR-J3-60B4 to MR-J3-22KB4
MR-J3-DU30KB to MR-J3-DU37KB
MR-J3-DU30KB4 to MR-J3-DU55KB4
Servo motor series :HF-MP
HF-KP
HF-SP
(Note)
HF-SP
4 (Note)
HC-RP
HC-UP
HC-LP
HA-LP
(Note)
HA-LP
4 (Note)
Note. For the latest information of compliance, contact Mitsubishi.
(2) Installation
Install a fan of 100CFM (2.8m3/min) air flow 4[in] (10.16[cm]) above the servo amplifier (drive unit) or
provide cooling of at least equivalent capability to ensure that the ambient temperature conforms to the
environment conditions (55 or less).
(3) Short circuit rating: SCCR (Short Circuit Current Rating)
This servo amplifier (drive unit) conforms to the circuit whose peak current is limited to 100kA or less,
500Volts Maximum. Having been subjected to the short-circuit tests of the UL in the alternating-current
circuit, the servo amplifier (drive unit) conforms to the above circuit.

A - 12
(4) Capacitor discharge time
The capacitor discharge time is as listed below. To ensure safety, do not touch the charging section for 15
minutes (more than 20 minutes in case drive unit is 30kW or more) after power-off.
Servo amplifier Discharge time [min]
MR-J3-10B 20B 1
MR-J3-40B 60B(4) 10B1 20B1 2
MR-J3-70B 3
MR-J3-40B1 4
MR-J3-100B(4) 5
MR-J3-200B(4) 350B 9
MR-J3-350B4 500B(4) 700B(4) 10
MR-J3-11KB(4) 4
MR-J3-15KB(4) 6
MR-J3-22KB(4) 8
Converter unit Drive unit Discharge time [min]
MR-J3-DU30KB
MR-J3-CR55K
MR-J3-DU37KB
MR-J3-DU30KB4
MR-J3-DU37KB4
20
MR-J3-CR55K4
MR-J3-DU45KB4
MR-J3-DU55KB4
(5) Options and auxiliary equipment
Use UL/C-UL standard-compliant products.
(6) Attachment of a servo motor
For the flange size of the machine side where the servo motor is installed, refer to “CONFORMANCE WITH
UL/C-UL STANDARD” in the Servo Motor Instruction Manual (Vol.2).
(7) About wiring protection
For installation in United States, branch circuit protection must be provided, in accordance with the National
Electrical Code and any applicable local codes.
For installation in Canada, branch circuit protection must be provided, in accordance with the Canada
Electrical Code and any applicable provincial codes.

A - 13
<<About the manuals>>
This Instruction Manual and the MELSERVO Servo Motor Instruction Manual (Vol.2) are required if you use
the General-Purpose AC servo MR-J3-B for the first time. Always purchase them and use the MR-J3-B
safely.
Relevant manuals
Manual name Manual No.
MELSERVO-J3 Series Instructions and Cautions for Safe Use of AC Servos
(Enclosed in converter unit and servo amplifier (drive unit).) IB(NA)0300077
MELSERVO Servo Motor Instruction Manual Vol.2 SH(NA)030041
EMC Installation Guidelines IB(NA)67310
Details of MR-J3-CR55K(4) and MR-J3-DU30KB(4) to MR-J3-DU55KB4 are described in chapter 13 of this
INSTRUCTION MANUAL.
For the products of 30kW or more, refer to chapter 13.
<<About the wires used for wiring>>
Wiring wires mentioned in this instruction manual are selected based on the ambient temperature of 40°C
(104 ).

A - 14
MEMO

1
CONTENTS
1. FUNCTIONS AND CONFIGURATION 1 - 1 to 1 -28
1.1 Introduction............................................................................................................................................... 1 - 1
1.2 Function block diagram............................................................................................................................ 1 - 2
1.3 Servo amplifier standard specifications................................................................................................... 1 - 5
1.4 Function list .............................................................................................................................................. 1 - 7
1.5 Model code definition ............................................................................................................................... 1 - 8
1.6 Combination with servo motor ................................................................................................................ 1 -10
1.7 Structure .................................................................................................................................................. 1 -11
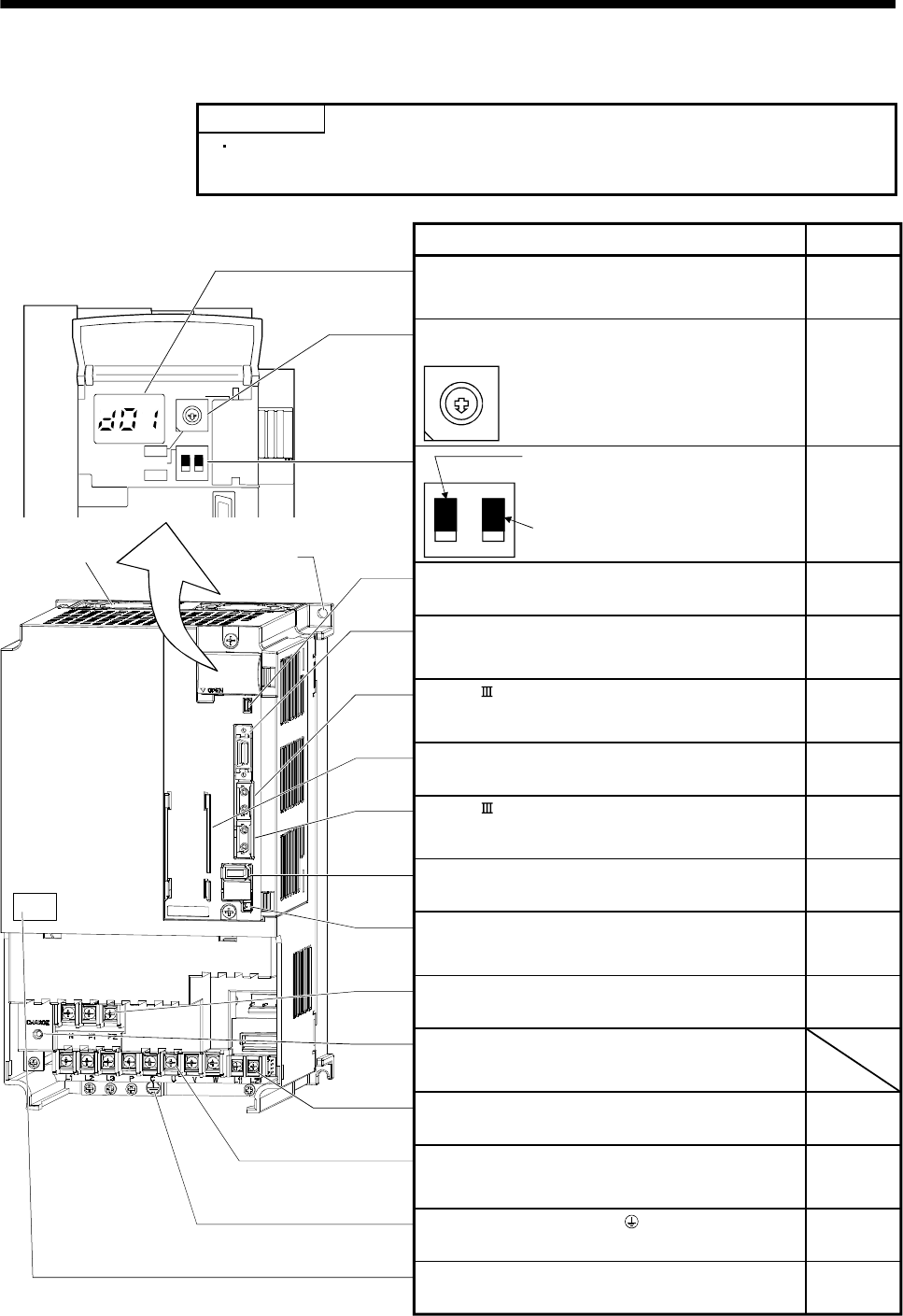
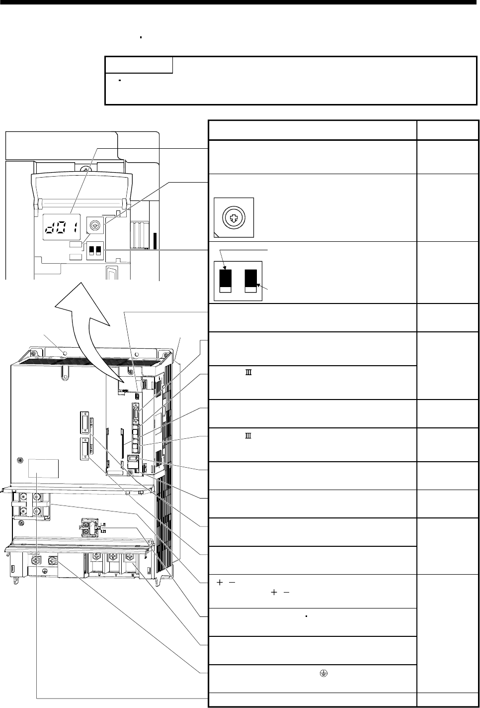
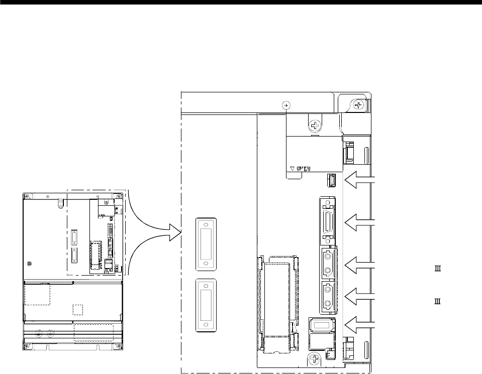
1.7.1 Parts identification ............................................................................................................................ 1 -11
1.7.2 Removal and reinstallation of the front cover.................................................................................. 1 -18
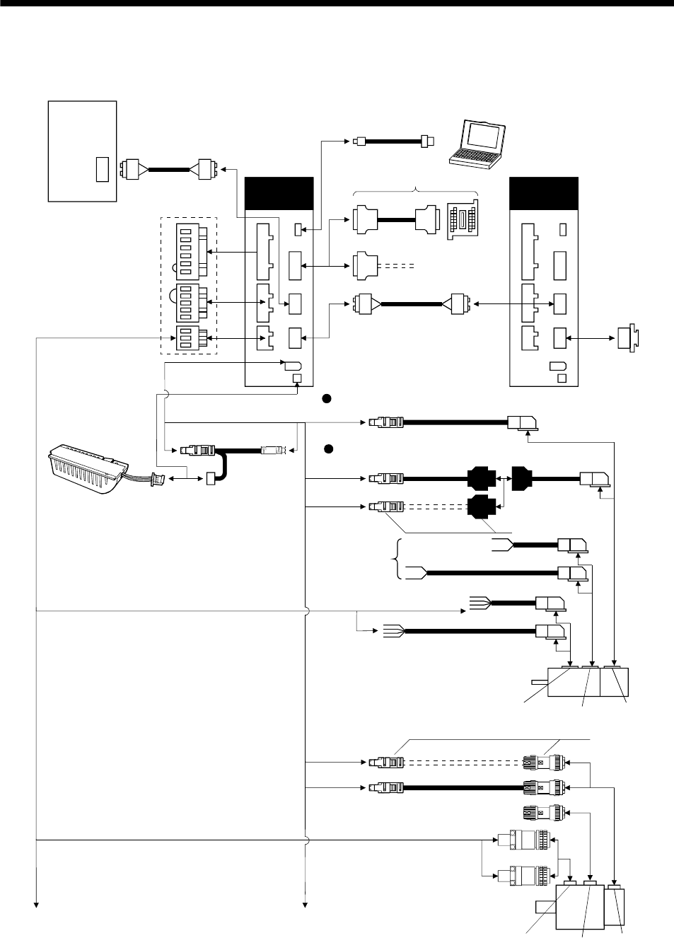
1.8 Configuration including auxiliary equipment........................................................................................... 1 -21
2. INSTALLATION 2 - 1 to 2 - 6
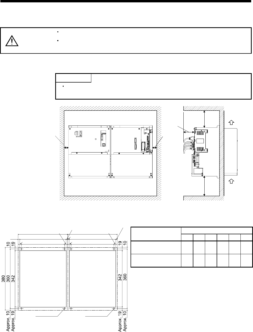
2.1 Installation direction and clearances ....................................................................................................... 2 - 1
2.2 Keep out foreign materials ....................................................................................................................... 2 - 3
2.3 Cable stress ............................................................................................................................................. 2 - 3
2.4 SSCNET cable laying............................................................................................................................ 2 - 4
2.5 Inspection items ....................................................................................................................................... 2 - 6
2.6 Parts having service lives ........................................................................................................................ 2 - 6
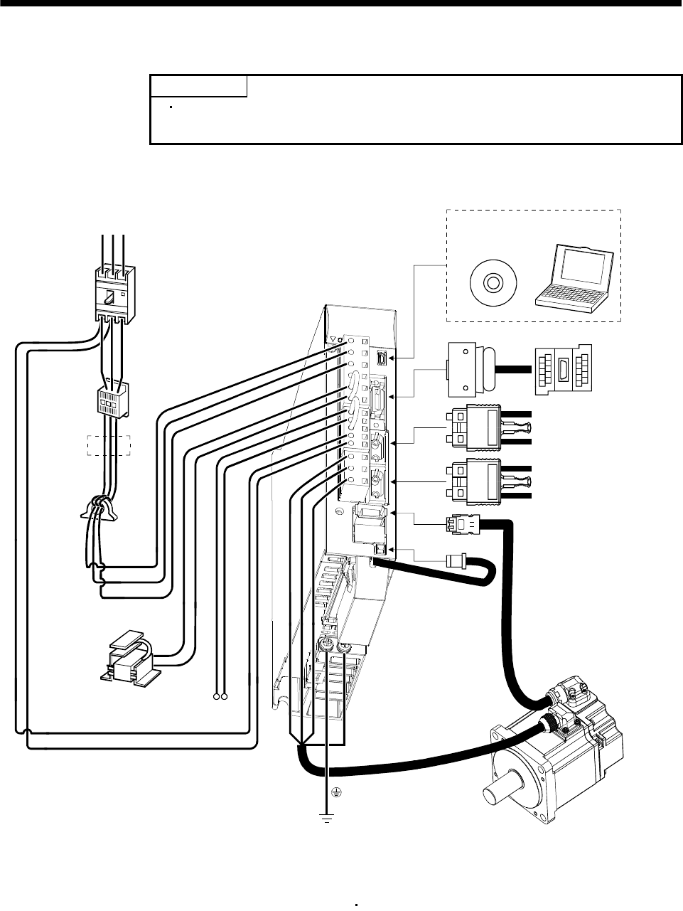
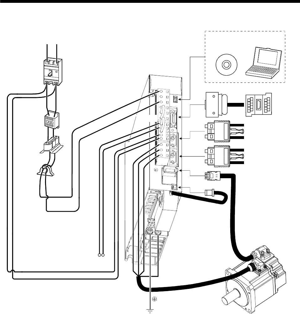
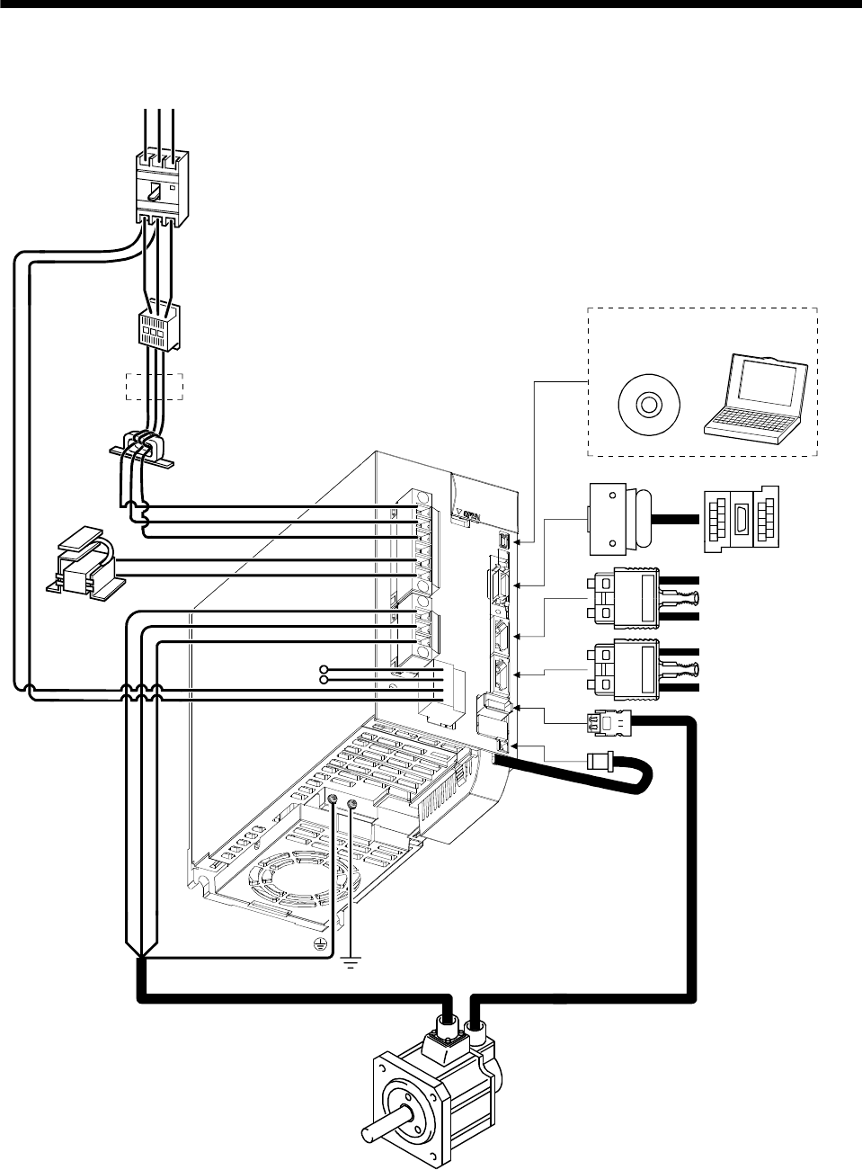
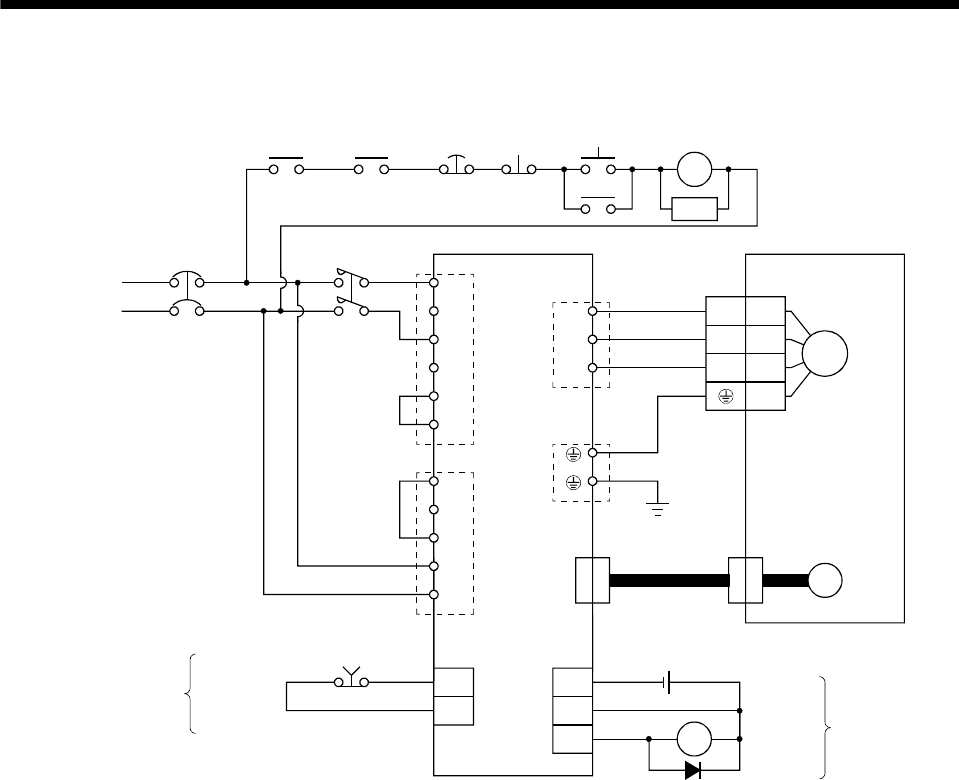
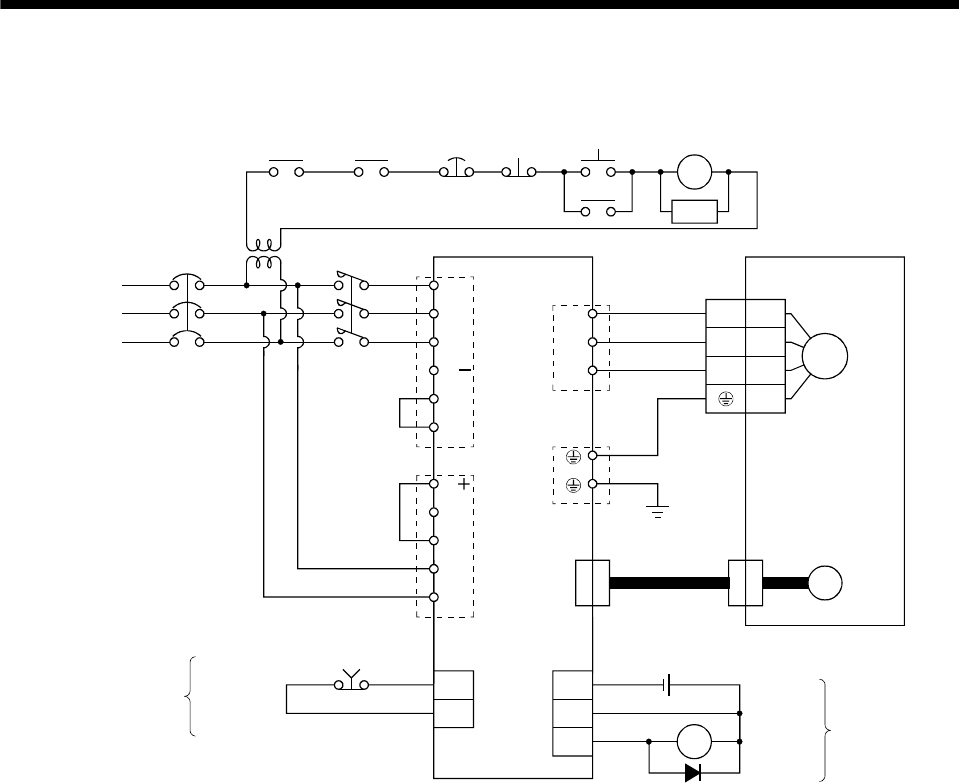
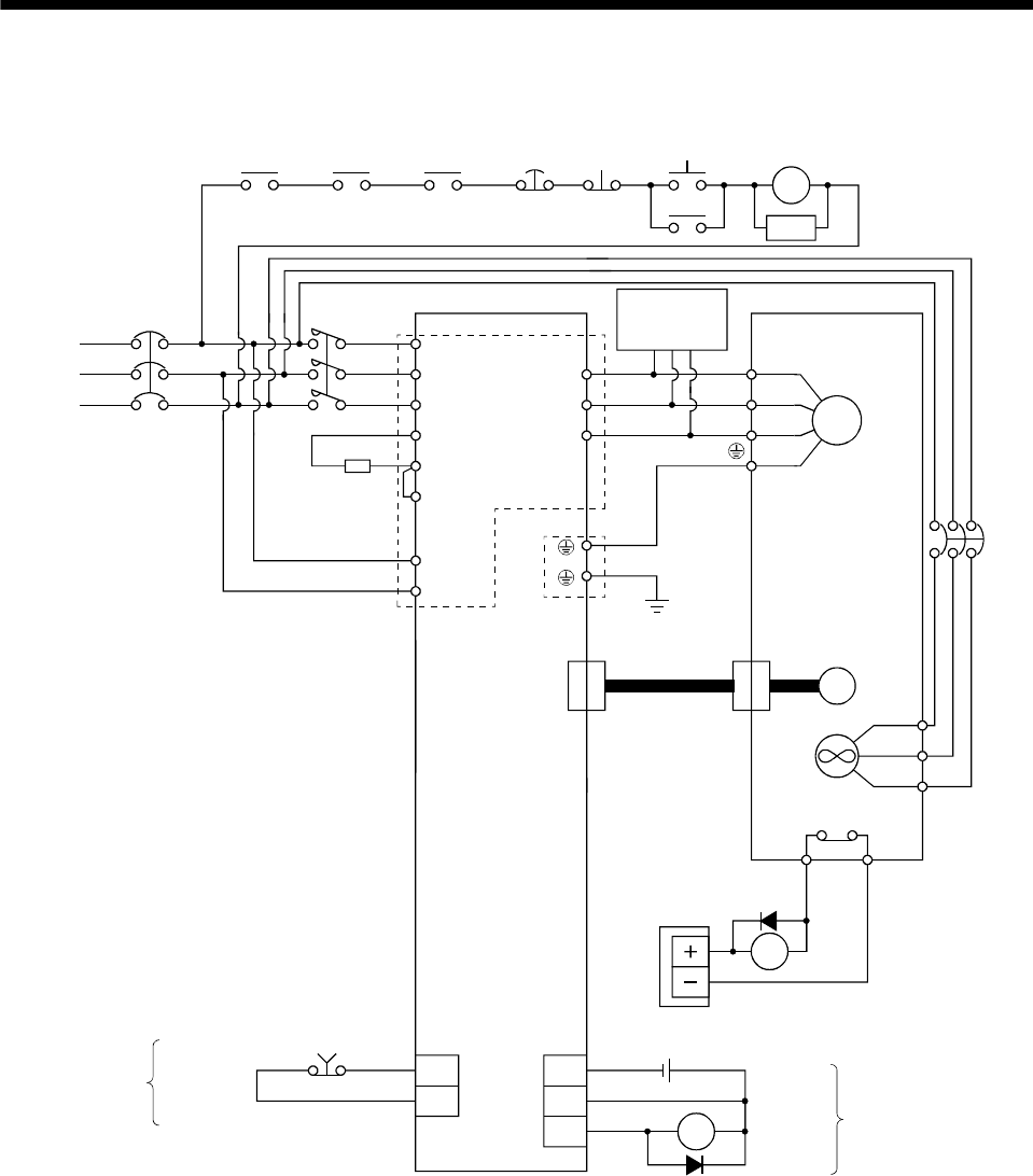
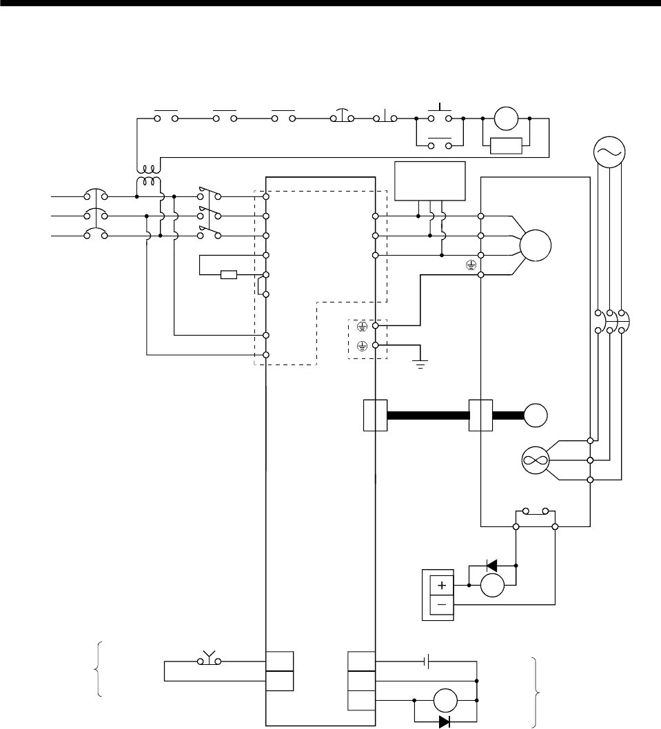
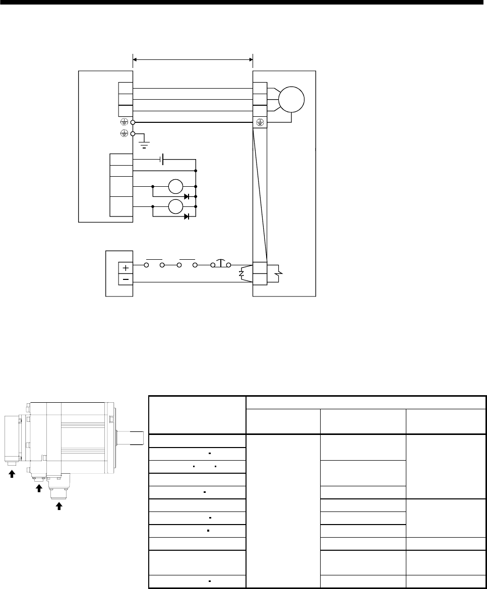
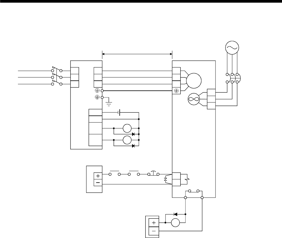
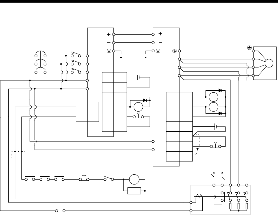
3. SIGNALS AND WIRING 3 - 1 to 3 -52
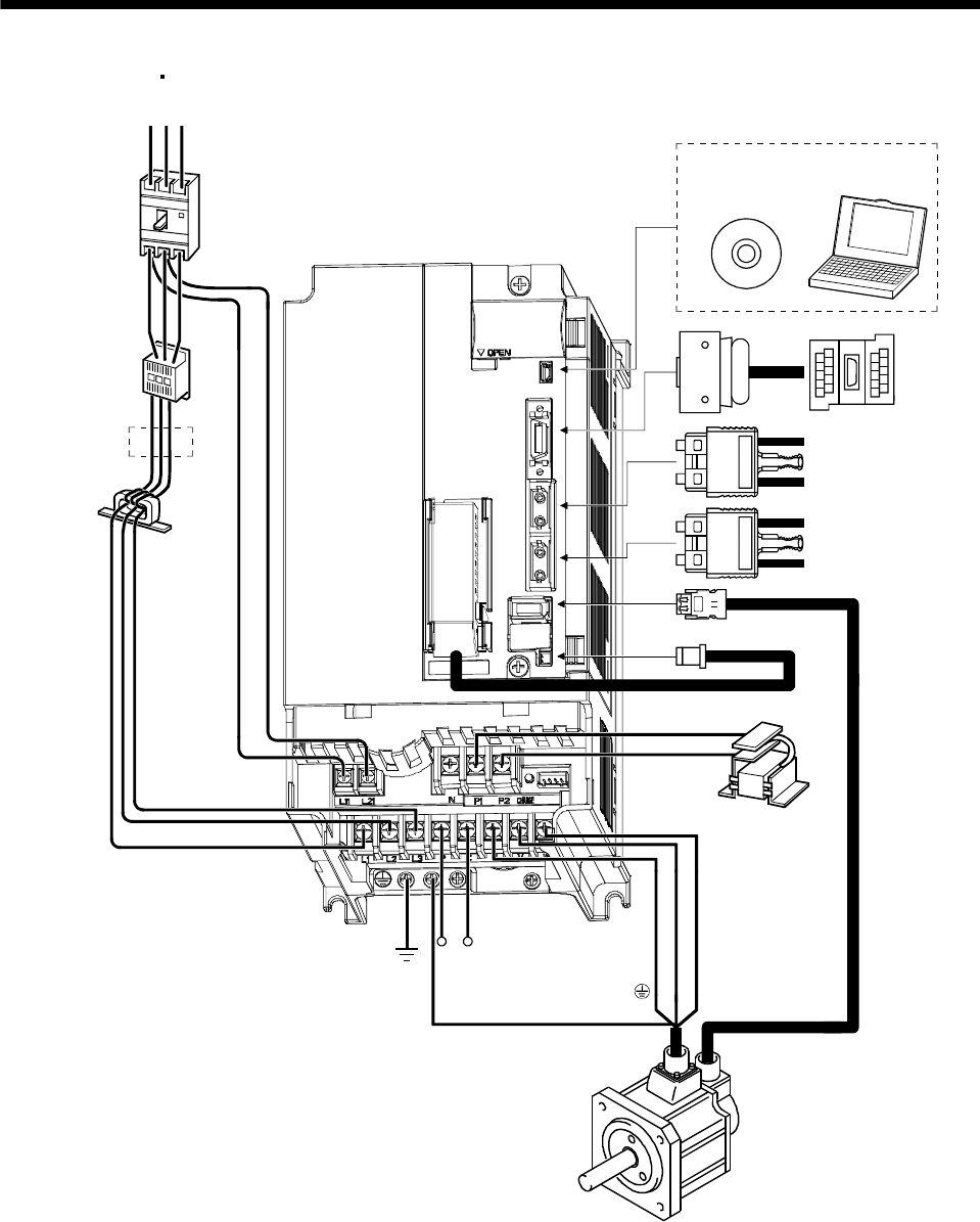
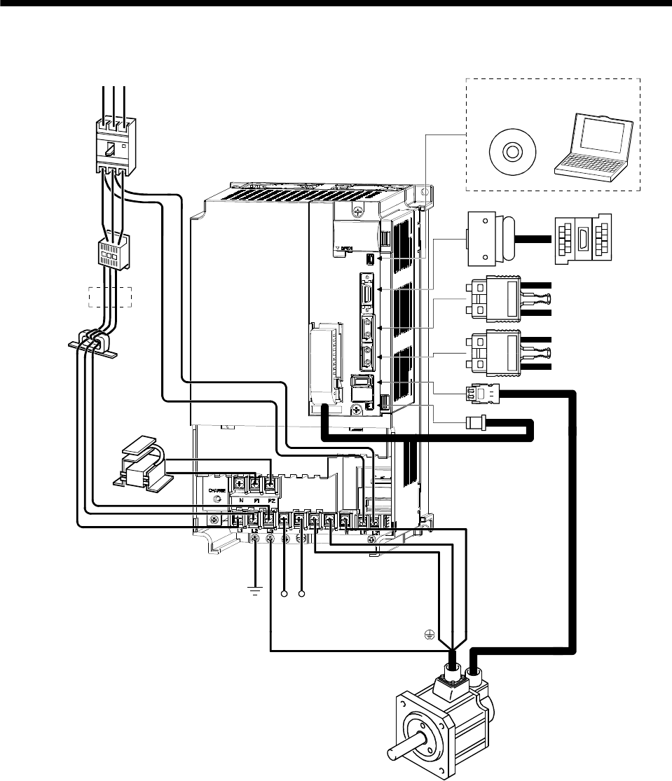
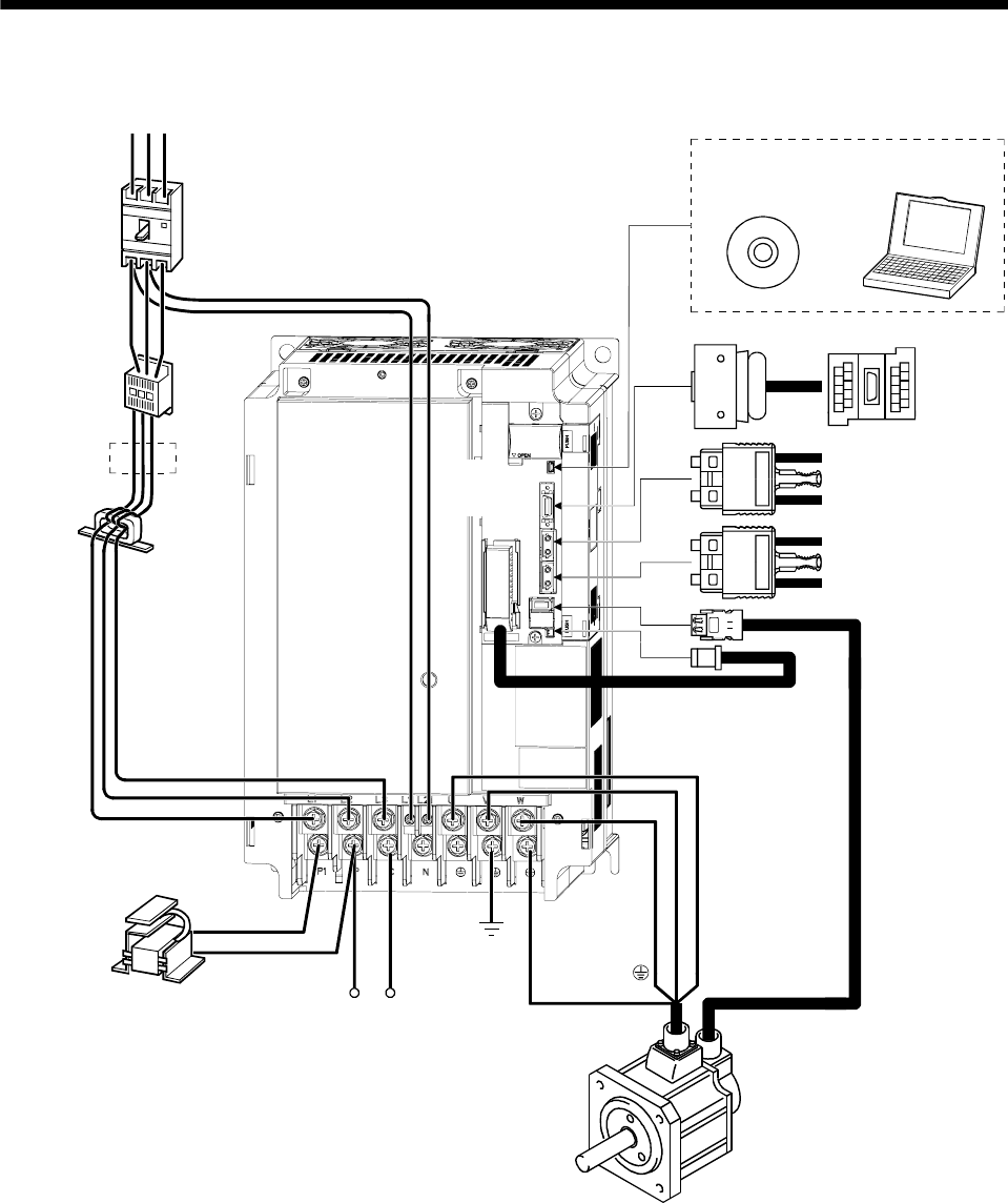
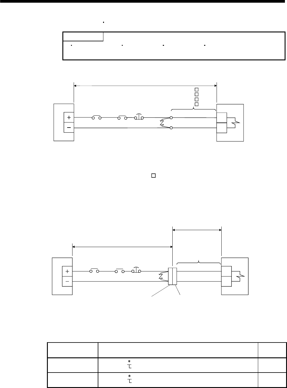
3.1 Input power supply circuit ........................................................................................................................ 3 - 2
3.2 I/O signal connection example ............................................................................................................... 3 -10
3.3 Explanation of power supply system ...................................................................................................... 3 -12
3.3.1 Signal explanations .......................................................................................................................... 3 -12
3.3.2 Power-on sequence ......................................................................................................................... 3 -13
3.3.3 CNP1, CNP2, CNP3 wiring method ................................................................................................ 3 -14
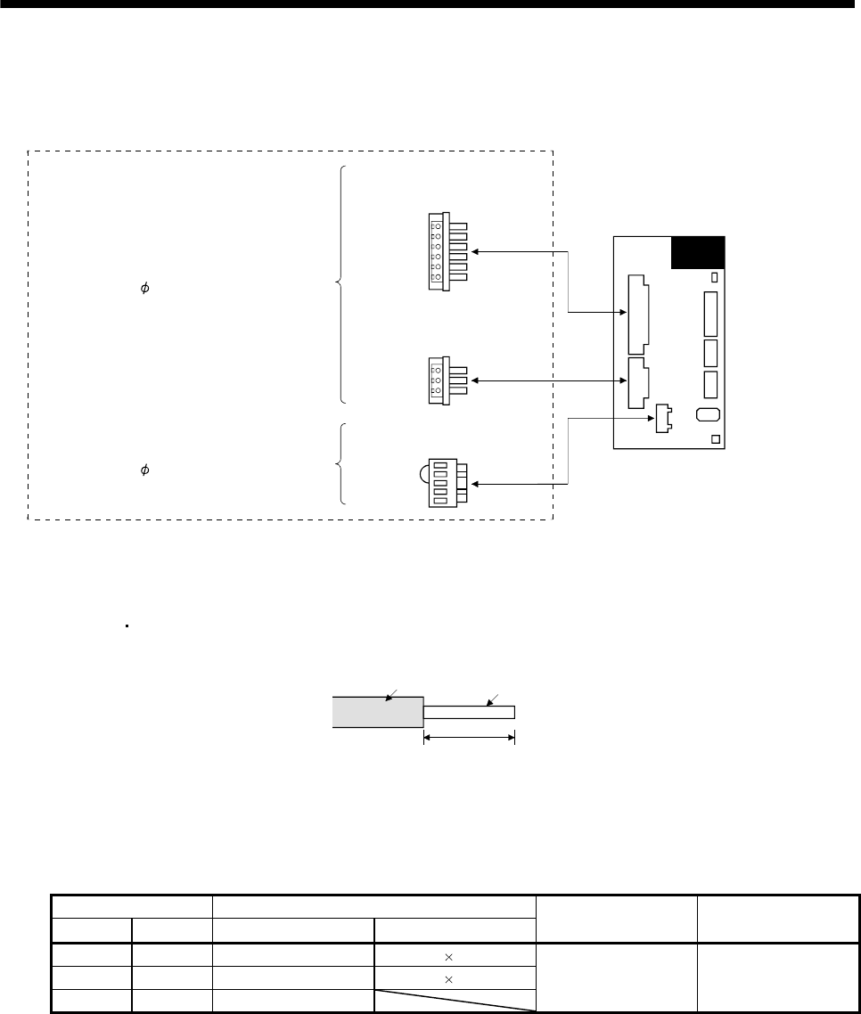
3.4 Connectors and signal arrangements .................................................................................................... 3 -23
3.5 Signal (device) explanations................................................................................................................... 3 -24
3.6 Alarm occurrence timing chart ................................................................................................................ 3 -27
3.7 Interfaces ................................................................................................................................................. 3 -28
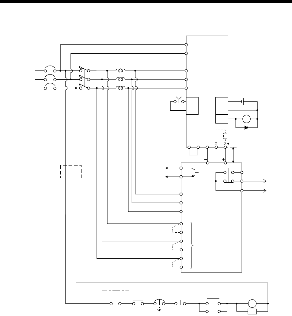
3.7.1 Internal connection diagram ............................................................................................................ 3 -28
3.7.2 Detailed description of interfaces..................................................................................................... 3 -29
3.7.3 Source I/O interfaces ....................................................................................................................... 3 -31
3.8 Treatment of cable shield external conductor ........................................................................................ 3 -32
3.9 SSCNET cable connection .................................................................................................................. 3 -33
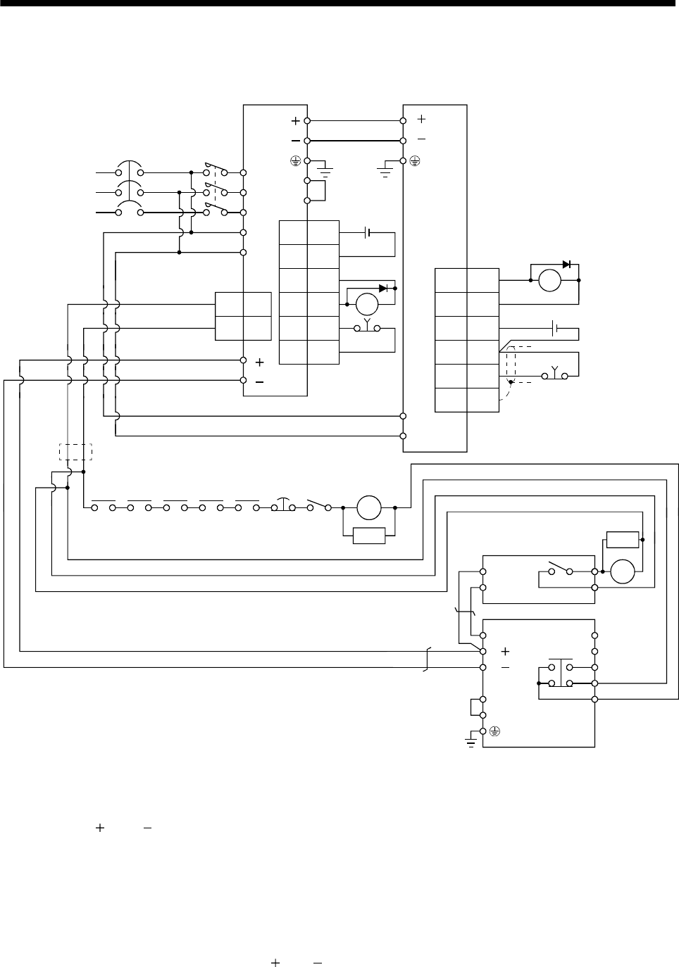
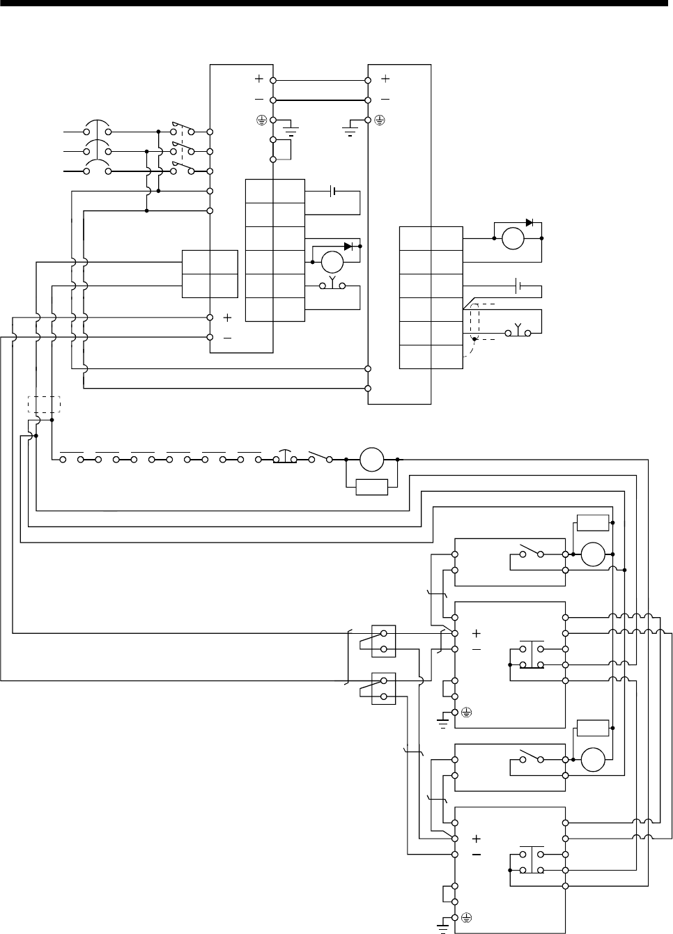
3.10 Connection of servo amplifier and servo motor ................................................................................... 3 -35
3.10.1 Connection instructions.................................................................................................................. 3 -35
3.10.2 Power supply cable wiring diagrams ............................................................................................. 3 -36
3.11 Servo motor with an electromagnetic brake......................................................................................... 3 -46
3.11.1 Safety precautions ......................................................................................................................... 3 -46
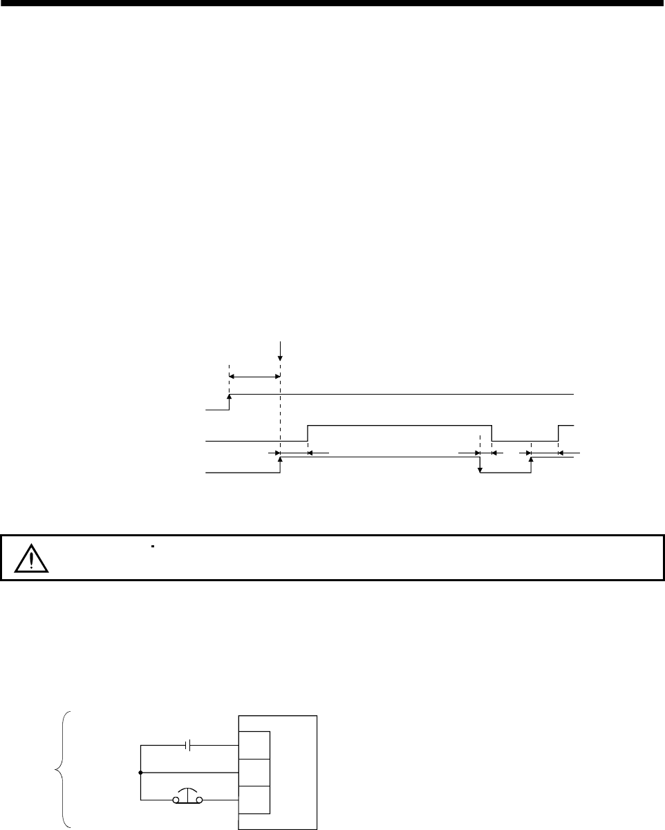
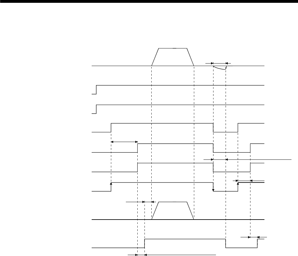
3.11.2 Timing charts .................................................................................................................................. 3 -47
3.11.3 Wiring diagrams (HF-MP series HF-KP series servo motor) ..................................................... 3 -50
3.12 Grounding.............................................................................................................................................. 3 -51

2
3.13 Control axis selection ............................................................................................................................ 3 -52
4. STARTUP 4 - 1 to 4 -10
4.1 Switching power on for the first time ....................................................................................................... 4 - 1
4.1.1 Startup procedure.............................................................................................................................. 4 - 1
4.1.2 Wiring check ...................................................................................................................................... 4 - 2
4.1.3 Surrounding environment.................................................................................................................. 4 - 3
4.2 Start up ..................................................................................................................................................... 4 - 4
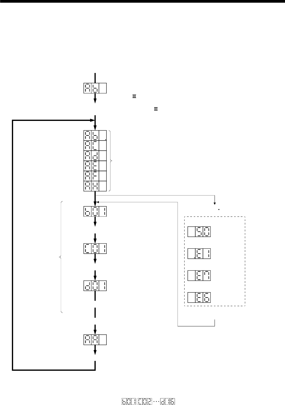
4.3 Servo amplifier display............................................................................................................................. 4 - 5
4.4 Test operation .......................................................................................................................................... 4 - 7
4.5 Test operation mode ................................................................................................................................ 4 - 8
4.5.1 Test operation mode in MR Configurator ......................................................................................... 4 - 8
4.5.2 Motorless operation in controller...................................................................................................... 4 -10
5. PARAMETERS 5 - 1 to 5 -28
5.1 Basic setting parameters (No.PA )..................................................................................................... 5 - 1
5.1.1 Parameter list .................................................................................................................................... 5 - 2
5.1.2 Parameter write inhibit ...................................................................................................................... 5 - 3
5.1.3 Selection of regenerative option ....................................................................................................... 5 - 4
5.1.4 Using absolute position detection system ........................................................................................ 5 - 5
5.1.5 Forced stop input selection ............................................................................................................... 5 - 5
5.1.6 Auto tuning ........................................................................................................................................ 5 - 6
5.1.7 In-position range................................................................................................................................ 5 - 7
5.1.8 Selection of servo motor rotation direction ....................................................................................... 5 - 8
5.1.9 Encoder output pulse ........................................................................................................................ 5 - 8
5.2 Gain/filter parameters (No. PB )....................................................................................................... 5 - 10
5.2.1 Parameter list .................................................................................................................................. 5 - 10
5.2.2 Detail list ........................................................................................................................................... 5 -11
5.3 Extension setting parameters (No. PC ) ........................................................................................... 5 -18
5.3.1 Parameter list ................................................................................................................................... 5 -18
5.3.2 List of details..................................................................................................................................... 5 -19
5.3.3 Analog monitor ................................................................................................................................. 5 -22
5.3.4 Alarm history clear............................................................................................................................ 5 -24
5.4 I/O setting parameters (No. PD )....................................................................................................... 5 -25
5.4.1 Parameter list ................................................................................................................................... 5 -25
5.4.2 List of details..................................................................................................................................... 5 -26
6. GENERAL GAIN ADJUSTMENT 6 - 1 to 6 -12
6.1 Different adjustment methods.................................................................................................................. 6 - 1
6.1.1 Adjustment on a single servo amplifier............................................................................................. 6 - 1
6.1.2 Adjustment using MR Configurator................................................................................................... 6 - 2
6.2 Auto tuning ............................................................................................................................................... 6 - 3
6.2.1 Auto tuning mode .............................................................................................................................. 6 - 3
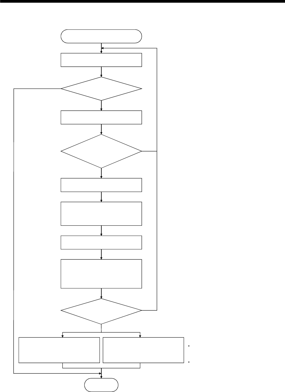
6.2.2 Auto tuning mode operation.............................................................................................................. 6 - 4
6.2.3 Adjustment procedure by auto tuning............................................................................................... 6 - 5
6.2.4 Response level setting in auto tuning mode .................................................................................... 6 - 6
6.3 Manual mode 1 (simple manual adjustment).......................................................................................... 6 - 7

3
6.4 Interpolation mode .................................................................................................................................. 6 -11
6.5 Differences between MELSERVO-J2-Super and MELSERVO-J3 in auto tuning................................ 6 -12
7. SPECIAL ADJUSTMENT FUNCTIONS 7 - 1 to 7 -16
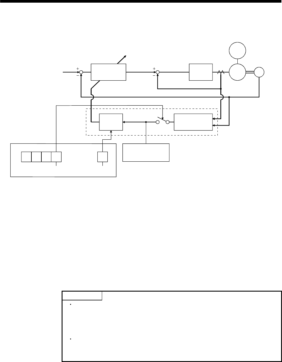
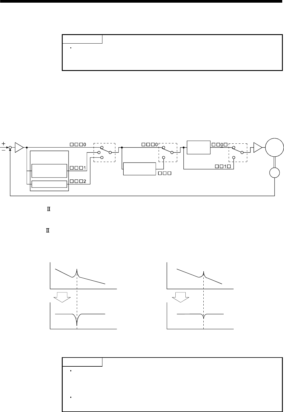
7.1 Function block diagram............................................................................................................................ 7 - 1
7.2 Adaptive filter ......................................................................................................................................... 7 - 1
7.3 Machine resonance suppression filter..................................................................................................... 7 - 4
7.4 Advanced vibration suppression control ................................................................................................. 7 - 6
7.5 Low-pass filter ......................................................................................................................................... 7 -10
7.6 Gain changing function ........................................................................................................................... 7 -10
7.6.1 Applications ...................................................................................................................................... 7 -10
7.6.2 Function block diagram.................................................................................................................... 7 -11
7.6.3 Parameters ....................................................................................................................................... 7 -12
7.6.4 Gain changing operation.................................................................................................................. 7 -14
8. TROUBLESHOOTING 8 - 1 to 8 -10
8.1 Alarms and warning list............................................................................................................................ 8 - 1
8.2 Remedies for alarms................................................................................................................................ 8 - 2
8.3 Remedies for warnings ............................................................................................................................ 8 - 8
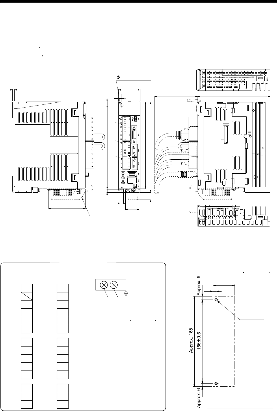
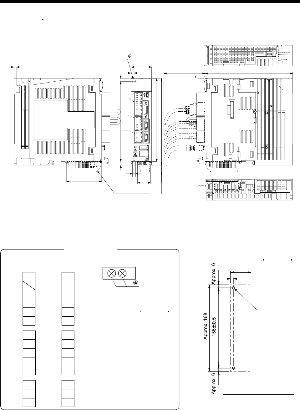
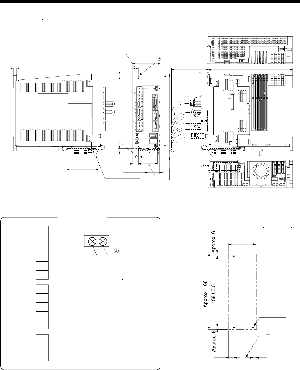
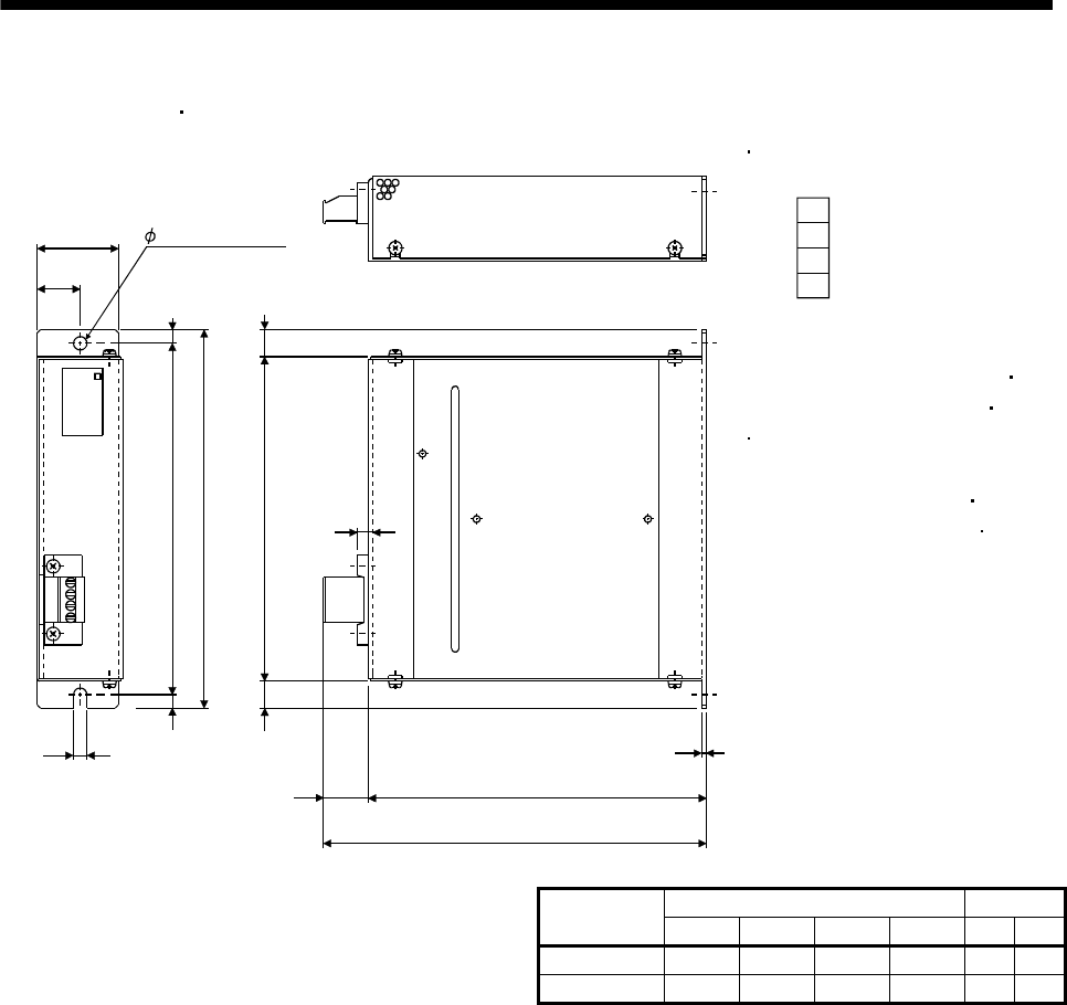
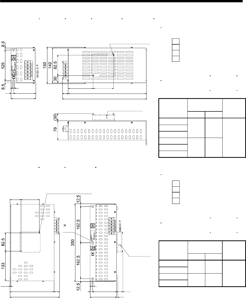
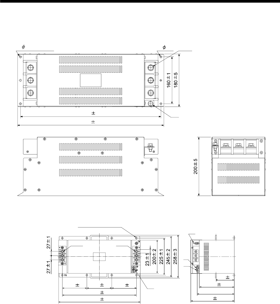
9. OUTLINE DRAWINGS 9 - 1 to 9 -12
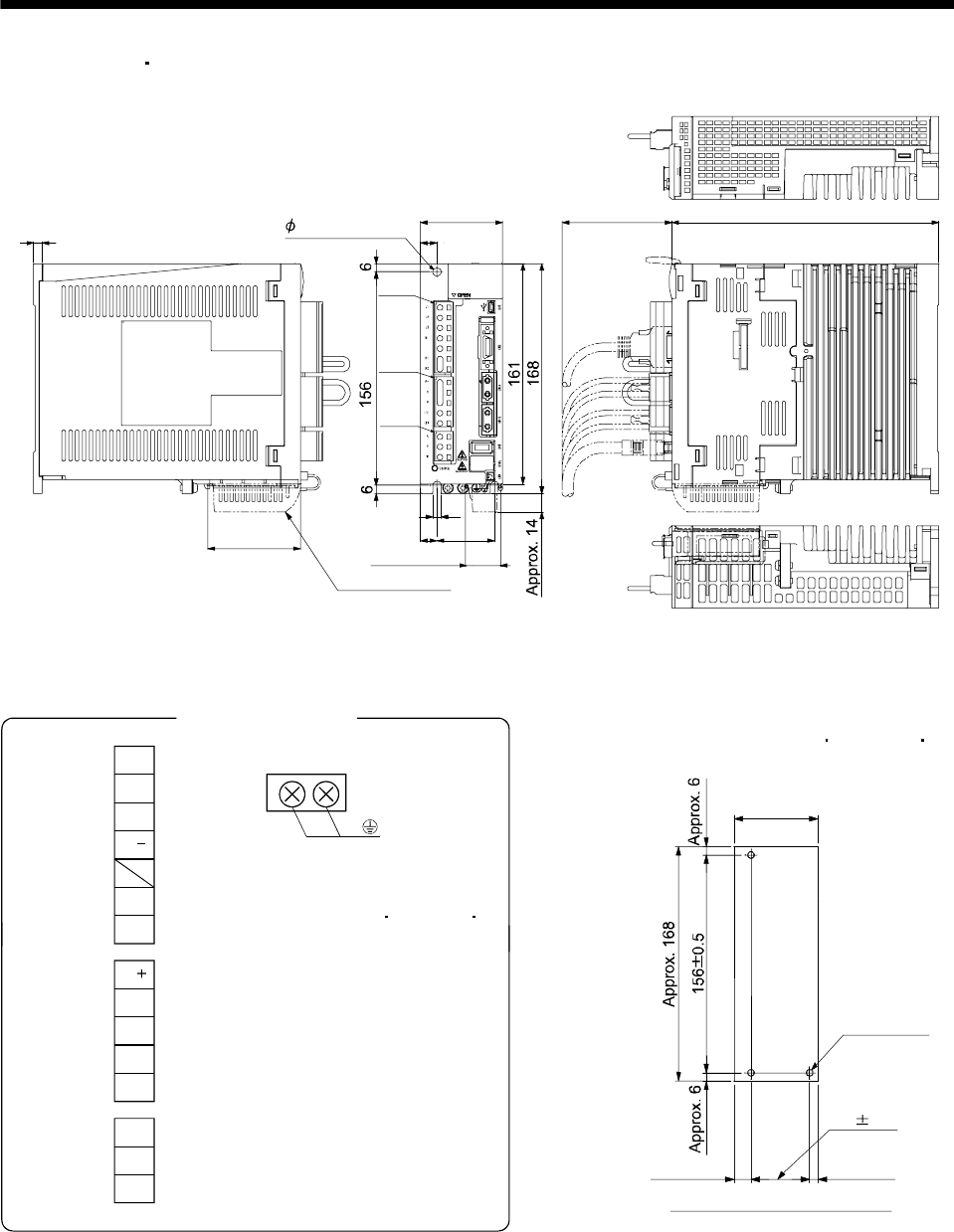
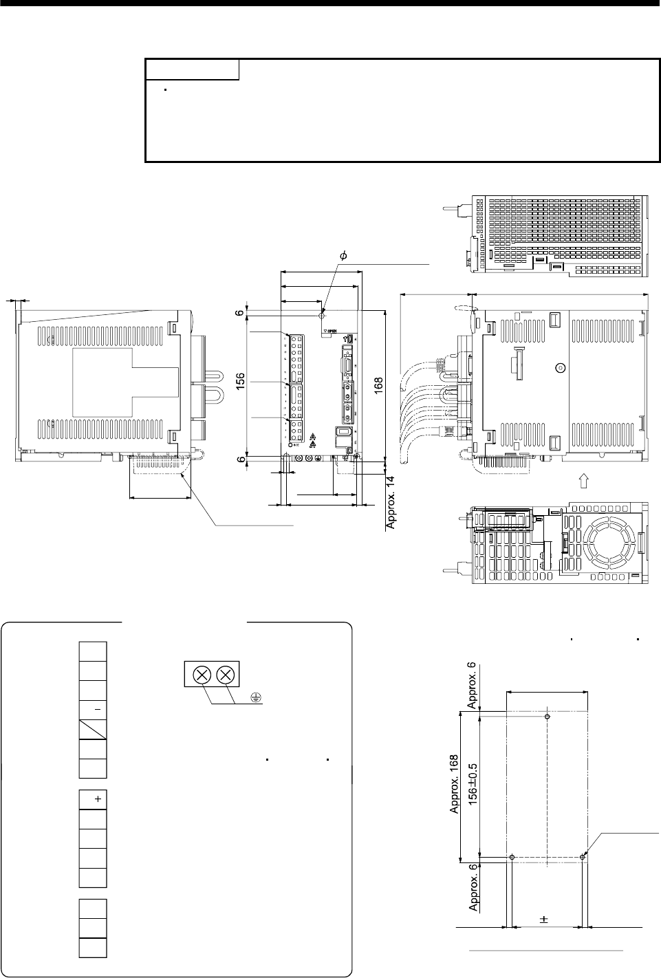
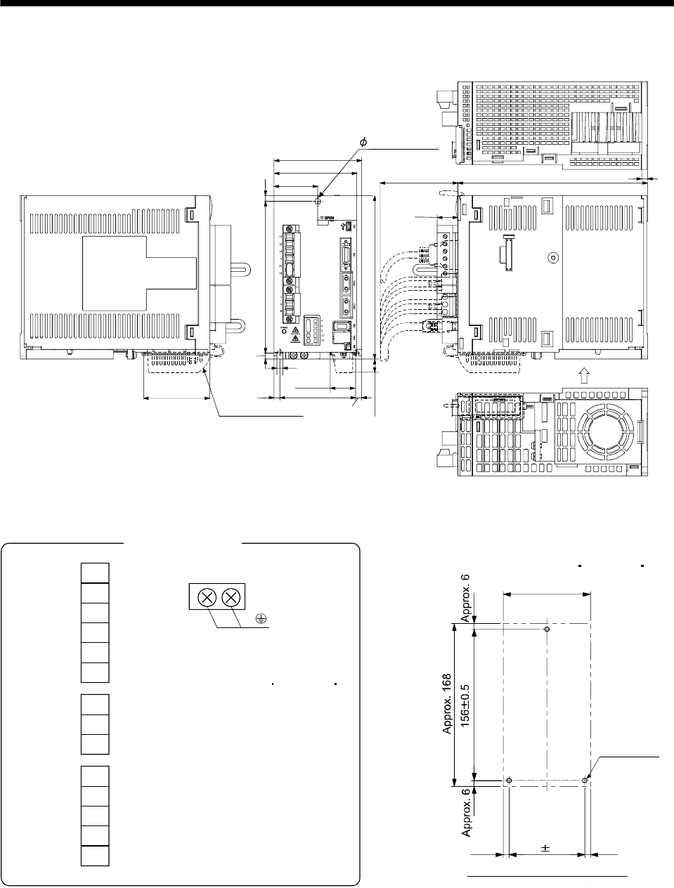
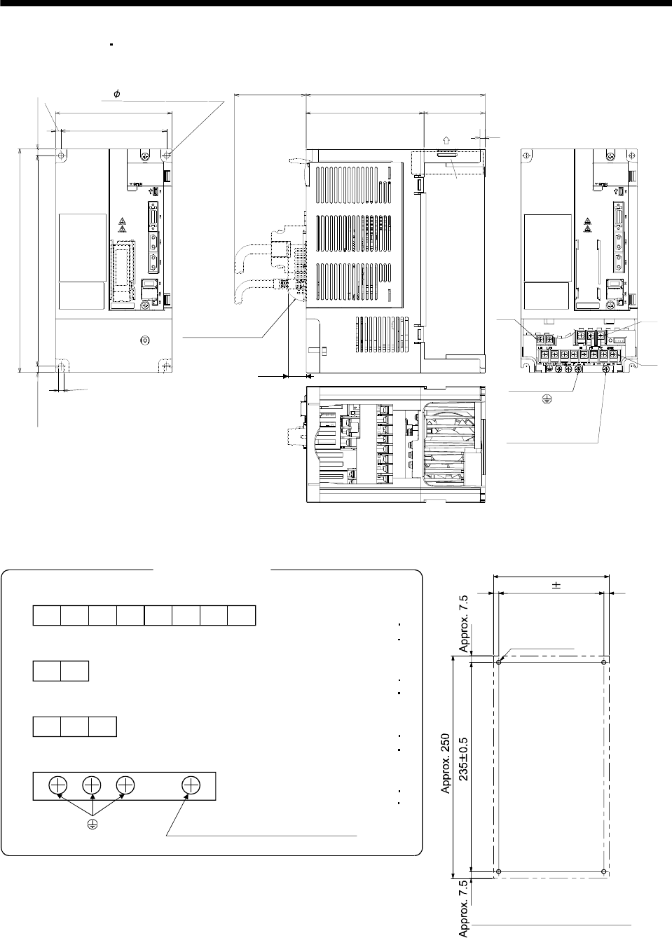
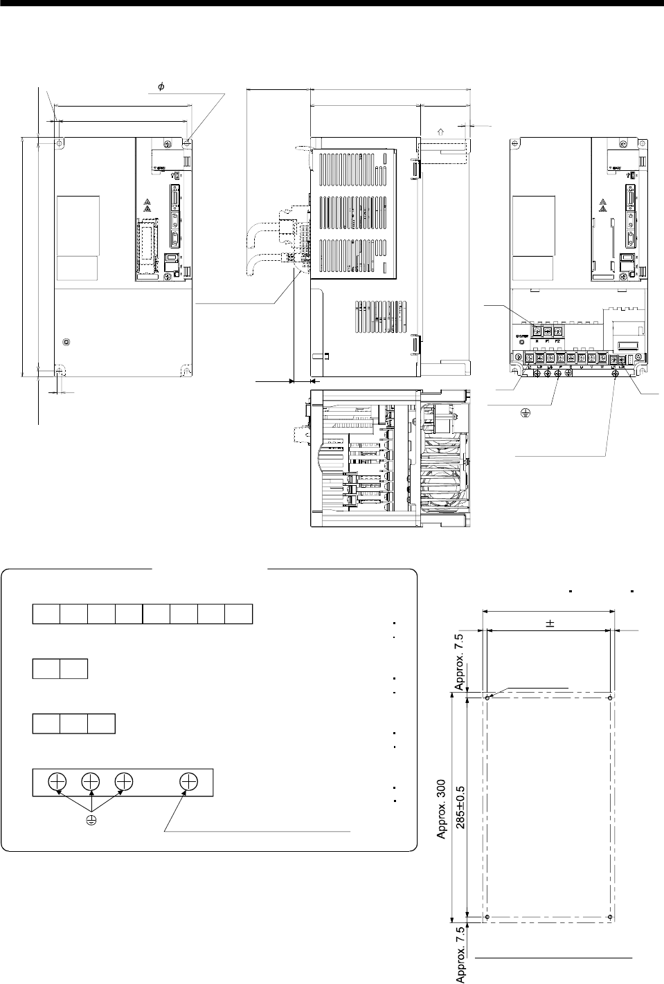
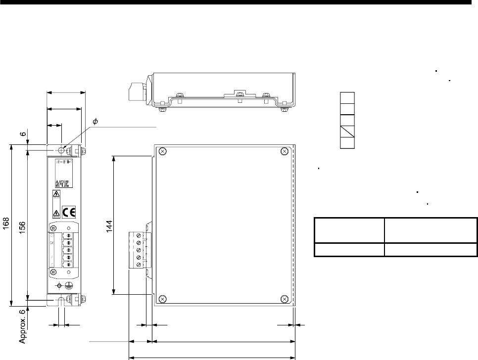
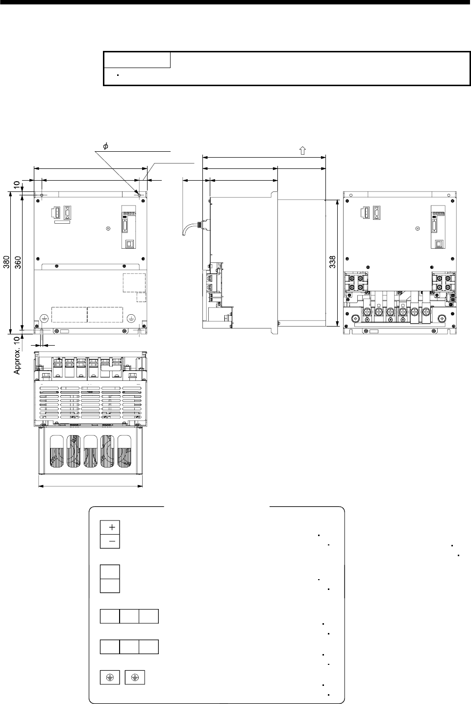
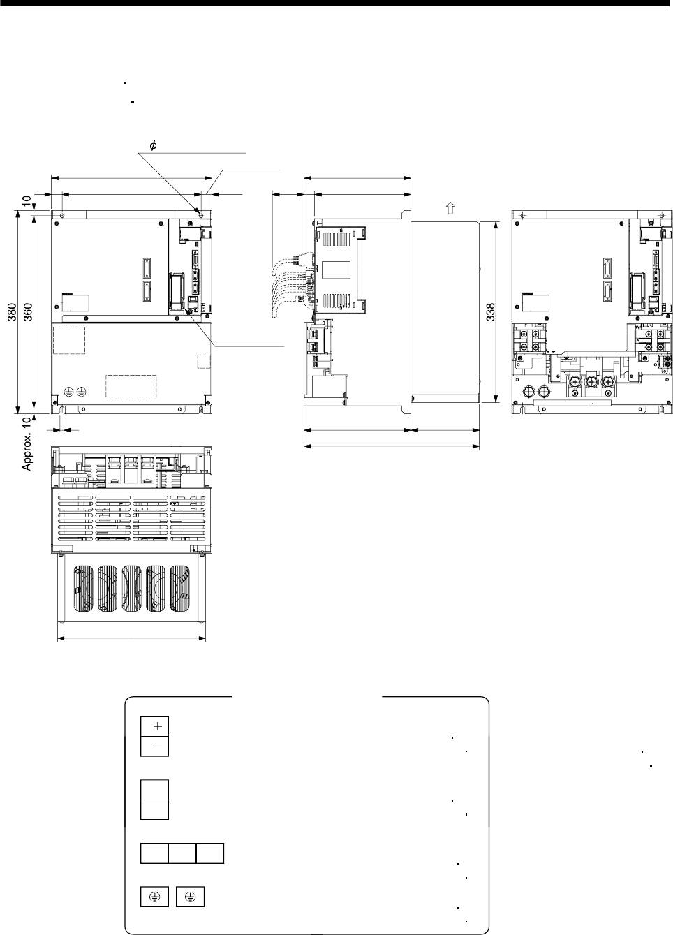
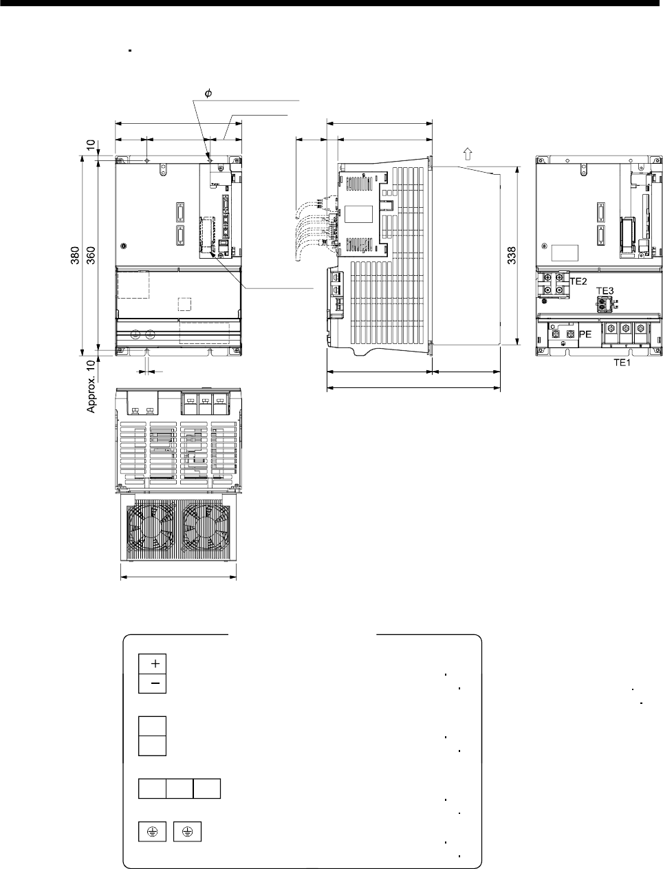
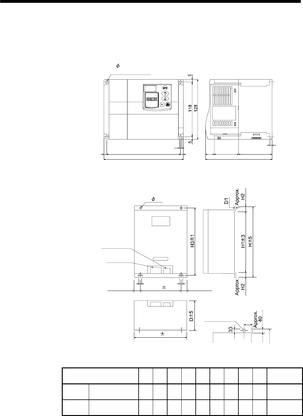
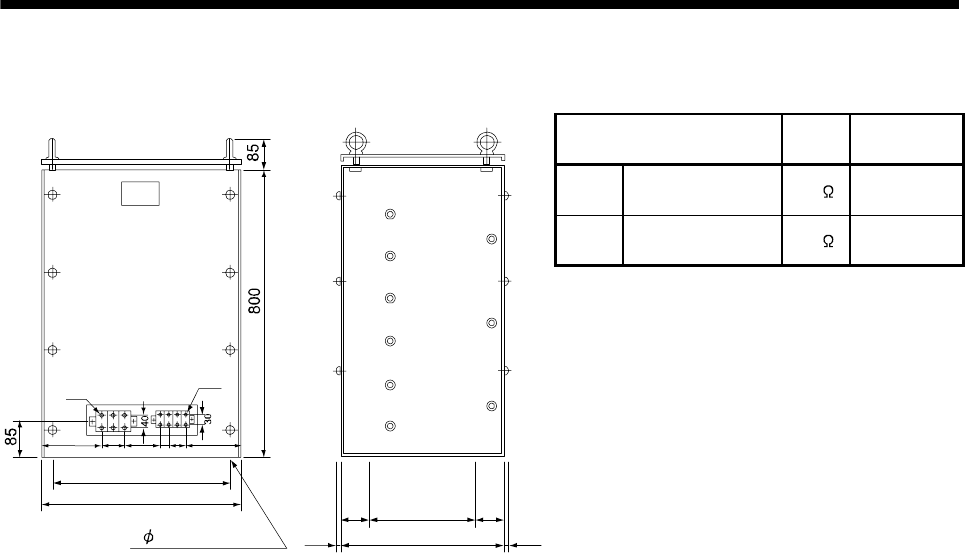
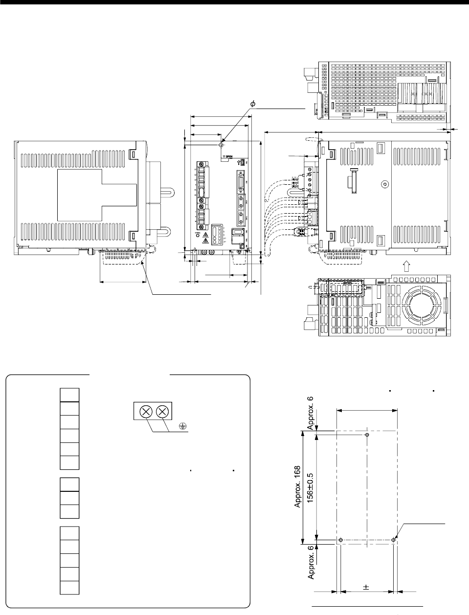
9.1 Servo amplifier ......................................................................................................................................... 9 - 1
9.2 Connector ................................................................................................................................................ 9 -10
10. CHARACTERISTICS 10- 1 to 10-10
10.1 Overload protection characteristics ...................................................................................................... 10- 1
10.2 Power supply equipment capacity and generated loss ....................................................................... 10- 3
10.3 Dynamic brake characteristics.............................................................................................................. 10- 6
10.3.1 Dynamic brake operation ............................................................................................................... 10- 6
10.3.2 The dynamic brake at the load inertia moment............................................................................. 10- 9
10.4 Cable flexing life................................................................................................................................... 10-10
10.5 Inrush currents at power-on of main circuit and control circuit ........................................................... 10-10
11. OPTIONS AND AUXILIARY EQUIPMENT 11- 1 to 11-90
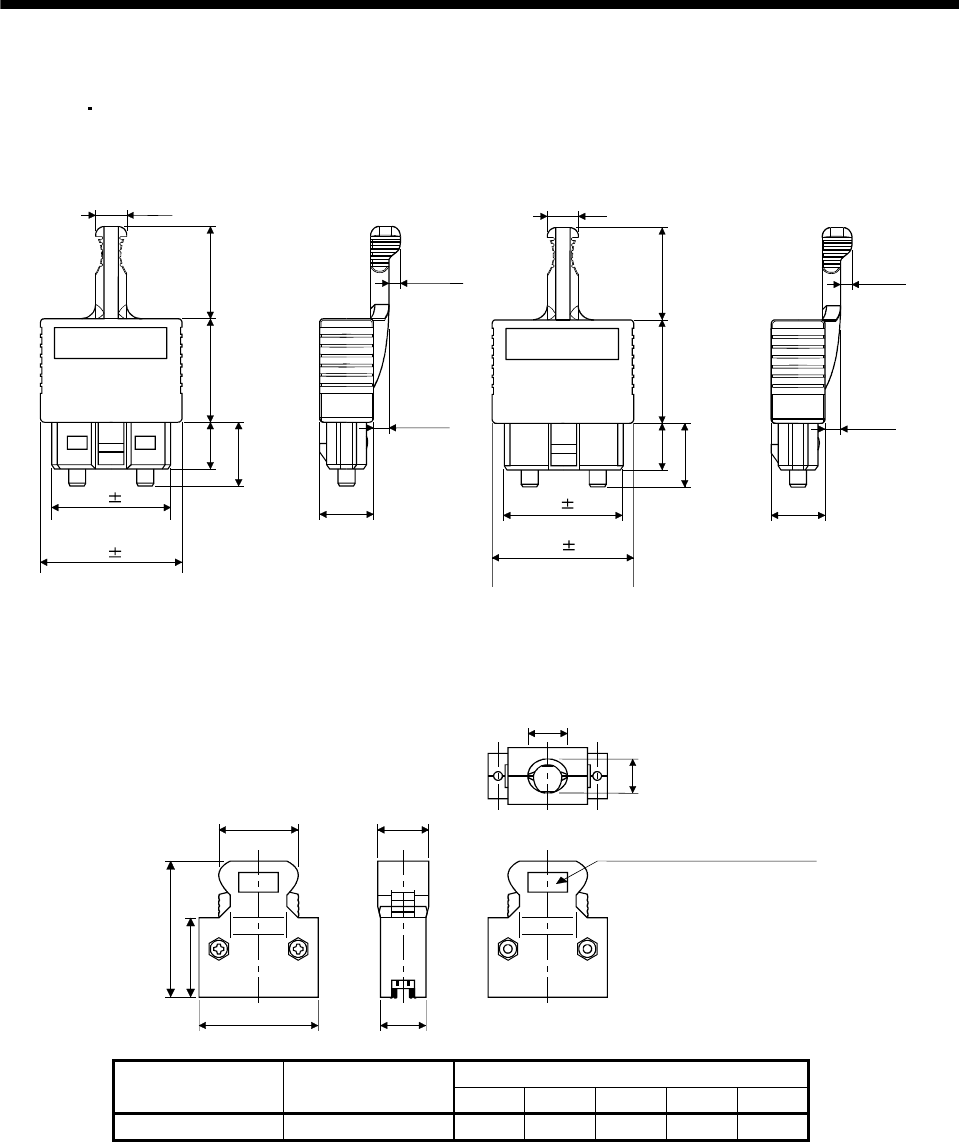
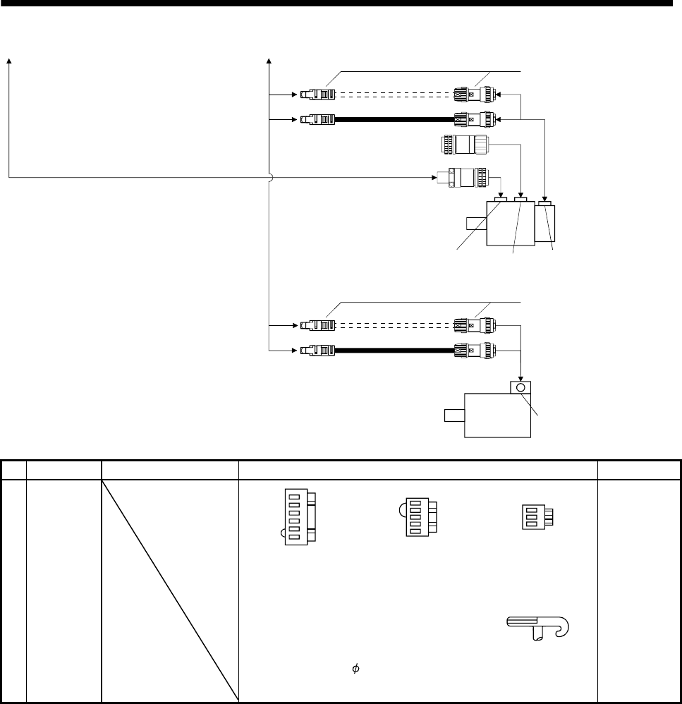
11.1 Cable/connector sets ............................................................................................................................ 11- 1
11.1.1 Combinations of cable/connector sets .......................................................................................... 11- 2
11.1.2 Encoder cable/connector sets ....................................................................................................... 11- 8
11.1.3 Motor power supply cables ........................................................................................................... 11-17
11.1.4 Motor brake cables........................................................................................................................ 11-18
11.1.5 SSCNET cable ........................................................................................................................... 11-19
11.2 Regenerative options ........................................................................................................................... 11-21
11.3 FR-BU2-(H) Brake unit......................................................................................................................... 11-34
11.3.1 Selection ........................................................................................................................................ 11-35
11.3.2 Brake unit parameter setting......................................................................................................... 11-35
11.3.3 Connection example ..................................................................................................................... 11-36

4
11.3.4 Outline dimension drawings.......................................................................................................... 11-43
11.4 Power regeneration converter ............................................................................................................. 11-45
11.5 Power regeneration common converter.............................................................................................. 11-48
11.6 External dynamic brake ....................................................................................................................... 11-56
11.7 Junction terminal block PS7DW-20V14B-F (recommended)............................................................. 11-61
11.8 MR Configurator................................................................................................................................... 11-62
11.9 Battery MR-J3BAT ............................................................................................................................... 11-64
11.10 Heat sink outside mounting attachment (MR-J3ACN)...................................................................... 11-65
11.11 Selection example of wires ................................................................................................................11-67
11.12 No-fuse breakers, fuses, magnetic contactors ................................................................................. 11-72
11.13 Power factor improving DC reactor ...................................................................................................11-72
11.14 Power factor improving AC reactors ................................................................................................. 11-74
11.15 Relays (recommended) ..................................................................................................................... 11-75
11.16 Surge absorbers (recommended) ..................................................................................................... 11-76
11.17 Noise reduction techniques ............................................................................................................... 11-76
11.18 Leakage current breaker.................................................................................................................... 11-83
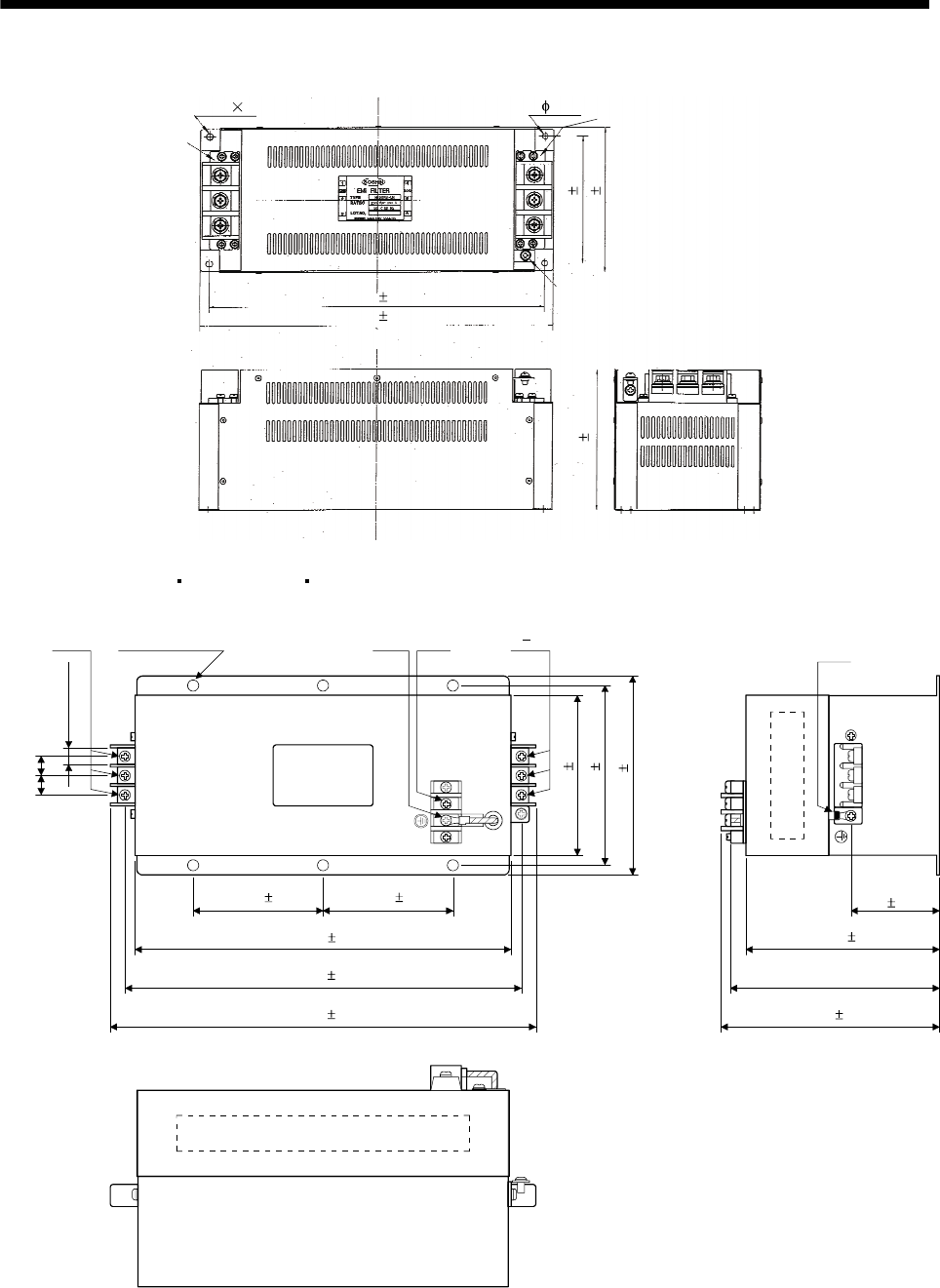
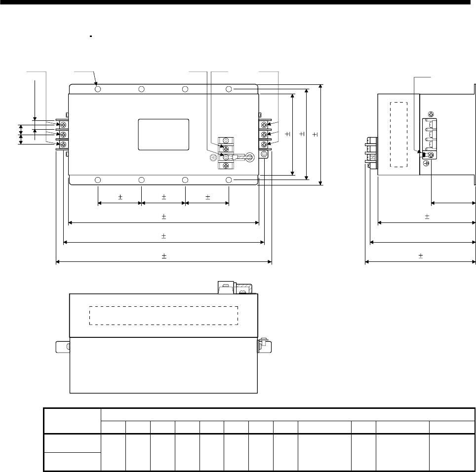
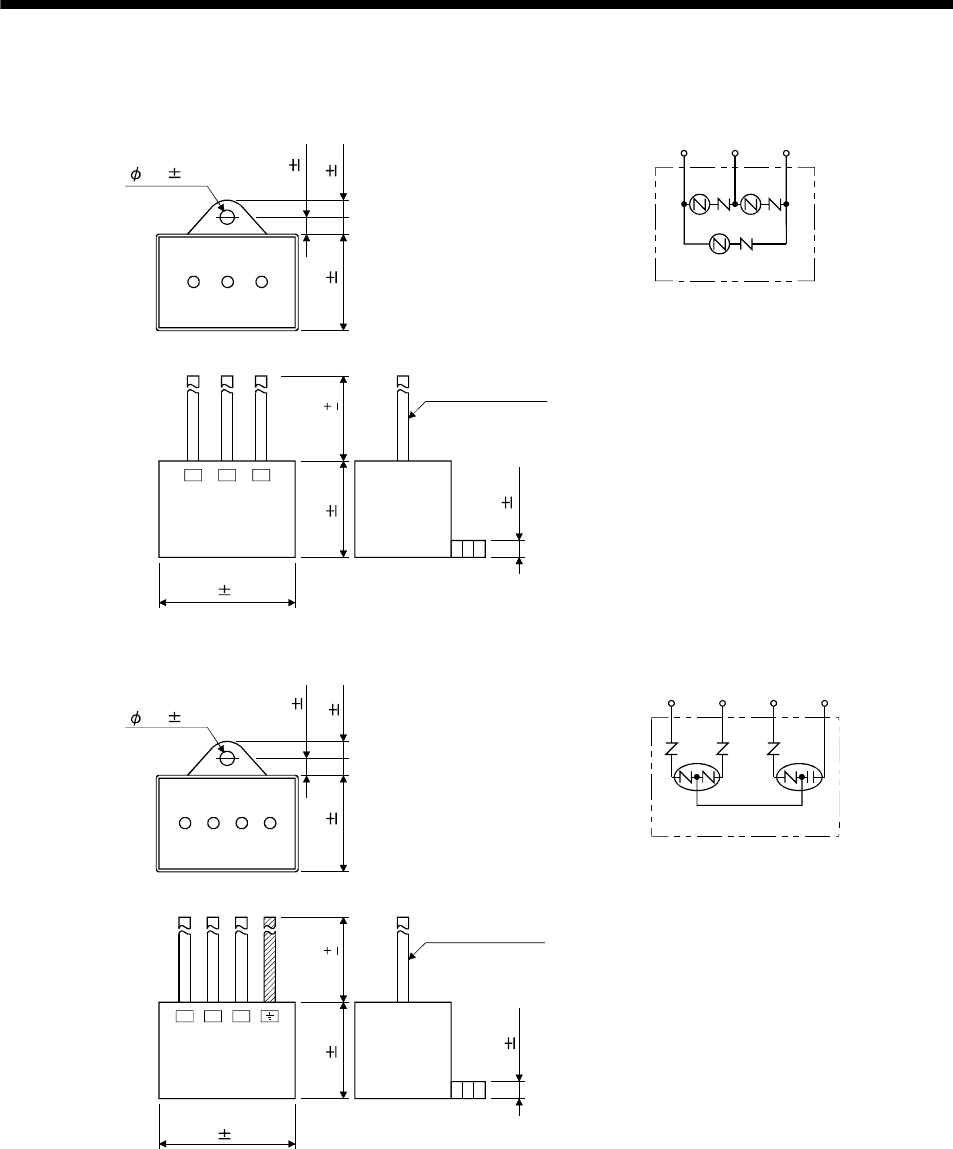
11.19 EMC filter (recommended) ................................................................................................................ 11-85
12. ABSOLUTE POSITION DETECTION SYSTEM 12- 1 to 12- 6
12.1 Features ................................................................................................................................................ 12- 1
12.2 Specifications ........................................................................................................................................ 12- 2
12.3 Battery installation procedure ............................................................................................................... 12- 3
12.4 Confirmation of absolute position detection data................................................................................. 12- 5
13. SERVO AMPLIFIERS WITH A LARGE CAPACITY (30k TO 55kW) 13- 1 to 13-102
13.1. Functions and menus........................................................................................................................... 13- 1
13.1.1 Function block diagram.................................................................................................................. 13- 2
13.1.2 Packing list ..................................................................................................................................... 13- 4
13.1.3 Standard specifications.................................................................................................................. 13- 5
13.1.4 Model definition .............................................................................................................................. 13- 8
13.1.5 Combinations of converter units, drive unit and servo motors ..................................................... 13- 9
13.1.6 Parts identification ......................................................................................................................... 13-10
13.1.7 Removal and reinstallation of the terminal block cover ............................................................... 13-13
13.1.8 Servo system with auxiliary equipment ........................................................................................ 13-19
13.2 Installation ............................................................................................................................................ 13-20
13.2.1 Installation direction and clearances ............................................................................................ 13-21
13.2.2 Inspection ...................................................................................................................................... 13-22
13.3 Signals and wiring ................................................................................................................................ 13-23
13.3.1 Magnetic contactor control connector (CNP1) ............................................................................. 13-24
13.3.2 Input power supply circuit ............................................................................................................. 13-26
13.3.3 Terminal......................................................................................................................................... 13-31
13.3.4 How to use the connection bars ................................................................................................... 13-32
13.3.5 Connectors and signal arrangements ..........................................................................................13-33
13.3.6 Converter unit signal (device) explanations ................................................................................. 13-35
13.3.7 Timing chart................................................................................................................................... 13-37
13.3.8 Servo motor side details ............................................................................................................... 13-47
13.4 Display section and operation section of the converter unit ............................................................... 13-49

5
13.4.1 Display flowchart ........................................................................................................................... 13-49
13.4.2 Status display mode...................................................................................................................... 13-50
13.4.3 Diagnostic mode............................................................................................................................13-51
13.4.4 Alarm mode ...................................................................................................................................13-53
13.4.5 Parameter mode ........................................................................................................................... 13-54
13.5. Parameters for converter unit ............................................................................................................. 13-55
13.5.1 Parameter list ................................................................................................................................ 13-55
13.5.2 List of details.................................................................................................................................. 13-56
13.6 Troubleshooting ................................................................................................................................... 13-57
13.6.1 Converter unit................................................................................................................................ 13-57
13.6.2 Drive unit........................................................................................................................................ 13-62
13.7 Outline drawings .................................................................................................................................. 13-64
13.7.1 Converter unit (MR-J3-CR55K(4))................................................................................................ 13-64
13.7.2 Drive unit........................................................................................................................................ 13-65
13.8 Characteristics...................................................................................................................................... 13-67
13.8.1 Overload protection characteristics .............................................................................................. 13-67
13.8.2 Power supply equipment capacity and generated loss ............................................................... 13-68
13.8.3 Dynamic brake characteristics...................................................................................................... 13-69
13.8.4 Inrush currents at power-on of main circuit and control circuit .................................................... 13-72
13.9 Options ................................................................................................................................................. 13-72
13.9.1 Cables and connectors ................................................................................................................. 13-72
13.9.2 Regenerative option ...................................................................................................................... 13-75
13.9.3 External dynamic brake ................................................................................................................ 13-79
13.9.4 Selection example of wires ........................................................................................................... 13-82
13.9.5 No-fuse breakers, fuses, magnetic contactors............................................................................. 13-84
13.9.6 Power factor improving DC reactor .............................................................................................. 13-84
13.9.7 Line noise filter (FR-BLF).............................................................................................................. 13-85
13.9.8 Leakage current breaker............................................................................................................... 13-86
13.9.9 EMC filter (recommended)............................................................................................................ 13-88
13.9.10 FR-BU2-(H) Brake Unit ...............................................................................................................13-90
APPENDIX App.- 1 to App.- 9
App. 1 Parameter list..................................................................................................................................App.- 1
App. 2 Signal layout recording paper ........................................................................................................App.- 3
App. 3 Twin type connector : Outline drawing for 721-2105/026-000 (WAGO).......................................App.- 3
App. 4 Change of connector sets to the RoHS compatible products.......................................................App.- 4
App. 5 MR-J3-200B-RT servo amplifier ....................................................................................................App.- 5
App. 6 Selection example of servo motor power cable ............................................................................App.- 9

6
MEMO

1 - 1
1. FUNCTIONS AND CONFIGURATION
1. FUNCTIONS AND CONFIGURATION
1.1 Introduction
The Mitsubishi MELSERVO-J3 series general-purpose AC servo has further higher performance and higher
functions compared to the current MELSERVO-J2-Super series.
The MR-J3-B servo amplifier connects to servo system controller and others via high speed synchronous
network and operates by directly reading position data. The rotation speed/direction control of servo motor and
the high accuracy positioning are executed with the data from command module. SSCNET equipped by the
MR-J3-B servo amplifier greatly improved its communication speed and noise tolerance by adopting optical
communication system compared to the current SSCNET. For wiring distance, 50m of the maximum distance
between electrodes is also offered.
The torque limit with clamping circuit is put on the servo amplifier in order to protect the power transistor of
main circuit from the overcurrent caused by rapid acceleration/deceleration or overload. In addition, torque limit
value can be changed to desired value in the controller.
As this new series has the USB communication function, a MR Configurator-installed personal computer or the
like can be used to perform parameter setting, test operation, status display monitoring, gain adjustment, etc.
With real-time auto tuning, you can automatically adjust the servo gains according to the machine.
The MELSERVO-J3 series servo motor is with an absolute position encoder which has the resolution of
262144 pulses/rev to ensure more accurate control as compared to the MELSERVO-J2-Super series. Simply
adding a battery to the servo amplifier makes up an absolute position detection system. This makes home
position return unnecessary at power-on or alarm occurrence by setting a home position once.

1 - 2
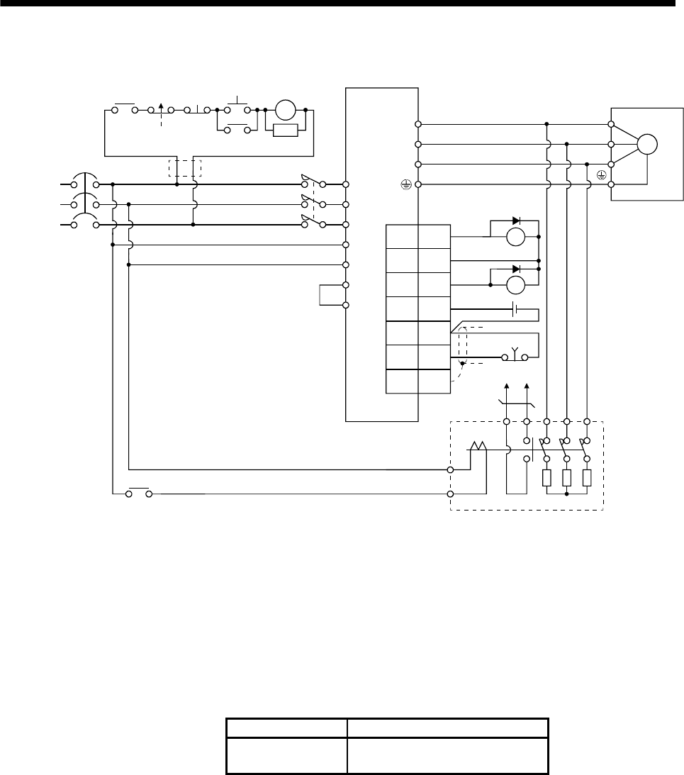
1. FUNCTIONS AND CONFIGURATION
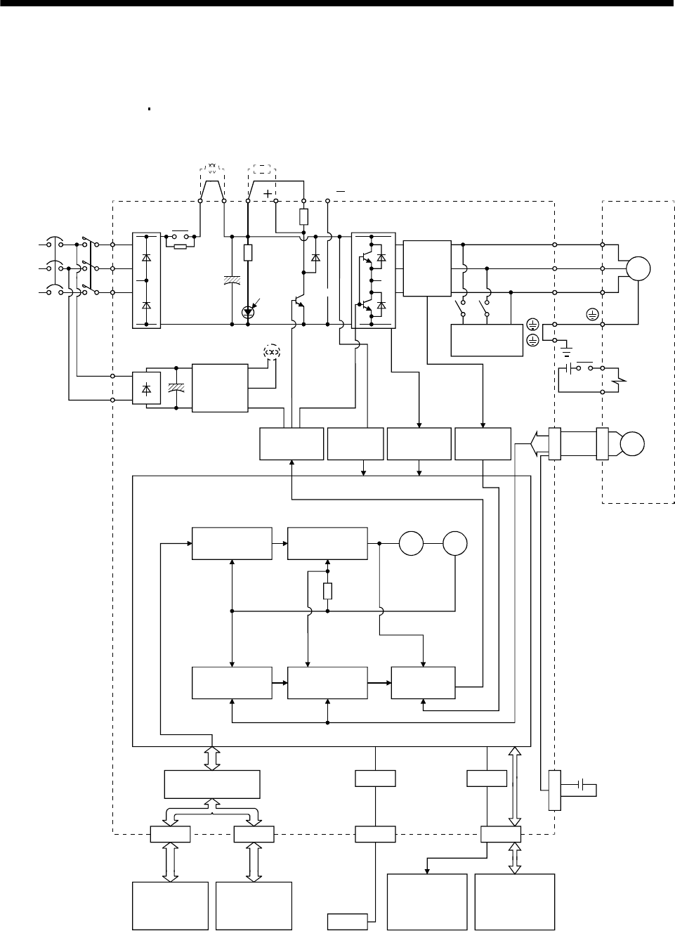
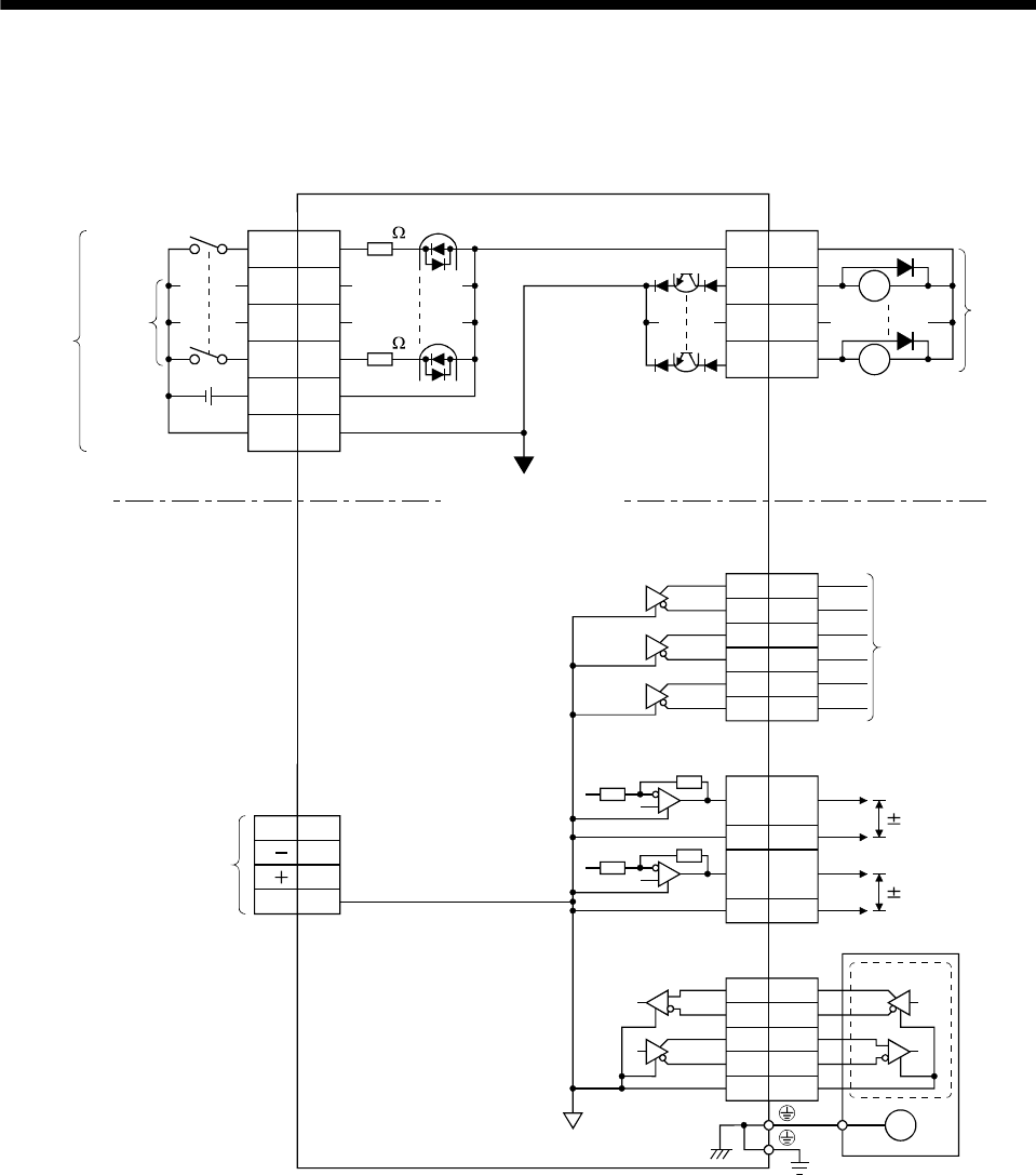
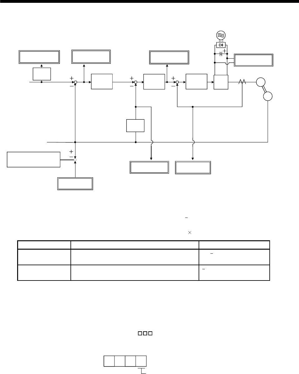
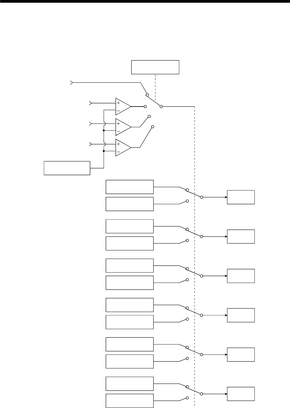
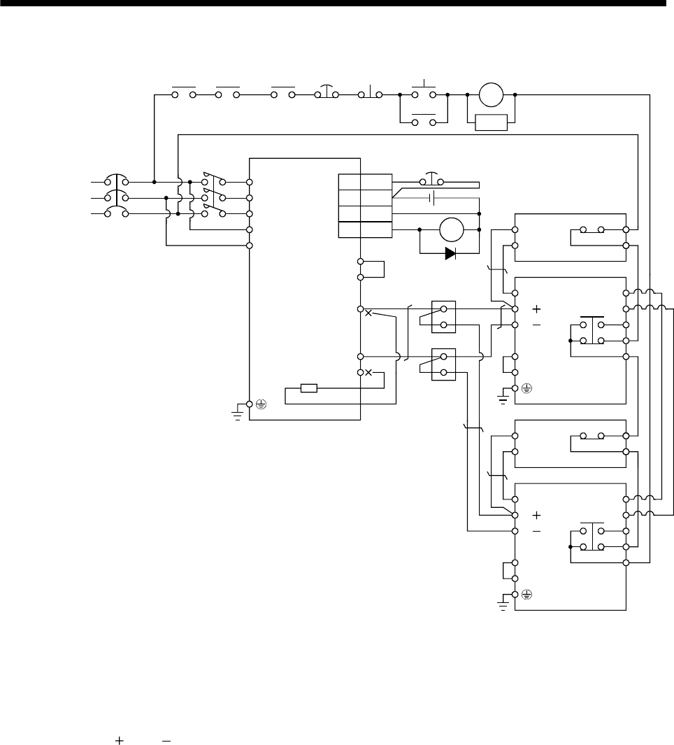
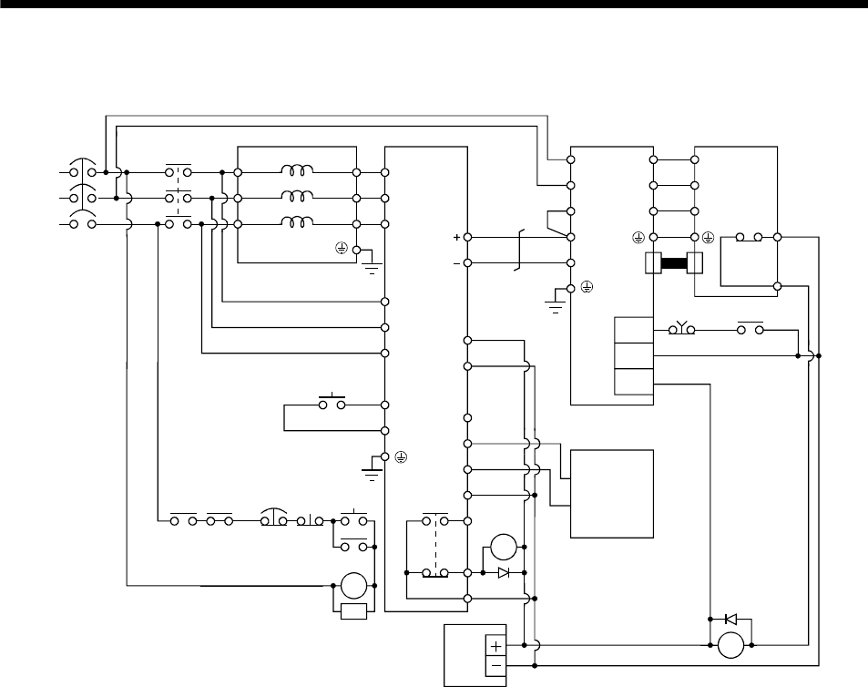
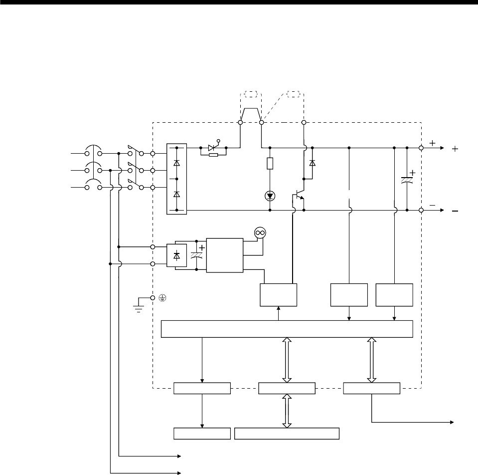
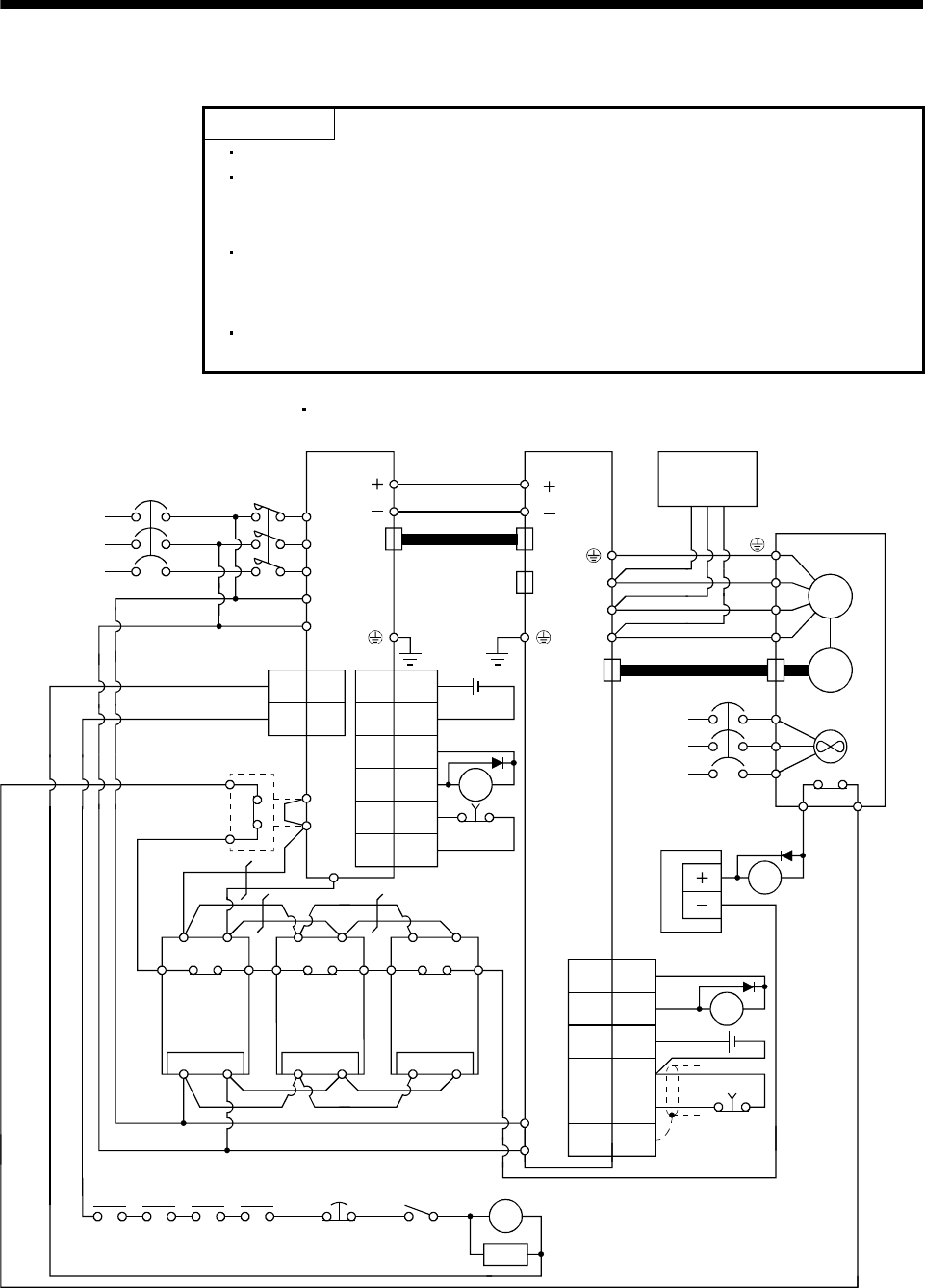
1.2 Function block diagram
The function block diagram of this servo is shown below.
(1) MR-J3-350B or less MR-J3-200B4 or less
Base
amplifier
CN4
N( )
DC
Encoder
Current
detection
CN5
NFB MC L1
L2
L3
L11
L21 B2
U
V
W
B1
USB
USB
Power factor
improving DC
reactor
Regenerative
option
MR-J3BAT
P1P2
D/A
Position
command
input
(Note 1)
(Note 2)
Power
supply CHARGE
lamp Regene-
rative
TR
Current
detector
Dynamic
brake
Electro-
magnetic
brake
Servo motorServo amplifier
Optional battery
(for absolute position
detection system)
Overcurrent
protection
Voltage
detection
Virtual
encoder
Virtual
motor
Model
torque
Personal
computer
Actual speed
control
Actual position
control
(Note 3)Cooling fan
Control
circuit
power
supply
Model position
control
Model
position
Model
speed
CN2
P( )
U
V
W
M
Model speed
control
Current
control
I/F Control
CN1BCN1A
Controller or
servo amplifier
Servo amplifier
or cap
Analog monitor
(2 channels)
CN3
Digital I/O
control
Diode
stack Relay
RA
24VDC
Note 1. The built-in regenerative resistor is not provided for the MR-J3-10B (1).
2. For 1-phase 200 to 230VAC, connect the power supply to L1, L2 and leave L3 open.
There is no L3 for 1-phase 100 to 120VAC power supply. Refer to section 1.3 for the power supply specification.
3. Servo amplifiers MR-J3-70B or greater have a cooling fan.

1 - 3
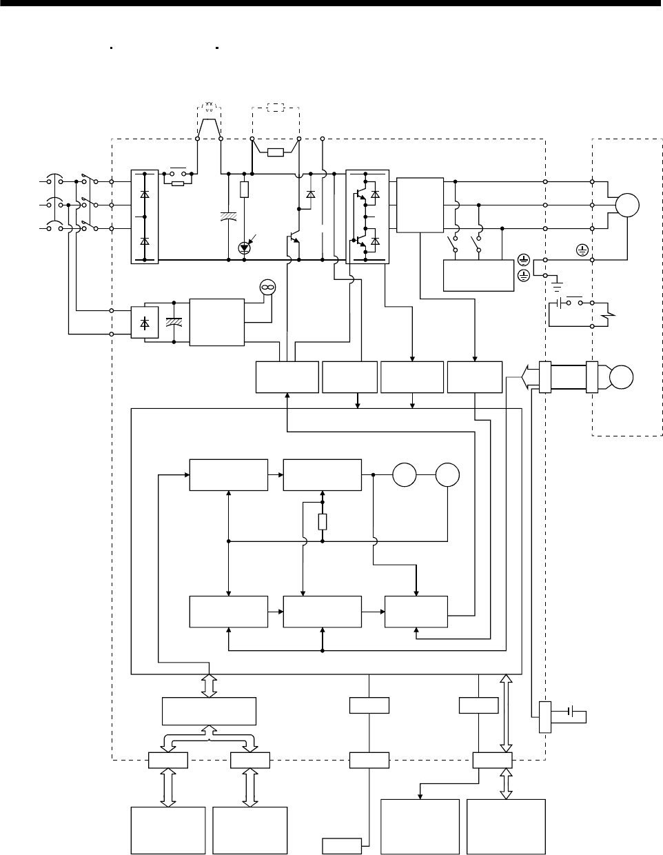
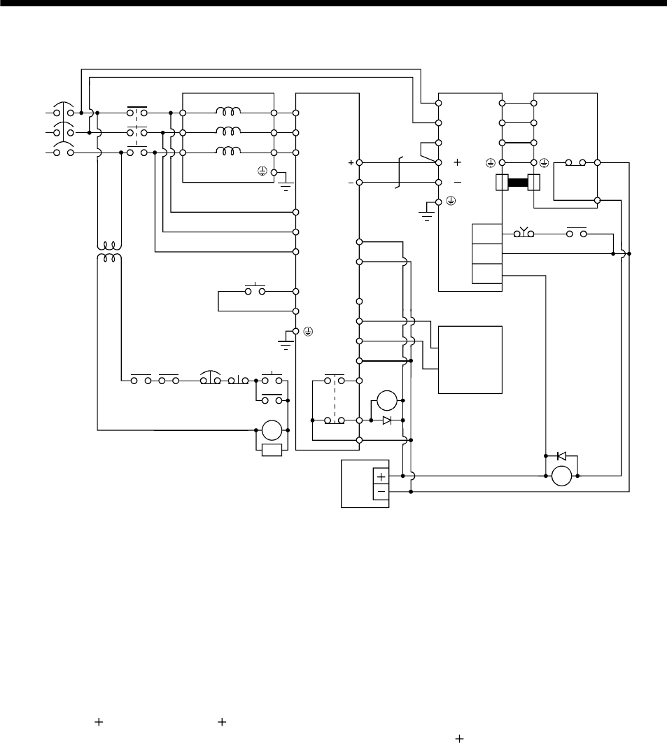
1. FUNCTIONS AND CONFIGURATION
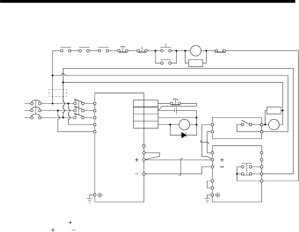
(2) MR-J3-350B4 MR-J3-500B(4) MR-J3-700B(4)
Base
amplifier
CN4
N
C
Encoder
Current
detection
CN5
NFB MC L1
L2
L3
L11
L21 B2
U
V
W
B1
USB
USB
Power factor
improving DC
reactor
Regenerative
option
MR-J3BAT
P1P2
D/A
Position
command
input
(Note)
Power
supply CHARGE
lamp Regene-
rative
TR
Current
detector
Dynamic
brake
Electro-
magnetic
brake
Servo motorServo amplifier
Optional battery
(for absolute position
detection system)
Overcurrent
protection
Voltage
detection
Virtual
encoder
Virtual
motor
Model
torque
Personal
computer
Actual speed
control
Actual position
control
Cooling fan
Control
circuit
power
supply
Model position
control
Model
position
Model
speed
CN2
P
U
V
W
M
Model speed
control
Current
control
I/F Control
CN1BCN1A
Controller or
servo amplifier
Servo amplifier
or cap
Analog monitor
(2 channels)
CN3
Digital I/O
control
Diode
stack Relay
RA
24VDC
Note. Refer to section 1.3 for the power supply specification.

1 - 4
1. FUNCTIONS AND CONFIGURATION
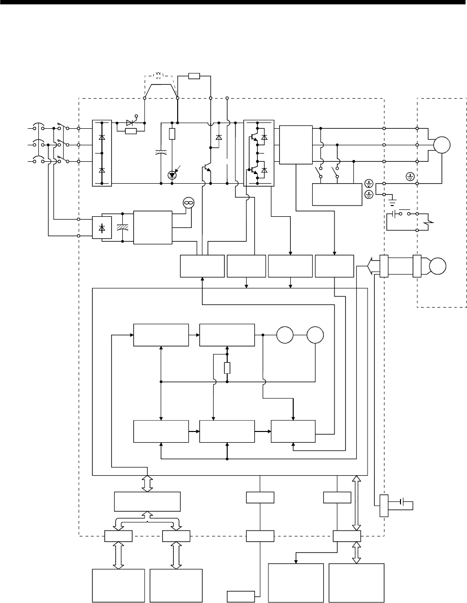
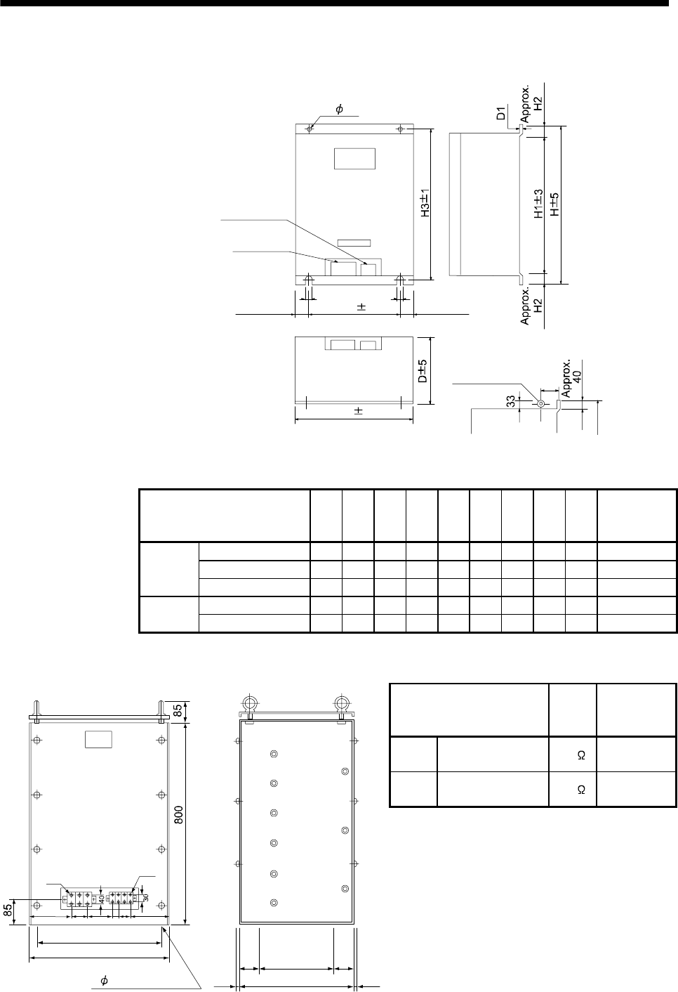
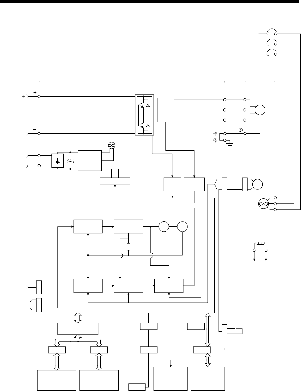
(3) MR-J3-11KB(4) to 22KB(4)
Cooling fan
Base
amplifier
CN4
N
C
Encoder
Current
detection
CN5
NFB MC L1
L2
L3
L11
L21 B2
U
V
W
B1
USB
USB
Power factor
improving DC
reactor
Regenerative
option
MR-J3BAT
P1
D/A
Position
command
input
(Note)
Power
supply CHARGE
lamp Regene-
rative
TR
Current
detector
Dynamic
brake
Electro-
magnetic
brake
Servo motorServo amplifier
Optional battery
(for absolute position
detection system)
Overcurrent
protection
Voltage
detection
Virtual
encoder
Virtual
motor
Model
torque
Personal
computer
Actual speed
control
Actual position
control
Control
circuit
power
supply
Model position
control
Model
position
Model
speed
CN2
P
U
V
W
M
Model speed
control
Current
control
I/F Control
CN1BCN1A
Controller or
servo amplifier
Servo amplifier
or cap
Analog monitor
(2 channels)
CN3
Digital I/O
control
Diode
stack Thyristor
RA
24VDC
Note. Refer to section 1.3 for the power supply specification.

1 - 5
1. FUNCTIONS AND CONFIGURATION
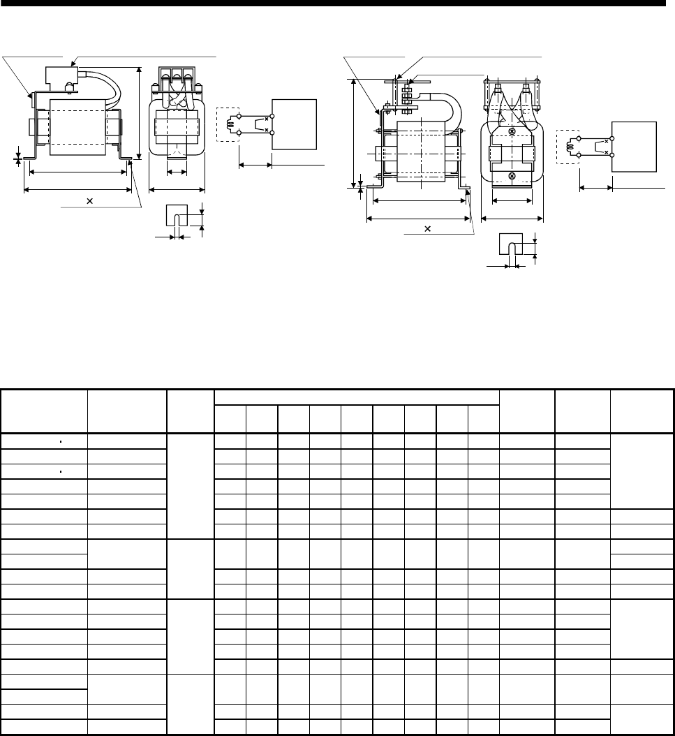
1.3 Servo amplifier standard specifications
(1) 200V class, 100V class
Servo amplifier
MR-J3-
Item
10B 20B 40B 60B 70B 100B 200B 350B 500B 700B 11KB 15KB 22KB 10B1 20B1 40B1
Voltage/frequency 3-phase or 1-phase 200
to 230VAC, 50/60Hz 3-phase 200 to 230VAC, 50/60Hz 1-phase 100V to
120VAC, 50/60Hz
Permissible voltage fluctuation
3-phase or 1-phase 200
to 230VAC: 170 to
253VAC
3-phase 170 to 253VAC 1-phase 85 to
132VAC
Permissible frequency fluctuation Within 5%
Power supply capacity Refer to section 10.2
Power suppl
y
Inrush current Refer to section 10.5
Voltage,
frequency 1-phase 200 to 230VAC, 50/60Hz 1-phase 100 to
120VAC, 50/60Hz
Permissible
voltage
fluctuation
1-phase 170 to 253VAC 1-phase 85 to
132VAC
Permissible
frequency
fluctuation
Within 5%
Input 30W 45W 30W
Control circuit
power supply
Inrush current Refer to section 10.5
Voltage 24VDC 10%
Interface power
supply Power supply
capacity (Note 1) 150mA or more
Control System Sine-wave PWM control, current control system
Dynamic brake Built-in External option Built-in
Protective functions
Overcurrent shut-off, regenerative overvoltage shut-off, overload shut-off (electronic thermal relay),
servo motor overheat protection, encoder error protection, regenerative error protection,
undervoltage, instantaneous power failure protection, overspeed protection, excessive error
protection.
Structure Self-cooled, open
(IP00) Force-cooling, open (IP00) Self-cooled, open
(IP00)
[] (Note 2) 0 to 55 (non-freezing) In
operation [] 32 to 131 (non-freezing)
[] 20 to 65 (non-freezing)
Ambient
temperature In storage [] 4 to 149 (non-freezing)
In operation Ambient
humidity In storage 90%RH or less (non-condensing)
Ambient Indoors (no direct sunlight)
Free from corrosive gas, flammable gas, oil mist, dust and dirt
Altitude Max. 1000m above sea level
Environmen
t
Vibration 5.9 [m/s2] or less
[kg] 0.8 0.8 1.0 1.0 1.4 1.4 2.1 2.3 4.6 6.2 18 18 19 0.8 0.8 1.0
Mass [lb] 1.76 1.76 2.21 2.21 3.09 3.09 4.63 5.07 10.1 13.7 39.7 39.7 41.9 1.76 1.76 2.21
Note 1. 150mA is the value applicable when all I/O signals are used. The current capacity can be decreased by reducing the number of
I/O points.
2. When closely mounting the servo amplifier of 3.5kW or less, operate them at the ambient temperatures of 0 to 45 or at 75% or
smaller effective load ratio.

1 - 6
1. FUNCTIONS AND CONFIGURATION
(2) 400V class
Servo amplifier
MR-J3-
Item
60B4 100B4 200B4 350B4 500B4 700B4 11KB4 15KB4 22KB4
Voltage/frequency 3-phase 380 to 480VAC, 50/60Hz
Permissible voltage fluctuation 3-phase 323 to 528VAC
Permissible frequency
fluctuation Within
5%
Power supply capacity Refer to section 10.2
Power suppl
y
Inrush current Refer to section 10.5
Voltage,
frequency 1-phase 380 to 480VAC, 50/60Hz
Permissible
voltage
fluctuation
1-phase 323 to 528VAC
Permissible
frequency
fluctuation
Within
5%
Input 30W 45W
Control circuit
power supply
Inrush current Refer to section 10.5
Voltage 24VDC 10%
Interface power
supply Power supply
capacity (Note) 150mA
Control System Sine-wave PWM control, current control system
Dynamic brake Built-in External option
Protective functions
Overcurrent shut-off, regenerative overvoltage shut-off, overload shut-off (electronic thermal relay),
servo motor overheat protection, encoder error protection, regenerative error protection,
undervoltage, instantaneous power failure protection, overspeed protection, excessive error
protection.
Structure Self-cooled, open
(IP00) Force-cooling, open (IP00)
[] 0 to 55 (non-freezing) In
operation [] 32 to 131 (non-freezing)
[] 20 to 65 (non-freezing)
Ambient
temperature In storage [] 4 to 149 (non-freezing)
In operation Ambient
humidity In storage 90%RH or less (non-condensing)
Ambient Indoors (no direct sunlight)
Free from corrosive gas, flammable gas, oil mist, dust and dirt
Altitude Max. 1000m above sea level
Environmen
t
Vibration 5.9 [m/s2] or less
[kg] 1.7 1.7 2.1 4.6 4.6 6.2 18 18 19
Mass [lb] 3.75 3.75 4.63 10.14 10.14 13.67 39.68 39.68 41.88
Note. 150mA is the value applicable when all I/O signals are used. The current capacity can be decreased by reducing the number of
I/O points.

1 - 7
1. FUNCTIONS AND CONFIGURATION
1.4 Function list
The following table lists the functions of this servo. For details of the functions, refer to the reference field.
Function Description Reference
High-resolution encoder High-resolution encoder of 262144 pulses/rev is used as a servo motor
encoder.
Absolute position detection
system
Merely setting a home position once makes home position return
unnecessary at every power-on. Chapter 12
Gain changing function You can switch between gains during rotation and gains during stop or use
an input device to change gains during operation. Section 7.6
Advanced vibration
suppression control This function suppresses vibration at the arm end or residual vibration. Section 7.4
Adaptive filter Servo amplifier detects mechanical resonance and sets filter characteristics
automatically to suppress mechanical vibration. Section 7.2
Low-pass filter Suppresses high-frequency resonance which occurs as servo system
response is increased. Section 7.5
Machine analyzer function
Analyzes the frequency characteristic of the mechanical system by simply
connecting a MR Configurator installed personal computer and servo
amplifier.
MR Configurator is necessary for this function.
Machine simulation
Can simulate machine motions on a personal computer screen on the basis
of the machine analyzer results.
MR Configurator is necessary for this function.
Gain search function
Personal computer changes gains automatically and searches for overshoot-
free gains in a short time.
MR Configurator is necessary for this function.
Slight vibration suppression
control Suppresses vibration of 1 pulse produced at a servo motor stop. Parameters No.PB24
Auto tuning
Automatically adjusts the gain to optimum value if load applied to the servo
motor shaft varies. Higher in performance than MR-J2-Super series servo
amplifier.
Chapter 6
Brake unit
Used when the regenerative option cannot provide enough regenerative
power.
Can be used the 5kW or more servo amplifier.
Section 11.3
Return converter
Used when the regenerative option cannot provide enough regenerative
power.
Can be used the 5kW or more servo amplifier.
Section 11.4
Regenerative option Used when the built-in regenerative resistor of the servo amplifier does not
have sufficient regenerative capability for the regenerative power generated. Section 11.2
Alarm history clear Alarm history is cleared. Parameter No.PC21
Output signal (DO)
forced output
Output signal can be forced on/off independently of the servo status.
Use this function for output signal wiring check, etc. Section 4.5.1 (1) (d)
Test operation mode JOG operation positioning operation DO forced output.
However, MR Configurator is necessary for positioning operation. Section 4.5
Analog monitor output Servo status is output in terms of voltage in real time. Parameter No.PC09
MR Configurator Using a personal computer, parameter setting, test operation, status display,
etc. can be performed. Section 11.8

1 - 8
1. FUNCTIONS AND CONFIGURATION
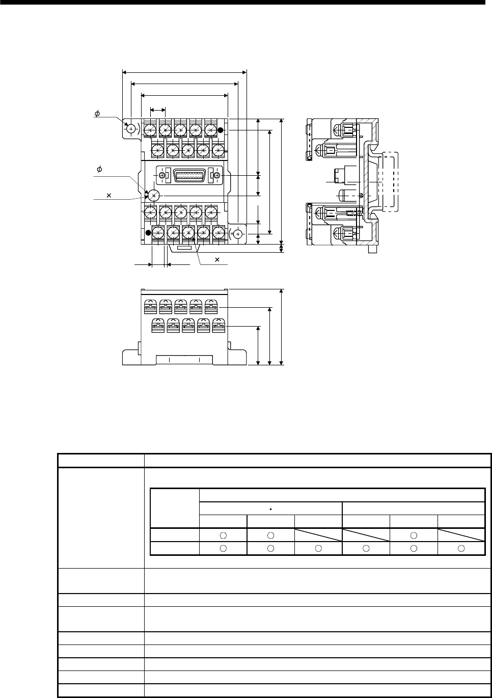
1.5 Model code definition
(1) Rating plate
MR-J3-10B
AC SERVO
POWER :
INPUT :
OUTPUT:
SERIAL :
100W
0.9A 3PH+1PH200-230V 50Hz
1.3A 1PH 200-230V 50/60Hz
170V 0-360Hz 1.1A
3PH+1PH200-230V 60Hz
A34230001
Model
Capacity
Applicable power supply
Serial number
Rated output current

1 - 9
1. FUNCTIONS AND CONFIGURATION
(2) Model
Power supply
MR J3 B
Series Symbol Description
-PX
Indicates a servo
amplifier of 11k to 22kW
that does not use a
regenerative resistor as
standard accessory.
With no regenerative resistor
Symbol Power supply
3-phase or 1-phase 200
to 230VAC
1-phase 100 to 120VAC
(Note 1)
None
(Note 2)
1
4 3-phase 380 to 480VAC
Note 1. 1-phase 200 to 230V is
supported by 750W or less.
2. 1-phase 100 to 120V is
supported by 400W or less.
SSCNET compatible
Rated output
Rated
output [kW]
Symbol
10 0.1
20 0.2
40 0.4
60 0.6
70 0.75
100 1
200 2
350 3.5
500 5
700 7
11K 11
15K 15
22K 22
Rating plate
MR-J3-60B4 100B4
MR-J3-11KB(4) to 22KB(4)
Rating plate
MR-J3-350B4 500B(4)
Rating plate
MR-J3-100B or less
Rating plate
MR-J3-700B(4)
Rating plate
MR-J3-200B(4)
Rating plate Rating plate
MR-J3-350B

1 - 10
1. FUNCTIONS AND CONFIGURATION
1.6 Combination with servo motor
The following table lists combinations of servo amplifiers and servo motors. The same combinations apply to
the models with an electromagnetic brake and the models with a reduction gear.
Servo motors
HF-SP
Servo amplifier HF-MP HF-KP 1000r/min 2000r/min HC-RP HC-UP HC-LP
MR-J3-10B (1) 053 13 053 13
MR-J3-20B (1) 23 23
MR-J3-40B (1) 43 43
MR-J3-60B 51 52 52
MR-J3-70B 73 73 72
MR-J3-100B 81 102 102
MR-J3-200B 121 201 152 202 103 153 152 152
MR-J3-350B 301 352 203 202 202
MR-J3-500B 421 502 353 503 352 502 302
MR-J3-700B 702
MR-J3-11KB
MR-J3-15KB
MR-J3-22KB
Servo motors
HA-LP
Servo amplifier
1000r/min 1500r/min 2000r/min
MR-J3-500B 502
MR-J3-700B 601 701M 702
MR-J3-11KB 801 12K1 11K1M 11K2
MR-J3-15KB 15K1 15K1M 15K2
MR-J3-22KB 20K1 25K1 22K1M 22K2
Servo motors
HA-LP
Servo amplifier HF-SP 1000r/min 1500r/min 2000r/min
MR-J3-60B4 524
MR-J3-100B4 1024
MR-J3-200B4 1524 2024
MR-J3-350B4 3524
MR-J3-500B4 5024
MR-J3-700B4 7024 6014 701M4
MR-J3-11KB4 8014 12K14 11K1M4 11K24
MR-J3-15KB4 15K14 15K1M4 15K24
MR-J3-22KB4 20K14 22K1M4 22K24

1 - 11
1. FUNCTIONS AND CONFIGURATION
1.7 Structure
1.7.1 Parts identification
(1) MR-J3-100B or less
7
9
6
8
5
4
3
2
1
0
F
E
D
C
B
A
ON 4F
12
SW1
SW2
Fixed part
(2 places)
Used to set the axis No. of servo amplifier.
Rotary axis setting switch (SW1)
SW2
Test operation select switch (SW2-1)
Used to perform the test operation
mode by using MR Configurator.
Spare (Be sure to set to the "Down"
position).
Detailed
explanation
Section 3.13
Section 3.2
Section 3.4
SW1
Section 3.13
Name/Application
12
Display
The 3-digit, seven-segment LED shows the servo
status and alarm number.
Main circuit power supply connector (CNP1)
Connect the input power supply.
USB communication connector (CN5)
Connect the personal computer.
I/O signal connector (CN3)
Used to connect digital I/O signals.
More over an analog monitor is output.
Control circuit connector (CNP2)
Connect the control circuit power supply/regenerative
option.
SSCNET cable connector (CN1A)
Used to connect the servo system controller or the front
axis servo amplifier.
SSCNET cable connector (CN1B)
Used to connect the rear axis servo amplifier. For the final
axis, puts a cap.
Servo motor power connector (CNP3)
Connect the servo motor.
Encoder connector (CN2)
Used to connect the servo motor encoder.
Charge lamp
Lit to indicate that the main circuit is charged. While
this lamp is lit, do not reconnect the cables.
Battery connector (CN4)
Used to connect the battery for absolute position data
backup.
Battery holder
Contains the battery for absolute position data backup.
Protective earth (PE) terminal ( )
Ground terminal.
Rating plate
7
6
5
4
3
2
1
0
F
E
D
C
B
A
9
8
Chapter 4
Section 3.1
Section 3.3
Section 11.8
Section 3.2
Section 3.4
Section 3.1
Section 3.3
Section 3.2
Section 3.4
Section 3.1
Section 3.3
Section 3.4
Section 11.1
Section 11.9
Chapter 12
Section 12.3
Section 3.1
Section 3.3
Section 1.5
TEST

1 - 12
1. FUNCTIONS AND CONFIGURATION
(2) MR-J3-60B4 MR-J3-100B4
Used to set the axis No. of servo amplifier.
Rotary axis setting switch (SW1)
SW2
Test operation select switch (SW2-1)
Used to perform the test operation
mode by using MR Configurator.
Spare (Be sure to set to the "Down"
position).
Detailed
explanation
Section 3.13
Section 3.2
Section 3.4
7
9
6
8
5
4
3
2
1
0
F
E
D
C
B
A
ON 4F
12
SW1
SW1
SW2
TEST
Section 3.13
Name/Application
12
Display
The 3-digit, seven-segment LED shows the servo
status and alarm number.
Main circuit power supply connector (CNP1)
Connect the input power supply.
USB communication connector (CN5)
Connect the personal computer.
I/O signal connector (CN3)
Used to connect digital I/O signals.
More over an analog monitor is output.
Control circuit connector (CNP2)
Connect the control circuit power supply/regenerative
option.
SSCNET cable connector (CN1A)
Used to connect the servo system controller or the front
axis servo amplifier.
SSCNET cable connector (CN1B)
Used to connect the rear axis servo amplifier. For the final
axis, puts a cap.
Servo motor power connector (CNP3)
Connect the servo motor.
Encoder connector (CN2)
Used to connect the servo motor encoder.
Charge lamp
Lit to indicate that the main circuit is charged. While
this lamp is lit, do not reconnect the cables.
Battery connector (CN4)
Used to connect the battery for absolute position data
backup.
Battery holder
Contains the battery for absolute position data backup.
Protective earth (PE) terminal ( )
Ground terminal.
Rating plate
7
6
5
4
3
2
1
0
F
E
D
C
B
A
9
8
Chapter 4
Section 3.1
Section 3.3
Section 11.8
Section 3.2
Section 3.4
Section 3.1
Section 3.3
Section 3.2
Section 3.4
Section 3.1
Section 3.3
Section 3.4
Section 11.1
Section 11.9
Chapter 12
Section 12.3
Section 3.1
Section 3.3
Section 1.5
Fixed part
(3 places)

1 - 13
1. FUNCTIONS AND CONFIGURATION
(3) MR-J3-200B(4)
7
9
6
8
5
4
3
2
1
0
F
E
D
C
B
A
12
ON 4F
SW1
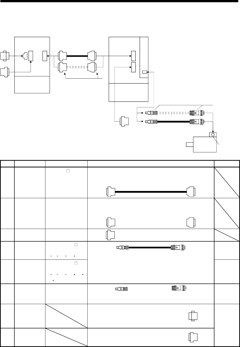
SW2
TEST
Fixed part
(3 places)
Cooling Fan
Used to set the axis No. of servo amplifier.
Rotary axis setting switch (SW1)
SW2
Test operation select switch (SW2-1)
Used to perform the test operation
mode by using MR Configurator.
Spare (Be sure to set to the "Down"
position).
Detailed
explanation
Section 3.13
Section 3.2
Section 3.4
SW1
Section 3.13
Name/Application
12
Display
The 3-digit, seven-segment LED shows the servo
status and alarm number.
Main circuit power supply connector (CNP1)
Connect the input power supply.
USB communication connector (CN5)
Connect the personal computer.
I/O signal connector (CN3)
Used to connect digital I/O signals.
More over an analog monitor is output.
SSCNET cable connector (CN1A)
Used to connect the servo system controller or the front
axis servo amplifier.
SSCNET cable connector (CN1B)
Used to connect the rear axis servo amplifier. For the final
axis, puts a cap.
Servo motor power connector (CNP3)
Connect the servo motor.
Encoder connector (CN2)
Used to connect the servo motor encoder.
Charge lamp
Lit to indicate that the main circuit is charged. While
this lamp is lit, do not reconnect the cables.
Battery connector (CN4)
Used to connect the battery for absolute position data
backup.
Battery holder
Contains the battery for absolute position data backup.
Protective earth (PE) terminal ( )
Ground terminal.
Rating plate
7
6
5
4
3
2
1
0
F
E
D
C
B
A
9
8
Chapter 4
Section 3.1
Section 3.3
Section 11.8
Section 3.2
Section 3.4
Control circuit connector (CNP2)
Connect the control circuit power supply/regenerative
option.
Section 3.1
Section 3.3
Section 3.2
Section 3.4
Section 3.1
Section 3.3
Section 3.4
Section 11.1
Section 11.9
Chapter 12
Section 12.3
Section 3.1
Section 3.3
Section 1.5
(Note)
Note. Connectors (CNP1, CNP2, and CNP3) and appearance of MR-J3-200B servo amplifier have been changed from January 2008
production. Model name of the existing servo amplifier is changed to MR-J3-200B-RT. For MR-J3-200B-RT, refer to appendix 5.

1 - 14
1. FUNCTIONS AND CONFIGURATION
(4) MR-J3-350B
7
9
6
8
5
4
3
2
1
0
F
E
D
C
B
A
12
ON 4F
SW1
SW2
TEST
Fixed part
(3 places)
Cooling fan
Used to set the axis No. of servo amplifier.
Rotary axis setting switch (SW1)
SW2
Test operation select switch (SW2-1)
Used to perform the test operation
mode by using MR Configurator.
Spare (Be sure to set to the "Down"
position).
Detailed
explanation
Section 3.13
Section 3.2
Section 3.4
SW1
Section 3.13
Name/Application
12
Display
The 3-digit, seven-segment LED shows the servo
status and alarm number.
Main circuit power supply connector (CNP1)
Connect the input power supply.
USB communication connector (CN5)
Connect the personal computer.
I/O signal connector (CN3)
Used to connect digital I/O signals.
More over an analog monitor is output.
SSCNET cable connector (CN1A)
Used to connect the servo system controller or the front
axis servo amplifier.
SSCNET cable connector (CN1B)
Used to connect the rear axis servo amplifier. For the final
axis, puts a cap.
Servo motor power connector (CNP3)
Connect the servo motor.
Encoder connector (CN2)
Used to connect the servo motor encoder.
Charge lamp
Lit to indicate that the main circuit is charged. While
this lamp is lit, do not reconnect the cables.
Battery connector (CN4)
Used to connect the battery for absolute position data
backup.
Battery holder
Contains the battery for absolute position data backup.
Protective earth (PE) terminal ( )
Ground terminal.
Rating plate
7
6
5
4
3
2
1
0
F
E
D
C
B
A
9
8
Chapter 4
Section 3.1
Section 3.3
Section 11.8
Section 3.2
Section 3.4
Control circuit connector (CNP2)
Connect the control circuit power supply/regenerative
option.
Section 3.1
Section 3.3
Section 3.2
Section 3.4
Section 3.1
Section 3.3
Section 3.4
Section 11.1
Section 11.9
Chapter 12
Section 12.3
Section 3.1
Section 3.3
Section 1.5

1 - 15
1. FUNCTIONS AND CONFIGURATION
(5) MR-J3-350B4 MR-J3-500B(4)
POINT
The servo amplifier is shown without the front cover. For removal of the front
cover, refer to section 1.7.2.
7
9
6
8
5
4
3
2
1
0
F
E
D
C
B
A
12
ON 4F
SW1
SW2
TEST
Used to set the axis No. of servo amplifier.
Rotary axis setting switch (SW1)
SW2
Test operation select switch (SW2-1)
Used to perform the test operation
mode by using MR Configurator.
Spare (Be sure to set to the "Down"
position).
Detailed
explanation
Section 3.13
Section 3.2
Section 3.4
SW1
Section 3.13
Name/Application
12
Display
The 3-digit, seven-segment LED shows the servo
status and alarm number.
USB communication connector (CN5)
Connect the personal computer.
I/O signal connector (CN3)
Used to connect digital I/O signals.
More over an analog monitor is output.
SSCNET cable connector (CN1A)
Used to connect the servo system controller or the front
axis servo amplifier.
SSCNET cable connector (CN1B)
Used to connect the rear axis servo amplifier. For the final
axis, puts a cap.
Encoder connector (CN2)
Used to connect the servo motor encoder.
Charge lamp
Lit to indicate that the main circuit is charged. While
this lamp is lit, do not reconnect the cables.
Battery connector (CN4)
Used to connect the battery for absolute position data
backup.
Protective earth (PE) terminal ( )
Ground terminal.
Rating plate
7
6
5
4
3
2
1
0
F
E
D
C
B
A
9
8
Chapter 4
Section 11.8
Section 3.2
Section 3.4
Section 3.2
Section 3.4
Section 3.4
Section 11.1
Section 11.9
Chapter 12
Section 3.1
Section 3.3
Section 1.5
Battery holder
Contains the battery for absolute position data backup. Section 12.3
DC reactor terminal block (TE3)
Used to connect the DC reactor. Section 3.4
Section 11.1
Main circuit terminal block (TE1)
Used to connect the input power supply and servo
motor.
Control circuit terminal block (TE2)
Used to connect the control circuit power supply. Section 3.1
Section 3.3
Section 3.1
Section 3.3
Cooling fan
Fixed part
(4 places)

1 - 16
1. FUNCTIONS AND CONFIGURATION
(6) MR-J3-700B(4)
POINT
The servo amplifier is shown without the front cover. For removal of the front
cover, refer to section 1.7.2.
7
9
6
8
5
4
3
2
1
0
F
E
D
C
B
A
12
ON 4F
SW1
SW2
TEST
Used to set the axis No. of servo amplifier.
Rotary axis setting switch (SW1)
SW2
Test operation select switch (SW2-1)
Used to perform the test operation
mode by using MR Configurator.
Spare (Be sure to set to the "Down"
position).
Detailed
explanation
Section 3.13
Section 3.2
Section 3.4
SW1
Section 3.13
Name/Application
12
Display
The 3-digit, seven-segment LED shows the servo
status and alarm number.
USB communication connector (CN5)
Connect the personal computer.
I/O signal connector (CN3)
Used to connect digital I/O signals.
More over an analog monitor is output.
SSCNET cable connector (CN1A)
Used to connect the servo system controller or the front
axis servo amplifier.
SSCNET cable connector (CN1B)
Used to connect the rear axis servo amplifier. For the final
axis, puts a cap.
Encoder connector (CN2)
Used to connect the servo motor encoder.
Charge lamp
Lit to indicate that the main circuit is charged. While
this lamp is lit, do not reconnect the cables.
Battery connector (CN4)
Used to connect the battery for absolute position data
backup.
Protective earth (PE) terminal ( )
Ground terminal.
Rating plate
7
6
5
4
3
2
1
0
F
E
D
C
B
A
9
8
Chapter 4
Section 11.8
Section 3.2
Section 3.4
Section 3.2
Section 3.4
Section 3.4
Section 11.1
Section 11.9
Chapter 12
Section 3.1
Section 3.3
Section 1.5
DC reactor terminal block (TE3)
Used to connect the DC reactor. Section 3.4
Section 11.1
Main circuit terminal block (TE1)
Used to connect the input power supply and servo
motor.
Control circuit terminal block (TE2)
Used to connect the control circuit power supply. Section 3.1
Section 3.3
Section 3.1
Section 3.3
Battery holder
Contains the battery for absolute position data backup. Section 12.3
Cooling fan Fixed part
(4 places)

1 - 17
1. FUNCTIONS AND CONFIGURATION
(7) MR-J3-11KB(4) to MR-J3-22KB(4)
POINT
The servo amplifier is shown without the front cover. For removal of the front
cover, refer to section 1.7.2.
7
9
6
8
5
4
3
2
1
0
F
E
D
C
B
A
12
ON 4F
SW1
SW2
TEST
Cooling fan Fixed part
(4 places)
Used to set the axis No. of servo amplifier.
Rotary axis setting switch (SW1)
SW2
Test operation select switch (SW2-1)
Used to perform the test operation
mode by using MR Configurator.
Spare (Be sure to set to the "Down"
position).
Detailed
explanation
Section 3.13
Section 3.2
Section 3.4
SW1
Section 3.13
Name/Application
12
Display
The 3-digit, seven-segment LED shows the servo
status and alarm number.
USB communication connector (CN5)
Connect the personal computer.
I/O signal connector (CN3)
Used to connect digital I/O signals.
More over an analog monitor is output.
SSCNET cable connector (CN1A)
Used to connect the servo system controller or the front
axis servo amplifier.
SSCNET cable connector (CN1B)
Used to connect the rear axis servo amplifier. For the final
axis, puts a cap.
Encoder connector (CN2)
Used to connect the servo motor encoder.
Charge lamp
Lit to indicate that the main circuit is charged. While
this lamp is lit, do not reconnect the cables.
Battery connector (CN4)
Used to connect the battery for absolute position data
backup.
7
6
5
4
3
2
1
0
F
E
D
C
B
A
9
8
Chapter 4
Section 11.8
Section 3.2
Section 3.4
Section 3.2
Section 3.4
Section 3.4
Section 11.1
Section 11.9
Chapter 12
Rating plate Section 1.5
Section 3.1
Section 3.3
Battery holder
Contains the battery for absolute position data backup. Section 12.3
Main circuit terminal block control circuit protective
earth (TE)
Used to connect the input power supply, servo motor,
regenerative option and ground.

1 - 18
1. FUNCTIONS AND CONFIGURATION
1.7.2 Removal and reinstallation of the front cover
WARNING
Before removing or installing the front cover, turn off the power and wait for 15
minutes or more until the charge lamp turns off. Then, confirm that the voltage
between P( ) and N( ) is safe with a voltage tester and others. Otherwise, an
electric shock may occur. In addition, always confirm from the front of the servo
amplifier whether the charge lamp is off or not.
(1) For MR-J3-350B4 MR-J3-500B(4) MR-J3-700B(4)
Removal of the front cover
A)
A)
Hold the ends of lower side of the front cover with
both hands.
Pull up the cover, supporting at point A).
Pull out the front cover to remove.

1 - 19
1. FUNCTIONS AND CONFIGURATION
Reinstallation of the front cover
Front cover
setting tab
A)
A)
Insert the front cover setting tabs into the sockets of
servo amplifier (2 places).
Pull up the cover, supporting at point A).
Setting tab
Push the setting tabs until they click.

1 - 20
1. FUNCTIONS AND CONFIGURATION
(2) For MR-J3-11KB(4) to MR-J3-22KB(4)
Removal of the front cover
A)
B)
C)
1) Press the removing knob on the lower side of the
front cover ( A) and B) ) and release the installation
hook.
2) Press the removing knob of C) and release the
external hook.
3) Pull it to remove the front cover.
Reinstallation of the front cover
A)
B)
C)
D)
Installation hoo
k
(Note 1)
(Note 1)
(Note 2)
1) Fit the front cover installation hooks on the sockets
of body cover ( A) to D) ) to reinstall it.
2) Push the front cover until you hear the clicking
noise of the installation hook.
Note 1. The cooling fan cover can be locked with enclosed screws (M4 40).
2. By drilling approximately 4 of a hole on the front cover, the front cover can be locked on the body with an enclosed screw (M4
14).

1 - 21
1. FUNCTIONS AND CONFIGURATION
1.8 Configuration including auxiliary equipment
POINT
Equipment other than the servo amplifier and servo motor are optional or
recommended products.
(1) MR-J3-100B or less
(a) For 3-phase or 1-phase 200V to 230VAC
W
CN5
PC
L11
L21
P1
P2
UV
Servo amplifier
L1
L2
L3
MR Configurator
Personal
computer
Servo system
controller or Front axis
servo amplifier CN1B
Rear servo amplifier
CN1A or Cap
CN3
CN1A
CN1B
CN2
CN4
R S T
Line noise
filter
(FR-BSF01)
Magnetic
contactor
(MC)
No-fuse breaker
(NFB) or fuse
Regenerative option
Power factor
improving DC
reactor
(FR-BEL)
(Note 2)
(Note 2)
Junction terminal
block
Servo motor
(Note 1)
Battery
MR-J3BAT
(Note 3)
Power supply
Note 1. The battery (option) is used for the absolute position detection system in the position control mode.
2. The AC reactor can also be used. In this case, the DC reactor cannot be used. When not using DC reactor, short P1 and P2.
3. A 1-phase 200V to 230VAC power supply may be used with the servo amplifier of MR-J3-70B or less.
For 1-phase 200V to 230VAC, connect the power supply to L1L2 and leave L3 open. Refer to section 1.3 for the power supply
specification.

1 - 22
1. FUNCTIONS AND CONFIGURATION
(b) For 1-phase 100V to 120VAC
(Note 2)
W
UV
CN5
PC
CN3
CN1A
CN1B
CN2
CN4
L11
L21
L1
L2
(Note 3)
Power supply
R S
Power factor
improving
(FR-BAL)
Regenerative option
Servo amplifier
(Note 1)
Battery
MR-J3BAT
Line noise filter
(FR-BSF01)
Magnetic
contactor
(MC)
No-fuse breaker
(NFB) or fuse
Junction
terminal
block
Servo motor
Servo system
controller or Front axis
servo amplifier CN1B
Rear servo amplifier
CN1A or Cap
MR Configurator
Personal
computer
Note 1. The battery (option) is used for the absolute position detection system in the position control mode.
2. The power factor improving DC reactor cannot be used.
3. Refer to section 1.3 for the power supply specification.

1 - 23
1. FUNCTIONS AND CONFIGURATION
(2) MR-J3-60B4 MR-J3-100B4
(Note 3)
Power supply
R S T
No-fuse breaker
(NFB) or fuse
Magnetic
contactor
(MC)
(Note 2)
Line noise
filter
(FR-BSF01)
L2
L3
(Note 2)
Power factor
improving DC
reactor
(FR-BEL-H)
P1
P2
Regenerative option
PC
L11
L21
UVW
(Note 1)
Battery
MR-J3BAT
CN5
CN3
CN1A
CN1B
CN2
CN4
MR Configurator
Personal
computer
Junction
terminal
block
Servo system
controller or Front axis
servo amplifier CN1B
Rear servo amplifier
CN1A or Cap
Servo motor
Servo amplifier
L1
Note 1. The battery (option) is used for the absolute position detection system in the position control mode.
2. The AC reactor can also be used. In this case, the DC reactor cannot be used. When not using DC reactor, short P1 and P2.
3. A 1-phase 200V to 230VAC power supply may be used with the servo amplifier of MR-J3-70B or less.
For 1-phase 200V to 230VAC, connect the power supply to L1 L2 and leave L3 open. Refer to section 1.3 for the power supply
specification.

1 - 24
1. FUNCTIONS AND CONFIGURATION
(3) MR-J3-200B(4)
R S T
L21
L11
C
P
(Note 3)
Power supply
No-fuse breaker
(NFB) or fuse
Magnetic
contactor
(MC)
(Note 2)
Line noise filter
(FR-BSF01)
(Note 2)
Power factor
improving DC
reactor
(FR-BEL/
FR-BEL-H)
L1
L2
L3
P1
Regenerative
option
Servo amplifier
CN5
CN3
CN1A
CN1B
CN2
CN4
(Note 1)
Battery
MR-J3BAT
Junction
terminal
block
Servo system
controller or Front axis
servo amplifier CN1B
Rear servo amplifier
CN1A or Cap
MR Configurator
Servo motor
UV W
Personal
computer
P2
(Note 4)
Note 1. The battery (option) is used for the absolute position detection system in the position control mode.
2. The AC reactor can also be used. In this case, the DC reactor cannot be used. When not using DC reactor, short P1 and P2.
3. Refer to section 1.3 for the power supply specification.
4. Connectors (CNP1, CNP2, and CNP3) and appearance of MR-J3-200B servo amplifier have been changed from January 2008
production. Model name of the existing servo amplifier is changed to MR-J3-200B-RT. For MR-J3-200B-RT, refer to appendix 5.

1 - 25
1. FUNCTIONS AND CONFIGURATION
(4) MR-J3-350B
R S T
P
C
L21
P1
P2
UV W
L11
L1
L2
L3
CN5
CN3
CN2
CN1A
CN1B
CN4
Line noise filter
(FR-BLF)
(Note 3)
Power supply
Magnetic
contactor
(MC)
No-fuse breaker
(NFB) or fuse
Regenerative
option
(Note 2)
Power factor
improving DC
reactor
(FR-BEL)
(Note 2)
Servo amplifier
Junction
terminal
block
MR Configurator
Personal
computer
(Note 1)
Battery
MR-J3BAT
Servo system
controller or Front axis
servo amplifier CN1B
Rear servo amplifier
CN1A or Cap
Servo motor
Note 1. The battery (option) is used for the absolute position detection system in the position control mode.
2. The AC reactor can also be used. In this case, the DC reactor cannot be used. When not using DC reactor, short P1 and P2.
3. Refer to section 1.3 for the power supply specification.

1 - 26
1. FUNCTIONS AND CONFIGURATION
(5) MR-J3-350B4 MR-J3-500B(4)
R S T
L21 P1
P2
CN3
CN2
CN1A
CN1B
CN4
CN5
(Note 2)
L11
UVW
CP
L1
L2
L3
Regenerative option
Line noise filter
(FR-BLF)
(Note 3)
Power supply
Magnetic
contactor
(MC)
No-fuse breaker
(NFB) or fuse
MR Configurator
Personal
computer
Servo amplifier
(Note 2)
Power factor
improving DC
reactor
(FR-BEL-(H))
Servo system
controller or Front axis
servo amplifier CN1B
Rear servo amplifier
CN1A or Cap
(Note 1)
Battery
MR-J3BAT
Servo motor
Junction
terminal
block
Note 1. The battery (option) is used for the absolute position detection system in the position control mode.
2. The AC reactor can also be used. In this case, the DC reactor cannot be used. When not using DC reactor, short P1 and P2.
3. Refer to section 1.3 for the power supply specification.

1 - 27
1. FUNCTIONS AND CONFIGURATION
(6) MR-J3-700B(4)
R S T
L21
L11
UVW
CP
L1
L2
L3
CN5
CN3
CN2
CN1A
CN1B
CN4
P2
P1
Line noise filter
(FR-BLF)
(Note 3)
Power supply
Magnetic
contactor
(MC)
No-fuse breaker
(NFB) or fuse
(Note 2)
(Note 2)
Power factor
improving DC
reactor
(FR-BEL-(H))
Servo amplifier
Regenerative option
Servo motor
Junction
terminal
block
MR Configurator
Personal
computer
Servo system
controller or Front axis
servo amplifier CN1B
Rear servo amplifier
CN1A or Cap
(Note 1)
Battery
MR-J3BAT
Note 1. The battery (option) is used for the absolute position detection system in the position control mode.
2. The AC reactor can also be used. In this case, the DC reactor cannot be used. When not using DC reactor, short P1 and P2.
3. Refer to section 1.3 for the power supply specification.

1 - 28
1. FUNCTIONS AND CONFIGURATION
(7) MR-J3-11KB(4) to MR-J3-22KB(4)
Line noise filter
(FR-BLF)
(Note 3)
Power supply
R S T
Magnetic
contactor
(MC)
No-fuse
breaker (NFB)
or fuse
Regenerative option
L21
Servo amplifier
Servo motor
(Note 2)
L11
UVW
CP
L1
L2
L3
CN4
MR Configurator
Personal
computer
CN5
CN3
CN2
Junction
terminal
block
Servo system
controller or Front axis
servo amplifier CN1B
Rear servo amplifier
CN1A or Cap
CN1A
CN1B
P1
P
(Note 2)
Power factor improving
DC reactor (FR-BEL-(H))
(Note 1)
Battery
MR-J3BAT
Note 1. The battery (option) is used for the absolute position detection system in the position control mode.
2. The AC reactor can also be used. In this case, the DC reactor cannot be used. When not using DC reactor, short P1 and P.
3. Refer to section 1.3 for the power supply specification.

2 - 1
2. INSTALLATION
2. INSTALLATION
CAUTION
Stacking in excess of the limited number of products is not allowed.
Install the equipment on incombustible material. Installing them directly or close to
combustibles will lead to a fire.
Install the equipment in a load-bearing place in accordance with this Instruction
Manual.
Do not get on or put heavy load on the equipment to prevent injury.
Use the equipment within the specified environmental condition range. (For the
environmental conditions, refer to section 1.3.)
Provide an adequate protection to prevent screws, metallic detritus and other
conductive matter or oil and other combustible matter from entering the servo
amplifier.
Do not block the intake/exhaust ports of the servo amplifier. Otherwise, a fault may
occur.
Do not subject the servo amplifier to drop impact or shock loads as they are
precision equipment.
Do not install or operate a faulty servo amplifier.
When the product has been stored for an extended period of time, consult
Mitsubishi.
When treating the servo amplifier, be careful about the edged parts such as the
corners of the servo amplifier.
2.1 Installation direction and clearances
CAUTION
The equipment must be installed in the specified direction. Otherwise, a fault may
occur.
Leave specified clearances between the servo amplifier and control box inside
walls or other equipment.
(1) 7kW or less
(a) Installation of one servo amplifier
40mm
or more
Servo amplifier
40mm
or more
Control box
10mm
or more
10mm
or more
Wiring allowance
80mm Top
Bottom
Control box

2 - 2
2. INSTALLATION
(b) Installation of two or more servo amplifiers
POINT
Close mounting is available for the servo amplifier of under 3.5kW for 200V
class and 400W for 100V class.
Leave a large clearance between the top of the servo amplifier and the internal surface of the control
box, and install a cooling fan to prevent the internal temperature of the control box from exceeding the
environmental conditions.
When installing the servo amplifiers closely, leave a clearance of 1mm between the adjacent servo
amplifiers in consideration of mounting tolerances.
In this case, bring the ambient temperature within 0 to 45 (32 to 113 ), or use it at 75% or smaller
effective load ratio.
40mm or more
Control box
30mm
or more
30mm
or more
Control box
Leaving clearance Mounting closely
30mm
or more
1mm 1mm
100mm
or more
30mm
or more
100mm
or more
10mm
or more
40mm
or more
Top
Bottom
(2) 11k to 22kW
(a) Installation of one servo amplifier
40mm or more
10mm
or more
120mm
or more
Wiring allowance
80mm Top
Bottom
Servo amplifier
Control box Control box
10mm
or more

2 - 3
2. INSTALLATION
(b) Installation of two or more servo amplifiers
Leave a large clearance between the top of the servo amplifier and the internal surface of the control
box, and install a cooling fan to prevent the internal temperature of the control box from exceeding the
environmental conditions.
100mm
or more
30m
or more
120mm or more
30mm
or more
10mm or more
Control box
Top
Bottom
(3) Others
When using heat generating equipment such as the regenerative option, install them with full consideration
of heat generation so that the servo amplifier is not affected.
Install the servo amplifier on a perpendicular wall in the correct vertical direction.
2.2 Keep out foreign materials
(1) When installing the unit in a control box, prevent drill chips and wire fragments from entering the servo
amplifier.
(2) Prevent oil, water, metallic dust, etc. from entering the servo amplifier through openings in the control box or
a cooling fan installed on the ceiling.
(3) When installing the control box in a place where there are much toxic gas, dirt and dust, conduct an air
purge (force clean air into the control box from outside to make the internal pressure higher than the
external pressure) to prevent such materials from entering the control box.
2.3 Cable stress
(1) The way of clamping the cable must be fully examined so that flexing stress and cable's own weight stress
are not applied to the cable connection.
(2) For use in any application where the servo motor moves, fix the cables (encoder, power supply, brake) with
having some slack from the connector connection part of the servo motor to avoid putting stress on the
connector connection part. Use the optional encoder cable within the flexing life range. Use the power
supply and brake wiring cables within the flexing life of the cables.

2 - 4
2. INSTALLATION
(3) Avoid any probability that the cable sheath might be cut by sharp chips, rubbed by a machine corner or
stamped by workers or vehicles.
(4) For installation on a machine where the servo motor will move, the flexing radius should be made as large
as possible. Refer to section 10.4 for the flexing life.
2.4 SSCNET cable laying
SSCNET cable is made from optical fiber. If optical fiber is added a power such as a major shock, lateral
pressure, haul, sudden bending or twist, its inside distorts or breaks, and optical transmission will not be
available. Especially, as optical fiber for MR-J3BUS M MR-J3BUS M-A is made of synthetic resin, it
melts down if being left near the fire or high temperature. Therefore, do not make it touched the part, which
becomes high temperature, such as radiator or regenerative option of servo amplifier.
Read described item of this section carefully and handle it with caution.
(1) Minimum bend radius
Make sure to lay the cable with greater radius than the minimum bend radius. Do not press the cable to
edges of equipment or others. For SSCNET cable, the appropriate length should be selected with due
consideration for the dimensions and arrangement of servo amplifier. When closing the door of control box,
pay careful attention for avoiding the case that SSCNET cable is hold down by the door and the cable
bend becomes smaller than the minimum bend radius.
For the minimum bend radius, refer to section 11.1.5.
(2) Prohibition of vinyl tape use
Migrating plasticizer is used for vinyl tape. Keep the MR-J3BUS M, and MR-J3BUS M-A cables away
from vinyl tape because the optical characteristic may be affected.
SSCNET cable Code Cable
MR-J3BUS M
MR-J3BUS M-A
MR-J3BUS M-B
Optical code Cable : Phthalate ester plasticizer such as DBP and DOP
may affect optical characteristic of cable.
: Cable is not affected by plasticizer.
(3) Precautions for migrating plasticizer added materials
Generally, soft polyvinyl chloride (PVC), polyethylene resin (PE) and Teflon (fluorine resin) contain non-
migrating plasticizer and they do not affect the optical characteristic of SSCNET cable.
However, some wire sheaths and cable ties, which contain migrating plasticizer (phthalate ester), may
affect MR-J3BUS M and MR-J3BUS M-A cables.
In addition, MR-J3BUS M-B cable is not affected by plasticizer.

2 - 5
2. INSTALLATION
(4) Bundle fixing
Fix the cable at the closest part to the connector with bundle material in order to prevent SSCNET cable
from putting its own weight on CN1A CN1B connector of servo amplifier. Optical cord should be given
loose slack to avoid from becoming smaller than the minimum bend radius, and it should not be twisted.
When bundling the cable, fix and hold it in position by using cushioning such as sponge or rubber which
does not contain migratable plasticizers.
If using adhesive tape for bundling the cable, fire resistant acetate cloth adhesive tape 570F (Teraoka
Seisakusho Co., Ltd) is recommended.
Optical cord
Loose slack
Recommended product:
NK clamp SP type
( NIX, INC.)
Cable
Connector
Bundle material
(5) Tension
If tension is added on optical cable, the increase of transmission loss occurs because of external force
which concentrates on the fixing part of optical fiber or the connecting part of optical connector. At worst,
the breakage of optical fiber or damage of optical connector may occur. For cable laying, handle without
putting forced tension. For the tension strength, refer to section 11.1.5.
(6) Lateral pressure
If lateral pressure is added on optical cable, the optical cable itself distorts, internal optical fiber gets
stressed, and then transmission loss will increase. At worst, the breakage of optical cable may occur. As
the same condition also occurs at cable laying, do not tighten up optical cable with a thing such as nylon
band (TY-RAP).
Do not trample it down or tuck it down with the door of control box or others.
(7) Twisting
If optical fiber is twisted, it will become the same stress added condition as when local lateral pressure or
bend is added. Consequently, transmission loss increases, and the breakage of optical fiber may occur at
worst.
(8) Disposal
When incinerating optical cable (cord) used for SSCNET , hydrogen fluoride gas or hydrogen chloride gas
which is corrosive and harmful may be generated. For disposal of optical fiber, request for specialized
industrial waste disposal services who has incineration facility for disposing hydrogen fluoride gas or
hydrogen chloride gas.

2 - 6
2. INSTALLATION
2.5 Inspection items
WARNING
Before starting maintenance and/or inspection, turn off the power and wait for 15
minutes or more until the charge lamp turns off. Then, confirm that the voltage
between P( ) and N( ) is safe with a voltage tester and others. Otherwise, an
electric shock may occur. In addition, always confirm from the front of the servo
amplifier whether the charge lamp is off or not.
Any person who is involved in inspection should be fully competent to do the work.
Otherwise, you may get an electric shock. For repair and parts replacement,
contact your safes representative.
POINT
Do not test the servo amplifier with a megger (measure insulation resistance),
or it may become faulty.
Do not disassemble and/or repair the equipment on customer side.
It is recommended to make the following checks periodically.
(1) Check for loose terminal block screws. Retighten any loose screws.
(2) Check the cables and the like for scratches and cracks. Perform periodic inspection according to operating
conditions.
2.6 Parts having service lives
The following parts must be changed periodically as listed below. If any part is found faulty, it must be changed
immediately even when it has not yet reached the end of its life, which depends on the operating method and
environmental conditions. For parts replacement, please contact your sales representative.
Part name Life guideline
Smoothing capacitor 10 years
Relay Number of power-on and number of emergency
stop times : 100,000 times
Cooling fan 10,000 to 30,000hours (2 to 3 years)
Servo amplifier
Absolute position battery Refer to section 12.2
(1) Smoothing capacitor
Affected by ripple currents, etc. and deteriorates in characteristic. The life of the capacitor greatly depends
on ambient temperature and operating conditions. The capacitor will reach the end of its life in 10 years of
continuous operation in normal air-conditioned environment.
(2) Relays
Their contacts will wear due to switching currents and contact faults occur. Relays reach the end of their life
when the cumulative number of power-on and emergency stop times is 100,000, which depends on the
power supply capacity.
(3) Servo amplifier cooling fan
The cooling fan bearings reach the end of their life in 10,000 to 30,000 hours. Normally, therefore, the
cooling fan must be changed in a few years of continuous operation as a guideline.
It must also be changed if unusual noise or vibration is found during inspection.

3 - 1
3. SIGNALS AND WIRING
3. SIGNALS AND WIRING
WARNING
Any person who is involved in wiring should be fully competent to do the work.
Before wiring, turn off the power and wait for 15 minutes or more until the charge
lamp turns off. Then, confirm that the voltage between P( ) and N( ) is safe with
a voltage tester and others. Otherwise, an electric shock may occur. In addition,
always confirm from the front of the servo amplifier whether the charge lamp is off
or not.
Ground the servo amplifier and the servo motor securely.
Do not attempt to wire the servo amplifier and servo motor until they have been
installed. Otherwise, you may get an electric shock.
The cables should not be damaged, stressed excessively, loaded heavily, or
pinched. Otherwise, you may get an electric shock.
CAUTION
Wire the equipment correctly and securely. Otherwise, the servo motor may
operate unexpectedly, resulting in injury.
Connect cables to correct terminals to prevent a burst, fault, etc.
Ensure that polarity ( , ) is correct. Otherwise, a burst, damage, etc. may occur.
The surge absorbing diode installed to the DC relay designed for control output
should be fitted in the specified direction. Otherwise, the signal is not output due to
a fault, disabling the forced stop (EM1) and other protective circuits.
RA
DOCOM
DICOM
24VDC
Control output
signal
Servo amplifier
RA
DOCOM
DICOM
24VDC
Control output
signal
Servo amplifier
Use a noise filter, etc. to minimize the influence of electromagnetic interference,
which may be given to electronic equipment used near the servo amplifier.
Do not install a power capacitor, surge suppressor or radio noise filter (FR-BIF (-H)
option) with the power line of the servo motor.
When using the regenerative resistor, switch power off with the alarm signal.
Otherwise, a transistor fault or the like may overheat the regenerative resistor,
causing a fire.
Do not modify the equipment.
During power-on, do not open or close the motor power line. Otherwise, a
malfunction or faulty may occur.

3 - 2
3. SIGNALS AND WIRING
3.1 Input power supply circuit
CAUTION
Always connect a magnetic contactor (MC) between the main circuit power supply
and L1, L2, and L3 of the servo amplifier, and configure the wiring to be able to shut
down the power supply on the side of the servo amplifier’s power supply. If a
magnetic contactor (MC) is not connected, continuous flow of a large current may
cause a fire when the servo amplifier malfunctions.
Use the trouble signal to switch main circuit power supply off. Otherwise, a
regenerative transistor fault or the like may overheat the regenerative resistor,
causing a fire.
POINT
Even if alarm has occurred, do not switch off the control circuit power supply.
When the control circuit power supply has been switched off, optical module
does not operate, and optical transmission of SSCNET communication is
interrupted. Therefore, the servo amplifier on the rear axis displays "AA" at
the indicator and turns into base circuit shut-off. The servo amplifier stops
with starting dynamic brake.
Wire the power supply/main circuit as shown below so that power is shut off and the servo-on command turned
off as soon as an alarm occurs, a servo forced stop is made valid, or a controller forced stop is made valid. A
no-fuse breaker (NFB) must be used with the input cables of the main circuit power supply.
(1) For 3-phase 200V to 230VAC power supply to MR-J3-10B to MR-J3-350B
EM1
NFB MC
L1
L2
L3
ALM RA1
P1
P( )
DICOM
DOCOM
L11
L21
N( )
D
C
U
V
W
(Note 1)
(Note 2)
CNP1
CNP3
PE
CNP2
U
V
W
2
3
4
1
M
Motor
Encoder
CN2
24VDC
(Note 3)
Encoder cable
(Note 6)
DOCOM
Forced stop
CN3CN3
OFF
Forced
stop ON
MC
MC
SK
(Note 4)
Alarm
RA1
Controller
forced stop
RA2
Servo amplifier Servo motor
(Note 5)
Trouble
(Note 4)
(Note 5)
3-phase
200 to
230VAC
P2

3 - 3
3. SIGNALS AND WIRING
Note 1. Always connect P1 and P2. (Factory-wired.) When using the power factor improving DC reactor, refer to section 11.13.
2. Always connect P( ) and D. (Factory-wired.) When using the regenerative option, refer to section 11.2.
3. For the encoder cable, use of the option cable is recommended. Refer to section 11.1 for selection of the cable.
4. If deactivating output of trouble (ALM) with parameter change, configure up the power supply circuit which switches off the
magnetic contactor after detection of alarm occurrence on the controller side.
5. For the sink I/O interface. For the source I/O interface, refer to section 3.7.3.
6. Refer to section 3.10.
(2) For 1-phase 200V to 230VAC power supply to MR-J3-10B to MR-J3-70B
L2
L3
P1
P
L11
L21
N
D
C
P2
EM1
NFB MC
L1
1-phase
200 to
230VAC
ALM RA1
DICOM
DOCOM
U
V
W
(Note 1)
(Note 2)
CNP1
CNP3
PE
CNP2
U
V
W
2
3
4
1
M
Motor
Encoder
CN2
24VDC
(Note 3)
Encoder cable
(Note 6)
DOCOM
Forced stop
CN3CN3
OFF
Forced
stop ON
MC
MC
SK
(Note 4)
Alarm
RA1
Controller
forced stop
RA2
Servo amplifier Servo motor
(Note 5)
Trouble
(Note 4)
(Note 5)
Note 1. Always connect P1 and P2. (Factory-wired.) When using the power factor improving DC reactor, refer to section 11.13.
2. Always connect P and D. (Factory-wired.) When using the regenerative option, refer to section 11.2.
3. For the encoder cable, use of the option cable is recommended. Refer to section 11.1 for selection of the cable.
4. If deactivating output of trouble (ALM) with parameter change, configure up the power supply circuit which switches off the
magnetic contactor after detection of alarm occurrence on the controller side.
5. For the sink I/O interface. For the source I/O interface, refer to section 3.7.3.
6. Refer to section 3.10.

3 - 4
3. SIGNALS AND WIRING
(3) For MR-J3-10B1 to MR-J3-40B1
EM1
NFB MC
L1
L2
1-phase
100 to
120VAC
ALM RA1
P1
P
DICOM
DOCOM
L11
L21
N
D
C
U
V
W
(Note 1)
(Note 2)
CNP1
CNP3
PE
CNP2
U
V
W
2
3
4
1
M
Motor
Encoder
CN2
24VDC
(Note 3)
Encoder cable
(Note 6)
DOCOM
Forced stop
CN3CN3
OFF
Forced
stop ON
MC
MC
SK
(Note 4)
Alarm
RA1
Controller
forced stop
RA2
Servo amplifier Servo motor
(Note 5)
Trouble
(Note 4)
(Note 5)
Blank
P2
Note 1. Always connect P1 and P2. (Factory-wired.) The power factor improving DC reactor cannot be used.
2. Always connect P and D. (Factory-wired.) When using the regenerative option, refer to section 11.2.
3. For the encoder cable, use of the option cable is recommended. Refer to section 11.1 for selection of the cable.
4. If deactivating output of trouble (ALM) with parameter change, configure up the power supply circuit which switches off the
magnetic contactor after detection of alarm occurrence on the controller side.
5. For the sink I/O interface. For the source I/O interface, refer to section 3.7.3.
6. Refer to section 3.10.

3 - 5
3. SIGNALS AND WIRING
(4) MR-J3-60B4 to MR-J3-200B4
EM1
NFB MC
L1
L2
L3
3-phase
200 to
230VAC
ALM RA1
P1
P
DICOM
DOCOM
L11
L21
N
D
C
U
V
W
(Note 1)
(Note 2)
CNP1
CNP3
PE
CNP2
U
V
W
2
3
4
1
M
Motor
Encoder
CN2
24VDC
(Note 3)
Encoder cable
(Note 6)
DOCOM
Forced stop
CN3CN3
OFF
Forced
stop ON
MC
MC
SK
(Note 4)
Alarm
RA1
Controller
forced stop
RA2
Servo amplifier Servo motor
(Note 5)
Trouble
(Note 4)
(Note 5)
(Note 7)
Stepdown
transformer
P2
Note 1. Always connect P1 and P2. (Factory-wired.) When using the power factor improving DC reactor, refer to section 11.13.
2. Always connect P and D. (Factory-wired.) When using the regenerative option, refer to section 11.2.
3. For the encoder cable, use of the option cable is recommended. Refer to section 11.1 for selection of the cable.
4. If deactivating output of trouble (ALM) with parameter change, configure up the power supply circuit which switches off the
magnetic contactor after detection of alarm occurrence on the controller side.
5. For the sink I/O interface. For the source I/O interface, refer to section 3.7.3.
6. Refer to section 3.10.
7. Stepdown transformer is required for coil voltage of magnetic contactor more than 200V class.

3 - 6
3. SIGNALS AND WIRING
(5) MR-J3-500B MR-J3-700B
EM1
NFB MC
L1
L2
L3
ALM RA1
P1
DICOM
DOCOM
N
U
V
W
(Note 2)
(Note 1)
TE1
PE
U
V
W
2
3
4
1
M
Motor
Encoder
CN2
24VDC
(Note 3)
Encoder cable
(Note 6)
DOCOM
Forced stop
CN3CN3
OFF
Forced
stop ON
MC
MC
SK
(Note 4)
Alarm
RA1
Controller
forced stop
RA2
Servo amplifier Servo motor
(Note 5)
Trouble
(Note 4)
(Note 5)
3-phase
200 to
230VAC
L11
L21
TE2
P1
P2
N
TE3
Built-in
regenerative
resistor
Cooling fan
(Note 7)
Power supply
of Cooling fan
BU
BV
NFB
Note 1. Always connect P1 and P2. (Factory-wired.) When using the power factor improving DC reactor, refer to section 11.13.
2. When using the regenerative option, refer to section 11.2.
3. For the encoder cable, use of the option cable is recommended. Refer to section 11.1 for selection of the cable.
4. If deactivating output of trouble (ALM) with parameter change, configure up the power supply circuit which switches off the
magnetic contactor after detection of alarm occurrence on the controller side.
5. For the sink I/O interface. For the source I/O interface, refer to section 3.7.3.
6. Refer to section 3.10.
7. A cooling fan is attached to the HA-LP601 and the HA-LP701M servo motors. For power supply specification of the cooling fan,
refer to section 3.10.2 (3) (b).

3 - 7
3. SIGNALS AND WIRING
(6) MR-J3-350B4 to MR-J3-700B4
EM1
NFB MC
L1
L2
L3
ALM RA1
C
DICOM
DOCOM
P
U
V
W
(Note 2)
(Note 1)
TE1
PE
U
V
W
2
3
4
1
M
Motor
Encoder
CN2
24VDC
(Note 3)
Encoder cable
(Note 6)
DOCOM
Forced stop
CN3CN3
OFF
Forced
stop ON
MC
MC
SK
(Note 4)
Alarm
RA1
Controller
forced stop
RA2
Servo amplifier Servo motor
(Note 5)
Trouble
(Note 4)
(Note 5)
3-phase
380 to
480VAC
L11
L21
TE2
P1
P2
N
TE3
Built-in
regenerative
resistor
(Note 7)
Stepdown
transformer
Cooling fan
(Note 8)
Power supply
of Cooling fan
BU
BV
NFB
Note 1. Always connect P1 and P2. (Factory-wired.) When using the power factor improving DC reactor, refer to section 11.13.
2. When using the regenerative option, refer to section 11.2.
3. For the encoder cable, use of the option cable is recommended. Refer to section 11.1 for selection of the cable.
4. If deactivating output of trouble (ALM) with parameter change, configure up the power supply circuit which switches off the
magnetic contactor after detection of alarm occurrence on the controller side.
5. For the sink I/O interface. For the source I/O interface, refer to section 3.7.3.
6. Refer to section 3.10.
7. Stepdown transformer is required for coil voltage of magnetic contactor more than 200V class.
8. A cooling fan is attached to the HA-LP6014 and the HA-LP701M4 servo motors. For power supply specification of the cooling
fan, refer to section 3.10.2 (3) (b).

3 - 8
3. SIGNALS AND WIRING
(7) MR-J3-11KB to MR-J3-22KB
BW
BV
BU
Dynamic
break
(Option)
OFF
Forced
stop ON
MC
MC
SK
(Note 4)
Alarm
RA1
Controller
forced stop
RA2
Servo amplifier
NFB MC
L1
L2
L3
3-phase
200 to
230VAC
P
C
TE1
PE
L11
L21
U
V
WM
Encoder
CN2 (Note 3)
Encoder cable
(Note 6)
P1
(Note 1)
(Note 2)
Regenerative
resistor
Cooling fan
24VDC
power supply
OHS2OHS1
Servo motor
thermal relay
Servo motor
thermal relay
RA3
RA3
U
V
W
Servo motor
(Note 7)
EM1
ALM RA1
DICOM
DOCOM
24VDC
DOCOM
Forced stop
CN3CN3
(Note 5)
Trouble
(Note 4)
(Note 5)
NFB
Note 1. Always connect P1 and P. (Factory-wired.) When using the power factor improving DC reactor, refer to section 11.13.
2. When using the regenerative option, refer to section 11.2.
3. For the encoder cable, use of the option cable is recommended. Refer to section 11.1 for selection of the cable.
4. If deactivating output of trouble (ALM) with parameter change, configure up the power supply circuit which switches off the
magnetic contactor after detection of alarm occurrence on the controller side.
5. For the sink I/O interface. For the source I/O interface, refer to section 3.7.3.
6. Refer to section 3.10.
7. Cooling fan power supply of the HA-LP11K2 servo motor is 1-phase. Power supply specification of the cooling fan is different
from that of the servo amplifier. Therefore, separate power supply is required.

3 - 9
3. SIGNALS AND WIRING
(8) MR-J3-11KB4 to MR-J3-22KB4
BW
BV
BU
Cooling fan
(Note 7)
(Note 8)
Cooling fan
power supply
Dynamic
break
(Option)
OFF
Forced
stop ON
MC
MC
SK
(Note 4)
Alarm
RA1
Controller
forced stop
RA2
Servo amplifier
NFB MC
L1
L2
L3
3-phase
380 to
480VAC
P
C
TE1
PE
L11
L21
U
V
WM
Encoder
CN2 (Note 3)
Encoder cable
(Note 6)
P1
(Note 1)
(Note 2)
Regenerative
resistor
24VDC
power supply
OHS2OHS1
Servo motor
thermal relay
Servo motor
thermal relay
RA3
RA3
U
V
W
Servo motor
EM1
ALM RA1
DICOM
DOCOM
24VDC
DOCOM
Forced stop
CN3CN3
(Note 5)
Trouble
(Note 4)
(Note 5)
(Note 9)
Stepdown
transformer
NFB
Note 1. Always connect P1 and P. (Factory-wired.) When using the power factor improving DC reactor, refer to section 11.13.
2. When using the regenerative option, refer to section 11.2.
3. For the encoder cable, use of the option cable is recommended. Refer to section 11.1 for selection of the cable.
4. If deactivating output of trouble (ALM) with parameter change, configure up the power supply circuit which switches off the
magnetic contactor after detection of alarm occurrence on the controller side.
5. For the sink I/O interface. For the source I/O interface, refer to section 3.7.3.
6. Refer to section 3.10.
7. Servo amplifiers does not have BW when the cooling fan power supply is 1-phase.
8. For the cooling fan power supply, refer to section 3.10.2 (3) (b).
9. Stepdown transformer is required for coil voltage of magnetic contactor more than 200V class.

3 - 10
3. SIGNALS AND WIRING
3.2 I/O signal connection example
13
9
15
10
6
16
7
17
2
12
19
CN3
Encoder Z-phase pulse
(differential line driver)
2m Max
(Note 12)
(Note 5)
MR Configurator
Personal
computer
Magnetic brake interlock
CN5
Servo amplifier
CN1A
Servo system
controller
USB cable
MR-J3USBCBL3M
(option)
Trouble (Note 11)
In-position
CN3
(Note 12)
CN1A
CN1B
MR-J3-B
(2 axis) (Note 7)
(Note 9)
Cap
(Note 1)
CN1B
SW1
21
SW2
SW1
21
SW2
Between electrodes
Control common
(Note 8)
(Note 8)
CN1A
CN1B
MR-J3-B (Note 7)
SW1
21
SW2 (Note 8)
CN1A
CN1B
MR-J3-B (Note 7)
SW1
21
SW2 (Note 8)
24VDC
Power
supply
(Note 10)
(Note 3,4)Forced stop
(Note 14)
(3 axis)
(n axis)
(Note 6 )
SSCNET cable
(option)
(Note 6)
SSCNET cable
(option)
Analog monitor 2
Max. 1mA meter
both directions
Analog monitor 1
Max. 1mA meter
both directions
10k
Encoder B-phase pulse
(differential line driver)
Encoder A-phase pulse
(differential line driver)
A
A
10k
(Note 15)
RA3
RA2
RA1
DICOM
DOCOM
EM1
DI1
DI2
DI3
5
3
20
DICOM
MBR
INP
ALM
LA
LAR
LB
LBR
8LZ
18 LZR
11 LG
4MO1
1LG
14 MO2
Plate SD
(Note 2)
(Note 13,14)
Upper stroke limit (FLS)
Lower stroke limit (RLS)
Proximity dog (DOG)

3 - 11
3. SIGNALS AND WIRING
Note 1 To prevent an electric shock, always connect the protective earth (PE) terminal (terminal marked ) of the servo amplifier to the
protective earth (PE) of the control box.
2. Connect the diode in the correct direction. If it is connected reversely, the servo amplifier will be faulty and will not output
signals, disabling the forced stop (EM1) and other protective circuits.
3. If the controller does not have an forced stop (EM1) function, always install a forced stop switch (Normally closed).
4. When starting operation, always turn on the forced stop (EM1). (Normally closed contacts) By setting " 1 " in DRU
parameter No.PA04 of the drive unit, the forced stop (EM1) can be made invalid.
5. Use MRZJW3-SETUP 221E.
6. For the distance between electrodes of SSCNET cable, refer to the following table.
Cable Cable model name Cable length
Distance between
electrodes
Standard code inside panel MR-J3BUS M 0.15m to 3m
Standard cable outside panel MR-J3BUS M-A 5m to 20m 20m
Long-distance cable MR-J3BUS M-B 30m to 50m 50m
7. The wiring of the second and subsequent axes is omitted.
8. Up to eight axes (n 1 to 8) may be connected. Refer to section 3.13 for setting of axis selection.
9. Make sure to put a cap on the unused CN1A CN1B.
10. Supply 24VDC 10% 150mA current for interfaces from the outside. 150mA is the value applicable when all I/O signals are
used. The current capacity can be decreased by reducing the number of I/O points. Refer to section 3.7.2 (1) that gives the
current value necessary for the interface.
11. Trouble (ALM) turns on in normal alarm-free condition. When this signal is switched off (at occurrence of an alarm), the output
of the programmable controller should be stopped by the sequence program.
12. The pins with the same signal name are connected in the servo amplifier.
13. The signal can be changed by parameter No.PD07, PD08, PD09.
14. For the sink I/O interface. For the source I/O interface, refer to section 3.7.3.
15. Devices can be assigned for DI1 DI2 DI3 with controller setting. For devices that can be assigned, refer to the controller
instruction manual. The assigned devices are for the Q173DCPU Q172DCPU Q173HCPU Q172HCPU and QD75MH .

3 - 12
3. SIGNALS AND WIRING
3.3 Explanation of power supply system
3.3.1 Signal explanations
POINT
For the layout of connector and terminal block, refer to outline drawings in
chapter 9.
Abbreviation Connection target
(Application) Description
Supply the following power to L1, L2, L3. For the 1-phase 200V to 230VAC power supply, connect
the power supply to L1, L2, and keep L3 open.
Servo amplifier
Power supply
MR-J3-
10B to 70B
MR-J3-
100B to
22KB
MR-J3-
10B1 to
40B1
3-phase 200V to 230VAC, 50/60Hz L1L2L3
1-phase 200V to 230VAC, 50/60Hz L1L2
1-phase 100V to 120VAC, 50/60Hz L1L2
Servo amplifier
Power supply MR-J3-60B4 to 22KB4
3-phase 380V to 480VAC, 50/60Hz L1L2L3
L1
L2
L3
Main circuit power
supply
P1
P2
Power factor
improving DC
reactor
1) MR-J3-700B or less
When not using the power factor improving DC reactor, connect P1 and P2. (Factory-wired.)
When using the power factor improving DC reactor, disconnect P1 and P2, and connect the
power factor improving DC reactor to P1 and P2.
2) MR-J3-11KB(4) to 22KB(4)
MR-J3-11KB(4) to 22KB(4) do not have P2.
When not using the power factor improving reactor, connect P1 and P. (Factory-wired)
When using the power factor improving reactor, connect it to P and P1.
Refer to section 11.13.
P
C
D
Regenerative
option
1) MR-J3-350B or less MR-J3-200B4 or less
When using servo amplifier built-in regenerative resistor, connect P( ) and D. (Factory-
wired)
When using regenerative option, disconnect P( ) and D, and connect regenerative option to
P and C.
2) MR-J3-350B4 500B(4) 700B(4)
MR-J3-350B4 500B(4) 700B(4) do not have D.
When using servo amplifier built-in regenerative resistor, connect P and C. (Factory-wired)
When using regenerative option, disconnect P and C, and connect regenerative option to P
and C.
3) MR-J3-11KB(4) to 22KB(4)
MR-J3-11KB(4) to 22KB(4) do not have D.
When not using the power regenerative converter and the brake unit, make sure to connect
the regenerative option to P and C.
Refer to section 11.2 to 11.5.
Supply the following power to L11 L21.
Servo amplifier
Power supply
MR-J3-10B to
22KB
MR-J3-10B1 to
40B1
MR-J3-60B4 to
22KB4
1-phase 200V to 230VAC, 50/60Hz L11 L21
1-phase 100V to 120VAC, 50/60Hz L11 L21
1-phase 380V to 480VAC, 50/60Hz L11 L21
L11
L21
Control circuit
power supply
U
V
W
Servo motor power Connect to the servo motor power supply terminals (U, V, W). During power-on, do not open or
close the motor power line. Otherwise, a malfunction or faulty may occur.
N Return converter
Brake unit
When using the power regenerative converter/brake unit, connect it to P and N.
Do not connect to servo amplifier MR-J3-350B(4) or less.
For details, refer to section 11.3 to 11.5.
Protective earth
(PE)
Connect to the earth terminal of the servo motor and to the protective earth (PE) of the control
box to perform grounding.

3 - 13
3. SIGNALS AND WIRING
3.3.2 Power-on sequence
(1) Power-on procedure
1) Always wire the power supply as shown in above section 3.1 using the magnetic contactor with the main
circuit power supply (three-phase: L1, L2, L3, single-phase: L1, L2). Configure up an external sequence
to switch off the magnetic contactor as soon as an alarm occurs.
2) Switch on the control circuit power supply L11, L21 simultaneously with the main circuit power supply or
before switching on the main circuit power supply. If the main circuit power supply is not on, the display
shows the corresponding warning. However, by switching on the main circuit power supply, the warning
disappears and the servo amplifier will operate properly.
3) The servo amplifier can accept the servo-on command within 3s the main circuit power supply is
switched on. (Refer to paragraph (2) of this section.)
(2) Timing chart
(3s)
ON
OFF
ON
OFF
ON
OFF
10ms 95ms95ms
Base circuit
Servo-on command
(from controller)
SON accepted
Main circuit
Control circuit power
(3) Forced stop
CAUTION Install an forced stop circuit externally to ensure that operation can be stopped and
power shut off immediately.
If the controller does not have an forced stop function, make up a circuit that switches off main circuit power
as soon as EM1 is turned off at a forced stop. When EM1 is turned off, the dynamic brake is operated to
stop the servo motor. At this time, the display shows the servo forced stop warning (E6).
During ordinary operation, do not use forced stop (EM1) to alternate stop and run. The service life of the
servo amplifier may be shortened.
DICOM
DOCOM
EM1
24VDC
Servo amplifier
Forced stop
(Note)
Note. For the sink I/O interface. For the source I/O interface, refer to section 3.7.3.

3 - 14
3. SIGNALS AND WIRING
3.3.3 CNP1, CNP2, CNP3 wiring method
POINT
Refer to table 11.1 in section 11.11 for the wire sizes used for wiring.
MR-J3-500B or more MR-J3-350B4 or more does not have these connectors.
Use the supplied servo amplifier power supply connectors for wiring of CNP1, CNP2 and CNP3.
(1) MR-J3-10B to MR-J3-100B
(a) Servo amplifier power supply connectors
CNP2
CNP1
CNP3
Connector for CNP1
54928-0670 (Molex)
Connector for CNP2
54928-0520 (Molex)
Connector for CNP3
54928-0370 (Molex)
<Applicable cable example>
Cable finish OD: to 3.8mm
(Note)Servo amplifier power supply connectors
Servo amplifier
Note. These connectors are of insert type. As the crimping type, the following connectors (Molex) are recommended.
For CNP1: 51241-0600 (connector), 56125-0128 (terminal)
For CNP2: 51240-0500 (connector), 56125-0128 (terminal)
For CNP3: 51241-0300 (connector), 56125-0128 (terminal)
Crimping tool: CNP57349-5300
<Connector applicable cable example>
Cable finish OD: to 3.8mm
(b) Termination of the cables
Solid wire: After the sheath has been stripped, the cable can be used as it is.
8 to 9mm
Sheath Core
Twisted wire: Use the cable after stripping the sheath and twisting the core. At this time, take care to
avoid a short caused by the loose wires of the core and the adjacent pole. Do not solder
the core as it may cause a contact fault. Alternatively, a bar terminal may be used to put
the wires together.
Cable size Bar terminal type
[mm2] AWG For 1 cable (Note 1) For 2 cable Crimping tool (Note 2)
1.25/1.5 16 AI1.5-10BK AI-TWIN2 1.5-10BK
2/2.5 14 AI2.5-10BU Variocrimp 4 206-204
Note 1. Manufacturer: Phoenix Contact
2. Manufacturer: WAGO

3 - 15
3. SIGNALS AND WIRING
(c) The twin type connector for CNP2 (L11 L21): 721-2105/026-000 (WAGO)
Using this connector enables passing a wire of control circuit power supply.
Refer to appendix 3 for details of connector.
L21
L11
L21
L11
Power supply
or Front axis Rear axis
CNP2
Twin type connector for CNP2
(2) MR-J3-200B MR-J3-60B4 to MR-J3-200B4
(a) Servo amplifier power supply connectors
<Applicable cable example>
Cable finish OD: 4.1mm or less
Servo amplifier
Connector for CNP3
721-203/026-000(Plug)
(WAGO)
Servo amplifier power supply connectors
CNP2
CNP1
CNP3
Connector for CNP1
721-207/026-000(Plug)
(WAGO)
Connector for CNP2
721-205/026-000(Plug)
(WAGO)
(b) Termination of the cables
Solid wire: After the sheath has been stripped, the cable can be used as it is.
8 to 9mm
Sheath Core
Twisted wire: Use the cable after stripping the sheath and twisting the core. At this time, take care to
avoid a short caused by the loose wires of the core and the adjacent pole. Do not solder
the core as it may cause a contact fault. Alternatively, a bar terminal may be used to put
the wires together.
Cable size Bar terminal type
[mm2] AWG For 1 cable (Note 1) For 2 cable Crimping tool (Note 2)
1.25/1.5 16 AI1.5-10BK AI-TWIN2 1.5-10BK
2/2.5 14 AI2.5-10BU Variocrimp 4 206-204
Note 1. Manufacturer: Phoenix Contact
2. Manufacturer: WAGO

3 - 16
3. SIGNALS AND WIRING
(c) The twin type connector for CNP2 (L11 L21): 721-2205/026-000 (WAGO)
Using this connector enables passing a wire of control circuit power supply.
Refer to appendix 3 for details of connector.
L21
L11
L21
L11
Power supply
or Front axis Rear axis
CNP2
Twin type connector for CNP2
(3) MR-J3-350B
(a) Servo amplifier power supply connectors
Servo amplifier power supply connectors
CNP3
CNP1
CNP2
Connector for CNP1
PC4/6-STF-7.62-CRWH
(Phoenix Contact)
<Applicable cable example>
Cable finish OD: 5mm or less
Connector for CNP3
PC4/3-STF-7.62-CRWH
(Phoenix Contact)
Connector for CNP2(Note)
54928-0520 (Molex)
Servo amplifier
<Applicable cable example>
Cable finish OD: 3.8mm or less
Note. As twin type connector for CNP2 (L11, L21) is the same as MR-J3-100B or smaller. Refer to (1) (c) of this section.
(b) Termination of the cables
1) CNP1 CNP3
Solid wire: After the sheath has been stripped, the cable can be used as it is.
7mm
Sheath Core
Twisted wire: Use the cable after stripping the sheath and twisting the core. At this time, take care to
avoid a short caused by the loose wires of the core and the adjacent pole. Do not
solder the core as it may cause a contact fault. Alternatively, a bar terminal may be
used to put the wires together.
Cable size Bar terminal type
[mm2] AWG For 1 cable For 2 cables Crimping tool Manufacturer
1.25/1.5 16 AI1.5-8BK AI-TWIN2 1.5-8BK
2.0/2.5 14 AI2.5-8BU AI-TWIN2 2.5-10BU CRIMPFOX-ZA3 Phoenix Contact
3.5 12 AI4-10GY

3 - 17
3. SIGNALS AND WIRING
2) CNP2
CNP2 is the same as MR-J3-100B or smaller capacities. Refer to (1) (b) of this section.
(4) Insertion of cable into Molex and WAGO connectors
Insertion of cable into 54928-0610, 54928-0520, 54928 (Molex) connectors and 721-207/026-000, 721-205/
026-000 and 721-203/026-000 (WAGO) connectors are as follows.
The following explains for Molex, however use the same procedures for inserting WAGO connectors as
well.
POINT
It may be difficult for a cable to be inserted to the connector depending on
wire size or bar terminal configuration. In this case, change the wire type or
correct it in order to prevent the end of bar terminal from widening, and then
insert it.
How to connect a cable to the servo amplifier power supply connector is shown below.

3 - 18
3. SIGNALS AND WIRING
(a) When using the supplied cable connection lever
1) The servo amplifier is packed with the cable connection lever.
a) 54932-0000 (Molex)
[Unit: mm]
MXJ
54932
7.7
4.7 Approx. 3 4.9
10
20.6
3.46.5
Approx. 4.9
Approx. 7.7
Approx.3.4
b) 231-131 (WAGO)
[Unit: mm]
20.3
10
16
7.6
3
6.5
3.4
4.9
17.5
1.5
1.3

3 - 19
3. SIGNALS AND WIRING
2) Cable connection procedure
1) Attach the cable connection lever to the housing.
(Detachable)
2) Push the cable connection lever in the direction
of arrow.
3) Hold down the cable connection lever and insert
the cable in the direction of arrow.
4) Release the cable connection lever.
Cable connection lever

3 - 20
3. SIGNALS AND WIRING
(b) Inserting the cable into the connector
1) Applicable flat-blade screwdriver dimensions
Always use the screwdriver shown here to do the work.
[Unit: mm]
3
0.6
Approx. R0.3 Approx. 22
3 to 3.5
Approx. R0.3
2) When using the flat-blade screwdriver - part 1
1) Insert the screwdriver into the square hole.
Insert it along the top of the square hole to insert it smoothly.
2) If inserted properly, the screwdriver is held.
3) With the screwdriver held, insert the cable in the direction
of arrow. (Insert the cable as far as it will go.)
4) Releasing the screwdriver connects the cable.

3 - 21
3. SIGNALS AND WIRING
3) When using the flat-blade screwdriver - part 2
1) Insert the screwdriver into the
square window at top of the
connector.
2) Push the screwdriver in the
direction of arrow.
3) With the screwdriver pushed, insert the cable in the
direction of arrow. (Insert the cable as far as it will go.)
4) Releasing the screwdriver connects the cable.

3 - 22
3. SIGNALS AND WIRING
(4) How to insert the cable into Phoenix Contact connector
POINT
Do not use a precision driver because the cable cannot be tightened with
enough torque.
Insertion of cables into Phoenix Contact connector PC4/6-STF-7.62-CRWH or PC4/3-STF-7.62-CRWH is
shown as follows.
Before inserting the cable into the opening, make sure that the screw of the terminal is fully loose. Insert the
core of the cable into the opening and tighten the screw with a flat-blade screwdriver. When the cable is not
tightened enough to the connector, the cable or connector may generate heat because of the poor contact.
(When using a cable of 1.5mm2 or less, two cables may be inserted into one opening.)
Secure the connector to the servo amplifier by tightening the connector screw.
For securing the cable and the connector, use a flat-blade driver with 0.6mm blade edge thickness and
3.5mm diameter (Recommended flat-blade screwdriver: Phoenix Contact SZS 0.6 3.5). Apply 0.5 to 0.6
Nm torque to screw.
[Unit: mm]
Flat-blade
screwdriver
To loosen To tighten
Wire
Opening
To loosen To tighten
Flat-blade
screwdriver
Connector screw
Servo amplifier power
supply connector
3.5 0.6
180
100
(35)
Recommended flat-blade screwdriver dimensions

3 - 23
3. SIGNALS AND WIRING
3.4 Connectors and signal arrangements
POINT
The pin configurations of the connectors are as viewed from the cable
connector wiring section.
(1) Signal arrangement
The servo amplifier front view shown is that of the MR-J3-20B or less. Refer to chapter 9 Outline Drawings
for the appearances and connector layouts of the other servo amplifiers.
The 3M make connector is shown.
When using any other connector,
refer to section 11.1.2.
9
4
MRR
2
LG 8
6
1
P5
5
10
3
MR
7BAT
CN2
MDR
MD
CN4 CN2L CN2 CN1B CN1A CN3 CN5
CHARGE
L2
U
W
V
D
L12
L11
C
P
N
P1
P2
L3
L1
OPEN
CN5 (USB connector)
Refer to section 11.8.
CN3
The frames of the CN2 and CN3
connectors are connected to the
PE (earth) terminal ( ) in the
amplifier.
Connector for
the front axis of
CN1A SSCNET
cable.
Connector for the
rear axis of CN1B
SSCNET cable.
2
111
12
4
313
14
6
515
16
8
717
18
10
919
20
DI1
LG LG
DI2
MO1
DOCOM MBR
MO2
LA
DICOM ALM
LAR
LZ
LB LBR
LZR
DICOM
INP DI1
EM1

3 - 24
3. SIGNALS AND WIRING
3.5 Signal (device) explanations
For the I/O interfaces (symbols in I/O division column in the table), refer to section 3.7.2.
In the control mode field of the table
The pin No.s in the connector pin No. column are those in the initial status.
(1) Connector applications
Connector Name Function/Application
CN1A Connector for bus cable
from preceding axis. Used for connection with the controller or preceding-axis servo amplifier.
CN1B Connector for bus cable to
next axis Used for connection with the next-axis servo amplifier or for connection of the cap.
CN2 Encoder connector Used for connection with the servo motor encoder.
CN4 Battery connection
connector
When using as absolute position detection system, connect to battery (MR-J3BAT).
Before installing a battery, turn off the main circuit power while keeping the control
circuit power on. Wait for 15 minutes or more (20 minutes or for drive unit 30kW or
more) until the charge lamp turns off. Then, confirm that the voltage between P( )
and N( ) (L and L for drive unit 30kW or more) is safe with a voltage tester and
others. Otherwise, an electric shock may occur. In addition, always confirm from the
front of the servo amplifier whether the charge lamp is off or not. Replace the
battery with main circuit power OFF and with control circuit power ON. Replacing
the battery with the control circuit power OFF results in loosing absolute position
data.
CN5 Communication connector The personal computer is connected.
(2) I/O device
(a) Input device
Device Symbol
Connector
pin No. Function/Application I/O
division
Forced stop EM1 CN3-20 Turn EM1 off (open between commons) to bring the motor to an forced
stop state, in which the base circuit is shut off and the dynamic brake is
operated.
Turn EM1 on (short between commons) in the forced stop state to reset
that state.
When parameter No.PA.04 is set to " 1 ", automatically ON
(always ON) can be set inside.
DI-1
DI1 CN3-2 DI-1
DI2 CN3-12 DI-1
DI3 CN3-19
Devices can be assigned for DI1 DI2 DI3 with controller setting.
For devices that can be assigned, refer to the controller instruction
manual. The following devices can be assigned for Q172HCPU
Q173HCPU QD75MH.
DI1: upper stroke limit (FLS)
DI2: lower stroke limit (RLS)
DI3: proximity dog (DOG)
DI-1

3 - 25
3. SIGNALS AND WIRING
(b) Output device
Device Symbol
Connector
pin No. Function/Application I/O
division
Trouble ALM CN3-15 ALM turns off when power is switched off or the protective circuit is
activated to shut off the base circuit.
Without alarm occurring, ALM turns on within about 1s after power-on.
DO-1
Electromagnetic
brake interlock
MBR CN3-13 When using this signal, set operation delay time of the electromagnetic
brake in parameter No.PC02.
In the servo-off or alarm status, MBR turns off.
DO-1
In-position
(Positioning
completed)
INP CN3-9 INP turns on when the number of droop pulses is in the preset in-position
range. The in-position range can be changed using parameter No.PA10.
When the in-position range is increased, INP may be on conductive
status during low-speed rotation.
INP turns on when servo on turns on.
This signal cannot be used in the speed loop mode.
DO-1
Ready RD When using the signal, make it usable by the setting of parameter
No.PD07 to PD09.
RD turns on when the servo is switched on and the servo amplifier is
ready to operate.
DO-1
Dynamic brake
interlock
DB When using the signal, make it usable by the setting of parameter
No.PD07 to PD09. DB turns off simultaneously when the dynamic brake
is operated. When using the external dynamic brake on the servo
amplifier of 11 kW or more, this device is required. (Refer to section
11.6.) For the servo amplifier of 7kW or less, it is not necessary to use
this device.
DO-1
Speed reached SA When using this signal, make it usable by the setting of parameter
No.PD07 to PD09.
When the servo is off, SA will be turned OFF. When servo motor rotation
speed becomes approximately setting speed, SA will be turned ON.
When the preset speed is 20r/min or less, SA always turns on. This
signal cannot be used in position loop mode.
DO-1
Limiting torque TLC When using this signal, make it usable by the setting of parameter
No.PD07 to PD09.
When torque is produced level of torque set with controller, TLC will be
turned ON. When the servo is off, TLC will be turned OFF.
DO-1
Zero speed ZSP
When using this signal, make it usable by the setting of parameter
No.PD07 to PD09.
When the servo is off, SA will be turned OFF.
ZSP turns on when the servo motor speed is zero speed (50r/min) or
less. Zero speed can be changed using parameter No.PC07.
Example
Zero speed is 50r/min
OFF
ON
0r/min
1)
3)
2)
4)
Forward
rotation
direction
Servo motor
speed
Reverse
rotation
direction
zero speed
(ZSP)
ON level
50r/min
OFF level
70r/min
ON level
50r/min
OFF level
70r/min
Parameter
No.PC07
20r/min
(Hysteresis width)
20r/min
(Hysteresis width)
Parameter
No.PC07
ZPS turns on 1) when the servo motor is decelerated to 50r/min, and
ZPS turns off 2) when the servo motor is accelerated to 70r/min again.
ZPS turns on 3) when the servo motor is decelerated again to 50r/min,
and turns off 4) when the servo motor speed has reached -70r/min.
The range from the point when the servo motor speed has reached ON
level, and ZPS turns on, to the point when it is accelerated again and has
reached OFF level is called hysteresis width.
Hysteresis width is 20r/min for the MR-J3-B servo amplifier.
DO-1

3 - 26
3. SIGNALS AND WIRING
Device Symbol
Connector
pin No. Function/Application I/O
division
Warning WNG
When using this signal, make it usable by the setting of parameter
No.PD07 to PD09.
When warning has occurred, WNG turns on. When there is no warning,
WNG turns off within about 1.5s after power-on.
DO-1
Battery warning BWNG
When using this signal, make it usable by the setting of parameter
No.PD07 to PD09.
BWNG turns on when battery cable disconnection warning (92) or battery
warning (9F) has occurred. When there is no battery warning, BWNG
turns off within about 1.5s after power-on.
DO-1
Variable gain
selection
CDPS
When using this signal, make it usable by the setting of parameter
No.PD07 to PD09.
CDPS is on during variable gain.
DO-1
Absolute position
erasing
ABSV
When using this signal, make it usable by the setting of parameter
No.PD07 to PD09.
ABSV turns on when the absolute position erased.
This signal cannot be used in position loop mode.
DO-1
(c) Output signals
Signal name Symbol Connector
pin No. Function/Application
Encoder A-phase
pulse
(Differential line
driver)
LA
LAR
CN3-6
CN3-16
Encoder B-phase
pulse
(Differential line
driver)
LB
LBR
CN3-7
CN3-17
Outputs pulses per servo motor revolution set in parameter No.PA15 in the differential
line driver system. In CCW rotation of the servo motor, the encoder B-phase pulse
lags the encoder A-phase pulse by a phase angle of /2.
The relationships between rotation direction and phase difference of the A- and B-
phase pulses can be changed using parameter No.PC03.
Output pulse specification and dividing ratio setting can be set. (Refer to section
5.1.9.)
Encoder Z-phase
pulse
(Differential line
driver)
LZ
LZR
CN3-8
CN3-18
Outputs the zero-point signal in the differential line driver system of the encoder. One
pulse is output per servo motor revolution. turns on when the zero-point position is
reached.
The minimum pulse width is about 400 s. For home position return using this pulse,
set the creep speed to 100r/min. or less.
Analog monitor 1 MO1 CN3-4 Used to output the data set in parameter No.PC09 to across MO1-LG in terms of
voltage. Resolution 10 bits
Analog monitor 2 MO2 CN3-14 Used to output the data set in parameter No.PC10 to across MO2-LG in terms of
voltage. Resolution 10 bits
(d) Power supply
Signal name Symbol Connector
pin No. Function/Application
Digital I/F power
supply input
DICOM CN3-5
CN3-10
Used to input 24VDC (24VDC 10% 150mA) for I/O interface of the servo amplifier.
The power supply capacity changes depending on the number of I/O interface points
to be used. Connect the positive terminal of the 24VDC external power supply for the
sink interface.
Digital I/F common DOCOM CN3-3 Common terminal for input device such as EM1 of the servo amplifier. Pins are
connected internally. Separated from LG. Connect the positive terminal of the 24VDC
external power supply for the source interface.
Monitor common LG CN3-1
CN3-11
Common terminal of M01 M02
Pins are connected internally.
Shield SD Plate Connect the external conductor of the shield cable.

3 - 27
3. SIGNALS AND WIRING
3.6 Alarm occurrence timing chart
CAUTION
When an alarm has occurred, remove its cause, make sure that the operation
signal is not being input, ensure safety, and reset the alarm before restarting
operation.
As soon as an alarm occurs, make the Servo off status and interrupt the main
circuit power.
When an alarm occurs in the servo amplifier, the base circuit is shut off and the servo motor is coated to a stop.
Switch off the main circuit power supply in the external sequence. To deactivate the alarm, power the control
circuit off, then on or give the error reset or CPU reset command from the servo system controller. However,
the alarm cannot be deactivated unless its cause is removed.
ON
OFF
ON
OFF
ON
OFF
NO YES
ON
OFF
1s
NO YES
Main circuit
Control circuit
power
Base circuit
Dynamic brake
Servo-on command
(from controller)
Alarm
Reset command
(from controller)
Valid
Invalid
Alarm occurs. Remove cause of trouble.
50ms or more 60ms or more
NO
Brake operation Brake operation
Power on
Power off
(Note)
Note. Switch off the main circuit power as soon as an alarm occurs.
(1) Overcurrent, overload 1 or overload 2
If operation is repeated by switching control circuit power off, then on to reset the overcurrent (32), overload
1 (50) or overload 2 (51) alarm after its occurrence, without removing its cause, the servo amplifier and
servo motor may become faulty due to temperature rise. Securely remove the cause of the alarm and also
allow about 30 minutes for cooling before resuming operation.
(2) Regenerative alarm
If operation is repeated by switching control circuit power off, then on to reset the regenerative (30) alarm
after its occurrence, the external regenerative resistor will generate heat, resulting in an accident.
(3) Instantaneous power failure
Undervoltage (10) occurs when the input power is in either of the following statuses.
A power failure of the control circuit power supply continues for 60ms or longer and the control circuit is
not completely off.
The bus voltage dropped to 200VDC or less for the MR-J3- B, to 158VDC or less for the MR-J3- B1, or
to 380VDC or less for the MR-J3- B4.

3 - 28
3. SIGNALS AND WIRING
3.7 Interfaces
3.7.1 Internal connection diagram
3
EM1
CN3
20
DI1 2
DI2 12
DI3 19
DICOM 5
3
CN3
10
13
9
15
DICOM
(Note 2)
INP
ALM
CN3
6
16
7
17
8
18
LA
LAR
LB
LBR
LZ
LZR
RA
CN3
MO1
MO2
LG
4
14
11
RA
Differential line
driver output
(35mA or less)
<Isolated>
Approx
5.6k
Analog monitor
Servo amplifier
2
4
7
8
MR
MRR
MD
MDR
LG
Encoder
E
Servo motor
(Note 1)
USB
M
D
GND
VBUS
D
1
2
3
5
CN5
LG1
MBR
DOCOM
24VDC
Forced stop
CN2
(Note 3)
(Note 3)
Approx
5.6k
10VDC
10VDC
Note 1. Signal can be assigned for these pins with host controller setting.
For contents of signals, refer to the instruction manual of host controller.
2. This signal cannot be used with speed loop mode.
3. For the sink I/O interface. For the source I/O interface, refer to section 3.7.3.

3 - 29
3. SIGNALS AND WIRING
3.7.2 Detailed description of interfaces
This section provides the details of the I/O signal interfaces (refer to the I/O division in the table) given in
section 3.5. Refer to this section and make connection with the external equipment.
(1) Digital input interface DI-1
Give a signal with a relay or open collector transistor. Refer to section 3.7.3 for the source input.
DICOM
VCES 1.0V
ICEO 100 A
TR
24VDC 10%
5.6k
For transistor
Approx. 5mA
Switch
150mA
Servo amplifier
EM1,
etc.
(2) Digital output interface DO-1
A lamp, relay or photocoupler can be driven. Install a diode (D) for an inductive load, or install an inrush
current suppressing resistor (R) for a lamp load. (Rated current: 40mA or less, maximum current: 50mA or
less, inrush current: 100mA or less) A maximum of 2.6V voltage drop occurs in the servo amplifier.
Refer to section 3.7.3 for the source output.
If polarity of diode is
reversed, servo
amplifier will fail.
Servo amplifier
ALM,
etc.
Load
DOCOM
24VDC 10%
150mA
(Note)
Note. If the voltage drop (maximum of 2.6V) interferes with the relay operation, apply high voltage (up to
26.4V) from external source.

3 - 30
3. SIGNALS AND WIRING
(3) Encoder output pulse DO-2 (Differential line driver system)
(a) Interface
Max. output current: 35mA
LA
(LB, LZ)
LAR
(LBR, LZR)
LG
SD
LA
(LB, LZ)
LAR
(LBR, LZR)
SD
Servo amplifier Servo amplifier
Am26LS32 or equivalent High-speed photocoupler
150
100
(b) Output pulse
Servo motor CCW rotation
LA
LAR
LB
LBR
LZ
LZR
T
/2
400 s or more
Time cycle (T) is determined by the settings
of parameter No.PA15 and PC03.
(4) Analog output
LG
MO1
Servo amplifier
Output voltage 10V
Max. 1mA
Max. Output current Resolution: 10 bi
t
(MO2)

3 - 31
3. SIGNALS AND WIRING
3.7.3 Source I/O interfaces
In this servo amplifier, source type I/O interfaces can be used. In this case, all DI-1 input signals and DO-1
output signals are of source type. Perform wiring according to the following interfaces.
(1) Digital input interface DI-1
EM1,
etc.
Servo amplifier
Switch
Approx. 5mA
DICOM
VCES 1.0V
ICEO 100 A
24VDC 10%
150mA
Approx. 5.6k
(2) Digital output interface DO-1
A maximum of 2.6V voltage drop occurs in the servo amplifier.
If polarity of diode is
reversed, servo
amplifier will fail.
Servo amplifier
ALM,
etc.
Load
DOCOM
24VDC 10%
150mA
(Note)
Note. If the voltage drop (maximum of 2.6V) interferes with the relay operation, apply high voltage (up to
26.4V) from external source.

3 - 32
3. SIGNALS AND WIRING
3.8 Treatment of cable shield external conductor
In the case of the CN2 and CN3 connectors, securely connect the shielded external conductor of the cable to
the ground plate as shown in this section and fix it to the connector shell.
External conductor Sheath
External conductor
Pull back the external conductor to cover the sheath
SheathCore
Strip the sheath.
(1) For CN3 connector (3M connector)
Screw
Screw
Ground plate
Cable
(2) For CN2 connector (3M or Molex connector)
Screw
Cable
Ground plate

3 - 33
3. SIGNALS AND WIRING
3.9 SSCNET cable connection
POINT
Do not see directly the light generated from CN1A CN1B connector of servo
amplifier or the end of SSCNET cable.
When the light gets into eye, may feel something is wrong for eye.
(The light source of SSCNET complies with class1 defined in JIS C6802 or
IEC60825-1.)
(1) SSCNET cable connection
For CN1A connector, connect SSCNET cable connected to controller in host side or servo amplifier.
For CN1B connector, connect SSCNET cable connected to servo amplifier in lower side.
For CN1B connector of the final axis, put a cap came with servo amplifier.
SSCNET cable
CN1B
CN1A
CN1B
CN1A
Controller
Axis No.1 servo amplifier Axis No.2 servo amplifier Final axis servo amplifier
CN1B
CN1A
Cap
SSCNET cable SSCNET cable
(2) How to connect/disconnect cable.
POINT
CN1A CN1B connector is put a cap to protect light device inside connector
from dust.
For this reason, do not remove a cap until just before mounting SSCNET
cable.
Then, when removing SSCNET cable, make sure to put a cap.
Keep the cap for CN1A CN1B connector and the tube for protecting light
code end of SSCNET cable in a plastic bag with a zipper of SSCNET
cable to prevent them from becoming dirty.
When asking repair of servo amplifier for some troubles, make sure to put a
cap on CN1A CN1B connector.
When the connector is not put a cap, the light device may be damaged at the
transit.
In this case, exchange and repair of light device is required.
(a) Mounting
1) For SSCNET cable in the shipping status, the tube for protect light code end is put on the end of
connector. Remove this tube.
2) Remove the CN1A CN1B connector cap of servo amplifier.

3 - 34
3. SIGNALS AND WIRING
3) With holding a tab of SSCNET cable connector, make sure to insert it into CN1A CN1B connector
of servo amplifier until you hear the click.
If the end face of optical code tip is dirty, optical transmission is interrupted and it may cause
malfunctions.
If it becomes dirty, wipe with a bonded textile, etc.
Do not use solvent such as alcohol.
Click
Tab
(b) Removal
With holding a tab of SSCNET cable connector, pull out the connector.
When pulling out the SSCNET cable from servo amplifier, be sure to put the cap on the connector
parts of servo amplifier to prevent it from becoming dirty.
For SSCNET cable, attach the tube for protection optical code's end face on the end of connector.

3 - 35
3. SIGNALS AND WIRING
3.10 Connection of servo amplifier and servo motor
CAUTION During power-on, do not open or close the motor power line. Otherwise, a
malfunction or faulty may occur.
3.10.1 Connection instructions
WARNING Insulate the connections of the power supply terminals to prevent an electric
shock.
CAUTION
Connect the wires to the correct phase terminals (U, V, W) of the servo amplifier
and servo motor. Not doing so may cause unexpected operation.
Do not connect AC power supply directly to the servo motor. Otherwise, a fault
may occur.
POINT
Refer to section 11.1 for the selection of the encoder cable.
This section indicates the connection of the servo motor power (U, V, W). Use of the optional cable and
connector set is recommended for connection between the servo amplifier and servo motor. When the
options are not available, use the recommended products. Refer to section 11.1 for details of the options.
(1) For grounding, connect the earth cable of the servo motor to the protective earth (PE) terminal ( ) of the
servo amplifier and connect the ground cable of the servo amplifier to the earth via the protective earth of
the control box. Do not connect them directly to the protective earth of the control panel.
Servo
amplifier
Servo motor
PE terminal
Control box
(2) Do not share the 24VDC interface power supply between the interface and electromagnetic brake. Always
use the power supply designed exclusively for the electromagnetic brake.

3 - 36
3. SIGNALS AND WIRING
3.10.2 Power supply cable wiring diagrams
(1) HF-MP service HF-KP series HF-KP series servo motor
(a) When cable length is 10m or less
CNP3 AWG 19(red)
AWG 19(white)
AWG 19(black)
AWG 19(green/yellow)
W
V
U
Servo motorServo amplifier
10m or less
MR-PWS1CBL M-A1-L
MR-PWS1CBL M-A2-L
MR-PWS1CBL M-A1-H
MR-PWS1CBL M-A2-H
M
U
V
W
(b) When cable length exceeds 10m
When the cable length exceeds 10m, fabricate an extension cable as shown below. In this case, the
motor power supply cable should be within 2m long.
Refer to section 11.11 for the wire used for the extension cable.
(Note)
Relay connector for
extension cable
a)
(Note)
Relay connector for motor
power supply cable
b)
MR-PWS1CBL2M-A1-L
MR-PWS1CBL2M-A2-L
MR-PWS1CBL2M-A1-H
MR-PWS1CBL2M-A2-H
MR-PWS2CBL03M-A1-L
MR-PWS2CBL03M-A2-L
CNP3 AWG 19(red)
AWG 19(white)
AWG 19(black)
U
V
W
Servo motorServo amplifier
Extension cable
50m or less
2m or less
U
V
W
M
AWG 19(green/yellow)
Note. Use of the following connectors is recommended when ingress protection (IP65) is necessary.
Relay connector Description Protective
structure
a) Relay connector for
extension cable
Connector: RM15WTPZ-4P(71)
Cord clamp: RM15WTP-CP(5)(71)
(Hirose Electric) Numeral changes depending on the cable OD.
IP65
b) Relay connector for
motor power supply
cable
Connector: RM15WTJA-4S(71)
Cord clamp: RM15WTP-CP(8)(71)
(Hirose Electric) Numeral changes depending on the cable OD.
IP65

3 - 37
3. SIGNALS AND WIRING
(2) HF-SP series HC-RP series HC-UP series HC-LP series servo motor
POINT
Insert a contact in the direction shown in the figure. If inserted in the wrong
direction, the contact is damaged and falls off.
Soldered part
or crimping part
facing up
Soldered part or
crimping part
facing down
Pin No.1Pin No.1
For CM10-SP2S-For CM10-SP10S-
(a) Wiring diagrams
Refer to section 11.11 for the cables used for wiring.
1) When the power supply connector and the electromagnetic brake connector are separately supplied.
Servo motor
(Note)
Servo amplifier
M
U
V
W
B1
B2
U
V
W
24VDC power
supply for
electromagnetic
brake
50m or less
Forced
stop
(EM1)
Trouble
(ALM)
RA1
24VDC
ALM
DOCOM
DICOM
MBR
CN3
RA1
RA2
Electromagnetic
brake interlock
(MBR)
RA2
Note. There is no polarity in electromagnetic brake terminals B1 and B2.

3 - 38
3. SIGNALS AND WIRING
2) When the power supply connector and the electromagnetic brake connector are shared.
Servo motor
(Note)
Servo amplifier
M
U
V
W
B1
B2
U
V
W
24VDC power
supply for
electromagnetic
brake
50m or less
Forced
stop
(EM1)
Trouble
(ALM)
RA1
24VDC
ALM
DOCOM
DICOM
MBR
CN3
RA1
RA2
Electromagnetic
brake interlock
(MBR)
RA2
Note. There is no polarity in electromagnetic brake terminals B1 and B2.
(b) Connector and signal allotment
The connector fitting the servo motor is prepared as optional equipment. Refer to section 11.1. For types
other than those prepared as optional equipment, refer to chapter 3 in Servo Motor Instruction Manual,
Vol. 2 to select.
Servo motor side connectors
Servo motor Encoder Power supply
Electromagnetic
brake
HF-SP52(4) to 152(4)
HF-SP51 81 MS3102A18-10P
HF-SP202 352 502(4)
HF-SP121 to 301 MS3102A22-22P
HF-SP421 702(4) CE05-2A32-17PD-B
CM10-R2P
(DDK)
HC-RP103 to 203 CE05-2A22-23PD-B
HC-RP353 503 CE05-2A24-10PD-B
HC-UP72 152 CE05-2A22-23PD-B
The connector for
power is shared
HC-UP202 to 502 CE05-2A24-10PD-B MS3102A10SL-4P
HC-LP52 to 152 CE05-2A22-23PD-B The connector for
power is shared
a
c
b
HC-LP202 302
CM10-R10P
(DDK)
CE05-2A24-10PD-B MS3102A10SL-4P

3 - 39
3. SIGNALS AND WIRING
Encoder connector signal allotment
CM10-R10P
Power supply connector signal allotment
MS3102A18-10P
MS3102A22-22P
CE05-2A32-17PD-B
Power supply connector signal allotment
CE05-2A22-23PD-B
Terminal
No. Signal Terminal
No. Signal Terminal
No. Signal
1 MR A U A U
2 MRR B V B V
3 C W C W
4 BAT
5 LG D (earth) D (earth)
6 E
7
CD
AB
View b
F
8 P5 B1
9 G (Note)
5
6
1
4
View a
3
2
8
7
9
10
10 SHD B2
F
E
D
H
GA
B
C
View b
H (Note)
Note. For the motor
with an
electromagnetic
brake, supply
electromagnetic
brake power
(24VDC). There
is no polarity.
Power supply connector signal allotment
CE05-2A24-10PD-B
Brake connector signal allotment
CM10-R2P
Brake connector signal allotment
MS3102A10SL-4P
Terminal
No. Signal Terminal
No. Signal Terminal
No. Signal
A U B1 B1
B V 1 (Note) A (Note)
C W B2 B2
2 (Note) B (Note)
D (earth)
B1
E (Note)
B2
F (Note)
F
E
D
G
C
B
A
View b
G
12
View c
AB
View c
Note. For the motor
with an
electromagnetic
brake, supply
electromagnetic
brake power
(24VDC). There
is no polarity.
Note. For the motor
with an
electromagnetic
brake, supply
electromagnetic
brake power
(24VDC). There
is no polarity.
Note. For the motor
with an
electromagnetic
brake, supply
electromagnetic
brake power
(24VDC). There
is no polarity.

3 - 40
3. SIGNALS AND WIRING
(3) HA-LP series servo motor
(a) Wiring diagrams
Refer to section 11.11 for the cables used for wiring.
1) 200V class
Servo motor
(Note 1)
Servo amplifier
U
V
W
B1
B2
U
V
W
24VDC power
supply for
electromagnetic
brake
50m or less
Forced
stop
(EM1)
Trouble
(ALM)
RA1
24VDC
ALM
DOCOM
DICOM
MBR
CN3
RA1
RA2
Electromagnetic
brake interlock
(MBR)
RA2
RA3
M
Cooling fan
(Note 2)
24VDC
power supply
OHS2OHS1 Servo motor
thermal relay
(Note 3)
L1
L2
L3
BU
BV
BW
TE
MC
NFB
Note 1. There is no polarity in electromagnetic brake terminals B1 and B2.
2. Cooling fan power supply of the HA-LP601, the HA-LP701M and the HA-LP11K2 servo motor is 1-phase. Power supply
specification of the cooling fan is different from that of the servo amplifier. Therefore, separate power supply is required.
3. Configure the power supply circuit which turns off the magnetic contactor after detection of servo motor thermal.

3 - 41
3. SIGNALS AND WIRING
2) 400V class
Servo motor
(Note 1)
Servo amplifier
U
V
W
B1
B2
U
V
W
24VDC power
supply for
electromagnetic
brake
50m or less
Forced
stop
(EM1)
Trouble
(ALM)
RA1
24VDC
ALM
DOCOM
DICOM
MBR
CN3
RA1
RA2
Electromagnetic
brake interlock
(MBR)
RA2
RA3
M
Cooling fan
(Note 2)
24VDC
power supply
OHS2OHS1 Servo motor
thermal relay
(Note 3)
L1
L2
L3
BU
BV
BW
TE
MC
(Note4)
Cooling fan power supply
NFB
Note 1. There is no polarity in electromagnetic brake terminals B1 and B2.
2. There is no BW when the power supply of the cooling fan is a 1-phase.
3. Configure the power supply circuit which turns off the magnetic contactor after detection of servo motor thermal.
4. For the cooling fan power supply, refer to (3) (b) of this section.

3 - 42
3. SIGNALS AND WIRING
(b) Servo motor terminals
Terminal box
Encoder connector
CM10-R10P Brake connector
MS3102A10SL-4P
Terminal
No. Signal Terminal
No. Signal
1 MR B1
2 MRR 1 (Note)
3 B2
4 BAT 2 (Note)
5 LG
6
7
8 P5
9
10 SHD
Encoder connector signal
allotment
CM10-R10P
5
6
1
4
3
2
8
7
9
10
Brake connector signal
allotment
MS3102A10SL-4P
1
2
Note. For the motor
with an
electromagnetic
brake, supply
electromagnetic
brake power
(24VDC). There
is no polarity.
Terminal box inside (HA-LP601(4) 701M(4) 11K2(4) )
Terminal block signal
arrangement
Thermal sensor terminal
block
(OHS1 OHS2) M4 screw
Cooling fan terminal
block
(BU BV) M4 screw
Encoder connector
CM10-R10P
Motor power supply
terminal block
(U V W) M6 screw
Earth terminal( )
M6 screw
UVW
BU BV
OHS1OHS2

3 - 43
3. SIGNALS AND WIRING
Terminal box inside (HA-LP801(4) 12K1(4) 11K1M(4) 15K1M(4) 15K2(4) 22K2(4))
Thermal sensor
terminal block
(OHS1 OHS2)
M4 screw
Cooling fan terminal
block
(BU BV BW)
M4 screw
Encoder connector
CM10-R10P
Motor power supply
terminal block
(U V W) M8 screw
Earth terminal( )
M6 screw
Terminal block signal
arrangement
UVW
BU BV OHS1OHS2BW
Terminal box inside (HA-LP15K1(4) 20K1(4) 22K1M(4))
Earth terminal M6 screw
Thermal sensor
terminal block
Cooling fan
terminal block
Motor power supply
terminal block
(OHS1 OHS2) M4 screw
(BU BV BW) M4 screw
(U V W) M8 CM10-R10P
Encoder connector
UVW
Terminal block signal arrangement
BV
UVW
BU BW OHS1OHS2

3 - 44
3. SIGNALS AND WIRING
Terminal box inside (HA-LP25K1)
OHS2OHS1BWBVBU
WVU
Encoder connector
CM10-R10P
Thermal sensor terminal
block
Cooling fan terminal block
(OHS1 OHS2) M4 screw
(BU BV BW) M4 screw
Motor power supply
terminal block
(U V W) M10 screw
Earth terminal( )
M6 screw
Terminal block signal arrangement
BV
UVW
BU BW OHS1OHS2

3 - 45
3. SIGNALS AND WIRING
Signal name Abbreviation Description
Power supply UVW Connect to the motor output terminals (U, V, W) of the servo amplifier. During power-on, do
not open or close the motor power line. Otherwise, a malfunction or faulty may occur.
Supply power which satisfies the following specifications.
Servo motor Voltage
division
Voltage/
frequency
Power
consumption
[W]
Rated
current
[A]
HA-LP601, 701M,
11K2
200V
class
3-phase 200 to 220VAC
50Hz
3-phase 200 to 230VAC
60Hz
42(50Hz)
54(60Hz)
0.21(50Hz)
0.25(60Hz)
HA-LP801, 12K1,
11K1M, 15K1M,
15K2, 22K2
3-phase 200 to 230VAC
50Hz/60Hz
62(50Hz)
76(60Hz)
0.18(50Hz)
0.17(60Hz)
HA-LP15K1, 20K1,
22K1M 65(50Hz)
85(60Hz)
0.20(50Hz)
0.22(60Hz)
HA-LP25K1 120(50Hz)
175(60Hz)
0.65(50Hz)
0.80(60Hz)
HA-LP6014, 701M4,
11K24
400V
class
1-phase 200 to 220VAC
50Hz
3-phase 200 to 230VAC
60Hz
42(50Hz)
54(60hz)
0.21(50Hz)
0.25(60Hz)
HA-LP8014, 12K14,
11K1M4, 15K1M4,
15K24, 22K24
3-phase 380 to 440VAC
50Hz
3-phase 380 to 480VAC
60Hz
62(50Hz)
76(60Hz)
0.14(50Hz)
0.11(60Hz)
HA-LP15K14,
20K14, 22K1M4
65(50Hz)
85(60Hz)
0.12(50Hz)
0.14(60Hz)
HA-LP25K14
3-phase 380 to 460VAC
50Hz
3-phase 380 to 480VAC
60Hz
110(50Hz)
150(60Hz)
0.20(50Hz)
0.22(60Hz)
Cooling fan (Note)
BU BV BW
Motor thermal relay OHS1 OHS2
OHS1 OHS2 are opened when heat is generated to an abnormal temperature.
Maximum rating: 125V AC/DC, 3A or 250V AC/DC, 2A
Minimum rating: 6V AC/DC, 0.15A
Earth terminal For grounding, connect to the earth of the control box via the earth terminal of the servo
amplifier.
Note. There is no BW when the power supply of the cooling fan is a 1-phase.

3 - 46
3. SIGNALS AND WIRING
3.11 Servo motor with an electromagnetic brake
3.11.1 Safety precautions
CAUTION
Configure the electromagnetic brake circuit so that it is activated not only by the
interface unit signals but also by a forced stop (EM1).
EM1RA
24VDC
Contacts must be open when
servo-off, when an alarm occurrence
and when an electromagnetic brake
interlock (MBR).
Electroma
g
netic brake
Servo motor
Circuit must be
opened during
forced stop (EM1).
The electromagnetic brake is provided for holding purpose and must not be used
for ordinary braking.
Before performing the operation, be sure to confirm that the electromagnetic brake
operates properly.
POINT
Refer to the Servo Motor Instruction Manual (Vol.2) for specifications such as
the power supply capacity and operation delay time of the electromagnetic
brake.
Note the following when the servo motor with an electromagnetic brake is used.
1) Do not share the 24VDC interface power supply between the interface and electromagnetic brake.
Always use the power supply designed exclusively for the electromagnetic brake.
2) The brake will operate when the power (24VDC) switches off.
3) Switch off the servo-on command after the servo motor has stopped.
(1) Connection diagram
Servo amplifier Servo motor
B1
B2
Forced
stop
24VDC
Electromagnetic
brake
Trouble
(ALM)
DICOM
MBR RA1
DOCOM
24VDC
(2) Setting
In parameter No.PC02 (electromagnetic brake sequence output), set the time delay (Tb) from
electromagnetic brake operation to base circuit shut-off at a servo off time as in the timing chart in section
3.11.2.

3 - 47
3. SIGNALS AND WIRING
3.11.2 Timing charts
(1) Servo-on command (from controller) ON/OFF
Tb [ms] after the servo-on is switched off, the servo lock is released and the servo motor coasts. If the
electromagnetic brake is made valid in the servo lock status, the brake life may be shorter. Therefore, when
using the electromagnetic brake in a vertical lift application or the like, set delay time (Tb) to about the same
as the electromagnetic brake operation delay time to prevent a drop.
(95ms)
(95ms)
Electromagnetic
brake interlock
(MBR)
(Note 1) ON
OFF
ON
OFF
0 r/min
Base circuit
Servo motor speed
Servo-on command
(from controller)
ON
OFF
Coasting
Tb
Electromagnetic
brake operation
delay time
Release
Activate
Operation command
(from controller)
Electromagnetic
brake Release delay time and external relay (Note 2)
(Note 3)
0 r/min
Note 1. ON: Electromagnetic brake is not activated.
OFF: Electromagnetic brake is activated.
2. Electromagnetic brake is released after delaying for the release delay time of electromagnetic brake and operation time of
external circuit relay. For the release delay time of electromagnetic brake, refer to the Servo Motor Instruction Manual (Vol.2).
3. Give the operation command from the controller after the electromagnetic brake is released.
(2) Forced stop command (from controller) or forced stop (EM1) ON/OFF
Servo motor speed
Electromagnetic
brake interlock (MBR)
Base circuit
Forced stop command
(from controller)
o
r
Forced stop (EM1)
(10ms) (210ms)
(210ms)
Dynamic brake
Dynamic brake
Electromagnetic brake
Electromagnetic brake
Electromagnetic brake
operation delay time
Electromagnetic brake release
ON
OFF
ON
OFF
Invalid (ON)
Valid (OFF)
(Note)
Note. ON: Electromagnetic brake is not activated.
OFF: Electromagnetic brake is activated.

3 - 48
3. SIGNALS AND WIRING
(3) Alarm occurrence
Servo motor speed
Base circuit
Electromagnetic
brake interlock (MBR)
Alarm
Dynamic brake
Dynamic brake
Electromagnetic brake
Electromagnetic brake
operation delay time
Electromagnetic brake
(10ms)
ON
OFF
ON
OFF
No
Yes
(Note)
(ON)
(OFF)
Note. ON: Electromagnetic brake is not activated.
OFF: Electromagnetic brake is activated.
(4) Both main and control circuit power supplies off
(10ms)
Dynamic brake
Dynamic brake
Electromagnetic brake
Electromagnetic brake
(Note 1)
15 to 100ms
Electromagnetic brake
operation delay time
(Note2)
Electromagnetic
brake interlock (MBR)
Base circuit
Servo motor speed
Alarm
Main circuit
Control circuit
power
10ms
ON
OFF
ON
OFF
No
Yes
(Note 2)
ON
OFF
(ON)
(OFF)
Note 1. Changes with the operating status.
2. ON: Electromagnetic brake is not activated.
OFF: Electromagnetic brake is activated.

3 - 49
3. SIGNALS AND WIRING
(5) Only main circuit power supply off (control circuit power supply remains on)
Servo motor speed
Base circuit
Electromagnetic
brake interlock
(MBR)
Alarm
Main circuit power
supply
Dynamic brake
Dynamic brake
Electromagnetic brake
Electromagnetic brake
Electromagnetic brake
operation delay time
(Note 2)
(10ms)
(Note 1)
15ms or more
ON
OFF
ON
OFF
No
Yes
(Note 3)
ON
OFF
(ON)
(OFF)
Note 1. Changes with the operating status.
2. When the main circuit power supply is off in a motor stop status, the main circuit off warning (E9) occurs
and the alarm (ALM) does not turn off.
3. ON: Electromagnetic brake is not activated.
OFF: Electromagnetic brake is activated.

3 - 50
3. SIGNALS AND WIRING
3.11.3 Wiring diagrams (HF-MP series HF-KP series servo motor)
POINT
For HF-SP series HC-RP series HC-UP series HC-LP series servo motors,
refer to section 3.10.2 (2).
(1) When cable length is 10m or less
AWG20
AWG20
MR-BKS1CBL M-A1-L
MR-BKS1CBL M-A2-L
MR-BKS1CBL M-A1-H
MR-BKS1CBL M-A2-H
(Note 1)
B1
B2
24VDC power
supply for
electromagnetic
brake Servo motor
10m or less
(Note2)
Electromagnetic
brake (MBR)
Forced stop
(EM1)
Trouble
(ALM)
Note 1. Connect a surge absorber as close to the servo motor as possible.
2. There is no polarity in electromagnetic brake terminals (B1 and B2).
When fabricating the motor brake cable MR-BKS1CBL- M-H, refer to section 11.1.4.
(2) When cable length exceeds 10m
When the cable length exceeds 10m, fabricate an extension cable as shown below on the customer side. In
this case, the motor brake cable should be within 2m long.
Refer to section 11.8 for the wire used for the extension cable.
(Note 2)
a) Relay connector for
extension cable
(Note 2)
b) Relay connector for motor
brake cable
AWG20
AWG20
MR-BKS1CBL2M-A1-L
MR-BKS1CBL2M-A2-L
MR-BKS1CBL2M-A1-H
MR-BKS1CBL2M-A2-H
MR-BKS2CBL03M-A1-L
MR-BKS2CBL03M-A2-L
B1
B2
24VDC power
supply for
electromagnetic
brake
50m or less
Extension cable (To be fabricated)
(Note 1)
2m or less
Servo motor
(Note 3)
Electromagnetic
brake (MBR)
Forced stop
(EM1)
Trouble
(ALM)
Note 1. Connect a surge absorber as close to the servo motor as possible.
2. Use of the following connectors is recommended when ingress protection (IP65) is necessary.
Relay connector Description Protective
structure
a) Relay connector for
extension cable
CM10-CR2P-
(DDK) Wire size: S, M, L
IP65
b) Relay connector for
motor brake cable
CM10-SP2S-
(DDK) Wire size: S, M, L
IP65
3. There is no polarity in electromagnetic brake terminals (B1 and B2).

3 - 51
3. SIGNALS AND WIRING
3.12 Grounding
WARNING
Ground the servo amplifier and servo motor securely.
To prevent an electric shock, always connect the protective earth (PE) terminal
(terminal marked ) of the servo amplifier with the protective earth (PE) of the
control box.
The servo amplifier switches the power transistor on-off to supply power to the servo motor. Depending on the
wiring and ground cable routing, the servo amplifier may be affected by the switching noise (due to di/dt and
dv/dt) of the transistor. To prevent such a fault, refer to the following diagram and always ground.
To conform to the EMC Directive, refer to the EMC Installation Guidelines (IB(NA)67310).
L1
L2
L3
L11
L21
CN1A
NFB MC
CN2
U
V
W
M
U
V
W
Control box
Servo amplifier
Line filter
Protective earth(PE)
Outer
box
Servo motor
Encoder
(Note)
Power supply
Servo system
controller
Ensure to connect it to PE
terminal of the servo amplifier.
Do not connect it directly
to the protective earth of
the control panel.
Note. For 1-phase 200V to 230VAC, connect the power supply to L1 L2 and leave L3 open.
There is no L3 for 1-phase 100 to 120VAC power supply. Refer to section 1.3 for the power supply specification.

3 - 52
3. SIGNALS AND WIRING
3.13 Control axis selection
POINT
The control axis number set to rotary axis setting switch (SW1) should be the
same as the one set to the servo system controller.
Use the rotary axis setting switch (SW1) to set the control axis number for the servo. If the same numbers are
set to different control axes in a single communication system, the system will not operate properly. The control
axes may be set independently of the SSCNET cable connection sequence.
8
7
6
5
4
3
2
1
0
F
E
D
C
B
A
9
Rotary axis setting switch (SW1)
Down
Up
Test operation select switch (SW2-1)
Set the test operation select switch to the "Up" position, when
performing the test operation mode by using MR Configurator.
Spare (Be sure to set to the "Down" position.)
(Note) SW2
Note. This table indicates the status when the switch is set to "Down".
(Default)
Spare Rotary axis setting switch (SW1) Description Display
0 Axis No.1 01
1 Axis No.2 02
2 Axis No.3 03
3 Axis No.4 04
4 Axis No.5 05
5 Axis No.6 06
6 Axis No.7 07
7 Axis No.8 08
8 Axis No.9 09
9 Axis No.10 10
A Axis No.11 11
B Axis No.12 12
C Axis No.13 13
D Axis No.14 14
E Axis No.15 15
Down
(Be sure to set to the
"Down" position.)
F Axis No.16 16

4 - 1
4. STARTUP
4. STARTUP
WARNING Do not operate the switches with wet hands. You may get an electric shock.
CAUTION
Before starting operation, check the parameters. Some machines may perform
unexpected operation.
Take safety measures, e.g. provide covers, to prevent accidental contact of hands
and parts (cables, etc.) with the servo amplifier heat sink, regenerative resistor,
servo motor, etc. since they may be hot while power is on or for some time after
power-off. Their temperatures may be high and you may get burnt or a parts may
damaged.
During operation, never touch the rotating parts of the servo motor. Doing so can
cause injury.
4.1 Switching power on for the first time
When switching power on for the first time, follow this section to make a startup.
4.1.1 Startup procedure
Wiring check
Surrounding environment check
Axis No. settings
Parameter setting
Test operation of servo motor
alone in test operation mode
Test operation of servo motor
alone by commands
Test operation with servo motor
and machine connected
Gain adjustment
Actual operation
Stop
Check whether the servo amplifier and servo motor are wired correctly using
visual inspection, DO forced output function (section 4.5.1), etc. (Refer to
section 4.1.2.)
Check the surrounding environment of the servo amplifier and servo motor.
(Refer to section 4.1.3.)
Confirm that the axis No. settings for rotary axis setting switch (SW1) and
servo system controller are consistent. (Refer to section 3.12)
Set the parameters as necessary, such as the used control mode and
regenerative option selection. (Refer to chapter 5)
For the test operation, with the servo motor disconnected from the machine
and operated at the speed as low as possible, check whether the servo moto
r
rotates correctly. (Refer to sections 4.5)
For the test operation with the servo motor disconnected from the machine
and operated at the speed as low as possible, give commands to the servo
amplifier and check whether the servo motor rotates correctly.
Connect the servo motor with the machine, give operation commands from the
host command device, and check machine motions.
Make gain adjustment to optimize the machine motions. (Refer to chapter 6.)
Stop giving commands and stop operation.

4 - 2
4. STARTUP
4.1.2 Wiring check
(1) Power supply system wiring
Before switching on the main circuit and control circuit power supplies, check the following items.
(a) Power supply system wiring
The power supplied to the power input terminals (L1, L2, L3, L11, L21) of the servo amplifier should satisfy
the defined specifications. (Refer to section 1.3.)
(b) Connection of servo amplifier and servo motor
1) The servo motor power supply terminals (U, V, W) of the servo amplifier match in phase with the
power input terminals (U, V, W) of the servo motor.
M
U
V
W
U
V
W
Servo amplifier Servo motor
2) The power supplied to the servo amplifier should not be connected to the servo motor power supply
terminals (U, V, W). To do so will fail the connected servo amplifier and servo motor.
UVW
UVW
M
Servo amplifier Servo motor
3) The earth terminal of the servo motor is connected to the PE terminal of the servo amplifier.
M
Servo amplifier Servo motor
4) P1-P2 (For 11kW or more, P1-P) should be connected.
P1
P2
Servo amplifie
r
(c) When option and auxiliary equipment are used
1) When regenerative option is used under 3.5kW for 200V class and 2kW for 400V class
The lead between P terminal and D terminal of CNP2 connector should not be connected.
The generative brake option should be connected to P terminal and C terminal.
A twisted cable should be used. (Refer to section 11.2)

4 - 3
4. STARTUP
2) When regenerative option is used over 5kW for 200V class and 3.5kW for 400V class
The lead of built-in regenerative resistor connected to P terminal and C terminal of TE1 terminal block
should not be connected.
The generative brake option should be connected to P terminal and C terminal.
A twisted cable should be used when wiring is over 5m and under 10m. (Refer to section 11.2)
3) When brake unit and power regenerative converter are used over 5kW
The lead of built-in regenerative resistor connected to P terminal and C terminal of TE1 terminal block
should not be connected.
Brake unit, power regenerative converter or power regeneration converter should be connected to P
terminal and N terminal. (Refer to section 11.3 to 11.5)
4) The power factor improving DC reactor should be connected P1 and P2 (For 11k to 22kW, P1 and P).
(Refer to section 11.13.)
P1
P2
Servo amplifie
r
(Note)
Power factor
improving DC
reactor
Note. Always disconnect P1 and P2. (For 11k to 22kW P1 and P)
(2) I/O signal wiring
(a) The I/O signals should be connected correctly.
Use DO forced output to forcibly turn on/off the pins of the CN3 connector. This function can be used to
perform a wiring check. In this case, switch on the control circuit power supply only.
(b) 24VDC or higher voltage is not applied to the pins of connectors CN3.
(c) SD and DOCOM of connector CN3 is not shorted.
DOCOM
SD
CN3
Servo amplifier
4.1.3 Surrounding environment
(1) Cable routing
(a) The wiring cables are free from excessive force.
(b) The encoder cable should not be used in excess of its flex life. (Refer to section 10.4.)
(c) The connector part of the servo motor should not be strained.
(2) Environment
Signal cables and power cables are not shorted by wire offcuts, metallic dust or the like.

4 - 4
4. STARTUP
4.2 Start up
Connect the servo motor with a machine after confirming that the servo motor operates properly alone.
(1) Power on
When the main and control circuit power supplies are switched on, "b01" (for the first axis) appears on the
servo amplifier display.
In the absolute position detection system, first power-on results in the absolute position lost (25) alarm and
the servo system cannot be switched on.
The alarm can be deactivated by then switching power off once and on again.
Also in the absolute position detection system, if power is switched on at the servo motor speed of 500r/min
or higher, position mismatch may occur due to external force or the like. Power must therefore be switched
on when the servo motor is at a stop.
(2) Parameter setting
Set the parameters according to the structure and specifications of the machine. Refer to chapter 5 for the
parameter definitions.
Parameter No. Name Setting Description
PA14 Rotation direction setting 0 Increase in positioning address rotates the motor in
the CCW direction.
PA08 Auto tuning mode 1 Used.
PA09 Auto tuning response 12 Slow response (initial value) is selected.
After setting the above parameters, switch power off once. Then switch power on again to make the set
parameter values valid.
(3) Servo-on
Switch the servo-on in the following procedure.
1) Switch on main circuit/control circuit power supply.
2) The controller transmits the servo-on command.
When placed in the servo-on status, the servo amplifier is ready to operate and the servo motor is locked.
(4) Home position return
Always perform home position return before starting positioning operation.
(5) Stop
If any of the following situations occurs, the servo amplifier suspends the running of the servo motor and
brings it to a stop.
When the servo motor is with an electromagnetic brake, refer to section 3.11.
Operation/command Stopping condition
Servo off command The base circuit is shut off and the servo motor coasts.
Servo system controller Forced stop command
The base circuit is shut off and the dynamic brake operates to bring
the servo motor to stop. The controller forced stop warning (E7)
occurs.
Alarm occurrence The base circuit is shut off and the dynamic brake operates to bring
the servo motor to stop.
Servo amplifier Forced stop
(EM1) OFF
The base circuit is shut off and the dynamic brake operates to bring
the servo motor to stop. The servo forced stop warning (E6) occurs.

4 - 5
4. STARTUP
4.3 Servo amplifier display
On the servo amplifier display (three-digit, seven-segment display), check the status of communication with the
servo system controller at power-on, check the axis number, and diagnose a fault at occurrence of an alarm.
(1) Display sequence
Only alarm and warning No. are displayed, but no axis No. is displayed
Servo amplifier power ON
(Note 3)
At occurrence of overload
At occurrence of overload
warning (Note 2)
During controller
forced stop
During forced stop
Flicker
display
Alarm reset or
warning
1 axis 2 axis 16 axis
(Note 3)
(Note 3)
(Note 1)
When alarm warning
No. is displayed
Flicker
display
Flicker
display
Flicker
display
If warning other than E6 or E7 occurs during the servo on, flickering the
second place of decimal point indicates that it is during the servo on.
Note 1.
2.
3. The right-hand segments of b01, c02 and d16 indicate the axis number.
(Below example indicates Axis1)
Initial data communication
with servo system controller
(Initialization communication)
When alarm occurs,
alarm code appears.
Ready ON
Ready OFF/servo OFF
Ready ON/servo OFF
Servo ON
Ready ON/servo ON
Servo system controller power ON
Ordinary operation
Servo system controller power OFF
Waiting for servo system controller
power to switch ON
(SSCNET communication)
Servo system controller power ON (SSCNET communication beginning)

4 - 6
4. STARTUP
(2) Indication list
Indication Status Description
A b Initializing
Power of the servo amplifier was switched on at the condition that the power of
servo system controller is OFF.
The axis No. set to the servo system controller does not match the axis No. set
with the rotary axis setting switch (SW1) of the servo amplifier.
A servo amplifier fault occurred or an error took place in communication with the
servo system controller. In this case, the indication changes.
"Ab " "AC " "Ad " "Ab "
The servo system controller is faulty.
.
Ab Initializing During initial setting for communication specifications
A C Initializing Initial setting for communication specifications completed, and then it synchronized
with servo system controller.
A d Initializing During initial parameter setting communication with servo system controller
A E Initializing During motor encoder information and telecommunication with servo system
controller
A F Initializing During initial signal data communication with servo system controller
A H Initializing completion During the completion process for initial data communication with servo system
controller
A A Initializing standby The power supply of servo system controller is turned off during the power supply
of servo amplifier is on.
(Note 1) b## Ready OFF The ready off signal from the servo system controller was received.
(Note 1) d## Servo ON The ready off signal from the servo system controller was received.
(Note 1) C # # Servo OFF The ready off signal from the servo system controller was received.
(Note 2) Alarm Warning The alarm No./warning No. that occurred is displayed. (Refer to section 9.1.)
8 88 CPU Error CPU watchdog error has occurred.
(Note 3) 00.b JOG operation, positioning operation, programmed operation, DO forced output.
(Note 1) ##.b
##.d
##.C
(Note 3)
Test operation mode Motor-less operation
Note 1. ## denotes any of numerals 00 to 16 and what it means is listed below.
# Description
0 Set to the test operation mode.
1 First axis
2 Second axis
3 Third axis
4 Fourth axis
5 Fifth axis
6 Sixth axis
7 Seventh axis
8 Eighth axis
9 Ninth axis
10 Tenth axis
11 Eleventh axis
12 Twelfth axis
13 Thirteenth axis
14 Fourteenth axis
15 Fifteenth axis
16 Sixteenth axis
2. ** indicates the warning/alarm No.
3. Requires the MR Configurator.

4 - 7
4. STARTUP
4.4 Test operation
Before starting actual operation, perform test operation to make sure that the machine operates normally.
Refer to section 4.2 for the power on and off methods of the servo amplifier.
POINT
If necessary, verify controller program by using motorless operation.
Refer to section 4.5.2 for the motorless operation.
Test operation of servo motor
alone in JOG operation of test
operation mode
Test operation of servo motor
alone by commands
Test operation with servo motor
and machine connected
In this step, confirm that the servo amplifier and servo motor operate normally.
With the servo motor disconnected from the machine, use the test operation
mode and check whether the servo motor rotates correctly. Refer to section
4.5 for the test operation mode.
In this step, confirm that the servo motor rotates correctly under the
commands from the controller.
Make sure that the servo motor rotates in the following procedure.
Give a low speed command at first and check the rotation direction, etc. of the
servo motor.
If the servo motor does not operate in the intended direction, check the input
signal.
In this step, connect the servo motor with the machine and confirm that the
machine operates normally under the commands from the command device.
Make sure that the servo motor rotates in the following procedure.
Give a low speed command at first and check the operation direction, etc. o
f
the machine. If the machine does not operate in the intended direction, check
the input signal. In the status display, check for any problems of the servo
motor speed, command pulse frequency, load ratio, etc.
Then, check automatic operation with the program of the command device.

4 - 8
4. STARTUP
4.5 Test operation mode
CAUTION
The test operation mode is designed for servo operation confirmation and not for
machine operation confirmation. Do not use this mode with the machine. Always
use the servo motor alone.
If an operation fault occurred, use the forced stop (EM1) to make a stop.
POINT
The content described in this section indicates the environment that servo
amplifier and personal computer are directly connected.
By using a personal computer and the MR Configurator, you can execute jog operation, positioning operation,
DO forced output program operation without connecting the servo system controller.
4.5.1 Test operation mode in MR Configurator
(1) Test operation mode
(a) Jog operation
Jog operation can be performed without using the servo system controller. Use this operation with the
forced stop reset. This operation may be used independently of whether the servo is on or off and
whether the servo system controller is connected or not.
Exercise control on the jog operation screen of the MR Configurator.
1) Operation pattern
Item Initial value Setting range
Speed [r/min] 200 0 to max. speed
Acceleration/deceleration time constant [ms] 1000 0 to 50000
2) Operation method
Operation Screen control
Forward rotation start Click the "Forward" button.
Reverse rotation start Click the "Reverse" button.
Stop Click the "Stop" button.
(b) Positioning operation
Positioning operation can be performed without using the servo system controller. Use this operation
with the forced stop reset. This operation may be used independently of whether the servo is on or off
and whether the servo system controller is connected or not.
Exercise control on the positioning operation screen of the MR Configurator.
1) Operation pattern
Item Initial value Setting range
Travel [pulse] 4000 0 to 99999999
Speed [r/min] 200 0 to max. speed
Acceleration/deceleration time constant [ms] 1000 0 to 50000

4 - 9
4. STARTUP
2) Operation method
Operation Screen control
Forward rotation start Click the "Forward" button.
Reverse rotation start Click the "Reverse" button.
Pause Click the "Pause" button.
(c) Program operation
Positioning operation can be performed in two or more operation patterns combined, without using the
servo system controller. Use this operation with the forced stop reset. This operation may be used
independently of whether the servo is on or off and whether the servo system controller is connected or
not.
Exercise control on the programmed operation screen of the MR Configurator. For full information, refer
to the MR Configurator Installation Guide.
Operation Screen control
Start Click the "Start" button.
Stop Click the "Reset" button.
(d) Output signal (DO) forced output
Output signals can be switched on/off forcibly independently of the servo status. Use this function for
output signal wiring check, etc.
Exercise control on the DO forced output screen of the MR Configurator.
(2) Operation procedure
(a) Jog operation, positioning operation, program operation, DO forced output.
1) Switch power off.
2) Set SW2-1 to "UP".
SW2
DOWN
UP
12
Set SW2-1 to "UP"
When SW1 and SW2-1 is set to the axis number and operation is performed by the servo system
controller, the test operation mode screen is displayed on the personal computer, but no function is
performed.
3) Switch servo amplifier power on.
When initialization is over, the display shows the following screen.
Decimal point flickers.
4) Perform operation with the personal computer.

4 - 10
4. STARTUP
4.5.2 Motorless operation in controller
POINT
Use motor-less operation which is available by making the servo system
controller parameter setting.
Motorless operation is done while connected with the servo system controller.
(1) Motorless operation
Without connecting the servo motor, output signals or status displays can be provided in response to the
servo system controller commands as if the servo motor is actually running. This operation may be used to
check the servo system controller sequence. Use this operation with the forced stop reset. Use this
operation with the servo amplifier connected to the servo system controller.
For stopping the motorless operation, set the selection of motorless operation to [Invalid] in servo parameter
setting of servo system controller. Motorless operation will be invalid condition after switching on power
supply next time.
(a) Load conditions
Load item Condition
Load torque 0
Load inertia moment ratio Same as servo motor inertia moment
(b) Alarms
The following alarms and warning do not occur. However, the other alarms and warnings occur as
when the servo motor is connected.
Encoder error 1 (16)
Encoder error 2 (20)
Absolute position erasure (25)
Battery cable disconnection warning (92)
Battery warning (9F)
Converter error (1B) (Note 1)
Converter warning (9C) (Note 1)
Main circuit off warning (E9) (Note 2)
Note 1. Alarm and warning for the drive units of 30kW or more. For details, refer to section 13.6.2.
2. Main circuit off warning (E9) does not occur only when the forced stop of the converter unit is enabled as the cause
of occurrence with the drive unit of 30kW or more. Main circuit of warning, otherwise, occurs when the cause of
occurrence with the drive unit of 30kW or more is other than above, or with the servo amplifier of 22 kW or less.
(2) Operating procedure
1) Switch off servo amplifier
2) Set parameter No.PC05 to "1", change test operation mode switch (SW2-1) to normal condition side
"Down", and then turn on the power supply.
SW2
DOWN
UP
12
Set SW2-1 to "DOWN"
3) Perform motor-less operation with the personal computer.
The display shows the following screen.
Decimal point flickers.

5 - 1
5. PARAMETERS
5. PARAMETERS
CAUTION Never adjust or change the parameter values extremely as it will make operation
instable.
POINT
When the servo amplifier is connected with the servo system controller, the
parameters are set to the values of the servo system controller. Switching
power off, then on makes the values set on the MR Configurator (servo
configuration software) invalid and the servo system controller values valid.
Setting may not be made to some parameters and ranges depending on the
model or version of the servo system controller. For details, refer to the servo
system controller user's manual.
In this servo amplifier, the parameters are classified into the following groups on a function basis.
Parameter group Main description
Basic setting parameters
(No.PA )
Make basic setting with these parameters. Generally, the operation is possible only with these
parameter settings.
Gain/filter parameters
(No.PB )
Use these parameters when making gain adjustment manually.
Extension setting parameters
(No.PC )
When changing settings such as analog monitor output signal or encoder electromagnetic brake
sequence output, use these parameters.
I/O setting parameters
(No.PD )
Use these parameters when changing the I/O signals of the servo amplifier.
Mainly setting the basic setting parameters (No.PA ) allows the setting of the basic parameters at the time
of introduction.
5.1 Basic setting parameters (No.PA )
POINT
Parameter whose symbol is preceded by * is made valid with the following
conditions.
* : Set the parameter value, switch power off once after setting, and then
switch it on again, or perform the controller reset.
**: Set the parameter value, switch power off once, and then switch it on
again.
Never change parameters for manufacturer setting.

5 - 2
5. PARAMETERS
5.1.1 Parameter list
No. Symbol Name Initial value Unit
PA01 For manufacturer setting 0000h
PA02 **REG Regenerative option 0000h
PA03 *ABS Absolute position detection system 0000h
PA04 *AOP1 Function selection A-1 0000h
PA05 0
PA06 1
PA07
For manufacturer setting
1
PA08 ATU Auto tuning mode 0001h
PA09 RSP Auto tuning response 12
PA10 INP In-position range 100 pulse
PA11 1000.0 %
PA12 1000.0 %
PA13
For manufacturer setting
0000h
PA14 *POL Rotation direction selection 0
PA15 *ENR Encoder output pulses 4000 pulse/rev
PA16 For manufacturer setting 0
PA17 0000h
PA18 0000h
PA19 *BLK Parameter write inhibit 000Bh

5 - 3
5. PARAMETERS
5.1.2 Parameter write inhibit
Parameter
No. Symbol Name Initial value Unit Setting range
PA19 *BLK Parameter write inhibit 000Bh Refer to the text.
POINT
When setting the parameter values from the servo system controller, the
parameter No.PA19 setting need not be changed.
This parameter is made valid when power is switched off, then on after
setting, or when the controller reset has been performed.
In the factory setting, this servo amplifier allows changes to the basic setting parameter, gain/filter parameter
and extension setting parameter settings. With the setting of parameter No.PA19, write can be disabled to
prevent accidental changes.
The following table indicates the parameters which are enabled for reference and write by the setting of
parameter No.PA19. Operation can be performed for the parameters marked .
Parameter No.PA19
setting Setting operation
Basic setting
parameters
No.PA
Gain/filter
parameters
No.PB
Extension setting
parameters
No.PC
I/O setting
parameters
No.PD
Reference
0000h Write
Reference 000Bh
(initial value) Write
Reference
000Ch Write
Reference
100Bh Write Parameter
No.PA19 only
Reference
100Ch Write Parameter
No.PA19 only

5 - 4
5. PARAMETERS
5.1.3 Selection of regenerative option
Parameter
No. Symbol Name Initial value Unit Setting range
PA02 **REG Regenerative option 0000h Refer to the text.
POINT
This parameter value and switch power off once, then switch it on again to
make that parameter setting valid.
Wrong setting may cause the regenerative option to burn.
If the regenerative option selected is not for use with the servo amplifier,
parameter error (37) occurs.
For a drive unit of 30kW or more, always set the parameter to " 00" since
selecting regenerative option is carried out by the converter unit.
Set this parameter when using the regenerative option, brake unit, power regeneration converter, or power
regeneration common converter.
Selection of regenerative option
00: Regenerative option is not used
For servo amplifier of 100W, regenerative resistor is not used.
For servo amplifier of 200 to 7kW, built-in regenerative resistor is used.
Supplied regenerative resistors or regenerative option is used with
the servo amplifier of 11k to 22kW.
For a drive unit of 30kW or more, select regenerative option by the
converter unit.
01: FR-BU2-(H) FR-RC-(H) FR-CV-(H)
02: MR-RB032
03: MR-RB12
04: MR-RB32
05: MR-RB30
06: MR-RB50(Cooling fan is required)
08: MR-RB31
09: MR-RB51(Cooling fan is required)
80: MR-RB1H-4
81: MR-RB3M-4(Cooling fan is required)
82: MR-RB3G-4(Cooling fan is required)
83: MR-RB5G-4(Cooling fanis required)
84: MR-RB34-4(Cooling fanis required)
85: MR-RB54-4(Cooling fanis required)
FA: When the supplied regenerative resistor is cooled by the cooling fan to
increase the ability with the servo amplifier of 11k to 22kW.
00
Parameter No.PA02

5 - 5
5. PARAMETERS
5.1.4 Using absolute position detection system
Parameter
No. Symbol Name Initial value Unit Setting range
PA03 *ABS Absolute position detection system 0000h Refer to the text.
POINT
This parameter is made valid when power is switched off, then on after
setting, or when the controller reset has been performed.
This parameter cannot be used in the speed control mode.
Set this parameter when using the absolute position detection system in the position control mode.
Selection of absolute position detection system (refer to chapter 12)
0: Used in incremental system
1: Used in absolute position detection system
Parameter No.PA03
000
5.1.5 Forced stop input selection
Parameter
No. Symbol Name Initial value Unit Setting range
PA04 *AOP1 Function selection A-1 0000h Refer to the text.
POINT
This parameter is made valid when power is switched off, then on after
setting, or when the controller reset has been performed.
The servo forced stop function is avoidable.
Selection of servo forced stop
0: Valid (Forced stop (EM1) is used.)
1: Invalid (Forced stop (EM1) is not used.)
Parameter No.PA04
000
When not using the forced stop (EM1) of servo amplifier, set the selection of servo forced stop to Invalid ( 1
). At this time, the forced stop (EM1) automatically turns on inside the servo amplifier.

5 - 6
5. PARAMETERS
5.1.6 Auto tuning
Parameter
No. Symbol Name Initial value Unit Setting range
PA08 ATU Auto tuning mode 0001h Refer to the text.
PA09 RSP Auto tuning response 12 1 to 32
Make gain adjustment using auto tuning. Refer to section 6.2 for details.
(1) Auto tuning mode (parameter No.PA08)
Select the gain adjustment mode.
Gain adjustment mode setting
Parameter No.PA08
000
Setting Gain adjustment mode Automatically set parameter No. (Note)
Interpolation mode
Auto tuning mode 1
Auto tuning mode 2
Manual mode
0
1
2
3
PB06 PB08 PB09 PB10
PB06 PB07 PB08 PB09 PB10
PB07 PB08 PB09 PB10
Note. The parameters have the following names.
Parameter No. Name
PB06 Ratio of load inertia moment to servo motor inertia moment
PB07 Model loop gain
PB08 Position loop gain
PB09 Speed loop gain
PB10 Speed integral compensation

5 - 7
5. PARAMETERS
(2) Auto tuning response (parameter No.PA09)
If the machine hunts or generates large gear sound, decrease the set value. To improve performance, e.g.
shorten the settling time, increase the set value.
Setting Response Guideline for machine
resonance frequency [Hz] Setting Response Guideline for machine
resonance frequency [Hz]
1 Low response 10.0 17 Low response 67.1
2 11.3 18 75.6
3 12.7 19 85.2
4 14.3 20 95.9
5 16.1 21 108.0
6 18.1 22 121.7
7 20.4 23 137.1
8 23.0 24 154.4
9 25.9 25 173.9
10 29.2 26 195.9
11 32.9 27 220.6
12 37.0 28 248.5
13 41.7 29 279.9
14 47.0 30 315.3
15 52.9 31
355.1
16 Middle response 59.6 32 Middle response 400.0
5.1.7 In-position range
Parameter
No. Symbol Name Initial value Unit Setting range
PA10 INP In-position range 100 pulse 0 to 65535
POINT
This parameter cannot be used in the speed control mode.
Set the range, where in position (INP) is output, in the command pulse unit.
Servo motor droop pulse
In-position range [pulse]
Command pulse
Command pulse
Droop pulse
In position (INP)
ON
OFF

5 - 8
5. PARAMETERS
5.1.8 Selection of servo motor rotation direction
Parameter
No. Symbol Name Initial value Unit Setting range
PA14 *POL Rotation direction selection 0 0 1
POINT
This parameter is made valid when power is switched off, then on after
setting, or when the controller reset has been performed.
Select servo motor rotation direction relative.
Servo motor rotation direction
Parameter No.PA14
setting When positioning address
increases
When positioning address
decreases
0 CCW CW
1 CW CCW
Forward rotation (CCW)
Reverse rotation (CW)
5.1.9 Encoder output pulse
Parameter
No. Symbol Name Initial value Unit Setting range
PA15 *ENR Encoder output pulse 4000 pulse/rev 1 to 65535
POINT
This parameter is made valid when power is switched off, then on after
setting, or when the controller reset has been performed.
Used to set the encoder pulses (A-phase, B-phase) output by the servo amplifier.
Set the value 4 times greater than the A-phase or B-phase pulses.
You can use parameter No.PC03 to choose the output pulse setting or output division ratio setting.
The number of A/B-phase pulses actually output is 1/4 times greater than the preset number of pulses.
The maximum output frequency is 4.6Mpps (after multiplication by 4). Use this parameter within this range.

5 - 9
5. PARAMETERS
(1) For output pulse designation
Set " 0 " (initial value) in parameter No.PC03.
Set the number of pulses per servo motor revolution.
Output pulse set value [pulses/rev]
For instance, set "5600" to Parameter No.PA15, the actually output A/B-phase pulses are as indicated
below.
4
5600
A B-phase output pulses 1400[pulse]
(2) For output division ratio setting
Set " 1 " in parameter No.PC03.
The number of pulses per servo motor revolution is divided by the set value.
Output pulse [pulses/rev]
Resolution per servo motor revolution
Set value
For instance, set "8" to Parameter No.PA15, the actually output A/B-phase pulses are as indicated below.
A
B-phase output pulses 8192[pulse]
8
262144
4
1

5 - 10
5. PARAMETERS
5.2 Gain/filter parameters (No.PB )
POINT
Parameter whose symbol is preceded by * is made valid with the following
conditions.
* : Set the parameter value, switch power off once after setting, and then
switch it on again, or perform the controller reset.
5.2.1 Parameter list
No. Symbol Name Initial value Unit
PB01 FILT Adaptive tuning mode (Adaptive filter ) 0000h
PB02 VRFT Vibration suppression control tuning mode
(advanced vibration suppression control) 0000h
PB03 For manufacturer setting 0
PB04 FFC Feed forward gain 0 %
PB05 For manufacturer setting 500
PB06 GD2 Ratio of load inertia moment to servo motor inertia moment 7.0 Multiplier
(1)
PB07 PG1 Model loop gain 24 rad/s
PB08 PG2 Position loop gain 37 rad/s
PB09 VG2 Speed loop gain 823 rad/s
PB10 VIC Speed integral compensation 33.7 ms
PB11 VDC Speed differential compensation 980
PB12 For manufacturer setting 0
PB13 NH1 Machine resonance suppression filter 1 4500 Hz
PB14 NHQ1 Notch shape selection 1 0000h
PB15 NH2 Machine resonance suppression filter 2 4500 Hz
PB16 NHQ2 Notch shape selection 2 0000h
PB17 Automatic setting parameter
PB18 LPF Low-pass filter setting 3141 rad/s
PB19 VRF1 Vibration suppression control vibration frequency setting 100.0 Hz
PB20 VRF2 Vibration suppression control resonance frequency setting 100.0 Hz
PB21 For manufacturer setting 0.00
PB22 0.00
PB23 VFBF Low-pass filter selection 0000h
PB24 *MVS Slight vibration suppression control selection 0000h
PB25 For manufacturer setting 0000h
PB26 *CDP Gain changing selection 0000h
PB27 CDL Gain changing condition 10
PB28 CDT Gain changing time constant 1 ms
PB29 GD2B Gain changing ratio of load inertia moment to servo motor inertia moment 7.0 Multiplier
(1)
PB30 PG2B Gain changing position loop gain 37 rad/s
PB31 VG2B Gain changing speed loop gain 823 rad/s
PB32 VICB Gain changing speed integral compensation 33.7 ms
PB33 VRF1B Gain changing vibration suppression control vibration frequency setting 100.0 Hz
PB34 VRF2B Gain changing vibration suppression control resonance frequency setting 100.0 Hz
PB35 For manufacturer setting 0.00
PB36 0.00
PB37 100
PB38 0.0
PB39
0.0

5 - 11
5. PARAMETERS
No. Symbol Name Initial value Unit
PB40 For manufacturer setting 0.0
PB41 1125
PB42 1125
PB43 0004h
PB44 0.0
PB45
0000h
5.2.2 Detail list
No. Symbol Name and function Initial
value Unit Setting
range
PB01 FILT Adaptive tuning mode (adaptive filter )
Select the setting method for filter tuning. Setting this parameter to " 1" (filter
tuning mode 1) automatically changes the machine resonance suppression filter 1
(parameter No.PB13) and notch shape selection (parameter No.PB14).
Machine resonance point
Notch frequency
Frequency
Frequency
Response of
mechanical system
Notch depth
Filter tuning mode selection
000
0000h
Setting Filter adjustment mode Automatically set parameter
0 Filter OFF (Note)
1 Filter tuning mode Parameter No.PB13
Parameter No.PB14
2 Manual mode
Note. Parameter No.PB13 and PB14 are fixed to the initial values.
When this parameter is set to " 1", the tuning is completed after positioning is
done the predetermined number or times for the predetermined period of time, and the
setting changes to " 2". When the filter tuning is not necessary, the setting
changes to " 0". When this parameter is set to " 0", the initial values are set
to the machine resonance suppression filter 1 and notch shape selection. However, this
does not occur when the servo off.

5 - 12
5. PARAMETERS
No. Symbol Name and function Initial
value Unit Setting
range
PB02 VRFT Vibration suppression control tuning mode (advanced vibration suppression control)
This parameter cannot be used in the speed control mode.
The vibration suppression is valid when the parameter No.PA08 (auto tuning) setting is
" 2" or " 3". When PA08 is " 1", vibration suppression is always
invalid.
Select the setting method for vibration suppression control tuning. Setting this parameter
to " 1" (vibration suppression control tuning mode) automatically changes the
vibration suppression control vibration frequency (parameter No.PB19) and vibration
suppression control resonance frequency (parameter No.PB20) after positioning is done
the predetermined number of times.
Droop pulse
Command
Machine end
position
Automatic
adjustment
Droop pulse
Command
Machine end
position
Vibration suppression control tuning mode
000
Setting
Vibration suppression
control tuning mode
Automatically set
parameter
0
Vibration suppression
control OFF (Note)
1
Vibration suppression
control tuning mode
(Advanced vibration
suppression control)
Parameter No.PB19
Parameter No.PB20
2 Manual mode
Note. Parameter No.PB19 and PB20 are fixed to the initial values.
When this parameter is set to " 1", the tuning is completed after positioning is
done the predetermined number or times for the predetermined period of time, and the
setting changes to " 2". When the vibration suppression control tuning is not
necessary, the setting changes to " 0". When this parameter is set to " 0",
the initial values are set to the vibration suppression control vibration frequency and
vibration suppression control resonance frequency. However, this does not occur when
the servo off.
0000h
PB03 For manufacturer setting
Do not change this value by any means.
0
PB04 FFC Feed forward gain
This parameter cannot be used in the speed control mode.
Set the feed forward gain. When the setting is 100%, the droop pulses during operation
at constant speed are nearly zero. However, sudden acceleration/deceleration will
increase the overshoot. As a guideline, when the feed forward gain setting is 100%, set
1s or more as the acceleration/deceleration time constant up to the rated speed.
0 % 0
to
100
PB05 For manufacturer setting
Do not change this value by any means.
500

5 - 13
5. PARAMETERS
No. Symbol Name and function Initial
value Unit Setting
range
PB06 GD2 Ratio of load inertia moment to servo motor inertia moment
Used to set the ratio of the load inertia moment to the servo motor shaft inertia moment.
When auto tuning mode 1 and interpolation mode is selected, the result of auto tuning is
automatically used.
(Refer to section 6.1.1)
In this case, it varies between 0 and 100.0.
When parameter No.PA08 is set to " 2" or " 3", this parameter can be set
manually.
7.0 Multiplier
(1)
0
to
300.0
PB07 PG1 Model loop gain
Set the response gain up to the target position.
Increase the gain to improve track ability in response to the command.
When auto turning mode 1,2 is selected, the result of auto turning is automatically used.
When parameter No.PA08 is set to " 1" or " 3", this parameter can be set
manually.
24 rad/s 1
to
2000
PB08 PG2 Position loop gain
This parameter cannot be used in the speed control mode.
Used to set the gain of the position loop.
Set this parameter to increase the position response to level load disturbance. Higher
setting increases the response level but is liable to generate vibration and/or noise.
When auto tuning mode 1,2 and interpolation mode is selected, the result of auto tuning
is automatically used.
When parameter No.PA08 is set to " 3", this parameter can be set manually.
37 rad/s 1
to
1000
PB09 VG2 Speed loop gain
Set this parameter when vibration occurs on machines of low rigidity or large backlash.
Higher setting increases the response level but is liable to generate vibration and/or
noise.
When auto tuning mode 1 2, manual mode and interpolation mode is selected, the
result of auto tuning is automatically used.
When parameter No.PA08 is set to " 3", this parameter can be set manually.
823 rad/s 20
to
50000
PB10 VIC Speed integral compensation
Used to set the integral time constant of the speed loop.
Lower setting increases the response level but is liable to generate vibration and/or
noise.
When auto tuning mode 1 2 and interpolation mode is selected, the result of auto
tuning is automatically used.
When parameter No.PA08 is set to " 3", this parameter can be set manually.
33.7 ms 0.1
to
1000.0
PB11 VDC Speed differential compensation
Used to set the differential compensation.
When parameter No.PB24 is set to " 3 ", this parameter is made valid. When
parameter No.PA08 is set to " 0 ", this parameter is made valid by instructions of
controller.
980 0
to
1000
PB12 For manufacturer setting
Do not change this value by any means.
0
PB13 NH1 Machine resonance suppression filter 1
Set the notch frequency of the machine resonance suppression filter 1.
Setting parameter No.PB01 (filter tuning mode 1) to " 1" automatically changes
this parameter.
When the parameter No.PB01 setting is " 0", the setting of this parameter is
ignored.
4500 Hz 100
to
4500

5 - 14
5. PARAMETERS
No. Symbol Name and function Initial
value Unit Setting
range
PB14 NHQ1 Notch shape selection 1
Used to selection the machine resonance suppression filter 1.
Notch depth selection
Setting value Depth Gain
0 Deep
1 14dB
2 8dB
3 4dBShallow
Notch width
Setting value Width
02Standard
13
24
35Wide
00
to
to
40dB
Setting parameter No.PB01 (filter tuning mode 1) to " 1" automatically changes
this parameter.
When the parameter No.PB01 setting is " 0", the setting of this parameter is
ignored.
0000h Refer to
Name
and
function
column.
PB15 NH2 Machine resonance suppression filter 2
Set the notch frequency of the machine resonance suppression filter 2.
Set parameter No.PB16 (notch shape selection 2) to " 1" to make this parameter
valid.
4500 Hz 100
to
4500
PB16 NHQ2 Notch shape selection 2
Select the shape of the machine resonance suppression filter 2.
5
3
4
Notch depth selection
Setting value Depth Gain
0 40dBDeep
1 14dB
2 8dB
3 4dBShallow
to
Notch width
Setting value Width
02Standard
1
2
3Wide
to
0
Machine resonance suppression filter 2 selection
0: Invalid
1: Valid
0000h Refer to
Name
and
function
column.
PB17 Automatic setting parameter
The value of this parameter is set according to a set value of parameter No.PB06 (Ratio
of load inertia moment to servo motor inertia moment).

5 - 15
5. PARAMETERS
No. Symbol Name and function Initial
value Unit Setting
range
PB18 LPF Low-pass filter setting
Set the low-pass filter.
Setting parameter No.PB23 (low-pass filter selection) to " 0 " automatically
changes this parameter.
When parameter No.PB23 is set to " 1 ", this parameter can be set manually.
3141 rad/s 100
to
18000
PB19 VRF1 Vibration suppression control vibration frequency setting
This parameter cannot be used in the speed control mode.
Set the vibration frequency for vibration suppression control to suppress low-frequency
machine vibration, such as enclosure vibration. (Refer to section 7.4.(4))
Setting parameter No.PB02 (vibration suppression control tuning mode) to " 1"
automatically changes this parameter. When parameter No.PB02 is set to " 2",
this parameter can be set manually.
100.0 Hz 0.1
to
100.0
PB20 VRF2 Vibration suppression control resonance frequency setting
This parameter cannot be used in the speed control mode.
Set the resonance frequency for vibration suppression control to suppress low-
frequency machine vibration, such as enclosure vibration. (Refer to section 7.4.(4))
Setting parameter No.PB02 (vibration suppression control tuning mode) to " 1"
automatically changes this parameter. When parameter No.PB02 is set to " 2",
this parameter can be set manually.
100.0 Hz 0.1
to
100.0
PB21 0.00
PB22
For manufacturer setting
Do not change this value by any means. 0.00
PB23 VFBF Low-pass filter selection
Select the low-pass filter.
Low-pass filter selection
0: Automatic setting
1: Manual setting (parameter No.PB18 setting)
00 0
When automatic setting has been selected, select the filter that has the band width
close to the one calculated with VG2 10
1 + GD2 [rad/s]
0000h Refer to
Name
and
function
column.
PB24 *MVS Slight vibration suppression control selection
Select the slight vibration suppression control and PI-PID change.
When parameter No.PA08 (auto tuning mode) is set to " 3", this parameter is
made valid. (Slight vibration suppression control cannot be used in the speed control
mode.)
Slight vibration suppression control selection
0: Invalid
1: Valid
00
PI-PID control switch over selection
0: PI control is valid. (Switching to PID
control is possible with instructions of
controller.)
3: PID control is alwa
y
s valid.
0000h Refer to
Name
and
function
column.
PB25 For manufacturer setting
Do not change this value by any means.
0000h

5 - 16
5. PARAMETERS
No. Symbol Name and function Initial
value Unit Setting
range
PB26 *CDP Gain changing selection
Select the gain changing condition. (Refer to section 7.6.)
Gain changing selection
Under any of the following conditions, the gains
change on the basis of the parameter No.PB29 to
PB32 settings.
0: Invalid
1: Control instructions from a controller.
2: Command frequency (Parameter No.PB27
setting)
3: Droop pulse value (Parameter No.PB27 setting)
4: Servo motor speed (Parameter No.PB27 setting)
00
Gain changing condition
0: Valid at more than condition (For control
instructions from a controller, valid with ON)
1: Valid at less than condition (For control
instructions from a controller, valid with OFF)
0000h Refer to
Name
and
function
column.
PB27 CDL Gain changing condition
Used to set the value of gain changing condition (command frequency, droop pulses,
servo motor speed) selected in parameter No.PB26.The set value unit changes with the
changing condition item. (Refer to section 7.6.)
10 kpps
pulse
r/min
0
to
9999
PB28 CDT Gain changing time constant
Used to set the time constant at which the gains will change in response to the
conditions set in parameters No.PB26 and PB27. (Refer to section 7.6.)
1 ms 0
to
100
PB29 GD2B Gain changing ratio of load inertia moment to servo motor inertia moment
Used to set the ratio of load inertia moment to servo motor inertia moment when gain
changing is valid.
This parameter is made valid when the auto tuning is invalid (parameter No.PA08:
3).
7.0 Multiplier
(1)
0
to
300.0
PB30 PG2B Gain changing position loop gain
This parameter cannot be used in the speed control mode.
Set the position loop gain when the gain changing is valid.
This parameter is made valid when the auto tuning is invalid (parameter No.PA08:
3).
37 rad/s 1
to
2000
PB31 VG2B Gain changing speed loop gain
Set the speed loop gain when the gain changing is valid.
This parameter is made valid when the auto tuning is invalid (parameter No.PA08:
3).
823 rad/s 20
to
20000
PB32 VICB Gain changing speed integral compensation
Set the speed integral compensation when the gain changing is valid.
This parameter is made valid when the auto tuning is invalid (parameter No.PA08:
3).
33.7 ms 0.1
to
5000.0
PB33 VRF1B Gain changing vibration suppression control vibration frequency setting
This parameter cannot be used in the speed control mode.
Set the vibration frequency for vibration suppression control when the gain changing is
valid. This parameter is made valid when the parameter No.PB02 setting is " 2"
and the parameter No.PB26 setting is " 1".
When using the vibration suppression control gain changing, always execute the
changing after the servo motor has stopped.
100.0 Hz 0.1
to
100.0

5 - 17
5. PARAMETERS
No. Symbol Name and function Initial
value Unit Setting
range
PB34 VRF2B Gain changing vibration suppression control resonance frequency setting
This parameter cannot be used in the speed control mode.
Set the resonance frequency for vibration suppression control when the gain changing is
valid. This parameter is made valid when the parameter No.PB02 setting is " 2"
and the parameter No.PB26 setting is " 1".
When using the vibration suppression control gain changing, always execute the
changing after the servo motor has stopped.
100.0 Hz 0.1
to
100.0
PB35 0.00
PB36
For manufacturer setting
Do not change this value by any means. 0.00
PB37 100
PB38 0.0
PB39 0.0
PB40 0.0
PB41 1125
PB42 1125
PB43 0004h
PB44 0.0
PB45
0000h

5 - 18
5. PARAMETERS
5.3 Extension setting parameters (No.PC )
POINT
Parameter whose symbol is preceded by * is made valid with the following
conditions.
* : Set the parameter value, switch power off once after setting, and then
switch it on again, or perform the controller reset.
**: Set the parameter value, switch power off once, and then switch it on
again.
5.3.1 Parameter list
No. Symbol Name Initial value Unit
PC01 ERZ Error excessive alarm level 3 rev
PC02 MBR Electromagnetic brake sequence output 0 ms
PC03 *ENRS Encoder output pulses selection 0000h
PC04 **COP1 Function selection C-1 0000h
PC05 **COP2 Function selection C-2 0000h
PC06 *COP3 Function selection C-3 0000h
PC07 ZSP Zero speed 50 r/min
PC08 For manufacturer setting 0
PC09 MOD1 Analog monitor 1 output 0000h
PC10 MOD2 Analog monitor 2 output 0001h
PC11 MO1 Analog monitor 1 offset 0 mV
PC12 MO2 Analog monitor 2 offset 0 mV
PC13 MOSDL Analog monitor feedback position output standard data Low 0 pulse
PC14 MOSDH Analog monitor feedback position output standard data High 0 10000
pulse
PC15 For manufacturer setting 0
PC16 0000h
PC17 **COP4 Function selection C-4 0000h
PC18 For manufacturer setting 0000h
PC19 0000h
PC20
0000h
PC21 *BPS Alarm history clear 0000h
PC22 For manufacturer setting 0000h
PC23 0000h
PC24 0000h
PC25 0000h
PC26 0000h
PC27 0000h
PC28 0000h
PC29 0000h
PC30 0000h
PC31 0000h
PC32
0000h

5 - 19
5. PARAMETERS
5.3.2 List of details
No. Symbol Name and function Initial
value Unit Setting
range
PC01 ERZ
(Note 2)
Error excessive alarm level
This parameter cannot be used in the speed control mode.
Set error excessive alarm level with rotation amount of servo motor.
Note 1. Setting can be changed in parameter No.PC06.
2. For a servo amplifier with software version of B2 or later, reactivating the power
supply to enable the setting value is not necessary. For a servo amplifier with
software version of earlier than B2, reactivating the power supply is required to
enable the setting value.
3 rev
(Note 1)
1
to
200
PC02 MBR Electromagnetic brake sequence output
Used to set the delay time (Tb) between electronic brake interlock (MBR) and the base
drive circuit is shut-off.
0 ms 0
to
1000
PC03 *ENRS Encoder output pulse selection
Use to select the, encoder output pulse direction and encoder output pulse setting.
CW
Encoder output pulse phase changing
Changes the phases of A, B-phase encoder pulses output .
A-phase
B-phase
CCW
Servo motor rotation direction
Set value
0
1
Encoder output pulse setting selection (refer to parameter No.PA15)
0: Output pulse designation
1: Division ratio setting
00
A-phase
B-phase
A-phase
B-phase
A-phase
B-phase
0000h Refer to
Name
and
function
column.
PC04 **COP1 Function selection C-1
Select the encoder cable communication system selection.
00
Encoder cable communication system selection
0: Two-wire type
1: Four-wire type
The following encoder cables are of 4-wire type.
MR-EKCBL30M-L
MR-EKCBL30M-H
MR-EKCBL40M-H
MR-EKCBL50M-H
The other encoder cables are all of 2-wire type.
Incorrect setting will result in an encoder alarm 1 (16) or encoder
alarm 2 (20).
0
0000h Refer to
Name
and
function
column.
PC05 **COP2 Function selection C-2
Motor-less operation select.
Motor-less operation select.
0: Valid
1: Invalid
000
0000h Refer to
Name
and
function
column.

5 - 20
5. PARAMETERS
No. Symbol Name and function Initial
value Unit Setting
range
PC06 *COP3 Function selection C-3
Select the error excessive alarm level setting for parameter No.PC01.
00
Error excessive alarm level setting selection
0: 1 [rev]unit
1: 0.1 [rev]unit
2: 0.01 [rev]unit
3: 0.001[rev]unit
0
This parameter is available to software version B1 or later.
0000h Refer to
Name
and
function
column.
PC07 ZSP Zero speed
Used to set the output range of the zero speed (ZSP).
Zero speed signal detection has hysteresis width of 20r/min (Refer to section 3.5 (2) (b))
50 r/min 0
to
10000
PC08 For manufacturer setting
Do not change this value by any means.
0
PC09 MOD1 Analog monitor 1 output
Used to selection the signal provided to the analog monitor 1 (MO1) output. (Refer to
section 5.3.3)
C
B
5
6
7
8
9
A
D
0
1
2
3
4
Analog monitor 1 (MO1) output selection
0
Setting
Feedback position ( 10V/100 Mpulses) (Note 1, 3)
Servo motor speed ( 8V/max. speed)
Torque ( 8V/max. torque) (Note 2)
Servo motor speed (+8V/max. speed)
Torque (+8V/max. torque) (Note 2)
Current command ( 8V/max. current command)
Speed command ( 8V/max. current command)
Droop pulses ( 10V/100 pulses) (Note 1)
Droop pulses ( 10V/1000 pulses) (Note 1)
Droop pulses ( 10V/10000 pulses) (Note 1)
Droop pulses ( 10V/100000 pulses) (Note 1)
Feedback position ( 10V/1 Mpulses) (Note 1, 3)
Feedback position ( 10V/10 Mpulses) (Note 1, 3)
Bus voltage ( 8V/400V)(Note 4)
Item
00
Note 1. Encoder pulse unit.
2. 8V is outputted at the maximum torque.
3. It can be used by the absolute position detection system.
4. For 400V class servo amplifier, the bus voltage becomes 8V/800V.
0000h Refer to
Name
and
function
column.
PC10 MOD2 Analog monitor 2 output
Used to selection the signal provided to the analog monitor 2 (MO2) output. (Refer to
section 5.3.3)
Select the analog monitor 2 (MO2) output
The settings are the same as those of parameter No.PC09.
000
0001h Refer to
Name
and
function
column.
PC11 MO1 Analog monitor 1 offset
Used to set the offset voltage of the analog monitor 1 (MO1) output.
0 mV -999
to
999

5 - 21
5. PARAMETERS
No. Symbol Name and function Initial
value Unit Setting
range
PC12 MO2 Analog monitor 2 offset
Used to set the offset voltage of the analog monitor 2 (MO2) output.
0 mV -999
to
999
PC13 MOSDL Analog monitor feedback position output standard data Low
Used to set the standard position of feedback output with analog monitor 1 (M01) or 2
(M02).
For this parameter, the lower-order four digits of standard position in decimal numbers
are set.
0 pulse -9999
to
9999
PC14 MOSDH Analog monitor feedback position output standard data High
Used to set the standard position of feedback output with analog monitor 1 (M01) or 2
(M02).
For this parameter, the higher-order four digits of standard position in decimal numbers
are set.
0 10000
pulse
-9999
to
9999
PC15 0
PC16
For manufacturer setting
Do not change this value by any means. 0000h
PC17 **COP4 Function Selection C-4
Home position setting condition in the absolute position detection system can be
selected.
Selection of home position setting condition
0: Need to pass motor Z-phase after the power
supply is switched on.
1: Not need to pass motor Z-phase after the power
supply is switched on.
000
0000h Refer to
Name
and
function
column.
PC18 0000h
PC19 0000h
PC20
For manufacturer setting
Do not change this value by any means.
0000h
PC21 *BPS Alarm history clear
Used to clear the alarm history.
Alarm history clear
0: Invalid
1: Valid
When alarm history clear is made valid, the alarm
history is cleared at next power-on.
After the alarm history is cleared, the setting is
automatically made invalid (reset to 0).
000
0000h Refer to
Name
and
function
column.
PC22 0000h
PC23
For manufacturer setting
Do not change this value by any means. 0000h
PC24 0000h
PC25 0000h
PC26 0000h
PC27 0000h
PC28 0000h
PC29 0000h
PC30 0000h
PC31 0000h
PC32
0000h

5 - 22
5. PARAMETERS
5.3.3 Analog monitor
The servo status can be output to two channels in terms of voltage. The servo status can be monitored using
an ammeter.
(1) Setting
Change the following digits of parameter No.PC09, PC10.
Analog monitor (MO1) output selection
(Signal output to across MO1-LG)
Analog monitor (MO2) output selection
(Signal output to across MO2-LG)
000
000
Parameter No.PC09
Parameter No.PC10
Parameters No.PC11 and PC12 can be used to set the offset voltages to the analog output voltages. The
setting range is between 999 and 999mV.
Parameter No. Description Setting range [mV]
PC11 Used to set the offset voltage for the analog monitor 1 (MO1).
PC12 Used to set the offset voltage for the analog monitor 2 (MO2). 999 to 999
(2) Set content
The servo amplifier is factory-set to output the servo motor speed to analog monitor 1 (MO1) and the torque
to analog monitor (MO2). The setting can be changed as listed below by changing the parameter No.PC14
and PC12 value.
Refer to (3) for the measurement point.
Setting Output item Description Setting Output item Description
0 Servo motor speed
Max. speed
CW direction
CCW direction
Max. speed
0
8[V]
-8[V]
1 Torque (Note 3)
Max. torque
Driving in CW
direction
Driving in CCW
direction
Max. torque
0
8[V]
-8[V]
2 Servo motor speed CCW direction
Max. speed Max. speed0
8[V]
CW direction
3 Torque (Note 3) Driving in CCW
direction
Max. torque Max. torque0
8[V]
Driving in CW
direction
4 Current command
Max. current command
(Max. torque command)
CW direction
CCW direction
Max. current command
(Max. torque command)
0
8[V]
-8[V]
5 Speed command
Max. speed
CW direction
CCW direction
Max. speed
0
8[V]
-8[V]

5 - 23
5. PARAMETERS
Setting Output item Description Setting Output item Description
6 Droop pulses (Note 1)
(10V/100 pulses)
100[pulse]
CW direction
CCW direction
100[pulse]
0
10[V]
-10[V]
7 Droop pulses (Note 1)
(10V/1000 pulses)
1000[pulse]
CW direction
CCW direction
1000[pulse]
0
10[V]
-10[V]
8 Droop pulses
(Note 1)
(10V/10000 pulses)
10000[pulse]
CW direction
CCW direction
10000[pulse]
0
10[V]
-10[V]
9 Droop pulses
(Note 1)
(10V/100000 pulses)
100000[pulse]
CW direction
CCW direction
100000[pulse]
0
10[V]
-10[V]
A Feedback position
(Note 1,2)
(10V/1 Mpulses)
1M[pulse]
CW direction
CCW direction
1M[pulse]
0
10[V]
-10[V]
B Feedback position
(Note 1,2)
(10V/10 Mpulses)
10M[pulse]
CW direction
CCW direction
10M[pulse]
0
10[V]
-10[V]
C Feedback position
(Note 1,2)
(10V/100 Mpulses)
100M[pulse]
CW direction
CCW direction
100M[pulse]
0
10[V]
-10[V]
D Bus voltage (Note 4)
400[V]
0
8[V]
Note 1. Encoder pulse unit.
2. Available in position control mode
3. Outputs 8V at the maximum torque.
4. For 400V class servo amplifier, the bus voltage becomes 8V/800V.

5 - 24
5. PARAMETERS
(3) Analog monitor block diagram
PWM M
Feedback
position
Current
control
Speed
control
Current
command
Position
control
Droop pulse
Differ-
ential
Speed
command Bus voltage
Speed
command
Current feedback
Position feedback
Servo Motor
speed
Current encoder
Servo Moto
r
Encoder
Torque
Position
command
received
from a
controller
Feedback position
standard position (Note)
Differ-
ential
Position feedbac
k
data returned to
a controller
Note. The feedback position is output based on the position data passed between servo system controller and servo amplifier. The
parameter number No.PC13/PC14 can set up the standard position of feedback position that is output to analog monitor in order
to adjust the output range of feedback position. The setting range is between 99999999 and 99999999 pulses.
Standard position of feedback position = Parameter No.PC14 setting value 10000 + Parameter No.PC13 setting value
Parameter No. Description Setting range
PC13 Sets the lower-order four digits of the standard position
of feedback position
9999 to 9999 [pulse]
PC14 Sets the higher-order four digits of the standard position
of feedback position
9999 to 9999 [10000pulses]
5.3.4 Alarm history clear
The servo amplifier stores one current alarm and five past alarms from when its power is switched on first. To
control alarms which will occur during operation, clear the alarm history using parameter No.PC21 before
starting operation.
Clearing the alarm history automatically returns to " 0 ".
After setting, this parameter is made valid by switch power from OFF to ON.
Alarm history clear
0: Invalid (not cleared)
1: Valid (cleared)
000
Parameter No.PC21

5 - 25
5. PARAMETERS
5.4 I/O setting parameters (No.PD )
POINT
Parameter whose symbol is preceded by * is made valid with the following
conditions.
* : Set the parameter value, switch power off once after setting, and then
switch it on again, or perform the controller reset.
5.4.1 Parameter list
No. Symbol Name Initial value Unit
PD01 For manufacturer setting 0000h
PD02 0000h
PD03 0000h
PD04 0000h
PD05 0000h
PD06
0000h
PD07 *DO1 Output signal device selection 1 (CN3-13) 0005h
PD08 *DO2 Output signal device selection 2 (CN3-9) 0004h
PD09 *DO3 Output signal device selection 3 (CN3-15) 0003h
PD10 For manufacturer setting 0000h
PD11 0004h
PD12 0000h
PD13
0000h
PD14 *DOP3 Function selection D-3 0000h
PD15 For manufacturer setting 0000h
PD16 0000h
PD17 0000h
PD18 0000h
PD19 0000h
PD20 0000h
PD21 0000h
PD22 0000h
PD23 0000h
PD24 0000h
PD25 0000h
PD26 0000h
PD27 0000h
PD28 0000h
PD29 0000h
PD30 0000h
PD31 0000h
PD32
0000h

5 - 26
5. PARAMETERS
5.4.2 List of details
No. Symbol Name and function Initial
value Unit Setting
range
PD01 0000h
PD02
For manufacturer setting
Do not change this value by any means. 0000h
PD03 0000h
PD04 0000h
PD05 0000h
PD06
0000h
PD07 *DO1 Output signal device selection 1 (CN3-13)
Any input signal can be assigned to the CN3-13 pin.
Select the output device of the CN3-13 pin.
00
The devices that can be assigned in each control mode are those that have the symbols
indicated in the following table.
0005h Refer to
Name
and
function
column.
Setting Device Setting Device
00 Always OFF 0A Always OFF (Note 2)
01 For manufacturer
setting (Note 3) 0B For manufacturer
setting (Note 3)
02 RD 0C ZSP
03 ALM 0D
For manufacturer
setting (Note 3)
04 INP (Note 1) 0E
For manufacturer
setting (Note 3)
05 MBR 0F CDPS
06 DB 10
For manufacturer
setting (Note 3)
07 TLC 11 ABSV (Note 1)
08 WNG 12 to 1F
For manufacturer
setting (Note 3)
09 BWNG 20 to 3F
For manufacturer
setting (Note 3)
Note 1. It becomes always OFF in speed control mode.
2. It becomes SA in speed control mode.
3. For manufacturer setting
Never change this setting.
PD08 *DO2 Output signal device selection 2 (CN3-9)
Any input signal can be assigned to the CN3-9 pin.
The devices that can be assigned and the setting method are the same as in parameter
No.PD07.
Select the output device of the CN3-9 pin.
000
0004h Refer to
Name
and
function
column.
PD09 *DO3 Output signal device selection 3 (CN3-15)
Any input signal can be assigned to the CN3-15 pin.
The devices that can be assigned and the setting method are the same as in parameter
No.PD07.
Select the output device of the CN3-15 pin.
000
0003h Refer to
Name
and
function
column.

5 - 27
5. PARAMETERS
No. Symbol Name and function Initial
value Unit Setting
range
PD10 0000h
PD11
For manufacturer setting
Do not change this value by any means. 0004h
PD12 0000h
PD13
0000h
PD14 *DOP3 Function selection D-3
Set the ALM output signal at warning occurrence.
00 0
Selection of output device at warning occurrence
Select the warning (WNG) and trouble (ALM) output status
at warning occurrence.
0
1
Setting
0
1
0
1
WNG
ALM
Warning occurrence
0
1
0
1
WNG
ALM
Warning occurrence
(Note) Device status
Note. 0: off
1: on
Output of Servo amplifier
0000h Refer to
Name
and
function
column.
PD15 0000h
PD16
For manufacturer setting
Do not change this value by any means. 0000h
PD17 0000h
PD18 0000h
PD19 0000h
PD20 0000h
PD21 0000h
PD22 0000h
PD23 0000h
PD24 0000h
PD25 0000h
PD26 0000h
PD27 0000h
PD28 0000h
PD29 0000h
PD30 0000h
PD31 0000h
PD32
0000h

5 - 28
5. PARAMETERS
MEMO

6 - 1
6. GENERAL GAIN ADJUSTMENT
6. GENERAL GAIN ADJUSTMENT
6.1 Different adjustment methods
6.1.1 Adjustment on a single servo amplifier
The gain adjustment in this section can be made on a single servo amplifier. For gain adjustment, first execute
auto tuning mode 1. If you are not satisfied with the results, execute auto tuning mode 2 and manual mode in
this order.
(1) Gain adjustment mode explanation
Gain adjustment mode Parameter
No.PA08 setting
Estimation of load inertia
moment ratio
Automatically set
parameters Manually set parameters
Auto tuning mode 1
(initial value)
0001 Always estimated GD2 (parameter No.PB06)
PG2 (parameter No.PB08)
PG1 (parameter No.PB07)
VG2 (parameter No.PB09)
VIC (parameter No.PB10)
Response level setting of
parameter No.2
Auto tuning mode 2 0002 PG2 (parameter No.PB08)
PG1 (parameter No.PB07)
VG2 (parameter No.PB09)
VIC (parameter No.PB10)
GD2 (parameter No.PB06)
Response level setting of
parameter No.PA09
Manual mode 0003
Fixed to parameter No.
PB06 value
PG1 (parameter No.PB07)
GD2 (parameter No.PB06)
VG2 (parameter No.PB09)
VIC (parameter No.PB10)
Interpolation mode 0000 Always estimated GD2 (parameter No.PB06)
PG2 (parameter No.PB08)
VG2 (parameter No.PB09)
VIC (parameter No.PB10)
PG1 (parameter No.PB07)

6 - 2
6. GENERAL GAIN ADJUSTMENT
(2) Adjustment sequence and mode usage
Usage
Used when you want to
match the position gain (PG1)
between 2 or more axes.
Normally not used for other
purposes.
Allows adjustment by merely
changing the response level
setting.
First use this mode to make
adjustment.
Used when the conditions of
auto tuning mode 1 are not
met and the load inertia
moment ratio could not be
estimated properly, for
example.
END
Interpolation
made for 2 or more
axes?
START
Operation
Auto tuning mode 2
OK?
OK?
Manual mode
OK?
No
No
Yes
No
Yes
No
Yes
Auto tuning mode 1
Operation
Interpolation mode
Operation
Yes
You can adjust all gains
manually when you want to
do fast settling or the like.
6.1.2 Adjustment using MR Configurator
This section gives the functions and adjustment that may be performed by using the servo amplifier with the
MR Configurator which operates on a personal computer.
Function Description Adjustment
Machine analyzer With the machine and servo motor coupled,
the characteristic of the mechanical system
can be measured by giving a random
vibration command from the personal
computer to the servo and measuring the
machine response.
You can grasp the machine resonance frequency and
determine the notch frequency of the machine resonance
suppression filter.
You can automatically set the optimum gains in response to
the machine characteristic. This simple adjustment is
suitable for a machine which has large machine resonance
and does not require much settling time.
Gain search Executing gain search under to-and-fro
positioning command measures settling
characteristic while simultaneously
changing gains, and automatically searches
for gains which make settling time shortest.
You can automatically set gains which make positioning
settling time shortest.
Machine simulation Response at positioning settling of a
machine can be simulated from machine
analyzer results on personal computer.
You can optimize gain adjustment and command pattern on
personal computer.

6 - 3
6. GENERAL GAIN ADJUSTMENT
6.2 Auto tuning
6.2.1 Auto tuning mode
The servo amplifier has a real-time auto tuning function which estimates the machine characteristic (load inertia
moment ratio) in real time and automatically sets the optimum gains according to that value. This function
permits ease of gain adjustment of the servo amplifier.
(1) Auto tuning mode 1
The servo amplifier is factory-set to the auto tuning mode 1.
In this mode, the load inertia moment ratio of a machine is always estimated to set the optimum gains
automatically.
The following parameters are automatically adjusted in the auto tuning mode 1.
Parameter No. Abbreviation Name
PB06 GD2 Ratio of load inertia moment to servo motor inertia moment
PB07 PG1 Model loop gain
PB08 PG2 Position loop gain
PB09 VG2 Speed loop gain
PB10 VIC Speed integral compensation
POINT
The auto tuning mode 1 may not be performed properly if the following
conditions are not satisfied.
Time to reach 2000r/min is the acceleration/deceleration time constant of 5s or
less.
Speed is 150r/min or higher.
The ratio of load inertia moment to servo motor inertia moment is 100 times or
less.
The acceleration/deceleration torque is 10% or more of the rated torque.
Under operating conditions which will impose sudden disturbance torque
during acceleration/deceleration or on a machine which is extremely loose,
auto tuning may not function properly, either. In such cases, use the auto
tuning mode 2 or manual mode to make gain adjustment.
(2) Auto tuning mode 2
Use the auto tuning mode 2 when proper gain adjustment cannot be made by auto tuning mode 1. Since
the load inertia moment ratio is not estimated in this mode, set the value of a correct load inertia moment
ratio (parameter No.PB06).
The following parameters are automatically adjusted in the auto tuning mode 2.
Parameter No. Abbreviation Name
PB07 PG1 Model loop gain
PB08 PG2 Position loop gain
PB09 VG2 Speed loop gain
PB10 VIC Speed integral compensation

6 - 4
6. GENERAL GAIN ADJUSTMENT
6.2.2 Auto tuning mode operation
The block diagram of real-time auto tuning is shown below.
Servo
motor
Command
Automatic setting
Loop gains
PG1,VG1
PG2,VG2,VIC
Current
control
Current feedback
Load inertia
moment
Encoder
Position/speed
feedback
Real-time auto
tuning section
Speed feedback
Load inertia
moment ratio
estimation section
Gain
table
Parameter No.PB06
Load inertia moment
ratio estimation value
Set 0 or 1 to turn on.
Switch
Response
setting
Gain adjustment mode
selection
Parameter No.PA08 Parameter No.PA09
000
When a servo motor is accelerated/decelerated, the load inertia moment ratio estimation section always
estimates the load inertia moment ratio from the current and speed of the servo motor. The results of estimation
are written to parameter No.PB06 (the ratio of load inertia moment to servo motor). These results can be
confirmed on the status display screen of the MR Configurator.
If the value of the load inertia moment ratio is already known or if estimation cannot be made properly, chose
the "auto tuning mode 2" (parameter No.PA08: 0002) to stop the estimation of the load inertia moment ratio
(Switch in above diagram turned off), and set the load inertia moment ratio (parameter No.34) manually.
From the preset load inertia moment ratio (parameter No.PB06) value and response level (parameter
No.PA09), the optimum loop gains are automatically set on the basis of the internal gain tale.
The auto tuning results are saved in the EEP-ROM of the servo amplifier every 60 minutes since power-on. At
power-on, auto tuning is performed with the value of each loop gain saved in the EEP-ROM being used as an
initial value.
POINT
If sudden disturbance torque is imposed during operation, the estimation of
the inertia moment ratio may malfunction temporarily. In such a case, choose
the "auto tuning mode 2" (parameter No.PA08: 0002) and set the correct load
inertia moment ratio in parameter No.PB06.
When any of the auto tuning mode 1 and auto tuning mode settings is
changed to the manual mode 2 setting, the current loop gains and load inertia
moment ratio estimation value are saved in the EEP-ROM.

6 - 5
6. GENERAL GAIN ADJUSTMENT
6.2.3 Adjustment procedure by auto tuning
Since auto tuning is made valid before shipment from the factory, simply running the servo motor automatically
sets the optimum gains that match the machine. Merely changing the response level setting value as required
completes the adjustment. The adjustment procedure is as follows.
END
Yes
No
Yes
No
No
Yes
Auto tuning adjustment
Acceleration/deceleration repeated
Load inertia moment ratio
estimation value stable?
Auto tuning
conditions not satisfied.
(Estimation of load inertia
moment ratio is difficult)
Adjust response level setting
so that desired response is
achieved on vibration-free level.
Acceleration/deceleration repeated
Requested
performance satisfied?
To manual mode
Choose the auto tuning mode 2
(parameter No.PA08 : 0002) and
set the load inertia moment ratio
(parameter No.PB06) manually.

6 - 6
6. GENERAL GAIN ADJUSTMENT
6.2.4 Response level setting in auto tuning mode
Set the response (The first digit of parameter No.PA09) of the whole servo system. As the response level
setting is increased, the track ability and settling time for a command decreases, but a too high response level
will generate vibration. Hence, make setting until desired response is obtained within the vibration-free range.
If the response level setting cannot be increased up to the desired response because of machine resonance
beyond 100Hz, filter tuning mode (parameter No.PB01) or machine resonance suppression filter (parameter
No.PB13 to PB16) may be used to suppress machine resonance. Suppressing machine resonance may allow
the response level setting to increase. Refer to section 7.3 for filter tuning mode and machine resonance
suppression filter.
Setting of parameter No.PA09
Machine characteristic
Response level setting Machine rigidity Machine resonance
frequency guideline Guideline of corresponding machine
1 Low 10.0
2 11.3
3 12.7
4 14.3
5 16.1
6 18.1
7 20.4
8 23.0
9 25.9
10 29.2
11 32.9
12 37.0
13 41.7
14 47.0
15
52.9
16 Middle 59.6
17 67.1
18 75.6
19 85.2
20 95.9
21 108.0
22 121.7
23 137.1
24 154.4
25 173.9
26 195.9
27 220.6
28 248.5
29 279.9
30 315.3
31
355.1
32 High 400.0
Large conveyor
Arm robot
General machine
tool conveyor
Precision
working
machine
Inserter
Mounter
Bonder

6 - 7
6. GENERAL GAIN ADJUSTMENT
6.3 Manual mode 1 (simple manual adjustment)
If you are not satisfied with the adjustment of auto tuning, you can make simple manual adjustment with three
parameters.
POINT
If machine resonance occurs, filter tuning mode (parameter No.PB01) or
machine resonance suppression filter (parameter No.PB13 to PB16) may be
used to suppress machine resonance. (Refer to section 7.3.)
(1) For speed control
(a) Parameters
The following parameters are used for gain adjustment.
Parameter No. Abbreviation Name
PB06 GD2 Ratio of load inertia moment to servo motor inertia moment
PB07 PG1 Model loop gain
PB09 VG2 Speed loop gain
PB10 VIC Speed integral compensation
(b) Adjustment procedure
Step Operation Description
1 Brief-adjust with auto tuning. Refer to section 6.2.3.
2 Change the setting of auto tuning to the manual mode (Parameter
No.PA08: 0003).
3 Set an estimated value to the ratio of load inertia moment to servo motor
inertia moment. (If the estimate value with auto tuning is correct, setting
change is not required.)
4 Set a slightly smaller value to the model loop gain
Set a slightly larger value to the speed integral compensation.
5 Increase the speed loop gain within the vibration- and unusual noise-free
range, and return slightly if vibration takes place.
Increase the speed loop gain.
6 Decrease the speed integral compensation within the vibration-free range,
and return slightly if vibration takes place.
Decrease the time constant of the speed
integral compensation.
7 Increase the model loop gain, and return slightly if overshooting takes
place.
Increase the model loop gain.
8 If the gains cannot be increased due to mechanical system resonance or
the like and the desired response cannot be achieved, response may be
increased by suppressing resonance with filter tuning mode or machine
resonance suppression filter and then executing steps 2 and 3.
Suppression of machine resonance.
Refer to section 7.2, 7.3.
9 While checking the settling characteristic and rotational status, fine-adjust
each gain.
Fine adjustment

6 - 8
6. GENERAL GAIN ADJUSTMENT
(c)Adjustment description
1) Speed loop gain (parameter No.PB09)
This parameter determines the response level of the speed control loop. Increasing this value
enhances response but a too high value will make the mechanical system liable to vibrate. The actual
response frequency of the speed loop is as indicated in the following expression.
Speed loop gain setting
Speed loop response
frequency(Hz) (1 ratio of load inertia moment to servo motor inertia moment) 2
2) Speed integral compensation (VIC: parameter No.PB10)
To eliminate stationary deviation against a command, the speed control loop is under proportional
integral control. For the speed integral compensation, set the time constant of this integral control.
Increasing the setting lowers the response level. However, if the load inertia moment ratio is large or
the mechanical system has any vibratory element, the mechanical system is liable to vibrate unless
the setting is increased to some degree. The guideline is as indicated in the following expression.
2000 to 3000
Speed loop gain setting/ (1 ratio of load inertia moment to
servo motor inertia moment setting)
Speed integral compensation
setting(ms)
3) Model loop gain (PG1: Parameter No.PB07)
This parameter determines the response level to a position command. Increasing the model loop gain
improves track ability to a position command, but a too high value will make overshooting liable to
occur at the time of setting.
Model loop gain
guideline
Speed loop gain setting
(1 ratio of load inertia moment to servo motor inertia moment) to
1
4
1
8

6 - 9
6. GENERAL GAIN ADJUSTMENT
(2) For position control
(a) Parameters
The following parameters are used for gain adjustment.
Parameter No. Abbreviation Name
PB06 GD2 Ratio of load inertia moment to servo motor inertia moment
PB07 PG1 Model loop gain
PB08 PG2 Position loop gain
PB09 VG2 Speed loop gain
PB10 VIC Speed integral compensation
(b) Adjustment procedure
Step Operation Description
1 Brief-adjust with auto tuning. Refer to section 6.2.3.
2 Change the setting of auto tuning to the manual mode (Parameter
No.PA08: 0003).
3 Set an estimated value to the ratio of load inertia moment to servo motor
inertia moment. (If the estimate value with auto tuning is correct, setting
change is not required.)
4 Set a slightly smaller value to the model loop gain and the position loop
gain.
Set a slightly larger value to the speed integral compensation.
5 Increase the speed loop gain within the vibration- and unusual noise-free
range, and return slightly if vibration takes place.
Increase the speed loop gain.
6 Decrease the speed integral compensation within the vibration-free range,
and return slightly if vibration takes place.
Decrease the time constant of the speed
integral compensation.
7 Increase the position loop gain, and return slightly if vibration takes place. Increase the position loop gain.
8 Increase the model loop gain, and return slightly if overshooting takes
place.
Increase the position loop gain.
9 If the gains cannot be increased due to mechanical system resonance or
the like and the desired response cannot be achieved, response may be
increased by suppressing resonance with filter tuning mode or machine
resonance suppression filter and then executing steps 3 to 5.
Suppression of machine resonance.
Refer to section 7.2 7.3.
10 While checking the settling characteristic and rotational status, fine-adjust
each gain.
Fine adjustment

6 - 10
6. GENERAL GAIN ADJUSTMENT
(c) Adjustment description
1) Speed loop gain (VG2: parameter No.PB09)
This parameter determines the response level of the speed control loop. Increasing this value
enhances response but a too high value will make the mechanical system liable to vibrate. The actual
response frequency of the speed loop is as indicated in the following expression.
Speed loop gain 2 setting
Speed loop response
frequency(Hz) (1 ratio of load inertia moment to servo motor inertia moment) 2
2) Speed integral compensation (VIC: parameter No.PB10)
To eliminate stationary deviation against a command, the speed control loop is under proportional
integral control. For the speed integral compensation, set the time constant of this integral control.
Increasing the setting lowers the response level. However, if the load inertia moment ratio is large or
the mechanical system has any vibratory element, the mechanical system is liable to vibrate unless
the setting is increased to some degree. The guideline is as indicated in the following expression.
2000 to 3000
Speed loop gain 2 setting/
Speed integral compensation
setting(ms) (1 ratio of load inertia moment to
servo motor inertia moment 2 setting)
3) Model loop gain (PG1: Parameter No.PB07)
This parameter determines the response level to a position command. Increasing the model loop gain
improves track ability to a position command, but a too high value will make overshooting liable to
occur at the time of setting.
Model loop gain
guideline
Speed loop gain setting
(1 ratio of load inertia moment to servo motor inertia moment) to
1
4
1
8
4) Model loop gain (PG1: parameter No.PB07)
This parameter determines the response level to a position command. Increasing position loop gain 1
improves track ability to a position command but a too high value will make overshooting liable to
occur at the time of settling.
Model loop gain
guideline to
Speed loop gain 2 setting 1
4
1
8
(1 ratio of load inertia moment to servo motor inertia moment)

6 - 11
6. GENERAL GAIN ADJUSTMENT
6.4 Interpolation mode
The interpolation mode is used to match the position loop gains of the axes when performing the interpolation
operation of servo motors of two or more axes for an X-Y table or the like. In this mode, manually set the model
loop gain that determines command track ability. Other parameters for gain adjustment are set automatically.
(1) Parameter
(a) Automatically adjusted parameters
The following parameters are automatically adjusted by auto tuning.
Parameter No. Abbreviation Name
PB06 GD2 Ratio of load inertia moment to servo motor inertia moment
PB08 PG2 Position loop gain
PB09 VG2 Speed loop gain
PB10 VIC Speed integral compensation
(b) Manually adjusted parameters
The following parameters are adjustable manually.
Parameter No. Abbreviation Name
PB07 PG1 Model loop gain
(2) Adjustment procedure
Step Operation Description
1 Set to the auto tuning mode. Select the auto tuning mode 1.
2 During operation, increase the response level setting (parameter
No.PA09), and return the setting if vibration occurs. Adjustment in auto tuning mode 1.
3 Check the values of model loop gain. Check the upper setting limits.
4 Set the interpolation mode (parameter No.PA08: 0000). Select the interpolation mode.
5
Set the model loop gain of all the axes to be interpolated to the same
value. At that time, adjust to the setting value of the axis, which has the
smallest model loop gain.
Set position loop gain.
6 Looking at the interpolation characteristic and rotation status, fine-adjust
the gains and response level setting. Fine adjustment.
(3) Adjustment description
(a) Model loop gain (parameter No.PB07)
This parameter determines the response level of the position control loop. Increasing model loop gain
improves track ability to a position command but a too high value will make overshooting liable to occur
at the time of settling. The droop pulse value is determined by the following expression.
60
Rotation speed (r/min)
Model loop gain setting
Droop pulse value (pulse)
262144(pulse)

6 - 12
6. GENERAL GAIN ADJUSTMENT
6.5 Differences between MELSERVO-J2-Super and MELSERVO-J3 in auto tuning
To meet higher response demands, the MELSERVO-J3 series has been changed in response level setting
range from the MELSERVO-J2S-Super series. The following table lists comparison of the response level
setting.
MELSERVO-J2-Super MELSERVO-J3
Parameter No.9 setting Guideline for machine resonance
frequency [Hz] Parameter No.PA09 setting Guideline for machine resonance
frequency [Hz]
1 10.0
2 11.3
3 12.7
1 15 4 14.3
5 16.1
6 18.1
2 20 7 20.4
8 23.0
3 25 9 25.9
4 30 10 29.2
11 32.9
5 35 12 37.0
13 41.7
6 45 14 47.0
7 55 15 52.9
16 59.6
8 70 17 67.1
18 75.6
9 85 19 85.2
20 95.9
A 105 21 108.0
22 121.7
B 130 23 137.1
C 160 24 154.4
25 173.9
D 200 26 195.9
27 220.6
E 240 28 248.5
29 279.9
F 300 30 315.3
31 355.1
32 400.0
Note that because of a slight difference in gain adjustment pattern, response may not be the same if the
resonance frequency is set to the same value.

7 - 1
7. SPECIAL ADJUSTMENT FUNCTIONS
7. SPECIAL ADJUSTMENT FUNCTIONS
POINT
The functions given in this chapter need not be used generally. Use them if
you are not satisfied with the machine status after making adjustment in the
methods in chapter 7.
If a mechanical system has a natural resonance point, increasing the servo system response level may cause
the mechanical system to produce resonance (vibration or unusual noise) at that resonance frequency.
Using the machine resonance suppression filter and adaptive tuning can suppress the resonance of the
mechanical system.
7.1 Function block diagram
Parameter
No.PB23
Parameter
No.PB16
Parameter
No.PB01
Adaptive tuning
Manual setting
Speed
control
Machine resonance
suppression filter 2
Encoder
Current
command
Low-pass
filter
Servo
motor
Machine resonance
suppression filter
1
7.2 Adaptive filter
(1) Function
Adaptive filter (adaptive tuning) is a function in which the servo amplifier detects machine vibration for a
predetermined period of time and sets the filter characteristics automatically to suppress mechanical system
vibration. Since the filter characteristics (frequency, depth) are set automatically, you need not be conscious
of the resonance frequency of a mechanical system.
Mechanical
system
response
level
Mechanical
system
response
level
Machine resonance point Machine resonance point
Frequency Frequency
Notch
depth
Notch
depth
Notch frequency Notch frequency
Frequency Frequency
When machine resonance is large and frequency is low When machine resonance is small and frequency is high
POINT
The machine resonance frequency which adaptive tuning mode can respond
to is about 100 to 2.25kHz. Adaptive vibration suppression control has no
effect on the resonance frequency outside this range.
Adaptive vibration suppression control may provide no effect on a mechanical
system which has complex resonance characteristics.

7 - 2
7. SPECIAL ADJUSTMENT FUNCTIONS
(2) Parameters
The operation of adaptive tuning mode (parameter No.PB01).
Filter tuning mode selection
000
Parameter No.PB01
Setting Filter adjustment mode Automatically set parameter
0 Filter OFF (Note)
1 Filter tuning mode Parameter No.PB13
Parameter No.PB14
2 Manual mode
Note. Parameter No.PB19 and PB20 are fixed to the initial values.

7 - 3
7. SPECIAL ADJUSTMENT FUNCTIONS
(3) Adaptive tuning mode procedure
The response has increased to the
machine limit.
The machine is too complicated to
provide the optimum filter.
Factor
Adaptive tuning adjustment
Operation
Is the target response
reached?
Tuning ends automatically after the
predetermined period of time.
(Parameter No.PB01 turns to "0002"
or "0000".)
Decrease the response until vibration
or unusual noise is resolved.
End
Yes
No
No
Yes
Increase the response setting.
Has vibration or unusual noise
occurred?
Has vibration or unusual noise
been resolved?
Using the machine analyzer, set the
filter manually.
Yes
No
Execute or re-execute adaptive
tuning. (Set parameter No.PB01 to
"0001".)
If assumption fails after tuning is executed at
a large vibration or oscillation, decrease the
response setting temporarily down to the
vibration level and execute again.

7 - 4
7. SPECIAL ADJUSTMENT FUNCTIONS
POINT
"Filter OFF" enables a return to the factory-set initial value.
When adaptive tuning is executed, vibration sound increases as an excitation
signal is forcibly applied for several seconds.
When adaptive tuning is executed, machine resonance is detected for a
maximum of 10 seconds and a filter is generated. After filter generation, the
adaptive tuning mode automatically shifts to the manual mode.
Adaptive tuning generates the optimum filter with the currently set control
gains. If vibration occurs when the response setting is increased, execute
adaptive tuning again.
During adaptive tuning, a filter having the best notch depth at the set control
gain is generated. To allow a filter margin against machine resonance,
increase the notch depth in the manual mode.
7.3 Machine resonance suppression filter
(1) Function
The machine resonance suppression filter is a filter function (notch filter) which decreases the gain of the
specific frequency to suppress the resonance of the mechanical system. You can set the gain decreasing
frequency (notch frequency), gain decreasing depth and width.
Mechanical
system
response
level
Machine resonance point
Frequency
Notch
depth
Notch frequency Frequency
Notch width
Notch depth
You can use the machine resonance suppression filter 1 (parameter No.PB13, PB14) and machine
resonance suppression filter 2 (parameter No.PB15, PB16) to suppress the vibration of two resonance
frequencies. Execution of adaptive tuning in the filter tuning mode automatically adjusts the machine
resonance suppression filter. When adaptive tuning is ON, the adaptive tuning mode shifts to the manual
mode after the predetermined period of time. The manual mode enables manual setting using the machine
resonance suppression filter 1.
Mechanical
system
response
level
Machine resonance point
Frequency
Notch
depth
Parameter No.PB01,
PB13, PB14
Parameter No.PB15,
PB16
Frequency

7 - 5
7. SPECIAL ADJUSTMENT FUNCTIONS
(2) Parameters
(a) Machine resonance suppression filter 1 (parameter No.PB13, PB14)
Set the notch frequency, notch depth and notch width of the machine resonance suppression filter 1
(parameter No.PB13, PB14)
When you have made adaptive filter tuning mode (parameter No.PB01) "manual mode", set up the
machine resonance suppression filter 1 becomes effective.
POINT
The machine resonance suppression filter is a delay factor for the servo
system. Hence, vibration may increase if you set a wrong resonance
frequency or a too deep notch.
If the frequency of machine resonance is unknown, decrease the notch
frequency from higher to lower ones in order. The optimum notch frequency is
set at the point where vibration is minimal.
A deeper notch has a higher effect on machine resonance suppression but
increases a phase delay and may increase vibration.
A deeper notch has a higher effect on machine resonance suppression but
increases a phase delay and may increase vibration.
The machine characteristic can be grasped beforehand by the machine
analyzer on the MR Configurator. This allows the required notch frequency
and depth to be determined.

7 - 6
7. SPECIAL ADJUSTMENT FUNCTIONS
7.4 Advanced vibration suppression control
(1) Operation
Vibration suppression control is used to further suppress machine end vibration, such as workpiece end
vibration and base shake. The motor side operation is adjusted for positioning so that the machine does not
shake.
t t
Position
Position
Motor end
Machine end
Motor end
Machine end
Vibration suppression control OFF
(
Normal control
)
Vibration suppression control ON
When the advanced vibration suppression control (vibration suppression control tuning mode parameter
No.PB02) is executed, the vibration frequency at machine end can automatically be estimated to suppress
machine end vibration.
In the vibration suppression control tuning mode, this mode shifts to the manual mode after operation is
performed the predetermined number of times. The manual mode enables manual setting using the
vibration suppression control vibration frequency setting (parameter No.PB19) and vibration suppression
control resonance frequency setting (parameter No.PB20).
(2) Parameter
Select the operation of the vibration suppression control tuning mode (parameter No.PB02).
000
Parameter No.PB02
Vibration suppression control
tuning mode
Setting Vibration suppression control tuning mode Automatically set parameter
0 Vibration suppression control OFF (Note)
1 Vibration suppression control tuning mode
(Advanced vibration suppression control)
Parameter No.PB19
Parameter No.PB20
2 Manual mode
Note. Parameter No.PB19 and PB20 are fixed to the initial values.
POINT
The function is made valid when the auto tuning mode (parameter No.PA08)
is the auto tuning mode 2 ("0002") or manual mode ("0003").
The machine resonance frequency supported in the vibration suppression
control tuning mode is 1.0Hz to 100.0Hz. The function is not effective for
vibration outside this range.
Stop the motor before changing the vibration suppression control-related
parameters (parameter No.PB02, PB19, PB20, PB33, PB34). A failure to do
so will cause a shock.
For positioning operation during execution of vibration suppression control
tuning, provide a stop time to ensure a stop after full vibration damping.
Vibration suppression control tuning may not make normal estimation if the
residual vibration at the motor end is small.
Vibration suppression control tuning sets the optimum parameter with the
currently set control gains. When the response setting is increased, set
vibration suppression control tuning again.

7 - 7
7. SPECIAL ADJUSTMENT FUNCTIONS
(3) Vibration suppression control tuning mode procedure
No
Estimation cannot be made as
machine end vibration has not been
transmitted to the motor end.
The response of the model loop gain
has increased to the machine end
vibration frequency (vibration
suppression control limit).
Vibration suppression control
tuning adjustment
Operation
Is the target response
reached?
Execute or re-execute vibration
suppression control tuning. (Set
parameter No.PB02 to "0001".)
Decrease the response until vibration
of workpiece end/device is resolved.
End
Yes
No
No
Yes
Increase the response setting.
Has vibration of workpiece
end/device increased?
Has vibration of workpiece
end/device been resolved?
Using the machine analyzer or from
machine end vibration waveform, set
the vibration suppression control
manually.
Factor
Yes
Tuning ends automatically after
operation is performed the
predetermined number of times.
(Parameter No.PB02 turns to "0002"
or "0000".)
Stop operation.
Resume operation.

7 - 8
7. SPECIAL ADJUSTMENT FUNCTIONS
(4) Vibration suppression control manual mode
Measure work end vibration and device shake with the machine analyzer or external measuring instrument,
and set the vibration suppression control vibration frequency (parameter No.PB19) and vibration
suppression control resonance frequency (parameter No.PB20) to set vibration suppression control
manually.
(a) When a vibration peak can be confirmed using MR Configurator, machine analyzer or external FFT
equipment
1Hz
-90deg.
100Hz
Gain characteristic
Phase
Vibration suppression control
vibration frequency
(Anti-resonance frequency)
Parameter No.PB19
Vibration suppression
control resonance
frequency
Parameter No.PB20
Resonance of more
than 100Hz is not the
target of control.
(b) When vibration can be confirmed using monitor signal or external sensor
t t
Motor end vibration
(Droop pulses)
Position command frequency
Vibration cycle [Hz]
Vibration suppression control
vibration frequency
Vibration suppression control
resonance frequency
Set the same value.
External acceleration pick signal, etc.
Vibration cycle [Hz]

7 - 9
7. SPECIAL ADJUSTMENT FUNCTIONS
POINT
When machine end vibration does not show up in motor end vibration, the
setting of the motor end vibration frequency does not produce an effect.
When the anti-resonance frequency and resonance frequency can be
confirmed using the machine analyzer or external FFT device, do not set the
same value but set different values to improve the vibration suppression
performance.
A vibration suppression control effect is not produced if the relationship
between the model loop gain (parameter No.PB07) value and vibration
frequency is as indicated below. Make setting after decreasing PG1, e.g.
reduce the response setting.
2
1
(1.5 PG1) vibration frequenc
y

7 - 10
7. SPECIAL ADJUSTMENT FUNCTIONS
7.5 Low-pass filter
(1) Function
When a ball screw or the like is used, resonance of high frequency may occur as the response level of the
servo system is increased. To prevent this, the low-pass filter is factory-set to be valid for a torque
command. The filter frequency of this low-pass filter is automatically adjusted to the value in the following
expression.
Filter frequency(rad/s) 1 + GD2
VG2 10
When parameter No.PB23 is set to " 1 ", manual setting can be made with parameter No.PB18.
(2) Parameter
Set the operation of the low-pass filter selection (parameter No.PB23.)
Parameter No.PB23
Low-pass filter selection
0: Automatic setting (initial value)
1: Manual setting (parameter No.PB18 setting)
7.6 Gain changing function
This function can change the gains. You can change between gains during rotation and gains during stop or
can use an input device to change gains during operation.
7.6.1 Applications
This function is used when.
(1) You want to increase the gains during servo lock but decrease the gains to reduce noise during rotation.
(2) You want to increase the gains during settling to shorten the stop settling time.
(3) You want to change the gains using an input device to ensure stability of the servo system since the load
inertia moment ratio varies greatly during a stop (e.g. a large load is mounted on a carrier).

7 - 11
7. SPECIAL ADJUSTMENT FUNCTIONS
7.6.2 Function block diagram
The valid loop gains PG2, VG2, VIC and GD2 of the actual loop are changed according to the conditions
selected by gain changing selection CDP (parameter No.PB26) and gain changing condition CDS (parameter
No.PB27).
GD2
Parameter No.PB06
GD2B
Parameter No.PB29
PG2
Parameter No.PB08
PG2B
Parameter No.PB30
VG2
Parameter No.PB09
VG2B
Parameter No.PB31
VIC
Parameter No.PB10
VICB
Parameter No.PB32
CDS
Parameter No.PB27
VRF1
Parameter No.PB19
VRF1B
Parameter No.PB33
VRF2
Parameter No.PB20
VRF2B
Parameter No.PB34
Command pulse
frequency
Droop pulses
Model speed
Control
command of
controller
Comparator
Changing
Valid
GD2 value
Valid
PG2 value
Valid
VG2 value
Valid
VIC value
Valid
VRF1 value
Valid
VRF2 value
CDP
Parameter No.PB26

7 - 12
7. SPECIAL ADJUSTMENT FUNCTIONS
7.6.3 Parameters
When using the gain changing function, always set " 3" in parameter No.PA08 (auto tuning) to choose the
manual mode of the gain adjustment modes. The gain changing function cannot be used in the auto tuning
mode.
Parameter No. Abbreviation Name Unit Description
PB06 GD2
Ratio of load inertia moment to
servo motor inertia moment
Multi-
plier
(1)
Control parameters before changing
PB07 PG1 Model loop gain rad/s Position and speed gains of a model used to set the
response level to a command. Always valid.
PB08 PG2 Position loop gain rad/s
PB09 VG2 Speed loop gain rad/s
PB10 VIC Speed integral compensation ms
PB29 GD2B
Gain changing ratio of load inertia
moment to servo motor inertia
moment
Multi-
plier
(1)
Used to set the ratio of load inertia moment to servo motor
inertia moment after changing.
PB30 PG2B Gain changing position loop gain 2 rad/s Used to set the value of the after-changing position loop
gain 2.
PB31 VG2B Gain changing speed loop gain 2 rad/s Used to set the value of the after-changing speed loop
gain.
PB32 VICB
Gain changing speed integral
compensation ms Used to set the value of the after-changing speed integral
compensation.
PB26 CDP Gain changing selection Used to select the changing condition.
PB27 CDS Gain changing condition
kpps
pulse
r/min
Used to set the changing condition values.
PB28 CDT Gain changing time constant ms You can set the filter time constant for a gain change at
changing.
PB33 VRF1B
Gain changing vibration suppression
control vibration frequency setting Hz Used to set the value of the after-changing vibration
suppression control vibration frequency setting.
PB34 VRF2B
Gain changing vibration suppression
control resonance frequency setting Hz Used to set the value of the after-changing vibration
suppression control resonance frequency setting.

7 - 13
7. SPECIAL ADJUSTMENT FUNCTIONS
(1) Parameters No.PB06 to PB10
These parameters are the same as in ordinary manual adjustment. Gain changing allows the values of
ratio of load inertia moment to servo motor inertia moment, position loop gain, speed loop gain and speed
integral compensation to be changed.
(2) Gain changing ratio of load inertia moment to servo motor inertia moment (GD2B: parameter No.PB29)
Set the ratio of load inertia moment to servo motor inertia moment after changing. If the load inertia moment
ratio does not change, set it to the same value as ratio of load inertia moment to servo motor inertia moment
(parameter No.PB06).
(3) Gain changing position loop gain (parameter No.PB30), Gain changing speed loop gain (parameter
No.PB31), Gain changing speed integral compensation (parameter No.PB32)
Set the values of after-changing position loop gain, speed loop gain and speed integral compensation.
(4) Gain changing selection (parameter No.PB26)
Used to set the gain changing condition. Choose the changing condition in the first digit and second digit. If
you set "1" in the first digit here, you can use the control command from controller is valid for gain changing.
Gain changing selection
Under any of the following conditions, the gains
change on the basis of the parameter No.PB29 to
PB32 settings.
0: Invalid
1: Control command from controller is valid
2: Command frequency (Parameter No.PB27 setting)
3: Droop pulse value (Parameter No.PB27 setting)
4: Servo motor speed (Parameter No.PB27 setting)
00
Gain changing condition
0: Valid at more than condition (Valid with ON for control command from controller.)
1: Valid at less than condition (Valid with OFF for control command from controller.)
(5) Gain changing condition (parameter No.PB27)
When you selected "command frequency", "droop pulses" or "servo motor speed" in gain changing
selection (parameter No.PB26), set the gain changing level.
The setting unit is as follows.
Gain changing condition Unit
Command frequency kpps
Droop pulses pulse
Servo motor speed r/min
(6) Gain changing time constant (parameter No.PB28)
You can set the primary delay filter to each gain at gain changing. This parameter is used to suppress
shock given to the machine if the gain difference is large at gain changing, for example.

7 - 14
7. SPECIAL ADJUSTMENT FUNCTIONS
7.6.4 Gain changing operation
This operation will be described by way of setting examples.
(1) When you choose changing by input device
(a) Setting
Parameter No. Abbreviation Name Setting Unit
PB07 PG1 Model loop gain 100 rad/s
PB06 GD2
Ratio of load inertia moment to servo motor
inertia moment 4.0 Multiplier
(1)
PB08 PG2 Position loop gain 120 rad/s
PB09 VG2 Speed loop gain 3000 rad/s
PB10 VIC Speed integral compensation 20 Ms
PB29 GD2B
Gain changing ratio of load inertia moment
to servo motor inertia moment 10.0 Multiplier
(1)
PB30 PG2B Gain changing position loop gain 84 rad/s
PB31 VG2B Gain changing speed loop gain 4000 rad/s
PB32 VICB Gain changing speed integral compensation 50 ms
PB26 CDP Gain changing selection 0001
(Changed by ON/OFF of input device)
PB28 CDT Gain changing time constant 100 ms
PB33 VRF1B
Gain changing vibration suppression control
vibration frequency setting
Used to set the value of the after-changing
vibration suppression control vibration
frequency setting.
Hz
PB34 VRF2B
Gain changing vibration suppression control
resonance frequency setting
Used to set the value of the after-changing
vibration suppression control resonance
frequency setting.
Hz
(b) Changing operation
OFF ON OFF
Control command
of controller
Change of
each gain
Before-changing gain
After-changing gain
CDT 100ms
Model loop gain 1 100
Ratio of load inertia moment
to servo motor inertia moment 4.0 10.0 4.0
Position loop gain 120 84 120
Speed loop gain 3000 4000 3000
Speed integral compensation 20 50 20

7 - 15
7. SPECIAL ADJUSTMENT FUNCTIONS
(2) When you choose changing by droop pulses
(a) Setting
Parameter No. Abbreviation Name Setting Unit
PB07 PG1 Model loop gain 100 rad/s
PB06 GD2
Ratio of load inertia moment to servo motor
inertia moment 4.0 Multiplier
(1)
PB08 PG2 Position loop gain 120 rad/s
PB09 VG2 Speed loop gain 3000 rad/s
PB10 VIC Speed integral compensation 20 ms
PB29 GD2B
Gain changing ratio of load inertia moment to
servo motor inertia moment 10.0 Multiplier
(1)
PB30 PG2B Gain changing position loop gain 84 rad/s
PB31 VG2B Gain changing speed loop gain 4000 rad/s
PB32 VICB Gain changing speed integral compensation 50 ms
PB26 CDP Gain changing selection 0003
(Changed by droop pulses)
PB27 CDS Gain changing condition 50 pulse
PB28 CDT Gain changing time constant 100 ms
(b) Changing operation
CDT 100ms
0
Droop pulses [pulses]
Change of each gain
CDS
CDS
Before-changing gain
After-changing gain
Command pulse Droop pulses
Model loop gain 100
Ratio of load inertia moment
to servo motor inertia moment 4.0 10.0 4.0 10.0
Position loop gain 120 84 120 84
Speed loop gain 3000 4000 3000 4000
Speed integral compensation 20 50 20 50

7 - 16
7. SPECIAL ADJUSTMENT FUNCTIONS
MEMO

8 - 1
8. TROUBLESHOOTING
8. TROUBLESHOOTING
POINT
As soon as an alarm occurs, make the Servo off status and interrupt the main
circuit power.
If an alarm/warning has occurred, refer to this chapter and remove its cause.
8.1 Alarms and warning list
When a fault occurs during operation, the corresponding alarm or warning is displayed. If any alarm or warning
has occurred, refer to section 8.2 or 8.3 and take the appropriate action. When an alarm occurs, the ALM turns
OFF.
After its cause has been removed, the alarm can be deactivated in any of the methods marked in the alarm
deactivation column. The alarm is automatically canceled after removing the cause of occurrence.
Alarm deactivation Display Name
Display Name Power Error CPU 92 Battery cable disconnection warning
OFF ON reset reset 96 Home position setting warning
10 Undervoltage 9F Battery warning
12 Memory error 1 (RAM) E0 Excessive regeneration warning
13 Clock error E1 Overload warning 1
15 Memory error 2 (EEP-ROM) E3 Absolute position counter warning
16 Encoder error 1 (At power on) E4 Parameter warning
17 Board error E6 Servo forced stop warning
19 Memory error 3 (Flash-ROM) E7 Controller forced stop warning
1A Motor combination error E8 Cooling fan speed reduction warning
20 Encoder error 2 E9 Main circuit off warning
24 Main circuit error EC Overload warning 2
25 Absolute position erase
Warnings
ED Output watt excess warning
30 Regenerative error (Note 1)
(Note 1)
(Note 1)
31 Overspeed
32 Overcurrent
33 Overvoltage
34 Receive error 1 (Note 2)
35 Command frequency error
36 Receive error 2
37 Parameter error
45 Main circuit device overheat (Note 1)
(Note 1)
(Note 1)
46 Servo motor overheat (Note 1)
(Note 1)
(Note 1)
47 Cooling fan error
50 Overload 1 (Note 1)
(Note 1)
(Note 1)
51 Overload 2 (Note 1)
(Note 1)
(Note 1)
52 Error excessive
8A USB communication time-out error
8E USB communication error
Alarms
888 Watchdog
Note 1. Deactivate the alarm about 30 minutes of cooling time after removing the cause of occurrence.
2. In some controller communication status, the alarm factor may not be removed.

8 - 2
8. TROUBLESHOOTING
8.2 Remedies for alarms
CAUTION
When any alarm has occurred, eliminate its cause, ensure safety, then reset the
alarm, and restart operation. Otherwise, injury may occur.
If an absolute position erase (25) occurred, always make home position setting
again. Not doing so may cause unexpected operation.
As soon as an alarm occurs, mark Servo-off and power off the main circuit and
control circuit.
POINT
When any of the following alarms has occurred, do not deactivate the alarm
and resume operation repeatedly. To do so will cause the servo amplifier/servo
motor to fail. Remove the cause of occurrence, and leave a cooling time of
more than 30 minutes before resuming operation. To protect the main circuit
elements, any of these servo alarms cannot be deactivated from the servo
system controller until the specified time elapses after its occurrence. Judging
the load changing condition until the alarm occurs, the servo amplifier
calculates this specified time automatically.
Regenerative error (30)
Overload 1 (50)
Overload 2 (51)
The alarm can be deactivated by switching power off, then on or by the error
reset command CPU reset from the servo system controller. For details, refer
to section 8.1.
When an alarm occurs, the trouble (ALM) switches off and the dynamic brake is operated to stop the servo
motor. At this time, the display indicates the alarm No.
The servo motor comes to a stop. Remove the cause of the alarm in accordance with this section. Use the MR
Configurator to refer to a factor of alarm occurrence.
Display Name Definition Cause Action
1. Power supply voltage is low.
2. There was an instantaneous control
power failure of 60ms or longer.
3. Shortage of power supply capacity
caused the power supply voltage to
drop at start, etc.
4. The bus voltage dropped to the
following value or less.
MR-J3- B: 200VDC
MR-J3- B1: 158VDC
MR-J3- B4: 380VDC
Check the power supply.
10 Undervoltage Power supply voltage
dropped.
MR-J3- B:
160VAC or less
MR-J3- B1:
83VAC or less
MR-J3- B4:
280VAC or less
5. Faulty parts in the servo amplifier
Checking method
Alarm (10) occurs if power is
switched on after disconnection
of all cables but the control
circuit power supply cables.
Change the servo amplifier.

8 - 3
8. TROUBLESHOOTING
Display Name Definition Cause Action
12 Memory error 1
(RAM)
RAM, memory fault
Printed board fault
Faulty parts in the servo amplifier
Checking method
Alarm (any of 12 and 13)
occurs if power is switched on
after disconnection of all cables
but the control circuit power
supply cables.
Change the servo amplifier.
13 Clock error
Clock error
transmitted from the
controller
Faulty controller
Checking method
Alarm (13) occurs, if servo
controller is used in multiple CPU
system.
Change the servo system controller.
1. Faulty parts in the servo amplifier
Checking method
Alarm (15)
occurs if power is switched on
after disconnection of all cables
but the control circuit power
supply cables.
15 Memory error 2
(EEP-ROM)
EEP-ROM fault
2. The number of write times to EEP-
ROM exceeded 100,000.
Change the servo amplifier.
1. Encoder connector (CN2)
disconnected.
Connect correctly.
2. Encoder fault Change the servo motor.
3. Encoder cable faulty
(Wire breakage or shorted)
Repair or change the cable.
16 Encoder error 1
(At power on)
Communication error
occurred between
encoder and servo
amplifier.
4. Encoder cable type (2-wire, 4-wire)
selection was wrong in parameter
setting.
Correct the setting in the fourth digit of
parameter No.PC04.
17 Board error 2 CPU/parts fault
19 Memory error 3
(Flash ROM)
ROM memory fault
Faulty parts in the servo amplifier
Checking method
Alarm (17 or 19) occurs if
power is switched on after
disconnection of all cables but the
control circuit power supply cable.
Change the servo amplifier.
1A Motor
combination
error
Wrong combination
of servo amplifier
and servo motor.
Wrong combination of servo amplifier
and servo motor connected.
Use correct combination.
1. Encoder connector (CN2)
disconnected.
Connect correctly.
2. Encoder cable faulty
(Wire breakage or shorted)
Repair or change the cable.
20 Encoder error 2 Communication error
occurred between
encoder and servo
amplifier.
3. Encoder fault Change the servo motor.
1. Power input wires and servo motor
power wires are in contact.
Connect correctly.
2. Sheathes of servo motor power
cables deteriorated, resulting in
ground fault.
Change the cable.
24 Main circuit error Ground fault
occurred at the servo
motor power (U,V
and W phases) of
the servo amplifier.
3. Main circuit of servo amplifier failed.
Checking method
Alarm (24) occurs if the servo is
switched on after disconnecting
the U, V, W power cables from
the servo amplifier.
Change the servo amplifier.
1. Voltage drop in encoder
(Battery disconnected.)
After leaving the alarm occurring for a few
minutes, switch power off, then on again.
Always make home position setting again.
2. Battery voltage low
Absolute position
data in error
3. Battery cable or battery is faulty.
Change the battery.
Always make home position setting again.
25 Absolute
position erase
Power was switched
on for the first time in
the absolute position
detection system.
4. Home position not set. After leaving the alarm occurring for a few
minutes, switch power off, then on again.
Always make home position setting again.

8 - 4
8. TROUBLESHOOTING
Display Name Definition Cause Action
1. Wrong setting of parameter No.
PA02
Set correctly.
2. Built-in regenerative resistor or
regenerative option is not
connected.
Connect correctly.
3. High-duty operation or continuous
regenerative operation caused the
permissible regenerative power of
the regenerative option to be
exceeded.
Checking method
Call the status display and check
the regenerative load ratio.
1. Reduce the frequency of positioning.
2. Use the regenerative option of larger
capacity.
3. Reduce the load.
4. Power supply voltage is abnormal.
MR-J3- B:260VAC or more
MR-J3- B1:More than 135VAC
MR-J3- B4: 535VAC or more
Check the power supply.
Permissible
regenerative power
of the built-in
regenerative resistor
or regenerative
option is exceeded.
5. Built-in regenerative resistor or
regenerative option faulty.
Change the servo amplifier or regenerative
option.
30 Regenerative
error
Regenerative
transistor fault 6. Regenerative transistor faulty.
Checking method
1) The regenerative option has
overheated abnormally.
2) The alarm occurs even after
removal of the built-in
regenerative resistor or
regenerative option.
Change the servo amplifier.
1. Small acceleration/deceleration time
constant caused overshoot to be
large.
Increase acceleration/deceleration time
constant.
2. Servo system is instable to cause
overshoot.
1. Re-set servo gain to proper value.
2. If servo gain cannot be set to proper
value.
1) Reduce load inertia moment ratio; or
2) Reexamine acceleration/
deceleration time constant.
31 Overspeed Speed has exceeded
the instantaneous
permissible speed.
3. Encoder faulty. Change the servo motor.
32 Overcurrent 1. Short occurred in servo motor power
(U, V, W).
Correct the wiring.
2. Transistor (IPM IGBT) of the servo
amplifier faulty.
Checking method
Alarm (32) occurs if power is
switched on after U,V and W are
disconnected.
Change the servo amplifier.
3. Ground fault occurred in servo
motor power (U, V, W).
Correct the wiring.
Current that flew is
higher than the
permissible current of
the servo amplifier.
(If the alarm (32)
occurs again when
turning ON the servo
after resetting the
alarm by turning
OFF/ON the power
when the alarm (32)
first occurred, the
transistor (IPM
IGBT) of the servo
amplifier may be at
fault. In the case, do
not repeat to turn
OFF/ON the power.
Check the transistor
with the checking
method of “Cause
2”.)
4. External noise caused the
overcurrent detection circuit to
misoperate.
Take noise suppression measures.

8 - 5
8. TROUBLESHOOTING
Display Name Definition Cause Action
1. Regenerative option is not used. Use the regenerative option.
2. Though the regenerative option is
used, the parameter No.PA02
setting is " 00 (not used)".
Set correctly.
3. Lead of built-in regenerative resistor
or regenerative option is open or
disconnected.
1. Change the lead.
2. Connect correctly.
4. Regenerative transistor faulty. Change the servo amplifier.
5. Wire breakage of built-in
regenerative resistor or regenerative
option
1. For wire breakage of built-in regenerative
resistor, change the servo amplifier.
2. For wire breakage of regenerative option,
change the regenerative option.
6. Capacity of built-in regenerative
resistor or regenerative option is
insufficient.
Add regenerative option or increase
capacity.
7. Power supply voltage high. Check the power supply.
33 Overvoltage The following shows
the input value of
converter bus
voltage.
MR-J3- B(1):
400VDC or more
MR-J3- B4:
800VDC or more
8. Ground fault occurred in servo
motor power (U, V, W).
Correct the wiring.
9. The jumper across BUE-SD of the
FR-BU2 brake unit is removed.
Fit the jumper across BUE-SD.
1. The SSCNET cable is
disconnected.
Connect it after turning off the control circuit
power supply for servo amplifier.
2. The surface at the end of SSCNET
cable got dirty.
Wipe dirt at the surface away. (Refer to
section 3.9)
3. The SSCNET cable is broken or
severed.
Change the cable.
34 Receive error 1 SSCNET
communication error
(Continuously
communication error
with about 3.5ms
interval.)
4. Noise entered the servo amplifier. Take noise suppression measures.
5. Optical characteristic of SSCNET
cable deteriorated because vinyl
tape and/or wire sheath, which
contains migrating plasticizer,
adhered to the cable.
Remove the vinyl tape and/or wire sheath,
which contains migrating plasticizer, and
exchange the cable.
1. Command given is greater than the
maximum speed of the servo motor.
Check operation program.
2. Servo system controller failure. Change the servo system controller.
3. Noise entered the servo amplifier. Take noise of I/O signal suppression
measures.
35 Command
frequency error
Input pulse frequency
of command pulse is
too high.
4. Noise entered the controller. Take noise from the controller suppression
measures.
1. The SSCNET cable is
disconnected.
Connect it after turning off the control circuit
power supply for servo amplifier.
2. The surface at the end of SSCNET
cable got dirty.
Wipe dirt away from the surface. (Refer to
section 3.9)
3. The SSCNET cable is broken or
severed.
Change the cable.
36 Receive error 2 SSCNET
communication error
(Intermittently
communication error
with about 70ms
interval.)
4. Noise entered the servo amplifier. Take noise suppression measures.
5. Optical characteristic of SSCNET
cable deteriorated because vinyl
tape and/or wire sheath, which
contains migrating plasticizer,
adhered to the cable.
Remove the vinyl tape and/or wire sheath,
which contains migrating plasticizer, and
exchange the cable.

8 - 6
8. TROUBLESHOOTING
Display Name Definition Cause Action
1. Servo amplifier fault caused the
parameter setting to be rewritten.
Change the servo amplifier.
2. There is a parameter whose value
was set to outside the setting range
by the controller.
Change the parameter value to within the
setting range.
37 Parameter error Parameter setting is
wrong.
3. The number of write times to EEP-
ROM exceeded 100,000 due to
parameter write, etc.
Change the servo amplifier.
1. Servo amplifier faulty. Change the servo amplifier.
2. The power supply was turned on
and off continuously by overloaded
status.
The drive method is reviewed.
3. Ambient temperature of servo motor
is over 55 .
Check environment so that ambient
temperature is 0 to 55 .
45 Main circuit
device overheat
Main circuit device
overheat
4. Used beyond the specifications of
close mounting.
Use within the range of specifications.
1. Ambient temperature of servo motor
is over 40 .
Check environment so that ambient
temperature is 0 to 40 .
2. Servo motor is overloaded. 1. Reduce load.
2. Check operation pattern.
3. Use servo motor that provides larger
output.
46 Servo motor
overheat
Servo motor
temperature rise
actuated the thermal
sensor.
3. Thermal sensor in encoder is faulty. Change the servo motor.
1. Cooling fan life expiration (Refer to
section 2.5.)
Change the cooling fan of the servo
amplifier.
2. Foreign matter caught in the cooling
fan stopped rotation.
Remove the foreign matter.
47 Cooling fan
error
The cooling fan of
the servo amplifier
stopped, or its speed
decreased to or
below the alarm
level. 3. The power supply of the cooling fan
failed.
Change the servo amplifier.
1. Servo amplifier is used in excess
of its continuous output current.
1. Reduce load.
2. Check operation pattern.
3. Use servo motor that provides larger
output.
2. Servo system is instable and
hunting.
1. Repeat acceleration/
deceleration to execute auto tuning.
2. Change the auto tuning response setting.
3. Set auto tuning to OFF and make gain
adjustment manually.
3. Machine struck something. 1. Check operation pattern.
2. Install limit switches.
4. Wrong connection of servo motor.
Servo amplifier's output terminals U,
V, W do not match servo motor's
input terminals U, V, W.
Connect correctly.
50 Overload 1 Load exceeded
overload protection
characteristic of
servo amplifier.
5. Encoder faulty.
Checking method
When the servo motor shaft is
rotated with the servo off, the
cumulative feedback pulses do not
vary in proportion to the rotary angle
of the shaft but the indication skips
or returns midway.
Change the servo motor.
6. After Overload 2 (51) occurred, turn
OFF/ON the power supply to clear
the alarm. Then the overload
operation is repeated.
1. Reduce load.
2. Check operation pattern.
3. Use servo motor that provides larger
output.

8 - 7
8. TROUBLESHOOTING
Display Name Definition Cause Action
1. Machine struck something. 1. Check operation pattern.
2. Install limit switches.
2. Wrong connection of servo motor.
Servo amplifier's output terminals U,
V, W do not match servo motor's
input terminals U, V, W.
Connect correctly.
3. Servo system is instable and
hunting.
1. Repeat acceleration/deceleration to
execute auto tuning.
2. Change the auto tuning response setting.
3. Set auto tuning to OFF and make gain
adjustment manually.
51 Overload 2 Machine collision or
the like caused max.
For the time of the
alarm occurrence,
refer to the section
10.1.
4. Encoder faulty.
Checking method
When the servo motor shaft is
rotated with the servo off, the
cumulative feedback pulses do not
vary in proportion to the rotary angle
of the shaft but the indication skips
or returns midway.
Change the servo motor.
1. Acceleration/deceleration time
constant is too small.
Increase the acceleration/deceleration time
constant.
2. Torque limit value set with controller
is too small.
Increase the torque limit value.
3. Motor cannot be started due to
torque shortage caused by power
supply voltage drop.
1. Check the power supply capacity.
2. Use servo motor which provides larger
output.
4. Position loop gain 1 (parameter
No.PB08) value is small.
Increase set value and adjust to ensure
proper operation.
5. Servo motor shaft was rotated by
external force.
1. When torque is limited, increase the limit
value.
2. Reduce load.
3. Use servo motor that provides larger
output.
6. Machine struck something. 1. Check operation pattern.
2. Install limit switches.
7. Encoder faulty Change the servo motor.
8. Wrong connection of servo motor.
Servo amplifier's output terminals U,
V, W do not match servo motor's
input terminals U, V, W.
Connect correctly.
52 Error excessive The deviation
between the model
position and the
actual servo motor
position exceeds the
parameter No.PC01
setting value (initial
value: 3 revolutions).
9. SSCNET cable fault Change the SSCNET cable.
10. Optical characteristic of SSCNET
cable deteriorated because vinyl
tape and/or wire sheath, which
contains migrating plasticizer,
adhered to the cable.
Remove the vinyl tape and/or wire sheath,
which contains migrating plasticizer, and
exchange the cable.
8A USB
communication
time-out error
Communication with
MR Configurator in
test operation mode
stopped for longer
than the specified
time.
1. USB cable breakage. Change the USB cable.
1. USB cable fault
(Open cable or short circuit)
Change the USB cable. 8E USB
communication
error
Serial communication
error occurred
between servo
amplifier and
communication
device (e.g. personal
computer).
2. Communication device (e.g.
personal computer) faulty
Change the communication device (e.g.
personal computer).

8 - 8
8. TROUBLESHOOTING
Display Name Definition Cause Action
(Note)
888
Watchdog CPU, parts faulty Fault of parts in servo amplifier
Checking method
Alarm (888) occurs if power is
switched on after disconnection of
all cables but the control circuit
power supply cable.
Change the servo amplifier.
Note. At power-on, "888" appears instantaneously, but it is not an error.
8.3 Remedies for warnings
CAUTION If an absolute position counter warning (E3) occurred, always make home position
setting again. Not doing so may cause unexpected operation.
POINT
When any of the following alarms has occurred, do not resume operation by
switching power of the servo amplifier OFF/ON repeatedly. The servo amplifier
and servo motor may become faulty. If the power of the servo amplifier is
switched OFF/ON during the alarms, allow more than 30 minutes for cooling
before resuming operation.
Excessive regenerative warning (E0)
Overload warning 1 (E1)
If E6, E7 or E9 occurs, the servo off status is established. If any other warning occurs, operation can be
continued but an alarm may take place or proper operation may not be performed.
Remove the cause of warning according to this section. Use the MR Configurator to refer to a factor of warning
occurrence.
Display Name Definition Cause Action
1. Battery cable is open. Repair cable or changed. 92 Battery cable
disconnection
warning
Absolute position detection
system battery voltage is
low.
2. Battery voltage supplied from the servo
amplifier to the encoder fell to about 3V or
less.
(Detected with the encoder)
Change the battery.
1. Droop pulses remaining are greater than
the in-position range setting.
Remove the cause of droop pulse
occurrence
2. Command pulse entered after clearing of
droop pulses.
Do not enter command pulse
after clearing of droop pulses.
96 Home position
setting warning
Home position setting
could not be made.
3. Creep speed high. Reduce creep speed.
9F Battery warning Voltage of battery for
absolute position detection
system reduced.
Battery voltage fell to 3.2V or less.
(Detected with the servo amplifier)
Change the battery.
E0 Excessive
regeneration
warning
There is a possibility that
regenerative power may
exceed permissible
regenerative power of
built-in regenerative
resistor or regenerative
option.
Regenerative power increased to 85% or
more of permissible regenerative power of
built-in regenerative resistor or regenerative
option.
Checking method
Call the status display and check
regenerative load ratio.
1. Reduce frequency of
positioning.
2. Change the regenerative
option for the one with larger
capacity.
3. Reduce load.

8 - 9
8. TROUBLESHOOTING
Display Name Definition Cause Action
E1 Overload warning
1
There is a possibility that
overload alarm 1 or 2 may
occur.
Load increased to 85% or more of overload
alarm 1 or 2 occurrence level.
Cause, checking method
Refer to 50,51.
Refer to 50, 51.
E3 Absolute position
counter warning
Absolute position encoder
pulses faulty.
1. Noise entered the encoder. Take noise suppression
measures.
2. Encoder faulty. Change the servo motor.
The multi-revolution
counter value of the
absolute position encoder
exceeded the maximum
revolution range.
3. The movement amount from the home
position exceeded a 32767 rotation or
37268 rotation in succession.
Make home position setting
again.
E4 Parameter
warning
Parameter outside setting
range
Parameter value set from servo system
controller is outside setting range
Set it correctly.
E6 Servo forced stop
warning
EM1 is off. External forced stop was made valid. (EM1
was turned off.)
Ensure safety and deactivate
forced stop.
E7 Controller forced
stop warning
Forced stop signal was entered into the
servo system controller.
Ensure safety and deactivate
forced stop.
Cooling fan life expiration (Refer to section
2.5.)
Change the cooling fan of the
servo amplifier.
E8 Cooling fan speed
reduction warning
The speed of the servo
amplifier decreased to or
below the warning level.
This warning is not
displayed with MR-J3-
70B/100B among servo
amplifiers equipped with a
cooling fan.
The power supply of the cooling fan is
broken.
Change the servo amplifier.
E9 Main circuit off
warning
Servo-on command was
issued with main circuit
power off.
Switch on main circuit power.
EC Overload warning
2
Operation, in which a
current exceeding the
rating flew intensively in
any of the U, V and W
phases of the servo motor,
was repeated.
During a stop, the status in which a current
flew intensively in any of the U, V and W
phases of the servo motor occurred
repeatedly, exceeding the warning level.
1. Reduce the positioning
frequency at the specific
positioning address.
2. Reduce the load.
3. Replace the servo amplifier/
servo motor with the one of
larger capacity.
ED Output watt
excess warning
The status, in which the
output wattage (speed
torque) of the servo motor
exceeded the rated output,
continued steadily.
Continuous operation was performed with
the output wattage (speed torque) of the
servo motor exceeding 150% of the rated
output.
1. Reduce the servo motor
speed.
2. Reduce the load.

8 - 10
8. TROUBLESHOOTING
MEMO

9 - 1
9. OUTLINE DRAWINGS
9. OUTLINE DRAWINGS
9.1 Servo amplifier
(1) MR-J3-10B MR-J3-20B
MR-J3-10B1 MR-J3-20B1
[Unit: mm]
135
168
161
156
6
6
4
6
6
40
Approx.80
CNP1
CNP3
CNP2
Approx.14
Approx.
25.5
Approx.68
With MR-J3BAT
(Note)
(Note)
6 mounting hole
Note. This data applies to the 3-phase or 1-phase 200 to 230VAC power supply models.
For a single-phase, 100 to 120VAC power supply, refer to the terminal signal layout.
Mass: 0.8 [kg] (1.76 [lb])
L1
L2
L3
N
P1
P2
P
C
D
L11
L21
U
V
W
CNP3
CNP2
CNP1
PE terminal
Terminal signal layout
Screw size: M4
Tightening torque:
1.2 [N m] (10.6 [lb in])
For 3-phase or
1-phase
200 to 230VAC
L1
L2
N
P1
P2
P
C
D
L11
L21
U
V
W
CNP3
CNP2
CNP1
For 1-phase
100 to 120VAC
Mounting hole process drawing
6
Approx. 40
2-M5 screw
Mounting screw
Screw size: M5
Tightening torque: 3.24 [N m] (28.7 [lb in])

9 - 2
9. OUTLINE DRAWINGS
(2) MR-J3-40B MR-J3-60B
MR-J3-40B1
[Unit: mm]
Approx.
25.5
6
5
161
168
6
170
40
6Approx.80
156
CNP3
CNP1
CNP2
Approx.14
Approx.68
CN4 CN2L CN2 CN1B CN1A CN3 CN5
CHARGE
L2
U
W
V
D
L21
L11
C
P
N
P1
P2
L3
L1
(Note)
(Note)
With MR-J3BAT
L1 L2 L3 N P1 P2 P C D L11 L21 U V W
6 mounting hole
6
Note. This data applies to the 3-phase or 1-phase 200 to 230VAC power supply models.
For a single-phase, 100 to 120VAC power supply, refer to the terminal signal layout.
Mass: 1.0 [kg] (2.21 [lb])
L1
L2
L3
N
P1
P2
P
C
D
L11
L21
U
V
W
CNP3
CNP2
CNP1
PE terminal
Terminal signal layout
Screw size: M4
Tightening torque:
1.2 [N m] (10.6 [lb in])
P
C
D
L11
L21
U
V
W
CNP3
CNP2
For 3-phase or
1-phase
200 to 230VAC
L1
L2
N
P1
P2
CNP1
For 1-phase
100 to 120VAC
6
2-M5 screw
Mounting hole process drawing
Approx. 40
Mounting screw
Screw size: M5
Tightening torque: 3.24 [N m] (28.7 [lb in])

9 - 3
9. OUTLINE DRAWINGS
(3) MR-J3-70B MR-J3-100B
[Unit: mm]
60
12
12
6
156
6
161
168
185
6Approx.80
Cooling fan
wind direction
CNP3
CNP1
CNP2
Approx.14
Approx.25.5
Approx.68
With MR-J3BAT
6 mounting hole
6
42
Mass: 1.4 [kg] (3.09 [lb])
L1
L2
L3
N
P1
P2
P
C
D
L11
L21
U
V
W
CNP3
CNP2
CNP1
PE terminal
Terminal signal layout
Screw size: M4
Tightening torque:
1.2 [N m] (10.6 [lb in])
3-M5 screw
Approx. 6
A
pprox. 12
42 0.3
Approx. 60
Mounting hole process drawing
Mounting screw
Screw size: M5
Tightening torque: 3.24 [N m] (28.7 [lb in])

9 - 4
9. OUTLINE DRAWINGS
(4) MR-J3-60B4 MR-J3-100B4
[Unit: mm]
With MR-J3BAT
6
12 42
Approx. 25.5
CNP2
CNP3
CNP1
6mounting hole
60
12
195
Approx. 80
6
Approx. 68
Mass: 1.7 [kg] (3.75 [lb])
L1
L2
L3
N
P2
P
C
D
L11
L21
U
V
W
CNP3
CNP2
CNP1
PE terminal
Terminal signal layout
P1
Screw size: M4
Tightening torque:
1.2 [N m] (10.6 [lb in])
Mounting screw
Screw size: M5
Tightening torque: 3.24 [N m] (28.7 [lb in])
Approx. 60
42 0.3
Approx. 12 Approx. 6
Mounting hole process drawing
3-M5 screw

9 - 5
9. OUTLINE DRAWINGS
(5) MR-J3-200B(4)
POINT
Connectors (CNP1, CNP2, and CNP3) and appearance of MR-J3-200B servo
amplifier have been changed from January 2008 production. Model name of
the existing servo amplifier is changed to MR-J3-200B-RT. For MR-J3-200B-
RT, refer to appendix 5.
[Unit: mm]
Cooling fan
wind direction
CNP2
CNP3
CNP1
Approx. 80 195
Approx.
25.5
6
678 6
45
90
85
6mounting hole
With MR-J3BAT
Approx. 68
6
Mass: 2.1 [kg] (4.63 [lb])
L1
L2
L3
N
P2
P
C
D
L11
L21
U
V
W
CNP3
CNP2
CNP1
PE terminal
Terminal signal layout
P1
Screw size: M4
Tightening torque:
1.2 [N m] (10.6 [lb in])
Mounting screw
Screw size: M5
Tightening torque: 3.24 [N m] (28.7 [lb in])
Approx. 90
78 0.3
Approx. 6 Approx. 6
3-M5 screw
Mounting hole process drawing

9 - 6
9. OUTLINE DRAWINGS
(6) MR-J3-350B
[Unit: mm]
Approx.14
Approx.
25.5
90
168
678
6
45
6
156
6
6 mounting hole
195
21.4
Approx.80
Cooling fan
wind direction
Approx.68
6
85
With MR-J3BAT
6
Mass: 2.3 [kg] (5.07 [lb])
U
V
W
CNP3
P
C
D
L11
L21
CNP2
L1
L2
L3
N
P1
P2
CNP1
Terminal signal layout
PE terminal
Screw size: M4
Tightening torque:
1.2 [N m] (10.6 [lb in])
Approx. 90
78 0.3
Approx. 6 Approx. 6
3-M5 screw
Mounting hole process drawing
Mounting screw
Screw size: M5
Tightening torque: 3.24 [N m] (28.7 [lb in])

9 - 7
9. OUTLINE DRAWINGS
(7) MR-J3-350B4 MR-J3-500B(4)
[Unit: mm]
CHARGE
Cooling fan
130
118
6
7.5 7.5
250
235
With MR-J3BAT
200Approx. 80
131.5 68.5
Cooling fan
wind direction 6Terminal layout
(Terminal cover open)
TE1
TE2 TE3
20.5
2- 6 mounting hole
3 places for
ground (M4)
Built-in regenerative
resistor lead terminal
fixing screw
Mass: 4.6 [kg] (10.1 [lb])
VW
TE2
N
L11 L21
TE3
L1L2L3P
TE1
Terminal screw: M4
Tightening torque: 1.2[N m]
Terminal signal layout
PE terminal
CU
P1P2
Built-in regenerative resistor lead
terminal fixing screw
Terminal screw: M3.5(Note)
Tightening torque: 0.8[N m]
Terminal screw: M4
Tightening torque: 1.2[N m]
Terminal screw: M4
Tightening torque: 1.2[N m]
(10.6 [lb in])
(7.08 [lb in])
(10.6 [lb in])
(10.6 [lb in])
Note. Screw size is M3.5 for the control circuit terminal block (TE2) of the servo
amplifier manufactured in April 2007 or later. Screw size is M3 for the control
terminal block (TE2) of the servo amplifier manufactured in March 2007 or earlier.
4-M5 screw
118 0.5
Approx. 130
Approx. 6Approx. 6
Mounting hole process drawing

9 - 8
9. OUTLINE DRAWINGS
(8) MR-J3-700B(4)
[Unit: mm]
172
160
6
7.5 7.5
300
285
6
With MR-J3BAT
200
Approx.80
138 62
6
TE2
TE3
TE1
CHARGE
Cooling fan
20.5
CN3CN1ACN1B
CN3CN1ACN1B
Cooling fan
wind direction Terminal layout
(Terminal cover open)
2- 6 mounting hole
3 places for
ground (M4)
Built-in regenerative
resistor lead terminal
fixing screw
Mass: 6.2 [kg] (13.7[lb])
VW
TE2
N
L11 L21
TE3
L1L2L3P
TE1
Terminal screw: M4
Tightening torque: 1.2[N m]
Terminal signal layout
PE terminal
CU
P1P2
Terminal screw: M3.5(Note)
Tightening torque: 0.8[N m]
Terminal screw: M4
Tightening torque: 1.2[N m]
Terminal screw: M4
Tightening torque: 1.2[N m]
Built-in regenerative resistor lead
terminal fixing screw
(10.6 [lb in])
(10.6 [lb in])
(10.6 [lb in])
(7.08 [lb in])
Note. Screw size is M3.5 for the control circuit terminal block (TE2) of the servo
amplifier manufactured in April 2007 or later. Screw size is M3 for the control
terminal block (TE2) of the servo amplifier manufactured in March 2007 or earlier.
4-M5 screw
Approx. 172
160 0.5
A
pprox. 6 Approx. 6
Mounting hole process drawing
Mounting screw
Screw size: M5
Tightening torque: 3.24 [N m] (28.7 [lb in])

9 - 9
9. OUTLINE DRAWINGS
(9) MR-J3-11KB(4) to 22KB(4)
[Unit: mm]
2- 12mounting hole
12 236 12
260
12
260
Approx. 80
Cooling fan
wind direction
With MR-J3BAT Rating plate
26
52 6 26 156
13123.5
183
227
236 0.5
Approx. 260
4-M10 screw
Approx. 12 Approx. 12
Servo amplifier
MR-J3-11KB(4) 18.0 (40)
MR-J3-15KB(4) 18.0 (40)
MR-J3-22KB(4) 19.0 (42)
Mass[kg]([lb])
Mounting hole process drawing
L1 L2 L3 U V W
P1 P C N
VW
N
L1L2L3
P
Terminal signal layout
C
U
P1
L11 L21
Screw size
Tightening torque
[(lb:in)][N m]
Screw size
3.0
M8
6.0
M4
1.2
M4
1.2
Servo
amplifier
Screw
size
Tightening torque
[N m][(Ib:in)]
Mounting screw
M10 26.5
(234.5)
Tightening torque
[(lb:in)][N m]
TE
L11 L21
M6
MR-J3-11KB(4)
MR-J3-15KB(4)
MR-J3-22KB(4)
MR-J3-11KB(4)
MR-J3-15KB(4)
MR-J3-22KB(4)

9 - 10
9. OUTLINE DRAWINGS
9.2 Connector
(1) CN1A CN1B connector
[Unit: mm]
F0-PF2D103 F0-PF2D103-S
2.3
20.9 0.2
1.7
4.8
13.4
15
6.7
9.3
17.6 0.2 8
2.3
1.7
4.8
13.4
15
6.7
9.3
17.6 0.2
20.9 0.2
8
(2) Miniature delta ribbon (MDR) system (3M)
(a) One-touch lock type
[Unit: mm]
E
B
A
23.8
39.0
12.7
C
Logo etc, are indicated here.
D
Each type of dimension
Connector Shell kit
A B C D E
10120-3000PE 10320-52F0-008 22.0 33.3 14.0 10.0 12.0

9 - 11
9. OUTLINE DRAWINGS
(b) Jack screw M2.6 type
This is not available as option.
[Unit: mm]
E
B
A
23.8
39.0
12.7
C
D
5.2
F
Logo etc, are indicated here.
Each type of dimension
Connector Shell kit
A B C D E F
10120-3000PE 10320-52F0-008 22.0 33.3 14.0 10.0 12.0 27.4
(3) SCR connector system (3M)
Receptacle : 36210-0100PL
Shell kit : 36310-3200-008
34.8
39.5
22.4 11.0

9 - 12
9. OUTLINE DRAWINGS
MEMO

10 - 1
10. CHARACTERISTICS
10. CHARACTERISTICS
10.1 Overload protection characteristics
An electronic thermal relay is built in the servo amplifier to protect the servo motor and servo amplifier from
overloads. Overload 1 alarm (50) occurs if overload operation performed is above the electronic thermal relay
protection curve shown in any of Figs 10.1. Overload 2 alarm (51) occurs if the maximum current flew
continuously for several seconds due to machine collision, etc. Use the equipment on the left-hand side area of
the continuous or broken line in the graph.
In a machine like the one for vertical lift application where unbalanced torque will be produced, it is
recommended to use the machine so that the unbalanced torque is 70% or less of the rated torque.
When you carry out adhesion mounting of the servo amplifier, make circumference temperature into 0 to 45 ,
or use it at 75% or smaller effective load ratio.
1000
100
10
1
0.1
0 50 150 200 250 300100
(Note) Load ratio [%]
Operation time[s]
During operation
During servo lock
MR-J3-10B(1)
1000
100
10
1
0.1
0 50 150 200 250 300100
(Note) Load ratio [%]
Operation time[s]
During operation
During servo lock
MR-J3-20B(1) MR-J3-40B(1)
MR-J3-60B(4) to MR-J3-100B(4)
1000
100
10
1
0.1
0 50 150 200 250 300
100
(Note) Load ratio [%]
Operation time[s]
During operation
During servo lock
MR-J3-200B(4) to MR-J3-350B(4)
(Note) Load ratio [%]
Operation time[s]
10000
1000
100
10
1
0 50 150 200 250100 300
During operation
During servo lock
MR-J3-500B(4) MR-J3-700B(4)

10 - 2
10. CHARACTERISTICS
10000
1000
100
10
1
0 100 200 300
During operation
During servo lock
Operation time [s]
(Note) Load ratio [%]
MR-J3-11KB(4) to MR-J3-22KB(4)
Note. If operation that generates torque more than 100% of the rating is performed with an abnormally high frequency in a servo motor
stop status (servo lock status) or in a 30r/min or less low-speed operation status, the servo amplifier may fail even when the
electronic thermal relay protection is not activated.
Fig 10.1 Electronic thermal relay protection characteristics

10 - 3
10. CHARACTERISTICS
10.2 Power supply equipment capacity and generated loss
(1) Amount of heat generated by the servo amplifier
Table 10.1 indicates servo amplifiers' power supply capacities and losses generated under rated load. For
thermal design of an enclosure, use the values in Table 10.1 in consideration for the worst operating
conditions. The actual amount of generated heat will be intermediate between values at rated torque and
servo off according to the duty used during operation. When the servo motor is run at less than the
maximum speed, the power supply capacity will be smaller than the value in the table, but the servo
amplifier's generated heat will not change.
Table 10.1 Power supply capacity and generated heat per servo amplifier at rated output
(Note 2)
Servo amplifier-generated heat[W]
Area required for
heat dissipation
Servo amplifier Servo motor
(Note 1)
Power supply
capacity[kVA] At rated torque With servo off [m2]
HF-MP053 0.3 25 15 0.5
HF-MP13 0.3 25 15 0.5
MR-J3-10B (1)
HF-KP053 13 0.3 25 15 0.5
HF-MP23 0.5 25 15 0.5
MR-J3-20B (1) HF-KP23 0.5 25 15 0.5
HF-MP43 0.9 35 15 0.7
MR-J3-40B (1) HF-KP43 0.9 35 15 0.7
HF-SP52 (4) 1.0 40 15 0.8
HF-SP51 1.0 40 15 0.8
MR-J3-60B (4)
HC-LP52 1.0 40 15 0.8
HF-MP73 1.3 50 15 1.0
HF-KP73 1.3 50 15 1.0
MR-J3-70B
HC-UP72 1.3 50 15 1.0
HF-SP102 (4) 1.7 50 15 1.0
HF-SP81 1.5 50 15 1.0
MR-J3-100B (4)
HC-LP102 1.7 50 15 1.0
HF-SP152 (4) 2.5 90 20 1.8
HF-SP202 (4) 3.5 90 20 1.8
HF-SP121 2.1 90 20 1.8
HF-SP201 3.5 90 20 1.8
HC-RP103 1.8 50 15 1.0
HC-RP153 2.5 90 20 1.8
HC-UP152 2.5 90 20 1.8
MR-J3-200B (4)
HC-LP152 2.5 90 20 1.8
HF-SP352 (4) 5.5 130 20 (25) (Note 3) 2.7
HC-RP203 3.5 90 20 1.8
HC-UP202 3.5 90 20 1.8
HC-LP202 3.5 90 20 1.8
MR-J3-350B (4)
HF-SP301 4.8 120 20 2.4
HF-SP502 (4) 7.5 195 25 3.9
HC-RP353 5.5 135 25 2.7
HC-RP503 7.5 195 25 3.9
HC-UP352 5.5 195 25 3.9
HC-UP502 7.5 195 25 3.9
HC-LP302 4.5 120 25 2.4
HA-LP502 7.5 195 25 3.9
MR-J3-500B (4)
HF-SP421 6.7 160 25 3.2

10 - 4
10. CHARACTERISTICS
(Note 2)
Servo amplifier-generated heat[W]
Area required for
heat dissipation
Servo amplifier Servo motor
(Note 1)
Power supply
capacity[kVA] At rated torque With servo off [m2]
HF-SP702 (4) 10.0 300 25 6.0
HA-LP702 10.6 300 25 6.0
HA-LP601 (4) 10.0 260 25 5.2
MR-J3-700B (4)
HA-LP701M (4) 11.0 300 25 6.0
HC-LP11K2 (4) 16.0 530 45 11.0
HC-LP801 (4) 12.0 390 45 7.8
HC-LP12K1 (4) 18.0 580 45 11.6
MR-J3-11KB
HC-LP11K1M (4) 16.0 530 45 11.0
HC-LP15K2 (4) 22.0 640 45 13.0
HC-LP15K1 (4) 22.0 640 45 13.0
MR-J3-15KB
HC-LP15K1M (4) 22.0 640 45 13.0
HC-LP22K2 (4) 33.0 850 55 17.0
HC-LP20K1 (4) 30.1 775 55 15.5
HC-LP25K1 37.6 970 55 19.4
MR-J3-22KB
HC-LP22K1M (4) 33.0 850 55 17.0
Note 1. Note that the power supply capacity will vary according to the power supply impedance. This value is applicable when the
power factor improving reactor is not used.
2. Heat generated during regeneration is not included in the servo amplifier-generated heat. To calculate heat generated by the
regenerative option, refer to section 11.2.
3. For 400V class, the value is within the ( ).

10 - 5
10. CHARACTERISTICS
(2) Heat dissipation area for enclosed servo amplifier
The enclosed control box (hereafter called the control box) which will contain the servo amplifier should be
designed to ensure that its temperature rise is within 10 at the ambient temperature of 40 . (With a 5
(41 ) safety margin, the system should operate within a maximum 55 (131 ) limit.) The necessary
enclosure heat dissipation area can be calculated by Equation 10.1.
P
AKT
............................................................................................................................................. (10.1)
where, A : Heat dissipation area [m2]
P : Loss generated in the control box [W]
T : Difference between internal and ambient temperatures [ ]
K : Heat dissipation coefficient [5 to 6]
When calculating the heat dissipation area with Equation 10.1, assume that P is the sum of all losses
generated in the enclosure. Refer to Table 10.1 for heat generated by the servo amplifier. "A" indicates the
effective area for heat dissipation, but if the enclosure is directly installed on an insulated wall, that extra
amount must be added to the enclosure's surface area.
The required heat dissipation area will vary wit the conditions in the enclosure. If convection in the
enclosure is poor and heat builds up, effective heat dissipation will not be possible. Therefore, arrangement
of the equipment in the enclosure and the use of a cooling fan should be considered.
Table 10.1 lists the enclosure dissipation area for each servo amplifier when the servo amplifier is operated
at the ambient temperature of 40 (104 ) under rated load.
(Outside) (Inside)
Air flow
Fig. 10.2 Temperature distribution in enclosure
When air flows along the outer wall of the enclosure, effective heat exchange will be possible, because the
temperature slope inside and outside the enclosure will be steeper.

10 - 6
10. CHARACTERISTICS
10.3 Dynamic brake characteristics
10.3.1 Dynamic brake operation
(1) Calculation of coasting distance
Fig. 10.3 shows the pattern in which the servo motor comes to a stop when the dynamic brake is operated.
Use Equation 10.2 to calculate an approximate coasting distance to a stop. The dynamic brake time
constant varies with the servo motor and machine operation speeds. (Refer to (2)(a), (b) of this section.)
V0
Time constant
Forced stop(EM1) OFF
ON
Machine speed
teTime
Fig. 10.3 Dynamic brake operation diagram
Lmax 60
V0JL
JM
te1....................................................................................................................... (10.2)
Lmax : Maximum coasting distance .................................................................................................... [mm][in]
Vo : Machine rapid feed rate ..............................................................................................[mm/min][in/min]
JM : Servo motor inertial moment..................................................................................... [kg cm2][oz in2]
JL : Load inertia moment converted into equivalent value on servo motor shaft ............ [kg cm2][oz in2]
: Brake time constant .......................................................................................................................... [s]
te : Delay time of control section............................................................................................................. [s]
For 7kW or less servo, there is internal relay delay time of about 30ms. For 11k to 22kW servo,
there is delay time of about 100ms caused by a delay of the external relay and a delay of the
magnetic contactor built in the external dynamic brake.
(2) Dynamic brake time constant
The following shows necessary dynamic brake time constant for the equations (10.2).
(a) 200V class servo motor
Speed [r/min]
00 1000 2000
5
10
15
20
25
3000 4000 5000 6000
43
053
13
2373
Time constant [ms]
00 1000 2000
5
10
15
20
25
3000 4000 5000 6000
43
053
13
23
73
Speed [r/min]
Time constant [ms]
HF-MP series HF-KP series

10 - 7
10. CHARACTERISTICS
Speed [r/min]
Time constant [ms]
500 1000 1500 2000
10
20
30
40
50
60
0
0
81
201
121
51
421 301
Speed [r/min]
Time constant [ms]
52
500 1000 1500 2000 2500 3000
152
20
40
60
80
100
120
0
0
102
202
502
702 352
HF-SP1000r/min series HF-SP2000r/min series
Speed [r/min]
0
2
4
6
8
10
12
14
16
18
0 500 1000 1500 2000 2500 3000
153
503
103
353 203
Time constant [ms]
Speed [r/min]
352
500 1000 1500 20000
0
10
20
30
40
50
60
70
80
90
100
502
72
202
152
Time constant [ms]
HC-RP series HC-UP2000r/min series
0
10
20
30
40
50
60
50 500 100015002000250030000
43
23
70
13
73
Speed [r/min]
Time constant [ms]
Speed[r/min]
200 400 600 1200
Time constant [ms]
10
20
30
40
50
60
0
0800 1000
15K1
25K1
12K1
801
20K1
601
HC-UP3000r/min HA-LP1000r/min series
0
Speed[r/min]
20
40
60
80
100
120
0 500 1000 1500 2000
11K1M
15K1M
22K1M
701M
Time constant [ms]
Speed[r/min]
0
0500 1000 1500 2000
80
60
40
20
11K2
15K2
22K2
502
702
Time constant [ms]
HA-LP1500r/min series HA-LP2000r/min series

10 - 8
10. CHARACTERISTICS
Time constant [ms]
00
52
500 1000 1500 2000
202
200
152
102
160
120
80
40
302
Speed[r/min]
HC-LP series
(b) 400V class servo motor
5024
0 1000 2000 3000
75
60
45
30
15
0
90
7024
1524
3524
1024
524
2024
Time constant [ms]
Speed[r/min]
Time constant [ms]
0 400 800 1200
35
0
30
25
20
15
10
5
Speed[r/min]
8014 15K14
12K14 20K14
6014
HA-SP2000r/min series HA-LP1000r/min series
Time constant [ms]
0 500 1000 1500
20
16
12
8
4
0
Speed[r/min]
11K1M4 15K1M4 701M4
22K1M4
Time constant [ms]
0500 1000 1500 20000
40
35
30
25
20
15
10
5
11K24
22K2
15K24
Speed[r/min]
HA-LP1500r/min series HA-LP2000r/min series

10 - 9
10. CHARACTERISTICS
10.3.2 The dynamic brake at the load inertia moment
Use the dynamic brake under the load inertia moment ratio indicated in the following table. If the load inertia
moment is higher than this value, the built-in dynamic brake may burn. If there is a possibility that the load
inertia moment may exceed the value, contact Mitsubishi.
The values of the load inertia moment ratio in the table are the values at the maximum rotation speed of the
servo motor.
Servo motor
Servo
amplifier HF-KP HF-MP HF-SP 1 HF-SP 2HC-RP HC-UP HC-LP HA-LP 1 HA-
LP 1M HA-LP 2
MR-J3-10B(1) 30 30
MR-J3-20B(1) 30 30
MR-J3-40B(1) 30 30
MR-J3-60B 30 30
30
MR-J3-70B 30 30 30
MR-J3-100B 30 30
30
MR-J3-200B 30 30 30 30 30
MR-J3-350B 16 16 16 16 16
MR-J3-500B 15 15 15 15 15
15
MR-J3-700B 5 (Note 1) 5 (Note 1) 5 (Note 1) 5 (Note 1)
MR-J3-11KB
(Note 2) 30 30 30
MR-J3-15KB
(Note 2) 30 30 30
MR-J3-22KB
(Note 2)
30 30 30
Servo motor
Servo
amplifier HF-SP 4 HA-LP 14 HA-LP
1M4 HA-LP 24
MR-J3-60B4 5 (Note 1)
MR-J3-100B4 5 (Note 1)
MR-J3-200B4 5 (Note 1)
MR-J3-350B4 5 (Note 1)
MR-J3-500B4 5 (Note 1)
MR-J3-700B4 5 (Note 1) 10 10
MR-J3-11KB4
(Note 2) 30 30 30
MR-J3-15KB4
(Note 2) 30 30 30
MR-J3-22KB4
(Note 2)
30 30 30
Note 1. The load inertia moment ratio is 15 at the rated rotation speed.
2. When the external dynamic brake is used.

10 - 10
10. CHARACTERISTICS
10.4 Cable flexing life
The flexing life of the cables is shown below. This graph calculated values. Since they are not guaranteed
values, provide a little allowance for these values.
1 107
5 107
1 108
5 106
1 106
5 105
1 105
5 104
1 104
5 103
1 103
a
b
Flexing life [times]
4 7 10 20 40 70 100 200
Flexing radius [mm]
a : Long flex life encoder cable
Long flex life motor power cable
Long flex life motor brake cable
SSCNET cable using long distance cable
b : Standard encoder cable
Standard motor power cable
Standard motor brake cable
SSCNET cable using inside panel standard cord
SSCNET cable using outside panel standard cable
10.5 Inrush currents at power-on of main circuit and control circuit
The following table indicates the inrush currents (reference data) that will flow when the maximum permissible
voltage (200V class: 253VAC, 400V class: 528VAC) is applied at the power supply capacity of 2500kVA and
the wiring length of 1m (3.28ft).
Inrush currents (A0-p)
Servo amplifier Main circuit power supply (L1, L2, L3) Control circuit power supply (L11, L21)
MR-J3-10B1 to 40B1 38A (Attenuated to approx. 14A in 10ms)
MR-J3-10B to 60B 30A (Attenuated to approx. 5A in 10ms)
MR-J3-70B 100B 54A (Attenuated to approx. 12A in 10ms)
MR-J3-200B 350B 120A (Attenuated to approx. 12A in 20ms)
20 to 30A
(Attenuated to approx. 0A in 1 to 2ms)
MR-J3-500B 44A (Attenuated to approx. 20A in 20ms)
MR-J3-700B 88A (Attenuated to approx. 20A in 20ms)
MR-J3-11KB
MR-J3-15KB
MR-J3-22KB
235A (Attenuated to approx. 20A in 20ms)
30A (Attenuated to approx. 0A in 3ms)
MR-J3-60B4 100B4 100A (Attenuated to approx. 5A in 10ms)
MR-J3-200B4 120A (Attenuated to approx. 12A in 20ms)
40 to 50A
(Attenuated to approx. 0A in 2ms)
MR-J3-350B4 500B4 66A (Attenuated to approx. 10A in 20ms)
MR-J3-700B4 67A (Attenuated to approx. 34A in 20ms) 41A (Attenuated to approx. 0A in 3ms)
MR-J3-11KB4
MR-J3-15KB4
MR-J3-22KB4
325A (Attenuated to approx. 20A in 20ms) 45A (Attenuated to approx. 0A in 3ms)
Since large inrush currents flow in the power supplies, always use no-fuse breakers and magnetic contactors.
(Refer to section 11.12.)
When circuit protectors are used, it is recommended to use the inertia delay type that will not be tripped by an
inrush current.

11 - 1
11. OPTIONS AND AUXILIARY EQUIPMENT
11. OPTIONS AND AUXILIARY EQUIPMENT
WARNING
Before connecting any option or peripheral equipment, turn off the power and wait
for 15 minutes or more until the charge lamp turns off. Then, confirm that the
voltage between P( ) and N( ) is safe with a voltage tester and others.
Otherwise, an electric shock may occur. In addition, always confirm from the front
of the servo amplifier whether the charge lamp is off or not.
CAUTION Use the specified auxiliary equipment and options. Unspecified ones may lead to a
fault or fire.
11.1 Cable/connector sets
POINT
Protective structure indicated for cables and connecters is for a cable or
connector alone. When the cables and connectors are used to connect the
servo amplifier and servo motor, and if protective structures of the servo
amplifier and servo motor are lower than that of the cable and connector,
specifications of the servo amplifier and servo motor apply.
As the cables and connectors used with this servo, purchase the options indicated in this section.

11 - 2
11. OPTIONS AND AUXILIARY EQUIPMENT
11.1.1 Combinations of cable/connector sets
36)
Direct connection type (cable length 10m or less, IP65)
15)16)17)18)
Servo system
cont
1)2)
Personal computer
35)
Servo amplifier
CN5
CN1A
CN1B
CN2
CN3
CNP1
CNP2
CNP3
32)33)34)
37)
32)33)34)
Cap
(Servo amplifier
attachment)
Note
CN4
Servo amplifier
CN5
CN1A
CN1B
CN2
CN3
Servo
motor
HF-MP
HF-KP
21)22)
23)
19)20)
3)4)5)6)
7)8)
13)14)
9)10)11)12)
To 24VDC power
supply for
electromagnetic
brake
31)
Encoder
connector
Brake
connector
Power supply
connector
Servo
motor
HF-SP
24)25)
27)
26)
28)29)
30)
Power supply
connector
Brake
connector
Encoder
connector
Junction type (cable length more than 10m, IP20)
CN4
Battery
MR-J3BAT
To next page a) To next page b)
Note. Connectors for 3.5kW or less. For 5kW or more, terminal blocks.

11 - 3
11. OPTIONS AND AUXILIARY EQUIPMENT
24)25)
26)
Servo motor
HC-RP
HC-UP
HC-LP
Encoder
connector
Brake
connector
Power supply
connector
24)25)
26)
Terminal box
Servo motor
HA-LP
38)
30)39)40)
From previous page a) From previous page b)
No. Product Model Description Application
1) Servo
amplifier
power supply
connector
CNP1
connector: 54928-0610
(Molex)
CNP2
connector: 54928-0520
(Molex)
CNP3
connector: 54928-0310
(Molex)
Supplied with
servo
amplifiers of
1kW or less in
100V class
and 200V
class
<Applicable cable example>
Wire size: 0.14mm2(AWG26) to 2.5mm2
(AWG14)
Cable finish OD: to 3.8mm REC. Lever:
54932-0000
(Molex)

11 - 4
11. OPTIONS AND AUXILIARY EQUIPMENT
No. Product Model Description Application
2) Servo
amplifier
power supply
connector
CNP1 connector:
PC4/6-STF-7.62-
CRWH
(Phoenix Contact)
CNP2 connector:
54928-0520
(Molex)
CNP3 connector:
PC4/3-STF-7.62-
CRWH
(Phoenix Contact)
Supplied with
servo
amplifiers of
3.5kW in 200V
class
<Applicable cable example>
Wire size: 0.2mm2 (AWG24) to 5.5mm2
(AWG10)
Cable finish OD: to 5mm
REC. Lever:
54932-0000
(Molex)
CNP1 connector:
721-207/026-000
(Plug)
(WAGO)
CNP2 connector:
721-205/026-000
(Plug)
(WAGO)
CNP3 connector:
721-203/026-000
(Plug)
(WAGO)
Supplied with
servo
amplifiers of
2kW in 200V
class and 2kW
in 400V class
<Applicable cable example>
Wire size: 0.08mm2 (AWG28) to 2.5mm2
(AWG12)
Cable finish OD: to 4.1mm
REC. Lever: 231-131
(WAGO)
3) Motor power
supply cable
MR-PWS1CBL M-A1-L
Cable length: 2 510m
IP65
Load side lead
4) Motor power
supply cable
MR-PWS1CBL M-A1-H
Cable length: 2 510m
Power supply connector
HF-MP series
HF-KP series
Refer to section 11.1.3 for details.
IP65
Load side lead
Long flex life
5) Motor power
supply cable
MR-PWS1CBL M-A2-L
Cable length: 2 510m
IP65
Opposite-to-
load side lead
6) Motor power
supply cable
MR-PWS1CBL M-A2-H
Cable length: 2 510m
Power supply connector
HF-MP series
HF-KP series
Refer to section 11.1.3 for details.
IP65
Opposite-to-
load side lead
Long flex life
7) Motor power
supply cable
MR-PWS2CBL03M-A1-L
Cable length: 0.3m Power supply connector
HF-MP series
HF-KP series
Refer to section 11.1.3 for details.
IP55
Load side lead
8) Motor power
supply cable
MR-PWS2CBL03M-A2-L
Cable length: 0.3m Power supply connector
HF-MP series
HF-KP series
Refer to section 11.1.3 for details.
IP55
Opposite-to-
load side lead

11 - 5
11. OPTIONS AND AUXILIARY EQUIPMENT
No. Product Model Description Application
9) Motor brake
cable
MR-BKS1CBL M-A1-L
Cable length: 2 510m
IP65
Load side lead
10) Motor brake
cable
MR-BKS1CBL M-A1-H
Cable length: 2 510m
Brake connector
HF-MP series
HF-KP series
Refer to section 11.1.4 for details.
IP65
Load side lead
Long flex life
11) Motor brake
cable
MR-BKS1CBL M-A2-L
Cable length: 2 510m
IP65
Opposite-to-
load side lead
12) Motor brake
cable
MR-BKS1CBL M-A2-H
Cable length: 2 510m
Brake connector
HF-MP series
HF-KP series
Refer to section 11.1.4 for details.
IP65
Opposite-to-
load side lead
Long flex life
13) Motor brake
cable
MR-BKS2CBL03M-A1-L
Cable length: 0.3m Brake connector
HF-MP series
HF-KP series
Refer to section 11.1.4 for details.
IP55
Load side lead
14) Motor brake
cable
MR-BKS2CBL03M-A2-L
Cable length: 0.3m Brake connector
HF-MP series
HF-KP series
Refer to section 11.1.4 for details.
IP55
Opposite-to-
load side lead
15) Encoder
cable
MR-J3ENCBL M-A1-L
Cable length: 2 510m
IP65
Load side lead
16) Encoder
cable
MR-J3ENCBL M-A1-H
Cable length: 2 510m
Encoder connector
HF-MP series
HF-KP series
Refer to section 11.1.2 (1) for details.
IP65
Opposite-to-
load side lead
Long flex life
17) Encoder
cable
MR-J3ENCBL M-A2-L
Cable length: 2 510m
IP65
Opposite-to-
load side lead
18) Encoder
cable
MR-J3ENCBL M-A2-H
Cable length: 2 510m
Encoder connector
HF-MP series
HF-KP series
Refer to section 11.1.2 (1) for details.
IP65
Opposite-to-
load side lead
Long flex life
19) Encoder
cable
MR-J3JCBL03M-A1-L
Cable length: 0.3m Encoder connector
HF-MP series
HF-KP series
Refer to section 11.1.2 (3) for details.
IP20
Load side lead
20) Encoder
cable
MR-J3JCBL03M-A2-L
Cable length: 0.3m Encoder connector
HF-MP series
HF-KP series
Refer to section 11.1.2 (3) for details.
IP20
Opposite-to-
load side lead

11 - 6
11. OPTIONS AND AUXILIARY EQUIPMENT
No Product Model Description Application
21) Encoder
cable
MR-EKCBL M-L
Cable length: 20 30m
IP20
22) Encoder
cable
MR-EKCBL M-H
Cable length:
20 30 40 50m
For HF-MP HF-KP series
Refer to section 11.1.2 (2) for details.
IP20
Long flex life
23) Encoder
connector
set
MR-ECNM
For HF-MP HF-KP series
Refer to section 11.1.2 (2) for details.
IP20
24) Encoder
cable
MR-J3ENSCBL M-L
Cable length:
2510 20 30m
IP67
Standard flex
life
25) Encoder
cable
MR-J3ENSCBL M-H
Cable length:
2510 20 30 40
50m
For HF-SP HC-UP HC-LP HC-RP HA-LP series
Refer to section 11.1.2 (4) for details.
IP67
Long flex life
26) Encoder
connector
set
MR-J3SCNS
For HF-SP HC-UP HC-LP HC-RP HA-LP series
Refer to section 11.1.2 (4) for details.
IP67
27) Brake
connector
set
MR-BKCNS1 Straight plug: CM10-SP2S-L
Socket contact: CM10-#22SC(S2)-100
(DDK)
For HF-SP series
IP67
28) Power
supply
connector
set
MR-PWCNS4 Plug: CE05-6A18-10SD-D-BSS
Cable clamp: CE3057-10A-1-D
(DDK)
Example of applicable cable
Applicable wire size: 2mm2 (AWG14) to
3.5mm2 (AWG12)
Cable finish D: 10.5 to 14.1mm
For HF-SP51 81
For HF-SP52 152
IP67
29) Power
supply
connector
set
MR-PWCNS5 Plug: CE05-6A22-22SD-D-BSS
Cable clamp: CE3057-12A-1-D
(DDK)
Example of applicable cable
Applicable wire size: 5.5mm2 (AWG10) to
8mm2 (AWG8)
Cable finish D: 12.5 to 16mm
For HF-SP121 to 301
For HF-SP202 to 502
IP67
30) Power
supply
connector
set
MR-PWCNS3 Plug: CE05-6A32-17SD-D-BSS
Cable clamp: CE3057-20A-1-D
(DDK)
Example of applicable cable
Applicable wire size: 14mm2 (AWG6) to
22mm2 (AWG4)
Cable finish D: 22 to 23.8mm
For HF-SP421
For HF-SP702
For HA-LP702
IP67
Be sure to use
this when
corresponding
to EN
Standard.
31) Cable for
connecting
battery
MR-J3BTCBL03M
Refer to section 11.1.2 (5) for details.
For connection
of battery

11 - 7
11. OPTIONS AND AUXILIARY EQUIPMENT
No. Product Model Description Application
32) SSCNET
cable
MR-J3BUS M
Cable length: 0.15 to 3m
(Refer to section 11.1.5.)
Connector: PF-2D103
(Japan Aviation Electronics
Industry, Ltd.)
Connector: PF-2D103
(Japan Aviation Electronics
Industry, Ltd.)
Inside panel
standard cord
33) SSCNET
cable
MR-J3BUS M-A
Cable length: 5 to 20m
(Refer to section 11.1.5.)
Outside panel
standard cable
Connector: PF-2D103
(Japan Aviation Electronics
Industry, Ltd.)
Connector: PF-2D103
(Japan Aviation Electronics
Industry, Ltd.)
34) SSCNET
cable
MR-J3BUS M-B
Cable length: 30 to 50m
(Refer to section 11.1.5.)
Long distance
cable
For CN5 connector
minB connector (5 pins)
For personal computer connector
A connector
35) USB cable MR-J3USBCBL3M
Cable length: 3m
For connection
with PC-AT
compatible
personal
computer
36) Connector set MR-CCN1
Connector: 10120-3000PE
Shell kit: 10320-52F0-008
(3M or similar product)
37) Junction
terminal block
(Recommend
ed)
PS7DW-20V14B-F
(YOSHIDA ELECTRIC
INDUSTRY CO., LTD.)
MR-J2HBUS M
Junction terminal block PS7DW-20V14B-F is not available from us as
option. For using the junction terminal block, our option MR-
J2HBUS M is necessary. Refer to section 11.7 for details.
38) Break
connector set
MR-BKCN Plug: D/MS3106A10SL-4S(D190) (DDK)
For cable connector : YS010-5-8(Daiwa Dengyo)
Example of applicable cable
Applicable wire size: 0.3mm2 (AWG22) to 1.25mm2
(AWG16)
Cable finish: 5 to 8.3mm
For HA-LP
For HC-UP
For HC-LP
EN standard
compliant
IP65
39) Power supply
connector set
MR-PWCNS1 Plug: CE05-6A22-23SD-D-BSS
Cable clamp: CE3057-12A-2-D (DDK)
Example of applicable cable
Applicable wire size: 2mm2 (AWG14) to 3.5mm2
(AWG12)
Cable finish: 9.5 to 13mm
For HC-UP
For HC-LP
For HC-RP
40) Power supply
connector set
MR-PWCNS2 Plug: CE05-6A24-10SD-D-BSS
Cable clamp: CE3057-16A-2-D (DDK)
Example of applicable cable
Applicable wire size: 5.5mm2 (AWG10) to 8mm2
(AWG8)
Cable finish: 13 to 15.5mm
For HA-LP
For HC-UP
For HC-LP
For HC-RP
Be sure to use
this when
corresponding
to EN standard
IP65

11 - 8
11. OPTIONS AND AUXILIARY EQUIPMENT
11.1.2 Encoder cable/connector sets
(1) MR-J3ENCBL M-A1-L/H MR-J3ENCBL M-A2-L/H
These cables are encoder cables for the HF-MP HF-KP series servo motors. The numerals in the Cable
Length field of the table are the symbols entered in the part of the cable model. The cables of the lengths
with the symbols are available.
Cable length
Cable model 2m 5m 10m 20m 30m 40m 50m
Protective
structure Flex life Application
MR-J3ENCBL M-A1-L 2 5 10 IP65 Standard
MR-J3ENCBL M-A1-H 2 5 10 IP65
Long flex
life
For HF-MP HF-KP servo
motor
Load side lead
MR-J3ENCBL M-A2-L 2 5 10 IP65 Standard
MR-J3ENCBL M-A2-H 2 5 10 IP65
Long flex
life
For HF-MP HF-KP servo
motor
Opposite-to-load side lead
(a) Connection of servo amplifier and servo motor
Servo amplifier
2)
1)
Servo motor
HF-MP
HF-KP
MR-J3ENCBL M-A2-L
MR-J3ENCBL M-A2-H
2)
1)
Servo motor
HF-MP
HF-KP
MR-J3ENCBL M-A1-L
MR-J3ENCBL M-A1-H
or
CN2
Cable model 1) For CN2 connector 2) For encoder connector
MR-J3ENCBL M-
A1-L
Receptacle: 36210-0100PL
Shell kit: 36310-3200-008
(3M)
Connector set: 54599-1019(Molex)
MR-J3ENCBL M-
A1-H
MR-J3ENCBL M-
A2-L
MR-J3ENCBL M-
A2-H
1 3 7 9
42 86 10
5
(Note) Signal layout
View seen from wiring side.
or
4
MRR
2
LG 8
6
1
P5
5
10
3
MR
7
9
BAT
(Note) Signal layout
View seen from wiring side.
MRR
LG
P5 MR BAT
Note. Keep open the pins shown with . Especially, pin 10 is provided
for manufacturer adjustment. If it is connected with any other pin, the
servo amplifier cannot operate normally.
Connector: 1674320-1
Crimping tool for ground clip:
1596970-1
Crimping tool for receptacle
contact: 1596847-1
(Tyco Electronics)
9SHD
7
5MR
3P5
1
8
6P5G
4MRR
2BAT
View seen from wiring side.
(Note) Signal layout
Note. Keep open the pin shown
with an .

11 - 9
11. OPTIONS AND AUXILIARY EQUIPMENT
(b) Cable internal wiring diagram
Servo amplifier
side connector
Encoder side
connector
Plate
MR-J3ENCBL2M-L/-H
MR-J3ENCBL5M-L/-H
MR-J3ENCBL10M-L/-H
P5
LG
1
2
MR
MRR
3
4
2
3
9
SD
5
4
6
9
LG
MR
MRR
SHD
P5
BATBAT
(2) MR-EKCBL M-L/H
POINT
The following encoder cables are of four-wire type. When using any of these
encoder cables, set parameter No.PC04 to "1 " to select the four-wire
type.
MR-EKCBL30M-L
MR-EKCBL30M-H
MR-EKCBL40M-H
MR-EKCBL50M-H
The servo amplifier and servo motor cannot be connected with these cables only. The servo motor side
encoder cable (MR-J3JCBL03M-A1-L or MR-J3JCBL03M-A2-L) is required.
The numerals in the Cable Length field of the table are the symbols entered in the part of the cable
model. The cables of the lengths with the symbols are available.
Cable length
Cable model
2m 5m 10m 20m 30m 40m 50m
Protective
structure Flex life Application
MR-EKCBL M-L 20 (Note)
30 IP20 Standard
MR-EKCBL M-H 20 (Note)
30
(Note)
40
(Note)
50 IP20 Long flex
life
For HF-MP HF-KP servo
motor
Use in combination with
MR-J3JCBL03M-A1-L or
MR-J3JCBL03M-A2-L.
Note. Four-wire type cable.

11 - 10
11. OPTIONS AND AUXILIARY EQUIPMENT
(a) Connection of servo amplifier and servo motor
Servo motor
HF-MP
HF-KP
1)
MR-EKCBL M-L
MR-EKCBL M-H MR-J3JCBL03M-L
Cable length: 0.3m
2)
Servo amplifier
CN2
Cable model 1) For CN2 connector 2) For encoder connector
Receptacle: 36210-0100PL
Shell kit: 36310-3200-008
(3M)
Connector set: 54599-1019(Molex)
MR-EKCBL M-L
MR-EKCBL M-H
1 3 7 9
42 86 10
5
(Note) Signal layout
View seen from wiring side.
or
4
MRR
2
LG 8
6
1
P5
5
10
3
MR
7
9
BAT
(Note) Signal layout
View seen from wiring side.
MRR
LG
P5 MR BAT
MDR
MD
MDR
MD
Note. Keep open the pins shown with . Especially, pin 10 is provided
for manufacturer adjustment. If it is connected with any other pin, the
servo amplifier cannot operate normally.
Housing: 1-172161-9
Crimping pin: 170359-1
(Tyco Electronics or equivalent)
Cable clamp: MTI-0002
(Toa Electric Industries)
MR
123
MRR BAT
MD
456
MDR
P5
789
LG SHD
Signal layout
View seen from wiring side.
CONT
Note. Keep open the pin shown
with an .

11 - 11
11. OPTIONS AND AUXILIARY EQUIPMENT
(b) Internal wiring diagram
MR-EKCBL20M-L
Servo amplifier side Encoder side
P5
LG
1
2
MR
MRR
3
4
3
7
9
SD Plate
1
2
8
9
P5G
MR
MRR
SHD
P5E
BATBAT
(Note)
MR-EKCBL30M-L
Servo amplifier side Encoder side
P5
LG
1
2
MR
MRR
3
4
MDR 8 5
3
7
4
MD 7
9
SD
1
2
8
9
P5G
MR
MRR
MDR
MD
SHD
P5E
6CONT
BATBAT
Plate (Note)
MR-EKCBL20M-H
Servo amplifier side Encoder side
P5
LG
1
2
MR
MRR
3
4
3
7
9
SD
1
2
8
9
P5G
MR
MRR
SHD
P5E
BATBAT
(Note)
Plate
MR-EKCBL30M-H
MR-EKCBL40M-H
MR-EKCBL50M-H
Servo amplifier side Encoder side
P5
LG
1
2
MR
MRR
3
4
MDR 8 5
3
7
4
MD 7
9
SD
1
2
8
9
P5G
MR
MRR
MDR
MD
SHD
P5E
6CONT
BATBAT
(Note)
Plate
Note. Always make connection for use in an absolute position detection system. Wiring is not necessary for use in an incremental
system.
When fabricating the cable, use the wiring diagram corresponding to the length indicated below.
Applicable wiring diagram
Cable flex life Less than 10m 30m to 50m
Standard MR-EKCBL20M-L
Long flex life MR-EKCBL20M-H MR-EKCBL30M-H
MR-EKCBL40M-H
MR-EKCBL50M-H

11 - 12
11. OPTIONS AND AUXILIARY EQUIPMENT
(c) When fabricating the encoder cable
When fabricating the cable, prepare the following parts and tool, and fabricate it according to the wiring
diagram in (b). Refer to section 11.8 for the specifications of the used cable.
Parts/tool Description
Connector set MR-ECNM
Servo amplifier side connector
Receptacle: 36210-0100PL
Shell kit: 536310-3200-008
(3M)
Or
Connector set: 54599-1019(Molex)
Encoder side connector
Housing: 1-172161-9
Connector pin: 170359-1
(Tyco Electronics or equivalent)
Cable clamp: MTI-0002
(Toa Electric Industries)
(3) MR-J3JCBL03M-A1-L MR-J3JCBL03M-A2-L
The servo amplifier and servo motor cannot be connected with these cables only. The servo motor side
encoder cable (MR-EKCBL M-L/H) is required.
Cable model Cable length Protective
structure Flex life Application
MR-J3JCBL03M-A1-L For HF-MP HF-KP servo motor
Load side lead
Use in combination with MR-EKCBL
M-L/H.
MR-J3JCBL03M-A2-L 0.3m IP20 Standard
For HF-MP HF-KP servo motor
Opposite-to-load side lead
Use in combination with MR-EKCBL
M-L/H.

11 - 13
11. OPTIONS AND AUXILIARY EQUIPMENT
(a) Connection of servo amplifier and servo motor
Servo motor
HF-MP
HF-KP
MR-J3JCBL03M-A2-L
MR-EKCBL M-L/-H
1)
Servo amplifier
2)
Servo motor
HF-MP
HF-KP
MR-J3JCBL03M-A1-L
1)
2)
or
CN2
Cable model 1) Junction connector 2) For encoder connector
MR-J3JCBL03M-A1-L
MR-J3JCBL03M-A2-L
Housing: 1-172169-9
Contact: 1473226-1
Cable clamp: 316454-1
Crimping tool: 91529-1
(Tyco Electronics)
MR
123
MRR
BAT
MD
456
MDR
P5
789
LGSHD
Signal layout
View seen from wiring side.
CONT
Connector: 1674320-1
Crimping tool for ground clip: 1596970-1
Crimping tool for receptacle contact: 1596847-1
(Tyco Electronics)
9SHD
7MDR
5MR
3P5
1CONT
8MD
6P5G
4MRR
2 BAT
View seen from wiring
Signal layout
(b) Internal wiring diagram
P5
LG
7
8
MR
MRR
1
2
1
3
Junction
connector
Encoder side
connector
6
SHD
5
4
6
9
MR-J3JCBL03M-A1-L
P5G
MR
MRR
SHD
P5
CONTSEL
MD 4 8 MD
MDR 5 7 MDR
BAT 3 2 BAT
9

11 - 14
11. OPTIONS AND AUXILIARY EQUIPMENT
(4) MR-J3ENSCBL M-L MR-J3ENSCBL M-H
These cables are detector cables for HF-SP HA-LP HC-RP HC-UP HC-LP Series servo motors. The
number in the cable length column of the table indicates the symbol filling the square in the cable model.
Cable lengths corresponding to the specified symbols are prepared.
Cable length
Cable model
2m 5m 10m 20m 30m 40m 50m
Protective
structure Flex life Application
MR-J3ENSCBL
M-L 2 5 10 20 30 IP67 Standard
MR- J3ENSCBL
M-H 2 5 10 20 30 40 50 IP67
Long flex
life
For HF-SP HA-LP
HC-RP HC-UP
HC-LP servo motor
(a) Connection of servo amplifier and servo motor
Servo amplifier
1)
2)
MR-J3ENSCBL M-L
MR-J3ENSCBL M-H
Servo motor
HF-SP
CN2
Cable model 1) For CN2 connector 2) For encoder connector
Receptacle: 36210-0100PL
Shell kit: 36310-3200-008
(3M)
Connector set: 54599-1019(Molex)
MR-J3ENSCBL M-L
MR-J3ENSCBL M-
H
1 3 7 9
42 86 10
5
(Note) Signal layout
View seen from wiring side.
or
4
MRR
2
LG 8
6
1
P5
5
10
3
MR
7
9
BAT
(Note) Signal layout
View seen from wiring side.
MRR
LG
P5 MR BAT
Note. Keep open the pins shown with . Especially, pin 10 is provided for
manufacturer adjustment. If it is connected with any other pin, the servo
amplifier cannot operate normally.
In case of 10m or shorter cables
Straight plug: CM10-SP10S-M
Socket contact: CM10-
#22SC(C1)-100
Crimping tool: 357J-50446
(DDK)
Applicable cable AWG20 to 22
In case of 20m or longer cables
Straight plug: CM10-SP10S-M
Socket contact: CM10-
#22SC(C2)-100
Crimping tool: 357J-50447
(DDK)
Applicable cable AWG23 to 28
1
MR
2
MRR
3
5
LG
4
BAT
7 6
10
SHD
9 8
P5
(Note) Signal layout
View seen from wiring side
Note. Keep open the pin shown
with an .

11 - 15
11. OPTIONS AND AUXILIARY EQUIPMENT
(b) Internal wiring diagram
P5
LG
1
2
MR
MRR
3
4
4
8
9
SD
1
2
5
10
LG
MR
MRR
SHD
P5
BAT
BAT
Servo amplifier
side connector
Encoder side
connector
Plate
MR-J3ENSCBL10M-L/H
MR-J3ENSCBL5M-L/H
MR-J3ENSCBL2M-L/H
Servo amplifier
side connector
Encoder side
connector
Plate
P5
LG
1
2
MR
MRR
3
4
4
8
9
SD
1
2
5
10
LG
MR
MRR
SHD
P5
BATBAT
MR-J3ENSCBL30M-L
MR-J3ENSCBL20M-L
Servo amplifier
side connector
Encoder side
connector
Plate
P5
LG
1
2
MR
MRR
3
4
4
8
9
SD
1
2
5
10
LG
MR
MRR
SHD
P5
BATBAT
MR-J3ENSCBL50M-H
MR-J3ENSCBL40M-H
MR-J3ENSCBL30M-H
MR-J3ENSCBL20M-H
(c) When fabricating the encoder cable
When fabricating the cable, prepare the following parts and tool, and fabricate it according to the wiring
diagram in (b). Refer to section 11.8 for the specifications of the used cable.
Parts/Tool Description
Connector set MR- J3SCNS (Option)
Servo amplifier side connector
Receptacle: 36210-0100PL
Shell kit: 536310-3200-008
(3M)
Or
Connector set: 54599-1019
(Molex)
Encoder side connector
Straight plug: CM10-SP10S-M
Socket contact: CM10-#22SC(S1)-100
Applicable wire size: AWG20 or less
Recommended tightening jig: 357J-51456T
(DDK)

11 - 16
11. OPTIONS AND AUXILIARY EQUIPMENT
(5) MR-J3BTCBL03M
This cable is a battery connection cable. Use this cable to retain the current position even if the detector
cable is disconnected from the servo amplifier.
Cable model Cable length Application
MR-J3BTCBL03M 0.3m For HF-MP HF-KP HF-SP HA-LP HC-RP HC-UP HC-LP
servo motor
(a) Connection of servo amplifier and servo motor
Servo amplifier
1)
2)
Servo motor
(Note)
Encoder cable
MR-J3BTCBL03M
3)
Battery
CN2
Note. For the detector cable, refer to (1), (2), (3) and (4) of this section.
Cable model 1) For CN2 connector 2) Junction connector 3) For battery connector
MR-J3BTCBL03M Receptacle: 36210-0100PL
Shell kit: 536310-3200-008
(3M)
Or
Connector set: 54599-1019
(Molex)
Plug: 36110-3000FD
Shell kit: 36310-F200-008
(3M)
Connector: DF3-2EP-2C
Contact: DF3-EP2428PCA
(Hirose Denki)

11 - 17
11. OPTIONS AND AUXILIARY EQUIPMENT
11.1.3 Motor power supply cables
These cables are motor power supply cables for the HF-MP HF-KP series servo motors. The numerals in the
Cable length field of the table are the symbols entered in the part of the cable model. The cables of the
lengths with the symbols are available.
Refer to section 3.10 when wiring.
Cable length
Cable model 0.3m 2m 5m 10m
Protective
structure Flex life Application
MR-PWS1CBL M-A1-L 2 5 10 IP65 Standard For HF-MP HF-KP servo motor
Load side lead
MR-PWS1CBL M-A2-L 2 5 10 IP65 Standard For HF-MP HF-KP servo motor
Opposite-to-load side lead
MR-PWS1CBL M-A1-H 2 5 10 IP65 Long flex
life
For HF-MP HF-KP servo motor
Load side lead
MR-PWS1CBL M-A2-H 2 5 10 IP65 Long flex
life
For HF-MP HF-KP servo motor
Opposite-to-load side lead
MR-PWS2CBL M-A1-L 03 IP55 Standard For HF-MP HF-KP servo motor
Load side lead
MR-PWS2CBL M-A2-L 03 IP55 Standard For HF-MP HF-KP servo motor
Opposite-to-load side lead
(1) Connection of servo amplifier and servo motor
Servo amplifier
1)
CNP3 connector
supplied with servo
amplifier
Servo motor
HF-MP
HF-KP
MR-PWS1CBL M-A2-L
MR-PWS1CBL M-A2-H
MR-PWS2CBL03M-A2-L
CNP3
1)
Servo motor
HF-MP
HF-KP
MR-PWS1CBL M-A1-L
MR-PWS1CBL M-A1-H
MR-PWS2CBL03M-A1-L
or
Cable model 1) For motor power supply connector
MR-PWS1CBL M-A1-L
MR-PWS1CBL M-A2-L
MR-PWS1CBL M-A1-H
MR-PWS1CBL M-A2-H
Connector: JN4FT04SJ1-R
Hood, socket insulator
Bushing, ground nut
Contact: ST-TMH-S-C1B-100-(A534G)
Crimping tool: CT160-3-TMH5B
(Japan Aviation Electronics Industry)
MR-PWS2CBL03M-A1-L
MR-PWS2CBL03M-A2-L
Connector: JN4FT04SJ2-R
Hood, socket insulator
Bushing, ground nut
Contact: ST-TMH-S-C1B-100-(A534G)
Crimping tool: CT160-3-TMH5B
(Japan Aviation Electronics Industry)
U
V
W
1
2
3
4
View seen from wiring side.
Signal layout
(2) Internal wiring diagram
AWG 19 (Red)
AWG 19 (White)
AWG 19 (Black)
AWG 19 (Green/yellow)
U
V
W
MR-PWS1CBL M-A1-H MR-PWS1CBL M-A2-H
MR-PWS2CBL03M-A1-L MR-PWS2CBL03M-A2-L
(Note)
Note. These are not shielded cables.

11 - 18
11. OPTIONS AND AUXILIARY EQUIPMENT
11.1.4 Motor brake cables
These cables are motor brake cables for the HF-MP HF-KP series servo motors. The numerals in the Cable
length field of the table are the symbols entered in the part of the cable model. The cables of the lengths with
the symbols are available.
Refer to section 3.11 when wiring.
Cable length
Cable model 0.3m 2m 5m 10m
Protective
structure Flex life Application
MR-PWS1CBL M-A1-L 2 5 10 IP65 Standard For HF-MP HF-KP servo motor
Load side lead
MR-PWS1CBL M-A2-L 2 5 10 IP65 Standard For HF-MP HF-KP servo motor
Opposite-to-load side lead
MR-PWS1CBL M-A1-H 2 5 10 IP65 Long flex
life
For HF-MP HF-KP servo motor
Load side lead
MR-PWS1CBL M-A2-H 2 5 10 IP65 Long flex
life
For HF-MP HF-KP servo motor
Opposite-to-load side lead
MR-PWS2CBL M-A1-L 03 IP55 Standard For HF-MP HF-KP servo motor
Load side lead
MR-PWS2CBL M-A2-L 03 IP55 Standard For HF-MP HF-KP servo motor
Opposite-to-load side lead
(1) Connection of servo amplifier and servo motor
1)
Servo motor
HF-MP
HF-KP
24VDC power
supply for
electromagnetic
brake
MR-BKS1CBL M-A2-L
MR-BKS1CBL M-A2-H
MR-BKS2CBL03M-A2-L
1)
Servo motor
HF-MP
HF-KP
MR-BKS1CBL M-A1-L
MR-BKS1CBL M-A1-H
MR-BKS2CBL03M-A1-L
or
Cable model 1) For motor brake connector
MR-BKS1CBL M-A1-L
MR-BKS1CBL M-A2-L
MR-BKS1CBL M-A1-H
MR-BKS1CBL M-A2-H
Connector: JN4FT02SJ1-R
Hood, socket insulator
Bushing, ground nut
Contact: ST-TMH-S-C1B-100-(A534G)
Crimping tool: CT160-3-TMH5B
(Japan Aviation Electronics Industry)
MR-BKS2CBL03M-A1-L
MR-BKS2CBL03M-A2-L
Connector: JN4FT02SJ2-R
Hood, socket insulator
Bushing, ground nut
Contact: ST-TMH-S-C1B-100-(A534G)
Crimping tool: CT160-3-TMH5B
(Japan Aviation Electronics Industry)
B1
B2
1
2
View seen from wiring side.
Signal layout
(2) Internal wiring diagram
AWG 20
AWG 20
B1
B2
MR-BKS1CBL M-A1-H MR-BKS1CBL M-A2-H
MR-BKS2CBL03M-A1-L MR-BKS2CBL03M-A2-L
(Note)
Note. These are not shielded cables.

11 - 19
11. OPTIONS AND AUXILIARY EQUIPMENT
11.1.5 SSCNET cable
POINT
Do not see directly the light generated from CN1A CN1B connector of servo
amplifier or the end of SSCNET cable. When the light gets into eye, you
may feel something is wrong for eye. (The light source of SSCNET complies
with class1 defined in JIS C6802 or IEC60825-1.)
(1) Model explanations
Numeral in the column of cable length on the table is a symbol put in the part of cable model. Cables of
which symbol exists are available.
Cable length
Cable model
0.15m 0.3m 0.5m 1m 3m 5m 10m 20m 30m 40m 50m
Flex life Application
remark
MR-J3BUS M 015 03 05 1 3 Standard
Using inside
panel standard
cord
MR-J3BUS M-A 5 10 20 Standard
Using outside
panel standard
cable
(Note)
MR-J3BUS M-B 30 40 50
Long flex
life
Using long
distance cable
Note. For cable of 30m or less, contact our company.
(2) Specifications
Description
SSCNET cable model MR-J3BUS M MR-J3BUS M-A MR-J3BUS M-B
SSCNET cable length 0.15m 0.3 to 3m 5 to 20m 30 to 50m
Minimum bend radius 25mm Enforced covering cord: 50mm
Cord: 25mm
Enforced covering cord: 50mm
Cord: 30mm
Tension strength 70N 140N 420N
(Enforced covering cord)
980N
(Enforced covering cord)
Temperature range
for use (Note) -40 to 85 -20 to 70
Ambient Indoors (no direct sunlight)
No solvent or oil
Optical
cable
(cord)
External appearance
[mm] 2.2 0.07 4.4 0.1
2.2 0.07
6.0 0.2
2.2 0.07
4.4 0.1
4.4 0.4
7.6 0.5
2.2 0.2
Note. This temperature range for use is the value for optical cable (cord) only. Temperature condition for the connector is the same as
that for servo amplifier.

11 - 20
11. OPTIONS AND AUXILIARY EQUIPMENT
(3) Outline drawings
(a) MR-J3BUS015M
[Unit: mm]
(13.4)
(2.3)
(1.7)
(37.65)
(15)
(6.7)
(20.9)
Protective tube
0
150 50
0
8
(b) MR-J3BUS03M to MR-J3BUS3M
Refer to the table shown in (1) of this section for cable length (L).
[Unit: mm]
(100) (100)
L
(Note)
Protective tube
Note. Dimension of connector part is the same as that of MR-J3BUS015M.
(c) MR-J3BUS5M-A to MR-J3BUS20M-A MR-J3BUS30M-B to MR-J3BUS50M-B
Refer to the table shown in (1) of this section for cable length (L).
Distortion dimension [mm]
SSCNET cable A B
MR-J3BUS5M-A to MR-J3BUS20M-A 100 30
MR-J3BUS30M-B to MR-J3BUS50M-B 150 50
[Unit: mm]
(A) (A)
L
(Note)
Protective tube
(B)(B)
Note. Dimension of connector part is the same as that of MR-J3BUS015M.

11 - 21
11. OPTIONS AND AUXILIARY EQUIPMENT
11.2 Regenerative options
CAUTION The specified combinations of regenerative options and servo amplifiers may only
be used. Otherwise, a fire may occur.
(1) Combination and regenerative power
The power values in the table are resistor-generated powers and not rated powers.
Regenerative power[W]
Servo amplifier Built-in
regenerative
resistor
MR-RB032
[40 ]
MR-RB12
[40 ]
MR-RB30
[13 ]
MR-RB31
[6.7 ]
MR-RB32
[40 ]
(Note 1)
MR-RB50
[13 ]
(Note 1)
MR-MB51
[6.7 ]
MR-J3-10B (1) 30
MR-J3-20B (1) 10 30 100
MR-J3-40B (1) 10 30 100
MR-J3-60B 10 30 100
MR-J3-70B 20 30 100 300
MR-J3-100B 20 30 100 300
MR-J3-200B 100 300 500
MR-J3-350B 100 300 500
MR-J3-500B 130 300 500
MR-J3-700B 170 300 500
Regenerative power[W]
Servo amplifier Built-in
regenerative
resistor
MR-RB1H-4
[82 ]
(Note 1)
MR-RB3M-4
[120 ]
(Note 1)
MR-RB3G-4
[47 ]
(Note 1)
MR-RB5G-4
[47 ]
(Note 1)
MR-RB34-4
[26 ]
(Note 1)
MR-RB54-4
[26 ]
MR-J3-60B4 15 100 300
MR-J3-100B4 15 100 300
MR-J3-200B4 100 300 500
MR-J3-350B4 100 300 500
MR-J3-500B4 130 300 500
MR-J3-700B4 170 300 500
(Note 2) Regenerative power[W]
Servo amplifier External regenerative
resistor (Accessory)
MR-RB5E
[6 ]
MR-RB9P
[4.5 ]
MR-RB9F
[3 ]
MR-RB6B-4
[20 ]
MR-RB60-4
[12.5 ]
MR-RB6K-4
[10 ]
MR-J3-11KB 500 (800) 500 (800)
MR-J3-15KB 850 (1300) 850 (1300)
MR-J3-22KB 850 (1300) 850 (1300)
MR-J3-11KB4 500 (800) 500 (800)
MR-J3-15KB4 850 (1300) 850 (1300)
MR-J3-22KB4 850 (1300) 850 (1300)
Note 1. Always install a cooling fan.
2. Values in parentheses assume the installation of a cooling fan.

11 - 22
11. OPTIONS AND AUXILIARY EQUIPMENT
(2) Selection of the regenerative option
Use the following method when regeneration occurs continuously in vertical motion applications or when it
is desired to make an in-depth selection of the regenerative option.
(a) Regenerative energy calculation
Use the following table to calculate the regenerative energy.
M
Friction
torque
Unbalance torque
TF
TU
Servo motor speed
Generated torque
Time
Up
No
tf(1 cycle)
Down
( )
( )
(Driving)
(Regenerative)
Tpsd2
t2 t3 t4t1
Tpsa2
Tpsd1
Tpsa1
1)
2)
3)
4) 5)
6)
7)
8)
Formulas for calculating torque and energy in operation
Regenerative power Torque applied to servo motor [N m] Energy [J]
1) T1(JL JM)
9.55 104
N01
Tpsa1 TUTF
E12
0.1047 N0T1Tpsa1
2) T2 TU TF E
2 0.1047 N0T2t1
3) T3(JL JM)
9.55 104
N01
Tpsd1 TUTF
E32
0.1047 N0T3Tpsd1
4), 8) T4 TU E
40 (No regeneration)
5) T5(JL JM)
9.55 104
N01
Tpsa2 TUTF
E52
0.1047 N0T5Tpsa2
6) T6 TU TF E
6 0.1047 N0T6t3
7) T7(JL JM)
9.55 104
N01
Tpsd2 TUTF
E72
0.1047 N0T7Tpsd2
From the calculation results in 1) to 8), find the absolute value (Es) of the sum total of negative energies.

11 - 23
11. OPTIONS AND AUXILIARY EQUIPMENT
(b) Losses of servo motor and servo amplifier in regenerative mode
The following table lists the efficiencies and other data of the servo motor and servo amplifier in the
regenerative mode.
Servo amplifier Inverse efficiency[%] Capacitor charging[J] Servo amplifier Inverse efficiency[%] Capacitor charging[J]
MR-J3-10B 55 9 MR-J3-200B 85 40
MR-J3-10B1 55 4 MR-J3-200B4 85 25
MR-J3-20B 70 9 MR-J3-350B 85 40
MR-J3-20B1 70 4 MR-J3-350B4 85 36
MR-J3-40B 85 11 MR-J3-500B(4) 90 45
MR-J3-40B1 85 10 MR-J3-700B(4) 90 70
MR-J3-60B(4) 85 11 MR-J3-11KB(4) 90 120
MR-J3-70B 80 18 MR-J3-15KB(4) 90 170
MR-J3-100B 80 18 MR-J3-22KB(4) 90 250
MR-J3-100B4 80 12
Inverse efficiency ( ) : Efficiency including some efficiencies of the servo motor and servo amplifier
when rated (regenerative) torque is generated at rated speed. Since the
efficiency varies with the speed and generated torque, allow for about 10%.
Capacitor charging (Ec) : Energy charged into the electrolytic capacitor in the servo amplifier.
Subtract the capacitor charging from the result of multiplying the sum total of regenerative energies by
the inverse efficiency to calculate the energy consumed by the regenerative option.
ER [J] Es Ec
Calculate the power consumption of the regenerative option on the basis of single-cycle operation
period tf [s] to select the necessary regenerative option.
PR [W] ER/tf
(3) Parameter setting
Set parameter No.PA02 according to the option to be used.
Selection of regenerative option
00: Regenerative option is not used
For servo amplifier of 100W, regenerative resistor is not used.
For servo amplifier of 200 to 7kW, built-in regenerative resistor is used.
Supplied regenerative resistors or regenerative option is used with
the servo amplifier of 11k to 22kW.
For a drive unit of 30kW or more, select regenerative option by the
converter unit.
01: FR-BU2-(H) FR-RC-(H) FR-CV-(H)
02: MR-RB032
03: MR-RB12
04: MR-RB32
05: MR-RB30
06: MR-RB50(Cooling fan is required)
08: MR-RB31
09: MR-RB51(Cooling fan is required)
80: MR-RB1H-4
81: MR-RB3M-4(Cooling fan is required)
82: MR-RB3G-4(Cooling fan is required)
83: MR-RB5G-4(Cooling fanis required)
84: MR-RB34-4(Cooling fanis required)
85: MR-RB54-4(Cooling fanis required)
FA: Whenhe supplied regenerative resistor is cooled by the cooling fan to
increase the ability with the servo amplifier of 11k to 22kW.
00
Parameter No.PA02

11 - 24
11. OPTIONS AND AUXILIARY EQUIPMENT
The following are setting values for regenerative resistor and regenerative option which are used with a
servo amplifier of 11k to 22kW.
Regenerative resistor, regenerative option Setting
value
Standard supplied regenerative resistor 00
Standard supplied regenerative resistor
(with a cooling fan to cool it)
FA
MR-RB5E 00
MR-RB5E (with a cooling fan to cool it) FA
MR-RB9P 00
MR-RB9P (with a cooling fan to cool it) FA
MR-RB9F 00
MR-RB9F (with a cooling fan to cool it) FA
MR-RB6B-4 00
MR-RB6B-4 (with a cooling fan to cool it) 00
MR-RB60-4 FA
MR-RB60-4 (with a cooling fan to cool it) 00
MR-RB6K-4 FA
MR-RB6K-4 (with a cooling fan to cool it) 00
(4) Connection of the regenerative option
POINT
When the MR-RB50 MR-RB51 MR-RB3M-4 MR-RB3G-4 MR-RB5G-4
MR-RB34-4 MR-RB54-4 is used, a cooling fan is required to cool it.
The cooling fan should be prepared by the customer.
For the sizes of wires used for wiring, refer to section 11.11.
The regenerative option will cause a temperature rise of 100 relative to the ambient temperature. Fully
examine heat dissipation, installation position, used cables, etc. before installing the option. For wiring, use
flame-resistant wires and keep them clear of the regenerative option body. Always use twisted cables of
max. 5m length for connection with the servo amplifier.

11 - 25
11. OPTIONS AND AUXILIARY EQUIPMENT
(a) MR-J3-350B or less MR-J3-200B4 or less
Always remove the wiring from across P-D and fit the regenerative option across P-C.
The G3 and G4 terminals act as a thermal sensor. G3-G4 is disconnected when the regenerative option
overheats abnormally.
D
P
C
G4
G3
C
P
Regenerative option
5m max.
Servo amplifier
Always remove the lead from across P-D.
(Note 2)
Cooling fan
(Note 1)
Note 1. When using the MR-RB50 MR-RB3M-4 MR-RB3G-4 MR-RB5G-4, forcibly cool it with a cooling fan (92 92, minimum air
flow : 1.0m3).
2. Make up a sequence which will switch off the magnetic contactor (MC) when abnormal heating occurs.
G3-G4 contact specifications
Maximum voltage: 120V AC/DC
Maximum current: 0.5A/4.8VDC
Maximum capacity: 2.4VA
For the MR-RB50 MR-RB3M-4 MR-RB3G-4 MR-RB5G-4 install the cooling fan as shown.
(for cooling fan installation)
Depth 10 or less
(Screw hole already
machined)
Cooling fan installation screw hole dimensions
82.5 40
82.5133
2-M3 screw hole
Terminal block
Thermal relay
Installation surface
Horizontal installation
Vertical
installation
Top
Bottom
[Unit : mm]
Cooling fan

11 - 26
11. OPTIONS AND AUXILIARY EQUIPMENT
(b) MR-J3-350B4 MR-J3-500B(4) MR-J3-700B(4)
Always remove the wiring (across P-C) of the servo amplifier built-in regenerative resistor and fit the
regenerative option across P-C.
The G3 and G4 terminals act as a thermal sensor. G3-G4 is opened when the regenerative option
overheats abnormally.
Regenerative optionServo amplifier
Cooling fan(Note 1)
P
C
G4
G3
C
P
Always remove wiring (across P-C) of servo
amplifier built-in regenerative resistor.
5m or less
(Note 2)
Note 1. When using the MR-RB51 MR-RB3G-4 MR-RB5G-4 MR-RB34-4 MR-RB54-4, forcibly
cool it with a cooling fan (92 92, minimum air flow : 1.0m3).
2. Make up a sequence which will switch off the magnetic contactor (MC) when abnormal heating
occurs.
G3-G4 contact specifications
Maximum voltage: 120V AC/DC
Maximum current: 0.5A/4.8VDC
Maximum capacity: 2.4VA
When using the regenerative resistor option, remove the servo amplifier's built-in regenerative resistor
terminals (across P-C), fit them back to back, and secure them to the frame with the accessory screw as
shown below.
Mounting method
Accessory screw

11 - 27
11. OPTIONS AND AUXILIARY EQUIPMENT
The drawing below shows the MR-J3-350B4 MR-J3-500B(4). Refer to section 9.1 (6) outline drawings
for the position of the fixing screw for MR-J3-700B(4).
Built-in regenerative resistor
lead terminal fixing screw
For the MR-RB51, MR-RB3G-4, MR-RB5G-4, MR-RB34-4 or MR-RB54-4 install the cooling fan as
shown.
(for cooling fan installation)
Depth 10 or less
(Screw hole already
machined)
Cooling fan installation screw hole dimensions
82.5 40
82.5133
2-M3 screw hole
Terminal block
Thermal relay
Installation surface
Horizontal installation
Vertical
installation
Top
Bottom
[Unit : mm]
Cooling fan

11 - 28
11. OPTIONS AND AUXILIARY EQUIPMENT
(c) MR-J3-11KB(4) to MR-J3-22KB(4) (when using the supplied regenerative resistor)
When using the regenerative resistors supplied to the servo amplifier, the specified number of resistors
(4 or 5 resistors) must be connected in series. If they are connected in parallel or in less than the
specified number, the servo amplifier may become faulty and/or the regenerative resistors burn. Install
the resistors at intervals of about 70mm. Cooling the resistors with two cooling fans (92 92, minimum
air flow : 1.0m3) improves the regeneration capability. In this case, set " FA" in parameter No.PA02.
Coolin
g
fan
P
C
Servo amplifie
r
(Note) Series connection
P1
Do not remove
the short bar.
5m or less
Note. The number of resistors connected in series depends on the resistor type. The thermal sensor is not mounted on the
attached regenerative resistor. An abnormal heating of resistor may be generated at a regenerative circuit failure. Install a
thermal sensor near the resistor and establish a protective circuit to shut off the main circuit power supply when abnormal
heating occurs. The detection level of the thermal sensor varies according to the settings of the resistor. Set the thermal
sensor in the most appropriate position on your design basis or use the thermal sensor built-in regenerative option (MR-
RB5E, 9P, 9F, 6B-4, 60-4 and 6K-4) provided by Mitsubishi Electric Corporation.
Regenerative power [W]
Servo amplifier Regenerative
resistor Normal Cooling
Resistance
[]
Number of
resistors
MR-J3-11KB GRZG400-1.5 500 800 6 4
MR-J3-15KB GRZG400-0.9 850 1300 4.5 5
MR-J3-22KB GRZG400-0.6 850 1300 3 5
MR-J3-11KB4 GRZG400-5.0 500 800 20 4
MR-J3-15KB4 GRZG400-2.5 850 1300 12.5 5
MR-J3-22KB4 GRZG400-2.0 850 1300 10 5

11 - 29
11. OPTIONS AND AUXILIARY EQUIPMENT
(d) MR-J3-11KB(4)-PX to MR-J3-22KB(4)-PX (when using the regenerative option)
The MR-J3-11KB(4)-PX to MR-J3-22KB(4)-PX servo amplifiers are not supplied with regenerative
resistors. When using any of these servo amplifiers, always use the MR-RB5E, 9P, 9F, 6B-4, 60-4 and
6K-4 regenerative option.
The MR-RB5E, 9P, 9F, 6B-4, 60-4 and 6K-4 are regenerative options that have encased the GRZG400-
1.5 , GRZG400-0.9 , GRZG400-0.6 , GRZG400-5.0 , GRZG400-2.5 , GRZG400-2.0 respectively.
When using any of these regenerative options, make the same parameter setting as when using the
GRZG400-1.5 , GRZG400-0.9 , GRZG400-0.6 , GRZG400-5.0 , GRZG400-2.5 , GRZG400-2.0
(supplied regenerative resistors or regenerative option is used with 11kW or more servo amplifier).
Cooling the regenerative option with cooling fans improves regenerative capability.
The G3 and G4 terminals are for the thermal protector. G3-G4 is opened when the regenerative option
overheats abnormally.
G3
G4
C
P
C
P
P1
Servo amplifie
r
Do not remove
the short bar.
Configure up a circuit which
shuts off main circuit power
when thermal protector operates.
(Note)
Regenerative option
Note. Specifications of contact across G3-G4
Maximum voltage : 120V AC/DC
Maximum current : 0.5A/4.8VDC
Maximum capacity : 2.4VA
Regenerative power [W]
Servo amplifier Regenerative option
model Resistance [ ]Without
cooling fans
With
cooling fans
MR-J3-11KB-PX MR-RB5E 6 500 800
MR-J3-15KB-PX MR-RB9P 4.5 850 1300
MR-J3-22KB-PX MR-RB9F 3 850 1300
MR-J3-11KB4-PX MR-RB6B-4 20 500 800
MR-J3-15KB4-PX MR-RB60-4 12.5 850 1300
MR-J3-22KB4-PX MR-RB6K-4 10 850 1300
When using cooling fans, install them using the mounting holes provided in the bottom of the
regenerative option. In this case, set " FA" in parameter No.PA02.
Mounting screw
4-M3
(92 92, minimum air flow: 1.0m3)
MR-RB5E 9P 9F 6B-4 60-4 6K-4
Top
Bottom
TE1
G4 G3 C P
TE
2 cooling fans

11 - 30
11. OPTIONS AND AUXILIARY EQUIPMENT
(5) Outline drawing
(a) MR-RB032 MR-RB12
[Unit: mm (in)]
LA
5
LB
TE1
6
6156
168
144
12
Approx. 6
Approx. 12
Approx. 20 LD
1.6
LC
G3
G4
P
C
6 mounting hole
MR-RB
TE1
Terminal block
G3
G4
P
C
Terminal screw: M3
Tightening torque: 0.5 to 0.6 [N m]
(4 to 5 [lb in])
Mounting screw
Screw size: M5
Tightening torque: 3.24 [N m]
(28.7 [lb in])
Variable dimensions Mass Regenerative
option LA LB LC LD [kg] [lb]
MR-RB032 30 15 119 99 0.5 1.1
MR-RB12 40 15 169 149 1.1 2.4

11 - 31
11. OPTIONS AND AUXILIARY EQUIPMENT
(b) MR-RB30 MR-RB31 MR-RB32 MR-RB34-4 MR-RB3M-4 MR-RB3G-4
TE1
Terminal block
G3
G4
P
C
Terminal screw: M4
Tightening torque: 1.2 [N m] (10.62 [lb in])
Mounting screw
Screw size: M6
Tightening torque: 5.4 [N m] (47.79 [lb in])
Variable
dimensions
Regenerative
option A B
Mass
[kg] (Ib)
MR-RB30
MR-RB31 17 335
MR-RB32
MR-RB34-4 2.9 (6.4)
MR-RB3M-4 23 341
[Unit: mm (in)]
7
10 90
100 B
A318
82.5101.5
Cooling fan mounting
screw (2-M4 screw)
Wind blows in the
arrow direction
MR-RB3G-4
(c) MR-RB50 MR-RB51 MR-RB54-4 MR-RB5G-4
Terminal block
G3
G4
P
C
Terminal screw: M4
Tightening torque: 1.2 [N m] (10.62 [lb in])
Mounting screw
Screw size: M6
Tightening torque: 5.4 [N m] (47.79 [lb in])
Variable
dimensions
Regenerative
option A B
Mass
[kg] (Ib)
MR-RB50
MR-RB51 17 217
MR-RB54-4 5.6 (12.3)
MR-RB5G-4 23 233
[Unit: mm (in)]
2.3
49 82.5
200 A
B8120
10812
7
(30)
7 14
slot
Cooling fan mounting
screw (2-M3 screw)
On opposite side
Wind blows
in the arrow
direction

11 - 32
11. OPTIONS AND AUXILIARY EQUIPMENT
(d) MR-RB5E MR-RB9P MR-RB9F MR-RB6B-4 MR-RB60-4 MR-RB6K-4
Terminal block
G3G4 PC
Terminal screw: M5
Tightening torque: 2.0 [N m] (17.70 [lb in])
Mounting screw
Screw size: M8
Tightening torque: 13.2 [N m] (116.83 [lb in])
Mass
Regenerative
option [kg] [Ib]
MR-RB5E 10 22.0
MR-RB9P 11 24.3
MR-RB9F 11 24.3
MR-RB6B-4 10 22.0
MR-RB60-4 11 24.3
MR-RB6K-4 11 24.3
[Unit: mm (in)]
2- 10
mounting hole
10
43
480
500
427
10
30
215
2.3
10 230
TE1
G4 G3 C P
260
230
15
82.5 82.5
82.5
Cooling fan mounting screw
4-M3 screw
(e) GRZG400-1.5 GRZG400-0.9 GRZG400-0.6 GRZG400-5.0 GRZG400-2.5 GRZG400-
2.0 (standard accessories)
Variable
dimensions
Regenerative
brake
A C K
Mounting
screw size
Tightening
torque
[N m]
([lb in])
Mass [kg]
([lb])
GRZG400-1.5
GRZG400-0.9 10 5.5 39
GRZG400-0.6 16 8.2 46
GRZG400-5.0
GRZG400-2.5
1.6
Approx. 47
9.5
40
411
385
10
Approx. C
Approx. 2.4
40
Approx. 330
Approx. A
Approx. K
GRZG400-2.0
10 5.5 39
M8 13.2
(116.83)
0.8
(1.76)

11 - 33
11. OPTIONS AND AUXILIARY EQUIPMENT
(f) MR-RB1H-4
Terminal screw: M3
Tightening torque: 0.5 to 0.6 [N m]
(4.43 to 5.31 [lb in])
G3
G4
P
C
Mounting screw
Screw size: M5
Tightening torque: 3.24 [N m]
(28.32 [lb in])
Regenerative
option Mass [kg] ([lb])
MR-RB1H-4 1.1 (2.4)
[Unit: mm (in)]
TE1
62
149
173
6
Approx. 24
15
36
40
6 mounting hole

11 - 34
11. OPTIONS AND AUXILIARY EQUIPMENT
11.3 FR-BU2-(H) Brake unit
POINT
Use a 200V class brake unit and a resistor unit with a 200V class servo
amplifier, and a 400V class brake unit and a resistor unit with a 400V class
servo amplifier. Combination of different voltage class units and servo
amplifier cannot be used.
Install a brake unit and a resistor unit on a flat surface vertically. When the
unit is installed horizontally or diagonally, the heat dissipation effect
diminishes.
Temperature of the resistor unit case rises to higher than 100 . Keep cables
and flammable materials away from the case.
Ambient temperature condition of the brake unit is between 10 (14 ) and
50 (122 ). Note that the condition is different from the ambient
temperature condition of the servo amplifier (between 0 (32 ) and 55
(131 )).
Configure the circuit to shut down the power-supply with the alarm output of
the brake unit and resistor unit under abnormal condition.
Use the brake unit with a combination indicated in section 11.3.1.
For executing a continuous regenerative operation, use FR-RC-(H) power
regeneration converter or FR-CV-(H) power regeneration common converter.
Brake unit and regenerative options (Regenerative resistor) cannot be used
simultaneously.
Connect the brake unit to the bus of the servo amplifier. As compared to the MR-RB regenerative option, the
brake unit can return larger power. Use the brake unit when the regenerative option cannot provide sufficient
regenerative capability.
When using the brake unit, set the parameter No.PA02 of the servo amplifier to " 01".
When using the brake unit, always refer to the FR-BU2-(H) Brake Unit Instruction Manual.

11 - 35
11. OPTIONS AND AUXILIARY EQUIPMENT
11.3.1 Selection
Use a combination of servo amplifier, brake unit and resistor unit listed below.
Brake unit Resistor unit
Number of
connected
units
Permissible
continuous
power [kW]
Total
resistance
[]
Applicable servo
amplifier
200V FR-BU2-15K FR-BR-15K 1 0.99 8 MR-J3-500B (Note)
class 2 (parallel) 1.98 4 MR-J3-500B
MR-J3-700B
MR-J3-11KB
MR-J3-15KB
FR-BU2-30K FR-BR-30K 1 1.99 4 MR-J3-500B
MR-J3-700B
MR-J3-11KB
MR-J3-15KB
FR-BU2-55K FR-BR-55K 1 3.91 2 MR-J3-11KB
MR-J3-15KB
MR-J3-22KB
MT-BR5-55K 1 5.5 2 MR-J3-22KB
400V
class
FR-BU2-H30K FR-BR-H30K 1 1.99 16 MR-J3-500B4
MR-J3-700B4
MR-J3-11KB4
FR-BU2-H55K FR-BR-H55K 1 3.91 8 MR-J3-11KB4
MR-J3-15KB4
MR-J3-22KB4
FR-BU2-H75K MT-BR5-H75K 1 7.5 6.5 MR-J3-22KB4
11.3.2 Brake unit parameter setting
Normally, when using the FR-BU2-(H), changing parameters is not necessary. Whether a parameter can be
changed or not is listed below.
Parameter
No. Name
Change
possible/
impossible
Remarks
0 Brake mode switchover Impossible Do not change the parameter.
1 Monitor display data selection Possible Refer to the FR-BU2-(H) Brake Unit
Instruction Manual.
2 Input terminal function selection 1
3 Input terminal function selection 2
77 Parameter write selection
78 Cumulative energization time
carrying-over times
CLr Parameter clear
ECL Alarm history clear
C1 For manufacturer setting
Impossible Do not change the parameter.

11 - 36
11. OPTIONS AND AUXILIARY EQUIPMENT
11.3.3 Connection example
POINT
Connecting PR terminal of the brake unit to P terminal of the servo amplifier
results in brake unit malfunction. Always connect the PR terminal of the brake
unit to the PR terminal of the resistor unit.
(1) Combination with FR-BR-(H) resistor unit
(a) When connecting a brake unit to a servo amplifier
NFB
RA1
24VDC
ALM
RA1
Servo motor
thermal relay
RA2
RA1
(Note 8)
(Note 1)
Power
supply
N/
P/
BUE
SD
PR
B
C
A
SD
MSG
(Note 4)
(Note 7)
3
10
EM1
DOCOM
DICOM
ALM
P1
P2
P( )
N( )
C
FR-BU2-(H)
FR-BR-(H)
Servo amplifier
P
PR TH2
TH1
(Note 6)
MC
(Note 5)
(Note 3)
(Note 2)
(Note 9)
L1
L2
L3
L11
L21
20
15
CN3
(Note 10)
EM1
MC
SK
MC
ON
OFF
Controller
forced stop
RA3
Note 1. For power supply specifications, refer to section 1.3.
2. For the servo amplifier of 5k and 7kW, always disconnect the lead of built-in regenerative resistor, which is connected to the P
and C terminals. For the servo amplifier of 11k to 22kW, do not connect a supplied regenerative resistor to the P and C
terminals.
3. Always connect P1 and P2 terminals (P1 and P for the servo amplifier of 11k to 22kW) (Factory-wired). When using the power
factor improving DC reactor, refer to section 11.13.
4. Connect the P/ and N/ terminals of the brake unit to a correct destination. Wrong connection results in servo amplifier and
brake unit malfunction.
5. For 400VAC class, a step-down transformer is required.
6. Contact rating: 1b contact, 110VAC_5A/220VAC_3A
Normal condition: TH1-TH2 is conducting. Abnormal condition: TH1-TH2 is not conducting.
7. Contact rating: 230VAC_0.3A/30VDC_0.3A
Normal condition: B-C is conducting/A-C is not conducting. Abnormal condition: B-C is not conducting/A-C is conducting.
8. For the servo amplifier of 11kW or more, connect the thermal relay censor of the servo amplifier.
9. Do not connect more than one cable to each P( ) to N( ) terminals of the servo amplifier.
10. Always connect BUE and SD terminals (Factory-wired).

11 - 37
11. OPTIONS AND AUXILIARY EQUIPMENT
(b) When connecting two brake units to a servo amplifier
POINT
To use brake units with a parallel connection, use two sets of FR-BU2 brake
unit. Combination with other brake unit results in alarm occurrence or
malfunction.
Always connect the master and slave terminals (MSG and SD) of the two
brake units.
Do not connect the servo amplifier and brake units as below. Connect the
cables with a terminal block to distribute as indicated in this section.
N/
P/
Brake unit
Servo amplifier
P ( )
N ( ) N/
P/
Brake unit
Connecting two cables to
P and N terminals
N/
P/
Brake unit
Servo amplifier
P ( )
N ( ) N/
P/
Brake unit
Passing wiring

11 - 38
11. OPTIONS AND AUXILIARY EQUIPMENT
Controller
forced stop
RA3
NFB
24VDC
ALM
RA1
MC
SK
MC
ON
OFF
EM1
Servo motor
thermal relay
RA2
(Note 7)
(Note 1)
Power
supply
N/
P/
BUE
SD
PR
B
C
A
SD
MSG
(Note 4)
(Note 6)
3
10
EM1
DOCOM
DICOM
ALM
P1
P2
P
N
C
FR-BU2-(H)
FR-BR
Servo amplifier
P
PR TH2
TH1
(Note 5)
MC
Terminal
block
(Note 3)
(Note 11)
(Note 2)
(Note 8)
20
15
CN3
L1
L2
L3
L11
L21
(Note 10)
(Note 9)
N/
P/
BUE
SD
PR
B
C
A
SD
MSG
FR-BU2-(H)
TH2
TH1
(Note 5)
FR-BR
P
PR
RA1
(Note 4)
(Note 6)
(Note 10)
(Note 9)
Note 1. For power supply specifications, refer to section 1.3.
2. For the servo amplifier of 5k and 7kW, always disconnect the lead of built-in regenerative resistor, which is connected to the P
and C terminals. For the servo amplifier of 11k and 15kW, do not connect a supplied regenerative resistor to the P and C
terminals.
3. Always connect P1 and P2 terminals (P1 and P for the servo amplifier of 11k and 15kW) (Factory-wired). When using the power
factor improving DC reactor, refer to section 11.13.
4. Connect the P/ and N/ terminals of the brake unit to a correct destination. Wrong connection results in servo amplifier and
brake unit malfunction.
5. Contact rating: 1b contact, 110VAC_5A/220VAC_3A
Normal condition: TH1-TH2 is conducting. Abnormal condition: TH1-TH2 is not conducting.
6. Contact rating: 230VAC_0.3A/30VDC_0.3A
Normal condition: B-C is conducting/A-C is not conducting. Abnormal condition: B-C is not conducting/A-C is conducting.
7. For the servo amplifier of 11kW or more, connect the thermal relay censor of the servo amplifier.
8. Do not connect more than one cable to each P and N terminals of the servo amplifier.
9. Always connect BUE and SD terminals (Factory-wired).
10. Connect the MSG and SD terminals of the brake unit to a correct destination. Wrong connection results in servo amplifier and
brake unit malfunction.
11. For the cable to connect the terminal block and the P and N terminals of the servo amplifier, use the cable indicated in (4) (b) of
this section.

11 - 39
11. OPTIONS AND AUXILIARY EQUIPMENT
(2) Combination with MT-BR5-(H) resistor unit
NFB
24VDC
ALM
RA1
MC
SK
MC
ON
OFF
EM1
Servo motor
thermal relay
RA2
(Note 1)
Power
supply
N/
P/
BUE
SD
PR
B
C
A
SD
MSG
(Note 3)
(Note 6)
RA4
3
10
EM1
DOCOM
DICOM
ALM
P1
P( )
N( )
FR-BU2-(H)
MT-BR5-(H)
Servo amplifier
P
PR TH2
TH1
(Note 5)
MC
(Note 4)
RA4
(Note 7)
(Note 2)
20
15
CN3
L3
L11
L2
L21
L1
SK
(Note 8)
RA1
Controller
forced stop
RA3
C(Note 9)
Note 1. For power supply specifications, refer to section 1.3.
2. Always connect P1 - P( ) terminals (Factory-wired). When using the power factor improving DC reactor, refer to section 11.13.
3. Connect the P/ and N/ terminals of the brake unit to a correct destination. Wrong connection results in servo amplifier and
brake unit malfunction.
4. For the servo amplifier of 400V class, a step-down transformer is required.
5. Contact rating: 1a contact, 110VAC_5A/220VAC_3A
Normal condition: TH1-TH2 is not conducting. Abnormal condition: TH1-TH2 is conducting.
6. Contact rating: 230VAC_0.3A/30VDC_0.3A
Normal condition: B-C is conducting/A-C is not conducting. Abnormal condition: B-C is not conducting/A-C is conducting.
7. Do not connect more than one cable to each P and N terminals of the servo amplifier.
8. Always connect BUE and SD terminals (Factory-wired).
9. For the servo amplifier of 22kW, do not connect a supplied regenerative resistor to the P and C terminals.

11 - 40
11. OPTIONS AND AUXILIARY EQUIPMENT
(3) Precautions for wiring
The cables between the servo amplifier and the brake unit, and between the resistor unit and the brake unit
should be as short as possible. Always twist the cable longer than 5m (twist five times or more per one
meter). Even when the cable is twisted, the cable should be less than 10m. Using cables longer than 5m
without twisting or twisted cables longer than 10m, may result in the brake unit malfunction.
Servo amplifier
Brake unit
5m or less 5m or less
Servo amplifier
Brake unit
10m or less 10m or less
P( )
N( )
P
N
P
PR PR
P
N
P
PR
P
PR
Twist
Resistor unit Resistor unit
P( )
N( )
Twist
P
(4) Cables
(a) Cables for the brake unit
For the brake unit, HIV wire (600V Grade heat-resistant polyvinyl chloride insulated wire) is
recommended.
1) Main circuit terminal
Wire size
Crimping
terminal N/ , P/ , PR,
Brake unit
Main
circuit
terminal
screw
size
N/ , P/ ,
PR,
Tightening
torque
HIV wire [mm2] AWG
200V FR-BU2-15K M4 5.5-4 1.5 3.5 12
class FR-BU2-30K M5 5.5-5 2.5 5.5 10
FR-BU2-55K M6 14-6 4.4 14 6
400V FR-BU2-H30K M4 5.5-4 1.5 3.5 12
class FR-BU2-H55K M5 5.5-5 2.5 5.5 10
N/ P/ PR
Terminal block
FR-BU2-H75K M6 14-6 4.4 14 6

11 - 41
11. OPTIONS AND AUXILIARY EQUIPMENT
2) Control circuit terminal
POINT
Undertightening can cause a cable disconnection or malfunction.
Overtightening can cause a short circuit or malfunction due to damage to the
screw or the brake unit.
A
RES
PC
B
SD
BUE
C
MSG
SD MSG SD SD
Jumper
Terminal block
6mm
Sheath Core
Wire the stripped cable after twisting to prevent the cable
from becoming loose. In addition, do not solder it.
Screw size: M3
Tightening torque: 0.5N m to 0.6N m
Wire size: 0.3mm2 to 0.75 mm2
Screw driver: Small flat-blade screwdriver
(Tip thickness: 0.4mm/Tip width 2.5mm)
(b) Cables for connecting the servo amplifier and a distribution terminal block when connecting two sets of
the brake unit
Wire size
Brake unit HIV wire [mm2]AWG
FR-BU2-15K 8 8

11 - 42
11. OPTIONS AND AUXILIARY EQUIPMENT
(5) Crimping terminals for P and N terminals of servo amplifier
(a) Recommended crimping terminals
POINT
Always use recommended crimping terminals or equivalent since some
crimping terminals cannot be installed depending on the size.
Servo amplifier Brake unit
Number of
connected
units
Crimping terminal (Manufacturer)
(Note 1)
Applicable
tool
200V MR-J3-500B FR-BU2-15K 1 FVD5.5-S4(Japan Solderless Terminal) c
class 2 8-4NS(Japan Solderless Terminal)
(Note 2)
d
FR-BU2-30K 1 FVD5.5-S4(Japan Solderless Terminal) c
MR-J3-700B FR-BU2-15K 2 8-4NS(Japan Solderless Terminal)
(Note 2)
d
FR-BU2-30K 1 FVD5.5-S4(Japan Solderless Terminal) c
MR-J3-11KB FR-BU2-15K 2 FVD8-6(Japan Solderless Terminal) a
FR-BU2-30K 1 FVD5.5-6(Japan Solderless Terminal) c
FR-BU2-55K 1 FVD14-6(Japan Solderless Terminal) b
MR-J3-15KB FR-BU2-15K 2 FVD8-6(Japan Solderless Terminal) a
FR-BU2-30K 1 FVD5.5-6(Japan Solderless Terminal) c
FR-BU2-55K 1 FVD14-6(Japan Solderless Terminal) b
MR-J3-22KB FR-BU2-55K 1 FVD14-8(Japan Solderless Terminal) b
400V MR-J3-500B4 FR-BU2-H30K 1 FVD5.5-S4(Japan Solderless Terminal) c
class MR-J3-700B4 FR-BU2-H30K 1 FVD5.5-S4(Japan Solderless Terminal) c
MR-J3-11KB4 FR-BU2-H30K 1 FVD5.5-6(Japan Solderless Terminal) c
FR-BU2-H55K 1 FVD5.5-6(Japan Solderless Terminal) c
MR-J3-15KB4 FR-BU2-H55K 1 FVD5.5-6(Japan Solderless Terminal) c
MR-J3-22KB4 FR-BU2-H55K 1 FVD5.5-8(Japan Solderless Terminal) c
FR-BU2-H75K 1 FVD14-8(Japan Solderless Terminal) b
Note 1. Symbols in the applicable tool field indicate applicable tools in (5)(b) of this section.
2. Coat the crimping part with an insulation tube.
(b) Applicable tool
Servo amplifier side crimping terminals
Applicable tool
Symbol Crimping
terminal Body Head Dice
Manufacturer
a FVD8-6 YF-1 E-4 YNE-38 DH-111 DH121
b FVD14-6
FVD14-8 YF-1 E-4 YNE-38 DH-112 DH122
c FDV5.5-S4
FDV5.5-6 YNT-1210S
d 8-4NS YHT-8S
Japan Solderless
Terminal

11 - 43
11. OPTIONS AND AUXILIARY EQUIPMENT
11.3.4 Outline dimension drawings
(1) FR-BU2- (H) brake unit
[Unit: mm]
FR-BU2-15K
Rating
plate
5 hole
(Screw size: M4)
68
6 56 6
5
18.5 52 62
4
132.5
FR-BU2-30K
FR-BU2-H30K
129.5
5
59
18.5
Rating
plate
52
2- 5 hole
(Screw size: M4)
5
108
6 6
96
FR-BU2-55K
FR-BU2-H55K, H75K
18.5
Rating
plate
52 72
5
142.5
5
61586
170
2- 5 hole
(Screw size: M4)

11 - 44
11. OPTIONS AND AUXILIARY EQUIPMENT
(2) FR-BR- (H) resistor unit
[Unit: mm]
2- C
Control circuit
terminal
Main circuit
terminal
W1 1
Approx. 35 Approx. 35
204
Hanging bolt
CC
W 5
For FR-BR-55K/FR-BR-H55K, a hanging bolt
is placed on two locations (Indicated below).
(Note)
(Note)
Note. Ventilation ports are provided on both sides and the top. The bottom is open.
Resistor unit W W1 H H1 H2 H3 D D1 C
Approximate
mass
[kg]
FR-BR-15K 170 100 450 410 20 432 220 3.2 6 15
FR-BR-30K 340 270 600 560 20 582 220 4 10 30
200V
class FR-BR-55K 480 410 700 620 40 670 450 3.2 12 70
FR-BR-H30K 340 270 600 560 20 582 220 4 10 30 400V
class FR-BR-H55K 480 410 700 620 40 670 450 3.2 12 70
(3) MT-BR5- (H) resistor unit
[Unit: mm]
Resistor unit Resistance
value
Approximate
mass
[kg]
200V
class MT-BR5-55K 2.0 50
400V
class MT-BR5-H75K 6.5 70
4 15 mounting hole
30075 75
4507.5 7.5
M6 M4
193 189
480
510
37 60 2110
NP

11 - 45
11. OPTIONS AND AUXILIARY EQUIPMENT
11.4 Power regeneration converter
When using the power regeneration converter, set " 01" in parameter No.PA02.
(1) Selection
The converters can continuously return 75% of the nominal regenerative power. They are applied to the
servo amplifiers of the 5k to 22kW.
Power regeneration
converter
Nominal
regenerative power
(kW)
Servo amplifier
FR-RC-15K 15
MR-J3-500B
MR-J3-700B
FR-RC-30K 30
MR-J3-11KB
MR-J3-15KB
FR-RC-55K 55 MR-J3-22KB
FR-RC-H15K 15
MR-J3-500B4
MR-J3-700B4
FR-RC-H30K 30
MR-J3-11KB4
MR-J3-15KB4
FR-RC-H55K 55 MR-J3-22KB4
0 50 75 100 150
500
300
200
100
50
30
20
Continuous energization time [sec
]
Nominal regenerative power (%)

11 - 46
11. OPTIONS AND AUXILIARY EQUIPMENT
(2) Connection example
NFB MC
Servo amplifier
L11
L21
L1
L2
L3
SK
ON
MC
BC
NPC
RDY
SE
Alarm
output
RDY
output
A
B
C
5m or less
Operation ready
MC
OFF
EMG
ALM
RA2
FR-RC-(H)
Ready
Power factor improving reactor
FR-BAL-(H)
R/L1
S/L2
T/L3
B
C
RRX
R
SX
S
TX
T
Phase detection
terminals
(Note 1)
Power regeneration
converter FR-RC-(H)
N/ P/
EM1
RA
DOCOM
DICOM
ALM Trouble(Note 3)
DOCOM
Forced stop
24VDC
P2
P1
(Note 4)
(Note 2)
CN3 CN3
(Note 5)
(Note 6)
Power supply
Note 1. When not using the phase detection terminals, fit the jumpers across RX-R, SX-S and TX-T. If the jumpers remain
removed, the FR-RC-(H) will not operate.
2. When using servo amplifiers of 5kW and 7kW, always remove the lead of built-in regenerative resistor connected
to P terminal and C terminal.
3. When setting not to output Trouble (ALM) with parameter change, configure power supply circuit for turning
magnetic contactor off after detecting an occurrence of alarm on the controller side.
4. Always connect P1-P2 (For 11k to 22kW, connect P1-P). (Factory-wired.) When using the power factor improving
DC reactor, refer to section 11.13.
5. Stepdown transformer is required for coil voltage of magnetic contactor more than 200V class in 400V class servo
amplifiers.
6. Refer to section 1.3 for the power supply specification.

11 - 47
11. OPTIONS AND AUXILIARY EQUIPMENT
(3) Outside dimensions of the power regeneration converters
[Unit : mm]
AA
AC
FK
EE BA
BE
D
2- D hole
Rating plate
Front cover
Display
panel
window
Mounting foot (removable)
Mounting foot
movable
Cooling fan
Heat generation area outside mounting dimension
Power
regeneration
converter
A AA B BA C D E EE K F
Approx. mass
[kg(Ib)]
FR-RC-15K 270 200 450 432 195 10 10 8 3.2 87 19
(41.888)
FR-RC-H15K
FR-RC-30K
FR-RC-H30K
340 270 600 582 195 10 10 8 3.2 90 31
(68.343)
FR-RC-55K
FR-RC-H55K 480 410 700 670 250 12 15 15 3.2 135 55
(121.3)
(4) Mounting hole machining dimensions
When the power regeneration converter is fitted to a totally enclosed type box, mount the heat generating
area of the converter outside the box to provide heat generation measures. At this time, the mounting hole
having the following dimensions is machined in the box.
[Unit : mm]
Power
regeneration
converter
a b D AA BA
FR-RC-15K 260 412 10 200 432
FR-RC-H15K
FR-RC-30K 330 562 10 270 582
FR-RC-H30K
FR-RC-55K
FR-RC-H55K 470 642 12 410 670
(AA)
(BA)
b
a
(2- D hole)
(Mounting hole)

11 - 48
11. OPTIONS AND AUXILIARY EQUIPMENT
11.5 Power regeneration common converter
POINT
Use the FR-CV for the servo amplifier of 200V class and the FR-CV-H for that
of 400V class.
For details of the power regeneration common converter FR-CV-(H), refer to
the FR-CV-(H) Installation Guide (IB(NA)0600075).
Do not supply power to the main circuit power supply terminals (L1, L2, L3) of
the servo amplifier. Doing so will fail the servo amplifier and FR-CV-(H).
Connect the DC power supply between the FR-CV-(H) and servo amplifier
with correct polarity. Connection with incorrect polarity will fail the FR-CV-(H)
and servo amplifier.
Two or more FR-CV-(H)'s cannot be installed to improve regeneration
capability. Two or more FR-CV-(H)'s cannot be connected to the same DC
power supply line.
When using the power regeneration common converter, set parameter No.PA02 to " 01".
(1) Model
Symbol Voltage class
None 200V class
H 400V class
Symbol Capacity [kW]
7.5K 7.5
11K 11
15K 15
22K 22
30K 30
37K 37
55K 55
Capacity
(2) Selection
The power regenerative common converter FR-CV can be used for the servo amplifier of 200V class with
750 to 22kW and that of 400V class with 11k to 22kW. The following shows the restrictions on using the
FR-CV-(H).
(a) Up to six servo amplifiers can be connected to one FR-CV-(H).
(b) FR-CV-(H) capacity [W] Total of rated capacities [W] of servo amplifiers connected to FR-CV-(H) 2
(c) The total of used servo motor rated currents should be equal to or less than the applicable current [A] of
the FR-CV-(H).
(d) Among the servo amplifiers connected to the FR-CV-(H), the servo amplifier of the maximum capacity
should be equal to or less than the maximum connectable capacity [W].

11 - 49
11. OPTIONS AND AUXILIARY EQUIPMENT
The following table lists the restrictions.
FR-CV-
Item 7.5K 11K 15K 22K 30K 37K 55K
Maximum number of connected servo amplifiers 6
Total of connectable servo amplifier capacities [kW] 3.75 5.5 7.5 11 15 18.5 27.5
Total of connectable servo motor rated currents [A] 33 46 61 90 115 145 215
Maximum servo amplifier capacity [kW] 3.5 5 7 11 15 15 22
FR-CV-H
Item 22K 30K 37K 55K
Maximum number of connected servo amplifiers 6
Total of connectable servo amplifier capacities [kW] 11 15 18.5 27.5
Total of connectable servo motor rated currents [A] 90 115 145 215
Maximum servo amplifier capacity [kW] 11 15 15 22
When using the FR-CV-(H), always install the dedicated stand-alone reactor (FR-CVL-(H)).
Power regeneration common converter Dedicated stand-alone reactor
FR-CV-7.5K(-AT) FR-CVL-7.5K
FR-CV-11 K(-AT) FR-CVL-11 K
FR-CV-15K(-AT) FR-CVL-15K
FR-CV-22K(-AT) FR-CVL-22K
FR-CV-30K(-AT) FR-CVL-30K
FR-CV-37K FR-CVL-37K
FR-CV-55K FR-CVL-55K
FR-CV-H22K(-AT) FR-CVL-H22K
FR-CV-H30K(-AT) FR-CVL-H30K
FR-CV-H37K FR-CVL-H37K
FR-CV-H55K FR-CVL-H55K

11 - 50
11. OPTIONS AND AUXILIARY EQUIPMENT
(3) Connection diagram
(a) 200V class
P1
DOCOM
RA1
EM1
C
B
R/L11
3-phase
200 to
230VAC
S/L21
T/L31
R2/L1
S2/L22
R2/L12
T2/L32
S2/L2
(Note 3)
P24
SD
RDYB
RDYA
RSO
SE
A
T2/L3
R/L11
S/L21
T/MC1
RES
SD
(Note 1)
L11
L21
P
N
U
V
W
(Note 1)
EM1
(Note 2)
RA1
RA2
24VDC
power
supply
Thermal
relay OHS2
OHS1
CN2
MC
NF FR-CVL FR-CV
MC
RA1 RA2 EM1 OFF ON
RESET
SK
MC
(Note 1)
Servo motorServo amplifier
(Note 4)
Servo system
controller
(Note 5)
(Note 1)
(Note 7)
DICOM
N/L
P/L
U
V
W
(Note 6)
Note 1. Configure a sequence that will shut off main circuit power at an emergency stop or at FR-CV or servo amplifier alarm
occurrence.
2. For the servo motor with thermal relay, configure a sequence that will shut off main circuit power when the thermal relay
operates.
3. For the servo amplifier, configure a sequence that will switch the servo on after the FR-CV is ready.
4. For the FR-CV, the RSO signal turns off when it is put in a ready-to-operate status where the reset signal is input.
Configure a sequence that will make the servo inoperative when the RSO signal is on.
5. Configure a sequence that will make a stop with the emergency stop input of the servo system controller if an alarm occurs in
the FR-CV. When the servo system controller does not have an emergency stop input, use the forced stop input of the servo
amplifier to make a stop as shown in the diagram.
6. When using the servo amplifier of 7kW or less, make sure to disconnect the wiring of built-in regenerative resistor (3.5kW or
less: P and D, 5k/7kW: P and C).
7. When using the servo amplifier of 11k to 22kW, make sure to connect P1 and P. (Factory-wired.)

11 - 51
11. OPTIONS AND AUXILIARY EQUIPMENT
(b) 400V class
P1
(Note 8)
Stepdown
transformer DOCOM
RA1
EM1
C
B
R/L11
3-phase
380 to
480VAC
S/L21
T/L31
R2/L1
S2/L22
R2/L12
T2/L32
S2/L2
(Note 3)
P24
SD
RDYB
RDYA
RSO
SE
A
T2/L3
R/L11
S/L21
T/MC1
RES
SD
(Note 1)
L11
L21
P( )
N( )
U
V
W
(Note 1)
EM1
(Note 2)
RA1
RA2
24VDC
power
supply
Thermal
relay OHS2
OHS1
CN2
MC
NF FR-CVL FR-CV-H
MC
RA1 RA2 EM1 OFF ON
RESET
SK
MC
(Note 1)
Servo motorServo amplifier
(Note 4)
Servo system
controller
(Note 5)
(Note 1)
(Note 7)
DICOM
N/L
P/L
U
V
W
(Note 6)
Note 1. Configure a sequence that will shut off main circuit power at an emergency stop or at FR-CV-H or servo amplifier alarm
occurrence.
2. For the servo motor with thermal relay, configure a sequence that will shut off main circuit power when the thermal relay
operates.
3. For the servo amplifier, configure a sequence that will switch the servo on after the FR-CV-H is ready.
4. For the FR-CV-H, the RSO signal turns off when it is put in a ready-to-operate status where the reset signal is input.
Configure a sequence that will make the servo inoperative when the RSO signal is on.
5. Configure a sequence that will make a stop with the emergency stop input of the servo system controller if an alarm occurs
in the FR-CV-H. When the servo system controller does not have an emergency stop input, use the forced stop input of the
servo amplifier to make a stop as shown in the diagram.
6. When using the servo amplifier of 7kW or less, make sure to disconnect the wiring of built-in regenerative resistor (2kW or
less: P and D, 3.5k to 7kW: P and C).
7. When using the servo amplifier of 11k to 22kW, make sure to connect P1 and P( ). (Factory-wired.)
8. Stepdown transformer is required for coil voltage of magnetic contactor more than 200V class servo amplifiers.

11 - 52
11. OPTIONS AND AUXILIARY EQUIPMENT
(4) Selection example of wires used for wiring
POINT
Selection condition of wire size is as follows.
Wire type: 600V Polyvinyl chloride insulated wire (IV wire)
Construction condition: One wire is constructed in the air
(a) Wire sizes
1) Across P-P( ), N-N( )
The following table indicates the connection wire sizes of the DC power supply (P, N terminals)
between the FR-CV and servo amplifier.
Total of servo amplifier capacities [kW] Wires[mm2]
1 or less 2
2 3.5
5 5.5
7 8
11 14
15 22
22 50
The following table indicates the connection wire sizes of the DC power supply (P( ), N( )
terminals) between the FR-CV-H and servo amplifier.
Total of servo amplifier capacities [kW] Wires[mm2]
1 or less 2
2 3.5
5 5.5
7 8
11 8
15 22
22 22
2) Grounding
For grounding, use the wire of the size equal to or greater than that indicated in the following
table, and make it as short as possible.
Power regeneration common converter Grounding wire size [mm2 ]
FR-CV-7.5K to FR-CV-15K 14
FR-CV-22K FR-CV-30K 22
FR-CV-37K FR-CV-55K 38
FR-CV-H22K FR-CV-H30K 8
FR-CV-H37K FR-CV-H55K 22

11 - 53
11. OPTIONS AND AUXILIARY EQUIPMENT
(b) Example of selecting the wire sizes
When connecting multiple servo amplifiers, always use junction terminals for wiring the servo amplifier
terminals P, N. Also, connect the servo amplifiers in the order of larger to smaller capacities.
1) 200V class
R2/L1
S2/L2
T2/L3
R/L11
S/L21
T/MC1
P/L
N/L
P
N
50mm2
Overall wiring length 5m or less
First unit:
50mm2 assuming that the total of servo amplifier
capacities is 27.5kW since 15kW + 7kW + 3.5kW
+ 2.0kW = 27.5kW.
P
N
P
N
P
N
22mm2
8mm2
2mm2
22mm2
8mm2
3.5mm2
2mm2
Junction terminals
Wire as short as possible.
Second unit:
22mm2 assuming that the total of servo amplifier
capacities is 15kW since 7kW + 3.5kW + 2.0kW =
12.5kW.
Third unit:
8mm2 assuming that the total of servo amplifier
capacities is 7kW since 3.5kW + 2.0kW = 5.5kW.
Fourth unit:
2mm2 assuming that the total of servo amplifier
capacities is 2kW since 2.0kW = 2.0kW.
FR-CV-55K Servo amplifier (15kW)
Servo amplifier (7kW)
Servo amplifier (3.5kW)
Servo amplifier (2kW)
(Note)
(Note)
(Note)
(Note)
Note. When using the servo amplifier of 7kW or less, make sure to disconnect the wiring of built-in regenerative resistor (3.5kW or
less: P-D, 5k/7kW: P-C).
2) 400V class
R2/L1
S2/L2
T2/L3
R/L11
S/L21
T/MC1
P/L+
N/L-
P
N
22mm2
P
N
P
N
P
N
14mm2
5.5mm2
2mm2
14mm2
5.5mm2
2mm2
2mm2
FR-CV-55K
Servo amplifier (7kW)
Servo amplifier (3.5kW)
Servo amplifier (2kW)
(Note)
Overall wiring length 5m or less
First unit:
22mm2 assuming that the total of servo amplifier
capacities is 27.5kW since 15kW + 7kW + 3.5kW
+ 2.0kW = 27.5kW.
Junction terminals
Wire as short as possible.
Second unit:
14mm2 assuming that the total of servo amplifier
capacities is 15kW since 7kW + 3.5kW + 2.0kW =
12.5kW.
Third unit:
5.5mm2 assuming that the total of servo amplifier
capacities is 7kW since 3.5kW + 2.0kW = 5.5kW.
Fourth unit:
2mm2 assuming that the total of servo amplifier
capacities is 2kW since 2.0kW = 2.0kW.
Servo amplifier (15kW)
(Note)
(Note)
Note. These servo amplifiers are development forecasted.

11 - 54
11. OPTIONS AND AUXILIARY EQUIPMENT
(5) Other precautions
(a) Always use the FR-CVL-(H) as the power factor improving reactor. Do not use the FR-BAL or FR-BEL.
(b) The inputs/outputs (main circuits) of the FR-CV-(H) and servo amplifiers include high-frequency
components and may provide electromagnetic wave interference to communication equipment (such as
AM radios) used near them. In this case, interference can be reduced by installing the radio noise filter
(FR-BIF-(H)) or line noise filter (FR-BSF01, FR-BLF).
(c) The overall wiring length for connection of the DC power supply between the FR-CV-(H) and servo
amplifiers should be 5m or less, and the wiring must be twisted.

11 - 55
11. OPTIONS AND AUXILIARY EQUIPMENT
(6) Specifications
Power regeneration common converter
FR-CV-
Item
7.5K 11K 15K 22K 30K 37K 55K
Total of connectable servo amplifier capacities [kW] 3.75 5.5 7.5 11 15 18.5 27.5
Maximum servo amplifier capacity [kW] 3.5 5 7 11 15 15 22
Total of connectable servo motor
rated currents [A] 33 46 61 90 115 145 215
Short-time
rating Total capacity of applicable servo motors, 300% torque, 60s (Note 1)
Output Regenerative
braking torque Continuous
rating 100% torque
Rated input AC voltage/frequency Three-phase 200 to 220V 50Hz, 200 to 230V 60Hz
Permissible AC voltage fluctuation Three-phase 170 to 242V 50Hz, 170 to 253V 60Hz
Permissible frequency fluctuation 5%
Power supply
Power supply capacity (Note 2) [kVA] 17 20 28 41 52 66 100
Protective structure (JEM 1030), cooling system Open type (IP00), forced cooling
Ambient temperature -10 to +50 (non-freezing)
Ambient humidity 90%RH or less (non-condensing)
Environment
Ambience Indoors (without corrosive gas, flammable gas, oil mist, dust and dirt)
Altitude, vibration 1000m or less above sea level, 5.9m/s2 2 or less
No-fuse breaker or leakage current breaker 30AF
30A
50AF
50A
100AF
75A
100AF
100A
225AF
125A
225AF
125A
225AF
175A
Magnetic contactor S-N20 S-N35 S-N50 S-N65 S-N95 S-N95 S-N125
Power regeneration common converter
FR-CV-H
Item
22K 30K 37K 55K
Total of connectable servo amplifier capacities [kW] 11 15 18.5 27.5
Maximum servo amplifier capacity [kW] 11 15 15 22
Total of connectable servo motor
rated currents [A] 43 57 71 110
Short-time
rating
Total capacity of applicable servo motors, 300%
torque, 60s (Note 1)
Output Regenerative
braking torque Continuous
rating 100% torque
Rated input AC voltage/frequency Three-phase 380 to 480V, 50Hz/60Hz
Permissible AC voltage fluctuation Three-phase 323 to 528V, 50Hz/60Hz
Permissible frequency fluctuation 5%
Power supply
Power supply capacity [kVA] 41 52 66 100
Protective structure (JEM 1030), cooling system Open type (IP00), forced cooling
Ambient temperature -10 to +50 (non-freezing)
Ambient humidity 90%RH or less (non-condensing)
Environment
Ambience Indoors (without corrosive gas, flammable gas, oil
mist, dust and dirt)
Altitude, vibration 1000m or less above sea level, 5.9m/s2 2 or less
No-fuse breaker or leakage current breaker 60AF
60A
100AF
175A
100AF
175A
225AF
125A
Magnetic contactor S-N25 S-N35 S-N35 S-N65
Note 1. This is the time when the protective function of the FR-CV-(H) is activated. The protective function of the servo amplifier is
activated in the time indicated in section 10.1.
2. When connecting the capacity of connectable servo amplifier, specify the value of servo amplifier.

11 - 56
11. OPTIONS AND AUXILIARY EQUIPMENT
11.6 External dynamic brake
POINT
Configure up a sequence which switches off the contact of the brake unit after
(or as soon as) it has turned off the servo on signal at a power failure or
failure.
For the braking time taken when the dynamic brake is operated, refer to
section 10.3.
The brake unit is rated for a short duration. Do not use it for high duty.
When using the 400V class dynamic brake, the power supply voltage is
restricted to 1-phase 380VAC to 463VAC (50Hz/60Hz).
(1) Selection of dynamic brake
The dynamic brake is designed to bring the servo motor to a sudden stop when a power failure occurs
or the protective circuit is activated, and is built in the 7kW or less servo amplifier. Since it is not built
in the 11kW or more servo amplifier, purchase it separately if required. Assign the dynamic brake interlock
(DB) to any of CN3-9, CN3-13, and CN3-15 pins in parameter No.PD07 to PD09.
Servo amplifier Dynamic brake
MR-J3-11KB DBU-11K
MR-J3-15KB DBU-15K
MR-J3-22KB DBU-22K
MR-J3-11KB4 DBU-11K-4
MR-J3-15KB4
MR-J3-22KB4 DBU-22K-4

11 - 57
11. OPTIONS AND AUXILIARY EQUIPMENT
(2) Connection example
NFB
L11
L21
U
V
W
U
V
W
M
Servo amplifier
Servo motor
RA2
MC
SK
MC
ON
OFF
ALM
RA1
Operation-ready
EM1
L3
L2
L1
(Note 5)
Power
supply
13 U14 V W
External dynamic brake
a
b
(Note 1)
P
P1
(Note 2)
(Note 4)
EM1
3
20
SDPlate
DICOM
10
DB
(Note 3)
DOCOM
5DICOM
ALM15
CN3
RA1
RA2
MC
(Note 6)
Note 1. Terminals 13, 14 are normally open contact outputs. If the dynamic brake is seized, terminals 13, 14 will open.
Therefore, configure up an external sequence to prevent servo-on.
2. For the servo amplifiers from 11k to 22kW, be sure to connect P1 and P. (Factory-wired)
When using the power factor DC reactor, refer to section 11.13.
3. Assign the dynamic brake interlock (DB) in the parameters No.PD07 to PD09.
4. Stepdown transformer is required for coil voltage of magnetic contactor more than 200V class in 400V class servo amplifiers.
5. Refer to section 1.3 for the power supply specification.
6. The power supply voltage of the inside magnet contactor for 400V class dynamic brake DBU-11K-4 and DBU-22K-4 is restricted
as follows. When using these dynamic brakes, use them within the range of the power supply.
Dynamic brake Power supply voltage
DBU-11K-4
DBU-22K-4 1-phase 380 to 463VAC 50Hz/60Hz

11 - 58
11. OPTIONS AND AUXILIARY EQUIPMENT
Servo motor rotation
Coasting
Alarm
RA1
ON
OFF
Forced stop
(EM1)
Absent
Invalid
Valid
Short
Open
a. Timing chart at alarm occurrence b. Timing chart at forced stop (EM1) validit
y
Dynamic brake
Base
ON
OFF
Coasting
Dynamic brake
Dynamic brake
Present
(Note 2)15 to 60ms
(Note 1)7ms
10ms
Dynamic brake
Coasting
Electro magnetic
brake interlock
Electro magnetic
brake operation
delay time
Electro magnetic
brake interlock(MBR)
Base circuit
ON
OFF
Servo motor speed
Alarm
Main circuit
Control circuit
ON
OFF
Power
RA1
Dynamic brake
ON
OFF
Invalid (ON)
Valid (OFF)
Invalid
Valid
Invalid (ON)
Valid (OFF)
Note 1. When powering OFF, the RA1 of external dynamic brake circuit will be turned OFF, and the base circuit
is turned OFF earlier than usual before an output shortage occurs.
(Only when assigning the DB as the output signal in the parameter No.PD07, PD08 or PD09)
2. Variable according to the operation status.
c. Timing chart when both of the main and control circuit power are OFF

11 - 59
11. OPTIONS AND AUXILIARY EQUIPMENT
(3) Outline dimension drawing
(a) DBU-11K DBU-15K DBU-22K
UVW
D100 D
5
C
E
G
F
2.3
Terminal block
Screw : M3.5 Screw : M4
B
A
5
E
13 14
E
(GND) ab
[Unit: mm]
Tightening torque: 1.2 [N m](10.6 [lb in])
Tightening torque: 0.8 [N m](7 [lb in])
Dynamic brake A B C D E F G
Mass
[kg]([Ib])
Connection
wire [mm2]
(Note)
DBU-11K 200 190 140 20 5 170 163.5 2 (4.41) 5.5
DBU-15K, 22K 250 238 150 25 6 235 228 6 (13.23) 5.5
Note. Selection condition of wire size is as follows.
Wire type: 600V Polyvinyl chloride insulated wire (IV wire)
Construction condition: One wire is constructed in the air

11 - 60
11. OPTIONS AND AUXILIARY EQUIPMENT
(b) DBU-11K-4 DBU-22K-4
[Unit: mm]
15
51
25
15
73.75 7
25150
10
200
170
178.5
179.5
15
260
280
43
10
2- 7mounting hole
195
228 2626
210
2.3
Mass: 6.7[kg]
a
TE1
Tightening torque: 0.8[N m](7[lb in])
Screw: M3.5
b 13 14
Terminal block
WVU
Tightening torque: 1.2[N m](10.6[lb in])
Screw: M4
TE2
Wire [mm2] (Note)
Dynamic brake ab U VW
DBU-11K 2 5.5
DBU-15K, 22K 2 5.5
Note. Selection condition of wire size is as follows.
Wire type: 600V Polyvinyl chloride insulated wire (IV wire)
Construction condition: One wire is constructed in the air

11 - 61
11. OPTIONS AND AUXILIARY EQUIPMENT
11.7 Junction terminal block PS7DW-20V14B-F (recommended)
(1) How to use the junction terminal block
Always use the junction terminal block (PS7W-20V14B-F(YOSHIDA ELECTRIC INDUSTRY)) with the
option cable (MR-J2HBUS M) as a set. A connection example is shown below.
Servo amplifie
r
Cable clamp
(AERSBAN-ESET)
Junction terminal block
PS7DW-20V14B-F
CN3
MR-J2HBUS M
Ground the option cable on the junction terminal block side with the cable clamp fitting (AERSBAN-ESET).
For the use of the cable clamp fitting, refer to section 11.14, (2)(c).
(2) Connection of MR-J2HBUS M cable and junction terminal block
LG
DI1
1
2
DOC
MO1
3
4
LZ 8
LB 7
9
SD Shell
INP
5
6
10DICO
DICO
LA
LG
DI2
11
12
MBR
MO2
13
14
LZR 18
LBR 17
19DI3
15
16
20EM1
AMR
LAR
Shell Shell Shell
1
2
3
4
8
7
9
5
6
10
11
12
13
14
18
17
19
15
16
20
1
2
3
4
8
7
9
5
6
10
11
12
13
14
18
17
19
15
16
20
1
2
3
4
8
7
9
5
6
10
11
12
13
14
18
17
19
15
16
20
LG
DI1
DOC
MO1
LZ
LB
SD
INP
DICO
DICO
LA
LG
DI2
MBR
MO2
LZR
LBR
DI3
EM1
AMR
LAR
E
Servo amplifier
CN3
Junction terminal block
PS7W-20V14B-F
Connector: 10120-6000EL (3M)
Shell kit: 10320-3210-000 (3M)
CN Terminal block
1
2
3
4
8
7
9
5
6
10
11
12
13
14
18
17
19
15
16
20
(Note)MR-J2HBUS M
Note. Symbol indicating cable length is put in .
05: 0.5m
1: 1m
5: 5m

11 - 62
11. OPTIONS AND AUXILIARY EQUIPMENT
(3) Outline drawings of junction terminal block
[Unit : mm]
TB.E
( 6)
36.5
27.8
18.8
7.62
44.11
54
63
4.5
4.5
5
460
50
9.3 27
M3 5L
M3 6L
1.42
6.2
11.8 MR Configurator
The MR Configurator (MRZJW3-SETUP221E) uses the communication function of the servo amplifier to
perform parameter setting changes, graph display, test operation, etc. on a personal computer.
(1) Specifications
Item Description
The following table shows MR Configurator software version for each servo amplifier.
Compatible servo amplifier (Drive unit)
100V class 200V class 400V class
Version
7kW or less 11k to 22kW 30k to 37kW 7kW or less 11k to 22kW 30k to 55kW
B1
C0 or later
Compatibility with a
servo amplifier
Monitor Display, high speed monitor, trend graph
Minimum resolution changes with the processing speed of the personal computer.
Alarm Display, history, amplifier data
Diagnostic Digital I/O, no motor rotation, total power-on time, amplifier version info, motor information,
tuning data, absolute encoder data, Axis name setting.
Parameters Parameter list, turning, change list, detailed information
Test operation Jog operation, positioning operation, Do forced output, program operation.
Advanced function Machine analyzer, gain search, machine simulation.
File operation Data read, save, delete, print
Others Automatic demo, help display

11 - 63
11. OPTIONS AND AUXILIARY EQUIPMENT
(2) System configuration
(a) Components
To use this software, the following components are required in addition to the servo amplifier and servo
motor.
Equipment (Note 1) Description
OS
IBM PC/AT compatible where the English version of Windows R98, Windows RMe,
Windows R2000 Professional, Windows RXP Professional, Windows RXP Home Edition,
Windows Vista R Home Basic, Windows Vista R Home Premium, Windows VistaR Business,
Windows Vista R Ultimate, Windows Vista R Enterprise operates
Processor
Pentium R 133MHz or more (Windows R98, Windows R2000 Professional)
Pentium R 150MHz or more (Windows RMe)
Pentium R 300MHz or more (Windows RXP Professional, Windows RXP Home Edition)
32-bit (x86) processor of 1GHz or higher (Windows Vista R Home Basic, Windows Vista R
Home Premium, Windows Vista R Business, Windows Vista R Ultimate, Windows Vista R
Enterprise)
Memory
24MB or more (Windows R98)
32MB or more (Windows RMe, Windows R2000 Professional)
128MB or more (Windows RXP Professional, Windows RXP Home Edition)
512MB or more (Windows Vista R Home Basic)
1GB or more (Windows Vista R Home Premium, Windows Vista R Business, Windows Vista R
Ultimate, Windows Vista R Enterprise)
(Note 2, 3)
Personal computer
Hard Disk 130MB or more of free space
Browser Internet Explorer 4.0 or more
Display One whose resolution is 800 600 or more and that can provide a high color (16 bit) display.
Connectable with the above personal computer.
Keyboard Connectable with the above personal computer.
Mouse Connectable with the above personal computer.
Printer Connectable with the above personal computer.
USB cable MR-J3USBCBL3M
Note 1. Windows and Windows Vista is the registered trademarks of Microsoft Corporation in the United States and other
countries.
Pentium is the registered trademarks of Intel Corporation.
2. On some personal computers, MR Configurator may not run properly.
3. 64-bit Windows XP and 64-bit Windows Vista are not supported.
(b) Connection with servo amplifier
1) For use of USB
To USB
connector
Servo amplifier
CN5
USB cable
MR-J3USBCBL3M
(Option)
Personal computer
CN2

11 - 64
11. OPTIONS AND AUXILIARY EQUIPMENT
11.9 Battery MR-J3BAT
POINT
The revision (Edition 44) of the Dangerous Goods Rule of the International Air
Transport Association (IATA) went into effect on January 1, 2003 and was
enforced immediately. In this rule, "provisions of the lithium and lithium ion
batteries" were revised to tighten the restrictions on the air transportation of
batteries. However, since this battery is non-dangerous goods (non-Class 9),
air transportation of 24 or less batteries is outside the range of the
restrictions. Air transportation of more than 24 batteries requires packing
compliant with the Packing Standard 903. When a self-certificate is necessary
for battery safety tests, contact our branch or representative. For more
information, consult our branch or representative. (As of Jun, 2008).
(1) Purpose of use for MR-J3BAT
This battery is used to construct an absolute position detection system. Refer to section 12.3 for the fitting
method, etc.
(2) Year and month when MR-J3BAT is manufactured
The year and month when MR-J3BAT is manufactured are written down in Serial No. on the rating plate of
the battery back face.
The year and month of manufacture are indicated by the last one digit of the year and 1 to 9, X(10), Y(11),
Z(12).
For October 2004, the Serial No. is like, "SERIAL 4X ".
MELSERVO
3.6V,2000mAh
SERIAL 4X
MR-J3BAT
MADE IN JAPAN
MITSUBISHI ELECTRIC CORPORATION
The year and month of manufacture

11 - 65
11. OPTIONS AND AUXILIARY EQUIPMENT
11.10 Heat sink outside mounting attachment (MR-J3ACN)
Use the heat sink outside mounting attachment to mount the heat generation area of the servo amplifier in the
outside of the control box to dissipate servo amplifier-generated heat to the outside of the box and reduce the
amount of heat generated in the box, thereby allowing a compact control box to be designed.
In the control box, machine a hole having the panel cut dimensions, fit the heat sink outside mounting
attachment to the servo amplifier with the fitting screws (4 screws supplied), and install the servo amplifier to
the control box.
The environment outside the control box when using the heat sink outside mounting attachment should be
within the range of the servo amplifier operating environment conditions.
The heat sink outside mounting attachment of MR-J3ACN can be used for MR-J3-11KB(4) to MR-J3-22KB(4).
(1) Panel cut dimensions
236
255
270
Approx.
125
331
39.5
535
510
18
203
39.5
4-M10 Screw
Punched
hole
[Unit : mm]
(2) How to assemble the attachment for a heat sink outside mounting attachment
Screw
(2 places)
Attachment

11 - 66
11. OPTIONS AND AUXILIARY EQUIPMENT
(3) Fitting method
Fit using the
assembling
screws.
Attachment
Servo
amplifier
Attachment
Servo
amplifier
Punched
hole
Control box
a. Assembling the heat sink outside mounting attachment b. Installation to the control box
(4) Outline dimension drawing
[Unit: mm]
236
280
Approx. 260
20
3.2
105155
Approx. 260
Approx. 11.5
Servo
amplifier Servo amplifier
Mounting
hole
Panel
Panel
Attachment

11 - 67
11. OPTIONS AND AUXILIARY EQUIPMENT
11.11 Selection example of wires
POINT
Refer to section 11.1.5 for SSCNET cable.
Wires indicated in this section are separated wires. When using a cable for
power line (U, V, and W) between the servo amplifier and servo motor, use a
600V grade EP rubber insulated chloroprene sheath cab-tire cable (2PNCT).
For selection of cables, refer to appendix 6.
To comply with the UL/C-UL (CSA) Standard, use UL-recognized copper
wires rated at 60 (140 ) or more for wiring. To comply with other
standards, use a wire that is complied with each standard
Selection condition of wire size is as follows.
Construction condition: One wire is constructed in the air
Wire length: 30m or less
(1) Wires for power supply wiring
The following diagram shows the wires used for wiring. Use the wires given in this section or equivalent.
C
P
U
V
W
L11
L21
U
V
W
L1
L2
L3
B1
B2
1) Main circuit power supply lead
Servo amplifier
3) Motor power supply lead
Servo motor
Power supply
Motor
Electro-
magnetic
brake
Encoder
4) Electromagnetic
brake lead
Encoder cable
2) Control power supply lead
(Note)
C
P
N
Regenerative option
4) Regenerative option lead Cooling fan
BU
BV
BW
6) Cooling fan lead
Power supply
7) Thermal
OHS1
OHS2
Thermal
8) Power regeneration
converter lead
Power regeneration
converter
Note. There is no L3 for 1-phase 100 to 120VAC power supply.

11 - 68
11. OPTIONS AND AUXILIARY EQUIPMENT
(a) When using the 600V Polyvinyl chloride insulated wire (IV wire)
Selection example of wire size when using IV wires is indicated below.
Table 11.1 Wire size selection example 1 (IV wire)
Wires [mm2] (Note 1, 4)
Servo amplifier 1)
L1L2L3
2) L11 L21 3)
UV W 4) P C 5) B1 B2 6)
BU BV BW
7)
OHS1 OHS2
MR-J3-10B(1)
MR-J3-20B(1)
MR-J3-40B(1) 1.25(AWG16)
MR-J3-60B 2(AWG14)
MR-J3-70B 1.25(AWG16) 2(AWG14)
MR-J3-100B
MR-J3-200B 2(AWG14)
MR-J3-350B 3.5(AWG12) 3.5(AWG12)
MR-J3-500B
(Note 2) 5.5(AWG10): a 5.5(AWG10): a 2(AWG14): g
MR-J3-700B
(Note 2) 8(AWG8): b
1.25(AWG16):
h 8(AWG8): b 3.5(AWG12): a 2(AWG14)
(Note 3)
1.25(AWG16)
(Note 3)
MR-J3-11KB
(Note 2) 14(AWG6): c 22(AWG4): d
MR-J3-15KB
(Note 2) 22(AWG4): d 1.25(AWG16):
g 30(AWG2): e
5.5(AWG10): j 1.25(AWG16)
2(AWG14) 1.25(AWG16)
MR-J3-22KB
(Note 2)
50(AWG1/0):
f 60(AWG2/0): f 5.5(AWG10): k
MR-J3-60B4
MR-J3-100B4 2(AWG14) 1.25(AWG16)
1.25(AWG16) 2(AWG14)
MR-J3-200B4 2(AWG14)
MR-J3-350B4 2(AWG14): g 2(AWG14): g
MR-J3-500B4
(Note 2)
MR-J3-700B4
(Note 2)
5.5(AWG10): a
1.25(AWG16):
h 5.5(AWG10): a 2(AWG14): g
2(AWG14)
(Note 3)
1.25(AWG16)
(Note 3)
MR-J3-11KB4
(Note 2) 8(AWG8): l 8(AWG8): l 3.5(AWG12): j
MR-J3-15KB4
(Note 2) 14(AWG6): c 1.25(AWG16):
g 22(AWG4): d 5.5(AWG10): j 2(AWG14) 1.25(AWG16)
MR-J3-22KB4
(Note 2) 14(AWG6): m 22(AWG4): n 5.5(AWG10): k
Note 1. Alphabets in the table indicate crimping tools. For crimping terminals and applicable tools, refer to (1) (c) in this section.
2. When connecting to the terminal block, be sure to use the screws which are provided with the terminal block.
3. For the servo motor with a cooling fan.
4. Wires are selected based on the highest rated current among combining servo motors.
Use wires 8) of the following sizes with the power regeneration converter (FR-RC-(H)).
Model Wires[mm2]
FR-RC-15K 14(AWG6)
FR-RC-30K 14(AWG6)
FR-RC-55K 22(AWG4)
FR-RC-H15K 14(AWG6)
FR-RC-H30K 14(AWG6)
FR-RC-H55K 14(AWG6)

11 - 69
11. OPTIONS AND AUXILIARY EQUIPMENT
(b) When using the 600V Grade heat-resistant polyvinyl chloride insulated wire (HIV wire)
Selection example of wire size when using HIV wires is indicated below. For the wire (8)) for power
regeneration converter (FR-RC-(H)), use the IV wire indicated in (1) (a) in this section.
Table 11.2 Wire size selection example 2 (HIV wire)
Wires [mm2] (Note 1, 4)
Servo amplifier 1)
L1L2L3
2) L11 L21 3)
UV W 4) P C 5) B1 B2 6)
BU BV BW
7)
OHS1 OHS2
MR-J3-10B(1)
MR-J3-20B(1)
MR-J3-40B(1) 1.25(AWG16)
MR-J3-60B 2(AWG14)
MR-J3-70B 1.25(AWG16) 2(AWG14)
MR-J3-100B 1.25(AWG16)
MR-J3-200B 2(AWG14)
MR-J3-350B 3.5(AWG12) 3.5(AWG12)
MR-J3-500B
(Note 2) 5.5(AWG10): a 5.5(AWG10): a 2(AWG14): g
MR-J3-700B
(Note 2) 8(AWG8): b
1.25(AWG16):
h 8(AWG8): b 2(AWG14): g 1.25(AWG16)
(Note 3)
1.25(AWG16)
(Note 3)
MR-J3-11KB
(Note 2) 14(AWG6): c 14(AWG6): c
MR-J3-15KB
(Note 2) 22(AWG4): d 1.25(AWG16):
g 22(AWG4): d
3.5(AWG12): j 1.25(AWG16)
1.25(AWG16) 1.25(AWG16)
MR-J3-22KB
(Note 2) 38(AWG1): p 38(AWG1): p 5.5(AWG10): k
MR-J3-60B4
MR-J3-100B4 2(AWG14) 1.25(AWG16)
1.25(AWG16) 2(AWG14)
MR-J3-200B4 2(AWG14)
MR-J3-350B4 2(AWG14): g 2(AWG14): g
MR-J3-500B4
(Note 2) 3.5(AWG12): a
MR-J3-700B4
(Note 2)
3.5(AWG12): a
1.25(AWG16):
h
5.5(AWG10): a
2(AWG14): g
1.25(AWG16)
(Note 3)
1.25(AWG16)
(Note 3)
MR-J3-11KB4
(Note 2) 5.5(AWG10): j 8(AWG8): l 2(AWG14): q
MR-J3-15KB4
(Note 2) 8(AWG8): l 1.25(AWG16):
g 14(AWG6): c 3.5(AWG12): j 1.25(AWG16) 1.25(AWG16)
MR-J3-22KB4
(Note 2) 14(AWG6): m 14(AWG6): m 3.5(AWG12): k
Note 1. Alphabets in the table indicate crimping tools. For crimping terminals and applicable tools, refer to (1) (c) in this section.
2. When connecting to the terminal block, be sure to use the screws which are provided with the terminal block.
3. For the servo motor with a cooling fan.
4. Wires are selected based on the highest rated current among combining servo motors.

11 - 70
11. OPTIONS AND AUXILIARY EQUIPMENT
(c) Selection example of crimping terminals
Selection example of crimping terminals for the servo amplifier terminal box when using the wires
mentioned in (1) (a) and (b) in this section is indicated below.
Servo amplifier side crimping terminals
Applicable tool
Symbol (Note 2)
Crimping
terminal Body Head Dice
Manufacturer
a FVD5.5-4 YNT-1210S
(Note 1)b 8-4NS YHT-8S
c FVD14-6 DH-112 DH122
d FVD22-6 YF-1 E-4 YNE-38 DH-113 DH123
YPT-60-21
(Note 1)e 38-6 YF-1 E-4 YET-60-1 TD-112 TD-124
YPT-60-21
(Note 1)f R60-8 YF-1 E-4 YET-60-1 TD-113 TD-125
g FVD2-4
h FVD2-M3 YNT-1614
j FVD5.5-6
k FVD5.5-8 YNT-1210S
l FVD8-6 DH-111 DH121
m FVD14-8 DH-112 DH122
n FVD22-8
YF-1 E-4 YNE-38
DH-113 DH123
Japan Solderless
Terminal
YPT-60-21
(Note 1)p R38-8 YF-1 E-4 YET-60-1 TD-112 TD-124
q FVD2-6 YNT-1614
Note 1. Coat the part of crimping with the insulation tube.
2. Some crimping terminals may not be mounted depending on the size. Make sure to use the
recommended ones or equivalent ones.

11 - 71
11. OPTIONS AND AUXILIARY EQUIPMENT
(2) Wires for cables
When fabricating a cable, use the wire models given in the following table or equivalent.
Table 11.3 Wires for option cables
Characteristics of one core
Type Model
Length
[m]
Core size
[mm2]
Number
of Cores
Structure
[Wires/mm]
Conductor
resistance
[/mm]
Insulation
coating OD
d [mm]
(Note 1)
(Note 3)
Finishing
OD [mm]
Wire model
MR-J3ENCBL M-A1-L
MR-J3ENCBL M-A2-L
2 to 10 AWG22 6
(3 pairs) 7/0.26 53
or less 1.2 7.1 0.3
(Note 3)
VSVP 7/0.26 (AWG#22 or
equivalent)-3P
Ban-gi-shi-16823
MR-J3ENCBL M-A1-H
MR-J3ENCBL M-A2-H
2 to 10 AWG22 6
(3 pairs) 70/0.08 56
or less 1.2 7.1 0.3
(Note 3)
ETFE SVP 70/0.08 (AWG#22 or
equivalent)-3P Ban-gi-shi-16824
MR-J3JCBL03M-A1-L
MR-J3JCBL03M-A2-L
0.3 AWG26 8
(4 pairs) 30/0.08 233
or less 1.2 7.1 0.3
(Note 5)
T/2464-1061/II A-SB 4P
26AWG
0.3mm2 4
(2 pairs) 12/0.18 65.7
or less 1.3
2 to 10
0.08mm24
(2 pairs) 7/0.127 234
or less 0.67
7.3
(Note 3)
20276 composite 4-pair shielded
cable (A-TYPE)
MR-EKCBL M-L
20 30 0.3mm2 12
(6 pairs) 12/0.18 63.6
or less 1.2 8.2 UL20276 AWG#23 6pair(BLACK)
20 0.2mm2 12
(6 pairs) 40/0.08 105
or less 0.88 7.2 (Note 3) A14B2343 6P
MR-EKCBL M-H
30 to 50 0.2mm2 14
(7 pairs) 40/0.08 105
or less 0.88 8.0 (Note 3) J14B0238(0.2*7P)
2 to 10 AWG22 6
(3 pairs) 7/0.26 53
or less 1.2 7.1 0.3
(Note 3)
VSVP 7/0.26 (Equivalent to
AWG#22)-3P Ban-gi-shi-16823
MR-J3ENSCBL M-L
20 30 AWG23 12
(6 pairs) 12/0.18 63.3
or less 1.2 8.2 0.3
(Note 3)
20276 VSVCAWG#23 6P
Ban-gi-shi-15038
2 to 10 AWG22 6
(3 pairs) 70/0.08 56
or less 1.2 7.1 0.3
(Note 3)
ETEF SVP 70/0.08 (Equivalent to
AWG#22)-3P Ban-gi-shi-16824
Encoder
cable
MR-J3ENSCBL M-H
20 to 50 AWG24 12
(6 pairs) 40/0.08 105
or less 0.88 7.2
(Note 3)
ETFE SVP 40/0.08mm 6P
Ban-gi-shi-15266
MR-PWS1CBL M-A1-L 2 to 10
MR-PWS1CBL M-A2-L 2 to 10
MR-PWS1CBL M-A1-H 2 to 10
MR-PWS1CBL M-A2-H 2 to 10
MR-PWS2CBL03M-A1-L 0.3
Motor power
supply cable
MR-PWS2CBL03M-A2-L 0.3
(Note 6)
AWG19 4 50/0.08
25.40
or less 1.8 5.7 0.3 (Note 4)
UL Style 2103 AWG19 4 cores
MR-BKS1CBL M-A1-L 2 to 10
MR-BKS1CBL M-A2-L 2 to 10
MR-BKS1CBL M-A1-H 2 to 10
MR-BKS1CBL M-A2-H 2 to 10
MR-BKS2CBL03M-A1-L 0.3
Motor brake
cable
MR-BKS2CBL03M-A2-L 0.3
(Note 6)
AWG20 2 100/0.08 38.14
or less 1.3 4.0 0.3 (Note 4)
UL Style 2103 AWG20 2 cores
Note 1. d is as shown below.
d
Conductor Insulation sheath
2. Purchased from Toa Electric Industry
3. Standard OD. Max. OD is about 10% greater.
4. Kurabe
5. Taiyo Electric Wire and Cable
6. These wire sizes assume that the UL-compliant wires are used at the wiring length of 10m.

11 - 72
11. OPTIONS AND AUXILIARY EQUIPMENT
11.12 No-fuse breakers, fuses, magnetic contactors
Always use one no-fuse breaker and one magnetic contactor with one servo amplifier. When using a fuse
instead of the no-fuse breaker, use the one having the specifications given in this section.
No-fuse breaker Fuse
Servo amplifier Not using power
factor improving
reactor
Using power factor
improving reactor (Note) Class Current [A] Voltage
AC [V]
Magnetic
contactor
MR-J3-10B (1) 30A frame 5A 30A frame 5A 10
MR-J3-20B 30A frame 5A 30A frame 5A 10
MR-J3-20B1 30A frame 10A 30A frame 10A 15
MR-J3-40B 30A frame 10A 30A frame 5A 15
MR-J3-60B
MR-J3-70B
MR-J3-100B
MR-J3-40B1
30A frame 15A 30A frame 10A 20
S-N10
MR-J3-200B 30A frame 20A 30A frame 15A 40 S-N18
MR-J3-350B 30A frame 30A 30A frame 30A 70 S-N20
MR-J3-500B 50A frame 50A 50A frame 40A 125 S-N35
MR-J3-700B 100A frame 75A 50A frame 50A 150 S-N50
MR-J3-11KB 100A frame 100A 100A frame 75A T 200 S-N65
MR-J3-15KB 225A frame 125A 100A frame 100A 250 S-N95
MR-J3-22KB 225A frame 175A 225A frame 150A 350
250
S-N125
MR-J3-60B4 30A frame 5A 30A frame 5A 10
MR-J3-100B4 30A frame 10A 30A frame 10A 15
MR-J3-200B4 30A frame 15A 30A frame 15A 25 S-N10
MR-J3-350B4 30A frame 20A 30A frame 20A 35
MR-J3-500B4 30A frame 30A 30A frame 30A 50 S-N18
MR-J3-700B4 50A frame 40A 50A frame 30A 65 S-N20
MR-J3-11KB4 60A frame 60A 50A frame 50A 100 S-N25
MR-J3-15KB4 100A frame 75A 60A frame 60A 150 S-N35
MR-J3-22KB4 225A frame 125A 100A frame 100A 175
600
S-N65
Note. When not using the servo amplifier as a UL/C-UL Standard compliant product, K5 class fuse can be used.
11.13 Power factor improving DC reactor
POINT
For the 100V power supply type (MR-J3- B1), the power factor improving DC
reactor cannot be used.
The power factor improving DC reactor increases the form factor of the servo amplifier's input current to
improve the power factor. It can decrease the power supply capacity. As compared to the power factor
improving AC reactor (FR-BAL), it can decrease the loss. The input power factor is improved to about 95%.
It is also effective to reduce the input side harmonics.
When connecting the power factor improving DC reactor to the servo amplifier, always disconnect P1 and P2
(For 11kW or more, disconnect P1 and P). If it remains connected, the effect of the power factor improving DC
reactor is not produced.
When used, the power factor improving DC reactor generates heat. To release heat, therefore, leave a 10cm or
more clearance at each of the top and bottom, and a 5cm or more clearance on each side.

11 - 73
11. OPTIONS AND AUXILIARY EQUIPMENT
Rating plate
L
H
B or less
E
A or less
Terminal box - screw size G
Mounting leg
D
F
C or less
Servo amplifier
P1
P2
(Note 2)
FR-BEL-(H)
2-F L notch
5m or less
Servo amplifier
P1
P2
(Note 2)
FR-BEL-(H)
(Note 3)
B or lessA or less
Mounting leg
Rating plate
2-F L notch
Screw size G
(Note 1)Terminal cover
E
D
H
F
L
C or less
5m or less
Fig. 11.1 Fig. 11.2
Note 1. Since the terminal cover is supplied, attach it after connecting a wire.
2. When using DC reactor, disconnect P1 and P2.
3. When over 11kW, "P2" becomes "P", respectively.
Dimensions [mm]
Servo amplifier
Power factor
improving DC
reactor
Outline
drawing A B C D E F L G H
Mounting
screw size
Mass
[kg(lb)]
Wire
[mm2] (Note)
MR-J3-10B 20B FR-BEL-0.4K 110 50 94 1.6 95 6 12 M3.5 25 M5 0.5(1.10)
MR-J3-40B FR-BEL-0.75K 120 53 102 1.6 105 6 12 M4 25 M5 0.7(1.54)
MR-J3-60B 70B FR-BEL-1.5K 130 65 110 1.6 115 6 12 M4 30 M5 1.1(2.43) 2(AWG14)
MR-J3-100B FR-BEL-2.2K Fug. 11.1 130 65 110 1.6 115 6 12 M4 30 M5 1.2(2.65)
MR-J3-200B FR-BEL-3.7K 150 75 102 2.0 135 6 12 M4 40 M5 1.7(3.75)
MR-J3-350B FR-BEL-7.5K 150 75 126 2.0 135 6 12 M5 40 M5 2.3(5.07) 3.5(AWG12)
MR-J3-500B FR-BEL-11K 170 93 132 2.3 155 6 14 M5 50 M5 3.1(6.83) 5.5(AWG10)
MR-J3-700B 8(AWG8)
MR-J3-11KB FR-BEL-15K 170 93 170 2.3 155 6 14 M8 56 M5 3.8(8.38)
22(AWG4)
MR-J3-15KB FR-BEL-22K
Fig. 11.2 185 119 182 2.6 165 7 15 M8 70 M6 5.4(11.91) 30(AWG2)
MR-J3-22KB FR-BEL-30K 185 119 201 2.6 165 7 15 M8 70 M6 6.7(14.77) 60(AWG2/0)
MR-J3-60B4 FR-BEL-H1.5K 130 63 89 1.6 115 6 12 M3.5 32 M5 0.9(1.98)
MR-J3-100B4 FR-BEL-H2.2K 130 63 101 1.6 115 6 12 M3.5 32 M5 1.1(2.43)
MR-J3-200B4 FR-BEL-H3.7K Fig. 11.1 150 75 102 2 135 6 12 M4 40 M5 1.7(3.75)
2(AWG14)
MR-J3-350B4 FR-BEL-H7.5K 150 75 124 2 135 6 12 M4 40 M5 2.3(5.07)
MR-J3-500B4 FR-BEL-H11K 170 93 132 2.3 155 6 14 M5 50 M5 3.1(6.83) 5.5(AWG10)
MR-J3-700B4
MR-J3-11KB4 FR-BEL-H15K 170 93 160 2.3 155 6 14 M6 56 M5 3.7(8.16) 8(AWG8)
MR-J3-15KB4 FR-BEL-H22K
Fig. 11.2 185 119 171 2.6 165 7 15 M6 70 M6 5.0(11.02)
MR-J3-22KB4 FR-BEL-H30K 185 119 189 2.6 165 7 15 M6 70 M6 6.7(14.77)
22(AWG4)
Note. Selection condition of wire size is as follows.
Wire type: 600V Polyvinyl chloride insulated wire (IV wire)
Construction condition: One wire is constructed in the air

11 - 74
11. OPTIONS AND AUXILIARY EQUIPMENT
11.14 Power factor improving AC reactors
The power factor improving AC reactors improve the phase factor by increasing the form factor of servo
amplifier's input current.
It can reduce the power capacity.
The input power factor is improved to be about 90%. For use with a 1-phase power supply, it may be slightly
lower than 90%.
In addition, it reduces the higher harmonic of input side.
When using power factor improving reactors for two servo amplifiers or more, be sure to connect a power factor
improving reactor to each servo amplifier.
If using only one power factor improving reactor, enough improvement effect of phase factor cannot be
obtained unless all servo amplifiers are operated.
Z
3-phase
200 to 230VAC
or
3-phase
380 to 480VAC
NFB
FR-BAL-(H)
Servo amplifie
r
MR-J3- B(4)
R
S
T
X
Y
Z
L1
L2
L3
MC
1-phase
200v to 230VAC
NFB
FR-BAL
Servo amplifier
MR-J3- B
R
S
T
X
Y
Z
L1
L2
L3
MC
W
W1C
RXSYTZ
H 5
D1
Installation screw
D 5
[Unit : mm]
(Note)
1-phase
100 to120VAC
NFB
FR-BAL
Servo amplifier
MR-J3- B1
R
S
T
X
Y
L1
Blank
MC
L2
Note. For the 1-phase 200V to 230V power supply, Connect the power
supply to L1, L2 and leave L3 open.

11 - 75
11. OPTIONS AND AUXILIARY EQUIPMENT
Dimensions [mm]
Servo amplifier Model W W1 H D D1 C
Mounting
screw size
Terminal
screw size
Mass
[kg (lb)]
MR-J3-10B 20B 10B1 FR-BAL-0.4K 135 120 115 59 45 0
-2.5 7.5 M4 M3.5 2.0 (4.41)
MR-J3-40B 20B1 FR-BAL-0.75K 135 120 115 69 57 0
-2.5 7.5 M4 M3.5 2.8 (6.17)
MR-J3-60B 70B 40B1 FR-BAL-1.5K 160 145 140 71 55 0
-2.5 7.5 M4 M3.5 3.7 (8.16)
MR-J3-100B FR-BAL-2.2K 160 145 140 91 75 0
-2.5 7.5 M4 M3.5 5.6 (12.35)
MR-J3-200B FR-BAL-3.7K 220 200 192 90 70 0
-2.5 10 M5 M4 8.5 (18.74)
MR-J3-350B FR-BAL-7.5K 220 200 194 120 100 0
-2.5 10 M5 M5 14.5 (31.97)
MR-J3-500B FR-BAL-11K 280 255 220 135 100 0
-2.5 12.5 M6 M6 19 (41.89)
MR-J3-700B
MR-J3-11KB FR-BAL-15K 295 270 275 133 110 0
-2.5 12.5 M6 M6 27 (59.53)
MR-J3-15KB FR-BAL-22K 290 240 301 199
170 5 25 M8 M8 35 (77.16)
MR-J3-22KB FR-BAL-30K 290 240 301 219
190 5 25 M8 M8 43 (94.80)
MR-J3-60B4 FR-BAL-H1.5K 160 145 140 87 70 0
-2.5 7.5 M4 M3.5 5.3 (11.68)
MR-J3-100B4 FR-BAL-H2.2K 160 145 140 91 75 0
-2.5 7.5 M4 M3.5 5.9 (13.01)
MR-J3-200B4 FR-BAL-H3.7K 220 200 190 90 70 0
-2.5 10 M5 M3.5 8.5 (18.74)
MR-J3-350B4 FR-BAL-H7.5K 220 200 192 120
100 5 10 M5 M4 14 (30.87)
MR-J3-500B4 FR-BAL-H11K 280 255 226 130
100 5 12.5 M6 M5 18.5 (40.79)
MR-J3-700B4
MR-J3-11KB4 FR-BAL-H15K 295 270 244 130
110 5 12.5 M6 M5 27 (59.53)
MR-J3-15KB4 FR-BAL-H22K 290 240 269 199
170 5 25 M8 M8 Approx.35
(Approx.77.16)
MR-J3-22KB4 FR-BAL-H30K 290 240 290 219
190 5 25 M8 M8 Approx.43
(Approx.94.80)
11.15 Relays (recommended)
The following relays should be used with the interfaces.
Interface Selection example
Relay used for digital input command signals (interface DI-1) To prevent defective contacts , use a relay for small signal
(twin contacts).
(Ex.) Omron : type G2A , MY
Relay used for digital output signals (interface DO-1) Small relay with 12VDC or 24VDC of rated current 40mA or
less
(Ex.) Omron : type MY

11 - 76
11. OPTIONS AND AUXILIARY EQUIPMENT
11.16 Surge absorbers (recommended)
A surge absorber is required for the electromagnetic brake. Use the following surge absorber or equivalent.
When using the surge absorber, perform insulation beforehand to prevent short-circuit.
Maximum rating
Permissible circuit
voltage
Surge
immunity
Energy
immunity
Rated
power
Maximum
limit voltage
Static capacity
(reference
value)
Varistor voltage
rating (range) V1mA
AC[Vma] DC[V] [A] [J] [W] [A] [V] [pF] [V]
140 180
(Note)
500/time 5 0.4 25 360 300 220
(198 to 242)
Note. 1 time 8 20 s
13.5
16.5
4.7 1.0
0.8
3.0 or less
30.0 or more
[Unit: mm]
(Example) ERZV10D221 (Matsushita Electric Industry)
TNR-10V221K (Nippon chemi-con)
Outline drawing [mm] (ERZ-C10DK221)
11.17 Noise reduction techniques
Noises are classified into external noises which enter the servo amplifier to cause it to malfunction and those
radiated by the servo amplifier to cause peripheral devices to malfunction. Since the servo amplifier is an
electronic device which handles small signals, the following general noise reduction techniques are required.
Also, the servo amplifier can be a source of noise as its outputs are chopped by high carrier frequencies. If
peripheral devices malfunction due to noises produced by the servo amplifier, noise suppression measures
must be taken. The measures will vary slightly with the routes of noise transmission.
(1) Noise reduction techniques
(a) General reduction techniques
Avoid laying power lines (input and output cables) and signal cables side by side or do not bundle
them together. Separate power lines from signal cables.
Use shielded, twisted pair cables for connection with the encoder and for control signal transmission,
and connect the shield to the SD terminal.
Ground the servo amplifier, servo motor, etc. together at one point (refer to section 3.12).
(b) Reduction techniques for external noises that cause the servo amplifier to malfunction
If there are noise sources (such as a magnetic contactor, an electromagnetic brake, and many relays
which make a large amount of noise) near the servo amplifier and the servo amplifier may malfunction,
the following countermeasures are required.
Provide surge absorbers on the noise sources to suppress noises.
Attach data line filters to the signal cables.
Ground the shields of the encoder connecting cable and the control signal cables with cable clamp
fittings.
Although a surge absorber is built into the servo amplifier, to protect the servo amplifier and other
equipment against large exogenous noise and lightning surge, attaching a varistor to the power input
section of the equipment is recommended.

11 - 77
11. OPTIONS AND AUXILIARY EQUIPMENT
(c) Techniques for noises radiated by the servo amplifier that cause peripheral devices to malfunction
Noises produced by the servo amplifier are classified into those radiated from the cables connected to
the servo amplifier and its main circuits (input and output circuits), those induced electromagnetically or
statically by the signal cables of the peripheral devices located near the main circuit cables, and those
transmitted through the power supply cables.
Noises produced
by servo amplifier
Noises transmitted
in the air
Noise radiated directly
from servo amplifier
Magnetic induction
noise
Static induction
noise
Noises transmitted
through electric
channels
Noise radiated from the
power supply cable
Noise radiated from
servo motor cable
Noise transmitted through
power supply cable
Noise sneaking from
grounding cable due to
leakage current
Routes 4) and 5)
Route 1)
Route 2)
Route 3)
Route 7)
Route 8)
Route 6)
Instrument Receiver
Servo
amplifier
Servo motor M
2)
2)
8)
1)
7)
7) 7)
5)
3)
4)
6)
3)
Sensor
power
supply
Sensor

11 - 78
11. OPTIONS AND AUXILIARY EQUIPMENT
Noise transmission route Suppression techniques
1) 2) 3)
When measuring instruments, receivers, sensors, etc. which handle weak signals and may malfunction
due to noise and/or their signal cables are contained in a control box together with the servo amplifier or
run near the servo amplifier, such devices may malfunction due to noises transmitted through the air. The
following techniques are required.
1. Provide maximum clearance between easily affected devices and the servo amplifier.
2. Provide maximum clearance between easily affected signal cables and the I/O cables of the servo
amplifier.
3. Avoid laying the power lines (Input cables of the servo amplifier) and signal cables side by side or
bundling them together.
4. Insert a line noise filter to the I/O cables or a radio noise filter on the input line.
5. Use shielded wires for signal and power cables or put cables in separate metal conduits.
4) 5) 6)
When the power lines and the signal cables are laid side by side or bundled together, magnetic
induction noise and static induction noise will be transmitted through the signal cables and malfunction
may occur. The following techniques are required.
1. Provide maximum clearance between easily affected devices and the servo amplifier.
2. Provide maximum clearance between easily affected signal cables and the I/O cables of the servo
amplifier.
3. Avoid laying the power lines (I/O cables of the servo amplifier) and signal cables side by side or
bundling them together.
4. Use shielded wires for signal and power cables or put the cables in separate metal conduits.
7)
When the power supply of peripheral devices is connected to the power supply of the servo amplifier
system, noises produced by the servo amplifier may be transmitted back through the power supply
cable and the devices may malfunction. The following techniques are required.
1. Insert the radio noise filter (FR-BIF-(H)) on the power cables (Input cables) of the servo amplifier.
2. Insert the line noise filter (FR-BSF01 FR-BLF) on the power cables of the servo amplifier.
8)
When the cables of peripheral devices are connected to the servo amplifier to make a closed loop
circuit, leakage current may flow to malfunction the peripheral devices. If so, malfunction may be
prevented by disconnecting the grounding cable of the peripheral device.
(2) Noise reduction products
(a) Data line filter (Recommended)
Noise can be prevented by installing a data line filter onto the encoder cable, etc. For example, the
ZCAT3035-1330 of TDK and the ESD-SR-25 of NEC TOKIN make are available as data line filters. As a
reference example, the impedance specifications of the ZCAT3035-1330 (TDK) are indicated below.
This impedances are reference values and not guaranteed values.
Impedance[ ]
10 to 100MHz 100 to 500MHz
80 150
Outline drawing (ZCAT3035-1330)
[Unit: mm]
Loop for fixing the
cable band
Lot number Product name
TDK
39 1
34 1
13 1
30 1

11 - 79
11. OPTIONS AND AUXILIARY EQUIPMENT
(b) Surge suppressor
The recommended surge suppressor for installation to an AC relay, AC valve or the like near the servo
amplifier is shown below. Use this product or equivalent.
MC
Surge suppressor
Relay
Surge suppresso
r
This distance should be short
(within 20cm).
(Ex.) 972A.2003 50411
(Matsuo Electric Co.,Ltd. 200VAC rating)
Outline drawing [Unit: mm] Rated
voltage
AC[V]
C [ F] R [ ] Test voltage AC[V]
200 0.5
50
(1W)
Across
T-C 1000(1 to 5s)
Blue vinyl cord Red vinyl cord
Vinyl sheath
200 or more 200 or more
6
31
10 or less 10 or less
15 1
48 1.5
10 310 3
4
18 1.5
Note that a diode should be installed to a DC relay, DC valve or
the like.
Maximum voltage: Not less than 4 times the drive voltage of the
relay or the like
Maximum current: Not less than twice the drive current of the
relay or the like
Diode
RA
(c) Cable clamp fitting AERSBAN - SET
Generally, the earth of the shielded cable may only be connected to the connector's SD terminal.
However, the effect can be increased by directly connecting the cable to an earth plate as shown below.
Install the earth plate near the servo amplifier for the encoder cable. Peel part of the cable sheath to
expose the external conductor, and press that part against the earth plate with the cable clamp. If the
cable is thin, clamp several cables in a bunch.
The clamp comes as a set with the earth plate.
[Unit: mm]
Strip the cable sheath of
the clamped area. cutter
cable
Cable clamp
(A,B)
Cable
Earth plate
External conductor
Clamp section diagram
40

11 - 80
11. OPTIONS AND AUXILIARY EQUIPMENT
Outline drawing
[Unit: mm]
Earth plate Clamp section diagram
(Note)M4 screw
113
6
C
A
622
17.5
35
35
L or less 10
30
7
24
0
0.2
24
0.3
0
B 0.3
2- 5 hole
installation hole
Note. Screw hole for grounding. Connect it to the earth plate of the control box.
Type A B C Accessory fittings Clamp fitting L
AERSBAN-DSET 100 86 30 clamp A: 2pcs. A 70
AERSBAN-ESET 70 56 clamp B: 1pc. B 45

11 - 81
11. OPTIONS AND AUXILIARY EQUIPMENT
(d) Line noise filter (FR-BSF01, FR-BLF)
This filter is effective in suppressing noises radiated from the power supply side and output side of the
servo amplifier and also in suppressing high-frequency leakage current (zero-phase current) especially
within 0.5MHz to 5MHz band.
Connection diagram Outline drawing [Unit: mm]
FR-BSF01 (for wire size 3.5mm2 (AWG12) or less))
4.5
Approx.110
95 0.5
Approx.22.5
Approx.65
Approx.65
33
2- 5
Use the line noise filters for wires of the main power supply (L1L2
L3) and of the motor power supply (U VW). Pass each of the
3-phase wires through the line noise filter an equal number of
times in the same direction. For the main power supply, the effect
of the filter rises as the number of passes increases, but generally
four passes would be appropriate. For the motor power supply,
passes must be four times or less. Do not pass the grounding
(earth) wire through the filter, or the effect of the filter will drop.
Wind the wires by passing through the filter to satisfy the required
number of passes as shown in Example 1. If the wires are too
thick to wind, use two or more filters to have the required number
of passes as shown in Example 2. Place the line noise filters as
close to the servo amplifier as possible for their best performance.
Example 2
Two filters are used
(Total number of turns: 4)
Power
supply
Servo amplifie
r
Line noise
filter
NFB
L3
L1
L2
Example 1
(Number of turns: 4)
Power
supply
NFB
L1
L2
L3
Servo amplifier
Line noise
filter
MC
MC
FR-BLF(for wire size 5.5mm2 (AWG10) or more))
160
180
130
85
80
2.3
35
7
31.5
7
(e) Radio noise filter (FR-BIF-(H))
This filter is effective in suppressing noises radiated from the power supply side of the servo amplifier
especially in 10MHz and lower radio frequency bands. The FR-BIF (-H) is designed for the input only.
Connection diagram Outline drawing (Unit: mm)
Make the connection cables as short as possible.
Grounding is always required.
When using the FR-BIF with a single-phase power
supply, always insulate the wires that are not used
for wiring. Servo amplifier
NFB
L3
L2
L1
MC
Power
supply
Radio noise
filter FR-BIF
-(H)
200V class: FR-BIF
400V class: FR-BIF-H
Leakage current: 4mA
29
58
42
4
Red BlueWhite Green
44
29 7
hole
About 300
5

11 - 82
11. OPTIONS AND AUXILIARY EQUIPMENT
(f) Varistors for input power supply (Recommended)
Varistors are effective to prevent exogenous noise and lightning surge from entering the servo amplifier.
When using a varistor, connect it between each phase of the input power supply of the equipment. For
varistors, the TND20V-431K, TND20V-471K and TND20V-102K, manufactured by NIPPON CHEMI-
CON, are recommended. For detailed specification and usage of the varistors, refer to the manufacturer
catalog.
Maximum rating
Permissible circuit
voltage
Surge current
immunity
Energy
immunity
Rated
pulse
power
Maximum limit
voltage
Static
capacity
(reference
value)
Varistor voltage
rating (range)
V1mA
Power
supply
voltage
Varistor
AC[Vrms] DC[V] 8/20 s[A] 2ms[J] [W] [A] [V] [pF] [V]
100V class TND20V-431K 275 350 10000/1 time 195 710 1300 430(387 to 473)
200V class TND20V-471K 300 385 7000/2 time 215 775 1200 470(423 to 517)
400V class TND20V-102K 625 825 7500/1 time
6500/2 time 400
1.0 100
1650 500 1000(900 to 1100)
[Unit: mm]
Model D
Max.
H
Max.
T
Max.
E
1.0
(Note)L
min.
d
0.05
W
1.0
TND20V-431K 6.4 3.3
TND20V-471K 21.5 24.5 6.6 3.5 20 0.8 10.0
TND20V-102K 22.5 25.5 9.5 6.4
Note. For special purpose items for lead length (L), contact the manufacturer.
d
W E
H
D
L
T

11 - 83
11. OPTIONS AND AUXILIARY EQUIPMENT
11.18 Leakage current breaker
(1) Selection method
High-frequency chopper currents controlled by pulse width modulation flow in the AC servo circuits.
Leakage currents containing harmonic contents are larger than those of the motor which is run with a
commercial power supply.
Select a leakage current breaker according to the following formula, and ground the servo amplifier, servo
motor, etc. securely.
Make the input and output cables as short as possible, and also make the grounding cable as long as
possible (about 30cm) to minimize leakage currents.
Rated sensitivity current 10 {Ig1 Ign Iga K(Ig2 Igm)} [mA] (11.1)
K: Constant considering the harmonic contents
Leakage current breaker
Type Mitsubishi
products
K
Models provided with
harmonic and surge
reduction techniques
NV-SP
NV-SW
NV-CP
NV-CW
NV-L
1
M
Servo
amplifier
Noise
filter
NV
I
g
1I
g
nI
g
aI
g
2I
g
m
Cable
Cable
General models
BV-C1
NFB
NV-L
3
Ig1: Leakage current on the electric channel from the leakage current breaker to the input terminals of the
servo amplifier (Found from Fig. 11.3.)
Ig2: Leakage current on the electric channel from the output terminals of the servo amplifier to the
servo motor (Found from Fig. 11.3.)
Ign: Leakage current when a filter is connected to the input side (4.4mA per one FR-BIF(-H))
Iga: Leakage current of the servo amplifier (Found from Table 11.5.)
Igm: Leakage current of the servo motor (Found from Table 11.4.)
120
100
80
60
40
20
023.5
5.5
8 1422 38 80 150
30 60 100
Cable size[mm2]
[mA]
Leakage current
120
100
80
60
40
20
02
3.5
5.5
8
14
22
38
80
150
30
60
100
Cable size[mm2]
[mA]
Leakage current
a. 200V class b. 400V class
Fig. 11.3 Leakage current example (lg1, lg2) for CV cable run in metal conduit

11 - 84
11. OPTIONS AND AUXILIARY EQUIPMENT
Table 11.4 Servo motor's leakage current example (Igm) Table 11.5 Servo amplifier's leakage current example (Iga)
Servo motor power
[kW]
Leakage current
[mA] Servo amplifier capacity
[kW]
Leakage current
[mA]
0.05 to 1 0.1 0.1 to 0.6 0.1
2 0.2
0.75 to 3.5 (Note) 0.15
3.5 0.3
57 2
5 0.5
11 15 5.5
7 0.7
22 7
11 1.0
15 1.3
Note. For the 3.5kW of 400V class, leakage current is 2mA,
which is the same as for 5kW and 7kW.
22 2.3
Table 11.6 Leakage circuit breaker selection example
Servo amplifier Rated sensitivity current of leakage
circuit breaker [mA]
MR-J3-10B to MR-J3-350B
MR-J3-10B1 to MR-J3-40B1
MR-J3-60B4 to MR-J3-350B4
15
MR-J3-500B(4) 30
MR-J3-700B(4) 50
MR-J3-11KB(4) to MR-J3-22KB(4) 100
(2) Selection example
Indicated below is an example of selecting a leakage current breaker under the following conditions.
M
NV
Ig1 Iga Ig2 Igm
Servo
amplifier
MR-J3-40B
2mm2 5m 2mm2 5m
Servo motor
HF-KP43
Use a leakage current breaker generally available.
Find the terms of Equation (11.1) from the diagram.
Ig1 20 1000
50.1 [mA]
Ig2 20 1000
50.1 [mA]
Ign 0 (not used)
Iga 0.1 [mA]
Igm 0.1 [mA]
Insert these values in Equation (11.1).
Ig 10 {0.1 00.1 1(0.1 0.1)}
4.0 [mA]
According to the result of calculation, use a leakage current breaker having the rated sensitivity current (Ig)
of 4.0[mA] or more. A leakage current breaker having Ig of 15[mA] is used with the NV-SP/SW/CP/CW/HW
series.

11 - 85
11. OPTIONS AND AUXILIARY EQUIPMENT
11.19 EMC filter (recommended)
For compliance with the EMC directive of the EN Standard, it is recommended to use the following filter. Some
EMC filters are large in leakage current.
(1) Combination with the servo amplifier
Recommended filter (Soshin Electric)
Servo amplifier Model Leakage current [mA] Mass [kg]([lb])
MR-J3-10B to MR-J3-100B
MR-J3-10B1 to MR-J3-40B1 (Note) HF3010A-UN 3 (6.61)
MR-J3-250B MR-J3-350B (Note) HF3030A-UN
5
5.5 (12.13)
MR-J3-500B MR-J3-700B (Note) HF3040A-UN 1.5 6.0 (13.23)
MR-J3-11KB to MR-J3-22KB (Note) HF3100A-UN 6.5 15 (33.07)
MR-J3-60B4 MR-J3-100B4 TF3005C-TX
MR-J3-200B4 to MR-J3-700B4 TF3020C-TX 6(13.23)
MR-J3-11KB4 TF3030C-TX 7.5(16.54)
MR-J3-15KB4 TF3040C-TX
MR-J3-22KB4 TF3060C-TX
5.5
12.5(27.56)
Note. A surge protector is separately required to use any of these EMC filters.
(2) Connection example
L1
L2
L3
L11
L21
Servo amplifier
1
2
3
4
5
6
E
MC
(Note 2)
Surge protector 1
(RAV-781BYZ-2)
(OKAYA Electric Industries Co., Ltd.)
(Note 2)
Surge protector 2
(RAV-781BXZ-4)
(OKAYA Electric Industries Co., Ltd.)
NFB
(Note 1)
Power supply
1
2
3
123
EMC filter
Note 1. For 1-phase 200V to 230VAC power supply, connect the power supply to L1,L2 and leave L3 open.
There is no L3 for 1-phase 100 to 120VAC power supply. Refer to section 1.3 for the power supply specification.
2. The example is when a surge protector is connected.

11 - 86
11. OPTIONS AND AUXILIARY EQUIPMENT
(3) Outline drawing
(a) EMC filter
HF3010A-UN
[Unit: mm]
M4
IN
3-M4
65 4
Approx.41
4-5.5 7
258 4
273 2
288 4
300 5
3-M4
85 2
32 2
110 4
HF3030A-UN HF-3040A-UN
J 2
H 2
G 1
F 2
E 1
D 2
3-L
6-K
3-L
M
C 1
B 2
A 5
C 1
Dimensions [mm]
Model A B C D E F G H J K L M
HF3030A-UN 260 210 85 155 140 125 44 140 70 M5 M4
HF3040A-UN 260 210 85 155 140 125 44 140 70
R3.25,
length
8 M5 M4

11 - 87
11. OPTIONS AND AUXILIARY EQUIPMENT
HF3100A-UN
2-6.5 8
M8
2- 6.5
145 1
165 3
M6
380 1
400 5
160 3
M8
TF3005C-TX TX3020C-TX TF3030C-TX
[Unit: mm]
290 2
100 1
308 5
332 5
Approx.12.2
3-M4
16 16
6-R3.25 length8 M4 M4
125 2
140 1
155 2
IN
150 2
Approx.67.5
3
Approx.160
170 5
M4
3 M4
100 1

11 - 88
11. OPTIONS AND AUXILIARY EQUIPMENT
TF3040C-TX TF3060C-TX
[Unit: mm]
K 2
L
J
H 5
M6
C 2
D 1
B 5
A 5
Approx.17
3-M6
22 22
8-M M4 M4
G 2
3-M6
F 1
E 2
IN
D 1 D 1
Dimensions [mm]
Model A B C D E F G H J K L M
TF3040C-TX
TF3060C-TX
438 412 390 100 175 160 145 200 Approx.190 180 Approx.91.5
R3.25
length 8
(M6)

11 - 89
11. OPTIONS AND AUXILIARY EQUIPMENT
(b) Surge protector
RAV-781BYZ-2
4.5 0.5
1 32
41 1.0
28.5 1.028 1.0
4.2 0.2
200 30
0
UL-1015AWG16
5.5 1
11 1
[Unit: mm]
Black
1) 2) 3)
Black Black
RAV-781BXZ-4
1 32
UL-1015AWG16
4.2 0.2
5.5 1
11 1
28.5 1.0200 30
0
28 1.0
41 1.0
4.5 0.5
[Unit: mm]
1) 2) 3) 4)

11 - 90
11. OPTIONS AND AUXILIARY EQUIPMENT
MEMO

12 - 1
12. ABSOLUTE POSITION DETECTION SYSTEM
12. ABSOLUTE POSITION DETECTION SYSTEM
CAUTION
If an absolute position erase alarm (25) or absolute position counter warning (E3)
has occurred, always perform home position setting again. Not doing so can cause
runaway. Not doing so may cause unexpected operation.
POINT
If the encoder cable is disconnected, absolute position data will be lost in the
following servo motor series. HF-MP, HF-KP, HC-SP, HC-RP, HC-UP, HC-LP,
and HA-LP. After disconnecting the encoder cable, always execute home
position setting and then positioning operation.
12.1 Features
For normal operation, as shown below, the encoder consists of a detector designed to detect a position within
one revolution and a cumulative revolution counter designed to detect the number of revolutions.
The absolute position detection system always detects the absolute position of the machine and keeps it
battery-backed, independently of whether the servo system controller power is on or off.
Therefore, once home position return is made at the time of machine installation, home position return is not
needed when power is switched on thereafter.
If a power failure or a fault occurs, restoration is easy.
Servo system controller
Current
position
Home position data
LS0
CYC0
Servo amplifier
Position data
Detecting
the number
of revolutions
Detecting the
position within
one revolution
Position control
speed control
High speed serial
communication
Servo motor
1 pulse/rev accumulative revolution counter
Within one-revolution counter
MR-J3BAT
Battery

12 - 2
12. ABSOLUTE POSITION DETECTION SYSTEM
12.2 Specifications
POINT
Replace the battery with only the control circuit power ON. Removal of the battery
with the control circuit power OFF will erase the absolute position data.
(1) Specification list
Item Description
System Electronic battery backup system
Battery 1 piece of lithium battery ( primary battery, nominal 3.6V)
Type: MR-J3BAT
Maximum revolution range Home position 32767 rev.
(Note 1) Maximum speed at power failure 3000r/min
(Note 2) Battery backup time Approx. 10,000 hours (battery life with power off)
Battery storage period 5 years from date of manufacture
Note 1. Maximum speed available when the shaft is rotated by external force at the time of power failure or the like.
2. Time to hold data by a battery with power off. It is recommended to replace the battery in three years independently of
whether power is kept on or off.
(2) Configuration
Servo motor
Servo amplifier
CN1 CN2
Battery
(MR-J3BAT)
CN4
Servo system controller
(3) Parameter setting
Set " 1" in parameter No.PA03 to make the absolute position detection system valid.
Absolute position detection system selection
0: Used in incremental system
1: Used in absolute position detection system
Parameter No.PA03

12 - 3
12. ABSOLUTE POSITION DETECTION SYSTEM
12.3 Battery installation procedure
WARNING
Before installing a battery, turn off the main circuit power while keeping the control
circuit power on. Wait for 15 minutes or more (20 minutes or for drive unit 30kW or
more) until the charge lamp turns off. Then, confirm that the voltage between P( )
and N( ) (L and L for drive unit 30kW or more) is safe with a voltage tester
and others. Otherwise, an electric shock may occur. In addition, always confirm
from the front of the servo amplifier whether the charge lamp is off or not.
POINT
The internal circuits of the servo amplifier may be damaged by static electricity.
Always take the following precautions.
Ground human body and work bench.
Do not touch the conductive areas, such as connector pins and electrical parts,
directly by hand.
Before starting battery changing procedure, make sure that the main circuit
power is switched OFF with the control circuit power ON. When battery is
changed with the control power OFF, the absolute position data is lost.
(1) For MR-J3-350B or less MR-J3-200B4 or less
POINT
For the servo amplifier with a battery holder on the bottom, it is not possible to
wire for the earth with the battery installed. Insert the battery after executing
the earth wiring of the servo amplifier.
Insert connector into CN4.

12 - 4
12. ABSOLUTE POSITION DETECTION SYSTEM
(2) For MR-J3-500B or more MR-J3-350B4 or more
Insert connector into CN4.

12 - 5
12. ABSOLUTE POSITION DETECTION SYSTEM
12.4 Confirmation of absolute position detection data
You can confirm the absolute position data with MR Configurator.
Choose "Diagnostics" and "Absolute Encoder Data" to open the absolute position data display screen.
(1) Choosing "Diagnostics" in the menu opens the sub-menu as shown below:
(2) By choosing "Absolute Encoder Data" in the sub-menu, the absolute encoder data display window appears.
(3) Press the "Close" button to close the absolute encoder data display window.

12 - 6
12. ABSOLUTE POSITION DETECTION SYSTEM
MEMO

13 - 1
13. SERVO AMPLIFIERS WITH
A
LARGE CAPACITY
(
30k TO 55kW
)
13. SERVO AMPLIFIERS WITH A LARGE CAPACITY (30k TO 55kW)
This chapter explains the MELSERVO-J3-B series AC servo featuring a large capacity of 200V (30k to
37kW)/400V (30k to 55kW).
Explanation made in this chapter is exclusively for the MR-J3-CR (4) converter units and the MR-J3-DU B(4)
drive units. Explanations on the following items are the same as those for servo amplifiers with 22kW or less.
For such explanations, refer to the section indicated in the table.
Item Reference
Startup Chapter 4
General gain adjustment Chapter 6
Special adjustment functions Chapter 7
Absolute position detection system Chapter 12
13.1. Functions and menus
POINT
Explanations on the following item are the same as those for servo amplifiers
with 22kW or less. Refer to the section below for details.
Function list section 1.4

13 - 2
13. SERVO AMPLIFIERS WITH A LARGE CAPACITY (30k TO 55kW)
13.1.1 Function block diagram
The function block diagram of this servo is shown below.
L
L11
L21
L1
L2
L3
P1P2C
L11
L21
L
L
L
Power
supply
Control
power
supply
Base
amplifier
MC
CN1
I/F
CHARGE
lamp
Converter
NFB
Cooling fan
CPU
Trouble, warning, forced stop
CN40
Converter unit
protection coordination
CN40
Power factor
improving DC
CNP1
MC drive
Regenerative
option
Regenerative
TR
Diode
stack Thyristor
Current
detection
Voltage
detection

13 - 3
13. SERVO AMPLIFIERS WITH A LARGE CAPACITY (30k TO 55kW)
Model position
control
Model speed
control
L
L
L
L
Current
control
Actual speed
control
Actual position
control
OHS2
Optional battery
(For absolute position detection
system)
Termination
connector
MR-J3-TM
(Option)
CN40
BU
BV
BW
U
V
W
Over
current
Control
power
supply
Current
detector
NFB
Power
supply
(Note)
CN40ACN40B
CN5
USB
USB
Personal
computer
CN4
MR-J3BAT
Controller
or
drive unit
Drive unit
or
cap
CN1A CN1B CN3
D/A
Analog monitor
(2 channel)
Digital I/O
control
Servo motor
Drive unit
L11
L11
L21
L21
Cooling fan
Base amplifier
U
V
W
M
CN2
Servo motor
thermal
OHS1
Current
detection
Virtual
encoder
Position command
input
Model position Model speed
Virtual
motor
I/F
Control
Encoder
Model torque
Cooling fan
Note. Refer to section 13.3.6 for the power supply specification of the servo motor cooling fan.

13 - 4
13. SERVO AMPLIFIERS WITH A LARGE CAPACITY (30k TO 55kW)
13.1.2 Packing list
Unpack the product and check the rating plate to see if the converter unit, drive unit and servo motor are as you
ordered.
(1) Converter unit
POINT
Regenerative resistor and power factor improving DC reactors are option.
Purchase them separately if required. (Section 13.9.2, 13.9.6)
Model Converter unit
[units]
Eyebolt
[pcs.]
Magnetic contactor
wiring connector
[pcs.] (Note)
Digital I/O connector
[pcs.]
To use the AC
servo safely
[manuals]
MR-J3-CR55K
MR-J3-CR55K4 1 2 1 1 1
Note. Magnetic contactor control connector is mounted to CNP1 of the converter unit before shipping.
(2) Drive unit
Model Drive unit
[units]
Connection
conductor
[pcs.]
Eyebolt
[pcs.]
To use the AC
servo safely
[manuals]
MR-J3-DU30KB MR-J3-DU37KB
MR-J3-DU30KB4 to MR-J3-DU55KB4 1 2 2 1
(3) Servo motor
Model Servo motor
[units]
To use the AC
servo safely
[manuals]
HA-LP30K1 HA-LP37K1
HA-LP30K1M HA-LP37K1M
HA-LP30K2 HA-LP37K2
HA-LP25K14 to HA-LP37K14
HA-LP30K1M4 to HA-LP50K1M4
HA-LP30K24 to HA-LP55K24
1 1

13 - 5
13. SERVO AMPLIFIERS WITH A LARGE CAPACITY (30k TO 55kW)
13.1.3 Standard specifications
(1) Converter unit
Model
Item MR-J3-CR55K MR-J3-CR55K4
Voltage/frequency 3-phase 200 to 230VAC, 50/60Hz 3-phase 380 to 480VAC, 50/60Hz
Permissible voltage
fluctuation 3-phase 170 to 253VAC 3-phase 323 to 528VAC
Main circuit power
supply Permissible frequency
fluctuation Within 5%
Voltage/frequency 1-phase 200 to 230VAC, 50/60Hz 1-phase 380 to 480VAC, 50/60Hz
Permissible voltage
fluctuation 1-phase 170 to 253VAC 1-phase 323 to 528VAC
Permissible frequency
fluctuation Within 5%
Control power
supply
Power consumption 45W
Voltage 24VDC 10% Interface power
supply Power supply capacity (Note) 130mA
Rated output 55kW
Regenerative power
(Using regenerative option)
One MR-RB139: 1300W
Three MR-RB137: 3900W
One MR-RB136-4: 1300W
Three MR-RB138-4: 3900W
Protective function Regenerative overvoltage shutoff, overload shutoff (electronic thermal protector)
Regenerative alarm protection, undervoltage, instantaneous power failure protection
Structure Force-cooling, open (IP00)
[] 0 to 55 (non-freezing)
In operation [] 32 to 131 (non-freezing)
[] 20 to 65 (non-freezing)
Ambient
temperature In storage [] 4 to 149 (non-freezing)
In operation Ambient
humidity In storage 90%RH or less (non-condensing)
Ambient Indoors (no direct sunlight)
Free from corrosive gas, flammable gas, oil mist, dust and dirt
Altitude Max. 1000m above sea level
5.9 [m/s2] or less
Environment
Vibration 19.4 [ft/s2] or less
[kg] 25
Mass [lb] 55.1
Note. 130mA is the value applicable when all I/O signals are used. The current capacity can be decreased by reducing the number of
I/O points.

13 - 6
13. SERVO AMPLIFIERS WITH A LARGE CAPACITY (30k TO 55kW)
(2) Drive unit
(a) 200V class
Model
Item MR-J3-DU30KB MR-J3-DU37KB
Voltage/frequency 1-phase 200 to 230VAC, 50/60Hz
Permissible voltage
fluctuation 1-phase 170 to 253VAC
Permissible frequency
fluctuation Within 5%
Control power
supply
Power consumption 45W
Main circuit power supply The main circuit power of the drive unit is supplied by the converter unit.
Voltage 24VDC 10% Interface power
supply Power supply capacity (Note) 150mA
Control system Sine-wave PWM control, current control system
Dynamic brake External option
Protective function
Overcurrent shut-off, overload shutoff (electronic thermal protector)
Servo motor overheat protection, encoder error protection, undervoltage
Instantaneous power failure protection, overspeed protection
Excessive error protection
Structure Force-cooling, open (IP00)
[] 0 to 55 (non-freezing)
In operation [] 32 to 131 (non-freezing)
[] 20 to 65 (non-freezing)
Ambient
temperature In storage [] 4 to 149 (non-freezing)
In operation Ambient
humidity In storage 90%RH or less (non-condensing)
Ambient Indoors (no direct sunlight)
Free from corrosive gas, flammable gas, oil mist, dust and dirt
Altitude Max. 1000m above sea level
5.9 [m/s2] or less
Environment
Vibration 19.4 [ft/s2] or less
[kg] 26
Mass [lb] 57.3
Note. 150mA is the value applicable when all I/O signals are used. The current capacity can be decreased by reducing the number of
I/O points.

13 - 7
13. SERVO AMPLIFIERS WITH A LARGE CAPACITY (30k TO 55kW)
(b) 400V class
Model
Item MR-J3-DU30KB4 MR-J3-DU37KB4 MR-J3-DU45KB4 MR-J3-DU55KB4
Voltage/frequency 1-phase 380 to 480VAC, 50/60Hz
Permissible voltage
fluctuation 1-phase 323 to 528VAC
Permissible frequency
fluctuation Within 5%
Control power
supply
Power consumption 45W
Main circuit power supply The main circuit power of the drive unit is supplied by the converter unit.
Voltage 24VDC 10% Interface power
supply Power supply capacity (Note)150mA
Control system Sine-wave PWM control, current control system
Dynamic brake External option
Protective function
Overcurrent shut-off, overload shutoff (electronic thermal protector)
Servo motor overheat protection, encoder error protection, undervoltage
Instantaneous power failure protection, overspeed protection
Excessive error protection
Structure Force-cooling, open(IP00)
[] 0 to 55 (non-freezing)
In operation [] 32 to 131 (non-freezing)
[] 20 to 65 (non-freezing)
Ambient
temperature In storage [] 4 to 149 (non-freezing)
In operation Ambient
humidity In storage 90%RH or less (non-condensing)
Ambient Indoors (no direct sunlight)
Free from corrosive gas, flammable gas, oil mist, dust and dirt
Altitude Max. 1000m above sea level
5.9 [m/s2] or less
Environment
Vibration 19.4 [ft/s2] or less
[kg] 18 26
Mass [lb] 39.7 57.3
Note. 150mA is the value applicable when all I/O signals are used. The current capacity can be decreased by reducing the number of
I/O points.

13 - 8
13. SERVO AMPLIFIERS WITH A LARGE CAPACITY (30k TO 55kW)
13.1.4 Model definition
(1) Rating plate
Serial number
POWER
MITSUBISHI AC SERVO
MADE IN JAPAN
MODEL
MR-J3-CR55K
MITSUBISHI ELECTRIC CORPORATION
AC SERVO
PASSED
Applicable power supply
Capacity
Model
Rated output current
: 55kW
:
: A5*******
POWER
: AC200V-230V 50/60HzINPUT
OUTPUT
SERIAL
(2) Model
(a) Converter unit
3-phase 380 to 480VAC
3-phase 200 to 230VAC
Series
Rated output: 55kW
Symbol Power supply
None
4
Power supply
Indicates converter unit.
(b) Drive unit
SSCNET compatible
37K
Symbol Power supply
Series
None
4
Symbol Rated output [kW]
30K 30
Rated output
37
200V class 400V class
Power supply
45K 45
55K 55
37
30
Indicates drive unit.
3-phase 380 to 480VAC
3-phase 200 to 230VAC

13 - 9
13. SERVO AMPLIFIERS WITH A LARGE CAPACITY (30k TO 55kW)
13.1.5 Combinations of converter units, drive unit and servo motors
The following tables indicate the combinations of the converter units, drive unit and servo motors.
(1) 200V class
Servo motor
HA-LP
Converter unit Drive unit
1000r/min 1500r/min 2000r/min
MR-J3-DU30KB 30K1 30K1M 30K2
MR-J3-CR55K MR-J3-DU37KB 37K1 37K1M 37K2
(2) 400V class
Servo motor
HA-LP
Converter unit Drive unit
1000r/min 1500r/min 2000r/min
MR-J3-DU30KB4 25K14
30K14 30K1M4 30K24
MR-J3-DU37KB4 37K14 37K1M4 37K24
MR-J3-DU45KB4 45K1M4 45K24
MR-J3-CR55K4
MR-J3-DU55KB4 50K1M4 55K24

13 - 10
13. SERVO AMPLIFIERS WITH A LARGE CAPACITY (30k TO 55kW)
13.1.6 Parts identification
(1) Converter unit (MR-J3-CR55K(4))
POINT
The servo amplifier is shown without the front cover. For removal of the front
cover, refer to section 13.1.7.
Protective earth (PE) terminal ( )
Ground terminal.
L L terminal (TE2-1)
When using brake unit, connect it to this terminal. Do not
connect anything other than the brake unit.
Section 13.3.4
Name/Application Detailed
explanation
I/O signal connector (CN1)
Used to connect digital I/O signals.
Main circuit terminal block (TE1-1)
Supply main circuit power.
Regenerative option Power factor improving DC reactor
(TE1-2)
Section 13.3.3
Charge lamp
Lit to indicate that the main circuit is charged. While
this lamp is lit, do not reconnect the cables.
L L terminal (TE2-2)
Used to connect to a drive unit using a connection
conductor supplied with drive unit.
Magnetic contactor control connector (CNP1)
Connect to the operation coil of the magnetic contactor.
Display
The 3-digit, seven-segment LED shows the servo status
and alarm number.
For manufacturer setting connector (CN6)
The connector is for manufacturer setting. Although the
shape is similar to analog monitor connector (CN6) of the
drive unit, do not connect anything including an analog
monitor.
Protection coordination connector (CN40)
Connect to CN40A of the drive unit.
Operation section
Used to perform status display, diagnostic, alarm,
parameter and point table setting operations.
MODE UP DOWN SET Section 13.4
For manufacturer setting connector (CN3)
For manufacturer adjustment. Though the shape is similar
to RS-422 communication connector (CN3), do not
connect anything, including a personal computer and MR-
PRU03 parameter unit.
Fixed part
(4 places) Cooling fan
Used to set data.
Used to change the
display or data in each
mode.
Used to change the
mode.
Control circuit terminal L11 L21(TE3)
Supply control circuit power.
Section 13.1.4
Rating plate
Section 13.9.10

13 - 11
13. SERVO AMPLIFIERS WITH A LARGE CAPACITY (30k TO 55kW)
(2) Drive unit (MR-J3-DU30KB4 MR-J3-DU37KB4)
POINT
The servo amplifier is shown with the front cover opened. For removal of the
front cover, refer to section 13.1.7.
7
9
6
8
5
4
3
2
1
0
F
E
D
C
B
A
12
ON 4F
SW1
SW2
TEST
Cooling fan
Chapter 4
Section 3.2
Section 3.4
Section 11.8
Section 3.13
Section 3.13
Section 13.1.4
Section 3.4
Section 11.1
Section 11.9
Chapter 12
Section 3.2
Section 3.4
Section 12.3
Test operation select switch (SW2-1)
Used to perform the test operation mode
by using MR Configurator.
Spare (Be sure to set to the "Down"
position).
Rating plate
Section 13.3.2
SW2
SW1
8
7
6
5
4
3
2
1
0
F
E
D
C
B
A
9
12
Section 13.3.3
L L terminals (TE2)
Connect to the L L terminals of the converter unit
using the connection conductors supplied.
Control circuit terminal L11 L21 (TE3)
Supply control circuit power.
Motor power supply terminals (TE1)
Connect to U, V, W of the servo motor.
Display
The 3-digit, seven-segment LED shows the servo
status and alarm number.
Used to set the axis No. of drive unit.
Rotary axis setting switch (SW1)
USB communication connector (CN5)
Connect with the personal computer.
Battery holder
Contains the battery for absolute position data backup.
Encoder connector (CN2)
Used to connect the servo motor encoder.
SSCNET cable connector (CN1B)
Used to connect the rear axis drive unit. For the final axis,
puts a cap.
I/O signal connector (CN3)
Used to connect digital I/O signals.
More over an analog monitor is output
SSCNET cable connector (CN1A)
Used to connect the servo system controller or the front
axis drive unit.
Converter unit connectors (CN40A)
Connect to CN40 of the converter unit.
Battery connector (CN4)
Used to connect the battery for absolute position data
Converter unit connectors (CN40B)
Connect the termination connector (MR-J3-TM).
Fixed part
(4 places)
Name/Application Detailed
explanation
Protective earth (PE) terminal ( )
Ground terminal.

13 - 12
13. SERVO AMPLIFIERS WITH A LARGE CAPACITY (30k TO 55kW)
(3) Drive unit (MR-J3-DU30KB MR-J3-DU37KB MR-J3-DU45KB4 MR-J3-DU55KB4)
POINT
This servo amplifier is shown without the front cover. For removal of the front
cover, refer to section 13.1.7.
7
9
6
8
5
4
3
2
1
0
F
E
D
C
B
A
12
ON 4F
SW1
SW2
TEST
fixed part
(4 places)
Cooling fan
Chapter 4
Section 3.2
Section 3.4
Section 11.8
Section 3.13
Section 13.1.4
Section 3.4
Section 11.1
Section 11.9
Chapter 12
Section 3.2
Section 3.4
Section 12.3
Rating plate
Section 13.3.2
SW2
SW1
8
7
6
5
4
3
2
1
0
F
E
D
C
B
A
9
12
Section 13.3.3
Motor power supply terminals (TE1)
Connect to U, V, W of the servo motor.
Display
The 3-digit, seven-segment LED shows the servo
status and alarm number.
Used to set the axis No. of drive unit.
Rotary axis setting switch (SW1)
USB communication connector (CN5)
Connect with the personal computer.
Battery holder
Contains the battery for absolute position data backup.
Encoder connector (CN2)
Used to connect the servo motor encoder.
SSCNET cable connector (CN1B)
Used to connect the rear axis drive unit. For the final axis,
puts a cap.
I/O signal connector (CN3)
Used to connect digital I/O signals.
More over an analog monitor is output
SSCNET cable connector (CN1A)
Used to connect the servo system controller or the front
axis drive unit.
Converter unit connectors (CN40A)
Connect to CN40 of the converter unit.
Battery connector (CN4)
Used to connect the battery for absolute position data
Converter unit connectors (CN40B)
Connect the termination connector (MR-J3-TM).
Name/Application Detailed
explanation
TE2-2
For manufacturer adjustment. Leave this open.
Control circuit terminal L11 L21 (TE3)
Supply control circuit power.
L L terminals (TE2)
Connect to the L L terminals of the converter unit
using the connection conductors supplied.
Test operation select switch (SW2-1)
Used to perform the test operation mode
by using MR Configurator.
Spare (Be sure to set to the "Down"
position).
Protective earth (PE) terminal ( )
Ground terminal.

13 - 13
13. SERVO AMPLIFIERS WITH A LARGE CAPACITY (30k TO 55kW)
13.1.7 Removal and reinstallation of the terminal block cover
CAUTION
Before removing or installing the front cover, turn off the power and wait for 20
minutes or more until the charge lamp turns off. Then, confirm that the voltage
between L and L is safe with a voltage tester and others. Otherwise, an
electric shock may occur. In addition, always confirm from the front of the servo
amplifier whether the charge lamp is off or not.
(1) MR-J3-CR55K(4), MR-J3-DU30KB, MR-J3-DU37KB, MR-J3-DU45KB4 or MR-J3-DU55KB4
Here, the method for removing and reinstalling the terminal block cover using the figure of converter unit as
an example. For a drive unit, the shape of the main unit is different. However, the removal and reinstallation
of the terminal block can be performed in the same procedure.
(a) How to remove the terminal block cover
D)
A)
C)
B)
Remove the installation screws (A), B), C), D)) on
the four corners of the terminal block cover.
Pull the terminal block cover toward you and
remove it.

13 - 14
13. SERVO AMPLIFIERS WITH A LARGE CAPACITY (30k TO 55kW)
(b) How to reinstall the terminal block cover
A)
B)
C)
D)
1)
2) Mounting screw
1) Put the terminal block cover on and match the
screw holes of the cover fit with those of the
main unit.
2) Install the installing screws into the screw holes
(A), B), C), D)).

13 - 15
13. SERVO AMPLIFIERS WITH A LARGE CAPACITY (30k TO 55kW)
(2) MR-J3-DU30KB4 or MR-J3-DU37KB4
(a) Upper terminal block cover
1) How to open
A
)
A)'
Pull up the cover using the axis A), A)' as a
support.
When pulled up to the top, the cover is fixed.

13 - 16
13. SERVO AMPLIFIERS WITH A LARGE CAPACITY (30k TO 55kW)
2) How to close
Setting tab
A)
A)'
Close the cover using the axis A), A)' as a
support.
Setting tab
Press the cover against the terminal box until
the installing knobs click.

13 - 17
13. SERVO AMPLIFIERS WITH A LARGE CAPACITY (30k TO 55kW)
(b) Lower terminal block cover
1) How to open
Hold the bottom of the terminal block cover
with both hands.
B)
B)'
Pull up the cover using the axis B), B)' as a
support.
When pulled up to the top, the cover is fixed.

13 - 18
13. SERVO AMPLIFIERS WITH A LARGE CAPACITY (30k TO 55kW)
2) How to close
Setting tab
Setting tab
Hold the bottom of the terminal block cover
with both hands.
B)
B)'
Close the cover using the axis B), B)' as a
support.
Setting tab
Press the cover against the terminal box until
the installing knobs click.

13 - 19
13. SERVO AMPLIFIERS WITH A LARGE CAPACITY (30k TO 55kW)
13.1.8 Servo system with auxiliary equipment
L
L
BV
BW
BU
L11
L21
L11
RS T
3-phase AC
power supply
MR Configurator
L
(Note 1)
Communication
cable
Drive unit(Note 3)
Converter unit
(MR-J3CDL05M)
Servo motor
HA-LP series
(Note 2)
VUEW
P2
P1
L1
L2
L3
P
C
S
R
L21
L
Magnetic contactor
operation coil
(I/O signal)
Encoder cable
(MR-HSCBL M)
Power factor improving
DC reactor
(MR-DCL K)
P1
P2
L21
L11
Magnetic
contactor(MC)
No-fuse
breaker(NFB)
Line noise
filter(FR-BLF)
No-fuse
breaker(NFB)
Regenerative option
The MR Configurator is required for
parameter setting.
Personal
computer
C
Note 1. The L+ and L- connection conductors used to connect a converter unit to a drive unit are standard accessories. The converter
unit is attached to the drive unit actually. (Refer to section 13.2.1.)
2. The power supply of the servo motor cooling fan differs depending on the capacity of a servo motor. Refer to section 13.3.6.
3. For MR-J3-DU30KB4 or MR-J3-DU37KB4.

13 - 20
13. SERVO AMPLIFIERS WITH A LARGE CAPACITY (30k TO 55kW)
13.2 Installation
CAUTION
Stacking in excess of the limited number of products is not allowed.
Install the equipment to incombustibles. Installing them directly or close to
combustibles will led to a fire.
Install the equipment in a load-bearing place in accordance with this Instruction
Manual.
Do not get on or put heavy load on the equipment to prevent injury.
Use the equipment within the specified environmental condition range. (For the
environmental conditions, refer to section 13.1.3.)
Provide an adequate protection to prevent screws, metallic detritus and other
conductive matter or oil and other combustible matter from entering the converter
unit drive unit.
Do not block the intake/exhaust ports of the converter unit drive unit. Otherwise,
a fault may occur.
Do not subject the converter unit drive unit to drop impact or shock loads as they
are precision equipment.
Do not install or operate a faulty converter unit drive unit.
When the product has been stored for an extended period of time, consult
Mitsubishi.
When treating the converter unit drive unit, be careful about the edged parts
such as the corners of the converter unit drive unit.
POINT
Explanations on the following item are the same as those for servo amplifiers
with 22kW or less. Refer to the section below for details.
Keep out foreign materials Refer to section 2.2.
Cable stress Refer to section 2.3.
SSCNET cable laying Refer to section 2.4.
Parts Having Service Lives Refer to section 2.6.

13 - 21
13. SERVO AMPLIFIERS WITH A LARGE CAPACITY (30k TO 55kW)
13.2.1 Installation direction and clearances
CAUTION
Install the equipment in the specified direction. Not doing so can cause a failure.
Leave the specified clearances between the converter unit/drive unit and the
control box inside walls or other equipment. Not doing so can cause a failure.
(1) Installation
POINT
Make sure to connect a drive unit to the right side of a converter unit as
shown in the diagram.
80mm or
more
Side view
Drive unitConverter unit
Front view
100mm or
more
120mm or more
30mm or
more
30mm or
more
Cooling fan
wind direction
Air
intake
(2) Mounting dimensional diagram
[Unit: mm]
Dimensions
Drive unit model W1 W2 W3 W4 W5 A
MR-J3-DU30KB, 37KB,
45KB4, 55KB4 300 260 20 281 9.5 M6
MR-J3-DU30KB4,
37KB4 240 120 60 222 9 M5
9.5
Converter unit
punched hole
Drive unit
punched hole
4-M6 screw
300
20 260
281
Approx. 9.5
Approx. 20
4-M6 screw
W1
W3 W2
W4
Approx. W5
Approx. W3
W5
(3) Others
When using heat generating equipment such as the regenerative option, install them with full consideration
of heat generation so that the converter unit and drive unit is not affected.
Install the converter unit and drive unit on a perpendicular wall in the correct vertical direction.

13 - 22
13. SERVO AMPLIFIERS WITH A LARGE CAPACITY (30k TO 55kW)
13.2.2 Inspection
WARNING
Before starting maintenance and/or inspection, turn off the power and wait for 20
minutes or more until the charge lamp turns off. Then, confirm that the voltage
between L and L is safe with a voltage tester and others. Otherwise, an
electric shock may occur. In addition, always confirm from the front of the converter
unit whether the charge lamp is off or not.
CAUTION
Any person who is involved in inspection should be fully competent to do the work.
Otherwise, you may get an electric shock. For repair and parts replacement,
contact your safes representative.
POINT
Do not test the converter unit drive unit with a megger (measure insulation
resistance), or it may become faulty.
It is recommended to make the following checks periodically.
1) Check for loose terminal block screws. Retighten any loose screws.
2) Check the servo motor bearings, brake section, etc. for unusual noise.
3) Check the cables and the like for scratches and cracks. Perform periodic inspection according to operating
conditions.
4) Check the servo motor shaft and coupling for misalignment.

13 - 23
13. SERVO AMPLIFIERS WITH A LARGE CAPACITY (30k TO 55kW)
13.3 Signals and wiring
WARNING
Any person who is involved in wiring should be fully competent to do the work.
Before wiring, turn off the power and wait for 20 minutes or more until the charge
lamp turns off. Then, confirm that the voltage between L and L is safe with a
voltage tester and others. Otherwise, an electric shock may occur. In addition,
always confirm from the front of the converter unit whether the charge lamp is off
or not.
Ground the converter unit drive unit and the servo motor securely.
Do not attempt to wire the converter unit drive unit and servo motor until they
have been installed. Otherwise, you may get an electric shock.
The cables should not be damaged, stressed excessively, loaded heavily, or
pinched. Otherwise, you may get an electric shock.
CAUTION
Wire the equipment correctly and securely. Otherwise, the servo motor may
operate unexpectedly, resulting in injury.
Connect cables to correct terminals to prevent a burst, fault, etc.
Ensure that polarity ( , ) is correct. Otherwise, a burst, damage, etc. may occur.
The surge absorbing diode installed to the DC relay designed for control output
should be fitted in the specified direction. Otherwise, the signal is not output due to
a fault, disabling the forced stop (EM1) and other protective circuits.
Converter unit
drive unit
RA
DOCOM
DICOM
Control
output
signal
24VDC
Converter unit
drive unit
Control
output
signal RA
DOCOM
DICOM
24VDC
Use a noise filter, etc. to minimize the influence of electromagnetic interference,
which may be given to electronic equipment used near the converter unit drive
unit.
Do not install a power capacitor, surge suppressor or radio noise filter (FR-BIF-(H)
option) with the power line of the servo motor.
When using the regenerative resistor, switch power off with the alarm signal.
Otherwise, a transistor fault or the like may overheat the regenerative resistor,
causing a fire.
Do not modify the equipment.
During power-on, do not open or close the motor power line. Otherwise, a
malfunction or faulty may occur.

13 - 24
13. SERVO AMPLIFIERS WITH A LARGE CAPACITY (30k TO 55kW)
POINT
Explanations on the following item are the same as those for servo amplifiers
with 22kW or less. Refer to the section below for details.
I/O signal connection example Refer to section 3.2.
Signal (device) explanations Refer to section 3.5.
Interfaces Refer to section 3.7.
Treatment of cable shield external conductor Refer to section 3.8.
SSCNET cable connection Refer to section 3.9.
Grounding Refer to section 3.12.
Control axis selection Refer to section 3.13.
The pins with the same signal name are connected in the drive unit.
13.3.1 Magnetic contactor control connector (CNP1)
WARNING
Always connect the magnetic contactor wiring connector to the converter unit. If
the connector is not connected, an electric shock may occur since CNP1-1 and L11
are always conducting.
By enabling the control function of the magnetic contactor (parameter No.PA02 1 (initial value)), main
circuit power supply can be shut off automatically when an alarm occurs on the converter unit or the drive unit.
Used to select the output of the external magnet contactor drive signal.
0: No used
1: Used (initial value)
1
Parameter No.PA02

13 - 25
13. SERVO AMPLIFIERS WITH A LARGE CAPACITY (30k TO 55kW)
(1) Enabling control function of magnetic contactor (parameter No.PA02 1 (initial value))
Connecting the magnetic contactor control connector (CNP1) to the operating coil of the magnetic contactor
enables to control the magnetic contactor.
Converter unit
L11
L21
Power supply
MC
NFB
1MC1
2MC2
CNP1
Control circuit
power supply
RA3
RA1 RA2 EM1 OFF/ON
SK
Converter
unit trouble
Servo motor
thermal relay
Operation
-ready
Drive unit
trouble
RA4
Controller
forced stop
Forced stop
MC
L1
L2
L3
(Note)
Note. Stepdown transformer is required when coil voltage of the magnetic contactor is 200V class, and the converter unit and the drive
unit are 400V class.
When the converter unit receives a start command from the drive unit while the magnetic contactor control
connector (CNP1) is connected to the magnetic contactor (refer to section 13.3.2 (1)), CNP1-2 and L21
conduct in the converter unit. Then the control circuit power is supplied to turn ON the magnetic contactor
and the main circuit power is supplied to the converter unit.
Either when an alarm occurs on the converter unit or the drive unit while the control function of the magnetic
contactor is enabled, or when the forced stop (EM1) of the converter unit or the drive unit is turned OFF, the
switch between CNP1-2 and L21 in the converter unit is disconnected and the main circuit power supply is
automatically shut off.
To automatically shut off the main circuit power supply by alarm, enable the control function of the magnetic
contactor.
(2) Disabling control function of magnetic contactor (parameter No.PA02 0)
When not connecting the magnetic contactor control connector (CNP1) to the operating coil of the magnetic
contactor, configure the circuit to shut off the main circuit power supply when detecting an alarm since the
main circuit power supply is not automatically shut off even when an alarm occurs on the converter unit or
the drive unit.

13 - 26
13. SERVO AMPLIFIERS WITH A LARGE CAPACITY (30k TO 55kW)
13.3.2 Input power supply circuit
WARNING
Insulate the connections of the power supply terminals. Not doing so can cause an
electric shock.
Magnetic contactor wiring connector on the converter unit CNP1.
Unattached state may cause an electric shock.
CAUTION
Always, connect the magnetic contactor (MC) between the main circuit power
supply and L1, L2, and L3 of the converter unit, and configure to shut off the power
supply on the side of the converter unit power supply. If the magnetic contactor
(MC) is not connected, a large current keeps flowing and may cause a fire when
the converter unit or the drive unit malfunctions.
Use the trouble signal to switch power off. Otherwise, a regenerative transistor
fault or the like may overheat the regenerative resistor, causing a fire.
Connect the power supply phases (U, V, W) of the servo amplifier and servo motor
correctly. Not doing so can cause the servo motor to run abnormally.
Do not connect a 3-phase 200V power supply or a 3-phase 400V power supply
directly to the servo motor. Doing so can cause a failure.
POINT
Magnetic contactor control connector (CNP1) of the converter unit can be
made valid or invalid with parameter No.PA02 of the converter unit. Refer to
section 13.3.1 and 13.3.6 for details of CNP1 and section 13.5 for the
parameter settings.
When using the external dynamic brake, refer to section 11.6 and 13.9.3.

13 - 27
13. SERVO AMPLIFIERS WITH A LARGE CAPACITY (30k TO 55kW)
(1) When magnetic contactor control connector (CNP1) is made valid (factory-set)
POINT
The converter unit controls the main circuit magnetic contactor.
Refer to section 13.3.7 (1) for the power circuit timing chart, section 13.3.7 (2)
for the alarm occurrence timing chart, section 13.3.7 (3) for the forced stop
(EM1) timing chart.
Always connect a protection coordination cable (MR-J3CDL05M) and a
termination connector (MR-J3-TM). When they are not connected properly,
the servo-on may not be turned ON.
For the control power supplies of the converter unit and the drive unit, always
turn ON or OFF at the same time.
(a) 200V class (MR-J3-DU30KB MR-J3-DU37KB)
(Note 4)
Power
supply
Regenerative
option(Note 1)
Regenerative
option(Note 1)
Regenerative
option(Note 1)
MC
(Note 3)
Termination
connector
MR-J3-TM
(Option)
L
L
MR-J3CDL05M
cable
Converter unit Drive unit
L1
L2
L3
L11
L21
NFB
1MC1
2MC2
CN40 CN40A
CN2
Dynamic
brake
(Option)
Servo
motor
thermal
relay
RA3
OHS1
BW
BV
BU
M
OHS2
V
U
W
CN40B
24VDC
power supply
V
U
W
Servo motor
NFB
TE2-2
L
L
TE2-1
C
P1
P2
Power factor improving
DC reactor (Option)
(Note 2)
L11
L21
G4G3
PC
G4G3
PC
SR
G4
G3
PC
Cooling fan Cooling fan Cooling fan
SRSR
CNP1 CN1
1DICOM
5DOCOM
6DICOM
RA22ALM
7EM1
9DOCOM
CN3
EM1
3
20
SDPlate
DICOM
10
ALM15
DOCOM
5DICOM
RA1
RA3RA1 RA2 EM1 OFF/ON
SK
Converter
unit
Motor
thermal relay
Operation
-ready
Drive
unit
RA4
Controller
forced stop
(Note 3)
Forced stop
MC
Cooling fan
Encoder cable
(Note 3)
24VDC
24VDC
3-phase
200 to 230VAC
50/60Hz
Encoder
Note 1. For the MR-RB137. For the MR-RB137, three units are used as one set (permissible wattage: 3900W).
2. When using the Power factor improving DC reactor, disconnect the short bar across P1-P2.
3. Make up a sequence that turns off the drive unit forced stop (EM1) and the converter unit forced stop (EM1) at the same time.
4. For specifications of cooling fan power supply, refer to section 13.3.8.

13 - 28
13. SERVO AMPLIFIERS WITH A LARGE CAPACITY (30k TO 55kW)
(b) 400V class (MR-J3-DU30KB4 to MR-J3-DU55KB4)
Termination
connector
MR-J3-TM
(Option)
L
L
Encoder cable
Converter unit Drive unit
MC
L1
L2
L3
L11
L21
NFB
3-phase
380 to 480VAC
50/60Hz
1MC1
2MC2
CN40 CN40A
CN2
Servo motor
thermal relay
RA3
OHS1
BW
BV
BU
M
OHS2
Encoder
V
U
W
CN40B
24VDC
power supply
V
U
W
Servo motor
NFB
(Note 5)
Power
supply
TE2-2
L
L
TE2-1
C
P1
P2
Power factor improving
DC reactor (Option)
(Note 2)
L11
L21
G4G3
PC
G4G3
PC
S400R400
G4
G3
PC
Regenerative
option(Note 1)
S400R400 S400R400
CNP1
CN1
1DICOM
5DOCOM
6DICOM
RA22ALM
7EM1
9DOCOM
CN3
EM1
3
20
SDPlate
DICOM
10
ALM15
DOCOM
5DICOM
RA1
Regenerative
option(Note 1)
Regenerative
option(Note 1)
RA1 RA2 RA3
Converter
unit
Motor
thermal relay
Operation
-ready
Drive
unit
EM1 OFF/ON
SK
RA4
Controller
forced stop
MC
(Note 3)
Forced stop
(Note 3)
(Note 3)
Cooling fan Cooling fan Cooling fan
Cooling fan
(Note 4)
Stepdown
transformer
MR-J3CDL05M
cable
24VDC
Dynamic
brake
(Option)
Dynamic
brake
(Option)
24VDC
Note 1. For the MR-RB138-4. For the MR-RB138-4, three units are used as one set (permissible wattage: 3900W).
2. When using the Power factor improving DC reactor, disconnect the short bar across P1-P2.
3. Make up a sequence that turns off the drive unit forced stop (EM1) and the converter unit forced stop (EM1) at the same time.
4. Stepdown transformer is required for coil voltage of magnetic contactor more than 200V class.
5. For specifications of cooling fan power supply, refer to section 13.3.8.

13 - 29
13. SERVO AMPLIFIERS WITH A LARGE CAPACITY (30k TO 55kW)
(2) When magnetic contactor control connector (CNP1) is made invalid
POINT
The converter unit controls the main circuit magnetic contactor.
When making CNP1 invalid, set "0000" in parameter No.PA02.
(Refer to section 13.5.)
Always connect a protection coordination cable (MR-J3CDL05M) and a
termination connector (MR-J3-TM). When they are not connected properly,
the servo-on may not be turned ON.
For the control power supplies of the converter unit and the drive unit, always
turn ON or OFF at the same time.
(a) 200V class (MR-J3-DU30KB MR-J3-DU37KB)
(Note 5)
Power
supply
Regenerative
option(Note 1)
Regenerative
option(Note 1)
Regenerative
option(Note 1)
MC
(Note 3)
Termination
connector
MR-J3-TM
(Option)
L
L
MR-J3CDL05M
cable
Converter unit Drive unit
L1
L2
L3
L11
L21
NFB
1MC1
2MC2
CN40 CN40A
CN2
Dynamic
brake
(Option)
Servo
motor
thermal
relay
OHS1
BW
BV
BU
M
OHS2
V
U
W
CN40B
24VDC
power supply
V
U
W
Servo motor
NFB
TE2-2
L
L
TE2-1
C
P1
P2
Power factor improving
DC reactor (Option)
(Note 2)
L11
L21
G4G3
PC
G4G3
PC
SR
G4G3
PC
Cooling fan Cooling fan Cooling fan
SRSR
CNP1 CN1
1DICOM
5DOCOM
6DICOM
RA22ALM
7EM1
9DOCOM
CN3
EM1
3
20
SDPlate
DICOM
10
ALM15
DOCOM
5DICOM
RA1
RA3RA1 RA2 EM1
SK
Converter
unit
Motor
thermal relay
Operation
-ready
Drive
unit
RA4
Controller
forced stop
(Note 3)
Forced stop
MC
Cooling fan
Encoder cable
(Note 3)
24VDC
24VDC
3-phase
200 to 230VAC
50/60Hz
Encoder
OFF ON
MC
MC
SK
(Note 4)
RA3
Note 1. For the MR-RB137. For the MR-RB137, three units are used as one set (permissible wattage: 3900W).
2. When using the Power factor improving DC reactor, disconnect the short bar across P1-P2.
3. Make up a sequence that turns off the drive unit forced stop (EM1) and the converter unit forced stop (EM1) at the same time.
4. Attach connector for magnetic contactor control (CNP1) on the converter unit. Unattached state may cause an electric shock.
5. For specifications of cooling fan power supply, refer to section 13.3.8.

13 - 30
13. SERVO AMPLIFIERS WITH A LARGE CAPACITY (30k TO 55kW)
(b) 400V class (MR-J3-DU30KB4 to MR-J3-DU55KB4)
3-phase
380 to 480VAC
50/60Hz
(Note 6)
Power
supply
S400R400S400R400 S400R400
MR-J3CDL05M
cable
Termination
connector
MR-J3-TM
(Option)
L
L
Encoder cable
Converter unit Drive unit
MC
L1
L2
L3
L11
L21
NFB
1MC1
2MC2
CN40 CN40A
CN2
Dynamic
brake
(Option)
Servo motor
thermal relay
RA3
OHS1
BW
BV
BU
M
OHS2
Encoder
V
U
W
CN40B
24VDC
power supply
V
U
W
Servo motor
NFB
TE2-2
L
L
TE2-1
C
P1
P2
(Note 2)
L11
L21
G4G3
PC
G4G3
PC
G4G3
PC
Regenerative
option(Note 1)
CNP1
CN1
1DICOM
5DOCOM
6DICOM
RA22ALM
7EM1
9DOCOM
CN3
EM1
3
20
SDPlate
DICOM
10
ALM15
DOCOM
5DICOM
RA1
Regenerative
option(Note 1)
Regenerative
option(Note 1)
(Note 3)
(Note 3)
Cooling fan Cooling fan Cooling fan
Cooling fan
RA1 RA2 RA3
Converter
unit
Motor
thermal relay
Operation
-ready
Drive
unit
EM1
SK
RA4
Controller
forced stop
MC
(Note 3)
Forced stop
OFF ON
MC
(Note 5)
Power factor improving
DC reactor (Option)
24VDC
24VDC
(Note 4)
Stepdown
transformer
Note 1. For the MR-RB138-4. For the MR-RB138-4, three units are used as one set (permissible wattage: 3900W).
2. When using the Power factor improving DC reactor, disconnect the short bar across P1-P2.
3. Make up a sequence that turns off the drive unit forced stop (EM1) and the converter unit forced stop (EM1) at the same time.
4. Stepdown transformer is required for coil voltage of magnetic contactor more than 200V class.
5. Attach connector for magnetic contactor wiring on the converter unit. Unattached state may cause an electric shock.
6. For specifications of cooling fan power supply, refer to section 13.3.8.

13 - 31
13. SERVO AMPLIFIERS WITH A LARGE CAPACITY (30k TO 55kW)
13.3.3 Terminal
Refer to section 13.7 for the terminal block arrangement and signal layout.
(1) Converter unit
Description Connection target
(Application) Abbreviation (Note)
Terminal block MR-J3-CR55K MR-J3-CR55K4
Main circuit power supply L1L2L3 TE1-1
Connect 3-phase 200 to
230VAC, 50/60Hz to L1, L2, L3.
Connect 3-phase 380 to
480VAC, 50/60Hz to L1, L2, L3.
Control circuit power supply L11 L21 TE3
Connect 1-phase 200 to
230VAC, 50/60Hz.
Connect 1-phase 380 to
480VAC, 50/60Hz.
Power factor improving
DC reactor P1P2 TE1-2
When using the power factor improving DC reactor, connect it after
removing the connection plate across P1-P2.
Regenerative brake P2C TE1-2 Connect to the P2 and C terminals of the regenerative option.
DC link L L TE2-2
Connect to the L , L terminals of the drive unit.
Use the connection bar, which is supplied with the drive unit, to
connect.
Grounding PE
Connect this terminal to the protective earth (PE) terminals of the
servo motor and control box for grounding.
Note. The permissible tension applied to any of the terminal blocks TE1-1, TE1-2, TE2-2 is 350[N].
(2) Drive unit
Description
Connection target
(Application) Abbreviation (Note)
Terminal block MR-J3-DU30KB
MR-J3-DU37KB
MR-J3-DU30KB4 to
MR-J3-DU55KB4
Control circuit power supply L11 L21 TE3
Connect 1-phase 200 to
230VAC, 50/60Hz.
Connect 1-phase 380 to
480VAC, 50/60Hz.
LL power supply input L L TE2-1
Connect to the L and L terminals of the converter unit.
Use the connection bar, which is supplied with the drive unit, to
connect.
Servo motor power U VW TE1A Connect to the servo motor power terminals (U, V, W).
Grounding PE
Connect this terminal to the protective earth (PE) terminals of the
servo motor and control box for grounding.
Note. The permissible tension applied to any of the terminal blocks TE1, TE2-1 is 350[N].

13 - 32
13. SERVO AMPLIFIERS WITH A LARGE CAPACITY (30k TO 55kW)
13.3.4 How to use the connection bars
Make sure to use the supplied connection conductors and connect the L and L of the drive unit to those of
the converter unit as shown below. Never use connection conductors other than the ones supplied with the
drive unit. Both units are shown without the front covers.
L
L
L
L
Connection
conductors
Drive unitConverter unit

13 - 33
13. SERVO AMPLIFIERS WITH A LARGE CAPACITY (30k TO 55kW)
13.3.5 Connectors and signal arrangements
POINT
The pin configurations of the connectors are as viewed from the cable
connector wiring section.
(1) Converter unit
CN6 Leave this open.
CN40 Connect to CN40A of the
drive unit.
CN3 Leave this open.
CHARGE
CNP1 CN1
CN1 (Digital I/O connector)
Model: 17JE-23090-02 (D8A) K11-CG (D-sub 9 pin or
equivalent)
(DDK)
DICOM
WNG
9
DOCOM
5
2
4
6
7
3
1
8
DOCOM
EM1
DICOM
ALM
CNP1 (Magnetic contactor wiring connector)
Model: GFKC 2.5/2-STF-7.62
(Phoenix Contact)
1
MC1
2
MC2

13 - 34
13. SERVO AMPLIFIERS WITH A LARGE CAPACITY (30k TO 55kW)
(2) Drive unit
The drive unit front view shown is that of the MR-J3-DU30KB4, MR-J3-DU37KB4 or less. Refer to section
13.7 Outline Drawings for the appearances and connector layouts of the MR-J3-DU30KB, MR-J3-DU37KB,
MR-J3-DU45KB4, MR-J3-DU55KB4.
The frames of the CN2 and CN3 connectors are
connected to the PE (earth) terminal in the amplifier.
Connector for the front axis of
CN1A SSCNET cable.
Connector for the rear axis of
CN1B SSCNET cable.
CN3 (I/O signal connector)
Refer to section 3.4.
CN5 (USB connector)
Refer to section 11.8.
CN2 (Encoder connector)
Refer to section 3.4.

13 - 35
13. SERVO AMPLIFIERS WITH A LARGE CAPACITY (30k TO 55kW)
13.3.6 Converter unit signal (device) explanations
POINT
Explanations on the drive unit signals are the same as those for servo
amplifiers with 22kW or less. Refer to section 3.5.
(1) Signals
For the I/O interfaces (symbols in I/O column in the table), refer to (b) of this section.
Signal name Pin code Pin No. Function/Application I/O
division
Digital I/F power
supply input
DICOM CN1-1
CN1-6
Used to input 24VDC (24VDC 10% 150mA) for I/O interface. The power supply
capacity changes depending on the number of I/O interface points to be used.
For the source interface, connect of 24VDC external power supply.
Forced stop EM1 CN1-7 Turn EM1 off to bring the motor to a forced stop state, in which the magnetic
connector is turned off and the servo-off signal is output to the drive unit.
Turn EM1 on in the forced stop state to reset that state.
DI
Trouble ALM CN1-2 ALM turns off when power is switched off or the protective circuit is activated.
Without alarm occurring, ALM turns on within about 1.5s after power-on.
DO
Warning WNG CN1-8 When warning has occurred, WNG turns on. DO
Digital I/F common DOCOM CN1-5
CN1-9
Common terminal for the ALM and WNG output signals of the converter unit.
Separated from LG.
Pins are connected internally. For the source interface, connect of 24VDC
external power supply.
Magnetic contactor
drive output
MC1 CNP1-1 Connect to the operation coil of the magnetic contactor. Always supplies the
control circuit power since it is conducted with L11 in the converter unit.
WARNING
Magnetic contactor wiring
connector on the converter unit.
Connected state may cause an
electric shock.
MC2 CNP1-2
(Note)
Connect to the operation coil of the magnetic contactor. When the converter unit
receives a start command from the drive unit, it is conducted with L21 inside, the
control circuit power is supplied, and then the magnetic contactor is turned ON.
Change parameter No.PA02 setting to “ 0” when controlling without
magnetic contactor control connector (CNP1). (Refer to section 13.3.1.)

13 - 36
13. SERVO AMPLIFIERS WITH A LARGE CAPACITY (30k TO 55kW)
(2) I/O interfaces
(a) Digital input interface (DI)
Give a signal with a relay or open collector transistor. Refer to section 3.7.3 for the source input.
EM1
Converter unit
Switch
Approx. 5mA
For transistor
DICOM
VCES 1.0V
ICEO 100 A
TR
24VDC 10
150mA
5.6k
(b) Digital output interface (DO)
A lamp, relay or photocoupler can be driven. Install a diode for an inductive load, or install an inrush
current suppressing resistor for a lamp load. (Permissible current: 40mA or less, inrush current: 100mA
or less) A maximum of 2.6V voltage drop occurs in the servo amplifier.
Refer to section 3.7.3 for the source output.
Converter unit
ALM,
etc.
Load
DOCOM
24VDC 10
150mA
If polarity of diode is
reversed, converter
unit will fail.
(Note)
Note. If the voltage drop (maximum of 2.6V) interferes with the relay operation, apply high
voltage (up to 26.4V) from external source.

13 - 37
13. SERVO AMPLIFIERS WITH A LARGE CAPACITY (30k TO 55kW)
13.3.7 Timing chart
(1) Power circuit timing chart
Power-on procedure
(a) Always wire the power supply as shown in above section 13.3.2 using the magnetic contactor with the
main circuit power supply (3-phase: L1, L2, L3). Configure up an external sequence to switch off the
magnetic contactor as soon as an alarm occurs.
(b) Switch on the control circuit power supply L11, L21 simultaneously with the main circuit power supply or
before switching on the main circuit power supply. If the main circuit power supply is not on, the display
shows the corresponding warning. However, by switching on the main circuit power supply, the warning
disappears and the drive unit will operate properly.
1) When control function of magnetic contactor is enabled and the status remains at ready on
The main circuit power is not shut off with servo off.
ON
OFF
Main circuit
power supply
ON
OFF
Servo on command
(from controller)
ON
OFF
Base circuit
ON
OFF
Converter unit control
power supply
ON
OFF
Drive unit control
power supply
(Note 1)
Electromagnetic
brake interlock (MBR)
0r/min
Servo motor speed
0r/min
Position command
(Note 4)
Release
Activate
Electromagnetic
brake
(95ms)
(3s) (Note 5)
Tb
Coasting
Electromagnetic
brake operation
delay time
(Note 3)
Release delay time and external relay (Note 2)
ON
OFF
Release delay
time and external
relay (Note 2)
Note 1. ON: Electromagnetic brake is not activated.
OFF: Electromagnetic brake is activated
2. Electromagnetic brake is released after delaying for the release time of electromagnetic brake and operation time of
external circuit relay. For the release delay time of electromagnetic brake, refer to the Servo Motor Instruction Manual
(Vol.2).
3. Make the controller execute the position command after the electromagnetic brake is released.
4. In position control mode
5. “Tb” refers to a delay time when the electromagnetic brake interlock (MBR) is turned off until when the base circuit is shut
off at servo-off. Set Tb using parameter No.PC02.

13 - 38
13. SERVO AMPLIFIERS WITH A LARGE CAPACITY (30k TO 55kW)
2) When control function of magnetic contactor is enabled and the status returns to ready off
The magnetic contactor of the converter unit is turned off with servo off, and the main circuit magnetic
contactor is shut off.
(3s)
(3s)
(Note 3)
ON
OFF
Main circuit
power supply
ON
OFF
Servo on command
(from controller)
ON
OFF
Base circuit
ON
OFF
Converter unit control
power supply
ON
OFF
Drive unit control
power supply
(Note 1)
Electromagnetic
brake interlock (MBR)
0r/min
Servo motor speed
0r/min
Position command
(Note 4)
Release
Activate
Electromagnetic
brake
Coasting
Electromagnetic
brake operation
delay time
ON
OFF
Release delay
time and external
relay (Note 2)
Release delay time and external relay (Note 2)
Note 1. ON: Electromagnetic brake is not activated.
OFF: Electromagnetic brake is activated
2. Electromagnetic brake is released after delaying for the release time of electromagnetic brake and operation time of
external circuit relay. For the release delay time of electromagnetic brake, refer to the Servo Motor Instruction Manual
(Vol.2).
3. Make the controller execute the position command after the electromagnetic brake is released.
4. In position control mode

13 - 39
13. SERVO AMPLIFIERS WITH A LARGE CAPACITY (30k TO 55kW)
3) When controlling magnetic contactor by external sequence
When an alarm occurs, turn OFF the magnetic contactor by the external sequence and shut off the
main circuit power supply.
(95ms)
(3s) (Note 5, 6)
Tb
(Note 3)
0r/min
Coasting
Electromagnetic
brake operation
delay time
Release delay time and external relay (Note 2)
ON
OFF
Main circuit
power supply
ON
OFF
Servo on command
(from controller)
ON
OFF
Base circuit
ON
OFF
Converter unit control
power supply
ON
OFF
Drive unit control
power supply
(Note 1)
Electromagnetic
brake interlock (MBR)
Servo motor speed
0r/min
Position command
(Note 4)
Release
Activate
Electromagnetic
brake
ON
OFF
Release delay
time and external
relay (Note 2)
Note 1. ON: Electromagnetic brake is not activated.
OFF: Electromagnetic brake is activated
2. Electromagnetic brake is released after delaying for the release time of electromagnetic brake and operation time of
external circuit relay. For the release delay time of electromagnetic brake, refer to the Servo Motor Instruction Manual
(Vol.2).
3. Make the controller execute the position command after the electromagnetic brake is released.
4. In position control mode
5. “Tb” refers to a delay time when the electromagnetic brake interlock (MBR) is turned off until when the base circuit is shut
off at servo-off. Set Tb using parameter No.PC02.
6. When turning OFF servo amplifiers, the base circuit remains ready on state. When the status is ready off, the base circuit
and the servo-on command turns OFF at the same time. (Tb=0)

13 - 40
13. SERVO AMPLIFIERS WITH A LARGE CAPACITY (30k TO 55kW)
(2) Alarm occurrence timing chart
CAUTION
When an alarm has occurred, remove its cause, make sure that the operation
signal is not being input, ensure safety, and reset the alarm before restarting
operation.
As soon as an alarm occurs, make the Servo off status and interrupt the main
circuit power.
(a) When control function of magnetic contactor is enabled
1) Converter unit
When an alarm occurs in the converter unit, the magnetic contactor is turned off and the main circuit
magnetic contactor is shut off. The drive unit in operation stops. To deactivate the alarm, turn the
control circuit power off, then on or request the operation from the driver unit. However, the alarm
cannot be deactivated unless its cause is removed.
b)
Converter unit control
power supply
Drive unit control
power supply
Main circuit
power supply
ON
OFF
ON
OFF
ON
OFF
ON
OFF
ON
OFF
ON
OFF
Servo-on command
(from controller)
Drive unit alarm
Reset command
(from controller)
Base circuit
OFFONOFF
1.5s
50ms or more
Converter unit alarm OFFOFF ON OFF
(3s) (3s)
a) d)
Alarm occurrence
ON
Alarm occurrence
c)
a) in Figure
b) c) in Figure
d) in Figure
Even if an alarm occurs in the converter when the drive unit is at servo off, the
drive unit does not detect the alarm.
To deactivate the alarm of the converter unit, turn the power of the converter unit
off, and then on (b)) or make the drive unit servo on (c)). (Refer to section 13.6.1.)
If an alarm occurs in the converter when the drive unit is at servo on, the alarm
also occurs in the drive unit and the drive unit becomes servo off.

13 - 41
13. SERVO AMPLIFIERS WITH A LARGE CAPACITY (30k TO 55kW)
2) Drive unit
When an alarm occurs on the drive unit, the base circuit is shut off and the servo motor coasts. When
using a dynamic brake (option), the dynamic brake is activated to stop the servo motor. To deactivate
the alarm, power the control circuit off, then on, turn the reset (RES) on or CPU reset command.
However, the alarm cannot be deactivated unless its cause is removed.
50ms or more
Converter unit control
power supply
Drive unit control
power supply
Main circuit
power supply
ON
OFF
ON
OFF
ON
OFF
ON
OFF
ON
OFF
ON
OFF
Servo-on command
(from controller)
Drive unit alarm
Reset command
(from controller)
Base circuit
OFFONOFF
1.5s
Converter unit alarm
(3s) (3s)
Alarm occurrence
OFF
a) a)
a) in Figure After completing to start the drive unit, the main circuit power is supplied while the
drive unit and the converter unit have no alarms.

13 - 42
13. SERVO AMPLIFIERS WITH A LARGE CAPACITY (30k TO 55kW)
(b) When controlling magnetic contactor by external sequence
1) Converter unit
When an alarm occurs on the converter unit, the servo-on turns OFF; however, the main circuit power
supply is not shut off. Therefore, shut off the main circuit power supply by the external sequence.
After cancelling the alarm on the converter unit (when an alarm is also occurring on the drive unit
after cancelling the alarm on the drive unit as well), turning ON the reset command enables to
operate again.
b)
Converter unit control
power supply
Drive unit control
power supply
Main circuit
power supply
ON
OFF
ON
OFF
ON
OFF
ON
OFF
ON
OFF
Servo-on command
(from controller)
Drive unit alarm
Reset command
(from controller)
Base circuit
OFFONOFF
1.5s
50ms or more
Converter unit alarm OFFOFF ON OFF
(3s) (3s)
a) d)
Alarm occurrence
ON
Alarm occurrence
c)
ON
OFF
e)
a) in Figure
b) c) in Figure
d) in Figure
e) in Figure
Even if an alarm occurs in the converter when the drive unit is at servo off, the
drive unit does not detect the alarm.
To deactivate the alarm of the converter unit, turn the power of the converter unit
off, and then on (b)) or make the drive unit servo on (c)). (Refer to section 13.6.1.)
If an alarm occurs in the converter unit when the drive unit is at servo on, the
alarm also occurs in the drive unit and the drive unit becomes servo off.
Shut off the main circuit power supply by the external sequence as soon as an
alarm occurs.

13 - 43
13. SERVO AMPLIFIERS WITH A LARGE CAPACITY (30k TO 55kW)
2) Drive unit
When an alarm occurs in the drive unit, the drive unit turns into the servo off but the main circuit
power supply is not shut off. Therefore, shut off the main circuit power supply using the external
sequence. Operation can be resumed by turning the reset (RES) ON after the alarm is deactivated in
the drive unit.
OFFONOFF
1.5s
50ms or more
OFF
(3s) (3s)
Alarm occurrence
Converter unit control
power supply
Drive unit control
power supply
Main circuit
power supply
ON
OFF
ON
OFF
ON
OFF
ON
OFF
ON
OFF
ON
OFF
Servo-on command
(from controller)
Drive unit alarm
Reset command
(from controller)
Base circuit
Converter unit alarm
a) b)
a) in Figure
b) in Figure
When an alarm occurs on the drive unit, shut off the main circuit power supply by
the external sequence.
Turn ON the main circuit power supply while an alarm of the drive unit is
cancelled.

13 - 44
13. SERVO AMPLIFIERS WITH A LARGE CAPACITY (30k TO 55kW)
(3) Forced stop (EM1) ON/OFF timing chart
(a) When control function of magnetic controller is enabled
1) Converter unit
When the forced stop (EM1) is made valid in the converter unit, the magnetic contactor is turned off
and the main circuit power supply is shut off. The drive unit in operation stops, and Main circuit off
warning (E9) appears. When the forced stop (EM1) is deactivated in the converter unit, the magnetic
contactor is turned on, the main circuit power is supplied, and then the drive unit automatically
resumes the operation.
(3s)
Electromagnetic brake
interlock (MBR)
(10ms) (3s)
(3s)
ON
OFF
Base circuit
ON
OFF
Servo motor speed
Converter main circuit
off warning
ON
OFF
Main circuit
power supply
ON
OFF
Forced stop (EM1)
Invalid (ON)
Valid (OFF)
Dynamic brake
Dynamic brake
Electromagnetic brake
Electromagnetic brake
Electromagnetic brake
operation delay time
Electromagnetic brake release
(Note)
Note. ON: Electromagnetic brake is not activated.
OFF: Electromagnetic brake is activated

13 - 45
13. SERVO AMPLIFIERS WITH A LARGE CAPACITY (30k TO 55kW)
2) When CNP1 is invalid
When the forced stop (EM1) is input in the converter unit, the drive unit in operation stops and Main
circuit off warning (E9) appears. When the forced stop (EM1) is deactivated in the converter unit, the
drive unit automatically resumes the operation.
(3s)
(3s)
(3s)
Electromagnetic brake
interlock (MBR)
(10ms)
ON
OFF
Base circuit
ON
OFF
Servo motor speed
Converter main circuit
off warning
ON
OFF
Main circuit
power supply
ON
OFF
Forced stop (EM1)
Invalid (ON)
Valid (OFF)
Dynamic brake
Dynamic brake
Electromagnetic brake
Electromagnetic brake
Electromagnetic brake
operation delay time
Electromagnetic brake release
(Note)
Note. ON: Electromagnetic brake is not activated.
OFF: Electromagnetic brake is activated

13 - 46
13. SERVO AMPLIFIERS WITH A LARGE CAPACITY (30k TO 55kW)
(b) Forced stop in the drive unit
When the forced stop (EM1) is made valid in the drive unit, the drive unit in operation stops, Main circuit
off warning (E9) appears, and then the drive unit is forcedly stopped. Configure to activate the forced
stop (EM1) of the drive unit as the forced stop (EM1) of the converter unit is activated, and to activate
the forced stop (EM1) of the converter unit as the forced stop (EM1) of the drive unit is activated. Shut
off the power supply by the external sequence as soon as the forced stop (EM1) is activated.
Electromagnetic brake
interlock (MBR)
(10ms) (3s)
(3s)
Invalid (ON)
Valid (OFF)
Base circuit
ON
OFF
Servo motor speed
Forced stop command
(from controller) or
forced stop (EM1)
ON
OFF
Main circuit
power supply
ON
OFF
Dynamic brake
Dynamic brake
Electromagnetic brake
Electromagnetic brake
Electromagnetic brake
operation delay time
Electromagnetic brake release
(Note)
Note. ON: Electromagnetic brake is not activated.
OFF: Electromagnetic brake is activated

13 - 47
13. SERVO AMPLIFIERS WITH A LARGE CAPACITY (30k TO 55kW)
13.3.8 Servo motor side details
Encoder connector signal arrangement
CM10-R10P
Terminal
No. Signal
1 MR
2 MRR
3
4 BAT
5 LG
6
7
8 P5
9
Terminal box Encoder connector
CM10-R10P
5
6
1
4
3
2
8
7
9
10
10 SHD
HA-LP30K1M4 HA-LP30K24
HA-LP37K24
HA-LP30K1
HA-LP37K1
HA-LP30K1M
HA-LP37K1M
HA-LP30K2
HA-LP37K2
HA-LP25K14
HA-LP30K14
HA-LP37K14
HA-LP37K1M4
HA-LP45K1M4
HA-LP50K1M4
HA-LP45K24
HA-LP55K24
Motor power
supply terminal
block screw size
M8 M10
Earth screw size M6 M6
CM10-R10P
Encoder connector
UVW
Earth terminal M6 screw
Motor power supply
terminal block
(U V W) M8 screw
Cooling fan
terminal block
(BU BV BW)
M4 screw
Thermal sensor
terminal block
(OHS1 OHS2)
M4 screw
UVW
BU BV BW OHS1OHS2
Terminal block signal arrangement

13 - 48
13. SERVO AMPLIFIERS WITH A LARGE CAPACITY (30k TO 55kW)
Signal name Abbreviation Description
Servo motor
power supply UVW
Connect to the motor power terminals (U, V, W) of the drive unit. During power-on, do not
open or close the motor power line.
Otherwise, a malfunction or faulty may occur.
Supply power which satisfies the following specifications.
Servo motor
Voltage
division
Voltage/
frequency
Power
consumption
[W]
Rated
current
[A]
HA-LP30K1M, 30K2,
37K2
200V
class
3-phase 200 to 230VAC
50Hz/60Hz
65(50Hz)
85(60Hz)
0.20(50Hz)
0.22(60Hz)
HA-LP30K1, 37K1,
37K1M
120(50Hz)
175(60Hz)
0.65(50Hz)
0.80(60Hz)
HA-LP30K1M4,
30K24, 37K24
400V
class
65(50Hz)
85(60Hz)
0.12(50Hz)
0.14(60Hz)
HA-LP30K14, 37K14,
37K1M4, 45K1M4,
50K1M4, 45K24,
55K24
3-phase 380 to 460VAC
50Hz
3-phase 380 to 480VAC
60Hz
110(50Hz)
150(60Hz)
0.20(50Hz)
0.22(60Hz)
Cooling fan BU BV BW
Motor thermal relay OHS1 OHS2
OHS1-OHS2 are opened when heat is generated to an abnormal temperature.
Maximum rating: 125V AC/DC, 3A or 250V AC/DC, 2A
Minimum rating: 6V AC/DC, 0.15A
Earth terminal For grounding, connect to the earth of the control box via the earth terminal of the drive unit.

13 - 49
13. SERVO AMPLIFIERS WITH A LARGE CAPACITY (30k TO 55kW)
13.4 Display section and operation section of the converter unit
13.4.1 Display flowchart
Use the display (3-dight, 7-segment LED) on the front panel of the converter unit for status display, parameter
setting, etc. Set the parameters before operation, diagnose an alarm, confirm external sequences, and/or
confirm the operation status.
Press the MODE, UP or DOWN button once to move the next screen.
Current alarm
Sixth alarm in
past
Status display
UP
MODE
Button
Alarm Basic parameters
Effective load
ratio [%]
Peak load ratio
[%]
Bus voltage
[V]
First alarm in
past
Parameter
No.PA02
Parameter
No.PA01
Parameter error
No.
Parameter
No.PA19
Parameter
No.PA18
External I/O
signal display
Output signal
forced output
Diagnosis
Software version
high
Software version
low
Regenerative load
ratio [%]
Status
(Note)
(Note)
(Note)
(Note)
DOWN
Note. When parameter is selected, parameter group and parameter No. are displayed
alternately. Refer to section 13.4.5 for details.

13 - 50
13. SERVO AMPLIFIERS WITH A LARGE CAPACITY (30k TO 55kW)
13.4.2 Status display mode
The servo status during operation is shown on the 3-digit, 7-segment LED display. Press the "UP" or "DOWN"
button to change display data as desired.
When the required data is selected, the corresponding symbol is displayed. Press the "SET" button to display
that data.
The converter unit display section can show four items of data such as the effective load factor.
(1) Display examples
The following table shows the display examples.
Item Status Display
Ready off
Status
Ready on
Bus voltage 300[V]
Effective load ratio 67[%]
Peak load ratio 95[%]
Regenerative load ratio 90[%]
(2) Status display list
The following table lists the converter unit statuses that may be displayed.
Status display Symbol Unit Description Indication
range
Ready
off The ready off is displayed during initialization or alarm occurrence, in the
forced stop status, or when the bus voltage is not established. roF
Status Ready
on The ready on is displayed when the servo was switched on after completion
of initialization and the servo amplifier is ready to operate. ron
Bus voltage d V The converter unit voltage is displayed. 0 to 999
Effective load
ratio J %
Continuous effective load torque is displayed. (Note)
The effective value in the past 15 seconds is displayed relative to the rated
current of 100%.
0 to 300
Peak load ratio b %
The peak output is displayed. (Note)
The peak value in the past 15 seconds is displayed relative to the rated
torque of 100%.
0 to 400
Regenerative
load ratio L %
The percentage of regenerative power to the permissible regenerative value
is displayed. 0 to 300
Note. Output = converter unit bus voltage output current

13 - 51
13. SERVO AMPLIFIERS WITH A LARGE CAPACITY (30k TO 55kW)
13.4.3 Diagnostic mode
(1) Diagnostic list
Name Display Unit
Not ready.
Initializing.
An alarm occurred.
External forced stop status.
Bus voltage is not established.
Sequence
Ready
Indicates that the servo was switched on after completion of
initialization and the drive unit is ready to operate.
External I/O signal display
Indicates the ON/OFF status of external I/O signal.
Lit : ON
Extinguished: OFF
For details, refer to (2) of this section.
Output signal forced output
Allows external I/O signal to be switched on/off forcibly. For
details, refer to (3) of this section.
Software version low
Indicates the version of the software.
Software version high
Indicates the system number of the software.
(2) External I/O signal display
The ON/OFF states of the digital I/O signals connected to the converter unit can be confirmed.
(a) Operation
Call the display screen shown after power-on. Using the "MODE" button, show the diagnostic screen.
External I/O signal display screen
Press MODE once.

13 - 52
13. SERVO AMPLIFIERS WITH A LARGE CAPACITY (30k TO 55kW)
(b) Display definition
The 7-segment LED segments and CN1 connector pins correspond as shown below.
Lit: ON
Extinguished: OFF
Input signals
Output signals
CN1-7: Forced stop (EM1)
CN1-8:
Warning (WNG)
CN-2:
Trouble (ALM)
The LED segment corresponding to the pin is lit to indicate ON, and is extinguished to indicate OFF.
(3) Output signal forced output
You can force the output signal to be switched on/off, independently of the converter status.
This function is used for wiring check of output signal.
When turning CN1-8 on and off
External I/O signal display screen
Press SET for more than 2 seconds.
CN1-8
CN1-8 CN1-2
Press MODE once.
Press UP once.
The signal under the lit LED is switched on/off.
Indicates ON/OFF of the trouble (ALM) signal. (Lit: ON, extinguished: OFF)
Press MODE once.
The lit LED moves to the upper LED of CN1-8.
Press UP once.
CN1-8 switches on. (WNG-DOCOM are connected.)
Press DOWN once.
CN1-8 switches off.
Press SET for more than 2 seconds.
Call the display screen shown after power-on.

13 - 53
13. SERVO AMPLIFIERS WITH A LARGE CAPACITY (30k TO 55kW)
13.4.4 Alarm mode
The current alarm, parameter error and point table error are displayed.
The lower 2 digits on the display indicate the alarm number that has occurred or the parameter number in error.
Display example are shown below.
Name Display Description
Indicates on occurrence of an alarm.
Current alarm
Indicates that overvoltage (A.33) occurred.
Flickers at alarm occurrence.
Indicates that the last alarm is overload (A.50).
Indicates that the second alarm in the past is overvoltage
(A.33).
Indicates that the third alarm in the past is undervoltage (A.10).
Alarm history
Indicates that the fourth alarm in the past is undervoltage
(A.10).
Indicates that the fifth alarm in the past is undervoltage (A.10).
Indicates that the sixth alarm in the past is overload (A.50).
Indicates no occurrence of parameter error (A.37).
Parameter error No.
Displayed
alternately
Indicates that the data of parameter No.PA01 is faulty.

13 - 54
13. SERVO AMPLIFIERS WITH A LARGE CAPACITY (30k TO 55kW)
Functions at occurrence of an alarm
(1) Any mode screen displays the current alarm.
(2) The other screen is visible during occurrence of an alarm. At this time, the decimal point in the third digit
flickers.
(3) To clear any alarm, switch power off, then on or press the "SET" button on the current alarm screen. Note
that this should be done after removing the case of the alarm.
13.4.5 Parameter mode
POINT
The display section of the converter unit has three digits. When a parameter
No. is displayed, parameter group and parameter No. are displayed
alternately.
When, for example, "PA01" is displayed, and are displayed
alternately.
The following example gives the operation procedure after power-on for use of the regenerative options (MR-
RB137).
Displayed
alternately
( 2: MR-RB137 (3 pcs.) are used.)
(Note)
Press MODE three time
The parameter number is displayed.
For parameter No.PA01, “PA” and “01” are displayed alternately.
Press UP or DOWN to change the number.
Press MODE twice
The set value of the specified parameter number flickers.
In this case, the lower three digits “0000” of the set value “0000” are
displayed.
Press MODE once
During flickering, the set value can be change.
Use UP or DOWN .
Press SET to enter.
Note. If the "MODE" button is pressed when the lower three digits of the four digits "0000" are displayed, the fourth digit "0000" is
displayed as . However, do not change the setting of the fourth digit. Press the "MODE" button again to reset the display
to the lower three digits .
To shift to the next parameter, press the "UP"/"DOWN" button.
When changing the parameter No.PA01 setting, change its set value, then switch power off once and switch it
on again to make the new value valid.

13 - 55
13. SERVO AMPLIFIERS WITH A LARGE CAPACITY (30k TO 55kW)
13.5. Parameters for converter unit
CAUTION Never adjust or change the parameter values extremely as it will make operation
instable.
POINT
Refer to chapter 5 for parameters for drive unit.
Parameter whose symbol is preceded by * is made valid with the following
conditions.
* : Set the parameter value, switch power off once after setting, and then
switch it on again, or perform the controller reset.
Never change parameters for manufacturer setting.
13.5.1 Parameter list
No. Symbol Name Initial value Unit
PA01 *REG Regenerative option 0000h
PA02 *MCC Magnetic contactor drive output selection 0001h
PA03 For manufacturer setting 0001h
PA04 0
PA05 100
PA06 0
PA07
100
PA08 *DMD Status display selection 0000h
PA09 *BPS Alarm history clear 0000h
PA10 For manufacturer setting 0
PA11 0000h
PA12 *DIF Input filter setting 0002h
PA13 For manufacturer setting 0000h
PA14 0000h
PA15 0000h
PA16 0000h
PA17 0000h
PA18 0000h
PA19
0000h

13 - 56
13. SERVO AMPLIFIERS WITH A LARGE CAPACITY (30k TO 55kW)
13.5.2 List of details
No. Symbol Name and function Initial
value Unit Setting
range
PA01 *REG Regenerative option
Used to select the regenerative option.
Select the regenerative option.
00: No used
01: MR-RB139
02: MR-RB137(3 pcs.)
11: MR-RB136-4
12: MR-RB138-4(3 pcs.)
"01" and "02" are the set values for the MR-J3-CR55K only, and "11"
and "12" are those for the MR-J3-CR55K4 only.
Wrong setting will result in parameter alarm (A.37).
00
Only for MR-J3-CR55K
Only for MR-J3-CR55K4
0000h Refer to
Name
and
function
column.
PA02 *MCC Magnetic contactor drive output selection
Used to select the output of the magnetic contactor drive power supply.
Used to select the output of the magnetic contactor drive power
supply.
0: No used
1: Used
000
0001h Refer to
Name
and
function
column.
PA03 For manufacturer setting 0001h
PA04 Do not change this value by any means. 0
PA05 100
PA06 0
PA07
100
PA08 *DMD Status display selection
Used to select the status display shown at power-on.
Status display of converter unit display section at power-on.
0: Status
1: Bus voltage
2: Effective load ratio
3: Peak load ratio
4: Regenerative load ratio
000
0000h Refer to
Name
and
function
column.
PA09 *BPS Alarm history clear
Used to clear the alarm history.
Alarm history clear
0: Invalid
1: Valid
When alarm history clear is made valid, the alarm history is cleared
at next power-on.
After the alarm history is cleared, the setting is automatically made
invalid (reset to 0).
000
0000h Refer to
Name
and
function
column.
PA10 For manufacturer setting 0
PA11
Do not change this value by any means. 0000h

13 - 57
13. SERVO AMPLIFIERS WITH A LARGE CAPACITY (30k TO 55kW)
No. Symbol Name and function Initial
value Unit Setting
range
PA12 *DIF Input filter setting
Select the input filter.
Input signal filter
If external input signal causes chattering due to noise, etc., input
filter is used to suppress it.
0: None
1: 1.777[ms]
2: 3.555[ms]
3: 5.333[ms]
000
0002h Refer to
Name
and
function
column.
PA13 For manufacturer setting 0000h
PA14 Do not change this value by any means. 0000h
PA15 0000h
PA16 0000h
PA17 0000h
PA18 0000h
PA19
0000h
13.6 Troubleshooting
13.6.1 Converter unit
(1) Alarms and warning list
When a fault occurs during operation, the corresponding alarm or warning is displayed. If any alarm or
warning has occurred, refer to (2) or (3) of this section and take the appropriate action.
Switch power off, then on to deactivate the alarm. The alarms marked " " in the alarm deactivation column
of the table can be deactivated by pressing the "RES" key of the converter unit side parameter unit or
switching on the reset signal (RES).
Alarm deactivation Display Name
Power Error A.91 Overheat warning
Display Name
OFF ON reset Excessive regenerative load
A.10 Undervoltage A.E0 warning
A.12 Memory error1 (RAM) A.E1 Over load warning
A.15 Memory error2 (EEP-ROM) A.E6 Converter forced stop warning
A.17 Board error Cooling fan speed reduction
A.19 Memory error3 (Flash-ROM)
Warning
A.E8 warning
A.30 Regenerative error (Note) (Note)
A.33 Over voltage
A.37 Parameter error
A.38 MC drive circuit error
A.39 Open phase
Inrush current suppressor circuit
A.3A error
A.45 Main circuit device overheat (Note) (Note)
A.47 Cooling fan error
A.50 Over load 1 (Note) (Note)
A.51 Over load 2 (Note) (Note)
Alarm
888 Watchdog
Note. Deactivate the alarm about 30 minutes of cooling time after removing the cause of occurrence.

13 - 58
13. SERVO AMPLIFIERS WITH A LARGE CAPACITY (30k TO 55kW)
(2) Remedies for alarms
CAUTION When any alarm has occurred, eliminate its cause, ensure safety, then reset the
alarm, and restart operation. Otherwise, injury may occur.
POINT
When any of the following alarms has occurred, always remove its cause and
allow about 30 minutes for cooling before resuming operation. If operation is
resumed by switching control circuit power off, then on to reset the alarm, the
converter unit and regenerative option may become faulty.
Regenerative error (A.30)
Over load 1 (A.50)
Over load 2 (A.51)
Main circuit device overheat (A.45)
The alarm can be deactivated by switching the power off, then on or by the
error reset command from the host controller. Refer to (1) in this section for
details.
When an alarm occurs, the trouble (ALM) signal switches off and the display section shows the alarm number.
Remove the cause of the alarm in accordance with this section.
Display Name Definition Cause Action
1. Instantaneous control power failure
occurred for more than 60ms.
2. Shortage of power supply capacity
caused the power supply voltage to
drop at start, etc.
Review the power supply.
A.10 Undervoltage Power supply voltage
dropped.
3. Failure of the part in the converter
unit.
Checking method
Alarm (A.10) occurs if power is
switched on after connectors
disconnected.
Change the Converter unit.
A.12 Memory error 1
(RAM)
RAM memory fault Failure of the part in the converter unit.
Checking method
Alarm (A.12) occurs if power is
switched on after connectors
disconnected.
Change the converter unit.
1. Failure of the part in the converter
unit.
Checking method
Alarm (A.15) occurs if power is
switched on after connectors
disconnected.
A.15 Memory error 2
(EEP-ROM)
EEP-ROM fault
2. The number of write times to EEP-
ROM exceeded 100,000.
Change the converter unit.
A.17 Board error CPU/parts fault Failure of the part in the converter unit.
A.19 Memory error 3
(Flash-ROM)
ROM memory fault Checking method
Alarm (A.17/A.19) occurs if power is
switched on after connectors
disconnected.
Change the converter unit.

13 - 59
13. SERVO AMPLIFIERS WITH A LARGE CAPACITY (30k TO 55kW)
Display Name Definition Cause Action
1. Wrong setting of parameter No.PA01 Set correctly.
2. Regenerative option is not
connected.
Connect correctly.
3. High-duty operation or continuous
regenerative operation caused the
permissible regenerative power of
the regenerative option to be
exceeded.
Checking method
Call the status display and check the
regenerative load ratio.
1. Reduce the frequency of
positioning.
2. Use the regenerative option of
larger capacity.
3. Reduce the load.
4. Power supply voltage is abnormal.
MR-J3-CR55K: 260VAC or more
MR-J3-CR55K4: 520VAC or more
Review power supply
5. Regenerative option faulty. Change converter unit or
regenerative option.
Permissible regenerative
power of regenerative
option is exceeded.
6. Ground fault occurred in servo motor
power (U, V, W).
Correct the wiring.
A.30 Regenerative
error
Regenerative transistor fault 7. Regenerative transistor faulty.
Checking method
1)
2)
The regenerative option has
overheated abnormally.
The alarm occurs even after
removal of the built-in
regenerative resistor or
regenerative option.
Change the converter unit.
1. Regenerative option is not used. Use the regenerative option.
2. Though the regenerative option is
used, the parameter No.PA01 setting
is " 00 (not used)".
Set correctly.
3. Lead of regenerative option is open
or disconnected.
1. Change lead.
2. Connect correctly.
4. Regenerative transistor faulty. Change the converter unit.
5. Wire breakage of regenerative
option.
Change the regenerative option.
6. Capacity of regenerative option is
insufficient.
Add regenerative option or
increase capacity.
7. Power supply voltage high. Review the power supply.
A.33 Over voltage Converter bus voltage
exceeded to following
voltage.
MR-J3-CR55K: 400VDC
MR-J3-CR55K4: 800VDC
8. Ground fault occurred in servo motor
power (U, V, W).
Correct the wiring.
1. Converter unit fault caused the
parameter setting to be rewritten.
Change the converter unit.
2. Regenerative option not used with
converter unit was selected in
parameter No.PA02.
Set parameter No.PA01 correctly.
A.37 Parameter
error
Parameter setting is wrong.
3. The number of write times to
EEP-ROM exceeded 100,000 due to
parameter write, etc.
Change the converter unit.

13 - 60
13. SERVO AMPLIFIERS WITH A LARGE CAPACITY (30k TO 55kW)
Display Name Definition Cause Action
1. Wrong connection of the magnetic
contactor.
Review the wiring.
2. Parameters specifying whether to
use/not use the magnetic contactor
do not match the configuration.
Set parameter No.PA02 correctly.
3. Magnetic contactor failed. Change the magnetic contactor.
Magnetic contactor drive
circuit error
(When the magnetic
contactor is turned on: the
main circuit power supply is
not turned on within two
seconds after the servo-on
of the drive unit.
When the magnetic
contactor is opened: the
main circuit power supply is
turned on although the
magnetic contactor is
opened.)
4. Magnetic contactor drive circuit
faulty.
Checking method
Check the output of magnetic
contactor control connector (CNP1) .
Power supply voltage is applied to
this connector. Take care to avoid an
electric shock at connecting.
Change the converter unit.
A.38 MC drive circuit
error
5. Mismatch of an external sequence. Review the power-on sequence.
(Refer to section 3.3.2.)
1. Any of L1, L2 and L3 is disconnected.
Or, open.
Review the wiring. A.39 Open phase Power supply error
2. Failure of the part in the converter
unit.
Change the converter unit.
1. Power-on/off was repeated with high
frequency.
Review operation pattern.
2. Inrush current suppressor resistance
overheated.
A.3A Inrush current
suppressor
circuit error
Inrush current suppressor
circuit error
3. Inrush current suppressor circuit
faulty.
Change the converter unit.
1. The power supply was turned on and
off continuously by overloaded
status.
Review operation pattern.
2. Ambient temperature of converter
unit is over 55 .
Review environment so that
ambient temperature is 0 to 55 .
A.45 Main circuit
device
overheat
Main circuit device
overheat.
3. Converter unit faulty. Change the converter unit.
1. Cooling fan life expiration. (Refer to
section 2.6.)
Change the cooling fan of the
converter unit.
2. Foreign matter caught in the cooling
fan stopped rotation.
Remove the foreign matter.
A.47 Cooling fan
alarm
The cooling fan of the
converter unit stopped, or its
speed decreased to or
below the alarm level.
3. The power supply of the cooling fan
failed.
Change the converter unit.
A.50 Overload 1 Load exceeded overload
protection characteristic of
converter unit.
Converter unit is used in excess of its
continuous output current.
1. Reduce load.
2. Review operation pattern.
A.51 Overload 2 Load exceeded overload
protection characteristic of
converter unit.
Converter unit is used in excess of its
output current for a short time.
Review operation pattern of a
drive unit.
(Note)
888
Watchdog CPU/parts fault Failure of the part in the converter unit.
Checking method
Alarm (888) occurs if power is
switched on after connectors
disconnected.
Change the converter unit.
Note. At power-on, "888" appears instantaneously, but it is not an error.

13 - 61
13. SERVO AMPLIFIERS WITH A LARGE CAPACITY (30k TO 55kW)
(3) Remedies for warnings
Continuing operation in an alarm occurrence status may result in an alarm or disable proper operation.
Eliminate the cause of the warning according to this section. The warning displayed will disappear when the
cause of its occurrence is resolved.
Display Name Definition Cause Action
1. Operated in the overloaded status. Review operation pattern.
2. Ambient temperature of converter
unit is over 55 .
Review environment so that
ambient temperature is 0 to 55 .
3. Used beyond the specifications of
close mounting.
Use within the range of
specifications.
A.91 Overheat
warning
The temperature of the fin
exceeded the warning level.
4. Converter unit faulty. Change the converter unit.
A.E0 Excessive
regenerative
load warning
There is a possibility that
regenerative power may
exceed permissible
regenerative power of
regenerative option.
Regenerative power increased to 85%
or more of permissible regenerative
power of regenerative option.
Checking method
Call the status display and check the
regenerative load ratio.
1. Reduce frequency of
positioning.
2. Change regenerative option for
the one with larger capacity.
3. Reduce load.
A.E1 Overload
warning
There is a possibility that
overload alarm 1 or 2 may
occur.
Load increased to 85% or more of
overload alarm 1 or 2 occurrence level.
Cause, checking method
Refer to A.50, 51.
Refer to A.50, A.51.
A.E6 Converter
forced stop
warning
EM1 is off. External forced stop was made valid.
(EM1 was turned off.)
Ensure safety and deactivate
forced stop.
1. Cooling fan life expiration. (Refer to
section 2.6.)
Change the cooling fan of the
converter unit.
A.E8 Cooling fan
speed
reduction
warning
The speed of the converter
unit cooling fan decreased
to or below the warning
level.
2. The power supply of the cooling fan
failed.
Change the converter unit.
(4) Clearing the alarm history
You can clear the alarm numbers stored in the alarm history of the alarm mode. To ensure that you can
control the alarms that will occur after regular operation, make this setting before starting regular operation
to clear the alarm history.
After setting "0001" in parameter No.PA09, switch power off once. Switching it on again clears the alarm
history. At this time, the parameter No.PA09 setting returns to "0000".

13 - 62
13. SERVO AMPLIFIERS WITH A LARGE CAPACITY (30k TO 55kW)
13.6.2 Drive unit
POINT
Explanation made in this section is exclusively for the driver unit.
Other troubleshooting is the same as that for servo amplifiers with 22kW or
less. Refer to chapter 8.
As soon as an alarm occurs, make the Servo off status and interrupt the main
circuit power.
(1) Alarms and warning list
When a fault occurs during operation, the corresponding alarm or warning is displayed. If any alarm or
warning has occurred, refer to (2) or (3) of this section and take the appropriate action. When an alarm
occurs, the ALM turns OFF.
After its cause has been removed, the alarm can be deactivated in any of the methods marked in the alarm
deactivation column. The alarm is automatically canceled after removing the cause of occurrence.
Alarm deactivation Display Name
Display Name Power
OFF ON Error reset CPU reset 9C Converter
warning
Alarms 1B Converter
alarm Alarms
E9 Main circuit off
warning
(2) Remedies for alarms
CAUTION
When any alarm has occurred, eliminate its cause, ensure safety, then reset the
alarm, and restart operation. Otherwise, injury may occur.
As soon as an alarm occurs, mark servo-off and power off the main circuit and
control circuit.
POINT
The alarm can be deactivated by switching power off, then on or by the error
reset command CPU reset from the servo system controller. For details, refer
to (1) of this section.
When an alarm occurs, the trouble (ALM) switches off and the dynamic brake is operated to stop the servo
motor. At this time, the display indicates the alarm No.
The servo motor comes to a stop. Remove the cause of the alarm in accordance with this section. MR
Configurator may be used to refer to the cause.
Display Name Definition Cause Action
1. An alarm occurred in the converter
unit during servo on.
Check the alarm of the converter
unit, and take the action following
the remedies for alarms of the
converter unit. (Refer to section
13.6.1 (2).)
1B Converter
alarm
An alarm occurred in the
converter unit during servo
on.
2. The protection coordination cable or
terminal connector is not correctly
connected.
Connect correctly.

13 - 63
13. SERVO AMPLIFIERS WITH A LARGE CAPACITY (30k TO 55kW)
(3) Remedies for warnings
Continuing operation in an alarm occurrence status may result in an alarm or disable proper operation.
Eliminate the cause of the warning according to this section. The warning displayed will disappear when the
cause of its occurrence is resolved.
Indication Name Definition Cause Action
9C Converter
warning
A warning occurred in the
converter unit during the
servo-on command.
Check the warning of the
converter unit, and take the action
following the remedies for
warnings of the converter unit.
(Refer to section 13.6.1 (3).)
1. The forced stop of the converter unit
is made valid.
Deactivate the forced stop of the
converter unit.
E9 Main circuit
off warning
The forced stop of the
converter unit is made valid
during the servo-on
command.
2. The protection coordination cable or
terminal connector is not correctly
connected.
Connect correctly.

13 - 64
13. SERVO AMPLIFIERS WITH A LARGE CAPACITY (30k TO 55kW)
13.7 Outline drawings
POINT
Refer to section 13.2.1 for outline dimension drawing.
13.7.1 Converter unit (MR-J3-CR55K(4))
[Unit: mm]
7
328
277
300 Approx. 200
180
20
Approx. 20
Approx. 80
260
128
TE1-2
TE2-2
TE3
TE1-1
TE1-2TE1-1
TE3
TE2-2
PE
CHARGE
2- 7 Installation hole
Cooling fan
wind direction
Terminal block layout
(Terminal cover removed)
Mass: 25[kg] (55.2[lb])
TE1-1
TE2-2
P1
L1L2L3
P2
TE3
L11
L21
PE
TE1-2
C
Terminal block signal layout
Terminal block screw: M6
Tightening torque: 3.0 [N m]
(26.6 [lb in])
L
L
Terminal block screw: M4
Tightening torque: 1.2 [N m]
(10.6 [lb in])
Terminal block screw: M10
Tightening torque: 10.0 [N m]
(88.5 [lb in])
Terminal block screw: M10
Tightening torque: 10.0 [N m]
(88.5 [lb in])
Terminal block screw: M10
Tightening torque: 10.0 [N m]
(88.5 [lb in])
Mounting screw
Screw size: M6
Tightening torque: 5.4 [N m]
(47.8 [lb in])

13 - 65
13. SERVO AMPLIFIERS WITH A LARGE CAPACITY (30k TO 55kW)
13.7.2 Drive unit
(1) MR-J3-DU30KB MR-J3-DU37KB
MR-J3-DU45KB4 MR-J3-DU55KB4
[Unit: mm]
For mounting
MR-J3BAT TE2-1
PE
TE2-1
20 260
Approx. 200
300
180
7
TE3
TE1
328
Approx. 200 128
277
TE1 TE3
Approx. 20
Approx. 80
2- 7 Installation hole
Cooling fan
wind direction Terminal block layout
(Terminal cover removed)
Mass: 26[kg] (57.3[lb])
TE1
TE2-1
TE3
L11
L21
PE
Terminal block signal layout
Terminal block screw: M6
Tightening torque: 3.0 [N m]
(26.6 [lb in])
L
L
Terminal block screw: M4
Tightening torque: 1.2 [N m]
(10.6 [lb in])
Terminal block screw: M10
Tightening torque: 10.0 [N m]
(88.5 [lb in])
Terminal block screw: M10
Tightening torque: 10.0 [N m]
(88.5 [lb in])
Mounting screw
Screw size: M6
Tightening torque: 5.4 [N m]
(47.8 [lb in])
UVW

13 - 66
13. SERVO AMPLIFIERS WITH A LARGE CAPACITY (30k TO 55kW)
(2) MR-J3-DU30KB4 MR-J3-DU37KB4
[Unit: mm]
240 Approx. 200
Approx. 200
328
128
180
12060
6
219.2
TE2
TE3
TE1
For mounting
MR-J3BAT
Approx. 60
Approx. 80
2- 6 Installation hole
Cooling fan
wind direction Terminal block layout
(Terminal cover removed)
Mass: 18[kg] (39.7[lb])
TE1
TE2
TE3
L11
L21
PE
Terminal block signal layout
Terminal block screw: M6
Tightening torque: 3.0 [N m]
(26.6 [lb in])
L
L
Terminal block screw: M4
Tightening torque: 1.2 [N m]
(10.6 [lb in])
Terminal block screw: M8
Tightening torque: 6.0 [N m]
(53.1 [lb in])
Terminal block screw: M8
Tightening torque: 6.0 [N m]
(53.1 [lb in])
Mounting screw
Screw size: M5
Tightening torque: 3.2 [N m]
(28.3 [lb in])
UVW

13 - 67
13. SERVO AMPLIFIERS WITH A LARGE CAPACITY (30k TO 55kW)
13.8 Characteristics
13.8.1 Overload protection characteristics
An electronic thermal relay is built in the converter unit and drive unit to protect the servo motor, converter unit
and drive unit from overloads.
Overload 1 alarm (50) occurs if overload operation performed is above the electronic thermal relay protection
curve shown below. Overload 2 alarm (51) occurs if the maximum current flew continuously for several
seconds due to machine collision, etc. Use the equipment on the left-hand side area of the continuous or
broken line in the graph.
It is recommended to use the machine which generates unbalanced torque, e.g. a vertical lift application, so
that the unbalanced torque is not more than 70% of the rated torque.
10000
1000
100
10
1
0 100 200 250
During rotation
(Note 2)
Operation time [s]
Load ratio [%]
Converter unit
10000
1000
100
10
1
0 100 200 250
During servo lock
During rotation
(Note 2)
Operation time [s]
(Note 1) Load ratio [%]
Drive unit
Note 1. If operation that generates torque more than 100% of the rating is performed with an abnormally high frequency in a servo motor
stop status (servo lock status) or in a 30r/min or less low-speed operation status, the drive unit may fail even when the electronic
thermal relay protection is not activated.
2. Load ratio 100% indicates the rated output of each converter unit and drive unit. Refer to section 13.1.4 for rated output.
Fig. 13.1 Overload protection characteristics

13 - 68
13. SERVO AMPLIFIERS WITH A LARGE CAPACITY (30k TO 55kW)
13.8.2 Power supply equipment capacity and generated loss
POINT
The calculation method of heat dissipation area for enclosed control panel is
the same as that for servo amplifiers with 22kW or less. Refer to section 10.2
(2).
Table 13.1 indicates the generated loss and power supply capacity under rated load per combination of the
converter unit and drive unit. When the servo motors is run at less than the maximum speed, the power supply
equipment capacity is lower than the value in the table but the heat generated does not change.
Since the servo motor requires 2 to 2.5 times greater instantaneous power for acceleration, use the power
supply which ensures that the voltage lies within the permissible voltage fluctuation at the main circuit power
supply terminals (L1, L2, L3) of the converter unit. The power supply equipment capacity changes with the power
supply impedance.
The actually generated heat falls within the ranges at rated torque and at zero torque according to the
frequencies of use during operation. When designing an enclosed control box, use the values in the table,
considering the worst operating conditions. The generated heat in Table 13.1 does not include heat produced
during regeneration.
Table 13.1 Power supply capacity and generated heat per servo amplifier at rated output
Power supply
capacity [kVA]
(Note)
Drive unit-generated heart[W]
Converter unit Drive unit Servo motor Power factor
improving DC
reactor is not
used
Power factor
improving DC
reactor is used
At rated torque At zero torque
Area required
for heat
dissipation
[m2]
MR-J3-DU30KB
HA-LP30K1
HA-LP30K1M
HA-LP30K2
48 40 1550(1100+450) 31.0
MR-J3-CR55K
MR-J3-DU37KB
HA-LP37K1
HA-LP37K1M
HA-LP37K2
59 49 1830(1280+550) 36.6
HA-LP25K14 40 35 1080(850+230) 21.6
MR-J3-
DU30KB4
HA-LP30K14
HA-LP30K1M4
HA-LP30K24
48 40 1290(1010+280) 60(30+30) 25.8
MR-J3-
DU37KB4
HA-LP37K14
HA-LP37K1M4
HA-LP37K24
59 49 1542(1200+342) 30.8
MR-J3-
DU45KB4
HA-LP45K1M4
HA-LP45K24 71 59 1810(1370+440) 36.2
HA-LP50K1M4 80 67 2120(1650+470) 42.4
MR-J3-CR55K4
MR-J3-
DU55KB4 HA-LP55K24 87 72 2150(1650+500) 43.0
Note. The heat generated by the drive unit is indicated in the left term within the parentheses, and the heat generated by the converter
unit in the right term.

13 - 69
13. SERVO AMPLIFIERS WITH A LARGE CAPACITY (30k TO 55kW)
13.8.3 Dynamic brake characteristics
(1) Dynamic brake operation
(a) Calculation of coasting distance
Fig. 13.2 shows the pattern in which the servo motor comes to a stop when the dynamic brake is
operated. Use Equation 13.1 to calculate an approximate coasting distance to a stop. The dynamic
brake time constant varies with the servo motor and machine operation speeds. (Refer to (b). Please
contact us for the servo motor not indicated.)
te
Forced stop (EM1)
Machine speed
Time constant
Time
OFF
ON
V0
Fig 13.2 Dynamic Brake Operation Diagram
60
Lmax
Vo te1JM
JL ·················································································································· (13.1)
Lmax : Maximum coasting distance ·········································································································· [mm]
V0 : Machine rapid feed rate ······························································································ [mm/min][in/min]
JM : Servo motor inertial moment ······················································································ [kg cm2][oz in2]
JL : Load inertia moment converted into equivalent value on servo motor shaft ·············· [kg cm2][oz in2]
: Brake time constant ·························································································································· [s]
te : Delay time of control section ············································································································ [s]
For 7kW or less servo, there is internal relay delay time of about 30ms. For 11k to 22kW servo, there
is delay time of about 100ms caused by a delay of the external relay and a delay of the magnetic
contactor built in the external dynamic brake.

13 - 70
13. SERVO AMPLIFIERS WITH A LARGE CAPACITY (30k TO 55kW)
(b) Dynamic brake time constant
The following shows necessary dynamic brake time constant for the equations (13.1).
40
35
30
25
20
15
10
5
0200 600 10000 1200
Speed [r/min]
HA-LP30K1
HA-LP37K1
400 800
Time constant [ms]
40
35
30
25
20
15
10
5
0200 600 10000 1200
Speed [r/min]
400 800
Time constant [ms]
HA-LP30K14
HA-LP37K14
HA-LP25K14
HA-LP1000r/min series
60
50
40
30
20
10
01000 15000 2000
HA-LP30K1M
500
HA-LP37K1M
Speed [r/min]
Time constant [ms]
60
50
40
30
20
10
01000 15000 2000
HA-LP30K1M4
500
HA-LP37K1M4
HA-LP45K1M4
HA-LP50K1M4
Speed [r/min]
Time constant [ms]
HA-LP1500r/min series

13 - 71
13. SERVO AMPLIFIERS WITH A LARGE CAPACITY (30k TO 55kW)
45
40
35
30
25
20
15
10
5
0500 1000 150002000
HA-LP30K2
HA-LP37K2
Speed [r/min]
Time constant [ms]
45
40
35
30
25
20
15
10
5
0500 1000 150002000
HA-LP45K24
HA-LP55K24
HA-LP37K24
HA-LP30K24
Speed [r/min]
Time constant [ms]
HA-LP2000r/min series
(2) The dynamic brake at the load inertia moment
Use the dynamic brake under the load inertia moment ratio indicated in the following table. If the load inertia
moment is higher than this value, the external dynamic brake may burn. If there is a possibility that the load
inertia moment may exceed the value, contact Mitsubishi.
The values of the load inertia moment ratio in the table are the values at the maximum rotation speed of the
servo motor.
Drive unit Load inertia moment ratio
[Multiplier ( 1)]
MR-J3-DU30KB(4)
MR-J3-DU37KB(4)
MR-J3-DU45KB4 10
MR-J3-DU55KB4

13 - 72
13. SERVO AMPLIFIERS WITH A LARGE CAPACITY (30k TO 55kW)
13.8.4 Inrush currents at power-on of main circuit and control circuit
The following table indicates the inrush currents (reference data) that will flow when the maximum permissible
voltage (200V class: 253VAC, 400V class: 528VAC) is applied at the power supply capacity of 2500kVA and
the wiring length of 1m.
Inrush currents (A0-p)
Converter unit Drive unit Main circuit power supply (L1, L2, L3) Control circuit power supply (L11, L21)
MR-J3-DU30KB
MR-J3-CR55K MR-J3-DU37KB
163A
(Attenuated to approx. 20A in 180ms)
18A
(Attenuated to approx. 0A in 100ms)
MR-J3-DU30KB4
MR-J3-DU37KB4
MR-J3-CR55K4 MR-J3-DU45KB4
MR-J3-DU55KB4
339A
(Attenuated to approx. 20A in 70ms)
19A
(Attenuated to approx. 0A in 60ms)
Since large inrush currents flow in the power supplies, always use no-fuse breakers and magnetic contactors.
(Refer to section 13.9.5.)
When circuit protectors are used, it is recommended to use the inertia delay type that will not be tripped by an
inrush current.
13.9 Options
WARNING
Before connecting any option or peripheral equipment, turn off the power and wait
for 20 minutes or more until the charge lamp turns off. Then, confirm that the
voltage between L and L is safe with a voltage tester and others. Otherwise,
an electric shock may occur. In addition, always confirm from the front of the
converter unit whether the charge lamp is off or not.
CAUTION
Use the specified auxiliary equipment and options. Unspecified ones may lead to a
fault or fire.
POINT
Explanations on the following item are the same as those for servo amplifiers
with 22kW or less. Refer to the section below for details.
Cable/connector sets Refer to section 11.1.
Junction terminal block Refer to section 11.7.
MR Configurator Refer to section 11.8.
Battery Refer to section 11.9.
Relays Refer to section 11.15.
Surge absorbers Refer to section 11.16.
Radio noise filter (FR-BIF(-H)) Refer to section 11.17 (2) (e).
13.9.1 Cables and connectors
POINT
Other connectors are the same as those for servo amplifiers with 22kW or
less. Refer to section 11.1.

13 - 73
13. SERVO AMPLIFIERS WITH A LARGE CAPACITY (30k TO 55kW)
(1) Makeup of cables and like
The following shows the cable makeup for connection with the servo motor and other model.
3)
Drive unitConverter unit
4) 5)
6)
Terminal
box
Servo motor
HA-LP
CNP1 CN40
CN1
7)
8) 2)
1)
CN40A
CN40B
CN2
No. Product Model Description Application
Connector: 10120-3000PE
Shell kit: 10320-52F0-008
(3M or equivalent)
Connector: PCR-S20FS+
Case: PCR-LS20LA1
(Honda Tsushin Kogyo)
1) Protection
coordination
cable
MR-J3CDL M
Refer to (2) of this
section.
Connector: 10120-3000PE
Shell kit: 10320-52F0-008
(3M or equivalent)
Connector: PCR-S20FS+
Shell kit: PCR-LS20LA1
(Honda Tsushin Kogyo)
2) Connector set MR-J2CN1-A
Refer to (2) of this
section.
3) Termination
connector
MR-J3-TM
4) Encoder cable MR-J3ENSCBL M-L
Cable length:
2510 20 30m
IP67
Standard
life
5) Encoder cable MR-J3ENSCBL M-H
Cable length:
2510 20 30
40 50m
For HA-LP series
Refer to section 11.1.2 (4) for details.
IP67
Long flex
life
6) Encoder
connector set
MR-J3SCNS
For HA-LP series
Refer to section 11.1.2 (4) for details.
IP67
7) Magnetic
contactor
wiring
connector
Converter unit side connector
(Phoenix Contact)
Socket: GFKC 2.5/2-STF-7.62
8) Digital
I/O connector
Converter unit side connector
(DDK)
Connector: 17JE23090-02(D8A)K11-CG
Supplied
with
converter
unit

13 - 74
13. SERVO AMPLIFIERS WITH A LARGE CAPACITY (30k TO 55kW)
(2) MR-J3CDL05M(0.5m) Protection coordination cable
CAUTION
Connect protection coordination cables correctly if they are fabricated.
Otherwise, the system may perform unexpected operation.
When fabricating a protection coordination cable, use the recommended wires given in section 13.9.4, and
fabricate a protection coordination cable as shown in the wiring diagram in this section.
MR-J3CDL05M
1
11
2
12
3
13
4
14
5
15
6
16
7
17
8
18
9
19
10
20
Plate
1
11
2
12
3
13
4
14
5
15
6
16
Plate
7
17
8
18
9
19
10
20
ACD2
ACD2*
ACD3
ACD3*
PAL
PAL*
ACD1
ACD1*
LG
LG
GOF
GOF*
PMC
PMC*
PSD
PSD*
LG
LG
PRD
PRD*
SD
10120-3000PE (Connector)
10320-52F0-008 (Shell kit)
PCR-S20FS (Connector)
PCR-LS20LA1 (Case)
Drive unit sideConverter unit side
Table 13.2 Recommended wire
Characteristics of one core
Model Length
[m(ft)]
Core size
[mm2]
Number
of cores Structure
[Wires/mm]
Conductor
resistance
[/mm]
Insulation coating
OD d[mm]
(Note 1)
(Note 2)
Finishing
OD
[mm]
Wire model
MR-J3CDL05M 0.5 to 5
(1.64 to 16.4) 0.08 20
(10 pairs) 7/0.127 222 0.38 6.1
UL20276 AWG#28
10pair (CREAM)
Note 1. d is as shown below.
d
Conductor Insulation sheath
2. Standard OD. Max. OD is about 10% greater.

13 - 75
13. SERVO AMPLIFIERS WITH A LARGE CAPACITY (30k TO 55kW)
13.9.2 Regenerative option
CAUTION The specified combinations of regenerative options, converter unit and drive unit
may only be used. Otherwise, a fire may occur.
POINT
The calculation method of regenerative energy is the same as that for servo
amplifiers with 22kW or less. Refer to section 11.2 (2).
(1) Combination and regenerative power
The regenerative power values in the table are the regenerative power of the resistor and are not the rated
power.
Regenerative Power [W]
Converter unit Drive unit MR-RB139
(1.3 )
(Note 1) Three
MR-RB137
(1.3 ) in parallel
MR-RB136-4
(5 )
(Note 2) Three
MR-RB138-4
(5 ) in parallel
MR-J3-DU30KB
MR-J3-CR55K MR-J3-DU37KB 1300 3900
MR-J3-DU30KB4
MR-J3-DU37KB4
MR-J3-CR55K4 MR-J3-DU45KB4
MR-J3-DU55KB4
1300 3900
Note. 1. The composite resistor value of three options is 1.3 . The resistor value of one option is 4 .
2. The composite resistor value of three options is 5 . The resistor value of one option is 15 .
(2) Parameter setting
POINT
Always set parameter No.PA02 of the drive unit to “ 00”(Not used) since
the regenerative option cannot be connected to the drive unit.
When using the regenerative option, set the parameter of the converter unit. Match parameter No.PA01 to
the regenerative option used.
Regenerative option selection
00: Not used
01: MR-RB139
02: MR-RB137 (3 pcs.)
11: MR-RB136-4
12: MR-RB138-4 (3 pcs.)
Parameter No.PA01
00
(3) Regenerative loss of drive unit and servo motor
Drive unit Inverse efficiency [%] C charge [J]
MR-J3-DU30KB
MR-J3-DU37KB
MR-J3-DU30KB4
MR-J3-DU37KB4 90 450
MR-J3-DU45KB4
MR-J3-DU55KB4

13 - 76
13. SERVO AMPLIFIERS WITH A LARGE CAPACITY (30k TO 55kW)
(4) Connection of the regenerative option
Always supply 1-phase 200V and 400V respectively to the cooling fan. The cooling fan specifications are as
follows.
Table 13.3 Cooling fan
Item 200V class 400V class
Model MR-RB137 MR-RB139 MR-RB136-4 MR-RB138-4
Voltage Frequency 1-phase 198 to 242VAC, 50/60Hz 1-phase 380 to 480VAC, 50/60Hz
Power consumption [W] 20 (50Hz)/18 (60Hz) 20 (50Hz)/18 (60Hz)
The regenerative option generates heat of 100 higher than the ambient temperature. Fully consider heat
dissipation, installation position, used wires, etc. to place the option. For wiring, use flame-resistant wires or
make the wires flame-resistant and keep them away from the regenerative option. The G3 and G4 terminals act
as a thermal sensor. G3-G4 are opened when the regenerative option overheats abnormally.
Always twist the wires for connection with the converter unit and connect the wires within the overall distance of
5m.
(a) MR-RB139 MR-RB136-4
Converter unit
P1
P2
(Note 1)
Power factor improving
DC reactor (Option)
C
Servo motor
G4G3
PC
Regenerative
option
Cooling fan
RA
(Note 2)
5m or less
(Note 3)
Power supply
24VDC
power supply Servo motor
thermal relay
OHS1 OHS2
RS
(Note 4)
Note 1. When using the Power factor improving DC reactor, remove the short bar across P1-P2.
2. G3-G4 contact specifications
Maximum voltage: 120V AC/DC
Maximum current: 0.5V/4.8VDC
Maximum capacity: 2.4VA
3. For specifications of cooling fan power supply, refer to Table 13.3.
4. For MR-RB136-4, “R” is “R400” and “S” is “S400”.

13 - 77
13. SERVO AMPLIFIERS WITH A LARGE CAPACITY (30k TO 55kW)
(b) MR-RB137 MR-RB138-4
POINT
Three of MR-RB137 or MR-RB138-4 are required per converter unit. Please
purchase three of MR-RB137 or MR-RB138-4.
RA
(Note 2)
CPCPCP
Regenerative
option
Converter unit
P1
P2
(Note 1)
Power factor improving
DC reactor (Option)
C
Servo motor
G4G3
Cooling fan
5m or less
(Note 3)
Power supply
24VDC
power supply Servo motor
thermal relay
OHS1 OHS2
RS
Regenerative
option
G4G3
Cooling fan
RS
Regenerative
option
G4G3
Cooling fan
RS
(Note 4)(Note 4) (Note 4)
Note 1. When using the Power factor improving DC reactor, remove the short bar across P1-P2.
2. G3-G4 contact specifications
Maximum voltage: 120V AC/DC
Maximum current: 0.5V/4.8VDC
Maximum capacity: 2.4VA
3. For specifications of cooling fan power supply, refer to Table 13.3.
4. For MR-RB138-4, “R” is “R400” and “S” is “S400”.

13 - 78
13. SERVO AMPLIFIERS WITH A LARGE CAPACITY (30k TO 55kW)
(5) Outline dimension drawings
[Unit:mm]
MR-RB139 MR-RB136-4
Mass
[kg(lb)]
11(24.25)
10(22.05)
10
15
15
TE1
10 480
500
1010
2- 10 hole
Regenerative option
R
(Note 2) G4 G3 C P
260
230
215
197
MR-RB137 MR-RB138-4
Terminal block signal layout
TE1
Terminal screw: M5
Tightening torque: 2.0 [N m] (17.7 [lb in])
Mounting screw
Screw size: M8
Tightening torque: 13.2 [N m] (117 [lb in])
2.3
15
S
(Note 2)
Cooling fan (Note 1)
Note 1. One cooling fan for MR-RB136-4, MR-RB138-4.
2. For MR-RB138-4, “R” is “R400” and “S” is “S400”.

13 - 79
13. SERVO AMPLIFIERS WITH A LARGE CAPACITY (30k TO 55kW)
13.9.3 External dynamic brake
POINT
Configure up a sequence which switches off the contact of the brake unit after
(or as soon as) it has turned off the servo on (signal) at a power failure or
failure.
For the braking time taken when the dynamic brake is operated, refer to
section 13.8.3.
The brake unit is rated for a short duration. Do not use it for high duty.
The specifications of the input power supply for external dynamic brake are
the same as those of the converter unit control circuit power supply.
Operation timing is the same as that for servo amplifiers with 22kW or less.
Refer to section 11.6.
(1) Selection of dynamic brake
The dynamic brake is designed to bring the servo motor to a sudden stop when a power failure occurs or
the protective circuit is activated. When using the external dynamic brake, assign the dynamic brake
interlock (DB) to any of CN3-9, CN3-13, and CN3-15 pins in parameter No.PD07 to PD09.
Converter unit Drive unit Dynamic brake
MR-J3-DU30KB
MR-J3-CR55K MR-J3-DU37KB DBU-37K
MR-J3-DU30KB4
MR-J3-DU37KB4
MR-J3-CR55K4 MR-J3-DU45KB4
MR-J3-DU55KB4
DBU-55K-4
(2) Connection example
Use the following wires to connect the dynamic brake.
Wire[mm2] (Note) Dynamic
brake ab U VW
DBU-37K
DBU-55K-4 2 14
Note. Selection condition of wire size is as follows.
Wire type: 600V Polyvinyl chloride insulated wire (IV wire)
Construction condition: One wire is constructed in the air

13 - 80
13. SERVO AMPLIFIERS WITH A LARGE CAPACITY (30k TO 55kW)
EM1
(Note 3)
NFB
L1
L2
L3
L11
L21
U
1MC1
2MC2
CNP1
L11
L21
CN3
RA1
RA4
RA1
MC
SK
(Note 2)
RA2 RA3
CN1
1DICOM
5DOCOM
6DICOM
2ALM
7EM1
9DOCOM
MC
Forced stop
(Note 5)
L1
L2
L3
L11
L21
U
V
W
U
V
W
M
Servo motor
(Note 4)
Power
supply
Drive unitConverter unit
a
b
13 W14 V U
Dynamic brake
(Note 1)
EM1
3
20
SDPlate
DICOM
10
DB
(Note 3)
DOCOM
5DICOM
ALM15
L
L
L
L
Converter
unit
Controller
forced stop
Operation
-ready
Drive
unit
OFF/ON
(Note 5)
Forced stop
RA4
RA2
Note 1 Terminals 13, 14 are N/O contact outputs. When the dynamic brake has stuck, terminals 13, 14 are opened. Therefore, configure
up the circuit to prevent servo-on in the external sequence.
2. For converter unit and servo amplifier 400 V class, stepdown transformer is required for coil voltage of magnetic contactor more
than 200 V class.
3. Assign the dynamic brake interlock (DB) in parameter No.PD07 to PD09.
4. Refer to section 13.1.3 for the power supply specifications.
5. Make up a sequence that turns off the drive unit forced stop (EM1) and the converter unit forced stop (EM1) at the same time.

13 - 81
13. SERVO AMPLIFIERS WITH A LARGE CAPACITY (30k TO 55kW)
(3) Outline dimension drawing
[Unit:mm]
Terminal block
TE1
Terminal screw: M5
Tightening torque: 2.0 [N m] (17.7 [lb in])
Mounting screw
Screw size: M8
Tightening torque: 13.2 [N m] (117 [lb in])
Terminal screw: M5
Tightening torque: 0.8 [N m] (7.1 [lb in])
TE2
230
15
10 370 10
390
330 3030
10
TE2 TE1
15
230
15 15
260 235
220 15
2.3
UVW
ab1314
UVW
ab13 14
2- 10 installation hole
DBU-37K
Mass
[kg(lb)]
11(24.25)
8(17.64)
Dynamic brake
DBU-55K-4

13 - 82
13. SERVO AMPLIFIERS WITH A LARGE CAPACITY (30k TO 55kW)
13.9.4 Selection example of wires
POINT
Wires indicated in this section are separated wires. When using a cable for
power line (U, V, and W) between the servo amplifier and servo motor, use a
600V grade EP rubber insulated chloroprene sheath cab-tire cable (2PNCT).
For selection of cables, refer to appendix 6.
To comply with the UL/C-UL (CSA) Standard, use UL-recognized copper
wires rated at 60 (140 ) or more for wiring. To comply with other
standards, use a wire that is complied with each standard
Selection condition of wire size is as follows.
Construction condition: One wire is constructed in the air
Wire length: 30m or less
The following diagram shows the wires used for wiring. Use the wires given in this paragraph or equivalent.
Converter unit Drive unit Servo motor
C
P1
P2
L1
L2
L3
L11
L21
V
U
W
V
U
WMotor
Encoder
OHS1
OHS2
Cooling fan
BU
BV
BW
L11
L21
2) Control power supply lead
3) Motor power supply lead
6) Thermal relay
Encoder cable
5) Cooling fan
lead
3)
Power supply
1)
Power factor
improving
DC reactor
4) Regenerative option lead
Regenerative option
1) Main circuit power
supply lead
Power supply
Thermal
relay

13 - 83
13. SERVO AMPLIFIERS WITH A LARGE CAPACITY (30k TO 55kW)
(1) When using the 600V Polyvinyl chloride insulated wire (IV wire)
Selection example of wire size when using IV wires is indicated below.
Table 13.4 Wire size selection example 1 (IV wire)
Wires[mm2] (Note 1, 3)
Converter unit (Note 2)
Drive unit 1)
L1L2L3
2)
L11 L21
3) U VW
P1P2
4)
P2C
5)
BU BV BW
6)
OHS1 OHS2
MR-J3-DU30KB 50(AWG1/0): d 60(AWG2/0): d
MR-J3-CR55K MR-J3-DU37KB 60(AWG2/0): d (Note 4) 2(AWG14)
MR-J3-DU30KB4 22(AWG4): b 30(AWG2): c
MR-J3-DU37KB4 30(AWG2): c 2(AWG14) 38(AWG2): c 5.5(AWG10): a 1.25(AWG16)
MR-J3-CR55K4
MR-J3-DU45KB4 38(AWG2): c 50(AWG1/0): d
1.25(AWG16)
MR-J3-DU55KB4 50(AWG1/0): d 60(AWG2/0): d
Note 1. Alphabets in the table indicate crimping tools. For crimping terminals and applicable tools, refer to (3) in this section.
2. When connecting to the terminal block, be sure to use the screws which are provided with the terminal block.
3. For the servo motor with a cooling fan.
4. Wires are selected based on the highest rated current among combining servo motors.
(2) When using the 600V Grade heat-resistant polyvinyl chloride insulated wire (HIV wire)
Selection example of wire size when using HIV wires is indicated below.
Table 13.5 Wire size selection example 2 (HIV wire)
Wires[mm2] (Note 1, 3)
Converter unit (Note 2)
Drive unit 1)
L1L2L3
2)
L11 L21
3) U VW
P1P2
4)
P2C
5)
BU BV BW
6)
OHS1 OHS2
MR-J3-DU30KB 38(AWG2): c 60(AWG2/0): d
MR-J3-CR55K MR-J3-DU37KB 60(AWG2/0): d 60(AWG2/0): d 2(AWG14)
MR-J3-DU30KB4 22(AWG4): b 22(AWG4): e
MR-J3-DU37KB4 22(AWG4): b 2(AWG14) 22(AWG4): e 5.5(AWG10): a 1.25(AWG16)
MR-J3-CR55K4
MR-J3-DU45KB4 38(AWG2): c 38(AWG2): c
1.25(AWG16)
MR-J3-DU55KB4 38(AWG2): c 38(AWG2): c
Note 1. Alphabets in the table indicate crimping tools. For crimping terminals and applicable tools, refer to (3) in this section.
2. When connecting to the terminal block, be sure to use the screws which are provided with the terminal block.
3. For the servo motor with a cooling fan.
(3) Selection example of crimping terminals
The table below shows a selection example of crimping terminals for the servo amplifier terminal block
when using the wires mentioned in (1) and (2) in this section.
Servo amplifier side crimping terminals
Applicable tool
Symbol (Note 2)
Crimping terminal Body Head Dice
Manufacturer
a FVD5.5-10 YNT-1210S
b FVD22-10 YF-1 E-4 YNE-38 DH-123 DH113
YPT-60-21 (Note 1)
c
R38-8
R38-10 YF-1 E-4 YET-60-1 TD-124 TD112
YPT-60-21 (Note 1)
d R60-10 YF-1 E-4 YET-60-1 TD-125 TD113
e FVD22-8 YF-1 E-4 YNE-38 DH-123 DH-113
Japan Solderless
Terminal
Note 1. Coat the part of crimping with the insulation tube.
2. Make sure to use recommended crimping terminals or equivalent since some crimping terminals
cannot be installed depending on the size.

13 - 84
13. SERVO AMPLIFIERS WITH A LARGE CAPACITY (30k TO 55kW)
13.9.5 No-fuse breakers, fuses, magnetic contactors.
Always use one no-fuse breakers and one magnetic contactor with one drive unit.
No-fuse breaker Fuse
Converter unit Drive unit Power factor
improving DC
reactor is not used
Power factor
improving DC
reactor is used
Class Current
[A]
Voltage
AC [V]
Magnetic
contactor
MR-J3-DU30KB 400A frame 250A 225A frame 225A 450 S-N150
MR-J3-CR55K MR-J3-DU37KB 400A frame 300A 400A frame 300A 500 250 S-N180
MR-J3-DU30KB4 225A frame 150A 225A frame 125A 225 S-N95
MR-J3-DU37KB4 225A frame 175A 225A frame 150A T 250 S-N125
MR-J3-CR55K4 MR-J3-DU45KB4 225A frame 225A 225A frame 175A 350 S-N150
MR-J3-DU55KB4 400A frame 250A 225A frame 225A 400
600
S-N180
13.9.6 Power factor improving DC reactor
The input power factor is improved to about 95%.
[Unit: mm]
Converter unit Drive unit Power factor improving
DC reactor W D H W1 X
Terminal
screw
Mass
[kg (lb)]
MR-J3-DU30KB MR-DCL30K
MR-J3-CR55K MR-J3-DU37KB MR-DCL37K 255 215 80 232 M12 9.5
(20.94)
MR-J3-DU30KB4 MR-DCL30K-4 205 75 175 6.5
(14.33)
MR-J3-DU37KB4 MR-DCL37K-4 225 197 7
(15.43)
MR-J3-CR55K4
MR-J3-DU45KB4 MR-DCL45K-4 240
200
212 7.5
(16.54)
MR-J3-DU55KB4 MR-DCL55K-4
135
260 215
80
232
M8
9.5
(20.94)
H or less
X
D or less
Terminal cover Terminal screw
Terminal block (M3.5 screw)
For thermal sensor
P1P2
Approx. W1
W or less
Mounting hole
for M8
1.5
1.5

13 - 85
13. SERVO AMPLIFIERS WITH A LARGE CAPACITY (30k TO 55kW)
13.9.7 Line noise filter (FR-BLF)
POINT
This section explains how to use the line noise filter unique to servo amplifiers
with a large capacity. Other noise reduction products are the same as those
for servo amplifiers with 22kW or less. Refer to section 11.17.
This filter is effective in suppressing noises radiated from the power supply side and output side of the
converter unit, drive unit and also in suppressing high-frequency leakage current (zero-phase current)
especially within 0.5MHz to 5MHz band. The filters are used with the converter power supply wires (L1L2L3)
and drive unit power wires (U VW).
(1) Usage
Pass the 3-phase wires through four line noise filters. When using the line noise filters with the power wires,
passing the power wires together with the ground wire will reduce the filter effect. Run the ground wire
separately from the power wires.
Use four FR-BLFs.
(2) Outline drawing
[Unit: mm]
160
180
130
85
80
2.3
35
31.5
7
7

13 - 86
13. SERVO AMPLIFIERS WITH A LARGE CAPACITY (30k TO 55kW)
13.9.8 Leakage current breaker
(1) Selection method
High-frequency chopper currents controlled by pulse width modulation flow in the AC servo circuits.
Leakage currents containing harmonic contents are larger than those of the motor which is run with a
commercial power supply.
Select a leakage current breaker according to the following formula, and ground the drive unit, servo motor,
etc. securely.
Make the input and output cables as short as possible, and also make the grounding cable as long as
possible (about 30cm) to minimize leakage currents.
Rated sensitivity current 10 {Ig1 Ign Iga K (Ig2 Igm)} [mA] ··········································· (13.2)
K: Constant considering the harmonic contents
Leakage current breaker
Type Mitsubishi
products
K
Models provided with
harmonic and surge
reduction techniques
NV-SP
NV-SW
NV-CP
NV-CW
NV-HW
1
Ign
Noise filter
Cable
Ig1
NV
Converter
unit
Drive
unit
Cable
Iga Ig2 Igm
M
General models
BV-C1
NFB
NV-L
3
Ig1: Leakage current on the electric channel from the leakage current breaker to the input terminals of the drive
unit (Found from Fig. 13.3.)
Ig2: Leakage current on the electric channel from the output terminals of the servo amplifier to the servo
motor (Found from Fig. 13.3.)
Ign: Leakage current when a filter is connected to the input side (4.4mA per one FR-BIF or FR-BIF-H)
Iga: Leakage current of the drive unit (Found from Table 13.7.)
Igm: Leakage current of the servo motor (Found from Table 13.6.)
Table 13.6 Servo motor’s leakage current
example (lgm)
Table 13.7 Converter unit
drive unit's leakage
current Example (Iga)
Servo motor power
[kW]
Leakage current
[mA]
Converter unit
Drive unit
Leakage current
[mA]
30 to 55 2.5
All series 5
120
100
80
60
40
20
02
3.5
5.5
8
14
22
38
80
150
30
60
100
Leakage current [mA]
Cable size
[
mm2
]
120
100
80
60
40
20
02
3.5
5.5
8
14
22
38
80
150
30
60
100
Leakage current [mA]
Cable size
[
mm2
]
a) 200V class b) 400V class
Fig.13.3 Leakage current example (lg1, lg2) for CV cable run in metal conduit

13 - 87
13. SERVO AMPLIFIERS WITH A LARGE CAPACITY (30k TO 55kW)
(2) Selection example
Indicated below is an example of selecting a leakage current breaker under the following conditions.
22mm2 5mm
M
NV
Ig1 Ig2 Igm
Converter
unit
Drive
unit Servo motor
30mm2 5mm
Iga
Use a leakage current breaker designed for suppressing harmonics/surges.
Find the terms of Equation (13.2) from the diagram.
Ig1 = 95 1000
5 = 0.475 [mA]
Ig2 = 105 1000
5 = 0.525 [mA]
Ign = 0(not used)
Iga = 5 [mA]
Igm = 2.5 [mA]
Insert these values in Equation (13.2).
Ig 10 {0.475+0+5+1 (0.525+2.5)}
85 [mA]
According to the result of calculation, use a leakage current breaker having the rated sensitivity current (Ig)
of 85[mA] or more. A leakage current breaker having Ig of 200[mA] is used with the NV-SP/SW/CP/CW/HW
series.

13 - 88
13. SERVO AMPLIFIERS WITH A LARGE CAPACITY (30k TO 55kW)
13.9.9 EMC filter (recommended)
For compliance with the EMC directive of the EN Standard, it is recommended to use the following filter. Some
EMC filters are large in leakage current.
(1) Converter unit Drive unit
Recommended filter
(Soshin Electric)
Converter unit Drive unit
Model Leakage current
[mA]
Mass [kg]
MR-J3-CR55K MR-J3-DU30KB MR-J3-DU37KB HF3200A-UN 9 18
MR-J3-CR55K4 MR-J3-DU30KB4 to MR-J3-DU55KB4 TF3150C-TX 5.5 31
(2) Connection example
1
2
3
4
5
6
E
NFB
(Note)
Power supply
L1
L2
L3
L11
L21
Converter unit
MC
Drive unit
L11
L21
EMC filter
Note. For power supply specifications, refer to section 13.1.3.

13 - 89
13. SERVO AMPLIFIERS WITH A LARGE CAPACITY (30k TO 55kW)
(3) Outline drawing
HF3200A-UN
[Unit: mm]
500 5
480 1
3- 6.5 3-M10
M8
3- 6.5 Length: 8
TF3150C-TX
[Unit: mm]
150 1 150 1 150 1
452 5
500 3
3-M8 3-M8
M4
M8
M4
M4
8-R 4.25 Length: 12
(for M8)
110 2
210 2
(227)
260 3

13 - 90
13. SERVO AMPLIFIERS WITH A LARGE CAPACITY (30k TO 55kW)
13.9.10 FR-BU2-(H) Brake Unit
POINT
Use a 200V class brake unit and a resistor unit with a 200V class converter
unit, and a 400V class brake unit and a resistor unit with a 400V class
converter unit. Combination of different voltage class units cannot be used.
Install a brake unit and a resistor unit on a flat surface vertically. When the
unit is installed horizontally or diagonally, the heat dissipation effect
diminishes.
Temperature of the resistor unit case rises to higher than 100 . Keep cables
and flammable materials away from the case.
Ambient temperature condition of the brake unit is between 10 to 50 .
Note that the condition is different from the ambient temperature condition of
the converter unit (between 0 to 55 ).
Configure the circuit to shut down the power-supply with the alarm output of
the brake unit and the resistor unit under abnormal condition.
Use the brake unit with a combination indicated in (1) of this section.
For executing a continuous regenerative operation, use FR-RC-(H) power
regeneration converter or FR-CV-(H) power regeneration common converter.
Connect the brake unit to the bus of the converter unit (L and L of TE2-1) for use. As compared to the MR-
RB regenerative brake option, the brake unit can return larger power. Use the brake unit when the regenerative
brake option cannot provide sufficient regenerative brake capability.
When using the brake unit, set the parameter No.PA02 of the converter unit to “ 01”.
When using the brake unit, always refer to the FR-BU2-(H) Brake Unit Instruction Manual.
(1) Selection
Use a combination of converter unit, brake unit and resistor unit listed below.
Brake unit Resistor unit
Number of
connected
units
Permissible
continuous
power [kW]
Total
resistance
[]
Applicable converter
unit
FR-BU2-55K FR-BR-55K 2 (parallel) 7.82 1 MR-J3-CR55K 200V
class MT-BR5-55K 2 (parallel) 11.0 1 MR-J3-CR55K
FR-BU2-H55K FR-BR-H55K 2 (parallel) 7.82 4 MR-J3-CR55K4 400V
class FR-BU2-H75K MT-BR5-H75K 2 (parallel) 15.0 3.25 MR-J3-CR55K4

13 - 91
13. SERVO AMPLIFIERS WITH A LARGE CAPACITY (30k TO 55kW)
(2) Brake unit parameter setting
Normally, changing parameters of the FR-BU2-(H) is not necessary. Whether a parameter can be changed
or not is listed below.
Parameter
No. Name
Change
possible/
impossible
Remarks
0 Brake mode switchover Impossible Do not change the parameter.
1 Monitor display data selection Possible Refer to FR-BU2-(H) Brake Unit
Instruction Manual.
2 Input terminal function selection 1
3 Input terminal function selection 2
77 Parameter write selection
78 Cumulative energization time
carrying-over times
CLr Parameter clear
ECL Alarm history clear
C1 For manufacturer setting
Impossible Do not change the parameter
(3) Connection example
POINT
Connecting PR terminal of the brake unit to L terminal of the converter unit
results in a brake unit malfunction. Always connect the PR terminal of the
brake unit to the PR terminal of the resistor unit.
(a) Combination with FR-BR-(H) resistor unit
POINT
To use brake units with a parallel connection, use two sets of FR-BU2-(H)
brake unit. Combination with other brake unit results in alarm occurrence or
malfunction.
Always connect the master and slave terminals (MSG and SD) of the two
brake units.
Do not connect as shown below.
N/
P/
Brake unit
Brake unit
Converter unit
L
LN/
P/
Connecting two cables to
P and N terminals
N/
P/
Brake unit
Brake unit
Converter unit
L
LN/
P/
Passing wiring

13 - 92
13. SERVO AMPLIFIERS WITH A LARGE CAPACITY (30k TO 55kW)
NFB
Drive unitConverter unit
L1
L2
L3
L11
L21
(Note 1)
Power supply
L
L
L
L
1MC1
2MC2
CNP1
EM1
3
20
SDPlate
DICOM
10
DOCOM
5DICOM
ALM15
CN3
RA1
Forced stop
(Note 2)
MC
CN1
1DICOM
5DOCOM
6DICOM
2ALM
7EM1
9DOCOM
(Note 2)
RA2
N/
P/
BUE
SD
PR
B
C
A
SD
MSG
(Note 4)
(Note 7)
FR-BU2-(H)
FR-BR-(H)
P
PR TH2
TH1
(Note 6)
Terminal
block
(Note 12)
(Note 11)
(Note 10)
N/
P/
BUE
SD
PR
B
C
A
SD
MSG
FR-BU2-(H)
(Note 6)
FR-BR-(H)
P
PR
L11
L21
(Note 5)
P1
P2
(Note 3)
L
L(Note 9)
RA1 RA2 RA3
Drive
unit
Converter
unit
Controller
forced stop
RA4
Servo motor
thermal relay
(Note 8)
MC
SK
(Note 2)
Forced stop
EM1
Operation
ready
OFF/ON
24VDC
24VDC
(Note 4)
(Note 7)
(Note 11)
(Note 10)
TH2
TH1

13 - 93
13. SERVO AMPLIFIERS WITH A LARGE CAPACITY (30k TO 55kW)
Note 1. For power supply specifications, refer to section 13.1.3.
2. Configure the circuit to turn OFF the forced stop (EM1) of the drive unit and the converter unit at the same time.
3. Always connect P1 and P2 terminals (Factory-wired). When using the power factor improving DC reactor, refer to section 13.9.6.
4. Connect P/ and N/ terminals of the brake unit to a correct destination. Wrong connection results in the converter unit and
brake unit malfunction.
5. For the converter unit and the drive unit of 400V class, a stepdown transformer is required.
6. Contact rating: 1b contact, 110VAC_5A/220VAC_3A
Normal condition: TH1-TH2 is conducting. Abnormal condition: TH1-TH2 is not conducting.
7. Contact rating: 230VAC_0.3A/30VDC_0.3A
Normal condition: B-C is conducting/A-C is not conducting. Abnormal condition: B-C is not conducting/A-C is conducting.
8. Connect the thermal relay censor of the servo motor.
9. Do not connect more than one cable to each L and L terminals of TE2-1 of the converter unit.
10. Always connect BUE and SD terminals (Factory-wired).
11. Connect MSG and SD terminals of the brake unit to a correct destination. Wrong connection results in the converter unit and
brake unit malfunction.
12. For connecting L and L - terminals of TE2-1 of the converter unit to the terminal block, use the cable indicated in (3) (d) of
this section.

13 - 94
13. SERVO AMPLIFIERS WITH A LARGE CAPACITY (30k TO 55kW)
(b) Combination with MT-BR5-(H) resistor unit
1) When connecting a brake unit to a converter unit
NFB
Drive unitConverter unit
L1
L2
L3
L11
L21
(Note 1)
Power supply
L
L
L
L
1MC1
2MC2
CNP1
L11
L21
RA1
MC
SK
(Note 5)
RA2 RA3
Drive
unit
Converter
unit
Controller
forced stop
(Note 2)
Forced stop
EM1
Operation
ready
OFF/ON
RA4
Servo motor
thermal relay
(Note 8)
RA5
EM1
3
20
SDPlate
DICOM
10
DOCOM
5DICOM
ALM15
CN3
RA1
Forced stop
(Note 2)
MC
CN1
1DICOM
5DOCOM
6DICOM
2ALM
7EM1
9DOCOM
(Note 2)
RA2
N/
P/
BUE
SD
PR
B
C
A
SD
MSG
(Note 4)
(Note 7)
RA5
FR-BU2-(H)
MT-BR5-(H)
P
PR TH2
TH1
(Note 6)
SK
(Note 10)
P1
P2
L
L
(Note 9)
(Note 3)
24VDC
24VDC
Note 1. For power supply specifications, refer to section 13.1.3.
2. Configure the circuit to turn OFF the forced stop (EM1) of the drive unit and the converter unit at the same time.
3. Always connect P1 and P2 terminals (Factory-wired). When using the power factor improving DC reactor, refer to section 13.9.6.
4. Connect P/ and N/ terminals of the brake unit to a correct destination. Wrong connection results in the converter unit and
brake unit malfunction.
5. For the converter unit and the drive unit of 400V class, a stepdown transformer is required.
6. Contact rating: 1a contact, 110VAC_5A/220VAC_3A
Normal condition: TH1-TH2 is not conducting. Abnormal condition: TH1-TH2 is conducting.
7. Contact rating: 230VAC_0.3A/30VDC_0.3A
Normal condition: B-C is conducting/A-C is not conducting. Abnormal condition: B-C is not conducting/A-C is conducting.
8. Connect the thermal relay censor of the servo motor.
9. Do not connect more than one cable to each L and L terminals of TE2-1 of the converter unit.
10. Always connect BUE and SD terminals (Factory-wired).

13 - 95
13. SERVO AMPLIFIERS WITH A LARGE CAPACITY (30k TO 55kW)
2) When connecting two brake units to a converter unit
POINT
To use brake units with a parallel connection, use two sets of FR-BU2-(H)
brake unit. Combination with other brake unit results in alarm occurrence or
malfunction.
Always connect the master and slave terminals (MSG and SD) of the two
brake units.
Do not connect the converter unit and brake units as below. Connect the
cables with a terminal block to distribute as indicated in this section.
N/
P/
Brake unit
Brake unit
Converter unit
L
LN/
P/
Connecting two cables to
P and N terminals
N/
P/
Brake unit
Brake unit
Converter unit
L
LN/
P/
Passing wiring

13 - 96
13. SERVO AMPLIFIERS WITH A LARGE CAPACITY (30k TO 55kW)
NFB
Drive unitConverter unit
L1
L2
L3
L11
L21
(Note 1)
Power
supply
L
L
L
L
1MC1
2MC2
CNP1
EM1
3
20
SDPlate
DICOM
10
DOCOM
5DICOM
ALM15
CN3
RA1
Forced stop
(Note 2)
MC
CN1
1DICOM
5DOCOM
6DICOM
2ALM
7EM1
9DOCOM
(Note 2)
RA2
L11
L21
(Note 5)
P1
P2
(Note 3)
L
L(Note 9)
RA1 RA2 RA3
Drive
unit
Converter
unit
Controller
forced stop
RA4
Servo motor
thermal relay
(Note 8)
MC
SK
(Note 2)
Forced stop
EM1
Operation
ready
OFF/ON
RA5 RA6
N/
P/
BUE
SD
PR
B
C
A
SD
MSG
(Note 4)
(Note 7)
FR-BU2-(H)
MT-BR5-(H)
P
PR TH2
TH1
(Note 6)
(Note 12) (Note 11)
(Note 10)
Terminal
block
SK
RA3
(Note 7)
N/
P/
BUE
SD
PR
B
C
A
SD
MSG
(Note 4)
FR-BU2-(H)
TH2
TH1
(Note 6)
MT-BR5-(H)
P
PR
(Note 11)
(Note 10)
SK
RA4
24VDC
24VDC
L

13 - 97
13. SERVO AMPLIFIERS WITH A LARGE CAPACITY (30k TO 55kW)
Note 1. For power supply specifications, refer to section 13.1.3.
2. Configure the circuit to turn OFF the forced stop (EM1) of the drive unit and the converter unit at the same time.
3. Always connect P1 and P2 terminals (Factory-wired). When using the power factor improving DC reactor, refer to section 13.9.6.
4. Connect P/ and N/ terminals of the brake unit to a correct destination. Wrong connection results in the converter unit and
brake unit malfunction.
5. For the converter unit and the drive unit of 400V class, a stepdown transformer is required.
6. Contact rating: 1a contact, 110VAC_5A/220VAC_3A
Normal condition: TH1-TH2 is conducting. Abnormal condition: TH1-TH2 is not conducting.
7. Contact rating: 230VAC_0.3A/30VDC_0.3A
Normal condition: B-C is conducting/A-C is not conducting. Abnormal condition: B-C is not conducting/A-C is conducting.
8. Connect the thermal relay censor of the servo motor.
9. Do not connect more than one cable to each L and L terminals of TE2-1 of the converter unit.
10. Always connect BUE and SD terminals (Factory-wired).
11. Connect MSG and SD terminals of the brake unit to a correct destination. Wrong connection results in the converter unit and
brake unit malfunction.
12. For connecting L and L - terminals of TE2-1 of the converter unit to the terminal block, use the cable indicated in (3) (d) of
this section.
(c) Precautions for wiring
The cables between the converter unit and the brake unit, and between the resistor unit and the brake
unit should be as short as possible. Always twist the cable longer than 5m (twist five times or more per
one meter). Even when the cable is twisted, the cable should be less than 10m. Using cables longer
than 5m without twisting or twisted cables longer than 10m, may result in the brake unit malfunction.
Converter unit
Brake unit
5m or less 5m or less
Converter unit
Brake unit
10m or less 10m or less
P
N
P
N
P
PR PR
P
N
P
PR
P
PR
Twist
Resistor unit Resistor unit
P
N
Twist
P
(d) Cables
1) Cables for the brake unit
For the brake unit, HIV cable (600V grade heat-resistant PVC insulated wire) is recommended.
a) Main circuit terminal
Wire size Crimping
terminal N/ , P/ , PR,
Brake unit
Main
circuit
terminal
screw
size
N/ , P/ ,
PR,
Tightening
torque
[N m] HIV wire
[mm2] AWG
200V
class FR-BU2-55K M6 14-6 4.4 14 6
400V FR-BU2-H55K M5 5.5-5 2.5 5.5 10
N/ P/ PR
Terminal block
class FR-BU2-H75K M6 14-6 4.4 14 6

13 - 98
13. SERVO AMPLIFIERS WITH A LARGE CAPACITY (30k TO 55kW)
b) Control circuit terminal
POINT
Under tightening can cause a cable disconnection or malfunction. Over
tightening can cause a short circuit or malfunction due to damage to the
screw or the brake unit.
A
RES
PC
B
SD
BUE
C
MSG
SD MSG SD SD
Jumper
Terminal block
6mm
Sheath Core
Wire the stripped cable after twisting to prevent the cable
from becoming loose. In addition, do not solder it.
Screw size: M3
Tightening torque: 0.5N m to 0.6N m
Wire size: 0.3mm2 to 0.75 mm2
Screw driver: Small flat-blade screwdriver
(Tip thickness: 0.4mm/Tip width 2.5mm)
2) Cables for connecting the servo amplifier and a distribution terminal block when connecting two sets
of the brake unit
Wire size
Brake unit HIV wire
[mm2] AWG
200V
class FR-BU2-55K 38 2
400V FR-BU2-H55K 14 6
class FR-BU2-H75K 38 2

13 - 99
13. SERVO AMPLIFIERS WITH A LARGE CAPACITY (30k TO 55kW)
(e) Crimping terminals for L and L terminals of TE2-1 of servo amplifier
1) Recommended crimping terminals
POINT
Always use recommended crimping terminals or equivalent since some
crimping terminals cannot be installed depending on the size.
Converter unit Brake unit
Number of
connected
units
Crimping terminal (Manufacturer)
(Note 1)
Applicable
tool
200V
class
MR-J3-CR55K FR-BU2-55K 2 38-S6(Japan Solderless Terminal)
(Note 2)
R38-6S (NICHIFU) (Note 2)
a
400V MR-J3-CR55K4 FR-BU2-H55K 2 FVD14-6(Japan Solderless Terminal) b
class FR-BU2-H75K 2 38-S6(Japan Solderless Terminal)
(Note 2)
R38-6S (NICHIFU) (Note 2)
a
Note 1. Symbols in the applicable tool field indicate the following applicable tools.
Servo amplifier side crimping terminals
Crimping terminal
Symbol Crimping
terminal Body Head Dice
Manufacturer
YPT-60-21
38-S6 YF-1 E-4 YET-60-1 TD-124 TD-112 Japan Solderless
Terminal
a
R38-6S NOP60
NOM60 NICHIFU
b FDV14-6 YF-1 E-4 YNE-38 DH-112 DH-122 Japan Solderless
Terminal
2. Coat the crimping part with an insulation tube.

13 - 100
13. SERVO AMPLIFIERS WITH A LARGE CAPACITY (30k TO 55kW)
(4) Outline dimension drawings
(a) FR-BU2- (H) brake unit
[Unit: mm]
FR-BU2-55K
FR-BU2-H55K, H75K
18.5
Rating
plate
52 72
5
142.5
5
61586
170
2- 5hole
(Screw size: M4)
(b) FR-BR- (H) resistor unit
[Unit: mm]
2- C
Control circuit
terminal
Main circuit
terminal
W1 1
Approx. 35 Approx. 35
204
Hanging bolt
CC
W 5
A hanging bolt is placed on two locations
(Indicated below).
(Note)
(Note)
Note. Ventilation ports are provided on both sides and the top. The bottom is open.
Resistor unit W W1 H H1 H2 H3 D D1 C Approximate
mass [kg]
200V
class FR-BR-55K 480 410 700 620 40 670 450 3.2 12 70
400V
class FR-BR-H55K 480 410 700 620 20 670 450 3.2 12 70

13 - 101
13. SERVO AMPLIFIERS WITH A LARGE CAPACITY (30k TO 55kW)
(c) MT-BR5- (H) resistor unit
[Unit: mm]
Resistor unit Resistance
value
Approximate
mass [kg]
200V
class MT-BR5-55K 2.0 50
400V
class MT-BR5-H75K 6.5 70
4 15 mounting hole
30075 75
4507.5 7.5
M6 M4
193 189
480
510
37 60 2110
NP

13 - 102
13. SERVO AMPLIFIERS WITH A LARGE CAPACITY (30k TO 55kW)
MEMO

App. - 1
A
PPENDIX
App. 1 Parameter list
POINT
Parameter whose symbol is preceded by * is made valid with the following
conditions.
* : Set the parameter value, switch power off once after setting, and then
switch it on again, or perform the controller reset.
**: Set the parameter value, switch power off once, and then switch it on
again.
App. 1.1 Servo amplifier (drive unit)
Basic setting parameters (PA ) Gain/filter parameters (PB )
No. Symbol Name No. Symbol Name
PA01 For manufacturer setting PB01 FILT Adaptive tuning mode (Adaptive filter )
PA02 **REG Regenerative option
PA03 *ABS Absolute position detection system PB02 VRFT Vibration suppression control filter tuning mode
(advanced vibration suppression control)
PA04 *AOP1 Function selection A-1 PB03 For manufacturer setting
For manufacturer setting PB04 FFC Feed forward gain
PB05 For manufacturer setting
PA05
to
PA07
PA08 ATU Auto tuning mode PB06 GD2 For manufacturer setting Ratio of load inertia
moment to servo motor inertia moment
PA09 RSP Auto tuning response PB07 PG1 Model loop gain
PA10 INP In-position range PB08 PG2 Position loop gain
For manufacturer setting PB09 VG2 Speed loop gain
PB10 VIC Speed integral compensation
PA11
to
PA13
PB11 VDC Speed differential compensation
PA14 *POL Rotation direction selection PB12 For manufacturer setting
PA15 *ENR Encoder output pulses PB13 NH1 Machine resonance suppression filter 1
For manufacturer setting PB14 NHQ1 Notch form selection 1
PB15 NH2 Machine resonance suppression filter 2
PA16
to
PA18
PB16 NHQ2 Notch form selection 2
PA19 *BLK Parameter write inhibit PB17 Automatic setting parameter
PB18 LPF Low-pass filter
PB19 VRF1 Vibration suppression control vibration frequency
setting
PB20 VRF2 Vibration suppression control resonance frequency
setting
PB21
PB22
For manufacturer setting
PB23 VFBF Low-pass filter selection
PB24 *MVS Slight vibration suppression control selection
PB25 For manufacturer setting
PB26 *CDP Gain changing selection
PB27 CDL Gain changing condition
PB28 CDT Gain changing time constant
PB29 GD2B Gain changing ratio of load inertia moment to servo
motor inertia moment
PB30 PG2B Gain changing position loop gain
PB31 VG2B Gain changing speed loop gain
PB32 VICB Gain changing speed integral compensation
PB33 VRF1B Gain changing vibration suppression control
vibration frequency setting
PB34 VRF2B Gain changing vibration suppression control
resonance frequency setting
PB35
to
PB45
For manufacturer setting

App. - 2
A
PPENDI
X
Extension setting parameters (PC ) I/O setting parameters (PD )
No. Symbol Name No. Symbol Name
PC01 *ERZ Error excessive alarm level
PC02 MBR Electromagnetic brake sequence output
PC03 *ENRS Encoder output pulses selection
PD01
to
PD06
For manufacturer setting
PC04 **COP1 Function selection C-1 PD07 *DO1 Output signal device selection 1 (CN3-13)
PC05 **COP2 Function selection C-2 PD08 *DO2 Output signal device selection 2 (CN3-9)
PC06 *COP3 Function selection C-3 PD09 *DO3 Output signal device selection 3 (CN3-15)
PC07 ZSP Zero speed
PC08 For manufacturer setting
PC09 MOD1 Analog monitor 1 output
PD10
to
PD13
For manufacturer setting
PC10 MOD2 Analog monitor 2 output PD14 *DOP3 Function selection D-3
PC11 MO1 Analog monitor 1 offset For manufacturer setting
PC12 MO2 Analog monitor 2 offset
PC13 MOSDL
PD15
to
PD32
Analog monitor feedback position output
standard data Low
PC14 MOSDH
Analog monitor feedback position output
standard data High
PC15
to
PC16
For manufacturer setting
PC17 **COP4 Function selection C-4
PC18
to
PC20
For manufacturer setting
PC21 *BPS Alarm history clear
PC22
to
PC32
For manufacturer setting
App. 1.2 Converter unit
No. Symbol Name
PA01 *REG Regenerative selection
PA02 *MCC Magnetic contactor drive output selection
PA03
to
PA07
For manufacturer setting
PA08 *DMD Auto tuning mode
PA09 *BPS Alarm history clear
PA10
PA11
For manufacturer setting
PA12 *DIF Input filter setting
PA13
to
PA19
For manufacture setting

App. - 3
A
PPENDI
X
App. 2 Signal layout recording paper
1
2
3
5
4
6
7
9
8
10
11
12
13
14
15
16
17
18
19
20
DI1
MO1
DICOM
LG
DOCOM
DICOM
LZ
DI2
MO2
EM1
LG
LBR
LA
LB
LZR
LAR
DI3
App. 3 Twin type connector : Outline drawing for 721-2105/026-000(WAGO)
[Unit: mm]
DC
2.7
20.8
5.
8
10.6
15.1 2.9
26.45
4.75
25
2.75
A
4 A( B)
721-2105/026-000
721-2205/026-000
Size [mm]
ABCD
52055.25
7.5 30 7.5 7.75
Model
Driver slot Wire inserting hole
Detecting hole
Latch Coding finger

App. - 4
A
PPENDI
X
App. 4 Change of connector sets to the RoHS compatible products
The following connector sets have been changed to RoHS compliant since September 2006.
RoHS compliant and non-RoHS compliant connector sets may be mixed based on availability.
Only the components of the connector set that have changed are listed below.
Model Current Product RoHS Compatible Product
MR-J3SCNS
MR-ECNM
Amplifier connector (3M or equivalent of 3M)
36210-0100JL (Receptacle) (Note)
Amplifier connector (3M or equivalent of 3M)
36210-0100PL (Receptacle)
MR-PWCNS4 Power supply connector (DDK)
CE05-6A18-10SD-B-BSS (Connector and Back shell)
CE3057-10A-1 (D265) (Cable clump)
Power supply connector (DDK)
CE05-6A18-10SD-D-BSS (Connector and Back shell)
CE3057-10A-1-D (Cable clump)
MR-PWCNS5 Power supply connector (DDK)
CE05-6A22-22SD-B-BSS (Connector and Back shell)
CE3057-12A-1 (D265) (Cable clump)
Power supply connector (DDK)
CE05-6A22-22SD-D-BSS (Connector and Back shell)
CE3057-12A-1-D (Cable clump)
MR-PWCNS3 Power supply connector (DDK)
CE05-6A32-17SD-B-BSS (Connector and Back shell)
CE3057-20A-1 (D265) (Cable clump)
Power supply connector (DDK)
CE05-6A32-17SD-D-BSS (Connector and Back shell)
CE3057-20A-1-D (Cable clump)
MR-PWCNS1 Power supply connector (DDK)
CE05-6A22-23SD-B-BSS (Connector and Back shell)
CE3057-12A-2 (D265) (Cable clump)
Power supply connector (DDK)
CE05-6A22-23SD-D-BSS (Connector and Back shell)
CE3057-12A-2-D (Cable clump)
MR-PWCNS2 Power supply connector (DDK)
CE05-6A24-10SD-B-BSS (Connector and Back shell)
CE3057-16A-2 (D265) (Cable clump)
Power supply connector (DDK)
CE05-6A24-10SD-D-BSS (Connector and Back shell)
CE3057-16A-2-D (Cable clump)
MR-BKCN Electromagnetic brake connector
MS3106A10SL-4S(D190) (Plug, DDK)
Electromagnetic brake connector
D/MS3106A10SL-4S(D190) (Plug, DDK)
MR-CCN1 Amplifier connector (3M or equivalent of 3M)
10120-3000VE (connector)
Amplifier connector (3M or equivalent of 3M)
10120-3000PE (connector)
Note. RoHS compatible 36210-0100FD may be packed with current connector sets.

App. - 5
A
PPENDI
X
App. 5 MR-J3-200B-RT servo amplifier
Connectors (CNP1, CNP2, and CNP3) and appearance of MR-J3-200B servo amplifier have been changed
from January 2008 production. Model name of the existing servo amplifier is changed to MR-J3-200B-RT. The
difference between new MR-J3-200B servo amplifier and existing MR-J3-200B-RT servo amplifier is described
in this appendix. Sections within parentheses in the following sections indicate corresponding sections of the
instruction manual.
App. 5.1 Parts identification (1.7.1 Parts identification)
7
9
6
8
5
4
3
2
1
0
F
E
D
C
B
A
12
ON 4F
SW1
SW2
TEST
Fixed part
(3 places)
Cooling fan
Used to set the axis No. of servo amplifier.
Rotary axis setting switch (SW1)
SW2
Test operation select switch (SW2-1)
Used to perform the test operation
mode by using MR Configurator.
Spare (Be sure to set to the "Down"
position).
Detailed
explanation
Section 3.13
SW1
Section 3.13
Name/Application
12
Display
The 3-digit, seven-segment LED shows the servo
status and alarm number.
Main circuit power supply connector (CNP1)
Connect the input power supply.
USB communication connector (CN5)
Connect the personal computer.
I/O signal connector (CN3)
Used to connect digital I/O signals.
More over an analog monitor is output.
Section 3.2
Section 3.4
SSCNET cable connector (CN1A)
Used to connect the servo system controller or the front
axis servo amplifier.
SSCNET cable connector (CN1B)
Used to connect the rear axis servo amplifier. For the final
axis, puts a cap.
Encoder connector (CN2)
Used to connect the servo motor encoder.
Charge lamp
Lit to indicate that the main circuit is charged. While
this lamp is lit, do not reconnect the cables.
Battery connector (CN4)
Used to connect the battery for absolute position data
backup.
Battery holder
Contains the battery for absolute position data backup.
Protective earth (PE) terminal ( )
Ground terminal.
Rating plate
7
6
5
4
3
2
1
0
F
E
D
C
B
A
9
8
Chapter 4
Section 3.1
Section 3.3
Section 11.8
Section 3.2
Section 3.4
Control circuit connector (CNP2)
Connect the control circuit power supply/regenerative
option.
Section 3.1
Section 3.3
Section 3.2
Section 3.4
Servo motor power connector (CNP3)
Connect the servo motor.
Section 3.1
Section 3.3
Section 3.4
Section 11.1
Section 11.9
Chapter 12
Section 12.3
Section 3.1
Section 3.3
Section 1.5

App. - 6
A
PPENDI
X
App. 5.2 Configuration including auxiliary equipment (1.8 Configuration including auxiliary equipment)
R S T
P
C
L21
P1
P2
UV W
L11
L1
L2
L3
CN5
CN3
CN2
CN1A
CN1B
CN4
Line noise filter
(FR-BLF)
(Note 3)
Power supply
Magnetic
contactor
(MC)
No-fuse breaker
(NFB) or fuse
Regenerative
option
(Note 2)
Power factor
improving DC
reactor
(FR-BEL)
(Note 2)
Servo amplifier
Junction
terminal
block
MR Configurator
Personal
computer
(Note 1)
Battery
MR-J3BAT
Servo system
controller or Front axis
servo amplifier CN1B
Rear servo amplifier
CN1A or Cap
Servo motor
Note 1. The battery (option) is used for the absolute position detection system in the position control mode.
2. The AC reactor can also be used. In this case, the DC reactor cannot be used. When not using DC reactor, short P1-P2.
3. Refer to section 1.3 for the power supply specification.

App. - 7
A
PPENDI
X
App. 5.3 CNP1, CNP2, CNP3 wiring method (3.3.3 CNP1, CNP2, CNP3 wiring method)
(a) Servo amplifier power supply connectors
Servo amplifier power supply connectors
CNP3
CNP1
CNP2
Connector for CNP1
PC4/6-STF-7.62-CRWH
(Phoenix Contact)
<Applicable cable example>
Cable finish OD: 5mm or less
Connector for CNP3
PC4/3-STF-7.62-CRWH
(Phoenix Contact)
Connector for CNP2(Note)
54928-0520 (Molex)
Servo amplifier
<Applicable cable example>
Cable finish OD: 3.8mm or less
Note. As twin type connector for CNP2 (L11, L21) is the same as MR-J3-100B or smaller. Refer to section (1) (c).
(b) Termination of the cables
1) CNP1 CNP3
Solid wire: After the sheath has been stripped, the cable can be used as it is.
7mm
Sheath Core
Twisted wire: Use the cable after stripping the sheath and twisting the core. At this time, take care to
avoid a short caused by the loose wires of the core and the adjacent pole. Do not
solder the core as it may cause a contact fault. Alternatively, a bar terminal may be
used to put the wires together.
Cable size Bar terminal type
[mm2] AWG For 1 cable For 2 cables Crimping tool Manufacturer
1.25/1.5 16 AI1.5-8BK AI-TWIN2 1.5-8BK
2.0/2.5 14 AI2.5-8BU AI-TWIN2 2.5-10BU CRIMPFOX-ZA3 Phoenix Contact
3.5 12 AI4-10Y
2) CNP2
CNP2 is the same as MR-J3-100B or smaller capacities. Refer to section 3.3.3 (1) (b).

App. - 8
A
PPENDI
X
App. 5.4 OUTLINE DRAWINGS (Chapter 9 OUTLINE DRAWINGS)
[Unit: mm]
Approx.14
Approx.
25.5
90
168
678
6
45
6
156
6
6 mounting hole
195
21.4
Approx.80
Cooling fan
wind direction
Approx.68
6
85
With MR-J3BAT
6
Mass: 2.3 [kg] (5.07 [lb])
U
V
W
CNP3
P
C
D
L11
L21
CNP2
L1
L2
L3
N
P1
P2
CNP1
Terminal signal layout
PE terminal
Screw size: M4
Tightening torque:
1.2 [N m] (10.6 [lb in])
Approx. 90
78 0.3
Approx. 6 Approx. 6
3-M5 screw
Mounting hole process drawing
Mounting screw
Screw size: M5
Tightening torque: 3.24 [N m] (28.7 [lb in])

App. - 9
A
PPENDI
X
App. 6 Selection example of servo motor power cable
POINT
Selection condition of wire size is as follows.
Wire length: 30m or less
Depending on the cable selected, there may be cases that the cable does not
fit into the Mitsubishi optional or recommended cable clamp. Select a cable
clamp according to the cable diameter.
Selection example when using the 600V grade EP rubber insulated chloroprene sheath cab-tire cable (2PNCT)
for servo motor power (U, V, and W) is indicated below.
Servo motor Wire size [mm2] Servo motor Wire size [mm2] Servo motor Wire size [mm2]
HF-SP52 1.25 HC-LP152 2 HA-LP30K2 60
HF-SP102 1.25 HC-LP202 3.5 HA-LP37K2 60
HF-SP152 2 HC-LP302 5.5 HA-LP6014 5.5
HF-SP202 2 HC-UP72 1.25 HA-LP8014 5.5
HF-SP352 3.5 HC-UP152 2 HA-LP12K14 8
HF-SP502 5.5 HC-UP202 3.5 HA-LP15K14 14
HF-SP702 8 HC-UP352 5.5 HA-LP20K14 14
HF-SP51 1.25 HC-UP502 5.5 HA-LP25K14 22
HF-SP81 1.25 HA-LP601 8 HA-LP30K14 22
HF-SP121 2 HA-LP801 14 HA-LP37K14 22
HF-SP201 2 HA-LP12K1 14 HA-LP701M4 5.5
HF-SP301 3.5 HA-LP15K1 22 HA-LP11K1M4 8
HF-SP421 5.5 HA-LP20K1 38 HA-LP15K1M4 14
HF-SP524 1.25 HA-LP25K1 38 HA-LP22K1M4 14
HF-SP1024 1.25 HA-LP30K1 38 HA-LP30K1M4 22
HF-SP1524 2 HA-LP37K1 60 HA-LP37K1M4 22
HF-SP2024 2 HA-LP701M 8 HA-LP45K1M4 38
HF-SP3524 2 HA-LP11K1M 14 HA-LP50K1M4 38
HF-SP5024 3.5 HA-LP15K1M 22 HA-LP11K24 8
HF-SP7024 5.5 HA-LP22K1M 38 HA-LP15K24 14
HC-RP103 2 HA-LP30K1M 60 HA-LP22K24 14
HC-RP153 2 HA-LP37K1M 60 HA-LP30K24 22
HC-RP203 (Note) 3.5 HA-LP502 5.5 HA-LP37K24 22
HC-RP353 (Note) 5.5 HA-LP702 8 HA-LP45K24 38
HC-RP503 (Note) 5.5 HA-LP11K2 14 HA-LP55K24 38
HC-LP52 1.25 HA-LP15K2 22
HC-LP102 1.25 HA-LP22K2 22
Note. Use a composite cable and others when combining with wiring of the electromagnetic brake power in the same cable.

REVISIONS
*The manual number is given on the bottom left of the back cover.
Print Data *Manual Number Revision
May, 2005 SH(NA)030051-A First edition
Jan., 2006 SH(NA)030051-B Addition of servo amplifier MR-J3-11KB(4), 15KB(4) and 22KB(4)
Addition of servo motor HC-RP, HC-UP, HC-LP and HA-LP4 series
Section 1.5 (2) : Addition of regeneration brake resistor-less specification
Section 1.7.2 : Addition of removal and reinstallation of front cover for
11KB(4) or more
Section 2.1 : (1) Addition of 7kW or less
(2) Addition of 11kW or more
Section 3.7.1 : Error correction of differential line driver output as 35mA
Section 3.8 (2) : Addition of "For CN2 connector"
Section 3.11.2 (4) : Addition of time from invalid to valid of electromagnetic brake
interlock
Section 5.1.3 : Addition of sentence when using with 11KB or more for
parameter No.PA02 00 Addition of FA
Section 5.3.1 : PC13 PC14 description change
Section 5.3.2 : PC13 PC14 description change
Section 5.3.3 (2) : Addition of Note3
Section 5.3.3 (3) : Partial figure change of analog monitor block
Section 5.4.2 : Partial sentence addition of parameter No.PD07
Section 8.2 : Addition of "IGBT" to Cause 2. of alarm No. 32 indicated as
Display in the remedies list for alarms
Section 8.3 : Addition of POINT
Section 11.1.1 : Partial figure addition
Section 11.2 (3) : Addition of sentence when using with 11KB or more for
parameter No.PA02 00 Addition of FA
Section 11.2 (5) (d) : Addition
Section 11.5 : Addition
Section 11.6 : Addition
Section 11.7 : Error correction
Section 11.10 : Addition
Section 11.11 : Addition of cooling fan thermal
Addition of Table 11.2, Note. 2
Section 11.19 : Addition of EMC filter HF3100A-UN
Jul., 2007 SH(NA)030051-C Addition of servo amplifier MR-J3-60B4 to 350B4
Addition of servo amplifier MR-J3-500B4 and 700B4
Addition of servo motor HF-SP524 / 1024 / 1524 / 2024 / 3524
Addition of drive units MR-J3-DU30KB(4), 37KB(4), 45KB4 and 55KB4
Addition of converter unit MR-J3-CR55K(4)
Deletion of setup software notation
Compliance with RoHS
Safety instructions 1.: To prevent electric shock: Addition of Note for 30kW or more
Safety instructions 4.: Additional instructions (2): Correction of the connection
diagram
Conformance with UL/C-UL standard (4): Addition of the capacitor discharge time
for 30kW or more
Conformance with UL/C-UL standard (5): Addition of the fuse for 30kW or more
About the manuals
Section 1.2
: Addition of description about MR-J3-DU B(4)
: Power supply description change

Print Data *Manual Number Revision
Jul., 2007 SH(NA)030051-C Section 1.2(1)
Section 1.3
Section 1.3(2)
Section 1.5(2)
Section 1.6
Section 1.7
Section 1.7.1(1) (3)
Section 1.7.2
Section 1.8
Section 1.8(1) (a)
Section 1.8(2) to (7)
Section 2.1(b)
Chapter 3
Section 3.1
Section 3.1(4)
Section 3.1(6)
Section 3.1(7)
Section 3.1(8)
Section 3.3.1
Section 3.3.3(1) (b)
Section 3.3.3(2) (b)
Section 3.3.3(3)
Section 3.3.3(4)
Section 3.3.3(5)
Section 3.4
Section 3.5(2)
Section 3.5(2) (d)
Section 3.7.2(3) (b)
Section 3.10
Section 3.10.1
Section 3.10.2(2)
: Unification of Note 3 to Note 2, addition of new Note 3
: Addition of MR-J3-500B4 and 700B4
: Addition of MR-J3-60B4 to 350B4
: Addition of MR-J3-60B4 to 350B4
: Addition of MR-J3-500B4 and 700B4
Addition of combination: MR-J3-60B4 to 350B4 and
servo motor
: Addition of MR-J3-60B4 to 350B4 as (2) and (4)
: Change of description for "servo motor power supply
connector" to "servo motor power connector"
: Change CAUTION to WARNING
: Power supply description change
: Unification of Note 4 to Note 3, addition of explanation
to Note 2
: Addition of explanation to Note 2
: Change of description to "Mounting closely is available
for a combination of servo amplifiers of 200V, 3.5kW or
less"
: Addition of CAUTION
: Addition of MR-J3-500B4 and 700B4
: Addition of MR-J3-60B4 to 350B4
: Addition of Note 7
: Change of description for Note 7
: Change of description for Note 7, addition of Note 9
: Addition of sentence to UVW Description
Addition of MR-J3-60B4 to 350B4 notation to L1, L2, L3,
L11 and L21
: Table content change
: Table content change
: Addition of POINT
Addition of cable handling procedures for MR-J3-200B4
and 350B4
: Addition and change of description
: Change of description
: Change of CN2 connection diagram to RoHS compliant
parts
: Addition of sentence to the dynamic brake interlock
description
Change of the zero speed diagram
: Change of description for Function/Application of Digital
I/F common from "DOG EMG" to "EM1"
: Addition of supplementary explanation to the output
pulse
: Addition of CAUTION
: Change of description for "motor power supply" to
"servo motor power"
: Addition of POINT for contactor connection, Change of
Note1, Change of “servo alarm” switch to “trouble
(ALM)” in (a) Wiring diagrams

Print Data *Manual Number Revision
Jul., 2007 SH(NA)030051-C Section 3.10.2(3)
Section 3.10.2(3) (b)
Section 3.11.3(1)
Section 3.12
Section 4.3(2)
Chapter 5
Section 5.1.3
Section 5.1.8
Section 5.2.1
Section 5.3.1
Section 5.3.2
Section 5.3.3(2)
Section 6.3(1) (a)
Section 6.4(2)
Section 8.2
Section 9.1
Section 9.1(1) to (7)
Section 9.2(3)
Section 10.1
Section 10.2
Section 10.2(1)
Section 10.3
Section 10.5
: Change of Note1 and 3 in (a) 1) and 2), Addition and
change of (b) Terminal box inside diagrams, Addition
and change of corresponding motor models in the
cooling fan power supply list
: Change of servo motor diagram
: Change of Note1
: Deletion of power specification notation, addition of
Note
: Correction of indication “Ab.” To “Ab .”, Change of
description for “AC”
: Change of Basic setting parameters description
: Addition of setting available options
Addition of parameter setting due to addition of
regenerative option
: Deletion of POINT "This parameter cannot be used in
the speed control mode"
: Change of parameter No.PB17 from “for manufacturer
setting” to “Automatic setting parameter”
: Change of parameter No.PC06 from “for manufacturer
setting” to “function selection C-3”
: Addition of Note for parameter No.PC01, Change of
parameter No.PC06 from “for manufacturer setting” to
“function selection C-3”, Addition of Note4 for
parameter No.PC09, Change of setting description for
parameter No.PC10
: Addition of Note4
: Addition of parameter No.PB07
: Change of description for Adjustment procedure Step5
: Addition of Note to the Definition for alarm (32),
Correction of the Cause4 for alarm (52)
: Addition of MR-J3-60B4 to 350B4
: Addition of mounting hole dimension diagram
: Description method change
: Change of graph from servo motor standards to servo
amplifier standards
Addition of MR-J3-60B4 to 350B4
: Addition of MR-J3-60B4 to 350B4 and corresponding
servo motor
: Addition of MR-J3-500B4 and 700B4
: Addition of MR-J3-500B4 and 700B4
Paragraphing of section 10.3.1 and section 10.3.2
Addition of dynamic brake time constant for servo motor
HF-SP524 / 1024 / 1524 / 2024 / 3524
Addition of section 10.3.2: Permissible inertia load
moment for MR-J3-60B4 to 350B4
: Addition of MR-J3-500B4 and 700B4
Addition of inrush current for MR-J3-60B4 to 350B4

Print Data *Manual Number Revision
Jul., 2007 SH(NA)030051-C Section 11.1.1
Section 11.1.2(1)
Section 11.1.2(1) (a)
Section 11.1.2(1) (a) (c)
Section 11.1.2(2)
Section 11.1.2(2) (a)
Section 11.1.2(3) (a) (c)
Section 11.1.2(4) (a)
Section 11.1.2(5) (a)
Section 11.1.4
Section 11.2
Section 11.2(1)
Section 11.2(2) (b)
Section 11.2(3)
Section 11.2(4)
Section 11.2(5) (b)
Section 11.2(5) (c)
Section 11.2(5) (f)
Section 11.3
Section 11.3(3) (b)
Section 11.4
Section 11.4(2)
Section 11.4(3) (b)
Section 11.5(3) (b)
Section 11.5(4) (b) 2)
Section 11.5(6)
Section 11.6(1)
Section 11.6(2)
Section 11.8(1)
Section 11.11
: Change of Application description for No.34 from
“outside panel long distance cable” to “long distance
cable”
Change of connector model
Addition of 2) Connector for 2kW and 3.5kW (400V)
: Deletion of 0.3m from table
: Change of CN2 connection diagram to RoHS compliant
parts
: Addition and change of connector description
: Deletion of 0.3m from table
: Addition and change of connector description
Change of CN2 connection diagram to RoHS compliant
parts
: Addition and change of connector description
: Change of CN2 connection diagram to RoHS compliant
parts
: Addition of connector set
: Deletion of 20 to 30m from table
: Addition of regenerative brake options for MR-J3-500B4
and 700B4
: Addition of regenerative option capable for MR-J3-60B4
to 350B4
: Addition of inverse efficiency and capacitor charging for
MR-J3-350B4
: Addition of parameter setting due to addition of
regenerative option
: Addition of regenerative option MR-RB5G-4
: Addition of regenerative option MR-RB3M-4, MR-
RB3G-4
: Addition of regenerative option MR-RB5G-4
: Addition of regenerative option MR-RB1H-4
: Addition of brake unit for MR-J3-500B4 and 700B4
: Change of description
: Addition of power regeneration converter for MR-J3-
500B4 and 700B4
: Deletion of notation for power supply specification,
change of description in Note 5, addition of Note 6
: Addition of Note 6 to disconnect the wiring of
regenerative brake register in servo amplifier of 7kW or
less
: Addition of Note 8
: Revision of cable diameter for 400V, deletion of Note
: For item: Altitude, vibration, deletion of description
"compliant with JIS"
: Addition of Note 5
: Change of CN3 description Deletion of Note 1
: Addition of MR Configurator compatible version
: Addition of recommended wires for MR-J3-500B4 and
700B4

Print Data *Manual Number Revision
Jul., 2007 SH(NA)030051-C Section 11.11(1)
Section 11.12
Section 11.13
Section 11.14
Section 11.18
Section 11.19
Section 11.19(1)
Section 11.19(3)
Section 12.3(1)
Chapter 13
Section 13.1.6(1)
Section 13.1.6(2) (3)
Section 13.1.7
Section 13.3
Section 13.3.1(1) (a)
Section 13.3.1(1) (b)
Section 13.3.1(2) (a)
13.3.1(2) (b)
13.3.2(1), (2)
Section 13.3.4(2)
Section 13.3.6
Section 13.3.7
Section 13.4.3(2) (b)
Section 13.4.3(3)
: Addition of cable diameter for MR-J3-60B4 to 350B4,
addition of Note 3: Cable 5) to 7) of MR-J3-700B(4)
: Addition of MR-J3-60B4 to 350B4 compliant products
Addition of no-fuse breakers, fuses and magnetic
contactors for MR-J3-500B4 and 700B4
: Addition of MR-J3-60B4 to 350B4 compliant products,
unification of (1) and (2)
Addition of power factor improving DC reactors for MR-
J3-500B4 and 700B4 Change of (2) Note2 Addition of
Note3
: Addition of MR-J3-60B4 to 350B4 compliant products
Addition of power factor improving AC reactors for MR-
J3-500B4 and 700B4
: Addition of MR-J3-60B4 to 350B4 as earth leakage
circuit breaker selection example
: Addition of EMC filter for MR-J3-500B4 and 700B4
: Addition of MR-J3-60B4 to 350B4 compliant products,
deletion of Note from TX series
: Addition of TF3005C-TX
: Addition of description for 30kW or more in
“WARNING”, Addition of POINT
: New addition of the details for 30kW or more
Change of notation "magnet contactor" to "magnetic
contactor"
: Change of description "I/O signal connector" to "Digital
I/O connector", addition of rating plate
Change in description of CN3 and CN6
: Change of rating plate designated position
: Enlargement of diagram for removing and reinstalling
terminal block cover
: Addition of POINT: reference "Signal (device)
explanations, section 3.5"
: Revision of magnetic contactor sequence, addition of
Note 3
: Revision of magnetic contactor sequence, addition of
Note 3 and 4
: Revision of magnetic contactor sequence, addition of
Note 3 and 4, addition of magnetic contactor control
(CNP1)
: Revision of magnetic contactor sequence, addition of
Note 3 to 5, addition of magnetic contactor control
(CNP1)
: Change of description in Note for "servo motor output"
and "servo motor power supply" to "servo motor power"
: Correction of reference for CN2 and CN3
: Raise of section 13.3.5 (3) to section 13.3.6
: Raise from section 13.3.6, Change of description in
chart: "servo motor power" to "servo motor power
supply"
: Change of display
: Deletion

Print Data *Manual Number Revision
Jul., 2007 SH(NA)030051-C Section 13.5.2
Section 13.6.1(3)
Section 13.8.1
Section 13.9.1
Section 13.9.2(5)
Section 13.9.3(2)
Section 13.9.3(3)
Section 13.9.4
Section 13.9.5
Section 13.9.7
Section 13.9.8(1) (2)
Appendix 1
Appendix 5
: Deletion of parameter No.PA08 name and initial value
: Deletion of "built-in regenerative register" from
excessive regenerative load warning (A.E0) definition
and cause
: Division of Load ratio graph for MR-J3- B(4) and MR-
J3-CR55K(4)
: Addition of notation "supplied with converter unit" for
7) and 8)
: Addition of Note
: Revision of connection diagram, change of Note 2,
addition of Note 5
: Addition of mass table
: Deletion of notation for UL/C-UL from body paragraph
: Deletion of Note
: Change of body paragraph
: Change of Iga display range in the diagram
: Change of parameter No.PB17 from “for manufacturer
setting” to “Automatic setting parameter”
Change of parameter No.PC06 from “for manufacturer
setting” to “function selection C-3”
: Update of the “combination of servo amplifier and
servo motor” table
(2)Wiring
: Change of description for “the servo motor will operate
improperly” to “the servo motor will not operate
properly” for the item of connection between the servo
amplifier and the servo motor
Conformance with UL/C-UL standard (3): Change of description
Conformance with UL/C-UL standard (5): Deletion of list of combination with fuse
About the wires used for wiring: Addition of the selected standard temperature
Jun, 2008 SH(NA)030051-D
Section 1.2 (1) to (3)
Section 1.3 (1)
Section 1.5 (2)
Section 1.6
Section 1.7.1 (3) (4)
Section 1.8 (3) (4)
Section 2.1 (1) (b)
Section 2.3 (2)
Section 3.1 (5) to (8)
: Change of switch numbers
: Change of description for the mass “2.3” to “2.1”of
MR-J3-200B, Change of pound notation for mass to
three significant digits
: Change of appearance of MR-J3-200B to the same as
MR-J3-200B4
: Addition of models with reduction gear to body
paragraph
: Switch between (3) and (4), Change of the description
for MR-J3-200B to the same as MR-J3-200B4,
Addition of Note 4 to (3).
: Switch between (3) and (4), Change of the description
for MR-J3-200B to the same as MR-J3-200B4,
Addition of Note 4 to (3). Deletion of Note 3 from (4)
Addition of description for FR-BEL to (3)
: Change of description for “Mounting closely is
available for a combination of servo amplifiers of
3.5kW or less in 200V or 100V class.” to “Mounting
closely is available for a combination of servo
amplifiers of 3.5kW or less in 200V or 400W or less in
100V class.”
: Change of description
: Addition of NFB for the fan power cables of the servo
motor’s cooling fan

Print Data *Manual Number Revision
Jun, 2008 SH(NA)030051-D Section 3.2
Section 3.3.3 (1) (a)
Section 3.3.3 (2) (3)
Section 3.7.2 (2)
Section 3.10.2 (3) (a) 1) to
2)
Section 3.10.2 (3) (b)
Section 3.11.2
Section 4.1.2 (1) (c) 2) to
3)
Section 5.2.1
Section 7.4
Section 7.6.3
Section 7.6.4 (1) (a)
Section 7.6.4 (2) (a)
Section 10.1 (5) (6)
Section 10.3.1 (2)
Section 11.1
Section 11.1.1
Section 11.1.2 (2) (b)
Section 11.1.2 (3) (a)
Section 11.1.2 (4)
Section 11.1.2 (5)
Section 11.1.2 (5) (a)
Section 11.1.3 (2)
Section 11.1.4 (2)
Section 11.2 (1)
: Change of Note 15
: Change of CNP2 connector model from “54927-0520”
to “54928-0520”
: Switch between (2) and (3), Change of the description
for MR-J3-200B to the same as MR-J3-200B4
: Addition of description for the condition “Maximum
current: 50mA or less” to body paragraph
: Addition of NFB for fan power cable of servo motor’s
cooling fan, Change of description for Note 1
: Change of servo motor’s terminal diagram
: Change of timing chart
: Change of description for “D terminal” to “C terminal”
: Change of PB06 and PB29 unit for “times” to
“Multiplier(×1)”
: Change of description
: Change of PB06 and PB29 unit for “times” to
“Multiplier(×1)”
: Change of PB06 and PB29 unit for “times” to
“Multiplier(×1)”
: Change of PB06 and PB29 unit for “times” to
“Multiplier(×1)”
: Switch between (5) and (6), Change of the description
for MR-J3-200B to the same as MR-J3-200B4,
Addition of POINT to (5)
: Addition of dynamic brake characteristics of HA-SP,
HA-LP, HC-RP, HC-UP, and HC-LP
: Addition of POINT for protective structure
: Deletion of 2kW from Application, upper stand of 2) in
Table, Change of description for “2kW or less in 400V
class” to “2kW in 200V and 400V class”, Change of
corresponding model from “HF-SP121٠201” to “HF-
SP121 to 301” for 29) in Table, Change of
corresponding model for 30) in Table, Deletion of IP65
from Application, Change of corresponding model for
38) and 40) in Table, Deletion of IP67 from
Application, Deletion of IP67 from Application for 39)
in Table
: Correction of Note position for connecting diagrams
such as MR-EKCBL30M-H
: Addition of description “Crimping tool: 91529-1” in the
list of Junction Connector
: Change of corresponding model of “HF-SP” to “HF-
SP HA-LP HC-RP HC-UP HC-LP”
: Addition of corresponding model of “HA-LP HC-
RP HC-UP HC-LP”
: Change of junction connector of “36110-3000PL” to
“36110-3000FD", Battery connector from “DF3-
EP2428PCFA” to “DF3-EP2428PCA”
: Addition of Note
: Addition of Note
: Change of built-in regenerative register value of MR-
J3-60B4 100B4 from “15” to “20”, Addition of Note 1

Print Data *Manual Number Revision
Jun, 2008 SH(NA)030051-D Section 11.2 (4)
Section 11.2 (5) (a)
Section 11.3.3 (4) (a)
Section 11.3.4 (2)
Section 11.5 (4) (a) 1)
Section 11.5 (4) (b) 1)
Section 11.5 (4) (b) 2)
Section 11.6 (3) (a)
Section 11.6 (3) (b)
Section 11.8 (2) (a)
Section 11.11
Section 11.11 (1)
Section 11.12
Section 11.13
Section 11.17 (2) (b)
Chapter 12
Section 13.1.5
Section 13.3
Section 13.3.7 (1) (b)
Section 13.3.7 (3) (a) 1) to
3)
Section 13.7.1
Section 13.7.2
Section 13.8.3
Section 13.9.1 (2)
Section 13.9.3 (2)
Section 13.9.4
Section 13.9.4 (1)
Section 13.9.5
Section 13.9.9 (2)
Section 13.9.10 (4) (b)
Appendix 4
Appendix 5
: Change of description
: Change of tightening torque size from “3.2” to “3.24”
: Change of description
: Correction of C dimension
: Addition of POINT for selection condition of wire sizes,
Deletion of “The used wires are based on the 600V
vinyl wires.” from the sentence
: Change of wiring length of servo amplifier (3.5kW) in
connection diagram from “5.5mm2” to “3.5mm2”
: Change of wiring length between the servo amplifier
(2kW) and the one (15kW) in connecting diagram
: Addition of Note to Table
: Addition of Note to Table
: Table content change, Change of position for
Windows Vista, Deletion of RS-422/232C conversion
cable
: Change of description for “Recommended wires” to
“Wires selection example”, Addition of three POINTs
: Deletion of body paragraph, Change of description for
IV wires selection example, Addition of HIV wires
selection example, Change of crimping terminal
selection example
: Change of Table
: Addition of table for dynamic brake wire size
: Deletion of AC electromagnetic brake from body
paragraph
: Change of description for Note, Addition of POINT
: Partial deletion of body paragraph
: Change of description for Note
: Change of timing chart
: Addition of Note
: Change of pound notation for mass to three significant
digits
: Change of pound notation for mass to three significant
digits
: Change of description form, Change of dynamic brake
of HA-LP2000r/min series characteristics, Change of
body paragraph
: Change of Note
: Addition of Note to Table
: Change of description for "Recommended wires” to
“Wires selection examples”, Addition of three POINTs
: Deletion of body paragraph, Change of description for
IV wires selection example, Addition of HIV wires
selection example, Change of crimping terminal
selection example
: Deletion of Note
: Deletion of surge protectors from wiring diagram
: Correction of C dimension
: Change of body paragraph
: New addition for explanation of servo amplifier MR-J3-
200B-RT

Print Data *Manual Number Revision
Jun, 2008 SH(NA)030051-D Appendix 6 : New addition of servo motor power cables selection
example
SH(NA)030051-D

SH (NA) 030051-D (0806) MEE Printed in Japan Specifications subject to change without notice.
This Instruction Manual uses recycled paper.
MODEL
MODEL
CODE
General-Purpose AC Servo
MODEL
MR-J3- B
SERVO AMPLIFIER
INSTRUCTION MANUAL
SSCNET Compatible
J3 Series
D
HEAD OFFICE : TOKYO BLDG MARUNOUCHI TOKYO 100-8310
J3 Series MR-J3- B Servo Amplifier Instruction Manual D
1CW202
MR-J3-B INSTRUCTIONMANUAL