Mitsubishi 6A1 Users Manual ENGINE Workshop 6A1(E W)
6A1 SERIES 6A1_Engine_Manual
6A1 to the manual 9018e481-fbb8-4b81-94b2-5b1400825c30
2015-01-24
: Mitsubishi Mitsubishi-6A1-Users-Manual-231350 mitsubishi-6a1-users-manual-231350 mitsubishi pdf
Open the PDF directly: View PDF
.
Page Count: 83
- 11A ENGINE <6A1>
- GENERAL INFORMATION
- 1. SPECIFICATIONS
- 2. SPECIAL TOOLS
- 3. DRIVE BELT
- 4. TIMING BELT
- 5. FUEL AND EMISSION CONTROL PARTS
- 6. IGNITION SYSTEM
- 7. WATER PUMP AND WATER PIPE
- 8. INTAKE MANIFOLD AND EXHAUST MANIFOLD
- 9. ROCKER ARM AND CAMSHAFT <SOHC>
- 10. ROCKER COVER AND CAMSHAFT <MIVEC>
- 11. ROCKER ARM AND ROCKER SHAFT CAP <MIVEC>
- 12. CYLINDER HEAD AND VALVES
- 13. OIL PUMP CASE AND OIL PAN
- 14. PISTON AND CONNECTING ROD
- 15. CRANKSHAFT, CYLINDER BLOCK, FLYWHEEL AND DRIVE PLATE
- Service bulletins

GENERAL INFORMATION 11A-0-3
...........................................
1.SPECIFICATIONS 11A-1-1
...............................................
SERVICE SPECIFICATIONS 11A-1-1
..................................
REWORK DIMENSIONS 11A-1-3
.......................................
TORQUE SPECIFICATION 11A-1-4
....................................
NEW TIGHTENING METHOD - BY USE OF BOLTS TO BE
TIGHTENED IN PLASTIC AREA 11A-1-7
..............................
SEALANTS 11A-1-7
.....................................................
FORM-IN-PLACE GASKET (FIPG) 11A-1-8
............................
2.SPECIAL TOOLS 11A-2-1
................................................
3.DRIVE BELT 11A-3-1
.....................................................
4.TIMING BELT 11A-4-1
....................................................
5.FUEL AND EMISSION CONTROL PARTS 11A-5-1
......................
6.IGNITION SYSTEM 11A-6-1
..............................................
7.WATER PUMP AND WATER PIPE 11A-7-1
..............................
8.INTAKE MANIFOLD AND EXHAUST MANIFOLD 11A-8-1
..............
9.ROCKER ARM AND CAMSHAFT <SOHC> 11A-9-1
....................
10.ROCKER COVER AND CAMSHAFT <MIVEC> 11A-10-1
.................
11. ROCKER ARM AND ROCKER SHAFT CAP <MIVEC> 11A-11-1
........
12.CYLINDER HEAD AND VALVES 11A-12-1
................................
13.OIL PUMP CASE AND OIL PAN 11A-13-1
................................
14.PISTON AND CONNECTING ROD 11A-14-1
..............................
15.CRANKSHAFT, CYLINDER BLOCK, FLYWHEEL
AND DRIVE PLATE 11A-15-1
..............................................
11A-0-1
PWEE9622
EFeb. 1997Mitsubishi Motors Corporation
ENGINE
6A1 SERIES
CONTENTS

11A-0-2
PWEE9622
EFeb. 1997Mitsubishi Motors Corporation
NOTES

6A1 ENGINE (E-W) - General Information 11A-0-3
GENERAL INFORMATION
GENERAL SPECIFICATIONS
Descriptions 6A12 6A13
Type 60°V, OHV, DOHC (for each bank) 60°V, OHV, SOHC (for each bank)
Number of cylinders 6 6
Combustion chamber Pentroof type Pentroof type
Total displacement dm31,998 2,498
Cylinder bore mm 78.4 81.0
Piston stroke mm 69.0 80.8
Compression ratio 10.0 9.5*1or 9.0*2
Valve timing Intake
valve
Opens
(BTDC)
15°(Low-speed cam)
37.5°(High-speed cam)
15°
Closes
(ABDC)
41°(Low-speed cam)
82.5°(High-speed cam)
53°
Exhaust
valve
Opens
(BBDC)
41°(Low-speed cam)
75°(High-speed cam)
53°
Closes
(ATDC)
15°(Low-speed cam)
30°(High-speed cam)
15°
Lubrication system Pressure feed, full-flow filtration Pressure feed, full-flow filtration
Oil pump type Trochoid type Trochoid type
Cooling system Water-cooled forced circulation Water-cooled forced circulation
Water pump type Centrifugal impeller type Centrifugal impeller type
NOTE
*1: Europe and Hong Kong
*2: GCC and Export
PWEE9622
EFeb. 1997Mitsubishi Motors Corporation

6A1 ENGINE (E-W) - Specifications 11A-1-1
1. SPECIFICATIONS
SERVICE SPECIFICATIONS
Items Standard value Limit
Timing belt
Auto tensioner rod projection mm 12.0 -
Auto tensioner rod pushed-in amount (when pushed with a force
of 98 - 196 N) mm
1.0 or less -
Rocker arm and camshaft <SOHC>
Camshaft cam height mm Intake 35.20 34.70
Exhaust 34.70 34.20
Camshaft journal diameter mm 45 -
Rocker cover and camshaft <MIVEC>
Camshaft cam height mm Intake (Low-speed cam) 34.34 33.84
(High-speed cam) 36.46 35.96
Exhaust (Low-speed cam) 34.40 33.90
(High-speed cam) 35.86 35.36
Camshaft journal diameter mm 26 -
Valve clearance mm Intake 0.10 -
Exhaust 0.13 -
Cylinder head and valve
Flatness of cylinder head gasket surface mm - -
Cylinder head gasket surface grinding limit (including grinding of
cylinder block gasket surface) mm
Less than 0.03 -
Cylinder head overall height SOHC 119.9 - 120.1 -
mm
MIVEC 119.6 - 119.8 -
Cylinder head bolt nominal length mm - 96.4
Valve margin mm Intake 1.0 0.5
Exhaust 1.3 0.8
Valve stem diameter mm 6.0 -
Valve stem-to-guide clearance Intake 0.02 - 0.05 0.10
mm
Exhaust 0.04 - 0.07 0.15
Valve face angle 45°- 45.5°-
Valve stem projection mm SOHC 48.45 48.95
MIVEC 48.40 48.90
PWEE9622
EFeb. 1997Mitsubishi Motors Corporation

6A1 ENGINE (E-W) - Specifications
11A-1-2
Items LimitStandard value
Overall valve length mm Intake SOHC 113.02 112.52
MIVEC 112.37 111.87
Exhaust SOHC 115.32 114.82
MIVEC 110.74 110.74
Valve spring free height mm SOHC 49.9 48.9
MIVEC 51.5 50.5
Valve spring load/installed SOHC 265/43.4 -
height N/mm
MIVEC 255/44.5 -
Valve spring squareness 2°4°
Valve seat contact width mm 0.9 - 1.3 -
Valve guide internal diameter mm 6.6 -
Valve guide projection mm SOHC 14.0 -
MIVEC 19.0 -
Oil pump case and oil pan
Oil pump tip clearance mm 0.06 - 0.18 -
Oil pump side clearance mm 0.04 - 0.10 -
Oil pump body clearance mm 0.10 - 0.18 0.35
Piston and connecting rod
Piston outside diameter mm 6A12 78.4 -
6A13 81.0 -
Piston ring side clearance mm No.1 ring 0.02 - 0.06 -
No.2 ring 0.02 - 0.06 -
Piston ring end gap mm No.1 ring 0.20 - 0.35 0.8
No.2 ring 0.35 - 0.50 0.8
Oil ring 0.20 - 0.50 1.0
Piston pin outside diameter mm 19.0 -
Piston pin press-in load (at room temperature) N 4,900 - 14,700 -
Crankshaft pin oil clearance mm 0.02 - 0.05 0.1
Connecting rod big end side clearance mm 0.10 - 0.25 0.4
Crankshaft, cylinder block, flywheel and drive plate
Crankshaft end play mm 0.05 - 0.25 0.4
PWEE9622
EFeb. 1997Mitsubishi Motors Corporation

6A1 ENGINE (E-W) - Specifications 11A-1-3
Items LimitStandard value
Crankshaft journal diameter 6A12 53.0 -
mm
6A13 56.0 -
Crankshaft pin diameter mm 6A12 43.0 -
6A13 51.0 -
Crankshaft journal oil clearance mm 0.02 - 0.04 0.1
Cylinder block gasket surface flatness mm 0.05 -
Cylinder block gasket surface grinding limit (including grinding of
cylinder head gasket surface) mm
- 0.2
Cylinder block overall height 6A12 190.0 -
mm
6A13 209.0 -
Cylinder block cylindricity mm 0.01 or less -
Cylinder block internal diame- 6A12 78.4 -
ter mm
6A13 81.0 -
Bearing cap bolt nominal length mm - 71.1
Piston-to-cylinder clearance mm 0.02 - 0.04 -
REWORK DIMENSIONS
Item Standard
Cylinder head and valves
Cylinder head oversize valve guide hole diameter mm 0.05 O.S. 11.05 - 11.07
0.25 O.S. 11.25 - 11.27
0.50 O.S. 11.50 - 11.52
Oversize intake valve seat SOHC 0.3 O.S. 29.80 - 29.82
ring hole diameter mm
0.6 O.S. 30.10 - 30.12
MIVEC 0.3 O.S. 32.30 - 32.32
0.6 O.S. 32.60 - 32.62
Oversize exhaust valve SOHC 0.3 O.S. 27.80 - 27.82
seat ring diameter mm
0.6 O.S. 28.10 - 28.12
MIVEC 0.3 O.S. 29.80 - 29.82
0.6 O.S. 30.10 - 30.12
PWEE9622
EFeb. 1997Mitsubishi Motors Corporation

6A1 ENGINE (E-W) - Specifications
11A-1-4
TORQUE SPECIFICATION
Items Nm
Alternator and drive belt
Alternator pivot nut 44
Alternator bolt 21
Oil level gauge guide 23
Tensioner pulley 15
Engine hanger 23
Tensioner pulley bracket A 45
Crankshaft bolt 182
Engine cover 3
Timing belt
Timing belt front cover 11
Engine support bracket 49
Angle sensor 9
Angle sensor connector bracket 11
Tensioner pulley 48
Tensioner arm 24
Auto tensioner 21
Camshaft sprocket bolt 88
Idler pulley 35
Timing belt rear cover 11
Angle sensor connector bracket 11
Fuel and emission control parts
Air intake plenum stay 18
Connector bracket 11
EGR valve 22
Throttle body 12
Air intake plenum 18
Delivery pipe 12
Fuel pipe 9
Fuel pressure regulator 9
Alternator bracket 23
PWEE9622
EFeb. 1997Mitsubishi Motors Corporation

6A1 ENGINE (E-W) - Specifications 11A-1-5
Items Nm
Ignition system
Spark plug 25
Water cover (SOHC) 11
Distributor (SOHC) 13
Ignition failure sensor (MIVEC) 10
Condenser bracket assembly (MIVEC) 5
Ignition coil (MIVEC) 10
Water pump and water pipe
Engine hanger (MIVEC) 11
Engine coolant temperature gauge unit 11
Engine coolant temperature sensor 29
Heater pipe (SOHC) 23
Water inlet fitting 18
Water outlet fitting 18
Thermostat housing 23
Water pipe 13
Water pump 23
Intake manifold and exhaust manifold
Intake manifold 17
Heat protector 13
Exhaust manifold stay 44
Exhaust manifold 49
Rocker arm and camshaft <SOHC>
Rocker cover 4
Rocker arm and rocker shaft 31
Thrust case 24
Rocker arm and camshaft <MIVEC>
Rocker cover 4
Oil control valve holder 9
Cam cap 24
Bearing cap M6 11
Bearing cap M8 24
PWEE9622
EFeb. 1997Mitsubishi Motors Corporation

6A1 ENGINE (E-W) - Specifications
11A-1-6
Items Nm
Arm spring holder 11
Rocker arm and rocker shaft cap <MIVEC>
Rocker shaft cap 11
Cylinder head and valves
Cylinder head bolt 20 + 120°+ 120°
Oil pan and oil pump
Oil pressure switch 10
Oil filter cover 21
Water hose 30
Bolt 68
Drain plug 39
Oil level sensor 9
Oil pan 7
Oil screen 19
Baffle plate 9
Relief plug 44
Oil pump case 14
Oil pump case cover 12
Piston and connecting rod
Connecting rod 18 + 90°- 100°
Crankshaft, cylinder block, flywheel and drive plate
Detonation sensor 23
Idler pulley bracket 35
Flywheel bolt 98
Drive plate bolt 98
Rear plate 11
Bell housing cover 9
Oil seal case 11
Bearing cap bolt 25 + 90°- 100°
PWEE9622
EFeb. 1997Mitsubishi Motors Corporation

6A1 ENGINE (E-W) - Specifications 11A-1-7
NEW TIGHTENING METHOD - BY USE OF BOLTS TO BE TIGHTENED IN
PLASTIC AREA
A new type of bolts, to be tightened in plastic area, is currently used in some parts of the engine. The
tightening method for the bolts is different from the conventional one. Be sure to observe the method
described in the text when tightening the bolts.
Service limits are provided for the bolts. Make sure that the service limits described in the text are strictly
observed.
DAreas where the bolts are in use:
(1) Cylinder head bolts
(2) Main bearing cap bolts
(3) Connecting rod cap bolts
DTightening Method
After tightening the bolts to the specified torque, tighten them another 90°to 100°, or 240°(twice
120°). The tightening method varies on different areas. Observe the tightening method described
in the text.
SEALANTS
Item Specified sealant Quantity
Water pump* Mitsubishi Genuine Part No. MD970389 or equivalent As required
Water outlet fitting* Mitsubishi Genuine Part No. MD970389 or equivalent As required
Engine coolant temperature sensor 3M Nut Locking Part No. 4171 or equivalent As required
Engine coolant temperature gauge unit 3M ATD Part No. 8660 or equivalent As required
Camshaft bearing 3M ATD Part No. 8660 or equivalent As required
Cam cap 3M ATD Part No. 8660 or equivalent As required
Oil control valve 3M ATD Part No. 8660 or equivalent As required
Camshaft holder* Mitsubishi Genuine Part No. MD970389 or equivalent As required
Rocker cover 3M ATD Part No. 8660 or equivalent As required
Oil pump case* Mitsubishi Genuine Part No. MD970389 or equivalent As required
Oil pan* Mitsubishi Genuine Part No. MD970389 or equivalent As required
Oil pressure switch 3M ATD Part No. 8660 or equivalent As required
Oil seal case* Mitsubishi Genuine Part No. MD970389 or equivalent As required
Drive plate bolt 3M Nut Locking Part No. 4171 or equivalent As required
Flywheel bolt 3M Nut Locking Part No. 4171 or equivalent As required
*: parts sealed by foam-in-place gasket (FIPG)
PWEE9622
EFeb. 1997Mitsubishi Motors Corporation

6A1 ENGINE (E-W) - Specifications
11A-1-8
FORM-IN-PLACE GASKET (FIPG)
The engine has several areas where the form-in-place gasket (FIPG) is in use. To ensure that the gasket
fully serves its purpose, it is necessary to observe some precautions when applying the gasket. Bead
size, continuity and location are of paramount importance. Too thin a bead could cause leaks. Too thick
a bead, on the other hand, could be squeezed out of location, causing blocking or narrowing of the
fluid feed line. To eliminate the possibility of leaks from a joint, therefore, it is absolutely necessary to
apply the gasket evenly without a break, while observing the correct bead size.
The FIPG used in the engine is a room temperature vulcanisation (RTV) type and is supplied in a 100-gram
tube (Part No. MD970389 or MD997110). Since the RTV hardens as it reacts with the moisture in the
atmospheric air, it is normally used in the metallic flange areas. The FIPG, Part No. MD970389, can
be used for sealing both engine oil and coolant, while Part No. MD997110 can only be used for engine
oil sealing.
Disassembly
The parts assembled with the FIPG can be easily disassembled without use of a special method. In
some cases, however, the sealant between the joined surfaces may have to be broken by lightly striking
with a mallet or similar tool. A flat and thin gasket scraper may be lightly hammered in between the
joined surfaces. In this case, however, care must be taken to prevent damage to the joined surfaces.
For removal of the oil pan, the special tool “Oil Pan Remover” (MD998727) is available. Be sure to use
the special tool to remove the oil pan.
Surface Preparation
Thoroughly remove all substances deposited on the gasket application surfaces, using a gasket scraper
or wire brush. Check to ensure that the surfaces to which the FIPG is to be applied is flat. Make sure
that there are no oils, greases and foreign substances deposited on the application surfaces. Do not
forget to remove the old sealant remained in the bolt holes.
Form-in-Place Gasket Application
When assembling parts with the FIPG, you must observe some precautions, but the procedures is very
simple as in the case of a conventional precut gasket.
Applied FIPG bead should be of the specified size and without breaks. Also be sure to encircle the
bolt hole circumference with a completely continuous bead. The FIPG can be wiped away unless it is
hardened. While the FIPG is still moist (in less than 15 minutes), mount the parts in position. When
the parts are mounted, make sure that the gasket is applied to the required area only. In addition, do
not apply any oil or water to the sealing locations or start the engine until a sufficient amount of time
(about one hour) has passed after installation is completed.
The FIPG application procedure may vary on different areas. Observe the procedure described in the
text when applying the FIPG.
PWEE9622
EFeb. 1997Mitsubishi Motors Corporation

6A1 ENGINE (E-W) - Special Tools 11A-2-1
2. SPECIAL TOOLS
Tool Number Name Use
MB990685 Torque wrench Adjustment of timing belt tension
MB990938 Handle Use with MD998776
MB990767 Crankshaft pulley
holder
Holding camshaft sprocket when loosening
and tightening of bolt.
Use with MD998719
MB991477 Valve adjusting
wrench
Adjustment of valve clearance (MIVEC)
MB991478 Valve adjusting
wrench feeler
gauge set
Adjustment of valve clearance (MIVEC)
MB991479 Rocker arm
piston checker
Adjustment of valve clearance (MIVEC)
MB991614 Angle gauge Tightening cylinder head bolt
MB991653 Cylinder head bolt
wrench
Tightening and loosening of cylinder head bolt
MB991659 Guide D Removal of piston pin (Use with MD998780)
PWEE9622
EFeb. 1997Mitsubishi Motors Corporation

6A1 ENGINE (E-W) - Special Tools
11A-2-2
Tool UseNameNumber
MD998440 Leak-down tester Leak-down test of lash adjuster
MD998441 Lash adjuster
retainer
Air bleeding of lash adjuster
MD998442 Air bleed wire Air bleeding of lash adjuster
MD998443 Lash adjuster
holder
Retainer for holding lash adjuster in rocker arm
at time of removal and installation of rocker arm
and rocker shaft assembly
MD998713 Camshaft oil seal
installer
Installation of camshaft oil seal
MD998716 Crankshaft wrench Rotation of crankshaft when installing piston
and timing belt.
MD998717 Crankshaft front oil
seal installer
Installation of crankshaft front oil seal
MD998719 Pulley holder pin
(2)
Use with MB990767
MD998727 Oil pan remover Removal of oil pan
PWEE9622
EFeb. 1997Mitsubishi Motors Corporation

6A1 ENGINE (E-W) - Special Tools 11A-2-3
Tool UseNameNumber
MD998735 Valve spring
compressor
Compression of valve spring
MD998754 Pin Use with MB990767
MD998767 Tensioner pulley
socket wrench
Adjustment of timing belt tension
MD998772 Valve spring
compressor
Removal and installation of valve and related
parts
MD998774 Valve stem seal
installer
Installation of valve stem seal
MD998775 Valve stem seal
installer
Installation of valve stem seal
MD998776 Crankshaft rear oil
seal installer
Installation of crankshaft rear oil seal
Use with MB990938
MD998777 Camshaft oil seal
installer adapter
Installation of camshaft oil seal
PWEE9622
EFeb. 1997Mitsubishi Motors Corporation

6A1 ENGINE (E-W) - Special Tools
11A-2-4
Tool UseNameNumber
MD998780 SETTING TOOL
Piston pin
Removal and installation of piston pin
MD998781 Flywheel stopper Holding flywheel and drive plate
MD998784 Valve spring
compressor
adapter
Compression of valve spring (MIVEC)
(Use with MD998772)
PWEE9622
EFeb. 1997Mitsubishi Motors Corporation

6A1 ENGINE (E-W) - Drive Belt 11A-3-1
3. DRIVE BELT
REMOVAL AND INSTALLATION <SOHC>
1
2
3
4
5
67
8
9
10
11
12 13 14
15
16
21 Nm
15 Nm
23 Nm
3Nm
23 Nm
44 Nm
44 Nm
44 Nm
182 Nm
Removal steps
1. Drive belt
2. Alternator
3. Oil level gauge (dipstick)
4. Oil level gauge guide
5. O-ring
6. Tensioner pulley
7. Engine hanger
8. Tensioner pulley bracket A
9. Tensioner pulley bracket B
10. Adjusting stud
11. Adjusting bolt
AA""
AA12. Crankshaft bolt
13. Special washer
14. Crankshaft pulley
15. Flange
16. Engine cover
PWEE9622
EFeb. 1997Mitsubishi Motors Corporation

6A1 ENGINE (E-W) - Drive Belt
11A-3-2
REMOVAL AND INSTALLATION <MIVEC>
1
2
3
4
5
67
8
9
10
11
12
13
14 15
16
21 Nm
15 Nm
23 Nm
44 Nm
23 Nm
44 Nm
3Nm
44 Nm
182 Nm
Removal steps
1. Drive belt
2. Alternator
3. Oil level gauge (dipstick)
4. Oil level gauge guide
5. O-ring
6. Tensioner pulley
7. Engine hanger
8. Tensioner pulley bracket A
9. Tensioner pulley bracket B
10. Adjusting stud
11. Adjusting bolt
AA""
AA12. Crankshaft bolt
13. Special washer
14. Crankshaft pulley
15. Flange
16. Engine cover
PWEE9622
EFeb. 1997Mitsubishi Motors Corporation

6A1 ENGINE (E-W) - Drive Belt 11A-3-3
REMOVAL SERVICE POINTS
AA"CRANKSHAFT PULLEY BOLT REMOVAL
(1) Hold the flywheel or drive plate in position with the special
tool before removing the crankshaft pulley bolts.
INSTALLATION SERVICE POINTS
"AACRANKSHAFT PULLEY BOLT INSTALLATION
(1) Hold the flywheel or drive plate in position with the special
tool before installing the crankshaft pulley bolts.
PWEE9622
EFeb. 1997Mitsubishi Motors Corporation
6AE0039
MD998781

6A1 ENGINE (E-W) - Timing Belt 11A-4-1
4. TIMING BELT
REMOVAL AND INSTALLATION <SOHC>
1
2
3
4
5
6
7
8
9
10
11 12 13
14
15 16
11 Nm
21 Nm
9Nm
48 Nm
24 Nm
49 Nm
35 Nm
88 Nm
17
18
11 Nm
11 Nm
11 Nm
11 Nm
Removal steps
1. Timing belt front cover, upper right
2. Timing belt front cover, upper left
3. Timing belt front cover, lower
4. Engine support bracket
5. Angle sensor
AA""
CA6. Timing belt
7. Tensioner pulley
8. Tensioner arm
9. Tensioner spacer
"BA10. Auto tensioner
11. Crankshaft sprocket
12. Sensing plate
13. Crankshaft spacer
AB""
AA14. Camshaft sprocket bolt
15. Camshaft sprocket
16. Idler pulley
17. Timing belt rear cover, center
18. Connector bracket
PWEE9622
EFeb. 1997Mitsubishi Motors Corporation

6A1 ENGINE (E-W) - Timing Belt
11A-4-2
REMOVAL AND INSTALLATION <MIVEC>
1
2
3
4
56
7
8
910
11
12 13 1415
16
11 Nm
12 Nm
9Nm
48 Nm
44 Nm
49 Nm
35 Nm
88 Nm 17
17
11 Nm
11 Nm
11 Nm
11 Nm
19
20
21
22
23
22 Nm
18
9Nm
9Nm
Removal steps
1. Timing belt front cover, upper right
2. Timing belt front cover, upper left
3. Timing belt front cover, lower
4. Engine support bracket
5. Angle sensor
6. Angle sensor
7. Spacer
AA""
DA8. Timing belt
9. Tensioner pulley
10. Tensioner arm
11. Tensioner spacer
"BA12. Auto tensioner
13. Crankshaft sprocket
14. Sensing plate
15. Washer
AB""
AA16. Camshaft sprocket bolt
17. Camshaft sprocket
18. Camshaft sprocket with sensing
plate
19. Idler pulley
20. Timing belt rear cover, left
21. Timing belt rear cover, right
22. Timing belt rear cover, center
23. Connector bracket
PWEE9622
EFeb. 1997Mitsubishi Motors Corporation

6A1 ENGINE (E-W) - Timing Belt 11A-4-3
REMOVAL SERVICE POINTS
AA"TIMING BELT REMOVAL
(1) Mark the belt running direction for reference in
reinstallation.
(2) Loosen the bolt that secures the tensioner pulley to
remove the timing belt.
AB"CAMSHAFT SPROCKET BOLT REMOVAL
INSTALLATION SERVICE POINTS
"AACAMSHAFT SPROCKET BOLT INSTALLATION
PWEE9622
EFeb. 1997Mitsubishi Motors Corporation
6AE0135
6AE0044
6AE0137
MB990767
MD998719
6AE0045
MB990767
MD998754
6AE0138
MB990767
MD998719

6A1 ENGINE (E-W) - Timing Belt
11A-4-4
"BAAUTO TENSIONER SETTING
(1) Set the auto tensioner in a vice, while making sure it
is not tilted.
(2) Slowly close the vice to force the rod in until the set
hole (A) of the rod is lined up with the set hole (B) of
the cylinder.
(3) Insert a 1.4 mm wire in the set hole.
(4) Remove the auto tensioner from the vice.
"CATIMING BELT INSTALLATION
(1) Turn the crankshaft sprocket so that its timing mark will
be away from the mating timing mark by approx. three
teeth.
Caution
DIf the timing marks are aligned, the piston is
brought to the TDC. When the camshaft is turned
under this condition, the valves may interfere with
the piston.
(2) Bring the timing marks of the camshaft sprockets as shown
in the illustration.
PWEE9622
EFeb. 1997Mitsubishi Motors Corporation
6AE0048
MB990767
MD998754
6AE0049
(A)
(B)
6AE0050
6AE0329
6AE0358
Timing mark

6A1 ENGINE (E-W) - Timing Belt 11A-4-5
(3) Align the timing mark on the crankshaft sprocket with
that on the cylinder block side.
(4) Fit the timing belt on the sprockets in the following order:
1) Fit the timing belt on the crankshaft sprocket and
then, while giving tension to the belt, fit it on the
water pump sprocket.
2) Fit the belt on the left bank camshaft sprocket.
3) Fit the belt on the idler pulley while keeping it tight.
4) Align the timing mark on the right bank camshaft
sprocket with the mark on the cylinder block, and
then fit the belt on the camshaft sprocket.
Caution
DThe camshaft sprockets are prone to rotate. Avoid
giving excessive tension to the timing belt when
it is fitted.
5) Make sure that the left bank portion of the belt is
not slack when the belt is fitted on the tensioner pulley.
If it is slack, remove the belt and fit it again beginning
with the first step.
(5) Move the tensioner pulley in the direction of the arrow
and hold it in raised position by tightening the tensioner
pulley bolt.
(6) Check that all timing marks are aligned correctly.
(7) Turn the crankshaft counterclockwise a quarter turn.
(8) Turn back the crankshaft clockwise until the timing marks
align again.
(9) Install the special tool and a torque wrench of 0 - 5
Nm to the tensioner pulley.
(10)Torque the tensioner pulley to 3 Nm with the torque
wrench.
(11)While holding the tensioner pulley, tighten the center bolt
to specification.
(12)Turn the crankshaft clockwise 2 turns and let it stand
for about 5 minutes.
PWEE9622
EFeb. 1997Mitsubishi Motors Corporation
6AE0331
6AE0143
6AE0057
6AE0058
MD998767
MB990685

6A1 ENGINE (E-W) - Timing Belt
11A-4-6
"DATIMING BELT INSTALLATION
(1) Turn the crankshaft sprocket so that its timing mark will
be away from the mating timing mark by approx. three
teeth.
Caution
DIf the timing marks are aligned, the piston is
brought to the TDC. When the camshaft is turned
under this condition, the valves may interfere with
the piston.
(2) Bring the timing marks of the camshaft sprockets as shown
in the illustration.
Caution
DIf one of the camshaft sprockets on the right bank
is turned with the timing mark on the other
sprocket aligned, there may be danger for the
intake and exhaust valves to interfere with each
other.
(3) Align the timing mark on the crankshaft sprocket with
the mating timing mark, and then turn the crankshaft
counterclockwise by one tooth.
(4) Place the timing belt over the sprockets in the following
method.
Caution
DThe camshaft sprockets on the right bank can
turn very easily because of the valve spring
tension. Use care not to allow your fingers to get
caught between the sprockets.
1)Align the timing mark of the right bank exhaust
camshaft sprocket with the mating timing mark and
hold the timing belt on the sprocket with a paper
clip.
2)Align the timing mark of the intake camshaft sprocket
and place the timing belt around that sprocket. Then,
clip the belt at the location shown.
Caution
DThe camshaft sprockets can turn easily and
do not give excessive tension to the timing
belt.
3) Place the timing belt around the idler pulley.
PWEE9622
EFeb. 1997Mitsubishi Motors Corporation
6AE0051
MD998716
6AE0311
6AE0053
6AE0054
Paper clip
6AE0055

6A1 ENGINE (E-W) - Timing Belt 11A-4-7
4) On the left bank, make sure that the timing marks
of the camshaft sprockets are aligned and then hold
the timing belt on these sprockets with paper clips.
5) Place the timing belt around the water pump pulley.
6) Place the timing belt around the crankshaft sprocket.
7) Place the timing belt around the tensioner pulley.
(5) Move the tensioner pulley in the direction of the arrow
and hold it in raised position by tightening the tensioner
pulley bolt.
(6) Check that all timing marks are aligned correctly.
(7) Turn the crankshaft counterclockwise a quarter turn.
(8) Turn back the crankshaft clockwise until the timing marks
align again.
(9) Install the special tool and a torque wrench of 0 - 5
Nm to the tensioner pulley.
(10)Torque the tensioner pulley to 3 Nm with the torque
wrench.
(11)While holding the tensioner pulley, tighten the center bolt
to specification.
(12)Turn the crankshaft clockwise 2 turns and let it stand
for about 5 minutes.
(13)Make sure that the wire, which has been inserted when
installing the auto tensioner, can be removed easily.
Belt tension should be acceptable if the wire can be easily
removed. Remove the wrench. The belt tension can also
be verified by checking the protrusion amount of the auto
tensioner rod which should conform to the following.
Standard value: 3.8 - 4.5 mm
(14)If the wire cannot be removed easily or the rod protrusion
is not up to specification, repeat steps (9) through (12)
to obtain the correct tension.
INSPECTION
TIMING BELT
Replace belt if any of the following conditions exist.
(1) Hardening of back rubber.
Back side is glossy without resilience and leaves no indent
when pressed with fingernail.
PWEE9622
EFeb. 1997Mitsubishi Motors Corporation
6AE0056
6AE0057
6AE0058
MD998767
MB990685
6AE0059
8EN0066

6A1 ENGINE (E-W) - Timing Belt
11A-4-8
(2) Cracks on rubber back.
(3) Cracks or peeling of canvas.
(4) Cracks on tooth bottom.
(5) Cracks or belt sides.
(6) Abnormal wear of belt sides. The sides are normal if
they are sharp as if cut by a knife.
(7) Abnormal wear on teeth.
(8) Missing tooth.
AUTO-TENSIONER
(1) Check for oil leaks. If oil leaks are evident, replace the
auto-tensioner.
(2) Check the rod end for wear or damage and replace the
auto-tensioner if necessary.
(3) Measure the rod projection length “L”. If the reading is
outside the standard value, replace the auto tensioner.
Standard value “L”: 12 mm
(4) Press the rod by a force of 98 to 196 N and measure
the rod stroke. If the measured value exceeds the standard
value, replace the tensioner.
Standard value: 1 mm or less
PWEE9622
EFeb. 1997Mitsubishi Motors Corporation
1EN0249
Cracks
Cracks
Cracks
Peeling
8EN0067
Rounded edge
Abnormal wear
(Fluffy strand)
8EN0068
Rubber exposed
Tooth missing
and canvas
fiber exposed
6AE0046
“L”
6EN1033
98 - 196 N
Stroke

6A1 ENGINE (E-W) - Fuel and Emission Control Parts 11A-5-1
5. FUEL AND EMISSION CONTROL PARTS
REMOVAL AND INSTALLATION <SOHC>
1
2
345
6
8
9
10
11
12
13
14
15
16
17 18
19
20
21
22
18 Nm
9Nm
22 Nm
23 Nm
12 Nm
18 Nm
9Nm
12 Nm
18 Nm
18 Nm
18 Nm
7
Removal steps
1. Air intake plenum stay, front
2. Air intake plenum stay, rear
3. EGR valve
4. Gasket
5. Vacuum pipe
6. Throttle body
"CA7. Gasket
8. Air intake plenum
9. Gasket
10. Control harness
11. Delivery pipe and injector
12. Insulator
13. Insulator
"BA14. Injector
15. Grommet
16. O-ring
17. Fuel pipe
18. O-ring
"AA19. Fuel pressure regulator
20. O-ring
21. Delivery pipe
22. Alternator bracket
PWEE9622
EFeb. 1997Mitsubishi Motors Corporation

6A1 ENGINE (E-W) - Fuel and Emission Control Parts
11A-5-2
REMOVAL AND INSTALLATION <MIVEC>
2
3
4
5
67
8
10
12
13
14
15
16
17
18
19
20
21
22
24
18 Nm
23 Nm
12 Nm
14 Nm
9Nm
9Nm
23
26
1
18 Nm
11 12 Nm
11 Nm
11 Nm
18 Nm
8.8 Nm
18 Nm
25
9
Removal steps
1. Air intake plenum stay, front
2. Air intake plenum stay, rear
3. Vacuum pipe
4. Throttle body
"CA5. Gasket
6. Connector bracket
7. Connector bracket
8. Accelerator cable bracket
9. Ignition failure sensor
10. Air temperature sensor
11. Gasket
12. Air intake plenum
13. Gasket
14. Control harness
15. Delivery pipe and injector
16. Insulator
17. Insulator
"BA18. Injector
19. Grommet
20. O-ring
21. Fuel pipe
22. O-ring
"AA23. Fuel pressure regulator
24. O-ring
25. Delivery pipe
26. Alternator bracket
PWEE9622
EFeb. 1997Mitsubishi Motors Corporation

6A1 ENGINE (E-W) - Fuel and Emission Control Parts 11A-5-3
INSTALLATION SERVICE POINTS
"AAFUEL PRESSURE REGULATOR INSTALLATION
(1) Apply spindle oil or gasoline to the new O-ring installed
on the fuel pressure regulator.
(2) Insert the fuel pressure regulator in the delivery pipe.
(3) Make sure that the fuel pressure regulator turns smoothly;
then align the threaded holes and tighten the regulator
bolts to specification.
Caution
DIf the regulator does not turn smoothly, the O-ring
probably gets caught somewhere in the delivery
pipe. In such a case, remove the fuel pressure
regulator and reinsert it into the delivery pipe.
Check it again for smooth rotation before securing.
"BAINJECTOR INSTALLATION
(1) Install new grommet and O-ring on the injector.
(2) Apply spindle oil or gasoline to the O-ring of the injector.
(3) While turning the injector in both directions, install it in
the delivery pipe.
(4) Make sure that the injector turns smoothly.
Caution
DIf the injector does not turn smoothly, the O-ring
probably gets caught somewhere in the delivery
pipe. In such a case, remove the injector and
reinsert it into the delivery pipe. Check it again
for smooth rotation.
(5) On the right bank, align the marks on the injector and
delivery pipe.
"CAGASKET INSTALLATION
(1) Locate the projection on the gasket as shown.
PWEE9622
EFeb. 1997Mitsubishi Motors Corporation
6AE0061
6AE0062
6AE0277
Projection

6A1 ENGINE (E-W) - Ignition System 11A-6-1
6. IGNITION SYSTEM
REMOVAL AND INSTALLATION <SOHC>
1
2
3
4
25 Nm
11 Nm
13 Nm
Removal steps
1. Spark plug cable
2. Spark plug
3. Water cover
"AA4. Distributor
PWEE9622
EFeb. 1997Mitsubishi Motors Corporation

6A1 ENGINE (E-W) - Ignition System
11A-6-2
REMOVAL AND INSTALLATION <MIVEC>
1
2
3
25 Nm
1.0 Nm
Removal steps
1. Spark plug cable
2. Ignition coil
3. Spark plug
INSTALLATION SERVICE POINT
"AADISTRIBUTOR INSTALLATION
(1) Turn the crankshaft clockwise to bring the No. 1 cylinder
piston to the compression stroke top dead center.
(2) Align the mark on the distributor housing with the mark
on the coupling.
(3) Install the distributor while aligning the coupling key with
the keyway in the camshaft end.
PWEE9622
EFeb. 1997Mitsubishi Motors Corporation
6AE0151
Alignment mark

6A1 ENGINE (E-W) - Water Pump and Water Pipe 11A-7-1
7. WATER PUMP AND WATER PIPE
REMOVAL AND INSTALLATION <SOHC>
1
2
3
4
5
6
7
8
9
10
1112
13
14
15
13 Nm
18 Nm
23 Nm
29 Nm
11 Nm
23 Nm
23 Nm
18 Nm
Removal steps
"FA1. Engine coolant temperature gauge
unit
"EA2. Engine coolant temperature sensor
3. Water hose
4. Water hose
5. Heater pipe
6. O-ring
7. Water inlet fitting
"DA8. Thermostat
"CA9. Water outlet fitting
10. Thermostat housing
11. Gasket
"BA12. O-ring
"BA13. Water pipe
"BA14. O-ring
"AA15. Water pump
PWEE9622
EFeb. 1997Mitsubishi Motors Corporation

6A1 ENGINE (E-W) - Water Pump and Water Pipe
11A-7-2
REMOVAL AND INSTALLATION <MIVEC>
1
2
4
5
6
7
8
9
10
11
12
13
14
13 Nm
18 Nm
23 Nm
29 Nm
18 Nm
18 Nm
3
11 Nm
23 Nm
Removal steps
1. Engine hanger
"FA2. Engine coolant temperature gauge
unit
"EA3. Engine coolant temperature sensor
4. Water hose
5. Water hose
6. Water inlet fitting
"DA7. Thermostat
"CA8. Water outlet fitting
9. Thermostat housing
10. Gasket
"BA11. O-ring
"BA12. Water pipe
"BA13. O-ring
"AA14. Water pump
PWEE9622
EFeb. 1997Mitsubishi Motors Corporation

6A1 ENGINE (E-W) - Water Pump and Water Pipe 11A-7-3
INSTALLATION SERVICE POINTS
"AASEALANT APPLICATION TO WATER PUMP
Specified sealant:
Mitsubishi Genuine Part No. MD970389 or
equivalent
"BAWATER PIPE / O-RING INSTALLATION
(1) Wet the O-ring (with water) to facilitate assembly.
Caution
DKeep the O-ring free of oil or grease.
DSecure the water pipe after the thermostat housing
has been installed.
"CASEALANT APPLICATION TO WATER OUTLET
FITTING
Specified sealant:
Mitsubishi Genuine Part No. MD970389 or
equivalent
"DATHERMOSTAT INSTALLATION
(1) Install the thermostat so that the jiggle valve will be located
in the thermostat housing as shown.
"EASEALANT APPLICATION TO ENGINE COOLANT
TEMPERATURE SENSOR
Specified sealant:
3M Nut locking Part No. 4171 or equivalent
PWEE9622
EFeb. 1997Mitsubishi Motors Corporation
6AE0067
3mm
diameter
bead sealant
6AE0068
3mm
diameter
bead sealant
6AE0069
Jiggle valve
6AE0070

6A1 ENGINE (E-W) - Water Pump and Water Pipe
11A-7-4
"FASEALANT APPLICATION TO ENGINE COOLANT
TEMPERATURE GAUGE UNIT
Specified sealant:
3M ATD Part No. 8660 or equivalent
PWEE9622
EFeb. 1997Mitsubishi Motors Corporation
6AE0071

6A1 ENGINE (E-W) - Intake Manifold and Exhaust Manifold 11A-8-1
8. INTAKE MANIFOLD AND EXHAUST MANIFOLD
REMOVAL AND INSTALLATION <SOHC>
1
2
3
4
56
7
8
9
13 Nm
17 Nm
44 Nm
49 Nm
49 Nm
13 Nm
Removal steps
1. Intake manifold
2. Gasket
3. Heat protector, right
4. Exhaust manifold stay
5. Exhaust manifold, right
6. Gasket
7. Heat protector, left
8. Exhaust manifold, left
9. Gasket
PWEE9622
EFeb. 1997Mitsubishi Motors Corporation

6A1 ENGINE (E-W) - Intake Manifold and Exhaust Manifold
11A-8-2
REMOVAL AND INSTALLATION <MIVEC>
1
2
3
4
56
7
8
9
13 Nm
17 Nm
44 Nm
49 Nm
49 Nm
13 Nm
Removal steps
1. Intake manifold
2. Gasket
3. Heat protector, right
4. Exhaust manifold stay
5. Exhaust manifold, right
6. Gasket
7. Heat protector, left
8. Exhaust manifold, left
9. Gasket
PWEE9622
EFeb. 1997Mitsubishi Motors Corporation

6A1 ENGINE (E-W) - Rocker Arm and Camshaft <SOHC> 11A-9-1
9. ROCKER ARM AND CAMSHAFT <SOHC>
REMOVAL AND INSTALLATION
Apply engine oil to all
moving parts before
installation.
1
2
3
4
5
6
7
8
9
10
11
12
13
14 15
16
17
4Nm
24 Nm
31 Nm
12
12
9
98
8
7
7
Removal steps
1. Rocker cover
2. Rocker cover gasket
3. Oil seal
"DA4. Oil seal
AA""
CA5. Rocker arm and rocker shaft
AA""
CA6. Rocker arm and rocker shaft
"CA7. Rocker shaft spring
8. Rocker arm A
9. Rocker arm B
10. Rocker arm shaft
"BA11. Lash adjuster
12. Rocker arm C
13. Rocker arm shaft
"BA14. Lash adjuster
15. Thrust case
16. O-ring
"AA17. Camshaft
PWEE9622
EFeb. 1997Mitsubishi Motors Corporation

6A1 ENGINE (E-W) - Rocker Arm and Camshaft <SOHC>
11A-9-2
REMOVAL SERVICE POINT
AA"ROCKER ARMS AND ROCKER ARM SHAFTS
REMOVAL
(1) Before removing rocker arms and shafts assembly, install
the special tool as illustrated to prevent adjuster from
dropping.
INSTALLATION SERVICE POINTS
"AACAMSHAFT INSTALLATION
(1) Apply engine oil to journals and cams of the camshaft
before installation.
Be sure to install the correct camshafts on the correct
bank.
Do not confuse the intake camshaft with the exhaust
one.
"BALASH ADJUSTER INSTALLATION
(1) Immerse the lash adjuster in clean diesel fuel.
(2) Using the special tool (air bleed wire), move the plunger
up and down 4 or 5 times while pushing down lightly
on the check ball in order to bleed out the air.
(3) Insert the lash adjuster to rocker arm, being careful not
to spill the diesel fuel. Then use the special tool to prevent
adjuster from falling while installing it.
"CAROCKER SHAFT SPRING / ROCKER ARMS AND
ROCKER ARM SHAFT INSTALLATION
(1) Temporarily tighten the rocker shaft with the bolt so that
all rocker arms on the inlet valve side do not push the
valves.
(2) Fit the rocker shaft spring from the above and position
it so that it is right angles to the plug guide.
NOTE
Install the rocker shaft spring before installing the exhaust
side rocker arms and rocker arm shaft.
PWEE9622
EFeb. 1997Mitsubishi Motors Corporation
6AE0160
MD998443
6AE0180
For right bank
For left bank
6EN0421
Diesel
fuel
MD998442
6AE0161
Lash adjuster
MD998443
6AE0162

6A1 ENGINE (E-W) - Rocker Arm and Camshaft <SOHC> 11A-9-3
NOTE
Install the rocker shaft spring before installing the exhaust
side rocker arms and rocker arm shaft.
(3) Remove the special tool for securing the lash adjuster.
(4) Make sure that the notch in the rocker arm shaft is in
the direction as illustrated.
"DACAMSHAFT OIL SEAL INSTALLATION
(1) When installing the left bank camshaft oil seal, use the
special tool to prevent interference with the knock pin.
INSPECTION
CAMSHAFT
(1) Measure the cam height (lobe diameter) and, if the limit
is exceeded, replace the camshaft.
Standard value:
35.20 mm Intake side
...........................................
34.91 mm Exhaust side
.......................................
Limit:
34.70 mm Intake side
...........................................
34.41 mm Exhaust side
.......................................
PWEE9622
EFeb. 1997Mitsubishi Motors Corporation
6AE0163
6AE0164
Right bank
MD998713
6AE0181
MD998713
Left bank
MD998777
9EN0058

6A1 ENGINE (E-W) - Rocker Arm and Camshaft <SOHC>
11A-9-4
LASH ADJUSTER LEAK DOWN TEST
Caution
DThe lash adjuster is a precision part. Keep it free
from dust and other foreign matters.
DDo not disassemble lash adjuster.
DWhen cleaning lash adjuster, use clean diesel fuel
only.
(1) Immerse the lash adjuster in clean diesel fuel.
(2) While lightly pushing down inner steel ball using the special
tool (Air bleed wire MD998442), move the plunger up
and down four or five times to bleed air.
Use of the special tool (Retainer MD998441) helps
facilitate the air bleeding of the rocker arm mounted type
lash adjuster.
(3) Remove the special tool (Air bleed wire MD998442) and
press the plunger. If the plunger is hard to be pushed
in, the lash adjuster is normal. If the plunger can be pushed
in all the way readily, bleed the lash adjuster again and
test again.
If the plunger is still loose, replace the lash adjuster.
Caution
DUpon completion of air bleeding, hold lash
adjuster upright to prevent inside diesel fuel from
spilling.
(4) After air bleeding, set lash adjuster on the special tool
(Leak down tester MD998440).
(5) After plunger has gone down somewhat [0.2 - 0.5 mm],
measure time taken for it to go down 1 mm. Replace
if measured time is out of specification.
Standard value: 4 - 20 seconds/1 mm
(Diesel fuel at 15 - 20°C)
PWEE9622
EFeb. 1997Mitsubishi Motors Corporation
6EN0186
MD998442
Diesel fuel
MD998441
6EN0187
Graduations = 1 mm
MD998440
Lash adjuster

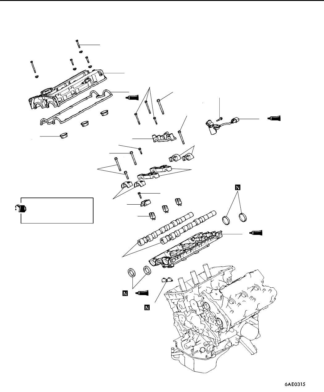
6A1 ENGINE (E-W) - Rocker Cover and Camshaft <MIVEC> 11A-10-1
10. ROCKER COVER AND CAMSHAFT <MIVEC>
REMOVAL AND INSTALLATION
Apply engine oil to all
moving parts before
installation.
1
2
3
4
5
6
7
8
9
10
11
12
13
14
4Nm
24 Nm
11 Nm
11 Nm
11 Nm
9
24 Nm
24 Nm
24 Nm 9Nm
Removal steps
"GA1. Rocker cover
2. Rocker cover gasket
3. Oil seal
"FA4. Circuit packing
"EA5. Oil seal
"DA6. Camshaft holder
"DA7. Semi-circular packing
"CA8. Oil control valve
"BA9. Cam cap
10. Oil control valve holder
"BA11. Camshaft bearing cap
12. Arm spring holder
13. Arm spring
"AA14. Camshaft
PWEE9622
EFeb. 1997Mitsubishi Motors Corporation

6A1 ENGINE (E-W) - Rocker Cover and Camshaft <MIVEC>
11A-10-2
INSTALLATION SERVICE POINT
"AACAMSHAFT INSTALLATION
(1) Intake valve camshaft and exhaust valve camshaft can
be identified by their diameters at the portions indicated
in the illustration.
Intake valve camshaft: 25 mm
Exhaust valve camshaft: 30 mm
(2) Before installing each camshaft, apply engine oil to its
journals and cams.
(3) The camshaft dowel pins must be positioned as shown
in the illustration.
"BACAMSHAFT BEARING CAP / CAM CAP
INSTALLATION
(1) Apply sealant to the illustrated points of the camshaft
holders.
Specified sealant:
3M ATD part No. 8660 or equivalent
(2) Install the bearing caps and cam caps correctly according
to the “I” (intake) and “E” (exhaust) marks as well as
the stamped cap numbers and front marks.
(3) Tighten the bolts in the sequence of the numbers shown
in the illustration.
6AE0308
Intake
Exhaust
Cap No.
Cap No.
Front mark
PWEE9622
EFeb. 1997Mitsubishi Motors Corporation
6AE0229
Left bank
camshaft
Right bank
camshaft
6AE0230
Right
bank
Dowel pin
Left
bank
Dowel pin
EX
EXIN
IN
6AE0233

6A1 ENGINE (E-W) - Rocker Cover and Camshaft <MIVEC> 11A-10-3
"CAOIL CONTROL VALVE INSTALLATION
(1) Apply the specified sealant to the area shown.
Specified sealant:
3M ATD Part No. 8660 or equivalent
"DASEMI-CIRCULAR PACKING / CAMSHAFT
HOLDER INSTALLATION
(1) Make sure that the retainer of each adjusting screw is
fitted correctly.
Caution
DIf the protrusion on the retainer is not correctly
fitted in the groove of the screw, the pad could
slip off the retainer.
(2) Apply 3 mm thick bead of foam-in-place gasket (FIPG)
to the gasket surface of the camshaft holder.
Caution
DSince the FIPG could cause blocking of engine
oil passages, be careful not to apply FIPG to other
locations than specified.
Specified sealant:
Mitsubishi Genuine Part No. MD970389 or
equivalent
(3) Install the semi-circular packings.
(4) Raise the rocker arms until the rollers come into contact
with the cams, and install the camshaft holder.
(5) Tighten the bolts in the order indicated in the illustration.
(6) Check the torque of the K-marked bolts. See section "BA
for the checking order.
(7) Verify that the pad of each adjusting screw is in place.
PWEE9622
EFeb. 1997Mitsubishi Motors Corporation
6AE0236
6AE0237
Protrusion
Groove
Screw
Retainer
Pad
6AE0238
6AE0239
106248
7 3 1 5 9

6A1 ENGINE (E-W) - Rocker Cover and Camshaft <MIVEC>
11A-10-4
"EACAMSHAFT OIL SEAL INSTALLATION
(1) When installing the left bank camshaft oil seal, use the
special tool to prevent interference with the knock pin.
"FACIRCULAR PACKING INSTALLATION
"GAROCKER COVER INSTALLATION
(1) Apply the specified sealant to the area shown.
Specified sealant:
3M ATD Part No. 8660 or equivalent
INSPECTION
OIL CONTROL VALVE
(1) Connect a 12VDC power supply between terminals (1)
and (2) of the oil control valve and check if the valve
operates smoothly.
PWEE9622
EFeb. 1997Mitsubishi Motors Corporation
6AE0306
Right bank
MD998713
6AE0307
Left bank
MD998713
MD998777
6AE0241
MD998713
6AE0242
Sealant application
areas
10 mm
10 mm
10 mm
6AE0206
12
+-

6A1 ENGINE (E-W) - Rocker Cover and Camshaft <MIVEC> 11A-10-5
CAMSHAFT
(1) Measure the cam heights. If the specified limit is exceeded,
replace the camshaft.
NOTE
Each camshaft has an identification mark on its rear end
surface.
( ): Identification mark Standard value Limit
IN (3) L 34.34 mm 33.84 mm
H36.46 mm 35.96 mm
EX (C) L 34.40 mm 33.90 mm
H35.86 mm 35.36 mm
VALVE CLEARANCE ADJUSTMENT
NOTE
Adjust the valve clearance for each cylinder and for both
intake and exhaust valves with the piston at the compression
stroke top dead center.
(1) Bring the No. 1 cylinder piston into the compression stroke
top dead center.
(2) Use the special tool to loosen the adjusting screw.
(3) Insert a thickness gauge of the thickness specified below
between the low-speed cam (narrow cam) and roller.
Intake 0.10 mm
....................................................
Exhaust 0.13 mm
.................................................
(4) Screw in one of the two adjusting screws until it comes
into contact with the valve (when the turning torque
changes).
PWEE9622
EFeb. 1997Mitsubishi Motors Corporation
6AE0227
Valve
9N0058
21 mm
16 mm
6AE0228
High-speed cam (H)
Identification
mark location Low-speed
cam (L)
6AE0285
Thickness gauge
MB991477

6A1 ENGINE (E-W) - Rocker Cover and Camshaft <MIVEC>
11A-10-6
(5) Screw in the other adjusting screw until it comes into
contact with the valve (when the turning torque changes),
and then tighten the lock nut.
(6) Loosen the adjusting screw that was screwed in first
slightly (until the turning torque becomes almost zero).
Screw in the adjusting screw until it comes into contact
with the valve again (when the turning torque changes)
and tighten the lock nut.
(7) Remove the thickness gauge.
(8) Screw the special tool into the top of piston of the rocker
arm “H”, and pull up the tool to make sure that the piston
can be lifted smoothly by hand.
(9) Perform valve clearance adjustments for other cylinders
by turning every time the crankshaft through 120°(60°
in camshaft sprocket angle) and following the above steps
(2) through (8). Perform the adjustments in the following
order of cylinder number:
No. 2 ®No. 3 ®No. 4 ®No. 5 ®No. 6
PWEE9622
EFeb. 1997Mitsubishi Motors Corporation
6AE0286
Piston
MB991479

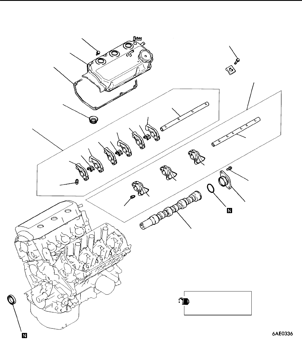
6A1 ENGINE (E-W) - Rocker Arm and Rocker Shaft Cap <MIVEC> 11A-11-1
11. ROCKER ARM AND ROCKER SHAFT CAP <MIVEC>
REMOVAL AND INSTALLATION
Apply engine oil to all
moving parts before
installation.
1
2
3
4
5
6
7
8
9
10 11
12
13
14
15
16 17
11 Nm
22 20
21
13
20
21
20
21
13
19
18
4
11
12
11
12
4
Removal steps
"BA1. Rocker shaft cap
2. Seal cap A
3. Seal cap C
4. Intake rocker arm assembly A
5. Nut
6. Adjusting screw
7. Intake rocker arm H
8. Piston H
9. Piston spring H
10. Intake T-lever
"AA11. Spring guide
12. Wave washer
13. Exhaust rocker arm assembly A
14. Nut
15. Adjusting screw
16. Exhaust rocker arm H
17. Piston H
18. Piston spring H
19. Exhaust T-lever L
"AA20. Spring guide
21. Wave washer
22. Camshaft holder
PWEE9622
EFeb. 1997Mitsubishi Motors Corporation

6A1 ENGINE (E-W) - Rocker Arm and Rocker Shaft Cap <MIVEC>
11A-11-2
INSTALLATION SERVICE POINTS
"AASPRING GUIDE INSTALLATION
(1) Install the spring guide with the concave side toward
the rocker arm. The waved washer may be installed with
either side out.
"BAROCKER SHAFT CAP INSTALLATION
(1) Tighten the bolts in the sequence shown.
(2) Make sure that each rocker arm moves smoothly.
PWEE9622
EFeb. 1997Mitsubishi Motors Corporation
6AE0247
Spring guide
Waved washer
T-lever
Either side may be out
Concave
side
6AE0249
9
7
8
10
3
4
1
2
5
6

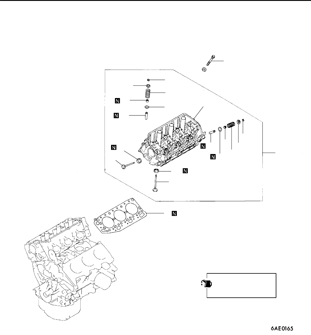
6A1 ENGINE (E-W) - Cylinder Head and Valves 11A-12-1
12. CYLINDER HEAD AND VALVES
REMOVAL AND INSTALLATION <SOHC>
Apply engine oil to all
moving parts before
installation.
1
2
3
4
56
7
8
9
10
11
12 13
14
15
16
17
18
19
20
Removal steps
AA""
DA1. Cylinder head bolt
2. Cylinder head
3. Cylinder head gasket
AB""
CA4. Retainer lock
5. Valve spring retainer
"BA6. Valve spring
7. Intake valve
AB""
CA8. Retainer lock
9. Valve spring retainer
"BA10. Valve spring
11. Exhaust valve
AC""
AA12. Valve stem seal
13. Valve spring seat
AC""
AA14. Valve stem seal
15. Valve spring seat
16. Intake valve guide
17. Exhaust valve guide
18. Intake valve seat
19. Exhaust valve seat
20. Cylinder head
PWEE9622
EFeb. 1997Mitsubishi Motors Corporation

6A1 ENGINE (E-W) - Cylinder Head and Valves
11A-12-2
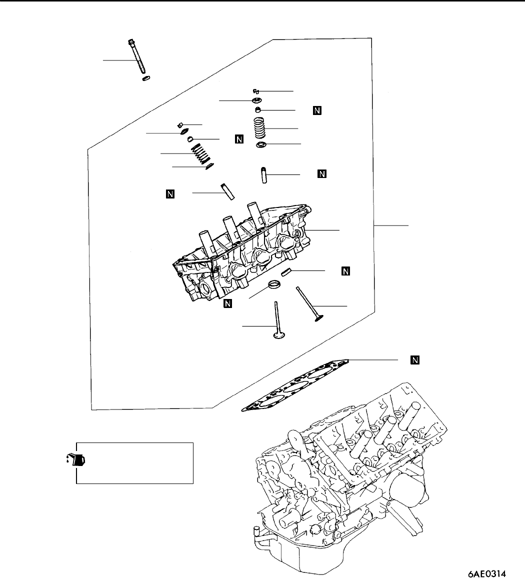
REMOVAL AND INSTALLATION <MIVEC>
Apply engine oil to all
moving parts before
installation.
1
2
3
4
5
6
7
8
9
10
12
13
14
15 16
17
20
19
11
18
Removal steps
AA""
DA1. Cylinder head bolt
2. Cylinder head
3. Cylinder head gasket
AB""
CA4. Retainer lock
5. Valve spring retainer
"BA6. Valve spring
7. Intake valve
AB""
CA8. Retainer lock
9. Valve spring retainer
"BA10. Valve spring
AD"11. Exhaust valve
AC""
AA12. Valve stem seal
13. Valve spring seat
AC""
AA14. Valve stem seal
15. Valve spring seat
16. Intake valve guide
17. Exhaust valve guide
18. Intake valve seat
19. Exhaust valve seat
20. Cylinder head
PWEE9622
EFeb. 1997Mitsubishi Motors Corporation

6A1 ENGINE (E-W) - Cylinder Head and Valves 11A-12-3
REMOVAL SERVICE POINTS
PRECAUTION FOR REMOVED PARTS
Keep removed parts in order according to the cylinder number
and intake/exhaust side.
AA"CYLINDER HEAD BOLT REMOVAL
(1) Using the special tool, loosen the cylinder head bolts.
Loosen evenly, little by little.
AB"RETAINER LOCK REMOVAL
(1) Store removed valves, springs and other parts, tagged
to indicate their cylinder Nos. and location for reassembly.
PWEE9622
EFeb. 1997Mitsubishi Motors Corporation
6AE0166
<SOHC>
MB991653
6AE0408
<MIVEC>
MB991653
6AE0167
<SOHC>
MD998772
6AE0253
<MIVEC>
MD998784
MD998772
6EN1068
MD998735

6A1 ENGINE (E-W) - Cylinder Head and Valves
11A-12-4
AC"VALVE STEM SEAL REMOVAL
(1) Do not reuse removed valve stem seals.
AD"VALVE HANDLING PRECAUTIONS
(1) Sodium reacts violently with water or moisture generation
heat and liberating hydrogen. It must be handled with
utmost care because otherwise the following dangerous
conditions may result:
Loss of eyesight if sodium gets in eyes.
Burns if sodium contact skin.
Fire hazard.
(2) Handling of Sodium-filled Exhaust Valves
Sodium-filled exhaust valves are not dangerous and may
be handled in the same way as ordinary valves unless
they are broken.
Never try to break the valves and expose sodium to the
air. When worn exhaust valves are to be discarded, have
them disposed of by a salvage company equipped with
special disposal system, notifying them that the valves
contain sodium.
Should the exhaust valves be broken, neutralize sodium
using the method described below, and discard the valves
in the same way as ordinary valves.
(3) How to Neutralize Sodium
Place a container filled with more than 10 liters of water
in a well ventilated large space.
Wear rubber gloves and goggles, and carefully take out
broken valves from the cylinder head.
Put a broken valve in the water-filled container and quickly
get away from the container at least 2 or 3 m.
PWEE9622
EFeb. 1997Mitsubishi Motors Corporation
6AE0082

6A1 ENGINE (E-W) - Cylinder Head and Valves 11A-12-5
INSTALLATION SERVICE POINTS
"AAVALVE STEM SEAL INSTALLATION
(1) Install the valve spring seat.
(2) Use the special tool to fit a new stem seal on the valve
guide.
NOTE
Valve stem seals for intake valves are different from those
for exhaust valves. They are identified by colors of their
spring sections as follows:
Stem seals for intake valves: Silver
Stem seals for exhaust valves: Black
Caution
DDo not reuse the valve stem seal.
DAlways use the special tool to install the valve
stem seal. If the seal is improperly fitted, engine
oil may work its way down along the valve stem.
"BAVALVE SPRING INSTALLATION
(1) Install the valve spring with the painted end on the rocker
arm side.
"CARETAINER LOCK INSTALLATION
(1) The valve spring, if excessively compressed, causes the
bottom end of retainer to be in contact with, and damage,
the stem seal.
PWEE9622
EFeb. 1997Mitsubishi Motors Corporation
7EN0763
Stem seals for intake
valves: Silver
Stem seals
for exhaust
valves: Black
6AE0169
<SOHC>
MD998774
6AE0409
<MIVEC> MD998775
6EN0437
Painted
end
Spring
retainer
Stem seal
Spring
seat
6AE0167
<SOHC>
MD998772

6A1 ENGINE (E-W) - Cylinder Head and Valves
11A-12-6
"DACYLINDER HEAD BOLT INSTALLATION
(1) When installing the cylinder head bolts, check that the
shank length of each bolt meets the limit. If the limit is
exceeded, replace the bolts.
Limit: max. 96.4 mm
(2) Install the washers as illustrated.
(3) Apply engine oil to the bolt threads and washers.
(4) Retighten the loosened bolts to a torque of 20 Nm in
the specified tightening sequence.
(5) Make paint marks on the cylinder head bolts and cylinder
head.
(6) Give a 120°turn to the bolts in the specified tightening
sequence.
Caution
DIf the bolts are tightened by an angle of less than
120°, they may not hold the cylinder head with
sufficient strength.
DIf a bolt is overtightened, completely remove all
the bolts and carry out the installation procedure
again from step (1).
PWEE9622
EFeb. 1997Mitsubishi Motors Corporation
6AE0253
MD998784
<MIVEC>
MD998772
6EN1068
MD998735
9EN0251
Length of shank
6AE0392
6AE0339
120°
MB991614

6A1 ENGINE (E-W) - Cylinder Head and Valves 11A-12-7
INSPECTION
CYLINDER HEAD
(1) Check the cylinder head gasket surface for flatness by
using a straightedge and thickness gauge.
Standard value: 0.03 mm
Limit: 0.2 mm
(2) If the service limit is exceeded, correct to meet the
specification.
Grinding limit: *0.2 mm
*Includes/combined with cylinder block grinding
Cylinder head height (Specification when new):
119.9 - 120.1 mm <SOHC>
119.6 - 119.8 mm <MIVEC>
VALVE
(1) Check the valve face for correct contact. If incorrect, reface
using a valve refacer. Valve should make a uniform contact
with the seat at the centre of valve face.
(2) If the margin is smaller than the service limit, replace
the valve.
Standard value mm Limit mm
Intake 1.0 0.5
Exhaust 1.3 0.8
(3) Measure the overall height of the valve. If the specified
limit is exceeded, replace the valve.
Standard value
mm
Limit mm
Intake SOHC 113.02 112.52
MIVEC 112.37 111.87
Exhaust SOHC 115.32 114.82
MIVEC 110.74 110.74
PWEE9622
EFeb. 1997Mitsubishi Motors Corporation
6AE0083
6EN0542
Valve seat
contact Margin

6A1 ENGINE (E-W) - Cylinder Head and Valves
11A-12-8
VALVE SPRING
(1) Measure the valve spring’s free height. If the measurement
is less than specified, replace the spring.
Standard value
mm
Limit mm
SOHC 49.9 48.9
MIVEC 51.5 50.5
(2) Measure the squareness of the spring. If the measurement
exceeds the specified limit, replace the spring.
Standard value: 2_or less
Limit: 4_
VALVE SEAT
(1) Assemble the valve, then measure the valve stem
projection between the end of the valve stem and the
spring seating surface. If the measurement exceeds the
specified limit, replace the valve seat.
Standard value
mm
Limit mm
SOHC 48.45 48.95
MIVEC 48.40 48.90
VALVE GUIDE
(1) Measure the clearance between the valve guide and valve
stem. If the limit is exceeded, replace the valve guide
or valve, or both.
Standard value:
Intake: 0.02 - 0.05 mm
Exhaust: 0.04 - 0.07 mm
Limit:
Intake: 0.10 mm
Exhaust: 0.15 mm
PWEE9622
EFeb. 1997Mitsubishi Motors Corporation
1EN0264
Out of square
Free
height
DEN0212
Valve stem end
Valve stem
projection
Spring seating
surface
1EN0279
Valve
guide

6A1 ENGINE (E-W) - Cylinder Head and Valves 11A-12-9
VALVE SEAT RECONDITIONING PROCEDURE
(1) Before correcting the valve seat, check the clearance
between the valve guide and valve. If necessary, replace
the valve and/or valve guide.
(2) Using the appropriate special tool or seat grinder, correct
the valve seat to achieve the specified seat width and
angle.
(3) After correcting the valve seat, lap the valve and valve
seat using lapping compound. Then, check the valve
stem projection (refer to VALVE SEAT in INSPECTION).
VALVE SEAT REPLACEMENT PROCEDURE
(1) Cut the valve seat to be replaced from the inside to thin
the wall thickness. Then, remove the valve seat.
(2) Rebore the valve seat hole in the cylinder head to a
selected oversize valve seat diameter.
Intake valve seat hole diameter
0.3 O.S. <SOHC>: 29.80 - 29.82 mm
<MIVEC>: 32.30 - 32.32 mm
0.6 O.S. <SOHC>: 30.10 - 30.12 mm
<MIVEC>: 32.60 - 32.62 mm
Exhaust valve seat hole diameter
0.3 O.S. <SOHC>: 27.80 - 27.82 mm
<MIVEC>: 29.80 - 29.82 mm
0.6 O.S. <SOHC>: 28.10 - 28.12 mm
<MIVEC>: 30.10 - 30.12 mm
(3) Before fitting the valve seat, either heat the cylinder head
up to approximately 250_C or cool the valve seat in liquid
nitrogen, to prevent the cylinder head bore from galling.
(4) Correct the valve seat to the specified width and angle.
VALVE GUIDE REPLACEMENT
(1) Force the valve guide out toward the cylinder block using
a press.
(2) Machine the valve guide hole in the cylinder head to
the size of the oversize valve guide to be installed.
Caution
DDo not use the valve guide of the same size as
the removed one.
Valve guide hole diameters in cylinder head
0.05 O.S.: 11.05 - 11.07 mm
0.25 O.S.: 11.25 - 11.27 mm
0.50 O.S.: 11.50 - 11.52 mm
PWEE9622
EFeb. 1997Mitsubishi Motors Corporation
1EN0105
0.9 - 1.3 mm
0.9 - 1.3 mm
65_
65_
44_44_
15_
15_
1EN0274
0.5 - 1.0 mm
Cut away
0.5 - 1.0 mm
1EN0275
Valve seat
height
Oversize valve seat
hole diameter

6A1 ENGINE (E-W) - Cylinder Head and Valves
11A-12-10
(3) Press-fit the valve guide until it protrude specified value
(SOHC: 14 mm, DOHC: 19 mm) as shown in the
illustration.
Caution
DPress the valve guide from the cylinder head top
surface.
DValve guide for intake valve and that for exhaust
valve are different in length. (45.5 mm for intake
valve; 50.5 mm for exhaust valve)
(4) After the valve guide has been installed, insert a new
valve to check for smooth sliding motion.
PWEE9622
EFeb. 1997Mitsubishi Motors Corporation
1EN0106
14 mm
<SOHC>
6AE0254
<DOHC>
19 mm 19 mm

6A1 ENGINE (E-W) - Oil Pump Case and Oil Pan 11A-13-1
13. OIL PUMP CASE AND OIL PAN
REMOVAL AND INSTALLATION <SOHC>
Apply engine oil to all
moving parts before
installation.
1
2
45
6
7
8
9
10
11
12
13
14
15
16
17
19 Nm
44 Nm
10 Nm
18
19
20
23
9Nm
7Nm
7Nm
7Nm
3
9Nm
39 Nm
21 Nm
68 Nm
21
24
25
26
22
14 Nm
12 Nm
30 Nm
Removal steps
"IA1. Oil pressure switch
"HA2. Oil filter
3. Oil filter cover
4. Water hose (for Europe and GCC)
5. Water pipe (for Europe and GCC)
6. Water pipe (for Europe and GCC)
7. Bolt (for Europe and GCC)
"GA8. Oil cooler (for Europe and GCC)
9. Drain plug
"FA10. Gasket
11. Oil level sensor (For Europe)
12. Cover
"DA13. Oil pan lower
"DA14. Oil pan upper
15. Buffle plate
16. Oil screen
17. Gasket
18. Relief plug
19. Relief spring
20. Relief plunger
"CA21. Oil seal
"BA22. Oil pump case
23. O-ring
24. Oil pump case cover
"AA25. Outer rotor
"AA26. Inner rotor
PWEE9622
EFeb. 1997Mitsubishi Motors Corporation

6A1 ENGINE (E-W) - Oil Pump Case and Oil Pan
11A-13-2
REMOVAL AND INSTALLATION <MIVEC>
Apply engine oil to all
moving parts before
installation.
1
2
3
4
5
6
7
8
9
10
11
12
13
14
15 16
17
19 Nm
39 Nm
21 Nm
44 Nm
7Nm
7Nm
10 Nm
14 Nm
18
12 Nm
Removal steps
"IA1. Oil pressure switch
"HA2. Oil filter
3. Oil filter cover
4. Drain plug
"FA5. Gasket
AA""
EA6. Oil pan
7. Oil screen
8. Gasket
9. Buffle plate
10. Relief plug
11. Relief spring
12. Relief plunger
"CA13. Oil seal
"BA14. Oil pump case
15. O-ring
16. Oil pump case cover
"AA17. Outer rotor
"AA18. Inner rotor
PWEE9622
EFeb. 1997Mitsubishi Motors Corporation

6A1 ENGINE (E-W) - Oil Pump Case and Oil Pan 11A-13-3
REMOVAL SERVICE POINT
AA"OIL PAN REMOVAL
(1) Knock the special tool deeply between the oil pan and
the cylinder block.
(2) Hitting the side of the special tool, slide the special tool
along the oil pan to remove it.
INSTALLATION SERVICE POINTS
"AAINNER ROTOR / OUTER ROTOR INSTALLATION
(1) Apply engine oil to the rotors. Then, install the rotors
ensuring that the alignment dots made at disassembly
are properly aligned.
"BASEALANT APPLICATION TO OIL PUMP CASE
Specified sealant:
Mitsubishi Genuine Part No. MD970389 or
equivalent
"CAOIL SEAL INSTALLATION
(1) Apply engine oil to the oil seal lip.
Using the special tool, knock the oil seal into the oil pump
case.
PWEE9622
EFeb. 1997Mitsubishi Motors Corporation
6AE0087
MD998727
6AE0091
6AE0092
3 mm diameter
bead sealant
6AE0093
MD998717

6A1 ENGINE (E-W) - Oil Pump Case and Oil Pan
11A-13-4
"DAOIL PAN INSTALLATION <SOHC>
(1) Clean the cylinder block and oil pan gasket application
surfaces.
(2) Install the oil pan within 15 minutes after FIPG has been
applied to the entire flange surfaces of the oil pan.
Specified sealant:
Mitsubishi Genuine Part No. MD970389 or
equivalent
Bolt
hole
Groove
f4
"EAOIL PAN INSTALLATION <MIVEC>
(1) Clean the cylinder block and oil pan gasket application
surfaces.
(2) Install the oil pan within 15 minutes after FIPG has been
applied to the entire flange surfaces of the oil pan.
Specified sealant:
Mitsubishi Genuine Part No. MD970389 or
equivalent
"FADRAIN PLUG GASKET INSTALLATION
(1) Install the drain plug gasket in the shown direction.
PWEE9622
EFeb. 1997Mitsubishi Motors Corporation
6AE0094
4 mm diameter
bead sealant
7EN0307
Oil pan
side
Drain plug
gasket

6A1 ENGINE (E-W) - Oil Pump Case and Oil Pan 11A-13-5
"GAOIL COOLER INSTALLATION
(1) Install the oil cooler, with the oil cooler’s positioning
projection positioned against the rib on cylinder block.
"HAOIL FILTER INSTALLATION
(1) Clean the surfaces of the cylinder block on which the
oil filter is to be mounted.
(2) Apply engine oil to the O-ring of the oil filter.
(3) Turn down the oil filter until the O-ring contacts the cylinder
block surface, and then give the oil filter one more turn
(or tighten with a 16 Nm torque).
NOTE
For MD135737 oil filter, the tightening torque should be
14 Nm.
"IASEALANT APPLICATION TO SEALANT TO OIL
PRESSURE SWITCH
(1) Apply sealant to the threads of the switch.
Specified sealant:
3M ATD Part No. 8660 or equivalent
Caution
DUse care not to allow the sealant to plug the oil
passage.
INSPECTION
OIL PUMP
(1) Check the tip clearance.
Standard value: 0.06 - 0.18 mm
(2) Check the side clearance.
Standard value: 0.04 - 0.10 mm
PWEE9622
EFeb. 1997Mitsubishi Motors Corporation
6AE0172
9EN0094
Oil passage
6AE0088
6AE0089

6A1 ENGINE (E-W) - Oil Pump Case and Oil Pan
11A-13-6
(3) Check the body clearance.
Standard value: 0.10 - 0.18 mm
Limit: 0.35 mm
OIL LEVEL SENSOR (FOR EUROPE)
(1) Put the oil level sensor in the oil, then move the float
up and down with the oil at a temperature either lower
than 40°C or higher than 80°C, and check for continuity.
40°C
Float position Switch ON/OFF
Condition when down ON (continuity)
Condition when up ON (continuity)
80°C
Float position Switch ON/OFF
Condition when down OFF (no continuity)
Condition when up ON (continuity)
PWEE9622
EFeb. 1997Mitsubishi Motors Corporation
6AE0090
6AE0192

6A1 ENGINE (E-W) - Piston and Connecting Rod 11A-14-1
14. PISTON AND CONNECTING ROD
REMOVAL AND INSTALLATION
Apply engine oil to all
moving parts before
installation.
6AE0095
Removal steps
"GA1. Nut
AA""
FA2. Connecting rod cap
"EA3. Connecting rod bearing
"DA4. Piston and connecting rod
"EA5. Connecting rod bearing
"CA6. Piston ring No.1
"CA7. Piston ring No.2
"BA8. Oil ring
AB""
AA9. Piston pin
10. Piston
11. Connecting rod
12. Bolt
PWEE9622
EFeb. 1997Mitsubishi Motors Corporation

6A1 ENGINE (E-W) - Piston and Connecting Rod
11A-14-2
REMOVAL SERVICE POINTS
AA"CONNECTING ROD CAP REMOVAL
(1) Mark the large end of the connecting rod with the cylinder
number for use during reassembly.
AB"PISTON PIN REMOVAL
Piston pin setting tool (MD998780) consists of the parts shown
in the illustration at left.
To remove the piston pin, Guide D (MB991659) is also used
in combination with the Piston pin setting tool.
(1) Insert the Push Rod (special tool) into the piston from
the side on which the front mark is stamped in the piston
head, and attach the guide D to the push rod end.
(2) Place the piston and connecting rod assembly on the
Piston Pin Setting Base (special tool) with the front mark
facing upward.
(3) Using a press, remove the piston pin.
NOTE
Keep the disassembled pistons, piston pins and
connecting rods in order according to the cylinder number.
PWEE9622
EFeb. 1997Mitsubishi Motors Corporation
DEN0050
Cylinder No.
9EN0780
Piston pin setting tool MD998780
Push rod
Guide B
Guide C
Base
Guide A:
17.9 mm
Guide A:
18.9 mm
Guide A:
20.9 mm
Guide A:
21.9 mm
Guide D
MB991659
7EN0390
Push rod
Front mark
Front
mark
Guide D
Base

6A1 ENGINE (E-W) - Piston and Connecting Rod 11A-14-3
INSTALLATION SERVICE POINTS
"AAPISTON PIN INSTALLATION
(1) Measure the following dimensions of the piston, piston
pin and connecting rod.
A: Piston pin insertion hole length
B: Distance between piston bosses
C: Piston pin length
D: Connecting rod small end width
(2) Calculate the following formula by substituting the
measured values.
(A - C) - (B - D)
2
L=
(3) Insert the Push Rod (special tool) into the piston pin and
attach the guide A to the push rod end.
(4) Assemble the connecting rod in the piston with their front
marks facing the same direction.
(5) Apply engine oil to the entire periphery of the piston pin.
(6) Insert the piston pin, push rod and guide A assembly
having assembled in step (3) from the guide A side into
the piston pin hole on the front marked side.
(7) Screw the guide B into the guide A until the gap between
both guides amounts to the value L obtained in step
(2) plus 3 mm.
(8) Place the piston and connecting rod assembly onto the
piston setting base with the front marks directed upward.
(9) Press-fit the piston pin using a press.
If the press-fitting force required is less than the standard
value, replace the piston and piston pin set or/and the
connecting rod.
Standard value: 5,000 - 15,000 N
PWEE9622
EFeb. 1997Mitsubishi Motors Corporation
7EN0432
Piston
Piston pin
Connecting rod
AB
C
D
7EN0433
3mm+L
Guide B
Guide A
7EN0391
Push rod
Piston pin
Front mark
Front
mark
Guide A
Base
Guide B

6A1 ENGINE (E-W) - Piston and Connecting Rod
11A-14-4
"BAOIL RING INSTALLATION
(1) Fit the oil ring spacer into the piston ring groove.
NOTE
The side rails and spacer may be installed in either
direction.
(2) Install the upper side rail.
To install the side rail, first fit one end of the rail into
the piston groove, then press the remaining portion into
position by finger. See illustration.
NOTE
Do not use piston ring expander when installing side
rail. Use of ring expander to expand the side rail end
gap can break the side rail, unlike other piston rings.
(3) Install the lower side rail in the same procedure as
described in step (2).
(4) Make sure that the side rails move smoothly in either
direction.
"CAPISTON RING NO. 2 / PISTON RING NO. 1
INSTALLATION
(1) Using piston ring expander, install the piston rings with
their side having identification marks facing up.
Identification mark:
No. 1 ring: T
No. 2 ring: 2T
NOTE
The piston ring is stamped with the following size mark.
Size Size mark
Standard size None
0.50 mm O.S. 50
1.00 mm O.S. 100
"DAPISTON AND CONNECTING ROD INSTALLATION
(1) Liberally coat engine oil on the circumference of the piston,
piston ring, and oil ring.
(2) Arrange the piston ring and oil ring gaps (side rail and
spacer) as shown in the figure.
(3) Rotate crankshaft so that the crank pin is on center of
the cylinder bore.
PWEE9622
EFeb. 1997Mitsubishi Motors Corporation
6AE0194
1EN0269
Side rail gap
7EN0452
Piston ring expander
9EN0524
Size mark
Identification mark
Identification mark
No.1
No.2
6EN0549
Upper
side rail No. 1
No. 2 ring gap
and spacer gap
Lower
side rail
Piston pin

6A1 ENGINE (E-W) - Piston and Connecting Rod 11A-14-5
(4) Use suitable thread protectors on connecting rod bolts
before inserting piston and connecting rod assembly into
cylinder block. Care must be taken not to nick crank pin.
(5) Using a suitable piston ring compressor tool, install piston
and connecting rod assembly into the cylinder block.
Caution
DInsert the front mark (arrow) on the top of the
piston so it faces the engine front (timing belt
side).
"EACONNECTING ROD BEARINGS INSTALLATION
(1) When the bearings are to be replaced, select correct
ones and install them in the correct positions according
to the identification marks stamped on the crankshaft.
<6A12>
Crankshaft pin Connecting rod
bearing
Identification mark Outer diameter mm Identification mark
I42.995 - 43.000 1
II 42.985 - 42.995 2
III 42.980 - 42.985 3
<6A13>
Crankshaft pin Connecting rod
bearing
Identification mark Outer diameter mm Identification mark
I50.995 - 51.000 1
II 50.985 - 50.995 2
III 50.980 - 50.985 3
"FACONNECTING ROD CAP INSTALLATION
(1) Mate the correct bearing cap with the correct connecting
rod by checking with the alignment marks marked during
disassembly. If a new connecting rod is used which has
no alignment mark, position the notches for locking the
bearing on the same side.
PWEE9622
EFeb. 1997Mitsubishi Motors Corporation
6AE0097
6AE0341
Crankshaft pin
identification mark
Check
digit
No.1
No.3
No.5
No.2
No.4
No.6
Identification mark

6A1 ENGINE (E-W) - Piston and Connecting Rod
11A-14-6
(2) Check if the thrust clearance in the connecting rod big
end is correct.
Standard value: 0.10 - 0.25 mm
Limit: 0.4 mm
"GACONNECTING ROD CAP NUT INSTALLATION
(1) Since the connecting rod bolts and nuts are torqued using
a new procedure they should be examined BEFORE
reuse. If the bolt threads are “necked down” the bolts
should be replaced.
Necking can be checked by running a nut with fingers
to the full length of the bolt’s thread. If the nut does not
run down smoothly, the bolt should be replaced.
(2) Before installation of each nut, apply engine oil to the
threaded portion and bearing surface of the nut.
(3) Install each nut to the bolt and tighten it finger tight. Then
tighten the nuts alternately to install the cap properly.
(4) Tighten the nuts to a torque of 18 Nm.
(5) Make a paint mark on the head of each nut.
(6) Make a paint mark on the bolt at the position 90°to
100°from the paint mark made on the nut in the direction
of tightening the nut.
(7) Give a 90°to 100°turn to the nut and make sure that
the paint mark on the nut and that on the bolt are in
alignment.
Caution
DIf the nuts are tightened by an angle of less than
90°, they may not hold the caps with sufficient
strength.
DIf a nut is tightened by an angle exceeding 100°,
completely remove all the nuts and carry out the
installation procedure again from step (1).
PWEE9622
EFeb. 1997Mitsubishi Motors Corporation
9EN0073
6EN0954
90°- 100°
Paint
marks
Nut
Bolt
Paint
marks

6A1 ENGINE (E-W) - Piston and Connecting Rod 11A-14-7
INSPECTION
PISTON RING
(1) Check the side clearance between the piston ring and
ring groove. If the limit is exceeded, replace the ring or
piston, or both.
Standard value:
No. 1 0.03 - 0.07 mm
No. 2 0.02 - 0.06 mm
Limit:
No. 1 0.1 mm
No. 2 0.1 mm
Install the piston ring into the cylinder bore. Force it down
with a piston, its crown being in contact with the ring,
to correctly position it at right angles to the cylinder wall.
Then, measure the end gap with a feeler gauge.
If the ring gap is excessive, replace piston ring.
Standard value:
No. 1 0.25 - 0.40 mm
No. 2 0.40 - 0.55 mm
Oil 0.10 - 0.35 mm
Limit:
No. 1, No. 2 0.8 mm
Oil 1.0 mm
CRANKSHAFT PIN OIL CLEARANCE (PLASTIC
GAUGE METHOD)
(1) Remove oil from crankshaft pin and connecting rod
bearing.
(2) Cut the plastic gauge to the same length as the width
of bearing and place it on crankshaft pin in parallel with
its axis.
(3) Install the connecting rod cap carefully and tighten the
bolts to specified torque.
(4) Carefully remove the connecting rod cap.
(5) Measure the width of the plastic gauge at its widest part
by using a scale printed on the plastic gauge package.
Standard value: 0.02 - 0.05 mm
Limit: 0.1 mm
PWEE9622
EFeb. 1997Mitsubishi Motors Corporation
7EN0475
7EN0476
Push in
by the piston
Piston ring
Piston
ring gap
1EN0246
Plastic gauge

6A1 ENGINE (E-W) - Crankshaft, Cylinder Block, Flywheel and
Drive Plate 11A-15-1
15. CRANKSHAFT, CYLINDER BLOCK, FLYWHEEL AND DRIVE
PLATE
REMOVAL AND INSTALLATION
1
2
3
4
5
6
7
8
9
10
11
12
13
14
15
16
17
23 Nm
35 Nm
20
19 18
21
9Nm
11 Nm
98 Nm
98 Nm
A
11 Nm
Apply engine oil to all
moving parts before
installation.
Removal steps
1. Detonation sensor
2. Idler pulley bracket <M/T>
"EA3. Flywheel bolt <M/T>
4. Plate <M/T>
5. Adapter plate <M/T>
6. Flexible flywheel <M/T>
7. Adapter plate <M/T>
"EA8. Drive plate bolt <A/T>
9. Adapter plate <A/T>
10. Drive plate <A/T>
11. Rear plate
12. Bell housing cover <MIVEC>
"DA13. Oil seal case
"CA14. Oil seal
"BA15. Bearing cap bolt
"BA16. Bearing cap
"AA17. Crankshaft bearing, lower
18. Crankshaft
"AA19. Thrust bearing
"AA20. Crankshaft bearing, upper
21. Cylinder block
Caution
On the flexible wheel equipped engines, do not
remove any of the bolts “A” of the flywheel shown
in the illustration.
The balance of the flexible flywheel is adjusted in
an assembled condition. Removing the bolt,
therefore, can cause the flexible flywheel to be out
of balance, giving damage to the flywheel.
PWEE9622
EFeb. 1997Mitsubishi Motors Corporation

6A1 ENGINE (E-W) - Crankshaft, Cylinder Block, Flywheel and
Drive Plate
11A-15-2
INSTALLATION SERVICE POINTS
"AACRANKSHAFT BEARING INSTALLATION
(1) When replacing bearing, select a one of proper size
according to the identification marks stamped on both
crankshaft and cylinder block.
<6A12>
Crankshaft Journal Cylinder Block Bearing
Bore
Crankshaft
Bearing
Identi-
fication
mark
Outer diameter
mm
Identifi-
cation
mark
Inner diameter
mm
Identifica-
tion mark
057.000 - 57.006 1
152.994 - 53.000 157.006 - 57.012 2
257.012 - 57.018 3
057.000 - 57.006 2
252.988 - 52.994 157.006 - 57.012 3
257.012 - 57.018 4
057.000 - 57.006 3
352.982 - 52.988 157.006 - 57.012 4
257.012 - 57.018 5
<6A13>
Crankshaft Journal Cylinder Block Bearing
Bore
Crankshaft
Bearing
Identi-
fication
mark
Outer diameter
mm
Identifi-
cation
mark
Inner diameter
mm
Identifica-
tion mark
060.000 - 60.006 1
155.994 - 56.000 160.006 - 60.012 2
260.012 - 60.018 3
060.000 - 60.006 2
255.988 - 55.994 160.006 - 60.012 3
260.012 - 60.018 4
060.000 - 60.006 3
355.982 - 55.988 160.006 - 60.012 4
260.012 - 60.018 5
(2) Install the bearings having an oil groove to the cylinder
block.
(3) Install the bearings having no oil groove to the bearing
caps.
(4) Install the thrust bearings at the No. 3 upper bearing
with the grooved side toward the crank web.
PWEE9622
EFeb. 1997Mitsubishi Motors Corporation
6AE0343
Crankshaft journal
identification mark
Check
digit
No.1
No.3
No.2
No.4
6AE0344
Cylinder block
bearing bore
identification
mark
Cylinder bore size
mark (reference)
Timing belt side
No.1No.3
No.2No.4
6AE0116
Oil groove
Identification
mark
Identification
mark
Groove

6A1 ENGINE (E-W) - Crankshaft, Cylinder Block, Flywheel and
Drive Plate 11A-15-3
"BABEARING CAP / BEARING CAP BOLT
INSTALLATION
(1) Install the bearing caps so that their arrows are positioned
on the timing belt side.
(2) When installing the bearing cap bolts, check that the
shank length of each bolt meets the limit. If the limit is
exceeded, replace the bolt.
Limit: max. 71.1 mm
(3) Apply engine oil to the threaded portion and bearing
surface of the bolt.
(4) Tighten the bearing cap bolts to 25 Nm torque in the
tightening sequence.
(5) Make a paint mark on the head of each nut.
(6) Make a paint mark on the area around the bolt bearing
surface at location 90°to 100°in the direction of tightening
the bolt.
(7) Give a 90°to 100°turn to the bolts in the tightening
sequence. Make sure that the paint mark on the bolt
and that on the area around the bolt bearing surface
are in alignment.
Caution
DIf the bolts are tightened by an angle of less than
90°, they may not hold the cap with sufficient
strength.
DIf a bolt is tightened by an angle exceeding 100°,
completely remove all the bolts and carry out the
installation procedure again from step (1).
(8) After installing the bearing caps, make sure that the
crankshaft turns smoothly and the end play is correct.
If the end play exceeds the limit, replace crankshaft
bearings.
Standard value: 0.05 - 0.25 mm
Limit: 0.4 mm
PWEE9622
EFeb. 1997Mitsubishi Motors Corporation
9EN0477
Shank length
6AE0108
Arrow
6EN0955
Paint marks
Paint marks
90°- 100°
6AE0109

6A1 ENGINE (E-W) - Crankshaft, Cylinder Block, Flywheel and
Drive Plate
11A-15-4
"CAOIL SEAL INSTALLATION
(1) Apply engine oil to oil seal lip.
"DAAPPLICATION OF OIL SEAL CASE
Specified sealant:
Mitsubishi Genuine Part No. MD970389 or
equivalent
"EADRIVE PLATE BOLT / FLYWHEEL BOLT
INSTALLATION
(1) Remove all the remaining sealant from bolts and thread
holes of crankshaft.
(2) Apply engine oil to the flange of bolt.
(3) Apply engine oil into the thread holes of crankshaft.
(4) Apply specified sealant to the thread of bolts.
Specified sealant:
3M Nut Locking Part No. 4171 or equivalent
(5) Tighten the bolts to specified torque.
INSPECTION
CRANKSHAFT OIL CLEARANCE (PLASTIC GAUGE
METHOD)
(1) Remove oil from crankshaft journal and crankshaft
bearing.
(2) Install the crankshaft.
(3) Cut the plastic gauge to the same length as the width
of bearing and place it on journal in parallel with its axis.
(4) Install the crankshaft bearing cap carefully and tighten
the bolts to specified torque.
(5) Carefully remove the crankshaft bearing cap.
(6) Measure the width of the plastic gauge at its widest part
by using a scale printed on the plastic gauge package.
Standard value: 0.02 - 0.04 mm
Limit: 0.1 mm
PWEE9622
EFeb. 1997Mitsubishi Motors Corporation
9EN0077
MB990938
MD998776
6AE0110
9EN0102
6AE0101
6AE0102

6A1 ENGINE (E-W) - Crankshaft, Cylinder Block, Flywheel and
Drive Plate 11A-15-5
CYLINDER BLOCK
(1) Using a straightedge and feeler gauge, check the block
top surface for warpage. Make sure that the surface is
free from gasket chips and other foreign matter.
Standard value: 0.05 mm or less
Limit: 0.1 mm
(2) If the distortion is excessive, correct within the allowable
limit or replace.
Grinding limit: 0.2 mm
The total thickness of the stock allowed to be
removed from cylinder block and mating cylinder
head is 0.2 mm at maximum.
Cylinder block height (when new):
6A12 190 mm
6A13 209 mm
(3) Check cylinder walls for scratches and seizure. If defects
are evident, correct (bored to oversize) or replace.
(4) Using cylinder gauge, measure the cylinder bore and
cylindricity. If worn badly, correct cylinder to an oversize
and replace piston and piston rings. Measure at the points
shown in illustration.
Standard value:
Cylinder I.D.:
6A12 78.40 - 78.43 mm
6A13 81.00 - 81.03 mm
Out-of-roundness and taper of cylinder bore:
0.01 mm or less
BORING CYLINDER
(1) Oversize pistons to be used should be determined on
the basis of the largest bore cylinder.
Piston size identification
Size Identification mark
0.50 mm O.S. 0.50
1.00 mm O.S. 1.00
NOTE
Size mark is stamped on piston top.
(2) Measure outside diameter of piston to be used. Measure
it in thrust direction as shown.
(3) Based on measured piston O.D. calculate boring finish
dimension.
Boring finish dimension = Piston O.D. + (Clearance
between piston O.D. and cylinder) - 0.02 mm (honing
margin)
PWEE9622
EFeb. 1997Mitsubishi Motors Corporation
6AE0103
A
B
CDE
F
G
6AE0104
12 mm
6AE0105

6A1 ENGINE (E-W) - Crankshaft, Cylinder Block, Flywheel and
Drive Plate
11A-15-6
(4) Bore all cylinders to calculated boring finish dimension.
Caution
DTo prevent distortion that may result from
temperature rise during honing, bore cylinders,
working from No. 1, No. 2, No. 3, No. 4, No. 5
and No. 6
(5) Hone to final finish dimension (piston O.D. + clearance
between piston O.D. and cylinder.)
(6) Check clearance between piston and cylinder.
Clearance between piston and cylinder:
0.02 - 0.04 mm
NOTE
When boring cylinders, finish all of four cylinders to same
oversize. Do not bore only one cylinder to an oversize.
PWEE9622
EFeb. 1997Mitsubishi Motors Corporation

NOTES

Service Bulletins
Click on the applicable bookmark to select the Service Bulletin.

SERVICE BULLETIN
QUALITY INFORMATION ANALYSIS
OVERSEAS SERVICE DEPT. MITSUBISHI MOTORS CORPORATION
SERVICE BULLETIN No.: MSB-01E11-001
Date: 2001-07-25 <Model> <M/Y>
Subject: ADDITION OF 6A1 ENGINE WATER PUMP
INSTALLATION PROCEDURES
(EC)GALANT(EA0) 01-10
Group: ENGINE Draft No.: 00EN620614
INFORMATION INTERNATIONAL
CAR
ADMINISTRATION
OFFICE T.MASAKI-MANAGER
TECHNICAL SERVICE PLANNING
1. Description:
It has been found that when the 6A1 engine is installed, the water pump impeller interferes with
the cylinder block. Therefore, the procedures for positioning the water pump that are to be
followed when the water pump is installed, have been introduced.
2. Applicable Manuals:
Manual Pub. No. Language Page(s)
ENGINE 6A1 (W-E) PWEE9202 (English) 11A-7-2
Workshop Manual PWES9203 (Spanish)
PWEF9204 (French)
PWEG9205 (German)
PWED9206 (Dutch)
PWEW9207 (Swedish)
ENGINE 6A1 (E-W) PWEE9622 (English) 11A-7-3
Workshop Manual PWES9623 (Spanish)
PWEF9624 (French)
PWEG9625 (German)
PWED9626 (Dutch)
PWEW9627 (Swedish)

3
INSTALLATION SERVICE POINTS
SEALANT APPLICATION TO WATER PUMP
Specified sealant:
Mitsubishi Genuine Part No. MD970389 or equivalent
WATER PIPE / O-RING INSTALLATION
(1) Wet the O-ring (with water) to facilitate assembly.
Caution
• Keep the O-ring free of oil or grease.
• Secure the water pipe after the thermostat housing
has been installed.
SEALANT APPLICATION TO WATER OUTLET FITTING
Specified sealant:
Mitsubishi Genuine Part No. MD970389 or equivalent
THERMOSTAT INSTALLATION
(1) Install the thermostat so that the jiggle valve will be located in
the thermostat housing as shown.
SEALANT APPLICATION TO ENGINE COOLANT
TEMPERATURE SENSOR
Specified sealant:
3M Nut locking Part No. 4171 or equivalent
ENGINE 6A1 (E-W) Workshop Manual
6A1 ENGINE (E-W) – Water Pump and Water Pipe 11A-7-3
6AE0067
3 mm diameter
bead sealant
4th page added here.
3 mm diameter
bead sealant
6AE0068
6AE0069
Jiggle valve
6AE0070
A◄
►
B◄
►
C◄
►
D◄
►
E◄
►

4
(1) Install the water pump and tighten the bolts 1 and 2 in that
order.
(2) Turn the pulley by hand and ensure that the impeller does not
interfere with the cylinder block.
(3) Tighten the bolts other than bolts 1 and 2.
<Added>
6AE0415
Water pump