Mitsumi Electric Co DWMW095A 802.11abgn 2X2 MIMO + BT/BLE RADIO MODULE User Manual
Mitsumi Electric Co Ltd 802.11abgn 2X2 MIMO + BT/BLE RADIO MODULE
Contents
- 1. User manual
- 2. Users Manual
- 3. User Manual
User manual

Page 1 of 8
DWM-W095A_User_Manual
User Manual
MITSUMI Wireless LAN Bluetooth Combo Module
MODEL DWM-W095A
The purpose of this manual is to explain correct way how to integrate module DWM-W095A to the end
product. It includes procedures that shall assist you to avoid unforeseen problems. This manual
presents information that shows how module and OEM product, where module integrated, complies
with regulations in certain regions. Any modifications, not expressly approved by the manufacturer
could void the authority to operate in these regions.
Content
1. General
2. Hardware Essentials
3. Wireless Utility Guide
4. BT Utility Guide
5. Regulatory Statement
1. General
This MITSUMI Wireless LAN Bluetooth Combo Module, model DWM-W095A has to be installed and used
in accordance with the technical description/installation instructions provided by the manufacturer.
For detail information concerning type approval of this module (e.g. where this module is already
pre-approved) please contact the authorized local distributor or manufacturer.
The system may only be implemented in the configuration that was authorized. Note that any changes
or modifications to this equipment not expressly approved by the manufacturer could void the user’s
authority to operate this equipment.

Page 2 of 8
DWM-W095A_User_Manual
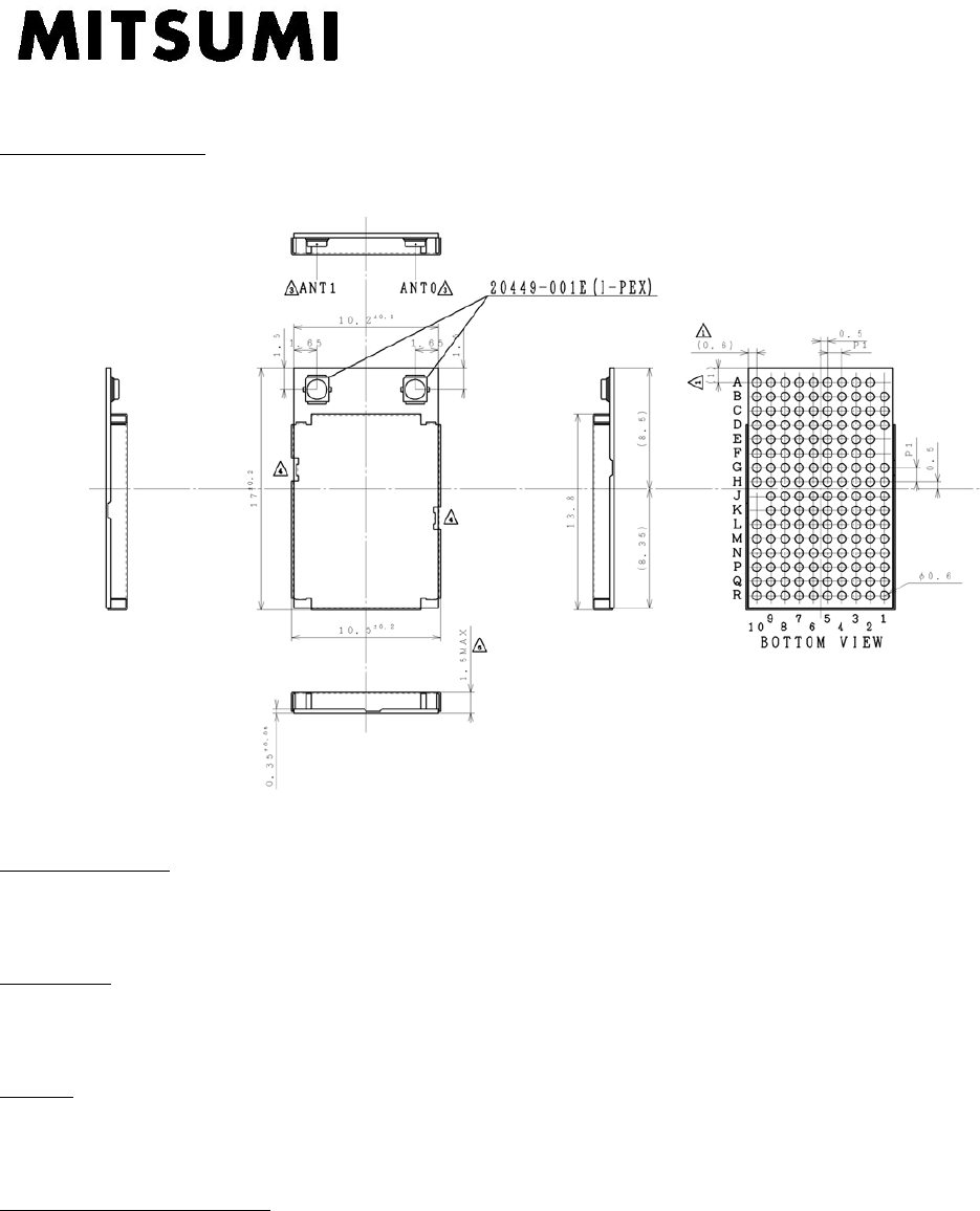
2. Hardware Essentials
Overall Appearance
Package Outline
LGA Module of 155 pins
Dimension
Width 17.0 mm x Depth 10.5 mm x Height 1.5 (MAX) mm
Weight
0.45g
Environmental Conditions
Operating Temperature: -10°C to +75°C
Operating Humidity: 20% to 85% (None dew)
Storage Temperature: -25°C to +85°C
Storage Humidity: 20% to 85% (None dew)

Page 3 of 8
DWM-W095A_User_Manual
3. WLAN Utility Guide
Wireless Network Connection Setting
Step-1: Install WLAN Driver (Broadcom 802.11g Network Adapter).
(Software supply and support will be done by Broadcom according to the licence agreement.)
Step-2: Set the Wireless Zero Configuration property.
Startup type: “Automatic”, Service status: “Start”, and click “OK”.
Step-3: Select the SSID of WLAN Access Point (AP) which you want to create a connection,
and click “Connect”.
Then, a connection between the Module DWN-W095A and the WLAN AP is created.

Page 4 of 8
DWM-W095A_User_Manual
4. BT Utility Guide
Bluetooth Link Setting
Step-1: Install the application software for Bluetooth, run the application, and load firmware.
(Software supply and support will be done by Broadcom according to the licence agreement.)
Step-2: Set Event Filter.
Step-3: Make Write Scan enable.
Step-4: Scan the device (Module DWM-W095A) by the Bluetooth product which you want to establish
a link, and set PIN code.
Step-5: Send PIN Code Request Reply to the Bluetooth product.
Then, a link between the Module DWN-W095A and the Bluetooth product is established.

5. Regulatory Statements
- OEM integrators must ensure that its product is electrically identical to Mitsumi’s reference designs.
Any modifications to Mitsumi’s reference designs may invalidate regulatory approvals in relation to
the product, or may necessitate notifications to the relevant regulatory authorities.
- OEM integrators are responsible for regression testing to accommodate changes to designs, new
antennas, and host and submit for C2PC filings.
Colocation with other transmitter modules will be addressed through filings for those co-located
transmitters when necessary or that colocation of other transmitters will be according to applicable
KDB guidelines including those for RF exposure
-The final system integrator must ensure there is no instruction provided in the user manual or
customer documentation indicating how to install or remove the transmitter
- Appropriate labels must be affixed to the product that complies with applicable regulations in all
respects. The regulatory label on the final system must include the statement: “Contains FCC ID:
EW4DWMW095A and/or IC: 4250A-DWMW095A”.
- A user’s manual or instruction manual must be included with the product that contains the text as
required by applicable law shall be provided to OEM integrators. They may include:
5.1 USA—Federal Communications Commission (FCC)
FCC COMPLIANCE STATEMENT:
This device complies with part 15 of the FCC Rules. Operation is subject to the following two
conditions:
This device may not cause harmful interference, and (2) this device must accept any interference
received, including interference that may cause undesired operation.
INFORMATION TO USER:
This equipment has been tested and found to comply with the limits for a Class B digital device,
pursuant to Part 15 of FCC Rules. These limits are designed to provide reasonable protection against
harmful interference in a residential installation. This equipment generates, uses, and can radiate
radio frequency energy. If not installed and used in accordance with the instructions, it may cause
harmful interference to radio communications. However, there is no guarantee that interference will
not occur in a particular installation. If this equipment does cause harmful interference to radio or
television reception, which can be determined by tuning the equipment off and on, the user is
encouraged to try and correct the interference by one or more of the following measures:
-Reorient or relocate the receiving antenna
-Increase the distance between the equipment and the receiver.
-Connect the equipment to outlet on a circuit different from that to which the receiver is connected.
-Consult the dealer or an experienced radio/TV technician for help.
The device for operation in the band 5150-5250 MHz is only for indoor use to reduce the potential for
harmful interference to co-channel mobile satellite systems.
Caution: Exposure to Radio Frequency Radiation.
To comply with FCC RF exposure compliance requirements, a separation distance of at least 20 cm
must be maintained between the antenna of this device and all persons. This device must not be
collocated or operating in conjunction with any other antenna or transmitter.
FCC Caution:Any changes or modifications not expressly approved by the party responsible for
compliance could void the user's authority to operate this equipment.
Page 5 of 8
DWM-W095A_User_Manual

The final host manual shall include the following regulatory statement:
This equipment has been tested and found to comply with the limits for a Class B digital device,
pursuant to Part 15 of FCC Rules. These limits are designed to provide reasonable protection against
harmful interference in a residential installation. This equipment generates, uses, and can radiate
radio frequency energy. If not installed and used in accordance with the instructions, it may cause
harmful interference to radio communications. However, there is no guarantee that interference will
not occur in a particular installation. If this equipment does cause harmful interference to radio or
television reception, which can be determined by tuning the equipment off and on, the user is
encouraged to try and correct the interference by one or more of the following measures:
-Reorient or relocate the receiving antenna
-Increase the distance between the equipment and the receiver.
-Connect the equipment to outlet on a circuit different from that to which the receiver is connected.
-Consult the dealer or an experienced radio/TV technician for help.
This device complies with Part 15 of the FCC Rules. Operation is subject to the following two
conditions: (1) This device may not cause harmful interference, and (2) this device must accept any
interference received, including interference that may cause undesired operation.
The device for operation in the band 5150-5250 MHz is only for indoor use to reduce the potential for
harmful interference to co-channel mobile satellite systems.
To comply with FCC RF exposure compliance requirements, a separation distance of at least 20 cm
must be maintained between the antenna of this device and all persons. This device must not be
collocated or operating in conjunction with any other antenna or transmitter.
5.2. Canada - Industry Canada (IC)
This device complies with Industry Canada licence-exempt RSS standard(s). Operation is subject to
the following two conditions: (1) this device may not cause interference, and (2) this device must
accept any interference, including interference that may cause undesired operation of the device.
Cet appareil est conforme avec Industrie Canada exempts de licence standard RSS (s). L‘utilisation
de ce dispositif est autorisée seulement aux conditions suivantes : (1) il ne doit pas produire de
brouillage et (2) l’ utilisateur du dispositif doit étre prêt à accepter tout brouillage radioélectrique
reçu, même si ce brouillage est susceptible de compromettre le fonctionnement du dispositif.
Caution:
Users should also be advised that
(i) the device for operation in the band 5150-5250 MHz is only for indoor use to reduce the potential
for harmful interference to co-channel mobile satellite systems;
(ii) the maximum antenna gain permitted for devices in the bands 5250-5350 MHz and 5470-5725
MHz shall comply with the e.i.r.p. limit; and
(iii) the maximum antenna gain permitted for devices in the band 5725-5825 MHz shall comply with
the e.i.r.p. limits specified for point-to-point and non point-to-point operation as appropriate.
High-power radars are allocated as primary users (i.e. priority users) of the bands 5250-5350 MHz
and 5650-5850 MHz and that these radars could cause interference and/or damage to LE-LAN
devices.
Les utilisateurs devraient aussi être avisés que
(i) les dispositifs fonctionnant dans la bande 5150-5250 MHz sont réservés uniquement pour une
utilisation à l’intérieur afin de réduire les risques de brouillage préjudiciable aux systèmes de
satellites mobiles utilisant les mêmes canaux;
Page of 8
DWM-W095A_User_Manual

(ii) le gain maximal d’antenne permis pour les dispositifs utilisant les bandes 5250-5350 MHz et
5470-5725 MHz doit se conformer à la limite de p.i.r.e.;
(iii) le gain maximal d’antenne permis (pour les dispositifs utilisant la bande 5725-5825 MHz) doit se
conformer à la limite de p.i.r.e. spécifiée pour l’exploitation point à point et non point à point, selon
le cas. De plus, les utilisateurs de radars de haute puissance sont désignés utilisateurs principaux
(c.-à-d., qu’ils ont la priorité) pour les bandes 5 250-5 350 MHz et 5 650-5 850 MHz et que ces radars
pourraient causer du brouillage et/ou des dommages aux dispositifs LAN-EL.
Under Industry Canada regulations, this radio transmitter may only operate using an antenna of a
type and maximum (or lesser) gain approved for the transmitter by Industry Canada. To reduce
potential radio interference to other users, the antenna type and its gain should be so chosen that the
equivalent isotropically radiated power (e.i.r.p.) is not more than that necessary for successful
communication.
En vertu de la réglementation de l'industrie du Canada, cet émetteur de radio ne peuvent fonctionner
en utilisant une antenne d'un type et maximum (ou moins) Gain approuvé pour l'émetteur par
Industrie Canada. pour réduire risque d'interférence aux autres utilisateurs, le type d'antenne et son
gain doivent être choisis de sorte que la puissance isotrope rayonnée équivalente (PIRE) ne dépasse
pas ce qui est nécessaire pour la réussite de communication.
Exposure to Radio Frequency Radiation
To comply with IC RF exposure compliance requirements, a separation distance of at least 20 cm
must be maintained between the antenna of this device and all persons. This device must not be
co-located or operating in conjunction with any other antenna or transmitter.
Pour se conformer aux exigences en matière d'exposition RF IC, une distance de séparation d'au
moins 20 cm doit être maintenue entre l'antenne de cet appareil et toutes les personnes. Cet appareil
ne doit pas être co-localisées ou opérant en conjonction avec une autre antenne ou un autre
émetteur.
Page of 8
DWM-W095A_User_Manual
5.3 Taiwan NCC
5.25-5.35 秭赫頻帶內操作之無線資訊傳輸設備,限於室內使用。
Labeling.
MITSUMI Wireless LAN Bluetooth Combo Module DWM-W095A labeled as below.
“Contains NCC ID: CCXXXXYYYYYZZW”
根據低功率電波輻射性電機管理辦法
第十二條:「經型式認證合格之低功率射頻電機,非經許可,公司、商號或使用者均不得擅自變
更頻率、加大功率或變更原設計之特性及功能」
第十四條:「低功率射頻電機之使用不得影響飛航安全及干擾合法通信;經發現有干擾現象時,
應立即停用,並改善至無干擾時方得繼續使用。」前項合法通信,指依電信法規定作業之無線電
通信。低功率射頻電 機須忍受合法通信或工業、科學及醫療用電波輻射性電機設備之干擾。

Page 8 of 8
DWM-W095A_User_Manual
5.4 Europe-EU Declaration of Conformity and Restrictions
Hereby, MITSUMI declares that this MITSUMI Wireless LAN Bluetooth Combo Module MODEL
DWM-W095A is in compliance with the essential requirements and other relevant provisions of
Directive 1999/5/EC.
This equipment is marked with the symbol and can be used throughout the European community.
This indicates compliance with the R&TTE Directive 1999/5/EC and meets the relevant parts of
following technical specifications:
EN 300 328, Wideband transmission systems; Data transmission equipment operating in the 2,4 GHz ISM band and
using wide band modulation techniques; Harmonized EN covering essential requirements under article 3.2 of the
R&TTE Directive
EN 301 893, Broadband Radio Access Networks (BRAN) — 5 GHz high performance RLAN — Harmonized EN
covering essential requirements of Article 3(2) of the R&TTE Directive
EN 301 489-17, Electromagnetic Compatibility and Radio spectrum Matters (ERM); Electromagnetic Compatibility
(EMC) standard for radio equipment and services; Part 17: Specific Conditions for Wideband Data and HYPERLAN
Equipment.
EN 60950-1, Safety of Information Technology Equipment.
EN 62311, Assessment of electronic and electrical equipment related to human exposure restrictions for
electromagnetic fields (0 Hz-300 GHz).
Marking by the symbol indicates that usage restrictions apply.
Restrictions:
- This product is for indoor use only when using channels 36, 40, 44, or 48 (5150–5250MHz).
- To ensure compliance with local regulations, be sure to select the country in which the access point in installed.
Caution: Exposure to Radio Frequency Radiation.
This device must not be co-located or operating in conjunction with any other antenna or transmitter, without further
RF Exposure evaluation.
Remark:
This module is for a fixed application only. The OEM integrator will need to conduct full EMC testing in
accordance with EN301 489-17 in the final use configuration