Mitsumi Electric Co DWMW314K WIRELESS LAN + BLUETOOTH MODULE User Manual DWM W314K 2x
Mitsumi Electric Co Ltd WIRELESS LAN + BLUETOOTH MODULE DWM W314K 2x
Contents
- 1. Users Manual
- 2. 04 User Manual
04 User Manual
User Manual
WIRELESS LAN + BLUETOOTH MODULE
MODEL DWM-W314K
The purpose of this manual is to explain correct way how to integrate module DWM-W314K to
the end product. It includes procedures that shall assist you to avoid unforeseen problems.
This manual presents information that shows how module and OEM product, where module
integrated,complies with regulations in certain regions. Any modifications, not expressly approved
by the manufacturer could void the authority to operate in these regions.
The wireless LAN + Bluetooth module, model DWM-W314K has to be installed and used in
accordance with the technical description/installation instructions provided by the manufacturer.
For detail information concerning type approval of this module (e.g. where this module is already
pre-approved) please contact the authorized local distributor or the manufacturer.
The system may only be implemented in the configuration that was authorized.
Note that any changes or modifications to this equipment not expressly approved by the
manufacturer could void the user’s authority to operate this equipment.
Regulatory Information
Operational Information
Wireless Interoperability
The end product integrating this module is designed to be interoperable with any wireless LAN and
Bluetooth product that is based on direct sequence spread spectrum (DSSS) ,orthogonal frequency
division multiplexing (OFDM) ,Frequency Hopping Spread Spectrum (FHSS) and radio technology
and to comply with the following standards.
・IEEE Std 802.11b Standard on 2.4GHz Wireless LAN
・IEEE Std 802.11g Standard on 2.4GHz Wireless LAN
・IEEE Std 802.11n Standard on 2.4GHz Wireless LAN
・Bluetooth V4.0 Standard
Federal Communications Commission (FCC) Statement
15.105(b) This equipment has been tested and found to comply with the limits for a Class B digital
device, pursuant to part 15 of the FCC rules. These limits are designed to provide reasonable
protection against harmful interference in a residential installation. This equipment generates, uses
and can radiate radio frequency energy and, if not installed and used in accordance with the
instructions, may cause harmful interference to radio communications. However, there is no
guarantee that interference will not occur in a particular installation. If this equipment does cause
harmful interference to radio or television reception, which can be determined by turning the
equipment off and on, the user is encouraged to try to correct the interference by one or more of the
following measures:
-Reorient or relocate the receiving antenna.
-Increase the separation between the equipment and receiver.
-Connect the equipment into an outlet on a circuit different from that to which the receiver is
connected.
-Consult the dealer or an experienced radio/TV technician for help.
15.21: You are cautioned that changes or modifications not expressly approved by the part
responsible for compliance could void the user’s authority to operate the equipment.
FCC RF Radiation Exposure Statement:
1.This Transmitter must not be co-located or operating in conjunction with any other antenna or
transmitter.
Except the following combination DWM-W314K and K1506M.
2. The available scientific evidence does not show that any health problems are associated with using low
power wireless devices. There is no proof, however, that these low power wireless devices are absolutely
safe. Low power Wireless devices emit low levels of radio frequency energy (RF) in the microwave range
while being used. Whereas high levels of RF can produce health effects (by heating tissue), exposure of
low-level RF that does not produce heating effects causes no known adverse health effects. Many studies of
low-level RF exposures have not found any biological effects. Some studies have suggested that some
biological effects might occur, but such findings have not been confirmed by additional research.
DWM-W314K has been tested and found to comply with FCC radiation exposure limits set forth for an
uncontrolled environment and meets the FCC radio frequency (RF) Exposure Guidelines.
FCC RF Exposure requirements:
This device and its antenna(s) must not be co-located or operation in conjunction with any other
antenna or transmitter.
Except the following combination DWM-W314K and K1506M.
15.19
This device complies with Part 15 of the FCC Rules. Operation is subject to the following two
conditions:
1) this device may not cause harmful interference and
2) this device must accept any interference received, including interference that may cause undesired
operation of the device.
Labeling:
Wireless LAN + Bluetooth module DWM-W314K labeled as below.
FCC ID: EW4DWMW314K
The proposed with FCC ID label format is to be placed on the module. If FCC ID is not visible when
the module is installed into the system, “Contains FCC ID:
EW4DWMW314K” shall be placed on the outside of final host system
Instructions to OEM Integrators
A User manual provided to the end user must indicate the operating requirements and conditions
that must be observed to ensure compliance with the above-mentioned FCC RF Exposure
guideline.
If this module is intended for use in a portable device, integrators are responsible for separate
evaluation and/or approval to satisfy FCC RF Exposure requirements.
The antenna used this module is as follows;
Antenna Type: PCB printed antenna
Antenna Gain: -4.7dBi
If an antenna with higher gain or new antenna type is used with this module, integrators must
contact to manufacture for additional testing and submission to the FCC.
If other radio devices are to be integrated with this module, an additional evaluation and FCC
submission may be required. Integrators are responsible for such additional evaluation and FCC
submission.
Notice.
Since this module is not sold to general end users directly, there is no user manual of module.
For the details about this module, please refer to the specification sheet of module.(Next Page)
This module should be installed in the host device according to the interface specification
(installation procedure).
This module built-in use in equipment.
If you do not include the module to the equipment,only be operated by “TX continue” and
“RX continue” stand alone mode separated.
MODULE SPECIFICATION
Contents.
No. Item
1 Product summary
1-1 Scope
1-2 General explanation
2 Hardware specification
2-1 Block diagram
2-2 Environmental condition
2-3 Power supply
3 Electrical characteristics
3-1 Channel plan
3-2 Power Sequence
3-3 Interface specification
3-4 SDIO Protocol Timing
3-5 Current consumption
3-6 Reciever characteristics
3-7 Transmitter characteristics
4 Mechanical specification
4-1 Dimension
4-2 Weight
4-3 Terminal number and name
4-4 Module Overall Appearance
4-5
Module installation procedure
5 Revision
1.Product Summary
1-1.Scope
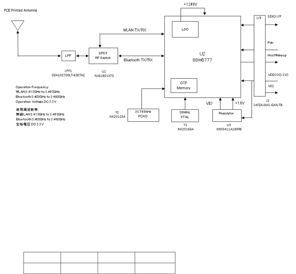
IEEE802.11.b/g/n 2.4 GHz WLAN and Bluetooth 4.0 + LE module with integrated antenna
1-2.General explanation
・Weight 0.5g typ
・Chipset:Marvell.88W8777(WLCSP Package)
1-2-1.WLAN
Standard IEEE802.11b/g/n
Frequency 2.4-2.4835GHz
Host Interfase SDIO ver2.0
Frequency Bandwidth 20MHz
・Chipset:Marvell.88W8777(WLCSP Package)
・Modulation Types: DBPSK, DQPSK and CCK with 802.11b mode
OFDM(BPSK, QPSK, 16-QAM and 64-QAM) with 802.11g/n mode
・Data rate: 1,2,5.5M and 11M with 802.11b mode
6,9,12,18,24,36,48M and 54M with 802.11g mode
MCS0-7 with 802.11n mode
1-2-2.Bluetooth
Standard Bluetoorh V4.0
Frequency 2.4-2.4835GHz
Host Interfase SDIO ver2.0
Frequency Bandwidth 1MHz(BDR/EDR),2MHz(LE)
・Modulation Types: GFSK,PI/4-DQPSK,8DPSK
・Data rate: 1,2,3M

2.Hardware Specification
2-1. Block diagram
2-2.Environmental condition
1) Operating environment
Operating temperature range : -20 ~ 70 ℃ ※Temperature on the bottom of the module
Operating humidity range: 20%~80% (None dew)
2) Storage environment
Storage temperature range: -30 ~ 85 ℃
Storage humidity range 20%~85% (None dew)
2-3.Power supply
Item Min.[V]
TYP. Max.[V]
VDD33 2.97 - 3.63

3.Electrical Characteristics
3-1.Channel Plan
IEEE802.11b/g/n
CH ID Freq.[MHz] CH ID Freq.[MHz] CH ID Freq.[MHz]
1 2412 6 2437 11 2462
2 2417 7 2442 12 2467
3 2422 8 2447 13 2472
4 2427 9 2452
5 2432 10 2457
IEEE802.15(Bluetooth BDR/EDR)
CH ID Freq.
0 2402MHz
1 2403MHz
2 2404MHz
3 2405MHz
4 2406MHz
5 2407MHz
6 2408MHz
7 2409MHz
8 2410MHz
9 2411MHz
10 2412MHz
11 2413MHz
12 2414MHz
13 2415MHz
14 2416MHz
15 2417MHz
16 2418MHz
17 2419MHz
18 2420MHz

IEEE802.15(Bluetooth LE)
19 2421MHz
20 2422MHz CH ID Freq.
21 2423MHz
22 2424MHz
23 2425MHz
24 2426MHz
25 2427MHz
26 2428MHz
27 2429MHz
28 2430MHz
29 2431MHz
30 2432MHz
31 2433MHz
32 2434MHz
33 2435MHz
34 2436MHz
35 2437MHz
36 2438MHz
37 2439MHz
38 2440MHz
39 2441MHz
40 2442MHz
41 2443MHz
CH ID Freq.
42 2444MHz
43 2445MHz
44 2446MHz
45 2447MHz
46 2448MHz
47 2449MHz
48 2450MHz
49 2451MHz
50 2452MHz
51 2453MHz
52 2454MHz
53 2455MHz
54 2456MHz
55 2457MHz
56 2458MHz
57 2459MHz
58 2460MHz
59 2461MHz
60 2462MHz
61 2463MHz
62 2464MHz
CH ID Freq.
63 2465MHz
64 2466MHz
65 2467MHz
66 2468MHz
67 2469MHz
68 2470MHz
69 2471MHz
70 2472MHz
71 2473MHz
72 2474MHz
73 2475MHz
74 2476MHz
75 2477MHz
76 2478MHz
77 2479MHz
78 2480MHz
CH ID Freq.
21 2444MHz
22 2446MHz
23 2448MHz
24 2450MHz
25 2452MHz
26 2454MHz
27 2456MHz
28 2458MHz

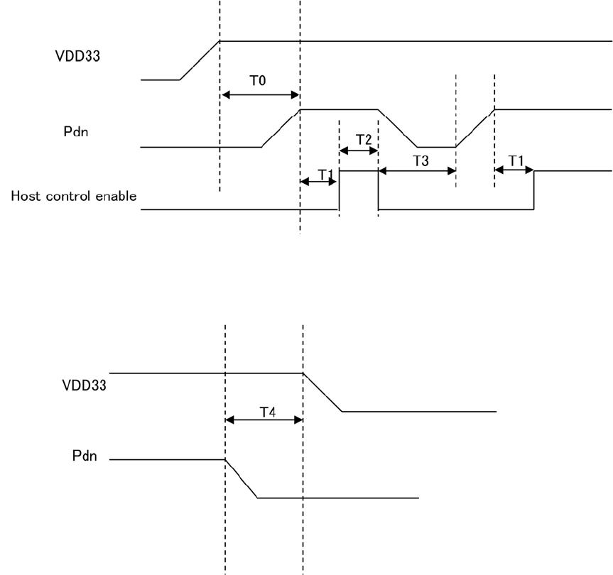
3-2.Power Sequence
29 2460MHz
30 2462MHz
31 2464MHz
32 2466MHz
33 2468MHz
34 2470MHz
35 2472MHz
36 2474MHz
37 2476MHz
38 2478MHz
39 2480MHz
CH ID Freq.
0 2402MHz
1 2404MHz
2 2406MHz
3 2408MHz
4 2410MHz
5 2412MHz
6 2414MHz
7 2416MHz
8 2418MHz
9 2420MHz
10 2422MHz
11 2424MHz
12 2426MHz
13 2428MHz
14 2430MHz
15 2432MHz
16 2434MHz
17 2436MHz
18 2438MHz
19 2440MHz
20 2442MHz

Recommended power on timing
T0≧ 750ms., T1≧ 4ms., T2 ≧ 0ms., T3 ≧ 250ms
Recommended power off timing
T4≧ 0ms
3-3. Interface specification (SDIO)

3-3-1.Internal VIO Output Voltage
Item Min.[V] TYP.[V] Max.[V]
VIO 1.78 1.80 1.82
3-3-2.
I/O Ratings
Min.[V] Typ.[V] Max.[V]
Input high voltage 0.8*VIO - VIO+0.3
Input low voltage -0.3 - 0.3*VIO
Input hysteresis 0.15 - -
Output high voltage VIO-0.4 - -
Output low voltage - - 0.4
3-3-3.SDIO Protpcol Timing Diagram - Normal Mode
3-3-4.SDIO Protpcol Timing Diagram - High Speed Mode
3-3-5. SDIO Timing Data

Symbol Parameter Mode Min Typ. Max
fpp Clock Frequency Normal 0 [MHz] - 25 [MHz]
High Speed 0 [MHz] - 50 [MHz]
Twl Clock Low Time Normal 10 [ns] -
High Speed 7 [ns] -
Twh Clock High Time Normal 10 [ns] -
High Speed 7 [ns] -
Tisu Input Setup Time Normal 5 [ns] -
High Speed 6 [ns] -
Tih Input Hold Time Normal 5 [ns] -
High Speed 2 [ns] -
Todly Output Delay Time 0 [ns] - 14 [ns]
Toh Output Hold Time High Speed 2.5 [ns] -
3-4. Current consumption
3-4-1.WLAN Upload @ STA Mode
Condition Data rate Typ.[mA] Max[mA]
11b 11Mbps 12dBm 11Mbps 310 380
11g 54Mbps 12dBm 54Mbps 260 330
11n MCS7 12dBm HT20 MCS7 270 340
Disabled Bluetooth
3-4-2.WLAN Download @ STA Mode
Condition Data rate Typ.[mA] Max[mA]
11b 11Mbps 12dBm 11Mbps 170 210
11g 54Mbps 12dBm 54Mbps 170 210
11n MCS7 12dBm HT20 MCS7 190 230
Disabled Bluetooth
@STA Mode
Download Measure Point
Upload

3-4-3.Bluetooth Tx Mode
Condition Typ.[mA] Max[mA]
BDR/EDR 41 45
LE 31 35
Disabled WLAN
3-4-4.Bluetooth Rx Mode
Condition Typ.[mA] Max[mA]
BDR/EDR 33 36
LE 28 31
Disabled WLAN
@Connection Event Tx Measure Point Rx Measure Point
3-4-5. Power Save Mode
Typ.[mA] Max[mA]
WLAN
DTM=1 6.0 9.0
DTM=3 2.0 4.0
Deep Sleep 0.5 0.8
Pdn 0.1 0.2
Bluetooth Deep Sleep 0.8 1.2
3-5. WLAN Receiver characteristics

3-5-1.Minimum Receiver Sensitivity
Standard Data rate Min.[dBm] Typ.[dBm] Max.[dBm] PER[%]
802.11b 1 Mbps - -93 -80 8
2 Mbps - -90 -80 8
5.5 bps - -88 -76 8
11 Mbps - -86 -76 8
802.11b 6 Mbps - -86 -82 10
9 Mbps - -85 -81 10
12 Mbps - -84 -79 10
18 Mbps - -82 -77 10
24 Mbps - -79 -74 10
36 Mbps - -76 -70 10
48 Mbps - -71 -66 10
54 Mbps - -70 -65 10
802.11n
MCS0 - -86 -82 10
MCS1 - -83 -79 10
MCS2 - -81 -77 10
MCS3 - -78 -74 10
MCS4 - -74 -70 10
MCS5 - -70 -66 10
MCS6 - -68 -65 10
MCS7 - -67 -64 10
3-5-2.Maximum Receiver Sensitivity
Standard Data rate Min.[dBm] Typ.[dBm] Max.[dBm] PER[%]
802.11b 1M,2M -4 - - 8
5.5M,11M -10 - - 10
802.11g 6M to 54M -20 - - 10
802.11n MCS0 to 7 -20 - - 10
3-6. WLAN Transmitter Characteristics

3-6-1. Output Power
Item 2412MHz 2442MHz 2472MHz
11b 12.0 dBm 12.0 dBm 12.0 dBm
11g 12.0 dBm 12.0 dBm 12.0 dBm
11n 12.0 dBm 12.0 dBm 12.0 dBm
3-6-2.Output Power Torelance
Item Min. Typ. Max.
Torelance -2.5dB 2.5dB
3-6-3.EVM
ITEM rate EVM [%]
11b 1 Mbps 35
11b 2 Mbps 35
11b 5.5 Mbps 35
11b 11 Mbps 35
11b 6 Mbps 56.2
11g 9 Mbps 39.8
11g 12 Mbps 31.6
11g 18 Mbps 22.4
11g 24 Mbps 15.8
11g 36 Mbps 11.2
11g 48 Mbps 7.9
11g 54 mBps 5.6
11n MCS0 56.2
11n MCS1 31.6
11n MCS2 22.4
11n MCS3 15.8
11n MCS4 11.2
11n MCS5 7.9
11n MCS6 5.6
11n MCS7 4.0
3-6-4.Frequency Accuracy
Item Min.[ppm] Typ. Max.[ppm]
Ta = 25 deg. -10 - +10
Ta = 0 to 70 deg. -20 - +20
3-6-5.Spectrum Mask

Mask [dBr]
DS 0MHz to +/-11MHz 0
DS f+/-11MHz to 22MHz -28
DS f+/-22MHz -50
OFDM 0MHz to +/-9MHz 0
OFDM f+/-11MHz -20
OFDM f+/-20MHz -28
OFDM f+/-30MHz -40
HT20 0MHz to +/-9MHz 0
HT20 f+/-11MHz -20
HT20 f+/-20MHz -28
HT20 f+/-30MHz -45
3-7.Bluetooth Reciever Characteristics
3-7-1. Basic Data Rate (BDR)
Item MIN. TYP. MAX.
Frequency 2402MHz 2480MHz
Sensitivity BER=0.1% -90dBm -70dBm
Maximum Input level -20dBm - -
3-7-2. Enhanced Data Rate (EDR)
Item MIN. TYP. MAX.
EDR Sensitivity BER=0.1% PI/4DQPSK -90dBm -70dBm
8DPSK -90dBm -70dBm
EDR BER Floor Sensitivity -60dBm
EDR Maximum Input level BER=0.1% -20dBm - -
3-7-3. Low Energy (LE)
Item MIN. TYP. MAX.
Sensitivity PER=30.8% -87dBm -70dBm
Maximum Input level PER=30.8% -10dBm - -
3-8.Bluetooth Transmitter Characteristics

3-8.1.Basic Data Rate(BDR)
MIN TYP MAX
Transmit Frequency 2402MHz 2480MHz
Output Power - -6 -
Initial Carrier Frequency Tolerance -75KHz 75KHz
Carrier Frequency Drift
1: DH1 packet -25KHz 25KHz
2: DH3 packet -40KHz 40KHz
3: DH5 packet -40KHz 40KHz
4: Maximum Drift Rate - 400Hz/uS
Modulation Characteristics
1: ⊿f1 AVG 140KHz 175KHz
2: ⊿f2 MAX 115KHz
3: f2 AVG/f1 AVG 0.8
3-8.2.Enhanced Data Rate(EDE)
MIN TYP MAX
EDR Relative Transmit Power -4dB 1dB
EDR Modulation Accuracy
1: RMS DEVM π/4DQPSK: 20%
2: RMS DEVM 8DPSK 13%
3: 99% DEVM π/4DQPSK 30%
4: 99% DEVM 8DPSK 20%
5: PEAK DEVM π/4DQPSK 35%
6: PEAK DEVM 8DQPSK 25%
7: Differential Phase Encoding 1%
EDR Carrier Frequency Stability
1: wi(GFSK part) -75KHz 75KHz
2: wo(PSK part) -10KHz 10KHz
3: wi+wo(PSK part) -75KHz 75KHz
3-8.3. Low Energy (LE)
MIN TYP MAX
LE Transmit Power - -6dBm -
LE Modulation Characteristics
1: ⊿f1 AVG 225KHz 275KHz
2: ⊿f2 MAX 185KHz -
3: f2 AVG/f1 AVG 0.8 -
3-8.4. Tolerance of Transmit Power (BDR/LE)

MIN TYP MAX
Torelance -4.0dB 4.0dB
4.Mechanical Specifications
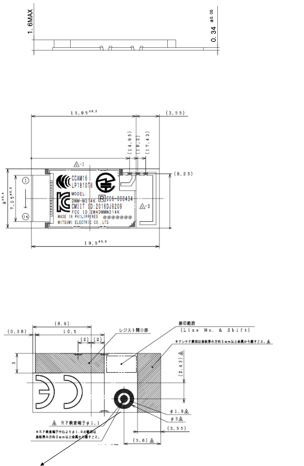
4-1. Dimension : 9.0mm×19.5mm, t= 1.6mm MAX
4-2. Weight : Typical 0.5g
4-3. Terminal number and name
No. Name Type Function
1 Pdn IN Power on reset
2 VIO POWER I/F power supply
3 SD_CMD IO SDIO command
4 SD_D0 IO SDIO data 0
5 SD_D1 IO SDIO data 1
6 GND GND GND
7 SD_CLK IO SDIO clock
8 GND GND GND
9 SD_D3 IO SDIO data 3
10 SD_D2 IO SDIO data 2
11 GND GND GND
12 VDD33 POWER Main power supply 3.3V
13 VDD33 POWER Main power supply 3.3V
14 HostWakeup OUT Host Wake up
4-4. Module Overall Appearance

4-5.Module installation procedure
4-5-1 Antenna Area Clearance
It is recommendation to installration for final products, around the antenna area, should make
clearance 30mm × 30mm or more.
4-5-2 Clearance of bottom side

It should be made clearance φ1.9mm at center of the test point and distance 2mm or more, and also,
avoid the metal from Antenna Area.(Distance 2mm or more)
4-5-3 FPC/FFC cable direction
About direction of the insertion of the FPC/FFC cable, refer to Tabel 4-3 Terminal Pin assign
information, should be careful design of the cable and connection.
5.Revision
REV Contents Date Name