Motorola Solutions 89FT7007 Handheld Data Terminal with WAN & Bluetooth modem User Manual I1D BOOK BK
Motorola Solutions, Inc. Handheld Data Terminal with WAN & Bluetooth modem I1D BOOK BK
Contents
- 1. Exhibit 8 User Card and Instruction Manual
- 2. Exhibit 8 Technical Manual
- 3. Amended Users Manual
- 4. Latest Users Manual
- 5. Latest Safety Booklet
Exhibit 8 Technical Manual

iO1000
Wireless Modem
Detailed Service Manual
7 OCT 1999
¤
68P02953C80-O
Manual Revisions
Changes that occur after this manual is printed are described in the Field Manual Revisions (FMRs). The FMRs provide the
most current instructions and component information.
Copyright Information
Motorola products described in this manual may include copyrighted Motorola computer programs stored in semiconductor
memories or other media. Laws in the United States and other countries preserve for Motorola certain exclusive rights for
copyrighted computer programs, including the exclusive right to copy or reproduce in any form the copyrighted computer
program. Accordingly, any copyrighted Motorola computer programs contained in the Motorola products described in this
manual may not be copyrighted or reproduced in any manner without the express written permission of Motorola. Further-
more, the purchase of Motorola products shall not be deemed to grant either directly or by implication, estoppel, or otherwise,
any license under the copyrights, patents, or patent applications of Motorola, except for the normal non-exclusive royalty-free
license to use that arises by operation of law in the sale of the product.
Trademarks
The following is a registered trademark of Motorola, Inc.:
¥
iDEN
® Reg. U.S. Pat. & Tm. Off.
All other trademarks mentioned in this manual are trademarks of their respective companies.
Patent Information
This product is protected under one or more of the following patents:
4817157, 4896361, 4857928, 5041793, 5060294, 5066923, 5134718, 5140156, 5239963, 5257411, 5287387, 5265219,
5289504, 5316168, 5317247, 5338396, 5389927, 5406588, 5424921, 5457376, 5460906, 5551063, 5557079, 5596487,
5615412, 5638403, 5559468, 5469465, 5170413, 5140615, 5519730, 5241544, 5584059, 5574992, 5396656, 5487091,
5533004, 5299199, 5343499, 5369501, 5509031, 5515379, 5528723, 5598417, 5066923, 5241650, 5278833, 5359696,
5548631, 5410632, 5440582, 5457735, 5457818, 5471670, 5477550, 5481537, 5566181, 5229767, 5208804, 5295140,
5381449, 5440590, 5467398, 5490230, 5620242, 5623523, 5655913
© Copyright 1999, Motorola, Inc. All rights reserved.

iii
For the Safe and Efficient Operation of Your Radio, Observe these Guidelines:
Your radio contains a transmitter and a receiver. When
it is
ON
, it receives and transmits radio frequency
(RF) energy. The radio operates in the frequency
range of 806 MHz to 866 MHz and employs digital
modulation techniques. This product is authorized
under FCC Rule Part 47CFR 2. 1091 (b), which states
that it should be used in such a way that a separation
distance of at least 8 inches (20 cms) is normally
maintained between the radio’s antenna and the body
of the user or nearby persons. When you use your
radio product, the system handling your call, controls
the power level at which your radio product transmits.
The output power level typically may vary over a
range from 0.0024 watts to 0.7 watts.
Exposure To Radio Frequency Energy
Your Motorola Radio Product is designed to comply
with the following national and international
standards and guidelines regarding exposure of
human beings to radio frequency electromagnetic
energy:
• United States Federal Communications
Commission, Code of Federal Regulations; 47
CFR part 2 sub-part J
• American National Standards Institute (ANSI)
IEEE. C95. 1-1992
• National Council on Radiation Protection and
Measurements (NCRP). Report 86
• International Commission on Non-Ionizing
Radiation Protection (ICNIRP) 1998
• European Committee for Electrotechnical
Standardization (CENELEC), ENV 50166-2,
1995 E
• National Radiological Protection Board of the
United Kingdom,
GS 11, 1988
• Verband Deutscher Elektrotechniker (VDE) DIN-
0848
• Department of Health and Welfare Canada.
Safety Code 6
Antenna and Installation Considerations
• All equipment must be properly installed in
accordance with Motorola installation instructions.
• To assure compliance with United States FCC
regulations on RF exposure, the user of the
equipment must position the antenna in such a way
to maintain a separation of at least 8 inches (20
cms) between the antenna and the body of any user
and nearby person.
• Ensure that the antenna is properly installed
external to the vehicle and in accordance with the
requirements of the antenna manufacturer/supplier.
• Use only the supplied or an approved antenna.
Unauthorized antennas, modifications, or
attachments could impair call quality, damage the
modem, or result in violation of the ICNRP or the
FCC.
Interference to Medical and Personal
Electronic Devices
Most electronic equipment is shielded from RF
energy. However, certain equipment may not be
shielded against RF signals from your radio radio
product.
Pacemakers
Do not operate the radio when any person is within 6
inches (0.15 meters) of the antenna. That person may
be using a pacemaker, a hearing aid or other personal
electronic device which may not be adequately
shielded.
Hearing Aids
Some radio products may interfere with some hearing
aids. In the event of such interference, you may want
to consult your hearing aid manufacturer to discuss
alternatives.
Other Medical Devices
If you use any other personal medical device, consult
the manufacturer of your device to determine if it is
adequately shielded from external RF energy. Your
physician may be able to assist you in obtaining this
information.
SAFETY AND GENERAL INFORMATION
IMPORTANT INFORMATION ON SAFE AND EFFICIENT
OPERATION. READ THIS INFORMATION BEFORE USING YOUR
INTEGRATED MULTI-SERVICE RADIO PRODUCT.

iv
RF energy may affect improperly installed or
inadequately shielded electronic operating and
entertainment systems in motor vehicles. Check with
the manufacturer or representative to determine if
these systems are adequately shielded from external
RF energy. Also check with the manufacturer of any
equipment that has been added to the vehicle.
SAFETY AND GENERAL
USE WHILE DRIVING
Check the laws and regulations on the use of radio
products in the area where you drive. Always obey
them.
When using the radio product while driving, please:
• Give full attention to driving and to the road
• Pull off the road and park before using the
product if driving conditions so require.
POTENTIALLY EXPLOSIVE ATMOSPHERES
Turn off your radio product when you are in any area
with a potentially explosive atmosphere, unless it is a
radio product type especially qualified for use in such
areas (for example, Factory Mutual Approved).
Sparks in a potentially explosive atmosphere can
cause an explosion or fire resulting in bodily injury, or
even death.
Note:
The areas with potentially explosive atmospheres
referred to above include fueling areas such as: below
decks on boats; fuel or chemical transfer or storage
facilities; areas where the air contains chemicals or
particles such as grain, dust or metal powders; and
any other area where you would normally be advised
to turn off your vehicle engine. Areas with potentially
explosive atmospheres are often, but not always
posted.
Do not transport or store flammable gas, liquid, or
explosives in the compartment of your vehicle which
contains your radio or accessories.
In the United States, Vehicles powered by liquefied
petroleum gas (such as propane or butane) must
comply with the National Fire Protection Standard
(NFPA-58). For a copy of this standard, contact the
National Fire Protection Association. One
Batterymarch Park, Quincy, MA 02269, Attn:
Publications Sales Division.
!
W A R N I N G
!
!
W A R N I N G
!
OPERATIONAL
WARNINGS
INTERFERENCE TO OTHER
ELECTRONIC DEVICES

v
BLASTING CAPS AND AREAS
To avoid possible interference with blasting
operations, turn off your radio product when you are
near electrical blasting caps, in a blasting area, or in
areas posted: "Turn off two-way radio". Obey all signs
and instructions.
FOR VEHICLES EQUIPPED WITH AN AIR BAG
An air bag inflates with great force. DO NOT place
objects, including communication equipment, in the
area over the air bag or in the air bag deployment area.
If the communication equipment is improperly
installed and the air bag inflates, this could cause
serious injury.
Installation of vehicle communication equipment
should be performed by a professional installer/
technician qualified in the requirements for such
installations. An air bag’s size, shape,and deployment
area can vary by vehicle make, model, and front
compartment configuration (for example, bench seat
vs. bucket seats).
Contact the vehicle manufacturer’s corporate
headquarters, if necessary, for specific air bag
information for the vehicle make, model, and front
compartment configuration involved in your
communication equipment installation.
DAMAGED ANTENNAS
Do not use any radio product with a damaged antenna.
If a damaged antenna comes into contact with your
skin, a minor burn can result.
CLEANING INSTRUCTIONS
Clean the external surfaces of the radio product with a damp
cloth, using a mild solution of dishwashing detergent and
water. Some household cleaners may contain chemicals that
could seriously damage the radio product. Avoid the use of
any petroleum-based solvent cleaners. Also, avoid applying
liquids directly on the radio product.
!
W A R N I N G
!
!
C a u t i o n
OPERATIONAL
WARNINGS
OPERATIONAL
CAUTION
vi
IMPORTANT INFORMATION
FOR EVERY MANUFACTURER TO WHOM THESE
PRODUCTS ARE RESOLD
iO1000 modems that we are supplying to you for
incorporation into the final product are components
that when connected to the power supply can receive
and transmit radio signals. In the United States, the
Federal Communications Commission requires that
many radio transmitting devices must obtain approval
before being offered on the market, unless the device
is exempt
While the iO1000 modem has been designed to meet
applicable FCC requirements, provided in the code of
Federal Regulation 47CER part II subpart J and
47CER part S, the Final Product’s compliance with
the FCC’s requirements, including RF energy expo-
sure requirements, must reflect product usage, posi-
tioning of the iO1000 within the product, the type of
antenna used, the,location of the antenna, and other
factors that may vary with the design and nature of the
Final Product. Therefore, compliance with such FCC
requirements can only be determined by an assess-
ment of the Final Product.
It is important that any manufacturer to whom the
iO1000 modem is resold for use in the Final Product
also recognize that he/she will have the responsibility
for taking all necessary steps to ensure that the Final
Product meets any applicable FCC requirements and
for obtaining any necessary approval from the FCC
for sale and operation of the Final Product. To the
extent that this may require development of user
information or guidance to be provided to each pur-
chaser of the Final Product, this will also be the
responsibility of the manufacturer.

vii
iO1000 Detailed Service Manual - MODEL SPECIFICATIONS FOR F2581A
MODEL SPECIFICATIONS FOR F2581A
Specifications subject to change without notice.
GENERAL RECEIVER TRANSMITTER
FCC Designation: Receiver Type: RF Pulse Avg. Power:
0.6 W
Temperature Range: Frequency Range:
851-866 MHz
Frequency Range:
Operating:
–25°C to +60°C
Bandwidth:
15 MHz 806-821 MHz
Storage (w/o battery):
–40°C to +85°C
Channel Spacing:
25 kHz
Frequency Stability:
Supply Voltage: Frequency Stability: Locked to base:
0.2 ppm
Nominal:
3.6 Vdc
Locked to base:
0.2 ppm
Not locked to base:
5 ppm
Range:
3.4 to 3.8 Vdc
Not locked to base:
5 ppm
Sensitivity (10%) BER: Spurious Emissions:
Dimensions (H x W x D)
111.5 x 56.5 x 27.5 mm
851-866 MHz:
– 111 dBm
Conducted:
– 43 dBW
Weight (with lithium battery):
126 g
Selectivity:
25 kHz Adjacent Channel:
60 dB
Radiated:
– 43 dBW
Modulation Type
Quad 4/16/64
QAM
Image (typical):
55 dB
Emissions Designator:
20K0D7W
Adjacent Channel
.
Power at +/- 25kHz
-60dB
MODEL SPECIFICATIONS FOR F2581A
viii

1
iO1000 Detailed Service Manual - OVERVIEW
CHAPTER 1
OVERVIEW
INTRODUCTION
The iO1000
Detailed Service Manual
contains the information necessary to iden-
tify and fix problems in the iO1000 OEM Module. This unit is based on digital
technology and is designed to operate on integrated Digital-Enhanced Network
(iDEN) systems.
Service for the iO1000 unit is based on the substitution method: a faulty part is
replaced by a working one, providing quick service to the customer. For example,
if the battery is faulty, it is replaced. If the unit requires more complete testing or
service than is available at the basic level, it is sent to the field-level service facil-
ity, serviced, and returned to the iDEN Customer Care Center (ICC).
Note:
Before operating or testing this unit, please read the
Safety and General
Information
section in the front of this manual.
Digital Modulation Technology
The iO1000 is an 806-866 MHz unit that can operate in three modes:
dispatch
,
interconnect
, and
multi-service
. It uses two digital technologies: Quad 16QAM
and Time Division Multiple Access (TDMA).
Quadrature Amplitude Modulation (QAM)
is a modulation technique that trans-
mits information by altering the amplitude and phase of the radio frequency (RF)
signal. Data is converted into complex symbols, which alter the RF signal and
transmit the information. When the signal is received, the amplitude and phase are
converted back into symbols and then into the original data.
In 16QAM, each of the 16 possible combinations of four bits is converted into a
unique amplitude and phase. The traditional 25 kHz channel used for two-way
radios is split into four 16QAM signals (subcarriers) that are transmitted simulta-
neously. This technique can transmit 64 kbps in a single 25 kHz channel.
The signal spectrum of the Quad 16QAM is shown in Figure 1 on page 2.

OVERVIEW: Digital Modulation Technology
2
Figure 1. Spectrum of IDEN Quad 16QAM
Time Division Multiple Access (TDMA)
is used to allocate portions of the RF sig-
nal by dividing time into six slots, one for each unit. Time allocation enables each
unit to transmit its voice information without interference from another unit’s
transmission.
Transmission from a unit or base station is accommodated in time-slot lengths of
15 milliseconds and frame lengths of 90 milliseconds (see Figure 2 on page 3).
0-10-20 10 20
Frequency from Desired Channel Center
(kHz)
RL 0dBm 10 dB/
Power
(dB)
-10
-20
-30
-40
-50
-60
-70

3
iO1000 Detailed Service Manual - OVERVIEW
Figure 2. iDEN TDM Format
Note that
Rx
(outbound) indicates base-to subscriber transmissions;
Tx
(inbound)
indicates subscriber-to-base transmissions. The slots are paired and have a fixed
offset of 19 milliseconds; their timings are synchronized by the iDEN system. The
TDMA technique requires sophisticated algorithms and one digital-signal proces-
sor (DSP) to perform voice compression/decompression and RF modulation/
demodulation.
Voice Compression Technology
Voice is converted into a digital bit stream by sampling the voice signal at a high
rate and converting the samples into numbers, which are represented by bits. A
sample consists of eight bits. Approximately 8,000 samples per second (64 kbps)
are required to maintain a reasonable quality.
Voice compression
reduces the number of bits per second while maintaining the
voice at an acceptable quality level. The iDEN system uses a coding technique
called
Vector Sum Excited Linear Prediction (VSELP)
to compress voice to 4.2 or
8.0 kbps. The compressed voice-data bits modulate the RF signal. The compres-
sion rate is based on the type of call (dispatch or interconnect) and the network
configuration established by the local service provider.
15ms15ms 15ms15ms 15ms 15ms 15ms 15ms 15ms 15ms 15ms 15ms 15ms
15ms
90ms 90ms
15ms15ms 15ms 15ms 15ms 15ms 15ms 15ms 15ms 15ms 15ms 15ms
15ms
90ms 90ms
Tx
Rx
Receiver 4ms delayed
Transmitting 6 of 6 slots continually.
15ms15ms 15ms15ms 15ms 15ms 15ms 15ms 15ms 15ms 15ms 15ms 15ms
15ms
90ms 90ms
15ms15ms 15ms 15ms 15ms 15ms 15ms 15ms 15ms 15ms 15ms 15ms
15ms
90ms 90ms
Rx
Tx
Transmitter 4ms delayed
When turned on, scans for control station, then transmits one slot every six slots.
Base Station Control Channel
Portable Unit

OVERVIEW: Voice Compression Technology
4
Adding error-correction bits to the coded-voice bits increases the required RF-
transmission bit rate to approximately 7.4 kbps for the 4.2 kbps voice coder and
14.8 kbps for the 8.0 kbps voice coder.
RF Transmission Bursts
All RF transmissions within an iDEN system occur in 15-millisecond blocks
called
bursts
. An iDEN base station transmits bursts continuously on each RF fre-
quency it uses. Transmission bursts from the stations are synchronized in time by
signals received from the global positioning satellite (GPS) system. Each burst is
numbered; the number is referred to as the
slot
number. All bursts occurring at a
given time carry the same slot number.
Inbound transmission bursts (sent from the unit) are offset 19 milliseconds from
the outbound burst; the inbound burst begins 4 milliseconds after the end of the
outbound burst (see Figure 2 on page 3). This offset in time allows the unit to
appear capable of transmitting and receiving at the same time (it actually is
switching rapidly back and forth between receiving and transmitting).
In current iDEN systems, outbound transmissions range from 851-866 MHz;
inbound transmissions are 45 MHz lower in frequency.
An iDEN channel is created by grouping bursts so that their slot numbers differ by
a number referred to as the repetition rate. The portable uses two repetition rates
for interconnect voice calls: 6:1 and 3:1. A single frequency can handle six calls
using a 6:1 repetition rate with the 4.2 kbps coder. Dispatch calls always use this
rate. However, the audio quality of the 3:1 repetition rate with the 8.0 kbps coder
is superior to the 6:1 rate with the 4.2 kbps coder. Most service providers config-
ure the system and unit to allow only the 3:1 rate for interconnect calls.
Calls are setup on a primary control channel (PCCH) in response to a request from
a unit or a regular telephone connected to the Public Switch Telephone Network
(PSTN). The PCCH is established by the base station equipment; typically, it is a
6:1 channel.
The outbound PCCH carries system information and “pages” to specific sub-
scriber units and asks them to respond if they are available for a call. Inbound
PCCH transmissions carry responses to the “pages” and requests by subscriber
units to set up calls. Inbound transmissions on the primary control channel only
take 7.5 milliseconds and may be timed to occur in either half of a 15-millisecond
burst.
Using the above techniques, the iDEN system can operate six voice channels
simultaneously in dispatch mode or three voice channels simultaneously in inter-
connect mode on a single RF carrier at 25 kHz bandwidth.

5
iO1000 Detailed Service Manual - CHAPTER 2
CHAPTER 2
THEORY OF OPERATION
This section provides a detailed theory of operation for the iO1000 OEM module
and its components: the receiver, transmitter, frequency generation unit, logic unit,
and the audio and data circuits.
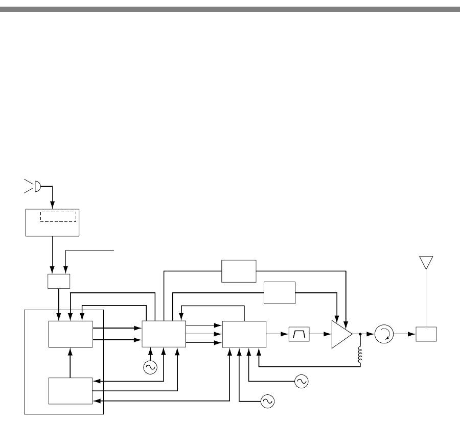
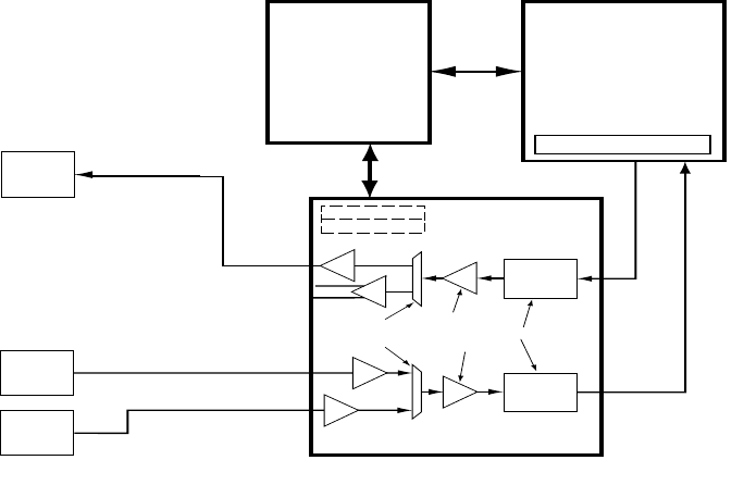
Block Diagram Description
The below figure shows the hardware block diagram of the iO1000 OEM Module.
This module includes two boards:RF and Logic.
Figure 3. RF and Logic Connection Diagram
RF Board
The RF board is an 800 MHz RF transceiver. It includes frequency synthesizers,
the transmitter circuitry, 0.6 Watt transmit power circuitry, receiver circuitry, and
electronic T/R switch.
LOGIC
BOARD RF
BOARD
RS-232/SB9600/JTAG
Opt_Sel
DC Power
Audio
On/Off Control
DC
SPI
SSI
.Misc
Antenna
Connector

THEORY OF OPERATION: Block Diagram Description
6
The RF board is connected to the Logic Board through a 60-pin connector. Fol-
lowing are functions of the RF Board:
1.
Transmit (0.6 watt) - iDEN modulation of the RF carrier with baseband data
signal.
2.
Receive - Demodulation of received RF signal to generate baseband signal
3.
Frequency Synthesizer Channels (806-825 MHz TX) and (851-870 MHz RX).
Logic Board
The Logic Board includes a red cap that controls the transmit ter, receiver, and
synthesizer operations of the integrated circuits located on the RF board. The red
cap houses the DSP and the serial communication interface

7
iO1000 Detailed Service Manual - THEORY OF OPERATION
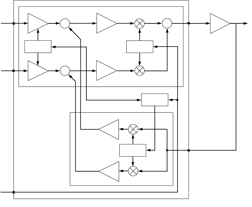
Transmitter Path Section
This section includes a quasi-linear class AB power amplifier (PA) for linear mod-
ulation of the iDEN portables. When the unit is transmitting data, the digital data
is sent to the DSP. When an audio is used, microphone audio is routed to the
CODEC, where it is amplified and digitized by the A/D converter in the CODEC.
13-bit data is then sent from the CODEC to the DSP for processing.
Figure 4 illustrates the transceiver circuitry path.
Figure 4. Transceiver Circuitry Path
The DSP performs VSELP data compression and generates digital I & Q words to
be transmitted to the ADDAG. The signal then is sent to ADDAG at a rate of
48 K samples per second. The ADDAG provides the serial clock to the DSP and a
frame sync pulse to tell the DSP to send a sample. Each sample is sent as a 16-bit
I word followed by a 16-bit Q word and then some meaningless fill bits.
The I word and the Q word are then converted to an analog differential pair by the
ADDAG and amplified. The ADDAG also sends a 2.4MHz reference clock signal
to the ODCT, together with a differential TSLOT pair that toggle whenever a TXE
signal is received from the DSP. Once the TSLOT toggles, data is sent from the
DSP ADDAG ODCT PA
ISOLATOR
MAIN VCO
OFFSET VCO
REF. OSC.
A/S
ANTENNA
IMAGE
FILTER
HOST
REDCAP
Control
Circuitry
MUX
DIGITAL
DATA
U001 (GCAP)
MICROPHONE
TXE
SERIAL
DATA
TSLOT
fo +150.9MHz
301.8MHz
TCLK
DATA
ASW
VBLIN
VNCTO
DSP CLK
SERIAL CLK
A/D CONV.
DIGITIZED
VOICE
SPI CLK
VCONTROL
VDP
SP I/O
16.8MHz
Level
Shifter

THEORY OF OPERATION: Transmitter Path Section
8
ADDAG to the ODCT. After receiving the data, the ODCT toggles the ASW line,
which signals the ADDAG to turn on the PA and the antenna switch to start trans-
mitting.
ADDAG
The ADDAG (Analog-to-Digital/Digital-to-Analog Glue logic) converts the serial
I & Q words to parallel I & Q words, truncates them to 8 bits and sends them to
dual 8-bit D/A converters. The D/A converters take the digital I & Q words and
convert them into analog signals, which then are filtered and amplified. The base-
band filters have a 10 kHz pass band. The output is comprised of two separate
low-level differential signals, I & Q. A differential output is used to minimize
noise pickup, due to its inherent common mode rejection. The output signals are
routed to the ODCT IC where the transmitter now becomes a closed loop.
ODCT
The ODCT (Offset Direct Conversion Transmitter) is the heart of the transmitter;
it incorporates an offset synthesizer and all of the circuitry necessary to implement
a cartesian feedback closed-loop system. The iZIF offset synthesizer phase locks
an external VCO at 301.8 MHz. This is divided down in the ODCT to 150.9 MHz
in the quadrature generator of the internal image reject mixer. The divided down
offset LO is then mixed with the main LO in the image reject mixer. The output of
the mixer is the carrier frequency.
The differential baseband signals from the ADDAG are input into the ODCT on
pins 57-60. They go through a variable attenuator and are then summed with the
down converted I & Q feedback. The baseband signal is then amplified and sent to
the upmixers.
The upmixers consist of two mixers, one for the I channel and one for the Q chan-
nel. The output of the image reject mixer is split into quadrature (90 degrees phase
difference) and is mixed with the baseband I & Q signals to produce an I and a Q
signal at RF frequency. The two RF signals are then summed, producing a com-
plex modulated RF signal (QAM). The signal is then output, differentially on pins
51 and 52.

9
iO1000 Detailed Service Manual - THEORY OF OPERATION
BALUN
The differential RF signal is converted to a traditional single-ended (unbalanced)
signal through the balun (balanced/unbalanced) circuitry. The balun is imple-
mented using multilayer ceramic technology.
SAW Filter
The signal is then routed to the SAW filter. The SAW filter further attenuates the
residual image frequency and any out-of-band noise that may be present.
RF Power Amplifier
The signal is then routed to the RF PA. The RF PA has an adjustable gain that can
be varied from 30 dB to 36 dB. The gain is adjusted by varying the control voltage
on pin 1 of the PA. The control voltage is supplied by a D/A converter in the
ADDAG. The gain is tuned at the factory and should not require any adjustment;
any change in the loop gain can result in the transmitter splattering into the adja-
cent channel. The PA is turned on by supplying the battery voltage to pins 3, 5,
and 7 of the PA through Q501. This is done only after the PA negative bias volt-
ages have been applied to pins 1 and 4.
Coupler
At the output of the PA is a high value inductor that is used to sample the signal
and provide the necessary feedback for the linearization. A directional coupler is
not needed because the isolator that follows provides the directivity. The sampled
signal passes through an attenuator and is input to the ODCT at pin 37. The sam-
pled signal is then mixed down to baseband in the downmixer, a quadrature mixer,
and the resulting output is an I and a Q signal which is then summed with the
input. This completes the closed loop.

THEORY OF OPERATION: Transmitter Path Section
10
Isolator
The isolator protects the PA from any impedance changes that may occur at the
antenna. The isolator provides a constant impedance to the PA so that its gain does
not vary depending on load, which could result in splatter. The isolator is a circu-
lator with the third port internally terminated to absorb any reflected power from
port 2.
Antenna Switch
The antenna switch consists of two PIN diodes, one series and one shunt. The
diodes are biased On in transmit mode and Off in receive mode. The bias voltage
is VDP (3.6Vdc pulsed). The DC return is through the isolator, since it is a DC
short.
Cartesian Feedback
iDEN transmitters use MQAM modulation, which requires a highly linear PA
with wide dynamic range. Linear PAs are highly inefficient so a class AB PA is
used for better efficiency and longer battery life. The class AB PA is fairly linear,
but not totally; and this causes splatter in the RF spectrum around the transmitted
frequency band. To reduce splattering into the adjacent channels and to meet sys-
tem specifications, the transmitter uses cartesian feedback to linearize the PA and
reduce splatter. Negative feedback is a commonly used method to linearize cir-
cuits.
Cartesian feedback is the process of down converting the feedback signal to base-
band and summing it with the input signal in the I & Q paths separately. One can
control the 180o phase shift at baseband more precisely than at RF frequencies.
The ODCT is the heart of the cartesian feedback system, and as such, is the heart
of the transmitter. There is a forward path and a feedback path in the transmitter.
This a closed loop system and the loop cannot be opened without drastic conse-
quences. See Figure 5 on page 11.
The forward path includes the following:
¥ODCT ASIC
¥Balun
¥Image filter

11
iO1000 Detailed Service Manual - THEORY OF OPERATION
¥Power amplifier
¥Isolator
¥Antenna switch
The feedback path includes the following:
¥Feedback inductor
¥Attenuator
¥ODCT ASIC
Figure 5. Cartesian Loop
Amplitude
Adjust
I
Q
LO
DOWNMIXER
0° & 90°
Phase
Adjust
0° & 90°
RF IN
UPMIXER
RF OUT
Transmitter
Output
∑
∑
∑

THEORY OF OPERATION: Transmitter Path Section
12
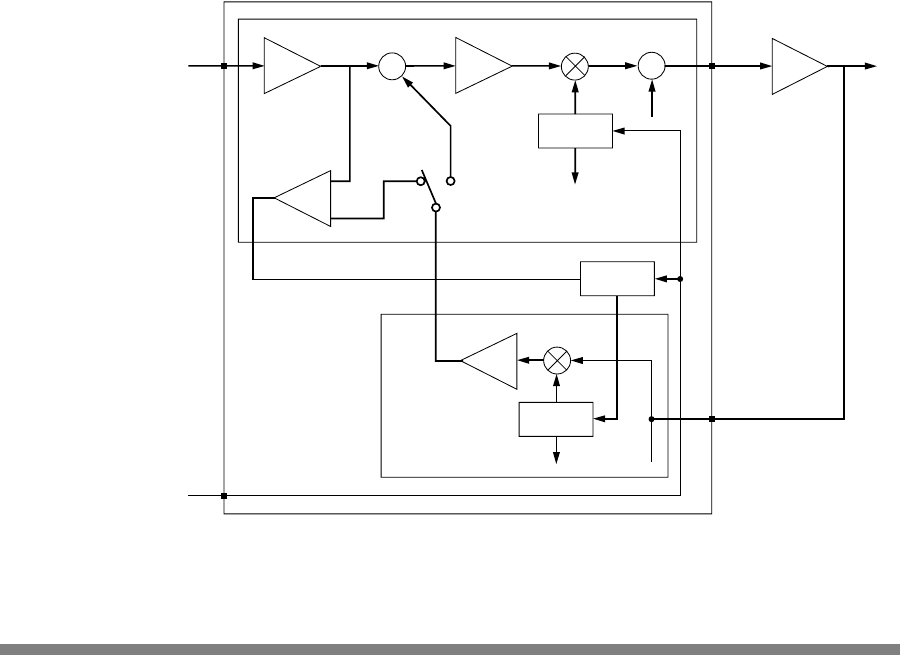
Level Set and Phase Training
Level set training is performed to ensure that the RF PA is not driven into clip,
which would result in excess splatter and out-of-band spurious emissions. During
training, the DSP signal is disconnected from the forward path and an internal
analog ramp generator is connected. The feedback is monitored and compared to
the analog ramp. As the ramp amplitude increases and the RF PA begins to clip,
the error voltage increases. See Figure 6 on page 12.
When the error signal exceeds a pre-determined threshold, the ramp level is held
and step attenuators are set to prevent the maximum-input signal level from
exceeding the ramp level, which caused the clip. The ramp is allowed to decay to
zero.
Figure 6. Level Set Training
Negative feedback is required to maintain system stability. Phase training is done
to ensure that the feedback is negative (180o). The phase shift of the loop consists
of the sum of the delays of several modules and components, such as SAW filters
and amplifiers.
The Q channel is set to zero and a positive signal is sent to the I channel. If there is
negative feedback, the I feedback channel is negative and no signal should be
present in the Q channel. The phase of the LO down mixer is adjusted to maxi-
mum negative feedback. The phase-training algorithm is iterative. The I signal
•
Error
Voltage
Predetermined
Threshold
Voltage
Comparator
Trigger
Sample
and Hold
In
Out
+
+
--
+
--
Software
Controlled
Switch
Ramp
Generator
Attenuator
From
ADDAG

13
iO1000 Detailed Service Manual - THEORY OF OPERATION
becomes negative and the LO phase is adjusted. This phase adjustment is per-
formed twice on the I channel with positive and negative values. See Figure 7 on
page 13.
Figure 7. Phase Training
Receiver Path Section
The iO1000 receiver is a double-conversion, superheterodyne receiver (see
Figure 8 on page 14). It operates in the commercial portion of the land-mobile
receiver band (851-866 MHz). The receiver takes an incoming RF signal, down-
converts it to a filtered109.65 MHz frequency (IF stage), and converts it to base
band. The signal is then digitized.
The receiver has automatic gain control (AGC) to maintain good linearity over a
wide range of incoming signals. The AGC circuitry also prevents clipping of high-
level signals.
I
LO
DOWNMIXER
0° and 90°
Phase
Adjust
0° and 90°
RF IN
UPMIXER
Switch
Comparator
RF OUT
Transmitter
Output
∑∑
+
-

THEORY OF OPERATION: Receiver Path Section
14
Figure 8. Receiver Path Diagram
The receiver path includes the following components:
Antenna Switch
The antenna switch routes the received signal from the antenna to the receiver
front-end. During transmit mode, this switch disconnects the receiver path and
connects the antenna to the transmit path. This switch is optimized to have a very
low loss.
Preselector SAW Filter
The preselector SAW filter protects the RF amplifier from strong, out-of band sig-
nals. It has a pass band from 851 MHz to 866 MHz.
Down Mixer
The down mixer is an active mixer. It converts RF input to IF output. The mixer
LO drive is provided from the VCO buffer in the frequency-generation portion of
the unit. The LO drive is provided to the mixer through a saw filter.
3-Pole Crystal Filter
The 3-pole crystal filter provides narrow bandpass selectivity centered at the IF
frequency (109.65 MHz). The crystal-filter bandwidth allows a single 21 kHz
channel to pass through with little attenuation. The filter provides rejection to
adjacent channels.
RF Input
Attenuator ON/OFF
Control from iZIF
From VCO Buffer Amp
1st LO Injection
960.65-975.65MHz
16.8MHz REF from
Fran-N Synthesizer
SAW
Filter
Down Mixer
(Active)
1st IF Filter
109.65MHz
Crystal
IF
LO
RF
iZIF and Peripheries
Data Out to
ADDAG and DSP
219.3MHz VCO
2nd LO Injection
Control V
Antenna
Switch
0 or 10dB
Attenuator
SAW
Filter
851-866MHz
iZIF

15
iO1000 Detailed Service Manual - THEORY OF OPERATION
iZIF IC
The iZIF IC performs the following functions:
¥Implements AGC
¥Down converts IF into baseband I and Q
¥Synthesizes the second VCO frequency and TX offset oscillator
¥Sends received data to the DSP through the ADDAG
The iZIF takes the IF signal as its input, and outputs differential I and Q baseband
signals as well as differential RSSI information. The signal path inside this IC can
be divided into three stages: IF pre-amp, down conversion mixer, and baseband
filters.
The first part of the IF pre-amp stage is a 20 dB step attenuator that is controlled
by the iZIF AGC circuitry. This step attenuator is used to protect the IC from over-
load during strong signal conditions. The next part of this stage is the pre-amp.
This is an amplifier that has been optimized for noise figure and gain. The last part
of the IF pre-amp stage is the variable attenuator, which has been optimized to
maintain a constant third-order intercept point.
The next stage in the iZIF lineup is the down conversion mixer. This is a quadra-
ture type of mixer. Its inputs are the IF and second LO signals (see “Second Local
Oscillator (LO)” on page 19), and its outputs are baseband I and Q signals.
The last stage in the iZIF is the baseband filters. These are lowpass filters that pro-
vide the IF selectivity for the iZIF. Baseband I and Q signals go through these fil-
ters.
Receiver Signal Flow
The receiver can be divided into two parts. The first part is the front-end, which
consists of the antenna switch, preselector SAW filter, and the down mixer. The
second part is the back-end which consists of the 3-pole crystal filter, and the iZIF
IC.
The received signal goes through the front end the following way. During receive
mode, the antenna switch connects the antenna to the receiver path. The received
signal (RF) goes through the preselector SAW filter which only lets through the
desired frequency band (851-866 MHz) and attenuates out-of-band signals and the
image frequency. In the next stage, the down mixer, the signal is down converted
from the RF frequency to a lower one called the intermediate frequency (IF).

THEORY OF OPERATION: Frequency Generator (RF) Section
16
The mixer has two inputs (RF and first LO) and one output (IF). The first LO sig-
nal is generated at a frequency of 109.65 MHz above the received frequency. For
example, if the RX is 851 MHz, the first LO frequency will be 960.65 MHz. The
first LO signal is supplied by the main VCO (see “Main VCO Synthesizer” on
page 19).
In the back-end of the receiver, the signal goes through the 3-pole crystal filter.
This filter provides a narrow bandpass selectivity (21 kHz) for a 25kHz channel
centered at 109.65 MHz, providing rejection to adjacent channels. The signal is
then fed into the iZIF IC input (pin D1), which mixes it down to baseband I and Q.
This information is sent to the ADDAG IC for digitizing prior to sending it to the
DSP.
Frequency Generator (RF) Section
This section contains the following main components in the RF board:
¥Low Voltage (3 Volt) Fractional-N (LV Frac-N) synthesizer
¥Crystal-Based Reference Oscillator Circuit
¥Discrete voltage controlled oscillator (VCO) circuit
¥Second local oscillator (LO)
¥DSP phase locked loop (PLL)
¥Host system clock synthesizer
All frequencies in the iO1000 originate from the 16.8 MHz reference frequency
provided by the Low Voltage Fractional-N synthesizer and the crystal-based refer-
ence oscillator circuit. The UM5 crystal generates the 16.8 MHz signal, which is
DC voltage-warped (or tuned) and temperature-compensated using the internal
D/A converter in by the Low Voltage Fractional-N ASIC. See Figure 9 on page 17.

17
iO1000 Detailed Service Manual - THEORY OF OPERATION
Figure 9. Frequency Generator
Low Voltage Fractional-N (LV Frac-N) Synthesizer
This synthesizer provides the temperature compensation and frequency error cor-
rection for the crystal-based reference oscillator, generates the control voltage for
the main VCO, shuts off the buffer circuitry and main VCO in battery-save mode,
and acts as a phase detector for the main VCO. The 16.8 MHz frequency is used
as a reference for all frequencies generated in the portable.
In the phase detector, the LV Frac-N synthesizer compares the divided 16.8 MHz
reference to the divided-down LO. The output of the detector is the control volt-
age for the main VCO. The feedback loop keeps the receive and transmitter fre-
quencies locked and allows frequency transitions in a short period of time (lock
time less than 3 milliseconds).
The LV Frac-N controls the power to the main VCO and buffer circuitry in bat-
tery-save mode. It switches the superfilter supply to the VCO and buffer on and
off using a dual-transistor array, Q302 (see Figure 10 on page 18).
Second VCO
219.3MHz
DSP
58.3MHz
Synthesizer
U850
Offset VCO
301.8MHz
16.8MHz
16.8MHz
Pre-scaler
Main VCO
956.9-975.65MHz
(Discrete)
Q304
LV Fractional - N
Synthesizer
(ASIC)
U301
2.1MHz
:8
ODCT
(ASIC)
U510
150.9 x 2
109.65 x 2
DSP
1.2MHz
Serial
Peripherial
Interface
(SPI) Clock
16.8MHz
Crystal
Ref Osc
16.8MHz
Y300
Buffer
(Discrete)
Q305
To
Tx and Rx
Circuit
iZIF
U601

THEORY OF OPERATION: Frequency Generator (RF) Section
18
Figure 10. LV Frac-N Synthesizer
The LV Frac-N synthesizer is programmed using the serial peripheral interface
(SPI) bus of REDCAP RCE. The LV Frac-N is programmed using a fixed, 119-bit
programming sequence.
Crystal-Based Reference Oscillator
The LV Frac-N synthesizer FREF output provides a stable and accurate 16.8 MHz
reference frequency for the other synthesizers. The crystal-based reference oscil-
lator temperature compensation and frequency error correction is provided by the
LV Frac-N synthesizer. This 16.8 MHz signal is sent to all the ICs (iZIF, ADDAG,
DSP, ODCT) as a reference.
16.8MHz
Reference
Oscillator
Y300, D300
SPI
Bus
VCP
vmult1
vmult2
1.05MHz
Regulated
VCP Supply
CR301/CR302/
Q301
LV Frac-N
U301
Phase Detect
Loop
Divider
Prescaler
FREF_Out
16.8MHz
SF-FGU
Aux3
pre
956.9 to
979.65MHz
Tx
Injection
Loop
Filter
Q302 VCO
Q304, D301,
L304
956.9 to
979.65MHz
960.65 to
975.65MHz
956.9 to
971.9MHz
Discrete
Buffer
Q305
Rx
Injection

19
iO1000 Detailed Service Manual - THEORY OF OPERATION
Main VCO Synthesizer
This synthesizer consists of the crystal-based reference oscillator, Low Voltage
Fractional ASIC, and main VCO circuit. It produces the RF signal to down-con-
vert the received signal to the first IF frequency (109.65 MHz) and up-convert the
transmitter IF frequency (150.9 MHz) to the transmit RF frequency.
The main VCO receives its control voltage from the LV Frac-N to determine the
oscillation frequency. It outputs its local oscillation frequency through a discrete
buffer circuit that allows matching and gain. Part of this frequency is fed back to
the pre-scalar input of the LV Frac-N to complete the loop.
Second Local Oscillator (LO)
This circuit supplies the LO signal to the quadrature down conversion mixer
inside the iZIF in the receiver lineup (see “iZIF IC” on page 15).
The second LO consists of a VCO, loop divider, phase detector, reference fre-
quency, and loop filter. The loop divider and phase detector are internal to the
iZIF. The reference frequency is obtained by taking the 16.8 MHz crystal refer-
ence signal into pin 21 of the iZIF and then dividing it down inside the IC to get
2.1 MHz. The loop filter and VCO circuits are external to the iZIF. Although the
IF frequency is 109.65 MHz, the VCO oscillates at 219.3 MHz. The VCO signal is
divided by two inside the iZIF to get the desired 109.65 MHz.
The VCO is run at twice the LO frequency to avoid the coupling of its signal into
the iZIF preamp to eliminate the possibility that it will mix with itself at the down
mixer. The VCO resonator circuit consists of L607, C639, CR601, and C627.
The loop filter determines how fast the second LO locks on frequency and how
big the LO spurs are. This circuit consists of R601, R602, C625, and C626.

THEORY OF OPERATION: Frequency Generator (RF) Section
20
ADDAG ASIC
The ADDAG is an acronym for A/D + D/A + Glue. The ADDAG IC is designed to
be an interface between the system DSP, which is digital, and the custom transmit-
ter and receiver ICs, which are primarily analog.
A 16.8 MHz signal from pin 2 of Y300 Crystal sine_out is routed to pin K9 xtal
input of the LV Frac-N synthesizer. The signal is buffered to produce a 16.8 MHz
reference oscillator.; it goes out pin K6 of the LV Frac-N synthesizer and is routed
to pin A5 of the ADDAG.
The interface to the transmitter consists primarily of two 8-bit D/A converters
with programmable sampling rates and filter bandwidths. The interface to the
receiver consists primarily of a single, 10-bit A/D converter, which is multiplexed
to convert I, Q, and RSSI signals captured from the output of the iZIF IC. The
ADDAG IC includes a D/A converter for PA bias control. The voltage supply cir-
cuit comes from VCC4 and VCC6.
The inputs to the receiver path consist of three sample and hold circuits which are
used to simultaneously sample the I, Q, and RSSI signals coming from the iZIF
IC. To help maximize dynamic range and noise performance, these three input
signals are fully differential, and therefore require a total of six pins on the
ADDAG IC (pins INI, INIB, INQ, INQB, AGC, and AGCB). The sample and hold
circuits are programmed for a 48ksps sampling rate.
After sampling, the three input signals are multiplexed sequentially as differential
signals to a single 10-bit A/D converter. The outputs of the A/D converter are cap-
tured by a shift register, formatted, then sent out as a continuous serial data stream
at the same rate as the internally generated serial clock signal. To make the output
words DSP compatible, they are formatted as fractional, 2’s complement data
words, with the MSB being left justified to turn the 10-bit words from the A/D
converter into 16-bit output words.
The serial output port is designed to produce a 48 kHz frame sync signal (pin
SFS) at the start of each I word transmission. Immediately following the transmis-
sion of the I word, the corresponding bits for the Q and AGC words are sent out in
sequence over the serial port (pin SRD). This corresponds to having an SSI inter-
face which uses a continuous clock in the network mode of operation. The output
serial clock/data rate is 2.4 MHz (pin SCK).

21
iO1000 Detailed Service Manual - THEORY OF OPERATION
ODCT ASIC Offset VCO
The offset VCO is a discrete VCO that is controlled by the offset synthesizer in the
iZIF. The frequency of the offset VCO is 301.8 MHz which is divided by two to
150.9 MHz in the ODCT and mixed with the main VCO to generate the transmit
frequency.
Transceiver Circuitry
All the transceiver circuitry is located on the main board. This board is divided
into the following sections:
¥Global Control Audio Power II (GCAP II) circuitry
¥DC voltage distribution
¥Audio circuitry
¥Digital (REDCAP and associated circuitry)
¥Transmitter path
¥Receiver path
¥Frequency generating (RF)
The keypad contains the high-audio speaker, microphone, and keypad circuitry.
Global Control Audio Power II (GCAP II) Circuitry
The GCAP II integrated circuit (IC) contains the following:
¥Two BUCK/BOOST switching power supplies
¥2.775Vdc/5.0Vdc regulator
¥3.0Vdc/5.0Vdc regulator
¥Linear 2.775Vdc to 3.6Vdc regulator in 8 steps
¥Linear 2.775Vdc to 1.8Vdc regulator in 8 steps
¥2.775Vdc to 3.6Vdc low-current reference
¥Analog/digital portions of a real-time clock (RTC)
¥Charge pump output
¥Power amplifier (PA) high-end regulator adjustable in 16 steps
¥Battery charger
THEORY OF OPERATION: Global Control Audio Power II (GCAP II) Circuitry
22
¥8-bit D/A converter
¥10-channel, 8-bit A/D converter
¥Square-wave output to generate negative supply voltages
¥Control logic
¥Audio CODEC with serial interface
¥Earpiece amplifier
¥Speaker amplifier
¥Alert amplifier
¥Two microphone amplifiers
¥Auxiliary amplifier
¥Sim card level shifters
¥Serial peripheral interface (SPI)
¥DSC-bus buffers
The GCAP II IC has the following specifications:
¥Multiple lithium-ion cell input configuration
¥Shutdown current: 10µA maximum
¥Standby current mode: 400µA
¥Internal PMOS pass devices
¥Serial peripheral interface read/write interface
¥Auxiliary battery switch control
¥100-pin dual die QFP IC package
The GCAP II IC is designed to support the needs of portable cellular telephone
products. It provides the necessary control, audio, and regulator functions. The
following functions are provided:
¥Turn on control signals to properly activate the unit
¥Turn off control signals to turn off the unit if an error is detected
¥Audio amplification for the speaker
¥Audio amplification for the alert
¥Audio amplification for the external audio
¥Audio amplification of the microphone
¥13-bit linear audio CODEC
¥Band-gap reference voltage
¥Linear regulation of DC voltages
¥Two BUCK/BOOST switching regulators
¥Operational amplifiers for use in the battery charger
¥Internal D/A conversion for the battery charger

23
iO1000 Detailed Service Manual - THEORY OF OPERATION
¥8-channel, 8-bit A/D conversion
¥PA high-end regulation
¥Real-time clock (RTC)
DC Voltage Distribution
The iO1000 unit operates with a low-level supply voltage of 3.0Vdc, nominal-
level voltage of 3.6Vdc, and high-level voltage of 4.2Vdc
The DC voltage distribution of the iO1000 radio is supported by the GCAP II IC
(Figure 11 on page 24). This IC supplies regulated power to the radio using its lin-
ear requlators, V1, V2, and V3.
A discrete regulator on the RF board supplies 2.775Vdc to both the receive and
transmit circuitry, while V2 GCAP II linear regulator supplies 2.775Vdc to the
clock buffers and low-voltage sense comparator. V1 GCAPII linear regulator sup-
plies 2.775Vdc to the memories and V3 linear regulator supplies 1.875Vdc to the
DSP and MCU cores. Additionally, an external 3.0Vdc linear regulator on the
logic board supplies power to the accessories. Several sections of the radio are
connected directly to the external power supply, which supplies Raw_B+ and
Fused_B+.
The external power supply is connected to the accessory connector J4 pins 19
through 23 (+) and 26 through 30 (-). These pins supply the Raw_B+ to the RF
TX power amplifier. The Optional B+ output of the U005 regulator supplies 3.0V
to the accessories through the accessory connector. Raw_B+ is routed through
F001 (Fuse) becoming Fused_B+, which provides power to the GCAP II IC..
The battery is connected to the J9003 pins 1 (+) and 2 (-). These pins supply the
Raw_B+ to the RF TX power amplifier. The Optional B+ output of the U005 reg-
ulator supplies the accessories through the bottom connector. Raw_B+ is routed
through F001 (Fuse) becoming Fused_B+, which goes through the main FET and
provides power to the GCAP II IC.

THEORY OF OPERATION: Audio Circuitry
24
Figure 11. DC Power Distribution Diagram
Audio Circuitry
Audio circuitry consists primarily of the audio amplifiers and coder/decoder
(CODEC) integrated in GCAP II IC. Its purpose is the future support of voice.
RF PA
Filter
GCAP II
LINEAR REG. V2;
2.775V, 200mA
GCAP II
LINEAR REG. V1;
2.775V, 60mA
GCAP II
LINEAR REG. V3;
1.875V, 120mA
GCAP II Vref;
(tracks V2)
2.775V, 5mA
Fuse
LM2981;
3.0V, 100mA
RAW_B+
Raw_B+
LM2664;
2.775V Inverter
ODCT
Super Filter;
2.775V, 30mA
Drain Switch
ODCT Up-mixer
iZIF, LVFrac-N,
Mixer, VCO,
ADDAG
FLASH, SRAM
Redcap QVccH,
Accessory Vdd
Ext. Memory Bus,
SPI and ESSI Ports
REDCAP
DSP & MCU CORE
Filt_B+
Fused_B+
Filt_B+
Fused_B+
Vcc2
Vcc2
Vcc6
Vcc2
Vcc4
Vcc3
Clock Buffers, Low
Volt. Comparator
Vcc5
Vcc1
Opt_B+
(to Accessory Connector)
VREF
RF PA BIAS
Neg_sup
LOGIC BOARD
RF BOARD
Raw_B+

25
iO1000 Detailed Service Manual - THEORY OF OPERATION
The GCAP II consists of active RC filters, digital filters, variable attenuators, an
analog-to-digital converter (ADC), a digital-to-analog converter (DAC), and a
microphone amplifier.
The average voice signal has a frequency band of approximately 300-3400 Hz.
Low-pass filters are set up to provide the optimum response to the signal while fil-
tering out high-level frequencies. Input signals from the microphone are amplified
by the GCAP II internal op-amp and this amplified signal is converted from ana-
log to digital in the ADC. These signals are then digitally filtered and transferred
to the DSP core for further processing.
Received analog signals are converted to digital signals by the ADDAG, then sent
to the DSP for processing. The DSP then sends the processed signals to the
CODEC, where they are converted from digital to an analog audio signal in the
DAC. The DAC output is low-pass filtered to attenuate any out-of-band noise.
From this point, the audio signal is sent to the GCAP II output ampli-fier A4 - the
external audio output.
Figure 4 indicates the circuitry path of the audio components.
The iO1000 accepts audio input from the external microphone and sends the
received audio to the external audio output.
Figure 12. iDEN Audio Circuitry Path
MCORE DSP
MDI
ESSI1
QSPI Bus
Inbound Audio
Int.
Mic
Ext.
Audio
Out
Ext.
Audio
In
AUXMIC
MICIN
GCAP-II
Reg 00
Reg 06
CODEC
A/D
CODEC
D/A
CDC_EN
AUDOG
AUDIG
AUDOS
AUDIS
EXTOUT
A1
A4
A3
A5
PGA
PGA

THEORY OF OPERATION: Digital Section
26
Audio Amplifier Outputs
The following table lists the audio amplifier outputs and the devices that each out-
put controls.
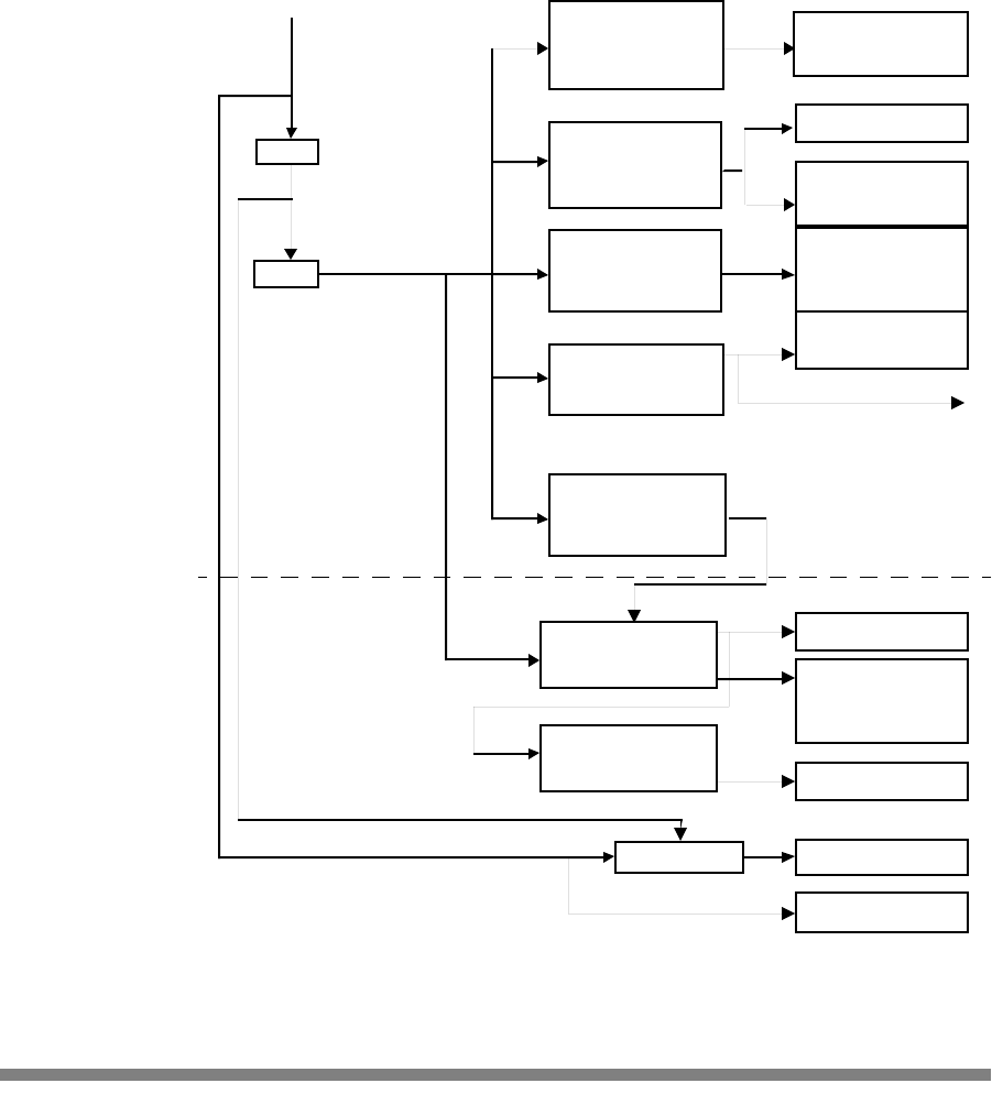
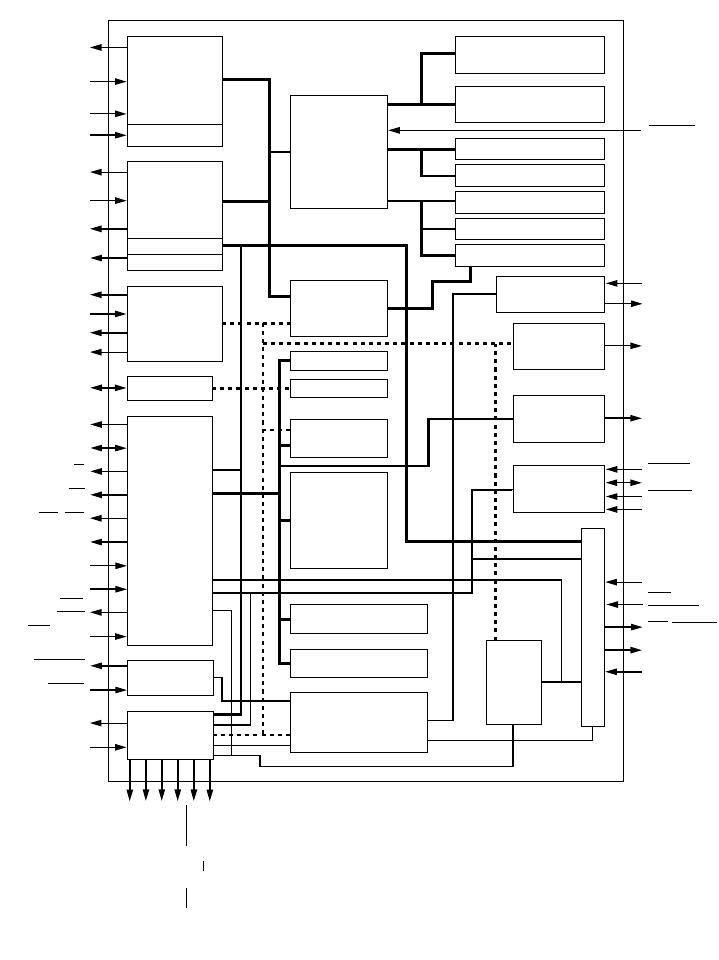
Digital Section
This section includes the REDCAP, which controls the transmit, receive, and syn-
thesize operations of the integrated circuits located in the RF section. Within the
REDCAP is the DSP and the serial communication interface.
The digital section contains the following (Figure 13):
¥REDCAP
¥Power On/Off circuitry
¥Serial peripheral interface (SPI)
¥Host memories (flash and SRAM)
¥Accessory Connector
¥GCAP II and its circuitry
¥60-pin interface connector to the main board
Table 1. Audio Amplifier Outputs
Device Outputs
Not used A1
Not used A4
Not used A3
External microphone A5
Externl audio out A4

27
iO1000 Detailed Service Manual - THEORY OF OPERATION
Figure 13. Digital Block Diagram
REDCAP
The REDCAP IC (U801) integrates a reduced instruction-set computer (RISC)
microprocessor (MCU) and a general-purpose Digital Signal Processor (DSP) on
a single chip (Figure 14 on page 29).
The following is a summary of the REDCAP IC key features:
¥RISC integer processor running up to 16.8 MHz at 1.8Vdc, a 32-bit RISC archi-
tecture, high performance and high code density
¥SPS 56600 NDE-UL DSP core running up to 58.8 MHz at 1.8Vdc
¥Fully-programmable PLL for system clock generation with low-output clock
drivers
FLASH
U802 SRAM
U803
GCAP II
U001
Integrated Audio
and DC Voltage
Converter/Regulator
30 pin ZIF CONNECTOR J4
TO TRANSCEIVER
(RF BOARD)
REDCAP
U801
DSP
RAM
ROM
MDI
RAM
ROM
MCU
SAP
TIMER
BBP
L1 Timer
TIMER UART
E I M
RS232/SB9600
60 pin Inter-board Connector P1
EXTERNAL
POWER
SUPPLY
EXTERNAL
AUDIO
PCM
CODEC
REGULATED
P. SUPPLY
UNREGULATED
P. SUPPLY
SPI Bus
Chip Selects
DATA BUS
ADDRESS
BUS
CS0 CS2
QSPI
THEORY OF OPERATION: Digital Section
28
¥512 KB x 32 on-chip MCU RAM
¥512 KB x 24 DSP program RAM
¥Queued serial peripheral interface to communicate with external peripherals
¥Serial communications interface with baud-rate generator up to 525 kbps
¥On-chip Emulator (OnCE) integrated with JTAG port compliance
¥Interrupt, general-purpose I/O, and keypad interface pins
¥Very-low power CMOS design
¥Wait, stop, and doze low-power standby modes

29
iO1000 Detailed Service Manual - THEORY OF OPERATION
Figure 14. REDCAP Diagram
SIM(5)
STDB
SRDB
SFSB(2)
SCKB(2)
STDA
SRDA
SFSA(2)
SCKA(2)
MOSI
MISO
SCK
SPICS(5)
ADRS(22)
DATA(16)
R/W
OE
EB0, EB1
CS(6)
MOD
INT(6)
INT6/DRS/
STDA/TRST
INT7/DTR/SCLK/
SRDA/TMS
RST_OUT
RST_IN
COLUMN(5)
ROW5/IC2B/GPIO
COLUMN6/OC1
COLUMN5/GPIO
COLUMN7/PWM
ROW6/DCD/SCA2A/DSP_DE
ROW7/RI/SCKA/TCK
ROW(5)
Baseband
CODEC
Serial Port
BBP
Counter
Audio
CODEC
Serial Port
SAP
DSP Timer
BRM
QSPI
SIM
External
Interface
Module
RESET
RAM (512 x 32)
ROM (4k x 32)
MCU Timers/PWM/
PIT/Watchdog
MCU
Core
Peripheral I/F Gaskat
PIG
GPReg
DSP_IRQ
YROM 9Kx16
YRAM 8Kx16
XROM 9Kx16
XRAM 7Kx16
Shared X/MCU RAM1Kx16
Clocks/PLL
Layer 1
Timer
MCU
Debug
JTAG/OnCE
UART
MUX
PROM (48K x 24)
(24K x 24)
PRAM (512 x 24)
(24K x 24)
CKIH,CKIL
CKOH,CKO
TOUT(8)
DEBUG(6)
DSP_DE
JTAG(5)
MCU_DE
TEST
RTS/IC2A/
RESET_IN
MUX_CTL
CTS/MCU_DE
TX/TDO
RX/IC1/TDI
MCU Int. Ctl
MCU/DSP
Interface
MDI
DSP
Core
Keypad
Interface
GPIO
REDCAP FUNCTIONAL BLOCK DIAGRAM

THEORY OF OPERATION: Digital Section
30
The REDCAP performs the following tasks:
¥Controls the power up and power down sequence of the unit
¥Programs the flash using BDM or SB9600 software
¥Transfers DSP code from the flash to DSP SRAM
¥Serially communicates with the factory PATS stations using SB9600
¥Serially communicates with PCs or Macs using UART
¥Communicates with the RF ICs (GCAP II, LV Frac-N, ADDAG, ODCT, and
iZIF)
¥Memory maps and accesses flash ROM and SRAM
¥Monitors battery voltage and RF power-amplifier temperature
¥Controls volume levels and enables beep tones
¥Modifies and stores user-selectable ergonomic preferences
¥Reads and writes radio-tuning parameters to the codeplug
¥Sends and receives commands with the base station through DSP
¥Re-channels the LV Frac-N synthesizer during hand-off
¥Detects accessories connected to the unit using the Opt Sel lines
Power On/Off Circuitry
The power-on circuitry uses the GCAP II MOBPORTB pin to turn on the unit.
When the ON/OFF pin (J4-17) is held high, the GCAP II turns on. The GCAP
internal low voltage detector provides the initial, active low reset to the RISC
microprocessor (MCU). After the VCC3 arrives at the digital section, the MCU
takes over and drives the reset out line low until its internal PLL locks. At this
point, the MCU begins running the subscriber code. The MCU asserts the CS1
signal to a high level, which goes to the GCAP WDI to keep the voltage regulators
on. If the MCU does not drive this signal high, the unit will not stay powered up.
To turn off the unit, the OEM ON/OFF pin is held low, causing the MOBPORTB
pin of the GCAP II to short to ground. The GCAP II then clears the MOBSENSB
bit, which drives IRQ1 on the MCU and tells the MCU to turn off. The MCU turns
off by driving the WDI line low, which shuts down the voltage regulators in the
GCAP II.To turn off the unit, the ON/OFF key is pressed, causing the /ON pin of
the GCAP II to short to ground. The GCAP II then sets the ONOFFSNS bit,
which drives IRQ1 on the RCE and tells the RCE to turn off. The RCE turns off
by driving the WDI line low, which shuts down the voltage regulators in the
GCAP II.

31
iO1000 Detailed Service Manual - THEORY OF OPERATION
REDCAP Digital Signal Processor (DSP)
TThe REDCAP SPS 56600 digital signal processor (DSP) contains the new DSP
Engine Ultralite core, which is capable of executing an instruction on every clock
cycle. The DSP56600 consists of the following:
-Data ALU
-Address generation unit
-Program controller
-Program patch detector
-Bus interface unit
-On-chip emulator
-PLL-based clock generator
A standard interface between the DSP56600 core and the on-chip memory and
peripherals support many memory and peripheral configurations.
Serial Peripheral Interface (SPI)
This interface communicates with RF chips using a synchronous serial bus. This
bus includes the following:
¥Master Out Slave In (MOSI)
¥Master In Slave Out (MISO)
¥SPI clock
¥Specific chip-select lines
The RCE uses SPI CS2 to select the ODCT, SPI CS1 to select the LV Frac-N, SPI
CS0 to select the ADDAG, SPI CS3 to select the iZIF; and SPI CS4 to select the
GCAP II. The RCE selects one of these chips by driving the chip-select line low
for that chip; it then sends data to the chip using MOSI and the SPI clock. The
RCE also can receive data from the ODCT and ADDAG by clocking it into MISO
using the SPI clock and chip select.

THEORY OF OPERATION: Digital Section
32
Host Memories
The following types of host memories are available:
Flash memory 1MB x 16 chip. The flash stores unit subscriber and
DSP code. To access the flash, the RCE asserts CS0
and OE low, and then drives EB1 high for reads. For a
write, OE is held high, CS0 and EB1 and driven low.
Host SRAM memory 128 KB x 16 SRAM is used by the RCE to load code-
plug information, program the flash, and store working
parameters. To access SRAM memory, R/W is held
high, the RCE asserts CS2 and OE low, and then drives
EB1 and EB0 low for reads. For a write, CS2 and R/W
are asserted low, and then both EB0 and EB1 are
driven low.
Accessory Connector Signal MUX
The RCE uses the three serial protocols: UART, SB9600, and JTAG to communi-
cate to external devices through the bottom connector of the unit.
There is no external hardware for switching from one protocol to another because
the REDCAP handles the switching and line multiplexing functions internally
Clock Buffers
High frequency clock (16.8MHz) is generated in LVFrac-N in RF Board. Its
amplitude is too low to drive Redcap and GCAP ICs. Therefore, two buffers, one
for GCAP, the second for REDCAP IC, amplify the clock signals to the levels
required by these ICs. GCAP requires a minimum of 700mVp-p clock signal,
while REDCAP requires 285mVp-p signal to function properly. GCAP buffer has
a contorl signal, so that its clock can be stopped to save power.

33
iO1000 Detailed Service Manual - THEORY OF OPERATION
DSP Phase Locked Loop (PLL)
The DSP phase locked loop (PLL) is programmable and is used to generate a DSP
internal clock that is synchronized to the 16.8 MHz reference frequency. In low
power mode, the DSP PLL is disabled and the DSP operates directly from the
16.8 MHz clock. During initial power up of the radio, the DSP initially operates
directly from the 32.768 kHz clock until the LV Frac-N is programmed for 16.8
MHz and the DSP PLL is programmed to generate a higher operating frequency.
The DSP PLL runs at 58.8 MHz.
Host System Clock Synthesizer
During initial power up, the host system clock (RCE) is synthesized from the
32.768 kHz crystal via the GCAP II using the built-in GCAP PLL. The host
microprocessor’s system clock is then referenced from the LV Frac-N 16.8 MHz
reference. The RCE programmable interrupt timer (PIT) is run by the 32.768 kHz
oscillator.
Connectors
The modem includes three connectors:
¥J2, a surface-mount RF connector locatred on the RF board .
¥J4, a 30-pin host interface connector (described below).
¥J1/P1, the 60-pin RF-to logic board connector (described below).

THEORY OF OPERATION: Digital Section
34
IDEN OEM Accessory Connector Interface (J4)
Table 15. Accesory Connector Pin Functions
PIN N0 PIN NAME DIRECTION DESCRIPTION
1 RS232_RX OUT RS232 Signal
2 RS232_TX IN RS232 Signal
3 RS232_DTR IN RS232 Signal
4 RS232_DCD OUT RS232 Signal
5 RS232_GND Signal Ground
6 RS232_RTS IN RS232 Signal
7 RS232_CTS OUT RS232 Signal
8 RS232_DSR OUT RS232 Signal
9 RS232_R1 OUT RS232 Signal
10 EXT_MIC IN Audio Input to OEM
11 AUDIO _COMMON Analog Ground
12 AUDIO_OUT OUT Audio Out from OEM
13 OPT_SELECT_1 I/O (10-27K pull-up) OEM Configuration
14 OPT_SELECT_2 I/O (10-27K pull-up) OEM Configuration
15 MUX_CNTL IN (100K pull-down) Logic “0” (Manufacture use)
16 Option _3V Regulated 3 V Output
17 OEM ON-OFF IN Power On/OFF
18 MOD In (22K pull-down) Programming signal
19 BAT_VCC 3.6V OEM operation voltage
20 BAT_VCC Supply Voltage
21 BAT_VCC Supply Voltage
22 BAT_VCC Supply Voltage
23 BAT_VCC Supply Voltage
24 RED_LED OUT Out-of range indication
25 GREEN_LED OUT In-range indication
26 BAT_GND Ground
27 BAT_GND Ground
28 BAT_GND Ground
29 BAT_GND Ground
30 BAT_GND Ground