Motorola Computer Hardware Mvme187 Users Manual Book.B
Motorola Computer Hardware MVME187 MVME187-001B_to_036B
MVME187 to the manual e5ae0ef8-d634-42aa-82c2-f16a4e2d8140
2015-01-23
: Motorola Motorola-Motorola-Computer-Hardware-Mvme187-Users-Manual-271486 motorola-motorola-computer-hardware-mvme187-users-manual-271486 motorola pdf
Open the PDF directly: View PDF
.
Page Count: 173 [warning: Documents this large are best viewed by clicking the View PDF Link!]
- Notice
- Restricted Rights Legend
- Preface
- Safety Summary Safety Depends On You
- Ground the Instrument.
- Do Not Operate in an Explosive Atmosphere.
- Keep Away From Live Circuits.
- Do Not Service or Adjust Alone.
- Use Caution When Exposing or Handling the CRT.
- Do Not Substitute Parts or Modify Equipment.
- Dangerous Procedure Warnings.
- MVME187 RISC Single Board Computer Installation Gu...
- This Chapter Covers
- About this Manual
- Terminology, Conventions, and Definitions Used in ...
- $
- %
- &
- Term
- * Indicates
- Term
- Indicates
- Name
- Size
- Numbered
- Significance
- Called
- Term
- Describes
- Term
- Indicates
- Motorola Publication Number
- Description
- Motorola Publication Number
- Description
- Motorola Publication Number
- Description
- Part Number
- Description
- Document Title
- Source
- Serial Port
- Function
- Synchronous/ Asynchronous
- Signals
- Bit Rates
- Characteristics
- Specifications
- Transfer type
- Can be...
- Switch Name
- Description
- LED Name
- Color
- Description
- Status Pins
- Control Pins
- Address Range
- Devices Accessed
- Port Size
- Size
- Software
- Cache
- Inhibit
- Notes
- Address Range
- Devices Accessed
- Port Size
- Size
- Notes
- --
- 256KB
- 4
- D32
- 256B
- 1,3
- D32-D8
- 256B
- 1,3
- --
- 3.5KB
- 4,6
- --
- 4KB
- 4
- D32-D8
- 4KB
- 1
- D8
- 256B
- 1
- D8
- 256B
- 1
- --
- 3.5KB
- 1,6
- --
- 4KB
- 4
- D16-D8
- 512B
- 1
- --
- 3KB
- 6,8
- --
- 512B
- 8
- D32
- 4KB
- 1,7
- D32/D8
- 4KB
- 1
- --
- 32KB
- 4
- --
- 128KB
- 4
- --
- 28KB
- 5
- D32
- 4KB
- 1
- --
- 28KB
- 5
- D32
- 4KB
- 1
- --
- 128KB
- 5
- --
- 128KB
- 4
- D32-D8
- 64KB
- 1
- --
- 64KB
- 4
- D8
- 1 byte
- 2
- D8
- 1 byte
- 2
- D8
- 1 byte
- 2
- D8
- 1 byte
- 2
- D8
- 1 byte
- 2
- D8
- 1 byte
- 2
- D8
- 1 byte
- 2
- --
- 64KB
- 2,6
- 1. For a complete description of the register bits...
- 2. Byte reads should be used to read the interrupt...
- 3. Writes to the LCSR in the VMEchip2 must be 32 b...
- 4. This area does not return an acknowledge signal...
- 5. This area does return an acknowledge signal.
- 6. Size is approximate.
- 7. Port commands to the 82596CA must be written as...
- 8. The CD2401 appears repeatedly from $FFF45200 to...
- VMEbus Memory Map
- Stage
- What you will need to do...
- Refer to...
- On page...
- 1
- 2
- 3
- 5
- 6
- 7
- Bit
- J1 Pins
- Description
- Header Number
- Header
- Description
- Configuration
- Jumpers
- J1
- Header Number
- Header
- Description
- Configuration
- Jumpers
- J2
- Header Number
- Header
- Description
- Configuration
- Jumpers
- Header Number
- Header
- Description
- Configuration
- Jumpers
- J7
- J8
- Step
- Action
- 1
- 2
- 3
- Step
- Action
- 1
- 2
- 3
- 4
- Step
- Action
- 1
- 2
- Equipment Type
- Connect Through...
- Stage
- What you will need to do...
- Refer to...
- 1
- 2
- 3
- Step
- Action...
- Refer to...
- 1
- 2
- 3
- 4
- 5
- Step
- Action...
- 1
- 2
- Stage
- What you will need to do...
- Refer to...
- 1
- 2
- 3
- 4
- Step
- Action
- Board Mode
- System Mode
- 1
- 2
- 3
- This Chapter Covers
- Introduction to MVME187Bug
- Booting and Restarting 187Bug
- Starting Up 187Bug
- Autoboot
- ROMboot
- Network Boot
- Restarting the System
- Reset
- During COLD reset:
- 1. A total system initialization takes place, as i...
- 2. All static variables (including disk device and...
- 3. The breakpoint table and offset registers are c...
- 4. The target registers are invalidated.
- 5. Input and output character queues are cleared.
- 6. Onboard devices (timer, serial ports, etc.) are...
- 7. The first two serial ports are reconfigured to ...
- During WARM reset:
- During COLD reset:
- Abort
- Break
- SYSFAIL* Assertion/Negation
- MPU Clock Speed Calculation
- Reset
- Disk I/O Support
- Network I/O Support
- Multiprocessor Support
- Base Address + $3000
- *
- 0
- (HEX 00)
- --
- R
- (HEX 52)
- --
- E
- (HEX 45)
- --
- *
- *
- *
- *
- GPCSR0
- GPCSR1
- Test Set
- Description
- Base
- Identifier
- Examples
- String
- Literal
- Numeric Value
- (In Hexadecimal)
- Expression
- Result (In Hex)
- Notes
- Integer Data Types
- Floating Point Data Types
- 1. The sign field is the first field and is a bina...
- 2. The exponent field is the second field and is a...
- 3. The mantissa field is the last field and is a h...
- 4. The sign field, the exponent field, and at leas...
- 5. Each field must be separated from adjacent fiel...
- 6. All the digit positions in the sign and exponen...
- Single Precision Real
- Double Precision Real
- Scientific Notation
- The 187Bug Debugger Command Set
- Command Mnemonic
- Title
- Command Line Syntax
- Configure and Environment Commands
- This Appendix Covers
- Configuring the Board Information Block
- Setting Environment to Bug/Operating System
- S
- Y
- B
- Y
- N
- N
- A
- Y
- N
- Y
- 00
- 00
- 15
- Null
- N
- Y
- N
- 0
- FF800000
- FFBFFFFC
- N
- Y
- 00
- 00
- 5
- 00000000
- 00000000
- 02000000
- 00010000
- N
- FFFFCE0F
- Y
- 00000000
- 02000000
- 00000000
- 02000000 00000000
- Y
- 00000000
- 01FFFFFF
- 00000000
- 00000000
- 01FF
- Y
- FFE00000
- FFE1FFFF
- 00000000
- 00000000
- 01EF
- Y
- 02000000
- EFFFFFFF
- 0D
- N
- 00000000
- 00000000
- 00
- N
- 00000000
- 00000000
- 00
- N
- 00000000
- 00000000
- 00000000
- 00000000
- 00
- Y
- 01
- Y
- 02
- 05 05
- 01
- 05 06 07
- CE
- 00
- 01
- 00
- 02
- $00
- --
- --
- --
- $11
- $FFFFB000
- $12
- $FFFFAC00
- $08
- $FFFFA000
- $09
- $FFFFA200
- $02
- $FFFFA600
- $03
- $FFFFA700
- $06
- $FFFF9000
- $07
- $FFFF9800
- $16
- $FFFF4800
- $17
- $FFFF5800
- $18
- $FFFF7000
- $19
- $FFFF7800
- $04
- $FFFF5000
- $05
- $FFFF5100
- RISC Single Board Computers -- 7 Devices
- MVME320 -- 4 Devices
- MVME323 -- 4 Devices
- 8
- $FFFFA000
- 0
- 1
- 2
- 3
- 9
- $FFFFA200
- 2
- $FFFFA600
- 00
- 10
- 20
- 30
- 40
- 50
- 60
- 3
- $FFFFA700
- 80
- 81
- 6
- $FFFF9000
- 00
- 08
- 10
- 18
- 20
- 28
- 30
- 7
- $FFFF9800
- 16
- $FFFF4800
- 40
- 48
- 50
- 58
- 60
- 68
- 70
- 17
- $FFFF5800
- 18
- $FFFF7000
- $FFFF7800
- 19
- 4
- $FFFF5000
- 0
- QIC-02 streaming tape drive
- 5
- $FFFF5100
- 1
- 2
- 2
- 2
- 2
- 2
- 2
- 1
- 1
- 1
- 1
- 1
- 1
- 1
- 10
- 8
- 9
- 9
- F
- 12
- 24
- 2
- 2
- 2
- 2
- 2
- 2
- 2
- 50
- 28
- 28
- 50
- 50
- 50
- 50
- 50
- 28
- 28
- 50
- 50
- 50
- 50
- 50
- 28
- 28
- 50
- 50
- 50
- 50
- 0
- 0
- 0
- 0
- 0
- 0
- 0
- D
- D
- D
- D
- D
- D
- D
- D
- D
- D
- D
- D
- D
- D
- S
- E
- E
- E
- E
- E
- E
- S
- S
- S
- S
- F
- F
- F
- 0A00
- 0280
- 02D0
- 05A0
- 0960
- 0B40
- 1680
- 09F8
- 0500
- 05A0
- 0B40
- 12C0
- 1680
- 2D00
- 653312
- 327680
- 368460
- 737280
- 1228800
- 1474560
- 2949120
- 5.25/DD
- 5.25/DD
- 5.25/DD
- 3.5/DD
- 5.25/HD
- 3.5/HD
- 3.5/ED
- $00
- $00
- $02
- $00
- $03
- $00
- $04
- $00
- $05
- $00
- $06
- $00
- $07
- $00
- $10
- $00
- $11
- $00
- $12
- $00
- $13
- $00
- $14
- $00
- $15
- $00
- YOU ARE FINISHED (DONE) WITH THIS TROUBLESHOOTING ...
- 1
- 2
- TxD
- 3
- RxD
- 4
- RTS
- 5
- CTS
- 6
- DSR
- 7
- SIG-GND
- 8
- DCD
- 9-14
- 15
- TxC
- 16
- 17
- RxC
- 18, 19
- 20
- DTR
- 21
- 22
- RI
- 23
- 24
- TxC
- 25
- BSY
MVME187
RISC Single Board Computer
Installation Guide
MVME187IG/D4
Notice
While reasonable efforts have been made to assure the accuracy of this document,
Motorola, Inc. assumes no liability resulting from any omissions in this document,
or from the use of the information obtained therein. Motorola reserves the right to
revise this document and to make changes from time to time in the content hereof
without obligation of Motorola to notify any person of such revision or changes.
No part of this material may be reproduced or copied in any tangible medium, or
stored in a retrieval system, or transmitted in any form, or by any means, radio,
electronic, mechanical, photocopying, recording or facsimile, or otherwise,
without the prior written permission of Motorola, Inc.
It is possible that this publication may contain reference to, or information about
Motorola products (machines and programs), programming, or services that are
not announced in your country. Such references or information must not be
construed to mean that Motorola intends to announce such Motorola products,
programming, or services in your country.
Restricted Rights Legend
If the documentation contained herein is supplied, directly or indirectly, to the U.S.
Government, the following notice shall apply unless otherwise agreed to in
writing by Motorola, Inc.
Use, duplication, or disclosure by the Government is subject to restrictions as set
forth in subparagraph (c)(1)(ii) of the Rights in Technical Data and Computer
Software clause at DFARS 252.227-7013.
Motorola, Inc.
Computer Group
2900 South Diablo Way
Tempe, Arizona 85282-9602

Preface
This manual provides a general board level hardware description, hardware
preparation and installation instructions, debugger general information, and
information about using the debugger.
This manual applies to the following MVME187 RISC Single Board Computers:
This manual is intended for anyone who wants to provide OEM systems, supply
additional capability to an existing compatible system, or work in a lab
environment for experimental purposes.
Anyone using this manual should have a basic knowledge of computers and
digital logic.
Assembly Item Board Description
MVME187
-001B 25MHZ, 4MB Parity
MVME187
-002B 25MHZ, 8MB Parity
MVME187
-003B 25MHZ, 16MB Parity
MVME187
-004B 25MHZ, 32MB Parity
MVME187
-023B 33MHZ, 16MB ECC, 128
MVME187
-024B 33MHZ, 32MB ECC, 128C
MVME187
-031B 33MHZ, 4MB ECC
MVME187
-032B 33MHZ, 8MB ECC
MVME187
-033B 33MHZ, 16MB ECC
MVME
187-034B 33MHZ, 32MB ECC
MVME187
-035B 33MHZ, 64MB ECC
MVME187
-036B 33MHZ, 128MB ECC

Safety Summary
Safety Depends On You
The following general safety precautions must be observed during all phases of operation, service, and
repair of this equipment. Failure to comply with these precautions or with speciÞc warnings elsewhere in
this manual violates safety standards of design, manufacture, and intended use of the equipment.
Motorola, Inc. assumes no liability for the customer's failure to comply with these requirements.
The safety precautions listed below represent warnings of certain dangers of which Motorola is aware. You,
as the user of the product, should follow these warnings and all other safety precautions necessary for the
safe operation of the equipment in your operating environment.
Ground the Instrument.
To minimize shock hazard, the equipment chassis and enclosure must be connected to an electrical ground.
The equipment is supplied with a three-conductor ac power cable. The power cable must be plugged into
an approved three-contact electrical outlet. The power jack and mating plug of the power cable meet
International Electrotechnical Commission (IEC) safety standards.
Do Not Operate in an Explosive Atmosphere.
Do not operate the equipment in the presence of ßammable gases or fumes. Operation of any electrical
equipment in such an environment constitutes a deÞnite safety hazard.
Keep Away From Live Circuits.
Operating personnel must not remove equipment covers. Only Factory Authorized Service Personnel or
other qualiÞed maintenance personnel may remove equipment covers for internal subassembly or
component replacement or any internal adjustment. Do not replace components with power cable
connected. Under certain conditions, dangerous voltages may exist even with the power cable removed. To
avoid injuries, always disconnect power and discharge circuits before touching them.
Do Not Service or Adjust Alone.
Do not attempt internal service or adjustment unless another person capable of rendering Þrst aid and
resuscitation is present.
Use Caution When Exposing or Handling the CRT.
Breakage of the Cathode-Ray Tube (CRT) causes a high-velocity scattering of glass fragments (implosion).
To prevent CRT implosion, avoid rough handling or jarring of the equipment. Handling of the CRT should
be done only by qualiÞed maintenance personnel using approved safety mask and gloves.
Do Not Substitute Parts or Modify Equipment.
Because of the danger of introducing additional hazards, do not install substitute parts or perform any
unauthorized modiÞcation of the equipment. Contact your local Motorola representative for service and
repair to ensure that safety features are maintained.
Dangerous Procedure Warnings.
Warnings, such as the example below, precede potentially dangerous procedures throughout this manual.
Instructions contained in the warnings must be followed. You should also employ all other safety
precautions which you deem necessary for the operation of the equipment in your operating environment.
!
WARNING
Dangerous voltages, capable of causing death, are
present in this equipment. Use extreme caution when
handling, testing, and adjusting.

All Motorola PWBs (printed wiring boards) are manufactured by UL-recognized
manufacturers, with a ßammability rating of 94V-0.
!
WARNING
This equipment generates, uses, and can radiate electro-
magnetic energy. It may cause or be susceptible to
electro-magnetic interference (EMI) if not installed and
used in a cabinet with adequate EMI protection.
The computer programs stored in the Read Only Memory of this device contain
material copyrighted by Motorola Inc., 1995, and may be used only under a license
such as those contained in MotorolaÕs software licenses.
Motorola
¨
and the Motorola symbol are registered trademarks of Motorola, Inc.
All other products mentioned in this document are trademarks or registered
trademarks of their respective holders.
©Copyright Motorola 1997
All Rights Reserved
Printed in the United States of America
March 1997
European Notice: Board products with the CE marking comply with the
EMC Directive (89/336/EEC). Compliance with this directive implies
conformity to the following European Norms:
EN55022 (CISPR 22) Radio Frequency Interference
EN50082-1 (IEC801-2, IEC801-3, IEEC801-4) Electromagnetic Immunity
The product also fulÞlls EN60950 (product safety) which is essentially
the requirement for the Low Voltage Directive (73/23/EEC).
This board product was tested in a representative system to show
compliance with the above mentioned requirements. A proper
installation in a CE-marked system will maintain the required
EMC/safety performance.

Contents
This Chapter Covers 1-1
About this Manual 1-1
Terminology, Conventions, and DeÞnitions Used in this Manual 1-2
Data and Address Parameter Numeric Formats 1-2
Signal Name Conventions 1-2
Assertion and Negation Conventions 1-3
Data and Address Size DeÞnitions 1-3
Big-Endian Byte Ordering 1-3
Control and Status Bit DeÞnitions 1-4
True/False Bit State DeÞnitions 1-4
Bit Value Descriptions 1-4
Related Documentation 1-5
Document Set for MVME187-0
xx
Board 1-5
Additional Manuals for this Board 1-6
Other Applicable Motorola Publications 1-6
Non-Motorola Peripheral Controllers Publications Bundle 1-7
Applicable Non-Motorola Publications 1-9
This Chapter Covers 2-1
General Description 2-1
Onboard Memory Mezzanine Module 2-2
SCSI Mass Storage Interface 2-2
Serial Ports 2-3
Parallel (Printer) Port 2-3
Ethernet Transceiver Interface 2-3
187Bug Firmware 2-4
Features 2-4
SpeciÞcations 2-6
Conformance to Requirements 2-6
Board Level Overview 2-7
Connectors 2-7
Adapters 2-7
Transition Modules 2-8
ASICs 2-8
VMEchip2 ASIC 2-9
PCCchip2 ASIC 2-9
MEMC040 Memory Controller ASIC 2-10

MCECC Memory Controller ASIC 2-10
Functional Description 2-10
Front Panel Switches and LEDs 2-11
Data Bus Structure 2-12
Local Bus Arbitration 2-12
M88000 MPU 2-12
EPROM 2-13
Programmable EPROM Features 2-13
Static RAM 2-13
Optional SRAM Battery Backup 2-14
Onboard DRAM 2-15
Stacking Mezzanines 2-16
DRAM Programming Considerations 2-16
Battery Backed Up RAM and Clock 2-17
VMEbus Interface 2-18
I/O Interfaces 2-18
Serial Port Interface 2-18
Parallel Port Interface 2-20
Ethernet Interface 2-21
SCSI Interface 2-22
Local Resources 2-23
Programmable Tick Timers 2-23
Watchdog Timer 2-23
Software-Programmable Hardware Interrupts 2-23
Local Bus Timeout 2-23
Memory Maps 2-24
Local Bus Memory Map 2-24
Normal Address Range Devices 2-24
VMEbus Memory Map 2-28
VMEbus Accesses to the Local Bus 2-28
VMEbus Short I/O Memory Map 2-28
This Chapter Covers 3-1
Unpacking the Equipment 3-1
Overview of Startup Procedure 3-2
Preparing the Hardware 3-5
Modifying ConÞguration before Installation 3-5
Option Modification 3-5
Checking the 187Bug EPROMs 3-7
EPROM Location 3-7
EPROM Orientation 3-7
User-programmed EPROMs 3-7

Jumper Settings 3-7
Optional Jumper Settings 3-8
General Purpose Software Readable Header J1 3-8
System Controller Header J2 3-10
Optional SRAM Backup Power Source Select Header J6 3-11
Serial Port 4 Clock Configuration Select Headers J7 and J8 3-11
Preparing the MVME187 for Installation 3-14
Preparing the System Chassis 3-15
Installing the Hardware 3-16
Installing the MVME187 in the Chassis 3-16
Transition Modules and Adapter Boards Overview 3-17
Equipment Connections 3-19
Installing Transition Modules and Adapter Boards 3-20
Connecting Peripherals 3-20
Completing the Installation 3-24
Starting the System 3-24
Powering Up the System 3-25
Initializing the Real-Time Clock 3-25
Examining and/or Changing Environmental Parameters 3-25
Programming the PCCchip2 and VMEchip2 3-26
System Considerations 3-27
Backplane Power Connections 3-27
Memory Address Ranges 3-27
DRAM Addressing 3-27
Global Bus Timeout 3-27
Multiple Module Cage Configuration 3-28
GCSR Location Monitor Register 3-28
Ethernet LAN (+12 Vdc) Fuse 3-28
SCSI Bus Termination 3-29
Storage and the Real-Time Clock 3-29
This Chapter Covers 4-1
Introduction to MVME187Bug 4-1
Overview of M88000 Firmware 4-1
Description of 187Bug 4-2
Command Facilities 4-2
Trap #496 Routines 4-2
Debugger or Diagnostic Directories 4-3
Keyboard Control 4-3
Comparison with M68000-Based Firmware 4-4
187Bug Implementation 4-4
Memory Requirements 4-5

Booting and Restarting 187Bug 4-5
Starting Up 187Bug 4-6
Autoboot 4-6
Autoboot Sequence 4-6
ROMboot 4-7
ROMboot Sequence 4-7
Network Boot 4-8
Network Boot Sequence 4-8
Restarting the System 4-9
Reset 4-10
Abort 4-10
Break 4-11
SYSFAIL* Assertion/Negation 4-12
MPU Clock Speed Calculation 4-12
Disk I/O Support 4-13
Disk Support Facilities 4-13
Parameter Tables 4-13
Supported Controllers 4-13
Blocks Versus Sectors 4-14
Device Probe Function 4-14
Disk I/O via 187Bug Commands 4-15
IOI (Input/Output Inquiry) 4-15
IOP (Physical I/O to Disk) 4-15
IOT (I/O Teach) 4-15
IOC (I/O Control) 4-15
BO (Bootstrap Operating System) 4-15
BH (Bootstrap and Halt) 4-16
Disk I/O via 187Bug System Calls 4-16
Controller Command Packets 4-16
Default 187Bug Controller and Device Parameters 4-17
Disk I/O Error Codes 4-18
Network I/O Support 4-19
Intel 82596 LAN Coprocessor Ethernet Driver 4-19
UDP/IP Protocol Modules 4-19
RARP/ARP Protocol Modules 4-20
BOOTP Protocol Module 4-20
TFTP Protocol Module 4-20
Network Boot Control Module 4-20
Network I/O Error Codes 4-21
Multiprocessor Support 4-21
Multiprocessor Control Register (MPCR) Method 4-21

MPCR Status Codes 4-22
Multiprocessor Address Register (MPAR) 4-22
MPCR Powerup Sequence 4-22
Global Control and Status Register (GCSR) Method 4-24
Diagnostic Facilities 4-25
187Bug Diagnostic Test Groups 4-27
This Chapter Covers 5-1
Entering Debugger Command Lines 5-1
Terminal Input/Output Control 5-1
Debugger Command Syntax 5-3
Syntactic Variables 5-4
Expression as a Parameter 5-4
Address as a Parameter 5-5
Address Formats 5-6
Offset Registers 5-7
Port Numbers 5-7
Entering and Debugging Programs 5-8
Creating a Program with the Assembler/Disassembler 5-8
Downloading an S-Record Object File 5-8
Read the Program from Disk 5-9
Calling System Utilities from User Programs 5-9
Preserving the Debugger Operating Environment 5-10
187Bug Vector Table and Workspace 5-10
Hardware Functions 5-11
Exception Vectors Used by 187Bug 5-11
CPU/MPU Registers 5-11
Floating Point Support 5-11
Single Precision Real 5-13
Double Precision Real 5-13
ScientiÞc Notation 5-14
The 187Bug Debugger Command Set 5-15
This Appendix Covers A-1
ConÞguring the Board Information Block A-1
Setting Environment to Bug/Operating System A-3
Disk/Tape Controller Modules Supported B-1
Disk/Tape Controller Default ConÞgurations B-2
IOT Command Parameters for Supported Floppy Types B-4
Network Controller Modules Supported C-1
Introduction E-1
Levels of Implementation E-3

xiv
List of Tables
MVME187 General SpeciÞcations 2-6
Bus Transfers 2-9
Front Panel Switches 2-11
Front Panel LEDs 2-11
Local Bus Memory Map 2-25
Local I/O Devices Memory Map 2-26
Startup Overview 3-2
J1 Bit Descriptions 3-9
Factory Settings for J1 General Purpose Readable Jumpers 3-9
Settings for J2 System Controller Header 3-10
Settings for Optional J6 SRAM Backup Power Source
Select Header 3-12
Settings for J7 and J8 Serial Port 4 Clock ConÞguration
Select Headers 3-13
MVME187 Preparation Procedure 3-14
Chassis Preparation/Slot Selection Procedure 3-15
MVME187 Installation Procedure 3-16
Peripheral Connections 3-19
Transition Module and Adapter Board Installation Overview 3-20
Peripheral Connection Procedures 3-21
Installation Completion Procedure 3-24
System Startup Overview 3-24
RTC Initialization Procedure 3-26
Diagnostic Monitor Commands/PreÞxes 4-25
Diagnostic Utilities 4-26
Diagnostic Test Groups 4-27
Debugger Commands 5-15

1
1-1
1Introduction to the MVME187
Installation Guide
This Chapter Covers
❏
Details about this manual
❏
Terminology, conventions, and definitions used
❏
Other publications relevant to the MVME187
About this Manual
This manual supports the setup, installation, and debugging of the
RISC-based MVME187 Single Board Computer; a high-
performance engine for VMEbus-based low- and mid-range OEM
and integrated systems, embedded controllers, and other single-
board computer applications.
This manual provides:
❏
A general
Board Level Hardware Description
in Chapter 2
❏
Hardware Preparation and Installation
instructions in Chapter 3
❏
Debugger General Information
in Chapter 4
❏
Debugger/monitor commands, and other information about
Using the 187Bug Debugger
in Chapter 5
❏
Other information needed for start-up and troubleshooting of
the MVME187 RISC Single Board Computer, including
Ð
Configure and Environment Commands
in Appendix A
Ð
Disk/Tape Controller Data
in Appendix B for controller
modules supported by 187Bug
Ð
Network Controller Data
in Appendix C
Ð Procedures for
Troubleshooting CPU Boards
in Appendix D
Ð
EIA-232-D Interconnections
in Appendix E

1-2
Introduction to the MVME187 Installation Guide
1
Terminology, Conventions, and Definitions
Used in this Manual
Data and Address Parameter Numeric Formats
Throughout this manual, a character identifying the numeric
format precedes data and address parameters as follows:
For example, Ò12Ó is the decimal number twelve, and Ò$12Ó is the
decimal number eighteen.
Unless otherwise specified, all address references are in
hexadecimal.
Signal Name Conventions
An asterisk (*) follows signal names for signals which are level or
edge significant:
$ dollar speciÞes a hexadecimal character
% percent speciÞes a binary number
& ampersand speciÞes a decimal number
Term * Indicates
level
signiÞcant
The signal is true or valid when the signal is low.
edge
signiÞcant
The actions initiated by that signal occur on high
to low transition.

Terminology, Conventions, and Definitions Used in this Manual
1-3
1
Assertion and Negation Conventions
Assertion and negation are used to specify forcing a signal to a
particular state. These terms are used independently of the voltage
level (high or low) that they represent.
Data and Address Size Definitions
Data and address sizes are defined as follows:
Big-Endian Byte Ordering
This manual assumes that the MPU on the MVME187 always
programs the CMMUs with big-endian byte ordering, as shown
below. Any attempt to use little-endian byte ordering will
immediately render the MVME187Bug debugger unusable.
Term Indicates
Assertion and assert
The signal is active or true.
Negation and negate
The signal is inactive or false.
Name Size Numbered SigniÞcance Called
Byte 8 bits 0 through 7
bit 0 is the
least
signiÞcant
Two-byte 16 bits 0 through 15
bit 0 is the
least
signiÞcant
half-
word
Four-byte 32 bits 0 through 31
bit 0 is the
least
signiÞcant
word
BIT BIT
31 24 23 16 15 08 07 00
ADR0 ADR1 ADR2 ADR3

1-4
Introduction to the MVME187 Installation Guide
1
Control and Status Bit Definitions
The terms control bit and status bit are used extensively in this
document to describe certain bits in registers.
❏
The status bit can be read by software to determine
operational or exception conditions.
True/False Bit State Definitions
True and False indicate whether a bit enables or disables the
function it controls:
Bit Value Descriptions
In all tables, the terms 0 and 1 are used to describe the actual value
that should be written to the bit, or the value that it yields when
read.
Term Describes
Control bit
The bit can be set and cleared under software
control
.
Status bit
The bit reflects a specific condition
.
Term Indicates
True
Enables the function it controls.
False
Disables the function it controls.

Related Documentation
1-5
1
Related Documentation
The MVME187 ships with a start-up installation guide
(MVME187IG/D, the document you are presently reading) which
includes installation instructions, jumper configuration
information, memory maps, debugger/monitor commands, and
any other information needed for start-up of the board.
If you wish to develop your own applications or need more detailed
information about your MVME187 Single Board Computer, you
may purchase the additional documentation (listed on the
following pages) through your local Motorola sales office.
If any supplements have been issued for a manual or guide, they
will be furnished along with the particular document. Each
Motorola Computer Group manual publication number is suffixed
with characters which represent the revision level of the document,
such as Ò/D2Ó (the second revision of a manual); a supplement
bears the same number as a manual but has a suffix such as
Ò/D2A1Ó (the first supplement to the second edition of the
manual).
Document Set for MVME187-0
xx
Board
You may order the manuals in this list individually or as a set. The
manual set
68-M187SET
includes:
Motorola
Publication Number Description
MVME187/D MVME187 RISC Single Board Computer UserÕs Manual
88KBUG1/D
88KBUG2/D
Debugging Package for Motorola 88K RISC CPUs UserÕs
Manual (Parts 1 and 2)
MVME187BUG MVME187Bug Debugging Package UserÕs Manual
VMESBCA1/PG
VMESBCA2/PG
Single Board Computer ProgrammerÕs Reference Guide
(Parts 1 and 2)

1-6
Introduction to the MVME187 Installation Guide
1
Additional Manuals for this Board
Also available but
not
included in the set:
Other Applicable Motorola Publications
The following publications are applicable to the MVME187 and
may provide additional helpful information. They may be
purchased through your local Motorola sales office.
SBCSCSI/D Single Board Computers SCSI Software UserÕs Manual
Motorola
Publication Number Description
MVME187IG/D MVME187 RISC Single Board Computer Installation
Guide (this manual)
SIMVME187/D MVME187 RISC Single Board Computer Support
Information
The SIMVME187 manual contains the connector
interconnect signal information, parts lists, and the
schematics for the MVME187.
Motorola
Publication Number Description
MVME712M MVME712M Transition Module and P2 Adapter
Board User's Manual
MVME712A MVME712-12, MVME712-13, MVME712A,
MVME712AM, and MVME712B Transition Modules
and LCP2 Adapter Board User's Manual
Motorola
Publication Number Description

Related Documentation
1-7
1
Non-Motorola Peripheral Controllers Publications Bundle
For your convenience, we have collected user's manuals for each of
the peripheral controllers used on the MVME187 from the
suppliers. This bundle, which can be ordered as part number
68-
1X7DS
, includes the following manuals:
MC88100UM MC88100 RISC Microprocessor User's Manual
MC88200UM MC88200 Cache/Memory Management Unit
(CMMU) User's Manual
MC88204 MC88204 64K-Byte Cache/Memory Management
Unit (CMMU) data sheet A
Part Number Description
NCR53C710DM NCR 53C710 SCSI I/O Processor Data Manual
NCR53C710PG NCR 53C710 SCSI I/O Processor ProgrammerÕs Guide
CL-CD2400/2401 Cirrus Logic CD2401 Serial Controller UserÕs Manual
UM95SCC0100 Zilog Z85230 Serial Communications Controller
UserÕs Manual
290218 Intel Networking Components Data Manual
290435 Intel i28F008 Flash Memory Data Sheet
290245 Intel i28F020 Flash Memory Data Sheet
292095 Intel i28F008SA Software Drivers Application Note
292099 Intel i28F008SA Automation and Algorithms
Application Note
Motorola
Publication Number Description

1-8
Introduction to the MVME187 Installation Guide
1
MK48T08/18B SGS-THOMSON MK48T08 Time Clock/NVRAM
Data Sheet
MC68230/D MC68230 Parallel Interface Timer (PI/T) Data Sheet
SBCCOMPS/L Customer Letter for Component Alternatives
Part Number Description

Related Documentation
1-9
1
Applicable Non-Motorola Publications
The following non-Motorola publications are also available from
the sources indicated.
Document Title Source
Versatile Backplane Bus: VMEbus,
ANSI/IEEE Std 1014-1987
(VMEbus SpeciÞcation) (This is also
Microprocessor System Bus for 1 to 4 Byte
Data, IEC 821 BUS)
The Institute of Electrical and
Electronics Engineers, Inc.
345 East 47th St.
New York, NY 10017
Bureau Central de la Commission
Electrotechnique Internationale
3, rue de VarembŽ
Geneva, Switzerland
ANSI Small Computer System Interface-2
(SCSI-2), Draft Document X3.131-198X,
Revision 10c
Global Engineering Documents
15 Inverness Way East
Englewood, CO 80112-5704
CL-CD2400/2401 Four-Channel Multi-
Protocol Communications Controller Data
Sheet, order number 542400-003
Cirrus Logic, Inc.
3100 West Warren Ave.
Fremont, CA 94538
82596CA Local Area Network Coprocessor
Data Sheet, order number 290218; and
82596 User's Manual, order number 296853
Intel Corporation, Literature Sales
P.O. Box 58130
Santa Clara, CA 95052-8130
NCR 53C710 SCSI I/O Processor Data
Manual, order number NCR53C710DM
NCR Corporation
Microelectronics Products Division
1635 Aeroplaza Dr.
Colorado Springs, CO 80916
NCR 53C710 SCSI I/O Processor
ProgrammerÕs Guide, order number
NCR53C710PG
MK48T08(B) Timekeeper TM and 8Kx8
Zeropower TM RAM data sheet in Static
RAMs Databook, order number DBSRAM71
SGS-THOMSON Microelectronics
Group
Marketing Headquarters
1000 East Bell Rd.
Phoenix, AZ 85022-2699

1-10
Introduction to the MVME187 Installation Guide
1

2
2-1
2Board Level Hardware
Description
This Chapter Covers
❏A general description of the MVME187 RISC Single Board
Computer
❏Features and specifications
❏A board-level hardware overview
❏A detailed hardware functional description, including front
panel switches and indicators
❏Memory maps
General Description
The MVME187 is a high functionality VMEbus RISC single board
computer designed around the M88000 chip set. It features:
❏Onboard memory expansion mezzanine module with
4, 8, 16, 32, 64 or 128MB of onboard DRAM
❏SCSI bus interface with DMA
❏Four serial ports with EIA-232-D interface
❏Centronics (parallel) printer port
❏Ethernet transceiver interface with DMA
❏187Bug debug monitor firmware

2-2
Board Level Hardware Description
2Onboard Memory Mezzanine Module
The MVME187 onboard DRAM mezzanine boards are available in
different sizes and with programmable parity protection or Error
Checking and Correction (ECC) protection.
❏The main board and a single mezzanine board together take
one slot.
❏Motorola software supports mixed parity and ECC memory
boards on the same main board.
❏Mezzanine board sizes are 4, 8, 16, or 32 MB (parity), or 4, 8,
16, 32, 64, or 128 MB (ECC);
Ð Two mezzanine boards may be stacked to provide 256MB
of onboard RAM (ECC) or 64 MB (parity). The stacked
configuration requires two VMEbus slots.
❏The DRAM is four-way interleaved to efficiently support
cache burst cycles.
❏The parity mezzanines are only supported on 25 MHz main
boards.
A functional description of the Onboard DRAM starts on page 2-15.
SCSI Mass Storage Interface
The MVME187 provides for mass storage subsystems through the
industry-standard SCSI bus. These subsystems may include
❏Hard and floppy disk drives
❏Streaming tape drives
❏Other mass storage devices.
A functional description of the SCSI Interface starts on page 2-22.

General Description
2-3
2
Serial Ports
The serial ports support standard baud rates of 110 to 38.4K baud.
All four serial ports use EIA-232-D drivers and receivers located on
the main board, and all the signal lines are routed to the I/O
connector.
A functional description of the Serial Port Interface starts on page
2-18.
Parallel (Printer) Port
The 8-bit bidirectional parallel port may be used as a Centronics-
compatible parallel printer port or as a general parallel I/O port.
A functional description of the Parallel Port Interface starts on page
2-20.
Ethernet Transceiver Interface
The Ethernet transceiver interface is located on the MVME187, and
the industry standard connector is located on the MVME712X
transition module.
A functional description of the Ethernet Interface starts on page
2-21.
Serial
Port Function Synchronous/
Asynchronous Signals Bit Rates
1 Minimum Asynchronous RXD, CTS, TXD, and RTS
2
and
3
Full Asynchronous RXD, CTS, DCD, TXD, RTS,
and DTR
4 Full Both RXD, CTS, DCD, TXD, RTS,
and DTR
Synchronous up
to 64 k bits per
second

2-4
Board Level Hardware Description
2187Bug Firmware
The MVME187Bug debug monitor firmware (187Bug) is provided
in two of the four EPROM sockets on the MVME187.
It provides:
❏Over 50 debug commands
❏Up/down load commands
❏Disk bootstrap load commands
❏A full set of onboard diagnostics
❏A one-line assembler/disassembler
The 187Bug user interface accepts commands from the system
console terminal.
187Bug can also operate in a System Mode, which includes choices
from a service menu.
Features
❏M88000 Microprocessor (one MC88100 MPU and two
MC88200 or MC88204 CMMUs)
❏4/8/16/32/64MB of 32-bit DRAM with parity or
4/8/16/32/64/128/256MB of 32-bit DRAM with ECC
protection
❏Four 44-pin PLCC ROM sockets (organized as two banks of
32 bits)
❏128KB Static RAM (with optional battery backup as a factory
build special request)
❏Status LEDs for FAIL, STAT, RUN, SCON, LAN, +12V (LAN
power), SCSI, and VME.
❏8K by 8 static RAM and time of day clock with battery backup

Features
2-5
2
❏RESET and ABORT switches
❏Four 32-bit tick timers for periodic interrupts
❏Watchdog timer
❏Eight software interrupts
❏I/O
Ð SCSI Bus interface with DMA
Ð Four serial ports with EIA-232-D buffers with DMA
Ð Centronics printer port
Ð Ethernet transceiver interface with DMA
❏VMEbus interface
Ð VMEbus system controller functions
Ð VMEbus interface to local bus (A24/A32, D8/D16/D32
and D8/D16/D32/D64BLT) (BLT = Block Transfer)
Ð Local bus to VMEbus interface (A16/A24/A32,
D8/D16/D32)
Ð VMEbus interrupter
Ð VMEbus interrupt handler
Ð Global CSR for interprocessor communications
Ð DMA for fast local memory - VMEbus transfers
(A16/A24/A32, D16/D32 and D16/D32/D64BLT)

2-6
Board Level Hardware Description
2Specifications
Conformance to Requirements
These boards are designed to conform to the requirements of the
following specifications:
❏VMEbus Specification (IEEE 1014-87)
❏EIA-232-D Serial Interface Specification, EIA
❏SCSI Specification
Table 2-1. MVME187 General Specifications
Characteristics SpeciÞcations
Power requirements
(with all four EPROM sockets
populated and excluding
external LAN transceiver)
+5 Vdc (+/-5%) 3.5 A (typical), 4.5 A (maximum)
(at 25 MHz, with 32MB parity DRAM)
5.0 A (typical), 6.5 A (maximum)
(at 33 MHz, with 128MB ECC DRAM)
+12 Vdc (+/-5%) 100 mA (maximum)
(1.0 A (maximum) with offboard LAN
transceiver)
-12 Vdc (+/- 5%) 100 mA (maximum)
Operating temperature 0û to 55û C at point of entry of forced air
(approximately 490 LFM)
Storage temperature -40û to +85û C
Relative humidity 5% to 90% (non-condensing)
Physical
dimensions
Double-high
VMEboard
PC board with
mezzanine
module only
Height 9.187 inches (233.35 mm)
Depth 6.299 inches (160.00 mm)
Thickness 0.662 inches (16.77 mm)
PC board with
connectors and
front panel
Height 10.309 inches (261.85 mm)
Depth 7.4 inches (188 mm)
Thickness 0.80 inches (20.32 mm)

Board Level Overview
2-7
2
Board Level Overview
Connectors
The MVME187 has two 96-position DIN connectors: P1 and P2.
❏P1 rows A, B, C, and P2 row B provide the VMEbus
interconnection.
❏P2 rows A and C provide the connection to the SCSI bus,
serial ports, Ethernet, and printer.
Adapters
I/O on the MVME187 is connected to the VMEbus P2 connector.
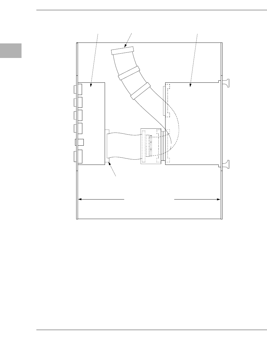
The main board is connected to the transition modules through a P2
adapter board and cables.
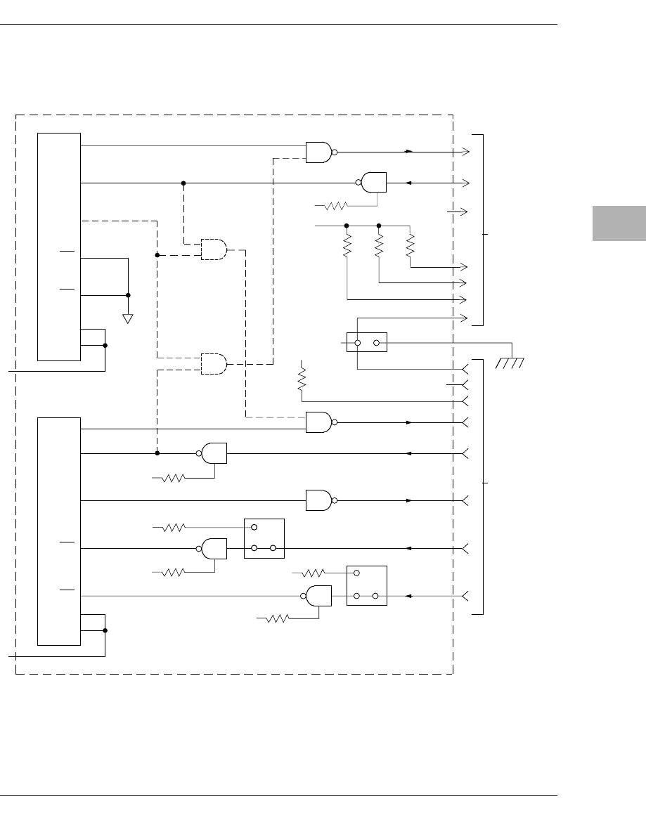
Figure 2-1. MVME187 General Block Diagram
PRINTER
PORT
CD2401
SCC
SERIAL IO
128KB
STATIC
RAM
53C710
SCSI
DRAM EPROM MK48T08
BBRAM
& CLOCK
82596CA
LAN
ETHERNET
PCCchip2
VMEbus
VMEchip2
bd069 9211
M88000

2-8
Board Level Hardware Description
2Transition Modules
MVME712X transition modules provide configuration headers and
provide industry standard connectors for the I/O devices. Refer to
Figure 3-3 on page 3-22.
❏The MVME187 supports the transition modules MVME712-
12, MVME712-13, MVME712M, MVME712A, MVME712AM,
and MVME712B (referred to in this manual as MVME712X,
unless separately specified).
Transition modules and adapter boards are covered in
MVME712M, Transition Module and P2 Adapter Board User's Manual,
and MVME712A, MVME712-12, MVME712-13, MVME712A,
MVME712AM, and MVME712B Transition Modules and LCP2
Adapter Board User's Manual.
ASICs
The MVME187 board features several Application Specific
Integrated Circuits (ASICs) including:
❏VMEchip2
❏PCCchip2
❏MEMC040
❏MCECC
All programmable registers in the MVME187 that reside in ASICs
are covered in the Single Board Computers Programmer's Reference
Guide.

Board Level Overview
2-9
2
VMEchip2 ASIC
Provides the VMEbus interface. The VMEchip2 includes:
❏Two tick timers
❏Watchdog timer
❏Programmable map decoders for the master and slave
interfaces, and a VMEbus to/from local bus DMA controller
❏VMEbus to/from local bus non-DMA programmed access
interface
❏VMEbus interrupter
❏VMEbus system controller
❏VMEbus interrupt handler
❏VMEbus requester
PCCchip2 ASIC
The PCCchip2 ASIC provides two tick timers and the interface to
the:
❏LAN chip
❏SCSI chip
❏Serial port chip
❏Printer port
❏BBRAM
Table 2-2. Bus Transfers
Transfer type Can be...
Processor-to-VMEbus D8, D16, or D32
VMEchip2 DMA to the
VMEbus
D16, D32, D16/BLT,
D32/BLT, or D64/MBLT

2-10
Board Level Hardware Description
2MEMC040 Memory Controller ASIC
The MEMC040 memory controller ASIC provides the
programmable interface for the parity-protected DRAM mezzanine
board.
MCECC Memory Controller ASIC
The MCECC memory controller ASIC provides the programmable
interface for the ECC-protected DRAM mezzanine board.
Functional Description
The major functional blocks of the MVME187 covered in this
section are:
❏Front panel switches and LED indicators
❏Data bus structure
❏M88000 MPU
❏EPROM
❏SRAM
❏Onboard DRAM
❏Battery backed up RAM and clock
❏VMEbus interface
❏I/O interfaces
❏Local resources

Functional Description
2-11
2
Front Panel Switches and LEDs
There are two switches and eight LEDs on the boardÕs front panel
(refer to Table 2-3, Table 2-4, and Figure 3-1 on page 3-6).
Table 2-3. Front Panel Switches
Switch
Name Description
RESET The RESET switch resets all onboard devices and drives SYSRESET* if the
board is system controller. The RESET switch may be disabled by software.
ABORT
When enabled by software, the ABORT switch generates an interrupt at a user-
programmable level. It is normally used to abort program execution and
return to the debugger.
Table 2-4. Front Panel LEDs
LED
Name Color Description
FAIL Red The FAIL LED lights when the BRDFAIL signal line is active.
STAT Yellow The STAT LED is controlled by software on the MVME187.
RUN Green The RUN LED lights when the local bus TIP* signal line is low. This
indicates one of the local bus masters is executing a local bus cycle.
SCON Green The SCON LED lights when the MVME187 is the VMEbus system
controller.
LAN Green The LAN LED lights when the LAN chip is local bus master.
+12V Green The +12V LED lights when +12V power is available to the Ethernet
transceiver interface.
SCSI Green The SCSI LED lights when the SCSI chip is local bus master.
VME Green
The VME LED lights when the board is using the VMEbus (VMEbus
AS* is asserted by the VMEchip2) or when the board is accessed by
the VMEbus (VMEchip2 is the local bus master).

2-12
Board Level Hardware Description
2Data Bus Structure
The local data bus on theMVME187 is a 32-bit synchronous bus
based on the MC68040 bus, and supports burst transfers and
snooping.
Local Bus Arbitration
The various local bus master and slave devices use the local bus to
communicate.
The local bus is arbitrated by priority type arbiter and the priority
of the local bus masters from highest to lowest is:
1. 82596CA LAN (highest)
2. CD2401 serial (through the PCCchip2)
3. 53C710 SCSI
4. VMEbus
5. MPU (lowest)
In general, any master can access any slave; however, not all
combinations pass the Òcommon sense test.Ó Refer to the Single
Board Computers Programmer's Reference Guide and to the user's
guide for each device to determine its port size, data bus
connection, and any restrictions that apply when accessing the
device.
M88000 MPU
The MVME187 is based on the M88000 family and uses one
MC88100 MPU and two MC88200 or MC88204 CMMUs.
One CMMU is used for the data cache and one is used for the
instruction cache.
More information is available in the MC88100 and MC88200 user's
manuals and the MC88204 data sheet.

Functional Description
2-13
2
EPROM
Four 44-pin PLCC/CLCC EPROM sockets for 27C102JK or
27C202JK type EPROMs. They are:
❏Organized in two 32-bit wide banks supporting 8-, 16-, and
32-bit read accesses
❏Controlled by the VMEchip2
❏Mapped to local bus address 0 following a local bus reset
Ð This allows the MC88100 to start executing code at address
0 following a reset.
Programmable EPROM Features
❏Map decoder
❏Access time
❏When accessible at address 0
Static RAM
The MVME187 includes 128KB of 32-bit wide 100 ns static RAM
(SRAM), which:
❏Supports 8-, 16-, and 32-bit wide accesses.
❏Allows debugger operation and execution of limited
diagnostics without the DRAM mezzanine.
❏Is controlled by the VMEchip2; the access time is
programmable.

2-14
Board Level Hardware Description
2Optional SRAM Battery Backup
SRAM battery backup is optionally available on the MVME187, but
only as a factory build and only by special request. (Contact your local
Motorola sales office for details). The battery backup function,
provided by a Dallas DS1210S nonvolatile controller chip and a
RAYOVAC FB1225 battery, supports primary and secondary
power sources.
The onboard power source is a RAYOVAC FB1225 battery which
has two BR1225-type lithium cells and is socketed for easy removal
and replacement. A small capacitor is provided to allow the battery
to be quickly replaced without data loss (i.e., the battery must be
replaced within 30 seconds).
If your MVME187 is equipped with SRAM battery backup, when
the main board power fails, the DS1210S selects the source with the
highest voltage.
If one source should fail, the DS1210S switches to the redundant
source.
Each time the board is powered, the DS1210S checks power sources,
allowing software to provide an early warning to avoid data loss:
❏If the voltage of the backup sources is less than two volts, the
second memory access cycle is blocked.
❏Because the DS1210S may block the second access, the
software should do at least two accesses before relying on the
data.
With the optional battery backup, the MVME187 provides jumpers
(see Optional SRAM Backup Power Source Select Header J6 on page
3-11) that allow either power source of the DS1210S to be connected
to the VMEbus +5 V STDBY pin or to one cell of the onboard battery.
The power leads from the battery are exposed on the solder side of
the board, therefore the board should not be placed on a conductive
surface or stored in a conductive bag unless the battery is removed.

Functional Description
2-15
2
!
Caution
Lithium batteries incorporate inflammable materials
such as lithium and organic solvents. If lithium batteries
are mistreated or handled incorrectly, they may burst
open and ignite, possibly resulting in injury and/or fire.
When dealing with lithium batteries, carefully follow the
precautions listed below in order to prevent accidents.
❏Do not short circuit.
❏Do not disassemble, deform, or apply excessive pressure.
❏Do not heat or incinerate.
❏Do not apply solder directly.
❏Do not use different models.
❏Do not charge.
❏Always check proper polarity.
To remove the battery from the module, carefully pull the battery
from the socket. (Data will be lost if a new battery is not installed
within 30 seconds.)
Before installing a new battery, ensure that the battery pins are
clean. Note the battery polarity and press the battery into the
socket.
Onboard DRAM
The MVME187 onboard DRAM is located on a mezzanine board.
The mezzanine boards are available in different sizes and with
parity protection or ECC protection.
Note Parity mezzanines are only supported on 25 MHz main
boards.

2-16
Board Level Hardware Description
2Motorola software does support mixed parity and ECC memory
boards on the same main board.
The DRAM is four-way interleaved to efficiently support cache
burst cycles.
Onboard DRAM mezzanines are available in these configurations:
❏4, 8, 16, or 32MB with parity protection
❏4, 8, 16, 32, 64, or 128 MB with ECC protection
Stacking Mezzanines
Two mezzanine boards may be stacked to provide up to 256MB of
onboard RAM (ECC).
❏The MVME187 board and a single mezzanine board together
take one slot.
❏The stacked configuration requires two VMEboard slots.
DRAM Programming Considerations
❏The DRAM map decoder can be programmed to
accommodate different base address(es) and sizes of
mezzanine boards.
❏Onboard DRAM is disabled by a local bus reset and must be
programmed before the DRAM can be accessed.
❏Most DRAM devices require some number of access cycles
before the DRAMs are fully operational.
Ð Normally this requirement is met by the onboard refresh
circuitry and normal DRAM installation. However,
software should insure a minimum of 10 initialization
cycles are performed to each bank of RAM.
Refer to the MEMC040 or the MCECC in the Single Board Computers
Programmer's Reference Guide for detailed programming
information.

Functional Description
2-17
2
Battery Backed Up RAM and Clock
The MK48T08 RAM and clock chip is a 28-pin package that
provides
❏A time-of-day clock
❏An oscillator
❏A crystal
❏Power fail detection
❏Memory write protection
❏8KB of RAM
❏A battery
The clock provides
❏Seconds, minutes, hours, day, date, month, and year in BCD
24-hour format
❏Automatic corrections for 28-, 29- (leap year), and 30-day
months
No interrupts are generated by the clock.
The MK48T08 is an 8 bit device; however, the interface provided by
the PCCchip2 supports 8-, 16-, and 32-bit accesses to the MK48T08.
Refer to the MK48T08 data sheet for detailed programming
information.

2-18
Board Level Hardware Description
2VMEbus Interface
The VMEchip2 provides:
❏Local bus to VMEbus interface
❏VMEbus to local bus interface
❏Local-VMEbus DMA controller functions
❏VMEbus system controller functions
I/O Interfaces
The MVME187 provides onboard I/O for many system
applications.
❏The I/O functions include:
Ð Serial ports
Ð Printer port
Ð Ethernet transceiver interface
Ð SCSI mass storage interface
❏An external I/O transition board such as the MVME712X
should be used to convert the I/O connector pinout to
industry-standard connectors.
❏The configuration headers are located on the MVME187 and
the MVME712X transition board.
The I/O on the MVME187 is connected to the VMEbus P2
connector. The MVME712X transition module is connected to the
MVME187 through cables and a P2 adapter board.
Serial Port Interface
The CD2401 serial controller chip (SCC) implements the four serial
ports. The serial ports support the standard baud rates (110 to 38.4K
baud). The four serial ports are different functionally because of the
limited number of pins on the P2 I/O connector.

Functional Description
2-19
2
All four serial ports use EIA-232-D drivers and receivers located on
the MVME187, and all the signal lines are routed to the I/O
connector.
❏Serial port 1 is a minimum function asynchronous port. It
uses RXD, CTS, TXD, and RTS.
❏Serial ports 2 and 3 are full function asynchronous ports.
They use RXD, CTS, DCD, TXD, RTS, and DTR.
❏Serial port 4 is a full function asynchronous or synchronous
port. It can operate at synchronous bit rates up to 64 k bits per
second. It uses RXD, CTS, DCD, TXD, RTS, and DTR. It also
interfaces to the synchronous clock signal lines.
Serial Interface Programming Considerations
❏The MVME187 board hardware ties the DTR signal from the
CD2401 to the pin labeled RTS at connector P2. Likewise, RTS
from the CD2401 is tied to DTR on P2. Therefore, when
programming the CD2401, assert DTR when you want RTS,
and RTS when you want DTR.
❏The interface provided by the PCCchip2 allows the 16-bit
CD2401 to appear at contiguous addresses.
❏Accesses to the CD2401 must be 8 or 16 bits: 32-bit accesses
are not permitted.
❏The CD2401 supports DMA operations to local memory.
❏Because the CD2401 does not support a retry operation
necessary to break VMEbus lockup conditions, the CD2401
DMA controllers should not be programmed to access the
VMEbus.
❏The hardware does not restrict the CD2401 to onboard
DRAM.
Refer to the CD2401 data sheet for detailed programming
information.

2-20
Board Level Hardware Description
2Parallel Port Interface
The PCCchip2 provides an 8-bit bidirectional parallel port. This
port may be used as a Centronics-compatible parallel printer port
or as a general parallel I/O port.
All eight bits of the port must be either inputs or outputs (no
individual bit selection).
In addition to the 8 bits of data, there are two control pins and five
status pins.
When used as a parallel printer port, these pins function as follows:
Each of the status pins can generate an interrupt to the MPU in any
of the following programmable conditions:
❏High level
❏Low level
❏High-to-low transition
❏Low-to-high transition
Status Pins Printer Acknowledge (ACK*)
Printer Fault (FAULT*)
Printer Busy (BSY)
Printer Select (SELECT)
Printer Paper Error (PE)
Control Pins Printer Strobe (STROBE*)
Input Prime (INP*)

Functional Description
2-21
2
The PCCchip2 provides an auto-strobe feature similar to that of the
MVME147 PCC.
❏In auto-strobe mode, after a write to the Printer Data Register,
the PCCchip2 automatically asserts the STROBE* pin for a
selected time specified by the Printer Fast Strobe control bit.
❏In manual mode, the Printer Strobe control bit directly
controls the state of the STROBE* pin.
Ethernet Interface
The 82596CA implements the Ethernet transceiver interface. The
82596CA accesses local RAM using DMA operations to perform its
normal functions.
The Ethernet transceiver interface is located on the MVME187, and
the industry standard connector is located on the MVME712X
transition module.
Every MVME187 is assigned an Ethernet Station Address. The
address is $08003E2xxxxx where xxxxx is the unique 5-nibble
number assigned to the board (i.e., every MVME187 has a different
value for xxxxx).
Each module has the Ethernet Station Address displayed on a label
attached to the VMEbus P2 connector. In addition, the six bytes
including the Ethernet address are stored in the configuration area
of the BBRAM. That is, 08003E2xxxxx is stored in the BBRAM.
❏At an address of $FFFC1F2C, the upper four bytes (08003E2x)
can be read.
❏At an address of $FFFC1F30, the lower two bytes (xxxx) can
be read.
The MVME187 debugger has the capability to retrieve or set the
Ethernet address.
If the data in the BBRAM is lost, the user should use the number on
the VMEbus P2 connector label to restore it.

2-22
Board Level Hardware Description
2Buffer Overruns
Because the 82596CA has small internal buffers and the VMEbus
has an undefined latency period, buffer overrun may occur if the
DMA is programmed to access the VMEbus. Therefore, the
82596CA should not be programmed to access the VMEbus.
Support functions for the 82596CA are provided by the PCCchip2.
Refer to the 82596CA user's guide for detailed programming
information.
SCSI Interface
The MVME187 provides for mass storage subsystems through the
industry-standard SCSI bus. These subsystems may include hard
and floppy disk drives, streaming tape drives, and other mass
storage devices.
The SCSI interface is implemented using the NCR 53C710 SCSI I/O
controller.
Support functions for the 53C710 are provided by the PCCchip2.
Refer to the 53C710 user's guide for detailed programming
information.
SCSI Termination
Because this board has no provision for SCSI termination, you must
ensure that the SCSI bus is terminated properly.
❏If the SCSI bus ends at the P2 Adapter, termination resistors
must be installed on the R1, R2, and R3 sockets using three 8-
pin SIP resistors. Note: +5V power to the SCSI bus TERM
power line and termination resistors is provided through a
fuse located on the P2 transition board.
❏If there are additional SCSI mass storage devices in your
system, make sure that terminators are installed on the last
device in the SCSI chain.

Functional Description
2-23
2
Local Resources
The MVME187 includes many resources for the local processor.
These include tick timers, software programmable hardware
interrupts, watchdog timer, and local bus timeout.
Programmable Tick Timers
Four 32-bit programmable tick timers with 1 µs resolution are
provided, two in the VMEchip2 and two in the PCCchip2. The tick
timers can be programmed to generate periodic interrupts to the
processor.
Watchdog Timer
A watchdog timer function is provided in the VMEchip2. When the
watchdog timer is enabled, it must be reset by software within the
programmed time or it times out. The watchdog timer can be
programmed to generate a SYSRESET signal, local reset signal, or
board fail signal if it times out.
Software-Programmable Hardware Interrupts
Eight software-programmable hardware interrupts are provided
by the VMEchip2. These interrupts allow software to create a
hardware interrupt.
Local Bus Timeout
The MVME187 provides a timeout function for the local bus. When
the timer is enabled and a local bus access times out, a Transfer
Error Acknowledge (TEA) signal is sent to the local bus master. The
timeout value is selectable by software for 8 µsec, 64 µsec, 256 µsec,
or infinite. The local bus timer does not operate during VMEbus
bound cycles. VMEbus bound cycles are timed by the VMEbus
access timer and the VMEbus global timer.

2-24
Board Level Hardware Description
2Memory Maps
There are two points of view for memory maps:
1. Local bus memory map
Ð the mapping of all resources as viewed by local bus
masters
2. VMEbus memory map
Ð the mapping of onboard resources as viewed by VMEbus
Masters
Local Bus Memory Map
The local bus memory map is split into different address spaces by
the transfer type (TT) signals. The local resources respond to the
normal access and interrupt acknowledge codes.
Normal Address Range Devices
The memory map of devices that respond to the normal address
range is shown in the following tables. The normal address range is
defined by the Transfer Type (TT) signals on the local bus.
❏On the MVME187, Transfer Types 0 and 1 define the normal
address range.
Table 2-5 on page 2-25 is the entire map from $00000000 to
$FFFFFFFF. Many areas of the map are user-programmable, and
suggested uses are shown in the table.
❏The cache inhibit function is programmable in the MMUs.
❏The onboard I/O space must be marked cache inhibit and
serialized in its page table.
Table 2-6 on page 2-26 further defines the map for the local I/O
devices.

Memory Maps
2-25
2
Table 2-5. Local Bus Memory Map
Address
Range Devices Accessed Port Size Size
Software
Cache
Inhibit
Notes
$00000000 -
DRAMSIZE
User programmable
(onboard DRAM)
D32 DRAMSIZE N 1, 2
DRAMSIZE
- $FF7FFFFF
User programmable
(VMEbus)
D32/D16 3GB ? 3, 4
$FF800000 -
$FFBFFFFF
ROM D32 4MB N 1
$FFC00000 -
$FFDFFFFF
Reserved -- 2MB -- 5
$FFE00000 -
$FFE1FFFF
SRAM D32 128KB N --
$FFE20000 -
$FFEFFFFF
SRAM (repeated) D32 896KB N --
$FFF00000 -
$FFFEFFFF
Local I/O devices
(refer to next table)
D32-D8 1MB Y 3
$FFFF0000 -
$FFFFFFFF
User programmable
(VMEbus A16)
D32/D16 64KB ? 2, 4
Notes
1. Onboard EPROM appears at $00000000 - $003FFFFF following a local bus
reset. The EPROM appears at 0 until the ROM0 bit is cleared in the
VMEchip2. The ROM0 bit is located at address $FFF40030 bit 20. The
EPROM must be disabled at 0 before the DRAM is enabled. The VMEchip2
and DRAM map decoders are disabled by a local bus reset.
2. This area is user-programmable. The suggested use is shown in the table.
The DRAM decoder is programmed in the MEMC040 or MCECC chip, and
the local-to-VMEbus decoders are programmed in the VMEchip2.
3. Size is approximate.
4. Cache inhibit depends on devices in area mapped.
5. This area is not decoded. If these locations are accessed and the local bus
timer is enabled, the cycle times out and is terminated by a TEA signal.

2-26
Board Level Hardware Description
2The following table focuses on the Local I/O Devices portion of the
local bus Main Memory Map.
Table 2-6. Local I/O Devices Memory Map
Address Range Devices Accessed Port Size Size Notes
$FFF00000 - $FFF3FFFF Reserved -- 256KB 4
$FFF40000 - $FFF400FF VMEchip2 (LCSR) D32 256B 1,3
$FFF40100 - $FFF401FF VMEchip2 (GCSR) D32-D8 256B 1,3
$FFF40200 - $FFF40FFF Reserved -- 3.5KB 4,6
$FFF41000 - $FFF41FFF Reserved -- 4KB 4
$FFF42000 - $FFF42FFF PCCchip2 D32-D8 4KB 1
$FFF43000 - $FFF430FF MEMC040/MCECC #1 D8 256B 1
$FFF43100 - $FFF431FF MEMC040/MCECC #2 D8 256B 1
$FFF43200 - $FFF43FFF MEMC040s/MCECCs
(repeated)
-- 3.5KB 1,6
$FFF44000 - $FFF44FFF reserved -- 4KB 4
$FFF45000 - $FFF451FF CD2401 (Serial Comm.
Cont.)
D16-D8 512B 1
$FFF45200 - $FFF45DFF Reserved -- 3KB 6,8
$FFF45E00 - $FFF45FFF Reserved -- 512B 8
$FFF46000 - $FFF46FFF 82596CA (LAN) D32 4KB 1,7
$FFF47000 - $FFF47FFF 53C710 (SCSI) D32/D8 4KB 1
$FFF48000 - $FFF4FFFF Reserved -- 32KB 4
$FFF50000 - $FFF6FFFF Reserved -- 128KB 4
$FFF70000 - $FFF76FFF Reserved -- 28KB 5
$FFF77000 - $FFF77FFF CODE CMMU D32 4KB 1
$FFF78000 - $FFF7EFFF Reserved -- 28KB 5
$FFF7F000 - $FFF7FFFF DATA CMMU D32 4KB 1
$FFF80000 - $FFF9FFFF Reserved -- 128KB 5
$FFFA0000 - $FFFBFFFF Reserved -- 128KB 4
$FFFC0000 - $FFFCFFFF MK48T08 (BBRAM,
TOD Clock)
D32-D8 64KB 1
$FFFD0000 - $FFFDFFFF Reserved -- 64KB 4
$FFFE0007 IACK LEVEL 1 D8 1 byte 2

Memory Maps
2-27
2
$FFFE000B IACK LEVEL 2 D8 1 byte 2
$FFFE000F IACK LEVEL 3 D8 1 byte 2
$FFFE0013 IACK LEVEL 4 D8 1 byte 2
$FFFE0017 IACK LEVEL 5 D8 1 byte 2
$FFFE001B IACK LEVEL 6 D8 1 byte 2
$FFFE001F IACK LEVEL 7 D8 1 byte 2
$FFFE0020 - $FFFEFFFF IACK LEVELS
(repeated)
-- 64KB 2,6
Notes
1. For a complete description of the register bits, refer to the Single Board
Computers Programmer's Reference Guide or to the data sheet for the specific
chip.
2. Byte reads should be used to read the interrupt vector. These locations do
not respond when an interrupt is not pending. If the local bus timer is
enabled, the access times out and is terminated by a TEA signal.
3. Writes to the LCSR in the VMEchip2 must be 32 bits. LCSR writes of 8 or 16
bits terminate with a TEA signal. Writes to the GCSR may be 8, 16 or 32 bits.
Reads to the LCSR and GCSR may be 8, 16 or 32 bits.
4. This area does not return an acknowledge signal. If the local bus timer is
enabled, the access times out and is terminated by a TEA signal.
5. This area does return an acknowledge signal.
6. Size is approximate.
7. Port commands to the 82596CA must be written as two 16-bit writes: upper
word first and lower word second.
8. The CD2401 appears repeatedly from $FFF45200 to $FFF45FFF. If the local
bus timer is enabled, the access times out and is terminated by a TEA signal.
Table 2-6. Local I/O Devices Memory Map (Continued)
Address Range Devices Accessed Port Size Size Notes

2-28
Board Level Hardware Description
2VMEbus Memory Map
This section describes the mapping of local resources as viewed by
VMEbus masters. Default addresses for the slave, master, and
GCSR address decoders are provided by the ENV command. Refer
to Appendix A.
VMEbus Accesses to the Local Bus
The VMEchip2 includes a user-programmable map decoder for the
VMEbus to local bus interface. The map decoder allows you to
program the starting and ending address and the modifiers the
MVME187 responds to.
VMEbus Short I/O Memory Map
The VMEchip2 includes a user-programmable map decoder for the
GCSR. The GCSR map decoder allows you to program the starting
address of the GCSR in the VMEbus short I/O space.

3
3-1
3Hardware Preparation and
Installation
This Chapter Covers
This chapter provides instructions on:
❏Unpacking the equipment
❏Preparing the hardware
❏Installing the MVME187 RISC Single Board Computer
Note that hardware preparation instructions for the MVME712X
transition module are provided in separate userÕs manuals for each
model. Refer to the userÕs manual you received with your
MVME712X.
Unpacking the Equipment
Note If the shipping carton is damaged upon receipt, request
that the carrier's agent be present during unpacking
and inspection of the equipment.
Unpack the equipment from the shipping carton. Refer to the
packing list and verify that all items are present. Save the packing
material for storing and reshipping of the equipment.
!
Caution
Avoid touching areas of integrated circuitry; static
discharge can damage circuits.

3-2
Hardware Preparation and Installation
3
Overview of Startup Procedure
The following list identifies the things you will need to do before
you can use this board, and where to find the information you need
to perform each step. Be sure to read this chapter and all Caution
notes, and have the related documentation with you before you
begin.
Table 3-1. Startup Overview
Stage What you will need to do... Refer to... On
page...
1 Prepare the MVME187. Preparing the
Hardware
3-5
Ensure that EPROM devices are properly
installed in their sockets.
Checking the
187Bug EPROMs
3-7
ConÞgure adapters and MVME712X
transition modules.
The userÕs manual you
received with your
MVME712X module
Install/remove jumpers on headers. Jumper Settings 3-7
2 Prepare the chassis. Preparing the
MVME187 for
Installation
3-14
Turn power off to chassis and peripherals. The userÕs
manual you
received with
your chassis
3-15
Disconnect AC power cable.
Remove chassis cover.
Remove Þller panels from card slots.
3 Install your MVME187 in the chassis. Installing the
Hardware
3-16
Remove IACK and BG jumpers from
backplane.
Slide the module into the chassis and
fasten it securely.

Overview of Startup Procedure
3-3
3
4 Install adapter boards and transition modules. Transition
Modules and
Adapter Boards
Overview
3-17
Installing
Transition
Modules and
Adapter Boards
3-20
Set jumpers on the transition module(s). The userÕs manual you
received with your
MVME712X
Connect and install the MVME712X
transition module.
Connect and install the P2 adapter board.
5 Connect peripherals. Connecting
Peripherals
3-20
Connect and install any optional SCSI
device cables.
You may also wish to
obtain the Single Board
Computer SCSI Software
UserÕs Manual
Connect a console terminal to the
MVME712X.
Connect any other optional devices or
equipment you will be using, such as
serial or parallel printers, host computers,
etc.
EIA-232-D
Interconnections
E-1
Port Numbers 5-7
Disk/Tape
Controller Data
B-1
6 Complete the installation. The userÕs
manual you
received with
your chassis
3-24
Reassemble chassis.
Reconnect AC power.
Table 3-1. Startup Overview (Continued)
Stage What you will need to do... Refer to... On
page...

3-4
Hardware Preparation and Installation
37 Start up the system. Starting the
System
3-24
Power up the system. Front Panel
Switches and
LEDs
2-11
Initialize the real-time clock. Initializing the
Real-Time Clock
3-25
Note that the debugger prompt appears. Powering Up the
System
3-25
Starting Up
187Bug
4-6
You may also wish to
obtain the Debugging
Package for Motorola 88K
RISC CPUs UserÕs Manual
and the 187Bug
Diagnostics UserÕs Manual
Examine and/or change environmental
parameters.
Examining
and/or Changing
Environmental
Parameters
3-25
Setting
Environment to
Bug/Operating
System
A-3
Program the PCCchip2 and VMEchip2. Memory Maps 2-24
Troubleshoot the system. Troubleshooting
the MVME187:
Solving Startup
Problems
D-1
Solve any startup problems
Table 3-1. Startup Overview (Continued)
Stage What you will need to do... Refer to... On
page...

Preparing the Hardware
3-5
3
Preparing the Hardware
This section covers:
❏Modifying hardware configurations before installation
❏Checking the 187Bug EPROMs
❏Factory jumper settings
❏Preparing your MVME187
❏Preparing the system chassis
Modifying Configuration before Installation
To select the desired configuration and ensure proper operation of
the MVME187, certain option modifications may be necessary
before installation.
The location of the switches, jumper headers, connectors, and LED
indicators on the MVME187 is illustrated in Figure 3-1.
Option Modification
The MVME187 has provisions for option modification via:
❏Software control for most options
❏Jumper settings on headers for some options
❏Bit settings in control registers after installation for most
other options
Ð Control registers are described in the Single Board
Computer Programmer's Reference Guide as listed in Related
Documentation in Chapter 1 of this manual.

3-6
Hardware Preparation and Installation
3
Figure 3-1. MVME187 Switches, Headers, Connectors, Fuses, and LEDs
S1 S2
P1
A1
B1
C1
A32
B32
C32
1380 9404
MVME
187
PRIMARY SIDE
P2
A32
B32
C32
A1
B1
C1
19
20 J3
DS1
1
2
STATFAIL
RUN SCON
LAN
SCSI VME
ABORT
RESET
J2
F2
J6
1
16
2
115
+12V
XU4
SKT
28
29
1
18
17
39
40 7
6
XU3
SKT
XU2
XU1
11
33
J7 J8
COMPONENTS ARE REMOVED FOR CLARITY
60
59 2
1
J4 60
59 2
1
J5
MEZZANINE BOARD
DS2
DS3
DS4
12
J1
2
65
(OPTIONAL)
1
1
1
28
29 18
17
39
40 7
6
28
29 18
17
39
40 7
6
28
29 18
17
39
40 7
6
F1

Preparing the Hardware
3-7
3
Checking the 187Bug EPROMs
Be sure that the two factory installed 128K x 16 187Bug EPROMs are
in the proper sockets.
EPROM Location
❏Odd-numbered label (such as B01): EPROM in socket XU1
(for Least Significant Half-Words)
❏Even-numbered label (such as B02): EPROM in XU2 (for Most
Significant Half-Words)
EPROM Orientation
Be sure that physical chip orientation is correct:
❏The flatted corner of each EPROM aligns with the
corresponding portion of the EPROM socket on the
MVME187.
User-programmed EPROMs
There are two spare EPROM sockets, XU3 and XU4, available to
carry user-programmed EPROMs.
Jumper Settings
The MVME187 has been factory tested and is shipped with the
factory jumper settings described on the following pages. The
MVME187 operates with its required and factory-installed Debug
Monitor, 187Bug, with these factory jumper settings.

3-8
Hardware Preparation and Installation
3
Optional Jumper Settings
Most of the optional functions on your board can be changed
through software control or bit settings in control registers. If your
installation requires it, however, you may change jumper settings
on the following headers:
❏Jumper pins 9 through 16 on header J1 are general purpose
software readable jumpers open to your application.
❏Header J2 enables/disables the MVME187 as system
controller.
❏Optional header J6 selects the SRAM backup power source
(this is only available as an optional factory build special
request).
❏Headers J7 and J8 select serial port 4 to drive or receive
TRXC4 and RTXC4 clock signals.
General Purpose Software Readable Header J1
Each MVME187 may be configured with readable jumpers. They
can be read as a register (at $FFF40088) in the VMEchip2 LCSR. The
bit values are read as a one when the jumper is off, and as a zero
when the jumper is on
Reserved/DeÞned Bits
Jumpers on header J1 affect 187Bug operation as listed in Table 3-2.
The factory (default) configuration is with all eight jumpers
installed (see Table 3-3).
The MVME187BUG reserves/defines the four lower order bits
(GPI3 to GPI0). Table 3-2 describes the bits reserved/defined by the
debugger:

Preparing the Hardware
3-9
3
Table 3-2. J1 Bit Descriptions
Bit J1 Pins Description
Bit #0 (GPI0) 1-2 When this bit is a one (high), it instructs the debugger to use
local Static RAM for its work page (i.e., variables, stack, vector
tables, etc.). This bit will be high when jumper is removed.
Bit #1 (GPI1) 3-4 When this bit is a one (high), it instructs the debugger to use
the default setup/operation parameters in ROM versus the
user setup/operation parameters in NVRAM. This is the same
as depressing the RESET and ABORT switches at the same
time. This feature can be used in the event the user setup is
corrupted or does not meet a sanity check. Refer to the ENV
command (Appendix A) for the ROM defaults. This bit will be
high when jumper is removed.
Bit #2 (GPI2) 5-6 Reserved for future use.
Bit #3 (GPI3) 7-8 Reserved for future use.
Bit #4 (GPI4) 9-10 Open to your application.
Bit #5 (GPI5) 11-12 Open to your application.
Bit #6 (GPI6) 13-14 Open to your application.
Bit #7 (GPI7) 15-16 Open to your application.
Table 3-3. Factory Settings for J1 General Purpose Readable Jumpers
Header
Number
Header
Description ConÞguration Jumpers
J1
General
purpose
software
readable
jumpers
GPI0 - GPI3:
Reserved
GPI4 - GPI7:
User-deÞnable
(Factory
conÞguration)
15
GPI0
GPI1
GPI2
GPI6
GPI3
GPI4
GPI5
1
2
16
GPI7
7
8

3-10
Hardware Preparation and Installation
3
System Controller Header J2
The MVME187 can be VMEbus system controller. The system
controller function is enabled by installing a jumper on header J2
(see Table 3-4). When the MVME187 is system controller, the SCON
LED is turned on.
Table 3-4. Settings for J2 System Controller Header
Header
Number
Header
Description ConÞguration Jumpers
J2
System
controller
header
System
controller
(Factory
conÞguration)
Not system
controller
J2
1 2
J2
12

Preparing the Hardware
3-11
3
Optional SRAM Backup Power Source Select Header J6
Header J6 is an optional header used to select the SRAM backup
power source on the MVME187, if the optional battery is present.
(The battery backup for SRAM is optionally available, but only as a
factory build and only by special request.)
!
Caution
If your system is equipped with the optional battery
backup, do not remove the jumpers from J6. This will
disable the SRAM. If your board contains optional
header J6, but the optional battery is removed, jumpers
must be installed between pins 1 and 3 and pins 2 and 4
for the factory configuration as shown in Table 3-5.
Serial Port 4 Clock Configuration Select Headers J7 and J8
Serial port 4 can be configured to use clock signals provided by the
TRXC4 and RTXC4 signal lines.
Headers J7 and J8 on the MVME187 configure serial port 4 to drive
or receive TRXC4 and RTXC4, respectively (see Table 3-6).
❏Factory configuration sets port 4 to receive both signals.
❏The alternative configuration sets port 4 to drive both signals
The remaining configuration of the clock lines is accomplished
using the Serial Port 4 Clock Configuration Select header on the
MVME712M transition module. Refer to the MVME712M
Transition Module and P2 Adapter Board User's Manual for
configuration of that header.

3-12
Hardware Preparation and Installation
3
Table 3-5. Settings for Optional J6 SRAM Backup Power Source
Select Header
Header
Number
Header
Description ConÞguration Jumpers
J6
SRAM backup
power source
select header
Primary source
VMEbus
+5V STBY
Secondary source
VMEbus +5V STBY
(Factory
conÞguration)
Primary source
optional battery
Secondary source
optional battery
Primary source
VMEbus +5V STBY
Secondary source
optional battery
Primary source
optional battery
Secondary source
VMEbus +5V STBY
J6
1
5
3
2
6
4
J6
2
6
4
1
5
3
J6
2
6
4
1
5
3
J6
1
5
2
6
34

Preparing the Hardware
3-13
3
Table 3-6. Settings for J7 and J8 Serial Port 4 Clock Configuration
Select Headers
Header
Number
Header
Description ConÞguration Jumpers
J7
Serial Port 4
clock
conÞguration
select headers
Receive TRXC4
(Factory
conÞguration)
Drive TRXC4
J8
Receive RTXC4
(Factory
conÞguration)
Drive RTXC4
1
2
3
J7
1
2
3
J7
1
2
3
J8
1
2
3
J8

3-14
Hardware Preparation and Installation
3
Preparing the MVME187 for Installation
Refer to the setup procedures in the manuals for your particular
chassis or system for additional details concerning the installation
of the MVME187 into a VME chassis.
Table 3-7. MVME187 Preparation Procedure
Step Action
1Install/remove jumpers on headers according to the Jumper Settings in this
chapter and as required for your particular application.
❏Jumpers on header J1 affect 187Bug operation as listed in Jumper
Settings. The default condition is with all eight jumpers installed
❏A jumper installed/removed on header J2 enables/disables the
system controller function of the MVME187.
❏Install jumpers on headers J7 and J8 to configure serial port 4 to
use clock signals provided by the TRXC4 and RTXC4 signal lines.
2ConÞgure adapters and transition modules according to the MVME712X
transition module user's manuals.
3Ensure that EPROM devices are properly installed in their sockets.
❏Factory configuration is with two EPROMs installed for the
MVME187Bug debug monitor, in sockets XU1 and XU2.

Preparing the Hardware
3-15
3
Preparing the System Chassis
Now that the MVME187 module is ready for installation, prepare
the system chassis and determine slot assignments (for peripherals,
transition modules, etc.) as follows:
!
Caution
Inserting or removing modules while power is applied
could result in damage to module components.
!
Warning
Dangerous voltages, capable of causing death, are
present in this equipment. Use extreme caution when
handling, testing, and adjusting.
Table 3-8. Chassis Preparation/Slot Selection Procedure
Step Action
1Turn all power OFF to chassis and peripherals.
2Disconnect AC power cable from source.
3Remove chassis cover as shown in the user's manual for your
particular chassis or system.
4Remove the Þller panel(s) from the appropriate card slot(s) at the front
and rear of the chassis (if the chassis has a rear card cage).
If the MVME187 is conÞgured as
system controller:
If it is not conÞgured as system
controller:
It must be installed in the
left-most card slot (slot 1) to
correctly initiate the bus-grant
daisy-chain and to have proper
operation of the IACK-daisy-chain
driver.
It may be installed in any double-
height unused card slot.

3-16
Hardware Preparation and Installation
3
Installing the Hardware
This section covers
❏Installation of the MVME187 into a VME chassis
❏Overview and installation of transition modules and adapter
boards
❏Connection of peripheral equipment such as console
terminals, optional SCSI drives, and serial or parallel printers
Installing the MVME187 in the Chassis
Note that if the MVME187 is to be used as system controller, it must
installed in the left-most card slot (slot 1), otherwise it may be installed in
any unused double-height card slot.
Table 3-9. MVME187 Installation Procedure
Step Action
1Remove IACK and BG jumpers from backplane for the card slot that the
MVME187 is to be installed in.
2Carefully slide the MVME187 into the card slot in the front of the chassis.
❏The MVME187 requires power from both P1 and P2. Be sure the
module is seated properly into the P1 and P2 connectors on the
backplane.
❏Do not damage or bend connector pins.
❏Fasten the MVME187 in the chassis with screws provided,
making good contact with the transverse mounting rails to
minimize RFI emissions.

Installing the Hardware
3-17
3
Transition Modules and Adapter Boards Overview
The MVME187 supports the MVME712-12, MVME712-13,
MVME712M, MVME712A, MVME712AM, and MVME712B
transition modules (referred to in this manual as MVME712X,
unless separately specified).
Note Other modules in the system may have to be moved to
allow space for the MVME712M which has a double-
wide front panel.
MVME712X transition modules provide configuration headers and
industry-standard connectors for internal and external I/O devices.
The I/O on the MVME187 is connected to the VMEbus P2
connector.
❏The MVME712X transition module is connected to the
MVME187 through cables and a P2 adapter board as shown
in Figure 3-2 on page 3-18.
Note Some cable(s) are not provided with the MVME712X
module(s), and therefore must be made or provided by
the user. (Motorola recommends using shielded cables
for all connections to peripherals to minimize
radiation.)

3-18
Hardware Preparation and Installation
3
Figure 3-2. Typical Internal SCSI and Serial Port Connections
P1
P2
J2
J3
1859 9609
LC P2
P2
TERMINATOR
J2, P2, OR J11
MVME187
ADAPTER
MVME712X
ENCLOSURE BOUNDARY

Installing the Hardware
3-19
3
Equipment Connections
Some connection diagrams are in the Single Board Computer
Programmer's Reference Guide.
The MVME712X transition modules and P2 adapter boards connect
peripheral equipment to the MVME187 as shown in Table 3-10.
Table 3-10. Peripheral Connections
Equipment Type Connect Through...
Console terminals, host computer
systems, modems, or serial printers
EIA-232-D serial ports on the
transition module
Parallel printers Centronics printer port on the
transition module
Optional internal modems (see the
userÕs manual for your transition
module for details)
Optional modem port, replacing serial
port 2 on the transition module
Internal SCSI drives Adapter board and transition module
External SCSI drives SCSI interface connector on the
transition module
Ethernet connections Ethernet port on the transition module

3-20
Hardware Preparation and Installation
3
Installing Transition Modules and Adapter Boards
Connecting Peripherals
The MVME187 mates with (optional) terminals or other peripherals
at the EIA-232-D serial ports (marked SERIAL PORTS 1, 2, 3, and 4
on the MVME712X transition module), parallel port, SCSI ports,
and LAN Ethernet port, as shown in Figure 3-3 on page 3-22.
Note Some cable(s) are not provided with the MVME712X
module(s), and therefore are made or provided by the
user. (Motorola recommends using shielded cables for
all connections to peripherals to minimize radiation.)
Table 3-11. Transition Module and Adapter Board Installation Overview
Stage What you will need to do... Refer to...
1Set jumpers on the transition
module(s) and install SCSI
terminators (if needed) on the P2
adapter board.
Module Preparation in the userÕs
manual for your transition module
and adapter board, and
SCSI Bus Termination on page 3-29
2Connect and install the MVME712X
transition module in the front or the
rear of the chassis.
Installation Instructions in the userÕs
manual for your transition module
and adapter board
3Connect and install
❏The P2 adapter board at the
P2 connector on the
backplane at the MVME187
slot.
Installation Instructions in the userÕs
manual for your transition module
and adapter board
❏SCSI cable(s) from the P2
adapter board to the
MVME712X transition
module and internal SCSI
devices.
Module Preparation in the userÕs
manual for your transition module
and adapter board, and SCSI Bus
Termination on page 3-29

Installing the Hardware
3-21
3
Table 3-12. Peripheral Connection Procedures
Step Action... Refer to...
1Connect and install any optional SCSI device
cables from J3 on the P2 Adapter to internal
devices and/or the MVME712B or MVME712M to
external SCSI devices (typical conÞgurations
shown in Figure 3-2 on page 3-18 and Figure 3-3 on
page 3-22).
The Single Board
Computer Programmer's
Reference Guide for some
possible connection
diagrams
2Connect the terminal to be used as the 187Bug system console to the default
debug EIA-232-D port at serial port 1 on the MVME712X transition module.
3Set up the terminal as follows:
❏eight bits per character
❏one stop bit per character
❏parity disabled (no parity)
❏baud rate 9600 baud (default baud rate of MVME187 ports at
powerup)
After power-up, the baud rate of the debug port can be reconÞgured by using
the Port Format (PF) command of the 187Bug debugger.
4Connect devices such as a host computer system and/or a serial printer to the
other EIA-232-D port connectors with the appropriate cables and conÞguration.
After power-up, these ports can be reconÞgured by programming the
MVME187 CD2401 Serial Controller Chip (SCC), or by using the 187Bug PF
command.
Set up the device serial ports as described in Step
3.
After powerup, the baud rate of the port can be
reconÞgured by using the Port Format (PF)
command of the 187Bug debugger.
ConÞguring a Port under
the PF (Port Format)
command in the
Debugging Package for
88K RISC CPUs UserÕs
Manual
5Connect a parallel device, such as a printer, to the
printer port on the MVME712X transition module.
(You may also use a module such as the MVME335
for a parallel port connection.)
The Single Board
Computer Programmer's
Reference Guide for some
possible connection
diagrams

3-22
Hardware Preparation and Installation
3
Note In order for high-baud rate serial communication
between 187Bug and the terminal to work, the terminal
must do some form of handshaking. If the terminal
being used does not do hardware handshaking via the
CTS line, then it must do XON/XOFF handshaking. If
you get garbled messages and missing characters, you
should check the terminal to make sure XON/XOFF
handshaking is enabled. Refer to Configuring a Port
under the PF (Port Format) command in the Debugging
Package for 88K RISC CPUs UserÕs Manual.
Figure 3-3. Using MVME712A/AM and MVME712B
P2
P2
J2J3
P1
ENCLOSURE BOUNDARY
MVME712X
MVME187
J1
J3
J4
J5
J12
J15
J7 J2
J11
P2 ADAPTER
J10
MVME712B

Installing the Hardware
3-23
3
Figure 3-4. Typical Transition Module Peripheral Port Connectors
PRINTER
MVME
712A/12/13
SERIAL PORT 1 SERIAL PORT 2 SERIAL PORT 3 SERIAL PORT 4
CONSOLE TTY01
MVME
ETHERNET
712B
SCSI INTERFACE
MVME
712B
MVME
712A
To J10 on
Transition Module
To J2 on
Adapter Board
Optional Modem
Port
(if used)
(MVME712M
similar)

3-24
Hardware Preparation and Installation
3
Completing the Installation
Starting the System
After completing the preparation and installation procedures, you
are ready to start up your system.
Table 3-13. Installation Completion Procedure
Step Action...
1Reassemble the chassis.
2Reconnect the AC power.
Table 3-14. System Startup Overview
Stage What you will need to do... Refer to...
1Power up the system and note that the
debugger prompt appears.
Page 3-25; Starting Up 187Bug on page
4-6; and the MVME187Bug Debugging
Package User's Manual.
2Initialize the real-time clock. Page 3-25.
3Examine and/or change
environmental parameters.
Page 3-25 and ConÞgure and
Environment Commands on page A-1.
4Program the PCCchip2 and
VMEchip2.
System Considerations on page 3-27,
Memory Maps on page 2-24, ASICs
on page 2-8, and the Single Board
Computer Programmer's Reference
Guide.

Installing the Hardware
3-25
3
Powering Up the System
The following table shows what takes place when you turn
equipment power ON (depending on whether 187Bug is in Board
Mode or in System Mode):
Initializing the Real-Time Clock
The onboard real-time clock (RTC) is backed up with a self-
contained battery. Before shipment of this board, the clock of the
RTC device was stopped to preserve battery life.
The boardÕs ÒSelftestsÓ (ST) and operating systems require the clock
of the RTC to be operating. Table 3-15 shows the steps required to
initialize the RTC, depending on the mode.
Examining and/or Changing Environmental Parameters
Use the 187BugÕs ENV command to verify the NVRAM (BBRAM)
parameters, and optionally use ENV to make changes to the
Environmental parameters. Refer to Appendix A for the
Environment parameters.
If 187Bug is in...
Board Mode 187Bug executes some self-checks and displays the debugger prompt
187-Bug>
System Mode The system performs a
selftest and tries to
autoboot.
If the conÞdence test fails, the test aborts
when the Þrst fault occurs. If possible, an
appropriate message is displayed, and
control then returns to the menu (refer to
Chapter 4, Debugger General
Information, and Chapter 5, Using the
187Bug Debugger for ENV and MENU
commands).

3-26
Hardware Preparation and Installation
3
Programming the PCCchip2 and VMEchip2
See System Considerations below, and refer to Memory Maps on
page 2-24, and the Single Board Computer Programmer's Reference
Guide for details of your particular system environment.
Table 3-15. RTC Initialization Procedure
Step Action
Board Mode System Mode
1Allow 187Bug to boot up normally. Stop the auto-boot sequence by
pressing the <BREAK> key. (If the
system has already started and failed
a conÞdence test in system mode, you
should be in the debugger menu).
2At the 187-Bug> prompt, enter
TIME to display the current date and
time of day.
Select (3) from the debugger menu to
get the debugger prompt.
3At the 187-Bug> prompt, use the SET command to initialize the RTC and to
set the time and date. Use the following command line structure:
SET [<MMddyyhhmm>]|[<+/-CAL>;C]
For example:
187-Bug>SET 0522961037 <Return>
WED May 22 10:37:00.00 1996
187-Bug>
Where the arguments are: MM=month, dd=day of the month, yy=year,
hh=hour in ÒmilitaryÓ (24 hour) time, and mm=minutes.

System Considerations
3-27
3
System Considerations
Backplane Power Connections
The MVME187 needs to draw power from both P1 and P2 of the
VMEbus backplane. P2 is also used for the upper 16 bits of data for
32-bit transfers, and for the upper 8 address lines for extended
addressing mode. The MVME187 may not operate properly
without its main board connected to P1 and P2 of the VMEbus
backplane.
Memory Address Ranges
Whether the MVME187 operates as a VMEbus master or as a
VMEbus slave, it is configured for 32 bits of address and for 32 bits
of data (A32/D32). However, it handles A16 or A24 devices in
certain address ranges. D8 and/or D16 devices in the system must
be handled by the MC88100 software. Refer to the memory maps in
the Single Board Computer Programmer's Reference Guide as listed in
Related Documentation in Chapter 1.
DRAM Addressing
The MVME187 contains shared onboard DRAM whose base
address is software-selectable. Both the onboard processor and
offboard VMEbus devices see this local DRAM at base physical
address $00000000, as programmed by the MVME187Bug
firmware. This may be changed, by software, to any other base
address. Refer to the Single Board Computer Programmer's Reference
Guide for details.
Global Bus Timeout
If the MVME187 tries to access offboard resources in a non-existent
location, and is not system controller, and if the system does not
have a global bus timeout, the MVME187 waits forever for the
VMEbus cycle to complete. This would cause the system to hang
up.

3-28
Hardware Preparation and Installation
3
Multiple Module Cage Configuration
Multiple MVME187s may be configured into a single VME card
cage. In general, hardware multiprocessor features are supported.
GCSR Location Monitor Register
Other MPUs on the VMEbus can interrupt, disable, communicate
with and determine the operational status of the RISC processor(s).
One register of the GCSR set includes four bits which function as
location monitors to allow one MVME187 processor to broadcast a
signal to other MVME187 processors, if any. All eight GCSR
registers are accessible from any local processor as well as from the
VMEbus.
Ethernet LAN (+12 Vdc) Fuse
The MVME187 provides +12 Vdc power to the Ethernet LAN
transceiver interface through a 1-amp fuse (F2) located on the
MVME187. The +12V LED lights when +12 Vdc is available. The
fuse is socketed and is located adjacent to diode CR1 near
connector P1. If the Ethernet transceiver fails to operate, check the
fuse. When using the MVME712M transition module, the yellow
LED (DS1) on the MVME712M front panel lights when LAN power
is available, indicating that the fuse is good.

System Considerations
3-29
3
SCSI Bus Termination
❏The MVME187 provides SCSI terminator power through a 1-
amp fuse (F1) located on the P2 adapter board. The fuse is
socketed. If the fuse is blown, the SCSI devices may not
operate or may function erratically.
❏When the P2 adapter board is used with an MVME712M and
the SCSI bus is connected to the MVME712M, the green LED
(DS2) on the MVME712M front panel lights when there is
SCSI terminator power. If the LED flickers during SCSI bus
operation, the fuse should be checked.
❏Because this board has no provision for SCSI termination,
you must ensure that the SCSI bus is terminated properly. If
you use a P2 Adapter, the adapter has sockets (R1, R2, R3) for
terminating the SCSI lines using three 8-pin SIP resistor
networks.
Storage and the Real-Time Clock
For storage of this product, be sure the RTC is put into the
power save mode. This will extend the life of the battery
contained in this part. To put the part into the power save
mode, use the PS command of the debugger. For example:
187-Bug>ps <Return>
(Clock is in Battery Save mode)
187-Bug>

3-30
Hardware Preparation and Installation
3

4
4-1
4Debugger General
Information
This Chapter Covers
❏An introduction to the MVME187Bug firmware package
❏Booting and restarting 187Bug
❏Disk input/output support capabilities
❏Network support capabilities
Introduction to MVME187Bug
This section covers:
❏Overview of M88000 firmware
❏Description of 187Bug
❏Comparison with M68000-based firmware
❏187Bug implementation
❏Memory requirements
Overview of M88000 Firmware
The firmware for the M88000-based (88K) series of board and
system level products has a common genealogy, deriving from the
BUG firmware currently used on all Motorola M68000-based CPU
modules. The M88000 firmware family provides a high degree of
functionality and user friendliness, and yet stresses portability and
ease of maintenance. This member of the M88000 firmware family
is implemented on the MVME187 RISC Single Board Computer,
and is known as the MVME187Bug, or just 187Bug.

4-2
Debugger General Information
4
Description of 187Bug
The 187Bug package is a powerful evaluation and debugging tool
for systems built around the MVME187 RISC-based
microcomputers.
187Bug consists of three parts:
❏The ÒdebuggerÓ or Ò187BugÒ; a command-driven user-
interactive software debugger, described in Chapter 5
❏A command-driven diagnostic package for the MVME187
hardware
❏A user interface which accepts commands from the system
console terminal
Command Facilities
Facilities are available for loading and executing user programs
under complete operator control for system evaluation.
187Bug includes commands for these tasks:
❏Display and modification of memory
❏Breakpoint and tracing capabilities
❏A powerful assembler/disassembler useful for patching
programs
❏A self-test at powerup feature which verifies the integrity of
the system
Trap #496 Routines
Various 187Bug routines that handle I/O, data conversion, and
string functions are available to user programs through the TRAP
#496 handler. The TRAP #496 handler is accessible through any of
the trap exception commands TB0, TB1, TBND, and TCND, with
trap vector #496.

Introduction to MVME187Bug
4-3
4
Debugger or Diagnostic Directories
When using 187Bug, you operate out of either the debugger
directory or the diagnostic directory.
You may switch between directories by using the Switch
Directories (SD) command.
You may examine the commands in the current directory by using
the Help (HE) command.
Keyboard Control
Because 187Bug is command-driven, it performs its various
operations in response to user commands entered at the keyboard.
When you enter a command, 187Bug executes the command and
the prompt reappears. However, if you enter a command that
causes execution of user target code (e.g., "GO"), then control may
or may not return to 187Bug, depending on the outcome of the user
program.
If you are in... With the
prompt... You have available...
The debugger directory 187-Bug> All of the debugger
commands
The diagnostic directory 187-Diag> All of the diagnostic
commands as well as all
of the debugger
commands

4-4
Debugger General Information
4
Comparison with M68000-Based Firmware
If you have used one or more of Motorola's other debugging
packages, you will find the RISC 187Bug very similar, after making
due allowances for the architectural differences between the
M68000 and M88000 CPU architectures. These differences are
primarily reflected as follows:
❏Instruction mnemonics and addressing modes of the
assembler/disassembler differ somewhat in 187Bug.
❏187Bug uses registers instead of the stack for the passing of
arguments to or from the TRAP #496 handler.
❏The interactive commands in 187Bug are more consistent. For
example, delimiters between commands and arguments may
now be commas or spaces interchangeably.
187Bug Implementation
MVME187Bug is written largely in the ÒCÓ programming
language, providing benefits of portability and maintainability.
Where necessary, assembler has been used in the form of separately
compiled modules containing only assembler code; no mixed
language modules are used.
Physically, 187Bug is contained in two of the four 44-pin
PLCC/CLCC EPROMs, providing 512KB (128K words) of storage.
Both EPROMs are necessary regardless of how much space is
actually occupied by the firmware, because of the 32-bit word-
oriented M88000 memory bus architecture.
The executable code is checksummed at every power-on or reset
firmware entry, and the result (which includes a pre-calculated
checksum contained in the EPROMs), is tested for an expected zero.
Thus, users are cautioned against modification of the EPROMs
unless re-checksum precautions are taken.

Booting and Restarting 187Bug
4-5
4
Memory Requirements
The program portion of 187Bug is approximately 512KB of code,
consisting of download, debugger, and diagnostic packages and
contained entirely in EPROM. The EPROM sockets on the
MVME187 are mapped starting at location $FF800000.
187Bug requires a minimum of 64KB of contiguous read/write
memory to operate.
The ENV command controls where this block of memory is located.
Regardless of where the onboard RAM is located, the first 64KB is
used for 187Bug stack and static variable space and the rest is
reserved as user space.
Whenever the MVME187 is reset, the target IP is initialized to the
address corresponding to the beginning of the user space, and the
target stack pointers are initialized to addresses within the user
space, with the target Pseudo Stack Pointer (R31) set to the top of
the user space.
At power up or reset, all 8KB of memory at addresses $FFE0C000
through $FFE0DFFF is completely changed by the 187Bug initial
stack.
Booting and Restarting 187Bug
This section covers the following tasks:
❏Starting up 187Bug
❏Autoboot
❏ROMboot
❏Network boot
❏Restarting the system

4-6
Debugger General Information
4
Starting Up 187Bug
1. Verify that the MVME187 is properly installed and operating
as described in Table 3-1 on page 3-2.
2. Power up the system. 187Bug executes some self-checks and
displays the debugger prompt 187-Bug> (if 187Bug is in
Board Mode). However, if the ENV command (Appendix A)
has put 187Bug in System Mode, the system performs a
selftest and tries to autoboot. Refer to the ENV and MENU
commands listed in Table 5-1.
If the confidence test fails, the test is aborted when the first
fault is encountered. If possible, an appropriate message is
displayed, and control then returns to the menu.
Autoboot
Autoboot is a software routine that is contained in the 187Bug
EPROMs to provide an independent mechanism for booting an
operating system.
Autoboot Sequence
1. The autoboot routine automatically scans for controllers and
devices in a specified sequence until a valid bootable device
containing a boot media is found or the list is exhausted.
2. If a valid bootable device is found, a boot from that device is
started.
The controller scanning sequence goes from the lowest
controller Logical Unit Number (LUN) detected to the
highest LUN detected. (Controllers, devices, and their LUNs
are listed in Appendix B).
3. At powerup, Autoboot is enabled, and if the drive and
controller numbers encountered are valid, the system console
displays the following message:
"Autoboot in progress... To abort hit <BREAK>"

Booting and Restarting 187Bug
4-7
4
4. Following this message there is a delay to allow you an
opportunity to abort the Autoboot process if you wish. To
gain control without Autoboot, you can press the BREAK key
or the software ABORT or RESET switches.
5. Then the actual I/O begins: the program pointed to within
the volume ID of the media specified is loaded into RAM and
control passed to it.
Autoboot is controlled by parameters contained in the ENV
command. These parameters allow the selection of specific boot
devices and files, and allow programming of the Boot delay. Refer
to the ENV command in Appendix A for more details.
ROMboot
There are two spare EPROM sockets, XU3 and XU4, available to
carry user-programmed EPROMs. Therefore, you do not have to
reprogram the 187Bug EPROMs in order to implement the
ROMboot feature.
One use of ROMboot might be resetting SYSFAIL* on an
unintelligent controller module. The NORB command disables the
function.
ROMboot Sequence
1. ROMboot is configured/enabled and executed at powerup
(optionally also at reset) in one of two ways:
a. By the Environment (ENV) command (refer to
Appendix A)
b. By the RB command assuming there is valid code in the
EPROMs (or optionally elsewhere on the module or
VMEbus) to support it.
2. If ROMboot code is installed, a user-written routine is given
control (if the routine meets the format requirements).

4-8
Debugger General Information
4
For a user's ROMboot module to gain control through the
ROMboot linkage, four requirements must be met:
For complete details on how to use ROMboot, refer to the
Debugging Package for Motorola 88K RISC CPUs User's Manual.
Network Boot
Network Auto Boot is a software routine contained in the 187Bug
EPROMs that provides a mechanism for booting an operating
system using a network (local Ethernet interface) as the boot device.
Network Boot Sequence
1. The Network Auto Boot routine automatically scans for
controllers and devices in a specified sequence until a valid
bootable device containing a boot media is found or the list is
exhausted.
2. If a valid bootable device is found, a boot from that device is
started.
The controller scanning sequence goes from the lowest
controller Logical Unit Number (LUN) detected to the
highest LUN detected. (Refer to Appendix C for default
LUNs.)
Requirement... Optionally, with the ENV command...
Power must have just been
applied.
Change this to respond to any reset.
Your routine must be located
within the MVME187 ROM
memory map.
Change this to any other portion of the onboard
memory, or even offboard VMEbus memory.
The ASCII string ÒBOOTÓ must be located within the speciÞed memory range.
Your routine must pass a checksum test, which ensures that this routine was really
intended to receive control at powerup.

Booting and Restarting 187Bug
4-9
4
3. At powerup, Network Boot is enabled, and providing the
drive and controller numbers encountered are valid, the
following message is displayed on the system console:
"Network Boot in progress... To abort hit <BREAK>"
Following this message there is a delay to allow you to abort
the Network Boot process if you wish. To gain control
without Network Boot, you can press the BREAK key or the
software ABORT or RESET switches.
4. Then the actual I/O begins: the program pointed to within
the volume ID of the media specified is loaded into RAM and
control passed to it.
Network Auto Boot is controlled by parameters contained in the
NIOT and ENV commands. These parameters allow the selection
of specific boot devices, systems, and files, and allow programming
of the Boot delay. Refer to the ENV command in Appendix A.
Restarting the System
You can initialize the system to a known state in three different
ways: reset, abort, and break. Each has characteristics which make
it more appropriate than the others in certain situations.
The debugger has a special feature which can be used in the event
your setup/operation parameters are corrupted or do not meet a
sanity check. This feature:
❏Is activated by pressing the RESET and ABORT switches at the
same time, and releasing the RESET switch before the ABORT
switch.
❏Instructs 187Bug to use the default setup/operation
parameters in ROM instead of your setup/operation
parameters in NVRAM.
Refer to the ENV command (Appendix A) for the ROM defaults.

4-10
Debugger General Information
4
Reset
Pressing and releasing the MVME187 front panel RESET switch
initiates a system reset.
Reset must be used if the processor ever halts, or if the 187Bug
environment is ever lost (vector table is destroyed, stack corrupted,
etc.).
❏COLD and WARM reset modes are available.
❏By default, 187Bug is in COLD mode.
During COLD reset:
1. A total system initialization takes place, as if the MVME187
had just been powered up.
2. All static variables (including disk device and controller
parameters) are restored to their default states.
3. The breakpoint table and offset registers are cleared.
4. The target registers are invalidated.
5. Input and output character queues are cleared.
6. Onboard devices (timer, serial ports, etc.) are reset, and
7. The first two serial ports are reconfigured to their default
state.
During WARM reset:
1. The 187Bug variables and tables are preserved, as well as the
target state registers and breakpoints.
Abort
Abort is invoked by pressing and releasing the ABORT switch on the
MVME187 front panel.
Abort should be used to regain control if the program gets caught
in a loop, etc.

Booting and Restarting 187Bug
4-11
4
Whenever abort is invoked while running target code (a user
program), a ÒsnapshotÓ of the processor state is captured and
stored in the target registers. For this reason, abort is most
appropriate when terminating a user program that is being
debugged. The target IP, register contents, etc., help to pinpoint the
malfunction.
Abort Sequence
Pressing and releasing the ABORT switch does the following:
1. Generates a local board condition which may interrupt the
processor if enabled.
2. Displays the target registers on the screen, reflecting the
machine state at the time the ABORT switch was pressed.
3. Removes any breakpoints installed in the user code and
keeps the breakpoint table intact.
4. Returns control to the debugger.
Break
A ÒBreakÓ is generated by pressing and releasing the BREAK key on
the console terminal keyboard.
❏Break does not generate an interrupt.
❏The only time break is recognized is when characters are sent
or received by the console port.
Many times it may be desirable to terminate a debugger command
prior to its completion; for example, during the display of a large
block of memory. Break allows you to terminate the command.

4-12
Debugger General Information
4
Break Sequence
1. Removes any breakpoints in your code and keeps the
breakpoint table intact.
2. Takes a snapshot of the machine state if the function was
entered using SYSCALL. This machine state is then accessible
to you for diagnostic purposes.
SYSFAIL* Assertion/Negation
Upon a reset/powerup condition the debugger asserts the VMEbus
SYSFAIL* line (refer to the VMEbus specification). SYSFAIL* stays
asserted if any of the following has occurred:
❏Confidence test failure
❏NVRAM checksum error
❏NVRAM low battery condition
❏Local memory configuration status
❏Self test (if System Mode) has completed with error
❏MPU clock speed calculation failure
After debugger initialization is done and none of the above
situations have occurred, the SYSFAIL* line is negated. This
indicates to the user or VMEbus masters the state of the debugger.
In a multi-computer configuration, other VMEbus masters could
view the pertinent control and status registers to determine which
CPU is asserting SYSFAIL*. SYSFAIL* assertion/negation is also
affected by the ENV command. Refer to Appendix A.
MPU Clock Speed Calculation
The clock speed of the microprocessor is calculated and checked
against a user definable parameter contained in NVRAM (refer to
the CNFG command in Appendix A). If the check fails, a warning
message is displayed.

Disk I/O Support
4-13
4
Disk I/O Support
187Bug can initiate disk input/output by communicating with
intelligent disk controller modules over the VMEbus.
This section covers:
❏Blocks Versus Sectors
❏Device Probe Function
❏Disk I/O via 187Bug Commands
❏Disk I/O via 187Bug System Calls
❏Default 187Bug Controller and Device Parameters
❏Disk I/O Error Codes
Disk Support Facilities
Disk support facilities built into 187Bug consist of the following:
❏Command-level disk operations
❏Disk I/O system calls (only via one of the TRAP #496
instructions) for use by user programs
❏Defined data structures for disk parameters
Parameter Tables
Parameters such as the address where the module is mapped and
the type and number of devices attached to the controller module
are kept in tables by 187Bug. Default values for these parameters
are assigned at powerup and cold-start reset, but may be altered as
described in the section on default parameters, later in this chapter.
Supported Controllers
Appendix B contains a list of the controllers presently supported, as
well as a list of the default configurations for each controller.

4-14
Debugger General Information
4
Blocks Versus Sectors
The logical block defines the unit of information for disk devices. A
disk is viewed by 187Bug as a storage area divided into logical
blocks. By default, the logical block size is set to 256 bytes for every
block device in the system. The block size can be changed on a per
device basis with the IOT command.
The sector defines the unit of information for the media itself, as
viewed by the controller. The sector size varies for different
controllers, and the value for a specific device can be displayed and
changed with the IOT command.
When a disk transfer is requested, the start and size of the transfer
is specified in blocks. 187Bug translates this into an equivalent
sector specification, which is then passed on to the controller to
initiate the transfer. If the conversion from blocks to sectors yields
a fractional sector count, an error is returned and no data is
transferred.
Device Probe Function
A device probe with entry into the device descriptor table is done
whenever a specified device is accessed; i.e., when system calls
.DSKRD, .DSKWR, .DSKCFIG, .DSKFMT, and .DSKCTRL, and
debugger commands BH, BO, IOC, IOP, IOT, MAR, and MAW
are used.
The device probe mechanism utilizes the SCSI commands "Inquiry"
and "Mode Sense". If the specified controller is non-SCSI, the probe
simply returns a status of "device present and unknown". The
device probe makes an entry into the device descriptor table with
the pertinent data. After an entry has been made, the next time a
probe is done it simply returns with "device present" status (pointer
to the device descriptor).

Disk I/O Support
4-15
4
Disk I/O via 187Bug Commands
These following 187Bug commands are provided for disk I/O.
Detailed instructions for their use are found in the Debugging
Package for Motorola 88K RISC CPUs User's Manual. When a
command is issued to a particular controller LUN and device LUN,
these LUNs are remembered by 187Bug so that the next disk
command defaults to use the same controller and device.
IOI (Input/Output Inquiry)
This command is used to probe the system for all possible
CLUN/DLUN combinations and display inquiry data for devices
which support it. The device descriptor table only has space for 16
device descriptors; with the IOI command, you can view the table
and clear it if necessary.
IOP (Physical I/O to Disk)
IOP allows you to read or write blocks of data, or to format the
specified device in a certain way. IOP creates a command packet
from the arguments you have specified, and then invokes the
proper system call function to carry out the operation.
IOT (I/O Teach)
IOT allows you to change any configurable parameters and
attributes of the device. In addition, it allows you to see the
controllers available in the system.
IOC (I/O Control)
IOC allows you to send command packets as defined by the
particular controller directly. IOC can also be used to look at the
resultant device packet after using the IOP command.
BO (Bootstrap Operating System)
BO reads an operating system or control program from the
specified device into memory, and then transfers control to it.

4-16
Debugger General Information
4
BH (Bootstrap and Halt)
BH reads an operating system or control program from a specified
device into memory, and then returns control to 187Bug. It is used
as a debugging tool.
Disk I/O via 187Bug System Calls
All operations that actually access the disk are done directly or
indirectly by 187Bug TRAP #496 system calls. (The command-level
disk operations provide a convenient way of using these system
calls without writing and executing a program.)
The following system calls are provided to allow user programs to
do disk I/O:
Refer to the Debugging Package for Motorola 88K RISC CPUs User's
Manual for information on using these and other system calls.
Controller Command Packets
To perform a disk operation, 187Bug must eventually present a
particular disk controller module with a controller command
packet which has been especially prepared for that type of
controller module. (This is accomplished in the respective
controller driver module.)
.DSKRD Disk read. System call to read blocks from a disk into
memory.
.DSKWR Disk write. System call to write blocks from memory onto a
disk.
.DSKCFIG Disk conÞgure. This function allows you to change the
conÞguration of the speciÞed device.
.DSKFMT Disk format. This function allows you to send a format
command to the speciÞed device.
.DSKCTRL Disk control. This function is used to implement any
special device control functions that cannot be
accommodated easily with any of the other disk functions.

Disk I/O Support
4-17
4
A command packet for one type of controller module usually does
not have the same format as a command packet for a different type
of module. The system call facilities which do disk I/O accept a
generalized (controller-independent) packet format as an
argument, and translate it into a controller-specific packet, which is
then sent to the specified device.
Refer to the system call descriptions in the Debugging Package for
Motorola 88K RISC CPUs User's Manual for details on the format and
construction of these standardized "user" packets.
The packets which a controller module expects to be given vary
from controller to controller. The disk driver module for the
particular hardware module (board) must take the standardized
packet given to a trap function and create a new packet which is
specifically tailored for the disk drive controller it is sent to. Refer
to documentation on the particular controller module for the
format of its packets, and for using the IOC command.
Default 187Bug Controller and Device Parameters
187Bug initializes the parameter tables for a default configuration
of controllers and devices (refer to Appendix B). If the system needs
to be configured differently than this default configuration (for
example, to use a 70MB Winchester drive where the default is a
40MB Winchester drive), then these tables must be changed.

4-18
Debugger General Information
4
There are three ways to change the parameter tables:
Disk I/O Error Codes
187Bug returns an error code if an attempted disk operation is
unsuccessful.
Using... When you invoke one of
these commands...
Change
status is... If a cold-start reset occurs...
Command
BO or BH
The conÞguration area of
the disk is read and the
parameters
corresponding to that
device are rewritten
according to the
parameter information
contained in the
conÞguration area.
Temporary The default parameter
information is written back
into the tables.
Command
IOT
You can use this
command to reconÞgure
the parameter table
manually for any
controller and/or device
that is different from the
default.
Temporary The default parameter
information is written back
into the tables.
The
source
code
In the source code, you
may change the
permanent conÞguration
Þles and rebuild 187Bug
so that it has different
defaults.
Permanent until changed again.

Network I/O Support
4-19
4
Network I/O Support
The Network Boot Firmware provides the capability to boot the
CPU through the ROM debugger using a network (local Ethernet
interface) as the boot device.
The booting process is executed in two distinct phases.
❏The first phase allows the diskless remote node to discover its
network identify and the name of the file to be booted.
❏The second phase has the diskless remote node reading the
boot file across the network into its memory.
The various modules and the dependencies of these modules that
support the overall network boot function are described in the
following paragraphs.
Intel 82596 LAN Coprocessor Ethernet Driver
This driver manages/surrounds the Intel 82596 LAN Coprocessor.
Management is in the scope of the reception of packets, the
transmission of packets, receive buffer flushing, and interface
initialization.
This module ensures that the packaging and unpackaging of
Ethernet packets is done correctly in the Boot PROM.
UDP/IP Protocol Modules
The Internet Protocol (IP) is designed for use in interconnected
systems of packet-switched computer communication networks.
The Internet Protocol provides for transmitting of blocks of data
called datagrams (hence User Datagram Protocol, or UDP) from
sources to destinations, where sources and destinations are hosts
identified by fixed length addresses.
The UDP/IP protocols are necessary for the TFTP and BOOTP
protocols; TFTP and BOOTP require a UDP/IP connection.

4-20
Debugger General Information
4
RARP/ARP Protocol Modules
The Reverse Address Resolution Protocol (RARP) basically consists
of an identity-less node broadcasting a "whoami" packet onto the
Ethernet, and waiting for an answer. The RARP server fills an
Ethernet reply packet up with the target's Internet Address and
sends it.
The Address Resolution Protocol (ARP) basically provides a
method of converting protocol addresses (e.g., IP addresses) to
local area network addresses (e.g., Ethernet addresses). The RARP
protocol module supports systems which do not support the
BOOTP protocol.
BOOTP Protocol Module
The Bootstrap Protocol (BOOTP) basically allows a diskless client
machine to discover its own IP address, the address of a server host,
and the name of a file to be loaded into memory and executed.
TFTP Protocol Module
The Trivial File Transfer Protocol (TFTP) is a simple protocol to
transfer files. It is implemented on top of the Internet User
Datagram Protocol (UDP or Datagram) so it may be used to move
files between machines on different networks implementing UDP.
The only thing it can do is read and write files from/to a remote
server.
Network Boot Control Module
The "control" capability of the Network Boot Control Module is
needed to tie together all the necessary modules and to sequence
the booting process. The booting sequence consists of two phases:
the first phase is labeled "address determination and bootfile
selection" and the second phase is labeled "file transfer". The first
phase will utilize the RARP/BOOTP capability and the second
phase will utilize the TFTP capability.

Multiprocessor Support
4-21
4
Network I/O Error Codes
187Bug returns an error code if an attempted network operation is
unsuccessful.
Multiprocessor Support
The MVME187 dual-port RAM feature makes the shared RAM
available to remote processors as well as to the local processor. This
can be done by either of the following two methods:
❏The Multiprocessor Control Register (MPCR) Method
❏The Global Control and Status Register (GCSR) Method
Either method can be enabled/disabled by the ENV command as
its Remote Start Switch Method (refer to Appendix A).
Multiprocessor Control Register (MPCR) Method
A remote processor can initiate program execution in the local
MVME187 dual-port RAM by issuing a remote GO command
using the Multiprocessor Control Register (MPCR).
The MPCR, located at shared RAM location of $3000 offset from the
base address the debugger loads it at, contains one of two words
used to control communication between processors. The MPCR
contents are organized as follows:
Base Address + $3000 * N/A N/A N/A (MPCR)

4-22
Debugger General Information
4
MPCR Status Codes
The status codes stored in the MPCR are of two types:
❏Status returned (from 187Bug)
❏Command set by the bus master (job requested by some
processor)
The status codes that may be returned from 187Bug are:
The command code that may be set by the bus master is:
Multiprocessor Address Register (MPAR)
The Multiprocessor Address Register (MPAR), located in shared
RAM location of $3004 offset from the base address the debugger
loads it at, contains the second of two words used to control
communication between processors. The MPAR contents specify
the physical address (as viewed from the local processor) at which
execution for this processor is to begin if the MPCR contains a G or
B. The MPAR is organized as follows:
MPCR Powerup Sequence
1. At powerup, the debug monitor self-test routines initialize
RAM, including the memory locations used for multi-
processor support ($3000 through $3007).
2. The MPCR contains $00 at powerup, indicating that
initialization is not yet complete.
HEX 0 (HEX 00) -- Wait. Initialization not yet complete.
ASCII R (HEX 52) -- Ready. The Þrmware monitor is watching for a change.
ASCII E (HEX 45) -- Code pointed to by the MPAR is executing.
ASCII G (HEX 47) -- Use Go Direct (GD) logic specifying the MPAR address.
ASCII B (HEX 42) -- Recognize breakpoints using the Go (G) logic.
Base Address + $3004 ****(MPAR)

Multiprocessor Support
4-23
4
3. As the initialization proceeds, the execution path comes to the
"prompt" routine.
Before sending the prompt, this routine places an R in the
MPCR to indicate that initialization is complete. Then the
prompt is sent.
Ð If no terminal is connected to the port, the MPCR is still
polled to see whether an external processor requires
control to be passed to the dual-port RAM.
Ð If a terminal does respond, the MPCR is polled for the
same purpose while the serial port is being polled for user
input.
Ð An ASCII G placed in the MPCR by a remote processor
indicates that the Go Direct type of transfer is requested.
ÐAn ASCII B in the MPCR indicates that breakpoints are to
be armed before control is transferred (as with the GO
command).
In either sequence, an E is placed in the MPCR to indicate
that execution is underway just before control is passed to
RAM. (Any remote processor could examine the MPCR
contents.)
4. If the code being executed in dual-port RAM is to reenter the
debug monitor, a TRAP #496 call using function $0063
(SYSCALL .RETURN) returns control to the monitor with a
new display prompt.
Note that every time the debug monitor returns to the
prompt, an R is moved into the MPCR to indicate that control
can be transferred once again to a specified RAM location.

4-24
Debugger General Information
4
Global Control and Status Register (GCSR) Method
A remote processor can initiate program execution in the local
MVME187 dual-port RAM by issuing a remote GO command
using the VMEchip2 Global Control and Status Registers (GCSR).
1. The remote processor places the MVME187 execution
address in general purpose registers 0 and 1 (GPCSR0 and
GPCSR1).
2. The remote processor then sets bit 8 (SIG0) of the VMEchip2
LM/SIG register.
3. This causes the MVME187 to install breakpoints and begin
execution. The result is identical to the MPCR method (with
status code B) described in the previous section.
The GCSR registers are accessed in the VMEbus short I/O space.
Each general purpose register is two bytes wide, occurring at an
even address.
The general purpose register number 0 is at an offset of $8 (local
bus) or $4 (VMEbus) from the start of the GCSR registers. The local
bus base address for the GCSR is $FFF40100. The VMEbus base
address for the GCSR depends on the group select value and the
board select value programmed in the Local Control and Status
Registers (LCSR) of the MVME187. The execution address is
formed by reading the GCSR general purpose registers in the
following manner:
The address appears as:
GPCSR0 used as the upper 16 bits of the address
GPCSR1 used as the lower 16 bits of the address
GPCSR0 GPCSR1

Diagnostic Facilities
4-25
4
Diagnostic Facilities
Included in the 187Bug package is a complete set of hardware
diagnostics intended for testing and troubleshooting of the
MVME187. These diagnostics are completely described in the
MVME187Bug Debugging Package User's Manual.
❏In order to use the diagnostics, you must switch directories to
the diagnostic directory.
❏If you are in the debugger directory, you can switch to the
diagnostic directory by entering the debugger command
Switch Directories (SD). The diagnostic prompt
187-Diag>
should appear.
Table 4-1. Diagnostic Monitor Commands/Prefixes
Command/
PreÞx Description
AEM Append Error Messages Mode
CEM Clear Error Messages
CF Test Group ConÞguration Parameters Editor
DE Display Errors
DEM Display Error Messages
DP Display Pass Count
HE Help
HEX Help Extended
LA Loop Always Mode
LC Loop Continuous Mode
LE Loop on Error Mode
LF Line Feed Suppression Mode
LN Loop Non-Verbose Mode
MASK Display/Revise Self Test Mask

4-26
Debugger General Information
4
NV Non-Verbose Mode
SD Switch Directories
SE Stop on Error Mode
ST Selftest
ZE Clear (Zero) Error Counters
ZP Zero Pass Count
Table 4-2. Diagnostic Utilities
Command Description
WL Write loop enable
RL Read loop enable
Table 4-1. Diagnostic Monitor Commands/Prefixes
Command/
PreÞx Description

Diagnostic Facilities
4-27
4
187Bug Diagnostic Test Groups
Refer to the MVME187Bug Debugging Package User's Manual for
complete descriptions of the diagnostic routines available and
instructions on how to invoke them. Note that some diagnostics
depend on restart defaults that are set up only in a particular restart
mode. Refer to the documentation on a particular diagnostic for the
correct mode.
Table 4-3. Diagnostic Test Groups
Test Set Description
RAM Local RAM Tests
SRAM Static RAM Tests
RTC MK48T0x Real-Time Clock Tests
PCC2 Peripheral Channel Controller Tests
MCECC Memory Board Tests
MEMC1 MC040 Memory Controller 1 ASIC Tests
MEMC2 MC040 Memory Controller 2 ASIC Tests
ST2401 CD2401 Serial Port Tests
CMMU Memory Management Unit Tests
VME2 VME Interface ASIC VMEchip2 Tests
LAN LAN Coprocessor (Intel 82596) Tests
NCR NCR 53C710 SCSI I/O Processor Tests

4-28
Debugger General Information
4

5
5-1
5 Using the 187Bug
Debugger
This Chapter Covers
❏Entering debugger command lines
❏Entering and debugging programs
❏Calling system utilities from user programs
❏Preserving the debugger operating environment
❏Floating point support
❏The 187Bug debugger command set
Entering Debugger Command Lines
187Bug is command-driven and performs its various operations in
response to user commands entered at the keyboard. When the
debugger prompt
187-Bug>
appears on the terminal screen, then the debugger is ready to accept
commands.
Terminal Input/Output Control
As the command line is entered, it is stored in an internal buffer.
Execution begins only after the carriage return is entered, so that
you can correct entry errors, if necessary, using the control
characters described below.

5-2
Using the 187Bug Debugger
5
Note The presence of the upward caret ( ^ ) before a
character indicates that the Control (CTRL) key must
be held down while striking the character key.
When observing output from any 167Bug command, the XON and
XOFF characters which are in effect for the terminal port may be
entered to control the output, if the XON/XOFF protocol is enabled
(default). These characters are initialized to ^S and ^Q respectively
by 167Bug, but you may change them with the PF command. In the
initialized (default) mode, operation is as follows:
When a command is entered, the debugger executes the command
and the prompt reappears. However, if the command entered
causes execution of user target code, for example GO, then control
may or may not return to the debugger, depending on what the
user program does.
For example, if a breakpoint has been specified, then control returns
to the debugger when the breakpoint is encountered during
execution of the user program. Alternately, the user program could
return to the debugger by means of the TRAP #496 function
^X (cancel line) The cursor is backspaced to the beginning of the line.
^H (backspace) The cursor is moved back one position.
Delete
key
(delete) Performs the same function as ^H.
^D (redisplay) The entire command line as entered so far is
redisplayed on the following line.
^A (repeat) Repeats the previous line. This happens only at the
command line. The last line entered is redisplayed
but not executed. The cursor is positioned at the end
of the line. You may enter the line as is or you can add
more characters to it. You can edit the line by
backspacing and typing over old characters.
^S (wait) Console output is halted.
^Q (resume) Console output is resumed.

Entering Debugger Command Lines
5-3
5
Ò.RETURNÓ.
Debugger Command Syntax
In general, a debugger command is made up of the following parts:
❏The command identifier (i.e., MD or md for the Memory
Display command). Note that either upper- or lowercase is
allowed.
❏A port number if the command is set up to work with more
than one port.
❏At least one intervening space before the first argument.
❏Any required arguments, as specified by the command.
❏An option field, set off by a semicolon (;) to specify conditions
other than the default conditions of the command.
The commands are shown using a modified Backus-Naur form
syntax. The metasymbols used are:
boldface strings A boldface string is a literal such as a command or a
program name, and is to be typed just as it appears.
italic strings An italic string is a Òsyntactic variableÓ and is to be
replaced by one of a class of items it represents.
| A vertical bar separating two or more items
indicates that a choice is to be made; only one of the
items separated by this symbol should be selected.
[ ] Square brackets enclose an item that is optional. The
item may appear zero or one time.
{ } Braces enclose an optional symbol that may occur
zero or more times.

5-4
Using the 187Bug Debugger
5
Syntactic Variables
The syntactic variables shown below are encountered in the
command descriptions on the following pages. In addition, other
syntactic variables may be used and are defined in the particular
command description in which they occur.
Expression as a Parameter
An expression can be one or more numeric values separated by the
arithmetic operators: plus (+), minus (-), multiplied by (*), divided
by (/), logical AND (&), shift left (<<), or shift right (>>).
Numeric values may be expressed in either hexadecimal, decimal,
octal, or binary by immediately preceding them with the proper
base identifier.
If no base identifier is specified, then the numeric value is assumed
to be hexadecimal.
del Delimiter; either a comma or a space.
exp Expression (described in detail in a following section).
addr Address (described in detail in a following section).
count Count; the syntax is the same as for exp.
range A range of memory addresses which may be speciÞed
either by addr del addr or by addr: count.
text An ASCII string of up to 255 characters, delimited at
each end by the single quote mark (').
Base IdentiÞer Examples
Hexadecimal $ $FFFFFFFF
Decimal & &1974, &10-&4
Octal @ @456
Binary % %1000110

Entering Debugger Command Lines
5-5
5
A numeric value may also be expressed as a string literal of up to
four characters. The string literal must begin and end with the
single quote mark ('). The numeric value is interpreted as the
concatenation of the ASCII values of the characters. This value is
right-justified, as any other numeric value would be.
Evaluation of an expression is always from left to right unless
parentheses are used to group part of the expression. There is no
operator precedence. Subexpressions within parentheses are
evaluated first. Nested parenthetical subexpressions are evaluated
from the inside out.
Valid expression examples:
The total value of the expression must be between 0 and
$FFFFFFFF.
Address as a Parameter
Many commands use addr as a parameter. The syntax accepted by
187Bug is similar to the one accepted by the M88000 one-line
assembler. All control addressing modes are allowed. An Òaddress
+ offset registerÓ mode is also provided.
String
Literal
Numeric Value
(In Hexadecimal)
'A' 41
'ABC' 414243
'TEST' 54455354
Expression Result (In Hex) Notes
FF0011 FF0011
45+99 DE
&45+&99 90
@35+@67+@10 5C
%10011110+%1001 A7
88<<4 880 shift left
AA&F0 A0 logical AND

5-6
Using the 187Bug Debugger
5
Address Formats
Addresses are entered as a hexadecimal number, e.g., 20000 would
correspond to address $00020000. The address, or starting address
of a range, can be qualified by a suffix of the form ^S, ^s, ^U, or ^u
where S or s defines Supervisor address space, and U or u defines
user address space. The default, when the qualifier is not specified,
is Supervisor.
Once a qualifier has been entered, it remains valid for all addresses
entered for that command sequence, until the 187Bug is reentered
or another qualifier is provided.
An alternate form of Address is Rnn, which tells the bug to use the
address contained in CPU Register Rnn, where nn=00 thru 31 (i.e.,
00, 01,..., or 31).
Hence addr:= Hex Number{[^S]|[^s]|[^U]|[^u]} | Rnn
Note In commands with range specified as addr del addr, and
with size option H or W chosen, data at the second
(ending) address is acted on only if the second address
is a proper boundary for a half-word or word,
respectively. Otherwise, the range is truncated so that
the last byte acted upon is at an address that is a proper
boundary.

Entering Debugger Command Lines
5-7
5
Offset Registers
Eight pseudo-registers (Z0 through Z7) called offset registers are
used to simplify the debugging of relocatable and position-
independent modules. The listing files in these types of programs
usually start at an address (normally 0) that is not the one at which
they are loaded, so it is harder to correlate addresses in the listing
with addresses in the loaded program. The offset registers solve
this problem by taking into account this difference and forcing the
display of addresses in a relative address+offset format. Offset
registers have adjustable ranges and may even have overlapping
ranges. The range for each offset register is set by two addresses:
base and top. Specifying the base and top addresses for an offset
register sets its range. In the event that an address falls in two or
more offset registers' ranges, the one that yields the least offset is
chosen.
Note Relative addresses are limited to 1MB (5 digits),
regardless of the range of the closest offset register.
Port Numbers
Some 187Bug commands give the user the option to choose the port
to be used to input or output. Valid port numbers which may be
used for these commands are:
1. MVME187 EIA-232-D Debug (Terminal Port 0 or 00) (PORT 1
on the MVME187 P2 connector). Sometimes known as the
Òconsole portÓ, it is used for interactive user input/output by
default.
2. MVME187 EIA-232-D (Terminal Port 1 or 01) (PORT 2 on the
MVME187 P2 connector). Sometimes known as the Òhost
portÓ, this is the default for downloading, uploading,
concurrent mode, and transparent modes.

5-8
Using the 187Bug Debugger
5
Note These logical port numbers (0 and 1) are shown in the
pinouts of the MVME187 as ÒSERIAL PORT 1" and
ÒSERIAL PORT 2", respectively. Physically, they are all
part of connector P2.
Entering and Debugging Programs
There are various ways to enter a user program into system
memory for execution:
❏Create the program with the assembler/disassembler
❏Download an S-record object file
❏Read the program from disk
Creating a Program with the Assembler/Disassembler
You can create a program using the Memory Modify (MM)
command with the assembler/disassembler option.
1. Enter the program one source line at a time.
2. After each source line is entered, it is assembled and the
object code is loaded to memory.
Refer to the Debugging Package for Motorola 88K RISC CPUs User's
Manual for complete details of the 187Bug
Assembler/Disassembler.
Downloading an S-Record Object File
Another way to enter a program is to download an object file from
a host system.
The program must be in S-record format (described in the
Debugging Package for Motorola 88K RISC CPUs User's Manual) and
may have been assembled or compiled on the host system.

Calling System Utilities from User Programs
5-9
5
Alternately, the program may have been previously created using
the 187Bug MM command as outlined above and stored to the host
using the Dump (DU) command.
A communication link must exist between the host system and the
MVME187 port 1. (Hardware configuration details are provided in
Connecting Peripherals on page 3-20.) The file is downloaded from
the host to MVME187 memory by the Load (LO) command.
Read the Program from Disk
Another way to enter a program is by reading the program from
disk, using one of the disk commands (BO, BH, IOP). Once the
object code has been loaded into memory, you can set breakpoints
if desired and run the code or trace through it.
Calling System Utilities from User Programs
A convenient way of doing character input/output and many other
useful operations has been provided so that you do not have to
write these routines into the target code. You can access various
187Bug routines via one of the MC88100 TRAP instructions, using
vector #496. Refer to the Debugging Package for Motorola 88K RISC
CPUs User's Manual for details on the various TRAP #496 utilities
available and how to invoke them from within a user program.

5-10
Using the 187Bug Debugger
5
Preserving the Debugger Operating
Environment
This section explains how to avoid contaminating the operating
environment of the debugger. Topics covered include:
❏187Bug Vector Table and workspace
❏Hardware functions
❏Exception vectors used by 187Bug
❏CPU/MPU registers
187Bug uses certain of the MVME187 onboard resources and may
also use offboard system memory to contain temporary variables,
exception vectors, etc. If you disturb resources upon which 187Bug
depends, then the debugger may function unreliably or not at all.
If your application enables translation through the Memory
Management Units (MMUs), and utilizes resources of the debugger
(e.g., system calls), your application must create the necessary
translation tables for the debugger to have access to its various
resources. The debugger honors the enabling of the MMUs; it does
not disable translation.
187Bug Vector Table and Workspace
The debugger and diagnostic firmware resides in the EPROMs. The
first 64KB of RAM are also used by the debugger for storage of the
Vector Table, executable code, variables, and stack.

Floating Point Support
5-11
5
Hardware Functions
The only hardware resources used by the debugger are the EIA-
232-D ports, which are initialized to interface to the debug terminal
and a host. If these ports are reprogrammed, the terminal
characteristics must be modified to suit, or the ports should be
restored to the debugger-set characteristics prior to reinvoking the
debugger.
Note Although the 187Bug does not explicitly manage the
MC88200 or MC88204 CMMUs, hardware prevents
caching of I/O space on the MVME187, i.e.,
$FFFXXXXX. Furthermore, the code cache must not be
operative for code pages which are being traced or
breakpointed.
Exception Vectors Used by 187Bug
The top 16 MC88100 exception vectors (i.e., #496 to 511 inclusive)
are reserved for use by the debugger.
CPU/MPU Registers
MPU register CR20 is reserved for usage by the debugger. If CR20
is to be used by the user program, it must be restored prior to
utilizing debugger resources (system calls).
Floating Point Support
The floating point Special Function Unit (SFU) of the MC88100
microprocessor chip is supported in 187Bug. For MVME187BUG,
the commands MD, MM, RM, and RS have been extended to allow
display and modification of floating point data in registers and in
memory. Floating point instructions can be assembled and
disassembled with the DI option of the MD and MM commands.

5-12
Using the 187Bug Debugger
5
Valid data types that can be used when modifying a floating point
data register or a floating point memory location:
When entering data in single or double precision format, the
following rules must be observed:
1. The sign field is the first field and is a binary field.
2. The exponent field is the second field and is a hexadecimal
field.
3. The mantissa field is the last field and is a hexadecimal field.
4. The sign field, the exponent field, and at least the first digit of
the mantissa field must be present (any unspecified digits in
the mantissa field are set to zero).
5. Each field must be separated from adjacent fields by an
underscore.
6. All the digit positions in the sign and exponent fields must be
present.
Integer Data Types
12 Byte
1234 Half-Word
12345678 Word
Floating Point Data Types
1_FF_7FFFFF Single Precision Real Format
1_7FF_FFFFFFFFFFFFF Double Precision Real Format
-3.12345678901234501_E+123 ScientiÞc Notation Format (decimal)

Floating Point Support
5-13
5
Single Precision Real
This format would appear in memory as:
A single precision number takes 4 bytes in memory.
Double Precision Real
This format would appear in memory as:
A double precision number takes 8 bytes in memory.
Note The single and double precision formats have an
implied integer bit (always 1).
1-bit sign Þeld (1 binary digit)
8-bit biased exponent Þeld (2 hex digits. Bias = $7F)
23-bit fraction Þeld (6 hex digits)
1-bit sign Þeld (1 binary digit)
11-bit biased exponent Þeld (3 hex digits. Bias = $3FF)
52-bit fraction Þeld (13 hex digits)

5-14
Using the 187Bug Debugger
5
Scientific Notation
This format provides a convenient way to enter and display a
floating point decimal number. Internally, the number is assembled
into a packed decimal number and then converted into a number of
the specified data type.
Entering data in this format requires the following fields:
For more information about the floating point SFU, refer to the
MC88100 RISC Microprocessor User's Manual.
An optional sign bit (+ or -).
One decimal digit followed by a decimal point.
Up to 17 decimal digits (at least one must be entered).
An optional Exponent Þeld that consists of:
An optional underscore.
The Exponent Þeld identiÞer, letter ÒEÓ.
An optional Exponent sign (+, -).
From 1 to 3 decimal digits.

The 187Bug Debugger Command Set
5-15
5
The 187Bug Debugger Command Set
The 187Bug debugger commands are summarized in Table 5-1. The
command syntax is shown using the symbols explained earlier in
this chapter. The CNFG and ENV commands are explained in
Appendix A. Controllers, devices, and their LUNs are listed in
Appendix B or Appendix C. All other command details are
explained in the MVME187Bug Debugging Package User's Manual.
Table 5-1. Debugger Commands
Command
Mnemonic Title Command Line Syntax
AB Automatic Bootstrap
Operating System
AB [;V]
NOAB No Auto Boot NOAB
AS One Line Assembler AS addr
BC Block of Memory Compare BC range del addr [; B|H|W]
BF Block of Memory Fill BF range del data [del increment]
[; B|H|W]
BH Bootstrap Operating
System and Halt
BH [del controller LUN] [del device LUN] [del
string]
BI Block of Memory Initialize BI range [; B|H|W]
BM Block of Memory Move BM range del addr [; B|H|W]
BO Bootstrap Operating
System
BO [del controller LUN]
[del device LUN] [del string]
BR Breakpoint Insert BR [addr [: count]]
NOBR Breakpoint Delete NOBR [addr]
BS Block of Memory Search BS range del text [; B|H|W]
or BS range del data [del mask]
[; B|H|W [,N][,V]]
BV Block of Memory Verify BV range del data [del increment] [; B|H|W]
CB Cache Bit Test CB {CMMU-ID}
CD Cache Display CD CMMU-ID [del set-start [: count | del set-
end]]
CM Concurrent Mode CM [[port] [del ID-string] [del baud] [del phone-
number]] [;[A|H]]
NOCM No Concurrent Mode NOCM

5-16
Using the 187Bug Debugger
5
CNFG ConÞgure Board
Information Block
CNFG [; [I] [M]]
CS Checksum CS range [; B|H|W]
DC Data Conversion DC exp | addr [; [B] [O] [A]]
DMA DMA Block of Memory
Move
DMA range del addr del vdir del am del blk [;
B|H|W]
DS One Line Disassembler DS addr [:count | del addr]
DU Dump S-records DU [port] del range [del text]
[del addr] [del offset ] [; B|H|W]
ECHO Echo String ECHO [port] del {hexadecimal number} {'string'}
ENV Set Environment to
Bug/Operating System
ENV [; [D]]
GD Go Direct (Ignore
Breakpoints)
GD [addr]
GN Go to Next Instruction GN
GO Go Execute User Program GO [addr]
GT Go to Temporary
Breakpoint
GT addr
HE Help HE [command]
IOC I/O Control for Disk IOC
IOI I/O Inquiry IOI [; [C|L]]
IOP I/O Physical (Direct Disk
Access)
IOP
IOT I/O ÒTEACHÓ for
ConÞguring
Disk Controller
IOT [; [A|F|H|T]]
IRQM Interrupt Request Mask IRQM [mask]
LO Load S-records from Host LO [port] [addr] [; [X][C][T]] [=text]
MA Macro DeÞne/Display MA [name|; L]
NOMA Macro Delete NOMA [name]
MAE Macro Edit MAE name del line# [del string]
MAL Enable Macro Expansion
Listing
MAL
Table 5-1. Debugger Commands (Continued)
Command
Mnemonic Title Command Line Syntax

The 187Bug Debugger Command Set
5-17
5
NOMAL Disable Macro Expansion
Listing
NOMAL
MAW Save Macros MAW [controller LUN]
[del [device LUN] [del block #]]
MAR Load Macros MAR [controller LUN] [del [device LUN]
[del block #]]
MD Memory Display MD[S] addr [:count |del addr]
[; [B|H|W|S|D|DI]]
MENU Menu MENU
MM Memory Modify MM addr [; [[B|H|W|S|D][A][N]]|[DI]]
MMD Memory Map Diagnostic MMD range del increment [; B|H|W]
MS Memory Set MS addr {Hexadecimal number} {'string'}
MW Memory Write MW addr data [; B|H|W]
NAB Automatic Network Boot
Operating System
NAB
NBH Network Boot Operating
System and Halt
NBH [controller LUN] [device LUN]
[client IP Address] [server IP Address] [string]
NBO Network Boot Operating
System
NBO [controller LUN] [device LUN]
[client IP Address] [server IP Address][string]
NIOC Network I/O Control NIOC
NIOP Network I/O Physical NIOP
NIOT Network I/O Teach NIOT [; [H]|[A]]
NPING Network Ping NPING controller-LUN del device-LUN del
source-IP del destination-IP [del n-packets]
OF Offset Registers
Display/Modify
OF [Zn [; A]]
PA Printer Attach PA [port]
NOPA Printer Detach NOPA [port]
PF Port Format PF [port]
NOPF Port Detach NOPF [port]
PS Put RTC Into Power Save
Mode for Storage
PS
RB ROMboot Enable RB [; V]
NORB ROMboot Disable NORB
Table 5-1. Debugger Commands (Continued)
Command
Mnemonic Title Command Line Syntax

5-18
Using the 187Bug Debugger
5
RD Register Display RD {[+|-|=] [dname] [/]} {[+|-|=]
[reg1 [-reg2]] [/]} [; E]
REMOTE Connect the Remote
Modem to CSO
REMOTE
RESET Cold/Warm Reset RESET
RL Read Loop RL addr [; [B|H|W]]
RM Register Modify RM [reg] [; [S|D]]
RS Register Set RS reg [del exp | del addr] [; [S|D]]
SD Switch Directories SD
SET Set Time and Date SET mmddyyhhmm | n; C
SYM Symbol Table Attach SYM [addr]
NOSYM Symbol Table Detach NOSYM
SYMS Symbol Table
Display/Search
SYMS [symbol-name]|[; S]
T Trace T [count]
TA Terminal Attach TA [port]
TC Trace on Change of
Control Flow
TC [count]
TIME Display Time and Date TIME [; [C|L|O]]
TM Transparent Mode TM [port] [del ESCAPE]
TT Trace to Temporary
Breakpoint
TT addr
VE Verify S-Records Against
Memory
VE [port] [del addr] [; [X] [C]] [=text]
VER Revision/Version Display VER [; E]
WL Write Loop WL addr del data [; B|H|W]
Table 5-1. Debugger Commands (Continued)
Command
Mnemonic Title Command Line Syntax

A
A-1
AConfigure and Environment
Commands
This Appendix Covers
❏Configuring the board information block
❏Setting the environment to Bug/Operating System
❏Environment command parameters
Configuring the Board Information Block
CNFG [;[I][M]]
This command is used to display and configure the board
information block. This block is resident within the Non-Volatile
RAM (NVRAM). Refer to the MVME187 RISC Single Board
Computer User's Manual for the actual location.
The information block contains various elements detailing specific
operation parameters of the hardware. The MVME187 RISC Single
Board Computer User's Manual describes the elements within the
board information block, and lists the size and logical offset of each
element. The CNFG command does not describe the elements and
their use. The board information block contents are checksummed
for validation purposes. This checksum is the last element of the
block.

A-2
Configure and Environment Commands
A
Example: Display the current contents of the board information
block.
187-Bug>cnfg
Board (PWA) Serial Number = "000000061050"
Board Identifier = "MVME187-03 "
Artwork (PWA) Identifier = "01-W3827B03A "
MPU Clock Speed = "2500"
Ethernet Address = 08003E20A867
Local SCSI Identifier = "07"
Optional Board 1 Artwork (PWA) Identifier = " "
Optional Board 1 (PWA) Serial Number = " "
Optional Board 2 Artwork (PWA) Identifier = " "
Optional Board 2 (PWA) Serial Number = " "
187-Bug>
Note that the parameters that are quoted are left-justified character
(ASCII) strings padded with space characters, and the quotes (") are
displayed to indicate the size of the string. Parameters that are not
quoted are considered data strings, and data strings are right-
justified. The data strings are padded with zeroes if the length is not
met.
In the event of corruption of the board information block, the
command displays a question mark "?" for nondisplayable
characters. A warning message (WARNING: Board Information Block
Checksum Error) is also displayed in the event of a checksum failure.
Using the I option initializes the unused area of the board
information block to zero.
Modification is permitted by using the M option of the command.
At the end of the modification session, you are prompted for the
update to Non-Volatile RAM (NVRAM). A Y response must be
made for the update to occur; any other response terminates the
update (disregards all changes). The update also recalculates the
checksum.
Be cautious when modifying parameters. These parameters are
initialized by the factory, and correct board operation relies upon
these parameters.

Setting Environment to Bug/Operating System
A-3
A
Once modification and update are complete, you can now display
the current contents as described earlier.
Setting Environment to Bug/Operating System
ENV [;[D]]
The ENV command allows you to interactively view and configure
all Bug operational parameters that are kept in Battery Backed Up
RAM (BBRAM), also known as Non-Volatile RAM (NVRAM). The
operational parameters are saved in NVRAM and used whenever
power is lost.
Any time the Bug uses a parameter from NVRAM, the NVRAM
contents are first tested by checksum to insure the integrity of the
NVRAM contents. In the instance of BBRAM checksum failure,
certain default values are assumed as stated below.
The bug operational parameters (which are kept in NVRAM) are
not initialized automatically on power-up/warm reset. It is up to
the Bug user to invoke the ENV command. Once the ENV command
is invoked and executed without error, Bug default and/or user
modified parameters are loaded into NVRAM along with
checksum data. The operational parameters that have been
modified will not be in effect until a reset/power-up condition.
If the ENV command is invoked with no options on the command
line, you are prompted to configure all operational parameters. If
the ENV command is invoked with the option D, ROM defaults will
be loaded into NVRAM.

A-4
Configure and Environment Commands
A
The parameters to be configured are listed in the following table:
Table A-1. ENV Command Parameters
ENV Parameter and Options Default Meaning of Default
Bug or System environment [B/S] S System Mode
Field Service Menu Enable [Y/N] Y Display Þeld service menu.
Remote Start Method Switch
[G/M/B/N]
B Use both the Global Control and
Status Register (GCSR) in the
VMEchip2, and the Multiprocessor
Control Register (MPCR) in shared
RAM, methods to pass and start
execution of cross-loaded program.
Probe System for Supported I/O
Controllers [Y/N]
Y Accesses will be made to VMEbus to
determine presence of supported
controllers.
Negate VMEbus SYSFAIL*
Always [Y/N]
N Negate VMEbus SYSFAIL after
successful completion or entrance into
the bug command monitor.
Local SCSI Bus Reset on Debugger
Startup [Y/N]
N Local SCSI bus is not reset on
debugger startup.
Local SCSI Bus Negotiations Type
[A/S/N]
A Asynchronous.
Ignore CFGA Block on a Hard
Disk Boot [Y/N]
Y Enable the ignorance of the
ConÞguration Area (CFGA) Block on
a hard disk.
Auto Boot Enable [Y/N] N Auto Boot function is disabled.
Auto Boot at power-up only
[Y/N]
Y Auto Boot is attempted at power-up
reset only.
Auto Boot Controller LUN 00 LUN of a disk/tape controller module
currently supported by the Bug.
Default is 00.
Auto Boot Device LUN 00 LUN of a disk/tape device currently
supported by the Bug. Default is 00.

Setting Environment to Bug/Operating System
A-5
A
Auto Boot Abort Delay 15 This is the time in seconds that the
Auto Boot sequence will delay before
starting the boot. The purpose for the
delay is to allow you the option of
stopping the boot by use of the Break
key. The time value is from 0 through
255 seconds.
Auto Boot Default String [NULL
for an empty string]
Null You may specify a string (Þlename)
which is passed on to the code being
booted. Maximum length is 16
characters. Default is the null string.
ROM Boot Enable [Y/N] N ROMboot function is disabled.
ROM Boot at power-up only
[Y/N]
Y ROMboot is attempted at powerup
only.
ROM Boot Enable search of
VMEbus [Y/N]
N VMEbus address space will not be
accessed by ROMboot.
ROM Boot Abort Delay 0 This is the time in seconds that the
ROMboot sequence will delay before
starting the boot. The purpose for the
delay is to allow you the option of
stopping the boot by use of the Break
key. The time value is from 0 through
255 seconds.
ROM Boot Direct Starting
Address
FF800000 First location tested when the Bug
searches for a ROMboot Module.
ROM Boot Direct Ending Address FFBFFFFC Last location tested when the Bug
searches for a ROMboot Module.
Network Auto Boot Enable [Y/N] N Network Auto Boot function is
disabled.
Network Auto Boot at power-up
only [Y/N]
Y Network Auto Boot is attempted at
power-up reset only.
Table A-1. ENV Command Parameters (Continued)
ENV Parameter and Options Default Meaning of Default

A-6
Configure and Environment Commands
A
Network Auto Boot Controller
LUN
00 LUN of a network controller module
currently supported by the Bug.
Default is 00.
Network Auto Boot Device LUN 00 LUN of a network device currently
supported by the Bug. Default is 00.
Network Auto Boot Abort Delay 5 This is the time in seconds that the
Network Boot sequence will delay
before starting the boot. The purpose
for the delay is to allow you the option
of stopping the boot by use of the
Break key. The time value is from 0
through 255 seconds.
Table A-1. ENV Command Parameters (Continued)
ENV Parameter and Options Default Meaning of Default

Setting Environment to Bug/Operating System
A-7
A
Network Auto Boot ConÞguration
Parameters Pointer (NVRAM)
00000000 This is the address where the network
interface conÞguration parameters
are to be saved in NVRAM; these
parameters are the necessary
parameters to perform an unattended
network boot.
!
Caution
If you use the NIOT
debugger command, these
parameters need to be
saved in the NVRAM,
somewhere in the address
range $FFFC0000 through
$FFFC0FFF. The NIOT
parameters do not exceed
128 bytes in size. The
location for these
parameters is determined
by setting this ENV
pointer. If you have used
the exact same space for
your own program
information or
commands, they will be
overwritten and lost.
Memory Search Starting Address 00000000 Where the Bug begins to search for a
work page (a 64KB block of memory)
to use for vector table, stack, and
variables. This must be a multiple of
the debugger work page, modulo
$10000 (64KB). In a multi-187
environment, each MVME187 board
could be set to start its work page at a
unique address to allow multiple
debuggers to operate simultaneously
from the same memory.
Table A-1. ENV Command Parameters (Continued)
ENV Parameter and Options Default Meaning of Default

A-8
Configure and Environment Commands
A
Memory Search Ending Address 02000000 Top limit of the Bug's search for a
work page. If a contiguous block of
memory, 64KB in size, is not found in
the range speciÞed by Memory Search
Starting Address and Memory Search
Ending Address parameters, then the
bug will place its work page in the
onboard static RAM on the
MVME187. Default Memory Search
Ending Address is the calculated size
of local memory.
Memory Search Increment Size 00010000 This multi-CPU feature is used to
offset the location of the Bug work
page. This must be a multiple of the
debugger work page, modulo $10000
(64KB). Typically, Memory Search
Increment Size is the product of CPU
number and size of the Bug work
page. Example: Þrst CPU $0 (0 x
$10000), second CPU $10000 (1 x
$10000), etc.
Memory Search Delay
Enable [Y/N]
N There will be no delay before the Bug
begins its search for a work page.
Memory Search Delay Address FFFFCE0F The process of using the Memory
Search Delay Address was
implemented on the MVME188. It has
not been used on the MVME187.
Memory Size Enable [Y/N] Y Memory will be sized for Self Test
diagnostics.
Memory Size Starting Address 00000000 Default Starting Address is $0.
Memory Size Ending Address 02000000 Default Ending Address is the
calculated size of local memory.
Table A-1. ENV Command Parameters (Continued)
ENV Parameter and Options Default Meaning of Default

Setting Environment to Bug/Operating System
A-9
A
Base Address of Local Memory 00000000 Beginning address of Local Memory. It
must be a multiple of the Local
Memory board size, starting with 0.
The Bug will set up hardware address
decoders so that Local Memory
resides as one contiguous block at this
address. Default is $0.
Size of Local Memory Board #0
Size of Local Memory Board #1
02000000
00000000
You are prompted twice, once for each
possible MVME187 memory
mezzanine board. Default is the
calculated size of the memory board.
Slave address decoders setup.
The slave address decoders are used to allow another VMEbus master to access a local
resource of the MVME187. There are two slave address decoders. They are set up as
follows.
Slave Enable #1 [Y/N] Y Yes, Setup and enable the Slave
Address Decoder #1.
Slave Starting Address #1 00000000 Base address of the local resource that
is accessible by the VMEbus, as
viewed by the VMEbus. Default is the
base of local memory, $0.
Slave Ending Address #1 01FFFFFF Ending address of the local resource
that is accessible by the VMEbus, as
viewed by the VMEbus. Default is the
end of calculated memory.
Slave Address Translation
Address #1
00000000 This register will allow the VMEbus
address and the local address to be
different. The value in this register is
the base address of the local resource
that is associated with the starting and
ending address selection from the
previous questions. Default is $0.
Table A-1. ENV Command Parameters (Continued)
ENV Parameter and Options Default Meaning of Default

A-10
Configure and Environment Commands
A
Slave Address Translation
Select #1
00000000 This register deÞnes which bits of the
Translation Address are signiÞcant. A
logical one "1" indicates signiÞcant
address bits, logical zero "0" is non-
signiÞcant. The non-signiÞcant bits
will come from the VMEbus address
that accesses the local resource.
Normally, MS bits will be set, down to
the size of memory to be accessed.
Default is $0.
Slave Control #1 01FF DeÞnes the access restriction for the
address space deÞned with this slave
address decoder. Default is $01FF. See
description of VMEchip2 bits in Single
Board Computer ProgrammerÕs Reference
Guide.
Slave Enable #2 [Y/N] Y Yes, Setup and enable the Slave
Address Decoder #2.
Slave Starting Address #2 FFE00000 Base address of the local resource that
is accessible by the VMEbus, as
viewed by the VMEbus. Default is the
base address of static RAM,
$FFE00000.
Slave Ending Address #2 FFE1FFFF Ending address of the local resource
that is accessible by the VMEbus, as
viewed by the VMEbus. Default is the
end of static RAM, $FFE1FFFF.
Slave Address Translation
Address #2
00000000 Works the same as Slave Address
Translation Address #1. Default is $0.
Slave Address Translation
Select #2
00000000 Works the same as Slave Address
Translation Select #1. Default is $0.
Slave Control #2 01EF Works the same as Slave Control #1.
Default is $01EF.
Table A-1. ENV Command Parameters (Continued)
ENV Parameter and Options Default Meaning of Default

Setting Environment to Bug/Operating System
A-11
A
Master Enable #1 [Y/N] Y Yes, Setup and enable the Master
Address Decoder #1.
Master Starting Address #1 02000000 Base address of the VMEbus resource
that is accessible from the local bus.
Default is the end of calculated local
memory.
Master Ending Address #1 EFFFFFFF Ending address of the VMEbus
resource that is accessible from the
local bus. Default is the end of
calculated memory.
Master Control #1 0D Works the same as Slave Control #1.
Default is $0D.
Master Enable #2 [Y/N] N Do not set up and enable the Master
Address Decoder #2.
Master Starting Address #2 00000000 Base address of the VMEbus resource
that is accessible from the local bus.
Default is $0.
Master Ending Address #2 00000000 Ending address of the VMEbus
resource that is accessible from the
local bus. Default is $0.
Master Control #2 00 Works the same as Slave Control #1.
Default is $00.
Master Enable #3 [Y/N] N Do not set up and enable the Master
Address Decoder #3.
Master Starting Address #3 00000000 Base address of the VMEbus resource
that is accessible from the local bus.
Default is $0.
Master Ending Address #3 00000000 Ending address of the VMEbus
resource that is accessible from the
local bus. Default is $0.
Master Control #3 00 Works the same as Slave Control #1.
Default is $00.
Table A-1. ENV Command Parameters (Continued)
ENV Parameter and Options Default Meaning of Default

A-12
Configure and Environment Commands
A
Master Enable #4 [Y/N] N Do not set up and enable the Master
Address Decoder #4.
Master Starting Address #4 00000000 Base address of the VMEbus resource
that is accessible from the local bus.
This will be the local bus address.
Default is $0.
Master Ending Address #4 00000000 Ending address of the VMEbus
resource that is accessible from the
local bus. This will be the local bus
address. Default is $0.
Master Address Translation
Address #4
00000000 This register will allow the VMEbus
address and the local address to be
different. The value in this register is
the base address of the VMEbus
resource that is associated with the
starting and ending address selection
from the previous questions. Default
is $0.
Master Address Translation Select
#4
00000000 This register deÞnes which bits of the
Translation Address are signiÞcant. A
logical one "1" indicates signiÞcant
address bits, logical zero "0" is non-
signiÞcant. The non-signiÞcant bits
will come from the local bus address
that accesses the VMEbus. Normally
MS bits will be set, down to the size of
memory to be accessed.Default is $0.
Master Control #4 00 Works the same as Slave Control #1.
Default is $00.
Short I/O (VMEbus A16) Enable
[Y/N]
Y Yes, Enable the Short I/O Address
Decoder.
Short I/O (VMEbus A16) Control 01 Works the same as Slave Control #1.
Default is $01.
Table A-1. ENV Command Parameters (Continued)
ENV Parameter and Options Default Meaning of Default

Setting Environment to Bug/Operating System
A-13
A
F-Page (VMEbus A24) Enable
[Y/N]
Y Yes, Enable the F-Page Address
Decoder.
F-Page (VMEbus A24) Control 02 Works the same as Slave Control #1.
Default is $02.
ROM Speed Bank A Code
ROM Speed Bank B Code
05
05
Used to set up the ROM speed.
Default is $05 = 165 ns (25 MHz
MVME187) or $04=145 ns (33 MHz
MVME187).
Static RAM Speed Code 01 Used to set up the SRAM speed.
Default is $01 = 125 ns (25 MHz
MVME187) or $00=115 ns (33 MHz
MVME187).
PCC2 Vector Base
VMEC2 Vector Base #1
VMEC2 Vector Base #2
05
06
07
Base interrupt vector for the
component speciÞed. Default:
PCCchip2 = $05, VMEchip2 Vector 1 =
$06, VMEchip2 Vector 2 = $07.
VMEC2 GCSR Group
Base Address
CE SpeciÞes the group address
($FFFFXX00) in Short I/O for this
board. Default = $CE.
VMEC2 GCSR Board Base
Address
00 SpeciÞes the base address
($FFFFCEX0) in Short I/O for this
board. Default = $00.
VMEbus Global Time Out Code 01 This controls the VMEbus timeout
when this MVME187 is the system
controller. Default $01 = 64 µs.
Local Bus Time Out Code 00 This controls the local bus timeout.
Default $00 = 8 µs.
VMEbus Access Time Out Code 02 This controls the local bus to VMEbus
access timeout. Default $02 = 32 ms.
Table A-1. ENV Command Parameters (Continued)
ENV Parameter and Options Default Meaning of Default

A-14
Configure and Environment Commands
A

B
B-1
BDisk/Tape Controller
Data
Disk/Tape Controller Modules Supported
The following VMEbus disk/tape controller modules are
supported by the 187Bug. The default address for each controller
type is First Address and the controller can be addressed by First
CLUN during commands BH, BO, or IOP, or during TRAP #496
calls .DSKRD or .DSKWR.
Note that if another controller of the same type is used, the second
one must have its address changed by its onboard jumpers and/or
switches, so that it matches Second Address and can be called up by
Second CLUN.
Controller Type First
CLUN
First
Address
Second
CLUN
Second
Address
RISC Single Board Computer
(MVME187) $00 -- -- --
MVME320 - Winchester/Floppy
Controller $11 $FFFFB000 $12 $FFFFAC00
MVME323 - ESDI Winchester
Controller $08 $FFFFA000 $09 $FFFFA200
MVME327A - SCSI Controller $02 $FFFFA600 $03 $FFFFA700
MVME328 - SCSI Controller $06 $FFFF9000 $07 $FFFF9800
MVME328 - SCSI Controller $16 $FFFF4800 $17 $FFFF5800
MVME328 - SCSI Controller $18 $FFFF7000 $19 $FFFF7800
MVME350 - Streaming Tape
Controller $04 $FFFF5000 $05 $FFFF5100

B-2
Disk/Tape Controller Data
BDisk/Tape Controller Default Configurations
Note SCSI Common Command Set (CCS) devices are only
the ones tested by Motorola Computer Group.
RISC Single Board Computers -- 7 Devices
MVME320 -- 4 Devices
MVME323 -- 4 Devices
Controller LUN Address Device LUN Device Type
0$XXXXXXXX 00
10
20
30
40
50
60
SCSI Common Command Set
(CCS), which may be any of these:
- Fixed direct access
- Removable ßexible direct access
(TEAC style)
- CD-ROM
- Sequential access
Controller LUN Address Device LUN Device Type
11 $FFFFB000 0
1
2
3
Winchester hard drive
Winchester hard drive
5-1/4" DS/DD 96 TPI ßoppy drive
5-1/4" DS/DD 96 TPI ßoppy drive
12 $FFFFAC00
Controller LUN Address Device LUN Device Type
8 $FFFFA000 0
1
2
3
ESDI Winchester hard drive
ESDI Winchester hard drive
ESDI Winchester hard drive
ESDI Winchester hard drive
9 $FFFFA200

Disk/Tape Controller Default Configurations
B-3
B
MVME327A -- 9 Devices
MVME328 -- 14 Devices
Controller LUN Address Device LUN Device Type
2 $FFFFA600 00
10
20
30
40
50
60
SCSI Common Command Set
(CCS), which may be any of these:
- Fixed direct access
- Removable ßexible direct access
(TEAC style)
- CD-ROM
- Sequential access
3 $FFFFA700
80
81
Local ßoppy drive
Local ßoppy drive
Controller LUN Address Device LUN Device Type
6 $FFFF9000 00
08
10
18
20
28
30
SCSI Common Command Set
(CCS), which may be any of these:
- Removable ßexible direct access
(TEAC style)
- CD-ROM
- Sequential access
7 $FFFF9800
16 $FFFF4800
40
48
50
58
60
68
70
Same as above, but these
will only be available if
the daughter card for the
second SCSI channel is present.
17 $FFFF5800
18 $FFFF7000
$FFFF780019

B-4
Disk/Tape Controller Data
BMVME350 -- 1 Device
IOT Command Parameters for Supported
Floppy Types
The following table lists the proper IOT command parameters for
floppies used with boards such as the MVME328, MVME167, and
MVME187.
Controller LUN Address Device LUN Device Type
4 $FFFF5000 0 QIC-02 streaming tape drive
5 $FFFF5100
IOT Parameter Floppy Types and Formats
DSDD5 PCXT8 PCXT9 PCXT9_3 PCAT PS2 SHD
Sector Size:
0-128 1-256 2-512
3-1024 4-2048 5-4096
1222 222
Block Size:
0-128 1-256 2-512
3-1024 4-2048 5-4096
1111 111
Sectors/Track 10 8 9 9 F 12 24
Number of Heads 2 2 2 2 2 2 2
Number of
Cylinders 50 28 28 50 50 50 50
Precomp. Cylinder 50 28 28 50 50 50 50
Reduced Write
Current Cylinder 50 28 28 50 50 50 50
Step Rate Code 0 0 0 0 0 0 0
Single/Double
DATA Density DDDD DDD
Single/Double
TRACK Density DDD D DDD

IOT Command Parameters for Supported Floppy Types
B-5
B
Single/Equal_in_all
Track Zero Density SEEE EEE
Slow/Fast Data Rate S S S S F F F
Other Characteristics
Number of Physical
Sectors 0A00 0280 02D0 05A0 0960 0B40 1680
Number of Logical
Blocks (100 in size) 09F8 0500 05A0 0B40 12C0 1680 2D00
Number of Bytes in
Decimal 653312 327680 368460 737280 1228800 1474560 2949120
Media Size/Density 5.25/DD 5.25/DD 5.25/DD 3.5/DD 5.25/HD 3.5/HD 3.5/ED
Notes
1. All numerical parameters are in hexadecimal unless otherwise noted.
2. The DSDD5-type ßoppy is the default setting for the debugger.
IOT Parameter Floppy Types and Formats
DSDD5 PCXT8 PCXT9 PCXT9_3 PCAT PS2 SHD

B-6
Disk/Tape Controller Data
B

C
C-1
CNetwork Controller
Data
Network Controller Modules Supported
The VMEbus network controller modules supported by
MVME187Bug are shown in Table C-1. The default address for each
type and position is shown to indicate where the controller must
reside to be supported by MVME187Bug.
The CLUNs and DLUNs are used in conjunction with the following
debugger commands and debugger system calls:
The controllers are accessed via the CLUNs and DLUNs specified
in the following table.
Debugger Commands Debugger System Calls
NBH .NETRD
NBO .NETWR
NIOC .NETFOPN
NIOP .NETFRD
NIOT .NETCFIG
NPING .NETCTRL
NAB
Table C-1. Network Controller Access Data
Controller
Type CLUN DLUN Address Interface
Type
MVME187 $00 $00 $FFF46000 Ethernet
MVME376 $02 $00 $FFFF1200 Ethernet
MVME376 $03 $00 $FFFF1400 Ethernet
MVME376 $04 $00 $FFFF1600 Ethernet
MVME376 $05 $00 $FFFF5400 Ethernet
MVME376 $06 $00 $FFFF5600 Ethernet

C-2
Network Controller Data
CMVME376 $07 $00 $FFFFA400 Ethernet
MVME374 $10 $00 $FF000000 Ethernet
MVME374 $11 $00 $FF100000 Ethernet
MVME374 $12 $00 $FF200000 Ethernet
MVME374 $13 $00 $FF300000 Ethernet
MVME374 $14 $00 $FF400000 Ethernet
MVME374 $15 $00 $FF500000 Ethernet
Table C-1. Network Controller Access Data (Continued)
Controller
Type CLUN DLUN Address Interface
Type

D
D-1
DTroubleshooting the MVME187:
Solving Startup Problems
❏Try these simple troubleshooting steps before calling for help
or sending your CPU board back for repair.
❏Some of the procedures will return the board to the factory
debugger environment. (The board was tested under these
conditions before it left the factory.)
❏Selftest may not run in all user-customized environments.
Table D-1. Troubleshooting Steps
Condition Possible
Problem Try This:
I. Nothing
works, no
display on the
terminal.
A. If the RUN or
+12V LED is not
lit, the board
may not be
getting correct
power.
1. Make sure the system is plugged in.
2. Check that the board is securely installed in its
backplane or chassis.
3. Check that all necessary cables are connected to
the board, per this manual.
4. Check for compliance with System
Considerations, in Chapter 3.
5. Review the Installation and Startup procedures,
in Chapter 3. The step-by-step powerup routine
for your board is on page 3-17. Try it.
B. If the LEDs
are lit, the board
may be in the
wrong slot.
1. The CPU board should be in the Þrst (leftmost)
slot if it is to be the system controller.
2. The Òsystem controllerÓ function requires that
header J2 be set properly. See Chapter 3.
C. The system
console
terminal may be
conÞgured
wrong.
ConÞgure the system console terminal according to
the instructions in Chapter 3.

D-2
Troubleshooting the MVME187: Solving Startup Problems
D
II. There is a
display on the
terminal, but
input from the
keyboard has no
effect.
A. The
keyboard may
be connected
incorrectly.
Recheck the keyboard connections and power.
B. Board
jumpers may be
conÞgured
incorrectly.
Check the board jumpers per this manual.
C. You may have
invoked ßow
control by
pressing a HOLD
or PAUSE key, or
by typing
^S
Also, a HOLD
LED may be lit
on the keyboard.
Press the HOLD or PAUSE key again.
If this does not free up the keyboard, type in
^Q
(Hold down the CONTROL key and type a ÒQÓ)
Table D-1. Troubleshooting Steps (Continued)
Condition Possible
Problem Try This:

D-3
D
III. Debug
prompt
187-Bug>
does not appear
at powerup, and
the board does
not auto boot.
A. Debugger
EPROM may be
missing.
1. Disconnect all power from your system.
2. Check that the proper debugger EPROM is
installed per this manual.
3. Reconnect power.
!
Caution
Performing the next
step will change some
parameters that may
affect your system
operation.
4. Restart the system by Òdouble-button resetÓ:
press the RESET and ABORT switches at the same
time; release RESET Þrst, wait Þve seconds, then
release ABORT.
5. If the debug prompt appears, go to step IV or step
V, as indicated. If the debug prompt does not
appear, go to step VI.
B. The board
may need to be
reset.
Table D-1. Troubleshooting Steps (Continued)
Condition Possible
Problem Try This:

D-4
Troubleshooting the MVME187: Solving Startup Problems
D
IV. Debug
prompt
187-Bug>
appears at
powerup, but
the board does
not auto boot.
A. The initial
debugger
environment
parameters may
be set wrong.
1. Start the onboard calendar clock and timer. Type
in
set mmddyyhhmm <Return>
where the characters indicate the month, day,
year, hour, and minute. The date and time will be
displayed.
!
Caution
Performing the next
step will change some
parameters that may
affect your system
operation.
2. Type in
env;d <Return>
This sets up the default parameters for the
debugger environment.
3. When prompted to Update Non-Volatile
RAM, type in
y <Return>
4. When prompted to Reset Local System,
type in
y <Return>
5. After clock speed is displayed, immediately
(within Þve seconds) press the RETURN key
<Return> or
BREAK
to exit to System Menu. Then enter a 3 “Go to
System Debugger” and press the RETURN key
3 <Return>
Now the prompt should be
187-Diag>
B. There may be
some fault in
the board
hardware.
Table D-1. Troubleshooting Steps (Continued)
Condition Possible
Problem Try This:

D-5
D
6. You may need to use the cnfg command (see
Appendix A) to change clock speed and/or
Ethernet Address, and then later return to
env <Return>
and step 3.
7. Run selftest by typing in
st <Return>
The tests take as much as 10 minutes, depending
on RAM size. They are complete when the
prompt returns. (The onboard selftest is a
valuable tool in isolating defects.)
8. The system may indicate that it has passed all the
selftests. Or, it may indicate a test that failed. If
neither happens, enter
de <Return>
Any errors should now be displayed. If there are
any errors, go to step VI. If there are no errors, go
to step V.
V. The debugger
is in system
mode and the
board auto
boots, or the
board has
passed selftests.
A. No problems.
Troubleshooting
is done.
No further troubleshooting steps are required.
Note Even if the board passes all tests, it may
still be bad. Selftest does not try out all
functions in the board (for example,
SCSI, or VMEbus tests).
VI. The board
has failed one or
more of the tests
listed above, and
can not be
corrected using
the steps given.
A. There may be
some fault in
the board
hardware or the
on-board
debugging and
diagnostic
Þrmware.
1. Document the problem and return the board for
service.
2. Phone 1-800-222-5640.
YOU ARE FINISHED (DONE) WITH THIS TROUBLESHOOTING PROCEDURE.
Table D-1. Troubleshooting Steps (Continued)
Condition Possible
Problem Try This:

D-6
Troubleshooting the MVME187: Solving Startup Problems
D

E
E-1
EEIA-232-D
Interconnections
Introduction
The EIA-232-D standard is the most common terminal/computer
and terminal/modem interface, and yet it is not fully understood.
This may be because not all the lines are clearly defined, and many
users do not see the need to follow the standard in their
applications. Often designers think only of their own equipment,
but the state of the art is computer-to-computer or computer-to-
modem operation. A system should easily connect to any other
system.
The EIA-232-D standard was originally developed by the Bell
System to connect terminals via modems. Several handshaking
lines were included for that purpose. Although handshaking is
unnecessary in many applications, the lines themselves remain part
of many designs because they facilitate troubleshooting.
Table E-1 lists the standard EIA-232-D interconnections. To
interpret this information correctly, remember that EIA-232-D was
intended to connect a terminal to a modem. When computers are
connected to each other without modems, one of them must be
configured as a terminal (data terminal equipment: DTE) and the
other as a modem (data circuit-terminating equipment: DCE). Since
computers are normally configured to work with terminals, they
are said to be configured as a modem in most cases.
Signal levels must lie between +3 and +15 volts for a high level, and
between -3 and -15 volts for a low level. Connecting units in parallel
may produce out-of-range voltages and is contrary to EIA-232-D
specifications.

E-2
EIA-232-D Interconnections
E
Table E-1. EIA-232-D Interconnections
Pin
Number
Signal
Mnemonic Signal Name and Description
1 CHASSIS GROUND. Not always used. See section Proper
Grounding.
2 TxD TRANSMIT DATA. Data to be transmitted; input to the modem
from the terminal.
3 RxD RECEIVE DATA. Data which is demodulated from the receive
line; output from the modem to the terminal.
4 RTS REQUEST TO SEND. Input to the modem from the terminal
when required to transmit a message. With RTS off, the modem
carrier remains off. When RTS is turned on, the modem
immediately turns on the carrier.
5 CTS CLEAR TO SEND. Output from the modem to the terminal to
indicate that message transmission can begin. When a modem is
used, CTS follows the off-to-on transition of RTS after a time
delay.
6 DSR DATA SET READY. Output from the modem to the terminal to
indicate that the modem is ready to transmit data.
7 SIG-GND SIGNAL GROUND. Common return line for all signals at the
modem interface.
8 DCD DATA CARRIER DETECT. Output from the modem to the
terminal to indicate that a valid carrier is being received.
9-14 Not used.
15 TxC TRANSMIT CLOCK (DCE). Output from the modem to the
terminal; clocks data from the terminal to the modem.
16 Not used.
17 RxC RECEIVE CLOCK. Output from the modem to the terminal;
clocks data from the modem to the terminal.
18, 19 Not used.
20 DTR DATA TERMINAL READY. Input to the modem from the
terminal; indicates that the terminal is ready to send or receive
data.
21 Not used.

Levels of Implementation
E-3
E
Levels of Implementation
There are several levels of conformance that may be appropriate for
typical EIA-232-D interconnections. The bare minimum
requirement is the two data lines and a ground. The full
implementation of EIA-232-D requires 12 lines; it accommodates:
❏Automatic dialing
❏Automatic answering
❏Synchronous transmission
A middle-of-the-road approach is illustrated in Figure E-1.
22 RI RING INDICATOR. Output from the modem to the terminal;
indicates to the terminal that an incoming call is present. The
terminal causes the modem to answer the phone by carrying
DTR true while RI is active.
23 Not used.
24 TxC TRANSMIT CLOCK (DTE). Input to modem from terminal;
same function as TxC on pin 15.
25 BSY BUSY. Input to modem from terminal. A positive EIA signal
applied to this pin causes the modem to go off-hook and make
the associated phone busy.
Table E-1. EIA-232-D Interconnections (Continued)
Pin
Number
Signal
Mnemonic Signal Name and Description

E-4
EIA-232-D Interconnections
E
Signal Adaptations
One set of handshaking signals frequently implemented are RTS
and CTS. CTS is used in many systems to inhibit transmission until
the signal is high. In the modem application, RTS is turned around
and returned as CTS after 150 microseconds. RTS is programmable
in some systems to work with the older type 202 modem (half
duplex). CTS is used in some systems to provide flow control to
avoid buffer overflow. This is not possible if modems are used. It is
usually necessary to make CTS high by connecting it to RTS or to
some source of +12 volts such as the resistors shown in Figure E-1.
CTS is also frequently jumpered to an MC1488 gate which has its
inputs grounded (the gate is provided for this purpose).
Another signal used in many systems is DCD. The original purpose
of this signal was to inform the system that the carrier tone from the
distant modem was being received. This signal is frequently used
by the software to display a message such as CARRIER NOT PRESENT to
help the user diagnose failure to communicate. Obviously, if the
system is designed properly to use this signal and is not connected
to a modem, the signal must be provided by a pullup resistor or
gate as described above (see Figure E-1).
Many modems expect a DTR high signal and issue a DSR response.
These signals are used by software to help prompt the operator
about possible causes of trouble. The DTR signal is sometimes used
to disconnect the phone circuit in preparation for another automatic
call. These signals are necessary in order to communicate with all
possible modems (see Figure E-1).
Sample Configurations
Figure E-1 is a good middle-of-the-road configuration that almost
always works. If the CTS and DCD signals are not received from the
modem, the jumpers can be moved to artificially provide the
needed signal.

Levels of Implementation
E-5
E
Figure E-1. Middle-of-the-Road EIA-232-D Configuration
3
TXD
RXD
RTS
CTS
DCD
TXC
RXC
-12V
TXD
RXD
RTS
CTS
DCD
TXC
RXC
OPTIONAL
HARDWARE
TRANSPARENT
MODE
LOGIC
470Ω
39kΩ
39kΩ
39kΩ
470Ω
39kΩ
-12V
2
1
5
6
8
7
7
1
20
2
3
4
5
6
CHASSIS GND
CONNECTOR
TO
TERMINAL
CONNECTOR
TO
MODEM
OR
HOST SYSTEM
RXD
TXD
NC
CTS
DSR
DCD
SIG GND
DTR
TXD
RXD
RTS
CTS
DCD
-12V
+12V
-12V +12V
+12V GND
+12V
SIG GND
NC
cb181 9210
470Ω
SERIAL PORT
LS08
LS08
470Ω470Ω470Ω
SERIAL PORT
1489A
1489A
1489A
1488
1488
1488
1489A

E-6
EIA-232-D Interconnections
E
Figure E-2 shows a way of wiring an EIA-232-D connector to enable
a computer to connect to a basic terminal with only three lines. This
is feasible because most terminals have DTR and RTS signals that
are ON, and which can be used to pull up the CTS, DCD, and DSR
signals.
Two of these connectors wired back-to-back can be used. In this
implementation, however, diagnostic messages that might
otherwise be generated do not occur because all the handshaking is
bypassed. In addition, the TX and RX lines may have to be crossed
since TX from a terminal is outgoing but the TX line on a modem is
an incoming signal.
Figure E-2. Minimum EIA-232-D Connection
CHASSIS GND 1
TxD 2
RxD 3
SIGNAL GND 7
RTS 4
CTS 5
DSR 6
DCD 8
EIA-232-D
DTR 20
. . . .
CONNECTOR
.

Levels of Implementation
E-7
E
Proper Grounding
Another subject to consider is the use of ground pins. There are two
pins labeled GND. Pin 7 is the SIGNAL GROUND and must be
connected to the distant device to complete the circuit. Pin 1 is the
CHASSIS GROUND, but it must be used with care. The chassis is
connected to the power ground through the green wire in the
power cord and must be connected to the chassis to be in
compliance with the electrical code.
The problem is that when units are connected to different electrical
outlets, there may be several volts of difference in ground potential.
If pin 1 of each device is interconnected with the others via cable,
several amperes of current could result. This condition may not
only be dangerous for the small wires in a typical cable, but may
also produce electrical noise that causes errors in data transmission.
That is why Figure E-1 shows no connection for pin 1.
Normally, pin 7 should only be connected to the CHASSIS
GROUND at one point; if several terminals are used with one
computer, the logical place for that point is at the computer. The
terminals should not have a connection between the logic ground
return and the chassis.

E-8
EIA-232-D Interconnections
E

IN-9
Index
Symbols
#496 system calls 4-16
+12V LED 2-11
Numerics
100 ns SRAMs 2-13
187Bug
debugger command set 5-15
firmware in EPROMs 2-4
implementation 4-4
see also debug monitor and
MVME187Bug
stack 4-5
vector table and workspace 5-10
27C102JK type EPROM 2-13
44-pin PLCC/CLCC EPROM 2-13
5-1/4 DS/DD 96 TPI floppy drive B-2
53C710 (SCSI Controller) 2-22
82596CA 2-12, 2-21
see also Ethernet and LAN
96-position DIN connectors 2-7
A
abort 4-10
ABORT switch 2-11
adapter board and transition module in-
stallation 3-20
adapters 2-7
additional manuals for the MVME187
board 1-6
address 5-4
as a parameter 5-5
formats 5-6
address resolution protocol (ARP) 4-20
applicable Non-Motorola Publications
1-9
arguments 5-3
arithmetic operators 5-4
ASCII string 5-4
assembler/disassembler 4-2, 5-8
assertion and negation conventions 1-3
autoboot 4-6
B
backplane power connections 3-27
Backus-Naur 5-3
base and top addresses 5-7
base identifier 5-4
Battery Backed Up RAM (BBRAM) and
clock 2-17
see also MK48T08 and NVRAM
BH (Bootstrap and Halt) 4-16
big-endian byte ordering 1-3
binary number 1-2
bit value descriptions 1-4
block diagram 2-7
blocks versus sectors 4-14
BO (Bootstrap Operating System) 4-15
board
information block A-1
level hardware description 2-1
level overview 2-7
select value 4-24
boldface string 5-3
Boot PROM 4-19
booting 187Bug 4-5

Index
IN-10
I
N
D
E
X
BOOTP
address determination and bootfile
selection 4-20
protocol module 4-20
Bootstrap
and Halt (BH) 4-16
Operating System (BO) 4-15
Protocol (BOOTP) 4-20
braces 5-3
break 4-11
BREAK key 4-11
breakpoint and tracing capabilities 4-2
breakpoint during execution of the user
program 5-2
bug operational parameters A-3
byte
definition 1-3
ordering 1-3
C
C programming language 4-4
cable(s) 3-20
calling system utilities from user pro-
grams 5-9
card slot selection 3-15
CCS
(SCSI Common Command Set) B-2
CD2401 Serial Controller Chip (SCC)
2-18, 3-21
change clock speed D-5
changing parameter table 4-18
character input/output 5-9
chassis ground E-7
chassis preparation 3-15
checksum A-2
precautions 4-4
CLCC (EPROM) 2-13
Clear To Send (CTS) 3-22
clock speed calculation failure 4-12
CLUN (controller LUN) B-2, C-1
CLUN/DLUN combinations 4-15
command
descriptions 5-4
facilities 4-2
identifier 5-3
line 5-1
command parameters
IOT B-4
commands
diagnostic utilities 4-26
commands/prefixes, diagnostic monitor
4-25
comparison with M68000-based firm-
ware 4-4
confidence test failure 4-12
configuration, default disk/tape control-
ler B-2
configuration, hardware 3-8
Configure (CNFG) and Environment
(ENV) commands A-1
Configure Board Information Block (CN-
FG) A-1
connector P2 5-8
connectors 2-7
console port 5-7
console terminal D-1
control
addressing modes 5-5
and status bit definitions 1-4
bit 1-4
controller B-1
command packets 4-16
LUN (CLUN) B-2, C-1
converting protocol addresses to local
area network addresses 4-20
count 5-4
CPU Register Rnn 5-6
CPU/MPU registers 5-11
CR20 5-11
creating a program with the assem-
bler/disassembler 5-8
CTS (Clear To Send) 3-22
CTS/RTS E-4

IN-11
I
N
D
E
X
D
Dallas DS1210S 2-14
data and address
parameter numeric format 1-2
size definitions 1-3
data bus structure 2-12
data circuit-terminating equipment
(DCE) E-1
data terminal equipment (DTE) E-1
DCE (data circuit-terminating equip-
ment) E-1
debug monitor 3-14
see also 187Bug and MVME187Bug
debug port 5-7
debugger 3-9
commands 5-15
directories 4-3
general information 4-1
prompt 5-1
setup/operation parameters stored
in ROM 3-9
decimal number 1-2
default
187Bug controller and device param-
eters 4-17
baud rate 3-21
delimiter 5-4
description of 187Bug 4-2
device
descriptor table 4-15
LUN (DLUN) B-2, C-1
probe function 4-14
diagnostic directories 4-3
diagnostic facilities 4-25
diagnostics
monitor commands/prefixes 4-25
utilities 4-26
direct access device B-2, B-3
disk
I/Oerror codes 4-18
support 4-13
via 187Bug commands 4-15
via 187Bug system calls 4-16
support facilities 4-13
disk/tape
controller
default configurations B-2
controller modules B-1
diskless client 4-20
diskless remote node 4-19
display of memory 4-2
DLUN (device LUN) B-2, C-1
document set for MVME187-0xx board
1-5
documentation
available non-Motorola publications
bundle 1-7
double precision real 5-13
downloading an S-record object file 5-8
DRAM (dynamic RAM) 2-15
addressing 3-27
base address 3-27
mezzanine boards 2-2
mixed parity 2-16
programming considerations 2-16
DTE (data terminal equipment) E-1
dynamic RAM (DRAM) 2-15
E
EIA-232-D 2-3, 2-19
interconnections E-1, E-2
middle-of-the-road configuration
E-5
minimum connection E-6
port(s) 3-21, 5-11
standard E-1
entering and debugging programs 5-8
entering debugger command lines 5-1
ENV command parameters A-4
Environment (ENV) and Configure (CN-
FG) commands A-1

Index
IN-12
I
N
D
E
X
environmental parameters 3-25
EPROM(s) 2-13, 2-25, 3-7, 3-14, 4-4, 5-10
socket installation 3-7
socket orientation 3-7
user-programmed 3-7
ESDI Winchester hard drive B-2
Ethernet C-1
address, when to change D-5
interface 2-21
LAN (+12vdc) fuse 3-28
see also 82596CA and LAN
station address 2-21
transceiver interface 2-3
evaluation of an expression 5-5
Examine and/or change environmental
parameters 3-25
exception vectors used by 187Bug 5-11
exponent field 5-12
expression 5-4
expression as a parameter 5-4
extended addressing 3-27
external connections 3-22
F
factory debugger environment D-1
FAIL LED 2-11
features of the MVME187 RISC Single
Board Computer 2-4
flexible diskette B-2
floating point
data types 5-12
decimal number 5-14
instructions 5-11
SFU (special function unit) 5-14
support 5-11
floppy disk B-3
command parameters B-4
floppy drive B-2, B-3
flow control D-2
four-byte 1-3
front panel
LEDs 2-11
switches 2-11
functional description 2-10
fuse F1 3-29
fuse F2 3-28
G
GCSR (Global Control and Status Regis-
ters) 3-28, 4-24
location monitor register 3-28
method 4-24
general purpose readable jumpers on
header J1 3-8
global bus timeout 3-27
Global Control and Status Registers (GC-
SR) 3-28, 4-21, 4-24
grounding E-7
group select value 4-24
H
half duplex E-4
handshaking 3-22, E-1, E-4
hard disk drive B-2
hardware
diagnostics 4-25
functions 5-11
interrupts 2-23
preparation 3-5
preparation and installation 3-1
headers 3-8
hexadecimal character 1-2
host port 5-7
host system 5-8
I
I/O interfaces 2-18
installation and startup 4-6
Integer Data Types 5-12
Intel 82596 LAN Coprocessor Ethernet
driver 4-19
interconnections
EIA-232-D E-1
implementation E-3

IN-13
I
N
D
E
X
sample configurations E-4
internal
SCSI connections 3-18
serial port connections 3-18
Internet Protocol (IP) 4-19
Internet User Datagram Protocol (UDP)
4-20
interrupt(s) 2-23
IOC (I/O Control) 4-15
IOI (Input/Output Inquiry) 4-15
IOP (Physical I/O to Disk) 4-15
IOT
command parameters B-4
command parameters for supported
floppy types B-4
IOT (I/O teach)
isolating defects D-5
italic strings 5-3
J
J1 3-8, 3-9
J2 3-8, 3-10
J6 3-11, 3-12
J7 3-11, 3-13
J8 3-11, 3-13
jumpers 3-8
K
keyboard control 4-3
L
LAN (local area network) 2-21
LED 2-11
see also 82596CA and Ethernet
transceiver 3-28
LCSR (Local Control and Status Regis-
ters) 3-8
LEDs 2-11
loading and executing user programs 4-2
local
bus arbitration 2-12
floppy drive B-3
I/O devices memory map 2-26
memory configuration status 4-12
resources 2-23
local bus 2-23
arbitration 2-12
memory map 2-24, 2-25
timeout 2-23
to VMEbus interface 2-18
Local Control and Status Registers
(LCSR) 4-24
location monitors 3-28
logical block 4-14
M
M88000 firmware 4-1
M88000 MPU 2-12
mantissa field 5-12
manual terminology 1-2
MC88100 exception vectors 5-11
MC88100 TRAP instructions 5-9
MC88200 or MC88204 CMMUs 5-11
MCECC memory controller ASIC 2-10
MEMC040 memory controller ASIC 2-10
memory
address ranges 3-27
maps 2-24
local bus 2-24
local I/O devices 2-26
VMEbus 2-28
VMEbus short I/O 2-28
requirements 4-5
Memory Modify (MM) 5-8
metasymbols 5-3
mezzanine module 2-2
on 25 MHz main boards 2-2
mezzanines, stacking 2-16
mixed parity 2-16
modem(s) E-1
modifying memory 4-2
Motorola-style byte ordering 1-3

Index
IN-14
I
N
D
E
X
move files between machines on differ-
ent networks 4-20
MPAR (Multiprocessor Access Register)
4-22
MPCR (Multiprocessor Control Register)
method 4-21
status codes 4-22
MPU clock speed calculation 4-12
MPU register CR20 5-11
multiple module cage configuration 3-28
Multiprocessor Address Register
(MPAR) 4-22
Multiprocessor Control Register (MPCR)
4-21
method 4-21
multiprocessor support 4-21
MVME187 2-1, C-1
block diagram 2-7
specifications 2-6
MVME187Bug debugging package
see also 187Bug and debug monitor
1-3, 3-14
MVME320 - Winchester/Floppy Con-
troller B-1
MVME323 - ESDI Winchester Controller
B-1, B-2
MVME327A - SCSI Controller B-1, B-3
MVME328 - SCSI Controller B-1, B-3
MVME350 - Streaming Tape Controller
B-1, B-4
MVME374 C-2
MVME376 C-1
MVME712-12 2-8, 3-17
MVME712-13 2-8, 3-17
MVME712A 2-8, 3-17
MVME712AM 2-8, 3-17
MVME712B 2-8, 3-17
MVME712M 2-8, 3-11, 3-17
MVME712X 2-8, 3-17
N
negation 1-3
network
controller data C-1
controller modules supported C-1
I/O error codes 4-21
I/O support 4-19
identify 4-19
network (local Ethernet interface) as a
boot device 4-19
network boot 4-8
control module 4-20
firmware 4-19
no display D-1
normal address range 2-24
numeric value 5-4
NVRAM (Non-Volatile RAM)
checksum error 4-12
low battery condition 4-12
O
object code 5-8
offset registers 5-7
onboard
DRAM 2-15
memory 2-2
selftest D-5
operating environment 5-10
operation parameters of the hardware
A-1
operational parameters A-3
operator precedence 5-5
option field 5-3
option modification 3-5
optional SRAM battery backup 2-14
overview of M88000 firmware 4-1
overview of startup procedure 3-2
P
P1 2-7
P2 2-7
P2 adapter board 2-7, 3-20, 3-29
packed decimal number 5-14
parallel (printer) port 2-3

IN-15
I
N
D
E
X
parallel port interface 2-20
parameter tables 4-13, 4-18
parity mezzanines 2-2
parity modules 2-2
patching programs 4-2
PCCchip2 ASIC 2-9
peripheral
connection procedures 3-21
PLCC (EPROM) 2-13
port 0 or 00 5-7
port 1 or 01 5-7
port number(s) 5-3, 5-7
power sources 2-14
preserving the debugger operating envi-
ronment 5-10
primary and secondary power source
support 2-14
priority
82596CA LAN (highest) 2-12
of local bus masters 2-12
type arbiter 2-12
programmable EPROM features 2-13
programmable tick timers 2-23
programming the PPCchip2 and
VMEchip2 3-26
proper grounding E-7
Pseudo Stack Pointer (R31) 4-5
pseudo-registers 5-7
publications
applicable Motorola 1-6
Non-Motorola 1-9
not included in the set 1-6
Q
QIC-02 streaming tape drive B-4
qualifier 5-6
R
RAM 5-10
range 5-4
RARP 4-20
RARP/ARP protocol modules 4-20
read files from/to a remote server 4-20
reading a program from disk 5-9
related documentation 1-5
relative address+offset 5-7
Remote Start Switch Method 4-21
rendering the debugger unusable 1-3
reset 4-10
RESET switch 2-11
restarting 187Bug 4-5
restarting the system 4-9
Reverse Address Resolution Protocol
(RARP) 4-20
RFI 3-16
RISC Single Board Computer (SBC) B-1
ROMboot 4-7
RTC (real-time clock) 3-25
initialization 3-25
power save mode 3-29
RTS/CTS E-4
RTXC4 (Receive Transmit Clock 4) 3-11,
3-14
RUN LED 2-11
S
SBC B-1
see also RISC Single Board Computer
SCC (Serial Controller Chip) 2-18
see also CD2401
scientific notation 5-14
SCON LED 2-11
SCSI
bus termination 3-29
Common Command Set (CCS) B-2,
B-3
controller (53C710) 2-22
interface 2-22
internal connections 3-18
LED 2-11
mass storage interface 2-2
specification 1-9
termination 2-22
terminator power 3-29

Index
IN-16
I
N
D
E
X
SCSI commands
Inquiry 4-14
Mode Sense 4-14
sector size 4-14
selftest error 4-12
sequential access device B-2, B-3
Serial Controller Chip (SCC)
see also CD2401
serial port 1 5-8
serial port 2 5-8
serial port 4 clock configuration select
headers J7 and J8 3-11
serial port interface 2-18
serial ports 2-3
Set Environment to Bug/Operating Sys-
tem (ENV) A-3
settings for
J1 general purpose readable jumpers
3-9
J2 system controller header 3-10
J6 SRAM optional backup power se-
lect header 3-12
J7 and J8 serial port 4 clock configu-
ration select headers 3-13
setup/operation parameters
default
in NVRAM 3-9
SFU (special function unit) 5-11, 5-14
shared RAM 4-21
shielded cables 3-17
sign field 5-12
signal
adaptations E-4
ground E-7
levels E-1
name conventions 1-2
edge significant 1-2
level significant 1-2
Single Board Computer (SBC)
see also RISC Single Board Computer
single precision real 5-13
small-endian byte ordering 1-3
software-programmable hardware inter-
rupts 2-23
source line 5-8
special function unit (SFU) 5-11
specifications 2-6
square brackets 5-3
SRAM (static RAM) 2-13
SRAM backup power source select head-
er J6 3-11, 3-12
S-record format 5-8
stacking mezzanines 2-16
standards requirements 2-6
startup procedure overview 3-2
static RAM (SRAM) 2-13
static variable space 4-5
status bit 1-4
status codes (MPCR) 4-22
storage and the real-time clock 3-29
streaming tape drive B-4
see also QIC-2 streaming tape drive
string literal 5-5
supervisor address space 5-6
supported controllers 4-13
switches 2-11
syntactic variables 5-4
SYSFAIL* assertion/negation 4-12
system
considerations 3-27
console 3-21, D-1
controller 3-10
controller function 3-14
controller header 3-10
controller header J2 3-8
fail (SYSFAIL*) 4-7
reset 4-10
startup overview 3-24
system calls
see also disk I/O via 187Bug system
calls
system calls <singlepage> 4-16

IN-17
I
N
D
E
X
T
terminal input/output control 4-13, 5-1
terminal(s) E-1
TFTP protocol module 4-20
tick timers 2-23
timeout 2-23
tracing capabilities 4-2
transfer type (TT) 2-24
transition boards supported by
MVME187 2-8
transition module installation 3-20
translation table 5-10
translation through the Memory Man-
agement Units (MMUs) 5-10
TRAP #496 4-16, 5-9
calls, and default controller address-
es B-1
function ".RETURN" 5-2
trap exception commands 4-2
Trivial File Transfer Protocol (TFTP) 4-20
troubleshooting steps D-1
true/false bit state definitions 1-4
TRXC4 (Transmit Receive Clock 4) 3-11,
3-14
TT (transfer type) 2-24
two-byte 1-3
U
UDP/IP protocol modules 4-19
unpacking instructions 3-1
unusable debugger and small-endian
byte ordering 1-3
user address space 5-6
User Datagram Protocol 4-19
user-customized environments D-1
using local SRAM for work space J6 3-9
using the 187Bug debugger 5-1
V
vector table 5-10
verify the NVRAM (BBRAM) parameters
3-25
vertical bar 5-3
VME LED 2-11
VMEbus
accesses to the local bus 2-28
interface 2-18
memory map 2-28
short I/O memory map 2-28
short I/O space 4-24
specification 1-9
VMEchip2
ASIC 2-9
LCSR (Local Control and Status Reg-
isters) 3-8
LM/SIG register 4-24
W
watchdog timer 2-23
whoami packet 4-20
Winchester hard drive B-2
work page 3-9
write files from/to a remote server 4-20
X
XON/XOFF 3-22

